Реконструкция здания железнодорожного вокзала станции Хабаровска
Введение
В настоящее время происходит интенсивное развитие Хабаровского края, что
проявляется в подъёме производства и строительства. Город Хабаровск является
центром Дальневосточного региона. Поэтому в настоящее время возникает
необходимость в расширении транспортных связей между городами Дальневосточного
региона и центральной частью России.
Эксплуатируемые здания со временем накапливают физический и моральный
износ. В современном быстро развивающемся мире зачастую моральный износ
значительно превосходит физический износ, т.е. несущие и ограждающие
конструкции ещё способны выполнять свои функции, однако здание ввиду морального
устаревания не отвечает предъявляемым к нему функциональным требованиям. В
таких случаях экономически выгодно производить реконструкцию здания, нежели
начинать новое строительство.
В данной проекте рассмотрена реконструкция здания железнодорожного
вокзала станции Хабаровска II, путем изменения объемно - планировочного решения
и доведения его до уровня требований, предъявляемых в новом строительстве.
Здание железнодорожного вокзала ст. Хабаровск-II построено
в 1939 г. и в настоящее время только часть здания используется как павильон для
пригородных пассажиров.
Здание не является памятником архитектуры. В то же
время представляет собой пластичный, почти скульптурный объем с выраженными
классическими пропорциями и элементами декора, заслуживающими внимания.
Архитектурный облик фасадов отвечает требованиям восприятия здания вокзала как
въездного знака или визитной карточки железнодорожной городской станции. В
связи с этим предлагается максимально сохранить здание в первоначальном виде
после проведения реконструкции.
За условную отметку 0,000 принята отметка пола первого
этажа, соответствующая абсолютной отметке 58.3.
Здание вокзала кирпичное, одноэтажное и состоит из:
операционного зала пригородных пассажиров
высотой около 8 м;
помещений дежурной части милиции;
кабинетов служебных помещений, расположенных
по обеим сторонам от операционного зала;
При выполнении реконструкции предусматривается
выполнение перепланировки, замена конструкций, надстройка второго этажа здания
в виде мансарды.
Главный фасад здания имеет классическое построение с
выдвинутыми вперед и вверх средней частью и двумя протяженными крыльями.
Главный вход решен в виде четырехколонного портика, поддерживающего широкий
козырек. Со стороны перрона вход в здание вокзала оформлен по подобию главного
входа, но без козырька.
Фасадные плоскости расчленены вертикальными пилястрами и завершаются
высоким ярусным карнизом. Окна прямоугольного очертания и утоплены в ниши с
округлением в верхней части.
Для разработки объемно - планировочного решения использовались техпаспорт
и обмерочные чертежи выполненные проектным институтом Дальжелдорпроектом. По
полученным данным были построены планы этажей, разрезы, а также определена
конструктивная схема здания. В ходе осмотра здания, были выявлены следующие
дефекты:
· обрушение крыши, вследствие пожара;
· высокий физический износ деревянного перекрытия;
· не соответствие теплотехническим нормам толщины наружных
стен.
Проведенное обследование здания показало, что несущие элементы здания
(стены, фундаменты и т.д.) имеют достаточно хорошее техническое состояние.
В общей комплекс по реконструкции железнодорожного вокзала входит:
улучшение технического состояния, сохранение архитектурной выразительности,
надстройка второго мансардного этажа, увеличение рабочих площадей,
совершенствование функциональной схемы, замена конструкции существующего
деревянного перекрытия, ремонт, усиление конструкций и элементов здания.
Для увеличения полезной площади и придания зданию новых архитектурных
форм, а также повышения архитектурного облика застройки, в проекте
предусмотрена надстройка в виде мансардного этажа. При этом целесообразно
применять лёгкие металлоконструкции для уменьшения нагрузок на несущие элементы
здания.
Часть помещений расположенных в данный момент в здании на первом этаже
переносится на мансардный второй этаж. При этом открываются широкие возможности
изменения планировки первого этажа и второго мансардного. Проработанные
варианты планировочного решения должны отвечать функциональной схеме и быть
согласованны с заказчиком.
ПАСПОРТ ПРОЕКТА
РЕКОНСТРУКЦИЯ ЖЕЛЕЗНОДОРОЖНОГО ВОКЗАЛЯ ст. ХАБАРОВСК II
Скоростной напор ветра - 38 кгс/м2
Степень огнестойкости - II
Расчетная температура наружного воздуха - 31°,- 34°
Вес снегового покрова - 70 кгс/м2
Климатический район, подрайон - I, IB
Состав помещений приведен в таблице 1.
Таблица 1- Состав и площадь помещений здания
|
Номер по плану
|
Наименование
|
Площадь
|
Кат. пом.
|
|
1
|
2
|
3
|
4
|
|
1 этаж
|
|
101
|
Зал кассовый
|
165.6
|
|
|
102
|
Тамбур
|
12.42
|
|
|
103
|
Помещение старшего кассира
|
9.90
|
|
|
104
|
Кабинет хранения билетов
|
4.86
|
|
|
105
|
Касса
|
9.90
|
|
|
106
|
Тамбур
|
4.34
|
|
|
107
|
Санузел мужской
|
3.98
|
|
|
108
|
Санузел женский
|
5.04
|
|
|
109
|
Коридор
|
57.21
|
|
|
110
|
Парикмахерская
|
30
|
|
|
111
|
Почта - телеграф
|
9.05
|
|
|
112
|
Приемная медпункта
|
6
|
|
|
113
|
Кабинет врача
|
8.8
|
|
|
114
|
Класс учебный ГО
|
70.14
|
|
|
115
|
Служебное помещение ГО
|
36.3
|
|
|
116
|
Курительная
|
2.04
|
|
|
117
|
Комната отдыха кассиров
|
12.23
|
|
|
118
|
Служебное помещение
|
18.4
|
|
|
119
|
Электрощитовая
|
8.88
|
|
|
120
|
Тамбур при санузла
|
2.72
|
|
|
121
|
Санузел мужской
|
2.08
|
|
|
122
|
Тамбур
|
4.2
|
|
|
123
|
Санузел женский
|
5.2
|
|
|
124
|
Курительная
|
7.52
|
|
|
125
|
Тамбур
|
2.1
|
|
|
126
|
Коридор
|
3.9
|
|
|
127
|
Коридор
|
32.64
|
|
|
128
|
Автоматическая камера
хранения
|
30.15
|
|
|
129
|
Приемная гостиницы
|
1.8
|
|
|
130
|
Кабинет
|
1.76
|
|
|
131
|
Помещение коменданта
гостиницы
|
11.52
|
|
|
132
|
Коридор
|
7.35
|
|
|
133
|
Санузел
|
2.8
|
|
|
134
|
Торговый зал буфета
|
33.7
|
|
|
135
|
Моечная
|
3.5
|
|
|
136
|
Санузел для персонала
буфета
|
1.1
|
|
|
137
|
Кладовая буфета
|
4.2
|
|
|
138
|
Коридор
|
5.6
|
|
|
139
|
Буфетная стойка
|
5.63
|
|
|
140
|
Тамбур
|
2.7
|
|
|
141
|
Помещение милиции
|
9.5
|
|
|
|
|
|
|
|
142
|
Комната временного
задержания
|
5
|
|
|
|
143
|
Складское помещение
|
20.12
|
|
|
|
144
|
Коридор
|
20.1
|
|
|
|
145
|
Киоск Сенгигены
|
7.25
|
|
|
|
146
|
Киоск «Союзпечати»
|
7.25
|
|
|
|
147
|
Кладовая уборная инвентаря
|
1.2
|
|
|
|
148
|
Комната носильщиков и
уборщиц
|
5.74
|
|
|
|
2 мансардный этаж
|
|
|
201
|
Зал кассовый
|
-
|
|
|
|
202
|
Коридор
|
53
|
|
|
|
203
|
Дежурный по станции
|
14.7
|
|
|
|
204
|
Кабинет начальника станции
|
24.7
|
|
|
|
205
|
Приемная - секретарь
|
18.8
|
|
|
|
206
|
Кабинет начальника вокзала
|
26.23
|
|
|
|
207
|
Радиоузел с комнатой
механика и дикторской
|
15.8
|
|
|
|
208
|
Коридор
|
10.6
|
|
|
|
209
|
Тамбур при санузле
|
2.77
|
|
|
|
210
|
Санузел мужской
|
2.08
|
|
|
|
211
|
Санузел женский
|
5.02
|
|
|
|
212
|
Курительная
|
2.04
|
|
|
|
213
|
Производственное помещение
|
18.4
|
|
|
|
214
|
Приемосдатчики грузовые
|
20.6
|
|
|
|
215
|
Составители поездов
|
14.1
|
|
|
|
216
|
Оператор техконторы
|
13.4
|
|
|
|
217
|
Техник станции
|
13.4
|
|
|
|
218
|
Помещение смотрителя здания
|
13.6
|
|
|
|
219
|
Бытовое помещение персонала
|
13.4
|
|
|
|
220
|
Хол гостиницы
|
42.7
|
|
|
|
221
|
Служебное помещение для
персонала гостиницы
|
13.63
|
|
|
|
222
|
Одноместный номер
|
13.63
|
|
|
|
223
|
Одноместный номер
|
13.63
|
|
|
|
224
|
Двухместный номер
|
22
|
|
|
|
225
|
Санузел гостиницы
|
2.3
|
|
|
|
226
|
Душевая
|
5.3
|
|
|
|
227
|
Гардероб
|
10.7
|
|
|
|
228
|
Изолятор
|
8.7
|
|
|
|
229
|
Комната приема пищи
|
14.4
|
|
|
|
230
|
Комната для матери
|
19.4
|
|
|
|
231
|
Детская комнат
|
29.14
|
|
|
|
232
|
Санузел
|
2.8
|
|
|
|
233
|
Умывальная
|
2.8
|
|
|
|
234
|
Коридор
|
2.7
|
|
|
|
235
|
Коридор
|
54.6
|
|
|
|
236
|
Тамбур при санузле
|
4.53
|
|
|
|
|
|
|
|
|
|
|
1. АРХИТЕКТУРНО - СТРОИТЕЛЬНЫЙ РАЗДЕЛ
.1 Эскизное проектирование
.1.1 Технико-экономическая характеристика района
строительства
Хабаровский край занимает среднюю часть Дальневосточного региона, нижнее
течение реки Амур. Граничит с Приморским краем, Еврейской автономной областью,
Амурской и Магаданской областями. Омывается Охотским и Японским морями.
Хабаровский край обладает большими и разнообразными природными ресурсами,
по многим из них занимает важное место на Дальнем Востоке и даже в стране. Край
богат каменным и бурым углем, оловянными рудами, золотом, ртутью, железной
рудой, торфом. Всего Государственным балансом учтено 140 месторождений сырья
для изготовления строительных материалов, из них находятся в эксплуатации около
30 месторождений.
Важнейшим промышленным центром края является Хабаровск - здесь
производятся энергетические машины, дизели, станки, суда, кабель,
химико-фармацевтические препараты, деревообрабатывающая техника, продукция
нефтепереработки.
Инвестиционный потенциал строительной базы экономки Хабаровска включает в
себя: минерально-сырьевую базу - запасы сырья для производства основных видов
строительных материалов, базу строительной индустрии - возможности заводов,
производящих строительные материалы и конструкции, базу строительства -
возможности организаций, осуществляющих строительство различных объектов
транспорта, энергетики, промышленности, социально-бытовой и культурной сферы.
Электроснабжение Хабаровска осуществляется от местных электростанций,
работающих на Райчихинском буром угле.
В Хабаровске действуют строительные организации, имеющие большой
потенциал и опыт строительства в условиях Дальнего Востока. Строительная
индустрия представлена предприятиями, производящими металлоконструкции, сборный
железобетон, кирпич, отопительное оборудование, теплоизоляционные и кровельные
материалы.
Хабаровск - крупный транспортный узел, имеющий два речных порта, две
крупные и несколько небольших железнодорожных станций со своим
ремонтно-эксплуатационным хозяйством, аэропорт, большой автомобильный парк.
Транспортные связи благоприятствуют развитию Хабаровска как промышленного и
культурного центра Дальневосточного региона.
1.1.2
Климатические условия района строительства
Климатические характеристики района строительства, используемые для
технических расчетов, приведены в таблице 1.1.
Таблица 1.1 - Природно-климатические условия района строительства
|
Наименование характеристики
|
Характеристика
|
Источник
|
|
1.Место строительства
|
Хабаровск
|
По заданию
|
|
2.Климатический район и
подрайон строительства
|
I В
|
[1]
|
|
3.Зона влажности района
строительства.
|
Нормальная
|
[3]
|
|
4. Расчетная зимняя
температура наружного воздуха: средняя температура наиболее холодной
пятидневки обеспеченностью 0,92, ° С
|
-31
|
[1]
|
|
5.Повторяемость ветра, %
средняя скорость ветра в. м/с в январе по направлению румбов
|
Направление
|
%
|
м/сек.
|
[1, приложение 4]
|
|
С
|
2
|
3,3
|
|
|
|
|
СВ
|
7
|
5,7
|
|
|
|
В
|
6
|
4,2
|
|
|
|
ЮВ
|
2
|
2,7
|
|
|
|
Ю
|
2
|
3,5
|
|
|
|
ЮЗ
|
74
|
5,9
|
|
|
|
З
|
4,1
|
|
|
|
СЗ
|
1
|
2,2
|
|
|
6.Нормативная глубина
промерзания грунта под оголенной поверхностью, в м.
|
2,68
|
[11]
|
|
7. Наличие вечномерзлого
грунта
|
Нет
|
[1, приложение1]
|
|
8.Вес снегового покрова,
кПа (кг/м2)
|
0,7(70)
|
[13, таблица 4]
|
|
9.Сейсмичность района,
баллы
|
6
|
[1]
|
|
10. Продолжительность
периода со среднесуточными температурами воздуха ниже 0 0С (Z0)
в сутках.
|
162
|
[1]
|
|
12.Средняя температура
наружного воздуха по месяцам; Упругость водяных паров наружного воздуха по
месяцам, Па (ен).
|
Январь
|
-22,3/0,9
|
[1, приложение 4]
|
|
|
Февраль
|
-17,2/1,2
|
|
|
|
Март
|
-8,5/2,4
|
|
|
|
Апрель
|
+3,1/4,7
|
|
|
|
май
|
+11,1/8,1
|
|
|
|
Июнь
|
+17,4/14,4
|
|
|
|
Июль
|
+21,1/19,6
|
|
|
|
Август
|
+20/19,1
|
|
|
|
Сентябрь
|
+13,9/12,4
|
|
|
|
Октябрь
|
+4,7/5,9
|
|
|
|
Ноябрь
|
-8,1/2,5
|
|
|
|
Декабрь
|
-18,5/1,2
|
|
|
|
12. Продолжительность
периода со среднесуточной температурой воздуха tн ниже 8˚С,
сут.
|
205
|
[1]
|
|
|
13. Средняя температура
периода со среднесуточной температурой воздуха tн ниже 8˚С, ˚С.
|
-10,1
|
[1]
|
|
|
|
|
|
|
|
|
|
.1.3
Требования, предъявляемые к зданиям
Требования к общественным зданиям подразделяются на функциональные,
технические, архитектурно-художественные, экономические.
Функциональные требования заключаются в том, чтобы общественное здание
наиболее полно удовлетворяло своему назначению. Этим требованиям должны быть
подчинены объемно-планировочные и конструктивные решения здания.
Технические требования состоят в обеспечении прочности, устойчивости и
долговечности здания, в снижении пожарной и взрывной опасности для работающих,
а так же в возможности возведения здания индустриальными методами.
Архитектурно-художественные требования: общественное здание должно иметь
привлекательный и выразительный облик, удовлетворяющий художественным запросам
человека.
Экономические требования заключаются в обеспечении минимально необходимых
затрат на строительство и эксплуатацию проектируемого здания. С этими целями
необходим выбор наиболее целесообразных объемно-планировочных, конструктивных и
архитектурно-композиционных решений.
1.1.3.1 Объемно-планировочные требования и состав помещений
Объемно-планировочные решение проектируемого здания вокзала должно
соответствовать следующим общим требованиям:
а) обеспечивать взаимосогласованную организацию движения пассажиров и
посетителей с разделением, главным образом, в больших и крупных вокзалах
потоков прибытия и отправления, а также потоков дальних, местных, транзитных и
пригородных пассажиров;
б) предусматривать расположение операционных помещений и устройств
(справочное бюро, билетные и багажные кассы, камеры хранения и др.) приближенно
к главным путям движения основных потоков пассажиров;
в) предусматривать расположение помещений, предназначенных для ожидания
пассажиров, а также предприятий общественного питания и торгово-бытового
обслуживания пассажиров приближенно к перрону с отделением соответствующих
помещений и зон от главных путей движения пассажиров;
г) предусматривать расположение комнат длительного ожидания, в том числе
предназначенных для инвалидов, а также комнат матери и ребенка изолированно от
наиболее шумных помещений и зон вокзала, возможно даже с устройством для
соответствующих категорий пассажиров специальных выходов на перрон;
д) обеспечивать удобства эксплуатации для персонала, а также перронных
бригад с устройством для них отдельных выходов на перрон.
Помещения вокзалов различного назначения подразделяются на три группы:
а) пассажирские основного назначения;
б) дополнительного обслуживания пассажиров;
в) служебные и вспомогательные.
Пассажирские помещения основного назначения включают вестибюль, кассовый
зал, зал ожидания, комнаты для пассажиров с детьми, кассы билетные и багажные,
справочное бюро, камеры хранения ручной клади.
Операционные помещения - вестибюли-конкорсы и распределительные залы,
кассовые залы, багажные отделения - рекомендуется группировать преимущественно
со стороны города. Эти помещения должны иметь достаточный фронт устройств для
проведения соответствующих операций, а также удобные взаимосвязи с залами
ожидания, привокзальной площадью и перроном. Почтовые отделения с телеграфом,
междугородными и внутригородскими телефонами, торговые прилавки и киоски
располагаются рядом с основными пассажирскими помещениями.
Состав и правила размещения основных помещений приведены в таблици 1.2.
Таблица 1.2 - Состав и площадь помещений здания
|
Номер по плану
|
Наименование
|
Площадь
|
Кат. пом.
|
|
1 этаж
|
|
101
|
Зал кассовый
|
165.6
|
|
|
102
|
Тамбур
|
12.42
|
|
|
103
|
Помещение старшего кассира
|
9.90
|
|
|
104
|
Кабинет хранения билетов
|
4.86
|
|
|
105
|
Касса
|
9.90
|
|
|
106
|
Тамбур
|
4.34
|
|
|
107
|
Санузел мужской
|
3.98
|
|
|
108
|
Санузел женский
|
5.04
|
|
|
109
|
Коридор
|
57.21
|
|
|
110
|
Парикмахерская
|
30
|
|
|
111
|
Почта - телеграф
|
9.05
|
|
|
112
|
Приемная медпункта
|
6
|
|
|
Номер по плану
|
Наименование
|
Площадь
|
Кат. пом.
|
|
113
|
Кабинет врача
|
8.8
|
|
|
114
|
Класс учебный ГО
|
70.14
|
|
|
115
|
Служебное помещение ГО
|
36.3
|
|
|
116
|
Курительная
|
2.04
|
|
|
117
|
Комната отдыха кассиров
|
12.23
|
|
|
118
|
Служебное помещение
|
18.4
|
|
|
119
|
Электрощитовая
|
8.88
|
|
|
120
|
Тамбур при санузла
|
2.72
|
|
|
121
|
Санузел мужской
|
2.08
|
|
|
122
|
Тамбур
|
4.2
|
|
|
123
|
Санузел женский
|
5.2
|
|
|
124
|
Курительная
|
7.52
|
|
|
125
|
Тамбур
|
2.1
|
|
|
126
|
Коридор
|
3.9
|
|
|
127
|
Коридор
|
32.64
|
|
|
128
|
Автоматическая камера
хранения
|
30.15
|
|
|
129
|
Приемная гостиницы
|
1.8
|
|
|
130
|
Кабинет
|
1.76
|
|
|
131
|
Помещение коменданта
гостиницы
|
11.52
|
|
|
132
|
Коридор
|
7.35
|
|
|
133
|
Санузел
|
2.8
|
|
|
134
|
Торговый зал буфета
|
33.7
|
|
|
135
|
Моечная
|
3.5
|
|
|
136
|
Санузел для персонала
буфета
|
1.1
|
|
|
137
|
Кладовая буфета
|
4.2
|
|
|
138
|
Коридор
|
5.6
|
|
|
139
|
Буфетная стойка
|
5.63
|
|
|
140
|
Тамбур
|
2.7
|
|
|
141
|
Помещение милиции
|
9.5
|
|
|
142
|
Комната временного
задержания
|
5
|
|
|
|
|
|
|
143
|
Складское помещение
|
20.12
|
|
|
144
|
Коридор
|
20.1
|
|
|
145
|
Киоск Сенгигены
|
7.25
|
|
|
146
|
Киоск «Союзпечати»
|
7.25
|
|
|
147
|
Кладовая уборная инвентаря
|
1.2
|
|
|
148
|
Комната носильщиков и
уборщиц
|
5.74
|
|
|
2 мансардный этаж
|
|
201
|
Зал кассовый
|
-
|
|
|
202
|
Коридор
|
53
|
|
|
203
|
Дежурный по станции
|
14.7
|
|
|
204
|
Кабинет начальника станции
|
24.7
|
|
|
205
|
Приемная - секретарь
|
18.8
|
|
|
206
|
Кабинет начальника вокзала
|
26.23
|
|
|
Номер по плану
|
Наименование
|
Площадь
|
Кат. пом.
|
|
207
|
Радиоузел с комнатой
механика и дикторской
|
15.8
|
|
|
208
|
Коридор
|
10.6
|
|
|
209
|
Тамбур при санузле
|
2.77
|
|
|
210
|
Санузел мужской
|
2.08
|
|
|
211
|
Санузел женский
|
5.02
|
|
|
212
|
Курительная
|
2.04
|
|
|
213
|
Производственное помещение
|
18.4
|
|
|
214
|
Приемосдатчики грузовые
|
20.6
|
|
|
215
|
Составители поездов
|
14.1
|
|
|
216
|
Оператор техконторы
|
13.4
|
|
|
217
|
Техник станции
|
13.4
|
|
|
218
|
Помещение смотрителя здания
|
13.6
|
|
|
219
|
Бытовое помещение персонала
|
13.4
|
|
|
220
|
Хол гостиницы
|
42.7
|
|
|
221
|
Служебное помещение для
персонала гостиницы
|
13.63
|
|
|
222
|
Одноместный номер
|
13.63
|
|
|
223
|
Одноместный номер
|
13.63
|
|
|
224
|
Двухместный номер
|
22
|
|
|
225
|
Санузел гостиницы
|
2.3
|
|
|
226
|
Душевая
|
5.3
|
|
|
227
|
Гардероб
|
10.7
|
|
|
228
|
Изолятор
|
8.7
|
|
|
229
|
Комната приема пищи
|
14.4
|
|
|
230
|
Комната для матери
|
19.4
|
|
|
231
|
Детская комнат
|
29.14
|
|
|
232
|
Санузел
|
2.8
|
|
|
233
|
Умывальная
|
2.8
|
|
|
234
|
Коридор
|
2.7
|
|
|
235
|
Коридор
|
54.6
|
|
|
236
|
Тамбур при санузле
|
4.53
|
|
Высоту этажей зданий вокзалов (от пола до пола вышележащего этажа или
условного верха чердачного покрытия) рекомендуется принимать кратной модулю:
300 мм в пределах
высот до 3,6 м;
600 » » » » св.
3,6 м.
Минимальная высота помещений в вокзалах от пола до низа выступающих
конструкций перекрытия или покрытия, для пассажирских помещений и залов, в том
числе и подземных, рекомендуется не менее - 3,6 м.
Отметка пола помещений у входа в здание выше отметки тротуара перед
входом не менее чем на 0,15 м.
Площадь этажа между противопожарными стенами в зависимости от степени
огнестойкости и этажности не превышает указанной в таблице 1.3.
Таблица 1.3 - Площадь, м2 этажа между противопожарными стенами
в здании
|
Степень огнестойкости
|
Этажность
|
Площадь, м2
между противопожарными стенами в здании
|
|
|
нормируемая
|
фактическая
|
|
II
|
6000
|
928,6
|
Ширина лестничного марша в общественных зданиях должна быть не менее
ширины выхода на лестничную клетку с наиболее населенного этажа, но не менее
1,35 м - для зданий с числом пребывающих в наиболее населенном этаже более 200
человек. Ширина лестничных площадок должна быть не менее ширины марша.
железнодорожный
вокзал реконструкция перепланировка
1.1.3.2 Функциональные требования
Оптимальная взаимосвязь помещений здания, обеспечивающая основной и сопутствующие
ему технологические процессы, является определяющим требованием при
объемно-планировочной структуры здания. Функциональная схема здания
представлена на рисунке 1.1. Функциональная схема должна обеспечивать связи
между главными помещениями (зал ожидания и кассы), коммуникационными (коридоры,
тамбуры, лестничные клетки), и вспомогательными. Функциональная схема
проектируемого здания приведена на рис 1.1.
-
Дальнего и местного сообщения
-
Транзитные
- Пригородные
Рисунок 1.1 - Функциональная схема вокзала
1.1.3.3 Санитарно-гигиенические требования
Проектирование новых и реконструируемых вокзалов необходимо выполнять с
учетом соблюдения санитарных норм, а также местных условий благоустройства,
озеленения, охраны окружающей среды, включая памятники градостроительства и
архитектуры, культуры и искусства, ведущие элементы природного ландшафта.
Санитарно-гигиенические требования включают комплекс параметров,
характеризующих микроклимат помещений: температуру внутреннего воздуха,
относительную влажность, кратность воздухообмена, освещенность помещений,
характеристики акустического режима помещений, требование звукоизоляции
ограждающих конструкций. Санитарно-гигиенические требования приведены в таблице
1.5.
Таблица 1.4 - Санитарно-гигиенические требования
|
Наименование характеристики
|
Значение характеристики
|
Источник информации
|
|
1. Расчетная температура
внутреннего воздуха tв (°С); кратность воздухообмена
|
багажное отделение +14°С;
объединенные пассажирские залы, курительные, уборные общего пользования,
буфеты, лестницы +16°С; торговый зал, парикмахерская, административно -
бытовые помещения работников вокзала +18°С; комнаты матери и ребенка, комната
врача при
|
[8, п. 10.3]
|
|
Наименование характеристики
|
Значение характеристики
|
Источник информации
|
|
медпункте +22°С; душевые
+25°С; не менее 20 м3/час на 1 чел.
|
|
|
2. Влажностный режим
помещений, относительная влажность внутреннего воздуха
|
нормальная
|
[8, п.10]
|
|
3. Ориентация основных
помещений по сторонам света
|
свободная
|
[8, п.10]
|
|
4. Требования к
естественной освещенности
|
eIV=0,5´0,9=0,45
|
[7, табл. 2]
|
|
5. Вентиляции, условия
проветривания помещений
|
организованная система
вентиляции; кратность воздухообмена 20 м3/час на 1 чел в холодный
период года и 40 м3/час в летнее время
|
[8, табл. 10.6]
|
|
6. Санитарно-технические
устройства
|
центральное отопление,
приточная организованная система вентиляции и кондиционирования;
хозяйственно-питьевое, противопожарное, горячее водоснабжение, канализация и
водостоки
|
[2, п.3.1] [2, п.3.51]
|
|
Наименование характеристики
|
Значение характеристики
|
Источник информации
|
|
7. Уровни звукового
давления
|
125 Гц
|
500 Гц
|
2000 Гц
|
[12, табл. 1]
|
|
70
|
58
|
52
|
|
|
8. Индекс звукоизоляции:
перекрытия стен
|
Iв=45дБ Iу=75
дБ Iв=40 дБ
|
[12, табл. 7]
|
1.1.3.4 Противопожарные требования и требования эвакуации
людей
Противопожарные требования ко всем видам зданий зависят от степени их
огнестойкости, а также от этажности и общих размеров здания.
Безопасность эвакуации людей из здания достигается ограждением
эвакуационных путей (лестниц, лестничных клеток, общих коридоров, вестибюлей)
конструкциями из несгораемых материалов.
Долговечность конструкции определяет срок ее службы без потери
эксплуатационных качеств. Она обеспечивается применением материалов, обладающих
необходимой устойчивостью к различным видам воздействий.
По совокупности требований к долговечности и огнестойкости основных
конструктивных элементов, а также эксплуатационных качеств, здания подразделяют
на четыре класса. Класс капитальности проектируемого здания - II, степень
огнестойкости - II, степень долговечности - II
Основные характеристики противопожарных требований приведены в таблице
1.5.
Таблица 1.5 - Противопожарные требования
|
Наименование требования
|
Принятые характеристики
|
Источник
|
|
1. Категория здания по
функциональной пожарной опасности
|
Ф 3.3
|
[5, п.2.1]
|
|
2. Требуемая степень
огнестойкости, наибольшее количество этажей
|
II 16
|
[2]
|
|
3. Необходимое количество
эвакуационных выходов и допустимые расстояния от рабочего места до выхода.
|
2 50 м
|
[5]
|
|
4. Предельная ширина путей
эвакуации, дверей, лестниц, уклоны лестниц.
|
1 м. 0.9 м. Уклоны 1:2
|
[5]
|
Строительные конструкции характеризуются огнестойкостью и пожарной
опасностью. Показателем огнестойкости является предел огнестойкости, пожарную
опасность конструкции характеризует класс ее пожарной опасности.
Предел огнестойкости строительных конструкций устанавливается по времени
(в минутах) наступления одного или последовательно нескольких, нормируемых для
данной конструкции, признаков предельных состояний:
. Потери несущей способности (R);
. Потери целостности (Е);
. Потери теплоизолирующей способности (I).
Потери целостности (Е) характеризуются трещиностойкостью - это период
времени, в течение которого конструкция сохраняет свою целостность и на
стороне, обратной воздействию огня, не образовывается трещин.
Данные требования представлены в таблице 1.7.
Ширина дверей выходов из помещений с расчетным числом находящихся в нем
людей более 15 чел. должна быть не менее 0,9 м.
Эвакуационные пути в пределах помещения должны обеспечивать безопасную
эвакуацию людей через эвакуационные выходы из данного помещения без учета
применяемых в нем средств пожаротушения и противодымной защиты.
Таблица 1.6. - Противопожарные требования
|
Степень Огнестойкости
здания
|
Несущие элементы здания
|
Наружные стены
|
Перекрытия междуэтажные
|
Лестничные клетки
|
|
|
|
(в том числе чердачные)
|
Внутренние стены
|
Марши площадки лестниц
|
|
II
|
R 45
|
RЕ 15
|
RЕI 45
|
RЕI 90
|
R 45
|
|
Класс конструктивной
пожарной опасности здания
|
Класс пожарной опасности
строительных конструкций, не менее
|
|
|
Стены наружные
|
Стены, перегородки,
перекрытия
|
Стены лестничных клеток
|
Марши, площадки лестниц
|
|
C1
|
К1
|
К2
|
К1
|
К0
|
К0
|
|
Класс функциональной
пожарной опасности: Ф 3.3
|
Высота горизонтальных участков путей эвакуации в свету должна быть не
менее 2 м, ширина горизонтальных участков путей эвакуации и пандусов должна
быть не менее:
1,2 м - для общих коридоров, по которым могут эвакуироваться из помещений
класса Ф1 более 15 чел., из помещений других классов функциональной пожарной
опасности - более 50 чел.;
0,7 м - для проходов к одиночным рабочим местам;
1,0 м - во всех остальных случаях.
В любом случае эвакуационные пути должны быть такой ширины, чтобы с
учетом их геометрии по ним можно было беспрепятственно пронести носилки с
лежащим на них человеком.
В полу на путях эвакуации не допускаются перепады высот менее 45 см и
выступы, за исключением порогов в дверных проемах. В местах перепада высот
следует предусматривать лестницы с числом ступеней не менее трех или пандусы с
уклоном не более 1:6. При высоте лестниц более 45 см следует предусматривать
ограждения с перилами.
Требования безопасной эвакуации людей
Это требования по обеспечению благоприятных условий эвакуации из
помещений и здания в целом.
Эвакуационные пути должны обеспечивать безопасную эвакуацию всех людей
через эвакуационные выходы в течение необходимого времени.
Количество эвакуационных выходов из здания принимается по расчету, но не
менее двух. Эвакуационные выходы должны располагаться рассредоточено.
При устройстве двух эвакуационных выходов каждый из них должен
обеспечивать безопасную эвакуацию всех людей, находящихся в помещении, на этаже
или в здании.
Двери эвакуационных выходов из поэтажных коридоров, холлов, фойе,
вестибюлей и лестничных клеток не должны иметь запоров, препятствующих их
свободному открыванию изнутри без ключа.
Двери эвакуационных выходов и другие двери на путях эвакуации должны
открываться по направлению выхода из здания.
Выходы, не отвечающие требованиям, предъявляемым к эвакуационным выходам,
могут рассматриваться как аварийные (выход на балкон или выход на кровлю здания
I и II степени огнестойкости) и предусматриваться для повышения безопасности
людей при пожаре.
Ширина марша лестницы, предназначенной для эвакуации людей, должна быть
не менее расчетной, и не менее ширины любого эвакуационного выхода (двери) на
нее, но не менее 0,9 м. Ширина лестничных площадок должна быть не менее ширины
марша.
Пути эвакуации должны быть освещены в соответствии с требованиями [5]
естественным светом на каждом этаже.
Для зданий II степени огнестойкости ширина эвакуационного выхода на
лестничную клетку, а также ширина маршей лестниц устанавливается в зависимости
от числа эвакуирующихся через этот выход из расчета не более 165 человек на 1 м
ширины выхода (двери).
Расстояние по путям эвакуации от дверей наиболее удаленных помещений
(кроме уборных, умывальных, курительных и других обслуживающих помещений) до
выхода наружу или лестничную клетку должно быть не более 50 м.
1.1.4 Разработка эскизов объемно-планировочного решения
здания
Работа над эскизами объемно-планировочного решения здания выполняется в
две стадии; клаузурные (черновые) эскизы, ставящие своей целью композиционное
решение здания (взаимного размещения отдельных помещений, этажности здания,
габаритных его размеров), и эскизы окончательные, соответствующие принятому
объёмно-планировочному решению и по стадии разработки проекта (технический
проект).
1.1.4.1 Общая характеристика здания
Здание железнодорожного вокзала ст. Хабаровск-II построено
в 1939 г. и в настоящее время используется как павильон для пригородных
пассажиров.
Здание не является памятником архитектуры. В то же
время представляет собой пластичный, почти скульптурный объем с выраженными
классическими пропорциями и элементами декора, заслуживающими внимания.
Архитектурный облик фасадов отвечает требованиям восприятия здания вокзала как
въездного знака или визитной карточки железнодорожной городской станции. В
связи с этим предлагается максимально сохранить здание в первоначальном виде
после проведения капитального ремонта.
За относительную отметку 0,000 принята отметка пола
первого этажа, соответствующая абсолютной отметке 58.3.
Здание вокзала кирпичное, одноэтажное и состоит из:
операционного зала пригородных пассажиров
высотой около 8 м;
помещений дежурной части милиции;
кабинетов служебных помещений, расположенных
по обеим сторонам от операционного зала;
Далее планируется надстроить второй мансардный этаж.
Главный фасад здания имеет классическое построение с
выдвинутыми вперед и вверх средней частью и двумя протяженными крыльями.
Главный вход решен в виде четырех колонного портика, поддерживающего широкий
козырек. Со стороны перрона вход в здание вокзала оформлен по подобию главного
входа, но без козырька.
Фасадные плоскости расчленены вертикальными пилястрами и завершаются высоким
ярусным карнизом. Окна прямоугольного очертания и утоплены в ниши с округлением
в верхней части.
1.1.4.2 Конструктивная система здания
Горизонтальные несущие конструкций (перекрытия и покрытия) представляют
собой горизонтальные железобетонный диск жесткости, который обеспечивает
распределение горизонтальных нагрузок между элементами несущего остова и
создает пространственную жёсткость здания.
В здании, подлежащему реконструкции, используется связевая с элементами
рамно - связевой конструктивной системы.
Конструктивная схема, показывающая расположение несущих элементов в
здании приведена на рис. 1.2.
Рисунок
1.2. Конструктивная система здания
1.1.4.3 Расчет необходимой площади оконных проемов из условия
освещенности
Расчет площади окон производится из условия ее пропорционального
отношения к площади пола. Расчет производим для помещения 1 - зал ожидания. Для
этого определяются геометрические характеристики помещения, ориентировочное
положение оконного проема и наиболее неблагоприятно расположенной расчетной
точки N. Расчетная схема приведена на рисунке 1.3.
План
разрез
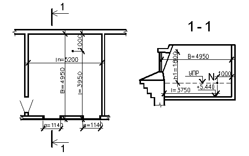
Рисунок 1.3. - Эскиз помещения, для которого выполняется расчет освещенности
N - расчетная точка; В - глубина помещения, м;- расстояние от окна до
расчетной точки N, м;n - длина помещения , м; УУРП - уровень
условной рабочей поверхности;=h1+h2 - высота от УРП до
верха окна
Площадь световых проемов определяется из соотношения:
где
Sо - площадь световых проемов, м2;п - площадь
пола помещения, м2;
еN
- нормируемое значение КЕО;
Кз
- коэффициент запаса, Кз=1,4 [6, таблица 3];
-
световая характеристика окон [6, таблица 26];
- общий
коэффициент светопропускания;1 - коэффициент, учитывающий повышение
КЕО благодаря свету, отраженному от поверхностей помещения;
Кзд
- коэффициент, учитывающий затенение окон противостоя- щими зданиями.
Согласно
[6, таблица 2, п.1] для рабочих кабинетов зданий управлений значение
коэффициента естественного освещения (КЕО) -
= 0,8 %;
Нормируемое
значение КЕО для различных районов следует определять по формуле:
еN=ен´mN ´с ,
где
mN-коэффициент светового климата, по [6, таблица 4] определяем пояс
светового климата - IV, соответственно mN = 0,9;
С
- коэффициент солнечности климата, определяемый по [6, таблица 5], С=0,7;
Тогда
еN=0,8´0,7´0,9=0,504 ,
Определим
коэффициент светопропускания окон [6, таблица 29,30]:
=
×
×
×
×
(1.15)
= 0,75 -
тройное остекление ;
= 0,7 -
для пластиковых окон с тройным остеклением;
= 1 -
боковое освещение;
= 1 нет
солнцезащитных устройств;
= 1 -
боковое освещение.
= 0,75 ·
0,7 · 1 · 1 · 1 = 0,525
Расчетная
точка находится на расстоянии 1 м от наиболее удаленной от окна стены, а
уровень условной рабочей поверхности УУРП = 0,8 м.
Определяем
;
;

Для
окна высотой 4300 мм определим его длину:
Принимаем
для обеспечения естественного освещения одно окно размерами 4300´4000 мм.
Дополнительно к естественному, предусматривается искусственное освещение
неоновыми лампами.
Также произведён расчет необходимой площади оконных проемов на
проектируемом мансардном этаже. Для расчета выбирается кабинет начальника
станции (Рис. 1.4).
Таким же образом подбираются все компоненты формулы Гусева и производится
расчет.
Кз
- коэффициент запаса, Кз=1,4 [6, таблица 3]; для рабочих кабинетов
зданий управлений значение коэффициента естественного освещения (КЕО) -
= 0,8; mN = 0,9; С - коэффициент солнечности
климата, определяемый по [6, таблица 5], С=0,7.
Тогда
еN=0,8´0,7´0,9=0,504.
= 0,75 -
тройное остекление ;
= 0,7 - для
пластиковых окон с тройным остеклением;
= 1 -
боковое освещение;
= 1
убирающиеся регулируемые жалюзи;
= 1 -
боковое освещение.
Рисунок
1.4. - Эскиз помещения, для которого выполняется расчет освещенности
- расчетная точка; В - глубина помещения, м;- расстояние от окна до
расчетной точки N, м;n - длина помещения , м; УУРП - уровень
условной рабочей поверхности;=h1+h2 - высота от УРП до
верха окна
= 0,75 ·
0,7 · 1 · 1 · 1 = 0,525
Расчетная точка находится на расстоянии 1 м от наиболее удаленной от окна
стены, а уровень условной рабочей поверхности УУРП = 0,8 м.
Определяем
;
;

Для
окна высотой 1140 мм определим его длину:
Минимально
необходимое количество окон
определяют
путем деления общей длинны окон
на ширину
стандартного окна
, принятого по каталогу столярных изделий:
.
Окончательное
количество окон в помещении принимаем 2.
1.1.4.4
Окончательная разработка эскизов планов этажей здания
На основе клаузурной проработки планировочного решения здания и с учётом
п. 1.1.4.1, 1.1.4.2, завершается работа над эскизами планов здания. С этой
целью на планы наносятся элементы конструктивной системы, определяются
количество и размещение эвакуационных выходов, размеры проходов, расположение
окон и дверей, их типы и размеры, уточняются размеры отдельных помещений и
здания в целом, просчитываются площади помещений и заносятся в табл. 1.2.
Планировочное решение здания должно быть увязано с модульной сеткой и
разбивочными осями.
1.1.4.5
Построение разреза здания
Разрез здания выполняется на основе решения плана с учётом принятой
конструктивной системы. Плоскость разреза должна проходить по наиболее
характерным частям здания для полного представления его объёмно-планировочного
и конструктивного решения. Как правило, разрез выполняется по лестничной клетке
или входу здания. На разрезе должны быть показаны основные конструкции.
1.1.4.6
Разработка фасада здания
Разработка архитектурного решения фасада здания - завершающая и очень
важная часть эскизного проектирования. Архитектура фасада выявляет
художественные и конструктивные достоинства и недостатки здания, определяет его
выразительность и цельность архитектурного образа. Поэтому при решении фасадов
здания учтены основные положения теории архитектурной композиции:
а) тектоника здания;
б) приёмы и средства архитектурной композиции;
в) принцип единства и соподчинённости.
1.1.5 Генплан участка застройки
При разработке генплана, с учетом требований, была определена площадь
застройки здания и земельного участка, согласно с его назначением и объемно -
планировочным решением. Здание размещаем на участке в соответствии с заданной
градостроительной ситуацией и допускаемой ориентацией [4].
Земельный участок для строительства следует выбирать с учетом
особенностей генерального плана населенного пункта и трассы железнодорожной
дороги, с учетом транспортных связей с основными районам населенного пункта.
Привокзальная площадь предусмотрена со стороны основной части селитебной
территории, предусматривая удобные технологические взаимосвязи привокзальной
площади, пассажирского здания и платформ.
При размещении значительной части жителей по другую сторону железной
дороги, при соответствующем обосновании, допускается устройство второй
привокзальной площади с противоположной стороны железнодорожных путей. При этом
обеспечены удобные и безопасные переходы пассажиров через железнодорожные пути
к основному зданию вокзалов и без излишнего дублирования помещений.
Согласно [33, табл.3.1] размеры привокзальных площадей, для малых
вокзалов, предусмотрено не менее 0,3 га.
Организацию движения пешеходов и транспорта, зонирование территории на
привокзальных площадях запроектировано по местным условиям с использованием
следующих приемов:
с устройством пешеходной зоны и остановок транспорта по периметру
площади;
с устройством в средней части площади с примыканием к вокзалу пешеходной
зоны полуостровного типа с размещением по ее периметру остановок транспорта
(прибытия, отправления).
.2 Обоснование выбора конструктивных элементов
Выбрав на основе эскизного проектирования здания, принципиальное решение
его элементов и конструкций приступают к обоснованию и уточнению размеров и
разработке отдельных деталей конструкций.
.2.1 Фундаменты
По результатом обследования здания, было выявлено, что фундамент бутовый
(ленточный), находятся в хорошем состоянии и усиления не требуется.
.2.2 Наружные стены
Наружные стены здания - кирпичные несущие, толщиной 640 мм. Для
обеспечения требований теплотехники стены утеплены, но изнутри, так как
утепление снаружи произвести невозможно без потери художественной
выразительности здания. Внутри пенополистирольные плиты обшиваются
пароизоляционным материалом, набивается армирующая сетка и покрывается слоем
штукатурки. Толщина утеплителя определяется по теплотехническому расчету.
Конструкция наружной стены показана на рисунке 1.5.
Рисунок
1.5. - Сечение наружной стены
Материалы
и размеры слоев стен, а так же другие характеристики приведены в таблице 1.7.
Таблица
1.7. - Характеристики слоев ограждения
|
Наименование материала
|
Толщина слоя d, м
|
Средний объёмный вес g, Коэффициенты
|
|
|
|
|
Теплопров-сти l, Теплоусв-ния s, Паропрон-сти
m0,
|
|
|
|
Штукатурка из
цементно-песчаного раствора
|
0,02
|
1800
|
0,93
|
11,09
|
0,09
|
|
Кирпич глинный обыкновенный
на цементно-песчаном растворе
|
0,25
|
1800
|
0,81
|
10,12
|
0,11
|
|
Пенополистирол
|
d3
|
150
|
0,06
|
0,99
|
0,05
|
|
Штукатурка из
цементно-песчаного раствора
|
0,02
|
1800
|
0,93
|
11,09
|
0,09
|
1.2.2.1 Теплотехнический расчёт наружных стен
Ограждающие конструкции здания по своим теплотехническим качествам должны
обеспечивать в помещениях необходимый температурно-влажностный режим и ограничивать
теплопотери здания в отопительный период года. Для этого общее сопротивление
ограждения теплопередаче должно быть не менее требуемого R0тр,
определяемое из санитарно-гигиенических условий и требований экономической
эффективности. Определение требуемого сопротивления теплопередаче из
санитарно-гигиенических требований не производим, так как согласно [3, п. 2.1*]
этот расчет обязателен только для зданий с влажным или мокрым режимом, зданий с
избытками явного тепла.
Расчет толщины утеплителя из условия энергосбережения:
где
Rтро - требуемое сопротивление теплопередаче,
;о - приведенное сопротивление
теплопередаче неоднородной ограждающей конструкции
.
Требуемое сопротивление теплопередаче определяется по формуле:
0тр. = f
(ГСОП); ГСОП = (t в - t от.пер.) zот.пер.,
где tв - расчётная температура внутреннего воздуха по нормам
проектирования соответствующих зданий, оС;от.пер., zот.пер.
- средняя температура и продолжительность периода со средней температурой ниже
или равной 8 оС, принимаем по [таблица 1.1] tот.пер.=
-10,10С,от.пер=205 сут,в=180С [8,
п.10.3]
Тогда ГСОП = (18 - (-10,1)) ´ 205 = 5761 градусо-суток.
По [3,таблица 1б*] принимаем R0тр= 2,93
м2 ´˚С /
Вт.
Сопротивление
теплопередаче
неоднородных ограждающих конструкций определяют по
формуле согласно [2, п. 2.6*]
где
aв -
коэффициент
теплоотдачи внутренней поверхности ограждающих конструкций, принимаемый по [3,
табл. 4*],
aн -коэффициент теплоотдачи (для зимних условий)
наружной поверхности ограждающей конструкции,
,
принимаемый по [3, табл. 6*].
к -термическое сопротивление ограждающей конструкции,
определяемое для многослойной по формуле согласно [3,
п. 2.7];
где
R1, R2,…, Rn - термические сопротивления
отдельных слоев ограждающей конструкции,
определяемые
по формуле согласно [3, п. 2.5];
d -толщина слоя, м;
l -расчетный
коэффициент теплопроводности материала слоя,
,
принимаемый по [3, прил. 3*];
Принимая
толщина утеплителя
, тогда толщина стены
.
1.2.2.2 Расчет сопротивления воздухопроницанию стены
Расчет делается для проверки ограждения на возможное проникновение
воздуха через слои ограждения при сильных ветрах в наиболее холодный зимний
месяц.
Сопротивление
воздухопроницанию ограждающих конструкций, зданий Rи должно быть не
менее требуемого сопротивления воздухопроницанию
,
определяемого согласно [3, п. 5,1] по формуле
где
Gн -нормативная воздухопроницаемость ограждающих конструкций,
принимаемая в соответствии с [3, п. 5.3*], и 
Dр -разность давлений
воздуха на наружной и внутренней поверхностях ограждающих конструкций, Па
определяемая по формуле согласно [2, п. 5.2*];
где
Н -высота здания (от поверхности земли до верха карниза), м, Н
;
u -максимальная из
средних скоростей ветра по румбам за январь, повторяемость которых составляет
16% и более, принимаемая согласно [1, прил. 4],
;
gн, gв -удельный вес соответственно наружного и внутреннего
воздуха,
, определяемые по формуле
Здесь
t -температура воздуха: внутреннего (для определения gв),
наружного (для определения gн)
Тогда
Сопротивление
воздухопроницанию многослойной ограждающей конструкции Rи,
, определяют по формуле
где
Сопротивления
воздухопроницанию отдельных слоев ограждающей конструкции,
, принимаемые по [3, прил. 9*]
Два
слоя штукатурки из цементно-песчаного раствора толщиной 0,04 м имеют 
; слой
утеплителя из пенополистерола толщиной 0,12 м имеет 
;
кирпичная кладка из сплошного кирпича на цементно-песчаном растворе толщиной
0,64 м имеет 
.



.
Следовательно,
условие воздухопроницаемости стены удовлетворяется.
1.2.3 Перегородки
Выбор новых конструкций и элементов в реконструированном здании
железнодорожного вокзала производится в связи с выполнением надстройки
мансардного этажа и перепланироки.
При выполнении надстройки приоритет отдается облегченным конструкциям с
небольшим весом, что позволяет избежать дополнительного усиления существующих
несущих конструкций.
Перегородки приняты кирпичные толщиной 250 мм и перегородки системы
«KNAUF» на металлическом каркасе и облицовкой ГВЛ. Типы перегородок принимаются
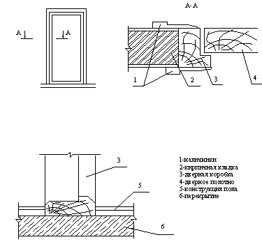
по [32], по назначению помещения, требуемому индексу звукоизоляции и
максимальной высоте перегородки.
Для перегородок между рабочими кабинетами принимаем перегородку типа
С111, обеспечивающую индекс звукоизоляции 40 дБ, для перегородок между
гостиничными номерами - типа С112 (рисунок 1.6). Технические характеристики
перегородок приведены в таблице 1.8.
Таблица 1.8 Технические характеристики перегородок на металлическом
каркасе.
|
Марка
|
Макс. высота, м
|
D, мм
|
d, мм
|
Шаг стоек, а, мм
|
Марка элементов каркаса
|
IВ, дБ
|
|
|
|
|
|
Направ-го
|
стоечного
|
Высота полки,мм
|
|
|
С 111
|
3,9
|
90
|
12,5
|
600
|
ПН 65
|
ПС 65
|
65
|
41
|
|
С112
|
3,3
|
100
|
25
|
600
|
ПН 50
|
ПС 50
|
50
|
48
|
Узлы крепления перегородок приведены на рисунке 1.6,1.8, и 1.9.
а) стык перегородок б) стык перегородки и наружной стены
Рисунок 1.6. Горизонтальное сечение
Рисунок
1.7. Горизонтальное сечение перегородок С111(а) и С112(б)
Рисунок 1.8. Примыкание к конструкции пола
Рисунок 1.9. Вертикальное сечение
1.2.4 Междуэтажные перекрытия
Перекрытия в реконструированном здании выполняется из дерева. В следствии
продолжительного срока службы (65 лет) возникает необходимость в замене их на
сборное железобетонное перекрытие.
Выбор элементов конструкций перекрытий определяется планировочным
решением, а также нагрузками, воздействующими на перекрытие.
Рассчитываем расчетную нагрузку на 1 м2 плиты перекрытия
(таблица 1.9.).
Таблица 1.9 - Расчет нагрузки на плиту перекрытия
|
Наименование элемента
конструкции
|
Нормативная нагрузка, кг/ м2
|
Коэффициент надежности
|
Расчетная нагрузка, кг/ м2
|
|
Конструкция пола
|
100
|
1,1
|
110
|
|
Полезная нагрузка от веса
людей и мебели
|
150
|
1,3
|
195
|
|
Перегородки
|
110
|
1,1
|
121
|
Нормативная нагрузка на 1 м2 плиты перекрытия составляет 426
кг/ м2. В проекте по реконструкции приняты железобетонные
многопустотные плиты запроектированные на расчетную нагрузку 600 кг/м2.
Спецификация элементов перекрытия приведены на листе 10.
1.2.5 Полы
Срок службы полов из линолеума меньше срока службы здания, поэтому при
реконструкции эти полы полностью заменяются. Остальные полы в общественных
зданиях проектируются с зависимости от назначения здания и отдельных его
помещений в соответствии с [21].
На втором мансардном этаже устраиваются фальшь полы, для уменьшения
высоты помещения.
Для принятых типов полов составляется экспликация полов по форме таблица
1.9.
Таблица 1.9. - Экспликация полов
|
Тип пола
|
Схема пола
|
Данные элементов пола
|
Площадь, м2
|
1.
1. Плиты
керамического гранита с противоскользящей поверхностью плитка-13 мм.
. Прослойка из цементно- песчаного раствора М150 - 20
мм
. Стяжка из цементно-песчаного
раствора М150 - 30 мм
|
4. Плита перекрытия - 220
мм203
|
|
|
2.
1.
Цементный раствор - 15 мм
. Пригрузочный слой бетона
М150 - 80 мм
|
3. Плита перекрытия - 220
мм148
|
|
|
3.
1.
Керамическая плитка-13 мм
. Прослойка из цементно-
песчаного раствора М150 - 20 мм
. Стяжка из цементно-песчаного
раствора М150 - 30 мм
|
4. Плита перекрытия - 220
мм27
|
|
|
4.
1.
Линолеум - 20 мм
. Панель основания пола - 50 мм
. Звукоизоляционная прокладка - 30 мм
|
4. Плита перекрытия - 220
мм295
|
|
|
5.
1.
Керамическая плитка-13 мм
. Прослойка из цементно - песчаного раствора М150 - 20
мм
. 2- слоя стеклогидроизола - 3 мм
. Стяжка из цементно-песчаного
раствора М150 - 30 мм
|
5.Плита перекрытия - 220
мм80
|
|
|
6.
1.
Покрытие - плитка из линолеума - 2 мм
. Конструкция фальшпола - 580 мм
. Выравнивающая цементнопесчанная стяжка - 40 мм
|
4. Плита перекрытия - 220
мм541
|
|
|
К деталям полов относятся примыкания их к стенам (перегородкам).
Примыкание полов к стенам оформляются таким образом, чтобы оно обеспечивало
независимую осадку пола и стены или перегородки.
Чтобы предотвратить передачу материального звука (от ходьбы, перемещения
мебели) в смежные помещения, полы отделяют от стен и перегородок зазором в 1 -
2 см, перекрываемым профилированными рейками - плинтусами или галтелью.
Крепятся они только к стене или к полу, это обеспечивает независимую осадку
конструкций по отношению друг к другу.
1.2.5.1
Расчет полов на теплоусвоение
Полы являются одной из поверхностей помещения, с которой непосредственно
соприкасаются ноги человека. Во всех этих случаях важны особенности теплообмена
человеческого организма с поверхностью пола.
Теплообмен
между объектом и полом определяется величиной тепловой активности материала
пола, характеризуемой их коэффициентом теплоусвоения
, Вт/(м2 °С), при теплотехнических расчётах
полов для характеристики их тепловой активности используется показатель
теплоусвоения поверхности пола
,
Вт/(м2-
°С). Он показывает, какое количество тепловой энергии поглощается единицей
поверхности пола, за единицу времени при разности температур пола и ноги в 1°С.
Для
обеспечения гигиенических условий эксплуатации полов в соответствии со СНиП [3]
поверхность пола должна иметь показатель теплоусвоения
не более нормативной величины 
:
Расчёт
показателя теплоусвоения поверхности пола
производится
с учётом расположения нижней границы активного слоя, вовлекаемого в теплообмен
с ногой. Активным является слой материала, влияние теплотехнических свойств
которого на величину количества поглощенного тепла составляет 95 % общего
воздействия. В СНиП [3] это обстоятельство учитывается величиной тепловой
инерции
.
Показатель
теплоусвоения поверхности пола
следует
определять следующим образом:
а)
если покрытие пола (верхний слой конструкции пола) имеет тепловую инерцию
, то показатель теплоусвоения поверхности пола
определяется по формуле
б)
если первые
слоев конструкции полов (
) имеют суммарную тепловую инерцию
, но суммарная тепловая инерция (
)-го слоев
, то
показатель теплоусвоения поверхности полов
следует
определять последовательно расчётом показателей теплоусвоения поверхности слоив
конструкции, начиная с
-го до 1-го:
для
п-го слоя - по формуле
для
-го слоя (
) - по
формуле
Показатель
теплоусвоения поверхности пола
принимается
равным показателю теплоусвоения поверхности 1-го слоя
,.
В
рассмотренных формулах и неравенствах:
-
тепловая инерция соответственно 1-го, 2-го,..., (
+1)-го
слоев конструкции пола, определяемая по [3];
,
- термические сопротивления, (м2 °С)/Вт,
1-го и
-го слоев конструкции пола, определяемые по [3];
,
,
,
- расчётные коэффициенты теплоусвоения материала
1-го,
-гo,
-го, (
+1)-го слоев конструкции пола, Вт/(м2 °С),
принимаемые по [3, прил. 3*];
-
показатель теплоусвоения поверхности (i+1)-гo слоя конструкции полов, Вт/(м2
°С).
Теплотехнические характеристики материалов слоёв пола приведены в таблице
1.10
Таблица 1.10 - Теплотехнические характеристики материалов слоёв пола
|
Материал слоя
|
Толщина слоя d, м
|
Плотность материала в сухом
состоянии g0, кг/м3
|
Коэффициенты при условиях
эксплуатации А
|
Термическое сопротивление
R, м2 оС/Вт
|
|
|
|
Теплопров-ости l, Вт/м2°С
|
Теплоусвоения S, Вт/м2°С
|
|
|
Линолеум
|
0,0015
|
1600
|
0,33
|
7,52
|
0,0045
|
|
Подоснова-Стеклянное
волокно
|
0,002
|
150
|
0,047
|
0,92
|
0,043
|
|
Битумная мастика
|
0,001
|
1000
|
0,17
|
4,56
|
0,0056
|
|
Плита перекрытия
|
0,22
|
2400
|
1,74
|
16,77
|
0,126
|
Тепловую инерцию верхнего слоя конструкции пола:1 = 0,0045∙7,52
= 0,034 < 0,5, следовательно расчет ведем по п. б):2 = R2∙S2
= 0,043 ∙ 0,92 = 0,043 = R3∙S3 =
0,0056∙ 4,56 = 0,0264 = R4∙S4 =
0,126 ∙ 16,77 = 2,11.
Так как суммарная тепловая инерция первых трех слоев D1 + D2
+ D3 = 0,034+0,04+0,026 = 0,1 < 0,5, но суммарная тепловая
инерция четырех слоев D1 + D2 + D3 + D4
= 0,034+0,04+0,026+2,11 = 2,21 > 0,5, то показатель теплоусвоения поверхности
пола определяем последовательно с учетом четырех слоев конструкции пола,
начиная с третьего:
Вт / м2∙0С
Вт / м2∙0С
Вт / м2∙0С
Конструкция
пола в отношении теплоусвоения удовлетворяет нормативным требованиям, так как
значение показателя теплоусвоения поверхности не превышает нормируемого
показателя теплоусвоения пола для общественных зданий по [3, таб. 11*]
= 14 Вт / м2∙0С.
.2.6
Крыша
Крыша
представляет собой - мансардный этаж. Кровля из металлической черепицы типа
«Scan» Конструкция кровли показана на рис. 1.10. Система водоотвода наружная не
организованная.
Рис.
1.10. Конструкция кровли
Теплотехнические характеристики отдельных слоёв конструкции кровли
приведены в таблице 1.11.
Таблица 1.11. - Теплотехнические характеристики материалов слоев кровли
|
Наименование материала
|
Толщина слоя, м
|
Плотность, кг/м3
|
теплопроводности l, Вт/(м0С)
|
|
|
|
|
|
ГВЛ
|
0,03
|
-
|
0,18
|
|
Пенополистирол (ТУ
6-05-11-78-78)
|
0,02
|
100
|
0,041
|
|
Воздушная прослойка
|
50
|
-
|
Rвп=0,22 м2
°С/Вт [2, прил.4]
|
|
Металлочерепица
|
1
|
-
|
-
|
1.2.6.1 Расчёт сопротивления теплопередачи покрытия
мансардного этажа
Требуемое сопротивление теплопередаче в соответствии с п.1.1.6 и по [2,
табл. 1б*] принимаем R0тр= 3,05 м2 ´˚С / Вт.
Утеплитель располагается внутри покрытия мансарды в пространстве между
прогонами. Учитывая наличие теплопроводных включений (металлической рамы)
сопротивление теплопередаче стенового ограждения рассчитывается как для
многослойной неоднородной конструкции.
Металлические
рамы (
Вт/м´оС [2, прил.3*]) установленные с шагом 2800 мм в
горизонтальном направлении.
Теплотехнический
расчёт выполняется для участка покрытия общей площадью 504,68 м2
(поверхность покрытия левого крыла). Из них 0,635 м2 занимают стенки
металлических рам (F2) и 504,045 м2 занимает утеплитель
(F1).
Сопротивление
теплопередаче неоднородной ограждающей конструкции определяется по формуле [3,
(7)], где Rа определяется по формуле [3, (6)]:
,
где R1 и R2 - термическое сопротивление участков
панели занятых утеплителем и рамой соответственно:
;
.
б для воздушной прослойки
определяется по формуле [3, (3)] (считая её однородной): Rодн = 0,22
. Rб для неоднородной части определяется по
формуле [3, (6)]:
;
.б
= Rодн + Rнеод = 0,22+1,753 =1,97
Приведённое термическое сопротивление
равно:
.
Для принятой конструкции стены приведённое сопротивление теплопередаче
равно:
.
Условие
выполняется:
-
принятая конструкция стенового ограждения обеспечивает необходимое
сопротивление теплопередаче.
1.2.6.2 Проверка сопротивления паропроницанию покрытия здания
В расчете проверятся необходимость применения полиэтиленовой пленки.
Сопротивление паропроницанию Rп , м2∙ч∙Па/мг,
ограждающей конструкции расположенной между внутренней поверхностью покрытия и
воздушной прослойкой, должно быть не менее требуемого сопротивления
паропроницанию Rптр , м2∙ч∙Па/мг,
определяемого по формуле:
где
eв - упругость
водяного пара внутреннего воздуха, Па; ен.о. - средняя упругость
водяного пара наружного воздуха, Па, периода месяцев с отрицательными
среднемесячными температурами, [1, прил.3].
Расчетные
значения относительной влажности внутреннего воздуха φ = 55%, температуры внутреннего воздуха tв = 18°С.
Упругость
водяного пара внутреннего воздуха:
Па
Так
как ев < 1472 Па (упругость водяного пара летнего периода),
следовательно ев = 1472 Па
Средняя
упругость водяного пара наружного воздуха периода с отрицательными
среднемесячными температурами:
ен.о.
= (0,9 + 1,2 + 2,4 + 2,5 + 1,2)/5 = 1,64 гПа = 164 Па,птр
= 0,0012∙(1472 - 164) = 1,57 м2∙ч∙Па/мг
Сопротивление
паропроницанию конструкции кровли:
м2∙ч∙Па/мг
Так как Rп = 4,4 м2∙ч∙Па/мг > Rптр
= 1,57 м2∙ч∙Па/мг, то для защиты утеплителя от
конденсационного увлажнения нет необходимо устроить слой пароизоляции из
полиэтиленовой пленки, но для исключения чрезвычайных ситуаций ее все же
следует установить.
.2.7 Лестницы
Поскольку в реконструированном здании железнодорожного вокзала
предусматривается надстройка на 1 этаж, то возникла необходимость в устройстве
лестницы. Из-за ограниченного пространства и высокого уровня перекрытия, в данном
проекте применяются лестницы, выполняемые из несущих стальных балок - косоуров
с уложенными по ним железобетонными сборными ступенями.
Рис.1.10. Лестница с железобетонными ступенями по
металлическим косоурам: А, Б - общий вид лестниц 2-х маршевой (А) и 3-х
маршевой (Б); В - монтажная схема фрагмента лестницы; 1 - железобетонная,
плита, монолитная или сборная; 2 - перила; 3 - гнутый косоур; 4- площадочная
балка; 5 - пристенный косоур; 6 - несущий косоур; 7 - сборные ступени.
1.2.8 Окна
Срок службы оконных заполнений, выполненных из древесины (деревянный
переплет и коробка) вышел, они имеют большой физический износ, также они не
отвечаю современных требованиям по энергосбережению. Поэтому при выполнении
реконструкции они полностью заменяются на новые - пластиковые.
Окна должны надежно изолировать помещения от наружного шума и
удовлетворять требованиям теплозащиты.
Естественное освещение наземных помещений вокзалов обеспечивается
равномерным по помещению размещением окон с соотношением к площади пола не менее
1: 5.
Требуемое
приведённое сопротивление теплопередаче окон для административных зданий в
соответствии с [2, табл.1б*]
=0,51 м2´оС/Вт. В
соответствии с этим принимаем оконные заполнения из пластиковых профилей с
двухкамерным стеклопакетом с межстекольным расстоянием 12 мм, при этом Ro=0,54
м2´оС/Вт.
Элементы конструкции оконного блока приведены на рисунке - 1.11.
Спецификация окон приведена в таблице 1.12.
Таблица 1.12. - Спецификация окон
|
Марка поз.
|
Эскиз окон
|
Наименование
|
Размер проема, мм.
|
Кол.
|
|
ОК1
|
6F-12-4F-12-6F1420´242038
|
|
|
|
|
ОК2
|
6F-12-4F-12-6F1140´114038
|
|
|
|
Рисунок - 1.11. Конструкция оконного блока:
- коробка оконного блока; 2- утеплитель; 3- закладная деталь; 4- упорный
уплотнитель; 5- переплет; 6 - штапик; 7 - стеклопакет; 8 - фиксирующие
прокладки; 9 - термомост; 10 - разделительная прокладка; 11 - герметизация
фальца стеклопакета; 12 - водоотвод; 13 - пенополиуретан; 14 - стальной
профиль; 15 - герметизирующая лента 16 - слив (оцинкованная сталь).
1.2.9 Двери
В течение срока службы заполнения дверных проемов, в здании
железнодорожного вокзала, получили значительный физический износ. Вследствие
этого, при реконструкции, они заменяются на новые.
Спецификация дверей приведена в таблице 1.13.
Таблица 1.13. - Спецификация дверей
|
Марка поз.
|
Обозначение
|
Наименование
|
Размер проема, мм
|
Кол.
|
|
Д1
|
Серия 1.136.5-19
|
ДН 24-15К
|
2385х1518
|
6
|
|
Д2
|
Серия 1.136.5-19
|
ДН 21-13ЩП
|
2085х1274
|
8
|
|
Д3
|
Серия 1.136-10
|
ДГ 24-15
|
2371х1472
|
4
|
|
Д4
|
Серия 1.136-10
|
ДГ 21-7
|
2071х670
|
27
|
|
Д5
|
Серия 1.136-10
|
ДГ 21-9
|
2071х870
|
41
|
Детали и узлы крепления дверной коробки в дверном проеме приведены на
рисунке 1.12.
Рисунок
1.12 - Детали и узлы крепления дверных коробок.
.2.10
Расчет времени реверберации в зальных помещениях зданий
Одним из основных критериев акустического качества зальных помещений,
является время реверберации Т, сек. Необходимое время реверберации на частотах
500 - 2000 Гц должно быть около 1.0 с [20, рис.2.2]. На частоте 125 Гц
рекомендованное время реверберации может быть увеличено до 1,4 с.
Расчет времени реверберации сводится к определению его фактического
значения (Т, сек) и сравнению с рекомендуемыми значениями (ТОПТ,
сек) для данного типа здания.
Объем помещения V = 1639 м3;
Площадь ограничивающей поверхности SОБЩ= 888 м2.
Определения эквивалентной площади звукопоглощения производится по
формуле:
Расчет
АОБЩ ведется в табличной форме в таблице 1.14.
Таблица
1.14.-Определение эквивалентной площади звукопоглощения
|
Поверхность, материал
|
Площадь
|
Значение a и aS, м2, на частотах, Гц
|
|
|
125
|
500
|
2000
|
|
|
a
|
aS
|
a
|
aS
|
a
|
aS
|
|
Потолок - бетонный
оштукатуренный
|
194
|
0,01
|
1,94
|
0,01
|
1.94
|
0,02
|
3,88
|
|
Стены с отметки 2 м -
штукатурка по кирпичу окрашены клеевой краской
|
368
|
0,02
|
7,36
|
0,02
|
7,36
|
0,04
|
14,72
|
|
Стены до отметки 2 м -
гипсовые перфорированные плиты (d=7 мм и Д=18 мм) со стиллитом толщиной 100
мм вплотную к ограждению
|
114
|
0,78
|
88,92
|
0,9
|
102,6
|
0,53
|
60,42
|
|
Пол из керамического
гранита
|
194
|
0,15
|
29,1
|
0,29
|
56,26
|
0,38
|
73,72
|
|
Остекление
|
18
|
0,35
|
6,3
|
0,18
|
3,24
|
0,07
|
1,26
|
Общая эквивалентная площадь звукопоглощения на частотах:
м2,
,
,
,
,
,
,
,
,
Фактическое
время реверберации выше рекомендованного, поэтому необходимо увеличить
звукопоглощение в зала.
Зная
определяем
по
формуле
,
а
затем
.
Для
частоты 125 Гц
.
Из
[20, табл2.11] по
находим,
равное
0,25.
На
частотах 500 и 2000 Гц
;
.
Находим
:
на
частоте
м2;
на
частоте
м2.
Определим,
на сколько следует изменить общую эквивалентную площадь звукопоглощения
на частотах:
м2;
м2;
м2.
Для
уменьшения времени реверберации разместим звукопоглотитель по всей высоте
стены, для этого используем звукопоглощающий материал - минераловатные плиты
толщиной 50 мм, покрытые стеклотканью и деревянными рейками 50´20 мм положенными «плашмя» через 250 мм.