Разработка вариантов фундаментов жилого дома

  • Вид работы:
    Курсовая работа (т)
  • Предмет:
    Строительство
  • Язык:
    Русский
    ,
    Формат файла:
    MS Word
    1,23 Мб
  • Опубликовано:
    2012-04-18
Вы можете узнать стоимость помощи в написании студенческой работы.
Помощь в написании работы, которую точно примут!

Разработка вариантов фундаментов жилого дома

Введение

На основании задания на проектирование (приложение 1) и инженерно-геологических условий строительной площадки (приложение 2) разработаны два варианта фундаментов жилого дома.

Проектирование оснований и фундаментов заключается в выборе основания, типа конструкции и основных размеров фундамента, в совместном расчете основания и фундамента, как одной из частей сооружения. Определив нагрузки на фундамент и учитывая вес фундамента, и грунта на его обрезах выполнен расчет основания по деформациям, в соответствии с требованиями СНиП 2.02.01-83.

1. Определение физико-механических показателей грунтов и сбор нагрузок на фундаменты

1.1 Оценка инженерно-геологических условий площадки строительства


Площадка строительства находится в г.Санкт-Петербурге. Рельеф спокойный. Инженерно-геологические условия площадки строительства выявлены бурением трёх скважин на глубину 19,6м.

При бурении вскрыто следующее напластование грунтов (сверху вниз):

слой 1-почвенно-растительный слой (толщина слоя 0,2 м)

слой 2 - глина (толщина слоя - 5,9 м);

слой 3 - суглинок (мощность пласта - 1,5 м);

слой 4 - песок крупный (вскрытая мощность слоя - 12 м);

Глубина сезонного промерзания - 1,02 м.

Физико-механические характеристики слоев грунта с исходными данными инженерно-геологических изысканий приведены в табл.1.

Используя данные табл.1 определяем производные физико-механические характеристики грунтов.

Глина:

- коэффициент пористости:

;


- показатель текучести:

;

-тугопластичные

где Wp - влажность на границе раскатывания, WL - влажность на границе текучести.

- коэффициент относительной сжимаемости:

 

;

где mo - коэффициент относительной сжимаемости.

- модуль деформации:

 ,

где  - коэффициент Пуассона;

n = 0,3 пески, супеси;

n = 0,35 - суглинки,

n = 0,42 - глины;

Используя приведенные значения находим:

;

- степень влажности:

;

 - насыщенный водой

где s - удельный вес сухого грунта; w - удельный вес воды.

Суглинки:

коэффициент пористости:

e=

- показатель текучести:


·   коэффициент относительной сжимаемости:

 

·   модуль деформации:

;

·   степень влажности:

 - насыщенный водой

Песок ср. крупности:

·   коэффициент пористости:

 


·   коэффициент относительной сжимаемости:

,

·   модуль деформации:

;


- степень влажности:

, - насыщенный водой

Исходные данные и определенные физико-механические показатели грунтов, необходимые для дальнейших расчетов, сводим в табл.1.

Площадка в целом пригодна для возведения сооружения. Почвенно-растительный слой не может служить естественным основанием, основанием могут быть глина, суглинок или песок крупный. Но последние два находятся на относительно большой глубине, поэтому при опирании фундамента на песок крупный производство будет сложным, а вариант дорогим.

Физико-механические показатели грунтов

Наименование грунта

Мощность слоя, м

Удельный вес частиц, g, Удельный вес частиц, gs, Природная влажность, w, %Пределы пластичностиПоказатель текучести, ILКоэффициент пористости, e











wL, %

wp, %



Насыпной слой

0,2

15

-

-

-

-

-

-

Глина

5,9

18,2

26,9

39

50

30

0,45

1,054

Суглинок

1,5

18,5

26,8

29

36

22

0,5

0,869

Песок крупный

12

18,6

26,2

20

-

-

-

0,69


1.2 Оценка конструктивных особенностей здания и сбор нагрузок на фундаменты


Фундаменты рассчитываются для наиболее характерных участков здания (колонны, наружные и внутренние стены). При проектировании фундаментов здания или сооружения необходимо на плане первого этажа указать основные несущие конструкции подземной части и определить расчетные нагрузки, действующие в уровне обреза фундаментов. Усилия в сечениях фундамента определяется на верхний обрез фундамента. При определении значений расчетных нагрузок нормативные их значения умножаются на коэффициент надежности по нагрузке.gf>1. Расчёт оснований производится по 2 группам предельных состояний: 1-ая-расчёт по несущим способностям, 2-расчёт по деформациям.

Сбор нагрузок на ось колонны.    Таблица 2

№ п/п       Вид нагрузки       К-т надёжности



 

1

2

3

4

5

1

Постоянная




1.1

Нагрузка от собственного веса конструкций




1.1.1

Колонна: N=0.4*0.4(21.2+2.8)24 1.1101.3892.16




1.1.2

Ригель: N=g*h=37.8*51.1207.9189




1.1.3

Плит перекрытий: N=g*A*n=3.6*36*51.1712.8648




1.1.4

От веса перегородок: N= g*A*n=1*36*51.1198180




1.1.5

Кровля :N= g*A=1,8*3,61.384.2464.8





Временная




2.1

Полезная на этаж: N= g*A*n=1,5*36*51.2324270




2.2

Снеговая: N= SA =1*361.450.436





Итого


1679

1480


Сбор нагрузок на ось наружней стены. Таблица 3

№ п/п       Вид нагрузки       К-т надёжности



 

1

2

3

4

5

1

Постоянная




1.1

Нагрузка от собственного веса стены: N=0,51*21,8*1(18+3) 1.1256,83233,48




1.2

Ригель: N=g* A*h=37.8*51.159,454




1.3

Плит перекрытий: N=g*A*n=3.6*36*51.37,025,4




1.4

От веса перегородок: N= g*A*n=1*36*51.116,515




1.5

Кровля :N= g*A=1,8*3,61.1103,9594,5





Временная




2.1

Полезная на этаж: N= g*A*n=1,5*36*51.22722,5




2.2

Снеговая: N= SA =1*361.44,23





Итого


474,9

427,88


2. Проектирование фундаментов мелкого заложения

Вычисление расчетного сопротивления грунта по подошве фундамента с учётом особенностей конструктивного решения подземной части здания(подвала).

Фундаменты мелкого заложения проектируются, как правило, расчетом основания по второй группе предельных состояний (по деформациям). Расчет фундаментов и их оснований по деформациям должен производиться на основные сочетания расчетных нагрузок NII, MII, QII с коэффициентами надежности, равными единице, в соответствии с [1].

Предварительные размеры подошвы фундамента вычисляются на основе сравнения среднего давления под подошвой фундамента и расчетного сопротивления грунта основания [2, п.2.41]:

, (2.1)

где Р - давление под подошвой фундамента, а R - расчетное сопротивление грунта основания, контактирующего с подошвой фундамента.

Затем определяется величина расчетной осадки, которая сопоставляется с предельно допустимой, для данного типа здания или сооружения

, (2.2)

где S - расчетная величина осадки, а Su - предельно допускаемая осадка.

В том случае, если Р<R, то осадку фундамента необходимо определять с использованием расчетной схемы линейно-деформируемого полупространства.

Если давление под подошвой фундамента Р>R, то осадку фундамента следует определять как для нелинейно-деформируемого полупространства.

 

2.1 Расчет ленточного фундамента на естественном основании


Рассчитаем фундамент на естественном основании под наружную стену жилого дома. Максимальная нагрузка по обрезу фундамента,IIвнеш.ст.=428 кН/м Основанием служит второй слой - глина мощностью - 5,9м

Стены - несущие кирпичные. Принимаем непрерывный (ленточный) фундамент из железобетонных подушек и бетонных блоков (рис.2).

При наличии подвала глубина заложения фундамента определяется высотой подвала. Подстилающий слой -суглинок. Пол подвала на 2.8 ниже планировочной отметки.

Рис.3. Расчетная схема ленточного фундамента

Назначаем глубину заложения фундамента в соответствии с требованиями [2, пп.2.25-2.33]. Расчетная глубина сезонного промерзания определяется по [2, формула (3)]:

, м, (2.3) где

kh - коэффициент, учитывающий влияние теплового режима здания

Для города Тверь нормативная глубина промерзания, равна 1,02 м. Для жилого здания с подвала, коэффициент теплового режима, равен 0,4.

Учитывая конструктивные особенности здания, назначаем отметку подошвы фундамента исходя из конструктивных требований, равной -3,6м.

Определим ширину подошвы фундамента из условия, чтобы среднее давление под его подошвой P не превышало расчетного сопротивления грунта основания R.

Назначаем в первом приближении ширину подошвы фундамента b=1 м. Определяем расчетное сопротивление грунта основания по [2, формула (7)]:

 (2,4)

где c1 и c2 - коэффициенты условий работы; k=1, если прочностные характеристики грунта ( и с) определены непосредственными испытаниями; М, Мq ,Мc - коэффициенты, принимаемые по [2 табл. 4]; Кz - коэффициент, принимаемый равным: при b<10 м - Кz = 1; b - ширина подошвы фундамента, м; II - осредненное расчетное значение удельного веса грунтов; II - то же, залегающих выше подошвы; с - расчетное значение удельного сцепления грунта, залегающего непосредственно под подошвой фундамента, кПа; d - глубина заложения фундаментов бес подвальных сооружений от уровня планировки или приведенная глубина заложения наружных и внутренних фундаментов от пола подвала, определяемая по формуле

, (2.5)

Находим коэффициенты, входящие в формулу:

1) при b=1

db=d-d1=3-0.74=2,26м

; db=3-0.74=2.26м; k=1; gс1=1,2; gс2=1; Mg=0,21; Mg=1.83; Mc=4,29;kz=1(b<10м);

b=1;

Улучшаем грунт основания, в результате получаем с=18 кПа.


Определяем примерную площадь подошвы на 1 м длины фундамента, принимая среднее расчетное значение удельного веса фундамента и грунта при наличии подвала gср=17,0:

По приложению 2 принимаем фундаментные подушки ФЛ32.12-1и стеновые блоки ФБС 24.6.6-т.

) b=3,2 м


Среднее давление под подошвой фундамента:

(2.6);

NII .=428;

Nф=(3,2×1×0,5+4×0.6×1×0,6) ×24=72,96кН

Nг=1,3(0,2×15+2,2×18.2) 1,0=56кН

P=174,05кПа<R=177,35 (D=1.9%)

Принимаем в качестве фундаментной подушки плиту марки ФЛ32.12-1 и производим расчет деформаций основания

2.2 Расчет деформации основания фундамента

Расчет оснований по деформациям производят, исходя из условия: S£Su,

где S-величина совместной деформации основания и сооружения, определяемая расчетом в соответствии с указаниями [2, прил.2];

Su-предельное значение совместной деформации основания и сооружения, устанавливаемое в соответствии с указаниями [2, пп. 2.51-2.55].

Расчетную осадку определяем методом послойного суммирования осадок отдельных слоев в пределах сжимаемой толщи основания.

Вертикальное напряжение от собственного веса грунта на уровне подошвы фундамента:

szq0=d×gII¢=0,2×15+2.8×18,2=53.96 кПа

Дополнительные вертикальные напряжения на глубине z от подошвы фундамента определяем по [2, прил.2, формула (2)]:

, (2.7)

где a - коэффициент, принимаемый по [2, прил.2, табл.1];

P0 - дополнительное вертикальное давление на основание:

P0=P-szq0, (2.8)

здесь P - среднее давление под подошвой фундамента;

P=174.05кПа;

P0=174.05-53.96=120.09кПа

Сжимаемую толщину грунта ниже подошвы фундамента разбиваем на элементарные слои мощностью hi:

hi=0,4×b;

hi=3,2×0.4=1,28м

Находим дополнительные напряжения.

На отметке подошвы фундамента (при Z=0):

x; h=; a=1

sZp0=1×120,09=120,09кПа

Для остальных точек значения sZq и sZP приведены в табл.2. По полученным величинам sZq и sZP строятся эпюры напряжений.

Нижняя граница сжимаемой толщи основания принимается на глубине Z=Hc, где выполняется условие sZP=0,2×sZq с точностью ± 5кПа, при Е³5 МПа.

Так как модуль деформации супеси больше 5МПа нижняя граница сжимаемой толщи находится на глубине Нс=6,4м (точка 5):

Определяем осадку основания с использованием расчетной схемы в виде линейно деформируемого полупространства (рис.2.1) [/2/, прил.2, формула (1)]:

, (2.9)

где b - безразмерный коэффициент, равный 0,8;

sZpi  - среднее значение дополнительного вертикального нормального напряжения в i-м слое грунта;

hi      - толщина i-го слоя грунта;

Еi      - модуль деформации i-го слоя грунта;

i        - число слоев на которое разбита сжимаемая толща основания.

S=1,33см < Su=10 см

Совместная деформация основания и сооружения меньше предельного значения.

Окончательно принимаем фундамент ленточный из железобетонных подушек ФЛ32.12-1 и стеновых блоков ФБС 24.6.6-т.

2.3 Расчет отдельно стоящего фундамента под колонну на естественном основании

Требуется рассчитать фундамент на естественном основании под железобетонную колонну сечением 40x40 см. Максимальная нагрузка по обрезу фундамента при расчете по деформациям: N II=1480 кН.

С учетом конструктивных особенностей здания назначаем отметку подошвы фундамента - 3.6 м (рис.5).

Рис.5. Расчетная схема фундамента под колонну

Для определения основных параметров фундамента назначаем в первом приближении размеры его подошвы l×b=1×1 м.

Вычисляем расчетное сопротивление грунта основания:

;

 ;=d-d1=3,9-1,74=2.16м;


Определяем примерную площадь подошвы фундамента:


Принимаем монолитный железобетонный фундамент с размерами подошвы l=2,7 м; b=2,7 м; А=7.29 м2 (рис.6).

Рис.6. Схема монолитного железобетонного фундамента под колонну

При b=2,7 м расчетное сопротивление

db=d-d1=4,5-2,34=2.16м;


Среднее давление под подошвой фундамента:

Nф=(2,7×2,7×0,45+1,8 ×1,8×0,45+0,9×0,9×1,2)×24=137кН

Nг=1,2(2,75×2,75-0,9×0,9)×18,2=141,5кН

=241,22кПа<R=248,95кПа (D=3,1%<5%).

Расчет осадки отдельно стоящего фундамента под колонну на естественном основании

Вертикальное напряжение от собственного веса грунта на уровне подошвы фундамента:

szq0=d×gII¢=0,2×15+4,3×18,2=81,26кПа

sZp0=1×159,96=159,96кПа

Сжимаемую толщину грунта ниже подошвы фундамента разбиваем на элементарные слои мощностью hi: hi=2,7×0.4=1,08м

Дополнительное вертикальное давление на основание:

P0=241,22-81,26=159,96кПа

P=241,22кПа;

Нижняя граница сжимаемой толщи основания принимается на глубине Z=Hc, где выполняется условие sZP=0,2×sZq с точностью ± 5кПа, при Е³5 МПа.

Так как модуль деформации супеси больше 5МПа нижняя граница сжимаемой толщи находится на глубине Нс=6,48м (точка 6):

S=1,32см < Su=10 см

Должно выполняться условие:

 -условие выполняется

3. Проектирование свайных фундаментов


Расчет свайных фундаментов и их оснований выполняем по 2 группам предельных состояний:

а) первая группа:

- по прочности материала свай и свайных ростверков:

- по несущей способности грунта основания свай;

б) вторая группа:

- по осадкам оснований свай и свайных фундаментов от вертикальных нагрузок. Расчет по прочности материала свай и свайных ростверков должен производиться в соответствии с требованиями [3].

Расчет оснований свайных фундаментов по несущей способности и конструктивные расчеты по прочности свай и свайных ростверков производятся по расчетным нагрузкам, которые принимаются по основным сочетаниям нагрузок с коэффициентом надежности, определяемым по [1].

Расчет оснований свайных фундаментов по деформациям выполняется на основное сочетание расчетных нагрузок с коэффициентом надежности по нагрузке gf=1,0.

Одиночную сваю в составе фундамента по несущей способности грунтов основания следует рассчитывать, исходя из условия, приведенного в [3, формула (2)]:

, (3.1)

где    N - расчетная нагрузка, передаваемая на сваю;

Fd - расчетная несущая способность грунта основания одиночной сваи, называемая в дальнейшем несущей способностью сваи и определяемая в соответствии с указаниями [3, разд. 4 и 5];

gk - коэффициент надежности, принимаемый равным 1,4 (если несущая способность сваи определяется расчетом).

Для фундаментов с вертикальными сваями расчетную нагрузку на сваю определяют по [3, формула (3)]:

 (3.2)

где             Nd - расчетная сжимающая сила, кН;

n - число сваи в фундаменте;

Расчет свай и свайных фундаментов по деформациям следует производить, исходя из условия, приведенного в [3, формула(4)]:

 (3.3)

где    S - совместная деформация сваи, свайного фундамента и сооружения, определяемая расчетом;

Su - предельное значение совместной деформации основания сваи, свайного фундамента и сооружения, устанавливаемое по [2].

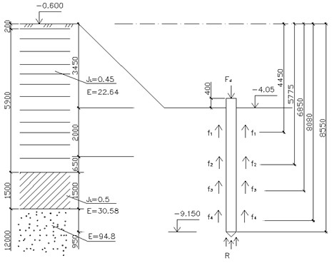
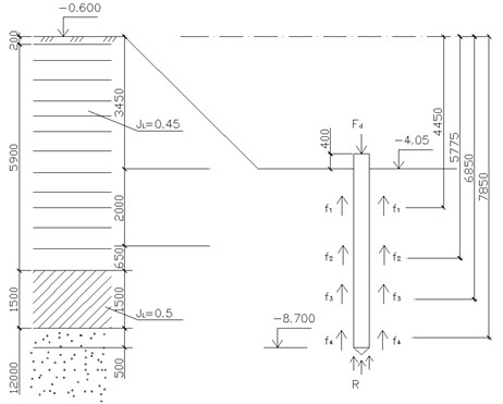
3.1 Расчет свайного фундамента под колонну

Требуется рассчитать свайный фундамент под железобетонную колонну сечением 40x40 см. Максимальная нагрузка по обрезу фундамента:

·   при расчете по несущей способности:

NI,к=1776 кН;

·   при расчете по деформациям:

NII,к=1480 кН

Глубина заложения подошвы ростверка dp по конструктивным соображениям принята 3,4 м.

Выбираем тип свай. По геологическим условиям свая висячая. В несущий слой (песок ср. крупности) нижний конец сваи рекомендуется заглублять не менее чем на 1 м. По [4, прил. 3] принимаем сваю длинной 7 м, сечением 0,3x0,3 м (рис. 7).

Рис. 7. Расчетная схема сваи

Определяем несущую способность висячей сваи по грунту по [3, формула (8)]:

Fd=gc×(gcR×R×A+uSgcf×fi×hi), (3.4)

где    gс - коэффициент условий работы сваи в грунте, принимаемый равным 1;

R - расчетное сопротивление грунта под нижним концом сваи, кПа принимаемое по [3, табл.1];

А - площадь опирания сваи на грунт, м2;

gсR, gсf - коэффициенты условий работы грунта, принимаемые по[3, табл.3];

u - наружный периметр поперечного сечения сваи, м;

fi - расчетное сопротивление i-го слоя грунта основания на боковойповерхности сваи, кПа, принимаемое по [3, табл.2];

hi - толщина i-го слоя грунта, соприкасающегося с боковой поверхностью сваи, м.

На глубине d=10 м от поверхности для песка ср. крупности получим R=4000 кПа. Расчетное сопротивление на боковой поверхности сваи:

при Z1=4.45 м f1=;

при Z2=5.775 м f2=27.7кПа;

при Z3=6.85 м f3=25.4кПа; суглинки с IL=0,5

при Z4=7.85 м f4= - песок крупный

gc=gcR=gcf =1; А=0,09 м2; u=4×0,3=1.2м.

Несущая способность сваи:


Несущая способность висячей сваи по материалу во многих случаях больше, чем по грунту, поэтому ограничимся определение несущей способности принятой сваи только по грунту.

Расчетное сопротивление сваи:

(3.5),;.

Определяем количество свай в кусте с учетом действия расчетного момента на фундамент:

(3.6); шт.

Принимаем 4 сваи марки С 5,5-30. Конструируем ростверк (рис.8), учитывая, что минимальное расстояние между осями сваи -3d (здесь d - диаметр (сторона) сваи).

Рис.8. Схема свайного фундамента под колонну

Вес ростверка

Nр=(1,3×1,3×0,95)×24=38,53кН


(3.7);

N<Pc -условие выполняется

3.2 Расчет свайного фундамента по деформациям грунтового основания



Определяем расчетное сопротивление грунта основания по [2, формула (7)]:


Определяем осадку методом послойного суммирования

szq0=d×gII¢=0,6×15+6×19,2+16*1,0+1,8*18,6=173,68 кПа

, sZp0=1×496,97=496,97кПа

P0=P-szq0=652,77-155,8=496,97кПа

hi=0,4×b; hi=1,92×0.4=0,768м


z,м

σzq,кПа

ξ=2z/b

η=l/b

α

σzp,кПа

σzpi,кПа

Eпол,МПа

0

0

155,8

0

1

1

496,97

 

94,8

1

0,768

170,08

0,8

1

0,8

386,15

441,6

94,8

2

1,536

184,37

1,6

1

0,449

210,3

298,23

94,8

3

2,304

198,65

2,4

1

0,257

116,7

163,5

94,8

4

3,072

212,94

3,2

1

0,16

70,37

93,54

94,8

5

3,84

227,22

4

1

0,108

45,96

58,17

94,8


Нижняя граница сжимаемой толщи основания принимается на глубине Z=Hc, где выполняется условие sZP=0,2×sZq с точностью ± 5кПа, при Е³5 МПа.

Так как модуль деформации супеси больше 5МПа нижняя граница сжимаемой толщи находится на глубине Нс=3,84м (точка 5):

=0,68см < Su=10 см -условие выполняется

где: - предельно допускаемые деформации основания принимаемые по таблице 4 СНиП 2.02.01-83

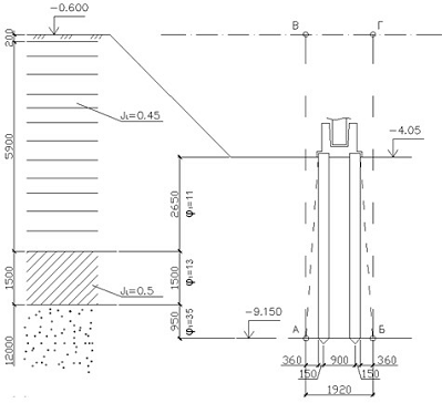
3.3 Расчет ленточного свайного фундамента под несущую стену

Требуется запроектировать свайный фундамент под несущую стену, передающую расчетную равномерно распределенную нагрузку NI= N2 *1,21,2*428=513,46кН.

Отметка низа ростверка -4,05

Расчетная схема свайного фундамента


Назначаем длину сваи 5.5 м с сечением 0,3x0,3 м

Расчетная схема сваи

Разбиваем пласты песка и суглинка на однородные слои мощностью не более 2 м: z1=2 м; z2=0.65 м; z3=1.5 м; z4=0.95 м. Определив средние глубины залегания каждого из слоев, по [3, табл.2] найдем:

при Z1=4.45 м , f1=;

при Z2=5.775 м, f2=27.7кПа;

при Z3=6.85 м f3=25.4кПа; суглинки с IL=0,5

при Z4=8.55 м f4= - песок крупный

d=8.55 м    R=

Несущая способность сваи по грунту:


Расчетное сопротивление сваи:

.


Конструируем ростверк при однорядном расположении свай

Рис.13. Схема ленточного ростверка

Ширина ростверка:

Bp=0,3+2×0,1=0,5м.

Вес ростверка:

Qp=0,5×1×0,95×25=11.88кН.

Вес стеновых блоков марки ФБС 24.6.6-т:

Qбл=4×0,6×1×0,6 ×24=34,56кН.

=560<Nр.д. =626 -условие выполняется

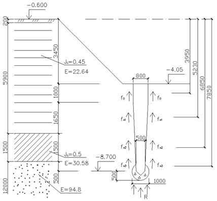
4.1 Проектирование фундаментов в вытрамбованном котловане (ФВК) под колонну

Проектирование ФВК ведется по двум предельным состояниям: при определении несущей способности складывается из сопротивления грунта под уширением и сопротивления вдоль боковой поверхности.

Для фундамента с глубиной заложения 8,1 м, расположенный в слое песок крупный, определим расчетное сопротивление под уширением табл. 7.1 СП 50-102-2003. . Определим площадь уширения: , Определим периметр верхней и средней части:

 


По табл. 7.2 СП 50-102-2003 находим сопротивление вдоль боковой поверхности f.

при Z0=2,9 м , f0=;

при Z1=4,4 м, f1=25,3кПа;

Сопротивление вдоль наклонной поверхности определяется по формуле:

,

где: -сопротивление в итом слое наклонной грани,

- модуль деформации,

-уклон граней равен 0,018,

- реологический коэффициент равный 0,8,

- коэффициент принимаемый по табл. 7.4 СП 50-102-2003 в зависимости от вида грунта.

,


при Z2=5,75 м , f2=27,6кПа; глина с IL=0,45

.

при Z3=6,85 м, f3=25,4кПа; суглинки с IL=0,5

.


при Z4=7,88 м, f4=59,8кПа; песок крупный

.


Несущая способность ФВК составит:


Расчетно-допускаемая нагрузка на ФВК составит:

.

=1776<Nр.д. =4489 -условие выполняется

4.2 Проектирование фундаментов в вытрамбованном котловане (ФВК) под стену

Проектирование ФВК ведется по двум предельным состояниям: при определении несущей способности складывается из сопротивления грунта под уширением и сопротивления вдоль боковой поверхности. NI,ст= NII,ст*1.2= 427.88*1.2=513.46 кН

Для фундамента с глубиной заложения 8,1 м, расположенный в слое песок крупный, определим расчетное сопротивление под уширением табл. 7.1 СП 50-102-2003. . Определим площадь уширения: , Определим периметр верхней и средней части:

ленточный свайный фундамент заложение

 


По табл. 7.2 СП 50-102-2003 находим сопротивление вдоль боковой поверхности f.

при Z0=3,95 м , f0=;

при Z1=5,23 м, f1=26,8кПа;

Сопротивление вдоль наклонной поверхности определяется по формуле:

,


при Z2=6,85 м , f2=25,4кПа; суглинки с IL=0,5

.


при Z3=7,85 м, f3=61,7кПа; песок крупный

.


Несущая способность ФВК составит:


Расчетно-допускаемая нагрузка на ФВК составит:

.

бл=4×0,6×1×0,6 ×24=34,56кН.

Qp=1×1×0,95×25=23,75кН.

=7.78*572=4450<Nр.д. =4456 -условие выполняется

5. Проектирование песчаной подушки под стену

Песчаные подушки целесообразно применять когда естественное основание имеет низкие прочностные и деформативные характеристики. Толщина подушки определяется путем последовательного приближения по результатам проверки слабого подстилающего слоя под подошвой подушки. NII=428

Принимаем толщину подушки hп=1,28м. отм. низа фундамента -3,600

Характеристики песчаной подушки:

 

Принимаем =0,8 ФЛ8.12-3

=0.8,

=595<R. =614 -условие выполняется

Проверка подстилающего слоя должна удовлетворять условию

Строим эпюры природного и дополнительных давлений.

;

Определяем дополнительное давление в уровне подошвы фундамента


Дополнительное давление в точке 1:


Тогда

;

Площадь условного фундамента определяется как:


Ширина условного фундамента


Расчетное сопротивление под подошвой условного фундамента


Проверяем условие

,96+192,3=273,3кПа<296,2кПа.

Принимаю толщину песчаной подушки hп=1,28м

hi=0,4×b; hi=0,8×0.4=0,32м

z,м

σzq,кПа

ξ=2z/b

η=l/b

α

σzp,кПа

σzpi,кПа

Eпол,МПа

0

0

53,96

0

10

1

541

 

120

1

1,28

80,96

3,2

10

0,374

192,3

367

120

2

1,6

83,8

4

10

0,306

156,4

174

22,64

3

1,92

88,65

4,8

10

0,258

130,6

143,5

22,64

4

2,24

94,5

5,6

10

0,223

111,6

121,1

22,64

5

2,56

100,3

6,4

10

0,196

96,96

104,3

22,64

6

2,88

106

7,2

10

0,175

85,6

91

22,64

7

3,2

112

8

10

0,158

76,3

81

25,1

8

3,52

117,8

8,8

10

0,143

68,2

72

30,6

9

3,84

123,7

9,6

10

0,132

62,2

65

30,6

10

4,16

129,6

10,4

10

0,122

56,8

59,5

30,6

11

4,48

135,5

11,2

10

0,113

51,9

54

30,6

12

4,8

141,5

12

10

0,106

48

50

70,7

13

5,12

12,8

10

0,106

47,4

48

94,8

14

5,44

153,6

13,6

10

0,106

46,8

47

94,8

15

5,76

160

14,4

10

0,106

46,2

46,5

94,8

16

6,08

165,5

15,2

10

0,106

45,5

45,8

94,8

17

6,4

171

16

10

0,106

44,9

45,2

94,8

18

6,72

177

16,8

10

0,106

44,3

44,6

94,8

19

7,04

183

17,6

10

0,106

43,6

44

94,8

20

7,36

189

18,4

10

0,106

43

43,3

94,8

21

7,68

195,3

19,2

10

0,106

42,4

42,7

94,8


Нижняя граница сжимаемой толщи основания принимается на глубине Z=Hc, где выполняется условие sZP=0,2×sZq с точностью ± 5кПа, при Е³5 МПа.

Так как модуль деформации супеси больше 5МПа нижняя граница сжимаемой толщи находится на глубине Нс=7,68м (точка 21):

=1,3см < Su=10 см -условие выполняется

где: - предельно допускаемые деформации основания принимаемые по таблице 4 СНиП 2.02.01-83


Проектирование песчаной подушки под колонну

Песчаные подушки целесообразно применять когда естественное основание имеет низкие прочностные и деформативные характеристики. Толщина подушки определяется путем последовательного приближения по результатам проверки слабого подстилающего слоя под подошвой подушки. NII=1480

Принимаем толщину подушки hп=1,2м. отм. низа фундамента -4,500

Характеристики песчаной подушки:

 Принимаем =2,25 , b=1.5, l=1.5

=688<R. =816 -условие выполняется

Проверка подстилающего слоя должна удовлетворять условию


Строим эпюры природного и дополнительных давлений.

;

Определяем дополнительное давление в уровне подошвы фундамента


Дополнительное давление в точке 1:


Тогда

;

Площадь условного фундамента определяется как:


Ширина условного фундамента


Расчетное сопротивление под подошвой условного фундамента


Проверяем условие

.9+268=359,9кПа<382.5кПа.

Принимаю толщину песчаной подушки hп=1,2м

hi=0,4×b; hi=1.5×0.4=0,6м

№z,мσzq,кПаξ=2z/bη=l/bασzp,кПаσzpi,кПаEпол,МПа









0

0

70,3

0

1

1

618

 

120

1

1,2

91,9

1,6

1

0,449

268

443

120

2

1,8

102,8

2,4

1

0,257

150

209

22,64

3

2,4

124,6

3,2

1

0,16

90,1

120

22,64

4

3

135,7

4

1

0,108

60

75

30,6

5

3,6

157,9

4,8

1

0,077

40,8

50

30,6

6

4,2

169

5,6

1

0,058

30,1

35,5

62,7


Нижняя граница сжимаемой толщи основания принимается на глубине Z=Hc, где выполняется условие sZP=0,2×sZq с точностью ± 5кПа, при Е³5 МПа.

Так как модуль деформации супеси больше 5МПа нижняя граница сжимаемой толщи находится на глубине Нс=4.2м (точка 6):

=1,27см < Su=10 см -условие выполняется

где: - предельно допускаемые деформации основания принимаемые по таблице 4 СНиП 2.02.01-83

6. Технико-экономическое сравнение и выбор основного варианта фундамента

Критерием сравнительной экономической эффективности проектных решений является минимум приведенных затрат, которые определяются с учетом себестоимости работ капитальных вложений в базу строительства, трудоемкости, продолжительности возведения фундаментов и затраты материалов.

В курсовом проекте при выборе основного вида необходимо сравнивать только объем основных материалов и трудозатраты, что наиболее удобно выполнять в такой последовательности:

) произвести подсчет объемов работ для каждого варианта фундамента (фундаментов мелкого заложения и свайных фундаментов);

) определить стоимость и трудоемкость при выполнении каждого варианта фундаментов, используя [4, табл. 3.4.] удельные показатели стоимости с учетом коэффициента удорожания и трудоемкости основных видов работ при устройстве фундаментов.

Результаты подсчета приведены в таблице 5.

Таблице 5.Подсчет объема работ.

Номер варинта

Наименование работ

Стоимость,



Едини-цы

Всего

Фундамент мелкого заложения


1

Разработка грунта глубиной до 5м.

250

2346·250=586500

2

Песчаная подготовка.

400

25.13·400=10052

3

Укладка фундаментных блоков.

8000

129,3·8000= 1034400

4

Устройство монолитн. фундаментов

10000

26,2∙10000=262000

Свайный фундамент

1

Разработка грунта глубиной до 5м.

250

2346·250 =586500

2

Установка свай

10000

207,6·10000=2076000

3

Устройство ростверка

10000

133,11·10000=1331100

ФВК

1

Разработка грунта глубиной до 5м.

250

2346·250 =586500

2

Установка ФВК

15000

39,06∙150000=585900

3

Устройство ростверка

10000

37,2·10000=372000

4

Втрамбовывание щебня

10000

55,7∙10000=557000

Устройство фундаментов на песчаных подушках

1

Разработка грунта глубиной до 5м.

250

2346·250 =586500

2

Устройство песчаных подушек

400

154∙400=61600

3

Укладка фундаментных блоков.

8000

109,2·8000= 873600

4

Устройство монолитн. фундаментов

10000

17,03∙10000=170300


Вывод

Фундамент мелкого заложения наиболее экономичен, его выбираем в качестве основного варианта.

Список литературы

1. СНиП 2.01.07-85. Нагрузки и воздействия. - М.: Стойиздат, 1987.

2. СНиП 2.02.01-83. Основания зданий и сооружений. - М.: Стройиздат, 1985.

3. СНиП 2.02.03-85. Свайные фундаменты. - М.: Стройиздат, 1986.

4. Справочник проектировщика. Основания, фундаменты и подземные сооружения/Под ред. Е.А. Сорочана и Ю.Г. Трофименкова. - М.: Стройиздат, 1985.

5. Веселов В.А. Проектирование оснований и фундаментов. - М.: Стройиздат, 1990.

6. Кузнецов А.Н., Муратова Н.В. Примеры расчета и проектирования фундаментов. ПГАСА 1999.


Не нашли материал для своей работы?
Поможем написать уникальную работу
Без плагиата!
Без нейросетей!