Рабочая площадка производственного здания
Федеральное
агентство по образованию
Государственное
образовательное учреждение
Высшего
профессионального образования
Самарский
Государственный Архитектурно-Строительный Университет
Кафедра
Металлических и Деревянных Донструкций
Курсовой
проект
По
дисциплине «Металлические конструкции»
На
тему
«Рабочая
площадка производственного здания»
Самара
2011г.
Содержание
1. Компоновка
и выбор схемы балочной клетки
.1
Компоновка балочной клетки
.2
Подбор сечения балок настила
.3
Определение массы балок настила и настила
.
Расчет главной балки
.1
Расчетная схема, нагрузки и усилия
.2
Компоновка сечения главной балки
.3
Проверка прочности и жесткости подобранного сечения
.4
Расчет поясных швов главной балки
.5
Расчет опорного ребра главной балки
.
Подбор сечения центрально-сжатой колонны
.1
Расчет сплошной ЦСК
.2
Расчет сквозной ЦСК
Список
используемой литературы
1.
КОМПОНОВКА И ВЫБОР СХЕМЫ БАЛОЧНОЙ КЛЕТКИ
1.1
Компоновка балочной клетки
Перед началом проектирования следует представить
себе общую схему конструкции и расположение элементов, выполнить эскизы планов
и разрезов площадки. (рис.1)
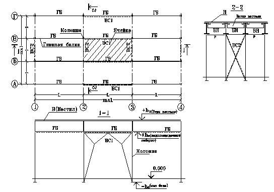
Рабочая площадка состоит из элементов,
образующих балочную клетку (главных балок и балок настила), настила, колонн и
связей.
Рис. 1. Схема рабочей площадки
Расстановку балок в плане выполняют для одной
ячейки размерами L*l,
считая, что остальные ячейки будут такими же (рис.2).
По колоннам вдоль большего шага укладывают
главный балки (ГБ), а по ним балки, поддерживающие настил (БН). Сопряжение
балок этажное. Шаг балок настила а выбирается таким образом, чтобы ему был
кратен размер L.
При расстановке БН учитываем, что они не должны
опираться на главную балку в середине пролета, поскольку в этом месте
устраивается укрупнительный стык.
Рис. 2. Типовая ячейка балочной
клетки
Для нормативной нагрузки 22 кПа
рекомендуемый шаг балок настила 
.
Где L -
продольный шаг колонн рабочей площадки;
а - шаг балок настила;
m - число
шагов.
1.2 Подбор сечения балок настила
Расчет любого элемента следует начинать с
установления расчетной схемы. Расчетная схема балки настила показана на рис.3.
Рис.3. Расчетная схема балки настила
Нормативная нагрузка на БН:
Где 1,05 - коэффициент, учитывающий вес балки
настила и настила;

- заданная нормативная нагрузка, 
;

- шаг балки настила, 
.
Расчетная нагрузка на БН:

- коэффициент надежности по
временной нагрузке.
Производим подбор сечения из условия
прочности с учетом пластических деформаций.
Где
- изгибающий момент от расчетных
нагрузок;

- коэффициент условий работ, 
;

- расчетное сопротивление стали на
растяжение, для С275 
.
Из условий прочности определяем
требуемый момент сопротивления:
Из условия жесткости определяем
требуемый момент инерции:
Где 
- максимальный прогиб балки от
нормативной нагрузки
;

- нормируемое минимальное отношение
пролета балки к ее прогибу,
;

- модуль упругости стали, 

.

Размеры,
мм 
,
см2Масса
м,
кг
,
см4
,
см3
,
см
,
см3
,
см4
,
см3
,
|
см
|
|
|
|
|
|
|
|
|
|
|
|
|
|
|
|
|
|
|
|
|
|
|
|
|
360
|
145
|
7,5
|
12,3
|
61,9
|
48,60
|
13380
|
743,0
|
14,70
|
423,0
|
419,0
|
71,1
|
2,89
|
Проверим выбранный двутавр из условия прочности:
Условие прочности выполняется.
Проверим выбранный двутавр из условия жесткости:
Условие жесткости выполняется.
1.3
Определение массы балок настила и настила
Где 
- толщина настила, 
;

плотность стали, 
;

масса погонного метра балки
настила, по ГОСТ 8239-89
;

шаг балок настила, 
2.
РАСЧЕТ ГЛАВНОЙ БАЛКИ
2.1
Расчетная схема, нагрузки и усилия
Рис.4 а) грузовые площадки, б) действительная
схема загружения главной балки, в) принятая расчетная схема главной балки
Нагрузка от балок настила передается на главную
балку в виде сосредоточенных сил. Для средней балки площадки сосредоточенная
сила равна двум опорным реакциям балок настила (рис.4а,б). При большом
количестве сосредоточенных сил(>5) их можно заменить равномерно распределенной
нагрузкой (рис.4в).
Погонная нагрузка с приближенным учетом
собственного веса главной балки (2%) будет равна: Нормативная

где 0,01 - коэффициент перевода
массы в вес.
Расчетная

Где 
коэффициент надежности по временной
нагрузке, 1,2;

коэффициент надежности по
собственному весу, 1,05.
Определим максимальный изгибающий
момент и максимальную перерезывающую силу:
Из условий прочности и жесткости
определим требуемые момент сопротивления и момент инерции сечения:
2.2
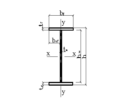
Компоновка сечения главной балки
Сечение главной балки компонуется из трех листов
(рис.5): вертикального листа (стенка) и двух горизонтальных (полки). Высота
балки h принимается в
результате сопоставления строительной, минимальной и оптимальной высоты.
Рис.5 Сечение главной балки
Строительная высота hстр
диктуется заданными отметками верха настила hн
и подплощадочного габарита hг.
При этом строго соблюдается верхняя отметка, так как здесь находится
оборудование, обслуживающее технологический процесс. Отметка низа конструкций
может быть поднята, но не может быть опущена, так как под балочной клеткой
должен быть соблюден габарит (рис.6).
Где 

зазор, учитывающий прогиб главной
балки, принимается 200мм

Рис.6 К определению строительной
высоты балки
Из условия предельного состояния по
жесткости определяют минимальную высоту сечения hmin, при
которой расчетные напряжения σ=Ry, то есть
полностью используется прочность материала
Оптимальная высота hопт
определяется из условия минимума массы. Приближенно эту высоту можно определить
по формуле:
Высоту сечения h назначают в
зависимости от соотношения между полученными значениями hс, hmin, hопт :
если hстр ≥ hопт > hmin , принимаем
h= hопт;
если hстр > hmin > hопт ,
принимаем h= hmin;
если hmin < hстр < hопт ,
принимаем h= hстр;
если hстр ≤ hmin , принимаем
h= hстр.
Высоту сечения h принимаем
по третьему условию 
.
Высота стенки hw принимается
ориентировочно на 40…60мм меньше h, то есть учитывая предполагаемую
толщину полок.
Толщина стенки tw
определяется из условия оптимальности, прочности и устойчивости:
1) из условия оптимальности сечения
первоначально определяется величина
) из условия прочности стенки на срез в
опорном сечении
Где 
расчетное сопротивление стали на
сдвиг, 
.
3) во избежание постановки продольных ребер
жесткости для обеспечения устойчивости стенки
Окончательная толщина стенки
назначается равной минимально возможной стандартной величине 
.
Для определения ширины 
, и толщины 
полки можно сначала определить
требуемую площадь одной полки 
. Требуемую площадь можно определить
из условия жесткости:
Требуемая площадь:
Назначаем размеры полки из
стандартного:
Требование местной устойчивости
сжатой полки выполняется.
балка настил колонна шов клетка
2.3
Проверка прочности и жесткости подобранного сечения
) Проверку начинаем с вычисления
геометрических характеристик сечения:
Площадь стенки
Площадь одной полки
Площадь всего сечения
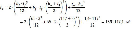
Момент инерции всего сечения
Момент сопротивления сечения
Статический момент половины сечения
2) Выполняем проверку прочности балки по
нормальным напряжениям
Условие выполняется
) Выполняем проверку прочности балки по
касательным напряжениям
Условие выполняется
) Выполняем проверку жесткости балки
Условие выполняется
2.4
Расчет поясных швов главной балки
Поясные швы препятствуют сдвигу полок
относительно стенки вдоль балки от действия поперечной силы Q.
Расчет швов ведется на максимальную
поперечную силу (на опоре), 
, а толщина швов принимается
постоянной по всей длине балки.
Расчетное сдвигающее усилие на
единицу длины шва равно
Шов рассчитывается на срез
(условный) по двум сечениям:
Где 
коэффициент, зависящий от вида
сварки, 0,7 

катет шва, 7 мм 
;

расчетное сопротивление срезу по
металлу шва, 
.
Условие выполняется
. По металлу границы сплавления:
Где 
коэффициент, зависящий от вида
сварки, 1 

катет шва, 7 мм 
;

расчетное сопротивление срезу по
металлу границы сплавления, 
.
Условие выполняется
2.5
Расчет опорного ребра главной балки
Если взять балку двутаврового сечения и
установить на колонну, то под нагрузкой балка деформируется и произойдет
смещение сил. Колонна перестает быть центрально сжатой. Поэтому Балку
устанавливают на так называемые опорные ребра.
Где 
площадь опорного ребра;

опорная реакция главной балки, 

расчетное сопротивление смятию
торцевой поверхности, 370 МПа.
Примем 
, тогда 
Катет сварного шва:
3. ПОДБОР СЕЧЕНИЯ ЦЕНТРАЛЬНО-СЖАТОЙ
КОЛОННЫ
3.1 Расчет сплошной ЦСК
Колонны рабочей площадки будем рассчитывать, как
центрально-сжатые стержни:
Где 
расчетная сила, равна 2 опорным
реакциям ГБ.
При расчете главной балки было
принято шарнирное сопряжение балки с колонной. Горизонтальная несмещаемость
верхнего конца колонны обеспечивается системой вертикальных связей. Нижний
конец колонны считается закрепленным шарнирно - анкерные болты крепятся к
опорному листу базы.
За длину стержня принимается
расстояние от низа главной балки до низа базы колонны
Где 
выступ опорного ребра, 

глубина заглубления, 1м.
Расчетная длина колонны
Где 
коэффициент, зависящий от способа
закрепления концов сжатого стержня.
Для того, чтобы колонна была
равноустойчива, должно выполняться равенство: 
. Требуемая площадь сечения колонны
Задаемся гибкостью 
Ширина полки
Толщина полки
Высота стенки
Толщина стенки
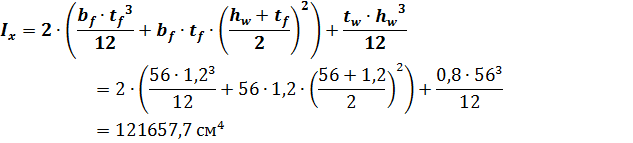
Определим геометрические характеристики
скомпонованного сечения:
Фактическая площадь:
Моменты инерции всего сечения
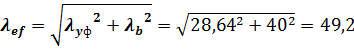
Радиусы инерции
Выполняем проверку общей
устойчивости колонны:
По большему из значений гибкости
определяем 
Условие выполняется
3.2 Расчет
сквозной ЦСК
Требуемая площадь сечения колонны 

Определяем требуемый радиус инерции:
Принимаем сквозную колонну из двух
двутавров №45
|
Размеры,
мм
|
 ,см2Масса1м, кг ,см4 ,см3 ,см ,см3 ,см4 ,см3 ,см
|
|
|
|
|
|
|
|
|
|
|
|
|
|
|
|
|
|
|
|
|
|
|
|
450
|
160
|
9,0
|
14,2
|
84,7
|
66,50
|
27696
|
1231,0
|
18,10
|
708,0
|
808,0
|
101,00
|
3,09
|
Определяем действительную гибкость колонны по
оси X:
Проверка устойчивости
Условие выполняется
Проверка устойчивости колонны относительно
свободной оси:
Зададимся гибкостью планки 
Определим радиус инерции
относительно свободной оси
Находим расстояние между ветвями
Определяем момент инерции сечения по оси Y:
Проверка устойчивости
Условие выполняется
Список используемой
литературы
1. СНиП
II-23-81*, Стальные
конструкции. Нормы проектирования, - М,: ЦИТП,1991
2. Металлические
конструкции: Общий курс: Учеб. Для вузов/ Под ред. Г.С.Веденикова. - М,:
Стройиздат,1998
. Методические
указания: Рабочая площадка производственного здания./Составлены: В.П. Кузнецов,
В.В. Шабанин; Самарск, Арх.-строит. Акад. Самара, 1999
. ГОСТ
8239-89, Двутавры стальные горячекатаные.