|
Тип нагрузки
|
Нормативная
нагрузка, Н/м2
|
γf
|
Расчетная
нагрузка, Н/м2
|
|
|
Значения
нагрузок на 1 м2 покрытия
|
|
Постоянная
нагрузка
|
|
|
Многопустотная
плита
|
3000
|
1,1
|
3300
|
|
|
Обмазочная
пароизоляция
|
50
|
1,3
|
65
|
|
|
Утеплитель
|
400
|
1,3
|
520
|
|
|
Асфальтовая
стяжка толщиной 2 см
|
350
|
1,3
|
455
|
|
|
Рулонный ковер
|
150
|
1,3
|
195
|
|
|
Временная
нагрузка
|
|
|
Снеговая
|
1915,2
|
1,43
|
2736
|
|
|
в том числе
длительная
|
957,6
|
1,43
|
1368
|
|
|
Итого
|
5865,2
|
|
7271
|
|
|
Значения
нагрузок на 1 м2 перекрытия
|
|
Постоянная
нагрузка
|
|
|
Многопустотная
плита
|
3000
|
1,1
|
3300
|
|
|
Вес пола и
перегородок
|
900
|
1,1
|
990
|
|
|
Временная
нагрузка
|
|
|
Полезная
|
2000
|
1,2
|
2400
|
|
|
в том числе
длительная
|
700
|
1,2
|
840
|
|
|
Итого
|
5900
|
1,2
|
6690
|
|
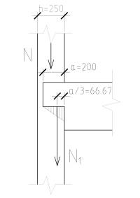
3.
Расчет наружного простенка
Сечение простенка прямоугольное - 0,25*1,05 м.
Кладка стены выполнена из силикатного кирпича силикатного
полнотелого, ρ=1800 кН/м3.
На простенок опирается ригель, глубина заделки которого в
стену равна а=200 мм.
Наиболее опасные сечения в простенке находятся на уровнях
верха оконного проема и на высоте 2/3 от высоты этажа.
Вычислим нагрузку N, приходящуюся на простенок на первом, четвертом
и восьмом этажах, как сумму ее компонентов от всех вышележащих этажей с учетом
собственной массы простенка.
Агр=3·6,3=18,9 м2.
Согласно п.3.8 [1] А1=9 м2.
здание строительство каменный железобетонный
3.1
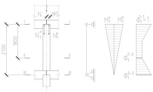
Расчет наружного простенка на первом этаже
Рис.1. Простенок первого
(четвертого) этажа
где n = 7 - общее число перекрытий, находящихся
данным этажом.
Расчетное усилие от собственного веса ригеля:
Расчетная нагрузка от собственного веса наружной стены при
плотности каменной кладки
,
:
Опасное сечение 2-2.
Сосредоточенное усилие от веса стены:
Расчетное усилие от перекрытия и покрытия:
Сосредоточенное усилие N1 от непосредственно опирающегося на
простенок перекрытия:
Тогда суммарная сила в сечении 2-2:
Рис.2
Рассчитаем эксцентриситет расчетного продольного усилия:
) Эксцентриситет опорной реакции:
м.
) Изгибающий момент в сечении простенка на уровне верха оконного
проема (в сечении 2-2):
М2-2 = е1 · N1 ·
= 0,058 · 135,38 ·
= 5,71 кН·м
) Эксцентриситет расчетного продольного усилия:
По пункту 4,8 [2]:
< 0,7 y = 0,7 · h / 2 = 0,7 · 0,25/2 = 0,0875
Тогда расчет по раскрытию трещин в швах кладки производить не надо
и:
Ас = А·
=0,2625·
=0,2533 м2,
где А = 0,25 · 1,05 = 0,2625 м2 - площадь сечения
простенка,
Ас - площадь сжатой части сечения простенка.
Согласно п.3.11 [2] при А = 0,2625 м2 < 0,3 м2
- расчётное сопротивление снижается на коэффициент условия работы gс=0,8.
Определим коэффициент продольного изгиба φ1 - по формуле 15 [2]:
,
Где φ - коэффициент продольного изгиба для всего сечения в
плоскости действия изгибающего момента, определяемый по расчетной высоте
элемента l0;
φС - коэффициент продольного изгиба для сжатой части сечения,
определяемый по фактической высоте элемента HЭТ.
расчетная высота элемента, согласно п.4,3, примечание 1 [2] равна:
l0 = 0,9 · H = 0,9 · 3,6 = 3,24 м
гибкость элемента для прямоугольного сплошного сечения по п.4,2
[2] равна:
;
) упругая характеристика α = 750 для неармированной кладки по
табл.15 [2], тогда, согласно табл.18 [2]: φ = 0,7612
) высота сжатой части поперечного сечения АС в
плоскости действия изгибающего момента в случае прямоугольного сечения согласно
п.4,7 [2]:
hC = h - 2 · e0 = 0,25 -
2 · 0,0044 = 0,241 м;
) для сжатой части согласно п.4,7 [2]:
;
) согласно табл.18 [2] φс = 0,7065;
) в итоге, получаем:
=0,7339.
По эпюре φ (рис.1) интерполяцией определим для
сечения II-II: φ1 = 0,7849.
Согласно п.4,7 [2] при h=0,25 м
< 0,3 м mg - коэффициент, учитывающий влияние
длительной нагрузки - рассчитывается по формуле 16 [2]:
где h =
0,0692 - коэффициент, принимаемый по табл.20 [2];
Сосредоточенное усилие N1g от непосредственно опирающегося на простенок
перекрытия от длительных нагрузок:
Расчетная продольная сила от длительных нагрузок:
Ng = 18,9· [ (4,535+1,368) +6· (4,290+0,5565·0,84)] 0.95+7·15.257 +
310,08 + 107,37 = 1142,76 кН;
Изгибающий момент от действия длительных нагрузок:
Эксцентриситет от действия длительных нагрузок:
e0g=
= 0,004
Получаем:
0,9375.
По эпюре mg
находим mg2-2 = 0,949.
Согласно табл. 19 [2] для прямоугольного сечения коэффициент,
учитывающий возможность повышения расчетного сопротивления сжатой зоны кладки
за счет влияния менее напряженной части сечения равен:
Тогда расчетное сопротивление:
= 5368,24 кПа = 5,368 МПа,
Где γс = 0,8 - коэффициент условий работы согласно п.3.11 [2].
В таблице 2 [2] нет такого значения прочности кладки. Поэтому
надо произвести армирование кладки.
Устраиваем поперечное армирование арматурной сеткой из проволоки
В500 диаметром 6 мм, размером ячейки 4х4 см, с шагом через пять рядов кладки.
Согласно п.4.31 [2] расчет внецентренно сжатых элементов с
сетчатым армированием при e0 = 0,0044 < 0,17·h = 0,17·0,25 = 0.0425 производится по формуле:
N £ mg j1 Rskb Ac w,
где Rskb £ 2R - расчетное сопротивление армированной кладки при внецентренном
сжатии, определяемое при марке раствора 50 и выше по формуле
,
Мы уже получили, что Rskb = 5,368 МПа, тогда:
,
Здесь Rs
=
=
= 250 МПа
где - нормативное значение сопротивления растяжению арматуры,
γs = 1,2 - коэффициент надежности по
арматуре.
γcs = 0,6 - коэффициент условий работы.
гдеm
=
- процент армирования по объему, для
сеток с квадратными ячейками из арматуры сечением Аst с размером ячейки С при расстоянии
между метками по высоте s
m =
=
= 0,459 %
тg -
коэффициент, определяемый
по формуле (16) [2];
Vs и Vk - соответственно объемы арматуры и кладки.
Итак, расчетное сопротивление для простенка первого этажа в
опасном сечении 2-2:
R12-2 =5,368 -
= 3,235 МПа,
Тогда кладку следует вести кирпичом марки 250 на растворе марки
150.
Проверка в сечении 3-3.
Сосредоточенное усилие от веса стены:
Расчетное усилие от перекрытий и покрытия:
Сосредоточенное усилие N1 от непосредственно опирающегося на
простенок перекрытия:
Тогда суммарная сила в сечении 3-3:
Рассчитаем эксцентриситет расчетного продольного усилия:
) Эксцентриситет опорной реакции:
м.
) Изгибающий момент в сечении простенка на уровне верха оконного
проема (в сечении 2-2):
М3-3 = е1 · N1 ·
= 0,058 · 135,38 ·
= 5,235 кН·м
) Эксцентриситет расчетного продольного усилия:
= 0,0041 м.
Согласно пункту 4,8 [2]:
< 0,7 y = 0,7 · h / 2 = 0,7 · 0,25/2 = 0,0875
Тогда расчет по раскрытию трещин в швах кладки производить не
надо, и:
Ас = А·
=0,2625·
=0,2541 м2,
где А = 0,25 · 1,05 = 0,2625 м2 - площадь сечения
простенка,
Ас - площадь сжатой части сечения простенка.
Согласно п.3.11 [2] при А = 0,2625 м2 < 0,3 м2
- расчётное сопротивление снижается на коэффициент условия работы с=0,8.
Определим коэффициент продольного изгиба φ1 - по формуле 15 [2]:
,
гдеφ - коэффициент продольного изгиба для всего сечения в
плоскости действия изгибающего момента, определяемый по расчетной высоте
элемента l0;
φС - коэффициент продольного изгиба для сжатой части сечения,
определяемый по фактической высоте элемента HЭТ.
расчетная высота элемента, согласно п.4,3, примечание 1 [2] равна:
l0 = 0,9 · H = 0,9 · 3,6 = 3,24 м
гибкость элемента для прямоугольного сплошного сечения по п.4,2
[2] равна:
;
) упругая характеристика α = 750 для неармированной кладки по
табл.15 [2], тогда, согласно табл.18 [2]: φ = 0,7612
) высота сжатой части поперечного сечения АС в
плоскости действия изгибающего момента в случае прямоугольного сечения согласно
п.4,7 [2]:
hC = h - 2 · e0 = 0,25 -
2 · 0,004 = 0,242 м;
) для сжатой части согласно п.4.7 [2]:
;
) согласно табл.18 [2] φс = 0,708;
) в итоге, получаем:
=0,7346.
В сечении 3-3: φ = φ1 = 0,7346.
Согласно п.4.7 [2] при h=0,25 м
< 0,3 м mg - коэффициент, учитывающий влияние
длительной нагрузки - рассчитывается по формуле 16 [2]:
где h =
0,0692 - коэффициент, принимаемый по табл.20 [2];
Сосредоточенное усилие N1g от непосредственно опирающегося на
простенок перекрытия от длительных нагрузок:
Расчетная продольная сила от длительных нагрузок:
Ng = 18,9· [ (4,535+1,368) +6· (4,290+0,5565·0,84)] ·0.95+7·15.257
+311,17 + 107,37 = 1143,85 кН;
Изгибающий момент от действия длительных нагрузок:
Эксцентриситет от действия длительных нагрузок:
e0g=
= 0,0036
Получаем:
= 0,9376.
В сечении 3-3 mg3-3 = 0,9376.
Согласно табл. 19 [2] для прямоугольного сечения коэффициент,
учитывающий возможность повышения расчетного сопротивления сжатой зоны кладки
за счет влияния менее напряженной части сечения равен:
Проверка несущей способности простенка:
N = mg j1 Rskb Ac w/ γс =
= 0,9376 ·
0,7346 ·
·1,016/0,8 =
= 2987,03 кН > N 3-3 = 1289,95 кН
Значит, несущая способность простенка обеспечена, следовательно,
для колонн первого этажа выбираем кирпич марки 250 на растворе марки 150.
3.2 Расчет
наружного простенка на четвертом этаже
где n = 4 - общее число перекрытий, находящихся
над перекрытием данного этажа.
Расчетное усилие от собственного веса ригеля:
Расчетная нагрузка от собственного веса наружной стены при
плотности каменной кладки
,
:
Опасное сечение 2-2.
Сосредоточенное усилие от веса стены:
Расчетное усилие от перекрытия и покрытия:
Сосредоточенное усилие N1 от непосредственно опирающегося на
простенок перекрытия:
Тогда суммарная сила в сечении 2-2:
Рассчитаем эксцентриситет расчетного продольного усилия:
) Эксцентриситет опорной реакции:
м.
) Изгибающий момент в сечении простенка на уровне верха оконного
проема (в сечении 2-2):
М2-2 = е1 · N1 ·
= 0,058 · 135,38 ·
= 5,71 кН·м
) Эксцентриситет расчетного продольного усилия:
По пункту 4,8 [2]:
< 0,7 y = 0,7 · h / 2 = 0,7 · 0,25/2 = 0,0875
Тогда расчет по раскрытию трещин в швах кладки производить не надо
и:
Ас = А·
=0,2625·
=0,24696 м2,
где А = 0,25 · 1,05 = 0,2625 м2 - площадь сечения
простенка,
Ас - площадь сжатой части сечения простенка.
Определим коэффициент продольного изгиба φ1 - по формуле 15 [2]:
,
Где φ - коэффициент продольного изгиба для всего сечения в
плоскости действия изгибающего момента, определяемый по расчетной высоте
элемента l0;
φС - коэффициент продольного изгиба для сжатой части сечения, определяемый
по фактической высоте элемента HЭТ.
Расчетная высота элемента, согласно п.4,3, примечание 1 [2] равна:
l0 = 0,9 · H = 0,9 · 3,6 = 3,24 м
гибкость элемента для прямоугольного сплошного сечения по п.4,2
[2] равна:
;
) упругая характеристика α = 750 для неармированной кладки по
табл.15 [2], тогда, согласно табл.18 [2]: φ = 0,7612
) высота сжатой части поперечного сечения АС в
плоскости действия изгибающего момента в случае прямоугольного сечения согласно
п.4,7 [2]:
hC = h - 2 · e0 = 0,25 -
2 · 0,0074 = 0,2352 м;
) для сжатой части согласно п.4,7 [2]:
= 15,306
) согласно табл.18 [2] φс = 0,69735;
) в итоге, получаем:
=0,7293.
По эпюре φ (рис.1) интерполяцией определим для
сечения II-II: φ1 = 0,7789.
Согласно п.4,7 [2] при h=0,25 м
< 0,3 м mg - коэффициент, учитывающий влияние
длительной нагрузки - рассчитывается по формуле 16 [2]:
где h =
0,0692 - коэффициент, принимаемый по табл.20 [2];
Сосредоточенное усилие N1g от непосредственно опирающегося на
простенок перекрытия от длительных нагрузок:
Расчетная продольная сила от длительных нагрузок:
Ng = 18,9· [ (4,535+1,368) +3· (4,290+0, 207·0,84)] ·0.95+4·15.257 +
191,58 + 107,37 = 706,413 кН;
Изгибающий момент от действия длительных нагрузок:
Эксцентриситет от действия длительных нагрузок:
e0g=
= 0,0064
Получаем:
0,9351.
По эпюре mg
находим mg2-2 = 0,947.
Согласно табл. 19 [2] для прямоугольного сечения коэффициент,
учитывающий возможность повышения расчетного сопротивления сжатой зоны кладки
за счет влияния менее напряженной части сечения равен:
Тогда расчетное сопротивление:
= 3353,74 кПа = 3,354 МПа,
Где γс = 0,8 - коэффициент условий работы согласно п.3.11 [2].
Аналогично пункту 3.1.1., устраиваем поперечное армирование
арматурной сеткой из проволоки В500 диаметром 6 мм, размером ячейки 4х4 см, с
шагом через пять рядов кладки.
Согласно п.4.31 [2] расчет внецентренно сжатых элементов с
сетчатым армированием при e0 = 0,0044 < 0,17·h = 0,17·0,25 = 0.0425 производится по формуле:
N £ mg j1 Rskb Ac w,
где Rskb £ 2R - расчетное сопротивление армированной кладки при внецентренном
сжатии, определяемое при марке раствора 50 и выше по формуле
,
Мы уже получили, что Rskb = 3,354 МПа, тогда:
,
Здесь Rs
=
=
= 250 МПа
где - нормативное значение сопротивления растяжению арматуры,
γs = 1,2 - коэффициент надежности по
арматуре.
γcs = 0,6 - коэффициент условий работы.
Где m
=
- процент армирования по объему, для
сеток с квадратными ячейками из арматуры сечением Аst с размером ячейки С при расстоянии
между метками по высоте s
m =
=
= 0,459 %
тg -
коэффициент, определяемый
по формуле (16) [2];
Vs и Vk - соответственно объемы арматуры и кладки.
Итак, расчетное сопротивление для простенка первого этажа в
опасном сечении 2-2:
R12-2 =3,354 -
= 1,2206 МПа,
Тогда кладку следует вести кирпичом марки 75 на растворе марки 50.
Проверка в сечение 3-3.
Сосредоточенное усилие от веса стены:
Расчетное усилие от перекрытия и покрытия:
Сосредоточенное усилие N1 от непосредственно опирающегося на
простенок перекрытия:
Тогда суммарная сила в сечении 2-2:
Рассчитаем эксцентриситет расчетного продольного усилия:
) Эксцентриситет опорной реакции:
м.
) Изгибающий момент в сечении простенка на уровне верха оконного
проема (в сечении 2-2):
М3-3 = е1 · N1 ·
= 0,058 · 135,38 ·
= 5,23 кН·м
) Эксцентриситет расчетного продольного усилия:
По пункту 4,8 [2]:
< 0,7 y = 0,7 · h / 2 = 0,7 · 0,25/2 = 0,0875
Тогда расчет по раскрытию трещин в швах кладки производить не надо
и:
Ас = А·
=0,2625·
=0,24843 м2,
Ас - площадь сжатой части сечения простенка.
Определим коэффициент продольного изгиба φ1 - по формуле 15 [2]:
,
Где φ - коэффициент продольного изгиба для всего сечения в
плоскости действия изгибающего момента, определяемый по расчетной высоте
элемента l0;
φС - коэффициент продольного изгиба для сжатой части сечения, определяемый
по фактической высоте элемента HЭТ.
расчетная высота элемента, согласно п.4,3, примечание 1 [2] равна:
l0 = 0,9 · H = 0,9 · 3,6 = 3,24 м
гибкость элемента для прямоугольного сплошного сечения по п.4,2
[2] равна:
;
) упругая характеристика α = 750 для неармированной кладки по
табл.15 [2], тогда, согласно табл.18 [2]: φ = 0,7612
) высота сжатой части поперечного сечения АС в
плоскости действия изгибающего момента в случае прямоугольного сечения согласно
п.4,7 [2]:
hC = h - 2 · e0 = 0,25 -
2 · 0,0067 = 0,2366 м;
) для сжатой части согласно п.4,7 [2]:
= 15,216
) согласно табл.18 [2] φс = 0,6996;
) в итоге, получаем:
=0,7304.
Для сечения 3-3: φ1 = 0,7304.
Согласно п.4,7 [2] при h=0,25 м
< 0,3 м mg - коэффициент, учитывающий влияние
длительной нагрузки - рассчитывается по формуле 16 [2]:
где h =
0,0692 - коэффициент, принимаемый по табл.20 [2];
Сосредоточенное усилие N1g от непосредственно опирающегося на
простенок перекрытия от длительных нагрузок:
Расчетная продольная сила от длительных нагрузок:
Ng = 18,9· [ (4,535+1,368) +3· (4,290+0, 207·0,84)] ·0.95+4·15.257 +
192,67 + 107,37 = 707,503 кН;
Изгибающий момент от действия длительных нагрузок:
Эксцентриситет от действия длительных нагрузок:
e0g=
= 0,00587
Получаем:
0,93525.
mg3-3 = 0,93525.
Согласно табл. 19 [2] для прямоугольного сечения коэффициент,
учитывающий возможность повышения расчетного сопротивления сжатой зоны кладки
за счет влияния менее напряженной части сечения равен:
Проверка несущей способности простенка:
N = mg j1 Rskb Ac w/ γс =
= 0,93525 ·
0,7304 ·
·1,0268/0,8 =
= 1141,68 кН > N 3-3 = 777,47 кН
Значит, несущая способность простенка обеспечена, следовательно,
для колонн первого этажа выбираем кирпич марки 75 на растворе марки 50.
3.3 Расчет
наружного простенка на восьмом этаже
Рис.3 Простенок восьмого этажа.
ψn1 не учитываем, так как n = 0 - общее число
перекрытий, находящихся над перекрытием данного этажа.
Расчетное усилие от собственного веса ригеля:
Расчетная нагрузка от собственного веса наружной стены при
плотности каменной кладки
,
:
Видим, что в опасным является сечение 2-2, так как площадь
простенка в нем меньше. Поэтому проверку в сечении 3-3 не проводим.
Опасное сечение 2-2.
Сосредоточенное усилие от веса стены:
Рис.4 рузовая
площадь для определения нагрузки на простенок восьмого этажа от собственного
веса.
Расчетное усилие от перекрытия и покрытия вышележащих этажей:
Сосредоточенное усилие N1 от непосредственно опирающегося на
простенок перекрытия:
Тогда суммарная сила в сечении 2-2:
Рассчитаем эксцентриситет расчетного продольного усилия:
) Эксцентриситет опорной реакции:
м.
) Изгибающий момент в сечении простенка на уровне верха оконного
проема (в сечении 2-2):
М2-2 = е1 · N1 ·
= 0,058 · 145,81 ·
= 5,42 кН·м
) Эксцентриситет расчетного продольного усилия:
0,0297
По пункту 4,8 [2]:
< 0,7 y = 0,7 · h / 2 = 0,7 · 0,25/2 = 0,0875
Тогда расчет по раскрытию трещин в швах кладки производить не надо
и:
Ас = А·
=0,2625·
=0, 20013 м2,где
А = 0,25 · 1,05 = 0,2625 м2 - площадь сечения
простенка,
Ас - площадь сжатой части сечения простенка.
Определим коэффициент продольного изгиба φ1 - по формуле 15 [2]:
,
где φ - коэффициент продольного изгиба для всего сечения в
плоскости действия изгибающего момента, определяемый по расчетной высоте
элемента l0;
φС - коэффициент продольного изгиба для сжатой части сечения, определяемый
по фактической высоте элемента HЭТ.
расчетная высота элемента, согласно п.4,3, примечание 1 [2] равна:
l0 = 0,9 · H = 0,9 · 2,7 = 2,43 м
гибкость элемента для прямоугольного сплошного сечения по п.4,2
[2] равна:
;
) упругая характеристика α = 750 для неармированной кладки по
табл.15 [2], тогда, согласно табл.18 [2]: φ = 0,8484
) высота сжатой части поперечного сечения АС в
плоскости действия изгибающего момента в случае прямоугольного сечения согласно
п.4,7 [2]:
hC = h - 2 · e0 = 0,25 -
2 · 0,0297 = 0, 1906 м;
) для сжатой части согласно п.4,7 [2]:
= 14,166
) согласно табл.18 [2] φс = 0,72585;
) в итоге, получаем:
=0,7871.
По эпюре φ (рис.4) для сечения II-II: φ1 = 0,7871.
Согласно п.4,7 [2] при h=0,25 м
< 0,3 м mg - коэффициент, учитывающий влияние
длительной нагрузки - рассчитывается по формуле 16 [2]:
= 1,
где h = 0 -
коэффициент, принимаемый по табл.20 [2].
Согласно табл. 19 [2] для прямоугольного сечения коэффициент,
учитывающий возможность повышения расчетного сопротивления сжатой зоны кладки
за счет влияния менее напряженной части сечения равен:
Тогда расчетное сопротивление:
= 829,978 кПа = 0,83 МПа,
Где γс = 0,8 - коэффициент условий работы согласно п.3.11 [2].
Аналогично пункту 3.1.1., устраиваем поперечное армирование
арматурной сеткой из проволоки В500 диаметром 6 мм, размером ячейки 4х4 см, с
шагом через пять рядов кладки.
Согласно п.4.31 [2] расчет внецентренно сжатых элементов с
сетчатым армированием при e0 = 0,0044 < 0,17·h = 0,17·0,25 = 0.0425 производится по формуле:
N £ mg j1 Rskb Ac w,
где Rskb £ 2R - расчетное сопротивление армированной кладки при внецентренном
сжатии, определяемое при марке раствора 50 и выше по формуле
,
Мы уже получили, что Rskb = 0,83 МПа, тогда:
,
Здесь Rs
=
=
= 250 МПа
где - нормативное значение сопротивления растяжению арматуры,
γs = 1,2 - коэффициент надежности по
арматуре.
γcs = 0,6 - коэффициент условий работы.
Где m
=
- процент армирования по объему, для
сеток с квадратными ячейками из арматуры сечением Аst с размером ячейки С при расстоянии
между метками по высоте s
=
=
= 0,459 %
тg -
коэффициент, определяемый
по формуле (16) [2];
Vs и Vk - соответственно объемы арматуры и кладки.
Итак, расчетное сопротивление для простенка первого этажа в
опасном сечении 2-2:
R12-2 =0,83 -
= - 1,303 МПа,
Видим, что армирование производить нецелесообразно, поэтому кладку
для наружного простенка восьмого этажа ведем неармированную из кирпича марки 50
на растворе марки 50.
4. Расчет
внутреннего каменного столба
Сечение колонны квадратное - А = 0,38 · 0,38 = 0,1444 м2.
Кладка стены выполнена из силикатного кирпича силикатного
полнотелого, ρ=1800 кН/м3.
На простенок опирается ригель, глубина заделки которого в
стену равна а=200 мм.
Наиболее опасные сечения в простенке находятся на уровнях
верха оконного проема и на высоте 2/3 от высоты этажа.
Вычислим нагрузку N, приходящуюся на простенок на первом, четвертом
и восьмом этажах, как сумму ее компонентов от всех вышележащих этажей с учетом
собственной массы простенка.
Агр=6,4 · 6,3=40,32 м2.
Согласно п.3.8 [1] А1=9 м2.
4.1 Расчет
внутренней колонны на первом этаже
Рис.5. Колонна первого этажа.
где n = 7 - общее число перекрытий, находящихся
над перекрытием данного этажа.
Расчетное усилие от собственного веса ригеля:
Расчетная нагрузка от собственного веса наружной стены при
плотности каменной кладки
,
:
Расчетная нагрузка от собственного веса колонн при плотности
каменной кладки
,
:
Опасное сечение 2-2.
Сосредоточенное усилие от веса стены (включает общий вес колонн и
вес надстройки над последним этажом):
Рис.6
Грузовая площадь для определения нагрузки на колонны от собственного веса стены
над восьмым этажом.
Расчетное усилие от перекрытий и покрытия:
Тогда суммарная сила в сечении 2-2:
Найдем φ - коэффициент продольного изгиба для всего сечения в
плоскости действия изгибающего момента, определяется по расчетной высоте
элемента l0: расчетная высота элемента, согласно п.4,3, примечание 1 [2]
равна:
l0 = 0,9 · H = 0,9 · 3,6 = 3,24 м
гибкость элемента для прямоугольного сплошного сечения по п.4,2
[2] равна:
12,96;
) упругая характеристика α = 750 для неармированной кладки по
табл.15 [2], тогда, согласно табл.18 [2]: φ = 0,7612
По эпюре φ (рис.4) для сечения II-II: φ1 = 0,7612.
Согласно п.4,7 [2] при h = 0,25
м < 0,3 м mg - коэффициент, учитывающий влияние
длительной нагрузки - рассчитывается по формуле 16 [2]:
где h =
0,0692 - коэффициент, принимаемый по табл.20 [2];
Расчетная продольная сила от длительных нагрузок:
Ng =
=1809,636 кН;
Получаем:
0,9396.
mg2-2 = 0,9396.
Тогда расчетное сопротивление:
= 16068,487 кПа = 16,068 МПа,
гдеγс = 0,8 - коэффициент условий работы согласно п.3.11 [2].
В таблице 2 [2] нет подходящего значения. Поэтому надо произвести
армирование кладки.
Устраиваем поперечное армирование арматурной сеткой из проволоки
В500 диаметром 6 мм, размером ячейки 4х4 см, с шагом через один ряд кладки.
Согласно п.4.30 [2] расчет центрально сжатых элементов с сетчатым
армированием производится по формуле:
N £ mg j1 Rsk A,
где Rsk £ 2R - расчетное сопротивление армированной кладки при внецентренном
сжатии, определяемое при марке раствора 50 и выше по формуле
,
Мы уже получили, что Rskb = 16,068 МПа, тогда:
,
Здесь Rs
=
=
= 250 МПа
где - нормативное значение сопротивления растяжению арматуры,
γs = 1,2 - коэффициент надежности по
арматуре.
γcs = 0,6 - коэффициент условий работы.
Где m
=
- процент армирования по объему, для
сеток с квадратными ячейками из арматуры сечением Аst с размером ячейки С при расстоянии
между метками по высоте s
m =
=
= 2,578 %
тg -
коэффициент, определяемый
по формуле (16) [2];
Vs и Vk - соответственно объемы арматуры и кладки.
Итак, расчетное сопротивление для простенка первого этажа в
опасном сечении 2-2:
R12-2 =16,06 -
= 3,178 МПа,
Тогда кладку следует вести кирпичом марки 200 на растворе марки
200.
Проверка в сечении 3-3.
Сосредоточенное усилие от веса стены (включает общий вес колонн и
вес надстройки над последним этажом):
Расчетное усилие от перекрытий и покрытия:
Тогда суммарная сила в сечении 2-2:
Найдем φ - коэффициент продольного изгиба для всего сечения в
плоскости действия изгибающего момента, определяется по расчетной высоте
элемента l0:
расчетная высота элемента, согласно п.4,3, примечание 1 [2] равна:
l0 = 0,9 · H = 0,9 · 3,6 = 3,24 м
гибкость элемента для прямоугольного сплошного сечения по п.4,2
[2] равна:
12,96;
) упругая характеристика α = 750 для неармированной кладки по
табл.15 [2], тогда, согласно табл.18 [2]: φ = 0,7612
По эпюре φ (рис.4) для сечения II-II: φ1 = 0,7612.
В сечении 3-3 mg3-3 = 1.
Проверка несущей способности колонны:
N3-3 = mg j1 Rsk A/ γс = 1·
0,7612 · (3,2 +
) · 0,1444/0,8 =
= 2210,71 кН > 2077,069 кН,
Значит, несущая способность простенка обеспечена, значит, для
колонн первого этажа выбираем кирпич марки 200 на растворе марки 200.
4.2 Расчет
внутренней колонны на четвертом этаже
Рис.7. Колонна первого этажа.
где n = 4 - общее число перекрытий, находящихся
над перекрытием данного этажа.
Расчетное усилие от собственного веса ригеля:
Расчетная нагрузка от собственного веса наружной стены при
плотности каменной кладки
,
:
Расчетная нагрузка от собственного веса колонн при плотности
каменной кладки
,
:
Опасное сечение 2-2.
Сосредоточенное усилие от веса стены (включает общий вес колонн и
вес надстройки над последним этажом):
Расчетное усилие от перекрытий и покрытия:
Тогда суммарная сила в сечении 2-2:
Найдем φ - коэффициент продольного изгиба для всего сечения в
плоскости действия изгибающего момента, определяется по расчетной высоте
элемента l0: расчетная высота элемента, согласно п.4,3, примечание 1 [2]
равна:
l0 = 0,9 · H = 0,9 · 3,6 = 3,24 м
гибкость элемента для прямоугольного сплошного сечения по п.4,2
[2] равна:
12,96;
) упругая характеристика α = 750 для неармированной кладки по
табл.15 [2], тогда, согласно табл.18 [2]: φ = 0,7612
По эпюре φ (рис.4) для сечения II-II: φ1 = 0,7612.
Согласно п.4,7 [2] при h = 0,25
м < 0,3 м mg - коэффициент, учитывающий влияние
длительной нагрузки - рассчитывается по формуле 16 [2]:
где h = 0,0692 -
коэффициент, принимаемый по табл.20 [2];
Расчетная продольная сила от длительных нагрузок:
Ng =
=1199,059 кН;
Получаем:
0,93991.
mg2-2 = 0,93991.
Тогда расчетное сопротивление:
= 10693,315 кПа = 10,693 МПа,
гдеγс = 0,8 - коэффициент условий работы согласно п.3.11 [2].
Аналогично пункту 4.1.1, производим армирование кладки.
Устраиваем поперечное армирование арматурной сеткой из проволоки
В500 диаметром 6 мм, размером ячейки 4х4 см, с шагом через один ряд кладки.
Согласно п.4.30 [2] расчет центрально сжатых элементов с сетчатым
армированием производится по формуле:
N £ mg j1 Rsk A,
где Rsk £ 2R - расчетное сопротивление армированной кладки при внецентренном
сжатии, определяемое при марке раствора 50 и выше по формуле
,
Мы уже получили, что Rskb = 10,693 МПа, тогда:
,
Здесь Rs
=
=
= 250 МПа
где - нормативное значение сопротивления растяжению арматуры,
γs = 1,2 - коэффициент надежности по
арматуре.
γcs = 0,6 - коэффициент условий работы.
Где m
=
- процент армирования по объему, для
сеток с квадратными ячейками из арматуры сечением Аst с размером ячейки С при расстоянии
между метками по высоте s
m =
=
= 2,578 %
тg -
коэффициент, определяемый
по формуле (16) [2];
Vs и Vk - соответственно объемы арматуры и кладки.
Итак, расчетное сопротивление для простенка первого этажа в
опасном сечении 2-2:
R12-2 =10,693 -
= - 2, 197 МПа,
Значит, нужно армировать по-другому. Устроим поперечное
армирование арматурной сеткой из проволоки В500 диаметром 4 мм, размером ячейки
4х4 см, с шагом через два ряда кладки:
m =
=
= 1,795 %
Тогда:
R12-2 =10,693 -
= 1,718 МПа,
Тогда кладку следует вести кирпичом марки 100 на растворе марки
100.
Проверка в сечении 3-3.
Сосредоточенное усилие от веса стены (включает общий вес колонн и
вес надстройки над последним этажом):
Расчетное усилие от перекрытий и покрытия:
Тогда суммарная сила в сечении 2-2:
Найдем φ - коэффициент продольного изгиба для всего сечения в
плоскости действия изгибающего момента, определяется по расчетной высоте
элемента l0:
В сечении 3-3 φ3-3 = 1.
В сечении 3-3 mg3-3 = 1.
Проверка несущей способности колонны:
N3-3 = mg j1 Rsk A/ γс = 1 · 1 · (1,8 +
) · 0,1444/0,8 =
= 2651,545 кН > 1383,608 кН,
Значит, несущая способность простенка обеспечена, значит, для
колонн первого этажа выбираем кирпич марки 100 на растворе марки 100.
4.3 Расчет
внутренней колонны на восьмом этаже
Рис.8. Колонна первого этажа.
так как n = 0 - общее
число перекрытий, находящихся над перекрытием данного этажа.
Расчетное усилие от собственного веса ригеля:
Расчетная нагрузка от собственного веса наружной стены при
плотности каменной кладки
,
:
Расчетная нагрузка от собственного веса колонн при плотности
каменной кладки
,
:
Опасное сечение 2-2.
Сосредоточенное усилие от веса стены (включает общий вес колонн и
вес надстройки над последним этажом):
Расчетное усилие от перекрытий и покрытия:
Тогда суммарная сила в сечении 2-2:
Найдем φ - коэффициент продольного изгиба для всего сечения в
плоскости действия изгибающего момента, определяется по расчетной высоте
элемента l0:
расчетная высота элемента, согласно п.4,3, примечание 1 [2] равна:
l0 = 0,9 · H = 0,9 · 2,7 = 2.43 м
гибкость элемента для прямоугольного сплошного сечения по п.4,2
[2] равна:
9.72;
) упругая характеристика α = 750 для неармированной кладки по
табл.15 [2], тогда, согласно табл.18 [2]: φ = 0,8484
По эпюре φ (рис.4) для сечения II-II: φ1 = 0,7612.
Согласно п.4,7 [2] при h = 0,25
м < 0,3 м mg - коэффициент, учитывающий влияние
длительной нагрузки - рассчитывается по формуле 16 [2]:
= 1
где h = 0 -
коэффициент, принимаемый по табл.20 [2];
Тогда расчетное сопротивление:
= 2938.933 кПа = 2.939 МПа,
Где γс = 0,8 - коэффициент условий работы согласно п.3.11 [2].
Производим армирование кладки не нужно.
Кладку следует вести кирпичом марки 200 на растворе марки 150.
Проверка в сечении 3-3.
Сосредоточенное усилие от веса стены (включает общий вес колонн и
вес надстройки над последним этажом):
Расчетное усилие от перекрытий и покрытия:
Тогда суммарная сила в сечении 3-3:
Найдем φ - коэффициент продольного изгиба для всего сечения в
плоскости действия изгибающего момента, определяется по расчетной высоте
элемента l0:
В сечении 3-3 φ3-3 = 1.
В сечении 3-3 mg3-3 = 1.
Проверка несущей способности колонны:
N3-3 = mg j R A/ γс = 1 · 1 · 3 · 0,1444/0,8 =
= 541,5 кН > 426,904 кН,
Значит, несущая способность простенка обеспечена. Следовательно,
для колонн первого этажа выбираем кирпич марки 200 на растворе марки 150.
Исходя из выполненных расчётов, окончательно подбираем марку
кирпича и марку раствора для внутренних и внешних стен каждого этажа:
Первый этаж
- марка кирпича 200, марка раствора 200;
для наружного простенка устраиваем поперечное армирование
арматурной сеткой из проволоки В500 диаметром 6 мм, размером ячейки 4х4 см, с
шагом через пять рядов кладки;
для внутреннего столба - поперечное армирование арматурной сеткой
из проволоки В500 диаметром 6 мм, размером ячейки 4х4 см, с шагом через один
ряд кладки.
Четвертый этаж
- марка кирпича 100, марка раствора 100;
для наружного простенка устраиваем поперечное армирование
арматурной сеткой из проволоки В500 диаметром 6 мм, размером ячейки 4х4 см, с
шагом через пять рядов кладки;
для внутреннего столба - поперечное армирование арматурной сеткой
из проволоки В500 диаметром 4 мм, размером ячейки 4х4 см, с шагом через два
ряда кладки
Восьмой этаж
- марка кирпича 200, марка раствора 150; без армирования.
5. Усиление
стальной обоймой внецентренно сжатого элемента
Требуется запроектировать усиление простенка первого этажа
здания в связи с надстройкой здания на один этаж.
5.1 Наружный
простенок
0,5464
В сечении 2-2
Расчётное усилие от собственного веса наружной стены:
=349,584 кН
Расчётное усилие от перекрытия и покрытия:
Сосредоточенное усилие N1 от непосредственно опирающегося на
простенок перекрытия:
Суммарная сила в сечении 2-2:

) Эксцентриситет опорной реакции:
м;
) Изгибающий момент в сечении II-II простенка:
М2-2 = е1 · N1 ·
= 0,058 · 135,38 ·
= 5,71 кН·м.
) Эксцентриситет расчетного продольного усилия равен:
.
По пункту 4,8 [2]:
< 0,7 y = 0,7 · h / 2 = 0,7 · 0,25/2 = 0,0875
где у - расстояние от центра тяжести сечения до края сечения в
сторону эксцентриситета. Тогда расчет по раскрытию трещин в швах кладки
производить не надо и:
Ас = А·
=0,2625·
=0,2542 м2,где
А = 0,25 · 1,05 = 0,2625 м2 - площадь сечения
простенка,
Ас - площадь сжатой части сечения простенка.
Согласно п.3.11 [2] при А = 0,2625 м2 < 0,3 м2
- расчётное сопротивление снижается на коэффициент условия работы gс=0,8.
Коэффициент продольного изгиба для сечения II-II φ1 = 0,7849.
Согласно п.4,7 [2] при h=0,25 м
< 0,3 м mg - коэффициент, учитывающий влияние длительной
нагрузки - рассчитывается по формуле 16 [2]:
где h=0,064 -
коэффициент, принимаемый по табл.20 [2];
Сосредоточенное усилие N1g от непосредственно опирающегося на
простенок перекрытия от длительных нагрузок:
Расчетная продольная сила от длительных нагрузок:
Ng = 18,9· [ (4,535+1,368) +7· (4,290+0,5464·0,84)] ·0.95+8·15.257 +
349,584 + 107,37 = 1277, 474 кН.
Изгибающий момент от действия длительных нагрузок:
Эксцентриситет от действия длительных нагрузок:
e0g=
= 0,00355
Получаем:
0,9376.
По эпюре mg
находим mg2-2 = 0,949.
Согласно табл. 19 [2] для прямоугольного сечения коэффициент,
учитывающий возможность повышения расчетного сопротивления сжатой зоны кладки
за счет влияния менее напряженной части сечения равен:
Тогда расчетное сопротивление:
= 5996,03 кПа = 5,996 МПа,
гдеγс = 0,8 - коэффициент условий работы согласно п.3.11 [2].
Устраиваем поперечное армирование арматурной сеткой из проволоки
В500 диаметром 6 мм, размером ячейки 4х4 см, с шагом через пять рядов кладки (то
есть так же, как и без надстройки).
Согласно п.4.31 [2] расчет внецентренно сжатых элементов с
сетчатым армированием при e0 = 0,00396 < 0,17·h = 0,17·0,25 = 0.0425 производится по формуле:
N £ mg j1 Rskb Ac w,
,
Мы уже получили, что Rskb = 5,996 МПа, тогда:
,
Здесь Rs
=
=
= 250 МПа
где - нормативное значение сопротивления растяжению арматуры,
γs = 1,2 - коэффициент надежности по
арматуре.
γcs = 0,6 - коэффициент условий работы.
Где m
=
- процент армирования по объему, для
сеток с квадратными ячейками из арматуры сечением Аst с размером ячейки С при расстоянии
между метками по высоте s
m =
=
= 0,459 %
тg -
коэффициент, определяемый
по формуле (16) [2];
Vs и Vk - соответственно объемы арматуры и кладки.
Итак, расчетное сопротивление для простенка первого этажа в
опасном сечении 2-2:
R12-2 =5,996 -
= 3,8464 МПа,
Проверка несущей способности простенка в сечении 3-3
Расчётное усилие от собственного веса наружной стены:
=350,67 кН
Расчётное усилие от перекрытия и покрытия:
Сосредоточенное усилие N1 от непосредственно опирающегося на
простенок перекрытия:
Суммарная сила в сечении 2-2:
1442, 664 кН.
Рассчитаем эксцентриситет расчетного продольного усилия:
) Эксцентриситет опорной реакции:
м;
) Изгибающий момент в сечении II-II простенка:
М3-3 = 5,71 кН·м.
) Эксцентриситет расчетного продольного усилия равен:
.
По пункту 4,8 [2]:
< 0,7 y = 0,7 · h / 2 = 0,7 · 0,25/2 = 0,0875
где у - расстояние от центра тяжести сечения до края сечения в
сторону эксцентриситета. Тогда расчет по раскрытию трещин в швах кладки
производить не надо и:
Ас = 0,2542 м2,Коэффициент продольного
изгиба для сечения II-II φ1 = 0,7346.
Сосредоточенное усилие N1g от непосредственно опирающегося на
простенок перекрытия от длительных нагрузок:
Расчетная продольная сила от длительных нагрузок:
Ng = 18,9· [ (4,535+1,368) +7· (4,290+0,5464·0,84)] ·0.95+8·15.257 +
350,67 + 107,37 = 1278,56 кН.
Изгибающий момент от действия длительных нагрузок:
Эксцентриситет от действия длительных нагрузок:
e0g=
= 0,00325
Получаем:
0,9377.
mg2-2 = 0,9377.
Согласно табл. 19 [2] для прямоугольного сечения коэффициент,
учитывающий возможность повышения расчетного сопротивления сжатой зоны кладки
за счет влияния менее напряженной части сечения равен:
Проверка несущей способности простенка:
N = mg j1 Rskb Ac w/ γс =
= 0,9377 ·
0,7346 ·
·1,016/0,8 =
= 2800,752 кН > N 3-3 = 1442, 664 кН,
гдеγс = 0,8 - коэффициент условий работы согласно п.3.11 [2].
Значит, для наружного простенка первого этажа усиления производить
не надо.
0,5002
В сечении 2-2
Сосредоточенное усилие от веса стены (включает общий вес колонн и
вес надстройки над последним этажом):
206,368 кН.
Расчетное усилие от перекрытий и покрытия:
= 2098,28 кН.
Тогда суммарная сила в сечении 2-2:
2304,648 кН.
φ = 0,7612
По эпюре φ (рис.4) для сечения II-II: φ1 = 0,7612.
Согласно п.4,7 [2] при h = 0,25
м < 0,3 м mg - коэффициент, учитывающий влияние
длительной нагрузки - рассчитывается по формуле 16 [2]:
где h =
0,0692 - коэффициент, принимаемый по табл.20 [2];
Расчетная продольная сила от длительных нагрузок:
Ng =
=2013,136 кН;
Получаем:
0,9396.
mg2-2 = 0,9396.
Тогда расчетное сопротивление:
= 22314,93 кПа = 22,315 МПа,
Устраиваем поперечное армирование арматурной сеткой из проволоки
В500 диаметром 6 мм, размером ячейки 4х4 см, с шагом через один ряд кладки (то
есть так же, как и без надстройки).
Согласно п.4.30 [2] расчет центрально сжатых элементов с сетчатым
армированием производится по формуле:
N £ mg j1 Rsk A,
где Rsk £ 2R - расчетное сопротивление армированной кладки при внецентренном
сжатии, определяемое при марке раствора 50 и выше по формуле
,
Мы уже получили, что Rskb = 22,315 МПа, тогда:
,
Здесь Rs
=
=
= 250 МПа
m =
=
= 2,578 %
тg -
коэффициент, определяемый
по формуле (16) [2];
Vs и Vk - соответственно объемы арматуры и кладки.
Итак, расчетное сопротивление для простенка первого этажа в
опасном сечении 2-2:
R12-2 =22,315 -
= 9,425 МПа,
Нужно произвести усиление внутреннего столба первого этажа.
В сечении 3-3:
209,03 кН.
= 2098,28 кН.
2307,31 кН.
Ng =
=2015,798 кН.
Доля длительных нагрузок: Ng / N = 2015,798/2307,798
= 0,8735
Необходимое повышение несущей способности простенка осуществляем
путём устройства стальной обоймы. Усиление производим с помощью программы
"Камин" программного комплекса SCAD Office.
6.
Использованная литература
1.
СНиП 2.01.07-85*. Нагрузки и воздействия/ Госстрой России. - М: ФГУП ЦПП, 2004.
- 44c.
.
СНиП II-22-81*. Каменные и армокаменные конструкции/ Госстрой России. -
М.: ФГУП ЦПП, 2004. - 40 с.
.
Проектирование, восстановление и усиление каменных и армокаменных конструкций.
- Москва: Изд-во АСВ, 2006. - 566 с.