Проектирование 4-х этажного промышленного здания из сборных железобетонных конструкций

  • Вид работы:
    Курсовая работа (т)
  • Предмет:
    Строительство
  • Язык:
    Русский
    ,
    Формат файла:
    MS Word
    253,94 Кб
  • Опубликовано:
    2012-06-17
Вы можете узнать стоимость помощи в написании студенческой работы.
Помощь в написании работы, которую точно примут!

Проектирование 4-х этажного промышленного здания из сборных железобетонных конструкций















КУРСОВАЯ РАБОТА

по дисциплине: Железобетонные конструкции

на тему: Проектирование 4-х этажного промышленного здания из сборных железобетонных конструкций

Содержание

Задание

1. Составление разбивочной схемы

2. Разбивка осей поперек здания

3. Расчет разрезного ригеля Р - 2

4. Расчет колонны

5. Расчет и конструирование фундамента

Литература

Задание

4-х этажное здание из сборочных железобетонных конструкций с размерами в плане между внутренними стенами:

· Длина L = 38 м.

· Ширина В = 25,1 м.

· Толщина кирпичных стен = 510 мм.

· Высота этажа между отметками чистого пола hэт= 4,2м.

· Временная нагрузка на перекрытие Vn = 13,5кН/м2

· Расчетное сопротивление грунта Ro = 0,28 МПа.

1. Составление разбивочной схемы

Разбивка осей здания (или определение номинальной длины плиты с учетом заделки плиты в торцевые стены на глубину 120мм):

. Разбивка осей вдоль здания.

L= 38 м =38 000 мм.

Длина плиты = (L+2×120) /n= (38 000+2×120) /6 = 6373 мм (см. лист 1,2);

где: n=6 - количество пролетов в вдоль здания.

Номинальная длина плиты  = 6373 мм. Конструктивная длина плиты  = 6350 мм. (без учета шва между торцами плиты) (см. лист 3,4).

 = - а, а = 20 мм - ширина шва (10÷30).

здание железобетонная конструкция колонна

2. Разбивка осей поперек здания

При ширине В = 25,1 м, принимаем 4 пролета, при ширине плиты в пределах 1,0÷1,5 м. Принимаем в средних пролетах 4 плиты, а в крайних по 3,5.

Номинальная ширина плиты:

=В/ (3,5+4,0+4,0+3,5) =25100/15=1673 мм. (см. лист 1).

Конструктивные размеры плиты = 1660 мм. (см. лист 3,4).

. Разбивка осей здания (см. приложение лист 1 и 2).

Средние номинальные пролеты ригеля равны~ 6700 мм (лист 1,2).

 = 1673×4~ 6700 мм (см. лист 1,2).

Плиты марок П-2 и П-3 являются плитами распорками, устанавливаемые по продольным осям колонн, в них предусматриваются вырезы для пропуска колонн.

В плитах при ширине более 1,2 м устраиваются поперечные ребра жесткости.

2. Расчет прочности плиты П-1

Расчет прочности плиты перекрытия состоит из расчета полки плиты и расчета продольных ребер.

2.1 Расчет полки плиты

Для упрощения расчета полка рассчитывается как неразрезная плита, работающая в коротком направлении, опорами которой служат продольные ребра. За расчетный пролет принимаются номинальная ширина плиты = 1673 мм, за вычетом двух сечений продольных ребер = 90 мм.

 = - 2 ×  = 1673 - 180=1493 мм. (см. рис.1)

Сбор нагрузок:

Нагрузка на полку распределяется на условную ширину плиты b=1000 мм, высотой h =50 мм, т.е. в данном случае принимаем плиту шириной 1000 мм, высотой 50 мм и пролетом  =1493 мм.

Рис.1. Расчетная схема

Нормативная нагрузка, кН/м2

Коэффициент надежности по нагрузке γf

Расчетная нагрузка, кН/м2

а) Постоянная: от веса пола в виде цементной стяжки толщ.20 мм с плотностью 20 кН/м3 20x0,02=0,4 от веса плиты с объемной массой 25 кН/м2 20x0,05=1,25

1,2 1,1

0,4x1,2=0,48 1,25x1,1=1,375

Итого постоянная расчетная нагрузка

g=l,855

б) Временная (по заданию) Vn=13,5

1,2

V=13,5x1,2=16,2


где, q - полная расчетная нагрузка; М - пролетный изгибающий момент

=);

М - опорный изгибающий момент.

Полная расчетная нагрузка: q=g+Vn= 1,855+16,2 =18,055 кН/м2

Полная расчетная нагрузка на 1,0 п. м.: q=18,055×1,0= 18,055 кН/м.

Изгибающие моменты (пролетный, опорный):

Мпр= - Моп= (q×102) /12= (18,055×1,4932) /12=3,354 кН×м = 3354000 Н×мм.

Принимаем исходные данные для расчета:

Rb= Rb ×γb; Rbt= Rbt×γbl; γbl = 0,9 - коэффициент условия работы.

Плиту проектируем из бетона В15 с расчетными характеристиками:

Rb =8,5×0,9=7,65 МПа, Rbt= 0,75×0,9=0,675 МПа.

Рабочую арматуру для полки используем проволоку класса В500 с расчетным сопротивлением Rs=415 МПа.

При толщине полки плиты 50 мм рабочая высота сечения ho =50-15=35 мм. (15 мм - защитный слой бетона). Определяем площадь сечения рабочей арматуры на 1 м ширины полки плиты:

αm= M/ (Rb×b×ho2) = 3354000/ (7,65×1000×352) = 0,358

,358 < αR=0,376 (см. таблицу 3)

Требуемая площадь сечения растянутой арматуры равна:

As= Rb × b ×  × (1 - √ (l - 2αm)) / Rs=

7,65×1000×35× (l - √ l - 2×0,358)) / 415 = 301,4мм2

По сортаменту принимаем сварную сетку 100/100/7/7 с As=385 мм2. Сетка раскатывается вдоль продольных ребер на всю ширину полки С-3).

Дополнительная сетка С-4 заводится в продольных ребрах на 1/8 высоты ребра (рис.2, лист 3).

Рис.2

.2 Расчет продольного ребра

Высоту продольных ребер ориентировочно принимаем из соотношения

h= (1/10÷1/15) × l=6350: 15 = 423 мм.

Полученное значение высоты округляем в большую сторону с кратностью 50 мм, но ограничиваем h ≤450 мм.

Принимаем h=450 мм.

В качестве опорных конструкций для продольных ребер плиты принимаем ригели прямоугольного сечения шириной 350 мм.

Расчетная схема - поперечное сечение в виде таврового профиля, состоящего из bf= 1673 мм, h=450 мм, h=50 мм, bр=90 мм, а=35 мм (рис.3).

Рис.3

Сбор нагрузок, приходящихся на два продольных ребра, bн=1,673 м (см. стр.3).

Нормативная нагрузка, кН/м

Коэффициент надежности по нагрузке γf

Расчетная нагрузка, кН/м

а) Постоянная: от веса пола 0,4x1,673=0,67 от веса плиты 1,25x1,673=2,09 от веса поперечных ребер принимаем в среднем 0,25 от веса продольных ребер 2х0,09 (0,45-0,05) х25=2.02

1,2 1,1 1,1 1,1

0,67x1,2=0,802,09x1,1=2,30 0,25x1,1=0,28 2.02x1,1=2.22

Итого постоянная расчетная нагрузка

g=5,60

б) Временная Vn=13,5x1,673=22,539

1,2

V=22.59xl,2=27.11


Полная расчетная нагрузка: q = g + V = 5,60+27,11= 32,71 кН/м

За расчетную схему для продольных ребер принимаем однопролетную балку таврового сечения со свободным опиранием концов на ригели. Расчетный пролет равен расстоянию между серединами опирания ребер панели на ригели (1н= 6373 мм, см. стр.3).

о= 1н-2×0,5×150= 6373 - 150=6223мм,

где, 150 мм - площадка опирания.

Усилие в двух продольных ребрах от расчетных нагрузок:

изгибающий момент:

М= 12,5×q × 1о = 0,125×32,71×6,2232 = 158,3*106Н×мм

поперечная сила:

Q= 0,5×q × 1о= 0,5×32,71×6,223 = 101,8×103 Н

Расчетное сечение двух продольных ребер - тавровое с полкой в сжатой зоне.

Работу бетона в швах замоноличивания в запас прочности условно не учитываем, предполагая, что при неблагоприятных условиях надежная совместная работа бетона замоноличивания с продольными ребрами за счет их сцепления может быть не обеспечена. Поэтому ширина полки, вводимая в расчет при наличии поперечных ребер, принимается без учета шва между ребрами:

b'f= bk = 1660мм

Расчетная высота сечения:

ho=h-a=450-35=415 м

.2.1 Расчет прочности по нормальному сечению

Проверяем условие положения границы сжатой зоны:

Mceч= Rb× b'f × h'f (h0-0,5×h'f) = 7,65×1660×50× (415-0,5×50) =

=247,6×106 кН×мм > М = 158,3*106Н×мм

Следовательно, граница сжатой зоны проходит в пределах полки (x< h'f) и элемент рассчитывается как прямоугольный с шириной полки b'f=1660мм.

Необходимое количество продольной арматуры класса А400 при

αm=M/ (Rb× b'f× ho2) = 158,3×106/ (7,65× 1660 ×4152) =0,072 < 0,39,

т.е. сжатая арматура по расчету действительно не требуется

As= Rb×b'f ×h0 (1 - √ (1-2× αm)) / Rs=

7,65×1660 ×415 (1-√ (1-2× 0,072)) /355 = 1110 мм2.

Принимаем (по таблице 3 сортамента арматуры) 2Ø28А400

с As= 1232мм2>1110мм2

В каждом продольном ребре по одному диаметру 28мм класса А400.

Монтажную арматуру в каркасах продольных ребер принимаем класса А240 диаметром 10 мм с As= 78,5*2 157мм2= 0.00016 м2

.2.2 Расчет прочности по наклонному сечению

Расчет прочности наклонных сечений продольных ребер

При Qmin =Q=101,4×103 Н

Q=101,4×103Н>

Qceч=0,5×R×b×h0=0,5×0,675*10×0,18×0,415=25,2×103H

Принимаем поперечную арматуру в балке класса А240 с Rsw=170 МПа, В двух плоских каркасах при диаметре стержней продольной рабочей арматуры ds=28 мм поперечные стержни из условия технологии сварки принимаем dw=l/3×ds= 10мм, при A= 2*78,7 = 157мм2.

Максимально допустимый шаг поперечных стержней у опор - шаг хомутов S при ho = 450-35= 415 мм: S< 1/2 h=207 мм, но не более 150мм. Принимаем шаг поперечных стержней в каркасах S=150 мм - на приопорных участках, а на средних S=300мм (0,75 ho = 0,75*415 = 311мм).

Расчет прочности по полосе между наклонными сечениями

Расчет производим из условия:

Q<Qceч=0,3× Rb ×b×h0,

где Q принимается на расстоянии не менее h0 от опоры;

,4 - 32,71*0,415 = 87,83 кН,

т.е. прочность наклонной полосы на сжатие обеспечена.

Расчет прочности на действие поперечной силы по наклонному сечению

Площадь сечения одного хомута dw = 10мм по сортаменту Aswt =78,5мм2; для двух хомутов Asw= 157,0 мм. При принятом шаге хомутов Sw =150мм интенсивность хомутов составляет:

qsw=Rsw × Asw / s =170 ×1000*0,000157/ 0,15 = 178 кН/м

Так как qsw= 178 кН/м> 0,25 Rb= 0,25*0,675*10×0,18=30,38 кН/м

Mb=l,5*Rbt×b×h02= 1,5 ×0,675*1000×0,18×0,4152=31,4 кН×м

Длину проекции невыгоднейшего наклонного сечения С от опоры принимаем максимально допустимое:

 

С= 2 × ho=2×415= 830 мм

Расчет изгибаемых элементов по наклонному сечению производим по условию:

Q < Qb+QSw,

где, Q - поперечная сила в наклонном сечении;

Qb - поперечная сила, воспринимаемая бетоном в наклонном сечении:

Qb=Mb/С,

Qsw - поперечная сила, воспринимаемая хомутами в наклонном сечении:

Qsw=0,75 × qsw × С=0,75*178*0,83=110,81 кН

Qb = Mb / С = 31,4×106/0,83= 37,83 кН

Qb+Qsw= 37,83+110,81=148,64 кН > Q = 101,4 кН.

Прочность наклонных сечений обеспечена.

 

3. Расчет разрезного ригеля Р - 2

Рис.4. Расчетная схема

Н - номинальная длина (см. приложение лист 1,2);

К - конструктивная длина (см. приложение лист 5,6);

О - расчетный пролет.

Для расчета принимаем ригель как разрезной прямоугольного сечения размерами b×h = 300x650 мм.

.1 Сбор нагрузок

Расчетная нагрузка:

а) От веса перекрытия (q ×1н) /bн= (32,71 × 6,373) /1,673= 124,6 кН/м;

q - полная расчетная нагрузка, приходящая на 1п. м плиты (из расчета

продольного ребра).

н - номинальная длина плиты;

bн - номинальная ширина плиты;

б) от веса ригеля: 25 ×0,3 × 0,65 ×1,1 = 5,36кН/м

Суммарная нагрузка: q= 124,6+ 5,36 = 130 кН/м

Изгибающий момент:

М= (q × 1о2) /8= (130×5,982) /8=581,1 кН×м

Q= (q × 1о) /2 = (130 × 5,98) /2= 388,7 кН

Для расчета принимаем:

Бетон класса В20 с RB= 11,5 МПа, RB= γв1 × RB=0,9 × 11,5 = 10,35 МПа

RBt= 0,9 МПа, RBt= γBt ×RBt= 0,9 × 0,9= 0,81 МПа.

γBt - коэффициент условия работы - учитывает длительность действия нагрузки,.

Продольная арматура класса А400 с Rs= 355 МПа; Поперечная арматура класса А240 с Rsw= 170 МПа.

.2 Расчет прочности по нормальному сечению

ho= h-a= 650-35=615 мм, b=300 мм

αm=M/ (Rb × b× hо2) =588,1×106 / (10,35×300 ×6152) =0,500 > αR=0,39

Поскольку расчетом получен αm = 0,500 > αR=0,39, необходимо изменить размеры ригеля и осуществить новый расчет прочности по нормальному сечению.

Для расчета принимаем ригель размерами b×h = 350x900 мм.

Сбор нагрузок

Расчетная нагрузка:

а) От веса перекрытия (q ×1н) /bн= (32,71 × 6,373) /1,673= 124,6 кН/м;

q - полная расчетная нагрузка, приходящая на 1п. м плиты (из расчета

продольного ребра, стр.7).

н - номинальная длина плиты;

bн - номинальная ширина плиты;

б) от веса ригеля: 25 ×0,35 × 0,9 ×1,1 = 8,66кН/м

Суммарная нагрузка: q= 124,6+ 8,66 = 133,26 кН/м

Изгибающий момент:

М= (q × 1о2) /8= (133,26 ×5,982) /8=595,68 кН×м

Q= (q × 1о) /2 = (133,26 × 5,98) /2= 398,45 кН

Для расчета принимаем:

Бетон класса В20 с RB= 11,5 МПа, RB= γв1 × RB=0,9 × 11,5 = 10,35 МПа

RBt= 0,9 МПа, RBt= γBt ×RBt= 0,9 × 0,9= 0,81 МПа.

γBt - коэффициент условия работы - учитывает длительность действия нагрузки,.

Продольная арматура класса А400 с Rs= 355 МПа; Поперечная арматура класса А240 с Rsw= 170 МПа.

.2 Расчет прочности по нормальному сечению

ho= h-a= 900-35=865 мм, b=350 мм

αm=M/ (Rb × b× hо2) = 595,68×106 / (10,35×350 ×8652) = 0,22 < αR=0,39


As= Rb × b×h0 (1 - √ (l-2×αm)) /Rs= 10,35×350×865 (l-√ (1-2×0,22)) /355= 2221мм2

По сортаменту принимаем 6 Ø 22 А400 с As= 2281мм2, ds= 22 мм, (лист 6,7).

М= As/ Аь= 2281/350 × 865= 0,0075= 0,75% > Msmin=0,l%

.3 Расчет прочности по наклонному сечению

В наклонном сечении действует поперечная сила Q = 398,45 кН (см. стр.10). Условие прочности:

Q < Qb+Qsw

Принимаем диаметр хомутов в сечении. Диаметр одного dw= 1/3 ds= 1/3×22= 7,3 мм, dw= 8,0 мм с Asw= 50,3 мм2.

В сечении располагается три хомута с Asw= 151 мм2.

1) Шаг хомутов, учитываемых в расчете, не должен превышать Sw,max= Rbt ×b × ho2/Q= 0,81 × 350×8652/398,45×103= 532мм

Принимаем шаг хомутов S= 150 мм.

qsw= (Rsw ×Asw) / S= (170*1000×0,000151) /0,15= 171 кН/м

Так как qsw= 171кН/м> 0,25 Rb= 0,25*0,675*10×0,35=59 кН/м

Мв= 1,5 Rbt × b × ho= 1,5×0,81×0,35×0,8652= 318,2 кН×м

Длину проекции невыгоднейшего наклонного сечения С от опоры принимаем максимально допустимое:

 

С= =1,21м, но не более

ho=3×865= 2595мм. Принимаем С =1,21м.

Qв= Mв /С = 318,2/1,21 = 263кН,

Qsw= 0,75×qsw×С= 0,75×171×1,21= 188кН

QB+ Qsw= 188 + 263 = 451кН > Q = 398,45 кН.

Прочность по наклонному сечению достаточна.

 

. Расчет колонны

Исходные данные для расчета

Принимаем к расчету наиболее нагруженную колонну среднего ряда. Расчет прочности колонны производим в наиболее нагруженном сечении - у обреза фундамента.

Нагрузку на колонну с учетом ее веса определяем от опирающихся на нее ригелей трех вышележащих межэтажных перекрытий.

При этом неразрезность ригеля условно не учитывается. Поскольку усилия в ригеле определены без учета влияния жесткости колонны, то в качестве расчетной схемы колонны условно принимаем сжатую стойку со случайным эксцентриситетом, защемленную в уровне обреза фундамента и шарнирно закрепленную в уровне середины высоты ригеля.

Расчетная длина колонны первого этажа:

0= μ×l=1× (hэт+ 0,7-hа-0,5 × hp) = 1 × (4,2+0,7-0,45-0,9 × 0,5) = 4,0 м

где:

μ=1 - коэффициент закрепления опор колонны;

hэт - высота этажа по заданию;

,7 м - расстояние от обреза фундамента до уровня чистого пола;

hа - высота плиты;

hp - высота сечения ригеля.

Принимаем колонну сечением 400 × 400 мм.

hcol х bcol=400 × 400 мм, а = 40 мм, hо =360 мм.

Бетон класса В25 с RB=0,9 × 14,5=13,05 МПа. Арматура класса А400 с Rs =355МПа. Хомуты из стержней класса В500 с Rsw =300 МПа.

Расчетная нагрузка на колонну в уровне обреза фундамента:

N= q × lср × n + Gcol= 130 × 6,7 ×3 + 58,52 = 2672 кН,

где, q - расчетная нагрузка при расчете ригеля;

lср - расстояние между осями 2-3;

n = 3 - число перекрытий; Gcol - собственный вес колонны.

Gcol = γ×h2col × γf× (hэт × n +0,7) = 25 × 0,42×1,1 × (4.2 ×3+0,7) = 58,52 к

Расчет и конструирование. Расчетная формула колонны на центральное сжатие со случайным эксцентриситетом:

N< φ× (Rb ×hcol,2+Rsc × Asc),

где: φ - коэффициент продольного изгиба, принимаемый в зависимости от гибкости элемента.

Задаемся φ = 0,9, λ= lо/ hcol =4000/400= 10

Сечение арматуры колонны определяется по нижеприведенной формуле:

Asc= ( (N/φ) - RB × h2col) / Rsc= ( (2672 ×/0,9) - 13,05*103×0,16) /355* 103 = 2279 мм 2

μ = Asc / hcol ×h0=2279/400×360 = 0,016 ≈0

Из расчета следует, что при данном сечении колонны арматура не требуется, а назначается по конструктивным требованиям.

М s min = 0.2% при 10< l0/ h <25,As= М s min ×hcol × h0 col =0,002×400×360=288 мм20=400-40=360 мм, 4Ø10 с As =314 мм,

однако:

в соответствии с п.5.17 [2] диаметр продольных стержней должен быть не менее 16 мм.

Принимаем 4Ø16А400 с As =804 мм2 (лист 9). Хомуты принимаем диаметром 5 мм класса А500 с шагом 20*16 мм:

Sw=20×16=320 мм (лист 9).

Расчет консоли колонны

Рис.5.

Принимаем ширину консоли равной ширине колонны hcol =400 мм. Бетон класса В25. Арматура класса А400 и А240. Наибольшая нагрузка на консоль колонны Q= 398 кН (опорная реакция ригеля).

При классе бетона колонны В25 необходимую длину опирания ригеля на консоль колонны определяем из условия обеспечения прочности ригеля на местное сжатие (смятие) при классе бетона в ригеле В20 с Rb= 10,35 МПа, Rbt= 0,81 МПа и ширине ригеля b р= 350 мм.

Минимальный вынос консоли с учетом зазора между колонной и торцом ригеля 60 мм, в соответствии с типовым решением в проектах многоэтажных зданий каркасного типа l = 250 мм и высоту консоли ригеля h = 400 мм фактическая длина площадки опирания ригеля и консоли колонны под концом ригеля.

L sup,t= 250 - 60= 190 мм.

Напряжение смятия в бетоне ригеля и консоли колонны под концом ригеля:

Gb= Q/ (lsup,f × bp) = 398×103/ (190 ×350) = 6 МПа < Rb= 10,35 МПа.

Следовательно, прочность бетона на смятие обеспечена. Высота у свободного края:

hкр= h-l ×tg 45°= 400-250 × 1= 150 мм > h/3=400/3=133 мм.

ho= 400-35=365 мм.

Прочность консоли по наклонному сечению:


Прочность обеспечена.

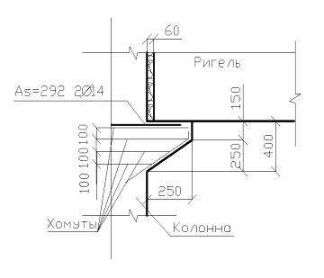
Расчет армирования консоли

Рис.6.

Изгибающий момент у грани колонны:

M=Q ×С=398×103×155=61690×103 Н×мм,

где, С=60+0,5×lsup= 60+0,5×190=155 мм.

As= М / (0,9 × Rs ×b × ho) = 61690×103/ (0,9 × 355×400 ×365) = 1,32 мм2

т.е. продольная арматура в консоли не требуется. Принимаем армирование по конструктивным требованиям.

Asmin= μmin в ho=0,002 × 400×365=292 мм2

Выбираем по таблице сортамента арматуру из двух диаметров 14 мм класса А400. Консоль армируем горизонтальными хомутами, при h=400 мм шаг принимаем h/4=100 мм из арматуры Ø6 мм, установленными в двух плоскостях.

5. Расчет и конструирование фундамента

Исходные данные для расчета

Фундаменты под колонну проектируем столбчатым, ступенчатым, прямоугольным в плане. Глубина заложения подошвы от уровня пола Н=1500 мм принимаем из условия глубины промерзания.

Расчетная нагрузка, передаваемая от колонны, N=2672 кН.

Условное расчетное сопротивление грунта в уровне подошвы фундамента по заданию: Rо=0,28 МПа =280 кН/м2.

Бетон класса В15; Rb=8,5 МПа; Rbt =0,9×0,75 =0,675 МПа.

Арматура класса А400; Rs=355 МПа.

Усредненная плотность тела фундамента и грунта на его ступенях:

γm=20 кН/м3=2т/м3.

Определение площади подошвы фундамента

Расчетная нагрузка на фундамент при расчете по первой группе предельных состояний с учетом коэффициента надежности по ответственности

N=2672*0,95=2538кН

При расчете по второй группе предельных состояний

N

где  - усредненный коэффициент надежности по нагрузке.

Размеры подошвы фундамента определяем по формуле:

A= N/ (R - γm× H) = 2169 / (0,28*1000-20 × 1,5) = 8,7м2,Н - глубина заложения фундамента.

Форму подошвы фундамента принимаем квадратной, размерами сторон кратными 0,2 м.

а = b = √А = 2,95 м, принимаем а = b = 3,0 м.

Вес фундамента и грунта на выступах:

 

Nф= а × b × Н × γm × γf = 3,0 2×1,5 ×20 × 1,2=369 кН.

Фактическое расчетное давление в уровне подошвы фундамента:

Рф= (N + Nф) / а × b= (2538 + 369) / (3,22) = 318кН/м2 < R = 280 кН/м2

габаритные размеры подошвы не удовлетворяют условию прочности грунта. Принимаем а = b = 3,4 м.

Вес фундамента и грунта на выступах:

 

Nф= а × b × Н × γm × γf=3,4 2×1,5 ×20 × 1,2=416 кН.

Фактическое расчетное давление в уровне подошвы фундамента:

Рф= (N + Nф) / а × b= (2538 + 416) / (3,42) = 256кН/м2 < R = 280 кН/м2

габаритные размеры подошвы удовлетворяют условию прочности грунта.

Определение высоты фундамента

Рабочую высоту фундамента определяем из условия его работы на продавливание, которое происходит по поверхности усеченной пирамиды, боковые стороны которой наклонены к горизонту под углом 45° (1-е условие):

) h0=-0,5bcol +1/2√N/ (Rbt+Pф) =

= - ( (0.5*0.4) +1/2√2538/ (0,675*1000+256) = 0,625 м, принимаем 650 см.

Высота фундамента также зависит от конструктивных условий, которые должны обеспечить жесткую заделку:

2) колонны: ho= hcol +250= 400+250=650мм;

3) анкеровку ее продольной арматуры: ho=20×ds+250=20×16+250=570 мм;

ds=20 мм - продольная арматура колонны;

мм - высота подколонной части фундамента.

Принимаем ho= 750 мм.

h=ho+a=750+50=800 мм

Фундамент выполняем двухступенчатым, полная высота фундамента стаканного типа h=800мм, высота каждой ступени 400 мм с толщиной защитного слоя =40мм при наличии бетонной подготовки в основании и предполагаемом диаметре стержней арматуры d=20мм.

Расчетная высота фундамента:

h800-40-1,5*20= 730мм=0,73м.

Расчетная высота нижней ступени:

h=h400-40-1,5*20=330мм= 0,33м

Профиль уступов конструируем таким образом, чтобы их внутренний угол не пересекал линию естественного давления бетона, наклоненную под углом 45°.

Проверка прочности нижней ступени против продавливания

Продавливающая сила принимается за вычетом нагрузок, приложенных к противоположной грани плиты в пределах площади с размерами, превышающими размеры площадки опирания на hO2 во всех направлениях:

Fн=Nф×Ан= N - Рф × (b1+2 × h) 2= 2538 - 256× (1,4+2×0,33) 2=1452кН.

Периметр контура расчетного поперечного сечения пирамиды продавливания на расстоянии 0,5 hO2 от границы площадки опирания верхней ступени фундамента:

UH=4 × (b1+0,5 × hO2+O,5 × hO2) =4 × (1,4+0,5 ×0,33+0,5 ×0,33) =6,92 м

При: Rbt ×UH × hO2= 0,675*1000×6,92×0,33 =1541кН > FH= 1452кН,

т.е. прочность нижней ступени против продавливания обеспечена.

Расчет армирования подошвы фундамента

Арматуру подошвы фундаментов рассчитываем из условия его работы на изгиб консольного элемента от реактивного давления грунта:

Рф= 256 кН/м2

Изгибающие моменты от реактивного давления грунта в сечениях по граням колонны и уступов фундамента

MII = 0,125 × Рф×А × (В-bl) 2=0,125×256×3,4× (3,4-l,4) 2= 435 кН×м.

Необходимая площадь продольной арматуры класса А400 у подошвы фундамента в продольном и поперечном направлениях определяется по приблизительной формуле:

Аз1= М I-I /0,9 × Rs × h01=979×106/0,9 ×355 × 730=4155мм2

As2= MII-II /0,9 × Rs×hO2= 435× 106/0,9 ×355 ×330= 4125мм2

Принимаем сварную сетку из стержней диаметром 18 мм с шагом 200 мм в обоих направлениях

Ø18А400 с As= 254,5 × 17=4326,5мм2 > As= 4155мм2.

Литература

1.       СНиП 52-01-2003. - Бетонные и железобетонные конструкции. Основные положения М. 2004 г.

2.       СП 52-101-2003. - Бетонные и железобетонные конструкции без предварительного напряжения арматуры. М. 2004 г.

.        Пособие по проектированию бетонных и железобетонных конструкций из тяжелого бетона без предварительного напряжения (КСП 52-101-2003), НИИЖБ, М. 2005 г.

.        СНиП 2.01.07-85*. Нагрузки и воздействия. М. 2004 г.


Не нашли материал для своей работы?
Поможем написать уникальную работу
Без плагиата!
Без нейросетей!