Поперечная рама
1. КОМПАНОВКА ПОПЕРЕЧНОЙ РАМЫ
.1 Общие сведения
Проектируется промышленное здание в городе
Иваново. Здание имеет 1 пролет величиной l=24 м; длина здания L=72м; шаг рам
В=6 м; два мостовых крана грузоподъемностью Q=20 т. Нормативный вес снегового
покрова для данного района (IV) р0 = 2.4 кН/м2. Нормативная ветровая нагрузка
на здание для I ветрового района w0 =0,23 кН/м2, тип
местности В, расчетное сопротивление грунта основания 0,25 МПа. Принимается
нулевая привязка к осям здания, т.к. грузоподъемность мостовых кранов Q ≤
30 т, шаг колонн В=6 м и высота помещения Н ≤ 16,2 м.
Здание состоит из поперечных рам. Каждая рама
состоит из колонн, жестко заделанных в фундамент, шарнирно-опирающегося ригеля
и плит покрытия. Вся эта конструкция должна обеспечивать жесткость поперечной
раме.
Продольная рама состоит из колонн, подкрановых
балок, плит покрытия и связей. Жесткость обеспечивается связями и плитами
покрытия.
Рисунок 1 - Поперечный разрез однопролетного
производственного здания
Компоновка конструктивных элементов поперечной
рамы
Покрытие
Рисунок 2 - Схема покрытия
Покрытие состоит из предварительно напряженной
ребристой плиты покрытия 3х6 м. Плиты опираются в узлы и привариваются к узлам
фермы не менее чем в трех точках. Швы между плитами замоноличиваются.
Стропильная ферма
Рисунок 3 - Размеры стропильной фермы
Ферма сегментная. Пролет фермы 24 м, масса 12,2
т.
Стеновые панели
Длина панели l =6 м; высота 1,2 и 1,8 м; толщина
0,3 м. Стеновые панели принимаются навесными из керамзитобетона.

Рисунок 4 - Стеновые панели
- Крановый рельс
Устанавливается на подкрановую балку. При
принимается
КР-70 с высотой рельса, равной 150 мм и массой m=52,8 кг на 1 п.м.
1.2 Подкрановые балки
Высота подкрановой балки принимается в
зависимости от шага колонн и грузоподъемности. При
и
В=6 м высота равна 1 м. Подкрановые балки разрезные, железобетонные.
Рисунок 5 - Подкрановая балка
Фундамент стаканного типа под отдельно стоящие
колонны одноэтажных зданий на естественном основании.
Мостовой кран
Высота крана Нкр=2,4 м при Q=20т, расстояние от
оси кранового рельса до края мостового крана В1=260 мм.
Пролет крана определяется по формуле:
(1)
где λ - расстояние
от оси здания до кранового рельса, λ= 750 мм.
Таблица 1 - Подбор сечения колонны
|
Параметр
|
Q=20
т, В=6 м
|
|
Тип
колонны
|
сплошная
|
|
Ширина
сечения колонны b, мм
|
400
|
|
Высота
сечения верхней части колонны h1, мм
|
400
|
|
Высота
сечения нижней части колонны h2, мм
|
750
|
|
Привязка
колонн к осям здания
|
"0"
|
Высота сечения верхней части колонны h1 ≤
750-В1-60=750-260-60=430, принимаем h1=400 мм.
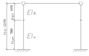
1.3 Высотные отметки поперечной рамы
Грузоподъемность крана Q=20 т и его высота Нкр =
2,4 м. Отметка уровня верха кранового рельса УГКР = 8,8 м
Определяем высоту подкрановой части колонны:
Н2 = УГКР-hр-hп/б +0,15(2)
Н2 = 8,8 -0,15-1+0,15 = 7,8 м;
Определяем высоту надкрановой части колонны:
Н1=hp+ hп/б +Нкр+a1;(3)
где ∆а ≥ 100 мм, принимаем ∆а
= 100 мм
Н1==0,15+1+2,4+0,1=3,65 м
Полная высота колонны:
Н=Н1+Н2=3,65+7,8=11,45 м
Тогда высота помещения:
Нпом=Н-0,15=11,45+0,15=11,3 м
Высота помещения должна быть кратна 1,2. Это
условие не выполняется, значит, необходимо увеличить высоту помещения.
Принимаем Нпом=12 м
Тогда, Н=Нпом+0,15=12+0,15=12,15 м
Н1=Н-Н2=12,15-7,8=4,35 м
Рисунок 6 - Схема поперечной рамы
2. СБОР НАГРУЗОК НА РАМУ
На здание действуют постоянные и временные
нагрузки. Постоянные нагрузки обуславливаются собственным весом конструкции.
Временные нагрузки - ветровые, снеговые и крановые.
2.1 Постоянные нагрузки
.1.1 Вес плит покрытия
Рисунок 7 - Нагрузка от покрытия
Сосредоточенная нагрузка в колоннах:
- распределенная
нагрузка на 1м2 от конструкций, расположенных на ригеле. Определяется в
табличной форме (таблица 2);
= 1,1 - коэффициент
надежности для бетона.
Таблица 2 - Нагрузка от покрытия и кровли
|
Нагрузка
|
Нормативная
нагрузка , кН/м2
|
|
Нормативная
нагрузка , кН/м2
|
|
1.
Собственный вес ж/б ребристой плиты покрытия 3х6 (2,8т)
|
1,56
|
1,1
|
1,72
|
|
2.
Слой пароизоляции (1 слой рубероида)
|
0,05
|
1,3
|
0,065
|
|
3.
Теплоизоляция (пенопласт ПС-1) = 200 кг/м3, t=800мм
|
0,16
|
1,3
|
0,208
|
|
4.
Цементно-песчаная стяжка = 1800 кг/м3, t=30мм
|
0,54
|
1,3
|
0,702
|
|
5.
Водоизоляционный ковер (4 слоя рубероида)
|
0,2
|
1,3
|
0,26
|
|
ИТОГО:
|
|
|
= 2,955
|
Рисунок 8 - Расчетная схема нагрузок от покрытия
’пл = 0 ( т.к. привязка «0»)’’пл = 0,175=40,95
кН*м
где е’пл - эксцентриситет действия нагрузки.
Величина эксцентриситета между нижней и верхней частями колонны:
мм.
2.1.2 Вес ригеля
Сосредоточенная нагрузка в колоннах:’риг = 0 (
т.к. привязка «0»)’’риг = 0,175=11,74 кН*м
Рисунок 9 - Расчетная схема нагрузок от ригеля
2.1.3 Вес колонны
где h1- высота сечения надкрановой части
колонны;
- удельный вес
бетона,
кН/м3;
- коэффициент
надежности по нагрузке. Для железобетона
.
где h1- высота сечения подкрановой части
колонны.
Рисунок 10 - Расчетная схема нагрузок от колонн
2.1.4 Вес стеновых панелей
Нагрузка от стенового ограждения надкрановой
части колонны:
где Нпан1-высота от верха стены до уровня
крановой консоли;пан - толщина панели, tпан=30 см.
Нагрузка от стенового ограждения подкрановой
части колонны:
Схема определения эксцентриситета действующей
силы представлена на рисунке 11.
Рисунок 11 - Схема определения эксцентриситета
действующей силы
Рисунок 12 - Расчетная схема нагрузок от
стеновых панелей
2.1.5 Вес подкрановой балки и рельса
Нагрузка от крановых конструкций определяется по
формуле:
Где Gпб - вес подкрановой балки Gпб=42 кН;р -
собственный вес одного метра рельса, для рельса КР-70 gр = 0,53 кН;
g’f - коэффициент надёжности по нагрузке для
стали g’f
= 1,05;
В - длина подкрановой балки, м.
Величина момента:
Величина эксцентриситета приложения нагрузки
мм.
Рисунок 13 - Схема определения эксцентриситета
действующей силы
Рисунок 14 - Расчетная схема нагрузок от
подкрановой балки и рельса
2.1.6 Все постоянные нагрузки
Суммируем постоянные нагрузки:
Общая схема постоянных нагрузок получается путём
сложения всех действующих на раму сил и моментов в каждом сечении отдельно с
учётом знаков. Таким образом, получается.
Рисунок 15 - Общая расчетная схема действия
постоянных нагрузок
2.2 Временные нагрузки
.2.1 Снеговая нагрузка
Нагрузка от снега определяется по формуле:
Где S - расчётное значение снеговой нагрузки на
1 м2, для г. Иваново (IV снеговой район) S = 2.4 кПа [2];
µ - коэффициент, учитывающий профиль кровли, µ =
1.
кН.
Величина момента:
Величина эксцентриситета приложения нагрузки
мм.
кН∙м.
Рисунок 16 - Расчётная схема снеговых нагрузок
2.2.2 Ветровая нагрузка
Рисунок 17 - Ветровая нагрузка
Ветровая нагрузка определяется по формуле:
(2.9)
где
- нормативное значение ветровой нагрузки на 1 м2 (определяется по карте
ветровых районов), для г. Иваново (I ветровой район) [2]
-
коэффициент, учитывающий распределение ветрового давления по высоте, = 0,65,
k20 = 0,85 (тип местности В);
с - аэродинамический коэффициент, учитывающий
форму поверхности для активной стороны с = 0,8, для пассивной с’ = 0,6;
- коэффициент
надежности по нагрузке,
;
- коэффициент
надежности по назначению здания. Для промышленного здания
.
Определяем ветровую нагрузку на отметке 10,0 м
Интерполяцией определяем ветровую нагрузку на
отметке верха колонны 12 м
Интерполяцией определяем ветровую нагрузку на
отметке парапета 13.2 м
Находим сосредоточенную силу, действующую с
активной стороны:
где Н1=13,2-12=1,2 м
Находим сосредоточенную силу, действующую с
пассивной стороны:
Величина эквивалентной распределённой нагрузки
определяется, исходя из условия равенства момента в заделке колонны при
действии ветровой и эквивалентной нагрузки. Этот момент определяется по
формуле.

,
где

.
Эквивалентная распределённая нагрузка
определяется по формуле.
Соответственно:
Схема нагрузки от ветра представлена на рисунке
18.
Рисунок 18 - Схема нагрузки от ветра
2.2.3 Крановые нагрузки
Рисунок 19 - Крановые нагрузки
Величина вертикальной нагрузки определяется по
формуле
где
-
нормативное давление на одно колесо крана. Определяется в зависимости от
грузоподъемности крана и пролета здания. Для крана с грузоподъемностью Q = 20 т
и при пролете здания L = 24 м, значения нормативных давлений составят: Pmax =
255кН; Pmin = 78 кН
- коэффициент,
учитывающий вероятность, что два крана встретятся в одном месте. Принимаем
равным
;
- коэффициент
надежности по нагрузке. Для крановых нагрузок принимаем равным
;
- сумма ординат,
взятых с линии влияния под колесом крана.
Рисунок 20- Линии влияния от крановой нагрузки
Сумма ординат линии влияния:
∑yi= 1+0,783+0,167 = 1,95 =
255*1,95*0,85*1,1*1 = 464,93 кН = 78*1,95*0,85*1,1*1 = 142,21 кН
Значение момента от действия вертикальной силы
определяем
по выражению:
Значение горизонтальной силы Т от торможения
крановой тележки определяется по выражению:
,
где
- нормативное значение горизонтальной нагрузки на одно колесо. Значение
определяется по выражению
где
- коэффициент, учитывающий схему подвески груза,
;
- вес тележки,
принимаем равным Gт = 8,5т = 85 кН;
- количество колес
на одной стороне крана,
.
Т = 7,13*0,85*1,95*1,1*1 = 13 кН
Рисунок 21 - Расчётная схема крановых нагрузок
3. СТАТИЧЕСКИЙ РАСЧЁТ РАМЫ
3.1 Основные положения и метод
расчета
Рама является статически неопределимой системой.
Расчет выполняем приближенным методом, основанным на методе перемещений. В
основной системе ограничиваем перемещение верхней части колонны.
Рисунок 22 - Расчётная схема рамы
в, EIн - изгибная жёсткость верхней и нижней
частей колонны;- продольная жёсткость.
Ригель рассчитываем как отдельный элемент.
Принимаем ригель в виде абсолютно жесткого стержня, который соединяет колонны
по верху. Для удобства расчёта вводим вспомогательные коэффициенты.
(3.1)где α=Н1/Н=4,35/12,15=0,36
н ,Iв - моменты инерции сечения верхней и нижней частей колонны;
см4;
см4;
где b, hв, - размеры сечения верхней частей
колонны.
Реакция от единичного смещения стойки
определяется по формуле (3.3).

,(3.3)
где 
- начальный модуль
упругости бетона.
Для бетона класса В20 .

.
Усилие для сдвига на 
определяется по
формуле (3.4).

.(3.4)

.
Далее необходимо произвести определение усилий
от различных типов загружений.
Постоянная нагрузка
Рисунок 23 - Схема рамы для определения усилий
от постоянной нагрузки
Вырезается каждая стойка и рассматривается её
равновесие. Для определения реакций от верхнего и нижнего момента используются
формулы (3.4) и (3.5) соответственно.

;(3.4)

.(3.5)

;

.
Принимается следующее правило знаков: усилия,
растягивающие левые волокна, считаются положительными, а правые -
отрицательными. Тогда, согласно принятому правилу знаков, 
, а 
.
Упругая реакция на левой стойке определяется по
формуле (3.6):

;(3.6)
При этом 
, тогда перемещение

.
Значения усилий определяются в четырёх сечениях
колонны: вверху, непосредственно над консолью, непосредственно под консолью и в
заделке.

;

;(3.7)

.

;(3.8)

.

;(3.9)

.

;

; (3.10)

.

.
Эпюры изгибающих моментов, продольных и
поперечных сил от постоянной нагрузки для всей рамы представлены на рисунке 24.
Рисунок 24 - Усилия в стойках рамы от постоянной
нагрузки
Снеговая нагрузка
Рисунок 25 - Схема рамы для определения усилий
от снеговой нагрузки
Снеговая нагрузка действует симметрично, как и
постоянная, поэтому метод определения усилий и построения эпюр аналогичен.
Вырезается каждая стойка и рассматривается её равновесие. Для определения реакций
от верхнего и нижнего момента используются формулы (3.4) и (3.5)
соответственно.

;

;
Согласно принятому правилу знаков, 
, а 
.
Так как реакция отрицательная, то направлена в
сторону 
- влево.

.

.

.

.
Эпюры изгибающих моментов, продольных и
поперечных сил от снеговой нагрузки для всей рамы представлены на рисунке 26.
Рисунок 26 - Усилия в стойках рамы от снеговой
нагрузки
Ветровая нагрузка
Вначале рассматривается схема действия ветровой
нагрузки слева.
Рисунок 27 - Схема рамы для определения усилий
от ветровой нагрузки
Вырезается каждая стойка и рассматривается её
равновесие.

;

;

; (3.15)

;

.
Согласно принятому правилу знаков, принимаем все
определённые реакции отрицательными.

;
тогда 
. (3.16)
Смещение не равно нулю, поэтому влияние рамы на
каждую стойку заменяется упругими реакциями:

; (3.17)

;
Рисунок 28 - Схема рамы для определения усилий
от ветровой нагрузки
Так как смещение правой и левой стойки
одинаковое, то они рассматриваются отдельно.
Усилия для левой стойки:

;

;

;

; (3.21)

;

;

.
Усилия для правой стойки:

;

;

;

;

;

.
Эпюры изгибающих моментов и поперечных сил от
ветровой нагрузки для всей рамы при ветре слева представлены на рисунке 29.
Рисунок 29 - Усилия в стойках рамы от ветровой
нагрузки слева, справа
Вертикальная крановая нагрузка
Сначала рассматривается вариант при действии 
на левую колонну.
Рисунок 30 - Схема рамы для определения усилий
от вертикальной крановой нагрузки
Вырезается каждая стойка и рассматривается её
равновесие. Реакции на правой и левой стойке определяются по формуле (3.5) с
моментами 
и 
.

;
Согласно принятому правилу знаков, 
, а
Так как благодаря жёсткому диску покрытия
осуществляется пространственная работа рам, а крановая нагрузка действует не на
все рамы, то в каноническом уравнении учитывается коэффициент; при шаге рам 
. С учётом
каноническое уравнение выглядит следующим образом:
где 
,
Смещение не равно нулю, поэтому влияние рамы на
каждую стойку заменяется упругими реакциями:

; (3.31)

;
Рисунок 31 - Схема рамы для определения усилий
от вертикальной крановой нагрузки
Усилия для левой стойки:

;

;

,97
;

;

;

.
Усилия для правой стойки:

;

;

;
Эпюры изгибающих моментов, продольных и
поперечных сил от крановой нагрузки для всей рамы при действии 
на левую колонну,
представлены на рисунке 32.
Рисунок 32 - Усилия в стойках рамы от крановой
нагрузки при действии 
на левую колонну, 
на правую колонну
Горизонтальная крановая нагрузка (от торможения
крана)
Действует вместе с вертикальной на ту же стойку,
где располагается 
.
Сначала рассматривается вариант, когда тормозная
нагрузка действует на левую стойку вправо.
Рисунок 33 - Схема рамы для определения усилий
от горизонтальной крановой нагрузки
Вырезается каждая стойка и рассматривается её
равновесие.

; (3.33)

;
Согласно принятому правилу знаков, 
.
Так как благодаря жёсткому диску покрытия
осуществляется пространственная работа рам, а крановая нагрузка действует не на
все рамы, то в каноническом уравнении учитывается коэффициент ; при шаге рам 
. С учётом
каноническое уравнение выглядит следующим образом:
где 
,
Смещение не равно нулю, поэтому влияние рамы на
каждую стойку заменяется упругими реакциями:

;
Рисунок 34 - Схема рамы для определения усилий
от горизонтальной крановой нагрузки
Усилия для левой стойки:

;

;

;

;

.
Усилия для правой стойки:

;
Эпюры изгибающих моментов и поперечных сил от
горизонтальной крановой нагрузки для всей рамы при её действии на левую колонну
вправо, представлены на рисунке 35.
Рисунок 35 - Усилия в стойках рамы от
горизонтальной крановой нагрузки при действии на левую колонну вправо, левую
колонну влево, правую колонну влево, правую колонну вправо
Результаты статического расчета сводим в таблицу
3.
рама колонна нагрузка отметка
Таблица 3 - Таблица расчетных усилий в сечениях
колонны
|
№
Нагрузки
|
Нагрузки
и комбинации усилий
|
φ
|
Расчетные
усилия в сечениях
|
|
|
|
1-1
|
2-2
|
3-3
|
4-4
|
|
|
|
М
|
N
|
М
|
N
|
М
|
N
|
М
|
N
|
Q
|
|
1
|
Постоянная
нагрузка
|
1,0
|
-31,3
|
-351,84
|
51,22
|
-351,84
|
-109,36
|
-600,90
|
38,60
|
-600,90
|
18,97
|
|
2
|
Снеговая
нагрузка
|
1,0
|
0
|
-172,8
|
11,21
|
-172,8
|
-19,03
|
-172,8
|
-2,54
|
-172,8
|
2,58
|
|
|
0,9
|
0
|
-155,52
|
10,09
|
-155,52
|
-17,13
|
-155,52
|
-2,29
|
-155,52
|
2,32
|
|
3
|
Ветровая
нагрузка
|
Ветер
слева
|
1,0
|
0,0
|
0,0
|
14,61
|
0,0
|
14,61
|
0,0
|
88,65
|
0,0
|
13,43
|
|
|
|
0,9
|
0,0
|
0,0
|
13,15
|
0,0
|
13,15
|
0,0
|
79,79
|
0,0
|
11,82
|
|
3*
|
|
Ветер
справа
|
1,0
|
0,0
|
0,0
|
-16,50
|
0,0
|
-16,50
|
0,0
|
-82,11
|
0,0
|
-11,37
|
|
|
|
0,9
|
0,0
|
0,0
|
-14,85
|
0,0
|
-14,85
|
0,0
|
-73,90
|
0,0
|
-10,23
|
|
4
|
Крановая
вертикальная нагрузка Dmax
|
Dmax
слева
|
1,0
|
0,0
|
0,0
|
-30,89
|
0,0
|
62,09
|
-464,93
|
6,71
|
-464,93
|
-7,1
|
|
|
|
0,9
|
0,0
|
0,0
|
-27,80
|
0,0
|
55,88
|
-418,44
|
6,04
|
-418,44
|
-6,39
|
|
4*
|
|
Dmax
справа
|
1,0
|
0,0
|
0,0
|
-14,09
|
0,0
|
14,35
|
-142,21
|
-10,93
|
-142,21
|
-3,24
|
|
|
|
0,9
|
0,0
|
0,0
|
-12,68
|
0,0
|
12,92
|
-127,09
|
-9,84
|
-127,09
|
-2,92
|
|
5
|
Крановая
горизонтальная нагрузка T
|
T
слева
|
1,0
|
0,0
|
0,0
|
±24,45
|
0,0
|
±24,45
|
0,0
|
±33,12
|
0,0
|
±7,38
|
|
|
|
0,9
|
0,0
|
0,0
|
±20,21
|
0,0
|
±20,21
|
0,0
|
±29,81
|
0,0
|
±6,64
|
|
5*
|
|
T
справа
|
1,0
|
0,0
|
0,0
|
±4,26
|
0,0
|
±4,26
|
0,0
|
±11,91
|
0,0
|
±0,98
|
|
|
|
0,9
|
0,0
|
0,0
|
±3,83
|
0,0
|
±3,83
|
0,0
|
±10,72
|
0,0
|
±0,88
|
Таблица 4 - Таблица комбинаций расчетных усилий
в сечениях колонн
|
Основные
сочетания усилий
|
φ для
временных нагрузок
|
Номера
нагрузок и усилия
|
Комбинации
нагрузок и расчетных усилий
|
|
|
|
1-1
|
2-2
|
3-3
|
4-4
|
|
|
|
М
|
N
|
М
|
N
|
М
|
N
|
М
|
N
|
Q
|
|
Мmax→Nсоот
|
φ=1
|
№
нагрузок
|
-
|
1,3
|
-
|
1,3
|
|
|
Усилия
|
-
|
-
|
65,83
|
-351,84
|
-
|
-
|
127,25
|
-600,90
|
32,4
|
|
φ=0,9
|
№
нагрузок
|
-
|
1,2,3
|
-
|
1,3,4,5(+)
|
|
|
Усилия
|
-
|
-
|
74,46
|
-507,36
|
-
|
-
|
154,24
|
-1019,34
|
31,04
|
|
Мmin→Nсоот
|
φ=1
|
№
нагрузок
|
1,2
|
1,4,5(-)
|
1,2
|
1,3*
|
|
|
Усилия
|
-31,3
|
-524,64
|
-4,12
|
-351,84
|
-128,39
|
-773,7
|
-43,51
|
-600,9
|
7,6
|
|
φ=0,9
|
№
нагрузок
|
1,2
|
1,3*,4,5(-)
|
1,2,3*
|
1,3*,4*,5*
|
|
|
Усилия
|
-31,3
|
-507,36
|
-11,64
|
-351,84
|
-141,34
|
-756,42
|
-55,86
|
-727,99
|
4,94
|
|
Nmin→Mсоот
|
φ=1
|
№
нагрузок
|
1,2
|
1,2
|
1,4,5(+)
|
1,4,5(+)
|
|
|
Усилия
|
-31,3
|
-524,64
|
62,43
|
-524,64
|
-22,82
|
-1065,83
|
71,9
|
1759,4
|
6,4
|
|
φ=0,9
|
№
нагрузок
|
1,2
|
1,2,3
|
1,2,3,4,5(+)
|
1,2,3,4,5(+)
|
|
|
Усилия
|
-31,3
|
-507,36
|
74,46
|
-524,64
|
-37,25
|
-1174,86
|
151,95
|
-1174,86
|
28,72
|
|
Мℓ
и Nℓ
|
φ=1
|
№
нагрузок
|
1,2
|
1,2
|
1,2
|
1,2
|
|
|
Усилия
|
-438,24
|
56,83
|
-438,24
|
-118,88
|
-687,30
|
-37,33
|
-687,3
|
20,26
|
|
|
|
|
|
|
|
|
|
|
|
|
|
|
4. РАСЧЕТ КОЛОННЫ
.1 Материалы и их характеристики
Класс бетона В15
(Rb=8,5 МПа; Rbt=0,75 МПа; Еb=24000 МПа).
Класс продольной арматуры A400
(Rs=355 МПа; Rsc=355 МПа; Es= 200000 МПа).
Класс поперечной арматуры A240
(Rsw=175МПа).
.2 Расчеты колонны по нормальным
сечениям
.2.1 Расчет верхней части в
плоскости изгиба
Рисунок 36 - Расчетные сечения верхней части
колонны
Для расчета верхней части колонны необходимо
выбрать наименее выгодную комбинацию усилий для сечения 1-1 или 2-2. Выбираем
комбинацию усилий для сечения 2-2, при которой
.
При этом нагрузки длительного действия:
.
Расчет производим как для внецентренно сжатого элемента. Так как в сечении
действуют изгибающие моменты, примерно равные по значению, но с разными
знаками, то сечение будем рассматривать с симметричным армированием.
Рисунок 37 - Сечение верхней части колонны
Назначаем
мм
(4.1)
Определяем расчетную длину для верхней части
колонны
,(4.2)
где ν0 - коэффициент
расчетной длины (принимаем ν0=2,5)
Значение случайного эксцентриситета, согласно
норм, определяется как максимальное значение из:
Исходя из условий, значение случайного
эксцентриситета еа= 18,13 мм.
Определяем статический эксцентриситет
(4.3)
К расчету принимаем
Определяем гибкость верхней части колонны
(4.4)
Гибкость для прямоугольного сечения определяется
по формуле:
(4.5)
Следовательно, коэффициент продольного изгиба
.
Определяем критическую силу:
, (4.6)
где D - жесткость элемента.
Для прямоугольного сечения жесткость
определяется по формуле:
(4.7)
где φl - коэффициент,
учитывающий длительность действия нагрузки;
δl- коэффициент,
учитывающий отношение эксцентриситета к длине сечения;
μ - коэффициент
армирования продольной арматурой;
α - коэффициент,
учитывающий отношение модулей упругости арматуры и бетона.
,(4.8)
гдеМ1l, Ml - моменты внешних сил относительно
центра тяжести растянутой или наименее сжатой арматуры.
(4.9)
(4.10)
(4.11)
следовательно,
интерполяцией получаем
.
Определяем коэффициент продольного изгиба
(4.12)
Следовательно, размеры сечения достаточны.
Определяем эксцентриситет оси, проходящей через
центр тяжести сечения растянутой арматуры
(4.13)
Определяем значение граничной относительной
высоты сжатой зоны
(4.14)
Подбор арматуры:



Определяем необходимую площадь арматуры
При b=400мм принимаем 2 каркаса по 3 продольные
арматуры принимаем 3Ø25 A 400
Определяем фактический коэффициент армирования
(4.18)
- условие не
выполняется.
Находим минимальную площадь арматуры:
Заново определяем жесткость:

Коэффициент продольного изгиба
Определяем эксцентриситет оси, проходящей через
центр тяжести сечения растянутой арматуры
Подбор арматуры:



Определяем необходимую площадь арматуры
При b=400мм принимаем 2 каркаса по 3 продольные
арматуры принимаем 3Ø16 A 400