Покрытие по треугольным металлодеревянным фермам с клееным верхним поясом
1. Расчёт клееной утеплённой плиты
покрытия с фанерными обшивками
Необходимо рассчитать и сконструировать клееную
плиту с фанерными обшивками для промышленного здания в городе Нижний Новгород.
Участок строительства защищён от прямого воздействия ветра. Температура и
относительная влажность воздуха в помещениях tв=20°С и φ=70%
соответственно. Условия эксплуатации - А2, mв=1.
Исходные данные для проектирования
Номинальные размеры плиты в плане: ℓn´bn=3000´1500
мм;
Обшивки из фанеры марки ФСФ сорт В/ВВ по ГОСТ
3916-69;
Продольные рёбра из досок сосны 2-го сорта;
Клей ФР-12 по ТУ 6-05-1748-75;
Утеплитель - минераловатные плиты толщиной 80 мм
на синтетической связке с ρ=100 кг/м3
по ГОСТ 9573-72;
Пароизоляция - обмазочная битумная;
Кровля рулонная типа К-7 по СНиП II-26-76 (три
слоя рубероида марки РМ-350 по слою пергамина марки П-350, наклеенного на
верхнюю обшивку плиты на заводе);
Расчётные сопротивления материалов плиты по
таблице 3; 10 [2]:
Доски продольных ребер (2-ой сорт) скалыванию
вдоль волокон при изгибе:ск=Rтабл∙mв∙mп=1,6∙1∙0,65=1,04
МПа;
изгибу: =Rтабл∙mв∙mп=13∙1∙0,65=8,45
МПа.
Фанера δ=8,0 мм
марки ФСФ сорт В/ВВ сжатию вдоль волокон:ф.с.=Rтабл∙mв=12∙1=12 МПа;
скалыванию вдоль волокон:ф.ск.=Rтабл∙mв=0,8∙1=0,8
МПа;
изгибу поперёк волокон:ф.и.=Rтабл∙mв=6,5∙1=6,5
МПа.
Фанера δ=6,0 мм
марки ФСФ сорт В/ВВ растяжению вдоль волокон:ф.р.=Rтабл∙mв=14∙1=14
МПа.
Расчетный модуль упругости древесины вдоль
волокон:
Ед=Етабл∙mв=1∙104∙1=104 МПа;
Расчетный модуль упругости фанеры вдоль волокон:
Еф=Етабл∙mв=0,9∙104∙1=0,9∙104
МПа;
плиты покрытия укладываются по треугольным
металлодеревянным фермам с клееным верхним поясом с уклоном верхней кромки α=14,250.
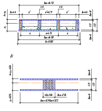
1.1 Конструкция плиты покрытия
Конструкцию плиты покрытия принимаем аналогичной
существующим типам (серия ПКД-01-04) рисунок 1.
Каркас плиты состоит из четырёх продольных рёбер
сечением 119´46 мм (из досок 125´50
мм до острожки) и пяти поперечных ребер сечением 94´46
мм (из досок 100´50 мм до острожки). Верхняя
обшивка из фанеры толщиной 8,0 мм; нижняя - 6,0 мм. У торцов плиты нижняя
обшивка усилена полосами фанеры шириной 150 мм и толщиной 20 мм (в соответствии
с п. 6.7. [2]). Ширина площадок опирания плиты на фермы принята 60 мм, поэтому
расчётный пролёт плиты составит:
ℓр=ℓп-60=3000-60=2940 мм=2,94 м.
Расчётная ширина плиты определяется в
соответствии с п. 4.25. [2] в зависимости от шага продольных рёбер и длины
плиты ℓп: 6∙а=6∙0,4747=2,85 < ℓп=3,0 м,
следовательно:расч=0,9∙bф.в.=0,9∙1,47=1,323 м.
Расчётное сечение плиты удобно представить в
виде двутавра с шириной полок равной bрасч=1,323 м и толщиной стенки (рёбер)
равной 4bр=0,184 м.
Плиты рассчитываются по геометрическим
характеристикам приведённым к фанере обшивок:
Sприв=Sф+Sдр
,
где: Sприв - приведённая к фанере
обшивок геометрическая характеристика поперечного сечения плиты (F, Sx, Ix);ф -
геометрическая характеристика фанерных обшивок по расчётным размерам;др -
геометрическая характеристика элементов плиты из древесины (продольных ребер);
Едр=1∙1010 Па - модуль
упругости древесины вдоль волокон;
Еф=0,9∙109 Па - модуль
упругости фанеры вдоль волокон;пр=
=
=1,11 - коэффициент приведения.
Для плиты все приведённые
геометрические характеристики удобно определять приняв приведённую ширину
ребра:р.пр.=nпр∙4∙bр=1,11∙4∙46=204,4 мм.
Рис. 1
1.2 Определение приведённых
геометрических характеристик поперечного сечения плиты
Приведённая площадь сечения:пр=bрасч∙(δф.в.+δф.н.)+bр.пр.∙hр=132,3∙(0,8+0,6)+20,4∙11,9=428,0
см²=4,28∙10-2
м².
Приведённый статический момент
сечения относительно нижней плоскости плиты:пр=bрасч
2979,2 см3=2,98∙10-3 м3.
Координата центра тяжести сечения
плиты относительно нижней плоскости:
0,0696 м=6,96
см;п-y0=0,133-0,0696=0,0634 м=6,34 см.
Площади и координаты центров тяжести
элементов поперечного сечения плиты относительно нейтральной оси:
Верхней обшивки:ф.в.=bрасч.∙δф.в.=132,3∙0,8=105,84
см²ф.в.=hп-y0-=13,3-6,96-=5,94
см.
Нижней обшивки:ф.в.=bрасч.∙δф.н.=132,3∙0,6=79,38
см²ф.н.=y0-=6,96-=6,66
см.
Продольных рёбер:р.пр.=bр.пр.∙hр=20,4∙11,9=242,76
см²;р.=y0--δф.н.=6,96--0,6=0,41
см.
Приведённые собственные моменты
инерции элементов поперечного сечения плиты:
Верхней обшивки:ф.в.=
5,645 см4.
Нижней обшивки:ф.н.=
2,381 см4.
Продольных рёбер:р.пр.=
2864,77 см4.
Приведённый момент инерции сечения
плиты:пр.=Iф.в.+Iф.н.+Iр.пр.+Fф.в.∙y²ф.в.+Fф.н.∙y²ф.н.+Fр.пр.∙y²р.=
=5,645+2,381+2864,77+105,84∙5,94²+79,38∙6,66²+242,76∙0,41²=10169
см4=1,02∙10-4 м4.
Приведённый момент сопротивления
сечения для нижней обшивки плиты:
1461 см3=1,46∙10-3 м3.
Приведённый момент сопротивления
сечения для верхней обшивки плиты:
1603,9 см3=1,6∙10-3 м3.
Статический момент верхней обшивки
относительно нейтральной оси:ф.в.=Fф.в.∙yф.в.=105,84∙5,94=628,7
см3=6,29∙10-4 м3.
Приведённый статический момент
верхней сдвигаемой части сечения плиты относительно нейтральной
оси:.прив.=Sф.в.+bр.пр.(h-y0-δф.в.)²∙=628,7+20,4(13,3-6,96-0,8)²∙=941,8
см3=0,9∙10-3 м3.
Подсчёт нагрузок на плиту.
Подсчёт нагрузок на плиту
производится в соответствии с указаниями [1].
Таблица 1 - Подсчёт нагрузок на
плиту
|
Конструктивные
элементы и нагрузки
|
Нормативная
нагрузка gн, Па
|
Коэффициент
надежности по нагрузке
|
Расчётная
нагрузка q, Па
|
|
1
|
2
|
3
|
4
|
|
Постоянные
нагрузки
|
|
|
|
|
1
Трёхслойная рулонная кровля типа И-7 по СНиП II-26-76
|
90,0
|
1,3
|
117,0
|
|
2
Плита покрытия
|
|
|
|
|
2.1
Фанерные обшивки (δф.в.+δф.н.)∙ρф∙g=
=(0,008+0,006)∙700∙10=
|
98,0
|
1,1
|
108
|
|
2.2
Продольные рёбра ∙bр∙hp∙ℓp∙np∙ρр∙g=
= ∙0,046∙0,119∙2,94∙4∙500∙10=71,51,178,7
|
|
|
|
|
2.3
Поперечные рёбра ∙b`р∙h`p∙ℓ`p∙nп.p.∙ρд∙g=
∙0,046∙0,094∙0,429∙3∙5∙500∙10=30,921,134,0
|
|
|
|
|
2.4
Утеплитель 3а`∙(ℓп-5b`р)∙δy∙ρy∙g∙ =
=3∙0,429∙(4-5∙0,046)∙0,08∙100∙10∙ ∙ =82,271,2103,52
|
|
|
|
|
2.5
Пароизоляция δиз∙ρиз∙g=0,0015∙1300∙10
|
19,5
|
1,2
|
23,4
|
|
2.6
Слой пергамина на битумной мастике.
|
30
|
1,2
|
36
|
|
Нагрузка
от плиты
|
332,2
|
-
|
383,6
|
|
Всего
постоянная нагрузка на единицу площади покрытия
|
422,2
|
-
|
500,6
|
|
Постоянная
нагрузка на единицу площади покрытия приведённая к горизонтальной плоскости
g0=gп ;
α=14,250435,3-516,1
|
|
|
|
|
Нормальная
составляющая постоянной нагрузки g 90=g0∙cos 2α
|
409,6
|
-
|
485,6
|
|
Временные
нагрузки
|
|
|
|
|
Снеговая
нагрузка на горизонтальную поверхность S
|
1680
|
-
|
2400
|
|
Нормальная
составляющая снеговой нагрузки S90=S∙cos²α
|
1580
|
-
|
2258
|
|
Нормальная
составляющая полной нагрузки q 90=g 90+S90=
|
1990,3
|
-
|
2743,8
|
|
Нормальная
составляющая полной линейной нагрузки на плиту в Н/м q=q 90∙bп=q 90∙1,5=
|
2985
|
-
|
4116
|
Номинальный нормативный вес конструкций или
отдельных конструктивных элементов плиты приходящейся на единицу покрытия
определяется по формулам:
gсв=
∙V∙ρ∙g или
gсв=ρs∙g или
gсв=δф∙ρ∙g,
где bn - ширина плиты;
ℓn - длина плиты;- объём
плиты;
ρ - плотность материала элемента;
ρs - поверхностная плотность
материала;
δф - толщина фанерных обшивок.
Расчётная нагрузка определяется
путём умножения нормативной нагрузки на коэффициент перегрузки определяемый по
пункту 2.2. и пункту 5.7. [1].
Линейная нагрузка на плиту в Н/м
определяется путём умножения нагрузки на покрытие в Па на ширину плиты bn=1,5
м.
Расчёт нагрузок на плиту приведён в
таблице 1.
1.3 Расчёт плиты на прочность
Расчётные значения внутренних усилий
в плите определяем как в простой балке двутаврового сечения (рис.1) с пролётом
равным ℓрасч=2,94 м нагруженной линейной равномерно-распределённой
нагрузкой q=4116 Н/м:
4447 Н∙м;
6050 Н.
Нижняя фанерная обшивка проверяется
на растяжение в соответствии с п. 4.24. [2]:
3,05∙106 Па=3,05 МПа < mф∙Rф.р.=0,6∙14=8,4
МПа.
Верхняя сжатая фанерная обшивка
проверяется на устойчивость в соответствии с п. 4.26. [2].
6,39∙106 Па=6,39 МПа <
Rфс=12 МПа.
Коэффициент φф находим в
зависимости от отношения:
53,63 > 50, тогда
0,435
Дополнительно верхняя фанерная
обшивка плиты проверяется на местный изгиб от сосредоточенного груза Р=1000 Н с
коэффициентом перегрузки n=1,2 при ширине расчётной полосы b`ф.в.=1,0 м.=
71,25 Н∙м;
10,7 см3=10,7∙10-6 м3;
6,68∙106 Па=6,68 МПа < Rфи∙mн=6,5∙1,2=7,8
МПа.
В соответствии с п. 4.27 [2] рёбра,
по нейтральному слою, и клеевой шов между рёбрами и фанерной обшивкой проверяются
на скалывание при изгибе.
Рёбра по нейтральному слою:
0,29∙106 Па=0,29 МПа <
Rск=1,04 МПарасч=nр∙bр=4∙4,6=18,4 см=0,184 м.
Клеевой шов между рёбрами и
обшивкой:
0,20∙106 Па=0,2 МПа <
Rф.ск=0,8 МПа
Как видно из выполненного расчёта
принятые размеры и конструкция элементов плиты покрытия удовлетворяют
требованиям прочности.
1.4 Расчёт плиты на жёсткость
В соответствии с п.п. 4.33. и 4.34.
[2] прогиб плиты определяется с учётом деформаций сдвига по формуле:
4,77мм;
45,2∙10-3 м=4,5мм;
к=1 - так как высота плиты
постоянна;
с=(45,3-6,9β)γ=(45,36,9∙1)∙0,763=29,3;
β=1 - так как
высота панели постоянна;
γ=
0,763.
Коэффициенты к, с, β, γ определяются
по таблице 3 приложения 4 [2] как для балки двутаврового сечения, постоянной
высоты, с шарнирными опорами и линейной равномерно-распределённой нагрузкой.
Относительный прогиб плиты равен:
< [f]=
в соответствии с п. 4.32. [2], плита
покрытия удовлетворяет требованиям жёсткости.
2. Расчёт треугольной
металлодеревянной фермы с клеёным верхним поясом покрытия складского здания
деревянный конструкция
ферма покрытие
Необходимо рассчитать и
сконструировать несущую конструкцию покрытия - треугольную металлодеревянную
ферму с клееным верхним поясом однопролётного здания, защищённого от прямого
воздействия ветра, с постоянной влажностью воздуха в помещении порядка 70%.
Здание каркасное с размерами в плане
30,0 м ´ (n∙3,0)
м. Высота от пола до низа фермы - 6,6 м. Район строительства город Нижний
Новгород.
Нормативная поверхностная нагрузка
от ограждения покрытия приведённая к горизонтальной поверхности составляет
gн=435,3 Па. Временная снеговая нормативная поверхностная нагрузка равна 1680
Па.
2.1 Подбор сечения колонны
В качестве несущих конструкций
покрытия принимаются треугольные металлодеревянные фермы с клееным верхним и
металлическим нижним поясами. Фермы опираются на клееные деревянные колонны
сечением hkxbk = 416x18.5см. Размеры поперечного сечения колонн приняты по
предварительным расчетам из условия достижения предельной гибкости lпр= 120 по формулам:
м.
м.
где m - коэффициент, учитывающий закрепление концов
колонны, значения которого принимаются по п.4.21 [1];
Н = 6,4 м - высота колонны;р=Н = 6,4
м - расчетная длина колонны из плоскости изгиба.
Ширина и высота поперечного сечения
колонн назначается с учетом существующего сортамента пиломатериалов по ГОСТ
24454-80, припусков на фрезерование пластей досок перед склеиванием и припусков
на фрезерование по ширине клеевого пакета. Принимаем для изготовления колонн 16
досок шириной 200 мм и толщиной 26 мм (32 мм до острожки). Учитывая последующую
чистовую острожку боковых граней колонн устанавливаем размеры поперечного
сечения: hк = 16х26 = 416 мм и bк = 200-15 = 185 мм.
Рис. 2
2.2 Определение общих размеров фермы
Расчетный пролет фермы l = L - hк =
30000 - 416 = 29584 мм.
Высота фермы назначается из условия
ее жесткости с учетом допустимого уклона кровли, принимаемого в зависимости от
вида водоизолирующего слоя.
Принимаем высоту фермы h=3750
(кратной 25 мм), что не меньше
=
мм. Назначаем строительный подъем
fстр=
·l =
мм.
Угол наклона верхнего пояса с учетом
строительного подъема
tga =
; a = 14,25о; sina = 0,246; cosa
= 0,969.
Длина одного ската верхнего пояса (с
учетом строительного подъема)
м.
Длина элементов фермы:
ВД = ВЕ = 7,63·tga -
м.
м.
м.
Геометрическая схема фермы приведена
на рисунке 3.
Рис. 3
2.3 Выбор сорта древесины, её
влажности и расчётных сопротивлений, типа и марки клея
В соответствии с заданием принимаем
для элементов стропильных ферм и связей жёсткости древесину сосны по ГОСТ
24454-80 второго сорта.
Температурно-влажностные условия
эксплуатации конструкции - А2. Для этих условий максимальная влажность не
клееной древесины 20% и клееной 12%.
Расчётные сопротивления древесины
сосны второго сорта назначаем согласно таблицы 3 [2] с учётом необходимых
коэффициентов условий работы по п. 3.2. [2].
Для основных видов напряжённого
состояния в таблице 2.1. приведены значения расчётных сопротивлений и
коэффициентов условий работы.
Таблица 2 - Расчётные сопротивления
и коэффициенты условий работы сосны второго сорта
|
Конструктивные
элементы и виды напряжённого состояния
|
Значение
расчётного сопротивления Rтабл, МПа
|
Коэффициент
условий работы
|
Значение
сопротивления R, Мпа
|
|
Клееный
верхний пояс шириной свыше 13 см и высотой сечения свыше 13 до 50 см. Смятие
и сжатие вдоль волокон.
|
Rст=15
|
mв=1
mсл=1,05 mп=0,65
|
Rс=10,24
|
|
Клееная
стойка шириной свыше 13 см и высотой сечения свыше 13 до 50 см. Сжатие и смятие
вдоль волокон.
|
Rст=15
|
mв=1
mсл=1,05 mп=0,65
|
Rс=10,24
|
|
Клееный
верхний пояс. Местное смятие поперёк волокон в месте примыкания стойки.
|
Rсмт90=3
|
mв=1
mп=0,65
|
Rсм90=1,95
|
2.4 Расчёт фермы
Определение нагрузок
Нормативная поверхностная нагрузка от ограждения
покрытия приведённая к горизонтальной поверхности составляет:н=435,3 Па.
Временная нормативная поверхностная нагрузка
равна:=1680 Па.
Нормативная поверхностная нагрузка от
собственной массы стропильной фермы со связями может быть определена по формуле:
284 Па,
гдекс.в.=4 - коэффициент собственной массы
стропильной фермы с учётом связей.
Расчётная линейная нагрузка на ферму:
постоянная=(gн+gфн)∙1∙В=(435,3+284)∙1,1∙3=2374
Н/м;
временная=Sр∙В=2400∙3=7200 Н/м,
Где 1=1,1 - коэффициент надёжности по нагрузке,
по таблице1 [1];
В=3м - шаг ферм вдоль здания.
Узловая нагрузка в средних узлах стропильной
фермы:
постоянная=7,630∙cos∙g=7,630∙0,969∙2374=17552
Н=17,55 кН;
временная (снеговая)
,630∙cos∙S=7,630∙0,969∙7200=53233
Н=53,23 кН.
Полная узловая нагрузка:
Р=17,55+53,23=70,78 кН.
2.5 Определение усилий в элементах
фермы
Усилия в элементах фермы определяем путем
построения диаграммы усилий от единичной узловой нагрузки, расположенной на
половине пролета фермы Полученные значения заносим в таблицу 2. Умножая их на
фактические узловые нагрузки находим расчетные усилия в элементах фермы.
Опорные реакции от единичной нагрузки
определяются из условий:
SМВ = 0; 29,584·А - 0,5·29,584 - (13,916 + 7,834)
- 0,5·
SМА
= 0; 29,584·В - 0,5·
Рисунок 4
Таблица 3 - Усилия в стержнях фермы при
различных сочетаниях нагрузок
|
Элементы
фермы
|
Обозначения
элементов
|
Стержни
|
Усилия
от единичной нагрузки Р=1
|
Усилия
от постоянной узловой нагрузки G=17,55 кН
|
Усилия
от временной снеговой нагрузки F=53,23 кН
|
Расчётные
усилия, кН
|
|
|
|
Слева
|
Справа
|
На
всём пролёте
|
|
Слева
|
Справа
|
На
всём пролёте
|
При
снеге слева
|
При
снеге на всём пролёте
|
|
Верхний
пояс
|
О1
|
в-1
|
-3,75
|
-1,68
|
-5,43
|
-95,3
|
-200,0
|
-89,2
|
-289,2
|
-295,3
|
-384,5
|
|
О2
|
г-2
|
-3,41
|
-1,68
|
-5,09
|
-89,33
|
-181,5
|
-89,2
|
-270,9
|
-271,0
|
-360,2
|
|
О3
|
д-4
|
-1,68
|
-3,41
|
-5,09
|
-89,33
|
-89,2
|
-181,5
|
-270,9
|
-178,5
|
-360,2
|
|
О4
|
д-5
|
-1,68
|
-3,75
|
-5,43
|
-95,3
|
-89,2
|
-200,0
|
-289,2
|
-184,5
|
-384,5
|
|
Нижний
пояс
|
И1
|
а-1
|
3,6
|
1,65
|
5,25
|
92,1
|
191,9
|
87,5
|
279,4
|
284
|
371,5
|
|
И2
|
а-3
|
1,65
|
1,65
|
3,3
|
57,92
|
87,5
|
87,5
|
183,9
|
145,4
|
241,8
|
|
И3
|
а-5
|
1,65
|
3,6
|
5,25
|
92,1
|
87,5
|
191,9
|
279,4
|
179,6
|
371,5
|
|
Стойки
|
V1
|
1-2
|
-0,82
|
0,00
|
-0,82
|
-14,4
|
-43,7
|
0
|
-43,65
|
-58,1
|
-58,1
|
|
V2
|
4-5
|
0,00
|
-0,82
|
-0,82
|
0
|
-43,7
|
-43,65
|
-14,4
|
-58,1
|
|
Раскосы
|
Д1
|
2-3
|
1,72
|
0,05
|
1,77
|
31,1
|
92,0
|
2,2
|
94,2
|
123,1
|
125,3
|
|
Д2
|
3-4
|
0,05
|
1,72
|
1,77
|
31,1
|
2,2
|
92
|
94,2
|
33,3
|
125,3
|
|
Опорные
реакции
|
VA
|
-
|
1,485
|
0,515
|
2,0
|
35,1
|
79,0
|
27,4
|
106,5
|
114,1
|
141,6
|
|
VB
|
-
|
0,515
|
1,485
|
2,0
|
35,1
|
27,4
|
79,0
|
106,5
|
62,5
|
141,6
|
2.6 Подбор сечений деревянных
элементов фермы
Верхний пояс.
В верхнем поясе действует продольное усилие
О1=384500 Н и изгибающий момент Мq от поперечной нагрузки q=(q+S)∙cos²a=(2374+7200)∙cos²14,25°=8990
Н/м.
Для уменьшения положительного момента Мq узлы
фермы А,В и Б решены с внецентренным приложением продольной силы, в результате
чего в поясе возникают отрицательные моменты МN.
Задаёмся сечением верхнего пояса фермы, с учётом
сортамента на пиломатериалы по ГОСТ 24454-80, из 18 слоёв сечением слоя 32´200
мм.
После фрезерования досок по пластям, с учётом
рекомендаций [7], получим слои толщиной δ=32-6=26 мм.
Припуски на фрезерование боковых поверхностей элементов длиной до 12 м
составляют 15 мм. При этом ширина досок верхнего пояса будет В=200-15=185 мм.
Сечение верхнего пояса после механической
обработки слоёв по пластям и боковых поверхностей склеенных элементов
определится:´h=185´(18∙26)=185´468
мм.
Определим минимальную длину площадок смятия в
опорном, промежуточном узле В и коньковом узле фермы.
Минимальная длина площадки смятия в опорном узле
А и промежуточном узле В:
С1=С2=
0,213 м.
Длина площадок смятия в коньковом
узле:
С3=
0,213 м,
гдеRсм14,25˚`=
14,05 МПа.
Принимая эксцентриситеты сил в узлах
верхнего пояса е1, е2, е3 равными между собой и приравнивая напряжение в
сечении пояса по середине и по краям панели (задаваясь
=0,75),
величину эксцентриситета вычислим по формуле:
е=
0,0945 м;
Мq=
65420 Н∙м.
Рисунки 2.3. и 2.4.
Принимаем е=0,095. При этом длины
площадок смятия будут равны 330 мм.
Для принятого сечения верхнего пояса
185´468 мм
расчётная площадь:расч=0,185∙0,468=0,08658 м².
Расчётный момент сопротивления
площади сечения определится:расч=b∙h²/6=0,185∙0,468²/6=6,75∙10-3
м3.
Гибкость пояса в плоскости фермы:
λх=ℓ0/rх=
=56,41
Проверяем верхний пояс на прочность,
как сжато-изгибаемый элемент при полном загружении его постоянной и временной
снеговой нагрузкой по формуле:
.
Величина МА в соответствии с
расчётной схемой приведённой на рисунке 2. определяется из выражения:
Мд=Мд1-Мд2=
,
где
0,579;
кн=0,81+0,19∙ξ=0,81+0,19∙0,579=0,92;=N∙e=384500∙0,095=36527
Н∙м.
Мд=
44416 Н∙м.
10021127Па=10,02 МПа < Rс=10,24
МПа.
При одностороннем загружении снегом
слева продольное усилие О1=295300 Н.
Изгибающий момент от продольной силы
равен:=295300∙0,064=28054 Н∙м.
0,71;
кн=0,81+0,19∙ξ=0,81+0,19∙0,71=0,94;
Мд=
50106 Н∙м.
Напряжение в поясе определится по
формуле:
9833830 Па=9,83МПа < Rс=10,24
МПа.
Согласно п. 6.19. [2] в клееных
сжато-изгибаемых элементах допускается сочетать древесину двух сортов,
используя в крайних зонах на высоте поперечного сечения не менее
0,15h=0,15•468=70,2мм более высокий сорт пиломатериала. Принимаем для крайних
зон по две доски 2-го сорта, что составляет 3∙26=78 мм, а в средней зоне
12 досок 3-го сорта, что составляет 12∙26=312мм.
Расчёт верхнего пояса фермы на
устойчивость плоской формы деформирования не производим, поскольку кровельные
щиты связываются с последним, в результате чего достигается сплошное
раскрепление сжатой кромки.
2.7 Стойка ВД
Ширину поперечного сечения стойки
принимаем равной ширине верхнего пояса - 185 мм.
Из условия смятия древесины поперёк
волокон определим высоту сечения стойки:
0,131 м,
гдеRсм 90=2,4 МПа - расчётное
сопротивление древесины смятию поперёк волокон в узловых примыканиях элементов.
Принимаем сечение стойки 185´(6∙26)=185´156 мм.
Для принятого сечения стойки 185´156мм
площадь сечения:расч=0,185∙0,156=0,0289 м².
λ==
=31,6 <
70;
φ=1-0,8∙(λ/100)²=1-0,8∙(
)²=0,92.
Проверяем стойку на устойчивость:
218520 Па=0,22 МПа < Rc∙mb∙mсл∙mп=15∙1∙1,05∙0,65=10,2МПа.
Выбор марок, расчетных сопротивлений
стали и типа сварных соединений
В зависимости от степени
ответственности, а также от условий эксплуатации согласно табл. 50[3]
проектируемая ферма относится к группе 2. Согласно этой же таблице для
климатического района, к которому относится г. Нижний Новгород, принимаем по
таблице 51[3] для элементов узловых соединений листовую сталь по ГОСТ 27772-88
марки С255 с расчетным сопротивлением растяжению, сжатию и изгибу по пределу
текучести Ry =240 МПа (при толщине 4-20 мм)
Для растянутых элементов АД, А
Д
, ДБ, Д
Б
принимаем
горячекатаную сталь периодического профиля по ГОСТ 5781-75 класса А-III.
Расчетное сопротивление растяжению арматурной стали класса А-III при диаметре
стержней от 10 до 40 мм составляет Rs=365 МПа.
Растянутые элементы фермы, имеющие
концевую резьбу, по характеру работы могут быть отнесены к одноболтовым
соединениям, работающим на растяжение.
Согласно табл. 57[3] принимаем класс
прочности 6.6, для которого по таблице 58[3] находим расчетное сопротивление
Rbt =250 МПа.
Для определения расчетных
сопротивлений угловых швов срезу по металлу шва и металла по границе сплавления
по таблице 55[3] с учетом группы конструкций, климатического района и
свариваемых марок стали, выбираем тип электродов по ГОСТ 9467-75*.
Э 42А или Э46А-для стали марки С255;
Э 50А - для арматурных стержней
класса А-III
Выбранным типам электродов, согласно
табл. 56[3],соответствуют расчетные сопротивления угловых швов срезу по металлу
шва:
Э 42А- R
= 180 МПа;
Э46А - R
=200 МПа;
Э 50А - R
=215 МПа;
Расчетное сопротивление угловых швов
срезу по металлу границы сплавления определяем по табл.3[3]
=0.45 R
=0.45*370=166.5
МПа;
Согласно п 11.2 [3] для сварных
элементов из стали с пределом текучести до 295 МПа, следует применять электроды,
для которых должно выполняться следующее условие:
1,1 R
< R
< R
где
=1,0 и
=0,7
-коэффициенты, принимаемые по табл.34[8]
Для нашего случая при R
=245 МПа
< 295 МПа подходят электроды типа Э 42А или Э46А.
При электродах типа Э 42А: 1,1*166,5
< 180 < 166,5*1/0,7 (МПа) условие183,15 < 180 < 237,9 не
выполняется;
При электродах типа Э 46А: условие
183,15 < 200 < 237,9 (МПа) выполняется;
При электродах типа Э 50А: R
=375 МПа
> 295 МПа условие 166,5 < 215 < 237,9 (МПа) выполняется.
Таким образом, для элементов,
свариваемых угловыми швами, применяем электроды следующих типов:
Э 46А - для стали класса С255;
Э 50А - для арматуры класса А-III.
Подбор сечения стальных элементов
фермы
Опорная панель А-Д
Опорную панель нижнего пояса А-Д
принимаем из двух стержней арматурной стали класса А-III. Растягивающее усилие
в этой панели: И1=371500 Н
Требуемая площадь двух стержней с
учетом коэффициента m=0,85 (по п. 3,4[2]), учитывающего неравномерность
распределения усилий между стержнями:
Принимаем два стержня диаметром 28
мм.
Для них: F=12.32 cм
=12.32*10
м
> 12.0*10
м
Панель нижнего пояса Д-Д
Панель нижнего пояса Д-Д
принимаем
из трех стержней арматурной стали класса А-III, между которыми вварены концевые
стержни из арматурной стали класса А-I с нарезкой на концах (рис. 5а)
Рисунок 5 - Стальные элементы фермы:
а - панель Д - Д/; б - панель Д - Б
Растягивающее усилие в панели Д-Д
: И2=241800
Н
Требуемая площадь трех стержней:
Принимаем три стержня диаметром 20
мм с: F=9.43 cм
=9.43*10
м
> 7.8*10
м
Требуемая площадь нетто концевых
стержней:
Принимаем диаметр стержня 36 мм с
F=10.18 cм
> 9.67 см
Раскос Д-Б
Раскос Д-Б
принимаем
из трех стержней арматурной стали класса А-III с вваренными с одной стороны
концевым стержнем из арматурной стали класса А-I с нарезкой на конце (рис. 3б)
Растягивающее усилие в раскосе:
Д1=125300 Н;
Требуемая площадь двух стержней:
Принимаем два стержня диаметром 18
мм F=5.09 cм
=5.09*10
м
> 4.04*10
м
Требуемая площадь нетто концевого
стержня:
Принимаем диаметр стержня 28 мм с
F=6.158 cм
> 5.0 см
Опорный узел
Опирание фермы на обвязочный брус и
соединение верхнего пояса с нижним в опорных узлах производится при помощи
стальных сварных башмаков (рис. 6)
Рисунок 6 - Опорный узел фермы
В проектном положении ферма
фиксируется опорными башмаками. Опорная реакция передается на ферму через
обвязочный брус. Из условия смятия поперек волокон древесины бруса в опорной
плоскости находим требуемую площадь опорной плиты башмака:
м
Где
- расчетное сопротивление древесины
лиственницы смятию поперек волокон.
С учетом отверстий для анкеров
конструктивно принимаем ширину опорной плиты 180 мм и длину 350 мм.
При этом площадь опорной плиты: F
=0,18*0,350=0,063
cм
> 0,06 см
Толщину опорной плиты определим из
условия прочности на изгиб по сечению 5-5 консольного участка.
Изгибающий момент в полосе плиты
единичной ширины в сечении 5-5 определится:
;
где -
а = 0,0885 м- длина вылета
консольной части опорной плиты.
Момент сопротивления полосы плиты:
Из условия прочности требуемый
момент сопротивления площади плиты:
Таким образом:
м.
Принимаем толщину плиты равной 15
мм.
Толщину упорной плиты (2) на рис.4
определяется из условия прочности на изгиб условно вырезанной полоски металла
единичной ширины.
Изгибающий момент в полосе
определяется как в двухпролетной балке с пролетами а=189/2=94,5 мм, опирающейся
на среднее ребро и крайние фасонки (4):
где -
Толщина плиты определится по
формуле:
Принимаем толщину плиты равной 14
мм.
Круглые стержни панели АД
привариваются к фасонкам (4) по рис.4 четырьмя угловыми швами, которые должны
воспринимать растягивающее усилие в нижнем поясе И1=371500 Н.
Расчетная длина сварного шва
определяется из условия на срез согласно п. 11.1 [3] по двум сечениям - по
металлу шва и металлу границы сплавления.
Максимальный катет шва при сварке
листа и круглого стержня:
Принимаем
Расчетная длина сварного шва по
металлу шва определяется по формуле:
где
- коэффициент условий работы шва;
-коэффициент условий работы узла
конструкции.
Расчетная длина сварного шва по
металлу границы сплавления определяется по формуле:
Принимаем длину сварного шва 150 мм.
Промежуточный узел нижнего пояса
В этом узле соединяются четыре
элемента фермы: опорная и центральная панель нижнего пояса, стойка и раскос.
Сжатая стойка из клееной древесины
опирается на упорный столик (1), расположенный между двумя стальными фасонками
(2), приваренными к ветвям опорной панели рис. 7. На концах опорной панели и на
фасонках выполнены упоры (3) и (4),в отверстия которых пропускаются концевые
стержни (имеющие резьбу) раскоса и центральной панели нижнего пояса и
закрепляются гайками и контргайками.
Рисунок 7 - Промежуточный узел по
нижнему поясу
Толщину плиты опорного столика
определим исходя из условия ее работы на изгиб.
Нагрузкой на плиту является
равномерное давление стойки:
Изгибающий момент определяется как в
плите, опертой по трем сторонам. Однако при отношении а/b < 0.5 влияние
опирания на сторону “а” делается незначительным, и плита рассчитывается,
выделив полосу 1 м как консоль с вылетом “а” по формуле:
,
В данном случае:
а/b=0,078/0,185=0,42 < 0,5
Н*м,
Толщина плиты определяется по
формуле:
Принимаем толщину плиты равной 13
мм.
Ребро опорного столика
рассчитывается на изгиб с учетом работы плиты.
Площадь поперечного сечения столика:
Статический момент площади
поперечного сечения относительно оси х
- х
:
Расстояние от оси х
- х
до центра
тяжести поперечного сечения:
Момент инерции площади сечения
относительно оси х-х, проходящей через центр тяжести сечения столика:
=2,66*10
м
Момент сопротивления сечения:
Изгибающий момент в столике:
Где q=
H/м- пролет столика равный
расстоянию между фасонками (2);
Где
=0,189 м - пролет столика, равный
расстоянию между фасонками (2);- ширина, условно вырезанной из столика
расчетной полосы.
Напряжение в столике:
Сварные швы, прикрепляющие ребро
опорного столика к фасонкам, должны воспринять усилие V=58100 Н. Расчетная
длина сварного шва определяется из условия на срез:
по металлу шва:
где
- минимальный катет швов по табл.
38[8]
=200 МПа -
расчетное сопротивление угловых швов по металлу шва для стали класса С255 при
электродах Э46А.
по металлу границы сплавления:
привариваем ребро упорного столика к
фасонкам по вертикальным плоскостям. При этом фактическая расчетная длина швов
определяется:
упорная плита столика приваривается
к ребру и фасонкам согласно рис. 7.
Сварные швы, прикрепляющие упор (3)
к ветвям нижнего пояса рассчитываются на срез по усилию И2=244500 Н.
При
расчетная длина шва по металлу шва
определяется по формуле:
Расчетная длина шва по металлу
границы сплавления:
Принимаем длину швов 120 мм.
Сварные швы, прикрепляющие фасонки
(2) к ветвям нижнего пояса воспринимают усилие равное равнодействующей усилий в
нижнем поясе
;
Принимаем, с запасом прочности,
длину нижнего шва как и в опорном узле 150 мм, при
Концевой стержень центральной панели
нижнего пояса фермы Д-Д
приваривается к трем ветвям шестью швами.
При
расчетная длина шва по металлу шва:
Расчетная длина шва по металлу
границы сплавления:
Принимаем длину шва 70 мм.
Концевой стержень раскоса Д- Б
приваривается к двум ветвям четырьмя швами.
При
расчетная длина шва по металлу шва:
Расчетная длина шва по металлу
границы сплавления:
Принимаем длину шва 70 мм.
Промежуточный узел верхнего пояса
Глубина прорези от верхней кромки
равна 2*e=2*64=128 мм. Соединение смежных клееных блоков пояса осуществляется
при помощи деревянных накладок сечением 69
169 мм (до острожки - доска сечением
75
175 мм),
располагаемых с двух сторон и связанных конструктивно болтами
14
мм.
Подбалка, поддерживающая верхний
пояс в месте стыка, нижней гранью опирается на стойку, сжимающее усилие в
которой V1=58100 Н;
Площадь смятия равна:
Fсм=0,185*0,156=0,029 cм
Рисунок 8 - Промежуточный узел по
верхнему поясу
Напряжение смятия:
Условие выполняется. Сечение стойки
из четырех досок 32
200(после
фрезерования слоев и пакета 185
156 мм)
Коньковый узел фермы
Конструкция конькового узла рис. 9
предусматривает укрупненную сборку фермы перед ее монтажом из двух шпренгельных
балок.
Рисунок 9 - Коньковый узел фермы
Стальные опорные элементы приняты
конструктивно из листовой стали класса толщиной 8 мм. Каждая ветвь раскоса
приваривается двумя швами длиной по 70 мм каждый при
=6 мм.
3. Мероприятия по защите деревянных
конструкций от возгорания и гниения
В соответствии с [7] конструктивные
решения зданий и сооружений должны обеспечивать возможность периодического
осмотра деревянных конструкций и возобновления защитных покрытий.
Защита деревянных конструкций от
коррозии, вызываемой воздействием биологических агентов, предусматривает
антисептирование, консервирование, покрытие лакокрасочными материалами или
поверхностную пропитку составами комплексного действия.
Применяемые в конструкциях
металлические элементы надлежит защищать от коррозии в соответствии с п. 5 [7].
При опирании несущих деревянных
конструкций необходимо предусматривать установку гидроизоляционных прокладок.
Агрессивное воздействие на
деревянные конструкции оказывают биологические агенты - дереворазрушающие грибы
и др., вызывая биологическую коррозию древесины, а также химически агрессивные
среды (газообразные, твердые, жидкие), вызывая химическую коррозию древесины.
При проектировании деревянных
конструкций для эксплуатации в химических средах средней и сильной степени
агрессивного воздействия, действие биологических агентов не учитывается.
Конструкции следует проектировать с
минимальным количеством металлических соединительных деталей и с применением
химически стойких материалов (модифицированный полимерами древесины,
стеклопластиков и др.). При применении металлических соединительных деталей
должна быть предусмотрена их защита от коррозии.
Защита деревянных конструкций от
коррозии, вызываемой воздействием биологических агентов, предусматривает
антисептирование, консервирование, покрытие лакокрасочными материалами или
поверхностную пропитку составами комплексного действия. При воздействии
агрессивных сред следует предусматривать покрытие конструкций лакокрасочными
материалами или поверхностную пропитку составами комплексного действия.
Защитную обработку деревянных
элементов производить после выборки гнезд, снятия фасок, сверления отверстий.
Все деревянные элементы цельного сечения
обработать огнебиозащитным составом марки КСД-А.
Клееные элементы покрыть 2 раза
пентафталевой эмалью ПФ-115.
Деревянные элементы в местах
соприкосновения с металлом обмазать герметиком У-30м.
Металлические детали окрасить 2 раза
пентафталевой эмалью ПФ-115 по грунтовке.
Список использованной литературы
1. СНиП
2.01.07-85. Нормы проектирования. Нагрузки и воздействия. Стройиздат, 1986.
2. СНиП
II-25-80. Нормы проектирования. Деревянные конструкции. Стройиздат, 1982.
. СНиП-II-23-81*.
Нормы проектирования. Стальные конструкции. Стройиздат, 1988.
. СНиП
2.03.11-85. Защита строительных конструкций от коррозии. Стройиздат, 1986.
. ЦНИИСК
им. В.А. Кучеренко. Руководство по изготовлению и контролю качества клеённых
деревянных конструкций. Стройиздат, 1982.
. Е.А.
Кравцов. Покрытие по треугольным металлодеревянным фермам с клееным верхним
поясом. Методические указания по выполнению курсового и дипломного проектов.
Горький, 1987.
. И.М.
Кудряшов. Плиты покрытий с фанерными обшивками. Проектирование и расчёт.
Методические указания для выполнения курсового и дипломного проектирования.
Горький 1984.