Организация производства земляных работ
Введение
земляной экскаватор
котлован шлюз
Согласно строительным нормам и
правилам, каждое строительство должно быть обеспечено проектной документацией
по производству работ в соответствии со СНиП 3.01.01.-85.
Данный курсовой проект в
совокупности представляет единый комплекс задач, тесно связанных между собой,
которые решаются при проектировании земляных работ в гидротехническом
строительстве при наличии подходных каналов, котлована под судоходный шлюз и
оградительных дамб. Решения курсового проекта принимаются на основе изучения
передовых достижений науки, техники и производства в области технологии и
организации строительства.
В курсовом проекте последовательно
решаются следующие задачи :
·
изучение отметок рельефа, формы и привязки котлована под гидротехнические
сооружения, грунтовых условий ;
·
определение объемов грунта при возведении котлована, подходных
каналов, дамб и обратной засыпки ;
·
составление сводного баланса земляных масс ;
·
составление схемы перемещения грунта и определение средней дальности
транспортировки грунта ;
·
назначение и обоснование способов разработки, транспортировки,
разравнивания, планировки и уплотнения грунта ;
·
выбор оптимального варианта производства земляных работ и
комплекта машин ;
·
определение необходимого количества транспортных средств для
вывоза грунта ;
·
расчет средств водопонижения в пределах котлована;
·
разработка технологической карты на отрывку котлована.
Исходные данные
Для выполнения курсового проекта
необходимы следующие данные:
. План строительной площадки с
нанесенными на нем горизонталями, осями судоходной системы и оградительной
дамбы (приложение 1)
. Поперечный разрез шлюза с
указанием геометрических размеров (рисунок 3.1.)
. Отметки :
·
горизонта верхнего бьефа ГВБ = 80 м.
·
горизонта нижнего бьефа ГНБ = 70 м.
·
грунтовых вод УГВ = 67 м.
4. Сроки выполнения работ: 6 месяца
(начало - май)
. Ведущая машина для разработки
грунта: экскаватор с оборудованием прямая лопата.
.Грунтовые условия: песок
. Район строительства: г. Красноярск
Подсчет объемов работ по
земляным выработкам и насыпям
Для определения размеров земляных
сооружений необходимо, прежде всего, найти размеры конструкций шлюза, пользуясь
данными задания и поперечным разрезом камеры шлюза (рисунок 3.1.)
Рисунок 3. 1 -
Поперечный разрез котлована шлюза
Как видно из рисунка,
ширина котлована шлюза равна
Вкш = В + 6 + 30 , м
где В - ширина камеры
шлюза по заданию (В = 18 м.);
- толщина стен, м.;
- увеличение ширины
котлована шлюза для удобства производства
работ по возведению
камеры шлюза, м.
Таким образом, ширина
котлована шлюза равна:
Вкш = 15+ 6 + 30 = 51 м.
Длина котлована шлюза
определяется как длина камеры шлюза плюс увеличение длины котлована для
удобства производства работ:
Lкш=l+30=340+30=370 м
- увеличение длины
котлована шлюза для удобства производства работ по возведению камеры шлюза, м.
Проектирование
начинается с компоновки генерального плана. На план с горизонталями в
соответствии с заданной осью судоходной системы наносятся контуры котлована
шлюза и подходные каналы. Расположение котлована шлюза принимают на пересечении
осей оградительной дамбы и судоходной системы.
Примыкание подходных
каналов к котловану шлюза выполняют в соответствии с нижеприведенной схемой:
Рисунок 3. 2 - План
примыкания судоходных каналов к котловану шлюза
После компоновки плана
вычерчивается продольный профиль по оси судоходной системы. Масштабы
продольного профиля:
по горизонтали 1:10000;
по вертикали 1:100 .
(Продольный профиль оси
судоходной системы см. приложение 2).
Проектная отметка дна
верхнего подходного канала (ДВПК) равна отметке горизонта верхнего бьефа (ГВБ)
за вычетом 4 м.:
ДВПК = ГВБ - 4 = 80 - 4
= 76 м.
Проектная отметка дна
нижнего подходного канала (ДНПК) равна отметке горизонта нижнего бьефа (ГНБ) за
вычетом 4м.:
ДНПК = ГНБ - 4 = 70 - 4
= 66 м.
Проектная отметка дна
котлована шлюза (ДКШ) равна отметке дна нижнего подходного канала (ДНПК) за
вычетом толщины днища (Д):
ДКШ = ДНПК - Д = 66 - 3
= 63м.
ВД = ГВБ + 2м = 80 + 2 =
82м
Для построения
продольного профиля необходимо на плане произвести пикетаж. Пикеты
проставляются от начала судового хода начиная с ПК 0, через каждые 100м по
всему судовому ходу.
На продольном профиле
красные отметки это проектируемые отметки, черные - это отметки поверхности
земли. Рабочие отметки - разница между черными и красными отметками.
Так как отметка дна
нижнего подходного канала (ДНПК) ниже бытового горизонта воды в реке, то между
каналом и рекой оставляется временная целиковая перемычка (рисунок 3.3.)
Рисунок 3. 3 - Схема
расположения целиковой перемычки
В местах перелома
продольного профиля и характерных точках вычерчивают поперечные сечения
выработок. Поперечные профили строятся без искажений масштаба.
Крутизну откосов подходных каналов
рассчитывают исходя из условий предъявляемых в СниП 2.06.04-82.
Размеры котлована на уровне
плоскости горизонта подсчитывают, учитывая допустимую крутизну откосов, которая
определяется в зависимости от вида грунта и глубины выемки по СНиП 3.02.01.-87
Правила производства и приемки работ.
В данном курсовом проекте крутизну
откосов котлована шлюза можно принимать в соответствии с рисунка 3.4.
Рисунок 3. 4 -
Поперечное сечение котлована шлюза
Значение n2 определяется в зависимости от вида грунта и глубины выемки по
таблице 3.1. в методических указаниях к курсовому проекту /1/, а n1 = 0.5 + n2.
Для песка при глубине
выемки от 3 до 5 метров n2 = 1, n1 = 1+ 0.5 = 1.5
Крутизна откосов
подходных каналов рассчитывается, исходя из условий, предъявляемых в СНиП . В
данном курсовом проекте крутизну откосов принимают по схеме рисунок 3.5., где n3
= 3 ; n4 = 1.5 .
(Поперечные сечения
котлована шлюза см. приложение 3).
Рисунок 3. 5 - Откосы в
подходных каналах
(Поперечные сечения
подходных каналов см. приложение 4).
Проектирование
оградительных дамб выполняется аналогично, как и по оси судоходной системы.
Отметку верха дамбы принимают выше горизонта верхнего бьефа на 2 м. (ГВБ + 2).
Ширину дамбы по гребню принимают 20 м. Расстановку пикетов производим от реки
до горизонтали соответствующей верху дамбы.
Крутизна откосов
назначается по рис.3.6 , где n5
= 3; n6 = 1.5 .
Рисунок 3. 6 -
Поперечное сечение дамбы
(Продольный профиль
дамбы и поперечные сечения дамбы см. приложение 5)
После построения
продольных профилей и поперечных сечений производится подсчет объемов земляных
работ, отдельно по выработкам и насыпям. Объем грунта подсчитывается по
упрощенной формуле :
где Fi + Fi+1 - площади
поперечников, м2.
L
- расстояния между поперечниками, м.
Учитывая, что объем
котлована шлюза значительно превышает объем камеры шлюза, следует после ее
постройки произвести обратную засыпку пазух грунтом, заранее отсыпанным в отвал
по обе стороны котлована. Засыпку производят с двух сторон на всю длину шлюза
по приведенной на рисунке 3.7. схеме. Схема обратной засыпки выполняется на
одном из поперечных сечений по котловану шлюза.
Рисунок 3. 7 - Схема
обратной засыпки грунта
Расчет объема выемок и
насыпей производится в табличной форме (таблица 1).
Таблица 1 - Ведомость
подсчета объёмов земляных работ.
Наименование объекта № пике- та Высота
сечения h, м Площадь сечения F,
м 2. Значения
, м2Расстояние
между профилями l,мОбъем грунта
|
V,
м3
|
|
|
|
|
ВПК
|
ПК 2+30
|
0
|
0
|
|
|
|
|
|
|
|
36
|
90
|
3240
|
|
ПК 3+20
|
2
|
72
|
|
|
|
|
|
|
|
120
|
170
|
20400
|
|
ПК 4+90
|
4
|
168
|
|
|
|
|
|
|
|
228
|
230
|
52440
|
|
ПК 7+20
|
6
|
288
|
|
|
|
|
|
|
|
288
|
220
|
63360
|
|
ПК 9+40
|
6
|
288
|
|
|
|
|
|
|
|
228
|
350
|
79800
|
|
ПК 12+90
|
4
|
168
|
|
|
|
|
|
|
|
120
|
90
|
3240
|
|
ПК 13+80
|
2
|
72
|
|
|
|
|
Итого по ВПК 222480 м3
|
|
КШ
|
ПК 10+8
|
5
|
1186
|
|
|
|
|
|
|
|
1210,75
|
20
|
24215
|
|
ПК 13+50
|
4,5
|
1235,5
|
|
|
|
|
|
|
|
1210,75
|
350
|
423762,5
|
|
ПК17+50
|
4
|
1186
|
|
|
|
|
Итого по КШ 447977,5 м3
|
|
НПК
|
ПК 17+50
|
1
|
715,5
|
|
|
|
|
|
|
|
669,75
|
450
|
301387,5
|
|
ПК 22
|
0
|
624
|
|
|
|
|
|
|
|
537
|
210
|
112770
|
|
ПК 24+10
|
8
|
450
|
|
|
|
|
|
|
|
369
|
90
|
33210
|
|
ПК 25
|
6
|
288
|
|
|
|
|
|
|
|
247,4
|
90
|
22266
|
|
ПК25+90
|
7
|
206,5
|
|
|
|
|
Итого по НПК 469633,5 м3
|
|
ЛД
|
ПК 0
|
2
|
660
|
|
|
|
|
|
|
|
574,5
|
80
|
45960
|
|
ПК 0+80
|
0
|
489
|
|
|
|
|
|
|
|
412,5
|
120
|
49500
|
|
ПК 2
|
8
|
336
|
|
|
|
|
|
|
|
276,5
|
60
|
16590
|
|
ПК2+60
|
6
|
217
|
|
|
|
|
|
|
|
178,4
|
350
|
62440
|
|
ПК6+10
|
5
|
139,75
|
|
|
|
|
|
|
|
|
|
|
|
Итого по ЛД 174490 м3
|
|
ПД
|
К7+30
|
2
|
49
|
|
|
|
|
|
|
|
49
|
240
|
11760
|
|
ПК9+70
|
0
|
0
|
|
|
|
Таблица. Итого по ПД 11760 м3
|
ОЗ F=918м 2
, Lкш=370 м. Итого по ОЗ=2F*Lкш=339660 м3
|
|
Итого по выемкам: 1326341 м3 Итого по насыпям: 339660
м3
|
Условные обозначения :
ВПК - верхний подходной канал;
КШ - котлован шлюза;
НПК - нижний подходной канал;
ЛД - левая дамба;
ОЗ - обратная засыпка.
Составление баланса
земляных масс на строительной площадке
По результатам подсчета объемов
грунта составляют баланс земляных масс в табличной форме (таблица 2)
Таблица 2 - Баланс земляных масс.
|
Выемки
|
Объёмы грунта, тыс. м3.
|
|
|
Итого
|
|
|
Левая дамба (ЛД)
|
Правая дамба (ПД)
|
Обратная засыпка (ОЗ)
|
Кавальер
|
|
|
ВПК
|
222
|
65
|
-
|
-
|
57
|
222
|
|
КШ
|
448
|
4
|
114
|
330
|
-
|
448
|
|
НПК
|
469
|
-
|
-
|
-
|
469
|
469
|
|
ИТОГО
|
1139
|
169
|
114
|
330
|
529
|
1139
|
При составлении баланса земляных
масс необходимо стремиться к максимальному использованию грунта из выемок
для отсыпки насыпей, соблюдая при этом минимальную дальность возки. Излишек
грунта отвозится в кавальер.
В балансе земляных масс
геометрический объём насыпей ( ЛД и ОЗ ) уменьшают на величину остаточного
разрыхления, поскольку уплотнить грунт до естественной плотности не возможно.
Для этого объем насыпи делят на показатель остаточного разрыхления грунта,
выраженный в процентах. Показатель разрыхления для суглинка равен kор =3%.(таблице 4.2 /1/).
Таким образом, объем насыпи равен :
V = Vг -3%
где Vг - геометрический объем грунта (из
таблицы 1)
Грунт обратной засыпки необходимо
разместить в отвалы. Отвалы располагают с двух сторон котлована шлюза.
Для определения размеров отвалов
необходимо определить объем одного отвала:
,
Кпр-
показатель первоначального увеличения грунта после разработки, %
Высоту отвала принимаем h=4…6м; h=6м, длину стороны b определяем графически:
,
Вторую сторону
определяем как:
,
Отвалы показаны в
масштабе на плане. Также на плане необходимо показать расположение кавальеров.
Кавальеры располагаются в незатопляемой зоне не менее чем в 50 метрах от
сооружения. Объем кавальера также необходимо увеличить на показатель
первоначального разрыхления. Высота кавальера h=4...6
м, длина одной стороны не более 300 м, расстояние между кавальерами не менее 20
м.
Принимаем два кавальера,
площадью 10816 м2 и 88209м2
На плане стрелками
показано направление перемещения грунта.
Определение средней
дальности перемещения грунта
Среднюю дальность
перемещения грунта определяют для последующего выбора комплекта
землеройно-транспортных машин (таблица 3).
Таблица 3 - Определение
средней дальности перемещения грунта.
|
Место разработки грун- та
|
Место укладки грун- та
|
Объем перемещаемого грунта V,
м3
|
Расстояние транспортирования грунта L,
м.
|
Значения V*
L, м3.
|
Средняя Дальность
|
|
ВПК
|
К1 ЛД
|
57000 165000
|
140 670
|
7980000 110550000
|
Lср=264,4
|
|
КШ
|
ЛД ПД ОЗ
|
4000 114000 330000
|
470 290 135
|
1880000 33060000 44550000
|
|
|
НПК
|
К2
|
469000
|
220
|
103180000
|
|
Средняя дальность возки грунта
определяется по формуле:
где V1, V2, ...Vn -
частные объемы перемещаемого грунта согласно баланса земляных масс, м. куб. ;,
L2, ... Ln - частные расстояния перемещения этого же грунта, м.
Значения L1, L2, ... Ln
определяют как расстояния между центрами тяжести выемки и насыпи.
ср = 301200000/ 1139000
= 264,4м.
Выбор комплектов машин
для производства земляных работ
Для разработки грунта в
котловане шлюза и подходных к нему каналов в качестве ведущей машины применяют
экскаваторы с оборудованием прямая лопата.
В зависимости от месячного объема
земляных работ определяют емкость ковша экскаватора. Месячный объем земляных
работ определяется как отношение объема выемок к продолжительности работ (6
месяца) :
Vмес = 1666001/6= 277666,8м3/мес.
В соответствии с таблицей 6.1.
определяется емкость ковша экскаватора:
для месячного объема
разрабатываемого грунта свыше 100000 м. куб. емкость ковша экскаватора должна
находиться в пределах 2,0 - 4,0 м3
Для сравнения вариантов
предварительно выбираем два типа экскаваторов, отличающихся емкостью ковша. По
таблице 6.2. выбираем экскаваторы : ЭО-7111 с емкостью ковша 2,5 м3,
ЭКГ-4 с емкостью ковша 4 м3.
Из этих экскаваторов выбираем один,
имеющий наибольшую экономическую эффективность.
Для этого определяем стоимость
разработки 1м.куб. грунта для каждого типа экскаваторов:
где 1,08 - коэффициент,
учитывающий накладные расходы;
Смаш-см - стоимость
машино-смены экскаватора (по табл. 6.2), руб./смен.;
Псм.выр. - сменная
выработка экскаватора, м. куб./смен.
где V - объем
разрабатываемого грунта, м. куб. ;маш-смен - количество машино-смен
экскаватора.
где Нм.вр. - норма
машинного времени на единицу измерения, маш-час
( по ЕНиР Е 2-1 /3/ );
,2 - продолжительность
рабочей смены, час ;- единица измерения, 100 м. куб.
Затем определяем
удельные капитальные вложения на разработку 1м3 грунта для каждого
типа экскаваторов :
,
где Сир -
инвентарно-расчетная стоимость экскаватора, может быть принята по табл. 6.2,
руб. ;
tгод
- нормативное число смен работы экскаватора в году, для машин с объемом ковша
более 0,65 м. куб. может быть принято 300 смен.
Далее определяем
приведенные затраты на разработку 1м3 грунта :
П = С + ЕК ,
где Е - нормативный
коэффициент эффективности капитальных вложений, равный 0,15.
По наименьшим
приведенным затратам выбираем экскаватор для разработки грунта.
ЭО - 7111 ЭКГ-4
Вместимость ковша с
зубьями 2,5 м3 4 м3
Длина стрелы 8,6м10,5м
Наибольший радиус
копания12м14,3м
Радиус копания на уровне
стоянки7,2м8,7м
Наибольшая высота
копания10м10м
Наибольший радиус
выгрузки 10,8м 12,6м
Наибольшая высота
выгрузки 7м6,3м
Грунт-песок без примесей
,
2 группа грунта.
ЭО-7111
Нм.вр. = 0,53 маш-час
W
= 100 м3
nмаш-смен
= (1139*0,53)× / (8,2*100) =0,74
Псм.выр. =1139/0,5
=1539,1м3/смен
С = (1,08*2989) /
1539,1=2,1 руб/м3
К = (1,07*56070)/
(1539,1*300)=9,09 руб/м3
П = 2,1+ 0,15*9,09= 3,5
руб/ м3
ЭКГ-4
Нм.вр. = 0,41 маш-час
W
= 100 м. куб.
nмаш-смен
= (1139*0,41)× / (8,2*100) =0,57
Псм.выр. =1139/0,57
=1998,2 м3/смен
С = (1,08*5774,3) /
1998,2 = 3,1 руб/ м3
К = (1,07×
8190000 )/ (1998,2*300)=14,84 руб/ м3
П = 3,1+ 0,15*14,84=
5,3руб/ м3.
Полученные цены
необходимо умножить на коэффициент, равный 70. Так как цены предоставленные в
ЕниРе устарели.
Так как приведенные
затраты для экскаватора ЭО-7111 меньше, чем для экскаватора ЭКГ-4(3,5<5,3),
то в качестве основной машины для разработки грунта принимаем экскаваторЭО-7111
с емкостью ковша 2,5 м3.
В качестве комплектующих машин для
вывоза лишнего грунта из выемок и обеспечения совместной работы с экскаватором
выбираем автосамосвалы. Марку автосамосвалов и их грузоподъемность назначаем в
соответствии с таблице 6.3 и 6.4
Так как среднее расстояние
транспортирования грунта составляет 264,4 м. и емкость ковша экскаватора равна
2,5 м3., то по вышеуказанным таблицам выбираем автосамосвалы
МАЗ-525, имеющие следующие характеристики:
·
грузоподъемность - 25 тонн
·
емкость кузова - 14,3 м3
Количество транспортных средств:

,
где Тц - время одного
цикла работы транспортной единицы, мин.;
tн
- расчетное время загрузки транспортной единицы, вычисленное по проектируемой
производительности экскаватора, мин.
Время цикла работы
транспортной единицы:
Тц = tн + tп + tр + tм ,
где tп - время пути, мин.;
tр
- время разгрузки, мин.;
tм
- время маневров транспортной единицы, мин.
При определении времени
загрузки tн сначала подсчитывают количество ковшей с грунтом n , требующихся для заполнения одной транспортной единицы:
,
где Q =25 - грузоподъемность транспортной единицы, т.;
ρ
= 1,6 - плотность грунта , т/ м3.
е = - геометрическая
емкость ковша экскаватора, м3.
Кн = 0,87 - коэффициент
наполнения ковша разрыхленным грунтом, (табл. 6.5).
n=25/1,6×2,5
×0,87=7,18,
Полученное значение
округляем в меньшую сторону до целого числа
(n = 7), тогда время загрузки:
,
где Пн - нормативная
производительность экскаватора, определяется по формуле:
Пн =ТW/Нм.вр.=1 ˖ 100/0.41=244 м3/ч
Следовательно, время
загрузки равно:
tн=7×2,5×0,87×60/244=3,74
мин.
Время пути определяется
по формуле:
,
где Lcp = 0.264 км - средняя дальность перевозки грунта;
Vср
- средняя скорость движения транспорта, км/час.
Средняя скорость
движения определяется по табл.6.6 и 6.7. Для грунтовых не накатанных дорог при
грузоподъемности самосвала 25 тонн средняя скорость равна 18 км/час. При
перевозке грунтов на расстояния менее 5 км средняя скорость уменьшается на
коэффициент, равный 1,2. Таким образом, средняя скорость движения автомобиля
равна:
Vср
= 18/1,2 = 15 км/час.
Тогда время пути равно:
tп
= (2 × 0,264 × 60) / 15 = 2,11 мин.
Время разгрузки tр и время маневров транспорта tм
принимается по табл. 6.8. В соответствии с данной таблицей, для автомобиля с
грузоподъемностью 25 тонн:
tр
+ tм = 4,23 мин.
Следовательно, время
полного цикла работы равно:
Тц = 3,74+ 2,11+ 4,23 =
10,08 мин.
Количество
автосамосвалов на один экскаватор:
Nтр
= 10,08/ 3,74 = 2,7
Полученное количество
транспортных средств округляем до целого числа:
Nтр
= 3
После выбора типа и
марки экскаватора необходимо назначить комплект машин для производства земляных
работ. Наиболее рациональной формой выполнения работ является комплексная
механизация, при которой ряд технологически зависимых процессов осуществляют
различными машинами, увязанными в едином процессе по признаку производительности.
Для производства
земляных работ в данном курсовом проекте необходимы следующие машины:
1.
экскаватор для разработки грунта;
2.
автосамосвалы для транспортировки грунта;
3.
бульдозер для разравнивания грунта в насыпях;
4.
каток для уплотнения грунта в насыпях;
5.
бульдозер для окончательной планировки дна котлована шлюза;
6.
экскаватор с планировочным ковшом для планировки откосов.
Число работающих машин на каждом
процессе зависит от сменной интенсивности разработки. Сменную интенсивность
определяют по нормативному сроку строительства в соответствии с заданием по
формуле:
,
где V - объем разрабатываемого грунта, м. куб.;
Т - срок возведения
сооружения в сменах (Т = 6 месяца = 264смен)
Нормативную
производительность определяют по ЕНиР /3/:
,
где Т -
продолжительность рабочей смены (8,2 часа);
W
- единица измерения в соответствии с /3/;
Нм.вр. - норма машинного
времени на единицу измерения, м-час.
Число одновременно
работающих машин N на каждом процессе
определяется по формуле:
Таблица 4 - Определение
площади откосов
|
Наименование объекта
|
№ ПК
|
Длина откосов в сече нии L,м
|
Значение L1+L2/2
|
Расстояние между профилями L,м
|
Площадь Откосов S,м
|
|
ВПК
|
ПК3+20
|
12
|
|
|
|
|
|
|
19
|
170
|
3230
|
|
ПК4+90
|
26
|
|
|
|
|
|
|
32
|
230
|
7360
|
|
ПК7+20
|
38
|
|
|
|
|
|
|
|
|
|
|
НПК
|
ПК17+50
|
68
|
|
|
|
|
|
|
67
|
450
|
30150
|
|
ПК22
|
66
|
|
|
|
|
|
|
62
|
210
|
13020
|
|
ПК24+10
|
58
|
|
|
|
|
|
|
48
|
90
|
4320
|
|
ПК25
|
38
|
|
|
|
|
|
|
33
|
90
|
2970
|
|
ПК25+90
|
28
|
|
|
|
|
ЛД
|
ПК0
|
76
|
|
|
|
|
|
|
71,5
|
80
|
5720
|
|
ПК0+80
|
67
|
|
|
|
|
|
|
57,5
|
120
|
6900
|
|
ПК2
|
48
|
|
|
|
|
|
|
43,5
|
60
|
2610
|
|
ПК2+60
|
39
|
|
|
|
|
|
|
36
|
350
|
12600
|
|
ПК6+10
|
33
|
|
|
|
|
ПД
|
ПК7+30
|
11
|
|
|
|
|
|
|
11
|
240
|
2640
|
|
ПК9+70
|
0
|
|
|
|
|
ОЗ
|
|
74
|
74
|
370
|
27380
|
|
Экскаваторы
В качестве машины для разработки
грунта был выбран экскаватор ЭО-7111 с емкостью ковша 2,5 м. куб.
Объем разрабатываемого экскаватором
грунта равен объему выемок из таблицы №1 (V = 1326341м. куб.). Сменная
интенсивность равна:
Исм = 1326341 / 264 = 5024 м3./см.
Нормативная производительность
экскаватора равна:
Пнор = 8,2 ∙ 100 / 053 =
1547,17 м3./см.
Число одновременно работающих
экскаваторов равно:
N = 5024/ 1547,17 = 3,25.
Принимаем N=4
Состав звена: Машинист 6 разряда
-1человек, помощник машиниста 5разряда - 1 человек.
Автосамосвалы
Количество автосамосвалов равно:
Nтр = 3× 4 =12
,
где 3 - количество транспортных
единиц на один экскаватор;
- количество работающих
экскаваторов.
Состав звена: Водитель 6 разряда - 1
человек.
Бульдозер для
разравнивания грунта
Бульдозеры необходимы для
разравнивания грунта в постоянных и временных сооружениях.
В соответствии с ЕНиР /3/ принимаем
бульдозер ДЗ-53 на базе трактора Т-100.
Тип отвала - неповоротный, длина
отвала - 3,2м, высота отвала - 1,2 м. Мощность составляет 79 кВт . Масса
бульдозерного оборудования 2,13 т.
К временным сооружениям относятся
кавальеры и отвалы.
Объем разрабатываемого грунта равен:
V = Vвыемок = 1326341 м3
Сменная интенсивность:
Исм =1326341/ 264 = 5024,1м3/см.
По ЕНиР /3/ для разравнивания грунта
I группы
с толщиной слоя до 0,6 м.:
W = 100 м3.
Нм.вр. = 0,58 м-час.
Нормативная производительность:
Пнор = 8,2 ∙ 100 / 0,58 = 1414
м3./см.
Количество одновременно работающих
бульдозеров:
N = 5024,1 / 1414 = 3,55=4
Состав звена: машинист 6 разряда - 1
человек.
Катки для уплотнения
грунта
Катки применяются для уплотнения
грунта в обратной засыпке и при отсыпке дамбы. Для этих работ выбираем в
соответствии с /4/ каток ДУ-31А самоходный на пневматических шинах. Ширина
уплотняемой полосы - 1,9м. мощность двигателя 66кВт. Масса катка составляет
16т.
При устройстве обратной засыпки
уплотнение происходит за 3 проходки катка с толщиной уплотняемого слоя от 0,2
до 0,3 м. Длина гона больше или равна 200 метров.
По ЕНиР /3/:
W = 100 м3.
Нм.вр. = 0,41 м-час.
где Нм.вр. = 0,41 - норма машинного
времени для четырех проходок.
Нормативная производительность:
Пнор = 8,2 ∙ 100 / 0,41 =2000
м3./см.
Сменная интенсивность:
Исм = 18870 / 264 = 71,48м3./см.
Количество одновременно работающих
катков равно:
N = 71,48/ 2000 = 0,035
Принимаем 1 катка.
Состав звена: машинист 6 разряда - 1
человек.
Планировщик откосов
Для планировки откосов применяется
экскаватор с планировочным ковшом Э-4010. База - КрАЗ 258. Ковш - обратная
лопата со сплошной режущей кромкой, вместимостью 0,4 м3 Скребок:
длина - 2,5 м; высота - 0,45 м.
Наибольший вылет стрелы в
горизонтальной плоскости - 7,38 м. Наибольшая глубина копания: без удлинителя -
3,42 м, с удлинителем - 4,05 м. Наибольший радиус копания: без удлинителя -
7,38 м, с удлинителем - 11 м. Масса составляет 18,44т.
Для расчета необходимого количества
экскаваторов сначала следует подсчитать площадь откосов.
ΣSотк = 27750м2
Сменная интенсивность:
Исм = 27750 / 264 = 105,12 м2./см.
В соответствии с ЕНиР /3/:
W = 100 м2.
Нм.вр. = 0,72 м-час.
Нормативная производительность:
Пнор = 8,2 ∙ 100 / 0,72 =
1138,9 м. кв./см.
Количество одновременно работающих
экскаваторов равно:
N = 105,12/ 1138,90 = 0,09
Принимаем для планировки откосов
количество экскаваторов - 1 шт.
Состав звена: Машинист 6 разряда
-1человек, помощник машиниста 5разряда - 1 человек.
Бульдозер для
окончательной планировки дна котлована шлюза
Для окончательной планировки дна
котлована шлюза выбираем бульдозер ДЗ-19на базе трактора Т-100. В соответствии
с ЕНиР Нм.вр. = 0,65 м-час., W = 1000 м2. Тип отвала - неповоротный, длина отвала -
3,03м , высота отвала - 1,3м Управление - гидравлическое. Мощность составляет
79кВт. Масса бульдозерного оборудования - 2,22т.
Для расчета сменной интенсивности
бульдозера необходимо вычислить площадь дна котлована шлюза:
Sд = Вкш ∙ Lкш = 51 ∙ 370 = 18870 м2.
Исм =18870/264=71,48
Пнор =8,2 ∙ 1000/0,65=12615,38
N =71,48/12615,38=0,0057
Принимаем для окончательной
планировки дна котлована шлюза бульдозер
ДЗ-19 в количестве 1шт.
Состав звена: машинист 6 разряда - 1
человек.
Расчет средств
водопонижения
Подошва котлована гидротехнических
сооружений, как правило, находится ниже уровня грунтовых вод. В целях наиболее
точного выполнения проектных решений при производстве земляных работ следует
предусмотреть осушение водоносных слоев грунта в пределах котлована шлюза. Для
нормальных условий работы, исходя из требуемой устойчивости основания
сооружения, уровень грунтовых вод должен быть на 1,0 - 1,5м. ниже подошвы
котлована. Более современным методом борьбы с подземными водами является
искусственное водопонижение с помощью иглофильтровых установок. В курсовом
проекте нужно произвести расчеты притока воды к котловану шлюза, определить
потребное количество водопонижающих установок и иглофильтров, обеспечивающих
откачку воды, и составить схему расположения иглофильтров вокруг строящегося
сооружения.
Для устройства водопонижения
выбираем иглофильтровую установку ЭИ-70.
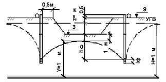
Приток подземных вод Q к водопонизительной системе
определяют в соответствии с рисунком 7.1. по формуле:
Q = kф × h × S / Ф
где kф - коэффициент фильтрации, м/сут.
Из таблицы 7.1 коэффициент фильтрации для песка средней крупности kф = 100 м/сут.- средняя глубина
потока, равная (H + y)/2 , м. ( здесь Н - напор подземных вод в водоносном
слое, который в курсовом проекте принимают равным (УГВ - ДКШ) + 12, м; у -
напор в расчетной точке, м );- понижение уровня подземных вод в расчетной
точке;
Ф - фильтрационное сопротивление .
,
где R - радиус
депрессии, м
;-
приведенный радиус водопонизительной системы, м
,
А - площадь,
ограниченная иглофильтровыми установками, м2.
Рисунок 7. 1 - Расчетная
схема
Из расчетной схемы
видно, что :
Н = (67- 63) + 12 = 16
м.
S
= УГВ - ДКШ + 1=5 м
у = 16-5=11м
h
= ( 11 + 16)/ 2 = 13,5м
Рисунок 7. 2 - Схема
размещения иглофильтров
А = 70×
389 = 27230 м2.
r=
;
R=
;
Ф= ln(493,1/93,1)/2×3,14 = 0,11;
Q
= 100× 13,5 × 5 / 0,11 = 67500 м3./сут.
Необходимое количество
иглофильтров определяется по формуле:
,
где q - пропускная способность одного иглофильтра, м. куб./час.
Определяется по графику (рисунок 7.2. ) в зависимости от коэффициента
фильтрации грунта kф. Для коэффициента
фильтрации kф = 100 м/сут - q
= 3,6 м3/час.
nф=67500/24×3,6=781,25=781
шт.
Требуемое число
установок определяется по формуле:
,
где Пи.у. - максимальная
производительность иглофильтровой установки, м3/час. Определяется по
таблице 7.2 . Производительность установки ЭИ-70 равна 150 м3/час.
kз
- коэффициент запаса (равен 1,2).
nу
= 67500×1,2/24×150 = 23,4=23 шт.
Среднее расстояние между
иглофильтрами определяется по формуле:
,
где Д - периметр
котлована, м.
Из рисунка 7.2 видно,
что периметр котлована равен:
Д = 459 м.
lср
= 459/781 = 0,59 м.
При большой длине
контура, по которому устанавливаются иглофильтры, количество их проверяют по
величине получающегося шага между ними. Расстояние между иглофильтрами не
должно превышать величин, указанных в таблице 7.3 .
На одну иглофильтровую
установку должно приходиться не более 100 иглофильтров.
Фактическая длина
иглофильтров подсчитывается по формуле :
,
где 0,5 - превышение оси
напорного коллектора над поверхностью земли, м;
z
- расстояние от поверхности земли до статического уровня грунтовых вод, м
hо
- величина хорды линии депрессии, м;
lф
- длина фильтрового звена, м. ( таблица 7.2. (lф
= 0,80 м.))
Величина hо определяется по формуле:
,
где rо - наружный диаметр по сетке иглофильтрового звена, м. ( таблица
7.2. (rо = 0,07 м.))
ho
=
м.
Следовательно,
фактическая длина иглофильтров равна:
Lo
= 0,5+2+5+0,20+0,80=8,5 м.
Т.К. фактическая длина
иглофильтров больше значения, приведенного в таблице 7. 2 /1/, следовательно на
сооружении необходимо смонтировать иглофильтры в два яруса.
Технологическая карта на
разработку грунта в нижнем ярусе котлована шлюза
Технологическая карта включает:
область применения;
организацию и технологию
строительного процесса;
технико-экономические показатели;
материально-технические ресурсы.
Область применения
Для разработки технологической карты
выбрана разработка грунта в нижнем ярусе котлована шлюза. Ведущая машина для
разработки грунта - экскаватор ЭО-7111 с прямой лопатой, работающий с погрузкой
в транспортные средства (МАЗ-525).
Работы ведутся в летний период
времени в две смены.
Состав работ:
. Разработка грунта экскаватором.
. Транспортировка грунта.
. Разравнивание грунта бульдозером.
. Планировка дна котлована шлюза.
Организация и технология
строительного процесса
Расчетом устанавливают число
проходок и их параметры с обеспечением наименьших затрат времени на выполнение
рабочего цикла экскаватора. Разработку глубоких котлованов осуществляют
ярусами.
В начале разрабатывается траншея
лобовым забоем с погрузкой грунта в транспортные средства (рисунок 8.1)
Рисунок 7. 1 - Лобовой
забой экскаватора с прямой лопатой
Наибольшая ширина
лобовой проходки при перемещении экскаватора по прямой составит:
где Rоп - оптимальный радиус резания, принимают равным 0,85
максимального радиуса резания Rр,
м.;
lп
- длина рабочей передвижки экскаватора, принимают равной 0,75 длины рукояти
экскаватора Б, м.
Ширина проходки по низу:
где Rст - радиус резания на уровне стоянки экскаватора, м.
Значения Rр , Б, Rст принимают по
технической характеристики экскаватора.
В соответствии с /4/
экскаватор ЭО-7111 имеет следующие технические характеристики:
наибольший радиус
резания 12м.;
длина рукояти 4,7м.;
радиус резания на уровне
стоянки экскаватора 7,2 м.
Следовательно:
Rоп
= 0,85 × 12 = 10,2м
lп
= 0,75 × 4,7= 3,525
В = 2 ×
Влп = 2 ×
В дальнейшем разработку
котлована производят боковым забоем (рис. 8.2)
Рисунок 7. 2 - Боковой
забой экскаватора с прямой лопатой
Ширина бокового забоя по
низу :
Расстояние от оси
движения экскаватора до подошвы откоса В1 равно:
В1=
,
Расстояние от этой же
оси до подошвы откоса разработанной части забоя В2 равно:
В2 =0,71 × Rст =0,71×7,2=5,11м.
Следовательно ширина
бокового забоя по низу равна:
В =6,28+5,11=11,39 м.
Максимальная длина
выгрузки :
Расстояние от оси до
бровки откоса забоя равно:
b
=
м.
Количество боковых
проходок на ярусе определяется в соответствии с рис. 8.3.
n
= (Bя -Bлб )/Bбп = (51 - 12,56)/11,39=3,37
где Вя - ширина яруса по
низу (равна ширине котлована шлюза 51 м).
Рисунок 7. 3 - Схема
расположения проходок
Количество боковых
проходок должно быть целым числом, поэтому принимаем его равным 3. Так как
число боковых проходок было округлено, то необходимо откорректировать ширину
бокового забоя по низу:
Bбп
= (Bя -Bлп )/n = (51 - 12,56)/3 = 12,81 м
b
=Bбп - B1
=12,81 - 6,28 = 6,53м
Для установки
экскаватора в забой, въезда и выезда транспорта устраиваются траншеи с уклоном
0,10 - 0,15, ширина которых равна 3,0 - 3,5 м. при одностороннем движении и 7,0
- 7,5 м. при двустороннем движении.

Далее подсчитываем
объемы работ, охватываемые картой. Наименование работ, их описание и единицы
измерений принимаем в соответствии с ЕНиР Е2 /3/. Результаты сводятся в
таблицу.
Объем яруса подсчитывается
для таблицы:
Bкш*Lкш+(
Bкш+2*9)*( Lкш+2*9)+( Bкш + ( Bкш+2*9))*
(Lкш+( Lкш+2*9)) )
=6/6(51*370+69*388+(51+69)(370+388))=136602м3
Таблица 4 - Ведомость
объемов работ.
|
Наименование вида работ
|
Единицы измерений
|
Количество
|
Примечание
|
|
Разработка грунта экскаватором
|
100 м3.
|
1366,02
|
Экскаватор ЭО-7111
|
|
Транспортирование грунта в отвал
|
100 м3.
|
1366,02
|
Автосамосвалы МАЗ-525
|
|
Разравнивание грунта
|
100 м3.
|
1366,02
|
Бульдозеры ДЗ-53 (Т-100)
|
|
Окончательная планировка дна
|
1000 м2.
|
18,87
|
БульдозерДЗ-19 (Т-100)
|
Затем составляют калькуляцию
трудовых затрат (таблица 5). Данные для каждого вида работ берутся из ЕНиР /3/.
Для автосамосвалов (МАЗ-525)
необходимо рассчитать норму машинного времени и расценку.
Объем грунта, перевозимый самосвалом
за 1 рейс:
м3.
где n - количество ковшей экскаватора на один автосамосвал;
е - емкость ковша
экскаватора, м3.;
kн
- коэффициент наполнения ковша (0,83).
Сменная
производительность самосвала:
м3./см.
где Тсм -
продолжительность смены в часах (8,2 ч.);
Тц - время рабочего
цикла автосамосвала (10,08 мин.)
Е - объем грунта, перевозимый
самосвалом за 1 рейс;
kв
- коэффициент использования рабочего времени (0,8)
Норму машинного времени
можно определить как:
маш-см.,
где W = 100 м3. - единицы измерения объема;
Состав звена принимаем:
водитель 6-го разряда.
Расценку можно
определить как:
руб.,
где Нвр - норма ручного
времени (равна норме машинного времени);
Т - тарифная ставка для
водителя 6-го разряда (принимаем 65,4)
После завершения
калькуляции разрабатывают график производственного процесса (таблица 6), где
увязывают между собой последовательно выполняемые процессы по срокам исполнения
и обеспечивают непрерывную работу используемых машин.
Количество смен, которое
будет работать машина, определяется как:
N
= T / n
k* 2 , дн
где Т - трудоемкость (из
таблицы №5),
n
- количество человек, занятых на данной работе из состава;
k
- коэффициент перевыполнения норм.
Для механизированных
работ коэффициент перевыполнения норм можно принимать в пределах 1,15 - 1,20.
Число смен работы
экскаваторов:
176,58 / 8* 1.20* 2 = 9
дн
Число смен работы автосамосвалов:
229,89 / 12* 1,20* 2 = 8
дн
Число смен работы
бульдозеров:
96,62/ 4 *1,20* 2 = 9 дн
Число смен работы
бульдозера для окончательной планировки дна:
1,50/
1 *1,20* 2 = 0,6 дн
Первые три процесса
будут производиться одновременно, а планировка дна - после всех работ.
Таблица 6 - Калькуляция
затрат труда
|
Обоснование норм и расценок
|
Наименование работ
|
Единицы измерения
|
Объем работ
|
Норма времени, чел-час/маш-час
|
Затраты труда на весь объем работ, чел-см/маш-см
|
Расценка, руб.коп.
|
Стоимость затрат труда на полный объем работ, руб.коп.
|
|
§ Е2-1-8
|
Разработка грунта
|
100 м3
|
1366,02
|
 75,6103271,11
|
|
|
|
|
Калькуляция
|
Транспортировка грунта
|
100 м3
|
1366,02
|
 138,87189699,20
|
|
|
|
|
§ Е2-1-28
|
Разравнивание грунта
|
100 м3
|
1366,02
|
 43,459285,27
|
|
|
|
|
§ Е2-1-36
|
Планировка дна
|
1000 м2
|
18,87
|
 48,3911,42
|
|
|
|
|
306,17353167
|
|
|
|
|
|
|
|
Таблица 6.- График производственного
процесса.
|
Наименование работ
|
Единицы измерения
|
Объем работ
|
Затраты труда
|
Состав звена
|
Используемые машины
|
Продолжительность
работ, дниРабочие дни
|
|
|
|
|
|
Нвр. Нм.вр.
|
Т М
|
|
|
|
|
1
|
2
|
3
|
4
|
|
|
|
|
|
|
|
|
|
Смены
|
|
|
|
|
|
|
|
|
|
1
|
2
|
1
|
2
|
1
|
2
|
1
|
2
|
|
|
|
|
|
|
|
|
|
|
|
|
|
|
|
|
|
Разработка грунта 100
м3 1366,02 
машинист
р. - 4 чел
помощник
р. - 4 чел.ЭО-7111
Транспортировка грунта 100
м3 1366,02 
водитель
р. - 12 чел.МАЗ-525
Разравнивание грунта 100
м3 1366,02 
Машинист
р. - 4 челДЗ-53
Планировка дна 1000
м2 18,87 
Машинист
р. - 1 челДЗ-19
Отдельные звенья рабочих,
выполняющих строительные процессы по отрывке котлована, объединяют в бригаду
(таблица 7).
Таблица 7 - Состав бригады.
|
Профессия
|
Разряд
|
Количество человек
|
|
Машинист
|
6
|
4 + 12 + 4 + 1
|
|
Помощник
|
5
|
4
|
|
Итого
|
|
25
|
Контроль качества выполнения
подготовительных и основных работ при отрывке котлована осуществляют в соответствии
с требованиями СНиП /2/ применительно к конкретным условиям. Схема
операционного контроля качества выполнения работ приведена в таблице 8.
Таблица 8 - Операционный контроль
качества выполняемых работ.
|
Название работ
|
Состав робот
|
Способ контролирования
|
Время контролирования
|
Привлекаемые службы
|
Кем контролируется
|
|
ПОДГОТОВИТЕЛЬНЫЕ РАБОТЫ
|
|
Разбивка осей
|
Нанесение контура, забивка вешек
|
Теодолит, нивелир, мерная лента
|
До начала производства работ
|
Геодезическая служба
|
Прорабом
|
|
Водопонижение
|
Установка иглофильтров, откачка грунтовых вод
|
Визуально. Бурение скважин
|
До начала работ и в процессе производства работ
|
Специальная служба
|
Мастером
|
|
Разработка грунта
|
Разработка грунта экскаватором
|
Вертикальные отметки. Визуально
|
В процессе работы
|
Геодезическая служба
|
Мастером
|
|
Транспортировка грунта
|
Транспортировка грунта автосамосвалами
|
Визуально
|
В процессе работы
|
|
Мастером
|
|
Разравнивание грунта
|
Разравнивание грунта бульдозерами
|
Визуально
|
В процессе работы
|
|
Мастером
|
|
Окончательная планировка дна котлована
|
Окончательная планировка бульдозе
|
Вертикальные отметки. Визуально
|
По окончании работ
|
Геодезическая служба
|
Прорабом
|
Указания по производству
работ
До начала производства работ
необходимо выполнить геометрическую разбивку осей и водопонижения. Разработка
грунта ведется экскаватором прямая лопата, маарки ЭО-7111(Э-2503). Сначала
выполняется лобовая проходка, шириной В=12,56м, затем выполняется 3 боковые
проходки шириной 12,81м. Грунт транспортируется автосамосвалом МАЗ-525 в отвалы
на расстояние 140м. В отвалах грунт разравнивается бульдозером марки ДЗ-53.
Толщина слоя разравнивания 0,2-0,3м. Размеры отвалов 100х170. Планировка дна
выполняется бульдозером ДЗ-19. Размеры дна котлована шлюза 51х370
Указания по технике безопасности при
производстве земляных работ разработаны на основании СНиП 12-03-2001
«Безопасность труда в строительстве»:
1.
Место работы машин должно быть определено так, чтобы было
обеспечено пространство, достаточное для обзора рабочей зоны и маневрирования.
2.
Оставлять без надзора машины с работающим двигателем не
допускается.
3.
Запрещается перевозить людей в кузовах автомобилей-самосвалов.
4.
Автосамосвалы должны быть снабжены специальными упорами для
поддержания кузова в необходимых случаях в поднятом положении.
5.
Движение автосамосвалов с поднятым кузовом запрещается.
6.
Грунт, извлеченный из котлована, следует размещать на расстоянии
не менее 20 метров от котлована.
7.
Перед допуском рабочих в котлован должна быть выполнена проверка
устойчивости откосов.
8.
Погрузка грунта на автосамосвалы должна производиться со стороны
заднего борта.
9.
Валуны и камни, а также отслоения грунта, обнаруженные на откосах,
должны быть удалены.
10. Разрабатывать грунт в котлованах и траншеях «подкопом» не
допускается.
11. Площадка, для погрузо-разгрузочных работ должна быть спланирована,
и иметь уклон не более 50, в соответствующих местах необходимо установить
надписи: «въезд», «выезд», «разворот» и другие.
12. Подача автомобиля задним ходом в зоне, где осуществляются
какие-либо работы, должна производиться водителем только по команде лиц,
участвующих в этих работах.
13. До начала земляных работ необходимо установить места расположения
подземных коммуникаций и получить разрешение на раскопку от организаций, в
ведении которых находятся эти коммуникации.
14. При разработке выемок с вертикальными стенками состояние крепления
проверяют каждую смену.
15. Если стенки не закреплены, нельзя загружать бровки выемки в
пределах призмы обрушения, а также допускать движения по ней машин.
16. Рабочие должны спускаться в котлованы и траншеи по стремянкам
шириной не менее 0,75 м с перилами, а в узких траншеях по приставным лестницам.
17. Люди не должны находиться в пределах призмы обрушения и рабочей
зоны землеройных машин.
18. При погрузке грунта экскаватором кабина автомашины должна всегда
находиться вне радиуса действия ковша или защищаться специальным козырьком.
Технико-экономические
показатели
Технико-экономические показатели
определяют на основании данных калькуляции затрат труда строительных процессов,
входящих в технологическую карту.
Подлежат определению следующие
показатели:
. Продолжительность
строительного процесса Nсм =19 смен;
. Общий объем земляных работ
V = 136602
м3.;
. Затраты труда на весь
объем работ ΣТв
= 504,59чел-смен;
. Затраты труда на
разработку единичного объема грунта
Тед = ΣТв / V = 0,0037 чел-смен/ м3.
. Затраты машино-смен на
весь объем работ Мсм = 416,3 маш-смен;
. Выработка на одного
рабочего в смену
В = V / ΣТв = 27072 м3./чел-смен
. Заработная плата на весь
объем работ ΣЗ
= 353167 руб;
. Средняя сменная заработная
плата одного рабочего
Зср = ΣЗ / ΣТв = 699,90 руб.
Материально-технические
ресурсы
В разделе «Материально-технические
ресурсы» приводят потребность в ресурсах, необходимых для выполнения
предусмотренного картой строительного процесса.
Потребность в машинах и средствах
малой механизации заносят в ведомость (таблица 9).
Таблица 9 - Ведомость потребности в
машинах и средствах малой механизации
|
Наименование
|
Тип
|
Количество
|
Основная техническая характеристика
|
|
Экскаватор прямая лопата
|
ЭО-7111 (Э-2503)
|
4
|
Мощность - 160 кВт. На дизельном топливе.
|
|
Автосамосвал
|
МАЗ-525
|
12
|
Мощность - 221 кВт. На дизельном топливе.
|
|
Бульдозер
|
ДЗ-53 трактор Т-100
|
4
|
Мощность -79 кВт На дизельном топливе.
|
|
Бульдозер
|
ДЗ-19 трактор Т-100
|
1
|
Мощность - 79 кВт На дизельном топливе.
|
Номенклатура приспособлений,
инвентаря и ручного инструмента содержатся в СНиП /5/. Потребность в
приспособлениях, инвентаре и ручном инструменте сведены в таблицу 10.
Таблица 10 - Ведомость потребности
приспособлений и инвентаря.
|
Наименование Приспособлений, инвентаря и ручного инструмента
|
Тип
|
Марка
|
Количество, шт.
|
Основная техническая характеристика
|
|
Кирка
|
мотыга
|
КМ-2
|
|
Срок службы 24 мес.
|
|
Кирка
|
Односторонняя
|
КО-2
|
|
Срок службы 24 мес.
|
|
Кирка
|
Двусторонняя
|
КД-2
|
|
Срок службы 24 мес.
|
|
Лом
|
Обыкновенный
|
ЛО-24
|
|
Срок службы 24 мес.
|
|
Лопата
|
Остроконечная
|
ЛКО-1
|
|
Срок службы 6 мес.
|
|
Лопата
|
Прямоугольная
|
ЛКП-1
|
|
Срок службы 6 мес.
|
|
Лопата
|
Подборочная
|
ЛП-1
|
|
Срок службы 9 мес.
|
|
Кувалда
|
кузнечная остроносая
|
К8
|
|
Срок службы 24 мес.
|
|
Кувалда
|
кузнечная тупоносая
|
К2
|
|
Срок службы 24 мес.
|
|
Топор
|
Строительный в сборе
|
А1
|
|
Срок службы 24 мес.
|
|
Ножовка
|
по дереву
|
|
|
Срок службы 24 мес.
|
|
Рулетка
|
в закрытом корпусе
|
3ПК3-20 АУТ/1
|
|
Срок службы 18 мес.
|
|
Отвес
|
стальной строительный
|
ОТ-600
|
|
Срок службы 36 мес.
|
|
Нивелир
|
|
Н-30
|
|
Погрешность измерении 3 мм
|
|
Теодолит
|
|
Т-30
|
|
Погрешность измерении 30”
|
Расчет горюче-смазочных
материалов
Количество дизельного топлива,
потребляемого машинами, находится соответственно по таблице 11.
Таблица 11 - Ведомость потребности в
дизельном топливе.
|
Наименование машин
|
Количество, шт.
|
Мощность, кВт
|
Удельный расход Горючего в кг на 1 кВт/ч
|
Количество смен работы
|
Количество горючего, кг
|
|
Экскаватор
|
4
|
160
|
0,18
|
18
|
17003,52
|
|
Автосамо- свал МАЗ-525
|
12
|
221
|
0,18
|
18
|
704583,34
|
|
Бульдозер ДЗ-53 (Т-100)
|
4
|
79
|
0,20
|
18
|
9328,32
|
|
Бульдозер ДЗ-19 (Т-100)
|
1
|
79
|
0,20
|
1
|
129,56
|
|
∑Q
= 731044,74
|
Количество смазочных материалов
рассчитывается по таблице 12.
Таблица 12 - Ведомость потребности в
смазочных материалах.
|
Наименование машин
|
Количество горючего, кг
|
Расход смазочных материалов на 10 кг горючего, кг
|
Количество смазочных материалов, кг
|
|
Экскаватор ЭО-7111 (Э-2503)
|
17003,52
|
0,257
|
|
Автосамосвал МАЗ-525
|
704583,34
|
0,286
|
2015,1
|
|
Бульдозер ДЗ-53 (Т-100)
|
9328,32
|
0,257
|
239,7
|
|
Бульдозер ДЗ-19 (Т-100)
|
129,56
|
0,257
|
3,3
|
|
∑Q
= 2695,2
|
Расчетную потребность в
эксплуатационных материалах оформляют в табличной форме таблице 13.
Таблица 13 - Ведомость потребности в
эксплуатационных материалах.
|
Наименование
|
Единица измерения
|
Норма на час работы машин
|
Количество на весь объем работ
|
|
Дизельное топливо
|
кг
|
847,1
|
731044,74
|
|
Смазочные материалы
|
кг
|
24,2
|
2695,2
|
Список литературы
.Бик Ю.И. Производство земляных работ в гидротехническом
строительстве / Ю.И.Бик, М.А.Щербинина // Методические указания к выполнению
курсового проекта по дисциплине технология строительных процессов - Н.: НГАВТ,
2004. - 41с.
.Деггярев А.П. Комплексная механизация земляных работ / А.П.
Деггярев - М.: Стройиздат, 1987. - 335 с.
.ЕНиР Сб. Е2.: Земляные работы. Вып. 1. - М.: Стройиздат, 1988. -
224 с.
.Марионков К.С. Основы проектирования производства строительных
работ / К.С. Марионков - М.: Стройиздат, 1980. - 231 с.
.Машины для земляных работ. Справочное пособие по строительным
машинам. - М.: Стройиздат, 1981. - 383 с.
.СНиП 3.02.01-87: Правила производства и приемки работ. Земляные
сооружения / Госстрой СССР. - М.: Стройиздат, 1988. - 130 с.
.СНиП 2.06.04-82*: Нагрузки и воздействия на гидротехнические
сооружения (волновые, ледовые и от судов) / Госстрой СССР. - М.: Стройиздат,
1988. - 39 с.
.СНиП 12-03-2001: Безопасность труда в строительстве / Госстрой
России. - М., 2001, - 53 с.
.СНиП 5.02.02-86: Нормы потребности в строительном инструменте /
Госстрой СССР. - М.: ЦНТИ Госстроя СССР, 1987. - 55 с.