Массаж спортивной лошади
Введение
Различные виды горючих ископаемых - уголь, нефть, природный газ известны
человечеству с доисторических времен. До настоящего времени их используют как
энергетическое топливо, т.е. как первичные энергоресурсы. В ХХ в. к источникам
энергоресурсов добавились еще гидроресурсы и ядерное топливо. Совокупность
отраслей промышленности, занятых добычей, транспортировкой и переработкой
различных видов горючих ископаемых, а также выработкой, преобразованием и
распределением различных видов энергии (тепловой, электрической и др.) называют
топливно-энергитическим комплексом (ТЭК). ТЭК включает топливную (нефтяную,
газовую, угольную, торфяную, сланцевую), нефтепереработывающую, нефтехимическую
и энергетическую (тепло-, гидро- и атомную) промышленности.
ТЭК является основой современной мировой экономики. Уровень развития ТЭК
отражает социальный и научно - технический прогресс в стране.
Около 70% масс. Извлекаемых запасов органических горючих ископаемых мира
составляют твердые горючие ископаемые ( каменные и бурые угли, антрацит,
сланцы, битумы, торф и др.) роль и значение их по сравнению с жидкими и
газообразными горючими были преобладающими твердых горючих ископаемых
продолжает использоваться как энергетическое топливо.
Особенно велико современное экономическое значение нефти и газа. Нефть и
газ - уникальные и исключительно полезные ископаемые. Продукты их переработки
применяют практически во всех отраслях промышленности, на всех видах
транспорта, в военном и гражданском строительстве, сельском хозяйстве, энергетике,
в быту и т.д. За последние несколько десятилетий из нефти и газа стали
вырабатывать в больших количествах разнообразные химические материалы, такие,
как пластмассы, синтетические волокна, каучуки, лаки, краски, моющие средства,
минеральные удобрения и многое другое. Не зря называют нефть «черным золотом»,
а ХХ век - веком нефти и газа. Нефть и газ определяют не только экономику и
технический потенциал, но часто и политику государства.
Однако необходимо отметить, что топливно-энергетический комплекс оказывает
и негативное воздействие на природу:
- механическое загрязнение воздуха, воды и земли твердыми частицами
(пыль, зола);
- химическое, радиоактивное, ионизационное, тепловое,
электромагнитное, шумовое и другие виды загрязнений;
расход больших количеств воды, земли и кислорода воздуха;
глобальный парниковый эффект, постепенное повышение средней
температуры биосферы среды и опасность катастрофы на планете.
В наступившем ХХI в.
актуальнейшей проблемой мировой экономики будет исчерпание запасов нефти. Извлекаемых
ее запасов в мире (140 млрд. тонн) при сохранении нынешнего уровня добычи (3,2
млрд. тонн) хватит примерно на 40 лет. Проблема дефицита дешевой нефти для
России становится исключительно актуальной. Но тем не менее Россия, как и годы
«нефтяного бума», продолжает экспортировать нефти в больших объемах (около
половины добычи). Не исключено, что если своевременно не покончить с ошибочным
представлениями о «неиссякаемости, неисчерпаемости и дешевизне нашей нефти», то
через несколько десятилетий придется внести ее в «Красную книгу» природных
ископаемых ресурсов. Последующее поколение россиян будет вынуждено
синтезировать ее из твердых горючих ископаемых. Нефтепереработка России по
данным 1999г. существенно отстает не только по объему и глубине переработки нефти,
но и по превращению ее в моторные виды топлива.
Нефть должна полностью и без остатка перерабатываться с получением только
высококачественных и экологически чистых продуктов, прежде всего моторных
топлив, высоко индексных смазочных масел и сырья для нефтехимического синтеза.
Стратегическим направлением развития нефтепереработки следует считать
(узаконить) глубокую и безостаточную переработку нефти и значительное
сокращение объемов экспорта. При этом тепло- и электроэнергетику России
обладающей большими запасами газа (более трети мировых) целесообразно перевести
на более экологически чистые и ресурсообеспеченные «голубое» и ядерное топлива
до середины нынешнего столетия и остаются весьма значительными в современной
мировой экономике.
1. ЛИТЕРАТУРНЫЙ ОБЗОР
1.1 Развитие нефтеперерабатывающей
промышленности
Первый в мире нефтеперегонный завод для превращения «черной» нефти в
«белую» путем перегонки в кубах периодического типа был построен крепостными
крестьянами - братьями Дубиниными в 1823 г. вблизи г. Моздока. Получаемый при
этом дистиллят (фотоген) был впоследствии назван керосином. Легко испаряющийся
головной продукт перегонки - бензин и тяжелый остаток - мазут сжигали в
«мазутных» ямах, так как не находили применения. В 1869 г. в Баку Было уже 23 нефтеперегонных
завода, а в 1873 г. - 80 заводов, способных вырабатывать 16350 т. керосина в
год. Полученный керосин по Каспийскому морю и Волге вывозили в северные районы
России и в страны Ближнего Востока.
В 1876 г. по методу, разработанному Д.И. Менделеевым, в Балахане впервые
в мире было организовано промышленное производство смазочных масел из мазута
перегонкой в вакууме или в токе водяного пара. Нефтяные масла стали вытеснять
животные жиры и растительные масла из всех отраслей техники. Русские минеральные
масла широко экспортировались за границу и расценивались как самые
высококачественные. После изобретения в 1876 г. В.Г. Шуховым форсунки ранее
сжигавшийся мазут стали применять как ценное топливо для паровых котлов,
применявшихся в различных отраслях промышленности и судоходстве.
Нефтеперегонные заводы появились и в других странах в 40-х гг. ХIХ в.: Д.Юнг начал перегонку нефти в
1848 г. в Англии, в 1849 г. С. Кир - в Пенсильвании (США). Во Франции первый
завод построен в 1854 г. А.Г. Горном. В 1866 г. Д.Юнг взял патент на способ
получения керосина из тяжелых нефтей перегонкой под давлением, названной
крекингом.
Непрерывная перегонка нефти в кубовых батареях, разработанная А.А.
Тавризовым, была осуществлена в 1883 г. на заводе братьев Нобель в Баку. На этих
кубах были установлены дефлегматоры, устроенные в виде двух цилиндров,
вложенных один в другой. В 1891 г. В.Г.Шухов и С.П.Гаврилов разработали аппарат
для крекинг-процесса (проводимого при повышенных температурах и давлениях). Они
впервые предложили нагрев нефти осуществлять не кубах, а в трубах печи при
вынужденном ее движении - прообраз современных трубчатых установок непрерывного
действия. Их научные и инженерные решения были повторены У.М.Бартоном при
сооружении крекинг-утановки в США в 1915 - 1918 гг.
Изобретение в последней четверти XIX в. двигателя внутреннего сгорания (бензинового и
дизельного) и применение его во многих отраслях промышленности и на транспорте
способствовали новому качественному скачку в развитии нефтепереработки. Бензин,
ранее не находивший применения, стал одним из важнейших продуктов, увеличение
производства которого требовало роста добычи нефти и совершенствования
технологии ее переработки. С развитием дизельного двигателя появилась
необходимость в дизельном топливе, являющемся промежуточной фракцией между
керосином и мазутом.
К 1917 г. нефтеперерабатывающие предприятия России были сосредоточены в
основном на Кавказе: в Баку их было 53, в Грозном - 6. Больше половины
добывающих и перерабатывающих нефть предприятий принадлежала иностранному
капиталу.
В 1918 г. нефтяная и нефтеперерабатывающая промышленности бывшего СССР
завершили восстановительный период, вызванный последствиями гражданской войны.
Началось интенсивное строительство новых нефтеперерабатывающих заводов (НПЗ).
Большое народнохозяйственное значение имело открытие месторождений нефти и газа
в Волго-Уральской нефтегазовой области. С целью приближения НПЗ к центрам
потребления нефтепродуктов были построены заводы в Ишимбае, Уфе, Саратове,
Краснодаре, Орске, Одессе, Херсоне и Хабаровске. Взамен устаревших кубовых
батарей на НПЗ внедрялись высокопроизводительные трубчатые установки прямой
перегонки нефти (производительностью 500 - 600 тыс. т в год), термического
крекинга мазутов, производства авиационных и автотракторных масел. В годы
Великой Отечественной войны 1941 - 1945 гг. нефтеперерабатывающая
промышленность обеспечивала фронт и тыл горючими и смазочными материалами.
В послевоенной период нефтеперерабатывающая промышленность страны
развивалась быстрыми темпами (пропорционально темпам нефтедобычи), непрерывно
повышались технический уровень и объемы производства. В 1951 г. были
превзойдены довоенные показатели. Были построены и освоены НПЗ и
нефтехимические комбинаты. Если до 1966 г. единичные мощности установок по
первичной переработке нефти достигали 1 -2 млн. т в год, то в последующие годы
вводились преимущественно высокопроизводительные, в т.ч. комбинированные
установки мощностью 2 -3 и 6 млн. т в год. Увеличение объема переработки нефти
(до 475 млн. т в 1987 г.) сопровождалось существенным повышением качества
нефтепродуктов: преимущественным становится выпуск малосернистого дизельного
топлива, высокооктанового бензина, смазочных масел с эффективными присадками.
В предвоенной период нефтяная промышленность развивалась вместе со всей
экономикой страны ускоренными темпами. Наряду с ростом добычи нефти в старейших
нефтяных регионах - Баку и Грозном - быстро росла ее добыча и в других
регионах. В предвоенные годы были построены 14 новых НПЗ (в Батуми, Ухте,
Саратове, Туапсе и Орске в 1931 - 35гг., Ишимбае, Уфе, Краснодаре, Хабаровске,
Одессе, Херсоне, Бердянске и Москве в 1936 - 40 гг.).
В годы Великой Отечественной войны многие южные НПЗ были эвакуированы в
восточные районы страны ( в Сызрань, Красноводск, Гурьев, Комсомольск-на-Амуре,
Пермь). Интенсивному развитию нефтяной и нефтеперерабатывающей промышленностей
в военные и послевоенные годы способствовали открытие и освоение крупных
месторождений нефти в Урало-Поволжье. Так, Ишимбайский НПЗ был пущен в 1936г.,
всего через год после начала промышленной добычи нефти на востоке страны. На
этом НПЗ впервые в промышленных масштабах была освоена технология переработки
сернистых нефтей. В 1938г. вступил в эксплуатацию Уфимский крекинг-завод -
крупнейший в то время и оснащенный передовой в мире технологией химической
переработки сернистых, а затем и высокосернистых нефтей Урало-Поволжья.
Велика роль бакинских, грозненских и восточных НПЗ в военные годы по
обеспечению фронта и тыла страны топливом для самолетов, танков и других боевых
и гражданских транспортных машин.
Нефтепереработка страны в послевоенные годы (1945 - 1970 гг.) получила
дальнейшее значительное развитие строительством еще ряда новых мощных НПЗ в
следующих городах: Салавате , Уфе(два), Самаре (два), Волгограде, Рязани, Омске,
Ачинске, Ангарске, Киришах, Новополоцке и Мозыре (Белоруссии), Кременчуге
(Украине). С открытием новых крупнейших месторождений нефти в Западной Сибири
были расширены мощности старых заводов и построены новые НПЗ в Лисичанске
(Украина), Мажейкяйе (Литве), Павлодаре и Чимкенте (Казахстане), Чарджоу
(Туркмении) и др.
Велика роль в изучении химии углеродного сырья и разработке методов его
переработки отечественной науки. Традиционно высокий уровень научных
исследований русских ученых в области химии нефти позволил создать
теоретические основы и разработать эффективные технологические процессы
переработки нефти.
1.2 Общие сведения о перегонке и ректификации
нефти и газов
Перегонка (дистилляция) - это процесс физического разделения нефти и
газов на фракции (компоненты), различающиеся друг от друга и от исходной смеси
по температурным пределам (или температуре) кипения. По способу проведения
процесса различают простую и сложную перегонку.
Простая перегонка осуществляется постепенным, однократным или многократным
испарением.
Перегонка с постепенным испарением состоит в постепенном нагревании нефти
от начальной до конечной температуре с непрерывным отводом и конденсацией
образующихся паров. Этот способ перегонки нефти и нефтепродуктов в основном
применяют в лабораторной практике при определении их фракционного состава.
При однократной перегонке жидкость (нефть) нагревается до заданной
температуры, образовавшиеся и достигшие равновесия пары однократно отделяются
от жидкой фазы - остатка. Этот способ, по сравнению с перегонкой с постепенным
испарением, обеспечивает при одинаковых температуре и давлении большую долю
отгона. Это важное его достоинство используют в практике нефтеперегонки для
достижения максимального отбора паров при ограниченной температуре нагрева во
избежании крекинга нефти.
Перегонка с многократным испарением заключается в последовательном
повторении процесса однократной перегонки при более высоких температурах или
низких давлениях по отношению к остатку предыдущего процесса.
Из процессов сложной перегонки различают перегонку с дефлегмацией и
перегонку с ректификацией.
При перегонке с дефлегмацией образующиеся пары конденсируют, и часть
конденсата в виде флегмы подают навстречу потоку пара. В результате
однократного контактирования парового и жидкого потоков уходящие из системы
пары дополнительно обогащаются низкокипящими компонентами, тем самым несколько
повышается четкость разделения смесей.
Перегонка с ректификацией - наиболее распространенный в химической и
нефтегазовой технологии массообменный процесс, осуществляемый в аппаратах -
ректификационных колоннах - путем многократного противоточного контактирования
паров и жидкости. Контактирование потоков пара и жидкости может производиться
либо непрерывно (в насадочных колоннах) или ступенчато (в тарельчатых
ректификационных колоннах). При взаимодействии встречных потоков пара и
жидкости на каждой ступени контактирования (тарелке или слое насадки) между
ними происходит тепло- и массообмен, обусловленные стремлением системы к
состоянию равновесия. В результате каждого контакта компоненты
перераспределяются между фазами: пар несколько обогащается низкокипящими, а
жидкость - высококипящими компонентами. При достаточно длительном контакте и
высокой эффективности контактного устройства пар и жидкость, уходящие из
тарелки или слоя насадки, могут достичь состояния равновесия, то есть
температуры потоков станут одинаковыми, и при этом их составы будут связаны
уравнениями равновесия. Такой контакт жидкости и пара, завершающийся
достижением фазового равновесия, принято называть равновесной ступенью, или
теоретической тарелкой. Подбирая число контактных ступеней и параметры процесса
(температурный режим, давление, соотношение потоков, флегмовое число и др.),
можно обеспечить любую требуемую четкость фракционирования нефтяных смесей.
Место ввода в ректификационную колонну нагретого перегоняемого сырья
называют питательной секцией (зоной), где осуществляется однократное испарение.
Часть колонны, расположенная выше питательной секции, служит для ректификации
парового потока и называется концентрационной (укрепляющей), а другая - нижняя
часть, в которой осуществляется ректификация жидкого потока - отгонной, или
исчерпывающей секцией.
Различают простые и сложные колонны.
Простые колонны обеспечивают разделение исходной смеси (сырья) на два
продукта: ректификат (дистиллят) - выводимый с верха колонны в парообразном
состоянии, и остаток - нижний продукт ректификации.
Сложные ректификационные колонны разделяют исходную смесь более чем на
два продукта. Различают сложные колонны с отбором дополнительных фракций
непосредственно из колонны в виде боковых погонов и колонны, у которых
дополнительные продукты отбирают тз специальных отпарных колонн, именуемых
стриппингами. Последний тип колонн нашел широкое применение на установках первичной
перегонки нефти.
Для разделения бинарных или многокомпонентных смесей на 2 компонента
достаточно одной простой колонны (если не предъявляются сверхвысокие требования
к чистоте продукта). Для разделения же многокомпонентных непрерывных или
дискретных смесей на более чем 2 компонента (фракции) может применяться
односложная колонна либо система простых или сложных колонн, соединенных между
собой в определенной последовательности прямыми или обратными паровыми или
жидкими потоками. Выбор конкретной схемы и рабочих параметров процессов
перегонки определяется технико-экономическими и технологическими расчетами с
учетом заданных требований по ассортименту и четкости разделения,
термостабильности сырья и продуктов, возможности использования доступных и дешевых
хладагентов, теплоносителей и т.п.
Четкость погоноразделения - основной показатель эффективности работы
ректификационных колонн, характеризует их разделительную способность. Она может
быть выражена в случае бинарных смесей концентрацией целевого компонента в
продукте. Применительно к ректификации нефтяных смесей она обычно
характеризуется групповой чистотой отбираемых фракций, то есть долей
компонентов, выкипающих по кривой ИТК до заданной температурной границы деления
смеси в отборных фракциях (дистиллятах или в остатке), а также отбором фракций
от потенциала. Как косвенный показатель четкости (чистоты) разделения на
практике часто используют такую характеристику, как налегание температур
кипения соседних фракций в продукте. В промышленной практике обычно не
предъявляют сверх высоких требований по отношению к четкости погоноразделения,
поскольку для получения сверхчистых компонентов или сверхузких фракций
потребуются сверхбольшие капитальные и эксплуатационные затраты. В
нефтепереработке, например, в качестве критерия достаточно высокой
разделительной способности колонн перегонки нефти на топливные фракции
считается налегание температур кипения соседних фракций в пределах 10 - 30оС.
Установлено, что на разделительную способность ректификационных колонн значительное
влияние оказывают число контактных ступеней и соотношение потоков жидкой и
паровой фаз. Для получения продуктов, отвечающих заданным требованиям,
необходимо, наряду с другими параметрами ректификационной колонны (давление,
температура, место ввода сырья и т.д.), иметь достаточное число тарелок (или
высоту насадки) и соответствующее флегмовое и паровое числа.
Паровое число(П) характеризует соотношение контактирующихся потоков пара
и жидкости в отгонной секции колонны, рассчитываемое как
П = G/W
где G и W - количества соответственно паров и кубового продукта.
Число тарелок (N)
колонны (или высота насадки) определяется числом теоретических тарелок (NТ), обеспечивающим заданную четкость
разделения при принятом флегмовом (и паровом) числе, а также эффективностью
контактных устройств (обычно КПД реальных тарелок или удельной высотой насадки,
соответствующей 1 теоретической тарелке). Зависимость числа теоретических
тарелок от флегмового числа колонны можно выразить в виде графика, как это
представлено на рис. (5.6). Из анализа рис. (5.6) вытекает следующая
закономерность, обуславливающая нраничные пределы нормального функционирования
ректификационных колонн: заданная четкость разделения смесей может быть
обеспечена (достигнута) лишь при одновременном выполнении ограничений по
флегмовому числу и числу теоретических тарелок.
Любая точка на кривой может быть выбрана в качестве рабочей. Это
означает, что заданная четкость разделения смеси может быть достигнута
бесконечным множеством пар чисел NT и R. Как следует из рисунка, флегмовое
число, следовательно, и количество орошения в колонне изменяется от
минимального значения до бесконечно большой величины; при этом необходимое для
обеспечения заданной четкости разделения число тарелок будет изменяться
соответственно от бесконечно большой величины до некоторой минимальной.
Очевидно, при увеличении количества орошения будут расти эксплуатационные
затраты (связанные с расходом энергии на перекачку, тепла в кипятильнике и
холода в конденсаторах), а капитальные затраты вначале будут существенно
уменьшаться в результате снижения высоты, затем будут расти из-за увеличения
диаметра колонны. Из опыта эксплуатации колонн установлено, что оптимальное
значение флегмового числа, соответствующее минимуму общих затрат на ректификацию
(рис. 1.), не намного превышает минимально необходимое Rмин
Rопт =
bRмин
где b - коэффициент
избытка флегмы (в пределах 1,0 - 1,3). Фактическое число тарелок Nф , определяется либо аналитическим
расчетом (на ЭВМ с использованием уравнений равновесия фаз, материального и
теплового балансов потоков), либо исходя из опытных данных с учетом
эффективного КПД тарелки h.
В зависимости от конструкции и места расположения в колонне hт, изменяется в пределах 0,3 - 0,9.
На технико-экономические показатели и четкость погоноразделения
ректификационной колонны, кроме ее разделительной способности, в значительной
степени влияют физические свойства (молекулярная масса, плотность, температура
кипения, летучесть и др.), компонентный состав, число (би- или многокомпанентный)
и характер распределения (непрерывный, дискретный) компонентов перегоняемого
сырья. В наиболее обобщенной форме разделительные свойства перегоняемого сырья
принято выражать коэффициентом относительной летучести (аналогом коэффициенту
разделения (селективности) в процессах экстракции).
Коэффициент относительной летучести - отношение летучестей компонентов
(фракций) перегоняемого сырья при одинаковых температуре и давлении
a = К1/К2
где К1 и К2 - константы фазового равновесия соответственно низко- и высококипящего
компонентов (фракций). Поскольку К1 > К2 то а > 1.
Коэффициент а косвенно характеризует движущую силу процесса перегонки
применительно к разделяемому сырью. Сырье, у которого а>>1, значительно
легче разделить на компоненты, чем при его значении, близком к единице.
Относительная летучесть зависит от давления и температуры, при которых
находятся компоненты. С увеличением давления и температуры величина a снижается. Вблизи критической
области значение коэффициента a приближается к единице.
1.3 Особенности нефти как сырья процессов
перегонки
Нефть и нефтяные смеси как сырье для ректификации характеризуется рядом
специфических свойств, обусловливающих некоторые особенности в технологии их
переработки.
. нефть и особенно ее высококипящие фракции и остатки характеризуются
невысокой термической стабильностью. Для большинства нефтей температура
термической стабильности соответствует температурной границе деления примерно
между дизельным топливом и мазутом по кривой ИТК, то есть 350 - 360оС. Нагрев
нефти до более высоких температур будет сопровождаться ее деструкцией и,
следовательно, ухудшением качества отбираемых продуктов перегонки. В этой связи
перегонку нефти и ее тяжелых фракций проводят с ограничением по температуре
нагрева. В условиях такого ограничения для выделения дополнительных фракций
нефти, выкипающих выше предельно допустимой температуры нагрева сырья, возможно
использовать практически единственный способ повышения относительной летучести
компонентов - перегонку под вакуумом. Так, перегонка мазута при остаточных
давлениях в зоне питания вакуумной колонны » 100 и »20
мм.рт.ст. (»133 и 30гПа)
позволяет отобрать газойлевые (масляные) фракции с температурой конца кипения
соответственно до 500 и 600оС. обычно для повышения четкости разделения при
вакуумной (а также атмосферной) перегонке применяют подачу водяного пара для
отпаривания более легких фракций. Следовательно, с позиций термической
нестабильности нефти технология ее глубокой перегонки (то есть с отбором
фракций до гудрона) должна включать как минимум 2 стадии: атмосферную перегонку
до мазута с отбором топливных фракций и перегонку под вакуумом мазута с отбором
газойлевых (масляных) фракций и в остатке гудрона.
. Нефть представляет собой многокомпонентное сырье с непрерывным
характером распределения фракционного состава и соответственно летучести
компонентов. Расчеты показывают, что значение коэффициента относительной
летучести непрерывно (экспонциально) убывает по мере утяжеления фракций нефти,
а также по мере сужения температурного интервала кипения фракций. Эта
особенность нефтяного сырья обуславливает определенные ограничения как на
четкость погоноразделения, особенно относительно высококипящих фракций, так и
по отношению к «узости» фракций. С экономической точки зрения, нецелесообразно требовать
от процессов перегонки выделить, например, индивидуальный чистый углерод или
сверхузкие фракции нефти. Поэтому в нефтепереработке довольствуются получением
следующих топливных и газойлевых фракций, выкипающих в достаточно широком
интервале температур: бензиновые н.к. - 140оС (180 оС); керосиновые 140 (180) -
240 оС; дизельные 240 - 350 оС; вакуумный дистиллят (вакуумный газойль) 350-400
оС, 400-450 оС и 450 - 500 оС; тяжелый остаток - гудрон > 490 оС (>500
оС). Иногда ограничиваются неглубокой атмосферной перегонкой нефти с получением
в остатке мазута > 350 оС, используемого в качестве котельного топлива.
. Высококипящие и остаточные фракции нефти содержат значительное
количество гетероорганических смолисто-асфальтеновых соединений и металлов,
попадание которых при перегонке в дистилляты резко ухудшает их эксплуатационные
характеристики и значительно усложняет последующую их переработку. Это
обстоятельство обуславливает необходимость организации четкой сепарации фаз в
секции питания атмосферной и особенно вакуумной колонн. Эффективная сепарация
фаз в секции питания колонн достигается установкой специальных сепараторов
(отбойных тарелок, насадок и т.д.), улавливающих мельчайшие капли (туман, пена,
брызги) кубовой жидкости, а также промывкой потока паров стекающей жидкостью в
специальной промывной тарелке. Для этого и с целью повышения разделительной
способности нижних тарелок сепарационной секции колонны необходимо обеспечить
некоторый избыток орошения, называемый избытком однократного испарения, путем
незначительного перегрева сырья (но не выше предельно допустимой величины).
Доля отгона при однократном испарении в секции питания колонны должна быть на 2
- 5% больше выхода продуктов, отбираемых в виде дистиллята и боковых погонов.
1.4. Перегонка нефти на установках АТ и АВТ
Технологические схемы установок первичной перегонки нефти обычно
принимаются для определенного варианта переработки нефти - топливного или
топливно-маслянного
Рис.1.2 Принципиальная схема установки АВТ
При неглубокой переработке нефти по топливному варианту перегонка ее
осуществляется на установках АТ (атмосферных трубчатках); при глубокой
переработке - на установках АВТ (атмосферно-вакуумных трубчатках) топливного
варианта и при переработке по масляному варианту на установках АВТ масляного
варианта. Если установки АТ имеют один атмосферный блок, то установки АВТ имеют
блоки атмосферной и вакуумной перегонки нефти и мазута.
В зависимости от варианта переработки нефти получают различный ассортимент
топливных и масляных фракций. На установках АТ при неглубоком топливном
варианте и на атмосферных блоках установок АВТ по топливно-масляному варианту
переработки получают бензиновые, керосиновые и дизельные фракции; при глубоком
топливном варианте переработки нефти на атмосферном блоке установки АВТ
получают бензиновые и керосиногазойлевые фракции. Утяжеленный по составу мазут
подвергается дальнейшей переработке на блоках вакуумной перегонки с получением
одной или нескольких масляных фракций и гудрона.
Рис 1.3 Принципиальная схема установки АТ
При топливно-масляном варианте переработки нефти и наличии на заводе
установок каталитического крекинга и АВТ большой единичной мощности
целесообразно использование комбинированной технологической схемы установки
первичной перегонки нефти, обеспечивающей одновременное или раздельное
получение из нефти наряду с топливными фракциями широкой и узких масляных
фракций.
1.5 Продукты первичной перегонки нефти
В зависимости от состава нефти, варианта ее переработки и особых
требований к топливным и масляным фракциям состав продуктов установок первичное
перегонки нефти может быть различным. Так, при переработке типовых восточных
нефтей, получают следующие фракции (с условными пределами выкипания по
преимущественному содержанию целевых компонентов): бензиновые н.к. - 140оС (180
оС); керосиновые 140 (180) - 240 оС; дизельные 240 - 350 оС; вакуумный
дистиллят (вакуумный газойль) 350 - 490 оС (500 оС) или узкие вакуумные
масляные погоны 350 - 400 оС; 400 - 450 и 450 - 500 оС; тяжелый остаток -
гудрон 490 оС (500 оС).
в зависимости от варианта переработки нефти с получением, максимального
выхода какого - либо одного вида топлива пределы температур выкипания
получаемых фракций могут также существенно меняться выход топливных и масляных
фракций зависит в первую очередь от состава нефти, т.е. от потенциального
содержания целевых фракций в нефтях.
1.6 Особенности технологии первичной перегонки
нефти
Технология первичной перегонки нефти имеет целый ряд принципиальных
особенностей, обусловленных природой сырья и требованиями к получаемым
продуктам. Нефть как сырье для перегонки обладает следующими характерными
свойствами: имеет непрерывный характер выкипания, невысокую термическую
стабильность тяжелых фракций и содержит в остатке значительное количество
сложных гетерогенных органических малолетучих соединений и практически
нелетучих смолисто-асфальтеновых и металл-органичеких соединений, резко
ухудшающих эксплуатационные характеристики нефтепродуктов и затрудняющих
последующую их очистку.
Поскольку температура термической стабильности тяжелых фракций
соответствует примерно температурной границе деления нефти между дизельным
топливом и мазутом по кривой ИТК, первичную перегонку нефти до мазута проводят обычно
при атмосферном давлении, а перегонку мазута - в вакууме. Выбор температурной
границы деления нефти при атмосферном давлении между дизельным топливом и
мазутом определяется не только термической стабильностью тяжелых фракций нефти,
но и технико-экономическими показателями процесса разделения в целом. В
некоторых случаях температурная граница деления проходит около 300 оС, т.е.
примерно половина фракции дизельного топлива отбирается с мазутом для получения
котельного топлива низкой вязкости. Таким образом, вопрос обоснования и выбора
температурной границы деления нефти подробно рассматривают при анализе
различных вариантов технологических схем перегонки нефти и мазута.
Обычно перегонку нефти и мазута ведут соответственно при атмосферном
давлении и в вакууме при максимальной температуре нагрева сырья с отпариванием
легких фракций тяжелых остатков водяным паром. Сложный состав остатков
перегонки требует также организации четкого отделения от них дистиллятных
фракций, в том числе и высокоэффективной сепарации фаз при однократном
испарении сырья.
С точки зрения отмеченных выше свойств нефти как сырья для перегонки
технология первичной перегонки нефти характеризуется такими особенностями:
применением как минимум двух ступеней перегонки - при атмосферном давлении и в
вакууме; применением водяного пара для отпаривания легких фракций из тяжелых
остатков; организацией четкого деления нефти и мазута на дистиллятные фракции и
остаток с высокоэффективной сепарацией фаз при однократном их испарении.
В то же время сравнительно низкие требования к четкости разделения
дистиллятных фракций обусловливают возможность и целесообразность использования
сложных ректификационных систем, характеризующихся сравнительно невысокой
разделительной способностью, но и высокой термодинамической эффективностью,
необходимой для таких энергоемких процессов разделения как первичная перегонка
нефти и мазута.
1.7 Перегонка нефти на топливные фракции и мазут
Перегонка нефти до мазута осуществляется по схемам одно- или
многократного испарения (одно- или двухколонные схемы). Наибольшее
распространение в отечественной нефтепереработке в настоящее время получили
схемы, двукратного и значительно меньшее однократного испарения. За рубежом,
начиная с 70-х годов в основном используют схемы однократного испарения. В то
же время в качестве перспективных схем перегонки нефти предлагаются
усовершенствованные схемы одно-, двух- и трехкратного испарения.
Рассмотрим и сравним между собой различные варианты схем перегонки нефти,
используемые в настоящее время в промышленности и наиболее перспективные из
числа предлагаемых к применению. Отметим, что для объективного анализа и
сравнения схем перегонки нефти необходимо проводить комплексную их оценку по
эксплуатационным, капитальным затратам и технологической гибкости - возможности
надежной работы установки при изменениях расхода и состава нефти для получения
различного ассортимента нефтепродуктов.
Схемой однократного испарения предусматривает разделение нефти на
заданные фракции и мазут в одной сложной колонне.
Рис 1.4
Температура нагрева нефти на выходе их печи составляет 300 - 330оС,
перегонка ведется при атмосферном давлении. Схема однократного испарения нефти
энергетически наиболее выгодна; сравнение ее с другими схемами показывает, что
она обеспечивает самые низкие энергетические показатели, меньшую металлоемкость
аппаратуры и требует минимальной температуры нагрева нефти для обеспечения
заданной доли отгона.
Однако перегонка нефти в одну ступень характеризуется меньшей технологической
гибкостью установки, требует большей надежности в работе аппаратуры и лучшей
подготовки нефти. При одноколонной схеме перегонки отмечаются более высокие
потери фракций до 350оС с мазутом - 3,1 против 2,5% (масс.) на нефть по
сравнению с двухколонной схемой. Эти потери могут быть снижены применением
одноколонной схемы с предварительным испарителем.
Другой вариант перегонки нефти по схеме однократного испарения в сложной
колонне с боковыми укрепляющими секциями. Поскольку такой вариант перегонки еще
не описан в литературе, остановимся на нем несколько подробнее. Нефть, нагретую
до 150 - 230оС, вводят в ректификационную колонну выше места отбора керосиновой
фракции. Выше ввода нефти отбирают газ, фракции легкого и тяжелого бензинов. В
низ колонны подают водяной пар. Из разных зон колонны ниже ввода нефти выводят
керосиновую фракцию, легкую и тяжелую фракции дизельного топлива при
температурах соответственно 160, 280 и 345оС. Последние три фракции отбирают в
парообразном состоянии и подают в укрепляющие секции, где от них отделяют более
высококипящие компоненты, которые дополнительно нагревают на 60 - 80оС и
возвращают в колонну. Тепло отбираемых фракций как обычно используется для
предварительного подогрева нефти. С низа колонны выводят мазут при 410оС.
Применение указанной технологической схемы требует меньших затрат энергии и
металла по сравнению с традиционной схемой.
В тоже время нельзя не отметить, что тяжелый остаток нефти по такой схеме
нагревается до очень высокой температуры (до 430оС) и, очевидно, для
предотвращения термического разложения масляных фракций необходимо обеспечить
минимальное время пребывания его в трубах печи.
Промежуточное положение между схемами однократного и двукратного
испарения занимает схема с предварительным испарителем, получившая широкое
распространение на отечественных заводах. По этой схеме часть легких бензиновых
фракций после нагрева нефти в теплообменниках отделяется от нефти в
предварительном испарителе, и, минуя печь, подается на разделение в основную
ректификационную колонну вместе с частично отбензиненной нефтью, либо подается
вместе с водяным паром под нижнюю тарелку колонны.
Предлагается также схема перегонки нефти с предварительным двукратным ее
испарением. В первой ступени испарения нефть при давлении 0,49 Мпа нагревается
в теплообменниках до 129оС и поступает в сепаратор 1 ступени с тарелками
вверху. На тарелки подается вода для отделения водо-растворимых соединений.
Затем пары из сепаратора вводятся в основную ректификационную колонну под
нижнюю тарелку, а жидкость поступает в электродегидратор. Обессоленная и
обезвоженная нефть после электродегидратора при давлении 0,39 Мпа нагревается в
теплообменниках до 269оС и поступает в сепаратор II ступени, откуда жидкая фаза подается в печь и далее, в
колонну. Часть паровой фазы из сепаратора поступает в испарительную секцию
змеевика печи, а другая часть, минуя печь, вместе с легкими бензиновыми
фракциями подается в низ основной ректификационной колонны.
Применение схемы с предварительным испарением нефти позволяет при
перегонки легких нефтей снизить давление нагнетания на сырьевом насосе и
тепловую нагрузку печи. Однако при плохой подготовке сернистых нефтей на ЭЛОУ
возможна сильная коррозия ректификационной колонны, поэтому схемы с
предварительным испарением применяют в основном для перегонки легких
малосерийных нефтей.
Схема двукратного испарения
Основным достоинством схем двукратного испарения является их высокая
технологическая гибкость. Наличие первой ступени, в которой выделяется
растворенный в нефти газ и часть бензиновых фракций, позволяет компенсировать
возможные колебания в составе нефти и обеспечивает более стабильную работу
атмосферной колонны. Применение «отбензинивающей» колонны позволяет также
снизить давление на сырьевом насосе и разгрузить печь от легких фракций.
Рис 1.5
Двухколонную схему перегонки нефти используют при разделении нефтей с
большим содержанием легких бензиновых фракций и растворенных в нефти газов, для
переработки сильнообводненных и сернистых нефтей. Недостатками схемы
двукратного испарения является более высокая температура нагрева отбензиненной
нефти, необходимость поддержания температуры низа первой колонны горячей
струей, на что расходуется большое количество энергии, большое число единиц оборудования,
насосов и пр. при невысоких требованиях к четкости разделения между дизельным
топливом и мазутом экономически выгодно в атмосферной колонне максимально
отбирать светлые продукты. Практика же перегонки нефти и сравнительные расчеты
показывают, что высокий отбор светлых и четкое деление между тяжелыми фракциями
дизельного топлива и мазутом по температурной границе 350 - 360оС возможны
только при выделении тяжелых топливных фракций в условиях умеренного вакуума. В
связи с этим в рассмотренных далее схемах двух- и трехкратного испарения нефти
и в схеме установки АВТ, рекомендуемой в работе, температурная граница деления
нефти при атмосферном давлении заметно сдвинута в сторону легких дизельных
фракций.
По схеме двукратного испарения нефти перегонка нефти осуществляется в
первой колонне при давлении 0,15 - 0,7 Мпа с получением легких газов и фракций
легкого бензина, тяжелого бензина и керосина и во второй колонне (при
атмосферном давлении или в условиях умеренного вакуума при Р = 0,014 - 0,14
МПа) с получением фракций легкого и тяжелого дизельных топлив. Остаток в виде
утяжеленного мазута поступает на дальнейшую перегонку под вакуумом (Р = 20 -
140гПа). В низ первой колонны подводится тепло через печь и подается водяной
пар. По такой схеме энергетические затраты на разделение по сравнению с
традиционной схемой двукратного испарения значительно меньше.
Отметим еще некоторые варианты схем двукратного испарения нефти. С целью
комбинирования процессов первичной перегонки нефти и гидроочистки топливных
фракций перегонку нефти предлагается осуществлять при давлении 2 -7 Мпа с
предварительным подогревом нефти до 360 - 380 оС в присутствии водорода (20 -
500м3 на 1т сырья) с последующим обессериванием и ректификацией топливных
фракций.
Комбинирование процессов первичной перегонки нефти и гидроочистки
топливных фракций в одной технологической установке позволяет снизить
эксплуатационные затраты на величину, необходимую для, повторного нагрева
топливных фракций в процессе их гидроочистки.
1.8 Технология простой перегонки нефтяных смесей
Постепенную перегонку можно проводить при постоянной температуре или
давлении. В последнем случае температура жидкости в кубе будет непрерывно
повышаться по мере утяжеления остатка. Постепенная перегонка малоэффективный
процесс разделения смесей, поэтому он применяется только для концентрирования
компонентов из ширококипящих смесей в дистилляте либо в кубовом остатке. В
настоящее время постепенная перегонка широко применяется при определении
фракционного состава нефтяных смесей, например при стандартной разгонке.
Отметим также, что закономерностям постепенной перегонки соответствует
испарение нефтепродуктов в резервуарах при их испарении.
Однократное испарение широко применяется в настоящее время в
промышленности. Например, разделение нефти осуществляется методом однократного
испарения ее с последующей ректификацией паровой и жидкой фаз; при этом нагрев
нефти проводится в трубчатых печах, а разделение на фазы - в секции питания
ректификационной колонны. Процесс однократного испарения широко распространен и
в лабораторной практике при определении кривых однократного испарения нефтей.
Однократное испарение дает большую долю отгона по сравнению с постепенным
испарением при нагреве до одинаковой температуры. В связи с этим для получения
заданной доли отгона сырья однократное испарение позволяет вести процесс
разделения с меньшей вероятностью термического разложения компонентов смеси.
Доля отгона при однократном испарении существенно зависит также и от состава
сырья. Более легкое сырью, естественно, имеет большую долю отгона при одной и
той же температуре и наоборот. Поэтому часто для увеличения доли отгона сырья в
него добавляют легкие фракции.
Дросселирование исходной жидкости приводит к частичному ее испарению
из-за резкого понижения давления в дросселе. Тепло для испарения отнимается от
самого потока, поэтому температура паров дистиллята и жидкого остатка
понижается по сравнению с исходной температурой сырья.
Дросселирование встречается практически во всех многоступенчатых схемах
разделения нефтяных смесей с понижением давления в последующей ступени
разделения. Заметное дросселирование потока в трубопроводе соизмерим с
давлением с системе. Такая картина, в частности, отмечается при движении мазута
в трансформенном трубопроводе от печи до вакуумной колонны. В том случае, когда
летучести компонентов разделяемой смеси различаются значительно и остаток
представляет собой смесь тяжелых углеводородов со смолисто-асфальтеновыми
соединениями, разделение методом дросселирования может вызвать достаточно резкое
понижение температуры и увеличение вязкости остатка.
2. РАСЧЕТНАЯ ЧАСТЬ
.1 ТЕХНОЛОГИЧЕСКАЯ СХЕМА УСТАНОВКИ
Рассмотрим схему установки с двукратным испарением нефти (рис.2.1). Эта
схема технологически гибкая и работоспособная при значительном изменении
содержания лёгких фракций и растворенных газов. Коррозионно-активные вещества
удаляются в первой колонне и основная сложная колонна защищена от их
воздействия. Благодаря предварительному удалению в отбензинивающей колонне
растворенных газов и легкого бензина в змеевиках печи, в теплообменниках не
создается большого давления и основная колонна не перегружается по парам.
Рис. 2.1
Таблица
1 Разгонка (ИТК) нефти
|
№ фракции
|
Температура начала и конца кипения фракции, °С
|
Выход
на нефть, % масс.
|
ρ204
|
|
|
отдельных фракций
|
суммарный
|
|
|
1
|
Газ до С4
|
28
|
1,05
|
1,05
|
-
|
|
2
|
28 -
|
68
|
2,06
|
3,11
|
0,6501
|
|
3
|
68 -
|
94
|
2,06
|
5,17
|
0,6911
|
|
4
|
94 -
|
118
|
2,03
|
7,20
|
0,7115
|
|
5
|
118 -
|
139
|
2,32
|
9,52
|
0,7266
|
|
6
|
139 -
|
154
|
1,88
|
11,40
|
0,7406
|
|
7
|
154 -
|
170
|
2,43
|
13,83
|
0,7530
|
|
8
|
170 -
|
186
|
2,52
|
16,35
|
0,7648
|
|
9
|
186 -
|
200
|
2,47
|
18,82
|
0,7789
|
|
10
|
200 -
|
215
|
2,52
|
21,34
|
0,7881
|
|
11
|
215 -
|
228
|
2,54
|
23,88
|
0,8018
|
|
12
|
228 -
|
246
|
2,58
|
26,46
|
0,8119
|
|
13
|
246 -
|
259
|
2,58
|
29,04
|
0,8217
|
|
14
|
259 -
|
274
|
2,58
|
31,62
|
0,8295
|
|
15
|
274 -
|
292
|
2,58
|
34,20
|
0,8387
|
|
16
|
292 -
|
310
|
2,69
|
36,89
|
0,8464
|
|
17
|
310 -
|
326
|
2,71
|
39,60
|
0,8552
|
|
18
|
326 -
|
344
|
2,74
|
42,34
|
0,8639
|
|
19
|
344 -
|
361
|
2,91
|
45,25
|
0,8726
|
|
20
|
361 -
|
376
|
2,95
|
48,20
|
0,8802
|
|
21
|
376 -
|
395
|
3,02
|
51,22
|
0,8886
|
|
22
|
395 -
|
410
|
3,06
|
54,28
|
0,8955
|
|
23
|
410 -
|
424
|
3,02
|
57,30
|
0,9019
|
|
24
|
424 -
|
440
|
2,95
|
60,25
|
0,9059
|
|
25
|
440 -
|
452
|
3,13
|
63,38
|
0,9086
|
|
26
|
452 -
|
460
|
3,02
|
66,40
|
0,9111
|
|
27
|
Остаток
|
33,6
|
100,00
|
-
|
|
Плотность нефти
|
0,8706
|
|
|
|
|
|
|
|
.2 МАТЕРИАЛЬНЫЙ БАЛАНС
Составим материальный баланс установки мощностью 1,2 млн т в год по нефти,
разгонка (ИТК) которой приведена в табл.1 В отбензинивающей колонне К-1
предусмотрим отбор фракции легкого бензина 28 - 105 °С. В атмосферной колонне К-2
следующих фракций: тяжелого бензина 105 - 190°С, керосина 190 - 230 °С, дизтоплива 230 - 350 °С, и мазута 350 - К.К.
По данным таблицы ИТК находим потенциальное содержание Хн.к.-к.к.
отбираемых фракций в нефти.
Результаты
расчётов заносим в табл.2. Принимаем на основании литературных данных долю
отбора Д всех фракций (кроме мазута) от потенциала и находим их фактический
отбор Ф, % масс:
Ф
= Х · Д
Весь недобор фракций приплюсовываем к остатку - мазуту. Фактические
потери примем в количестве 1% масс.
Фактический отбор мазута:
Ф350-К.К. = 100 - 1,05 - 5,05 - 10,955 - 7,111 - 19,200 - 1,0 = 57,28 %
масс.
Доля отбора мазута от потенциала:
Д350-К.К. = 57,28 / 56,633 = 1,011
Результаты расчетов приведены в табл.2.
Относительную плотность фракций определяем по правилу аддитивности
где
Хi и
-
потенциальное содержание и относительная плотность узких фракций в широкой
фракции (из табл.1).
Таблица
2 Отбор фракций из нефти
|
Фракции
|
Потенциальное содержание фракции в нефти Х, % масс.
|
Доля отбора от потенциала Д
|
Фактический отбор фракции Ф, % масс.
|
|
Газ до С4
|
1,05
|
1
|
1,05
|
|
28 - 105°С
|
5,050
|
0,99
|
5,00
|
|
105 - 190°С
|
10,955
|
0,99
|
10,85
|
|
190 -
230°С
|
7,111
|
0,98
|
6,97
|
|
230 - 350°С
|
19,200
|
0,93
|
17,86
|
|
350 -
К.К.
|
56,633
|
1,011
|
57,28
|
|
Потери
|
-
|
-
|
1,0
|
|
Итого
|
100,00
|
-
|
100,00
|
Примем число рабочих дней в году 340 и составим материальный баланс всей
установки (табл.3).

|
Показатели
|
Мол. Вес МВыход
|
|
|
|
|
|
% масс
|
т/ч
|
т/сутки
|
т/год
|
|
ПРИХОД: Нефть
|
0,8706
|
-
|
100
|
147,059
|
3529,41
|
1200000
|
|
РАСХОД:
|
|
|
|
|
|
|
|
Газ до С4
|
-
|
-
|
1,05
|
1,544
|
37,06
|
12600
|
|
28 - 105°С
|
0,6773
|
89
|
5,00
|
7,353
|
176,47
|
59999
|
|
105 - 190°С
|
0,7450
|
130
|
10,85
|
15,950
|
382,79
|
130149
|
|
190 -
230°С
|
0,7915
|
172
|
6,97
|
10,248
|
245,96
|
83625
|
|
230 - 350°С
|
0,8404
|
238
|
17,86
|
26,259
|
630,22
|
214276
|
|
350 -
К.К.
|
0,9492
|
432
|
57,28
|
84,234
|
2021,62
|
687351
|
|
Потери
|
-
|
-
|
1
|
1,471
|
35,29
|
12000
|
|
ИТОГО
|
-
|
-
|
100,000
|
147,06
|
3529,41
|
1200000
|
Плотность мазута находим также по правилу аддитивности, зная плотность
сырой нефти, содержание и плотность отбираемых фракций.
Плотностью газов можно пренебречь ввиду их незначительного количества в
нефти.
Отсюда
относительная плотность мазута
Молекулярный
вес светлых фракций определяем по формуле Воинова:
M = (7K -
21,5) + (0,76 - 0,04K)t + (0,0003K - 0,00245)t2,
где
t - средняя температура кипения фракции, оС.
Определяется как среднее арифметическое между температурами начала и конца
кипения фракции.
K -
характеризующий фактор:
,
где
Тср - средняя температура кипения фракции, K
где
g - температурная поправка относительной плотности на
1К. Определяется по эмпирической формуле Кусакова:
Рассчитаем
молекулярный вес фракции 28-1050С.
M28-105 =
(7·12,44 - 21,5) + (0,76 - 0,04·12,44) ·66,5
+
+
(0,0003·12,44 - 0,00245)·(66,5)2 = 89
Для
фракции 105-1900С:
M105-190 = 130
Для
фракции 190-2300С:
M190-230 = 172
Для
фракции 230-3500С:
M230-350 = 238
Примем
температуру конца кипения мазута 6000С и рассчитаем молекулярный вес:
Результаты
расчетов приведены в табл.3.
На
основании данных таблицы 3 составляем материальный баланс отбензинивающей
колонны К-1 (табл.4).
Таблица
4 Материальный баланс колонны К-1
|
Показатели
|
Условное обозначение потока
|
Выход на нефть, % масс
|
Массовый расход, кг/ч
|
|
ПРИХОД: нефть
|
L
|
100
|
147059
|
|
РАСХОД:
|
|
|
|
|
Газ до С4
|
-
|
1,05
|
1544
|
|
Бензин 28-1050С
|
D1
|
5,00
|
7353
|
|
Полуотбензиненная нефть
|
L0
|
92,95
|
136691
|
|
Потери
|
-
|
1
|
1471
|
|
ИТОГО
|
-
|
100
|
147059
|
Далее составляем материальный баланс атмосферной колонны К-2 (табл.5).
Таблица 5 Материальный баланс колонны К-2
|
Показатели
|
Условное обозначение потока
|
Выход, % массМассовый расход, кг/ч
|
|
|
|
|
|
на нефть
|
на полуотбензиненную нефть
|
|
|
ПРИХОД:
|
|
|
|
|
|
|
Полуотбензиненная нефть
|
L0
|
0,8839
|
92,95
|
100
|
136691
|
|
РАСХОД:
|
|
|
|
|
|
|
Бензин 105-1900С
|
D2
|
0,7450
|
10,85
|
11,67
|
15950
|
|
Керосин 190-2300С
|
R3
|
0,7915
|
6,97
|
7,50
|
10248
|
|
Дизтопливо 230-3500С
|
R2
|
0,8404
|
17,86
|
19,21
|
26259
|
|
Мазут 350-К.К.
|
R1
|
0,9492
|
57,28
|
61,62
|
84234
|
|
ИТОГО
|
-
|
-
|
92,95
|
100
|
136691
|
При составлении материальных балансов колонн К-1 и К-2 все потери по
установке отнесем на полуотбензиненную нефть.
Относительную плотность полуотбензиненной нефти также определяем по
правилу аддитивности (пренебрегая содержанием газов):
Отсюда
0,8839
Выход
отдельных фракций в % масс. на полуотбензиненную нефть находим по пропорции.
Например, для бензина D2:
% масс.
Для
керосина R3:
% масс.
.3.
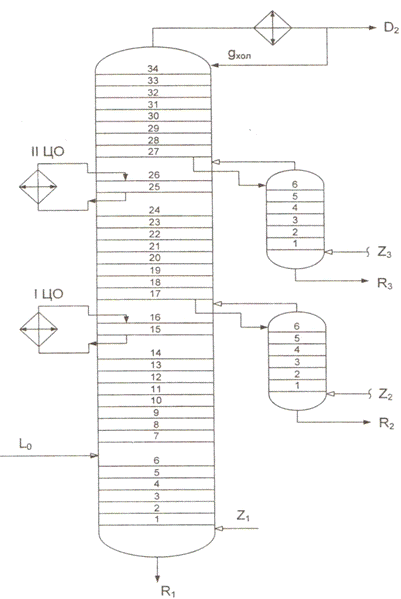
ОПИСАНИЕ АТМОСФЕРНОЙ КОЛОННЫ
Атмосферная
колонна К-2 является сложной колонной, состоящей из трёх простых колонн.
Избыточное тепло в колонне снимается сверху колонны с помощью острого испаряющегося
орошения и по высоте колонны двумя промежуточными циркуляционными орошениями.
Количество
циркуляционных орошений рекомендуется принимать равным количеству боковых
фракций.
На
основании литературных данных примем следующее число тарелок в концентрационной
части колонны: в секциях бензина, керосина и дизтоплива - по 8 тарелок.
На
каждое циркуляционное орошение примем по 2 тарелки. В отгонной части колонны и
в стриппинг-секциях примем по 6 тарелок Таким образом, при наличии двух
циркуляционных орошений в колонне общее число тарелок в атмосферной колонне
будет 34 (см. рис.3.1).
Принципиальная схема атмосферной колонны
Рис. 3.1
2.4 ФИЗИЧЕСКИЕ ХАРАКТЕРИСТИКИ В РАЗЛИЧНЫХ СЕКЦИЯХ КОЛОННЫ
а) Давление.
Примем давление вверху колонны (над верхней, 34-ой тарелкой) 140 кПа. Это
немного выше атмосферного и необходимо для преодоления гидравлических
сопротивлений при прохождении паров бензина через конденсатор-холодильник.
Примем к установке в колонне клапанные тарелки. По справочным данным
гидравлическое сопротивление одной тарелки в концентрационной части колонны
(7-34 тарелки) примем ∆Рконц = 0,6 кПа.
Учитывая гидравлическое сопротивление тарелок, рассчитаем абсолютное
давление под каждой тарелкой по высоте колонны, начиная сверху (табл.6).
б) Плотность и молекулярный вес.
Плотность жидкости в отдельных сечениях колонны принимается из расчёта
равномерного перепада её по тарелкам. Поэтому, зная плотность в конечных точках
данного сечения колонны, рассчитываем её по отдельным тарелкам.
Так, относительная плотность бензина D2 составляет 0,7450. Это и есть плотность жидкости на
верхней, 34-ой тарелке. Плотность керосина 0,7915 - это плотность жидкости,
стекающей с нижней 1-ой тарелки стриппинга К-3/2.
Бензиновую секцию колонны (8 тарелок) и керосиновый стриппинг К-3/2 (6
тарелок) можно представить как простую колонну из 14 тарелок, дистиллят которой
бензин D2, а остаток - керосин. Зная
плотности на верхней и нижней тарелках этой простой колонны, рассчитаем
плотности по оставшимся тарелкам. Перепад плотности на один межтарельчатый
интервал:
Плотность
на 33-ей тарелке 0,7450+0,0036=0,7486
Плотность
на 32-ой тарелке 0, 7486+0,0036=0, 7522
И
так далее. После 27-ой тарелки колонны переходим на 6-ю тарелку стриппинга.
Плотности на тарелках керосинового стриппинга приводятся в табл.7.
Следующее
сечение - между 27-ой тарелкой основной колонны и первой тарелкой стриппинга
К-3/1, с которой стекает дизтопливо с плотностью 0,8404. Перепад плотности на
один межтарельчатый интервал в данном сечении составляет:
Плотность
на 26-ой тарелке 0,7701+0,0044=0,7745.
Плотность
на 25-ой тарелке 0,7745+0,0044=0,7789
После
17-ой тарелки переходим на 6-ю тарелку дизельного стриппинга.
С 1-ой тарелки основной колонны стекает мазут с плотностью 0,9396.
Перепад плотности на один межтарельчатый интервал в сечении между 17-ой и 1-ой
тарелками составляет:
Плотность
на 16-ой тарелке 0,8140+0,0084=0,8225.
Плотность
на 15-ой тарелке 0,8225+0,0084=0,8309
И
так далее.
Аналогично
плотности рассчитывается по тарелкам молекулярный вес.
в)
Температурный режим.
Температуры
верха колонны и вывода боковых фракций определяются графическим методом.
Сначала строятся кривые ИТК фракций бензина, керосина и дизтоплива.
Рассмотрим
пример для фракции бензина 105-1900С. Для построения составляется таблица 8.
В
таблице 8 выход узких фракций на бензин рассчитывается по пропорции, принимая
потенциальное содержание 10,96 % масс. за 100 %. Например, для узкой фракции
105-1180С:
% масс.
Суммарный
выход для узкой фракции 118-1390С:
,0
+ 21,2 = 31,2 % масс.
Для
139-1540С:
,2
+ 17,2 = 48,4 % масс.
Далее
по точкам 1050 - 0 % ; 1180 - 10,0 %; 1390 - 31,2 %; 1540 - 48,4 %; 1700 - 70,6
%; 1860 - 93,6 % и 1900 - 100,0 % строится кривая ИТК бензина.
Таблица 6
Физические характеристики потоков в различных секциях колонны
|
Секция
|
Номер тарелки
|
Давление под тарелкой, кПа
|
Плотность жидкости на тарелке, Молекулярный вес жидкости на
тарелкеТемпература на тарелке, 0С
|
|
|
|
Секция бензина
|
34
|
140,6
|
0,7450
|
130
|
165,77
|
|
33
|
141,2
|
0,7486
|
133
|
171,72
|
|
32
|
141,8
|
0,7522
|
136
|
177,67
|
|
31
|
142,4
|
0,7557
|
140
|
183,62
|
|
30
|
143
|
0,7593
|
143
|
189,57
|
|
29
|
143,6
|
0,7629
|
146
|
195,52
|
|
28
|
144,2
|
0,7665
|
149
|
201,47
|
|
27
|
144,8
|
0,7701
|
153
|
207,42
|
|
2-ое ЦО
|
26
|
145,4
|
0,7745
|
158
|
213,32
|
|
25
|
146
|
0,7789
|
163
|
219,22
|
|
Секция керосина
|
24
|
146,6
|
0,7833
|
169
|
225,12
|
|
23
|
147,2
|
0,7877
|
174
|
231,02
|
|
22
|
147,8
|
0,7920
|
179
|
236,92
|
|
21
|
148,4
|
0,7964
|
185
|
242,82
|
|
20
|
149
|
0,8008
|
190
|
248,72
|
|
19
|
149,6
|
0,8052
|
195
|
254,63
|
|
18
|
150,2
|
0,8096
|
201
|
260,53
|
|
17
|
150,8
|
0,8140
|
206
|
266,43
|
|
1-ое ЦО
|
16
|
151,4
|
0,8225
|
220
|
274,48
|
|
15
|
152
|
0,8309
|
234
|
282,53
|
|
Секция дизтоплива
|
14
|
152,6
|
0,8394
|
249
|
290,58
|
|
13
|
153,2
|
0,8478
|
298,64
|
|
12
|
153,8
|
0,8563
|
277
|
306,69
|
|
11
|
154,4
|
0,8647
|
291
|
314,74
|
|
10
|
155
|
0,8732
|
305
|
322,79
|
|
9
|
155,6
|
0,8816
|
319
|
330,84
|
|
8
|
156,2
|
0,8901
|
333
|
338,90
|
|
7
|
156,8
|
0,8985
|
348
|
346,95
|
|
Отгонная часть
|
6
|
157,4
|
0,9069
|
362
|
355
|
|
5
|
158
|
0,9154
|
376
|
350
|
|
4
|
158,6
|
0,9238
|
390
|
345
|
|
3
|
159,2
|
0,9323
|
404
|
340
|
|
2
|
159,8
|
0,9407
|
418
|
335
|
|
1
|
160,4
|
0,9492
|
432
|
330
|
Таблица 7
Физические характеристики потоков на тарелках стриппинг-секций
|
Стриппинг
|
Номер тарелки
|
Плотность жидкости на тарелке, Молекулярный вес жидкости на
тарелкеТемпература на тарелке, 0С
|
|
|
|
Стриппинг К-3/2
|
6
|
0,7736
|
156
|
204,09
|
|
5
|
0,7772
|
159
|
200,75
|
|
4
|
0,7808
|
162
|
197,42
|
|
3
|
0,7844
|
166
|
194,09
|
|
2
|
0,7880
|
169
|
190,75
|
|
1
|
0,7915
|
172
|
187,42
|
|
Стриппинг К-3/1
|
6
|
0,8184
|
212
|
263,93
|
|
5
|
0,8228
|
217
|
261,43
|
|
4
|
0,8272
|
222
|
258,93
|
|
3
|
0,8316
|
228
|
256,43
|
|
2
|
0,8360
|
233
|
253,93
|
|
1
|
0,8404
|
238
|
251,43
|
Таблица 8а Выход узких фракций бензина 105-1900С
|
Пределы кипения узких фракций, 0С
|
Выход узких фракций на нефть, % масс.
|
Выход узких фракций на бензин, % масс.
|
Суммарный выход узких фракций, % масс.
|
|
105 - 118
|
1,10
|
10,0
|
10,0
|
|
118 - 139
|
2,32
|
21,2
|
31,2
|
|
139 - 154
|
1,88
|
17,2
|
48,4
|
|
154 - 170
|
2,43
|
22,2
|
70,6
|
|
170 - 186
|
2,52
|
23,0
|
93,6
|
|
186 - 190
|
0,71
|
6,4
|
100,0
|
|
Сумма
|
10,96
|
100,0
|
-
|
Таблица 8б Выход узких фракций керосина 190-2300С
|
Пределы кипения узких фракций, 0С
|
Выход узких фракций на нефть, % масс.
|
Выход узких фракций на бензин, % масс.
|
Суммарный выход узких фракций, % масс.
|
|
190 -
200
|
1,764
|
24,8
|
24,8
|
|
200 - 215
|
2,52
|
35,4
|
60,2
|
|
215 - 228
|
2,54
|
35,7
|
96,0
|
|
228 - 230
|
0,287
|
4,0
|
100
|
|
Сумма
|
7,111
|
100,0
|
-
|
Таблица 8в Выход узких фракций дизельного топлива 230 - 3500С
|
Пределы кипения узких фракций, 0С
|
Выход узких фракций на нефть, % масс.
|
Выход узких фракций на бензин, % масс.
|
Суммарный выход узких фракций, % масс.
|
|
230 - 246
|
2,293
|
11,9
|
11,9
|
|
246 -
259
|
2,58
|
13,4
|
25,4
|
|
259 -
274
|
2,58
|
13,4
|
38,8
|
|
274 -
292
|
2,58
|
13,4
|
52,3
|
|
292 -
310
|
2,69
|
14,0
|
66,3
|
|
310 -
326
|
2,71
|
14,1
|
80,4
|
|
326 -
344
|
2,74
|
14,3
|
94,7
|
|
344 -
350
|
1,027
|
5,3
|
100,0
|
|
Сумма
|
19,200
|
100,0
|
-
|
Затем на основе кривых ИТК строятся прямые однократного испарения (ОИ)
при атмосферном давлении по методу Обрядчикова и Смидович. Для этого сначала
определяются температуры отгона фракций по кривым ИТК и тангенс угла наклона
ИТК (табл.9).
Таблица 9 Характеристика кривых ИТК фракций
|
Фракция
|
Температура отгона по кривой ИТК, 0С
|
Тангенс угла наклона (t70-t10)/60
|
|
10%
|
50%
|
70%
|
|
|
Бензин
|
117,01
|
155,19
|
170,68
|
0,89
|
|
Керосин
|
194,13
|
210,65
|
218,54
|
0,41
|
|
Дизтопливо
|
241,97
|
289,01
|
313,25
|
1,19
|
Прямая ОИ каждой фракции строится по двум точкам (начало - 0% и конец -
100%), которые определяются по графику Обрядчикова и Смидович в зависимости от
тангенса угла наклона ИТК и температуры отгона t50.
Результаты приведены в табл.10.
Таблица 10 Параметры прямых ОИ фракций
|
Фракция
|
Процент ИТК, соответствующий началу ОИ - 0% масс.
|
Процент ИТК, соответствующий концу ОИ - 100% масс.
|
|
Бензин
|
30
|
62
|
|
Керосин
|
42
|
54
|
|
Дизтопливо
|
31
|
61
|
Для построения прямой ОИ, например, для бензина, находим на рис.2 на оси
абцисс точку 30%, проводим вертикаль до пересечения с кривой ИТК и далее
горизонталь влево до пересечения с осью ординат. Получаем первую точку прямой
ОИ, соответствующей 0 % отгона Затем проводим вертикаль от точки на оси абцисс
62% до пересечения с кривой ИТК и далее горизонталь вправо. Получаем вторую
точку прямой ОИ, соответствующей 100% отгона. Соединив эти две точки, получаем
прямую ОИ бензина.
Аналогично по данным табл.10 строятся прямые ОИ для керосина и
дизтоплива. Далее корректируем прямую ОИ бензина на его парциальное давление
наверху колонны. Задаёмся расходом водяного пара в низ колонны (Z1) 3% масс. от мазута и в
стриппинг-секции (Z2 и Z3) 2% масс. от бокового погона:
Z1 =
0,03 · R1 = 0,03 · 84234,2 = 2527,0 кг/ч
Z2 =
0,02 · R2 = 0,02 · 26259,4 = 525,2 кг/ч
Z3 =
0,02 · R3 = 0,02 · 10248,1 = 205,0 кг/ч
Общий расход водяного пара:
Принимаем предварительно кратность холодного орошения вверху колонны 3:1.
Тогда количество острого холодного орошения:
gxол =
3 · D2 = 3 · 15949,6 = 47848,8 кг/ч
Парциальное давление бензиновых паров наверху колонны:
где
p - абсолютное давление наверху колонны, кПа
и
- молекулярный вес бензина D2 и воды.

Далее
корректируем прямую ОИ бензина на давление 102,28 кПа. Новая прямая ОИ будет параллельна
старой и располагаться выше, если давление выше атмосферного (101,3 кПа) или
ниже, если давление ниже атмосферного.
Поэтому
для построения новой ОИ достаточно найти одну точку, через которую и проводят
прямую, параллельную старой ОИ. Для этого по методу Пирумова находим
температуру, соответствующую точке пересечения ИТК и ОИ бензина.
Далее
по графику Кокса (приложение 4) находим точку пересечения данной температуры
(на оси ординат) и атмосферного давления (на оси абцисс). Переносим эту точку
строго параллельно находящимся на графике наклонным прямым до пересечения с
вертикальной линией, соответствующей парциальному давлению бензина. Полученная
точка соответствует новой температуре, на которую и переносится точка
пересечения ИТК и ОИ. Через эту точку проводим прямую, параллельную старой ОИ.
Это и будет прямая ОИ бензина для давления 102,28 кПа.
Температура
верха колонны соответствует температуре конца прямой ОИ бензина при давлении
102,28 кПа.
Кривые ИТК и ОИ
Рис. 4.1
По графику tверха = 165,770С.
Эта температура соответствует температуре верхней, 34-ой тарелки, т.е. t34 = 165,770С.
Температура вывода керосина с 27-ой тарелки соответствует температуре
начала ОИ керосина. По графику t27 =
207,420С.
Температура вывода дизтоплива с 17-ой тарелки соответствует температуре
начала ОИ дизтоплива. По графику t17 =
266,430С.
Температура сырья (полуотбензиненной нефти) на входе в колонну
составляет, как правило, 340-360°С, что соответствует температуре отгона
светлых фракций. Примем температуру сырья на входе в колонну 355°С, т.е. tLо = 3550С. Температуры вывода
керосина и дизтоплива из стриппинг-секций будут ниже температур вывода этих
фракций с 27 и 17 тарелок за счёт эффекта водяного пара, который приводит к
активному испарению лёгких фракций и поглощению тепла. Перепад температур в
стриппингах зависит от расхода водяного пара и примерно оценивается величиной,
равной (7 - 10)Сп, где Сп - расход водяного пара в % масс. Для тяжелых фракций
перепад ниже, чем для лёгких. Примем перепад температур в керосиновом
стриппинге 200, в дизельном стриппинге 150.
Тогда температура вывода керосина из стриппинга:
tкер =
207,42 - 20 = 187,420С
Эта температура соответствует температуре нижней 1-й тарелки керосинового
стриппинга.
Температура вывода дизтоплива из стриппинга:
tдт =
266,43 - 15 = 251,430С
Эта температура соответствует температуре нижней 1-й тарелки дизельного
стриппинга.
Температура вывода мазута с низа колонны принимается на 15-250 ниже
температуры ввода сырья (также за счёт эффекта испарения лёгких фракций в
присутствии водяного пара). Примем температуру вывода мазута:
tмаз =
355 - 25 = 3300С
Эта температура соответствует температуре нижней 1-й тарелки основной
колонны.
Так как сырьё колонны поступает на 6-ю тарелку, то температура на этой
тарелке t6 = 3550С.
Полученные таким образом температуры на соответствующих тарелках вносим в
табл.6 и 7. Остальные температуры на тарелках определяем аналогично плотности
из расчёта равномерного перепада по каждому сечению. Примем также температуру
холодного орошения вверху колонны tхол = 35°С, температуру ввода второго циркуляционного орошения (на 26-ю
тарелку) tЦ2 = 70°С, температуру первого
циркуляционного орошения (на 16-ю тарелку) tЦ1 = 100°С.
.5. ДОЛЯ ОТГОНА СЫРЬЯ НА ВХОДЕ В КОЛОННУ
Доля отгона сырья позволяет определить количество паровой и жидкой фазы
полуотбензиненной нефти на входе в колонну. Это необходимо для расчёта
теплового баланса колонны.
Рассчитать долю отгона можно аналитическим способом по методу
А.М.Трегубова. Это трудоёмкий метод.
Наиболее простой способ - графический. Для этого сначала составляем
таблицу 11 и строим по её данным (рис.2) кривую ИТК полуотбензиненной нефти
(аналогично построению ИТК светлых фракций). Конец кипения сырья можно принять
в пределах 6000С.
газ
перегонка нефть установка
Таблица 11 Выход узких фракций полуотбензиненной нефти
|
Пределы кипения узких фракций, 0С
|
Выход узких фракций на нефть, % масс.
|
Выход узких фракций на полуотбензиненную нефть, % масс.
|
Суммарный выход узких фракций, % масс.
|
|
105 - 118
|
1,10
|
1,21
|
1,21
|
|
118 -
139
|
2,32
|
2,55
|
3,76
|
|
139 -
154
|
1,88
|
2,07
|
5,83
|
|
154 -
170
|
2,43
|
2,67
|
8,50
|
|
170 -
186
|
2,52
|
2,77
|
11,27
|
|
186 -
200
|
2,47
|
2,72
|
13,99
|
|
200 - 215
|
2,52
|
2,77
|
16,76
|
|
215 - 228
|
2,54
|
2,79
|
19,55
|
|
228 -
246
|
2,58
|
2,84
|
22,39
|
|
246 -
259
|
2,58
|
2,84
|
25,22
|
|
259 -
274
|
2,58
|
2,84
|
28,06
|
|
274 -
292
|
2,58
|
2,84
|
30,90
|
|
292 -
310
|
2,69
|
33,85
|
|
310 - 326
|
2,71
|
2,98
|
36,83
|
|
326 -
344
|
2,74
|
3,01
|
39,85
|
|
344 -
361
|
2,91
|
3,20
|
43,05
|
|
361 -
376
|
2,95
|
3,24
|
46,29
|
|
376
-395
|
3,02
|
3,32
|
49,61
|
|
395 - 410
|
3,06
|
3,36
|
52,97
|
|
410 -
424
|
3,02
|
3,32
|
56,29
|
|
424 -
452
|
3,13
|
3,44
|
59,74
|
|
452 -
460
|
3,02
|
3,32
|
63,06
|
|
Остаток
|
33,6
|
36,94
|
100,00
|
|
Сумма
|
90,95
|
100,00
|
-
|
Далее по данным кривой ИТК сырья, по графику Обрядчикова и Смидович
составляем таблицы 12 и 13 и строим прямую ОИ полуотбензиненной нефти.
Полученная прямая ОИ сырья соответствует атмосферному давлению - 101,3
кПа. Но в зоне питания, под 7-ой тарелкой, давление составляет 153,8 кПа
(табл.6). Поэтому корректируем прямую ОИ сырья по графику Кокса на давление
153,8 кПа.
По полученной новой ОИ определяем долю отгона. Для этого на оси
Таблица 12 Характеристика кривой ИТК полуотбензиненной нефти
|
Фракция
|
Температура отгона по кривой ИТК, 0С
|
Тангенс угла наклона (t70-t10)/60
|
|
10%
|
50%
|
70%
|
|
|
105-К.К.
|
174,11
|
395,24
|
487,44
|
5,22
|
Таблица 13 Параметры
прямой ОИ полуотбензиненной нефти
|
Фракция
|
Процент ИТК, соответствующий началу ОИ - 0% масс.
|
Процент ИТК, соответствующий концу ОИ - 100% масс.
|
Температура, соответствующая началу ОИ
|
Температура, соответствующая концу ОИ
|
|
105-К.К.
|
5
|
78
|
172,27
|
544,54
|
Кординат находим точку, соответствующую температуре ввода сырья (3550С),
проводим от неё горизонталь до пересечения с прямой ОИ. От полученной точки
пересечения проводим вертикаль на ось абцисс. Получаем процент отгона сырья -
42,4%. Т.е. доля отгона полуотбензиненной нефти при 3550С и 153,8 кПа
составляет е = 0,424.
2.6 ТЕПЛОВОЙ БАЛАНС КОЛОННЫ
Тепловой баланс колонны рассчитывается с целью определения количества
тепла, которое необходимо снять орошениями.
Приходные и расходные статьи теплового баланса приведены в табл.14.
Потери тепла в окружающую среду не внесены в тепловой баланс, это дает
некоторый запас при определении тепла, снимаемого орошениями в колонне.
Энтальпию углеводородных паровых IП и жидкостных IЖ
потоков рассчитываем по формулам:
, кДж/кг
где
Т - температура потока, К
-
относительная плотность потока.
, кДж/кг
Энтальпия
перегретого водяного пара приведена в приложении 2.
Количество
паровой фазы сырья:
LП = L0 ·
е = 136691·0,424 = 57917,52 кг/ч.
Количество
жидкой фазы сырья:
LЖ = L0 - Lп =
136691 - 57917,52 = 78773,18 кг/ч.
Энтальпию
водяного пара определяем по приложению 2 на входе в колонну при температуре
4000С и давлении 6 ат, на выходе из колонны при температуре 1510С и давлении 1
ат (интерполяцией).
Энтальпию
по формуле для парового потока рассчитываем только для бензина и паровой фазы
сырья. Остальные потоки - по формуле для жидкости.
Относительную
плотность паровой фазы сырья рассчитаем с учётом того, что в её составе
находятся в основном светлые фракции:
Таблица 14 Тепловой баланс колонны
|
Поток
|
Обозначение
|
Массовый расход G, кг/ч
|
t, 0С
|
Энтальпия I,
кДж/кг
|
Количество тепла Q, кВт
|
|
ПРИХОД:
|
|
|
|
|
|
|
Паровая фаза сырья
|
LП
|
57917,52
|
355
|
1117,96
|
17985,92
|
|
Жидкая фаза сырья
|
LЖ
|
78773,78
|
355
|
834,98
|
18270,65
|
|
Водяной пар
|
∑Z
|
3257,18
|
400
|
3273,23
|
2961,52
|
|
Итого
|
-
|
139948,48
|
-
|
-
|
39218,09
|
|
РАСХОД:
|
|
|
|
|
|
|
Бензин
|
D2
|
15949,62
|
165,77
|
672,61
|
2979,96
|
|
Керосин
|
R3
|
10248,14
|
187,42
|
422,65
|
1203,15
|
|
Дизтопливо
|
R2
|
26259,36
|
251,43
|
580,05
|
4231,03
|
|
Мазут
|
R1
|
84234,18
|
330,00
|
761,84
|
17825,76
|
|
Водяной пар
|
∑Z
|
3257,18
|
165,77
|
2809,87
|
2542,29
|
|
Итого
|
-
|
139948,48
|
-
|
-
|
28782,19
|
Энтальпия паровой фазы сырья при 3550С
Относительную
плотность для жидкой фазы сырья можно принять равной плотности мазута
, тогда
Количество
тепла в кВт для каждого потока определяем по формуле:
Общее
количество тепла, которое необходимо снять орошениями в колонне:
Qор = Qприх
- Qрасход = 39218,09 - 28782,19 = 10435,9 кВт =
=
37569244,01кДж/кг
Этот
избыток тепла в колонне снимается острым холодным орошением вверху колонны и
двумя промежуточными циркуляционными орошениями под тарелками отбора боковых
фракций.
.7
ВНУТРЕННИЕ МАТЕРИАЛЬНЫЕ ПОТОКИ В КОЛОННЕ
а) Верхнее сечение колонны
Схема третьей простой колонны
Рис.7.1
Из совместного решения материального и теплового баланса 3-ей простой
колонны при условии, что с 27-й тарелки вся флегма перетекает в
стриппинг-секцию керосина, можно определить количество холодного орошения gхол, подаваемого на верхнюю тарелку.
Материальный баланс 3-ей простой колонны:
G26 + z3 + gхол = G34 + R3,
где G26 и G34- нефтяные и водяные пары, поднимающиеся с 26-й и 34-й
тарелки.
G26 = D2 + R3 + z1 + z2
G34 = D2 + gхол + z1 + z2+ z3
Введём обозначения:
z1,2 =
z1 + z2
z1,2,3
= z1 + z2 + z3
На основе материального баланса составляем тепловой баланс:
Количество
холодного орошения gхол, кг/ч:
В
данном уравнении числитель - это тепло, снимаемое холодным остроиспаряющимся
орошением Qхол:

, кДж/ч
Тогда
,
В
приведённых уравнениях:
и
- энтальпия нефтяных паров с 26-й и с 34-й тарелки
соответственно, кДж/кг. Рассчитывается в зависимости от плотности
и температуры на соответствующих тарелках;
Iкер - энтальпия
жидкого керосина на выходе из стриппинга (из теплового баланса), кДж/кг;
Iхол - энтальпия
холодного орошения, кДж/кг. Рассчитывается при принятой температуре холодного
орошения tхол = 350С и плотности бензина D2,
-
энтальпия водяного пара на входе в керосиновый стриппинг при 400оС (из
теплового баланса), кДж/кг;
и
- энтальпия водяного пара, поднимающегося с 26-й и
34-й тарелки соответственно, кДж/кг. Определяется по приложению 2 при давлении
1 ат интерполяцией в зависимости от температуры на тарелке.
=2903,50
кДж/кг;
=2809,87 кДж/кг;
=3273,23
кДж/кг;
Количество
флегмы стекающей с 34-й тарелки, кг/ч:
Схема потоков верхней части колонны
Рис.7.2
где

-
энтальпия нефтяных паров, поднимающихся с 33-й тарелки, кДж/кг. Рассчитывается
при температуре и плотности на 33-й тарелки.

-
энтальпия жидкости, стекающей с 34-й тарелки, кДж/кг.
Флегмовое
число в данном сечении колонны:
Количество
всех нефтяных и водяных паров наверху колонны, кг/ч:
Gв = D2 + gхол
+ z1,2,3
Объемный
расход паров наверху колонны, м3/с:
МD2 -
молекулярный вес тяжёлого бензина,
Т34
- температура на 34-й тарелке, К,
РВ
- давление наверху колонны, кПа.
Плотность
паровой фазы наверху колонны, кг/м3
Относительная плотность жидкой фазы наверху колонны при температуре
верха:
где
t - температура верха, т.е. 34-й тарелки (табл.6),
-
относительная плотность на 34-й тарелке (табл.6).
Абсолютная
плотность жидкой фазы, кг/м3:
Нагрузка верхней тарелки по жидкости, м3/ч:
б). Среднее сечение колонны
Из совместного решения материального и теплового баланса 2-й простой
колонны при условии, что с 17-й тарелки вся флегма перетекает в
стриппинг-секцию дизтоплива, можно определить количество тепла QЦ2, снимаемого вторым циркуляционным
орошением.
Материальный баланс 2-й простой колонны:
G16 + z2 + gЦ2 = G26 + R2 + g25(ор)
где G16 и G26- нефтяные и водяные пары, поднимающиеся с 16-й и 26-й
тарелки.
G16 = D2 + R3 + R2 + z1= D2 + R3 + z1 + z225(ор) - количество жидкой фазы,
стекающей с 25-й тарелки в холодильник второго орошения, кг/ч.
gЦ2 -
количество второго циркуляционного орошения, поступающего из холодильника на
26-ю тарелку, кг/ч.
Очевидно, что массовый расход
g25(ор)
= gЦ2
Тепловой баланс 2-ой простой колонны:
Где
- энтальпия нефтяных паров, поднимающихся с 16-й
тарелки, кДж/кг;
-
энтальпия водяных паров, поднимающихся с 16-й тарелки, кДж/кг;
-
энтальпия второго циркуляционного орошения, подаваемого при принятой
температуре tЦ2 = 700С на 26-ю тарелку, кДж/кг;
Схема второй простой колонны
Рис.7.3
-
энтальпия жидкой флегмы, стекающей с 25-й тарелки в холодильник второго
орошения, кДж/кг;
IДТ - энтальпия
жидкого дизельного топлива, стекающего с низа стриппинга (из теплового баланса
колонны), кДж/кг.
Из
данного уравнения находится количество второго циркуляционного орошения, кг/ч:
Числитель
данного уравнения - количество тепла QЦ2, снимаемого вторым
циркуляционным орошением. Тогда
, кг/ч
Количество
флегмы, стекающей с 25-й тарелки на 24-ю, кг/ч:
Флегмовое число на данной тарелке:
Количество нефтяных и водяных паров, поднимающихся с 24-ой тарелки, кг/ч:
Объем
паров над 24-й тарелкой, м3/с:
где
Т24 - температура на 24-й тарелке, К;
Р25
- давление под 25-й тарелкой, кПа;
МR3 -
молекулярный вес керосина;
Мg25 - молекулярный вес флегмы с 25-й
тарелки (табл.6).
Плотность
паровой фазы над 24-й тарелкой:
Относительная плотность жидкой фазы на 25-й тарелке при рабочих условиях:
где
t - температура на 25-й тарелке (табл.6),
-
относительная плотность на 25-й тарелке (табл.6).
Абсолютная
плотность жидкой фазы:
кг/м3
Нагрузка
25-й тарелки по жидкости:
в)
Нижнее сечение колонны
Количество
тепла, снимаемое первым циркуляционным орошением, кДж/ч:
QЦ1 = Qор -
Qхол - QЦ2
где
Qор - количество тепла, которое необходимо снять всеми
орошениями (из теплового баланса колонны К-2), кДж/ч.
Количество
первого циркуляционного орошения, кг/ч:
где
- энтальпия жидкой фазы, стекающей с 15-й тарелки,
кДж/кг;
-
энтальпия первого циркуляционного орошения, подаваемого при принятой температуре
tЦ1 = 1000С на 16-ю тарелку, кДж/кг.
Количество флегмы, стекающей с 15-й тарелки на 14-ю, кг/ч:
Флегмовое число на данной тарелке:
Ф15
=
Количество нефтяных и водяных паров, поднимающихся с 14-ой тарелки, кг/ч:
G14 = D2 + R3 + R2 + g15 + z1
Объем
паров над 14-й тарелкой, м3/с:
где
Т14 - температура на 14-й тарелке, К;
Р15
- давление под 15-й тарелкой, кПа;
МR3 -
молекулярный вес керосина;
МR2 -
молекулярный вес дизтоплива;
Мg15 - молекулярный вес флегмы с 15-й
тарелки (табл.6).
Плотность паровой фазы над 14-й тарелкой, кг/м3
Относительная плотность жидкой фазы на 15-й тарелке при рабочих условиях:
где
t - температура на 15-й тарелке (табл.6),
-
относительная плотность на 15-й тарелке (табл.6).
Абсолютная
плотность жидкой фазы, кг/м3:
Нагрузка 15-й тарелки по жидкости, м3/ч:
Результаты расчётов по всем сечениям колонны сводим в таблицу.
Таблица 15 Внутренние материальные потоки
|
Сечение под тарелкой
|
Флегмовое число
|
Объёмный расход паров V, м3/с
|
Плотность паров rП, кг/м3
|
Абсолютная плотность жидкости rЖ, кг/ м3
|
Нагрузка тарелки по жидкости LЖ, м3/ч
|
|
34
|
1,11
|
2,70
|
2,91
|
620,43
|
28,65
|
|
25
|
1,66
|
4,15
|
617,51
|
70,29
|
|
15
|
1,47
|
6,53
|
5,63
|
636,34
|
121,39
|
.8. ДИАМЕТР КОЛОННЫ
Диаметр колонны рассчитывается по наиболее нагруженному сечению по парам
V, м3/с (табл.15). В нашем случае это сечение под 15-й тарелкой.
Расстояние между тарелками принимается в зависимости от диаметра колонны
(см. табл.16). На практике указанные рекомендации не всегда выполняются. Для
большинства колонн расстояния между тарелками принимаются таким образом, чтобы
облегчить чистку, ремонт и инспекцию тарелок: в колоннах диаметром до 2 м - не
менее 450 мм, в колоннах большего диаметра - не менее 600 мм, в местах
установки люков - не менее 600 мм. Кроме этого, в колоннах с большим числом
тарелок для снижения высоты колонны, её металлоёмкости и стоимости расстояние
между тарелками уменьшают.
Принимаем предварительно расстояние между тарелками, затем проверяется
соответствие этой величины и рассчитанным диаметром.
Диаметр колонны (в м) рассчитывается из уравнения расхода:
где
VП - объёмный расход паров в наиболее нагруженном
сечении, м3/с;
Wmax -
максимальная допустимая скорость паров, м/с
где
Сmax - коэффициент, зависящей от типа тарелки, расстояния
между тарелками, нагрузки по жидкости;
rЖ и rП - плотность жидкой и паровой фазы в данном сечении колонны, кг/м3
(табл.15).
Сmax =
K1 . K2 . C1 - К3(l - 35)
Коэффициент l
находится по уравнению:
,
где
LЖ - нагрузка тарелки по жидкости, м3/ч (табл.15);
n - число
потоков жидкости на тарелке (принимается).
Примем к установке тарелки клапанные прямоточные, расстояние между
тарелками примем 600 мм, число потоков по жидкости на тарелке равным двум.
Тогда К1 = 1,15, С1 = 1050, К2 = 1,0, К3 = 4,0.
Таблица 16 Стандартные значения диаметров колонн
|
Диаметр колонны, м
|
|
0,4
|
0,9
|
1,8
|
2,6
|
3,6
|
5,6
|
8,5
|
|
0,5
|
1,0
|
2,0
|
2,8
|
3,8
|
6,3
|
9,0
|
|
0,6
|
1,2
|
2,2
|
3,0
|
4,0
|
7,0
|
9,5
|
|
0,7
|
1,4
|
2,4
|
3,2
|
4,5
|
7,5
|
10,0
|
|
0,8
|
1,6
|
2,5
|
3,4
|
5,0
|
8,0
|
10,5
|
Примем предварительно диаметр 2,8 м.
Проверяем скорость паров при принятом диаметре колонны, м/с:
Она
должна находиться в пределах 0,6 - 1,15 м/с.
Расход жидкости на единицу длины слива, м3/(м . ч):
где
W - относительная длина слива, принимается в пределах
0,65-0,75.
Полученное
значение должно быть меньше максимально допустимого, которое составляет
м3/(м·ч). Если нагрузка получилась больше, следует
увеличить число потоков n.
Параметры WП и Lv находятся в допустимых пределах.
Следовательно, диаметр колонны 2,8 м принят верно.
.9. УТОЧНЕНИЕ ТЕМПЕРАТУР ВЫВОДА БОКОВЫХ ФРАКЦИЙ
а). Уточнение температуры вывода керосина.
Для уточнения температуры флегмы на 27-й тарелке, с которой отбирается
керосин, составляется уравнение материального и теплового балансов и
определяется количество флегмы g28,
стекающей с 28-й тарелки на 27-ю.
Уравнение материального баланса:
G27 + gхол = G34 + g28
где G27 = D2 + g28 + z1,2,3
G34 = D2 + gхол + z1,2,3
Уравнение теплового баланса:
Или
Правая часть уравнения - это тепло, снимаемое холодным орошением Qхол.
Тогда количество флегмы, стекающей с 28-й тарелки, кг/ч:
Для
расчёта парциального давления нефтяных паров под 28-й тарелкой составляем
таблицу 17.
Таблица 17
Парциальное давление паров
|
Поток
|
Массовый расход, кг/ч
|
Молекулярный вес, Мi
|
Мольный расход, кмоль/ч
|
Мольная доля, yi
|
Парциальное давление потока, Рi, кПа
|
|
D2
|
15949,6
|
130
|
122,65
|
0,3124
|
45,04
|
|
g28
|
13300,2
|
149
|
89,03
|
0,2268
|
32,70
|
|
z1,2,3
|
3257,2
|
18
|
180,95
|
0,4609
|
66,46
|
|
∑
|
32507,0
|
-
|
392,64
|
1,0000
|
-
|
Мольный расход определяется по выражению:
Парциальное
давление потоков
Pi=P28 · yi
где Р28 - абсолютное давление под 28-й тарелкой (табл.6). Р28=144,2 кПа.
Парциальное давление нефтяных паров под 28-й тарелкой:
= PD2 +
Pg28 = 45,04 + 32,70=77,74 кПа.
В
предварительном расчете температуры вывода керосина с 27-ой тарелке (раздел 4)
парциальное давление нефтяных паров было принято равным атмосферному 101,3 кПа
и t27 = 207,42 °С.
Фактическое
значение парциального давления составляет 77,74 кПа. Если оно значительно
отличается от атмосферного (101,3 кПа), необходимо скорректировать прямую ОИ
керосина на рассчитанное парциальное давление.
Производим
корректировку температуры вывода керосина с 27-й тарелки. Для этого строим
новую прямую ОИ керосина по методу Пирумова при давлении 77,74 кПа.
Затем
определяем температуру начала ОИ - это будет новая температура вывода керосина
в стриппинг с 27-й тарелки
=
193,42°С.
Уточняем
температуру вывода керосина из стриппинга, оС:
= 193,45 -
20 = 173,45 °С
При
этой температуре определяем энтальпию жидкого керосина
и количество тепла, выводимое керосином из
стриппинга:
кДж/ч =
1100,21 кВт
< Qкер(1100,21
кВт < 1203,15 кВт )., то с керосином уходит меньше тепла, чем ранее. Поэтому
вторым циркуляционным орошением необходимо снимать больше тепла, кДж/кг:
кВт =
370562,02 кДж/кг.
Поэтому:
кДж/ч
Корректируем
количество второго циркуляционного орошения, кг/ч:
б) Уточнение температуры вывода дизтоплива.
Для уточнения температуры флегмы на 17-й тарелке, с которой отбирается
дизтопливо, составляется уравнение материального и теплового балансов и
определяется количество флегмы g18,
стекающей с 18-й тарелки на 17-ю.
Уравнение материального баланса:
G17 + gхол + z3 = G34 +R3 + g18
где
G17 = D2 +R3 + g18 + z1,2
G34 = D2 + gхол + z1,2,3
Уравнение теплового баланса:
Или:
Так
как Qхол =
, то
количество флегмы, стекающей с 28-й тарелки, кг/ч:
Для расчёта парциального давления нефтяных паров под 18-й тарелкой составляем
таблицу 18.
Таблица 18
Парциальное давление паров
|
Поток
|
Массовый расход, кг/ч
|
Молекулярный вес, Мi
|
Мольный расход, кмоль/ч
|
Мольная доля, yi
|
Парциальное давление потока, Рi, кПа
|
|
D2
|
15949,6
|
130
|
122,65
|
0,1746
|
26,22
|
|
R3
|
10248,1
|
172
|
59,60
|
0,0848
|
12,74
|
|
g18
|
65748,4
|
187
|
350,81
|
0,4993
|
74,99
|
|
z1,2
|
3052,2
|
18
|
169,57
|
0,2413
|
36,25
|
|
∑
|
94998,4
|
-
|
702,63
|
1,0000
|
-
|
Молекулярный вес флегмы, стекающей с 18-й тарелки, соответствует
молекулярному весу жидкости на этой тарелке (табл.6).
Мольный расход определяется по выражению:
Парциальное
давление потоков:
Pi=P18 ·
yi
где
Р18 - абсолютное давление под 18-й тарелкой (табл.6). Р18=150,2 кПа.
Парциальное
давление нефтяных паров под 18-й тарелкой, кПа:
= PD2 +
PR3 + Pg18 = 113,96 кПа
= 272,43оС
Уточняется
температуру вывода керосина из стриппинга, оС:
При
этой температуре корректируется количество тепла, выводимое дизтопливом из
стриппинга, кДж/ч:
> QДТ(4251,25
кВт > 4231,03 кВт ), то с дизтопливом уходит больше тепла, чем ранее. Поэтому
первым циркуляционным орошением необходимо снимать уже меньше тепла, кДж/кг
кДж/ч =
4251,25 кВт
кВт =
72792,65475 кДж/кг.
Поэтому
кДж/ч
Корректируем
количество второго циркуляционного орошения, кг/ч:
Таблица 20
Уточнённый тепловой баланс колонны
|
Поток
|
Обозначение
|
Массовый расход G, кг/ч
|
t, 0С
|
Энтальпия I,
кДж/кг
|
Количество тепла Q,кВт
|
|
ПРИХОД:
|
|
|
|
|
|
|
Паровая фаза сырья
|
LП
|
57917,52
|
355
|
1117,96
|
17985,92
|
|
Жидкая фаза сырья
|
LЖ
|
78773,78
|
355
|
834,98
|
18270,65
|
|
Водяной пар
|
∑Z
|
3257,18
|
400
|
3273,23
|
2961,52
|
|
Итого
|
-
|
139948,48
|
-
|
-
|
39218,09
|
|
РАСХОД:
|
|
|
|
|
|
|
Бензин
|
D2
|
15949,62
|
165,77
|
672,61
|
2979,96
|
|
Керосин
|
R3
|
10248,14
|
173,42
|
386,49
|
1100,21
|
|
Дизтопливо
|
R2
|
26259,36
|
252,43
|
582,82
|
4251,25
|
|
Мазут
|
R1
|
84234,18
|
330,00
|
761,84
|
17825,76
|
|
Водяной пар
|
∑Z
|
3257,18
|
165,77
|
2809,87
|
2542,29
|
|
Итого
|
-
|
139948,48
|
-
|
-
|
28699,48
|
Qприх
- Qрасх = 10518,61кВт
Условие выполняется.
2.10. РАСЧЕТ СТРИППИНГ-СЕКЦИЙ
Из совместного решения уравнений материального и теплового балансов
находится нагрузка верхней тарелки каждой стриппинг-секции по паровой и жидкой фазе.
Затем по максимальной паровой нагрузке определяется единый диаметр
стриппинг-секций.
а). Расчет стриппинг-секции керосина.
Уравнение материального баланса без учёта водяного пара:
g27 = G6 + R3
где g27 - количество флегмы, стекающей с
27-й тарелки в стриппинг, кг/ч;
G6 -
количество паров, уходящих с верхней, 6-й тарелки стриппинга под 27-ю тарелку
атмосферной колонны, кг/ч.
Уравнение теплового баланса с учётом водяного пара:
Отсюда с учётом уравнения материального баланса находится количество
нефтяных паров G6, кг/ч
где
- энтальпия жидкости при уточнённой температуре (
= 193,42°С) и плотности на 27-й тарелке, кДж/кг;
-
энтальпия нефтяных паров при температуре и плотности на верхней, 6-й тарелке
стриппинга, кДж/кг.
-
энтальпия водяного пара при температуре 6-й тарелки стриппинга, кДж/кг.
Определяется по приложению 2.
Новая,
скорректированная температура на верхней, 6-й тарелке стриппинга, с учётом
изменения температуры на 27-й тарелке, будет t6 = 190,090С.
Где
386,49 кДж/кг - энтальпия керосина при скорректированной температуре вывода из
стриппинга.
Определяем
количество флегмы, стекающей в керосиновый стриппинг, кг/ч:
g27 = G6 + R3
Объёмный
расход паров, уходящих с 6-й тарелки стриппинга, м3/с
где
Т6 - температура на 6-й тарелке, К;
Р27
- давление под 27-й тарелкой атмосферной колонны, кПа;
М6 - молекулярный вес нефтяных паров с 6-й тарелки стриппинга (табл.7).
Плотность паровой фазы, кг/м3:
кг/м3
Относительная
плотность жидкой фазы, стекающей с 27-й тарелки атмосферной колонны на верхнюю
тарелку стриппинга при рабочих условиях:
где
t - температура на 27-й тарелке;
-
относительная плотность на 27-й тарелке.
Абсолютная плотность жидкой фазы, кг/м3:
= 627,6
кг/м3
Нагрузка
верхней, 6-й тарелки стриппинга по жидкости:
=
м3/ч
б). Расчёт стриппинг-секции дизтоплива.
Уравнение материального баланса без учёта водяного пара:
g17 = G6 + R2
где g17 - количество флегмы, стекающей с
17-й тарелки в стриппинг, кг/ч;
G6 -
количество паров, уходящих с верхней, 6-й тарелки стриппинга под 17-ю тарелку
атмосферной колонны, кг/ч.
Уравнение теплового баланса с учётом водяного пара:
Отсюда
с учётом уравнения материального баланса находится количество нефтяных паров G6,
кг/ч:
где
- энтальпия жидкости при температуре и плотности на
17-й тарелке, кДж/кг;
-
энтальпия нефтяных паров при температуре и плотности на верхней, 6-й тарелке
стриппинга, кДж/кг;
-
энтальпия водяного пара при температуре 6-й тарелки стриппинга, кДж/кг.
Определяется по приложению 2.

Определяется
количество флегмы, стекающей в стриппинг дизтоплива, кг/ч:
g17 = G6 + R2
g17 =
4418,72+20281,4=7981,50кг/ч
Объёмный
расход паров, уходящих с 6-й тарелки стриппинга, м3/с:
где
Т6 - температура на 6-й тарелке, К;
Р17
- давление под 17-й тарелкой атмосферной колонны, кПа;
М6 - молекулярный вес нефтяных паров с 6-й тарелки стриппинга (табл.7).
Плотность паровой фазы, кг/м3
кг/м3
Относительная
плотность жидкой фазы, стекающей с 17-й тарелки атмосферной колонны на верхнюю
тарелку стриппинга при рабочих условиях:
где
t - температура на 17-й тарелке;
-
относительная плотность на 17-й тарелке.
Абсолютная
плотность жидкой фазы, кг/м3:
=
621,30кг/м3
Нагрузка верхней, 6-й тарелки стриппинга по жидкости:
=
м3/ч
Результаты расчётов сводим в таблицу.
Таблица 21. Параметры стриппинг-секций
|
Стриппинг-секция
|
Объёмный расход паров V, м3/с
|
Плотность паров rП, кг/м3
|
Абсолютная плотность жидкости rЖ, кг/ м3
|
Нагрузка тарелки по жидкости LЖ, м3/ч
|
|
Керосина
|
0,202
|
3,43
|
627,6
|
20,31
|
|
Дизтоплива
|
0,555
|
3,99
|
621,3
|
12,85
|
Далее определяется стриппинг, имеющий наибольшую нагрузку по паровой фазе
V и рассчитывается его диаметр по
методике, приведённой в разделе 8. Рекомендуется принимать в расчёте
однопоточные тарелки. Диаметр второго стриппинга принимается равным первому.
В нашем случае стриппинг дизтоплива имеет наибольшую нагрузку по паровой
фазе.
Примем к установке тарелки клапанные однопоточные, расстояние между
тарелками примем 450 мм. Тогда К1 = 1,15, С1 = 765, К2 = 1,0, К3 = 4,0.
Принимаем к установке диаметр стриппинг-секций 0,5 м.
2.11. ВЫСОТА КОЛОННЫ
Высота атмосферной колонны рассчитывается по уравнению:
HK = H1 + HK + HИ +
НП + Н2 + НН + НО, м
Где H1 - высота от верхнего днища до
верхней тарелки, м;
HK -
высота концентрационной тарельчатой части колонны, м;
HИ -
высота отгонной, исчерпывающей тарельчатой части колонны, м;
НП - высота секции питания, м;
Н2 - высота от уровня жидкости в кубе колонны до нижней тарелки, м;
НН - высота низа колонны, от уровня жидкости до нижнего днища, м;
НО - высота опоры, м.
Высота Н1 (сепарационное пространство) принимается равной 0,5 диаметра
колонны, если днище полукруглое, и 0,25 диаметра, если днище эллиптическое.
Полушаровые днища применяют для колонн диаметром более 4 метров. Поэтому Н1 =
0,7 м.
Высоты НК и НН зависят от числа тарелок в соответствующих частях колонны
и расстояния между ними:
НК = (Nконц - 1)·h = (28 - 1)·0,6 = 16,2 м
НИ = (Nотг - 1)·h = (6 - 1)·0,6 = 3,0 м
Высота секции питания НН берется из расчета расстояния между
тремя-четырьмя тарелками:
НП = (3 - 1)·0,6 = 1,2 м
Высота Н2 принимается равной от 1 до 2 метров, чтобы разместить глухую
тарелку и иметь равномерное распределение по сечению колонны паров. Примем Н2 =
1,5 м.
Высота низа (куба) колонны НН рассчитывается, исходя из 5-10 минутного
запаса мазута, необходимого для нормальной работы насоса в случае прекращения
подачи сырья в колонну:
ρ3304(1) = 0,9492 - (0,001838
- 0,00132·0,9492)·(330 - 20) = 0,7678
FK =
0,785·DK2 - площадь поперечного сечения
колонны, м2.
HH=1,49
Штуцер отбора нижнего продукта должен находится на отметке не ниже 4-5
метров от земли для того, чтобы обеспечить нормальную работу горячего насоса.
Поэтому высота опоры Н0 конструируется с учетом обеспечения необходимого
подпора жидкости и принимается высотой не менее 4-5 метров. Примем Н0 = 4,0 м.
Полная высота колонны:
HK =
28,1 м.
2.12 Диаметр штуцеров
Диаметры штуцеров определяют из уравнения расхода по допустимой скорости
потока:
где V - объемны расход потока через
штуцер, м3/с;
величина допустимой скорости Wдоп принимается в зависимости от назначения штуцера и фазового состояния
потока, м/с
|
Скорость жидкостного потока:
|
|
|
на приеме насоса (из колонны)
|
0,2-0,6
|
|
на выкиде насоса (подача в колонну)
|
1-2
|
|
Скорость парового потока:
|
|
|
дистиллята с верха колонны и из кипятильника в колонну
|
10-30
|
|
с верха отпарных секций
|
10-40
|
|
при подаче в колонну
|
30-50
|
|
Скорость парожидкостного потока при подаче сырья в колонну
(условно дается по однофазному жидкостному потоку, м/с)
|
0,5-1,0
|
Рассчитанный диаметр штуцера далее округляется в большую сторону до
ближайшего стандартного значения (табл. 12.1).
Таблица 12.1
Стандартные значения диаметров штуцеров Dy, мм
|
10
|
50
|
200
|
600
|
1400
|
2600
|
|
15
|
65
|
250
|
800
|
1600
|
2800
|
|
20
|
80
|
300
|
900
|
1800
|
3000
|
|
25
|
100
|
350
|
1000
|
2000
|
|
|
32
|
125
|
400
|
1100
|
2200
|
|
|
40
|
150
|
500
|
1200
|
2400
|
|
2.12.1 Ввод сырья в колонну
Массовый расход потока через штуцер L0 = 136691 кг/ч.
Относительная плотность полуотбензиненной нефти ρ204L0 = 0,8839.
Относительная плотность при температуре ввода сырья:
ρt4(L0) = 0,6590
Абсолютная плотность полуотбензиненной нефти при этой температуре ρL0 = 659,00 кг/м3.
Примем скорость парожидкостного потока в штуцере Wдоп = 1,0 м/с.
Объемный расход потока:
,058 м3/с
Диаметр штуцера:
Dш=0,271
м
Примем к установке стандартный диаметр Dy = 300 мм.
.12.2 Вывод бензина
Объемный расход паров через штуцер Vв = 2,70 м3/с.
Примем скорость паров Wдоп =
30 м/с.
Диаметр штуцера:
Dш=0,339
м
Примем к установке стандартный диаметр Dy = 350 мм.
2.12.3 Вывод мазута
Массовый расход потока через штуцер R1 = 84234,318 кг/ч.
Относительная плотность мазута ρ204R1 = 0,9492.
Относительная плотность при температуре низа колонны:
ρt4(R1) = 0,7532
Абсолютная плотность мазута при этой температуре ρR1 = 753,18 кг/м3.
Примем скорость парожидкостного потока в штуцере Wдоп = 0,6 м/с.
Объемный расход потока
,031 м3/с
Диаметр штуцера:
Dш=0,257
м
Примем к установке стандартный диаметр Dy = 300 мм.
.12.4 Ввод водяного пара
Массовый расход водяного пара через штуцер Z1 = 2527,03 кг/ч.
Примем скорость потока в штуцере Wдоп = 40 м/с.
Температура пара составляет 400°С, давление Рраб = 6 ат.
Объемный расход потока:
,359 м3/с
Диаметр штуцера:
Dш=0,107
м
Примем к установке стандартный диаметр Dy = 125 мм.
.12.5 Вывод первого циркуляционного орошения
Первое ЦО выводится с 15-й тарелки в количестве gЦ1 = 42677,05 кг/ч. Если в предыдущих расчетах производилась
корректировка температуры вывода дизтоплива, в расчете необходимо использовать
скорректированное количество орошения.
Абсолютная плотность орошения при температуре на 15-й тарелке ρж(15) = 636,34 кг/м3.
Примем скорость потока в штуцере Wдоп = 0,6 м/с.
Объемный расход потока
,019 м3/с
Диаметр штуцера:
Dш=0,199
м
Примем к установке стандартный диаметр Dy = 200 мм.
2.12.6 Ввод первого циркуляционного орошения
Первое ЦО подается при температуре 100°С, при ней абсолютная плотность
орошения составит 771,63 кг/м3.
Примем скорость потока в штуцере Wдоп = 1,5 м/с.
Объемный расход потока
,015 м3/с
Диаметр штуцера:
Dш=0,114
м
Примем к установке стандартный диаметр Dy = 125 мм.
.12.7 Вывод второго циркуляционного орошения
Второе ЦО выводится с 25-й тарелки в количестве gЦ2 = 33083,82 кг/ч. Если в предыдущих расчетах производилась
корректировка температуры вывода керосина, в расчете необходимо использовать
скорректированное количество орошения.
Абсолютная плотность орошения при температуре на 25-й тарелке ρж(25) = 617,51 кг/м3.
Примем скорость потока в штуцере Wдоп = 0,6 м/с.
Объемный расход потока
,015 м3/с
Диаметр штуцера:
Dш=0,178
м
Примем к установке стандартный диаметр Dy = 200 мм.
2.12.8 Ввод второго циркуляционного орошения
Второе ЦО подается при температуре 70°С, при ней абсолютная плотность
орошения составит 738,36 кг/м3.
Примем скорость потока в штуцере Wдоп = 1,5 м/с.
Объемный расход потока
,012 м3/с
Диаметр штуцера:
Dш=0,103
м
Примем к установке стандартный диаметр Dy = 125 мм.
.12.9 Вывод дизтоплива в стриппинг
Дизтопливо в стриппинг выводится с 17-й тарелки в количестве g17 = 7982 кг/ч.
Абсолютная плотность жидкости при температуре на 17-й тарелке ρж(17) = 621,30 кг/м3.
Примем скорость потока в штуцере Wдоп = 0,6 м/с.
Объемный расход потока:
Vдт
0,0036 м3/с
Диаметр штуцера:
Dш=0,087
м
Примем к установке стандартный диаметр Dy = 100 мм.
13.10 Ввод паров из стриппинга дизтоплива
Объемный расход паров через штуцер V6 = 0,555 м3/с.
Примем скорость паров Wдоп =
30 м/с.
Диаметр штуцера:
Dш=0,154
м
Примем к установке стандартный диаметр Dy = 200 мм.
13.11 Вывод керосина в стриппинг
Керосин в стриппинг выводится с 27-й тарелки в количестве g27 = 12744 кг/ч. Абсолютная плотность
жидкости при температуре на 27-й тарелке ρж(17) = 627,60 кг/м3.
Примем скорость потока в штуцере Wдоп = 0,6 м/с.
Объемный расход потока:
Vкер
0,0056 м3/с
Диаметр штуцера:
Dш=0,109
м
Примем к установке стандартный диаметр Dy = 125 мм.
13.12 Ввод паров из стриппинга керосина
Объемный расход паров через штуцер V6 = 0,202 м3/с.
Примем скорость паров Wдоп =
30 м/с.
Диаметр штуцера:
Dш=0,093
м
Примем к установке стандартный диаметр Dy = 100 мм.
Список используемой литературы
1. Савченков А.Л. Технологический расчет
установки атмосферной перегонки нефти: Учебное пособие. - Тюмень: ТюмГНГУ,
2006. - 98 с.
2. Багиров И. Т. Современные установки
первичной переработки нефти. - М.: Химия, 1974, 240 с.
3. Александров И. А. Ректификационные и
адсорбционные аппараты. - М.: Химия, 1981. 280 с.
4. Багатуров С. А. Основы теории и
расчета перегонки и ректификации. - М.: Химия, 1974. - 440 с.
5.
Ахметов С. А.
Технология глубокой переработки нефти и газа. - Уфа: Гилем, 2002. 672 с.