Подснежник Воронова

  • Вид работы:
    Доклад
  • Предмет:
    Биология
  • Язык:
    Русский
    ,
    Формат файла:
    MS Word
    55,99 kb
  • Опубликовано:
    2009-01-12
Вы можете узнать стоимость помощи в написании студенческой работы.
Помощь в написании работы, которую точно примут!

Подснежник Воронова

МИНИСТЕРСТВО ОБРАЗОВАНИЯ И НАУКИ УКРАИНЫ

ЛУГАНСКАЯ ОБЛАСТНАЯ ГОСУДАРСТВЕННАЯ АДМИНИСТРАЦИЯ

УПРАВЛЕНИЕ ОБРАЗОВАНИЯ И НАУКИ

СВЕРДЛОВСКИЙ ПРОФЕССИОНАЛЬНЫЙ ГОРНЫЙ ЛИЦЕЙ






ВЫПУСКНАЯ РАБОТА

ПРОХОДЧЕСКИЙ КОМБАЙН СО СТРЕЛОВИДНЫМ ИСПОЛНИТЕЛЬНЫМ ОРГАНОМ. ПЕРЕДВИЖНЫЕ ШАХТНЫЕ ТРАНСФОРМАТОРНЫЕ ПОДСТАНЦИИ











г.

Содержание

Введение

. Общая часть

. Специальная часть

.1 Проходческий комбайн со стреловидным исполнительным органом

.2 Шахтные холодильные установки и кондиционеры

. Охрана труда

.1 Меры безопасности по предохранению от поражения электрическим током

. Специальная часть

.1 Передвижные шахтные трансформаторные подстанции

.2 Характеристика машин и механизмов участка УПР-1 ш. "Харьковская"

. Охрана труда

.1 Правила безопасности при эксплуатации, ТО при испытаниях шахтных силовых трансформаторов и передвижных подстанций

Список использованной литературы

ВВЕДЕНИЕ

Угольная промышленность Украины занимает одно из ведущих мест в становлении и развитии экономики, как основе энергетической независимости. Уголь - один из основных источников энергии в топливно - энергетическом балансе нашей страны.

С целью решения задачи увеличения объемов добычи угля на машиностроительных заводах выпускается современное оборудование для добычных и проходческих работ, оборудование шахтного транспорта, оборудование автоматизированных систем управления и связи. Создаются принципиально новые технологии и средства механизации.

Для обслуживания шахтного оборудования огромное значение имеет качественная подготовка обслуживающего и ремонтного персонала, основной задачей которого является обеспечение безаварийной и безотказной работы оборудования.

Каменноугольные месторождения угля сосредоточены на юго-востоке (украинская часть Донецкого бассейна) и северо-западе (Львовско-Волынский бассейн) страны. Районы добычи бурого угля разбросаны на значительной площади Украинского щита - Днепровский буроугольный бассейн.

В настоящее время в Украине насчитывается около 300 действующих каменноугольных шахт (в 40% из них добывается коксующийся уголь). Кроме того, подготовлен к эксплуатации 41 резервный участок для шахтного строительства суммарной мощностью 92 млн. тонн каменного угля в год (в т.ч. для коксующегося угля - 16 шахт производственной мощностью 35 млн. тонн угля).

В Донбассе угленосные площади занимают свыше 150 тыс. км2, что составляет почти четверть площади страны. Здесь сосредоточенно около 92% запасов каменного угля Украины. Из них приблизительно 34% приходится на Донецкий регион, а остальные расположены на территории Луганской, Днепропетровской и Харьковской областей. В месторождениях Донбасса преобладает энергетический уголь (56%), преимущественно используемый для производства электроэнергии и теплоснабжения населённых пунктов. Основные его запасы сосредоточены в Луганской области. Запасы коксующегося угля, применяемого для выплавки чёрных металлов, составляет 44% общих запасов. Его месторождения находятся преимущественно в Донецкой области, где расположено большинство шахт и сформировались мощнейшие центры угледобычи - Донецк, Макеевка, Енакиево, Торез, Красноармейск и др.

1.     
ОБЩАЯ ЧАСТЬ

Место расположения и подчиненность шахты. Описание организационно-технологических условий труда. Механизация работ на участке.

Ша́хта "Ха́рьковская" - угледобывающее предприятие в посёлке городского типа Харьковское Свердловского горсовета Луганской области, (Украина), входит в ГХК "Свердловантрацит". Официальное название ГОАО "Шахта „Харьковская"".

Шахта расположена в густонаселенном и освоенном промышленном районе, где угледобывающая промышленность является основной отраслью народного хозяйства.

Шахта "Харьковская" расположена в районе с развитой транспортной сетью автомобильных и железных дорог.

Центральная промышленная площадка шахты находится примерно в 10 км западнее города Свердловска. И посредством подъездного железнодорожного пути ОП ПТУ "Свердловпогрузтранс" имеет выход на станцию "Вальяново" железнодорожной магистрали Дебальцево - Красная могила "Укрзализницы", пересекающей рассматриваемый район с востока на юго-восток. Въезд на промплощадку предусмотрен с западной стороны по подъездной дороге, примыкающей к автодороге Свердловск - Ровеньки. В районе расположения шахты проходит сеть автомобильных дорог с твердым покрытием, соединяющих населенные пункты и промплощадку шахты между собой.

"Харьковская" в общем объеме добычи угля и проходке занимает около 10 процентов от общего объема государственного предприятия.

Рельеф местности в пределах расположения степной, холмистый, осложненный овражно - балочными системами.

Наивысшие отметки рельефа приурочены к холмам, расположенным в северной части, где они достигают 305,0 м, минимальная отметка - плюс 235,0 м располагается в южной части.

По климатическим условиям района размещения объектов шахты относится к климатическому району по классификации СНиП 2.01.82. Характерными особенностями являются отрицательные температуры воздуха в зимний период, небольшой снежный покров , жаркое лето, в конце весны - суховеи.

Климат района - резко континентальный. Среднегодовая температура по многолетним наблюдениям Дарьевской метеостанции составляет плюс 8,3 °С.

Максимальная глубина промерзания почвы достигает 1,3 м и наблюдается в феврале месяце.

Среднегодовая сумма осадков составляет 530 мм, максимальное количество осадков выпадает в ноябре (41,6 мм), минимальное - в апреле (6,6 мм). Толщина снегового покрова обычно не превышает 0,20 м, а в пониженных частях рельефа иногда достигает 1,0 м и более.

Система отработки уклонного поля - длинными столбцами по простиранию, при отработке лав снизу вверх. Длина выемочных столбов - 1500-1800 м, длина лав - 300 м.

Геологическое строение шахтного поля.

Поле шахты расположено в Должанско-Ровенецком геолого-промышленном районе Донбасса. Марка добываемого угля: А - антрацит.

Поле шахты сложено отложениями среднего карбона (свиты с2 - 5, с2 - 4) и четвертичного возраста. Угленосность приурочена к отложениям карбона: i3 относится к свите с2 - 4, мощность свиты - 510 м. К свите с2 - 5 мощностью 900 м относятся угольные пласты к51, к6 и к21. Мощность четвертичных отложений, перерывающих угленосные карбоновые породы, составляет 25 м. Отложения представлены элювиальными и делювиальными отложениями.

Угленосность

Шахта была построена для отработки запасов пласта к2. Запасы по пласту к2 отработаны, а пласт к2 вскрыт и продолжает отрабатываться. Схема вскрытия шахтного поля комбинированная. Система разработки - столбовая, с отработкой столбов лавами по простиранию. Управление кровлей - полное обрушение. На шахте сохраняется полная конвейеризация по транспортировке горной массы от очистного и подготовительных забоев на поверхность.

Кроме пласта к2 промышленная угленосность шахтного поля характеризуется наличием четырех пластов рабочей мощности - к51, к6, к21, i3.

Пласт - к6 вынимаемая 0,90 - 1,52 м, полезная мощность 0,80 - 1,20 м. Имеет сложное двухпачечное строение, квалифицируется как относительно выдержанный. Мощность породного прослоя не превышает 0,50 м и обычно равна 0,10 - 0,25 м.

Пласт к51 залегает в 40 м ниже угольного пласта к6, является одним из основных разрабатываемых пластов Должанско - Ровенецкого геолого - промышленного района. Преимущественно двухпачечного строения, вынимаемая мощность изменяется в пределах 1,00 - 1,64 м, подавляющее значение мощностей колеблется в интервале 1,10 - 1,35 м, мощность породного прослоя обычно не превышает 0,07 - 0.24 м.

На оцениваемой площади пласт к51 относится к выдержанным.

Пласт к21 находится на участке между изогипсами минус 500 и минус 900 м, имеет сложное двухпачечное строение, вынимаемая мощность 1,40 - 1,95 м, полезная 1,05 - 1,50 м. Пласт относится к невыдержанным.

Пласт i3 - сложного строения, вынимаемая мощность 0,94 - 1,43, полезная - 0,89 - 1,00 м, пласт относится к невыдержанным.

В 2006 году институтом "Луганскгипрошахт" разработан проект вскрытия и подготовки уклонного поля шахты с целью обеспечения поддержания производственной мощности шахты (320 тыс. тонн в год) еще на несколько лет.

Гидрогеологические условия

Подземные воды каменноугольных отложений являются источником обводных горных выработок шахты. Водоносные горизонты приурочены в основном к трещиноватым песчаникам, известнякам, реже - сланцам песчаным. Воды - пластово - трещиновые, обладают напором. Водоносность пород карбона обусловлена их трещиноватостью. Питание водоносных горизонтов карбона происходит в основном за счет инфильтрации атмосферных осадков и паводковых вод.

Гидрогеологические условия характеризуются водопритоками из песчаника k6sk7, K71, sk71, k51, sk51, k22, sk21. В зонах повышенной трещиноватости, а также при проработке скважин приток может увеличиваться до 5 - 10 м3/час.

По химическому составу шахтные воды преимущественно гидрокарбонатно - сульфатно - натриевые с минерализацией 3,54 дм3, с общей жесткостью 8,5 мг/дм3.

При дальнейшем развитии горных работ нормальный приток по шахте составляет 560 м3/час, максимальный - 820 м3/час.

Газоносность

Детальные исследования состава природных газов в углях при помощи газовых съемок, керногазозаборщиков, дегазационных скважин по пластам к51, к6 и к21 показывают, что с уменьшением метана в составе газов происходит относительное увеличение других компонентов. Шахта "Харьковская" не опасна по пыли, газу, суфлярным выделениям и выбросам.

Все пласты, находящиеся на балансе шахты, не опасны по внезапным выбросам угля и газа, не склонны к возгоранию.

Геотермические условия

Средний геометрический градиент по участку 2,2 °С на 100 м глубины.

Температура горных пород на горизонте 900 м составляет 30 °С. Горные работы шахтой ведутся на глубине 1200 м, где температура колеблется от 35 до 36 °С.

Оборудование

Выемочные участки оборудованы мехкомплексами 2КД - 90, 2МКД - 90Т. Управление кровли - полное обрушение. Тип выемочных комбайнов: 1К - 101У. Полевые выработки производятся буровзрывным способом с применением породопогрузочных машин 2ПНБ - 2Б, ППМ - 5.

Крепление выработок производится металлической арочной крепью типа КМП - АД.

С 2008 г. Внедрена аппаратура САКЛ, работа ленточных конвейеров выведена на пульт диспетчера.

Для спуска - подъема людей, выдачи горной массы и выполнения вспомогательных операций на шахте имеется вертикальный ствол. Транспортирование оборудования, материалов и людей осуществляется в шахтных и специализированных вагонетках типа УВГ-1,6 и ВП-12.

Необходимо отметить, что на развитие шахты отрицательно повлияли годы переходного периода.

В связи с неудовлетворительным финансированием работ капитального строительства, значительным износом действующего оборудования, отсутствием средств на ремонт и приобретение нового, шахта не получила необходимого развития.

Начиная с 1990 года объем добычи начал снижаться, и в 1997 году он составил 180 тт, в этом году были самые низкие технико - экономические показатели: среднесуточная добыча снизилась.

Начиная с 1998 года, благодаря замене руководства холдинговой компании и шахты, изысканию внутренних резервов, увеличению объемов проведения горных выработок, вскрывающих очистной фронт почти в два раза, переоснащению очистных и подготовительных забоев путем замены изношенных механизированных комплексов типа КМ - 88 более современными КД - 80, 2КД - 90 в очистных забоях и оснащения всех подготовительных забоев современными погрузочными машинами 2ПНБ - 2Б с навесными буровыми оборудованием, шахта ускоренными темпами начала наращивать объемы добычи угля и проведения горных выработок.

В настоящий момент времени шахта входит в состав Д.ТЭК "Свердловантрацит"

Количество работающих: 1296/1099 чел., в том числе под землёй 739/705 человек (1990/1999). На балансе предприятия столовая, спортзал, здравпункт, общежитие. Из многочисленных шахт, некогда располагавшихся к западу от Свердловска, в настоящее время добыча угля ведется только на этой шахте.

2. СПЕЦИАЛЬНАЯ ЧАСТЬ

.1 ПРОХОДЧЕСКИЕ КОМБАЙНЫ СО СТРЕЛОВИДНЫМ ИСПОЛНИТЕЛЬНЫМ ОРГАНОМ

Семейство комбайнов ГПКС

Семейство проходческих комбайнов ГПКС (ГПКС, ГПСКП, ГПСКВ и ГПСКН) предназначено для проведения горизонтальных и наклонных подготовительных горных выработок по углю и смешанному забою с присечкой породы с f ≤ 4 абразивностью до 10 мг и почвах, допускающих давление не менее 0,065 МПа.

Техническая характеристика комбайнов

Комбайн ГПКС (рис. 2.1) состоит из стреловидного исполнительного органа с конической или цилиндрической отбойной коронкой, погрузочного устройства с подъемно-поворотным конвейером, рамы с механизмом передвижения, электрооборудования с магнитной станцией, гидравлической системы и средств пылеподавления.

Исполнительный орган комбайна ГПКС состоит из электродвигателя, редуктора, рамы исполнительного органа, стрелы и отбойного органа с резцовым инструментом. С помощью гидроцилиндров телескопического выдвижения редуктор с электродвигателем, стрелой и отбойным органом может выдвигаться на 500 мм. Рама исполнительного органа опирается шарнирно на опорно-поворотное устройство, которое с помощью гидроцилиндров поворота передает исполнительному органу перемещение в горизонтальной плоскости.

Рис. 2.1. Комбайн ГПКС

Гидроцилиндры, прикрепленные шарнирно к раме исполнительного органа и опорно-поворотного устройства, перемещают исполнительный орган в вертикальной плоскости. На конце стрелы помещен отбойный орган, изготавливаемый в двух вариантах, каждый из которых оснащен резцами РКС1 или РКС2. Отбойным органом конической формы, закрепляемым на главном валу стрелы, имеющим левое вращение, комплектуют комбайны ГПКСП, ГПКСВ и ГПКС. Цилиндрическим двухбарабанным отбойным органом с коническим промежуточным редуктором комплектуют комбайн ГПКСН, а также ГПКС. Имея вращение в направлении от комбайна вверх на забой, рабочий орган обрабатывает забой без предварительного забуривания и подгребает отбитую горную массу к погрузочному органу при проведении горных выработок по падению.

Погрузочное устройство состоит из питателя, скребкового подъемно-поворотного конвейера с круглозвенной цепью и привода с электродвигателем.

Стол питателя за счет установки уширителей может иметь ширину 2100, 2600 и 3100 мм. Увеличение фронта активной погрузки при различных размерах питателя достигается установкой на нагребающих лапах удлинителей и дополнительных носков. Для зачистки почвы выработки и облегчения маневрирования комбайна питатель с помощью двух гидроцилиндров может подниматься и опускаться.

Механизм передвижения комбайна, выполненный в виде самоходной гусеничной тележки, на которой смонтированы все узлы и механизмы комбайна, включает в себя раму, натяжное устройство, редуктор, гусеничные цепи, буфер и опорно-поворотную турель.

При проведении наклонных горных выработок для удержания горнопроходческих комбайнов ГПКСВ и ГПКСН на ведущие звездочки их гусеничной цепи закрепляются подтяжные барабан -лебедки, представляющие собой фрикционные механизмы с регулируемым тяговым усилием.

При проведении восстающих горных выработок под траки комбайна ГПКСВ закладываются две инвентарные балки па расстоянии 2,5 м друг от друга, к которым поочередно прикрепляются тяговые и предохранительные канаты. Путем навивки канатов на барабан -лебедки при включении хода "вперед" осуществляется подтягивание комбайна вверх на забой.

Пересоединение тяговых канатов за вновь заложенную под гусеничную цепь инвентарную балку осуществляется только после зацепления и натяжения предохранительных канатов. При слабой почве проводимой горной выработки инвентарные балки закрепляются с помощью анкеров.

При проведении горных выработок по падению с применением комбайна ГПКСН тяговые канаты, закрепленные на инвентарной балке сзади комбайна, разматываются, удерживая комбайн от скатывания на забой. Инвентарная балка в данном случае закрепляется через круглозвенную цепь длиной до 150 м за специальную площадку, раскрепленную стопками между почвой и кровлей выработки. Намотка тягового каната на барабан лебедки осуществляется за счет переключения замков на круглозвенной цепи.

Гидросистема горнопроходческого комбайна ГПКС предназначена для перемещения исполнительного органа, подъема и опускания питателя, подъема и поворота конвейера, натяжения скребковой цепи, распора аутригерами и включения соответствующих фрикционов механизма передвижения и состоит из маслобака, маслонасоса, трех гидрораспределителей Р75-ПВА, гидроразводки в виде резиновых и металлических трубопроводов, предохранительной и регулирующей гидроаппаратуры.

Электрооборудование горнопроходческого комбайна ГПКС состоит из группы приводных электродвигателей, магнитной станции с встроенным пультом управления, фар освещения, сигнальной и предохранительной аппаратуры и соединительных гибких резиновых кабелей; допущено к применению в шахтах, опасных по газу или пыли.

В систему пылегашения входят средства орошения и пылеотсоса. Орошающая жидкость от насосной установки НУМС30 подается по гибкому трубопроводу к форсункам, установленным на дуге орошения и закрепленной на корпусе стрелы исполнительного органа. К средствам пылеотсоса относятся всасывающий короб, металлические трубы, два вентилятора с пылеуловителями, установленные на отдельных салазках и перемещаемые вслед за комбайном по мере его продвижения.

Проходческие комбайны семейства ГПКС серийно изготовляются Копейским машиностроительным заводом им. С. М. Кирова.

Комбайны 4ПП2М и 4ПП2Щ

Комбайн 4ПП2М предназначен для проведения горизонтальных и наклонных (до ±10°) подготовительных горных выработок сечением от 9 до 25 м2 по углепородному забою с коэффициентом крепости пород f ≤7 и абразивностью до 15 мг на шахтах, опасных по газу или пыли. Общая присечка - до 75 %, в том числе с f = 7 не более 15 %.

Конструкция комбайна 4ПП2М и схема его работы в основном аналогичны конструкции и схеме комбайна 4ПП2, производство которого прекращено. В отличие от комбайна 4ПП2 в модернизированном комбайне увеличена мощность привода исполнительного органа, конвейер выполнен с поворотной хвостовой частью, улучшена конструкция опорно-распорных устройств, а также наиболее изнашиваемых узлов и применена более совершенная аппаратура управления и автоматизации с элементами диагностики.

Проходческий комбайн 4ПП2Щ предназначен для механизированного проведения подготовительных выработок с площадью сечения 10,7-18 м2 по выбросоопасным угольным пластам малой и средней (до 1,2 м) мощности с горизонтальным, пологим до 18° и крутым от 56 до 90° залеганием с образованием опережающих разгрузочных полостей, предупреждающих выброс угля и пород. Коэффициент присечки пород с f ≤ 6 до 75 % и абразивность до 15 мг. Все узлы комбайна унифицированы с комбайном 4ПП2М за исключением специальной удлиненной коронки, которая дает возможность образовывать опережающую разгрузочную полость в породной части забоя. По сравнению с другими локальными противовыбросными мероприятиями (например, сотрясательным взрыванием) применение комбайна 4ПП2Щ позволяет повысить безопасность работ, увеличить скорость проходки и производительность труда.

Техническая характеристика комбайнов


Проходческий комбайн 4ПП2М (рис. 2.2) состоит из исполнительного органа стреловидной конструкции с телескопической стрелой, погрузочного устройства в виде наклонного подъемно-поворотного стола питателя с нагребающими лапами и центральным скребковым конвейером, корпуса с опорно-поворотной турелью, механизма передвижения, системы распорно-опорных аутригеров, системы пылегашения и ленточных перегружателей. Исполнительный орган проходческого комбайна 4ПП2М перемещается в вертикальной и горизонтальной плоскостях, имеет две сменные коронки с резцами РКС2 и Р2М2 и, кроме отбойки горной массы и оконтурирования забоя, обеспечивает возможность проведения дренажных канавок.

Погрузочное устройство комбайна 4ПП2М состоит из подъемно-поворотного, наклонного в двух плоскостях питателя, двух нагребающих лап с редукторами, левым промежуточным и правым угловыми редукторами с электродвигателем, центрального скребкового конвейера с приводом и натяжным устройством.

Питатель шарнирно подвешен к нижней поворотной раме комбайна и с помощью гидроцилиндра может подниматься выше опорной поверхности гусениц на 440 мм и опускаться ниже этой поверхности на 150 мм, что облегчает маневренность комбайна и обеспечивает зачистку почвы выработки. В горизонтальной плоскости питатель поворачивается на угол ±25° с помощью гидроцилиндра относительно оси нижней поворотной рамы корпуса комбайна

Механизм передвижения комбайна 4ПП2М состоит из двух гусеничных тележек с индивидуальным электроприводом.

Для повышения устойчивости комбайна 4ПП2М по бокам каждой гусеничной тележки закреплено по два гидравлических аутригера, имеющих возможность в зависимости от ширины горной выработки поворачиваться в горизонтальной плоскости.

Подъем и опускание аутригеров сблокированы с электродвигателем механизма передвижения, что исключает ошибочное включение хода комбайна при опущенных на почву аутригерах.

Система пылегашения комбайна 4ПП2М- комбинированная, состоит из системы орошения с подачей орошающей жидкости в зону разрушения и на форсунки для водяной завесы и комплекса для обеспыливания воздуха КОВ.

Гидросистема проходческого породного комбайна 4ПП2М состоит из маслостанции, гидропульта, силовых гидроцилиндров, маслобака, электрогидроблока, авторегулятора, вспомогательной гидроаппаратуры, трубопроводов и присоединительной арматуры.

Все операции по перемещению исполнительного органа, питателя и аутригеров в режиме ручного управления выполняются машинистом комбайна с пульта управления. В режиме автоматического управления все операции задаются электрогидроблоком по программе или дистанционно на расстоянии не менее 15 м.

Аппаратура автоматизации для дистанционного и программного управления перемещением исполнительных механизмов, а также для автоматического регулирования нагрузки электродвигателя исполнительного органа обеспечивает:

дистанционное управление с переносного пульта;

автоматическую запись программы перемещения исполнительного органа и стола питателя в процессе выполнения машинистом комбайна образцового цикла управления;

автоматическое воспроизведение записанной программы;

автоматическую стабилизацию заданной нагрузки электродвигателя исполнительного органа;

автоматическую защиту электродвигателя исполнительного органа от опрокидывания

Проходческие комбайны 4ПП2М и 4ПП2Щ серийно изготовляются Ясиноватским машиностроительным заводом.

Рис. 2.2. Комбайн 4ПП2М

Комбайн 4ПП5

Предназначен для проведения горизонтальных и наклонных до 10° подготовительных горных выработок по смешанному и породному забою : крепостью f ≤ 7 и абразивностью до 15 мг. Комбайн может быть использован для работ в угольных шахтах, опасных по газу или пыли, в калийных рудниках и сланцевых, шахтах, а также при строительстве гидротехнических и транспортных тоннелей.

Техническая характеристика комбайна 4ПП5


Рис. 2.3. Комбайн 4ПП5

Проходческий комбайн 4ПП5 (рис. 2.3) состоит из исполнительного органа избирательного действия, подъемно-поворотного погрузочного устройства, центрально-расположенного скребкового конвейера, механизма передвижения, корпуса, гидросистемы, электрооборудования, системы пылеподавления, консольного хвостового конвейера, ленточного перегружателя, средств автоматики и программного управления.

Проходческий комбайн 4ПП5 обладает повышенной по сравнению с комбайном 4ПП2М мощностью исполнительного органа, большими размерами и прочностью.

Исполнительный орган комбайна 4ПП5 стреловидного вида с телескопичностью 600 мм оснащен коронкой с резцами РКСЗ и предназначен для отбойки горной массы, окоптуривания забоя, проведения приямков под крепь и дренажных канавок и состоит из стрелы, двухскоростного редуктора с электродвигателем, направляющей рамы и гидроцилиндров выдвижения.

Рама исполнительного органа с помощью цапф закреплена на опорно-поворотной турели и соединена с гидроцилиндрами подъема. Турель при воздействии гидроцилиндров поворачивается в горизонтальной плоскости. Крепление исполнительного органа на опорно-поворотной турели обеспечивает отбойной коронке перемещения в горизонтальной и вертикальной плоскостях.

Погрузочное устройство проходческого комбайна 4ПП5 состоит из подъемно-поворотного, наклонного в двух плоскостях питателя и двухвильных нагребающих лап с редукторами.

Питатель с помощью гидроцилиндров может подниматься и опускаться по отношению опорной поверхности гусеницы, что улучшает маневренность комбайна и обеспечивает зачистку почвы выработки. В горизонтальной плоскости питатель поворачивается гидроцилиндром поворота относительно оси нижней поворотной рамы в корпусе комбайна. Корпус состоит из основной сварно-литой рамы, верхней (опорно-поворотной турели) и нижних поворотных рам. Центральная часть основной рамы служит проемом для скребкового конвейера и соединена болтами с хвостовой частью короба скребкового конвейера.

Механизм передвижения комбайна 4ПП5 состоит из двух гусеничных тележек с индивидуальным электроприводом. Каждая гусеничная тележка включает в себя раму с натяжным устройством, редуктор с электродвигателем, опорные катки и гусеничную цепь.

Для повышения устойчивости проходческий комбайн 4ПП5 оснащен гидравлическими аутригерами, сблокированными с механизмом передвижения.

В режиме ручного управления все операции по перемещению отбойной коронки исполнительного органа, питателя и другие выполняются машинистом комбайна с пульта управления. В режиме автоматического управления все операции задаются электрогидроблоком по программе или дистанционно.

Электрооборудование комбайна 4ПП5 состоит из группы электродвигателей, магнитной станции, электрогидроблока, пульта управления, фар освещения, сигнальной, предохранительной аппаратуры и аппаратуры автоматического управления.

Аппаратура автоматизации предназначена для дистанционного и программного управления перемещением исполнительных механизмов, а также автоматического регулирования нагрузки электродвигателя исполнительного органа и вместе с электрогидравлической системой обеспечивает дистанционное управление с переносного пульта, запись программ перемещения исполнительного органа и питателя, воспроизведение записанной программы, стабилизацию заданной нагрузки и защиту электродвигателя исполнительного органа от опрокидывания.

Проходческий комбайн 4ПП5 оснащен системами орошения и пылеотсоса.

Проходческий комбайн 4ПП5 комплектуется двумя ленточными перегружателями-хвостовым консольным и прицепным, которые предназначаются для перегрузки отбитой горной массы от комбайна на магистральный конвейер или в шахтные вагонетки.

Проходческий комбайн 4ПП5 серийно изготовляется Ясиноватским машиностроительным заводом.

Резцы для проходческих комбайнов

В проходческих комбайнах со стреловидными исполнительными органами вместо ранее применяемых резцов типа И90 в последние годы используются серийно выпускаемые тангенциальные поворотные резцы типа РКС и радиальные резцы РПП2, техническая характеристика которых приведена в табл. 2.1.

Резец типа РКС представляет собой цилиндр, с одной стороны заканчивающийся конусом. Резец армирован цилиндрической вставкой из твердого сплава с заостренным концом. Другой торец резца вставляется в резцедержатель на коронке, где крепится быстросъемным стопорным устройством, которое позволяет ему свободно вращаться в гнезде резцедержателя.

В процессе разрушения комбайном горной массы резцы типа РКС вращаются в резцедержателе, благодаря чему их износ происходит по всей поверхности режущего конуса - они самозатачиваются. Такая конструкция резцов типа РКС по сравнению с резцами типа И90 позволяет разрушать относительно более крепкие породы с меньшим расходом инструмента.

Радиальные резцы типа РПП армируются твердосплавной пластинкой, которая имеет увеличенную площадь пайки, что повышает прочность и стойкость резца, особенно в условиях разрушения крепких и вязких пород в смешанном или сплошном породном забое.

В настоящее время коронки проходческих комбайнов 4ПУ, ПКЗР и ГПКС оснащаются тангенциальными резцами РКС1; коронка проходческого комбайна 4ПП2, работающего в условиях проведения выработок с присечкой пород с f ≤ 6 - радиальными резцами РПП2 или тангенциальными РКС2, а коронка комбайна 4ПП5, предназначенного для проведения выработок с присечкой пород с f≤7 оснащается резцами РКСЗ.

Таблица 2.1


Резцы РКС1 и РКС2 серийно изготовляются Краснолучским и Копейским машиностроительными заводами, резцы РКСЗ и РПП2 серийно изготовляются Краснолучским машиностроительным заводом.

.2 ШАХТНЫЕ ХОЛОДИЛЬНЫЕ УСТАНОВКИ И КОНДИЦИОНЕРЫ

Для обеспечения нормальной (согласно ПБ не более +26 °С) температуры воздуха очистных, подготовительных и других действующих выработок шахт применяют передвижные холодильные установки. Наибольшее распространение в шахтах получили агрегатированные передвижные воздухоохладители для местного охлаждения воздуха, направляемого в очистные и подготовительные забои

Таблица 2.2.1

Параметры

Воздухоохладители с вентилятором


Электрическим


ВЛ-12,5

ВЛ-25,0

ВЛ-31,5

Количество охлаждаемого воздуха, м3/ч Площадь поверхности теплообмена, м2 Расход хладоносителя, м3/ч Тип вентилятора Потребляемая мощность вентилятора, кВт Расход сжатого воздуха при давлении в пневмосети 0,4 МПа Габаритные размеры (с вентилятором), мм  Длина  Ширина  Высота Масса, кг

1000 13,5 2,0 ВП-1,6 1,1 -  1000 340 400 150

4000 23,5 3,5 ВМ-3М-1 2,2 -  1200 470 450 225

3500 30 4,5 ВМ-3М-1 2,2 -  1200 850 425 345

Параметры

Воздухоохладители с вентилятором


пневматическая


ВЛ-12,5

ВЛ-25,0

ВЛ-31,5

Количество охлаждаемого воздуха, м3/ч Площадь поверхности теплообмена, м2 Расход хладоносителя, м3/ч Тип вентилятора  Потребляемая мощность вентилятора, кВт Расход сжатого воздуха при давлении в пневмосети 0,4 МПа, м3/мин Габаритные размеры (с вентилятором), мм  Длина  Ширина  Высота Масса, кг

1800 10,4 1,5 ВКМ-200А 0,9 0,91   800 340 350 95

2000 13,5 2,0 ВКМ-200А 0,9 0,91   850 340 400 105

3000 30 405 ВКМ-200А 1,8 1,82   930 850 425 290


В табл. 2.2.1 приведены технические характеристики воздухоохладителей с электрическим и пневматическим вентилятором

Воздухоохладители, работающие в системах водяного кондиционирования шахтного воздуха, присоединяют к шахтным трубопроводам подачи и отвода хладоносителя (воды). Агрегатированные передвижные воздухоочистители, состоящие из типовых ребристо-трубных секций и вентиляторов, устанавливают на платформах вагонеток или катках и по мере подвигания очистного забоя или тупиковой выработки периодически передвигают.

Агрегатированные передвижные воздухоохладители изготовляют для работы совместно с вентиляторами местного проветривания типа ВМ, оборудованными взрывобезопасными электродвигателями, а также с пневматическими вентиляторами типа ВМП (техническая характеристика - см. табл. 4.1). Вентилятор вещают на отдельной тележке или катках, а пневмовентилятор закрепляют непосредственно на диффузоре воздухоохладителя. В агрегатироваиных воздухоохладителях воздух охлаждается при прохождении через заполненные водой трубные секции, перепад температуры в которых составляет 5-8 °С при скорости воды 1,6-2 м/с. Передвижные кондиционеры предназначены для местного охлаждения и осушения шахтного воздуха, подаваемого в очистные камеры и другие горные выработки. На шахтах Донбасса широко используют передвижные взрывобезопасные кондиционеры типа КПШ с электрическим (КПШ-3, КПШ-ЗА. КПШ-40, КПШ-90) или пневматическим (КПШ-40П, КПШ-90П) приводом, представляющие собой фреоновые компрессорные холодильные машины.

Технические характеристики шахтных кондиционеров


Все элементы кондиционеров типа КПШ смонтированы на шасси вагонеток, рассчитанных на передвижение по рельсовому пути колей 600 или 900 мм. Кондиционеры типа КПШ состоят из компрессора, конденсатора и воздухоохладителя, соединенных между собой трубопроводами.

В испарителе воздухоохладителя 1 (рис. 2.2.1) циркулирующий хладагент жидкий фреон-12 превращается в пар и поглощает часть тепла воздуха, подаваемого вентилятором через испаритель.

Пары фреона из испарителя всасываются компрессором 2 и сжимаются в нем от давления испарения до давления конденсации. Затем нагретые пары фреона нагнетаются компрессором

Рис. 2.2.1. Схема шахтного кондиционера типа КПШ

в конденсатор 3, где эти пары охлаждаются водой, циркулирующем по трубам конденсатора. В конденсаторе образуется жидким фреон, который затем проходит через фильтр-осушитель 4 в теплообменник 5. Из теплообменника жидкий фреон поступает в терморегулирующие вентили 6, где давление фреона снижается, и он начинает кипеть при низких температурах за счет тепла, отбираемого от шахтного воздуха.

Кондиционер типа КПШ оборудован взрывобезопасным давления 7, клапаном 8 аварийного выброса фреона, пробками 9 и 10). предназначенными соответственно для спуска воздуха из системы, заливки масла, для спуска воды. Для заправки кондиционера фреоном служит угловой вентиль 11. Управление компрессором кондиционера производится кнопкой управления со щита управления 13. Жидкий фреон подается по трубопроводу 14, а газообразный - по трубопроводу 15, масло в компрессор подается по трубопроводу 16.

Кондиционер КПШ-90П с пневмоприводом выполнен в виде двух самостоятельных агрегатов: компрессорно-конденсаторного и воздухоохлаждающего, каждый из которых смонтирован на четырехколесной тележке, что позволяет транспортировать его по шахтной колее шириной 600 или 900 мм. На тележке смонтированы также маслоотделитель и патрубок для отвода воздуха.

Автоматизация калориферных установок

Для предотвращения обмерзания ствола, подъемных сосудов и канатов, а также создания нормальных климатических условий для работающих людей воздух, подаваемый в шахту в холодное время года, подогревается в калориферных установках. На шахтах используют калориферные установки двух типов: со специальным вентилятором и безвентиляторные, в которых прохождение воздуха через калориферы происходит за счет разрежения, создаваемого вентилятором главного проветривания.

В технологической схеме калориферных установок шахт обычно используют водяной и паровой калориферы. Воздух, проходя водяной, а затем паровой калориферы, прогревается до температуры 50-60 °С, после чего доводится до температуры 10-16 °С путем смешивания с наружным воздухом в специальной смесительной камере и нагнетается специальными вентиляторами в ствол или, как в большинстве случаев, засасывается вентилятором главного проветривания. Температура воздуха в стволе контролируется в глубине 50-60 м от поверхности, где устанавливается термодатчик типа ТДС-1, действующий по принципу термометра сопротивления. Давление и расход теплоносителя измеряются соответственно электроконтактным манометром и дифманометром-расходомером с дистанционной передачей показаний на вторичный прибор, размещаемый в котельной или в специальной аппаратуре управления калориферной установкой.

В настоящее время для автоматизации калориферных установок на большинстве действующих шахт используется комплектная аппаратура АКУ-3.

Аппаратура АКУ-3 предназначена для автоматизации шахтных безвентиляторных калориферных установок, в которых в качестве теплоносителя используется пар или перегретая вода, а регулирование теплопроизводительности калорифера осуществляется поворотными лядами. Аппаратура АКУ-3 обеспечивает два вида управления калориферной установкой: автоматическое, т. е. без непосредственного участия обслуживающего персонала, и ручное основными и вспомогательными приводами, осуществляемое из помещения калориферной установки. В автоматическом режиме работы аппаратура АКУ-3 осуществляет поддержание на заданном уровне температуры воздуха в стволе и температуры отработанного теплоносителя на выходе из калорифера.

Аппаратура АКУ-3 обеспечивает автоматический контроль всех существенных технологических параметров калориферной установки и выдачу аварийной световой и звуковой сигнализации в помещение калорифера, в котельную и на табло диспетчера. На табло диспетчера и табло калорифера аварийная световая и звуковая сигнализация подается в случаях, если температура воздуха в стволе либо температура теплоносителя на выходе из калорифера или хотя бы одной из его секций, либо давление теплоносителя в трубопроводе снизятся ниже заданного критического значения. Кроме того на табло диспетчера выведена аварийная сигнализация о полном открытии ляды подачи воздуха через калорифер, а в помещение калориферной установки - аварийная сигнализация о заклинивании исполнительных механизмов и оповестительная сигнализация о крайних положениях исполнительных органов регулирования температуры воздуха в стволе и теплоносителя на выходе из калорифера.

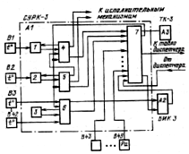
Рис. 2.2. 1. Структурная схема аппаратуры АКУ-3

Аппаратура АКУ-3 позволяет формировать двухконтурную систему автоматического регулирования. В одном контуре регулирования осуществляется поддержание температуры воздуха в стволе путем изменения соотношения горячего и холодного воздуха с помощью поворотной ляды, а в другом контуре регулирования поддерживается на постоянном уровне температура теплоносителя на выходе из калорифера путем изменения его расхода через калорифер.

На рис. 2.2.1 приведена структурная схема аппаратуры АКУ-3. В состав аппаратуры входят: станция управления и регулирования калорифера СУРК-3, блок индикации калорифера БИК-3, табло калорифера ТК-3 и набор датчиков В1 - В49. Датчики BI - В42 предназначены для контроля температуры, причем датчик BI устанавливают в стволе шахты, датчик В'2 - на теплопроводе при выходе из калорифера, датчики ВЗ - В42 - на секциях калорифера. Датчики В43 - В46 используют для контроля конечных положений исполнительных органов регулирования, датчики В47, В48 контролируют заклинивание исполнительных органов, а датчик В49 предназначен для измерения давления теплоносителя.

3. ОХРАНА ТРУДА

.1 МЕРЫ БЕЗОПАСНОСТИ ПО ПРЕДОХРАНЕНИЮ ОТ ПОРАЖЕНИЯ ЭЛЕКТРИЧЕСКИМ ТОКОМ

Для предотвращения поражения обслуживающего персонала электрическим током необходимо:

1)      строго выполнять инструкции по монтажу и эксплуатации машин и электрических аппаратов;

2)      осматривать и ремонтировать электрические аппараты только после отключения их от сети;

)        строго следить за исправностью защитного заземления и не включать в работу машину или электрический аппарат, если нарушено или отсутствует заземление их корпусов;

)        строго следить за исправной работой реле утечки;

)        прокладывать, подвешивать и осматривать гибкие кабели только после снятия с них напряжения;

)        не допускать применения гибких кабелей с невулканизированными счалками;

)        не включать в работу электрооборудование при неисправности блокировки, предусмотренной его конструкцией;

)        для включения и отключения электрических аппаратов пользоваться только исправными защитными средствами (диэлектрические перчатки, галоши, коврики и т.д.);

)        систематически инструктировать и проверять знания обслуживающего и ремонтного персонала по правилам безопасности;

)        не допускать к обслуживанию или ремонту электрических установок и отдельных аппаратов лиц, не прошедших проверки знания правил безопасности при эксплуатации и ремонте электрооборудования;

)        Не допускать к монтажу и включению в работу неисправные электрические аппараты, а также машины и аппараты, сопротивление изоляции которых ниже существующих норм;

)        Не допускать к обслуживанию электрических установок лиц, не прошедших медицинского освидетельствования.

При эксплуатации участкового электрооборудования угольных шахт необходимым защитным средством являются резиновые диэлектрические перчатки. Такими перчатками должны быть снабжены ремонтные и дежурные электрослесаря, машинисты угольных и проходческих комбайнов, машинисты врубовых и погрузочных машин, машинисты лебедок, насосов и компрессоров, а также работающие с ручными и колонковыми электросверлами

Диэлектрические перчатки необходимо подвергать электрическим испытаниям не реже одного раза в 6 мес и проверять их на отсутствие прорезов и проколов. Для этого перчатки свертывают по направлению к пальцам и наблюдают, нет ли на ней мест, через которые выходит воздух. Применять перчатки, у которых обнаружены проколы или прорезы, категорически запрещается.

При обслуживании стационарных установок (водоотливов, лебедок, зарядных станций, преобразовательных и распределительных подстанций) кроме перчаток следует надевать диэлектрические галоши и использовать резиновые изолирующие коврики и подставки. Резиновые коврики рекомендуется применять в сухих местах, а изолирующие подставки - во влажных. Резиновые галоши должны каждые 6 мес подвергаться электрическим испытаниям. Важную роль играют предупредительные плакаты: Предупреждающие об опасности при приближении к частям, которые находятся под напряжением; Запрещающие оперирование коммутационными аппаратами с подключенными электрическими сетями или электроустановками, на которых работают люди.

4. СПЕЦИАЛЬНАЯ ЧАСТЬ

.1 ПЕРЕДВИЖНЫЕ ШАХТНЫЕ ТРАНСФОРМАТОРНЫЕ ПОДСТАНЦИИ

Подстанция предназначена для установки в подземных выработках шахт, разрабатывающих пологие и наклонные пласты, опасные по газу (метану, или угольной пыли), с целью питания токоприёмников трёхфазным переменным током частоты 50 Гц, а также обеспечения защиты от токов утечки и максимальной токовой защиты линии низшего напряжения.

Подстанция предназначена для работы в следующих условиях:

температура окружающего воздуха от минус 10 до плюс 35 °С;

относительная влажность окружающего воздуха до 100% при температуре плюс 35° С;

отсутствие резких толчков и ударов;

запыленность окружающего воздуха не более 1000 мг/м;

рабочее положение в пространстве - горизонтальное, допускается отклонение от рабочего положения до 15° в любую сторону;

номинальный перемежающий режим суточной нагрузки 3(7ч х Х х 1ч х О,25 х Х).

Шахтные силовые трансформаторы и передвижные трансформаторные подстанции предназначены для преобразования электроэнергии высшего напряжения (ВН) 6 или 10 кВ электроэнергию низшего напряжения (НН) 380,660 и 1140 В для питания участковых электроприемников шахты.

В шахтах разрешается применять только взрывобезопасные трансформаторы и подстанции.

Рудничные силовые взрывобезопасные трансформаторы изготавливают по ГОСТ 15542-79Е. По уровню и виду взрывозащиты, рудничные сухие трансформаторы имеют исполнение РВ-4В-ЗВ, кварценаполнение РВ-4В-2КЭ-ЗВ.

Рудничные комплектные взрывобезопасные передвижные подстанции изготавливают по ГОСТ 16837-79, их основные электрические параметры соответствуют ранее выпускавшимся передвижным взрывобезопасным подстанциям ТСШВП (с сухим взрывобезопасным трансформатором) той же мощности.

Подстанция серии ТСВП представляет собой электрический агрегат, в котором объединены силовой трансформатор, распределительное устройство высшего напряжения (РУВН) и распределительное устройство низшего напряжения (РУНН). Распределительные устройства РУВН и РУНН заключены в отдельные взрывонепроницаемые оболочки, присоединяемые с двух сторон к трансформатору. Электрическое соединение элементов схемы подстанции, расположенных в разных оболочках, производится проходными зажимами, что обеспечивает взрывобезопасность каждой оболочки в отдельности

В камере РУВН установлен трехполюсный разъединитель - выключатель нагрузки, который снабжен электромеханической блокировкой с автоматическим выключателем.

В камере РУНН установлены: автоматический выключатель с устройством защиты от токов к.з. (УМЗ), блок защиты от утечек БЗП-1А, АЗБПБ, АЗШ лил РУ-1140, трансформаторы тока, электроизмерительные контрольные приборы и другие элементы электрической схемы подстанции. Электрическое оборудование смонтировано на рельсах.

РУНН комплектных шахтных трансформаторных подстанций (КПТ) -снабжены устройствами для защиты людей от поражения электрическим током при прикосновении к токоведущим частям, находящимся под напряжением. К этим устройствам относятся: блоки защиты БЗП-1А и АЗПБ, встраиваемые в РУНН напряжением 380 или 660 В, и реле утечки РУ-1140 для РУНН напряжением 1140 В.

Эти устройства осуществляют защиту участковых сетей от токов утечки, производят непрерывный контроль сопротивления изоляции сетей.

Аппараты защиты АЗПБ и РУ-1140 выполняют:

предварительный контроль сопротивления изоляции отключенного от трансформатора магистрального кабеля с электроприемниками;

непрерывный контроль изоляции фаз сети под рабочим напряжением и защитное отключение сети;

автоматическую компенсацию емкостных токов утечки;

самоконтроль исправности элементов схемы контроля изоляции и защитного отключения.

Реле утечки РУ-1140 состоит из блока защитного отключения БЗО-1140 и блока БКЗ-1140 компенсации емкостных токов и шунтирования поврежденной фазы.


Устройство и работа подстанции

Магнитопровод силового трансформатора подстанции трёхфазный, стержневой, набирается из холоднокатанной электротехнической стали. В рабочем положении стержни магнитопровода расположены вертикально.

Обмотки трансформатора и изготовляются из медного провода с -нагревостойкой изоляцией.

Обмотка ВН, согласно ГОСТ, испытана приложенным напряжением 16 кВ (для облегаемой изоляции).

Тип обмоток:

ВН - непрерывная катушечная (400, 630 кВ х А);

НН - цилиндрическая двухслойная;

Для улучшения охлаждения в обмотках предусмотрены каналы.

Активная часть трансформатора крепится в стальной взрывонепроницаемой оболочке 4Н при помощи болтов к специальным уголкам.

Оболочка трансформатора выполнена круглой (100, 160 и 250 кВ х А) и овальной (400, 630 кВ х А) формы без внутреннего и наружного обребрения (100 кВ х А), без внутреннего с наружным обребрением (160 кВ х А), с ребристой внутренней и наружной, поверхностью (250 кВ х А) или гофрированной (400, 630 кВ х ).

На боковой стороне предусмотрен люк, обеспечивающий доступ к панели регулировочных отводов обмотки ВН

А2 представляет собой трёхполюсный разъединитель - выключатель нагрузки, способный отключить ток нагруженного трансформатора, встроенный во взрывонепроницаемую стальную оболочку 4В которая, с помощью болтов крепится к оболочке трансформатора. Оболочка снабжена разгрузочным устройством УРГ-1.

Для производства монтажа, осмотра текущего ремонта и регулировки разъединителя выключателя нагрузки на торцевой стороне Ф2 имеется откидная крышка с болтовым креплением.

Для присоединения и разводки жил кабеля в верхней части А2 предусмотрена вводная коробка с кабельной муфтой для силового кабеля со съемной крышкой, которая крепится болтами, два из которых невыпадающие специальные.

По требованию заказчика допускается установка на вводной коробке А2 второй силовой кабельной муфты. При отсутствии требования о поставке второй муфты, отверстие под эту муфту закрывается фланцевой заглушкой.

В вводной коробке А2 имеются два кабельных ввода под контрольные кабели диаметром 30 мм, один для подключения поста ДУ ячейкой и один для ввода контрольного кабеля управления.

Крышки А2 имеют уплотнение из теплостойкой резины, обеспечивающие пылебрызгонепроницаемостъ распределительного устройства ВН.

На боковых стенках оболочки находятся смотровые окна для визуального наблюдения за выключенным (включенным) положением ножей разъединителя - выключателя нагрузки. При этом подсветка осуществляется через окно на крышке.

Разъединитель - выключатель нагрузки имеет электромеханическую блокировку с автоматическим выключателем.

A3 представляет собой комплект аппаратуры и приборов, смонтированных внутри стальной взрывонепроницаемой оболочки ЗВ. Оболочка снабжена разгрузочным устройством УЗГ-1.содержит следующую аппаратуру и приборы:

автоматический выключатель типа А 3722 УУ5 на ток 250А подстанции 100 и 160 кВхА), А 3792 У05 на ток 630А (подстанции 250, 400 и 630 кВхА). Выключатель имеет электромагнитные расцепители с калиброванной уставкой тока срабатывания, которые обеспечивают нерегулируемую защиту от токов КЗ, нулевой (РНН) и независимый (РН) расцепители.

Калиброванные уставки тока срабатывания электромагнитных расцепителей выключателей указанных типов составляют соответственно 1600, 4000А;

аппарат Ф5М защиты подстанции типа АЗУК1 (АЗШ-1), обеспечивающий контроль изоляции сети относительно земли на стороне НН до подачи напряжения в сеть и защиту от токов утечки на землю;

блок А6 максимальной токовой защиты типа ПМЗ, обеспечивающий регулируемую защиту от токов КЗ в линии;

вольтметр PV типа Э 8030 750В с добавочным сопротивлением Р85;

амперметр РА типа Э 8030 400А (подстанции 100, 160, 250, 400 кВхА), 600А (подстанция 630 кВхА);

трансформатор тока типа ТШЛМ-0.5Т 400/5 (подстанции 100, 160, 250, 400 кВхА), 600/5 (подстанция 630 кВхА);

предохранители типа ВПТБ на 5А и 2А соответственно;

трансформатор типа ОСВР-0.4УЗ 380/36/127/18В (подстанции 100, 160, кВхА), ОСВР-0.4УЗ 660/36/127/18В (подстанции 400 и 630 кВхА);

трансформаторы тока типа ТТЗ-250А (подстанции 10, 160 кВхА),

выключатель типа ПВ-2 в цепи местного освещения подстанции;

реле А4 типа РП-21

прибор выпрямительный типа КЦ 402А;

выключатели типа КЕ 031 У2имеет коробку выводов с двумя вводами для силовых кабелей, цепи освещения подстанции, дополнительного заземления и цепи аппарата газовой защиты. Для доступа к проходным зажимам в коробке выводов имеется съёмная крышка, которая крепится болтами, два из которых невыпадающие специальные

Оболочка A3 снабжена быстрооткрываемой крышкой, на которой имеется смотровые окна для визуального наблюдения за показаниями вольтметра, амперметра, килоомметра и сигнальными лампочки.

Закрывание быстрозакрываемой крышки обеспечивается зажимами, расположенными на поворотном кольце, которое приводится в движение операциальной рукояткой посредством эксцентрика.

Рукоятка - съемная блокированная ручка, ее снятие с А2 возможно только при отключенном разъединителе - выключатели нагрузки.

Подстанция оборудована ходовой частью состоящей из салазки и двух

пар стальных скатов шахтных вагонеток. При этом предусматривается возможность передвижения подстанции по колее 600 или 900 мм после установки на скаты соответствующей величины.

Подстанция имеет подъёмные и прицепные приспособления, рассчитанные для подъёма, а также спуска её как в наклонных, так и вертикальных стволах.

Подъемные пластины распредустройств на подъёме всей подстанции не рассчитаны.

Устройство и работа составных частей подстанЦИИ

Электрическая схема подстанции представлена сплошной тонкой линией и условно разграничивает оболочки А2, A3, оболочку трансформатора и кабельные коробки.

Высшее напряжение 6000 В через кабельный ввод подается на проходные изоляторы А, В, С и через разъединитель выключатель нагрузки QS и проходные зажимы Al, Bl, C1 на обмотку ВН силового трансформатора, соединенную в "звезду". Для возможности изменения коэфициента трансформации обмотка ВН имеет отпайки (xl, х2, хЗ; yl, у2 zl, z2, z3). Переключение отпаек осуществляется на специальной панели в оболочке трансформатора.

В подстанциях мощность 100, 160, 250 к В-А, начало и концы обмоток низшего напряжения силового трансформатора через проходные зажимы выведены в оболочку A3, где производится соединение обмоток в "звезду" или "треугольник". В подстанциях мощностью 400 и 630 к В-А соединение обмоток низшего напряжения в "звезду" или "треугольник", выполнено на активной части.

При включении выключателя SF напряжение 400 или 690 В подается на проходные зажимы а, в, с коробки выводов A3.

В цепь катушки независимого расцепителя в выключателе SF, питание которого осуществляется от выпрямительного прибора VД/ параллельно включены контакты аппарата защиты А5 и реле А4.

Катушка нулевого расцепителя питается от выпрямительного прибора зУД1, в цепь которого последовательно включены контакты аппарата защиты подстанции А5, блока максимальной токовой защиты А6, тепловых реле К1 и К2 и размыкающий контакт выключателя QS с выключателем SF. Выключатель SB2 предназначен для закорачивания балластного резистора R в цепи питания катушки нулевого расцепителя в момент включения выключателя SF и для возврата в исходное положение опционного переключателя блока А6.

Аппарат А5 осуществляет защиту сети напряжения 380 или 660В от утечки и контроль её сопротивления в отключенном состоянии (режим БРУ)

Аппарат А 5 подключен к шинам после выключателя SF на участке а, в, с и соединен с проходным зажимом для дополнительного заземления (А3), которое выполняется на расстоянии не менее 5м от местного заземления подстанции.

Оперативное питание аппарата А5 осуществляется напряжением ~ 127В от трансформатора Т2, о срабатывании аппарата А5 сигнализирует неоновая лампа HL2, расположенная у смотрового окна омметра с табличкой "РУ".

Для проверки исправности аппаратура защиты А5 служит выключатель кнопочный SB3. Загорание лампы HL2 до включения выключателя SF свидетельствует о снижении сопротивления изоляции отключенной силовой цепи ниже уставки БРУ или неисправности самого аппарата защиты А5.

Блок максимальной токовой защиты А6 допускает регулирование уставок тока срабатывания от 500 до 3050 А. При срабатывании блока А6 загорается сигнальная лампа HL3, расположенная у смотрового окна амперметра с табличкой "ПМЗ".

Защита трансформатора Т1 подстанции от перегрузок осуществляется посредством двух термореле К1 и К2, закрепленных на низковольтных отводах трансформатора Т1, выше допустимой температуры контакты К1 и К2 теплового реле размыкают цепь катушки расцепителя РНН, что ведет к отключению выключателя SF.

Одновременно загорается сигнальная лампа HL1, расположенная у смотрового окна вольтметра с табличкой "ДТР".

Питание аппарата газовой защиты предусмотрено от трансформатора Т2 напряжением 36 В через предохранитель PU1 и проходные зажимы выводной коробки A3.

Контакт исполнительного реле аппарата газовой защиты через проходные зажимы оболочки A3 включен последовательно в цепь реле А4, а его контакт в цепь катушки РН.

Трансформатор Т2 подключен к силовым зажимам до выключателя SF с цепью обеспечения питания цепей управления и защит подстанции со стороны НН при отключенном выключателе SF.

Светильники местного освещения в количестве не более двух должны подключаться к проходным зажимам в оболочке A3. В цепи местного освещения имеется выключатель SA и предохранитель FU2.

Для контроля напряжения подстанции предусмотрен вольтметр PV, подключенный через добавочное сопротивление R1 к силовым штоам "в1, cl", а для контроля тока амперметр РА, подключенный через трансформатор ТА1 к фазе "с".

Принцип работы электромеханической блокировки подстанции. Блокировка обеспечивается выключателем кнопочным SB1, штоком, диском и съёмной рукояткой разъединителя - выключателя QS. Блокировка исключает возможность отключения тока нагрузки разъединителем -выключателем QS, а также выключения высоковольтного выключателя ячейки при отключенном разъединителем - выключением QS.

Для этого один размыкающий контакт выключателя SB1 включен последовательно в цепь дистанционного управления высоковольтной ячейкой, а второй его размыкающий контакт включен последовательно в

цепь катушки нулевого расцепителя выключателя SF.

При включенном разъединителе-выключателе нагрузки QS шток входит в паз диска. В этом положении размыкающие контакты SB1 замыкают цепь катушки нулевого расцепителя выключателя SF и цепь дистанционного управления высоковольтной ячейки. Разъединитель-выключатель нагрузки QS заблокирован.

Для отключения разъединителя-выключателя нагрузки QS необходимо до поворота его рукоятки в положение "откл", нажать выключатель SB1, при этом шток выходит из зацепления с дискам. В этом положении разнимающие контакты выключателя SB1 размыкают цепь катушки нулевого расцепителя выключателя SF и цепь дистанционного управления высоковольтной ячейкой после поворота рукоятки QS в положение "откл" разомкнутое положение контактов выключателя SB1 фиксируется и рукоятку можно снять для открывания крышек распредустройства низшего напряжения A3.

Указание мер безопасности

Лица, обслуживающие подстанцию, должны иметь соответствующую квалификационную подготовку и знание инструкций, относящихся к эксплуатации подстанции.

Работы по ремонту и ревизии подстанции должны производиться при отключенных высоковольтной ячейке и разъединителе-выключателе нагрузки, при производстве ревизии или ремонта на стороне ВН подстанции с открыванием крышек, выдвижная часть высоковольтной ячейки РВА-ВМ или ЯВ-6400 на линии питания подстанции, должна быть выдвинута и заблокирована, а в ячейке КРУВ-6 отключены разъединители, рукоятки включения должны быть сняты, на рукоятке привода высоковольтной ячейке вывешивается плакат "Не включать, работают люди", жилы питающего кабеля должны быть разряжены от вводных проходных зажимов ВН подстанции и присоединены к специальному заземляющему зажиму вводной коробке А2 подстанции.

При снятии крышки с выводной коробки оболочки A3, производится отвинчивание расположенной на ней блокированных болтов, а также открывание быстрооткрываемой крышки оболочки-ключа разъединителя-выключателя нагрузки QS, для чего последний должен быть предварительно выключен, при этом рукоятка-ключ разъединителя-выключателя нагрузки QS должна быть снята и в течение всего времени ревизии или ремонта должна находиться у электрослесаря (производителя работ).

После отключенного напряжения нужно визуально проверить разомкнутое положение контактных ножей разъединителя-выключателя нагрузки, а на рукоятке автоматического выключателя НН повесить плакат "Не включать работают люди!"

Порядок ревизии подстанции должен соответствовать требованиям инструкции ПБ по осмотру и ревизии рудничного взрывобезопасного электрооборудования.

Запрещается эксплуатация подстанции при неисправности любой из блокировок или защит.

Аппарат газовой защиты и светильники местного освещения необходимо устанавливать в непосредственной близости от подстанции и подключать кабелями длиной не более 5 м, корпуса аппарата газовой защиты и светильников местного освещения должны быть соединены с корпусом подстанции медным проводом сечением не менее 10мм2.

Осмотр и замена светильников местного освещения должны производиться при отключенном выключателе SA, а аппарата газовой защиты- при отключенном разъединителе-выключателе нагрузки QS.

Подстанция должна иметь надежное общешахтное местное заземление, путем соединения заземляющих зажимов с общешахтной заземляющей сетью и местным заземлите л ем.

Заземление, способ установки, защита от капежа и возможных повреждений подстанций, а также устройства, обеспечивающие удобства и безопасность обслуживания подстанции, должны соответствовать требования "Правил безопасности в угольных и сланцевых шахтах".

В непосредственной близости от подстанции должны быть размещены два огнетушителя, ящик с песком массой 200 кг и лопата, весь противопожарный инвентарь должен быть расположен со стороны притока воздуха.

Порядок установки подготовка к работе

Подстанция может быть установлена в откаточных и вентиляционных штреках в тупиковых выработках, если ПБ допущена прокладка кабелей в этих выработках.

Подстанция не должна своим присутствием создавать узкие места при транспортировке грузов.

Места установки подстанции, способ и шаг передвижки определяются в зависимости от конкретных условий участков и должны приниматься в соответствии с типовыми проектами центргипрошахта.

Наиболее благоприятные условия для эффективной работы подстанции будут при установки её в шахтах на свежей струне воздуха, вблизи распределительных пунктов НН.

В местах установки подстанции в штреках или в специальных нишах должны быть выдержаны проходы для людей, при этом со стороны прохода должно быть ограждение от непредусмотренного ремонтными работами соприкосновения с корпусом подстанции.

Температура наиболее нагретой части оболочки трансформатора может быть от 80 до 90 °С в зависимости от мощности и нагрузки подстанции.

Подстанция должна устанавливаться в местах с отсутствием капежа или иметь от капежа специальное перекрытие.

Перед спускам подстанции в шахту необходимо:

Произвести тщательный наружный осмотр подстанции с целью проверки отсутствия повреждения взрывонепроницаемых оболочек, смотровых стекол рукояток управления, кабельных вводах, а также исправности заземляющих устройств подстанции;

Проверить работу привода разъединителя-выключателя нагрузки QS;

Проверить действие электромеханической блокировки подстанции.

При отключенномразъединителе-выключателенагрузки,контакты блокированного выключателя SB1 в цепи управления высоковольтной ячейки и в цепи катушки нулевого расцепителя выключателя SF должны быть разомкнуты, при включенном разъединителе нагрузки контакты выключателя SB1 должны быть замкнуты. Проверка замыкания контактов производится с помощью амнеметра при обесточенной подстанции. Также измеряется с помощью мегомметра на напряжении 2500В сопротивление изоляции обмоток ВН трансформатора и токоведущих частей распредустройства А2, а с помощью мегомметра на напряжение 1000В -сопротивление изоляции обмоток НН трансформатора и токоведущих силовых частей распредустройства A3, при этом снимаются штепсельные разъемы аппарата АЗУР1 (АЗШ-1) и блок ITN3;

Перед спуском в шахту включается подстанцию в сеть и проверяется показание приборов, работа аппарата А5, выключателя SF и блока, максимальной токовой защиты А6.

Спуск подстанции в шахту по вертикальному стволу производится в клети или под клетью. Подстанция в клети должна быть закреплена.

Спуск подстанции под клетью производится без разборки с помощью канатов, подстанцию в вертикальном положении закрепляют под клетью за подъемные устройства, раскачивание подстанции под клетью недопустимо.

По наклонному стволу подстанция опускается со скоростью не более 0,5 м/с. Транспортировка подстанции от ствола к месту установки производится при помощи электровоза или лебедки, при этом скорость движения не должна превышать 1,5 м/с, при доставке по уклонам и бремсбергом скорость не должна превышать 1м/с.

При транспортировании подстанции электровозом должна применяться жесткая сцепка длиной не менее 1300мм

После спуска подстанции в шахту и доставку ее к месту работы повторяется осмотр и проверка, затем подстанция подключается.

Для присоединения к подстанции распределительного пункта - участка используется кабели марок ГРШЭ (КГВШ) или ЭВТ-1,2. Временно допускаются бронированные кабели СБ-1 с обеднено пропитанной бумажной изоляцией. Максимальное сечение жил гибких кабелей 3><95мм2, бронированных 3><20мм2 •

Для присоединения подстанции со стороны высшего напряжения используется кабель бронированный марки СБ-6 или кабель ЭВТ-6.

Измерение параметров, регулирование и настройка

Контроль за показанием вольтметра и амперметра, установленных в распредустройстве A3, осуществляется через смотровые окна.

При необходимости изменения коэффициента трансформации для обеспечения нормального режима работы подстанции по напряжению производятся следующие операции:

а)отключается подстанция и высоковольтная ячейка, согласно НН 92 и 72;

б)снимается крышка регулировочных отводов на оболочке трансформатора;

в)производится переключение регулировочных отводов в соответствии. При пониженном напряжении высоковольтной сети необходимо перемычку поставить в положение +3%.

г)устанавливается крышка и закрепляется болтами. При необходимости переключается напряжения с 400 на 690 В или наоборот в подстанциях 100,160 и 250 кВхА.

Производятся следующие операции:

а)отключается подстанция;

б)снимается рукоятка разъединителя-выключателя нагрузки распредустройства А2 и устанавливается во втулке быстрооткрываемой крышки распредустройства A3.

в)открывается быстрооткрываемая крышка, с помощью поворота рукоятки в положение "Открыть";

д)конец монтажного провода от первичной обмотки трансформатора Т2 после установки перемычек на соответствующее напряжение подключается к перемычке с резьбовым отверстием посредине;

е)переключается в аппарате А5 тумблеры на соответствующее напряжение (380 или 660);

ж)закрывается быстрооткрываемая крышка.

4.2 ХАРАКТЕРИСТИКА МАШИН И МЕХАНИЗМОВ УЧАСТКА УПР-1 Ш. "ХАРЬКОВСКАЯ"

Погрузочная машина 2ПНБ-2

Гидропривод в погрузочных машинах используется для подъема и опускания нагребающей части управления конвейером и фрикционами гусеничного хода

В гидросистему погрузочной машины 2Г1НБ2 входят два насоса 10 типа Н - 400, работающие на одну нагнетательную магистраль (суммарная подача 10 л/мин), и два распределителя 12 и 13, объединенные общей системой разгрузки насосов (при нейтральном положении всех рукояток управления). В распределителе 12 расположены предохранительный и перепускной клапаны - общие для обоих распределителей. Предохранительный клапан отрегулирован на максимальное рабочее давление 10 МПа, которое контролируется манометром 9.

Трехзолотниковый распределитель 13 управляет работой гидроцилиндров 2 поворота конвейера и гидроцилиндров 1 включения фрикционов гусеничного хода. Назначение дросселей 14 то же, что и в гидросистеме управления гусеничным ходом погрузочной машины 1ПНБ2: выключение фрикционов путем слива.

Распределитель 12 управляет работой гидроцилиндров подъема нагребающей части 7, подъема конвейера 5, натяжения цепи конвейера 6, подъема натяжной секции конвейера 4 и отключения фрикционной муфты конвейера 3. Управление гидроцилиндрами 3 и 4 осуществляется одним золотником с помощью двухпозиционного переключателя 15.

Дроссель - клапан 16 служит для отвода жидкости на слив из поршневой полости гидроцилиндра 13 при нейтральном положении золотника распределителя 12 и автоматически перекрывает линию слива при включении золотника в рабочее положение. Гидроцилиндры 5 и 7 снабжены гидрозамками 8 одностороннего действия для предотвращения самопроизвольного опускания нагребающей части машины и конвейера. Наличие в гидрозамках дросселей с обратными клапанами обеспечивает плавное опускание исполнительных органов.

В нагнетательной магистрали натяжения цепи конвейера установлен дроссель, сглаживающий гидравлические удары, которые возникают в гидроцилиндрах 6 при работе конвейера. На всасывающем коллекторе насосов установлен приемный сетчатый фильтр 11, размещенный в маслобаке.

Рабочая жидкость в гидросистеме - масло индустриальное И - 20.

Технические характеристики буропогрузочных машин.


Насосы участкового водоотлива

Насосы участкового водоотлива откачивают воду из забоев наклонных выработок (уклонов), а насосы проходческого водоотлива - при проведении горных выработок.

Участковые шахтные водоотливные установки являются стационарными, так как обычно размещаются на фундаментах в специальных камерах.

Проходческие насосы являются передвижными, т.е. перемещаются по мере подвигания забоя или понижения уровня воды.

Для шахтных водоотливных установок применяют в основном центробежные насосы. Центробежным насосом называется гидромашина, у которой жидкость (вода) под действием центробежных сил перемещается вдоль лопаток в радиальном направлении от центра рабочего колеса (всасывающего отверстия) к выходу из него (нагнетательному отверстию)

Работа центробежного насоса характеризуется следующими основными параметрами: подачей Q, напором H, к. п. д. η, полезной мощностью Nn и частотой вращения n

Подача насоса Q, т. Е. количество жидкости (воды), перемещаемой в единицу времени, измеряется в кубических метрах в час (м3/ч)

Напор Н, создаваемый насосом, измеряется в метра (м).

К. п. д. насоса η представляет собой отношение полезной мощности (Nn), затраченной на перемещение жидкости (воды), к мощности, потребляемой насосом (Nn), т.е. η = Nn/Nп

Частота вращения n рабочего колеса насоса является величиной, от которой зависят подача, напор и мощность насоса. Частота вращения рабочего колеса насоса в единицу времени (минуту) измеряется в оборотах (об/мин).

Центробежные насосы в зависимости от развиваемого напора разделяют на низконапорные (до 50 м), средненапорные (100-200 м) и высоконапорные (300-1000 м).

По конструктивному исполнению центробежные насосы различают по следующим признакам:

конструкции корпуса - цельнокорпусные, секционные, спиральные (с горизонтальным разъемом корпуса);

числу рабочих колес - одно- и многоступенчатые;

расположению рабочего вала - горизонтальные и вертикальные.

Для участковых водоотливных установок применяют в основном одноступенчатые низконапорные центробежные горизонтальные консольного исполнения насосы типа К.

Центробежный одноступенчатый консольный насос типа К (рис.4.2.1) состоит из рабочего колеса 1, консольно закрепленного на валу 2, спирального корпуса 3, всасывающего 4 и нагнетательного 5 патрубков. На валу насоса 2 установлены бронзовая втулка 6, сальник 7 с крышкой 8, уплотнения 11 и два шарикоподшипника 10, закрепленных на кронштейне 9, муфта 12. В корпусе 3 имеются отверстия с пробками для заливки и спуска воды.

Рис. 4.2.1 Центробежный одноступенчатый консольный насос типа К

Ленточный конвейер 1Л100

Ленточные конвейеры получили широкое применение на угольных шахтах при транспортировке угля, породы и людей по горизонтальным и наклонным горным выработкам.

Область использования ленточных конвейеров ограничивается углом наклона выработки. Так, подъем угля или породы вверх возможен до 18°. При больших углах груз сползает по ленте вниз. Величина угла наклона зависит от крупности и влажности угля. При доставке угля конвейером вниз (по бремсбергу) допустимый угол наклона составляет не более 15°.

В ленточных конвейерах перемещение горной массы осуществляется на ленте, выполняющей одновременно функции тягового и несущего органов.

Современные подземные ленточные конвейеры имеют следующие основные параметры: производительность до1200 т/ч при ширине ленты до 1200 мм, суммарную мощность приводов до 1500 кВт, максимальную длину до 2000 м.

Грузовые ленточные конвейеры предназначены для транспортировки угля и породы от очистных и подготовительных забоев.

По способу установки конвейеры делят на стационарные и полустационарные. Стационарные устанавливают в главных наклонных и горизонтальных выработках, а также в участковых выработках со сроком службы один год и более; их конструкция не приспособлена для быстрого изменения длины конвейера.

Основные технические параметры, по которым должны выбираться конвейеры для конкретных горно-технических условий, являются: минутная приемная способность конвейера, м3/мин; техническая производительность конвейера, т/ч.

Приемной способностью конвейера называется количество угля, которое может принять в единицу времени (минуту) движущаяся лента при наибольшем допустимом заполнении ее грузом. Величина приемной способности угля каждого типоразмера конвейера является постоянным параметром.

Техническая производительность устанавливается в соответствии с мощностью и прочностью тягового органа (ленты). Для каждого конвейера она является переменной величиной, зависящей от длины, угла наклона выработки.

Техническая характеристика ленточного конвейера 1Л100 приведена в табл. 4.1.

Таблица 4.1

Параметры

Ленточный конвейер 1Л100


 1,6 1000 550 11,5 200 2  630 133(127) - 2000 105 при длине 1500 м

Скорость движения ленты, м/с Ширина ленты, мм Наибольшая производительность, т/ч Приемная способность, м3/мин Суммарная мощность приводов ленты, кВт Число приводов Номинальный диаметр, мм:  Приводных барабанов  Поддерживающих роликов Телескопичность (величина) сокращения, м Наибольшая длина конвейера, м Масса конвейера, т



Скребковый конвейер

Общие сведения

В угольной промышленности скребковые конвейеры являются основным средством доставки угля в очистных забоях пластов мощностью 0,55 м и более с углом падения до 35°. Скребковые конвейеры применяют также для транспортировки угля по штрекам, просекам, печам, а также угля и породы из забоев подготовительных выработок

Скребковые конвейеры отличаются простотой конструкции; высокой механической прочностью, позволяющей производить обрушение угля взрывонавалкой непосредственно на конвейер; возможностью движения выемочной машины по конвейеру; небольшой высотой навалки; возможностью передвижения става рештаков с помощью домкратов без предварительной разборки; устойчивой работой при различных углах наклона и волнистой почве.

Производительность современных скребковых конвейеров достигает 500-600 т/ч, суммарная мощность привода составляет 220 кВт, а длина става достигает 350 м.

Скребковые конвейеры подразделяют на передвижные изгибающиеся и разборные. Короткие скребковые конвейеры находят применение в различных перегружателях, предназначенных для перегрузки угля из забоя.

Передвижные изгибающиеся конвейеры предназначены для доставки угля из очистного забоя до места его перегрузки на следующее транспортное средство. Передвижные изгибающиеся конвейеры передвигают отдельными частями по мере движения выемочной машины по массивному рештачному ставу вдоль лавы. Конвейеры находятся обычно на первой от забоя дороге и передвигаются на новое рабочее место без разборки с помощью домкратов.

Разборные скребковые конвейеры предназначены для доставки угля по лавам с индивидуальной крепью, а также угля по штрекам, просекам и печам. Разборные конвейеры обычно переносят на новую дорогу вручную.

Скребковые конвейеры по числу тяговых цепей разделяют на одно-, двух- и трехцепные.

По числу приводов скребковые конвейеры могут быть одно- и многоприводными (до четырех приводов). Привода скребковых конвейеров подразделяют на головные и концевые.

Привод скребкового конвейера представляет собой блок электродвигателя, гидромуфты, редуктора с головной или концевой звездочкой, передающей движение тяговой цепи. Скребковые конвейеры вместо концевого привода оборудуют концевой головкой, представляющей собой соединение концевой звездочки с цепью через ось. Концевую головку конвейера выполняют с жесткой или подвижной концевой секцией, снабженной винтовым или гидравлическим натяжным устройством. Натяжение цепи может производиться приводом. При выполнении этой операции один конец цепи жестко крепится на приводе стопорной собачкой, натягивая при этом электродвигателем другой конец цепи.

Скребковый передвижной конвейер СП63М

В настоящее время отечественными заводами (харьковским "Свет шахтера", Скопинским и Анжерским машиностроительными) серийно выпускаются четыре типа скребковых конвейеров:

СП - передвижные;

СР - разборные переносные;

С - разборные переносные;

СК - разборные с консольными скребками

Передвижные скребковые конвейеры СП имеют две, а иногда три тяговые цепи. Конвейеры типа СП в основном применяют в комплексно механизированных лавах.

Техническая характеристика скребкового конвейера приведена в таблице 4.2.

Скребковый конвейер состоит из тягового органа, головного и концевого приводов (или концевой головки вместо концевого привода), линейных рештаков.

Таблица 4.2.

Параметры

Передвижной конвейер СП63М

Производительность, т/ч Скребковая цепь:

200;300;355

 Тип

Круглозвенная

 Скорость движения, м/с  Число  Шаг скребков, мм  Разрывное усилие, кН Электродвигатель:  Тип  Мощность, кВт  Число Тип гидромуфты Рештачный став:  Высота нагрузки, мм  Высота с бортами, мм  Ширина, мм Длина конвейера в поставке, м Масса конвейера, т

0,8;0,92;1,12 2 1024 41  КОФ32-4 32;45 1-2 ГПЭ-345-А;ГПЭ-400  183 341 638 150;200 23,4-58,4


Скребковый передвижной изгибающийся конвейер СП63М предназначен для доставки угля из очистных забоев пологих пластов мощностью0,9 и более. Конвейер СП63М не следует применять в лавах со значительными геологическими нарушениями, с дующей почвой, на пластах с углом наклона более 18°

Изменение направления забоя не требует перемонтажа конвейера, за исключением перевески бортов, зачистных лемехов и обратного захвата с одной стороны на другую.

Скребковый конвейер СП63М (рис. 4.2.3) состоит из головного привода 1, переходных секций 2 и 5, линейных рештаков 3, укороченного рештака 4, концевого привода 6 (или концевой головки 7 при отсутствии концевого привода), скребковой цепи 8, зачистных лемехов 12, обратного захвата 11 для комбайна, линейных бортов 10, бортов кабелеукладчика 9.

Приводной блок, устанавливаемый на раме, состоит из электродвигателя с короткозамкнутым ротором мощностью 32 кВт (КОФ32-4) или 45 кВт (ЭДКОФ-42/4), трехступенчатого цилиндро-конического редуктора с общим передаточным числом i=33,58 или 29,22; 24,57 (при установке сменных пар зубчатых колес), предохранительной гидромуфты между электродвигателем и редуктором.

На одном шлицевом выходном валу редуктора закреплены две сварно-штампованные термоупрочненные звездочки. На втором валу редуктора установлено съемное храповое устройство для натяжения тяговой цепи электродвигателем привода.

Переходные секции конвейера представляют собой металлоконструкции, позволяющие осуществлять переход скребковой цепи от линейной секции к тяговой звездочке с высотой центров 400 мм и углом подъема переходного участка 10°. В местах сочленения с линейными рештаками переходные секции имеют съемные износостойкие направляющие.

Концевая головка, устанавливаемая вместо концевого привода, состоит из рамы, обводного барабана, собранного из вращающейся оси с опорами и съемных направляющих

Зачистной лемех представляет собой наклонный нож, закрепленный на забойной стороне рештаков конвейера и служит для зачистки лавы вслед за комбайном.

Обратный захват предназначен для удержания комбайна на рештачном ставе. Линейный борт и борт кабелеукладчика представляют собой замкнутый желоб для перемещения траковой цепи автоматического кабелеукладчика вдоль става конвейера. К борту кабелеукладчика через жесткие промежуточные балки прикреплены кронштейны для присоединения гидродомкратов или гидропередвижчика. Запуск двигателей осуществляется посредством взрыво-искробезопасного магнитного пускателя. Управление конвейером - дистанционное. Конвейер снабжен приспособлениями для монтажа гидромуфт, ручной стяжки цепи, правки согнутых скребков, а также винтовым домкратом для местного подъема става, колодкой для стопорения цепи при натяжении последней двигателем привода и комплектом инструмента.

Рис. 4.2.3. Скребковый конвейер СП63М

Назначение и технические данные пускателя ПВИ-250БТУ5

Пускатель электромагнитной взрывобезопасный типа ПВИ-250БТ с искробезопасной схемой дистанционного управления и маркировкой по уровню и виду защиты РВ-3В-Иа предназначен для прямого пуска и остановки трехфазных асинхронных электродвигателей с коротко-замкнутым ротором горных машин и механизмов угольных и сланцевых шахт, а также для защиты от токов короткого замыкания и перегрузки в отходящих силовых цепях.

Пускатель предназначен для работы при следующих условиях:

температура окружающего воздуха от минус 5 до плюс 35°С;

относительная влажность окружающей среды до 100% при температуре до 35°С;

содержание угольной пыли в окружающей атмосфере до 1200 мг/м3;

отсутствие резких толчков (ударов и сильной трески);

высота над уровнем моря не более 2000 м;

на глубине не более 1500 м ниже уровня моря;

нормальное рабочее положение пускателя салазками на горизонтальной площадке, допускается наклон площадки до 15° в любом направлении;

Пускатель нормально работает при колебаниях напряжения в электрической сети от 85 до 110% номинального.

Технические данные

Уставки срабатывания блока токовой защиты от перегрузки ТЗП -0,5; 0,6; 0,7; 0,8; 0,9; 1,0 I номинального тока пускателя. Пускатель обеспечивает надежную работу в продолжительном, кратковременном, повторно-кратковременном режимах.

Мощность управляемого электродвигателя в категории АС-3 при напряжении 380В - 125 кВт; при напряжении 660В - 200 кВт. Коммутационная износостойкость главных контактов контактора в категории применения АС-3 составляет 1,2 * 106 циклов включений - отключений, при этом номинальный рабочий ток должен быть равен номинальному. В категории АС-4 - 0,175 * 106 циклов включений - отключений, при этом номинальный рабочий ток должен быть равен 40% номинального. Механическая износостойкость пускателя составляет не менее 3 * 106 циклов включений - отключений, разъединителя не менее 6300 циклов включений - отключений. Трансформатор напряжения допускает подключение ко вторичной обмотке нагрузки мощностью до 75 В А (светильник местного освещения, цепи автоматизации и др). Вводные и выводные устройства силовых цепей допускают подсоединение как гибкого, так и бронированного кабеля с сухой разделкой или заливкой кабельной массой места разделки. Номинальной сечение жил и наружные диаметра силовых и контрольных кабелей приведены в таблице 4.3.

шахта проходческий комбайн подстанция кондиционер

Таблица 4.3

Назначение кабеля

Сечение жил кабеля

Надрезы в уплотнительном кольце

Главный ввод Транзитный вывод Вывод к электродвигателю: - посредством кабельной муфты - через штепсельное соединение Контрольные вводы: - 2 шт - 1 шт

70-150 70-150  50-95 35-70  1,5-4 1,5-4

36,40,44,48,52,56,60 36,40,44,48,52,56,60  36,40,44,48,52,56,60 41,45,49,53  18,21,25,29 11,14,17

Устройство и работа пускателя ПВИ - 250 БТУ5

Пускатель состоит из набора электрической аппаратуры, смонтированной во взрывонепроницаемом корпусе.

Корпус представляет собой сварную конструкцию, состоящую из четырех отделений, разделенных взрывонепроницаемым перегородками.

Сетевое отделение предназначено для ввода, транзитного вывода и присоединения к пускателю силовых кабелей. При вводе бронированного кабеля к сетевому отделению крепится специальная коробка, служащая для заливки места разделки кабеля заливочной массой.

Отделение выводов предназначено для ввода и присоединения кабеля электродвигателя и кабелей контрольных цепей. Контрольные зажимы, предназначенные для присоединения искробезопасных цепей, отделены от остальных проходных зажимов.

В отделении разъединителя - размещены разъединитель и трансформаторы тока максимальной токовой защиты ПМЗ и токовой защиты от перегрузки ТЗП. В контакторном отделении расположены блок контакторный, на котором размещены контактор, элементы схемы форсировки, трансформаторы напряжения, сигнальные лампы, предохранитель. В рабочем положении блок фиксируется двумя болтами и обеспечивает необходимое нажатие стыковых контактов. Для извлечения блока контакторного из оболочки необходимо разнять штепсельные разъемы контрольных цепей, открутить два болта и за скобы выдвинуть блок из контакторного отделения. Внутри, на боковой поверхности оболочки расположены механическая блокировка разъединителя с кнопкой "Стоп" S1, колодка переключения режима работы.

Контактор КТУ-4011 представляет собой цельноблочную конструкцию прямоходового типа, состоящую из основания, контактов и электромагнитной системы. Конструкция контактной рейки контактора обеспечивает возможность регулирования раствора, провала, нажатий и одновременности касания каждого мостика с помощью винта и регулировочных шайб. Регулировка воздушного зазора электромагнитной системы осуществляется с помощью прокладок, установленных под ось. Контактор снабжен кистью вспомогательными контактами.

На раскрывающейся крышке установлены блок максимальной токовой защиты ПМЗ, блок токовой защиты от перегруза ТЗП, блок дистанционного управления БДУ, блок контроля изоляции БКИ. На наружной боковой поверхности оболочки расположены рукоятка привода разъединителя, толкатель кнопки S1 ("Стоп") и поворотный флажок привода кнопок S3 ("Проверка БКИ", Взвод ПМЗ; ТЗП) и S2 (Проверка схемы).

Механическая блокировка выполнена таким образом, что крышку контакторного отделения нельзя открыть при включенном разъединителе и включить разъединитель при открытой крышке контакторного отделения, а также отключить разъединитель при включенном контакторе. Для открывания быстрооткрываемой крышки необходимо: отключить разъединитель, для чего нажать на толкатель привода кнопки "Стоп", установленной на наружной боковой поверхности оболочки, не отпуская ее, повернуть рукоятку привода разъединителя в положение "ОТКЛ.", разблокировать привод замка крышки, специальным ключом повернуть приводной валик быстрооткрывемой крышки в направлении "Откр." Для закрывания крышки и включения разъединителя необходимо все операции выполнить в обратной последовательности.

Электрическая схема пускателя обеспечивает:

защиту от токов короткого замыкания отходящих от пускателя силовых цепей при значениях не более 4000А и световую сигнализацию о срабатывании защиты;

защиту электродвигателя и отходящих от пускателя силовых цепей от токов перегрузок и световую сигнализацию о срабатывании защиты;

защиту от потери управляемости при обрыве или замыкании проводов дистанционного управления между собой и с заземляющей жилой;

защиту при обрыве или увеличении сопротивления заземляющей цепи до величины более 500 м;

нулевую защиту;

защиту от самовключения пускателя при кратковременном повышении напряжения электрической сети до 150% номинального;

электрической блокирование, препятствующее включению пускателя при снижении сопротивления изоляции в отходящей силовойцепи ниже 30кОм, и световую сигнализацию при срабатывании блокировки;

взаимную электрическую блокировку последовательности включения пускателей;

проверку исправности схемы управления и цепи катушки контактора без подачи напряжения на электродвигатель и световую сигнализацию при ее работоспособности;

проверку электрической блокировки контроля изоляции цепи и световую сигнализацию при ее срабатывании;

поверку исправности максимальной токовой защиты и световую сигнализацию при ее срабатывании;

проверку исправности токовой защиты от перегрузки и световую сигнализацию при ее срабатывании;

подключение температурной защиты с размыкающим контактом, встроенной в электродвигатель;

Электрическая схема обеспечивает следующие виды управления:

дистанционное при помощи кнопочных постов управления, встроенных в рабочие машины или установленных отдельно;

дистанционное автоматическое от замыкающего вспомогательного контакта другого пускателя или датчика.

Электрическая схема исключает возможность работы пускателя с несколькими видами управления.

На пускателе, поставляемом со штепсельным выводом к токоприемнику, устанавливается соединитель типа СНЗ.

Схема управления пускателем двухпроводное с использованием заземляющей жилы силового кабеля в качестве провода управления. Однако, при установке пускателя в шахтах с контактной электропроводной откаткой должна применяться трехпроводная схема управления.

Элементы схемы управления размещены в блоке дистанционного управления БДУ. В вынесенный пост управления встраивается диод V и шунтирующий резистор Rмю Схема позволяетя при любом виде управления отключить мускатель встроенной в него кнопкою S1 (Стоп).

Схема управления работает следующим образом:

При включении разъединителя Q от трансформаторов т4, Т3 подается напряжение на блоки управления защиты и выпрямительный мост V1. По цепи R1, катушка реле форсированного К2.1, размыкающий контакт контактора К1.3 протекает ток. Реле К3.1 срабатывает и замыкающим контактором К2.2 шунтирует резистор R2, R3 и подгатавливает цепь включения катушки контактора. При включении кнопки "Пуск" поста управления срабатывает блок БДУ и своим замыкающим контактом К5.2 включает промежуточное реле К3.1. Реле срабатывает и замыкающим контактом К3.2 включает цепь: выпрямительный мост V1, замыкающий контакт К2.2 реле форсировочного, контакт кнопки "Стоп" S1.1, перемычки колодки Х6 , катушку контактора К1.1

Срабатывает контактор К1.1 и размыкает контактом К1.3 цепь реле форсировочного К2.1,которое, размыкаясь, вводит в цепь питание катушки контактора резисторы R2 и R3. в результате ток в катушке контактора снижается до величины тока удержания.

Включенный в цепь управления диод обеспечивает защиту от потери управляемости. При замыкании или обрыве цепи дистанционного управления, исключается из схемы и пускатель отключается.

Конструкцией и электрической схемой предусмотрена проверка исправности схемы управления и цепи катушки контактора без подачи напряжения на электродвигатель путем включения кнопки S2 (Проверка схемы). Если цепь исправлена, загорается сигнальная лампа Н1.

Защиту от токов короткого замыкания отходящих от пускателя силовых цепей осуществляет блок максимальной токовой защиты ПМЗ. При срабатывании максимальной токовой защиты загорается сигнальная лампа Н1.

Защиту электродвигателя и отходящих от пускателя силовых цепей от токовых перегрузок осуществляет блок токовой защиты от перегрузки ТЗП (А2). При срабатывании токовой защиты от перегрузки загорается сигнальная лампа Н2.

Контроль сопротивления изоляции в отходящей от пускателя силовой цепи осуществляет блок контроля изоляции БКИ. При срабатывании устройства контроля изоляции загорается лампа Н2.

5. ОХРАНА ТРУДА

.1 ПРАВИЛА БЕЗОПАСНОСТИ ПРИ ЭКСПЛУАТАЦИИ, ТЕХНИЧЕСКОЕ ОБСЛУЖИВАНИЕ ПРИ ИСПЫТАНИЯХ ШАХТНЫХ СИЛОВЫХ ТРАНСФОРМАТОРОВ И ПЕРЕДВИЖНЫХ ПОДСТАНЦИЙ

Перед спуском в шахту трансформаторов и подстанции производят их внешний осмотр в целях проверки повреждений взрывобезопасных оболочек, исправности рукояток управления, наличия измерительных приборов, наличия болтов и их затяжки, исправности блокировок. После этого проверяют работу разъединителя-выключателя ВН и автоматического выключателя, электромеханическую блокировку разъединителя с автоматическим выключателем, измеряют сопротивление изоляции в цепях ВН и НН. В цепи ВН сопротивление изоляции должно быть не менее 50МОм, а в цепи НН - не ниже 2 МОм. Блок защиты от утечек тока при этом должен быть отключен. Для измерения сопротивления изоляции в цепях ВН применяют мегаомметр на напряжение 2500 В, а в цепях НН - на напряжение 1000 В. После установки трансформаторов и подстанций в камерах к ним подключают кабели ВН и НН, заземляют корпуса оболочек и распределительных устройств. После монтажа трансформатор или подстанцию осматривают, подают напряжение и проверяют их неисправность. Для предотвращения преждевременного износа и непредвиденных отказов осуществляют постоянный контроль за режимами работы трансформаторов и подстанций, а также систематическое техническое обслуживание (ТО): ежесменное (ТО-1), ежесуточное (ТО-2), еженедельное (ТО-3). Кроме того, проводят ежемесячно ремонтное обслуживание (РО), текущие ремонты (Т1 Т2) и при необходимости капитальный ремонт (КР) за срок их службы.

Ежесменное техническое обслуживание (ТО-1) трансформаторных подстанций включает наружный осмотр без снятия напряжения и проверку: исправности заземления, целостности взрывобезо-пасных оболочек и смотровых окон, наличия крепежных болтов, целостности кабельных муфт и подключенных кабелей, исправности рукояток управления, приборов контроля. С помощью соответствующих кнопок проверки устанавливают исправность защиты от токов утечки, проверяют нагрев кожуха, температура которого не должна превышать 80 °С.

Ежесуточное техническое обслуживание подстанций (ТО-2) проводят одновременно с ежесменным осмотром электрооборудования участка.

Кроме объема ежесменного обслуживания в состав работ ТО-2 входит проверка работоспособности автоматического выключателя в РУНН, исправности защиты от токов утечки и других видов защиты. Все работы проводятся без снятия напряжения.

Еженедельное техническое обслуживание (ТО-3) подстанций включает все работы по ежесуточному техническому обслуживанию и, кроме того, проверку работоспособности разъединителя-выключателя ВН и исправности всех блокировок. Техническое обслуживание ТО-3 обычно проводят без снятия напряжения, напряжение снимается только при неисправностях.

Основной целью ежемесячного ремонтного обслуживания (РО) является тщательный осмотр и проверка исправности всех частей и комплектующих элементов подстанции, устранение обнаруженных неисправностей, замена отказавших элементов. Все работы проводятся при снятом напряжении и вскрытых крышках всех оболочек подстанций. Проверяют исправность взрывозащитных поверхностей, при необходимости регулируют подвижные элементы.

При ежемесячном техническом обслуживании проводится полная ревизия как самой подстанции, так и подключенных к ней кабелей заземления, цепей дистанционного управления, а также измеряется сопротивление изоляции. Периодически проверяют величину тока срабатывания максимальной токовой защиты передвижных подстанций, а в подстанциях с НН 1140 В, кроме того, срабатывания защиты блока БЗО-1140.

Согласно "Инструкции по проверке максимальной токовой защиты шахтных аппаратов" проверку максимальной токовой защиты шахтных электроаппаратов производят на всех уставках токовых реле и во всех фазах перед спуском аппаратов в шахту, перед их включением в сеть и в период эксплуатации (не реже одного раза в шесть месяцев для аппаратов напряжением до 1000 В и не реже одного раза в год для аппаратов напряжением выше 1000 В).

Запрещается эксплуатация аппаратов, у которых погрешность срабатывания устройства максимальной токовой защиты превышает ±15 %.

Основные неисправности подстанций и способы их устранения приведены в табл. 5.1.

СПИСОК ИСПОЛЬЗОВАННОЙ ЛИТЕРАТУРЫ

1.       П.Н. Фенченко, Ф.И. Евдокимов, Охрана труда в угольных шахтах, 1987, М.: "Недра"

2.      А.А. Кораблев, И.А. Цетнарский, Справочник подземного электрослесаря, 1985, М.: Недра

.        В.Г. Чуринов, Ф.С. Гавричков, И.А. Цетнарский, Машинист подземных установок, 1982, М.: Недра

.        К.П. Бочаров, Эксплуатация электрооборудования участка шахты, 1982, К.: Технiка

.        Л.П. Поспелов, Основы автоматизации производства, 1988, М.: "Недра"

.        М.И. Мирский, Горная электротехника и основы рудничной автоматики, 1982, М.: "Недра"

.        В.А. Чумаков, Руководство по ревизии, наладке и испытанию подземных электроустановок шахт, 1989, М.: "Недра"


Не нашли материал для своей работы?
Поможем написать уникальную работу
Без плагиата!
Без нейросетей!