Сфагнум (сфагновый мох)
ВВЕДЕНИЕ
В Беларуси единственным нефтегазоносным регионом
является Припятский прогиб, который к настоящему времени, в целом, довольно
хорошо изучен геологическими и геофизическими методами. Здесь в девонских и
верхнепротеразойских отложениях открыто 64 месторождения нефти, включающих 185
залежей.
В настоящее время решать проблему сохранения
уровня или замедления темпов падения добычи нефти становится весьма сложной
задачей из-за ряда неблагоприятных факторов: обводнения скважин, истощения
старых месторождений, сокращения объемов геологоразведочных работ, увеличения
числа бездействующих скважин, рост трудноизвлекаемых запасов, увеличения доли
мелких низкопродуктивных залежей.
Поэтому для сохранения уровня добычи нефти,
кроме известных методов повышения продуктивности пластов, необходимо внедрение
новых методов. Одним из таких методов является бурение горизонтальных скважин.
Данный метод актуален для месторождений
находящихся на поздней стадии разработки, со сложным геологическим строением
залежей, с тяжелой и вязкой нефтью.
Горизонтальные скважины применяют при разработке
плотных слабопроницаемых коллекторов; пластов малой толщины; высокопроницаемых
пластов для снижения градиентов давления и скорости фильтрации в прискваженной
области; литологически неоднородных по площади коллекторов. Также
горизонтальные скважины используются в качестве нагнетательных.
Основные преимущества бурения горизонтальных
скважин заключаются в следующем:
увеличивается область дренирования и поверхность
вскрытия продуктивных пластов, за счет этого снижается фильтрационное
сопротивление в призабойных зонах, что способствует повышению
производительности скважин и нефтеотдачи;
повышается степень извлечения углеводородов из
недр за счет интенсификации перетоков углеводородов из низкопродуктивных зон по
площади и продуктивному разрезу;
повышается степень извлечения жидких
углеводородов за счет повышения эффективности процессов активного воздействия
на пластовые флюиды;
горизонтальное окончание скважин располагают в
пласте выше подошвенной воды, что позволяет продлить период безводной
эксплуатации.
ГЛАВА 1 ГЕОЛОГИЧЕСКОЕ СТРОЕНИЕ
РЕЧИЦКОГО МЕСТОРОЖДЕНИЯ
.1 Общие сведения о месторождении
Речицкое нефтяное месторождение расположено в
Речицком районе Гомельской области Республики Беларусь, 15 км южнее районного
центра г. Речица и 55 км юго-западнее областного центра г. Гомеля. В указанных
городах имеются железнодорожные узловые станции и речные порты. Непосредственно
через месторождение проходит шоссейная дорога Гомель - Калинковичи - Брест. Месторождение
пересекает нефтепровод «Дружба». На примыкающей территории имеется сеть
грунтовых дорог. Из других полезных ископаемых в районе месторождения имеются
подземные воды, торф, каменная соль, строительные материалы (пески,
гравийно-галечные смеси, строительный камень).
Район приурочен к восточной части Полесской
низменности, представляет слегка всхолмленную, заболоченную равнину с
абсолютными отметками 128-138 м над уровнем моря.
Гидрографическая сеть представлена бассейном
р.Днепр и ее притоками. Имеется ряд более мелких естественных водотоков, сеть
осушительных каналов и небольших водоемов.
Впервые Речицкое поднятие выявлено по
поверхности соленосных и подсолевых отложений в 1949 г. Белорусской комплексной
геофизической экспедицией.
Разведочные работы в пределах Речицкой площади
начаты в 1961 г. -БКРБ производится бурение параметрической скв.1 в сводовой
части поднятия по кровле подсолевых отложений. Признаки нефтеносности
обнаружены в керне евлановских, воронежских и пярнуских отложений. В 1962 г. в
южной части Речицкого поднятия начато бурение поисковых скв.2, 3 и 4. В
сентябре 1963 г. в скв.2 впервые на Речицкой площади получен приток нефти из
наровского горизонта. В 1964 г, были заложены глубокие поисковые скв.5, 6, 7, 8
и 9. В результате бурения были получены притоки нефти из межсолевых отложений в
скв.8 и из подсолевых в скв.6. 1 мая 1965 г. Речицкое месторождение введено в
пробную эксплуатацию. С 1967 г. месторождение находится в промышленной
разработке.
1.2 Краткая характеристика
стратиграфии и литологии осадочного разреза месторождения
В геологическом строении Речицкого месторождения
принимают участие архейско-протерозойские породы кристаллического фундамента и
осадочные образования верхнего протерозоя, палеозоя, мезозоя и кайнозоя. По
отношению к региональным соленосным отложениям осадочный разрез разделяется на
ряд толщ:
подсолевая терригенная толща;
подсолевая карбонатная толща;
нижняя соленосная толща;
межсолевая толща;
галитовая и глинисто-галитовая верхнесоленосная
толща;
надсолевая толща.
Подсолевая терригенная толща включает в себя
отложения верхнего протерозоя: витебского, пярнуского, наровского,
старооскольского и ланского горизонтов среднего и верхнего отделов девонской
системы палеозойской эратемы. Породы верхнего протерозоя (РР2) представлены
песчаниками, преимущественно светло-серыми, кварцевыми, слабосцементированными
с редкой крупной галькой. Среди песчаников встречаются прослои глин и
алевролитов. Толщина отложений составляет 10,4 - 33 м.
Отложения эйфельского яруса в составе витебского,
пярнуского- Д2vtb + рг (отложения нерасчленены) и наровского - Д2nr горизонтов
сложены преимущественно песчаниками пестроцветными и серыми с прослоями глин и
алевролитов, вверх по разрезу - переслаивание глин, мергелей доломитовых,
алевролитов и ангидритов. Толщина отложений 56-88 м.
В составе живетского яруса выделяется один
старооскольский горизонт (Д2 st). Отложения распространены повсеместно на
Речицкой площади. Залегают на размытой поверхности наровского горизонта. Нижняя
часть разреза сложена в основном песчаниками и алевролитами с прослоями глин.
Для верхней части разреза характерно частое чередование глин, алевролитов и
песчаников при заметном преобладании глинисто-алевролитовых пород. По всему
разрезу встречаются тонкие прослойки доломитов и доломитовых мергелей. Толщина
от 20 до 87,5 м.
Отложения ланского горизонта относятся к
франскому ярусу (Д3ln) девонской системы. В верхней части разреза ланских
отложений преобладают глины с прослоями песчаников и алевролитов. Песчаники
пестроцветные и светло-серые, иногда полевошпатовые, слюдистые, крепкие,
массивные. Алевролиты обогащены глинистым веществом и чешуйками слюд. Глины
темно-серые, пестроцветные, плотные, крепкие, с ленточной слоистостью,
песчанистые и алевритистые, изредка переходят в глинистые алевролиты. Внизу
залегают песчаники с тонкими прослоями глин. Толщина отложений от 7,5 до 60,5
м.
Подсолевая карбонатная толща несогласно залегает
на терригенной. Разрез ее представлен отложениями саргаевского, семилукского,
речицкого, воронежского горизонтов и кустовницких слоев евлановского горизонта
верхнего отдела девонской системы палеозойской эратемы.
Саргаевский горизонт (Д2sr) распространен
повсеместно. Литологически представлен доломитами, известняками и мергелями,
встречаются прослои сульфатно-карбонатных пород и ангидритов. Доломиты
микрозернистые, глаинистые, известковистые, иногда слоистые, местами доломиты
переходят в доломитовые известняки. Мергели доломитовые и
известково-доломитовые, залегают в виде тонких прослоев среди доломитов и известняков.
Глины доломитовые. Глинистое вещество часто битуминизировано. Толщина отложений
достигает 44 м.
Породы семилукского горизонта (Д3sm) залегают
согласно на отложениях саргаевского горизонта. Представлены доломитами и
известняками. Известняки серые, часто доломитистые. Доломиты микро- и
мелкокристаллические, сильно трещиноватые и кавернозные. Как в известняках, так
и в доломитах наблюдается примесь глинистого вещества, пирита. Изредка среди
глинистых известняков и доломитов встречаются тонкие прослойки глин. Толщина
семилукского горизонта 10-29 м.
Отложения речицкого горизонта (Д3rch)
представлены глинисто-карбонатными породами, среди которых преобладают
глинистые. Мергели зеленовато-серые, микрозернистые, массивные, плотные с
прослоями алевролитов и доломитов. Глины серовато-зеленые, коричневато-бурые,
аргиллитоподобные, в верхней части горизонта доломитистые, внизу
-известковистые. Толщина горизонта в среднем 27 м.
Отложения воронежского горизонта (Д3vr) залегают
в размытой поверхности речицкого горизонта.
По литологическим и фаунистическим особенностям
воронежский горизонт делится на стреличевские и птичские слои.
Стреличевские отложения имеют
глинисто-мергельный состав - сложены в основном глинами с мергелями с
подчиненными прослоями известняков и доломитов.
Глины карбонатные с примесью кристаллов
доломитов. Зеленовато-серые, коричневые, пестроцветные. Мергели обычно
доломитизированные, массивные и слоистые. Известняки играют второстепенную
роль. По типу пород известняки хемогенные, неравномерно кристаллические.
Доломиты микрозернистые, редко разнозернистые.
Птичские отложения сложены преимущественно
карбонатно-сульфатными породами с подчиненными прослоями песчаников и глин.
Известняки органогенные, иногда доломитизированные, чистые и с небольшой примесью
глинистого материала, массивные, трещиноватые. Окраска известняков от
светло-серых до темно-серых.
Доломиты известковистые, глинистые, тонко- и
мелкозернистые, серые и зеленовато-серые. Мергели темно-серые до черных и
зеленовато-серые. Верхняя часть подгоризонта очень неоднородна, сложена
преимущественно известняками, доломитами, мергелями и аргиллитами, присутствуют
прослои ангидрита. Во всех породах встречаются зерна кварца, полевого шпата.
Толщина горизонта от 60 до 108 м.
Евлановские отложения (Д3ev) представлены
чередующимися прослоями глинистых известняков, доломитов, карбонатных глин,
сульфатно-карбонатных, мергельных, глинисто-карбонатных и
глинисто-сульфатно-мергельных пород.
По литологическим особенностям в разрезе
выделяются две пачки: нижняя - кустовницкие слои - представленная чередующимися
обогащенными сульфатами известняками, доломитами, мергелями, ангидритами, и
верхняя - анисимовские слои, которая залегает в основании нижней соленосной
толщи и в отличие от нижней пачки в ее разрезе преобладает каменная соль.
Содержит прослои аргиллитов, мергелей, вследствие чего разрез ее более
глинистый. Кроме этого отмечаются зерна кварца, полевых шпатов, чешуек слюды. В
большом количестве присутствует пирит, обугленные остатки растений.
Ливенский горизонт (Д3lv) залегает несогласно на
отложениях евлановского горизонта. Верхняя граница его размыта и проводится по
подошве глинистой пачки домановичского горизонта.
Нижняя соленосная толща включает литологические
ливенские отложения, представленные каменной солью с прослоями
терригенно-карбонатных пород - известняков, доломитов, мергелей, глин,
ангидритов.
Структура соли разнозернистая с отдельными более
мелкими зернами галита, наблюдаются участки, где развиты зерна - гиганты. Соль
часто в значительной степени перекристаллизованная. Средняя толщина отложений
360 м.
Межсолевая толща сложена породами
домановичского, задонского, елецкого и петриковского горизонтов.
Породы домановичского горизонта (Д3dm) залегают
на размытой поверхности соленосной толщи ливенского горизонта. Литологически
сложен в основном мергелями, содержащими прослои глинистых, часто
доломитизированных известняков, а также глин и ангидритов.
Мергели серые и темно-серые, почти черные,
сложенные микрозернистым кальцитом, реже доломитом в различной степени
перекристаллизованным глинистым веществом. Среди мергелей выделяются разности
доломитисто-известковые и известково- доломитовые. Во всех породах встречается
вулканическое стекло, присутствуют органические остатки. Толщина горизонта в
среднем составляет 22,5 м.
В разрезе задонского горизонта преобладают
известняки, доломиты. Известняки серые, прослоями водорослевые, участками
переходящие в доломиты. Встречаются прослои известняков глинистых. Доломиты
серые, тонкозернистые, массивные, крепкие, кавернозные, пористые. Встречаются
значительные по толщине прослои мергелей темно-серых, тонкозернистых,
слабоангидритизированных.
Отложения елецкого горизонта литологачески
представлены доломитами, мергелями, известняками. Доломиты серые, микро- и
мелкозернистые, неравномерно-глинистые, пористые, массивные. Мергели
темно-серые, известково-доломитовые, ленточно-слоистые, плотные. Известняки
светло-серые, часто глинистые до мергелей, ангидритизированные, плотные,
крепкие.
Петриковский горизонт (Д3ptr) сложен известняками
и мергелями, среди которых встречаются тонкие прослои глин.
Известняки серого цвета, глинистые, плотные,
крепкие, слоистые, обычно доломитовые, пористые, трещиноватые. В большом
количестве встречается пирит, обуглившиеся остатки растений. Мергели темно-серые,
доломитовые и известково-доломитовые, слоистые, плотные, крепкие, участками
пористые, трещиноватые. Часто содержат кристаллы доломита, обломки раковин,
много пирита и обуглившихся остатков растении. Глины присутствуют в виде тонких
прослоек, чередующихся с карбонатными породами. Толщина горизонта изменяется от
6 до 32 м.
Верхнесоленосная толща состоит из галитовой и
глинисто-галитовой верхнесоленосных толщ, включающих в себя отложения
лебедянского, стрешинского, оресского и полесского горизонтов (Д3lb + Д3or +
str + Д3pl1). В основании галитовой толщи залегают породы лебедянского
горизонта, представленные каменной солью серого и светло-серого до белого
цвета. Реже встречается желтая, бурая и оранжевая, массивная, слоистая, часто с
примесью глинистого материала, гипса, ангидрита, кальцита. Несолевые породы,
залегающие в толще соли в виде прослоев и линз, представлены известняками,
мергелями, ангидритами, туфами.
Глинисто-галитовая толща отличается от галитовой
значительно большим количеством прослоев несолевых пород. Широко развита на
погруженных участках структуры. Представлена каменной солью со множеством
прослоев несолевых пород. Верхняя часть глинисто-галитовой толщи - отложения
полесского горизонта - представляет собой переслаивание каменной соли и глин,
вверху - песчаники, алевритистые глины, мергели, доломиты.
Общая толщина галитовой и глинисто-галитовой
толщи изменяется в широких пределах - от 70 до 2096 м.
Надсолевая толща сложена породами
каменноугольной системы, частично отложениями полесского горизонта, пермской
системы палеозойской эратемы, триасовой, юрской и меловой систем мезозойской
эратемы, палеогеновой, неогеновой и антропогенной систем кайнозойской эратемы.
Породы представлены терригенно-карбонатными образованиями-глинами, алевролитами,
песчаниками, гравелитами, кварцево-глауконитовыми песками, мергельно-меловыми
породами. Средняя толщина надсолевой толщи 1100 м.
1.3 Тектоническая характеристика
продуктивных горизонтов
В тектоническом отношении Речицкое месторождение
расположено в пределах гребня Речицко-Вишанской ступени Припятской впадины.
Спроение различных стратиграфических комплексов
месторождения установлено по данным сейсморазведки, поисково-разведочного и
эксплуатационного бурения.
Кристаллический фундамент на Речником месторождении
залегает на глубинах 2800-ЗЗООм, его поверхность моноклинально погружается в
северном направлении от Речицкого субрегионального разлома под углом 8-9°.
По поверхности подсолевых терригенных отложений
Речицкая структура представляет собой моноклиналь с северо-восточным падением
пород, разбитую поперечными сбросами на три крупных блока. Последние в свою
очередь осложнены рядом малоамплитудных разломов. С юга структура ограничена
Речицким региональным разломом амплитудой до 3000 м.
По межсолевым отложениям структура представляет
собой брахиантиклинальную складку субширотного простирания, на юге, вдоль
регионального сброса, зоной отсутствия межсолевых отложений. Амплитуда складки
по изогипсе минус 2400 м более 600 м, длина склада около 23 км.
По поверхности верхней соленосной толщи Речицкая
структура представляет собой резко ассиметричную брахиантиклиналь длиной около
12 км, шириной 2,5 - 4,0 км, амплитудой до 800 м. По надсолевым девонским и
каменноугольным отложениям амплитуды поднятий постепенно уменьшаются, хотя
структурные планы этих отложений близки. В пределах вершины соляного купола
отложения надсолевого девона и карбона выклиниваются. Пермские и
мезокайнозойские отложения залегают практически горизонтально.
Структурный план поверхности верхнепротерозойских
отложений в целом соответствует таковому по поверхности подсолевого
терригенного комплекса и кристаллического фундамента.
Поверхность верхнепротерозойских отложений на
Речицком месторождении моноклинально понижается в северном направлении от отметок
минус 2600 м до минус 3400 м.
Зона отсутствия перспективных отложений в
центральной части структуры (район скважин №№ 249,7, 91, 11-Речицкие),
позволяет выделить два участка распространения вендских отложений - западный
(район скв.240) и восточный (район скв.2), разделенные в свою очередь
разрывными нарушениями на тектонические блоки.
Контур зоны отсутствия верхнепротерозойских
отложений прогнозируется исходя из данных бурения и характера распределения
толщин подсолевого терригенного комплекса в целом и отдельных его горизонтов.
Западный участок разрывным нарушением
северо-западного простирания, амплитудой 60 м, разделен на два блока (I и II).
Блок I простирается с северо-запада на юго-восток и имеет линейную форму. Он
ограничен с юго-запада Речицким разломом, с северо-востока - малоамплитудным
(около 20 м) разломом, параллельным Речицкому, и разломом, разделяющим I и II
блоки.
Блок II имеет треугольную форму и ограничен с
востока зоной отсутствия верхнепротерозойских отложений.
Блок II залегает гипсометрически выше блока L,
минимальные отметки перспективных отложений в блоке I составляют минус 2660 м,
в блоке II минус 2600 м.
Восточный участок разделен субмеридиональным
сбросом, амплитудой 0-70 м на блоки III и IV. Абсолютные отметки поверхности
верхненротерозойских отложений в вершинах блоков составляют соответственно
минус 2830 м и минус 2760 м. Относительно приподнятым является блок IV.
1.4 Нефтегазоносность
Речицкое месторождение расположено в
северо-восточной части Припятского прогиба в пределах Речицко-Вишанской зоны
нефтегазонакопления.
Промышленная нефтегазоносность Речицкого
месторождения связана с терригенными коллекторами верхнего протерозоя,
старооскольского + ланского горизонтов и карбонатными коллекторами семилукских,
воронежских (стреличевские слои), задонских - елецких - петриковских (I-III;
IV; VIII+IX пачки) отложений.
Ниже приводится подробное описание каждого
продуктивного нефтегазоносного горизонта.
Вендский комплекс верхнего протерозоя
При испытании в открытом стволе верхнепротерозойских
отложений (интервал 2886 - 2915 м) получен приток бурового раствора с нефтью и
газом, дебитом 7,3 - 10,8 м3/сут. При испытании в эксплуатационной колонне
интервала 2925 - 2942 м, получен приток сильногазированной нефти дебитом 18
м3/сут на 2 мм штуцере. Пластовое давление на глубине 2900 м составляет 28,49
МПа.
Коллектора представлены песчаниками с примесью
гравийного материала. Крупнозернистые и гравелитовые разности хорошо
отсортированные с цементом соприкосновения и глинистым пленочным, нефтенасыщенные.
На изученных участках толщина отложений колеблется от 10 м до 35 м, уменьшаясь
к южной части Речицкой площади, что связано с выклиниванием песчаных пачек в
разрезе.
В верхнепротерозойских отложениях выделяются 13
нефтенасыщенных пластов - коллекторов, суммарной толщиной 18,4 м.
Тип коллектора - поровый.
Залежь пластовая, ограниченная с юга
региональным разломом, с востока - зоной отсутствия отложений, с севера и
запада - ВНК, предположительно на отметке минус 2780 м.
Режим - ограниченно-водонапорный.
Наровский горизонт
Из отложений наровского горизонта в 1963 - 1964
гг. получен единичный непромышленный приток вязкой нефти в скв.2, дебитом
1,0-1,5 м3/сут. Последующими испытаниями скважин 16, 19 нефтеносность указанных
отложений не подтверждена. Как объект подсчета наровский горизонт не
рассматривается.
Старооскольский + ланский горизонты
Вскрыт на отметках - 2424 - 4678 м.
Цитологически коллектор представлен
преимущественно кварцевыми мелкозернистыми песчаниками и алевролитами,
содержащими редкие, тонкие прослои глин, доломитов и мергелей. Нефтенасыщенные
толщи наблюдаются от 2,2 до 15,8 м. Тип коллектора: порово-трещинный.
Залежь пластовая, ограниченная с юга
региональным тектоническим разломом, с востока и севера - контуром
нефтеносности, с запада - зоной отсутствия коллектора.
Значение ВНК условно принято на отметке подошвы
нижнего нефтенасыщенного интервала минус 2625 м.
Размеры залежи: длина - 6,0 км, ширина - 1,2 км,
высота - 158 м.
Режим - ограниченно-водонапорный.
Саргаевский горизонт
Вскрыт на отметках - 2383 - 3094 м.
Коллекторами нефти являются трещиноватые,
кавернозные известняки и доломиты.
Тип коллектора порово-кавернозно-трещинный.
Саргаевская залежь представлена тремя полями,
тектонически ограниченная с юга и литологически (зона отсутствия коллектора) с
востока, запада и севера.
Залежь пластовая, литологически и тектонически
ограниченная.
Размеры залежи: длина - 7,9 км, ширина - 1,7 км,
высота порядка 216 м.
Семилукский горизонт
Вскрыт на отметках - 2400 - 4385 м.
Коллекторами являются известняки и доломиты
пористые, кавернозные, трещиноватые. Каверны достигают в диаметре от 0,1 мм до
0,1см. Чаще всего каверны и поры заполнены нефтью. Трещины ориентированы в
различных направлениях, выполнены кальцитом.
Нефтенасыщенные толщины изменяются от 1,2 до 24
м.
Тип коллектора: каверново-порово-трещинный.
Залежь пластовая, тектонически экранированная с
юга, запада и востока. Северной границей служит контур нефтеносности.
Размеры залежи: длина - 16,2 км, ширина - 2,8
км, высота - 409 м.
Режим залежи ограниченно-водонапорный.
Воронежский горизонт
Вскрыт на глубинах 2479 м (-2281,3 м) - 3087 м
(-2943 м).
В воронежских отложениях выделяются две залежи:
птичская (vr I) и стреличевская (vr II), запасы которых относятся
соответственно к категориям С2и А.
Коллекторами нефти являются преимущественно
известняки хемогенные, кавернозные, трещиноватые, органогенные, иногда с
примесью глинистого вещества. Тип коллектора - порово-каверново-трещинный.
Залежи практически совпадают в плане, пластовые,
тектонически экранированные: с юга - региональным сбросом, с запада и востока
-малоамплитудными тектоническими нарушениями. Северной границей служит контур
нефтеносности, проведенный на отметке ВНК-2797 м. Залежи характеризуются
высокой степенью неоднородности коллекторских свойств по толщине и площади.
Размеры залежи: длина -13,6 км, ширина - 3,0 км,
высота - 491 м. Режим восточного участка залежи упруго-водонапорныый со слабой
активностью законтурных вод, остальной части - упруго-замкнутый.
Межсолевые отложения Залежь VIII+IX пачек
задонско-елецкого горизонта
Вскрыта на глубинах от 2004 до 2530 м.
Коллекторами нефти являются известняки и
доломиты в различной степени доломитизированные, пористые, кавернозные,
трещиноватые.
Тип коллектора порово-каверново-трещинный.
Нефтенасыщенные толщины изменяются от 1,2 до
46,4 м, водонасыщенные - 3,6-38,8 м.
Залежь пластовая, сводовая, стратиграфически
ограниченная с юга (зона отсутствия межсолевых отложений). На севере,
северо-западе и юго-востоке границей залежи служит контур нефтеносности,
проведенный по средней линии ВНК=-2088 м.
Размеры залежи: длина - 9,2км, ширина - 2,0 км,
высота - 213 м.
Режим залежи упруго-водонапорный со слабой
активностью законтурных вод.
Залежь V-VII пачек задонско-елецкого горизонта.
Вскрыта на отметках-1817 - 2295,5 м.
Коллекторами нефти являются известняки и
доломиты в различной степени доломитизированные, пористые, кавернозные,
трещиноватые.
Тип коллектора: порово-каверново-трещинный.
Отложения V-VII пачек относятся к категориям С2.
Залежь пластовая, сводовая, стратиграфически
экранированная с юга и запада (зона отсутствия межсолевых отложений), с севера
и востока ограничена контуром нефтеносности (ВНК=-2088 м).
Размеры залежи: длина - 10,5 км, ширина - 2,2
км, высота - 227 м.
Залежь IV пачки задонско-елецкого горизонта
Вскрыта на глубинах 1918 - 2172 м.
Нефгевмещаюшими породами служат пористые,
трещиноватые, кавернозные известняки и доломиты.
Тип коллектора: порово-каверново-трещшшьш.
Эффективные толщины изменяются от 1,2 м до 18,2
м.
Залежь пластовая, сводовая, стратиграфически
экранированная с юга и запада (зона отсутствия межсолевых отложений), с севера
и востока-контуром нефтеносности (по отметке ВНК=-2088 м).
Размеры залежи: длина - 11,7 км, ширина - 2,7
км, высота - 305 м.
Залежь I - III пачек задонско-елецкого
горизонта.
Вскрыта на глубинах 1859,2 - 4727 м.
На Речицкой площади по материалам геофизических
исследований скважин выделены эффективные толщины в пределах 0,8 - 32 м.
Отложения I-III пачек относятся к категориям C1
и C2.
Залежь представлена тремя полями, вытянутыми
вдоль зоны отсутствия межсолевых отложений, являющейся их южной границей. С
севера, запада и востока границей нефтеносности служит зона отсутствия
коллектора. Залежь пластовая, стратиграфически и литологически ограниченная.
Размеры залежи: длина - 11,7км, ширина - 2 км,
высота - 224 м.
Нефтевмещающими породами служат пористые,
трещиноватые и кавернозные известняки и доломиты.
Тип коллектора: порово-каверново-трещинный.
Данные по подсчету и пересчету запасов нефти
приведены в таблице 1.1.
Таблица 1.1 - Запасы нефти Речицкого
месторождения
|
Горизонт
|
Кате-гория
|
Начальные
запасы, у.е.
|
Добыто
с начала эксплуата-ции, у.е.
|
Остаточные
запасы, у.е.
|
|
|
Геоло-гичес-кие
|
Извле-ка-
емые
|
|
Геоло-гичес-кие
|
Извле-ка-
емые
|
|
Задонский
IV п.
|
А
|
11956
|
5022
|
4316
|
7690
|
204
|
|
Задонский
V п.
|
С2
|
266
|
363
|
|
2266
|
363
|
|
Задонский
VIIIп.
|
А
|
13195
|
4750
|
3707
|
9488
|
1043
|
|
Итого:
Задонский
|
А
|
25151
|
9772
|
7501
|
17650
|
2271
|
|
Воронежский,IIп.
|
А
|
3196
|
1278
|
|
|
|
|
С1
|
1426
|
570
|
|
|
|
|
Воронежский
I п.
|
С1
|
1404
|
562
|
|
|
|
|
С2
|
3877
|
1551
|
|
3877
|
1551
|
|
Итого:
Воронежский
|
А
|
3196
|
1278
|
608
|
2588
|
670
|
|
С1
|
2830
|
1132
|
173
|
2657
|
959
|
|
А+С1
|
6026
|
2410
|
781
|
5245
|
1629
|
|
С2
|
3877
|
1221
|
|
3877
|
1551
|
|
Семилукский
|
А
|
30936
|
19491
|
18085
|
12851
|
1406
|
|
Пашийский
(ланский)
|
С1
|
2782
|
835
|
259
|
2523
|
576
|
|
Вендский
комплекс I б. II б.
|
С1
|
1002
|
436
|
21
|
981
|
415
|
|
С1
|
1377
|
599
|
18
|
1359
|
581
|
|
Итого:
Вендский
|
С1
|
2379
|
1035
|
39
|
2340
|
996
|
|
Всего:
|
А+С1
|
67274
|
33543
|
26432
|
40842
|
7111
|
|
С2
|
6143
|
1914
|
|
6143
|
1914
|
|
Елецкий
(забалансовые)
|
С1
|
3834
|
767
|
|
3834
|
767
|
ГЛАВА 2. ПРОЕКТ СТРОИТЕЛЬСТВА
ЭКСПЛУТАЦИОННОЙ СКВАЖИНЫ №269 РЕЧИЦКОГО МЕСТОРОЖДЕНИЯ
.1 Конструкция скважины
Успешная проводка и заканчивание скважин в
значительной степени зависят от правильного выбора их конструкции,
обеспечивающей разделение зон, характеризующихся несовместимыми условиями
бурения, различными режимами бурения с соответствующими буровыми растворами.
Под конструкцией скважины понимают совокупность
данных о количестве, диаметрах и глубинах спуска обсадных колонн, диаметрах
ствола скважины и интервалах цементирования для каждой из них.
2.1.1 Назначение и виды обсадных
колонн
Конструкцию скважины следует выбирать с учётом
глубины залегания нефтяных пластов, давления в них, характера разбуриваемых
пород, наличия возможных осложнений при бурении скважины, условий эксплуатации,
а также возможности проведения ремонтных работ.
Конструкция скважины должна быть прочной и
обеспечивать изоляцию продуктивных пластов, минимальные затраты средств на
разведку и разработку месторождения, достижения необходимого режима
эксплуатации, максимальное использование пластовой энергии для транспортировки
добываемых нефти и газа, доведения скважин до проективной глубины.
При бурении скважин на нефть и газ их стволы
должны быть закреплены обсадными колонами. В настоящее время используется
несколько типов обсадных колонн:
Направление - первая колонна труб или одна
труба, предназначенная для закрепления приустьевой части скважин от размыва
буровым раствором и обрушения, а также для обеспечения циркуляции жидкости.
Обычно направление спускают в заблаговременно подготовленную шахту или скважину
и бетонируют на всю длину.
Кондуктор - колонна обсадных труб,
предназначенная для разобщения верхнего интервала разреза горных пород,
изоляции пресноводных горизонтов от загрязнения, монтажа противовыбросового
оборудования и подвески последующих обсадных колонн.
Промежуточная колонна - колонна служит для
разобщения несовместимых по условиям бурения зон при углублении скважины до
намеченных глубин. Промежуточные обсадные колонны могут быть следующих видов:
сплошные - перекрывающие весь ствол скважины от
забоя до ее устья независимо от крепления предыдущего интервала;
хвостовики - для крепления только не обсаженного
интервала скважины с перекрытием предыдущей обсадной колонны на некоторую
величину;
летучки - специальные промежуточные обсадные
колонны, служащие только для перекрытия интервала осложнений и не имеющие связи
с предыдущими или последующими обсадными колоннами;
эксплуатационная колонна - последняя колонна
обсадных труб, которой крепят скважину для разобщения продуктивных горизонтов
от остальных пород и добычи из пласта нефти или газа или, наоборот, для
нагнетания в пласт жидкости или газа.
Секционный спуск обсадных колонн и крепление
скважин хвостовиком являются, во-первых, практическим решением проблемы спуска
тяжелых обсадных колонн и, во-вторых, решением задачи по упрощению конструкции
скважин, уменьшению диаметра обсадных труб, а также зазоров между колоннами и
стенками скважины, сокращению расхода металла и тампонирующих материалов,
снижению стоимости буровых работ и сокращению сроков строительства скважин.
2.1.2 Основные факторы для
разработки конструкции скважины
Разработка конструкции скважины базируется на
следующих основных геологических и технико-экономических факторах:
геологические особенности залегания горных
пород, их физико-механическая характеристика, наличие флюидосодержащих
горизонтов, пластовые температуры и давления, а также давление гидроразрыва
проходимых пород;
назначение и цель бурения скважины;
предполагаемый метод заканчивания скважины;
способ бурения скважины;
уровень организации техники, технологии бурения
и геологическая изученность района буровых работ;
уровень квалификации буровой бригады и
организация материально-технического обеспечения;
способы и техника освоения, эксплуатации и
ремонта скважины.
К объективным геологическим факторам относятся
предполагаемая и фактическая стратиграфия и тектоника разреза, мощность пород с
различной проницаемостью, прочностью, пористостью, наличие флюидосодержащих
пород и пластовые давления. Они определяют принципы проектирования.
Геологическое строение разреза горных пород при
проектировании конструкции скважин учитывается как фактор неизменный.
В процессе разработки залежи ее первоначальные
пластовые характеристики будут изменяться, так как на пластовые давления и
температуру влияют продолжительность эксплуатации, темпы отбора флюидов,
способы интенсификации добычи и поддержания пластовых давлений, использование
новых видов воздействия на продуктивные горизонты с целью более полного
извлечения нефти и газа из недр. Поэтому эти факторы необходимо учитывать при
проектировании конструкции скважин.
Конструкция скважин должна отвечать условиям
охраны окружающей среды и исключать возможное загрязнение пластовых вод и
межпластовые перетоки флюидов не только при бурении и эксплуатации, но и после
окончания работ и ликвидации скважины. Поэтому необходимо обеспечивать условия
для качественного и эффективного разобщения пластов. Это один из главнейших
факторов.
Все технико-экономические зависят от уровня и
степени совершенствования всех форм организации, техники и технологии буровых
работ в совокупности. Эти факторы влияют на выбор конструкции скважин,
позволяют ее упростить, однако не являются определяющими при проектировании.
Они изменяются в широких пределах и зависят от исполнителей работ.
Простая конструкция (кондуктор и
эксплуатационная колонна) не во всех случаях является рациональной. В первую
очередь это относится к глубоким скважинам (4000 м и более), вскрывающим
комплекс разнообразных отложений, в которых возникают различные, иногда
диаметрально противоположные по характеру и природе осложнения.
Следовательно, рациональной можно назвать такую
конструкцию, которая соответствует геологическим условиям бурения, учитывает
назначение скважины и другие, отмеченные выше факторы и создает условия для
бурения интервалов между креплениями в наиболее сжатые сроки. Последнее условие
является принципиальным, так как практика буровых работ четко подтверждает, что
чем меньше времени затрачивается на бурение интервала ствола между креплениями,
тем меньше количество и тяжесть возникающих осложнений и ниже стоимость
проводки скважины.
2.1.3 Описание конструкции скважины
Выбор конструкции скважины - основной этап её
проектирования и должен обеспечить высокое качество строительства скважины как
долговременно эксплуатируемого сложного нефтепромыслового объекта,
предотвращение аварий и осложнений в процессе бурения и создания условий для
снижения затрат времени и материально - технических средств на бурение.
Конструкция скважины должна обеспечить:
Безусловное доведение скважины до проектной
глубины;
Осуществление заданных способов вскрытия
продуктивных горизонтов и методов их эксплуатации.
Особое внимание должно быть обращено на
конструкцию забоя. Под конструкцией забоя понимается:
Сочетание элементов конструкции скважины в
интервале продуктивного объекта;
Обеспечение устойчивости ствола;
Разобщение напорных горизонтов;
Проведение технико-технологических воздействий
на пласт;
Ремонтно-изоляционные работы;
Длительная эксплуатация скважин с оптимальным
дебитом;
Количество обсадных колонн, необходимых для
обеспечения перечисленных требований, проектируется, исходя из несовместимости
условий бурения отдельных интервалов скважины. Под несовместимостью условий
бурения понимается такое их сочетание, когда заданные параметры технологических
процессов бурения нижележащего интервала скважины вызовут осложнения в
пробуренном вышележащем интервале, если последний не закреплён обсадной
колонной, а проведение дополнительных специальных технологических мероприятий
по предотвращению этих осложнений невозможно.
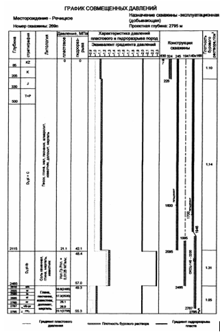
Конструкция скважины № 269 Речицкого
месторождения представлена в таблице 2.1.
Таблица 2.1 - Конструкция скважины
|
Номер
колонны в порядке спуска
|
Название
колонны
|
Интервал
по стволу скважины
|
Номинальный
диаметр ствола скв. (долота) в инт-ле, мм
|
Назначение
спускаемой колонны
|
|
|
От
(верх)
|
До
(низ)
|
|
|
|
1
|
Кондуктор
D 324 мм
|
0
|
225
|
444,5
|
Перекрытие
водоносных горизонтов
|
|
2
|
Промежуточная
D245мм
|
0
|
2095
|
295,3
|
Перекрытие
надсолевого комплекса
|
|
3
|
Потайная
D 194 мм
|
1995
|
2485
|
215,9
|
Перекрытие
не совместимых зон по условиям бурения
|
|
4
|
Эксплуатационная
D140х168 мм
|
0
1995 2485
|
1995
2485 2874
|
225,0
175,0 165,1
|
Перекрытие
части подсолевых отложений. Последующая эксплуатация продуктивных горизонтов
|
Открытый
ствол
|
2874
|
3046
|
114,3
|
|
2.2 Профиль ствола скважины
.2.1 Общие сведения
Профиль горизонтальной скважины состоит из двух
сопряженных между собой частей: направляющей части и горизонтального участка.
Под направляющей частью профиля следует понимать
часть ствола скважины от ее устья до точки с заданными координатами на кровле
или непосредственно в самом продуктивном пласте, являющемся началом
горизонтального участка.
При проводке направляющей части горизонтальной
скважины необходимо на проектной глубине вывести ствол скважины не только в
точку с заданными координатами, но и, что очень важно для дальнейшей проводки
горизонтального участка, под заданным углом.
Так как горизонтальный участок предназначен для
продольного вскрытия продуктивного пласта, который может иметь различную форму
и структуру, то, в свою очередь, горизонтальный участок профиля должен иметь
соответствующую геометрию.
Рис. 2.1 - Схемы горизонтальных скважин с
большим (>190 м), средним (60-190м) и малым (10-30 м) радиусом кривизны
При проектировании горизонтальных скважин
необходимо использовать J-образный тип профиля.
По величине радиуса кривизны ствола различают
три типа профиля горизонтальной скважины с (рис. 2.1):
большим радиусом кривизны;
средним радиусом кривизны;
малым радиусом кривизны.
Горизонтальные скважины с большим (более 190 м)
радиусом кривизны могут быть реализованы при кустовом способе бурения на суше и
на море, а также при бурении отдельных скважин с большим отклонением от
вертикали при длине горизонтального участка 600-1500 м.
При строительстве данных скважин используется
стандартная техника и технология наклонно направленного бурения, позволяющая
получать максимальную интенсивность искривления i = 0,7 - 2,0° на 10 м
проходки.
Горизонтальные скважины со средним радиусом
кривизны применяются при бурении как одиночных скважин, так и для
восстановления продуктивности эксплуатационных скважин. При этом максимальная
интенсивность искривления скважины находится в пределах от 3 до 10 градус/10 м
(радиус 60-190 м) при длине горизонтального участка 450-900 м. Горизонтальные
скважины, выполняемые по среднему радиусу, наиболее экономичны, так как имеют
значительно меньшую длину ствола (по сравнению со скважинами с большим
радиусом), а также обеспечивают более точное попадание ствола в заданную точку
на поверхности продуктивного горизонта, что особенно важно для разбуривания
маломощных нефтяных и газовых пластов.
Горизонтальные скважины с малым радиусом
кривизны успешно используются при разбуривании месторождений, находящихся на поздней
стадии эксплуатации, а также для бурения ствола скважины из вырезанного участка
эксплуатационной колонны. Профиль скважины с коротким радиусом искривления,
позволяет разместить насосное оборудование в вертикальном участке скважины и
обеспечить наибольшую точность попадания ее ствола в заданную точку поверхности
продуктивного горизонта. При этом радиус кривизны ствола скважины составляет
10-30 м (интенсивность 1,1-2,5° на 1 м) при длине горизонтального участка
90-250 м.
С уменьшением радиуса кривизны ухудшаются
условия работы труб в скважине, снижается вероятность прохождения в скважину
забойных двигателей, геофизической аппаратуры и обсадных труб. Если скважины с
большим радиусом кривизны можно бурить с применением обычных забойных
двигателей и бурильных труб, то при бурении скважин по среднему радиусу в
компоновку низа бурильной колонны включают специальные трубы и укороченный
двигатель. Проводка скважин с коротким и ультракоротким радиусом (менее 10 м)
кривизны также невозможна без специальных бурильных труб и инструмента.
2.2.2 Выбор и проектирование профиля
горизонтальной скважины
Большое разнообразие геолого-технических условий
эксплуатации нефтяных месторождений, различное состояние их разработки требуют
индивидуального подхода к проектированию горизонтальных скважин даже в пределах
одного месторождения или площади.
Основной целью бурения горизонтальной скважины
является не пересечение продуктивного пласта в поперечном направлении, как при
наклонном бурении, а вскрытие нефтегазосодержащей части пласта продольным
стволом. Поэтому проектирование горизонтальной скважины целесообразно начинать
с определения протяженности, формы и направления горизонтального участка
скважины.
Указанные параметры зависят от степени
неоднородности продуктивного пласта, его мощности и литологии, распределения
горной породы по твердости и устойчивости разреза.
Геологическая характеристика разреза должна
давать полное представление о следующем:
возможность заканчивания скважины без разобщения
и изоляции нижней части разреза, включая продуктивный пласт;
наличие интервалов устойчивых пород и их
мощность;
литологический состав, характер и степень
фациальных изменений пород продуктивного пласта и вышележащих пластов;
углы наклона пласта и его мощность.
Эксплуатационная характеристика пласта должна
включать:
запасы нефти, добыча которых вертикальными или
наклонными скважинами затруднена или практически невозможна;
пластовое давление;
состояние разработки залежи;
режим работы пласта;
способы эксплуатации и предполагаемая частота,
причины и характер ремонтов;
эффективность других методов интенсификации
добычи и методов увеличения нефтеотдачи.
Направляющая часть профиля горизонтальной
скважины проектируется с учетом прежде всего реализации запланированных
параметров горизонтального участка в намеченном месте продуктивного пласта с
использованием современных технических средств и технологии.
Геометрия направляющей части профиля
горизонтальной скважины зависит от следующих факторов:
горно-геологических условий бурения, структуры и
литологии горных пород, расположенных непосредственно над вскрываемым
продуктивным пластом;
конструкции скважины;
протяженности горизонтального участка;
статического уровня пласта;
мощности продуктивного пласта;
возможности применения существующей технологии
горизонтального бурения.
При проектировании горизонтальных скважин
используются профили с большим, средним, коротким и ультракоротким радиусами
кривизны, а также комбинированный профиль.
Скважины с горизонтальным участком
протяженностью свыше 500 м в целях снижения сил сопротивления при перемещении
бурового инструмента в скважине, а также создания достаточной нагрузки на
долото целесообразно проектировать с большим радиусом кривизны. При этом
используются профили 1, 2 и 5 (рис. 2.2).
Рис. 2.2 - Профили горизонтальных скважин
Проводка отдельных участков профиля 3 или 5
горизонтальных скважин может осуществляться неориентированно, т.е. с
применением КНБК, что существенно упрощает технологию бурения таких скважин и
сокращает время на проведение инклинометрических работ. Однако КНБК могут
использоваться только при бурении таких горных пород, в которых обеспечивается
надежная их работа в части устойчивости на проектной траектории. Это следует
учитывать при проектировании горизонтальных скважин с большим радиусом
кривизны.
Для проектирования со средним радиусом кривизны
используются преимущественно профили 1, 2, 3, реже 4 и 5 (см. рис.2.2).
При проектировании горизонтальной скважины со
средним радиусом кривизны проектную интенсивность увеличения зенитного угла
принимают на 10-20% меньше максимальной интенсивности увеличения зенитного
угла, обеспечиваемой имеющимся в распоряжении буровой организации отклонителем.
Профили с малым и ультрамалым радиусами кривизны
используются для проектирования профиля дополнительного ствола скважины,
бурение которого производится из вырезанного участка обсадной колонны, а также
для вскрытия горизонтальным стволом маломощных продуктивных пластов. Такие
скважины проектируются преимущественно по профилю 1. (см. рис. 2.2).
2.2.3 Методика расчета профиля
горизонтальной скважины
Профиль горизонтальной скважины состоит из
направляющей части и горизонтального участка. Направляющая часть профиля
горизонтальной скважины может включать вертикальный участок, участок начального
искривления, тангенциальный участок и участки увеличения зенитного угла или
состоять только из вертикального участка и участка увеличения зенитного угла.
Горизонтальный участок может быть выполнен в
виде восходящей или нисходящей дуги окружности, т.е. быть вогнутым или
выпуклым, а также прямолинейным или волнообразным. Горизонтальный участок в
зависимости от угла падения продуктивного пласта может быть расположен под
любым заданным углом к вертикали, в том числе и под углом 90°.
Направляющая часть профиля горизонтальной
скважины и ее горизонтальный участок могут рассчитываться отдельно. Однако они
должны быть сопряжены друг с другом.
Назначение направляющей части профиля
горизонтальной скважины заключается в выведении ствола под определенным углом в
точку продуктивного пласта с заданными координатами. Поэтому при расчете этой
части профиля горизонтальной скважины кроме проектной глубины и отклонения
ствола скважины от вертикали необходимо задавать величину зенитного угла на
проектной глубине. Кроме того, как правило, задается величина радиуса кривизны
участка увеличения зенитного угла скважины.
Для расчетов приняты следующие условные
обозначения: - проектная глубина направляющей части профиля скважины (глубина
начала горизонтального участка);- проектное смещение профиля скважины на
проектной глубине;
- зенитный угол на проектной глубине (угол
входа ствола скважины в продуктивный пласт);
- длина вертикального участка;- длина
тангенциального участка направляющей части профиля;
- глубина в конце горизонтального участка;
- смещение скважины в конце горизонтального
участка;
- зенитный угол в конце горизонтального
участка;
- длина горизонтального участка;
- протяженность горизонтального участка;
- угол охвата первого интервала волнообразного
горизонтального участка;- предельное смещение горизонтального участка в
поперечном направлении;
- предельное смещение двухинтервального
горизонтального участка в поперечном направлении вверх и вниз соответственно;
- зенитный угол в конце i-ro участка профиля;
- радиус кривизны горизонтального участка;
- радиус кривизны первого и второго интервалов
волнообразного горизонтального участка соответственно.
Направляющая часть профиля. Методика
расчета направляющей части профиля горизонтальной скважины основана на решении
системы уравнений проекций участков профиля на вертикальную и горизонтальную
оси.
При этом расчет профиля
горизонтальной скважины сводится к определению длины вертикального участка
и радиуса
кривизны одного из участков или длины тангенциального участка, если он имеется,
при заданных остальных параметрах профиля (см. рис.2.2).
Профиль 1. Исходные данные для
расчета: H, A,
.
Расчет:
(2.1)
(2.2)
Профиль 2. Исходные данные для
расчета: H, A,
,
,
.
Расчет:
(2.3)
(2.4)
Профиль 3. Исходные данные для
расчета: H, A,
,
,
.
Расчет:
(2.5)
(2.6)
где
(2.7)
Профиль 4. Исходные данные для
расчета: H, A,
,
,
,
,
.
Расчет:
(2.8)
где
(2.9)
(2.10)
где
(2.11)
Профиль 5. Исходные данные для
расчета: H, A,
,
,
,
.
Расчет:
(2.12)
где
(2.13)
(2.14)
где
(2.15)
Горизонтальный участок профиля.
Методика расчета профиля горизонтального участка скважины учитывает прежде
всего цель строительства горизонтальной скважины, которая заключается в
продольном вскрытии продуктивной части нефтегазосодержащего пласта. Поэтому
геометрия горизонтального участка должна соответствовать форме той части
пласта, где предполагается расположить горизонтальный участок.
Другими словами, горизонтальный
участок должен располагаться вдоль продуктивной части пласта и не выходить за
границы нефтегазосодержащей его части.
Таким образом, основные параметры,
определяющие геометрию горизонтального участка, следующие:
- зенитный угол в начале горизонтального
участка;
- протяженность горизонтального участка по
пласту, т.е. длина проекции горизонтального участка на касательную к началу
горизонтального участка;
- предельные отклонения горизонтального участка
в поперечном направлении.
Рис. 2.3 - Виды горизонтального
участка скважины
Прямолинейный горизонтальный участок
(рис. 2.3, а):
Вертикальная проекция:
(2.16)
Горизонтальная проекция:
(2.17)
Горизонтальный участок в виде дуги
окружности (рис. 2.3, б, в):
радиус горизонтального участка:
(2.18)
вертикальная проекция:
(2.19)
горизонтальная проекция
(2.20)
зенитный угол в конце
горизонтального участка
(2.21)
длина горизонтального участка
(2.22)
Волнообразный горизонтальный участок
(рис. 2.3, г):
радиус кривизны второго интервала
горизонтального участка
(2.23)
где
(2.24)
(2.25)
(2.26)
(2.27)
вертикальная проекция:
(2.28)
горизонтальная проекция:
(2.29)
длина проекции первого интервала
горизонтального участка на касательную в его начальной точке:
(2.30)
угол охвата интервала с радиусом
:
(2.31)
зенитный угол:
(2.32)
С целью изучения коллекторских
свойств продуктивного пласта и уточнения проектной траектории с горизонтальным
окончанием, предлагается проводка пилотного ствола с последующей установкой
цементного моста и зарезкой горизонтального ствола скважины.
Согласно методики, приведенной выше,
практический расчет профилей пилотного и горизонтального стволов скважин,
исходя из критерия минимальной интенсивности искривления скважин (по
Лубинскому), произведен на ЭВМ с использованием программного обеспечения
компании «Schlumberger».
2.3 Буровые растворы
.3.1 Общие сведения
Одной из особенностей широко
применяемого вращательного бурения является циркуляция бурового раствора в
скважине. При этом циркулирующий агент выполняет несколько функций, которые
можно подразделить на:
Гидродинамические - выполняемые за
счет циркуляции бурового раствора. Они включают:
вынос выбуренной породы с забоя скважины
на поверхность;
размыв породы на забое скважины
струей бурового раствора (гидромониторный эффект);
перенос энергии от насосов к
забойным двигателям.
Гидростатические - осуществляются
столбом бурового раствора, заполняющего скважину. К ним относятся:
создание гидростатического
равновесия в системе ствол скважины - пласт;
создание гидростатического давления
на стенки скважины, сложенные слабосвязанными, пластичными, а также
трещиноватыми породами;
удержание частиц выбуренной породы
во взвешенном состоянии при прекращении циркуляции;
уменьшение нагрузки на талевую
систему за счет вытеснения бурового раствора бурильными и обсадными колоннами.
Физико-химические, к ним относятся:
сохранение связанности пород,
образующихся со стенок скважины;
предотвращение размыва и растворения
стенок скважины;
уменьшение проницаемости пористых
пород, слагающих стенки скважины;
предохранение бурового оборудования
и инструмента от коррозии;
уменьшение трения и износа бурильных
и обсадных труб;
сохранение проницаемости продуктивных
горизонтов при их вскрытии;
улучшение буримости твердых горных
пород;
сохранение необходимых свойств
бурового раствора в процессе бурения скважины.
Термодинамические, к ним относятся:
сохранение теплового режима в
интервалах скважины, сложенных многолетнемерзлыми горными породами;
охлаждение породоразрушающего
инструмента и рабочих органов забойных двигателей.
Такие сложные функции буровые
растворы призваны выполнять в самых различных условиях (температуры в скважине
могут изменяться от -5 до +200°С и более (в глубоких скважинах); пластовые
давления жидкостей и газов изменяются в широких пределах; от аномально-низких
до аномально-высоких).
В качестве буровых растворов
используют техническую или минерализованную воду, растворы на водной основе (к
ним относятся глинистые, известковистые, магниевые и другие растворы), растворы
на нефтяной основе, эмульсионные растворы и аэрированные растворы.
Параметры буровых растворов. В
соответствии с назначением буровых растворов и свойствами, которыми они должны
обладать, определяют следующие параметры:
Плотность -
, г/см3;
Условную (кажущуюся) вязкость - Т,
с;
Структурную (пластическую) вязкость
- Ц, характеризующую силу внутреннего трения между частицами твердой и жидкой
фаз;
Водоотдачу - В, способность бурового
раствора отдавать (отфильтровывать) воду в пористые породы под действием
перепада давления, см3 за 30 мин;
Толщину глинистой корки - К (частиц
твердой фазы), образующуюся при фильтрации жидкой фазы, мм;
Статическое напряжение сдвига - СНС,
это усилие которое требуется, чтобы разрушить структуру раствора,
образовавшуюся в состоянии покоя, Н/м2;
Содержание в растворе
недиспергированной твердой фазы (песка) - П,%;
Стабильность - С, характеризующую способность
частиц твердой фазы удерживаться во взвешенном состоянии, г/см3;
Отстой - О, это относительный объем
жидкости, отстоявшейся за сутки, %;
Содержание газа в растворе - Г, %.
Классификация буровых растворов.
Разнообразие геологических условий, в которых производят бурение скважин, не
позволяет применять буровой раствор с постоянными свойствами. Поэтому
используют различные буровые растворы, которые в конкретных горно-геологических
условиях удовлетворяют предъявляемым требованиям.
В соответствии с исходными жидкими
фазами, являющимися основой бурового раствора, можно выделить растворы на
водной основе и растворы на углеводородной основе (РНО).
Наиболее важным признаком является
состав дисперсионной среды. В водных растворах наибольшее распространение
получили дисперсные системы на основе глины. В зависимости от количества
глинистых частиц их подразделяют на:
безглинистые, если содержание
глинистых частиц не превышает содержания других частиц;
малоглинистые, если глинистых частиц
не более 10%;
глинистые.
В качестве дисперсной среды также
используют известняки, гидрогель магния и квасцы. В соответствии с дисперсной
фазой такие растворы различают на известковые, гидрогель-магниевые, алюминатные
и т.д. Для РНО в качестве дисперсной фазы используют частицы окисленных битумов
и извести, в соответствии с этим растворы получили название известково-битумных
(ИБР).
Другим классификационным признаком
может служить величина минерализации жидкой фазы. Растворы можно подразделить
на:
слабоминерализованные при содержании
солей до 3%;
среднеминерализованные при
содержании солей от 3 до 20%;
высокоминерализованные (рассолы) при
минерализации свыше 20%.
Минеральные соли различным образом
влияют на свойства буровых растворов. По этой причине кроме степени
минерализации буровые растворы целесообразно подразделять по составу
минерализации на: хлорнатриевые, гипсоангидритовые, хлоркальциевые,
хлормагниевые, сульфатно-магниевые, хлоркалиевые и т.д.
В зависимости от содержания
утяжелителя буровые растворы подразделяют на утяжеленные и неутяжеленные.
По степени содержания газа в
растворах их подразделяют на обычные и аэрированные.
В зависимости от конкретных
геолого-технических условий бурения производится выбор типа бурового раствора и
его параметров. В одних условиях достаточно, чтобы буровой раствор осуществлял
вынос выбуренной породы и охлаждал породоразрушающий инструмент. В других
условиях, при проходке пористых проницаемых пород, необходимо, чтобы буровой
раствор на стенках скважины образовывал плотную непроницаемую фильтрационную
корку.
Наиболее простым буровым раствором
является техническая или минерализованная вода, которая может быть использована
при бурении устойчивых плотных пород. Обрабатывая воду химическими реагентами,
в процессе бурения получают безглинистые и малоглинистые буровые растворы. При
дальнейшем диспергировании получают естественные буровые растворы: глинистые
при наличии в разрезе скважин отложений, глин и известковистые при наличии
отложений известняков.
Наличие в разрезе скважин пластов с
минерализованными водами и отложений солей требует применения минерализованных
буровых растворов. Для их получения используют преимущественно кальциевые
глины, которые менее чувствительны к минерализации. Их получают, используя при
затворении рассолы или засаливая пресные растворы.
Высокой солестойкостью отличаются
алюминатные глинистые растворы, дисперсно-солевые и гидрогель-магниевые
растворы. Алюминатные глинистые растворы получают обработкой обычных глинистых
растворов алюминатом натрия NaAlO2. В дисперсно-солевых растворах используется
суспензия хлористого натрия. В процессе циркуляции раствора, содержащего
анионный ПАВ (сульфонол, сульфонат и др.) и избыток NaCl, происходят
многократное растворение и кристаллизация хлористого натрия, который в
присутствии ПАВ кристаллизуется в мельчайшие кристаллы, становящиеся активной
дисперсной фазой.
Гидрогель-магниевые растворы имеют в
качестве дисперсной фазы гидроокись магния. Ее источником служат природные
магниевые соли. Эти растворы насыщены хлористым натрием.
Увеличение глубин скважин приводит к
увеличению температуры на ее забое. В связи с этим к буровым растворам
предъявляются требования по термостойкости. Увеличение температуры приводит к
необратимым гидротермальным изменениям, как дисперсной фазы, так и реагентов. По
этим причинам реагенты-стабилизаторы используют исходя из оптимальных условий
их применения. Например, УЩР стабилизирует пресные буровые растворы до
температуры 180-190°С, а при добавлении гипана и КМЦ - до 200-220°С. Небольшая
минерализация значительно снижает его термостойкость.
Для снижения вязкости термостойких
минерализованных растворов используют хроматы. Еще более термостойкими являются
буровые растворы, стабилизированные гипаном с использованием для снижения
вязкости нитролигнина, а для снижения структурообразования - обработанные
хроматами.
При бурении продуктивных горизонтов,
которые, как правило, представлены пористыми или трещиноватыми породами, в них
поступает фильтрат бурового раствора. Фильтрат бурового раствора, смачивая
породы продуктивного горизонта, вытесняет соединения углеводородов. При
испытании и эксплуатации скважин в результате вредного воздействия бурового
раствора они становятся менее продуктивными, а в ряде случаев при наличии
продуктивных горизонтов с низкими пластовыми давлениями такие горизонты могут
быть не обнаружены или отнесены к непродуктивным. Для снижения вредного
воздействия фильтрата бурового раствора на продуктивные горизонты в него вводят
растворы ПАВ, снижающих поверхностное натяжение на границе с нефтью или газом и
нефтеносной породой, что облегчает их поступление в скважину при испытании.
Введение в растворы ПАВ способствует повышению водоотдачи и величины
структурно-механических характеристик раствора.
Одним из способов улучшения свойств
растворов являются добавка в них нефти или нефтепродуктов и превращение в
эмульсионные. Для стабилизации эмульсии используют эмульгаторы, роль которых
могут выполнять реагенты, стабилизирующие буровые растворы. Применение
эмульсионных буровых растворов способствует росту механической скорости
проходки и проходки на долото; сохранению поперечного сечения ствола скважины,
более близкого к нормальному; уменьшению опасности прихвата бурильных труб и
сальникообразования; уменьшению водоотдачи, толщины фильтрационной корки и
снижению ее липкости и др. К недостаткам относятся загрязнение кернов породы и
стенок скважины нефтью, разрушение резиновых элементов бурового оборудования и
высокая стоимость. В настоящее время эмульсионные буровые растворы в нашей
стране не применяются из-за пагубного влияния на экологию.
При бурении скважин встречаются
пористые и трещиноватые породы, имеющие пластовые жидкости под низким
давлением. Для проходки таких интервалов скважин целесообразно использовать
буровые растворы с плотностью значительно меньше 1 г/см3 (от 0,5 до-0,9 г/см3).
В таких условиях применяют аэрированные буровые растворы. Аэрирование
производят в процессе бурения за счет систематической добавки воздуха в
циркулирующий буровой раствор. С этой целью на буровой дополнительно
устанавливают компрессор высокого давления, который обвязывают вместе с
нагнетательной линией буровых насосов, в обвязку компрессора включают
расходомер и обратный клапан. За степень аэрации принимают отношение объема
воздуха, использованного для аэрации, в нормальных условиях к объему бурового
раствора.
При бурении эксплуатационных скважин
на территории Беларуси накоплен опыт применения сапропеля в качестве бурового
раствора. Буровые растворы, приготовленные из органического сапропелевого
порошка, обладают удовлетворительными технологическими свойствами, и могут
применяться без дополнительной обработки химическими реагентами для
неосложненных условий бурения. При вхождении в раствор выбуренных пород его
параметры регулируются добавками известных химических реагентов. Раствор сочетается
со всеми традиционными реагентами.
Сапропелевые буровые растворы во
многих случаях могут быть использованы без применения токсичных полимерных
реагентов или с незначительным их количеством по сравнению с традиционными
глинистыми растворами и, поэтому, эти промывочные жидкости имеют преимущества
по экологическим показателям.
Твердая фаза сапропелевого раствора
состоит в основном из органических компонентов биогенной природы (не менее
70%). В состав наряду с гуминовыми входят воско-, белково-, целлюлозно- и
лигниноподобные вещества. Неорганическая составляющая представлена
терригенными, аутигенными и биогенными минералами: тонкодисперсными глинистыми
и карбонатными породами, окислами металлов, аморфной и кристаллической
двуокисью кремния; часть неорганических соединений находится в составе
органоминеральных образований. Наличие в сапропелевом растворе природных
поверхностно-активных и воскоподобных веществ дает возможность снизить расход
синтетических смазочных добавок, уменьшив экологический ущерб окружающей среде.
2.3.2 Выбор типа бурового раствора и
его параметров
Исходя, из безопасности производства
буровых работ для предотвращения проявления плотность бурового раствора
определяется из выражения [8, c.61]:
(2.33)
где
- коэффициент, учитывающий превышение плотности
бурового раствора над плотностью воды на 5 - 10%.
Для выбора плотности бурового
раствора по ограничению дифференциального давления используют зависимость:
(2.34)
Значение
следующие:
|
,
м 2874
|
|
|
|
1,05
- 1,10
|
|
,
МПа 2,8
|
|
, МПа
|
(для
глубины 2800 м по вертикали)27,0
|
|
Определим плотность бурового
раствора при
:
Определим плотность бурового
раствора при
:
Согласно расчетным данным, исходя из
пластового давления, значение плотности бурового раствора находится в диапазоне
от
до
.
Проверим выполнение условия по
ограничению дифференциального давления:
Условие по ограничению
дифференциального давления выполняется, т.к.
и
.
Исходя из пластовых давлений, а так
же руководствуясь набором норм изложенных в рекомендациях лаборатории
промывочных жидкостей института БелНИПИнефть и СТП 09100.17015.042-2000
«Буровые растворы» при бурении скважин выбран эмульсионный раствор на основе
органоминерального сырья (ОМС). Параметры выбранного бурового раствора
приведены в таблице 2.2.
Таблица 2.2 - Параметры бурового
раствора
|
Тип
раствора
|
Интервал
использования
|
Параметры
бурового раствора
|
|
От
|
До
|
Плотность,
|
Условная
вязкость, сек
|
Водоотдача,
|
СНС,
через мин
|
Корка,
мм
|
Содержание
твердой фазы, %
|
pH
|
|
|
|
|
|
|
1
|
10
|
|
|
|
|
1
|
2
|
3
|
4
|
5
|
6
|
7
|
8
|
9
|
10
|
11
|
|
Пресный
на основе ОМС
|
0
|
225
|
1,10
|
80-100
|
4-5
|
30
|
40
|
1-1,5
|
20
|
9-10
|
|
Пресный
на основе ОМС, обработанный лигнополом
|
225
|
2095
|
1,14
|
25-30
|
8-10
|
21
|
30
|
до
1
|
22
|
8-9
|
|
Соленасыщенный
глинистый, обработанный крахмалом
|
2095
|
2485
|
1,31
|
30-40
|
8-10
|
20
|
40
|
до
1,5
|
до
22
|
7-9
|
|
Пресный
на основе ОМС
|
2485
|
2795
|
1,05
|
50-60
|
6-5
|
15
|
20
|
0,5
|
до
20
|
8-9
|
|
Пресный
на основе ОМС
|
2485
|
3046
|
1,05
|
30
|
5-6
|
15
|
20
|
0,5
|
до
20
|
5-6
|
2.4 Углубление скважины
Основной задачей бурения является использование
совершенной технологии процессов бурения, разработанной с учетом особенностей
проходки скважин в сходных геологических условиях на основе глубокого анализа
опыта их бурения.
Сооружение буровой скважины представляет собой
сложный производственный процесс, слагающийся из следующих основных рабочих
операций:
разрушение горной породы на забое скважины
(отделение частиц породы от массива);
транспортирование разрушенной породы (бурового
шлама) от забоя скважины на поверхность;
закрепление неустойчивых стенок скважины для
предупреждения от обрушения.
.4.1 Способы бурения
Разрушение породы может осуществляться
механическим воздействием породоразрушающими инструментами, а также
использованием различных физических явлений (высокой температуры, энергии
взрыва, ультразвука, электронных и лазерных лучей). Основными в настоящее время
являются механические способы бурения, при которых порода на забое скважины
разрушается путем резания, дробления, скалывания или истирания.
Наиболее распространенным является вращательное
бурение. Вращательное бурение - механический способ, при котором разрушающее
усилие на породы создается непрерывным вращением породоразрушающего инструмента
с приложением осевой нагрузки.
Различают два вида вращательного бурения: с
двигателем на поверхности (роторное) и с двигателями, находящимися на забое
(турбинное, ВЗД и бурение электробуром).
При бурении скважин применяют различные способы
очистки забоя от шлама.
Бурение, при котором забой скважины от разбуренной
породы очищается жидкостью, называется бурением с промывкой.
Если в процессе бурения забой скважины от шлама
очищается воздухом или газом, то такое бурение называется бурением с продувкой.
В отдельных случаях для очистки забоя скважины применяют аэрированный раствор,
представляющий собой промывочную жидкость, содержащую в дисперсной среде
пузырьки воздуха или газа.
Роторное бурение
При роторном вращательном бурении вращается
колонна бурильных труб с долотом, а ротор приводится во вращение двигателем,
установленным на поверхности.
В процессе бурения скважины по мере углубления
забоя колонна бурильных труб, вращаясь с долотом, опускается вниз.
Для очистки забоя от выбуренной породы в
скважину буровым насосом через буровой рукав, вертлюг и бурильные трубы
закачивается промывочная жидкость.
Промывочная жидкость, пройдя бурильные трубы,
поступает в долото и через промывочные отверстия в нем поступает на забой
скважины. Промывочная жидкость промывает забой, подхватывает частицы
разбуренной породы и по кольцевому пространству между стенками скважины и
бурильными трубами через устье скважины поднимает их на поверхность. Далее,
промывочная жидкость поступает в систему очистки и, циркулируя в ней, очищается
от разбуренной породы и поступает в приемные емкости, откуда буровым насосом
нагнетается в скважину.
Во время бурения колонна бурильных труб,
соединенная с вертлюгом, висит на крюке, подвешенном к талевому блоку.
Для смены долота, которое срабатывается при
бурении, вся колонна бурильных труб поднимается из скважины. Бурильные трубы
поднимаются с помощью талевой системы, куда входит талевый блок и кронблок,
оснащенные талевым канатом.
Скважина углубляется постепенно, когда ведущая
штанга почти вся уйдет в скважину, колонну бурильных труб наращивают. Для этого
бурильные трубы приподнимают, ведущую штангу отвинчивают, очередную бурильную
трубу на резьбе соединяют с колонной бурильных труб. С этой очередной трубой
свинчивают ведущую штангу и продолжают процесс бурения. Для подъема бурильных
труб вертлюг с ведущей штангой отсоединяют и их устанавливают в шурф.
При помощи элеватора, подвешенного с помощью
штропов на крюке, поднимают инструмент. Извлеченные из скважины бурильные трубы
(свечи) одним концом устанавливаются на специальной площадке в буровой -
подсвечнике, а другим концом заводятся за палец вышки.
Процесс бурения состоит из повторяющихся
операций: спуска инструмента в скважину, механического бурения - работы долота
на забое, наращивания инструмента и подъема инструмента из скважины для смены
долота.
Турбинное бурение
Турбинное бурение является разновидностью
вращательного бурения, при котором вращение породоразрушающего инструмента
осуществляется турбобуром.
Турбинное бурение основано на применении
гидравлического забойного двигателя (рис. 2.4). Таким двигателем является
турбина специальной конструкции, называемая турбобуром. Турбобур является
двигателем, вращающим долото, находится непосредственно над долотом, а колонна
бурильных труб, на которой спускается двигатель, во время бурения не вращается.
В этом заключается основное различие турбинного способа бурения в сравнении с
роторным.
месторождение скважина разрез
вертлюг
Рисунок 2.4 - Турбобур секционный шпиндельный
типа АШ: 1-переводник к бурильным трубам;2-секции турбинные с радиальной опорой
и муфтовым соединением;3-секция шпиндельная с упорно-радиальной опорой;
4-переводник вала
Основной частью турбобура является турбина,
которая состоит из большого числа (более сотни) совершенно одинаковых ступеней.
Каждая ступень турбины в свою очередь состоит из двух частей: вращающейся,
соединенной с валом турбобура, называемой ротором, и неподвижной, закрепленной
в корпусе турбобура, называемой статором. Для получения наименьшего износа
турбинных лопаток роторы турбины выполняют с тем же профилем, что и статоры
турбины, лишь с поворотом лопаток в противоположную сторону. Перепад давления
на турбине должен быть в пределах допускаемых насосными установками,
применяемыми при бурении глубоких скважин, и для избежания толчков давления в
системе не должен существенно изменяться при изменении режима работы турбины.
Процесс турбинного бурения, аналогичен роторному
бурению, состоит из повторяющихся операций: спуска инструмента в скважину,
механического бурения - работы долота на забое при невращающейся колонне
бурильных труб, наращивания инструмента и подъема инструмента из скважины для
смены долота.
Бурение винтовым забойным двигателем (ВЗД)
Рабочим органом ВЗД является винтовая пара:
статор и ротор (Рисунок 2.5).
Рисунок 2.5 - Поперечное сечение рабочих органов
винтового двигателя: 1 - статор; 2 - ротор
Статор представляет собой металлическую трубу, к
внутренней поверхности которой привулканизирована резиновая обкладка, имеющая
10 винтовых зубьев левого направления, обращённых к ротору.
Ротор выполнен из высоколегированной стали с девятью
винтовыми зубьями левого направления и расположен относительно оси статора
эксцентрично.
Кинематическое отношение винтовой пары 9:10 и
соответствующее профилирование её зубьев обеспечивает при движении бурового
раствора планетарное обкатывание ротора по зубьям статора и сохранение при этом
непрерывного контакта ротора и статора по всей длине. В связи с этим образуются
полости высокого и низкого давления и осуществляется рабочий процесс двигателя.
Когда двигатель работает с максимальным
вращающим моментом, режим называют оптимальным, а с максимальной мощностью -
экстремальным. Увеличение нагрузки на долото после достижения экстремального
режима работы двигателя приводит к торможению вала двигателя и к резкому
ухудшению его характеристики.
Неэффективны и нагрузки на долото, при которых
момент, развиваемый двигателем, меньше момента, обеспечивающего оптимальный
режим его работы.
Бурение электробуром
Одним из видов применяемого вращательного
способа бурения нефтяных скважин является бурение электробуром.
Электробур представляет собой погружной
электродвигатель, который соединен с долотом, спускаемым в скважину для
бурения.
Для спуска и питания электрической энергией
электробура применяются специальные бурильные трубы. Электроэнергия для питания
электробура подводится с помощью отрезков электрокабеля, проложенных внутри
бурильных труб. Бурильные трубы имеют замковые соединения, в которых заделаны
концы кабеля. При свинчивании замковых соединений бурильных труб происходит
соединение концов кабеля, подающих электроэнергию от станции управления к
электробуру.
Электрический ток к бурильным трубам подводится
посредством кольцевого токопровода, который помещается между вертлюгом и
ведущей штангой.
Бурение электробурами по сравнению с турбинным
способом имеет ряд положительных качеств: снижает расход электроэнергии;
работает при значительно меньших расходах промывочной жидкости и значительно
меньшем давлении насосов.
Из опыта ранее пробуренных скважин на скважине №
269 Речицкого месторождения рекомендуется применять следующие виды бурения
таблица 2.3:
Таблица 2.3 - Способы, режимы бурения,
расширения ствола скважины
|
Интервал,
м
|
Вид
технологической операции
|
Способ
бурения
|
|
От
(верх)
|
До
(низ)
|
|
|
|
Пилот-ствол
|
|
0
|
225
|
Бурение
|
Роторный
|
|
0
|
225
|
Проработка
|
Роторный
|
|
225
|
255
|
Бурение
|
Турбинный
|
|
255
|
800
|
Бурение
|
Роторный
|
|
800
|
900
|
Корректировка
|
Турбинный
|
|
900
|
1300
|
Бурение
|
Роторный
|
|
1300
|
1400
|
Корректировка
|
Турбинный
|
|
1400
|
1800
|
Бурение
|
Роторный
|
|
1800
|
1900
|
Корректировка
|
Турбинный
|
|
1900
|
2095
|
Бурение
|
Роторный
|
|
225
|
2095
|
Проработка
|
Роторный
|
|
2095
|
2125
|
Бурение
|
Турбинный
|
|
2125
|
2300
|
Бурение
|
Роторный
|
|
2300
|
2400
|
Корректировка
|
Турбинный
|
|
2400
|
2485
|
Бурение
|
Роторный
|
|
2095
|
2485
|
Проработка
|
Роторный
|
|
2485
|
2500
|
Бурение
|
Роторный
|
|
2500
|
2795
|
Ориентировка
|
ВЗД
|
|
2485
|
2795
|
Проработка
|
Роторный
|
|
2795
|
Разбуривание
элементов оснастки эксплуатационной колонны, размыв песчаной пробки
|
Роторный
|
|
Горизонтальный
ствол
|
|
2770
|
2874
|
Ориентирование
|
ВЗД
|
|
2485
|
2874
|
Проработка
|
ВЗД
|
|
2190
|
2874
|
Разбуривание
ОКСЦ и цементного стакана
|
Роторный
|
|
2874
|
3046
|
Ориентирование
|
ВЗД
|
|
|
|
|
|
2.4.2 Параметры режима бурения
Технологическим режимом бурения называется
сочетание ряда основных задаваемых параметров, характеризующих скоростные и
качественные показатели бурения, связанных с разрушением горных пород на забое
скважины и выносом выбуренной породы на поверхность.
Основными параметрами режима бурения являются:
Осевая нагрузка на породоразрушающий инструмент;
Скорость вращения бурового инструмента;
Количество и качество промывочной жидкости;
Тип породоразрушающего инструмента.
Осевая нагрузка на долото
Осевая нагрузка на породоразрушающий инструмент
характеризует параметр режима бурения, определяющий усилие, приложенное по оси
бурильной колонны к породоразрушающему инструменту.
Осевая нагрузка на долото в процессе бурения
создается весом утяжеленных бурильных труб и колонной бурильных труб.
Режим объемного разрушения породы возможен, если
удельное давление на забой превышает сопротивление породы на вдавливание. Таким
образом, осевая нагрузка пропорциональна прочности горных пород. Отсюда следует,
что при прочих равных условиях наименьшие нагрузки на забой допускаются при
бурении мягких пород, с повышением твердости пород осевая нагрузка должна
увеличиваться.
При повышении осевой нагрузки на долото
механическая скорость бурения увеличивается до определенного критического
значения. Сначала скорость возрастает интенсивно, а затем ее рост постепенно
замедляется и наступает момент, когда рост прекращается, и скорость начинает
уменьшаться. При этом большое значение имеет очистка забоя скважины.
Повышение осевой нагрузки увеличивает проходку
на долото и механическую скорость при условии увеличения скорости циркуляции
промывочной жидкости, необходимой для полной очистки забоя от выбуренной
породы.
При бурении для каждых конкретных условий
существует критическое значение осевой нагрузки на долото, которое не может
обеспечить дальнейшее повышение скорости бурения. Значение критической нагрузки
зависит от физико-механических свойств разбуриваемых пород, а также типа
долота.
Оптимальные осевые нагрузки на долото
подбираются с учетом полученных результатов отработки долот с различными
осевыми нагрузками в зависимости от крепости пород, типа и размера долот,
бурильного инструмента и способа бурения.
Повышение механической скорости при увеличении
осевой нагрузки, создаваемой на забое весом бурильных труб, без применения
утяжеленных бурильных труб не может быть обеспечено. В этом случае от излишней
нагрузки бурильные трубы изгибаются, волной изгиба упираются в стенки скважины,
чем поглощается большая часть осевой нагрузки и не обеспечивается повышение
механической скорости.
Для получения более высокой механической
скорости и проходки на долото практикуется создавать наибольшую осевую нагрузку
в начале механического бурения. Процесс бурения должен проводиться таким образом,
чтобы во время работы долота удельное давление поддерживалось постоянным, а
суммарная нагрузка изменялась в необходимых пределах. Бурильный инструмент
должен подаваться равномерно и непрерывно с обеспечением необходимой осевой
нагрузки по индикатору веса.
Скорость вращения долота
При выборе параметров режима бурения учитывают,
что скорость проходки возрастает пропорционально повышению скорости вращения
долота при одновременном увеличении осевой нагрузки.
При увеличении скорости вращения повышается износ
долота. По достижении определенного числа оборотов износ долота увеличивается
быстрее, чем повышается скорость проходки. Влияние скорости вращения долота на
эффективность разрушения породы зависит от осевой нагрузки, степени очистки
забоя, физико-механических свойств породы и глубины скважины.
Опыт бурения в твердых породах показывает, что
для повышения скорости проходки необходимо применять меньшее число оборотов при
одновременном увеличении осевой нагрузки на породоразрушающий инструмент.
Скорость вращения долота рекомендуется снижать с
увеличением диаметра долота, с повышением твердости и абразивности пород, с
уменьшением диаметра бурильных труб, а также при бурении чередующихся пластов
небольшой мощности и при переходе из пласта меньшей твердости в пласт большей
твердости. Для расчета допустимой скорости вращения для каждого размера
бурильных труб применяют формулу:
где - допустимая скорость вращения в
об /мин;- длина вращающихся бурильных труб в м;
Е - модуль упругости;- ускорение
силы тяжести, равное 9,8 м/сек2;- вес 1 м бурильных труб в кг.
При выборе скорости вращения долота
учитывают интервал глубины бурения. С увеличением глубины скважины скорость
вращения долота при роторном способе снижают.
Промывка скважины
Процесс очистки забоя скважины от
шлама и охлаждения породоразрушающего инструмента буровым раствором называется
промывкой скважины.
Практикой бурения и специальными
исследованиями установлено влияние параметров промывочной жидкости на
качественные показатели бурения.
К числу основных параметров промывки
скважины, оказывающих влияние на качественные показатели бурения, относятся:
удельный вес, вязкость промывочной жидкости, а также количество подаваемой на
забой промывочной жидкости и скорость восходящего потока в затрубном
пространстве.
Увеличение удельного веса
промывочной жидкости приводит к снижению механической скорости, и, наоборот,
при прочих равных условиях скорость проходки повышается при использовании
промывочной жидкости меньшего удельного веса.
Промывочные жидкости с меньшей
вязкостью лучше очищают забой от разбуренных частиц породы и при условии
повышения скорости движения в затрубном пространстве обеспечивают интенсивный
вынос их на поверхность.
С повышением количества подаваемой
на забой промывочной жидкости увеличивается скорость циркуляции в затрубном
пространстве, и при соответствующем изменении параметров режима бурения
повышается скорость проходки. При этом существенное влияние оказывают
физико-механические свойства пород, тип и размер долота, качественные параметры
промывочной жидкости.
С повышением скорости восходящего
потока промывочной жидкости в затрубном пространстве увеличивается
интенсивность очистки забоя скважины от выбуренной породы, облегчается работа
долота на забое и повышается эффективность бурения.
Кроме очистки забоя от выбуренных
частиц, промывочная жидкость принимает участие в разрушении пород путем
гидромониторного эффекта, который является технической основой для долот с
гидромониторной промывкой.
При увеличении осевой нагрузки,
скорости вращения и диаметра долота для очистки забоя необходимо повышать
количество подаваемой в скважину промывочной жидкости. Таким образом, расход
промывочной жидкости находится в прямой зависимости от объема разбуриваемой
породы в единицу времени. При недостаточной интенсивности промывки очистка
забоя от шлама ухудшается и снижается механическая скорость бурения.
Показателем нормальных условий
промывки забоя является скорость движения восходящей струи в кольцевом
пространстве между стенкой скважины и поверхностью бурильных труб, имеющая
значения от 0,8 до 1,5 м/сек.
В зависимости от скорости циркуляции
промывочной жидкости в скважине необходимую производительность насоса
определяют по формуле:
где- производительность насоса в
м3/сек;- скорость потока промывочной жидкости в м/сек;- площадь кольцевого
сечения скважины в м2.
Площадь кольцевого сечения скважины
рассчитывают по формуле:
где-
фактический диаметр скважины в м;- наружный диаметр бурильных труб в м.
При
выборе параметров режима бурения необходимо полно использовать установленную
гидравлическую мощность буровой установки, бурить при максимально допустимых по
геолого-техническим условиям количествах промывочной жидкости. При этом следует
учитывать допустимые рабочие давления буровых насосов и увеличение
гидравлических сопротивлений с ростом глубины скважины.
Тип
породоразрушающего инструмента
Инструментом,
предназначенным для механического разрушения породы при бурении, является
буровое долото.
В
зависимости от физико-механических свойств разбуриваемых пород применяют
различные типы и конструкции долот. Долота для вращательного бурения
различаются как по назначению, так и по принципу их действия на породу.
По
своему назначению буровые долота подразделяются на три группы:
Долота
сплошного бурения, разрушающие породу при бурении в скважине сплошным забоем,
по всей его площади;
Долота
колонкового бурения, разрушающие породу в скважине кольцевым забоем, с
оставлением в центре неразбуренного столбика (керна) проходимой породы;
Долота
специального назначения, применяемые для различного вида работ в скважине,
непосредственно не связанных с процессом бурения скважины (расширения ствола,
разбуривания цементного камня и др.).
По
принципу воздействия на породу буровые долота разделяются на две группы: долота
режущего типа, разрушающие породу в основном резанием, к этому типу долот
относятся фрезеры, алмазные; долота скалывающего и дробящего типа, которые
разрушают породу в результате скалывающего и дробящего воздействия, к ним
относятся все разновидности шарошечных долот.
Долота
шарошечные. Шарошечным называется долото, разрушающее горную породу
перекатывающимися по забою шарошками. Шарошка - породоразрушающая деталь
шарошечного долота, имеющая форму цилиндра или конуса. Боковая поверхность
шарошки имеет зубья или твердосплавные вставки (штыри), которые разрушают
породу при вращении долота.
Шарошечные
долота предназначаются для бурения вращательным способом скважин с промывкой
забоя жидкостью или продувкой воздухом. Эти долота применяются для бурения
пород с различными физико-механическими свойствами. В зависимости от
разбуриваемых пород шарошечные долота для бурения сплошным забоем выпускаются
следующих восьми типов:
М
- для самых мягких и вязких;
МС
- для мягких пород с пропластками пород средней твердости;
С
- для пород средней твердости;
СТ
- для пород средней твердости с пропластками твердых и абразивных пород;
Т
- для твердых и абразивных пород;
ТК
- для твердых пород с пропластками крепких и абразивных пород;
К
- для крепких, хрупких и абразивных пород;
ОК
- для самых крепких и абразивных пород.
Рисунок
2.6 - Долото трехшарошечное
В
зависимости от числа шарошек долота выпускаются одношарошечные, двух-, трех-,
четырех- и пятишарошечные долота.
Трехшарошечные
долота (рис. 2.6), имеющие конические шарошки и обладающие высокой
эффективностью, наиболее распространены при бурении эксплуатационных скважин.
По конструктивному исполнению трехшарошечные долота разделяются на бескорпусные
(секционные) и корпусные.
Бескорпусное
долото состоит из трех сваренных между собой секций. Каждая секция состоит из
лапы 1 с цапфой 3, на которой смонтирована шарошка 4 с зубьями 5, свободно
вращающаяся на подшипниках качения 2. Бескорпусные долота имеют
присоединительную замковую резьбу, которая нарезается после сварки лап.
Бескорпусные долота выпускаются диаметром от 76 до 346 мм.
Долота
корпусные большого диаметра имеют стальной литой корпус с промывочной плитой, в
пазах которого привариваются лапы, оснащенные шарошками. Шарошки в зависимости
от числа конусных поверхностей разделяются на одно-, двух- и трехконусные.
Двух- и трехконусные шарошки выполняются самоочищающимися.
В
долотах самоочищающегося типа зубчатые венцы одной шарошки заходят в проточки
между венцами других шарошек, чем достигается их самоочищение от выбуренной
породы. В этих долотах одна из шарошек имеет полный конус, вершина которого
заходит за осевую линию долота, а другие две - имеют усеченные конусы.
Трехшарошечные
долота, применяемые в зависимости от физико-механических свойств разбуриваемых
пород, отличаются друг от друга не только величиной диаметра, но и формой
шарошек, шагом и формой зубьев, углом наклона оси шарошки к оси долота,
промывочным устройством и размерами присоединительной резьбы.
Опора
шарошек является одним из основных узлов долота. Для получения прочности и
износостойкости опоры изготавливаются с высокой точностью и прочностью из
высоколегированных сталей с термохимической обработкой. Конструкции опор
шарошек зависят от типа и размера долот и выполняются в различных вариантах с
применением подшипников качения (шарики, цилиндрические ролики) или подшипники
качения и скольжения.
Промывочное
устройство долот оказывает важное влияние на очистку забоя скважины и зубьев
шарошек от разбуренной породы, на степень охлаждения опор и шарошек.
В
зависимости от типа и размера трехшарошечного долота промывочные устройства
различаются между собой. В отдельных типах долот - промывка центральная с одним
каналом, направляющим поток промывочной жидкости по оси долота к центру забоя
скважины; в других - с тремя каналами, расположенными в лапах и направляющими
поток промывочной жидкости на забой скважины между шарошками; в третьих - с
тремя каналами, расположенными в лапах или промывочных плитах и направляющими
поток промывочной жидкости - на шарошки. Имеется группа долот с комбинированной
промывкой, у которых поток промывочной жидкости направляется между шарошками и
на шарошки.
Долота
разных типоразмеров выпускаются со вставными штуцерами и без вставных штуцеров.
Долота,
у которых струя промывочной жидкости подается к забою скважины и направляется
через специальные штуцера (насадки), скорость истечения жидкости из которых
значительно повышается, называются гидромониторными. Насадки для
гидромониторных долот изготавливаются минералокерамическими и
металлокерамическими. Для герметизации зазоров между насадками и промывочным
каналом применяются уплотнительные элементы.
При
изготовлении долот без штуцеров отверстия выполняются в корпусе долота. В этом
случае промывочные каналы образуются по форме внутренней поверхности лап
сечениями: круглыми, треугольными и щелевидными.
Штыревые
долота предназначаются для бурения в крепких и абразивных породах с высоким
сопротивлением сжатию, где проходка долота с обычным вооружением шарошек
незначительна. Вооружение шарошек этих долот выполнено в виде вставных зубков -
штырей, имеющих рабочую поверхность в форме полусферы.
Долота
режущего типа. Долото, разрушающее горную породу резанием и истиранием,
называется режущим долотом. Для бурения перемеживающихся мягких, средних и
твердых пород в последние годы получили распространение долота режущего типа.
Долото истирающе-режущего типа состоит из цельного корпуса, приваренных к нему
шести лопастей, из которых три нижние имеют нормальную высоту, а три верхние -
укороченную. Каждая укороченная лопасть приваривается между двумя лопастями
нормальной высоты. Режущие кромки лопастей скошены и армированы цилиндрическими
штырями из металлокерамического сплава. Промежутки между штырями и передние
грани всех лопастей армируются зернистым твердым сплавом. В нижней части
корпуса, в зависимости от размера долота, имеются от двух до шести промывочных
каналов, направление которых предусматривает промывку струей промывочной
жидкости забой. У долот гидромониторного типа имеются три промывочных канала, в
которые вставляются минералокерамические насадки. Насадки крепятся в корпусе
долота при помощи пружинных колец и герметизируются резиновыми кольцами.
Долота
алмазные. Алмазным долотом называется режущее долото, армированное алмазами.
Алмазные долота предназначены для роторного и турбинного бурения скважин в
различных по твердости породах, в которых эффективность применения
трехшарошечных долот снижается. Практика бурения подтверждает, что с ростом
глубины скважин эффективность применения трехшарошечных долот снижается, и расход
их увеличивается. Широко используются алмазные долота при бурении нижних
интервалов глубоких скважин. Применение алмазных долот дает возможность
увеличить проходку на долото, сократить спускоподъемные операции, получить
высокие скорости бурения. Алмазные долота работают по принципу микрорезания и
истирания. Интенсивность процесса разрушения горной породы при бурении
алмазными долотами находится в зависимости от линейной скорости контакта между
алмазами и породой, осевого давления и количества подаваемой промывочной
жидкости.
Алмазные
долота состоят из фасонной твердосплавной алмазонесущей головки - матрицы и
стального корпуса с присоединительной резьбой.
Производительность
и устойчивость алмазного долота в основном зависят от свойства и размера
применяемых алмазов, схемы размещения алмазных зерен на рабочей части долота и
качества изготовления самого долота.
Спиральные
алмазные долота предназначены для турбинного бурения. Торцовая часть долота
представляет собой три сферические поверхности, оснащенные алмазами. Три
промывочные отверстия переходят в сферические спиральные каналы, идущие от
центральной части головки к периферии долота.
Радиальные
алмазные долота применяются как в роторном, так и в турбинном бурении. Рабочая
часть долот выполнена в виде шести секторных выступов, оснащенных алмазами, три
малых сектора доходят до промывочного отверстия, а три больших соединяются в
центральной конусной части долота. Между тремя большими секторными выступами
расположены три отверстия для промывочной жидкости, переходящие к периферийной
части в шесть промывочных каналов для отвода промывочной жидкости.
Радиальное
алмазное долото предназначено для бурения малоабразивных пород средней
твердости.
Алмазные
долота с резцами типа PDC. Эти долота предназначены для бурения вертикальных,
наклонно-направленых, горизонтальных нефтяных и газовых скважин в
малоабразивных породах с промывкой водой или глинистым раствором. Долота
армированные зубками PDC, обладают высокой износостойкостью и
работоспособностью, а также обеспечивают кратное увеличение проходки за
долбление, повышая при этом механическую скорость бурения. Отсутствие
движущихся и вращающихся частей продлевает ресурс работы алмазного долота по
сравнению с шарошечными долотами.
Бицентричные
долота. Бицентричные долота предназначены для бурения с одновременным
расширением ствола скважины, в мягких и средних малообразивных горных породах.
Применяются для расширения боковых стволов из ранее пробуренных обсаженных
скважин, а также расширения в продуктивном интервале с целью увеличения дебита
скважины.
Бицентричные
долота предоставили возможность бурения скважин большего диаметра, чем обычно
возможно при данном диаметре ранее спущенной обсадной колонны. Основные
преимущества бицентричных долот: возможность расширения скважин; усовершенствование
операций цементирования обсадной колонны; снижение затрат на бурение.
Применение бицентричных долот при бурении вертикальных, наклонно-направленных
или горизонтальных скважин является новым уровнем в развитии технического
прогресса.
Буровые
коронки. Буровой коронкой называется породоразрушающий инструмент,
предназначенный для разрушения горных пород при бурении с отбором керна.
Буровая коронка, армированная резцами из твердых сплавов, называется
твердосплавной, а армированная алмазами - алмазной коронкой.
Буровая
коронка состоит из короночного кольца, из торца которого зачеканиваются с
последующим припаиванием латунью резцы из твердого сплава. Короночные кольца
изготавливаются из насосно-компрессорных, бурильных труб или трубных заготовок соответствующего
размера.
Твердосплавные
резцы, закрепляемые в короночном кольце, должны перекрывать всю площадь торца и
выступать за наружную и внутреннюю боковые поверхности и над торцом коронки.
Выступающие за наружную поверхность коронки резцы образуют при бурении зазор
между коронкой и стенкой скважины. Резцы, выступающие за внутреннюю поверхность
коронки, образуют при углублении зазор между керном и внутренней поверхностью
колонковой трубы. Выступающие над нижним торцом коронки резцы из твердого сплава
непосредственно при бурении разрушают породу на кольцевом забое скважины.
В
зависимости от твердости разбуриваемых пород буровые коронки выпускаются для
бурения мягких пород, пород средней твердости и твердых пород.
Важными
факторами, определяющими конструкцию буровой коронки для бурения различных по
твердости пород, являются: величины выхода резцов за наружную и внутреннюю
поверхность корпуса и над торцом короночного кольца, угол заострения резцов,
форма и расположение резцов.
Для
бурения в твердых породах величина выхода резцов внутрь и наружу коронки
составляет 0,5-1,0 мм, а над торцом 1,5-2,5 мм.
Расположение
резцов относительно торца короночного кольца может быть на одном уровне или
ступенчатым. В ступенчатых коронках резцы располагаются как на торцовой
поверхности, так и на боковой поверхности на расстоянии 20-30 мм от торца. Это
делается для того, чтобы избежать расширения интервала ствола скважины после
отбора керна при переходе на долото.
Долота-фрезеры.
Долота-фрезеры предназначаются для выполнения вспомогательных работ в процессе
бурения и при аварийных работах в скважине.
В
зависимости от назначения долота-фрезеры имеют различные формы рабочей
поверхности и конструктивно выполняются кольцевыми, торцовыми, фасонными. Они
используются для разбуривания обратных клапанов, для истирания металлических
предметов, находящихся на забое скважины, для фрезерования оборванных концов
бурильного инструмента при аварийных работах, для фрезерования нарушенной части
обсадных колонн и других работ.
Широко
применяется долото-фрезер типа ФР. Оно состоит из корпуса, имеющего в верхней
части присоединительную замковую резьбу. Корпус обтекаемой формы в нижней своей
части имеет три выступа, армированных с торца и боковых поверхностей
твердосплавными резцами. В нижней части корпуса центральный промывочный канал
соединяется с дополнительными каналами, посредством которых промывочная
жидкость подводится к различным участкам торцовой части фрезера.
Основные
параметры режима бурения сведены в таблицу 2.4.
Таблица
2.4 - Основные параметры режима бурения
|
Интервал,
м
|
Осевая
нагрузка, тс
|
Скорость
вращения, об/мин
|
Расход
бурового раствора, л/с
|
Тип
долота
|
|
От
(верх)
|
До
(низ)
|
|
|
|
|
|
1
|
2
|
3
|
4
|
5
|
6
|
|
Пилот-ствол
|
|
0
|
225
|
До
8
|
90-120
|
28
|
III
444.5 М-ГВУ R146
|
|
225
|
255
|
10-12
|
-
|
48
|
III
295.3 С-ГВ
|
|
Интервал,
м
|
Осевая
нагрузка, тс
|
Скорость
вращения, об/мин
|
Расход
бурового раствора, л/с
|
Тип
долота
|
|
От
(верх)
|
До
(низ)
|
|
|
|
|
|
1
|
2
|
3
|
4
|
5
|
6
|
|
255
|
800
|
16-18
|
90-120
|
48
|
III
295.3 М-ЦГВ R187
|
|
800
|
900
|
10-12
|
-
|
29
|
III
295.3 С-ГВ
|
|
900
|
1300
|
16-18
|
90-120
|
29
|
11
5/8`` MX-3
|
|
1300
|
1400
|
10-12
|
-
|
29
|
III
295.3 С-ГВ
|
|
1400
|
1800
|
16-18
|
90-120
|
29
|
11
5/8`` MX-3
|
|
1800
|
1900
|
10-12
|
-
|
29
|
III
295.3 С-ГВ
|
|
1900
|
2095
|
16-18
|
90-120
|
29
|
11
5/8`` MX-3
|
|
2095
|
2125
|
10-12
|
-
|
24
|
III
215.9 С-ГВУ
|
|
2125
|
2300
|
14-16
|
90-120
|
24
|
8
1/2`` GT-09
|
|
2300
|
2400
|
10-12
|
-
|
24
|
III
215.9 С-ГВУ
|
|
2400
|
2485
|
14-16
|
90-120
|
24
|
8
1/2`` GT-09
|
|
2485
|
2500
|
8-10
|
60-90
|
15
|
6
1/2`` STR-44C
|
|
2500
|
2795
|
3-4
|
-
|
15
|
6
1/2`` STR-44C
|
|
Горизонтальный
ствол
|
|
2770
|
2874
|
3-4
|
-
|
12
|
6
1/2`` STR-44C
|
|
2874
|
3046
|
3-4
|
-
|
10
|
4
1/2`` STR-44CG
При бурении на бурильную колонну действуют в
основном следующие усилия:
Осевое усилие растяжения от собственного веса
колонны при подъеме ее от забоя;
Осевое усилие сжатия от собственного веса
колонны;
Изгибающий момент, возникающий в результате
действия центробежных сил;
Крутящий момент, передаваемый колонной для
разрушения горной породы на забое;
Напряжение растяжения, вызванное прокачиванием
под давлением бурового раствора.
В зависимости от возникающих усилий опасными
могут являться:
верхнее сечение бурильных труб в момент начала
подъема;
верхнее сечение бурильных труб при бурении
(совместное действие растяжения от собственного веса и кручение);
нижнее сечение бурильных труб в месте резьбового
соединения (совместное действие усилий сжатия и кручения).
Для расчета бурильной колонны на прочность
необходимо знать нагрузки и возникающие в результате их действия напряжения в
любом сечении бурильной колонны. Однако определить напряжения точно довольно
трудно, так как бурильная колонна не является стержнем постоянного сечения
вследствие наличия высаженных концов на трубах, бурильных замков и
переводников, поэтому приходиться рассчитывать напряжения приближенно, а
неучтенные силы компенсировать коэффициентом запаса прочности, устанавливаемым
на основании опыта эксплуатации бурильных труб.
Определяем вес КНБК (компоновка низа бурильной
колонны):
(2.35)
где
- вес долота, кг;
кг;
- вес винтового забойного двигателя, кг;
кг;
- вес калибратора спирального, кг;
кг;
- вес утяжеленных бурильных труб, кг;
кг.
кг.
. Расчет первой секции. Выбираем
трубы БН-73х9 Д.
(2.36)
где
- растягивающая нагрузка, при которой
напряжение в теле трубы достигает предела текучести, тс;
тс;
- запас прочности на растяжение при бурении
наклонно-направленных скважин;
;
- коэффициент, обеспечивающий величину сил при
СПО бурильной колонны;
- перепад давления при бурении;
;
- площадь сечения трубы;
см2;
- приведенная масса 1 м. трубы;
кг.
м.
Учитывая конструкцию и проектную
глубину скважины принимаем длину первой секции бурильных труб БН-73х9 Д L1 =
1146 м.
Вес первой секции:
т.
Фактическая растягивающая нагрузка
труб первой секции:
т.
Определим расчетный коэффициент
запаса прочности:
Условие прочности n = 1.57 < n1 =
3.23 выполняется.
.Расчет второй секции:
Допустимая растягивающая нагрузка
для труб второй секции ПН - 89x9 Д:
(2.37)
где
- растягивающая нагрузка, при которой
напряжение в теле трубы достигает предела текучести, тс;
тс;
 .
Допустимая длина второй секции:
(2.38)
где
- приведенная масса 1 м. трубы;
кг.
м.
Длину второй секции принимаем равной
L2 = 1750 м.
Вес второй секции:
т.
Фактическая растягивающая нагрузка
труб первой секции:
т.
Определим расчетный коэффициент
запаса прочности:
Условие прочности n = 1.5 ЈЈ n2 =
1,50 выполняется.
.Расчет третьей секции.
Допустимая растягивающая нагрузка
для труб третьей секции ПН - 89x9 Е:
(2.39)
где
- растягивающая нагрузка, при которой
напряжение в теле трубы достигает предела текучести, тс;
тс;
тс.
Допустимая длина второй секции:
(2.40)
где
- приведенная масса 1 м. трубы;
кг.
м.
Длину второй секции принимаем равной
L3 = 150 м.
Вес второй секции:
т.
Фактическая растягивающая нагрузка
труб первой секции:
т.
Определим расчетный коэффициент
запаса прочности:
Условие прочности n = 1.5 ЈЈ n3 =
1,98 выполняется.
Параметры бурильной колонны сводим в
таблицу 2.5.
Таблица 2.5 - Бурильная колонна по
секциям
|
Типоразмер
бурильных труб
|
Марка
стали
|
Длина
секции, м
|
Интервал
установки, м
|
Вес
секции, кг
|
|
|
|
от
|
до
|
|
|
БН-73x8
|
Д
|
1146
|
1900
|
3046
|
21700
|
|
ПН-89x9
|
Д
|
1750
|
150
|
1900
|
38200
|
|
ПН-89x9
|
Е
|
150
|
0
|
150
|
3300
|
|
ИТОГО
|
|
3046
|
|
|
63200
|
2.5 Крепление скважины
.5.1 Расчёт обсадных колонн
Обсадные колонны для горизонтальных скважин, как
и для вертикальных, рассчитывают на растягивающую нагрузку, наружное и
внутреннее избыточные давления со следующими отличиями:
запас прочности на растяжение выбирают с учетом
интенсивности искривления ствола;
при определении наружных и внутренних давлений
положения характерных точек наклонно направленных скважин определяют по их
вертикальным проекциям;
натяжение обсадной колонны рассчитывают только
для верхнего вертикального участка наклонно направленных скважин, а не для
всего ствола, как для вертикальных скважин.
Страгивающую нагрузку, при которой напряжения в
наиболее опасном сечении резьбового соединения с треугольным профилем достигают
предела текучести, определяют по формуле Яковлева-Шумилова.
Для выбора числа обсадных колонн и глубины их
спуска строят совмещенный график изменения пластового давления Pпл, давления
гидроразрыва пород Pгр и гидростатического давления столба бурового раствора на
основании исходных данных в координатах глубина - эквивалент градиента давления
(рис. 2.7 а, б).
По графику находят зоны крепления интервалов,
которые и определяют число обсадных колонн в данной конструкции скважины и
глубины их спуска.
Рисунок 2.7 а - Совмещенные графики давлений для
выбора конструкций субгоризонтальной и горизонтальной скважин
Рисунок 2.7 б - Совмещенные графики давлений для
выбора конструкций субгоризонтальной и горизонтальной скважин
Исходные данные:
- глубина спуска эксплуатационной колонны;
- глубина снижения жидкости в колонне;
- плотность нефти;
- плотность бурового раствора;
- плотность цементного раствора;
- плотность горной породы;
- плотность опрессовочной жидкости;
- коэффициент, учитывающий разгрузку колонны на
цементное кольцо
За расчетную плотность флюида в
стволе скважины примем плотность пластового флюида, т.к. в этом случае получим
наиболее напряженное состояние колонны труб.
Расчётные сечения:
- устье скважины;
- уровень снижения жидкости в колонне при
испытании скважины на герметичность;
- промежуточное сечение;
- промежуточное сечение;
- низ эксплуатационной колонны 140х168.
Расчет наружных избыточных давлений
c учетом снижения уровня жидкости в колонне:
Рассчитываем пластовое давление по
формуле:
(2.41)
Так как < , то считаем
по цементному раствору (при подсчете по получаем более нагруженное состояние).
В зацементированной зоне наружные
избыточные давления вычисляем по формуле:
(2.42)
где
- расчетное сечение скважины;
Учитывая снижение уровня жидкости в
колонне, следует отметить, что удельный вес жидкости в колонне до глубины 1800
м будет равен нулю.
Расчет внутренних избыточные
давлений для системы эксплуатационная колонна + давление опрессовки на забое
скважины (2874 м):
Расчетное давление на устье
эксплуатационной колонны водой находим по формуле:
(2.43)
Рассчитываем давление опрессовки:
Так как давление опрессовки меньше
минимального, равного 21.0 МПа, то принимаем давление опрессовки равное 21.0
МПа ( ).
Рассчитываем максимальные внутренние
избыточные давления по формуле:
(2.44)
Подбор обсадных труб эксплутационной
колонны производится из самых жестких (максимальных) наружных и внутренних
избыточных давлений.
Таблица 2.6 - Параметры обсадной
колонны
|
Номер
секции
|
1
|
2
|
3
|
|
Тип
соединения
|
БАТРУ
|
ОТТМ
Б
|
ОТТМ
Б
|
|
Диаметр
трубы, мм
|
140
|
168
|
168
|
|
Марка
(группа прочности)
|
Р-110
|
Е
|
Д
|
|
Толщина
стенки, мм
|
10,54
|
8,9
|
8,9
|
|
Интервал
установки, м
|
1945
- 2874
|
1590
- 1945
|
0
- 1590
|
|
Длина
секции, м
|
929
|
355
|
1590
|
|
Масса
секции, т
|
31,12
|
12,85
|
57,40
|
|
Нарастающая
масса, т
|
31,12
|
43,94
|
101,34
|
|
Коэффициенты
прочности
|
n1
|
2,71
|
1.12
|
1.05
|
|
n2
|
2,67
|
1,59
|
1,15
|
|
n3
|
>3
|
>3
|
1,28
|
2.5.2 Цементирование обсадных колонн
Способы цементирования
Одноступенчатое цементирование. Из всех способов
первичного цементирования наиболее распространенным является одноступенчатое
через башмак обсадной колонны (рис.2.10).
После окончания промывки скважины в обсадную
колонну вставляют нижнюю разделительную пробку, навинчивают специальную
цементировочную головку, боковые отводы которой с помощью трубопроводов соединяют
с цементировочными насосами, и внутрь колонны закачивают цементный раствор.
Рисунок 2.8 - Схема одноступенчатого
цементирования: а - закачка цементного раствора; б - начало закачки продавочной
жидкости; в - заключительная стадия продавки цементного раствора; 1 -
цементировочная головка; 2 - боковые отводы; 3 - цементный раствор; 4 - нижняя
пробка; 5 - обсадная колонна; 6 - упорное кольцо; 7 - обратный клапан; 8 и 9 -
краны высокого давления; 10 - верхняя пробка; 11 - промывочная жидкость; 12 -
продавочная жидкость
Плотность цементного раствора почти всегда выше
плотности промывочной жидкости в скважине, поэтому по мере того, как колонна
заполняется цементным раствором, разность давлений столбов жидкости в ней и кольцевом
пространстве возрастает, а давление в цементировочных насосах и цементировочной
головке уменьшается. С того момента, как цементный раствор начнет выходить в
кольцевое пространство, давление в насосах и цементировочной головке вновь
возрастает.
Как только верхняя пробка достигнет нижней и
остановится, давление в колонне начнет резко возрастать. Быстрый рост давления
(«скачок») служит сигналом для прекращения закачки в колонну продавочной
жидкости. Краны цементировочной головки закрывают, а колонну оставляют в покое
на период твердения цементного раствора. Разделительные пробки изготовляют из
легкоразбуриваемых материалов (резина, пластмасса, дюраль). Если колонна
оборудована прочными и герметичными обратными клапанами, после окончания
закачки продавочной жидкости (продавки) ее целесообразно оставлять открытой на
устье.
При цементировании длинных колонн сигнал об
остановке верхней пробки приходит на поверхность и фиксируется манометром на
устье с запозданием на несколько секунд. Это опасно, так как закачка жидкости в
колонну продолжается, и под влиянием быстро возрастающего давления могут быть
разрушены пробка, упорное кольцо или колонна. Во избежание этого целесообразно
на некотором расстоянии (150-200 м) от упорного кольца устанавливать
стоп-кольцо (рис.2.11).
Рисунок 2.9 - Стоп - кольцо: 1 -
втулка; 2 - шпилька; 3 - кольцо; 4 - резиновые кольца
Такое кольцо укрепляют в колонне с
помощью тарированных шпилек. В момент, когда верхняя пробка достигнет
стоп-кольца и давление в колонне резко возрастет, возникнет сигнал, который
через несколько секунд будет зафиксирован на поверхности как скачек стрелки
манометра. При повышении давления на 3-4 МПа шпильки срезаются, и пробка продолжает
двигаться к упорному кольцу. Получив на поверхности сигнал, операторы смогут
своевременно прекратить закачку продавочной жидкости.
Двухступенчатое цементирование. В
этом случае интервал цементирования делят на две части, а в обсадной колонне у
границы раздела устанавливают специальную цементировочную муфту (рис. 2.10).
Рисунок 2.10 - Муфта для
ступенчатого цементирования: 1- корпус; 2 - уплотнительные кольца; 3 - верхняя
втулка; 4- срезные штифты; 5 - запорная втулка; 6 - отверстия для цементного
раствора; 7 - нижняя втулка; 8- ограничитель для нижней втулки
Снаружи колонны над муфтой и под ней
размещают центрирующие фонари. Место установки муфты выбирают в зависимости от
причин, вызвавших проведение ступенчатого цементирования. В газовых скважинах
цементировочную муфту устанавливают на 100-200 м выше кровли продуктивного
горизонта.
Рисунок 2.11 - Схема
двухступенчатого цементирования: а - закачка цементного раствора для нижней
ступени; б - перед окончанием цементирования нижней ступени; в - промывка
скважины после цементирования нижней ступени; г - продавка цементного раствора
для верхней ступени; д - окончание цементирования верхней ступени: 1 -
цементировочная головка; 2 - обсадная колонна; 3 - цементный раствор для нижней
ступени; 4 - промывочная жидкость; 5 - верхняя втулка муфты; 6 и 9 - срезные
штифты; 7 - нижняя втулка; 8 - отверстие в муфте; 10 - ограничитель перемещения
нижней втулки; 11 - продавочная жидкость для нижней ступени; 12 - шар; 13 -
верхняя разделительная пробка; 14 - цементный раствор для второй ступени; 15 -
продавочная жидкость для второй ступени
Сначала цементируют нижнюю часть
колонны. Для этого в колонну закачивают первую порцию цементного раствора в
объеме, необходимом для заполнения кольцевого пространства от башмака колонны
до цементировочной муфты (рис. 2.13, а), а затем продавочную жидкость. Для
цементирования первой ступени объем продавочной жидкости должен быть равен
внутреннему объему колонны. Закачав продавочную жидкость, сбрасывают в колонну
шар 12 (рис. 2.13, б).
Под действием силы тяжести шар
опускается по колонне и садится на нижнюю втулку 7 цементировочной муфты. Тогда
вновь начинают закачивать продавочную жидкость в колонну. Давление в ней над
пробкой возрастает, втулка 7 смещается вниз до упора 10, а продавочная жидкость
через открывшиеся отверстия 8 выходит за колонну. Через эти отверстия скважину
промывают, пока не затвердеет цементный раствор (от нескольких часов до суток)
(рис. 2.13, в).
Если же при цементировании скважины
существует опасность поглощения, место установки муфты рассчитывают так, чтобы
сумма гидродинамического давления и давления столба растворов в затрубном
пространстве была меньше давления разрыва пласта. Цементировочную муфту следует
размещать напротив устойчивых непроницаемых пород и центрировать фонарями.
Цементирование хвостовиков.
Хвостовики цементируют в одну ступень через башмак, причем нижнюю
разделительную пробку не применяют. Поскольку диаметры хвостовика и бурильных
труб, на которых его спускают, существенно различны, для разделения цементного
раствора и продавочной жидкости используют секционную верхнюю пробку. Такая
пробка состоит из двух секций. Нижняя секция выполняется по диаметру
хвостовика, имеет внутренний проходной канал и при спуске хвостовика в скважину
подвешивается при помощи срезных шпилек в разъединителе. Верхняя же секция
изготовляется под внутренний диаметр бурильных труб. Ее сбрасывают в бурильные
трубы сразу же после закачки цементного раствора. В процессе закачки
продавочной жидкости в бурильную колонну верхняя секция, продвигаясь вниз,
садится на нижнюю; при этом давление жидкости возрастает, шпильки срезаются, и
пробка движется дальше по хвостовику до упорного кольца. По окончании продавки
скважину, начиная от верхнего конца хвостовика, промывают, удаляя попавший сюда
цементный раствор. Для этого в конце закачки продавочной жидкости в бурильные
трубы сбрасывают шар, который перекрывает отверстие во втулке разъединителя;
при этом срезаются шпильки, втулка смещается вниз и открывает отверстия для
выхода жидкости в заколонное пространство.
Аналогично цементируют нижние
участки обсадных колонн при спуске секциями.
Цементные растворы
Для цементирования нашей скважины
применяется высококачественный портландцемент марок ПТЦ-II-50 для
цементирования кондуктора, и ПТЦ-I-100 для цементирования технических и
эксплуатационной колонн.
При смешивании с водой тампонажный
цемент образует легкоподвижный раствор, который с течением времени загустевает
и постепенно превращается в прочный цементный камень. Сроки и прочность
схватывания цементного раствора зависят от качества цементного порошка,
тонкости его помола, количества и качества содержащейся в растворе воды.
Количество воды для затворения
раствора определяется водоцементным фактором, выражающим массовое соотношение
воды и сухого цемента в единице объема раствора:
= B/Ц
Обычно принимают m = 0,4 - 0,5. При
меньших значениях m мал период жидкого состояния раствора, а при больших -
резко снижается прочность цементного камня.
Применяемый при эксплуатационном
бурении цемент имеет начало схватывания, т.е. начинает терять подвижность, не
ранее 3 ч и не позднее 3 ч 30 мин после затворения и до начала схватывания
цементного раствора необходимо произвести его закачивание к намеченному месту
установки.
Конец схватывания цементного
раствора, когда он полностью теряет подвижность, наступает не позднее 3 ч после
начала схватывания. От начала и до конца схватывания цементный раствор должен
находиться в покое, так как перемешивание его отрицательно сказывается на
прочности цементного камня.
Повышение температуры среды, в
которой находится цементный раствор, является активным ускорителем его
схватывания. По этому в глубоких скважинах с высокой температурой у забоя
применяют специальные цементы, на которые температура оказывает меньшее
влияние.
Кроме того, для замедления
схватывания используют длительную промывку скважины сильно охлажденной
промывочной жидкостью, а также добавление в цементный раствор замедлителей
схватывания, в качестве которых применяют сернокислое железо, ССБ или КМЦ в
количестве до 1% от массы сухого цемента. Весьма целесообразно введение в
цементный раствор тонко измельченного кварцевого песка (до 30-40 % от массы
сухого цемента) с добавкой КМЦ. При этом наряду с замедлением схватывания
раствора экономится дорогостоящий портландцемент и повышается устойчивость
цементного камня к воздействию на него агрессивных сульфатных вод.
Приготовление цементного раствора
осуществляется в обычных глиномешалках или в специальных цементно-смесительных
машинах. В нашем случае применялись машины 2СМН - 20.
Перед проведением цементирования
обсадных колонн определяют: необходимую высоту подъема тампонажного раствора за
колонной с учетом требований охраны недр; выбирают способ цементирования и
тампонажные материалы в зависимости от геологических и физико-химических
условий проведения работ; производят расчет цементирования скважины, на
основании которого определяют количество требуемых материалов, число
цементировочных агрегатов, цементно-смесительных машин и другого оборудования.
По истечении времени, необходимого
для твердения цементного раствора, проверяют герметичность колонны, а затем
герметичность затрубного пространства.
Проверка герметичности колонны и
затрубного пространства может быть проведена двумя способами: опрессовкой или
понижением уровня жидкости в скважине.
Расчёт цементирования
эксплуатационной колонны 140х168 мм
Расчет цементирования скважины
производится с целью определения потребного количества материалов (цементного
порошка, воды, продавочной жидкости), выбора типа насоса или цементировочного
агрегата.
Объем цементного раствора,
необходимый для создания в затрубном пространстве цементного кольца высотой H и
цементного столба внутри колонны высотой h (рис.2.14), определяется по формуле:
(2.48)
где-
коэффициент учитывающий увеличение объема цементного раствора, расходуемого на
заполнение каверн;=1,2;- диаметр долота, м;- наружный диаметр обсадных труб,
м;- внутренний диаметр обсадных труб, м;- высота цементного стакана, м;ц -
интервал цементирования, м.
Рисунок
2.12 - Схема к расчету цементирования скважины
Количество
сухого цемента для приготовления 50 % раствора вычисляем по формуле:
, кг (2.49)
где
- удельный
вес цементного раствора, ;
-
коэффициент, учитывающий наземные потери при затворении цементного раствора;
.
Необходимое
количество воды для приготовления цементного раствора 50 % консистенции:
(2.50)
Потребное
количество продавочной жидкости определим по формуле:
(2.51)
где
-
коэффициент, учитывающий сжатие глинистого раствора;
Принимаем
Определяем
подачу агрегатов:
(2.52)
где
- скорость
подъема тампонажного раствора ( = 1,8 м/с);
Число
цементировочных агрегатов определяем по формуле:
(2.53)
где
- подача
цементировочного агрегата, м3/с;
Потребное
количество цементосмесительных машин:
(2.54)
гдеб
- емкость бункера цементосмесительной машины - 10 м3
Аналогично
рассчитано цементирование остальных обсадных колонн (см табл. 2.6).
Таблица
2.7 - Сведения о цементировании обсадных колонн
Название
колонны Способ цементирования Номер ступени
цементирования Интервал цементирования, м Объем порции, Плотность,
тампонажного р-ра,
Время ОЗЦ,
|
час
|
|
|
|
|
|
|
от
|
до
|
Тампонаж-ный
р-р
|
Продавочная
ж-ть
|
|
|
|
Кондуктор
ммпрямой1022522,815,8183048
|
|
|
|
|
|
|
|
|
|
Промежуточная
ммпрямой10209562,185,6183048
|
|
|
|
|
|
|
|
|
|
Потайная
ммпрямой1199524858,132,8195048
|
|
|
|
|
|
|
|
|
|
Эксплуатационная
ступенчатый1220028748,147,5195048
|
|
|
|
|
|
|
|
|
|
|
2
|
0
|
2200
|
39,9
|
38,3
|
1830
|
48
|
Работы по подготовке цементирования должны
составлять не более 75% от времени схватывания тампонажного раствора.
2.6 Заканчивание скважин
После ОЗЦ и разбуривания излишнего цемента
эксплуатационная колонна подвергается испытанию на герметичность двумя
способами - избыточным давлением и снижением уровня в скважине. Колонна
считается герметичной, если при испытании избыточным давлением оно снизилось в
течение 30 минут на величину не более 5 кгс/см2, а при снижении уровня в
течение 8 часов уровень поднимается не выше 2 м. В отдельных случаях величина
избыточного давления и глубина снижения уровня могут быть изменены по
согласованию с авторами проекта.
Верхняя часть эксплуатационной колонны
оборудуется устройствами, позволяющими нормально эксплуатировать скважину. Для
всех скважин на устье монтируют фонтанные арматуры. Выбор типа колонной головки
и фонтанной арматуры производят по величине ожидаемого устьевого давления и
дебита.
Фонтанная арматура монтируется так, чтобы был
свободный доступ к любой из ее задвижек. Выкидные линии, идущие от фонтанной
арматуры к амбару, не уложенные в траншею, должны быть закреплены с помощью
анкеров. На фонтанной арматуре устанавливают два манометра: на буфере фонтанной
елки и затрубном пространстве. На выкидных линиях монтируется кран высокого
давления для отбора проб.
2.6.1 Вызов притока
Движение жидкости из пласта к забою скважины
возможно только при соблюдении следующего неравенства:
где
- пластовое давление;
- забойное давление;
- давление, необходимое для преодоления сил
сопротивления движению пластовой жидкости в призабойной зоне пласта.
В статическом состоянии забойное
давление зависит от глубины скважины по вертикали и удельного веса жидкости,
которой заполнена скважина:
Сопротивления движению жидкости в
пласте нередко столь высоки, что при наличии перепада давлений (депрессии)
между пластовым и забойным давлениями приток вызвать не удается. Поэтому
мероприятия по вызову притока должны предусматривать как создание депрессии,
так и возбуждение пласта одним или несколькими ниже описанными методами.
Создание депрессии в зависимости от
геолого-технических характеристик пласта и скважины осуществляют: уменьшением
плотности жидкости в скважине (заменой бурового раствора на воду, закачкой в
скважину пены, аэризацией жидкости) или снижением уровня с (помощью сваба, компрессора,
погружной насосной установки).
Замена глинистого раствора в стволе
скважины водой. Замену жидкости необходимо производить обратной промывкой.
Разность плотностей жидкостей при замене должна быть таковой, чтобы
максимальное давление в затрубном пространстве не превышало 150 атм. (с учетом
гидравлических потерь).
Вызов притока методом аэрации.
Сущность процесса аэрации состоит в постепенном снижении удельного веса воды в
скважине путем ввода в нее сжатого воздуха.
Воздух смешивается с водой и, попадая
в межтрубное пространство, а затем и в лифтовые трубы производит работу по
подъему жидкости, снижает ее удельный вес. При этом депрессия плавно
увеличивается и в определенный момент скважина начинает фонтанировать.
Смешивание воздуха с водой
происходит в специальном приспособлении - аэризаторе.
Соотношение воды и воздуха
подаваемые в скважину должно обеспечить равномерное распределение пузырьков в
воде и продвижение всей смеси до башмака лифтовых труб без образования
воздушной подушки.
Для контроля за качественным
проведением процесса на нагнетательной линии до аэризатора следует
устанавливать расходомер воздуха.
Процесс аэрации следует начинать при
заполненной жидкостью скважине.
При начале работы пласта аэризацию
прекращают и не возобновляют, если пласт работает самостоятельно. Скважину
переключают на амбар для отработки.
Основным условием эффективности
процесса аэризации является равномерная подача воздуха и регулирование подачи
жидкости. При этом желательно, чтобы давление на нагнетательной линии было близким
к максимальному.
Свабирование. Свабирование - этот
способ используют при спущенных в скважину НКТ и установленных на устье
арматуры. В НКТ спускают на канате поршень, имеющий клапан, который открывается
при ходе вниз поршня, и закрывается при ходе вверх. Уровень жидкости
уменьшается, следовательно, уменьшается забойное давление.
2.6.2 Возбуждение пласта и
интенсификация притока
При первичном и вторичном вскрытии
пласта искусственно могут быть созданы условия, при которых между продуктивной
частью пласта и скважиной образуется буферная зона, непроницаемая для пластовых
флюидов при перепадах, созданных при вызове притока. Эту зону необходимо
сделать проницаемой.
Для создания каналов для условий
белорусских месторождений применяются солянокислотные ванны, совмещенные с
операцией повышения перепада давлений (определение приемистости пласта) метод
переменных давлений; солянокислотный разрыв пласта, воздействие на пласт с
помощью струйных насосов.
Метод переменных давлений (МПД)
В случае если отсутствует
приемистость при проведении кислотной ванны, а снижением давления на забой
скважины не удается вызвать приток из скважины, приступают к возбуждению пласта
методом переменных давлений (МПД).
Насосным агрегатом создают
избыточное давление в затрубном пространстве до величины опрессовки колонны,
затем агрегат останавливают и быстро открывают кран на трубках. После
прекращения истечения жидкости кран закрывают и операцию повторяют. Закачка
жидкости и ее стравливание составляют цикл. При МПД необходимо осуществить не
менее 30 циклов, причем при каждом цикле замерять количество закачиваемой в
скважину жидкости. Увеличение объема во времени указывает на наличие связи
скважины с пластом.
Кислотная обработка. Виды кислотных
обработок:
Соляно-кислотная ванна - применяется
для очистки фильтра и призабойной зоны скважины от образований полученных в
процессе добычи нефти, ремонта скважин;
Кислотная обработка (простая) -
предназначена для увеличения проницаемости призабойной зоны, за счет
растворения карбонатных разностей пород, железистых и других включений,
увеличения просветности каналов фильтрации;
Сульфатно-кислотная обработка -
предназначена для глубинного воздействия на пласт до 10 - 15 метров. Их следует
включать перед СКО;
Многообъемная КО - предназначена для
увеличения охвата пласта воздействием как по глубине так и по толщине;
Пенокислотная обработка -
предназначена в условиях неоднородных по фильтрационным свойствам пропласткам,
когда в пределах интервала перфорации имеются как совершенные, так и
несовершенные по степени вскрытия пропластки, в скважинах, где КО оказались
малоэффективны;
Циклическое воздействие на пласт
струйными насосами, депрессия - репрессия - направлено на очистку призабойной
зоны от продуктов буровых растворов, водной блокады и извлечения продуктов
реакции;
Комплексное воздействие на пласт -
применяется там, где в процессе проведения нужно выполнить оперативное дренирование
пласта после химической обработки.
При проведении КО башмак НКТ,
воронку или фильтр устанавливают на 1 - 7 метров ниже отверстий интервала
перфорации. Выполнение КО возможно с пакером и без пакера.
На нагнетательных линиях
устанавливают обратные клапана, которые предотвращают попадание жидкости из
скважины в емкость после остановки закачки, а также дают возможность сбрасывать
давление в нагнетательных линиях.
КО без пакера планируется при
условии, что допустимое рабочее давление не будет превышать давление опрессовки
колонны. Кислотный раствор закачивают по НКТ при открытом затрубе, после
заполнения кислотой затрубного пространства его закрывают. После этого
закачивают оставшийся объем кислотного раствора и продавливают его продавочной
жидкостью в объеме НКТ и затрубного пространства в интервале перфорации. Время
реагирования кислоты с породой должно составлять 3 - 4 часа. После этого
обратной промывкой вымывают продукты реакции.
Для интенсификации притока на
скважине №269 Речицкого месторождения следует применить соляно-кислотную ванну
и соляно-кислотную обработку с пакером.
2.6.3 Освоение скважины
Скважина, закончена испытанием, если
в ней получен промышленный приток нефти или газа, а также, если она
предназначена для использования в качестве нагнетания, подлежит освоению.
Объем работ по освоению зависит от
способа эксплуатации. Фонтанная скважина подключается к замерно-трапным
установкам, оборудуется площадкой для проведения исследовательских работ.
Скважина, эксплуатируемая механизированным способом подключается к трубопроводу
и обеспечивается наземным и подземным оборудованием. Оборудование выбирают в
зависимости от величины ожидаемого дебита.
Регламентировано время, по истечении
которого после приема скважины на баланс скважина должна быть введена в
действие.
Для фонтанных скважин:
Для скважин, оборудованных ШГН или
погружными ЭЦН:
где
- коэффициенты, учитывающие климатические
условия района и кустовой метод строительства, соответственно выдают плановые
отделы.
Перед демонтажом бурового
оборудования в скважину, как правило, закачивают жидкость, давление
гидростатического столба которой равно или превышает пластовое. Поэтому при
освоении скважины приходится повторно вызывать приток из пласта. В связи с этим
при глушении скважины следует использовать жидкости, не ухудшающие
проницаемость, имеющуюся после испытания.
Вытеснение жидкости глушения в
фонтанной скважине осуществляется одним из методов снижения забойного давления.
В насосных скважинах раствор, содержащий твердые частицы, следует заменить на
рассол или пластовую воду до спуска насоса.
С целью сокращения промежутка
времени между испытанием и вводом скважины в эксплуатацию, снижения затрат на
освоение и получение дополнительной добычи продукции время испытания и освоения
скважин следует совмещать.
2.6.4 Передача скважины в
эксплуатацию
Законченная испытанием нефтяная
скважина передается нефтегазодобывающему управлению для эксплуатации в
следующем порядке:
По окончании работ, предусмотренных
проектом строительства данной скважины, подрядчик в пятидневный срок
представляет НГДУ акт передачи в исполнительную документацию на скважину;
одновременно законченную
строительством скважину подрядчик предъявляет комиссии НГДУ, в работе которой
принимают участие представители ПРОМАТОМНАДЗОРа, санэпидемстанции, охраны
природы и военизированного инженерного отряда. НГДУ обязано в пятидневный срок
рассмотреть представленную документацию и при отсутствии претензий по вопросам
соблюдения проектных решений, качества выполненных работ, охраны окружающей
среды в процессе бурения и освоения принять скважину на баланс. Разногласия по
приемке скважин между НГДУ и подрядчиком рассматриваются комиссией, назначенной
приказом по объединению.
До сдачи скважины в эксплуатацию все
буровое оборудование должно быть демонтировано и размещено в специально
отведенном месте. При этом оборудование не должно находиться на выкидной линии
и в охранной зоне линии электропередач, а ремонтная установка от устья скважины
не ближе установленного правилами расстояния (высота вышки плюс 10 м).
Вокруг устья скважины подрядчик
(УБР, Нефтеспецстрой) оборудует прискважинную площадку размером 60х60 м (0,36
га), предназначенную для проведения работ на скважине в течение всего периода
ее эксплуатации. Площадка, предъявляемая к сдаче вместе со скважиной, должна
быть спланирована, освобождена от металлолома и хлама, иметь подъездной путь. В
отдельных случаях по договоренности с НГДУ сооружение площадки может быть
выполнено после сдачи скважины в эксплуатацию.
На принятой от подрядчика скважине
НГДУ в течение установленного срока обустраивает устье и прискважинную площадку
в соответствии с утвержденными ‘‘Типовыми проектами для каждого способа эксплуатации’’.
Законченная испытанием скважина, не
подлежащая передаче в эксплуатацию может быть временно законсервирована или
ликвидирована.
ГЛАВА 3. РАСЧЕТ СТОИМОСТИ
СТРОИТЕЛЬСТВА ЭКСПЛУАТАЦИОННОЙ (ДОБЫВАЮЩЕЙ) СКВАЖИНЫ № 269g1 РЕЧИЦКОГО
НЕФТЯНОГО МЕСТОРОЖДЕНИЯ
.1 Общие сведения
Основным документом для составления
сметной документации являются элементные сметные нормы скважин на нефть и газ.
Сметными нормами учтены современные методы ведения строительства нефтяных
скважин, достигнутый уровень техники, технологии и организации работ, новые
прогрессивные материалы [13, c. 194].
Подготовительные работы к
строительству нефтяных и газовых скважин. Элементными сметными нормами
предусматриваются земляные и планировочные работы; вырубка леса, корчевка пней,
сооружение подъездных путей; прокладка трубопроводов; сооружение низковольтных
и высоковольтных линий электропередач, сооружение телефонных линий связи.
Строительные и монтажные работы.
Содержит нормы на: строительство привышечных сооружений, сборку и передвижку
вышек, комплекты бурового и силового оборудования буровых установок, монтаж
бурового и силового оборудования, монтаж кабельных установок, строительные и
монтажные работы при строительстве нефтяных и газовых скважин, средства
контроля, диспетчеризация и управления процессом бурения.
Бурение и крепление скважины.
Включает нормы: оплаты труда буровой бригады; расхода электроэнергии; расхода
бурового раствора, глины и технической воды; расхода сухого цемента на 1 м³ раствора;
расхода материалов и запасных частей, расходуемых в процессе эксплуатации
бурового оборудования, износа бурильных труб и инструмента; на производство
цементирования и другие работы.
Испытание скважины. Включает нормы
оплаты труда специализированной бригады по испытанию скважин.
Промыслово-геофизические работы.
Нормы включают затраты труда ИТР и рабочих, расход основных и горюче-смазочных
материалов, перечень комплектующего оборудования, аппаратуры при исследовании
скважин.
3.2 Сводный сметный расчет стоимости
строительства эксплуатационной (добывающей) скважины № 269g1 Речицкого
нефтяного месторождения
Сметная стоимость строительства
скважины определена по расценкам сборников ЕРЕР 85 (СНиП IV-2-83) и в порядке,
установленном Инструкцией “О составе, порядке разработки, согласования и утверждения
проектно-сметной документации на строительство скважин на нефть и газ”
(ВСН39-86 Миннефтепром СССР).
Сметная стоимость оборудования,
материалов и конструкций принята на основе оптовых цен, введенных в действие с
01.01.82г. постановлением Совета Министров СССР от 04.01.81г. №5.
Предельная норма накладных расходов
принята в размере 11,6% (утверждена Миннефтепромом СССР для буровых организаций
ПО “Белоруснефть” в соответствии с постановлением Госстроя СССР от 22.04.83г.
№77).
Общий сметный расчет на строительство
скважины №269 Речицкого месторождения представлен в таблице 3.1
Таблица 3.1 - Общий сметный расчет
|
№
пп
|
Номер
сметного расчета
|
Наименование
работ и затрат
|
Стоимость
всего, руб.
|
|
|
|
Прямые
затраты
|
в
т.ч. основная з/п рабочих
|
Возврат
материа- лов
|
|
1
|
2
|
3
|
4
|
5
|
6
|
|
|
ГЛАВА
1
|
|
|
|
|
|
Подготовительные
работы к строительству скважины
|
|
1
|
1.1
|
Подготовка
площадки, строительство подъездного пути, трубопроводов, линий передач и др.
|
6714
|
|
|
|
2
|
1.1
|
Разборка
трубопроводов, линий передач и др.
|
2737
|
|
|
|
ИТОГО
по главе 1
|
9451
|
|
|
|
|
ГЛАВА
2
|
|
|
|
|
|
Строительство
и разборка вышки, привышечных сооружений, монтаж и демонтаж бурового
оборудования
|
|
3
|
2.1
|
Строительство
и монтаж
|
41149
|
|
10380
|
|
4
|
2.1
|
Разборка
и демонтаж
|
7738
|
|
|
|
5
|
2.2
|
Монтаж
и демонтаж установки УПА-60А
|
3107
|
|
698
|
|
ИТОГО
по главе 2
|
51994
|
|
11078
|
|
|
ГЛАВА
3
|
|
|
|
|
|
Бурение
и крепление скважины №269 Речицкого н.м.
|
|
6
|
3.1
|
Бурение
скважины
|
149484
|
|
0
|
|
7
|
3.1
|
Бурение
скважины (буровые промывочные жидкости)
|
29702
|
|
|
|
8
|
3.2
|
Крепление
скважины без стоимости обсадных труб
|
50171
|
|
|
|
9
|
3.2
|
Стоимость
обсадных труб
|
56163
|
|
|
|
10
|
3.2
|
Крепление
скважины (буровые промывочные жидкости)
|
4752
|
|
|
|
|
Горизонтальный
ствол скважины №269g1
|
|
11
|
3.1
|
Бурение
скважины
|
46786
|
|
0
|
|
12
|
3.1
|
Бурение
скважины (буровые промывочные жидкости)
|
14639
|
|
|
|
13
|
3.2
|
Крепление
скважины без стоимости обсадных труб
|
25202
|
|
|
|
14
|
3.2
|
Стоимость
обсадных труб
|
41348
|
|
|
|
15
|
3.2
|
Крепление
скважины (буровые промывочные жидкости)
|
2167
|
|
|
|
16
|
3
УПНПиРС
|
Работа
и содержание ССННБ
|
13607
|
|
|
|
ИТОГО
по главе 3
|
434021
|
|
0
|
|
|
ГЛАВА
4
|
|
|
|
|
|
Испытание
скважины №269 Речицкого н.м.
|
|
17
|
4.4
|
Испытание
скважины испытателем пластов на бурильных трубах в процессе бурения
|
3023
|
|
|
|
|
Горизонтальный
ствол скважины №269g1
|
|
18
|
4.5
|
Испытание
скважины испытателем пластов на бурильных трубах в процессе бурения
|
3152
|
|
|
|
19
|
4.5
|
Испытание
скважины на продуктивность в открытом стволе с установки УПА-60А
|
9251
|
|
|
|
ИТОГО
по главе 4
|
15426
|
|
|
|
|
ГЛАВА
5
|
|
|
|
|
20
|
|
Промыслово-геофизические
работы 4,8% по итогам глав 3 и 4
|
21573
|
|
|
|
|
ГЛАВА
6
|
|
|
|
|
21
|
|
Дополнительные
затраты при производстве строительных и монтажных работ в зимнее время 1,6%
по итогам глав 1 и 2
|
983
|
|
|
|
22
|
6.1
|
Эксплуатация
котельной установки
|
7457
|
|
|
|
ИТОГО
по главе 6
|
8440
|
|
|
|
ИТОГО
по главам 1-6
|
540905
|
|
11078
|
|
|
ГЛАВА
7
|
|
|
|
|
23
|
|
Накладные
расходы - 11,6% на итог прямых затрат по главам 1-6
|
62745
|
|
|
|
|
ГЛАВА
8
|
|
|
|
|
24
|
|
Плановые
накопления - 8% на итог прямых затрат по главам 1-6 и главы 7
|
48292
|
|
|
|
ИТОГО
по главам 1-8
|
651942
|
|
11078
|
|
|
ГЛАВА
9
|
|
|
|
|
|
Прочие
работы и затраты
|
|
25
|
|
Согласование
условий на спецводопользование “Белорусгеологии”
|
44
|
|
|
|
26
|
|
Экспертиза
органами Госпроматомнадзора готовности скважины к вводу в эксплуатацию
|
1200
|
|
|
|
27
|
|
Отвод
земельного участка
|
650
|
|
|
|
28
|
|
Возмещение
потерь с/х и лесохозяйственного производства
|
5737
|
|
|
|
29
|
|
Убытки
с/х производства
|
3583
|
|
|
|
30
|
|
Выплата
премий 5,6%
|
36509
|
|
|
|
31
|
|
Лабораторные
работы - 0,15% по итогам глав 3 и 4
|
674
|
|
|
|
32
|
|
Транспортировка
вахт
|
8934
|
|
|
|
33
|
|
Скважина
на воду
|
5085
|
|
150
|
|
34
|
9.3
|
Охрана
окружающей природной среды
|
15720
|
|
472
|
|
35
|
|
Разность
в стоимости амортизации импортного и отечественного оборудования (“DERRIK”)
|
10563
|
|
|
|
ИТОГО
по главе 9
|
88699
|
|
622
|
|
ИТОГО
по главам 1-9
|
740641
|
|
11700
|
|
|
ГЛАВА
10
|
|
|
|
|
36
|
|
Авторский
надзор - 0,2% по итогам глав 1-9
|
1481
|
|
|
|
|
ГЛАВА
11
|
|
|
|
|
37
|
|
Проектные
и изыскательские работы
|
7519
|
|
|
|
ИТОГО
по главам 1-11
|
749641
|
|
11700
|
|
|
ГЛАВА
12
|
|
|
|
|
38
|
|
Резерв
средств на непредвиденные работы и затраты - 5%
|
36954
|
|
|
|
ВСЕГО
по сводному сметному расчету в ценах 1985г., руб
|
786595
|
|
|
|
Возврат
материалов
|
|
|
11700
|
3.3 Расчет эффективности при
использовании КЛС (кабельной линии связи) через вертлюг
Бурение в интервале 2616 - 2912 м
осуществлялось с помощью КЛС через вертлюг. Было сделано 6 рейсов. Применение
КЛС через буровой вертлюг снижает затраты времени на наращивание бурильного
инструмента, а следовательно время на бурение. Так при использовании КЛС через
вертлюг время, затраченное на ПЗР, СПО и наращивание, для бурения данного
интервала составляет - 1,5 сут., а при использовании КЛС через переводник линии
связи - 2,3 сут. Экономия времени (Эв) от использования КЛС через вертлюг
равна: сут.
Также при использовании КЛС через
вертлюг обеспечивается сохранность каротажного кабеля от механических
повреждений; возможность вращения бурильного инструмента и безаварийная
эксплуатация КЛС при бурении с ТС; повышение эффективности управления
искривлением; повышение безопасности работ.
Если учесть, что среднее количество
повреждений кабеля за рейс без использования КЛС через вертлюг (1994 - 2001
гг.) составляет 0,15, а среднее время ожидания ремонта кабеля или замены
подъемника составляет 42 часа, то экономия времени от недопущеных аварий
(Эн.а.) составляет:
сут.
Общая экономия времени равна:
сут.
Результаты расчета сведены в таблицу
3.2
Таблица 3.2 - Результаты расчета
эффективности
|
№
скважины
|
Количество
рейсов
|
Интервал,
м
|
Время
бурения, ч
|
Затраты
времени при использоании КЛС через вертлюг (ПЗР, СПО, наращивание), сут.
|
Затраты
времени при использовании КЛС через переводник линии связи (ПЗР, СПО,
наращивание), сут
|
Среднее
количество повреждение кабеля за рейс без использования КЛС через вертлюг
(1994-2001 гг)
|
Среднее
время ожидания ремонта кабеля или замены подъемника,ч
|
|
|
|
|
|
|
|
|
|
|
|
|
|
|
|
|
|
|
от
|
до
|
|
|
|
|
|
|
269g-Речицкая
|
6
|
2616
|
2919
|
199,5
|
1,5
|
2,3
|
0,15
|
42
|
|
Экономия
от использования КЛС через вертлюг, сут
|
0,8
|
|
Экономия
от недопущеных аварий, сут
|
1,6
|
|
Итого,
сут
|
2,4
|
ГЛАВА 4. ОХРАНА ТРУДА И ЗАЩИТА
ОКРУЖАЮЩЕЙ СРЕДЫ В ДОБЫЧЕ НЕФТИ И ГАЗА
.1 Организация охраны труда на
нефтедобывающем предприятии
На основе государственной системы
законодательных актов по охране труда, ее положений и с учетом особенностей той
или отрасли народного хозяйства в каждой из них действует Единая отраслевая
система управления охраной труда. Структура такой системы предусматривает
единые требования к организации работ по охране труда в аппарате министерства,
промышленных и производственных объединениях, на предприятиях и в организациях
отрасли. Главные управления и отделы министерства в пределах своих функций
организуют внедрение новой техники и технологии, направленных на оздоровление
условий труда, контролируют включение в проекты всех требований охраны труда и
осуществляют руководство приемкой в эксплуатацию законченных строительством
объектов, обеспечивают финансирование и контроль за расходованием средств,
отпущенных на выполнение мероприятий по охране труда.
На предприятиях обязанность и персональная
ответственность за создание безопасных и здоровых условий труда возлагаются на
первого руководителя (начальника, директора), который подбирает управленческие
кадры и распределяет их функции в области управления охраной труда.
Начальник (директор) является единоличным
распорядителем людских, денежных и материальных ресурсов. Он не допускает ввод
в эксплуатацию объектов, если на них не обеспечены безопасные и здоровые
условия труда, контролирует выполнение комплексного плана улучшения условий
охраны труда и санитарно-оздоровительных мероприятий. Главный инженер совместно
с главными специалистами (главным геологом, главным механиком, главным
энергетиком) обеспечивает безопасные и здоровые условия труда при проведении
технологических процессов и строгое соблюдение ГОСТов, правил, инструкций. Он
организует внедрение последних достижений науки и техники, улучшает условия
труда, разрабатывает СПТ ССБТ, организует кабинеты по охране труда, участвует в
расследовании несчастных случаев и аварий, намечает мероприятия по
предупреждению и устранению их причин.
Помощник главного инженера - служба охраны труда
(заместитель главного инженера по технике безопасности, начальник отдела охраны
труда) контролирует выполнение требований охраны труда. Эта служба организует
обучение и пропаганду по охране труда, контролирует своевременность проведения
всех видов обучения во всех подразделениях предприятия, оказывает методическую
помощь по разработке и внедрению стандартов ССБТ, СТП ССБТ, инструкций по
охране труда, участвует в расследовании аварий и несчастных случаев, ведет их
учет и анализ, контролирует своевременность мероприятий по их предупреждению.
Непосредственную ответственность за безопасность
при проведении работ и использовании оборудования, инструментов, защитных
средств и за поведение рабочих на местах несет мастер. Он ежедневно проверяет
состояние оборудования, механизмов, предохранительных и сигнализирующих
устройств и при обнаружении неисправностей немедленно устраняет их. Мастер -
непосредственный руководитель работ повышенной опасности. В случаях отклонения
процессов от нормальных режимов он немедленно ставит в известность начальника
цеха (участка) и принимает необходимые меры по восстановлению режима. При
несчастных случаях мастер организует оказание первой до врачебной помощи,
немедленный вызов медицинской помощи, газоспасательной службы и пожарной
охраны.
4.2 Виды инструктажей по технике
безопасности и их периодичность
Для всех работников и должностных лиц
предусматривается вводный инструктаж при поступлении их на работу.
Такой инструктаж необходим в целях ознакомления
указанных работников с производственной обстановкой (назначением и условиями
работы отдельных объектов, цехов, предприятий в целом), организацией работы по
охране труда на данном предприятии, с обязанностями и ответственностью за
состояние охраны труда, а также с руководящими материалами (правилами, нормами,
приказами, постановлениями, директивными указаниями и т.п.) по вопросам охраны
труда.
Периодически один раз в три года или чаще, если
это предусмотрено специальными правилами, руководящие и
административно-технические работники предприятий и организаций проходят
проверку знаний по охране труда по профилю их служебных обязанностей. Вместе с
тем эти же работники обязаны проходить и внеочередную проверку знаний в
следующих случаях:
при вводе в действие новых правил охраны труда
или внесении в них дополнений или изменений;
при внедрении новых видов оборудования и
механизмов, вводе новых производств или технологических процессов в объеме
новых требований для этих видов оборудования;
при назначении впервые на работу в качестве лица
технического надзора или при переводе на другую должность, требующую
дополнительных знаний по охране труда;
в случаях неудовлетворительного состояния
техники безопасности на объектах;
по требованию вышестоящих организаций, органов
государственного надзора, в случае обнаружения недостаточных знаний правил,
норм, инструкций по охране труда.
В каждом конкретном случае объем и сроки
внеочередной проверки устанавливаются по распоряжению руководителей предприятия
или вышестоящей организации.
Обучение рабочих состоит из следующих этапов:
вводного инструктажа (при поступлении на
работу);
целевого обучения по охране труда на специальных
курсах или на предприятии;
инструктажа на рабочем месте;
проверки знаний и допуска к самостоятельной
работе;
повторного инструктажа;
разового инструктажа при смене вахты (смены);
целевого инструктажа;
внепланового инструктажа;
При вводном инструктаже поступающего на работу
знакомят с правилами внутреннего трудового распорядка, специфическими
особенностями данного производства, основными требованиями производственной
санитарии, техники безопасности и противопожарной охраны на объекте.
Целевое обучение по охране труда обязаны пройти
все рабочие в учебно-курсовом комбинате или индивидуальным методом у опытного
квалифицированного рабочего.
После целевого обучения работника обязательно
проводится инструктаж на рабочем месте с практическим показом безопасных
приемов и методов труда.
После вводного инструктажа, целевого обучения и
инструктажа на рабочем месте перед допуском работника к самостоятельной работе
у него проверяет знания по охране труда комиссия. Ежегодно рабочие и служащие
проходят периодическую проверку знаний по охране труда.
Работники, занятые на работах с повышенной
опасностью, перечень которых определяется руководителем предприятия, проходят
повторный инструктаж один раз в 3 мес. Исключение составляют рабочие, которым в
силу специфических особенностей выполняемых работ специальными правилами
устанавливаются другие сроки. Все остальные рабочие, независимо от квалификации
и стажа работы, повторный инструктаж должны проходить не реже одного раза в 6
мес.
Если на рабочем месте произошли незначительные
технологические изменения, не требующие повторного инструктажа, то при смене вахты
работающие проходят разовый инструктаж. Специальный инструктаж проводится также
перед получением задания на выполнение особо опасных работ.
Целевой инструктаж проходят при выполнении работ
не свойственных работнику по основной его профессии.
Внеплановый инструктаж проводят по приказу или
по требованию контролирующих органов.
4.3 Характеристика выполняемых работ
с точки зрения охраны труда
Производственные вредности и меры борьбы с ними
Для обеспечения безопасных условий труда при
буровых работах на скважине и выполнения основных требований по промышленной
санитарии и гигиене труда (санитарных норм СН 245 - 71, «Санитарных правил для
нефтяной промышленности», утверждённых Минздравом СССР 15.10.86 г.), персонал
должен быть обеспечен санитарно-бытовыми помещениями, средствами индивидуальной
защиты: спецодеждой, спецобувью, средствами защиты органов дыхания в
соответствии с нормами.
Работы на нефтегазодобывающих предприятиях
проводятся на открытом воздухе, в любую погоду и в любое время суток.
Комплекс неблагоприятных факторов,
воздействующих на здоровье работников, составляют производственные вредности.
Целый ряд производственных процессов в нефтегазодобыче связан со значительными
затратами физического труда, нервным напряжением. Вредное влияние на человека
оказывают, прежде всего, природные и нефтяные газы, пары нефти и конденсата.
При постоянном их вдыхании поражается центральная нервная система, снижается
артериальное давление, становится реже пульс и дыхание, понижается температура
тела. Для защиты от такого воздействия следует применять средства
индивидуальной защиты. Во многих технологических процессах имеет место
применение различного рода химических веществ, которые при попадании на кожу
человека или в его организм влекут за собой тяжёлые последствия. Для защиты от
соприкосновения химических веществ с кожей человека, рабочие должны быть одеты
в спецодежду и обувь для этого предусмотренные.
Сведения о вредных химических веществах
При бурении скважин возможность загрязнения
воздушной среды вредными веществами незначительна (при аварийных ситуациях).
Чаще загрязнение воздуха рабочей зоны происходит за счет выбросов дизельных и
других ДВС вспомогательных агрегатов.
ПДК предельных и непредельных углеводородов в
воздухе рабочей зоны - 300 мг/м3. ПДК оксида углерода (угарного газа) в воздухе
рабочей зоны 20 мг/м3.
В процессе бурения скважин и возникновении
аварийных ситуаций возможны выбросы природного газа, находящегося в
газохранилище, в окружающую среду. Природный газ состоит в основном из метана с
небольшой примесью этана, пропана и бутана. Метан - бесцветный газ, горюч и
воспламеняется от искр и пламени. Температура самовоспламенения метана - 537
град.С, концентрационные пределы воспламенения паров 5-15% по объему. ПДК
рабочей зоны - 300 мг/м3, ПДК атмосферы- 150 мг/м.
При вдыхании природный газ в больших количествах
вызывает повышенную заболеваемость органов дыхания, повреждение центральной
нервной системы, кожи. Вызывает головокружение, удушье, головную боль.
Природный газ гораздо опаснее, если он содержит соединение серы, особенно
сероводорода (ПДК H2 S - 10 мг/м ).
В процессе бурения скважин и возникновении
аварийных ситуаций (нефтегазопроявлений) возможны выбросы углеводородных газов,
нефти в окружающую среду. Попутный нефтяной газ состоит в основном из метана с
небольшой примесью этана, пропана, бутана, изобутана. Метан - бесцветный газ,
горюч и воспламеняется от искр и пламени. Температура самовоспламенения метана
-537 град. С, концентрационные пределы воспламенения нефтяного газа - 1,5-15%
по объему. ПДК углеводородного газа рабочей зоны -300 мг/м .
Вдыхание углеводородных газов, паров нефти в
больших количествах вызывает повышенную заболеваемость органов дыхания,
повреждение центральной нервной системы, кожи. Вызывает головокружение, удушье,
головную боль. Нефтяной газ гораздо опаснее, если он содержит соединения серы,
особенно сероводорода (ПДК H2S).
Естественное и искусственное освещение
Освещение производственных объектов может быть
естественным и искусственным. Естественное освещение бывает боковым, верхним и
комбинированным. К первому относится освещение через окна в наружных стенах, ко
второму - освещение через световые фонари и проемы в перекрытиях, к третьему -
освещение через световые фонари и окна. Естественное освещение в помещениях
регламентируется нормами, предусмотренными СНБ 2.04.05. - 98. « Естественное и
искусственное освещение».
Искусственное освещение производственных
объектов также регламентируется СНБ 2.04.05. - 98. «Естественное и
искусственное освещение». В них задаются как количественные (величина
минимальной освещенности, допустимая яркость в поле зрения), так и качественные
характеристики (показатель ослепленности, глубина пульсации освещенности),
которые важны для создания нормальных условий труда.
Производственные помещения должны освещаться в
первую очередь газоразрядными лампами независимо от принятой системы освещения
в связи с большими преимуществами их перед лампами накаливания экономического и
светотехнического характера.
В нефтяной и газовой промышленности для
освещения широко применяются лампы накаливания. Это связано с тем, что
светильники во взрывобезопасном исполнении выпускаются только для ламп
накаливания.
На объектах нефтяной и газовой промышленности,
особенно на групповых установках, в резервуарных парках, на территории буровой
установки, на открытых площадках для оборудования, на скважинах при проведении
текущего ремонта и других работ широко применяется прожекторное освещение.
Применяемое на производственных объектах
аварийное освещение должно быть рассчитано на напряжение электрического тока
12В.
Для буровых установок правилами безопасности в
нефтегазодобывающей промышленности установлена норма общей минимальной
освещенности (в люксах), которая равна 75.
Меры борьбы с шумом и вибрацией
Многие машины и агрегаты, применяемые при добыче
нефти, газа и конденсата, характеризуются высоким уровнем шума и вибрации.
Шум делится на механический и аэродинамический.
Шум механического происхождения возникает в результате соударения твердых тел,
упругих деформаций деталей машин, вибрации узлов или агрегатов в целом.
Вибрации машин и механизмов могут передаваться через их фундаменты на
конструкции зданий и сооружений, сопровождаясь шумом. Аэродинамический шум
возникает при больших скоростях движения газов, тел в воздухе, в результате
взрывных процессов и др. Снижение уровней шума и вибрации может достигаться
различными путями. Прежде всего, необходимо уменьшать их в самом источнике
образования, уменьшая поверхности соударяющихся частей, применяя безредукторные
передачи и т.д., а также соблюдать требования инструкций по монтажу
оборудования и технических условий на монтаж-демонтаж машин и механизмов. Если
смонтированное производственное оборудование создает повышенные вибрации и шум,
то его изолируют от строительных конструкций установкой на специальные
фундаменты (антивибрационные подставки), тем самым, ослабляя колебательную
энергию. Для устранения жесткой связи оборудования с фундаментом между ними
располагают амортизаторы. Если шум на рабочих местах всеми известными
средствами невозможно уменьшить до предельно допустимых уровней, то в этих
случаях следует применять либо дистанционное управление производственным
процессом из специальных кабин с необходимой звукоизоляцией, либо
индивидуальные средства защиты органов слуха (антифоны, бирюши, наушники и
др.). Для уменьшения пагубного действия шума и вибрации важно проведение
своевременного и качественного ремонта машин, а также других
организационно-технических мероприятий.
Меры электробезопасности
Каждый работник на своем рабочем месте должен
обеспечивать выполнение правил электробезопасности и строго выполнять все
требования инструкций.
Знание инструкций обязательно для всех
специалистов, руководителей и рабочих основного и вспомогательного составов.
Обслуживать электроустановки имеют право лица,
закрепленные за данной установкой, прошедшие инструктаж по электробезопасности,
проверку знаний.
При работе агрегатов запрещается открывать
доступ к токоведущим частям.
Лицам с 1-кв. группой запрещается устранять
какие-либо неисправности электрооборудования, переносного электроинструмента,
переносных электроламп и др.
Перед каждым пуском в работу установки с
электроприводом необходимо убедиться в:
наличии и исправности заземления;
отсутствии оголенных токоведущих частей;
наличии проверенных защитных средств;
исправности механической части оборудования;
наличии смазки в подшипниках скольжения;
наличии ограждений вращающихся частей и т.д.;
При наличии неисправностей пуск в работу
агрегата ЗАПРЕЩАЕТСЯ.
4.4 Организация пожарной охраны на
предприятии
Для предприятий нефтяной промышленности
характерна повышенная опасность по сравнению с предприятием других отраслей
народного хозяйства.
Бурение скважин связано с использованием на
буровых легковоспламеняющихся горюче-смазочных материалов и возможных
нефтегазопроявлений.
Строгое соблюдение правил пожарной безопасности
членами буровой бригады является одним из главных условии ритмичной и
безаварийной работы.
Важное значение на буровых имеет содержание
средств пожаротушения в постоянной готовности к использованию при возникновении
пожара.
За нарушение требований правил пожарной
безопасности рабочие буровой несут персональную ответственность в порядке,
установленном Правилами внутреннего трудового распорядка.
Общие требования безопасности
Все вновь поступающие, на предприятие рабочие и
инженерно-технические работники должны пройти инструктаж о мерах пожарной
безопасности на всех рабочих местах и предприятию в целом.
Ответственным лицом за пожарную безопасность
буровой и подсобных помещений является буровой мастер, на которого возлагается:
контроль за соблюдением пожарной безопасности на
буровой и прилегающей к ней территории;
обеспечение буровой и подсобных помещений
первичными средствами пожаротушения согласно перечня и содержание их в
исправном состоянии;
выполнение предложенных предписаний представителями
пожарной охраны;
организация противопожарного инструктажа на
рабочем месте для членов буровых бригад;
руководство буровой бригадой по тушению пожаров
в случае его возникновения до прибытия пожарной команды;
не допускать замазученность территории буровой,
загромождение дорог, подъездов к сооружениям буровой, средствам пожаротушения и
водоисточникам.
Каждая бурящаяся скважина должна быть обеспечена
водой для целей пожаротушения путем установки не менее 3-х пожарных стояков или
устройство водоема (водяные емкости) объемом не менее 30м.куб. с оборудованном
на нем центробежным насосом. В зимнее время пожарные краны, трубопроводы к ним
и задвижки должны быть утеплены.
Запрещается производить самовольное
переоборудование электросетей, устраивать временную электропроводку,
устанавливать кустарные предохранители и пользоваться электронагревательными
приборами не заводского изготовления.
Производство огневых работ разрешается по
наряду-допуску, выданному руководителем подразделения.
Запрещается на буровой: разведение костров,
отогревание механизмов и трубопроводов с помощью источников открытого огня. Для
курения должно быть определено специальное место.
Буровая установка должна быть обеспечена
телефонной или радиосвязью с постоянным вызовом.
Использование первичных средств пожаротушения
(пожарные рукава, коша, топоры, песок и т.д.) для целей не связанных с тушением
пожара запрещается.
Требования безопасности перед началом работы
Перед заступлением на работу, вахта обязана
проверить:
Наличие и исправность пожарного оборудования и
первичных средств пожаротушения;
Наличие воды в водяной емкости, песка в пожарных
ящиках;
Состояние рабочих мест, где перед этим
проводились огневые работы, ГСМ;
Противопожарное состояние жилого комплекса.
Похожие работы на - Сфагнум (сфагновый мох)
|