|
Вариант
|
3
|
|
Номер задания
|
11
|
|
Температура
|
-5 … +80 °С
|
|
Напряжение питания
|
5 В 4000 Гц
|
|
Точность измерения уровня
|
0.1%
|
|
Содержание в атмосфере
коррозийных агентов
|
I
|
|
Условия эксплуатации
|
УХЛ 5.1.1
|
|
Величина измеряемого
давления
|
780 мм рт. ст.
|
2.
Назначение датчика
Барометрический нивелир, прибор для относительного и абсолютного
определения высот, основанный на измерении разности давлений воздуха.
Барометрическое нивелирование основано на зависимости атмосферного давления от
высоты точки над уровнем моря. Известно, что с увеличением высоты на 10 м
давление падает примерно на 1 мм ртутного столба. Точность барометрического
нивелирования невысока; средняя квадратическая ошибка измерения превышения
колеблется от 0.3 м в равнинных районах до 2 м и более в горных. Прибор
предназначен для непрерывного измерения атмосферного давления, всё давление
которого передается на чувствительный элемент в форме пластины, на которою
приклеен тензорезистор. При помощи моста Уитсона и тензорезистора мы фиксируем
в виде электрического сигнала по напряжению механические упругие деформации
стержня в виде растяжения-сжатия, которые переводим в разность давлений,
включая температуру окружающего воздуха.
3.
Выбор и обоснование
схемы измерения
.1 Понятие о
барометрическом нивелировании
Барометрическое нивелирование основано на зависимости атмосферного
давления от высоты точки над уровнем моря. Известно, что с увеличением высоты
на 10 м давление падает примерно на 1 мм рт. ст.
Приближенное значение превышения между точками 1 и 2 можно вычислить по
формуле:
где
и
- давление в первой и во второй точках;
- барометрическая ступень; значения
выбирают из специальных таблиц.
Более точные формулы барометрического нивелирования получают, учитывая
закономерности распределения плотности и температуры воздуха по высоте.
Приведем полную формулу Лапласа:
В этой формуле:
- давление воздуха на высоте
и
соответственно,
- среднее значение давления,
- среднее значение высоты,
- среднее значение температуры и влажности воздуха,
- среднее значение широты,
- температурный коэффициент объемного расширения воздуха,
равный 0.003665
β - коэффициент, равный 0.00265,
- коэффициент, равный 18400 при некоторых стандартных
значениях давления воздуха и силы тяжести.
Известны и так называемые сокращенные барометрические формулы, в которых
значения некоторых параметров состояния атмосферы приняты фиксированными; так в
формуле М.В. Певцова:
где N = 18470,
принято:
= 9 мм рт. ст.,
= 55,
= 250 м,
= 740 мм рт. ст.
Точность барометрического нивелирования невысока; средняя квадратическая
ошибка измерения превышения колеблется от 0.3 м в равнинных районах до 2 м и
более в горных. Основные области применения барометрического нивелирования -
геология и геофизика.
Нивелирование - определение разности высот двух или
многих точек земной поверхности относительно условного уровня (напр., уровня
океана, реки и пр.), т.е определение превышения. Существуют следующие способы
нивелирования:
1. Геометрическое (нивелиром и рейками);
2. Тригонометрическое (угломерными приборами (в
осн. теодолитом посредством измерения наклонения визирных линий с одной точки
на другую);
. Барометрическое (при помощи барометра).
Превышение определяется по значениям атмосферного давления при помощи полной
барометрической формулы
. Гидростатическое (основано на свойстве
жидкости сообщающихся сосудов всегда находиться на одном уровне, независимо от
высоты точек, на которых установлены эти сосуды)
. Аэрорадионивелирование (осуществляется с
помощью радиовысотомеров, установленных на самолетах)
. Механическое (производится с помощью
приборов, автоматически вычерчивающих профиль проходимого пути)
. Стереофотограмметрическое
. Радиолокационное
3.2
Барометрическая формула
Барометрическая формула - зависимость давления или плотности газа от
высоты в поле тяжести.
Для идеального газа, имеющего постоянную температуру T и находящегося в
однородном поле тяжести (во всех точках его объёма ускорение свободного падения
g одинаково), барометрическая формула имеет следующий вид:
, где
- давление газа в слое,
расположенном на высоте h,
Из барометрической формулы следует, что концентрация молекул n (или
плотность газа) убывает с высотой по тому же закону:
, где
m - масса молекулы газа,- постоянная Больцмана.
Барометрическая формула может быть получена из закона распределения
молекул идеального газа по скоростям и координатам в потенциальном силовом
поле. При этом должны выполняться два условия: постоянство температуры газа и
однородность силового поля. Аналогичные условия могут выполняться и для
мельчайших твёрдых частичек, взвешенных в жидкости или газе. Основываясь на
этом, французский физик Ж. Перрен в 1908 году применил барометрическую формулу
к распределению по высоте частичек эмульсии, что позволило ему непосредственно
определить значение постоянной Больцмана.
Барометрическая формула показывает, что плотность газа уменьшается с высотой
по экспоненциальному закону. Величина
, определяющая быстроту спада
плотности, представляет собой отношение потенциальной энергии частиц к их
средней кинетической энергии, пропорциональной kT. Чем выше температура T, тем
медленнее убывает плотность с высотой. С другой стороны, возрастание силы
тяжести mg (при неизменной температуре) приводит к значительно большему
уплотнению нижних слоев и увеличению перепада (градиента) плотности.
Действующая на частицы сила тяжести mg может изменяться за счёт двух величин:
ускорения g и массы частиц m.
Следовательно, в смеси газов, находящейся в поле тяжести, молекулы
различной массы по-разному распределяются по высоте.
Реальное распределение давления и плотности воздуха в земной атмосфере не
следует барометрической формуле, так как в пределах атмосферы температура и
ускорение свободного падения меняются с высотой и географической широтой. Кроме
того, атмосферное давление увеличивается с концентрацией в атмосфере паров
воды.
Барометрическая формула лежит в основе барометрического нивелирования -
метода определения разности высот Δh между двумя точками по измеряемому в
этих точках давлению (
и
). Поскольку атмосферное давление зависит от погоды, интервал
времени между измерениями должен быть возможно меньшим, а пункты измерения
располагаться не слишком далеко друг от друга.
Барометрическая формула записывается в этом случае в виде:
(в м), где
t - средняя температура слоя воздуха между точками измерения,-
температурный коэффициент объёмного расширения воздуха.
Погрешность при расчётах по этой формуле не превышает 0,1-0,5 % от
измеряемой высоты. Более точна формула Лапласа, учитывающая влияние влажности
воздуха и изменение ускорения свободного падения.
3.3
Барометрическое
нивелирование
Барометрическое нивелирование или измерение высот - один из методов
нивелирования, основанный на установленной Блезом Паскалем в 1647 связи
давления воздуха с высотой точки над уровнем моря (Барометрическая формула).
Нивелирование даёт средство наносить на планы ряды возвышений и понижений
или профили местностей по определенным направлениям. Если для нивелирования
употребляются геодезические инструменты, то оно называется геодезическим, если
барометры - то барометрическим. Для измерения высоких гор употребляются особые
приёмы и приборы; способ вычисления - тригонометрический, и само измерение
называется этим словом. Есть также барометрический способ определения больших
высот. Перенесение барометра с одного места на другое, возвышенное над первым
на 10 м, сопровождается понижением ртути приблизительно на 1 мм, но дальнейшее
поднятие еще на 10 метров производит несколько меньшее понижение ртути, а следующее
поднятие - еще того меньшее. Измерение давления атмосферы с высотой усложняется
его температурой, так как холодный воздух тяжелее теплого. Вдобавок пары воды,
всегда содержащиеся в воздухе, количественно изменяются от многих причин,
действующих иногда вместе, иногда отдельно, что опять влияет на атмосферное
давление. Поэтому зависимость величины понижения ртутного столба в барометре с
высотой места, на которое он перенесен, очень сложна, и вычислить возвышение
одного места над другим из показаний барометра чрезвычайно трудно, коль скоро
эти два места значительно удалены одно от другого. Эта трудность ещё
увеличивается, если в одной местности происходят перемены в атмосфере, не
достигающие другой местности. В таких случаях приходится принять в расчёт среднюю
высоту ртутного столба в каждой из сравниваемых местностей, выведенную из
многолетних наблюдений.
Для наблюдения высоты места из барометрических наблюдений предложено
несколько формул; здесь приводится одна, выведенная Лапласом:
В этой формуле буквой Z означено искомое возвышение одной местности, в
которой высота барометра есть H мм над другой, в которой в то же время высота
ртути есть h мм, температура в первой местности есть t°, во второй t°1
- стоградусного термометра; буквою φ означена широта места.
По вставке в эту формулу величин, полученных наблюдениями, и по
выполнении всех вычислений получится высота (Z) одной местности над другой в
метрах. Есть другая формула, выведенная Бесселем и пополненная Плантамуром; еще
одну предложил Бабине. Вообще очень многие ученые старались улучшить способы
вычисления высоты места на основании наблюдений Барометрического нивелирования.
Все подобные способы и формулы названы гипсометрическими. Они послужили для
определения высот очень многих гор, но сравнения найденных так. обр. чисел с
определенными точным тригонометрическим путем показали, что гипсометрические
формулы приводят к ошибкам, которые невелики только в случае близости
сравниваемых пунктов; определить же с некоторой точностью высоту над
поверхностью моря некоторой части материка, очень удаленной от берега, по этим
формулам нельзя, даже если пользоваться, как было сказано выше, средними
высотами барометра, определенными из продолжительных наблюдений. Такие
сравнения были, между прочим, сделаны русским академиком Э. Х. Ленцем для
Каспийского и Азовского морей. В случае таких больших промежуточных расстояний
оказывается, что в разные времена года получаются различные высоты; поэтому теперь
есть много противников барометрического нивелирования между точками, весьма
отдаленными. С другой стороны, нивелирование небольших высот и на небольших
расстояниях приобретает значительное распространение благодаря последним
улучшениям в устройстве анероидов. В анероидах, имеющих форму металлической
коробки с волнистым или желобчатым верхним дном, из которой вытянут воздух, от
изменения атмосферного давления это дно более или менее вдавливается или
поднимается; движение дна передается посредством механизма, состоящего из
рычагов и колес, стрелке, показывающей на циферблате цифры, соответствующие
высоте ртутного столба в барометре. Во многих анероидах движение стрелки вдвое
и втрое значительнее движения ртутного столба в барометре, так что при
восхождении на такие малые высоты, для которых понижение ртути с трудом может
быть замечено, - стрелки анероидов могут передвигаться очень значительно; в
этом можно убедиться, переходя из одного этажа дома в другой с ртутным
барометром и чувствительным анероидом. Надо только знать, что в продажу
поступают анероиды очень различного достоинства. Анероиды Ноде (Naudet) с
циферблатом и стрелкой считаются лучшими; более простого устройства хорошие
анероиды, напр., Рейтца, снабжены микроскопом для измерения очень малых движений
указателя. Во всяком случае анероиды должны быть от времени до времени сверяемы
с нормальными барометрами, вдобавок при различных температурах, так как одно
нагревание и охлаждение анероида может сообщить стрелке значительное движение,
если только в нем нет специальных приспособлений для уничтожения влияния
температур. Самое худое при употреблении анероидов для серьезных целей - это
возможность нечаянного изменения или повреждения его, которое не лишит стрелку
движения, но может долгое время оставаться незамеченным и будет причиной многих
ошибок в наблюдениях.
Пригодность анероидов для нивелирования доказана опытом, но для той же
цели может служить ещё один прибор, ещё большей чувствительности. Происходящие
в атмосферном воздухе небольшие колебания, не указываемые обыкновенным
барометром, очень заметны на простом приборе, который может быть сделан даже
домашним образом. Если налить в склянку немного какой-нибудь жидкости и потом
закупорить пробкой, в которую вставлена стеклянная трубочка, идущая до дна склянки,
то жидкость, наполняющая часть трубочки, будет приходить в движение при всяком
изменении давления атмосферы, так как оно сопровождается увеличением или
уменьшением объема воздуха склянки. Но этот объем будет изменяться также и от
очень малых изменений температуры, и потому склянка должна быть окружена
дурными проводниками теплоты (гагачьим пухом, водой).
Дмитрий Иванович Менделеев устроил на этом основании настоящий
измерительный прибор, который он назвал дифференциальным барометром, а в
применении к нивелированию - высотомером. Этот прибор был испытан и при
надлежащем употреблении может быть полезен во многих случаях. Испытания
высотомера в окрестностях Гельсингфорса показали, что действительная высота
горы 20.44 сажени по измерениям высотомером средним числом на 0.12 сажени
больше; расстояние между двумя пунктами, в которых были сделаны измерения по
высотомеру, составляло 4 версты. В другом случае высотометр показал 10.28
сажени, когда действительная высота была 10.16 сажени.
3.4
Барометрическая ступень
Величина, определяющая изменение высоты в зависимости от изменения
атмосферного давления. Применяется при барометрическом нивелировании и при
пересчёте показаний статоскопа в разность высот.
Зависит от давления и температуры воздуха.
Наглядный смысл барометрической ступени - высота, на которую надо
подняться, чтобы давление понизилось на 1 ГПа.
Имеет место формула, являющаяся линеаризацией барометрической формулы
Бабине:
, где
- изменение высоты h, метры
- изменение давления, кПа
- значение барометрической ступени, м/кПа
T - температура,
p - давление, кПа
в месте измерения
Формула практически точна при небольших (десятки метров) изменениях
высоты.
Вычисление барометрической ступени
(смысл и размерности величин см выше).
Таблица величины барометрической ступени (м/кПа) для некоторых значений
давления и температуры:
|
Давление, кПа
|
Температура, °C
|
|
−40
|
−20
|
0
|
20
|
40
|
|
100
|
67
|
74
|
80
|
86
|
93
|
|
50
|
134
|
147
|
160
|
173
|
186
|
|
10
|
672
|
736
|
800
|
864
|
928
|
Пример.
При переносе барометра с уровня моря на холм давление уменьшилось на 2 мм рт. ст. Температура комнатная. Какова высота холма?
1 мм рт. ст.= 101.325/760 мм = 0.13332 кПа.
Положим, что давление на уровне моря равно стандартному: p = 101.325 кПа
Приращение давления:
Δp = - 2 мм рт. ст.= - 2 • 0.13332 кПа/мм
рт. ст.= - 0,26664 кПа
Из формулы: Q = 84.7 м/кПа (или 11.29 метра на 1 мм рт. ст.).
Изменение высоты (высота холма) Δh = 84.7 • 0.26664 = 22.59 ≈ 22.6 метра
Разницу можно вычислить также по барометрической формуле:
(в метрах),
Или
.
4.
Обзор аналогов
Аналогов не существует. Есть гораздо более успешные модели
барометрического нивелирования в которых не нужно использовать пластину на
растяжение и сильфон, который при условии наименьшего влияния на
чувствительность пластины будет высотой порядка 10 см, а роль пластины успешно
может выполнять только мембрана.
Но данная конструкция ограничена техническим заданием/условием.
.1
Первый известный
барометрический нивелир
.2
Барометрический
высотомер в самолетах
Барометрический высотомер предназначен для определения барометрической
высоты или относительной высоты полёта. Принцип действия барометрического
высотомера основан на измерении давления атмосферы. Известно, что с увеличением
высоты уменьшается и текущее атмосферное давление. Данный принцип положен в
основу прибора, который на самом деле измеряет не высоту, а давление воздуха.
Конструктивно прибор состоит из запаянной коробочки с мембраной, изменение
положения которой механически связано со стрелками, перемещающимися вокруг
шкалы, проградуированной в цифрах. На машинах со сравнительно низким,
практическим потолком (на Ан-2 и большинстве других поршневых самолётов, на
вертолётах) установлен двустрелочный высотомер ВД-10 или аналогичный
зарубежный, подобный обычным часам - только циферблат разделён не на 12, а на
10 секторов, каждый сектор для большой стрелки означает 100 м, а для маленькой
- 1000 м.
Аналогичный по конструкции высотомер ВД-20 (высотомер двустрелочный на
высоту до 20 км), установленный, например, на Ту-134, имеет отдельную
градуировку циферблата для короткой стрелки до 20 км. Примечательно, что данная
конструкция стала де-факто международным стандартом. Другие высотомеры,
например, УВИД-15, имеют лишь длинную стрелку (один оборот за 1000 м или 1000
фт высоты), а полная высота отображается цифрами в окне. Точность измерения
барометрических высотомеров (допустимая погрешность измерений) определяется
действующими стандартами и лежит, как правило, в пределах до 10 м.
Высота полёта воздушного судна над земной (либо водной) поверхностью
вычисляется как разность давлений между точкой нахождения прибора и давлением
воздуха на поверхности, высоту до которой необходимо измерить. Атмосферное
давление на поверхности (как правило, в районе аэродромов посадки, горных
массивов либо крупных опасных препятствий) сообщается экипажу наземными
службами. Для правильного отображения высоты полёта на приборе необходимо
вручную установить величину атмосферного давления на земле (или давление,
приведённое к уровню моря). Неправильная установка экипажем такого давления при
полётах с нулевой видимостью не раз становилась причиной авиакатастроф.
Нужно отметить, что в авиации могут применяться несколько вариантов
установки давления барометрического высотомера. В России и некоторых странах
СНГ при полетах ниже эшелона перехода (ниже нижнего эшелона) принято
устанавливать давление аэродрома (при заходе на посадку и вылете) или
минимальное давление на маршруте, приведённое к уровню моря (при полетах по
маршруту). В большинстве стран мира ниже нижнего эшелона отсчет высоты
выполняют по давлению, приведенному к уровню моря.
Для полётов по воздушным трассам (выше высоты перехода) в авиации
используется понятие эшелон, то есть условная высота, измеренная до изобары
(условной линии постоянного давления) 760 мм рт. ст., она же 1013 мбар (гПа)
или 29,92 дюйма рт. ст. Установка на всех воздушных линиях всеми без исключения
воздушными судами одинакового давления на барометрических высотомерах создаёт
единую для всех систему отсчёта, позволяющую осуществлять безопасное воздушное
движение. Снижение воздушного судна на посадку без достоверной информации об
атмосферном давлении в районе аэродрома категорически запрещается.
По требованиям ИКАО на всех воздушных судах устанавливается т. н.
диспетчерский высотомер (например, типа УВИД), который, помимо показа высоты на
шкале, выдаёт сигнал высоты самолётному ответчику, благодаря чему авиадиспетчер
может видеть на экране точную высоту воздушного судна.
.3 Парашютный высотомер
Парашютный высотомер - это обычный барометрический высотомер с удобным
креплением на руку. Предназначен для измерения и визуального контроля высоты в
свободном падении и при спуске на раскрытом парашюте, а также для определения
атмосферного давления. Имеет малый размер и массу (площадь циферблата в среднем
не больше 10х10 см, масса не более 700 г). Корпус выполняется из ударостойкого
материала. Также на парашюте нередко устанавливается автомат высоты (по
конструкции - тот же высотомер), автоматически раскрывающий парашют на заданной
высоте, если этого не сделал парашютист.
Существуют также электронные высотомеры, они не только измеряют высоту,
но и сигнализируют на заданных высотах.
5.
Расчет конструкции
прибора
Рассчитать чувствительности пластины. Определить ее размеры, материал, из
которого изготовлена пластина. Составить схему нагрузки.
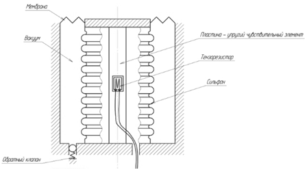
Металлическая пластина находится внутри сильфона с атмосферным давлением
и закрытого мембраной, сильфон помещен в камеру с вакуумной средой, На пластину
воздействуют силы разности давлений атмосферного с вакуумом.
Рисунок 3. Внешний вид устройства.
Рисунок 4. Внешний вид и размеры пластины.
Обеспечить наименьшую чувствительность сильфона к измерению давления
тензорезистором на пластине внутри сильфона.
Предполагаемая величина измеряемого давления:
- 1000 мм рт. ст. = (600 - 1000 ) ∙ 133.3 = 79980 - 133300 Па,
Атмосферное давление:
Самое высокое атмосферное давление отмечено 12 декабря 1968 г. в Акапе,
на севере Сибири. Давление воздуха на уровне моря достигало здесь 1133.3 ГПа.
Самое низкое атмосферное давление, равное 880 ГПа, было зарегистрировано
в центре урагана Джимбер в Тихом океане 12 сентября 1988 г.
Самое низкое на Земле давление возможно, никогда и не будет измерено, так
как оно встречается в самом центре торнадо. Вряд ли возможно установить
барометр точно в том месте, где пройдет торнадо. Кроме того, кажется
невероятным, чтобы какой-либо прибор мог выдержать напор чудовищной силы
ветров, бушующих в центре торнадо.
Размеры пластины: высота L = 165 мм, h = 17 мм
Пластина закреплена в нижней части своего основания. К верхней части
пластины приварена по окружности верхняя часть цилиндрического сильфона, нижняя
часть которого приварена по окружности к основания устройства по окружности вокруг
исследуемой пластины.
Точность измерения - 0.1%.
Диаметр сильфона D = 60 мм = 0.06 м
Найти толщину пластины d.
Определить материал пластины.
Чувствительность прибора и подбор сильфона.
Проволочные и фольговые тензорезисторы применяют при измерении относительных
деформаций до l/l = 1.5%, а полупроводниковые до 0.1%.
Для измерения механического напряжения материала, по оси действия этого
напряжения наклеивают один тензорезистор. В этом случае напряжение в материале
s = Em(Dl/l) = Em ? (DR /(St ∙ R)), где
- модуль упругости материала, ГПа;- чувствительность тензорезистора.
Рассмотрим исследуемую пластину.
барометрический нивелирование тензорезистор сильфон
Рисунок 5. Схема действия сил.
Определим внутренние усилия в поперечных сечениях стержня методом
сечения. Напряжение - это внутренне усилие N, приходящее на единицу площади A.
Приведем формулу для нормальных напряжений σ при cжатии пластины. Учтем, что по
третьему закону Ньютона сила реакции опоры равна и противоположна по
направлению действующей силе. В нашем случае разница в давлении возникает между
полостями с разным давлением (атмосферным и вакуумом см. рис. 3), которые
разделены сильфоном. Силы возникающие при этом равномерно распределены по линии
соединения сильфона с верхней пластиной (окружность диаметром Dсильф). Для
упрощения расчетов заменим ее эквивалентной силой, приложенной к центру
пластины, к которой приварена искомая пластина. Эта сила будет равна:
сильф = Р ∙ Sсильф = Р ∙ Fэф_сильф,
Где Fэф_сильф - табличное значение эффективной площади сильфона.
5.1 Подбор и
расчет сильфона
По условию задачи нам необходимо обеспечить наименьшее влияние сильфона
на чувствительность пластины. Этому требованию удовлетворяют однослойные
сильфоны с наименьшей, возможной площадью гофрированной части (именно в этой
части происходит наибольшее сопротивлению на изгиб под действием разности
давлений в приборе). По ГОСТ 22388-90 остановимся на применении сильфона,
выполненного под заказ нестандартной длины, с параметрами:
Рисунок 6. Внешний вид сильфона.
|
Обозначение
|
d, мм
|
dвп мм
|
L0, мм
|
l, мм
|
Fэф, см2
|
, мм
|
P, МПа
|
|
63-6(8,9,15)-0,16(0,22;0,26)
|
47.5
|
55
|
165
|
5,0
|
23.1-24
|
7.2-16
|
0.44-1.05
|
Где Fэф найдем, считая прямо пропорциональное увеличение площади при
увеличении длины сильфона (метод экстраполяции):
При L0 = 88.5 мм табличное значение Fэф = 24 см2 .
эф_сильф = 24 + (165 - 88.5) ∙ (24 - 23.1) / (88.5 - 42.5) =
= 25.496739130434782608695652173913 ≈ 25.5 см2 = 25.5 ∙
10-4 м2
Подставив числовые значения, получим:
= Fсильф = Р ∙ Fэф = 133300 ∙ 25.5 ∙ 10-4 =
339.915 ≈ 339.9 Н,= 339.9 Н,
- 25 % от предела текучести. Примем - 20%. В итоге получим ограничения по
условию прочности при растяжении - сжатии для пластины:
Где
Так как поперечная сила при центральном растяжении-сжатии равна нулю, то
и касательное напряжение
=0.
Часть нагрузки передается сильфону, нагрузка эта незначительна. Поскольку
по ГОСТ 22388-90 сильфоны выпускаются с диапазоном характеристик: осевой ход
сильфона (сжатие) от 0.6 мм до 24.7 мм, максимальное рабочее давление
(внутреннее и наружное) от 0.25 МПа до 3.1 МПа считаем расчет прочности
сильфона можно опустить.
Размеры пластины: высота L = 165 мм = 0.165, h = 17 мм = 0.017 м. Площадь
пластины будет равна:
А = L ∙ h ∙ d =
0.165 ∙ 0.017 ∙ d =
0.002805 d,
По условию прочности берем максимальное значение приложенной силы:
Теперь нам нужно подобрать материал, чтобы выполнялось условие:
Но с другой стороны мы должны отталкиваться от коэффициента
тензочувствительности тензорезисторов. Наибольший коэффициент имеют
полупроводники. Допустим мы возьмем кремний. У него значение St достигает 170.
т
= 170, но = Em(l/l) = Em ∙ (R
/(St ∙ R)),
Для полупроводников - l/l
0,1% = 0.001,
Точность измерения по условию что допустимо.
0.001 Em ,
т.е. 0.606 /d
0.001 ∙ Em
или Em
606 / d
Все ограничения определены.
Em МПа
606 / d
[s] МПа
0.606/d
Технологически рекомендуемая величина толщины пластины d = 3.5 мм. Найдем
для этой величины допустимые ограничения:
m
606 / d = 606 / 0.0035 = 173142.86 МПа ≈ 173.14 ГПа
[s] МПа
0.606/d = 0.606 / 0.0035 = 173.14286 ≈ 173.14 МПа
5.2 Расчет
пластины
Приступим к подбору материала пластины. Используя технические справочники
остановим свой выбор на стали марки 15Л сортамет - отливки с параметрами:
Физико-механические характеристики сталей (ПНАЭ Г-7-002-86)
|
Марка стали
|
Т, º С
|
Rp0.2, МПа
|
Rm, МПа
|
Е, ГПа
|
α,
мкК-1
|
|
35 Сортовая сталь до 80 мм
|
20
|
314.0
|
530.0
|
210
|
11.5
|
Допускаемые напряжения (ПНАЭ Г-7-002-86)
|
Марка стали
|
Т, º С
|
[σ],
МПа
|
1,3[σ],
МПа
|
[σ]RV, МПа
|
|
35 Сортовая сталь до 80 мм
|
20
|
203.8
|
264.9
|
530.0
|
Все поставленные условия выполняются:
m
= 210 ГПа
173.14 ГПа
[s] = 203.8 МПа
173.14 МПа
Вывод: для обеспечения чувствительности прибора 0.1%, необходимо
изготовить пластину для тензорезистора со стали марки 35, сортамент - сортовая
сталь до 80 мм размерами 165 х 3.5 х 17 мм, которая будет запаяна в сильфона
диаметром 47.5 мм.
5.3 Расчет
стержня на устойчивость
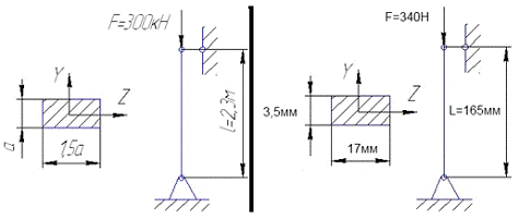
Рисунок 7. Кинематическая схема стержня.
Дано: F=340H; l=165мм;
. В первом приближении задаемся
. Тогда из условия устойчивости:
находим:
Площадь сечения
2. Проверим устойчивость принятого сечения стержня
Определим общую длину стержня
Где
- для данного вида закрепления стержня.
Определим момент инерции сечения относительно оси Z:
Определим момент инерции сечения относительно оси Y:

Определим гибкость стержня относительно осей Z и У
Для наибольшего значения гибкости
определим коэффициент
Определим расчетное напряжение в сечении
Условие выполнено.
5.4 Подбор
клапана
Рисунок 8. Чертеж обратного клапана.
Основные размеры и масса:
|
Таблица фигур
|
DN, мм
|
PN, МПа
|
Tрабочая min
|
Tрабочая max
|
Присоединение
|
L, мм
|
Масса, кг
|
|
16нж60нж
|
10
|
25
|
- 40
|
150
|
штуцерно-ниппельное с
ответными фланцами
|
100
|
0.55
|
Рабочая Среда: жидкие и газообразные среды
Единственный клапан, который удовлетворяет требованиям по размерам,
выдерживаемой температуре, массе и давлению.
5.5 Подбор
мембраны
Выбрана резиновая мембрана, чья жесткость несопоставимо мала, по
сравнению с жесткостью конструкции сильфон-пластина.
Рисунок 9. Резиновая мембрана нулевой жесткости.
Среда: воздух.
Температура: от -30 до +100 С.
Толщина: 0,40 мм.
Герметичное давление: 0,15 МПа
ТУ 38 005 6109-88
Заготовка: БН 200-1106142/1
По ГОСТ 21905-76
6.
Расчет размерной цепи
Рис. 10. Фрагмент чертежа пластины.
Рис. 11. Размерная цепь.
В качестве замыкающего размера выберем длину пластины формы
параллелепипеда.
Ax - замыкающий размер;
А1=16h9=16-0,043
А2=24h9=24-0,052
А3=5h9=5-0,03
А4=164h9=164-0,1
A4 - увеличивающий размер; А1, А2,
А3 - уменьшающие.
Проведем расчет на максимум-минимум.
x = ΣАув-ΣАум=А4-А1-А2-А3=164-16-24-5=119мм;
δх
=43+52+30+100=225 мкм;
Предельные отклонения замыкающего звена:
=0 - (- 43 - 52 - 30)=125 мкм;
= - 100 - 0 - 0 - 0= -100 мкм;
Ax=
мм
Axmax=119.125 мм, Axmin=118.9 мм