Усовершенствование конструкции фрезерной бабки агрегатного фрезерно-сверлильного станка модели СБ949
МИНИСТЕРСТВО ОБРАЗОВАНИЯ РЕСПУБЛИКИ БЕЛАРУСЬ
Учреждение образования
«Барановичский государственный университет»
Факультет инженерный
Кафедра Оборудование
и автоматизация производства
Специальность 1-36 01 03
Технологическое оборудование
машиностроительного
производства
Специализация 1-36 01 03
Металлорежущие станки
ДОПУЩЕН К
ЗАЩИТЕ
Заведующий кафедрой ТОМ
______________Ю.К. Калугин
(подпись)
дипломный проект
Тема проекта: Усовершенствование конструкции фрезерной
бабки агрегатного фрезерно-сверлильного станка модели СБ949 для обработки
детали «Рама боковая»
Руководитель
Ю.К. Калугин
Консультант по охране
труда П.П. Дегтяров
Консультант по разделу
«Энерго-ресурсосбережение и экологическая
безопасность»
П.П. Дегтяров
Консультант по
экономической части Н.С. Гомза
Нормоконтролёр
М.З. Ананько
Дипломник
А.М. Старовойтов
Барановичи 2011
РЕФЕРАТ
В дипломной работе представлены количество графического материала
,таблиц , страниц .
Объектом разработок данной работы является усовершенствование конструкции
фрезерной бабки агрегатного фрезерно-сверлильного станка модели
ДП-1-360103-ТО(з)62-003 для обработки детали «Рама боковая»
ДП-1-360103-ТО(з)62-001.
Рама боковая - один из основных конструктивных элементов каркаса тележки
18-100. Изготавливается методом литья, с дополнительной механической обработкой
и клепкой износостойких пластин.
Цель работы -
спроектировать усовершенствованную конструкцию фрезерной бабки
ДП-1-360103-ТО(з)62-002.
Разработки выполнялись на основе существующих в машиностроении методик и
способов конструирования.
В результате работы разработана усовершенствованная конструкция фрезерной
бабки агрегатного фрезерно-сверлильного станка модели ДП-1-360103-ТО(з)62-002
для обработки детали «Рама боковая». Сконструированы ее составляющие элементы и
детали. Выбраны способы их соединения и посадки, квалитеты допусков отдельных
единиц.
Проведенные проверочные расчеты на экономическую эффективность, прочность
и жесткость сборочных узлов и деталей усовершенствованной конструкции фрезерной
бабки ДП-1-360103-ТО(з)62-002 , позволили сделать вывод о правильности
конструкции этих узлов и деталей.
Содержание
ВВЕДЕНИЕ
1.ПАТЕНТНЫЙ
ПОИСК
.1
Характеристики исследуемого объекта
2.
КОНСТРУКТОРСКИЙ РАЗДЕЛ
.1 Описание
конструкции, назначение, принцип действия бабки фрезерной 2-х шпиндельной
ДП-1-360103-ТО(з)62-002
.2 Описание
базового варианта конструкции. Кинематический расчет проектируемого варианта
бабки фрезерной двух-шпиндельной
.2.1 Базовый
вариант
.2.2
Проектируемый вариант
.2.3 Расчет
открытой передачи (поликлиновой) усовершенствованной конструкции бабки с
использованием ремня
.3 Основные конструктивные
особенности поликлиновых ремней. Конструктивные характеристики
.4
Предварительный расчет 5-го вала на прочность и жесткость. Выбор материала
зубчатого колеса и стандартных изделий (подшипники, крышки, уплотнения)
2.5
Выбор материала зубчатого колеса
2.5.1
Определение сил действующих в зацеплении 5-го вала
2.5.2
Построение эпюр изгибающих и крутящих моментов
2.5.3
Проверка прочности шпоночного соединения 5-го вала
2.6 Выбор
системы смазки усовершенствованной бабки фрезерной, двух-шпиндельной
3.
ТЕХНОЛОГИЧЕСКИЙ РАЗДЕЛ
3.1
Назначение и конструкция детали вал ведомый СБ 949 - 211.317
3.2
Назначение и анализ технологичности конструкции обрабатываемой детали «Вал
ведомый» СБ 949-211.317
3.2.1
Качественный анализ детали на технологичность
.2.2 Выбор
способа получения заготовки и определение типа производства
.2.3
Разработка маршрутной технологии заданной детали
.3 Расчет
припусков
.4 Выбор
оборудования, технологической оснастки, станочных приспособлений и средств
измерения
.5 Назначение
и расчет режимов обработки
.6 Расчет
технических норм времени
4.
НАУЧНО-ИССЛЕДОВАТЕЛЬСКИЙ РАЗДЕЛ
5.
ЭКОНОМИЧЕСКИЙ РАЗДЕЛ
.1 Расчёт
стоимости фрезерной, двух-шпиндельной бабки ДП-1-360103-ТО(з)62-002
.2 Расчёт
фонда заработной платы и средней заработной платы сотрудника
.3 Расчёт
суммы амортизации в себестоимости фрезерной, двух-шпиндельной бабки
ДП-1-360103-ТО(з)62-002
6. ОХРАНА
ТРУДА И ТЕХНИКА БЕЗОПАСНОСТИ
6.1
Необходимость охраны труда
6.2
Анализ состояния охраны труда на РУПП “БЗАЛ”
.2.1
Организация работы по охране труда
6.2.2 Техника
безопасности
.2.3
Производственная санитария
.2.4 Пожарная
безопасность
.2.5
Характеристика производственного процесса и анализ условий труда на участке
6.3
Естественное освещение и искусственное освещение
.4
Мероприятия по улучшению условий и безопасности труда
6.5 Расчет
шпонки
7.ЭНЕРГО-РЕСУРСОСБЕРЕЖЕНИЕ
И ЭКОЛОГИЧЕСКАЯ БЕЗОПАСНОСТЬ
.1 Расчет
экономии электроэнергии
.1.1 Расчет
затрат на электроэнергию для освещения помещения
.1.2 Замена
ламп накаливания для местного освещения станков
.1.3 Расчет
экономии энергии при использовании сенсорных выключателей
.1.4 Расчет
экономии энергии при обогреве рабочих мест обогревателями электрическими
инфракрасными промышленными (ОЭИП)
.1.5 Потери
через двери, стены, окна, потолок и пол
.2 Расчет экономии
ресурсов при изменении технологии изготовления заготовки детали «Вал ведомый»
фрезерной, двух-шпиндельной бабки
.3
Экологическая безопасность проекта
.4 Рециклинг
и утилизация деталей машин
8.
ПРОМЫШЛЕННАЯ ЭКОЛОГИЯ
.1 Влияние
цехов по обработке корпусных деталей на окружающую среду, производственные
здания и сооружения
.2
Комплексный план оздоровления цеха по обработке корпусных деталей «Рам боковых»
на предприятии
.3 Практика
сохранения здоровья и обеспечения безопасности
Заключениe
Список
литературы
Список
нормативных документов
ПРИЛОЖЕНИЕ А
- Графическая часть.
ПРИЛОЖЕНИЕ Б
- Таблицы и рисунки технологического, конструкторского и исследовательского
разделов.
ПРИЛОЖЕНИЕ В
- Таблицы раздела энерго-ресурсосбережение и экологическая безопасность, охрана
труда.
ПРИЛОЖЕНИЕ Г
- Комплект документов технологического процесса
ВВЕДЕНИЕ
Интенсификация производства в машиностроении неразрывно связана с
техническим перевооружением и модернизацией средств производства на базе
применения новейших достижений науки и техники. Техническое перевооружение,
подготовка производства новых видов продукции машиностроения и модернизация
средств производства неизбежно включают процессы проектирования средств
технологического оснащения и их изготовления.
Станок модели ДП-1-360103-ТО(з)62-003 предназначен для обработки детали
«Рама боковая» ДП-1-360103-ТО(з)62-001. Опишем ее назначение и конструкцию.
Назначение и конструкция обрабатываемой детали-представителя «Рама
боковая» ДП-1-360103-ТО(з)62-001.
Рассматриваемая деталь представителя «рама боковая» - один из основных
конструктивных элементов каркаса тележки 18-100. Изготавливается методом литья,
с дополнительной механической обработкой и клепкой износостойких пластин.
представляет собой основную деталь тележки грузового вагона, которая передает
нагрузки на ось через буксы. Для обеспечения надежности и долговечности раму
боковую отливают из стали 20 ГЛ
Общий вид детали «Рама боковая» показан на рисунке 1.
Рисунок 1 - Конструкция детали-представителя «Рама боковая»
В данной детали к исполнительным (функциональным) относятся поверхности
И1,Ø21H15 к которым предъявляются особые требования, которые
вытекают из функционального назначения и условий работы детали в сборочной
единице.
К вспомогательным относятся поверхности 2, 4, 6, которые выполняют
вспомогательные функции. Свободные поверхности не выполняют никаких рабочих
функций, предусмотренных рабочим назначением детали, и не сопрягаются с другими
поверхностями. К ним относятся следующие поверхности 7, 8.
Деталь «Рама боковая» ДП-1-360103-ТО(з)62-001 изготавливается из
изготавливается из стали 20 ГЛ ОСТ 32.183-2001, имеющей химический состав и
механические свойства, указанные в таблицах 1 и 2 (приложение Ж).
Обрабатываемая деталь «Рама боковая», которая изготавливается методом
литья. Допускается изготовление из стали марок 20ГФЛ,20ГТЛ по ОСТ 32.183-2001.
Точность отливки 11-0-0-13 ГОСТ 26645-85.
Фрезерная бабка ДП-1-360103-ТО(з)62-002 предназначена для двух
операционной обработки детали «Рама боковая» и включает в себя сборочные
единицы: комплект шпинделя СБ 949-213, СБ 949-214, привод главного
движения(ременной) У1Е4646-01, маслораспределитель УМ7741-011, УМ7741-011 и горловину
УНЕ3108. Основные детали, стандартные и прочие изделия, а также комплект
запасных частей представлены в спецификации узла бабки фрезерной,
двухшпиндельной ДП-1-360103-ТО(з)62-003.
В конструкторском разделе дипломного проекта рассматривается усовершенствованная
фрезерная, двух-шпиндельная бабка ДП-1-360103-ТО(з)62-002 для обработки детали
«Рама боковая» агрегатного, фрезерно-сверлильного станка модели СБ 949.
В технологическом разделе рассматривается деталь вал
ДП-1-360103-ТО(з)62-004, как важнейшая составляющая деталь любого механизма.
2. КОНСТРУКТОРСКИЙ РАЗДЕЛ
2.1 Описание конструкции, назначение, принцип действия бабки
фрезерной 2-х шпиндельной ДП-1-360103-ТО(з)62-002
В
данном дипломном проекте разрабатывается узел, который представляет собой фрезерную
двух-шпиндельную бабку ДП-1-360103-ТО(з)62-002(см. рис.1) станка специального
горизонтального станка с двумя приставками: для фрезерования поверхностей и
сверления отверстий в детали «Рама боковая» ДП-1-360103-ТО(з)62-001.
Обрабатываемые поверхности И1 и отверстия 
детали
«Рама боковая» см. чертеж ДП-1-360103-ТО(з)62-001.
Фрезерование
поверхностей проема в боковой раме производится под небольшим углом
производится поочередно.
Взамен
качающейся фрезерной двухшпиндельной бабке(базовый вариант) предлагается
усовершенствованная конструкция бабки фрезерной, двух-шпиндельной, состоящая из
2-х частей:
Усовершенствованная
бабка фрезерная двух-шпиндельная ДП-1-360103-ТО(з)62-002 представляет собой
два литых корпуса в одном из которых находиться шкив который получает крутящий
момент от шкива электродвигателя АИР 160М6У3 15 кВт n=970 об/мин
исп. IM3081 ТУ16-510.810-83. Шкив придает крутящий момент
валу СБ 949-211.317 на конец 
которого
по посадке 
крепится
коническое колесо при помощи призматической шпонки. Далее крутящий момент
переходит через коническую передачу на коническое колесо 321, которое
закреплено на валу 323 по посадке 
при
помощи призматической шпонки(1-я ступень). Коническое колесо 321 придает
крутящий момент цилиндрическому зубчатому колесу 325 (m=4;z=32)
которое крепится на вал 323 по посадке 
при
помощи призматической шпонки. В свою очередь цилиндрическое зубчатое колесо 325
придает через цилиндрическую зубчатую передачу крутящий момент цилиндрическому
зубчатому колесу 326 (m=4;z=50), которое крепится на вал 327 по посадке H7/js6
при помощи призматической шпонки(2-я ступень). 3-я ступень, как и 4-я и 5-я
фрезерной двух шпиндельной бабки представляет собой цилиндрическую зубчатую
передачу с посадкой на валы H7/js6. Все подшипники роликовые радиально-упорные
конические однорядные крепятся на вал по посадке Lo/js7 в
корпус Js7/l0.
-я
ступень фрезерной двух-шпиндельной баки передает вращение инструменту, который
крепится в оправке.
Приведем
кинематический расчет проектируемого варианта и рассчитаем основные показатели
экономической эффективности.
Рисунок
1 - Общий вид бабки фрезерной 2-х шпиндельной ДП-1-360103-ТО(з)62-002)
2.2
Описание базового и проектируемого вариантов конструкции.
Кинематический
расчет проектируемого вариантов бабки
фрезерной
двух-шпиндельной
2.2.1
Базовый вариант
Имеется
качающаяся фрезерная бабка.
Фрезерование
поверхностей проема в боковой раме под небольшим углом производится поочередно:
с
левой стороны, затем после качания - с правой стороны. Качание бабки
осуществляется 2-мя гидроцилиндрами.
Цикл
обработки поверхностей:
Быстрый
подвод стола(с бабкой) -> рабочий ход стола -> быстрый отвод стола ->
поворот бабки -> быстрый подвод стола -> рабочий ход стола -> быстрый
отвод стола.
Предлагается
усовершенствованная конструкция бабки фрезерной, двух-шпиндельной, состоящая из
2-х частей:
Левая
двух-шпиндельная бабка; правая двух-шпиндельная бабка. Каждая бабка имеет свой
привод. 2 шпинделя в каждой бабке расположены под углом наклонно. Обе бабки
закрепляются на платформе силового стола.
Цикл
обработки поверхностей:
Быстрый
подвод стола - рабочий ход - быстрый отвод стола.
За
счет сокращения времени на фрезерование поверхностей увеличивается
производительность станка .
.2.2
Проектируемый вариант
Начальные
данные режимов резания
;
Рассмотрим
кинематическую схему базового варианта бабки фрезерной двух-шпиндельной.
Рисунок
2. Кинематическая схема бабки фрезерной, двух-шпиндельной
Принимаем КПД отдельных кинематических пар привода бабки фрезерной,
двух-шпиндельной:
-
поликлиновой передачи -
;
одной
пары подшипников роликовых радиально-упорные конических однорядных -
;
цилиндрической
передачи -
;
конической
передачи -
;
смазки
-
;
Раcсчитываем
общий КПД:
Так
как у нас на выходе бабки фрезерной, двух-шпиндельной два выходных вала, то при
расчёте требуемой мощности PТР
мощности Р6 - мощность на 6-м валу умножаем на два (мощности обеих
выходных валов 6-го и 7-го - одинаковы)
Требуемая
мощность электродвигателя на 6-м валу:
Общая
требуемая мощность электродвигателя:
Определение
ориентировочной частоты вращения вала электродвигателя.
Определим
общее передаточное отношение
где
-
передаточное отношение клиноременной передачи;
-
передаточное отношение цилиндрической зубчатой передачи;
-
передаточное отношение конической зубчатой передачи.
Предельные
значения передаточных отношений: для плоскоременных с натяжным роликом и
клиноременных (поликлиновых) передач не выше 10(берем
= 5); Рекомендуемые значения передаточных отношений
цилиндрической передачи от 2 до 5; конической - от 1 до 3 по ГОСТ 221-75.
и
определяем
согласно отношению Zn2/Zn1, где Zn2 - число зубьев второго колеса, Zn1 -
число зубьев первого колеса.
Учитываем,
что в нашем случаи имеет место мультипликатор, который увеличивает (повышает)
крутящий момент Т3 начиная с
до
цилиндрических зубчатых передач. Передачи могут быть
как повышающие(мультипликаторы), так и понижающие(редукторы). В нашем случаи имеем
последовательное соединение нескольких пар единичных зубчатых колес. Полное передаточное отношение такой передачи через
известные числа зубьев колес равно i(n) =ω1/ωn= (-1)k(zn/z1), где
z1, zn- числа зубьев ведущего и выходного колес.
Промежуточные колеса влияют только на знак, но не величину передаточного
отношения механизма, их называют паразитными.
Согласно
данным кинематической схемы
=
50/32=1,56;
= 55/37=1,48;
=
45/37=1,21;
= 60/37=1,62;
=z10/z5=1,62;
= 2;
= 5;
Предварительная
величина общего передаточного числа привода:
Последовательно
определим P(i),T(i),n(i) на каждом валу, согласно кинематической схеме бабки
фрезерной двух-шпиндельной:
Число
оборотов на 5-м валу
Следовательно
Определим
мощность на 5-м валу
Определим
крутящий момент на 5-м валу
Число
оборотов на 4-м валу
Следовательно
Определим
мощность на 4-м валу
Определим
крутящий момент на 4-м валу
Число
оборотов на 3-м валу
Следовательно
Определим
мощность на 3-м валу
Определим
крутящий момент на 3-м валу
Число
оборотов на 2-м валу
Следовательно
Определим
мощность на 2-м валу
Определим
крутящий момент на 2-м валу
Число
оборотов на 1-м валу
Следовательно
Определим
мощность на 1-м валу
Определим
крутящий момент на 1-м валу
Окончательно,
число оборотов на валу электродвигателя
Следовательно
Мощность
на валу электродвигателя
Определим
крутящий момент на валу электродвигателя
Заносим
полученные данные P(i),w(i),T(i),n(i) в таблицу 1
Выбираем
электродвигатель АИР 160M6У3 со следующими характеристиками: 15.0кВт;970
об/мин;исп.IM3081 ТУ16-510.810-83
Таблица 1 - Энергетический и кинематический расчет
привода бабки фрезерной двух-шпиндельной
|
Номер вала
|
Мощность , кВтЧастота вращения ,
мин-1Угловая скорость , с-1Крутящий
момент , Н∙м
|
|
|
|
|
Двигатель
|
15
|
970
|
101,52
|
147,75
|
|
1
|
14,5
|
194
|
20,3
|
1,42
|
|
2
|
14,2
|
129,3
|
13,54
|
1000
|
|
3
|
14
|
83
|
8,67
|
1610
|
|
4
|
12,78
|
56
|
5,82
|
2190
|
|
5
|
11,68
|
51
|
5,34
|
2180
|
|
6
|
10,65
|
38,34
|
4,01
|
2650
|
2.2.3 Расчет открытой передачи (поликлиновой)
усовершенствованной конструкции бабки с использованием ремня
Основными критериями работоспособности и расчета ременных передач
являются: тяговая способность, определяемая величиной передаваемой окружной
силы, и долговечность ремня, которая в условиях нормальной эксплуатации
ограничивается разрушением ремня от усталости. Основным расчетом ременных
передач является расчет по тяговой способности. Расчет на долговечность ремня
выполняется как проверочный.
Промышленностью серийно выпускаются клиновые и поликлиновые приводные
ремни: тканые с полиамидным покрытием и прорезиненные с кордошнуровым несущим
слоем. Благодаря прочности, эластичности, низкой чувствительности к влаге и
колебаниям температуры, малой стоимости прорезиненные ремни получили большое
распространение. Поэтому ниже приводится проектировочный расчет применительно к
прорезиненным ремням. Расчет выполняется в следующей последовательности:
Выбор сечения ремня производим в зависимости от мощности, передаваемой
ведущим шкивом, Р1=Рном=10.6 кВт и его частоты вращения n1=nном=730 об/мин. [15 c.132]
Определяем минимально допустимый диаметр ведущего шкива d1min, мм, в зависимости от вращающего
момента на валу двигателя Тдв, Н·м, и выбранного сечения ремня.
Тдв = 139 Н·м,1min = 63 мм.
Согласно крутящего момента
равного 139 Н*м, выбираем поликлиновой ремень сечения Л для передачи крутящего
момента в диапазоне 18-400 Н*м. Вид ремня - прорезиненный из Бельтинга Б-820.
Принимаем расчетный диаметр
ведущего шкива d1 = 160 мм.
Определяем диаметр ведомого
шкива d2:
d2 = d1*u(1 - ε),
где u = 5 - передаточное
число клиноременной передачи;
ε = 0,015- коэффициент скольжения.2 =
140·2,6(1 - 0,015) =358 мм.
Значение d2
округляем до стандартного и принимаем равным 360 мм.
. Определяем фактическое
передаточное число uф и проверяем его отклонение Δu от
заданного u:
.
.
Определяем ориентировочное межосевое расстояние а, мм:
фрезерный шпиндельный сверлильный станок
а
≥ 0,55(d1 + d2) + h(H),
где
h(H) = 8 - высота сечения поликлинового ремня .
а
= 280 мм.
.
Определяем расчетную длину ремня l, мм:
Значение
l округляем до стандартного и принимаем равным 1400 мм.
.
Уточняем значение межосевого расстояния по стандартной длине:
.
Определяем угол обхвата ремнем ведущего шкива α1, град:
Угол
α1 < 120º.
.
Определяем скорость ремня v, м/с:
где
d1 - диаметр ведущего шкива, мм;
n1 - частота вращения ведущего шкива, об/мин;
[v] =
40 м/с - допускаемая скорость.
v = 5,35 м/с.
.
Определяем частоту пробегов ремня U, с-1:
U = v/l ≤ [U],
где
[U] = 30 с-1 - допускаемая частота пробегов.
U = 3.8 с-1 ≤ [U], что гарантирует
срок службы - 1000…5000 ч.
.
Определяем допускаемую мощность, передаваемую одним клиновым ремнем [Pп], кВт:
[Pп] = [P0]Ср
Сα Сl CZ= 1.849 кВт,
где
[P0] = 2.7
кВт - допускаемая приведенная мощность, передаваемая одним ремнем , кВт,
которую выбираем в зависимости от типа ремня, его сечения, скорости и диаметра
ведущего шкива; Ср = 0,9, Сα = 0,89, Сl = 0,95,
CZ=0,90- поправочные коэффициенты.
.
Определяем количество клиньев поликлинового ремня z:
z = Pном/[Pп] = 6
где
Pном =
10.59 кВт - номинальная мощность двигателя;
[Pп] = 1,849 кВт - допускаемая мощность, передаваемая
ремнями.
.
Определяем силу предварительного натяжения F0, Н:
.
Определяем окружную силу, передаваемую поликлиновым ремнем Ft, Н:
.
Определяем силы натяжения ведущей F1 и ведомой F2 ветвей,
Н: F1 = F0 + Ft/2*Z = 406,0 Н
F2 = F0 - Ft/2*Z = 168,0 Н.
14.
Определяем силу давления ремней на вал Fоп, Н:
2.3
Основные конструктивные особенности поликлиновых ремней.
Конструктивные
характеристики
Основные конструктивные характеристики:
1.Наличие
усеченных клиновых ребер, которые обеспечивают повышенные показатели гибкости,
снижение выделения тепла, устойчивость к образованию и расползанию трещин, а
также улучшенную несущую способность, которой обладают поликлиновые ремни при
работе на шкивах малого диаметра;
.Наличие
корда из полиэстера, обладающего малым растяжением и при этом высоким
коэффициентом эластичности, что в совокупности обеспечивает повышенную
устойчивость к ударным и усталостным нагрузкам;
.
Наличие подкорда с особой химической формулой и волоконным наполнением,
отвечающими за устойчивость ремня;
.Наличие
в составе эластомерной каучуковой смеси, способствующей повышенной устойчивости
к негативному воздействию на поликлиновой ремень масла и повышенных температур.
.Конструктивные
особенности ремня поликлинового с усеченными клиновыми ребрами обеспечивают
данному виду изделия следующие преимущественные характеристики:
.
Ремень поликлиновой способствует обеспечению плавного хода приводного механизма
и отводу избыточного тепла из него;
.
Наличие ребер существенно повышает показатели мощности, передаваемые каждым
ребром;
.
Высокая несущая способность значительно продлевает срок службы изделия;
.
Ремень поликлиновой обладает улучшенными эксплуатационными характеристиками в
работе с наружными натяжными роликами;
.
Ремень способствует снижению размеров привода;
.
Поликлиновой ремень отличается статической проводимостью, отвечающей
стандартам;
.
Возможность использования ремня на максимальной скорости до 60 м/с;
.
Безвибрационных ход;
.
Способность работать без потери качества в широком температурном диапазоне (от
- 30 до + 80°С).
2.4
Предварительный расчет 5-го вала на прочность и жесткость.
Выбор
материала зубчатого колеса и стандартных изделий
(подшипники,
крышки, уплотнения)
Валы предназначены для установки на них вращающихся деталей и
передачи крутящего момента.
Конструкции валов в основном определяются деталями, которые на них
размещаются, расположением и конструкцией подшипниковых узлов, видом уплотнений
и техническими требованиями.
Валы воспринимают напряжения, которые меняются циклично от совместного
действия кручения и изгиба. На первоначальном этапе проектирования вала
известен только крутящий момент, а изгибающий момент не может быть определен,
т.к. неизвестно расстояние между опорами и действующими силами. Поэтому при
проектировочном расчете вала определяется его диаметр по напряжению кручения, а
влияние изгиба учитывается понижением допускаемого напряжения кручения.
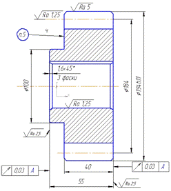
2.5 Выбор материала зубчатого колеса
Рассмотрим
проектируемое зубчатое колесо (см. рис.3)
Рисунок
- 3. Зубчатое колесо на 5-м валу действующее в зацеплении 4-й и 5-й ступени.
В проектируемой бабке фрезерной, 2-х шпиндельной рекомендуется применять
термически обработанные среднеуглеродистые не легированные стали 45, 40Х.
Сталь в настоящее время - основной материал для изготовления зубчатых
колес. В условиях индивидуального и мелкосерийного производства применяют
зубчатые колеса с твердостью материала не превосходящей 350 НВ. При этом
обеспечивается чистовое нарезание зубьев после термообработки, высокая точность
изготовления и хорошая прирабатываемость зубьев.
Определяем марку стали: для зубчатого колеса - Сталь 40X ГОСТ 4543-71,
твердость ≥ 45HRCэ;
Определяем механические характеристики стали 40Х: для зубчатого колеса
49…56 HRC, термообработка - улучшение и
закалка ТВЧ h-1..3 на зуб.
.5.1 Определение сил действующих в зацеплении 5-го вала
Рисунок -4. Зацепление эвольвентной цилиндрической передачи с прямозубыми
колесами, нарезанными без смещения
Рассмотрим силы действующие в цилиндрическом зубчатом соединении
Рисунок -5.Силы действующие в прямозубой цилиндрической передаче 5-го
вала
Заключаем,
что в зацеплении действуют три силы:
-
окружная,
- радиальная,
-
осевая.
Окружная
сила
;
Радиальная
сила 
,
где
=20˚;
Осевая
сила 
.
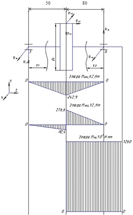
2.5.2 Построение эпюр изгибающих и крутящих моментов
Из
предыдущих расчетов имеем:
окружная
сила РТ = 58,1Н;
радиальная
сила РrТ =
21,58Н;
осевая
сила РаТ = 9,2Н.
Из
первого этапа компоновки имеем:
l4 = 50мм; l5 = 80мм d4 = d5
= 75мм.
n5 = 51об/мин.; Tкр5 = 2,18·106Н×мм.
Находим
реакции опор:
В
плоскости XZ:
.
В
плоскости YZ:
Составляем
уравнение равновесия относительно точки 6:
;
.
Составляем
уравнение равновесия относительно точки 5:
:
.
Проверка:
;
,
.
Суммарные
реакции:
;
.
Подбираем
подшипники по наиболее нагруженной опоре 6. Намечаем подшипники радиальные
однорядные по ГОСТ 8338-75, легкая серия.
Обозначение
подшипника:
d= 75мм; D =
130мм; В = 32мм; С =47,9кН; С0 = 37,4кН.
Эквивалентная
нагрузка, необходимая для определения расчетной долговечности, рассчитывается
по формуле:
,
где
радиальная нагрузка
4601,3Н;
осевая
нагрузка 
=1770Н;
;
= 1;
= 1.
Для
подбора X и Y вычислим отношение 
.
Этой
величине соответствует е
0,43.
Отношение
.
Расчетная
долговечность, млн.об.:

млн.об.;
Расчетная
долговечность, ч.:

ч.
Для
построения эпюр действующих моментов определяем значения изгибающих моментов.
В
плоскости XZ
Участок
5.
при
:
;
при
:
.
Участок
.
;
при
:
;
при
:
.
В
плоскости YZ
Участок
.
;
при
:
;
при
:
.
Участок
.
;
при
:
;
при
:
Рисунок -6. Построение эпюр изгибающих и крутящих моментов
2.5.3 Проверка прочности шпоночного соединения 5-го вала
Применяем шпонку призматическую со скругленными торцами. Размер сечений
шпонок , длины шпонок и пазов берём по ГОСТ 23360-78. Материал шпонок - сталь
45,нормализованная.
Напряжения смятия и условие прочности вычисляем по формуле:
.
Допустимые
напряжения смятия при стальной ступице:
,при
чугунной ступице:
.
Основные
параметры призматической шпонки: h=14мм; b=8мм, t1=5мм,
длина шпонки
=50мм;
<
.
Условие напряжения смятия и прочности выполняется,
следовательно шпонка подобрана верно.
2.6 Выбор системы смазки усовершенствованной бабки фрезерной,
двух-шпиндельной
Для смазывания зубчатых передач бабки фрезерной,
двух-шпиндельной применяем картерную систему смазки - окунание зубчатых колес в
масло залитое в корпус.
При картерном способе смазывания подшипники смазываются за
счет разбрызгивания масла зубчатыми колесами, образования масляного тумана и
попадания масла в подшипники за счет стекания его с валов и стенок корпуса.
Наблюдение за уровнем масла в корпусе бабки фрезерной, двух-шпиндельной
проводиться с помощью маслоуказателя.
Для слива отработанного масла в корпусе предусмотрено сливное
отверстие, закрытое маслосливной пробкой.
В качестве смазочной жидкости для рассчитываемой фрезерной
двух-шпиндельной бабки принимается масло индустриальное ИГП-30 ТУ 38101413-78
14л.
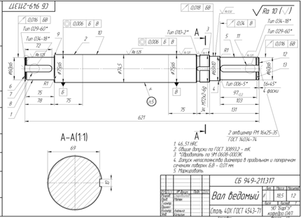
3. ТЕХНОЛОГИЧЕСКИЙ РАЗДЕЛ
3.1 Назначение детали вал ведомый СБ 949 - 211.317 и
конструкция обрабатываемой детали
Валы весьма различны по служебному назначению, конструктивной форме,
размерам и материалу. Несмотря на это, технологу при разработке
технологического процесса изготовления валов приходится решать многие
однотипные задачи, поэтому целесообразно пользоваться типовыми процессами,
которые созданы на основе проведенной классификации.
В общем машиностроении встречаются валы бесступенчатые и ступенчатые,
цельные и пустотелые, гладкие и шлицевые, валы-шестерни, а также
комбинированные валы в разнообразном сочетании из приведенных выше групп. По
форме геометрической оси валы могут быть прямыми, коленчатыми, кривошипными и
эксцентриковыми (кулачковыми).
Наибольшее распространение в машиностроении, в том числе и
станкостроении, получили различные ступенчатые валы средних размеров, среди
которых преобладают гладкие валы. По данным ЭНИМСа, свыше 85% от общего
количества типоразмеров ступенчатых валов в машиностроении составляют валы
длиной 150-1000 мм.
Шейки валов могут иметь шпоночные пазы, шлицы или резьбу. Резьбы для
закрепления сопряженных деталей от осевого перемещения часто выгодно заменять
канавками для пружинных колец. Это упрощает обработку и сборку. В местах
перехода ступеней делают канавки или галтели. Обработка галтели более сложна;
поэтому предпочтительно, где это допустимо, предусматривать канавки. Торцы вала
имеют фаски. Шлицевые валы могут быть со сквозными и закрытыми шлицами,
последние составляют около 65% от общего количества типоразмеров. По
конструкции шлицы могут быть прямобочными и эвольвентными. В настоящее время
преобладают прямобочные (приблизительно 85-90% от общего количество применяемых
в машиностроении типоразмеров шлицевых валов), хотя в отношении технологии
эвольвентные шлицы имеют ряд преимуществ.
Валы с отношением длины к диаметру менее 15 относят к жестким; при
отношении более 15 валы считают нежесткими.
В дипломном проекте рассматривается конструкция многоступенчатого вала с
метрической резьбой М72x2-6g, пазами и квалитетом допуска js6 и h10 для подшипников. Основное назначение детали - несение
осевой и радиальной нагрузки, которую деталь получает от конического колеса СБ
949-211.311 и шкива СБ 949-211.316.
Принятую в данном варианте технологического процесса общую
последовательность обработки следует считать целесообразной. Метод получения
заготовки соответствует принятому типу производства.
.2 Назначение и анализ технологичности конструкции
обрабатываемой детали «Вал ведомый» СБ 949-211.317
Деталь «Вал ведомый» СБ 949-211.317 предназначена для передачи крутящего
момента от ведущего вала электродвигателя через шкив ременной передачи к
коническому колесу Ø 60 H7/js6. Передача движения от шкива
ременной передачи на ведущий вал СБ ведущий осуществляется по средствам
шпоночного соединения шириной b=18
(на детали имеется 3 шпоночных паза (см. рисунок 2)). Дальше передача движения
на коническое колесо Ø 60 H7/js6 осуществляется через
радиально-упорные подшипники, которые базируются на ведомый вал с квалитетами
точности js6 Ø 70 и h10 Ø 65. Радиально-упорные подшипники с квалитетами
точности Js7 заходят в бурт и подпираются к нему
втулками. Натяг правого радиально-упорный подшипника контролируется за счет
гайки с внутренней резьбой M72x2. Коническое колесо которое идет на Ø 60H7 запирается компенсатором УНЕ 3192.618-04. В свою очередь в
компенсатор упирается стопорное кольцо, которое садиться в проточку Тип
029-60*. Шкив базируется на Ø вала 60h6 посредством шпоночного соединения. Проточка Тип 010-2*
необходима для выхода гайки с резьбой M72x2. Допуски соосностей относительно
баз радиально-упорных подшипников заключены в пределах 0,006 мм. Допуск
радиального биения на внешнюю метрическую резьбу вала М72 с шагом 2
относительно баз Б и В составляет 0,018. Допуск радиального биения относительно
баз Б и В на посадку шкива H7/js6 составляет 0,016 согласно ГОСТ 25347-82.
Деталь при эксплуатации узла подвергается разнообразным и значительным
нагрузкам, поэтому при изготовлении подвергается термической обработке. Целью
термической обработки является получение заданных физико-механических свойств
материала вала под действием различных температур и скоростей охлаждения,
вследствие чего изменяется структура. Предварительная термическая обработка
заготовок применяется для получения микроструктуры, обеспечивающей оптимальную
обрабатываемость при механической обработке. Вал ведомый СБ 949-211.317
изготовляется из стали 40Х, поэтому для улучшения обрабатываемости резанием
подвергается нормализации при температуре 930°С. Для достижения необходимых
механических свойств детали (прочность, твердость, вязкость), ее нужно
подвергнуть окончательной термической обработки - это закалка при температуре
850°С с охлаждением в воде потом в масле и отпуском при температуре 400°С с
охлаждением в воде потом на воздухе. При такой термической обработке
достигаются необходимая твердость детали (42…46 HRC).
Рисунок 3 - Конструкция детали «Вал ведомый» СБ 949-211.317
Химический состав и механические свойства материала детали стали 40Х ГОСТ
4543-71 сведены в таблицы 1 и 2. Данную марку стали можно заменить на стали
марок 45Х, 38ХА, 40ХН, 40ХС, 40ХФ, 40ХР.
Таблица 1 - Химический состав, % (ГОСТ 4543-71)
|
С
|
Si
|
Mn
|
Cr
|
Ni
|
Cu
|
S
|
P
|
|
|
|
|
не более
|
|
0.36-0.44
|
0.17-0.37
|
0.5-0.8
|
0.8-1.1
|
0.3
|
0.3
|
0.035
|
0.035
|
Таблица 2 - Механические свойства (после окончательной термообработки)
|
σ0,2
|
σВ
|
δ5
|
ψ
|
KCU, Дж/см2
|
HRC
|
|
МПа
|
%
|
|
|
|
1180
|
1320
|
9
|
40
|
49
|
44
|
где σ0,2 - предел текучести условный, МПа;
σВ - временное сопротивление разрыву (предел прочности
на растяжение), МПа;
δ5 - относительное удлинение после разрыва, %;
ψ - относительное сужение, %;
KCU -
ударная вязкость, определенная на образце с концентратором U, Дж/см2;
HRC -
твердость по Роквеллу;
Влияние углерода. Структура стали после медленного охлаждения состоит из двух
фаз - феррита и цементита.
Твердые и хрупкие частицы цементита повышают сопротивление движению
дислокаций, т. е. повышают сопротивление деформации, и, кроме того, они
уменьшают пластичность и вязкость. Вследствие этого с увеличением в стали
углерода возрастают твердость, пределы прочности и текучести и уменьшаются
относительное удлинение, относительное сужение и ударная вязкость.
Влияние кремния и марганца. Содержание кремния в углеродистой стали в качестве
примеси обычно не превышает 0,35-0,4%, а марганца 0,5-0,8%. Кремний и марганец
переходят в сталь в процессе ее раскисления при выплавке. Они раскисляют сталь,
т. е. соединяясь с кислородом закиси железа FeO, в виде окислов переходят в шлак. Эти процессы
раскисления улучшают свойства стали. Кремний, дегазируя металл, повышает
плотность слитка.
Кремний, остающийся после раскисления в твердом растворе (в феррите),
сильно повышает предел текучести. Это снижает способность стали к вытяжке, и
особенно холодной высадке.
Марганец заметно повышает прочность, практически не снижая пластичности и
резко уменьшая красноломкость стали, т. е. хрупкость при высоких температурах,
вызванную влиянием серы.
Влияние серы. Сера является вредной примесью в стали. С железом она
образует химическое соединение FeS,
которое практически нерастворимо в нем в твердом состоянии, но растворимо в
жидком металле. Соединение FeS
образует с железом легкоплавкую эвтектику с температурой плавления 988°С. Эта
эвтектика образуется даже при очень малых содержаниях
серы. Кристаллизуясь из жидкости по окончании затвердевания, эвтектика
преимущественно располагается по границам зерна. При нагревании стали до
температуры прокатки или ковки (1000 - 1200°С) эвтектика расплавляется,
нарушается связь между зернами металла, вследствие чего при деформации стали в
местах расположения эвтектики возникают надрывы и трещины. Это явление носит
название красноломкости.
Присутствие в стали марганца, обладающего большим сродством к сере, чем
железо, и образующею с серой тугоплавкое соединение MnS, практически исключает явление красноломкости. В
затвердевшей стали частицы MnS
располагаются в виде отдельных включений. В деформированной стали эти включения
деформируются и оказываются вытянутыми в направлении прокатки.
Сернистые включения сильно снижают механические свойства, особенно
ударную вязкость и пластичность в поперечном направлении вытяжки при прокатке и
ковке, а также предел выносливости. Кроме того, эти включения ухудшают
свариваемость и коррозионную стойкость.
Влияние фосфора. Фосфор является вредной примесью, и содержание его в
зависимости от качества стали допускается не более 0,025 - 0,045%. Растворяясь
в феррите, фосфор сильно искажает кристаллическую решетку и увеличивает пределы
прочности и текучести, но уменьшает пластичность и вязкость. Снижение вязкости
тем значительнее, чем больше в стали углерода. Фосфор значительно повышает
порог хладноломкости стали и уменьшает работу развития трещины.
Вредное влияние фосфора усугубляется тем, что он обладает большой
склонностью к ликвации. Вследствие этого в серединных слоях слитка отдельные
участки сильно обогащаются фосфором и имеют резко пониженную вязкость.
Анализ технологичности конструкции детали
Технологический анализ конструкции обеспечивает улучшение
технико-экономических показателей разрабатываемого технологического процесса.
Оценка технологичности конструкции может быть двух видов: качественной и
количественной. Качественная оценка характеризует технологичность конструкции
обобщенно на основании опыта исполнителя и допускается на всех стадиях
проектирования как предварительная. Количественная оценка технологичности
конструкции изделия выражается числовым показателем и рациональна в т ом
случае, если эти показатели существенно влияют на технологичность
рассматриваемой конструкции.
3.2.1 Качественный анализ детали на технологичность
Вал ведомый представляет собой тело вращения - многоступенчатый вал.
Деталь имеет следующие конструктивные элементы: цилиндрические поверхности
(наружные и внутренние), шпоночный паз, фаски, канавки для выхода шлифовального
круга, зубчатый венец.
Вал ведомый изготавливается из легированной конструкционной стали 40Х ГОСТ
4543-71. В качестве легирующего элемента используется хром, который получил
широкое применение в машиностроении, т.к. он относительно дешевый и улучшает
механические свойства стали, чтобы обеспечить высокую прочность и
износостойкость в сравнении с соответствующей углеродистой сталью. Данный
материал широко применяется в машиностроении, не содержит большого количества
дорогих легирующих элементов и используется для изготовления таких
ответственных деталей, как зубчатые колеса, шпиндели металлорежущих станков,
державки режущих инструментов, коленчатых валов.
Деталь изготавливается штамповкой и проходит термическую обработку, что
уменьшает внутренние напряжения, увеличивает твердость, прочность и
износостойкость ответственных поверхностей, а также имеет большое значение в
отношении короблений, возможных при нагревании и охлаждении детали. При
штамповке контур заготовки приближен к контуру готовой детали, что уменьшает
припуски на обработку и снижает себестоимость изготовления детали.
Конструкция детали позволяет обеспечить эффективное снятие припусков с
большинства обрабатываемых поверхностей за один установ за счет свободного
подвода режущего инструмента и небольших перепадов диаметров цилиндрических
поверхностей. Деталь позволяют вести механическую обработку как на
универсальных станках, которые имеют меньшую стоимость, так и на станках с ЧПУ,
которые имеют более высокую точность обработки. Имеется возможность надежного
закрепления заготовки в приспособлениях на всех стадиях обработки, т.к. имеются
удобные технологические и конструкторские базы. Непосредственное и удобное
измерение детали с помощью стандартных и быстродействующих измерительных
инструментов также легко осуществимо.
Основная масса обрабатываемых поверхностей является наружными
поверхностями, что, в свою очередь, сказывается на технологичности обработки,
так как в процессе получения данных поверхностей облегчен доступ к ним режущего
инструмента.
В конструкции данной детали отсутствуют большие перепады в размерах
ступеней, что облегчает обработку и снижает трудоёмкость. Однако, наличие таких
конструктивных элементов как внутреннее «глухого» отверстие малого диаметра,
фасонные поверхности зубьев, наличие шпоночного паза в отверстии, снижают
технологичность рассматриваемой детали.
Рабочий чертёж обрабатываемой детали содержит все необходимые сведения,
дающие полное представление о детали, т.е. все проекции, разрезы и сечения,
совершенно четко и однозначно объясняющие её конфигурацию и возможный способ
получения заготовки. Все размеры на чертеже указаны с необходимыми
отклонениями. Шероховатость на чертеже указана из предпочтительного ряда в
пределах от Ra1,25 до Ra5 мкм по параметру Ra, что соответствует современным требованиям. Отметим правильную
простановку размеров и шероховатости поверхностей: поверхности, соответствующие
более точным ответственным размерам, имеют более низкие значения параметров
шероховатости, и наоборот. Но недостатком в простановке размеров является то,
что многие размеры (линейные) проставлены не от единой базы, т.е. не соблюдается
принцип единства баз. Размеры проставляются в цепочку, друг за другом, что
приводит к влиянию изготовления одного размера на другой (см. рисунок 2).
Вывод: оценивая материал, конструкцию, предельные отклонения, следует
признать, что данная деталь в целом технологична.
Конфигурация детали достаточно технологична для обработки резанием на
токарном станке, все поверхности легкодоступны для инструмента. Диаметральные
размеры вала убывают от середины к концам. Жесткость вала допускает получение
высокой точности обработки (жесткость вала считается недостаточной, если для
получения точности 6…9-го квалитетов отношение его длины l к диаметру d свыше
10…12).
Определим жёсткость детали:
lmax/dmax=621/74,5=8<10…12
На чертеже указаны все необходимые размеры, требуемая шероховатость
обрабатываемых поверхностей, допуски соосности и радиального биения
поверхностей, допуски торцевого биения.
Технологической базой при точении является черновая поверхность
заготовки, после переустановки детали - уже обработанная поверхность вала с
шероховатостью Ra 1.25. На
шлифовальных операциях технологической базой является ось детали (центровые
отверстия). Допуски соосности относительно баз Б и В заключены в пределах 0.006
мм
3.2.2 Выбор способа получения заготовки и определение типа
производства
Для получения необходимой детали выбрали заготовку “прокат” (сортамент
горячее катанный), сталь 40Х, диаметром Æ80 мм и длиной 650 мм. Выбор именно такой заготовки связан с
тем, что необходимая нам деталь имеет наибольшую ступень Æ75 мм.
Заготовка получена путем проката на прокатном стане и имеет в сечении
форму круга. Необходимая нам деталь так же имеет форму круга в сечении, а
соответственно более удобна для обработки с экономической и технологической
точки зрения.
Заданная
годовая программа выпуска деталей составляет
.
Годовая программа запуска деталей в производство рассчитывается по
следующей формуле [2]:
где
- коэффициент, характеризующий технологический брак
(4
5% от
годовой программы выпуска);
-
коэффициент незавершенного производства (2
3% от
годовой программы выпуска);
Принимаем
.
Расчетный
такт производства [2]:

3.2
где
- расчетный фонд работы в часах при двухсменном
режиме работы (принимаем
);
Действительный
такт производства [2]:
где
- коэффициент загрузки оборудования (
)
Тип
производства определяется по таблице 19 (с. 56) [2]. По таблице данной годовой
программе выпуска и массе детали соответствует серийный тип производства.
Данный
тип производства имеет следующие характеристики:
· средняя годовая программа выпуска изделий;
· узкая номенклатура выпускаемых изделий;
· заготовки имеют как можно меньшие припуски на
обработку;
· для механической обработки используется
специальный инструмент;
· невысокая квалификация рабочих (2-3 разряд);
· закрепляемость операций (2…10 операций на одном
рабочем месте);
· трудоемкость изготовления деталей мала, а т.к.
трудоемкость является одной из составляющих себестоимости продукции, то
себестоимость также мала;
· применение специального оборудования и
инструмента снижает гибкость производства до минимума.
3.2.3 Разработка маршрутной технологии заданной детали
Разрабатываемый технологический процесс должен быть прогрессивным,
обеспечивать повышение производительности труда и качества деталей, сокращение
трудовых и материальных затрат на его реализацию, уменьшение вредных
воздействий на окружающую среду [3].
Базовой исходной информацией для проектирования технологического процесса
служат: рабочие чертежи деталей, технические требования, регламентирующие
точность, параметр шероховатости поверхности и другие требования качества;
объем годового выпуска изделий, определяющий возможность организации поточного
производства.
Операция 005 - Заготовительная. Заготовка
получена путем проката на прокатном стане и имеет в сечении форму круга.
Необходимая нам деталь так же имеет форму круга в сечении, а соответственно
более удобна для обработки с экономической и технологической точки зрения.
Операция 010 - Токарная. Данная операция
выполняется на токарно-винторезном станке 16К40П. На данной операции за два
перехода обрабатываются торцы и сверлятся центровые отверстия, при этом деталь
закрепляется в трехкулачковом патроне.
Для первого и третьего перехода к Ø 60 используется
токарный проходной отогнутый правый резец. Марка материала режущей кромки -
твердый сплав Т15К6, т.к. данная марка материала наиболее подходит для
подрезания торцов [4].
Для второго перехода к Ø 65 используется
комбинированный резец. Марка режущей кромки - твердый сплав Т5К10.
Комбинированные резцы являются весьма производительным инструментом, т.к. они
одновременно обрабатывают несколько диаметров с обработкой фаски.
Для четвертого перехода к Ø 75 используется
комбинированный резец. Марка режущей кромки - твердый сплав Т5К10.
Комбинированные резцы являются весьма производительным инструментом, т.к. они
одновременно обрабатывают несколько диаметров с обработкой фаски.
Центровые отверстия позволяют обеспечить принцип постоянства
баз для следующих операций.
Операция
020 - Токарная. Данная операция выполняется на токарно-винторезном станке
16К40П. На данной операции деталь зажимается в трехкулачковом и обрабатываются
диаметры 
и растачиваются проточки Тип 029-60* и Тип 034-18* под стопорные
кольца
Для обработки используются токарный проходной правый резец. Марка
материала режущей кромки - Т15К6.
Операция 030 - Токарная. Данная операция выполняется
на токарно-винторезном станке 16К40П. На данной операции деталь зажимается в
центрах и обрабатываются на чисто диаметры 
Ra 1.25 и резьба M72x2 резьбовым резцом или державкой с
вертикальным креплением пластины, с сечением 25х25 длиной 150 мм для пластины
16 мм.
Чистовое нарезание выполняется тщательно заправленным резцом и
только радиальной подачей с приложением смазочно-охлаждающей жидкости. Величина
подачи на глубину резания -от 0,1 до 0,02 мм за проход.
Для обработки используются токарный проходной правый резец. Марка
материала режущей кромки - Т15К6.
Операция 035 - Фрезерная. Данная операция выполняется на вертикально-фрезерном станке с ЧПУ
6Т12. Деталь зажимается в призме и обрабатывается шпоночный паз шириной 18 мм,
глубиной 8 мм и длинами 72, 97 мм и паз шириной 10 мм и глубиной 5 мм.
Для обработки используется концевая фреза диаметром 18 и 10 мм.
Марка режущей кромки - Р6М5.
Операция 045 - Токарная. Данная операция выполняется на токарно-винторезном станке 16К40П.
На данной операции за 2 прохода нарезается резьба 
. Деталь закрепляется в центрах. Чистовая обработка резьбы М72x2 осуществляется в операции 030
Для обработки используются резьбовые резцы для метрической резьбы
или державки. Марка материала режущей кромки - твердый сплав Т15К6, т.к. данная
марка материала наиболее подходит для нарезания резьбы на детали из Сталь40Х.
Операция
055 - Термическая. Нормализация - вид
термической обработки, который заключается в нагреве стали до температур на 30
- 50ºC
выше линии GSE, выдержке при этой температуре и последующем
охлаждении на спокойном воздухе. Нормализация применяется как промежуточная
операция для смягчения стали перед обработкой резанием, для устранения пороков
строения и общего улучшения структуры перед закалкой.
Операция 065 - Круглошлифовальная. Данная операция выполняется на
круглошлифовальном станке c ЧПУ 3М131.
Установка детали осуществляется на рифленые центра.. На данной операции
обрабатываются поверхности диаметром 
, к которым предъявляются требования к обеспечению низкой
шероховатости Ra 1.25 и высокого квалитета точности.
Шероховатость торцев Ra 2.5 В
качестве инструмента используется абразивный круг плоский с двусторонней
выточкой на керамической связке с зернистостью 40. Марка круга: ПВД 24А40НСМ25К8 35 м/с 1кл.
А.
Операция 070 - Моечная. Производится промывка деталей на моечных машинах.
Операция
075 - Контроль. Данная операция
необходима для контроля полученных размеров. Инструмент, применяемый при
измерении размеров, зависит от точности измерения (количества знаков после
запятой). После измерения всех размеров, следует сравнить их с допусками на
размер. Если контролируемые параметры вписываются в допуск, то можно
производить дальнейшую обработку детали. Если же нет, то имеет место брак.
После обнаружения брака следует установить характер брака: исправимый или не
исправимый.
.3
Расчет припусков
Рассчитаем припуск на поверхность диаметром
[5].
Данная поверхность до окончательного размера проходит через
следующий ряд операций:
· Токарная (черновая);
· Токарная (чистовая);
· Шлифование.
Отклонение расположения поверхностей заготовки при обработке в центрах
рассчитываем по формуле:
(4.1
где

- общее
отклонение оси от прямой,

-
смещение оси в результате погрешности центров.
(4.2)
где

-
удельная кривизна сортамента,
;

- длина
обрабатываемой детали.
(4.3)
где
T - допуск на заготовку. Т. к. заготовкой является
сортамент, T=0,87 мм.
Величина
остаточных пространственных отклонений определяется по формуле:
(4.4)
где
- пространственные отклонения, полученные на
предшествующем переходе,

-
коэффициент уточнения, для черновой обработки
для
чистовой обработки
Остаточные
пространственные отклонения для черновой обработки:
Остаточные
пространственные отклонения для чистовой обработки:
Минимальные
припуски на диаметральные размеры для каждого перехода рассчитывается по
формуле:
(4.5)
где

- высота
неровностей поверхности;
h - глубина
дефектного слоя;

-
суммарные отклонения расположения поверхности.
а)
черновое точение:
б)
чистовое точение:
в)
шлифование однократное:
Расчет
наименьших размеров по технологическим переходам начинаем с наименьшего
(наибольшего) размера детали по конструкторскому чертежу и производим по
зависимости:
(4.6)
а)
чистовое точение:
б)
черновое точение:
в)
заготовка:
Расчет
наибольших размеров по технологическим переходам производим по зависимости:
(4/7)
а)
шлифование однократное:
б)
чистовое точение:
в)
черновое точение:
г)
заготовка:
Фактические
максимальные припуски по переходам:
Фактические
минимальные припуски по переходам:
Определяем
общие припуски:
Правильность
выполненных расчетов можно проверить по формуле:
(4/8)
Рассчитанные
припуски заносим в таблицу 4.
Таблица
4 Припуски на обработку диаметра
|
Маршрут обработки
|
Элементы припуска
|
Расчетный припуск минимальный
|
Допуск на промежуточные
размеры, мкм
|
Принятые размеры заготовки
по переходам, мм
|
Предельный припуск, мкм
|
|
Rz
|
h
|
ΔΣ
|
2Zimin, мкм
|
раз-р, мм
|
|
наиб.
|
наим.
|
2Zmax
|
2Zmin
|
|
Заготовка-пруток
|
160
|
250
|
250
|
-
|
71,8483
|
870
|
72,7
|
71,8
|
-
|
-
|
|
точение
|
|
|
|
|
|
|
|
|
|
|
|
-черновое
|
50
|
50
|
161,7
|
6210
|
65,6383
|
190
|
65,83
|
65,64
|
6,8
|
6,21
|
|
-чистовое
|
25
|
25
|
6,46
|
523,4
|
65,1149
|
74
|
65,2
|
65,1
|
0,64
|
0,52
|
|
шлифование
|
|
|
|
|
|
|
|
|
|
|
|
-однократное
|
10
|
20
|
0
|
112,9
|
65,002
|
19
|
65,021
|
65,002
|
0,19
|
0,11
|
Т.к.
и еще одна ступень
при
расчете припусков находятся в том же интервале размеров и к ним применяются те
же операции что и для рассчитанного диаметра, то на них можно принять припуски
такие же как и для рассчитанной ступени
.
а)
на черновое точение:
б)
на чистовое точение:
в)
на шлифование однократное:
Припуски
для подрезания торцов выбираются из табл. 7.28 (с. 178) [5] и равны 1,3 мм.
3.5 Выбор оборудования, технологической оснастки, станочных
приспособлений и средств измерения
Выбор оборудования осуществляется в зависимости от типа
производства.
Технологическое оборудование для обработки детали «вал»:
· токарно-винторезный станок повышенной точности
16К40П;
· круглошлифовальный станок 3М131;
· Вертикально-фрезерный станок 6Т12;
· Фрезерный станок 5350.
Данное оборудование было выбрано на основе исходных данных о
заготовке и типе производства. Так же данные станки удовлетворяют рассчитанным
режимам резания при обработке данной детали.
Технологическая оснастка включает в себя приспособления
установочно-зажимные, режущие инструменты, вспомогательные и мерительные
инструменты [3].
В разработанном технологическом процессе основная
номенклатура вспомогательного, режущего и измерительного инструмента -
стандартный инструмент:
· Резец 2102-0031 Т15К6 ГОСТ 18877-73;
· Резец 2103-0026 Т15К6 ГОСТ 18879-73;
· Резец 2103-0075 Т15К6 ГОСТ 18879-73;
· Резец 2660-0005 Т15К6 ГОСТ 18885-73;
· Резец канавочный АГБ2126-4048;
· Фреза 2234-0375 ГОСТ9140-78;
· Фреза 2520-0754 ГОСТ8027-86;
· Напильник 2820-0018 ГОСТ1465-80;
· Надфиль 2827-0088 ГОСТ1513-77;
· Щетка металлическая.
Выбор инструмента производился с использованием
соответствующей нормативно технической документации и приведен при написании
комплекта документов на механическую обработку детали.
.5 Назначение и расчет режимов обработки
Уровень режима резания находится в зависимости от типа и конструкции
инструмента, материала и геометрии его режущей части, качества заточки,
правильности установки и закрепления инструмента на станке, состояния системы
СПИД и определяет силы резания и расходуемую при резании мощность [6].
При назначении и расчете режима резания учитывают тип и размеры
инструмента, материал его режущей части, материал и состояние заготовки, тип
оборудования и его состояния. При этом следует помнить, что элементы режима
резания находятся во взаимной функциональной зависимости, устанавливаемой
эмпирическими формулами, что глубина резания и подача непосредственно влияют на
стойкость инструмента, с которой, в свою очередь связана скорость резания.
Для назначения режим резания используем [4].
Назначаем режимы резания для подрезания торца.
I.
Выбираем резец и устанавливаем его геометрические элементы. Тип резца -
токарный проходной резец отогнутый правый. Материал рабочей части - пластины -
твердый сплав Т15К6.
Принимаем
размеры поперечного сечения корпуса резца 
; длина
резца 150 мм.
Из-за
отсутствия рекомендаций по выбору геометрических элементов резца в используемом
справочнике принимаем их по справочнику [7]: форма передней поверхности -
плоская с фаской, типа IIб (табл. 29, с. 187);
;
;
;
(табл. 30, с. 188);
;
(табл. 31, с. 190); 
(табл.
32, с. 190 и табл. 4, примеч. 3, с. 420).
II. Назначаем
режим резания.
.
Устанавливаем глубину резания. При снятии припуска на один проход
.
.
Назначаем подачу (по табл. 14, с. 268). В таблице приведено значение
. Корректируем значение по станку
.
.
Назначаем период стойкости резца
(с.
268).
.
Определяем скорость главного движения резания, допускаемую режущими свойствами
резца (с. 265) по формуле (7.1):
(7.1)
По
таблице 17 (с.270) находим значения коэффициента 
и
показателей степеней 
формулы.
Для наружного точения, твердого сплава Т15К6 и
Учитываем
поправочные коэффициенты на скорость резания.

- общий
поправочный коэффициент, равный произведению поправочных коэффициентов,
учитывающих измененные условия обработки.
Определяем
значения этих коэффициентов:
-
поправочный коэффициент, учитывающий изменение механических свойств
обрабатываемого материала (табл. 9, с. 424) по формуле (7.2):
(7.2)
где

- предел
текучести.
Исходя
из марки материала 
[6]
-
поправочный коэффициент, учитывающий состояние поверхности заготовки (табл. 5,
с. 263),
, так как заготовка - прокат.
-
поправочный коэффициент, учитывающий изменение материала рабочей части
инструмента (табл. 6, с. 363),
, так как
принят твердый сплав Т15К6.
-
поправочный коэффициент, учитывающий изменение главного угла в плане 
(табл.
16, с. 427),
, так как
.

-
поправочный коэффициент, учитывающий вид обработки (табл. 17, с. 427), 
, так как
осуществляется наружное продольное точение.
Определяем
общий поправочный коэффициент на скорость главного движения резания по формуле
(7.3):
(7.3)
Подставив
все найденные величины в формулу (7.1), получим:
В
единицах СИ:
.
Определяем частоту вращения шпинделя, соответствующую найденной скорости:
(7.4)
Корректируем
частоту вращения шпинделя по паспортным данным станка мод. 16К40П и
устанавливаем действительное значение частоты вращения:
[6].
.
Определяем действительную скорость главного движения резания:
(7.5)
В
единицах СИ:
.
Определяем главную составляющую силы резания по формуле (7.6):
(7.6)
По
таблице 22 (с. 274) находим значения коэффициента 
и
показателей степеней
формулы. Для наружного продольного точения
твердосплавным резцом конструкционной стали
:
Учитываем
поправочные коэффициенты на силу резания.
- общий
поправочный коэффициент, равный произведению поправочных коэффициентов,
учитывающих измененные условия обработки.
Определяем
значения этих коэффициентов:
-
поправочный коэффициент, учитывающий изменение механических свойств
обрабатываемого материала (табл. 9, с. 264) по формуле (7.7):
(7.7)
где

- предел
текучести стали,

-
показатель степени.
Показатель
степени
определяем по табл. 22, с. 430. Для обработки конструкционной стали
твердосплавным резцом
. Тогда по формуле (7.7):
-
поправочный коэффициент, учитывающий изменение переднего угла 
(табл.
23, с. 275),
, так как
.
-
поправочный коэффициент, учитывающий изменение угла наклона главной режущей
кромки 
(табл.
23, с. 275),
, так как
.
-
поправочный коэффициент, учитывающий изменение главного угла в плане 
(табл.
23, с. 275),
.
Определяем
общий поправочный коэффициент на силу резания по
формуле
(7.8):
(7.8)
Подставив
все найденные величины в формулу (7.6), получим:
В
единицах СИ:
.
Определяем мощность, затрачиваемую на резание по формуле (7.9):
(7.9)
.
Проверяем, достаточна ли мощность привода станка. Необходимо проверить
выполнение условия:
(7.10)
Мощность
(кВт) на шпинделе станка по приводу по формуле (7.11):
(7.11)
В
паспортных данных станка 16К40П находим:
Следовательно,
, т.е. обработка возможна.
III. Определяем
основное время (мин) по формуле (7.12):
(7.12)
В
решении были определены следующие параметры формулы: число проходов 
, частота
вращения шпинделя станка
, подача резца
.
Определяем
длину рабочего хода резца 
по
формуле (7.13):
(7.13)
Врезание
резца определяем по формуле (7.14):
(7.14)
Перебег
резца 
;
принимаем
.
Черновое
точение
.
Подставив
в формулу (7.5) получим:
Определяем
длину рабочего хода резца 
по
формуле (7.16):
По
условию
. Врезание резца определяем по формуле (7.14):
Перебег
резца
; принимаем
.
Основное
время определяем по формуле (7.12):
Чистовое
точение
.
Подставив
в формулу (7.5) получим:
Определяем
длину рабочего хода резца 
по
формуле (7.16):
По
условию
. Врезание резца определяем по формуле (7.14):
Перебег
резца
; принимаем
.
Определяем
основное время по формуле (7.12):
Однократное
шлифование
.
Определяем
основное время по формуле (7.22):
Черновое
точение
.
Подставив
в формулу (7.5) получим:
Определяем
длину рабочего хода резца 
по
формуле (7.16):
По
условию
. Врезание резца определяем по формуле (7.14):
Перебег
резца
; принимаем
.
Определяем
основное время по формуле (7.12):
Чистовое
точение
.
Подставив
в формулу (7.5) получим:
Определяем
длину рабочего хода резца 
по
формуле (7.16):
По
условию
. Врезание резца определяем по формуле (7.14):
Перебег
резца
; принимаем
.
Определяем
основное время по формуле (7.12):
Однократное
шлифование
.
Определяем
основное время по формуле (7.22):
Черновое
точение
.
Подставив
в формулу (7.5) получим:
Определяем
длину рабочего хода резца 
по
формуле (7.16):
По
условию 
.
Врезание резца определяем по формуле (7.14):
Перебег
резца
; принимаем
.
Определяем
основное время по формуле (7.12):
Чистовое
точение
.
Подставив
в формулу (7.5) получим:
Определяем
длину рабочего хода резца 
по
формуле (7.16):
По
условию
. Врезание резца определяем по формуле (7.14):
Перебег
резца
; принимаем
.
Определяем
основное время по формуле (7.12):
Однократное
шлифование
.
Определяем
основное время по формуле (7.22):
Назначаем
режимы резания для нарезания резьбы 
[6].
I. Выбираем
резец и устанавливаем его геометрические элементы. Принимаем резьбовой резец
для метрической резьбы. Материал пластинки - твердый сплав Т15К6.
II. Назначаем
режим резания.
.
Устанавливаем число черновых и чистовых рабочих ходов (карта 34, с. 101). Для
наружной резьбы с шагом P = 2 мм i = 6.
.
Определяем скорость главного движения резания, допускаемую режущими свойствами
резца (карта 34, с. 101).
Для
стали с
, наружной резьбы точности 6g и шага P=2
мм
.
Поправочные
коэффициенты на скорость главного движения резания при заданных условиях
обработки не учитываем (каждый из них равен единице). Тогда
.
Частота
вращения шпинделя станка, соответствующая найденной скорости главного движения
резания определяется по формуле (7.4):
Корректируем
частоту вращения по данным станка и устанавливаем действительную частоту
вращения шпинделя:
.
Действительная
скорость главного движения резания определяется по формуле (7.5):
.
Определяем мощность, затрачиваемую на резание (карта 34, с. 101).
Для
стали с
, наружной резьбы точности 6g и шага P=2
мм
.
Поправочные
коэффициенты на мощность при заданных условиях обработки равны единице.
Следовательно,
.
Проверяем,
достаточна ли мощность привода станка. У станка 16К40П
Следовательно,
2
, т.е.
обработка возможна.
III. Определяем
основное время (мин):
(7.23)
Врезание
и перебег резца 
(мм)
устанавливаем по прил. 6, с 375:
Принимаем
Назначаем режим резания для фрезерования шпоночного паза В=18
мм.
I.
Выбираем фрезу и устанавливаем ее геометрические элементы. Принимаем концевую
фрезу с нормальным зубом из быстрорежущей стали Р6М5. Диаметр фрезы принимаем
равным ширине паза, т. е. D = В = 18 мм; число зубьев фрезы z = 3 (карта 81,
с. 215). Геометрические элементы (прил. 2, с. 369): 
= 15°; α = 14°; 
= 3°..
Назначаем режим резания.
.
Устанавливаем глубину резания. При фрезеровании пазов концевой фрезой глубиной
резания считается ширина паза, в данном случае t=b=16
мм. Глубина паза при фрезеровании его за один рабочий ход принимается за ширину
фрезерования В. В данном случае В = h = 6 мм.
2. Назначаем
подачу на зуб фрезы (карта 81, с. 215). Для фрезерования стали, D = 18 мм, z = 3 и h = 6
мм Sz = 0,05 мм/зуб.
3. Назначаем
период стойкости фрезы (табл. 2, с. 204). Для концевой фрезы диаметром D
= 18 мм из быстрорежущей стали Р6М5 рекомендуется период стойкости Т = 60 мин.
4. Определяем
скорость главного движения резания, допускаемую режущими свойствами фрезы
(карта 87, с. 228). Для фрезы с нормальным зубом, D = 18 мм, z = 3, ширины паза 18 мм, глубины паза
до 18 мм и Sz до 0,07 мм/зуб Vтабл =18 м/мин.
5. Частота
вращения шпинделя, соответствующая найденной скорости главного движения
резания:
Корректируем
частоту вращения шпинделя по станку и устанавливаем действительную частоту
вращения:
.
6. Действительная
скорость резания
7. Определяем
скорость движения подачи (старое обозначение SМ)
Корректируем
эту величину по данным станка и устанавливаем действительную скорость движения
подачи
.
8. Определяем мощность,
затрачиваемую на резание (карта 87, с. 228). Для Sz до 0,07
мм/зуб, ширины паза 18 мм, глубины паза до 10 мм
. Для заданных условий обработки поправочный
коэффициент на мощность Kn = 1. Тогда Npeз =
.
.
Проверяем, достаточна ли мощность привода станка. У станка 6Т12
.
0,82
< 6,0, т. е. обработка возможна.. Основное время
где
При
фрезеровании концевой фрезой паза врезание определяется
Перебег

= 1 ...
5 мм; принимаем 
= 3 мм.
Тогда
Тогда
основное время
.6 Расчет технических норм времени
Техническое нормирование в широком смысле этого понятия представляет
собой установление технически обоснованных норм расхода производственных
ресурсов. Под производственными ресурсами понимают энергию, сырье, материалы,
инструмент, рабочее время и прочее.
Техническое нормирование труда - это совокупность методов и приемов
выявления резервов рабочего времени и установления необходимой меры труда.
Основным элементом технологического процесса является операция. Именно для
выполнения операции устанавливают норму времени.
Норма времени - регламентированное время выполнения технологической
операции в определенных организационно-технических условиях одним или
несколькими исполнителями соответствующей квалификации. Технически обоснованной
нормой времени считают время выполнения технологической операции в наиболее
благоприятных для данного производства условиях.
Технически обоснованную норму времени устанавливают на каждую операцию,
для чего рассчитывают штучное время.
Штучное время - это отношение календарного времени технологической
операции к числу изделий, одновременно изготовляемых на одном рабочем месте.
Для неавтоматизированного производства штучное время определяется по формуле:
где

-
основное (технологическое) и вспомогательное время;

- время
организационного и технического обслуживания рабочего места соответственно;

- время
перерывов в работе.
Основным (технологическим) называется время, в течение которого
непосредственно осуществляется изменение размеров, формы и качества
поверхностного слоя заготовки или взаимного расположения отдельных частей
сборочной единицы и их крепление и т.д.

для
каждого технологического перехода было определено в разделе 2.6:
· операция 010
o 
o 
o 
o 
o 
o 
· операция 020
o 
o 
o 
o 
o 
o 
· операция 030
o 
o 
· операция 035
o 
o 
o 
o 
· операция 045
o 
o 
o 
o 
4. НАУЧНО ИССЛЕДОВАТЕЛЬСКИЙ РАЗДЕЛ
.1 Назначение и классификация фрезерных станков
Технологический процесс получения готовой
детали из заготовки в общем случае включает ряд последовательных операций,
выполняемых на фуговальных, рейсмусовых, четырехсторонних продольно-фрезерных,
собственно фрезерных, шлифовальных и других станках. В результате выполнения
этих операций на заготовке формируются новые поверхности, точное положение которых
относительно друг друга достигается соответствующим положением технологической
базы заготовки на установочных и направляющих поверхностях конструктивных
элементов станка.
По конструктивным и технологическим
признакам различают следующие основные типы фрезерных станков: с нижним
расположением шпинделя, копировальные с верхним расположением шпинделя,
карусельные и модельные. Фрезерные станки предназначены для плоской, профильной
и рельефной обработки прямолинейных и криволинейных деталей и узлов способом фрезерования,
в том числе формирования сквозных и несквозных профилей, контуров, выборки
пазов, гнезд, шипов и т. д.
На станках с нижним расположением шпинделя
производят следующие виды обработки деталей: продольную плоскую и. фасонную,
криволинейную обработку прямых и фасонных кромок, по наружному и внутреннему
контуру щитов и рамок, несквозную зарезку пазов, а также шипов и проушин.
Следует отметить, что в условиях специализированных производств продольную
обработку деталей производительнее выполнять на станках проходного типа
продольно-фрезерных: рейсмусовых и четырехсторонних.
На копировальных станках с верхним
расположением шпинделя фрезеруют прямолинейные и криволинейные боковые
поверхности, щиты и рамки, выбирают пазы, гнезда, полости различной конфигурации,
сверлят и зенкуют отверстия, а при наличии специальных приспособлений нарезают
короткие резьбы, вырезают пробки, выполняют различные художественные работы.
На карусельных станках с большой
производительностью выполняют криволинейную обработку по копиру прямых и
фасонных кромок брусковых и щитовых деталей, в том числе и по контуру.
Модельные станки позволяют производить фрезерование верхних и боковых
поверхностей деталей сложной конфигурации, а также расточку, обточку, сверление
и другие подобные операции при изготовлении литейных моделей и стержневых
ящиков в специализированных литейных производствах.
Фрезерные станки с нижним
расположением шпинделя. Фрезерные станки с нижним расположением шпинделя наиболее
универсальны и находят широкое применение во всех отраслях деревообработки, т.
к. позволяют выполнять широкий ряд технологических операций: плоское и
профильное фрезерование кромок, криволинейное фрезерование по шаблону (копиру),
несквозное фрезерование пазов, нарезание шипов и выборку проушин и т. д. Эти
операции можно выполнять как с ручной, так и механизированной подачей
заготовок.
Станкостроительная промышленность
выпускает следующие модели фрезерных станков с нижним расположением шпинделя:
ФС-1 (фрезерный средний с ручной подачей заготовок толщиной до 100 мм - базовая
модель), ФСШ-1 (то же, но оснащен шипорезной кареткой для нарезания простых
шипов), ФСШ-П (то же, но с механизированной подачей шипорезной каретки).
Имеются фрезерные станки с нижним расположением шпинделя типов ФЛ (легкие с шириной
фрезерования до 80 мм), ФС (средние - до 100 мм), ФТ (тяжелые - до 125 мм), а
также их модификации с ручной подачей шипорезной каретки (ФЛШ, ФСШ и ФТШ) и
автоподатчиком заготовок (ФЛА, ФСА и ФТА).
На машиностроительных предприятиях часто
встречаются фрезерные станки с нижним расположением шпинделя и ручной подачей
заготовок типов Ф-5, Ф-6, ФШ-4, а также станок ФА-4 с механизированной подачей
заготовок звездочкой.
Фрезерные станки с
верхним расположением шпинделя. В эту группу входят копировальные станки
(ВФК-1, ВФК-2), карусельные (Ф1К-2, Ф1К-2А) и модельные (ФМ25, ФМС). Фрезерные
копировальные станки с верхним расположением шпинделя универсальные. Эти станки
находят широкое применение при производстве мебели и обработке корпусных
деталей вида «Рама боковая», различных изделий широкого потребления,
радиоаппаратуры, вагоностроении и т. д.
Таблица 1. Технические характеристики
фрезерных станков с нижним расположением шпинделя
|
ФС-I
|
ФСШ-I
|
ФСШ-II
|
|
Наибольшая толщина
обрабатываемого изделия, мм
|
100
|
100
|
100
|
|
Длина стола, мм
|
1000
|
1000
|
1000
|
|
Ширина стола, мм
|
800
|
800
|
800
|
|
Размер внутреннего конуса
Морзе по СТ СЭВ 147-75
|
4
|
4
|
4
|
3550; 7100
|
4500; 9000
|
3000; 6000; 4500; 9000
|
|
Вертикальное перемещение
шпинделя, мм.
|
160
|
160
|
160
|
|
Диаметр шпиндельной
насадки, мм
|
32
|
32; 27*
|
32
|
|
Наибольший диаметр режущего
инструмента, мм
|
250
|
250
|
250
|
|
Наибольшая ширина
заготовки, устанавливаемой на столе шипорезной каретки при глубине шипа 100
мм, мм
|
---
|
230
|
230
|
|
Ход шипорезной каретки, мм
|
---
|
500
|
500
|
|
Привод подачи шипорезной
каретки
|
---
|
Ручной
|
Механический
|
|
Наибольшая скорость
механической подачи, м/мин, не менее
|
|
|
20,0
|
|
Габаритные размеры станка
(длина х ширина х высота), мм
|
1085 х 1150 х 1320
|
1550 х 1500 х 1320
|
1420 х 1510 х 1360
|
|
Масса станка, кг
|
840
|
940
|
920
|
Таблица 2. Техническая характеристика
фрезерных копировальных станков с верхним расположением шпинделя
|
ВФК-1
|
ВФК-2
|
|
Размер стола, мм
|
700 х 760
|
800 х 1180
|
|
Частота вращения шпинделя,
мин-1
|
18 000
|
18 000
|
|
Диаметр фрезы, мм
|
2 - 36
|
2 - 36
|
|
Вертикальное перемещение
шпинделя, мм
|
Ручное 130
|
Пневматическое 130
|
|
Мощность электродвигателя
механизма резания, кВт
|
1,5
|
1,5
|
|
Вылет шпинделя, мм
|
600
|
710
|
|
Наибольший просвет между
шпинделем и столом, мм.
|
460
|
300
|
|
Высота стола от пола, мм:
|
|
|
|
наибольшая
|
1000
|
1000
|
|
наименьшая
|
800
|
800
|
|
Габаритные размеры (длина х
ширина х высота)
|
1170 х 1240 х 1670
|
1180 х 1450 х 1600
|
|
Масса, кг, не более
|
750
|
870
|
Станки фрезерные
карусельные предназначены для плоскостного и фигурного фрезерования.
Различают фрезерные карусельные станки с верхним Ф1К-2, Ф1К-2А и нижним Ф2К-ШЗ
расположением шпинделя.
Для получения деталей с высокими
требованиями к шероховатости обработанной поверхности (чаще всего детали,
поверхность которых в дальнейшем должна подвергнуться облагораживанию - лакированию,
крашению (например, ножки, царги и сиденья стульев), фрезерные карусельные
станки оснащаются шлифовальными головками.
Таблица 3.Техническая характеристика
фрезерных карусельных станков
|
Ф1К-2
|
Ф1К-2А
|
Ф2К-Ш3
|
|
Фрезерных шпинделей, шт
|
1
|
1
|
2
|
|
Шлифованных головок, шт
|
---
|
1
|
3
|
|
Размеры обрабатываемых
деталей, мм:
|
|
|
|
|
диаметр (длина)
|
230 - 1200
|
230 - 1200
|
310 - 920
|
|
ширина
|
230
|
230
|
30 - 130
|
|
Наибольшая высота
фрезерования, мм
|
100
|
100
|
20
|
|
Диаметр стола, мм
|
1000
|
1000
|
2400
|
|
Частота вращения шпинделя,
мин -1
|
7000
|
7000
|
7000
|
|
Частота вращения
шлифованной головки, мин -1
|
3000
|
3000
|
3000
|
|
Частота вращения стола, мин
-1
|
0,3 - 5,5
|
0,3 - 5,5
|
1 - 5
|
|
Наибольшее вертикальное
перемещение шпинделя, мм
|
50
|
50
|
50
|
|
Частота осцилляции
шлифованной ленты, мин -1.
|
120
|
120
|
95
|
|
Габаритные размеры станка
(длина х ширина х высота), мм, не более
|
2470 х 1150 х 2100
|
2470 х 1550 х 2100
|
4130 х 4050 х 1150
|
|
Масса станка, не более
|
2300
|
2460
|
4000
|
Таблица 4. Техническая характеристика
одношпиндельных фрезерных станков с ручной подачей
|
ФЛ
|
ФС-1
|
ФТ
|
|
Толщина обрабатываемого
изделия, мм
|
80
|
100
|
125
|
|
Размеры стола (длина х
ширина), мм
|
800 х 630
|
1000 х 800
|
1250 х 1000
|
|
Частота вращения шпинделя,
мин-1
|
600; 12 000
|
3550; 7100
|
4000; 8000
|
|
Вертикальное
относительное перемещение шпинделя, мм
|
100
|
100
|
100
|
|
Диаметр шпиндельной
насадки, мм
|
22
|
32
|
32
|
|
Наибольший диаметр режущего
инструмента, мм
|
250
|
250
|
250
|
|
Мощность электродвигателя,
кВт
|
1,8 (2,3)
|
4,7 (5,5)
|
4,7 (5,5)
|
|
Габаритные размеры, мм:
|
|
|
|
|
длина
|
950
|
1085
|
1175
|
|
ширина
|
875
|
1150
|
1250
|
|
высота
|
1255
|
1225
|
1285
|
|
Масса, т
|
0,68
|
0,8
|
0,8
|
Фрезерные станки с нижним расположением
шпинделя бывают: с ручной подачей для профильного фрезерования по линейке,
кольцу и копиру (легкие - ФЛ, средние - ФС, тяжелые - ФТ); с шипорезной
кареткой, позволяющей вырабатывать на концах деталей шипы и проушины (средние -
ФСШ, тяжелые - ФТШ); с механической подачей для прямолинейной обработки (легкие
-ФЛА, средние - ФСА, тяжелые - ФТА).
Таблица 5. Техническая характеристика
одношпиндельных фрезерных станков с механической подачей
|
ФЛА
|
ФСА-1
|
ФТА
|
|
Толщина обрабатываемого
изделия, мм
|
80
|
100
|
125
|
|
Размеры стола (длина х
ширина), мм
|
1000 х 800
|
1000 х 800
|
1250 х 1000
|
|
Диаметр шпиндельной
насадки, мм
|
22
|
32
|
32
|
|
Частота вращения шпинделя,
мин-1
|
6000; 12 000
|
4500; 9000
|
4000; 8000
|
|
Вертикальное
относительное перемещение шпинделя, мм
|
100
|
100
|
100
|
|
Наибольший диаметр режущего
инструмента, мм
|
250
|
250
|
250
|
|
Величина подачи, м/мин
|
8 - 25
|
8 - 25
|
8 - 25
|
|
Мощность электродвигателя,
кВт
|
2,25 (2,9)
|
5,15 (6,1)
|
5,15 (6,1)
|
|
Габаритные размеры, мм:
|
|
|
|
|
длина…
|
1000
|
1000
|
1180
|
|
ширина…
|
1000
|
1090
|
1250
|
|
высота….
|
1355
|
1355
|
1360
|
|
Масса, т….
|
0,84
|
0,85
|
1,1
|
Таблица 6. Техническая характеристика
одношпиндельных фрезерных станков с шипорезной кареткой
|
ФТШ
|
ФСШ-1
|
ФЛШ
|
|
Толщина обрабатываемого
изделия, мм
|
125
|
100
|
80
|
|
Размеры стола (длина х
ширина), мм
|
1250 х 1000
|
1000 х 800
|
1000 х 800
|
|
Диаметр шпиндельной
насадки, мм
|
32
|
27
|
22
|
|
Частота вращения шпинделя,
мин-1
|
4000; 8000
|
3500; 7000
|
3500; 6000
|
|
|
4500; 9000
|
70000
|
|
Вертикальное
относительное перемещение шпинделя, мм
|
100
|
100
|
100
|
|
Диаметр шипорезного диска,
мм.
|
250
|
250
|
250
|
|
Ход шипорезной каретки, мм.
|
500
|
500
|
500
|
|
Мощность электродвигателя,
кВт
|
4,7 (5,5)
|
4,7 (5,5)
|
1,8 (2,3)
|
|
Габаритные размеры, мм:
|
|
|
|
|
длина
|
1550
|
1550
|
1550
|
|
ширина
|
1750
|
1500
|
1500
|
|
высота.
|
1320
|
1320
|
1320
|
|
Масса, т
|
1,1
|
0,87
|
0,87
|
.2 Рациональные правила и приемы работы
Перед фрезерованием необходимо осмотреть
заготовку со всех сторон, выявить все дефекты (трещины, сучки, пороки строения
и ненормальности окраски, гниль, червоточины, дефекты предшествующей
механической обработки, покороблениость), мысленно оценить их размеры, взаимное
положение, проанализировать возможное влияние дефектов па качество обработки не
только на фрезерных станках, но и при выполнении последующих операций
технологического процесса. Не следует фрезеровать сильно покоробленные
заготовки, стрела прогиба у которых заведомо больше припуска на обработку, т.
к. они неизбежно окажутся браком. Это же относится к заготовкам, имеющим
дефекты, не допускаемые техническими условиями на данный вид изделий.
Важный момент, предшествующий обработке -
правильный выбор технологических баз по отношению к направлению подачи. База
выбирается исходя из необходимости устойчивого базирования заготовки на
переднем столе и поэтому для покоробленных заготовок должна иметь вогнутую
форму. Одновременно необходимо учитывать, что значительная общая глубина
фрезерования при формировании технологической базы позволяет удалять ряд
дефектов с базовой поверхности, чего невозможно достичь при последующих
операциях.
Размеры неровностей на фрезерованных поверхностях, а
следовательно, и шероховатость поверхности обработки во многом зависят от угла
подачи между направлением хода заготовки и вектором скорости подачи. Так, при
подаче по волокнам со скоростью 12 м/мин шероховатость обработанной поверхности
Rz max = 60… 100 мкм (
), а при подаче против волокон (встречный
косослой) достигает 320 мкм (
). Таким образом, только правильной ориентацией заготовок,
подаваемых в станок, можно добиться как минимум двукратного увеличения скорости
подачп и соответственно производительности при сохранении заданного уровня
шероховатости.
Глубина фрезерования на фрезерном станке зависит от припуска на
обработку. Необходимо стремиться к работе при малых глубинах фрезерования, т.
к. это приводит к уменьшению сил резания и усилий прижима, деформирующих
заготовку, позволяет устранить нежелательное явление деформации заготовки при
распределении внутренних напряжений, когда сфрезеровывается значительная часть
материала. Одновременно работа с малыми глубинами фрезерования позволяет
рационально использовать припуск на обработку и уменьшает возможность появления
технологического брака, снижает утомляемость рабочих. Обрабатываемые заготовки
и материалы надо подавать в станок справа налево.
При работе на фрезерном станке с ручной подачей необходимо
обеспечить плавную и равномерную подачу заготовок, плотно прижимая обработанные
стороны заготовки к поверхностям стола и направляющих устройств. После рабочего
хода обработанную поверхность (или поверхности) осматривают и, если на детали
остались непрофрезерованные места или дефекты, которые невозможно устранить
последующей механической обработкой, ее бракуют. Плоскостность без заготовок
проверяют поверочной линейкой и щупом или «на просвет» по щели между двумя
заготовками, соприкасающимися обработанными поверхностями. Перпендикулярность
смежных поверхностей заготовки контролируют угольником и щупом. Профиль
обработанной детали проверяют по шаблону.
Для фрезерных станков с нижним расположением шпинделя установлены
по ГОСТ 6975 следующие допуски на обработку деталей, в мм: равномерность ширины
паза 0,1 на 1000; параллельность паза базовой поверхности 0,25 на 1000;
равномерность ширины проушины 0,1 на 100; параллельность проушины базовой
поверхности (для станков с шипорезной кареткой) 0,1 на 100.
Для безопасной работы на станках заготовки короче 400 мм, уже и
тоньше 40 мм, а также заготовки с фасонным профилем разрешается фрезеровать
только при помощи колодок-толкателей. Фрезерование кромок шпона необходимо
вести в пакетах с использованием специальных приспособлений - цулаг,
обеспечивающих обжатие и надежное крепление пакета. Для обработки заготовок
небольшой толщины и, как правило, невысокой жесткости можно использовать
вальцевые механизмы подачи с независимой подвеской подающих вальцов. При
обработке заготовок длиной более 2 м спереди и сзади станка необходимо
устанавливать опоры в виде стоек с роликами, приставных столиков, роликовых
столов. Ролики должны располагаться на 0,6 -1 м один от другого и легко
вращаться.
Высота выкладываемых стоп обработанных деталей и заготовок не
должна быть более 1,7 м. Оптимальные решения по организации рабочих мест,
размещению подстопных мест и проходов необходимо принимать из конкретных
условий производственного процесса.
5 ЭКОНОМИЧЕСКИЙ РАЗДЕЛ
.1 Расчёт стоимости фрезерной, двух-шпиндельной бабки ДП-1-
-ТО(з)62-002
Стоимость усовершенствованной конструкции фрезерной, двух-шпиндельной
бабки, а также ее номинальная и проектная производительность приведена в
таблице 4.1.
Таблица 4.1 -
конструкции фрезерной, двух-шпиндельной бабки ДП-1-360103-ТО(з)62-002.
|
Обозначение
|
Наименование
|
Кол.
|
Стоимость, тыс. руб.
|
|
|
|
|
|
Документация
|
|
|
|
|
|
|
|
ДП-1-360103-ТО(з)62-002
|
Сборочный чертеж
|
|
|
|
|
|
|
|
Сборочные единицы
|
|
|
|
|
|
|
|
СБ949-213
|
Комплект шпинделя
|
1
|
3 300
|
|
СБ949-214
|
Комплект шпинделя
|
1
|
3 300
|
|
У1Е4646-01
|
Привод главного движения
(ременной)
|
1
|
2 400
|
|
УМ7741-011
|
Маслораспределитель
|
1
|
200
|
|
УНЕ3105-03
|
Маслораспределитель
|
1
|
210
|
|
УНЕ3108
|
Горловина
|
1
|
120
|
|
|
|
|
|
Детали
|
|
|
|
СБ949-211.101
|
Корпус
|
1
|
220
|
|
СБ949-211.201
|
Труба Труба ДКРНТ 6.0x1.0
ОНД ГОСТ 617-90 М3 ГОСТ 859-78; L=1000h16 шерох. 40 торцев
|
1
|
180
|
|
Обозначение
|
Наименование
|
Кол.
|
|
СБ949-211.301
|
Колесо зубчатое
|
1
|
260
|
|
СБ949-211.302
|
Кольцо компенсаторное
|
4
|
90
|
|
СБ949-211.303
|
Фланец
|
5
|
140
|
|
СБ949-211.304
|
Вал
|
1
|
180
|
|
СБ949-211.305
|
Колесо зубчатое
|
1
|
240
|
|
СБ949-211.306
|
Фланец
|
1
|
160
|
|
СБ949-211.307
|
Колесо зубчатое
|
1
|
280
|
|
СБ949-211.308
|
Фланец
|
1
|
180
|
|
СБ949-211.309
|
Втулка
|
1
|
80
|
|
СБ949-211.310
|
Компенсатор
|
1
|
40
|
|
СБ949-211.311
|
Колесо зубчатое коническое
|
1
|
220
|
|
СБ949-211.312
|
Втулка
|
1
|
60
|
|
СБ949-211.313
|
Стакан
|
1
|
70
|
|
СБ949-211.314
|
Компенсатор
|
2
|
30
|
|
СБ949-211.315
|
Компенсатор
|
1
|
20
|
|
СБ949-211.316
|
Шкив
|
1
|
230
|
|
СБ949-211.317
|
Вал
|
1
|
140
|
|
СБ949-211.318
|
Фланец
|
1
|
120
|
|
СБ949-211.320
|
Фланец
|
1
|
110
|
|
СБ949-211.321
|
Колесо зубчатое коническое
|
1
|
250
|
|
СБ949-211.322
|
Втулка
|
1
|
80
|
|
СБ949-211.323
|
Вал
|
1
|
140
|
|
СБ949-211.324
|
Компенсатор
|
1
|
30
|
|
СБ949-211.325
|
Колесо зубчатое
|
1
|
230
|
|
СБ949-211.326
|
Колесо зубчатое
|
1
|
210
|
|
СБ949-211.327
|
Вал
|
1
|
200
|
|
|
|
|
|
Обозначение
|
Наименование
|
Кол.
|
Стоимость, тыс. руб
|
|
СБ949-211.328
|
Компенсатор
|
1
|
20
|
|
СБ949-211.329
|
Втулка
|
1
|
50
|
|
СБ949-211.330
|
Втулка
|
1
|
40
|
|
СБ949-211.331
|
Крышка
|
1
|
30
|
|
СБ949-211.332
|
Втулка
|
1
|
20
|
|
СБ949-211.333
|
Вал
|
2
|
150
|
|
СБ949-211.334
|
Крышка
|
1
|
20
|
|
СБ949-211.335
|
Крышка
|
1
|
20
|
|
СБ949-211.336
|
Крышка
|
1
|
20
|
|
СБ949-211.337
|
Труба Труба
6x0.8ГОСТ8734-75 В10 ГОСТ8733-74 L=3000h16 шерох. 40 торцев
|
1
|
160
|
|
СБ949-211.338
|
Шпилька
|
6
|
10
|
|
СБ949-211.339
|
Труба Труба
10x1.0ГОСТ8734-75 В10 ГОСТ8733-74 L=800h16 шерох. 40 торцев
|
1
|
140
|
|
СБ949-211.340
|
Фланец
|
1
|
100
|
|
СБ949-211.341
|
Колесо зубчатое
|
1
|
230
|
|
У1Е4646.401
|
Шкив
|
1
|
220
|
|
УМ9839-003.310
|
Прокладка
|
1
|
10
|
|
УНЕ3192.618-04
|
Втулка
|
1
|
20
|
|
УНЕ3192.619-04
|
Втулка
|
1
|
25
|
|
УНЕ3192.620-03
|
Втулка
|
1
|
25
|
|
Стандартные изделия
|
|
|
|
Общая сумма всех ст изделий
входящий в узел СБ949-211СБ
|
200
|
350
|
|
|
|
|
Обозначение
|
Наименование
|
Кол.
|
Стоимость, тыс. руб
|
|
|
|
|
|
Прочие изделия
|
|
|
|
|
|
|
|
Гайка 8.М72*2.0-7H.35.05
ТУ.066.2190070.006-88
|
1
|
10
|
|
Двигатель АИР 160М6У3
15.0кВт 970об/мин:исп. IM3081 ТУ16-510.810-83
|
1
|
240
|
|
Насос шестеренный БГ-11А ТУ
84-738-77Е
|
1
|
160
|
|
Подшипник 7513
ТУ37.006.162-89
|
2
|
80
|
|
Подшипник 7515
ТУ37.006.162-89
|
10
|
50
|
|
|
|
|
|
Итого:
|
|
|
15 840
|
|
Производительность
|
Проектная
|
7 шт/час
|
|
Номинальная
|
8,27 шт/час
|
.2 Расчёт фонда заработной платы и средней заработной платы
сотрудника
Стоимость операций согласно картам расчета на
агрегатном, фрезерно-сверлильном станке ДП-1-360103-ТО(з)62-003 (СБ949) - 5 тыс. руб.
По документационным данным агрегатного, фрезерно-сверлильного станка
ДП-1-360103-ТО(з)62-003 (СБ949), известно, что его проектная и номинальная
производительность при К0=0,80 шт/ч - 7 - 8,27 шт/час;
Режим работы - двусменный, количество часов работы в смену-8, количество
рабочих дней в году, учитывая выходные и праздничные дни - 255 дней. Найдём
сколько часов в году работает агрегатный, фрезерно-сверлильный станок СБ949:
(4.1)
где
- количество часов работы в смену,
-
количество рабочих дней в году,
-
количество смен в сутках.
часов
Годовой
выпуск деталей «Рама боковая» ДП-1-360103-ТО(з)62-001 составляет :
дет/год (4.2)
где
ПЧ - производительность агрегатного, фрезерно-сверлильного
станка СБ949 за 1 час работы равна 8,27 (номинальная).
Выручка,
которую получит предприятие за год:
тыс. руб
(4.3)
где
- стоимость 2-х операций (фрезерная и сверлильная) для «Рамы
боковой» ДП-1-360103-ТО(з)62-001 на
агрегатном, фрезерно-сверлильном станке ДП-1-360103-ТО(з)62-003 (СБ949) - 5 тыс. руб.
Станок
по выпуску деталей «Рама боковая» ДП-1-360103-ТО(з)62-001 обслуживается
персоналом в количестве 1 человека - оператора и 1 механика. Форма оплаты труда
- простая повременная.
Рассчитаем
годовой фонд заработной платы по формуле:
тыс.
руб. (4.4)
- оплата
рабочего в смену тыс. руб.
-
количество работающих в две смены.
а)
Величина годовых амортизационных отчислений:
б)
Затраты на электроэнергию:
(4.12)
где
- количество часов в году.
мощность
электродвигателя, кВт,
стоимость
электроэнергии, на предприятии руб./кВтч. (400 руб)
коэффициент
учитывающий потери электроэнергии в сетях.
в)
Отчисления в ФСЗН:
г)
Накладные расходы(200% от зарплаты):
д)
Определяем общие затраты:
= 1584 +
31824 + 10404+61200=105012 тыс.руб.
е)
Определяем прибыль:
П=В
- З = 168705-105012=63 693 тыс.руб.
ж)
Срок окупаемости проекта:
Таким
образом, окупаемость проектируемого варианта фрезерной, двух-шпиндельной бабки
ДП-1-360103-ТО(з)62-002 составит 0,25 года.
Приведем
таблицу технико-экономических показателей фрезерной, двух-шпиндельной бабки
ДП-1-360103-ТО(з)62-002.
Таблица 4.2 -
Технико-экономические показатели фрезерной, двух-шпиндельной бабки
ДП-1-360103-ТО(з)62-002
|
Технико-экономические
показатели ДП - 360103-ТО(з)62-002
|
|
Величина
|
Обозначение величины
|
Значение величины
|
|
Pr
|
Стоимость фрезерной,
двух-шпиндельной бабки ДП - 360103-ТО(з)62-002
|
15 840 тыс. руб.
|
|
|
Годовой выпуск деталей «Рама
боковая»
|
33 741 дет/год
|
|
В
|
Выручка
|
168 705 тыс. руб.
|
|
Годовой фонд заработной платы30 600 тыс. руб.
|
|
|
|
З
|
Общие затраты за год
|
105 012 тыс. руб.
|
|
О
|
Окупаемость проектируемого
варианта ДП - 360103-ТО(з)62-002
|
0,25 года
|
|
П
|
Прибыль
|
63 693 тыс. руб.
|
|
Nчел
|
Численность работающих
человек в смену
|
2
|
Средняя заработная плата рабочего за месяц
(4.7)
где
ФЗП - годовой фонд заработной платы;
n - число работающих человек в две смены равно 4-м.
тыс.руб. (4.8)
Средняя
заработная плата рабочего за год 7 650 тыс.руб.
5.3
Расчёт суммы амортизации в себестоимости фрезерной, двух-
шпиндельной
бабки ДП-1-360103-ТО(з)62-002
Стоимость
фрезерной, двух-шпиндельной бабки ДП-1-360103-ТО(з)62-002 - 15 840 тыс.
руб.
Ликвидационная
стоимость в процентах - 2%
Срок
полезного использования - 10 лет
Годовой
выпуск деталей «Рама боковая» составляет 33741 дет/год.
а)
Норма амортизационных отчислений
(4.9)
б)
Амортизируемая стоимость
шт. (4.10)
в)
Величина годовых амортизационных отчислений в себестоимости фрезерной,
двух-шпиндельной бабки
тыс.руб. (4.11)
Затраты
на электроэнергию:
тыс.руб.
(4.12)
где
- количество часов в году.
мощность
электродвигателя, кВт,
стоимость
электроэнергии, на предприятии руб./кВтч. (400 руб)
Итого
общие затраты за год:
(4.13)
тыс.
руб.
Находим
прибыль:
П=В-З=168
705 - 91 459 = 77 246 тыс. руб. (4.12)
Окупаемость
проектируемого варианта ДП-1-360103-ТО(з)62-002:
; (4.13)
Таким
образом, затраты Окупаемость проектируемого варианта фрезерной,
двух-шпиндельной бабки ДП-1-360103-ТО(з)62-002 окупятся за 0,3 года.
Рентабельность
активов = Чистая прибыль за период / Средняя величина активов
Рентабельность
при обработке деталей «Рама боковая» с использованием фрезерной,
двух-шпиндельной бабки ДП-1-360103-ТО(з)62-002:
% (4.14)
Приведем
таблицу технико-экономических показателей фрезерной, двух-шпиндельной бабки
ДП-1-360103-ТО(з)62-002.
Таблица 4.2 -
Технико-экономические показатели фрезерной, двух-шпиндельной бабки
ДП-1-360103-ТО(з)62-002
|
Технико-экономические
показатели ДП - 360103-ТО(з)62-002
|
|
Величина
|
Обозначение величины
|
Значение величины
|
|
Pr
|
Стоимость фрезерной,
двух-шпиндельной бабки ДП - 360103-ТО(з)62-002
|
15 840 тыс. руб.
|
|
|
Годовой выпуск деталей «Рама
боковая»
|
дет/год
|
|
В
|
Выручка
|
тыс. руб.
|
|
Годовой фонд заработной платы30 600 тыс. руб.
|
|
|
|
Средняя заработная плата рабочего за год7 650 тыс.
руб.
|
|
|
|
З
|
Общие затраты за год
|
91 459 тыс. руб.
|
|
О
|
Окупаемость проектируемого
варианта ДП - 360103-ТО(з)62-002
|
0.3 года
|
|
P
|
Рентабельность
|
14,8 %
|
|
П
|
Прибыль
|
77 246тыс. руб.
|
|
Nчел
|
Численность работающих
человек в смену
|
2
6.1 Необходимость охраны труда
Охрана труда - это свод законодательных актов и правил, соответствующих
им гигиенических, организационных, технических, и социально-экономических
мероприятий, обеспечивающих безопасность, сохранение здоровья и
работоспособность человека в процессе труда.
Охрана труда и здоровье трудящихся на производстве становится
наиважнейшей задачей. При решении задач необходимо четко представлять сущность
процессов и отыскать способы устраняющие влияние на организм вредных и опасных
факторов и исключающие по возможности травматизм и профессиональные
заболевания.
Охрана труда неразрывно связана с науками: физиология, профессиональная
патология, психология, экономика и организация производства, промышленная
токсикология, комплексная механизация и автоматизация технологических процессов
и производства.
При улучшении и оздоровлении условий работы труда важными моментами,
является комплексная механизация и автоматизация технологических процессов,
применение новых средств вычислительной техники и информационных технологий в
научных исследованиях и на производстве. Осуществление мероприятий по снижению
производственного травматизма и профессиональной заболеваемости, а также
улучшение условий работы труда ведут к профессиональной активности трудящихся,
росту производительности труда и сокращение потерь при производстве.
Охрана труда тесно связана с задачами охраны природы. Очистка сточных вод
и газовых выбросов в воздушный бассейн, сохранение и улучшение состояние почвы,
борьба с шумом и вибраций, защита от электростатических полей и многое другое.
Все эти мероприятия способствуют обеспечению нормальных условий работы и
обитания человека.
.2 Анализ состояния охраны труда на РУПП “БЗАЛ”
.2.1 Организация работы по охране труда
Обеспечение безопасности и сохранение здоровья
работников РУПП «БЗАЛ» обеспечивается решением следующих основных задач:
· устранения профессиональных рисков, улучшения охраны
и условий труда;
· сокращения численности работников, занятых работой в
опасных и вредных условиях;
- обеспечения в установленном порядке обучения,
инструктажа и проверки знаний работников;
- внедрения передового опыта и современных
разработок.
Обращение с отходами производства осуществлялось в соответствии с
требованиями законодательства РБ по инструкции, разработанной согласно
постановлению Министерства природных ресурсов и охраны окружающей среды РБ от
28.11.01 г. № 28.
Осуществляется лабораторный контроль за работой очистных сооружений и
качеством сточной воды на выходе в городскую канализацию.
Ежемесячно КУПП «Водоканал» осуществляет проверки по вопросам
природоохранной деятельности (проверка сточной воды на выходе в городскую
канализацию).
Ревизии и проверки по вопросам природоохранной деятельности проводятся
Барановичская горрайинспекция природных ресурсов и охраны окружающей среды, ГУ
«Барановичский зональный центр гигиены и эпидемиологии».
В соответствии с Программой по улучшению условий и охраны труда на
2006-2010 годы разработаны мероприятия по сокращению вредных факторов
производства и производственных рисков.
На номенклатурные мероприятия по охране труда,
предусмотренные коллективным договором (соглашением по социальным вопросам и
охране труда в колхозах) предприятия обязано выделить денежные средства.
Данные о выделении и использовании денежных средств на
РУПП «БЗАЛ», представлены в таблице 5.1.
Таблица 6.1 - Выделение и использование средств на
мероприятия по охране труда на РУПП «БЗАЛ»
|
Показатели
|
2009
|
2010
|
2011
|
|
План
|
Факт
|
План
|
Факт.
|
План
|
Факт.
|
|
Всего затрат, тыс.
руб.
|
35000,0
|
29594,7
|
36500,0
|
31980,8
|
42000,0
|
38888,1
|
|
В т. ч.:
|
|
|
|
|
|
|
|
на средства
индивидуальной защиты
|
4500
|
3700
|
10000
|
8800
|
11000
|
10100
|
|
на лечебно-
профилактическое питание и молоко;
|
2500
|
2314
|
3000
|
2856
|
5500
|
6648
|
|
прочие
мероприятия
|
8000
|
7625
|
8500
|
8594
|
9000
|
9243
|
|
Ассигновано на
одного работающего, руб.
|
156250
|
132119
|
170561
|
149443
|
198113
|
183434
|
Анализируя таблицу 1.4 видно, что с каждым годом затраты на
охрану труда увеличиваются, что говорит о повышения безопасности труда и
уменьшение опасности для жизни человека.
6.2.2 Техника безопасности
Техника безопасности - это система организационных мероприятий и
технических средств, предотвращающих воздействие на работающих опасных
производственных факторов.
Опасным производственным фактором называется такой производственный
фактор, воздействие которого на работающего в определённых условиях приводит к
травме или другому внезапному, резкому ухудшению здоровья.
Примерами опасных факторов могут служить открытые токоведущие части
оборудования, движущиеся детали машин и механизмов, раскалённые тела,
возможность падения с высоты самого работающего либо деталей и предметов,
наличие ёмкостей со сжатыми или вредными веществами и т.п.
Основными причинами травматизма на предприятии являются:
организационные: отсутствие или некачественное проведение инструктажа и
обучения; отсутствие проекта работ, инструкций по охране труда; недостаточный
контроль охраны труда; неудовлетворительная организация рабочих мест;
технические: несоответствие нормам безопасности технологического
оборудования и подъёмно-транспортных устройств; технологической оснастки;
неправильный выбор оборудования, оснастки и транспортных средств; несоблюдение
сроков планово-предупредительных ремонтов.
На РУПП «БЗАЛ» отводится особое место технике безопасности труда. Так
как, технологические процессы в машиностроении характеризуются высоким уровнем
сложности.
Основные положения инструкции по технике безопасности следующие:
каждое рабочее место должно быть оснащено специальной инструкцией по
охране труда, в которой изложены безопасные приёмы выполнения работы;
при скоростных методах обработки металлов резанием станки должны
оборудоваться укрытиями зоны обработки;
оргтехоснастка рабочего места должна соответствовать требованиям
эргономики, технической эстетики, безопасности труда, действующим стандартам;
доставка в цех и хранение производственных материалов, технологических
жидкостей и других химических продуктов должна исключать опасность
травмирования, физического перенапряжения и др.
На заводе проводится работа по
профилактике производственного травматизма в соответствии с Положением об
организации работы по охране труда:
- обеспечение плавильщиков литейного цеха защитными щитками НСП-1
ТУ64-1916-76;
установка защитных экранов на станки фрезерной группы и т.д.
В настоящее время производственный травматизм в машиностроении, как и во
всём народном хозяйстве, постоянно снижается. В результате широкой
автоматизации и механизации ликвидировано большинство тяжёлых и опасных
профессий.
За 2007 год на заводе произошел один несчастный
случай. Данные отражены в таблице 5.2.
Таблица 6.2 - Показатели
производственного травматизма
|
Показатели
|
Формулы и
обозначения
|
Годы
|
|
|
2006
|
2007
|
2008
|
|
Среднесписочное
число работающих
|
р
|
1835
|
1839
|
1836
|
|
Число
несчастных случаев в отчетный период
|
Т
|
2
|
2
|
1
|
|
Число дней
нетрудоспособности
|
Д
|
56
|
73
|
48
|
|
Показатель
частоты травматизма
|
1,0899
|
1,0875
|
0,5447
|
|
|
Показатель тяжести травматизма
|
2836,524
|
|
|
|
|
Показатель
потерь рабочего времени
|
30,518
|
39,695
|
13,072
|
|
Анализ:
В 2006 - 2008 годах основными причинами несчастных случаев на РУПП «БЗАЛ»
стали:
неэффективная работа средств коллективной защиты (неисправность защитного
ограждения и блокировки);
- нарушение технологии производства работ;
нарушение требований инструкции по охране
труда рабочими;
невыполнение своих должностных
обязанностей руководителями работ.
6.2.3 Производственная санитария
Производственная санитария предполагает разработку мероприятий по
устранению влияния вредных производственных факторов на человека или его
нейтрализации.
На РУПП “БЗАЛ” к основным вредным производственным факторам относятся:
загрязнение воздуха пылью, производственный шум, вибрация.
Все перечисленные факторы могут быть причиной не только временной, но и
стойкой нетрудоспособности. Устранением вредных производственных факторов можно
добиться повышения выработки и снижения потерь в связи с временной
нетрудоспособностью, повысить производительность труда.
Основными направлениями работы по устранению вредных производственных
факторов на предприятии являются:
замена сырья и материалов, использование которых сопровождается
образованием производственных вредностей, другими безвредными предметами труда
(замена литья в земляных формах корковым литьем и так далее);
изменение технологии обработки (ковки - штамповкой, сварки -
склеиванием);
внедрение нового и модернизация действующего оборудования;
рационального размещения оборудования;
механизация и автоматизация производственных процессов;
переход на дистанционное управление и установку автоматических система,
которые работают по заданной программе и нуждаются только в наблюдении и
техническом обслуживании.
Для обеспечения благоприятных метеорологических условий на РУПП “БЗАЛ”
разработаны следующие мероприятия:
- максимальная теплоизоляция поверхности нагревающегося оборудования
(покрытие его специальными материалами);
организованы специальные места отдыха во время перерывов в работе;
снабжение рабочих спецодеждой по соответствующим ГОСТам;
организация правильного питьевого режима.
Индивидуальная защита работающих от вредных производственных факторов на
предприятии сводится к выдаче и использованию спецодежды и спецобуви, а также
защитных аппаратов и устройств изолирующего или фильтрующего типа. Работники завода обеспечены средствами индивидуальной
защиты на 100%.
С целью защиты рук работающих применяются различного рода перчатки и
рукавицы; для предупреждении глазных травм и заболеваний - защитные очки; для
защиты органов дыхания от вредных примесей - противопылевые респираторы; для
индивидуальной защиты работающих от чрезмерных шумов - противошумы (наиболее
гигиеничными считаются наружные, имеющие вид наушников); в целях предупреждения
кожных заболеваний при работе с охлаждающими веществами и другими раздражающими
веществами применяются защитные мази и пасты.
Таким образом, производственная санитария направлена на оздоровление
условий труда. Улучшение условий труда положительно сказывается на здоровье
работников, приводит к уменьшению целодневных потерь рабочего времени и
способствует повышению производительности труда, рабочих, сокращению текучести
рабочей силы (из-за неблагоприятных условий труда), увеличению трудового стажа
работников, повышению их активности и инициативы.
6.2.4 Пожарная безопасность
Пожарная безопасность - это состояние защищенности личности, имущества
общества и государства от пожаров. Совокупность сил и средств, а также мер
правового, организационного, экономического, социального и научно-технического
характера, образуют системы обеспечения пожарной безопасности.
Основной документ, регулирующий деятельность по обеспечению пожарной безопасности
- Закон Республики Беларусь «О пожарной безопасности», введенный в действие
Постановлением Верховного Совета Республики Беларусь 15 июня 1993 года № 2404-XII с изменениями и дополнениями 3 мая
1996 года № 440-XII и 13 ноября
1997 года № 87-3 [33].
В соответствии с требованиями раздела 1 “Общих правил пожарной
безопасности Республики Беларусь для промышленных предприятий” (ППБ РБ 1.01. -
94) на РУПП “БЗАЛ” приказом и общеобъективной инструкцией установлен
соответствующий противопожарный режим:
определены места и допустимое количество единовременно находящихся в
помещениях сырья, полуфабрикатов и готовой продукции;
установлен порядок уборки горючих отходов и пыли, хранения промасленной
спецодежды;
регламентированный порядок временных и других пожароопасных работ;
порядок осмотра и закрытия помещений после окончания работы;
действия работников при обнаружении пожара;
определены порядок и сроки прохождения противопожарного инструктажа и
пожарно-технического минимума, а также назначены лица, ответственные за их
проведение.
Особое внимание на предприятии уделяется пожарной профилактике, которая
основывается на исключении условий, необходимых для горения, и использовании
принципов обеспечения безопасности. При обеспечении пожарной безопасности
решаются четыре задачи: предотвращение пожаров и загораний, локализация
возникших пожаров, защита людей и материальных ценностей, тушение пожаров.
Пожарная безопасность обеспечивается предотвращением пожаров и пожарной
защитой. Предотвращение пожара достигается исключением образования горючей
среды и источников зажигания, а также поддержанием параметров среды в пределах,
исключающих горение.
Пожар сопровождается выделением большого количества дыма, обладающего
удушающими свойствами и затрудняющего эвакуацию людей и тушение огня. Для
удаления дыма из горящих зданий на предприятии предусмотрены специальные
дымовые люки и легкосрабатывающие конструкции.
К основным средствам пожаротушения относятся огнетушители, гидропомпы,
(небольшие поршневые насосы), ведра, бочки с водой, лопаты, ящики с песком,
асбестовые полотна, ломы, пилы, топоры.
Руководитель предприятия приказом назначает пожарно-техническую комиссию
(ПТК), в состав которой входят главный инженер (председатель), начальник
пожарной охраны, энергетик, технолог, механик, инженер по технике безопасности
и другие специалисты. Задачами ПТК являются разработка мероприятий по
устранению недостатков в пожарной профилактике, содействие органам пожарного
надзора и организация разъяснительной работы среди персонала предприятия [34].
Высокая степень пожарной безопасности на предприятии может быть
достигнута за счет следующих групп мероприятий:
а) мероприятия по предотвращению образования источников зажигания:
соответствующее исполнение, применение и режим эксплуатации машин и механизмов;
широкое применение молниезащиты зданий и сооружений; ликвидация условий для
самовозгорания;
б) тщательная организация пожарной защиты: применение негорючих и
трудногорючих веществ, ограничение распространения пожара, создание условий для
быстрой эвакуации людей, а также применение противодымной защиты, пожарной
сигнализации;
в) применение достаточного количества противопожарных преград
(перегородок, дверей, ворот и других).
6.2.5 Характеристика производственного процесса и анализ
условий труда на участке
Процессы механической обработки связаны с выделением в окружающую среду
металлической пыли и паров смазочно-охлаждающей жидкости. Рабочие при этом
могут подвергаться воздействию опасных и вредных для здоровья производственных
факторов, важнейшими из которых являются:
движущиеся механизмы и машины;
незащищенные подвижные элементы производственного оборудования;
повышенная запыленность воздуха рабочей зоны;
температура поверхностей оборудования и материалов;
температура воздуха рабочей зоны;
пониженная или повышенная влажность и подвижность воздуха;
опасный уровень напряжения электрической цепи;
повышенный уровень электромагнитных излучений;
повышенная яркость света;
физические и нервно-психические перегрузки, а также общетоксические,
раздражающие и канцерогенные факторы.
Для работы станков производственного участка механической обработки
детали «Вал» применяются смазочно-охлаждающие жидкости (СОЖ). Они применяются
в больших количествах и разнообразны по составу. В результате механического
разбрызгивания и испарения СОЖ, т.к. температура режущего инструмента,
орошаемого СОЖ может достигать нескольких сот градусов, ее компоненты поступают
в воздух в виде масленых или иных аэрозолей, а также сложных парогазовых
смесей. Вдыхание их может быть причиной раздражающего влияния на органы
дыхания, легочную ткань, а также неблагоприятного воздействия на другие системы
организма. Происходит нарушение гигиеничеких норм микроклимата из-за выделения
избыточного количества тепла и влаги.
Следовательно, необходимо обеспечить оптимальные метеорологические
условия в помещениях и необходимые условия по очистке воздуха.
В результате работы станков все движущиеся части станков вызывают
колебания и шум, необходимо предусмотреть мероприятия по устранению или
уменьшению воздействия вибрации и шума на человека.
Электроэнергия широко применяется на машиностроительных предприятиях для
нагревательных установок, технологического оборудования и освещения.
Следовательно, с электроэнергией связаны в той или иной степени все работающие.
Причинами, нарушающими нормальную работу электрической установки, могут быть
короткое замыкание, перегрузка проводов сети, возникновение больших переходных
сопротивлений.
Следовательно, необходимо обеспечить электробезопасность рабочих, т. к.
возможно поражение их электрический током и разработать мероприятия по пожарной
безопасности на предприятии.
Транспортирование заготовок между участками производится при помощи
электрокара, а межоперационные перемещения - при помощи кранбалки. При
перевозке грузов на электрокаре причиной травматизма в большинстве случаев
бывает несоблюдение предельно допустимых скоростей движения, габаритов груза, а
так же неправильная укладка груза.
Применение канатов, не соответствующих прилагаемой нагрузке, непрочный
захват поднимаемого груза, износ тела захватного крюка вследствие неправильного
размещения на нем канатов, неправильные способы обвязки груза - все это может
вызвать падение груза. Представляет большую опасность нахождение людей и
передвижение транспортных средств в зоне возможного падения груза при его
погрузке и разгрузке с транспортных средств, а также при перемещении грузов
подъемно-транспортным оборудованием. Негативное воздействие на обслуживающий
персонал необходимо предотвратить путем обеспечения безопасных условий работы.
Для надежной фиксации заготовки в приспособлении при обработке на станках
применяется пневмопривод, при работе которого возникают шумы, отработанный
воздух, выводимый из пневмоцилиндра содержит вредные примеси и загрязняет
воздух. При работе с пневмоприводами необходимо наблюдать требования
безопасности к ним.
Таким образом, для обеспечения нормальных условий труда необходимы
выполнения следующих мероприятий:
оздоровление воздушной среды;
обеспечение достаточного освещения;
защита от воздействия шума, ультразвука, электромагнитных полей,
электрического тока, вибраций;
обеспечение безопасной работы устройств, механизмов, приспособлений и
технологического оборудования;
обеспечение пожарной безопасности.
6.3 Естественное освещение и искусственное
освещение
Естественное освещение - это освещение помещений светом неба (прямым или
отраженным), проникающим через световые проемы в ограждающих конструкциях.
Подразделяется на боковое - через проемы в стенах, верхнее - через
светоаэроционные фонари, световые проемы в перекрытии, а также через проемы в
местах перепада высот здания и комбинированное - сочетание верхнего и бокового.
Помещения ОАО «БЗАЛ» с постоянным пребыванием людей должны иметь
естественное освещение.
При верхнем или верхнем и боковом естественном освещении нормируется
среднее значение коэффициентов естественного освещения (КЕО). Значения КЕО,
установленные в СНБ 2.04.05-98, приведены в таблице 5.3.
Таблица 6.3 - Значения коэффициентов естественного освещения
|
Характер выполняемой работы
|
Размер объекта различия, мм
|
Разряд зрительной работы
|
Значение КЕО, %
|
|
|
|
верхнее и комбинированное
|
боковое
|
|
Наивысшей точности
|
менее 0,15
|
I
|
10
|
3,5
|
|
Очень высокой точности
|
0,15...0,3
|
II
|
7
|
2,5
|
|
Высокой точности
|
0,3...0,5
|
III
|
5
|
2,0
|
|
Средней точности
|
0,5...1,0
|
IV
|
4
|
1,5
|
|
Малой точности
|
1,0...5,0
|
V
|
3
|
1,0
|
|
Грубой
|
более 5,0
|
VI
|
2
|
0,5
|
Производственное помещение, где расположен проектируемый участок, в
соответствии со СНиП 11-4-79 по задачам зрительной работы относится к 1-ой
группе. Выполняемые работы соответствуют 4-му разряду зрительной работы.
Нормированное значение КЕО для данного производства верхнее и комбинированное
освещение 4%, боковое - 1,5%.
Искусственное освещение, согласно СНБ 2.04.05-98 подразделяется на
рабочие, аварийное, эвакуационное и охранное.
Искусственное освещение по способу размещения источников света
подразделяется на общее (равномерное или локализированное), местное и
комбинированное (к общему освещению добавляется местное).
В осветительных установках производственных помещений применяют лампы
накаливания и газоразрядные. Как правило, следует предусматривать газоразрядные
лампы низкого и высокого давления - люминесцентные, металлогалогенные,
натриевые и ксеноновые.
Выполняемые на проектированном участке работы относятся к зрительным
работам средней точности, разряду IV, подразряду зрительной работы «6»,
контраст объекта различения с фоном - «средний», характер фона - темный. Норма
освещенности на рабочих поверхностях при комбинированном освещении участка -
500 лк, при общем освещении - 200 лк. Местное освещение рабочих мест
предусмотрено конструкцией оборудования.
6.4 Мероприятия по улучшению условий и
безопасности труда
К организационно-техническим мероприятиям относятся:
·
обеспечение
бесперебойной работы пылегазоочистных систем и установок, не допускается их
отключение в период НМУ на профилактические осмотры, ремонты и т.д.
·
недопущение
работы пылегазоочистных систем на форсированных режимах;
·
усиленный
контроль за качеством работы пылегазоочистных систем, не допускается снижение
их производительности;
·
интенсифицированные
влажной уборки помещений, где это допускается правилами техники безопасности, а
также уборки территории предприятия пылеуборочными машинами;
·
ограничение
проведения погрузочно-разгрузочных работ, связанных со значительным
пылеобразованием или выделением в атмосферу вредных веществ;
·
уменьшение
движения внутризаводского автотранспорта;
·
усиление контроля
за точным соблюдением технологического режима, работа КИП и автоматических
систем управления технологическими процессами.
Для борьбы с шумом и вибрацией вентиляционных установок предусмотрены
следующие мероприятия:
размещение вентустановок в специально отведенных помещениях;
установка вентоборудования на виброизолирующих основаниях;
присоединение вентиляторов к воздуховодам при помощи гибких вставок;
вентиляторы приняты в соответствии с проектом.
Указанные мероприятия по шумопоглушению позволяет снизить уровень
звукового давления до нормы.
6.5 Расчет шпонки
Проведем расчет предохранительной шпонки для предотвращения перегрузки
шлифовального станка
В индивидуальном и серийном производстве наибольшее распространение
получили призматические шпонки с плоскими торцами. Все размеры шпонок и допуски
на них стандартизированы. Стандарт предусматривает для каждого диаметра вала
определенные размеры поперечного сечения шпонки и глубины пазов. Стандартной
величиной должна быть и полная длина шпонки.
Призматическая шпонка установлена на конце входного вала СБ 949-211.317
по посадке Ø 60 H7/js6 которого крепится коническое колесо СБ
949-211.311. Диаметра вала d=60, длина входного конца вала l1=40мм. Материал
вала Сталь 40Х ГОСТ 4543-71.
Применяем шпонку призматическую со скругленными торцами. Размер сечений
шпонок , длины шпонок и пазов берём по ГОСТ 23360-78. Материал шпонок - сталь
45,нормализованная.
Напряжения смятия и условие прочности вычисляем по формуле:
.
Допустимые
напряжения смятия при стальной ступице: ,при
чугунной ступице: .
Основные
параметры призматической шпонки: h=14мм; b=8мм, t1=5мм, длина шпонки
=40мм; < .
Условие
напряжения смятия и прочности выполняется, следовательно шпонка подобрана верно.
7. ЭНЕРГО-РЕСУРСОСБЕРЕЖЕНИЕ И ЭКОЛОГИЧЕСКАЯ
БЕЗОПАСНОСТЬ
.1 Расчет экономии электроэнергии
Основными понятиями, характеризующими свет, являются световой поток, сила
света, освещённость и яркость.
Количественные характеристики:
Световой поток - Ф, лн (люмены). Поток лучистой энергии, оцениваемый по
зрительному ощущению, характеризует мощность светового излучения, основан на
зрительном восприятии.
Сила света - J, кд (кандела). Так как световой поток распространяется в
пространстве неравномерно, вводится понятие силы света. - пространственная
плотность светового потока.
Освещённость - Е, лк (люкс). Поверхностная плотность светового потока.-
освещаемая площадь. Е = Ф / S,
Качественные характеристики.
Фон - поверхность, прилегающая к объекту различения. Объект различения -
деталь минимальных размеров, знак, символ, буква, которые человек различает в
результате деятельности.
Фон характеризуется коэффициентом отражения: > 0.4 - светлый фон; 0.2
- светлый; < 0.2 - тёмный; контраст объекта с фоном: > 0.5 - большой;
< 0.2 - малый.
7.1.1 Расчет затрат на электроэнергию для освещения помещения
Исходные данные:
Площадь производственного участка S = a*b=60*24= 1440 м2
(рис.6.1. Приложение Б)
Число часов освещения в месяц помещения Ф = 576 ч.
Удельный расход электроэнергии на 1 кв2 площади участка q = 16 Вт · ч /
м2.
Цена 1 кВт × ч электроэнергии с = 193,8 р / кВт.
Мощность лампы накаливания j1 = 100 Вт.
Мощность люминесцентной лампы j2 = 20 Вт.
В сутки освещение работает t = 24 час.
Определим количество электроэнергии, затрачиваемой в месяц при
использовании ламп накаливания по формуле (1.8)
кВт· ч. (1)
Определим
количество суток, когда освещение включено по формуле:
суток. (2)
Определим
количество электроэнергии, потребляемой лампами в сутки:
кВт ч. (3)
Определим
число лампочек при освещении лампами накаливания по формуле:
шт. (4)
Определим
количество электроэнергии, потребляемое 6 люминесцентными затрачиваемой за
месяц по формуле:
кВт. (5)
Экономия
электроэнергии при замене ламп накаливания люминесцентными лампами за месяц
составит:
кВт · ч. (6)
Стоимость
сэкономленной электроэнергии в рублях за год определяется по формуле:
бел.руб. (7)
Таким
образом, экономия средств за счет замены ламп накаливания люминесцентными
лампами за месяц составляет 20349 бел.руб.
Соответственно
за год 244 118 бел.руб.
7.1.2
Замена ламп накаливания для местного освещения станков
Каждый
станок снабжен лампой накаливания для местного освещения. Эти лампы
целесообразно заменить галогенными или светодиодными лампами, которые
значительно долговечнее и экономичнее ламп накаливания.
Если
на производственном участке размещено 5 станков, снабженных лампами накаливания
мощностью 75 Вт. Заменяем эти лампы галогенными мощностью 12Вт, которые
обеспечат ту же освещенность, что и при лампах накаливания. Работа идет в 2
смены, общее число часов за месяц 576 ч. Определим экономию электроэнергии,
которая получается при этой замене по формуле:
кВт· ч (8)
где
nст -
количество станков на участке,
j - потребляемая
мощность лампы накаливания на станке, Вт,
jg -
потребляемая мощность галогенной лампы, Вт,
t - общее число
часов за месяц.
Экономия
средств за месяц при этом составит
бел.
руб. (9)
Соответственно
за год экономия средств составит 421 956 бел руб.
7.1.3
Расчет экономии энергии при использовании сенсорных
выключателей
Если
заменить все выключатели, которые включают лампы накаливания в станках и в
освещении производственного участка, сенсорными выключателями, которые экономят
до 6 % потребляемой энергии, сэкономленная электроэнергия в кВт ч составит
(10)
Экономия
средств за месяц составит по формуле:
бел.
руб. (11)
Соответственно
за год экономия средств составит 482236 бел.руб.
7.1.4
Расчет экономии энергии при обогреве рабочих мест
обогревателями
электрическими инфракрасными
промышленными
(ОЭИП)
В
производственных помещениях комфортной ощущаемая человеком считается
температура, воздуха + 18 0С на уровне головы человека. При
использовании традиционной системы отопления на уровне пола температура в этом
случае будет + 16 0С.
Стоимость
пара для отопления помещений определяется по формуле:
. (12)
где
S - площадь производственного участка, S=1440
м2; (рис.6.1. Приложение Б)
Н
- высота помещения=12,6 м;
М
- количество часов отопительного сезона в году, ч.; М=5100ч
q - удельный
расход топлива на 1 м3, ккал·м3·ч; q=20 ккал·м3·ч
- цена 1
т пара, бел руб·т-1; =16000 бел руб.
e - эквивалент
ккал кВт * ч; 1ккал = 11,64 * 10-6 кВт × ч;
Стоимость
1кВт.ч электроэнергии c=193,8 бел руб
Электроэнергия,
потребляемая одним ИК-обогревателем p0=1,6кВт.ч,
бел. руб (13)
Количество электроэнергии в кВт·ч для обогрева производственного
помещения ИК-обогревателями(k
-количество) определим по формуле:
Ре = k*р*М
= 10*1,6*5100 = 81600 кВт. (14)
Стоимость электроэнергии составит в рублях
Сэл. = с*Рэл.= 193,8*81600 = 15 814 080 бел руб (15)
Экономический эффект в рублях от замены системы обогрева
ИК-обогревателями будет равна:
СЕ.е = Сpar - Сэл = 55 147 500 - 15 814 080 = 39 333 4200 бел руб. (16)
7.1.5 Потери через двери, стены, окна, потолок и пол
Открытые окна, двери или ворота являются основными источниками
энергетических потерь в здании.
В среднем можно считать, что общие потери через двери, стены, окна,
потолок и пол составят примерно 25 % от общего количества тепла, поступающего в
производственное помещение. Если известно общее потребление тепла Рэл.
производственным помещением, то потери тепла через двери, стены, окна, потолок
и пол будут равны ∆Рe = 0,25Рэл.
При ∆Рe = 0,25Рэл потери тепла будут равны
∆Рe = 0,25Рэл
= 0,25*81600 = 20 400 кВт (17)
что оценивается
Спот = с ∆Рэл. = 193,8·20 400 = 3 953
520 бел руб (18)
7.2 Расчет экономии ресурсов при изменении технологии
изготовления заготовки детали «Вал» фрезерной, двух-
шпиндельной бабки
Выбор методов получения заготовки оказывает большое значение при решении
задачи экономии металла. Чем меньше остаются припуски на обработку детали, тем
меньше металла идет в стружку и тем меньше электроэнергии тратится на обработку
детали. Так что экономия ресурсов непосредственно связана и с экономией
электроэнергии.
G0 - масса заготовки, полученной по
базовой технологии, кг;
G1 - масса заготовки, полученной по
предлагаемой технологии, кг;
cm - стоимость 1 т металла, бел руб / т; cm=373 бел руб;
NT - годовая программа изготовления деталей, шт.
Экономия металла определяется по следующей формуле
т. (19)
Определим
экономический эффект по формуле:
бел тыс.
руб. (20)
Таким
образом, в результате применения более совершенной технологии получения
заготовок экономия металла за год составила 0,6 т, а экономический эффект 223,8
тыс. бел руб.
7.3
Экологическая безопасность проекта
Объекты
промышленного производства оказывают негативное химическое, биологическое,
физическое и механическое воздействие на все основные компоненты окружающей
среды: атмосферный воздух, почву, воду, а также на человека, работающего в этих
условиях.
Станочное
оборудование в цехах, а также транспортные устройства являются источниками
поступления в атмосферу различных типов газов, таких, например, как диоксид
углерода (СО2), метан (СН4), закись азота (N2O), перфторуглероды (ПФУ),
гидрофторуглероды (ГФУ), гексафторид серы (SF6), прекурсоров озона или газов с
косвенным парниковым эффектом (оксид углерода (СО), оксиды азота (NOx), летучие
неметановые органические соединения (ЛНОС), прекурсоров аэрозолей (диоксид серы
(SO4)) и других веществ, образующих тепловой эффект. Опасность для атмосферы
воздуха представляют не только продукты, выделяемые при работе оборудования, но
и хранящиеся горюче-смазочные материалы в необорудованных помещениях и складах.
Измерения
в рабочей зоне агрегатного фрезерно-сверлильного станка модели СБ 949 расчеты
дали следующие результаты:
Значения
и взяты из
норм [5н]. Анализ табл. 3.1 показывает, что в рабочей зоне наблюдается
превышение окиси углерода почти в 1,5 раза выше допускаемого значения, а также
превышение наличия вредных газообразных веществ. Кроме того, наблюдается
превышение запыленности, теплоизлучения и недостаточная освещенность. Расчет
экологической безопасности можно будет проводить лишь после того, как удастся
снизить содержание в рабочей зоне указанных показателей. Поэтому необходимо
принять меры для приведения единичных показателей в соответствие с базовыми и
допустимыми значениями, указанных в нормативах. Например, уменьшение содержания
окиси углерода, вредных газообразных и токсичных веществ, запыленности можно
добиться установкой в места выделения этих веществ соответствующих фильтров. Не
представляет особых трудностей привести в норму освещенность на рабочих местах,
а также уменьшить теплоизлучение от установленного оборудования. После
проведения соответствующих мероприятий по приведению единичных показателей к
значениям, близких к норме, получим новые результаты измерений и расчета,
которые сведем в таблицу (табл. 3.2). Классы опасности взяты из нормативов [5н]
Расчет
по формуле (3.3) даст следующий результат: К∑ =0,46, что соответствует
46%, т. е. менее 50%, что свидетельствует о пониженной безопасности проекта.
Следовательно, необходимо принять меры к повышению безопасности проекта.
Основное влияние на низкое значение безопасности оказывают окись углерода,
вредные газообразные и токсичные вещества, запыленность, шум, освещенность.
Необходимо эти воздействия уменьшить. Для уменьшения влияния окиси углерода, вредных
газообразных и токсичных веществ, запыленности можно применить более
качественные фильтры, можно также увеличить освещенность. Необходимо путем этих
мероприятий можно добиться увеличения коэффициента безопасности более 50%.
После
постановки в рабочей зоне качественного фильтра, увеличения освещенности
получили следующие результаты (табл.3.3).
Результаты
расчетов по энерго-ресурсосбережению и экологической безопасности после
поведения мероприятий по улучшению экологической обстановки в рабочей зоне
оформляем в виде таблицы (табл. 3.4)
7.4
Рециклинг и утилизация деталей машин
К
ресурсосбережению относится также рециклинг деталей машин.
Каждая
машина, станок, устройство имеют определенный заданный ресурс, который
характеризуется физическим и моральным износом изделия. После исчерпания
ресурса изделие подлежит утилизации. До недавнего времени на это оборудование
составлялись акты списания, и это оборудование попадало на базу «Вторчермет».
Согласно
данным дипломного проекта (проектируемая фрезерная, двух-шпиндельная бабка), на
утилизацию будут отправлены детали, коэффициент сохранности которых менее 0,2%.
В рассмотренном примере по прошествии 5 лет будут отправлены крепежные детали
изготовленные из стали, а также детали подвергшиеся сильному износу (втулки,
упорные кольца, оси и т.д.).
Из
38 оригинальных деталей фрезерной, двух-шпиндельной бабки(см. спецификацию)
рассматриваемого приспособления вторично будут использованы 18, что составит:
75%
В
связи с тем, что цены на приспособление и детали неизвестны, определим
относительную величину ресурсосбережения за счет рециклинга и утилизации
деталей.
R=22%
Во
«Вторчермет» эти детали сдаются соответственно по группам, что дает предприятию
доход, так как стоимость металлолома из этих материалов разная.
«Вторчермет»
обычно принимает детали и узлы по общей массе, давая среднюю цену на отходы.
Если детали разбиты по группам по видам материала, то стоимость их будет иная.
Таким
образом, экономия за счет рециклинга составит 22% стоимости станочного
приспособления, не считая экономии за счет сдачи деталей в металлолом.
8.
ПРОМЫШЛЕННАЯ ЭКОЛОГИЯ
.1
Влияние цехов по обработке корпусных деталей на
окружающую
среду, производственные здания и сооружения
Проблема
рационального размещения производительных сил на территории РБ с учетом
необходимости защиты окружающей среды от загрязнения отходами производства в
условиях НТР стала одной из ведущих в системе народнохозяйственного
планирования; ее решение приобретает в последнее время особую актуальность.
В
данном дипломном проекте разрабатывается усовершенствованная конструкция
фрезерной бабки фрезерно-сверлильного станка модели СБ 949-210СБ и СБ
949-211СБ. Цеха по обработке корпусных деталей доставляют относительно
небольшой вред окружающей среде. Основные виды загрязнений от них -
отработанные промывочные растворы и смазки, плохо очищенные сварочные дымы.
Цеха по обработке отливок с годами заметно ухудшают местную воздушную среду
дымовыми выбросами и пылью от окалины. Однако, этого можно избежать с помощью
соответствующих воздухоочистных устройств. Серьезной проблемой остается
ликвидация отходов металла, стружки и смазочных материалов после фрезерных и
сверлильных операций, произведенных над отливками.
8.2
Комплексный план оздоровления цеха по обработке корпусных
деталей
«Рам боковых» на предприятии
На
промышленных предприятиях разработан комплексный план оздоровления цехов по
обработке корпусных деталей (отливок) «Рам боковых», который включают в себя
следующие основные мероприятия:
1) Снижение вредных выбросов в водную среду за счёт внедрения современных
режущих инструментов, которые не требуют смазочно - охлаждающей жидкостей,
дающих значительный выброс вредных веществ.
2) Замена гальванических операций на покрасочные, которые можно
производить в закрытых камерах.
) Не реже одного раза в месяц производить контроль воздушной среды,
водной среды, шума и вибрации.
) Внедрять малоотходные и безотходные технологии.
) Необходимо внедрять линии порошковой окраски и получать изделия
высокого качества.
) Нужно осваивать полные циклы по изготовлению систем очистки воды.
Это касается всех звеньев технологической цепи: изготовление оснастки, литье
корпусных деталей, производство картриджей, сборка и испытание систем очистки
воды.
) Изготавливать оснастку и инструментальную наладку экологически
ориентированного производства с минимизацией вредного воздействия на окружающую
среду.
8.3 Практика сохранения здоровья и обеспечения безопасности
Проведены исследования факторов, влияющих на здоровье рабочих, занятых на
фрезерных и сверлильных операциях агрегатных фрезерно-сверлильных станков.
Однако не сделано вcеобъемлющего описания потенциальной токсичности большинства
повторяющихся операций, не идентифицированы основные токсичные вещества, не
определены их уровни. Только недавно стало возможным оценить продолжительное
воздействие на здоровье технологии смазки, разработанной в 60-х и 70-х годах.
Для запыленности и общего уровня концентрации частиц в Беларуси нормативно
установлен такой предел как 5,0 . Эта норма, возможно, отвечает некоторым
производственным условиям, однако нет очевидных доказательств, что она
полностью подходит для машиностроительного производства.
Оптимизация процесса нанесения смазки позволяет несколько снизить
концентрации смазочного тумана. При фрезерных и сверлильных операциях
предпочтительно использование более долговечной и надежной по своим химическим
свойствам смазки, а при распылении следует применять минимальное давление
воздуха. Необходимо исследовать вопрос об устранении основных вредных
ингредиентов. Защитное укрытие технологических установок с отрицательным
давлением и туманоуловители высоко эффективны, но затрудняют свободное
обращение с деталями. Фильтрование воздуха с помощью пневматических систем
высокого давления способно снизить концентрацию масляного тумана, возникающего
при работе агрегатных фрезерно-сверлильных станков. Контакт с вредными
веществами сводится к минимуму автоматизацией фрезерных и сверлильных операций,
надежная защитная одежда рабочего предохраняет от травм и от попадания
токсичных веществ на кожу. Перед проведением инструментально-наладочных работ
желательно использовать самые передовые технологии инструментальной оснастки.
Значительному снижению уровня задымленности будет также способствовать
частичное защитное укрытие технологических установок с использованием местной
вытяжной вентиляции. Отдельные, ответственных сборочные узлы следует
предохранять кожухами, воизбежании трамв рабочих.
Опасность теплового стресса может быть уменьшена за счет сокращения
ручного труда на высокотемпературных участках, экранирования печей, уменьшения
размеров их рабочих окон, а также использования охладительных вентиляторов.
Расположение вентиляторов должно так организовать воздушные потоки, чтобы они
одновременно снижали вредное воздействие масляного тумана, в противном случае
обдув только усугубит его.
Механизация операций с обрабатываемыми деталями, по возможности переход
от ручного труда к автоматизированному, регулирование интенсивности работы в
соответствии с эргономическими возможностями - все это способствует снижению
костно-мышечного травматизма.
Уровень шумов может быть снижен за счет применения инновационных
технологий разработок: усовершенствованных серводвигателей, подшипниковых узлов
и направляющих, кожухов печных воздуходувок, пневматических муфт сцепления,
воздуховодов, гидроцилиндров, а также надлежащего обращения с материалами.
Необходимо разработать программу защиты органов слуха.
К необходимым индивидуальным средствам защиты относятся: специальные
головные уборы, обувь, очки, наушники, термостойкие и маслостойкие фартуки и
гетры, а также инфракрасные фильтры и щитки.
ЗАКЛЮЧЕНИЕ
В дипломном проекте представлена модернизированная конструкция фрезерной,
двух-шпиндельной бабки агрегатного фрезерно-сверлильного станка модели
ДП-1-360103-ТО(з)62-003, который предназначен для обработки деталей «Рама
боковая».
Была поставлена задача спроектировать усовершенствованную конструкцию
фрезерной, двух-шпиндельной бабки ДП-1-360103-ТО(з)62-002 вместо качающейся бабки, установленной в специальном агрегатном
фрезерно-сверлильном станке модели ДП-1-360103-ТО(з)62-003.
Согласно картам расчета производительности СБ 949 - 000PP и СБМ 949 -
000PP увеличена номинальная производительность до 8.27, сокращено время
обработки на одну деталь.
Разработки выполнялись на основе существующих в машиностроении методик и
способов конструирования.
В результате работы разработана модернизированная конструкция фрезерной,
двух-шпиндельной бабки, представлена ее кинематическая схема, рассчитаны
мощности, крутящие моменты, числа оборотов на каждом из 6-ти валов, представлен
расчет на жесткость и прочность 5-го вала. За базовый вариант была взята
фрезерная качающаяся бабка.
В технологическом разделе проведен анализ технологичности конструкции
детали-представителя «Вал» СБ949-211.317, определен ее тип производства,
представлен ее базовый техпроцесс, выбрано оборудование для обработки детали
«Вал», рассчитаны припуски на механическую обработку согласно ГОСТ 7505-89,
ГОСТ 26645-85, ГОСТ 7062-67, ГОСТ 7289-70.
В технологическом разделе представлены наиболее эффективные режимы
обработки детали произведены на станках с ЧПУ детали «Вал» СБ949-211.317.
В дипломном проекте даны краткие пояснения о назначении
усовершенствованной конструкции фрезерной, двух-шпиндельной бабки.
Сконструированы ее составляющие детали и выбраны, согласно ГОСТ 7808-70, ГОСТ
7811-70, ГОСТ 11738-84, ГОСТ 8752-79 и др. - стандартные изделия. Выбраны
способы соединения и посадки деталей.
Проведенные проверки деталей и стандартных изделий усовершенствованной
конструкции фрезерной, двух-шпиндельной бабки ДП-1-360103-ТО(з)62-002 на
экономическую эффективность, позволили сделать вывод о правильности конструкции
этих деталей.
СПИСОК НОРМАТИВНЫХ ДОКУМЕНТОВ
ГОСТ 16194-70. Шпонки призматические штампов горизонтально-ковочных
машин. Конструкция и размеры
ГОСТ 16648-80. Державки с двумя крепежными отверстиями. Конструкция и
размеры
ГОСТ 16650-80. Державки с четырьмя крепежными отверстиями. Конструкция и
размеры
ГОСТ 16652-80. Державки с прямоугольным пазом. Конструкция и размеры
ГОСТ 16654-80. Державки быстросменных матриц с круглым отверстием.
Конструкция и размеры
ГОСТ 16655-80. Державки быстросменных матриц с квадратным и продолговатым
отверстиями. Конструкция и размеры
ГОСТ 16656-80. Державки быстросменных пуансонов. Конструкция и размеры
ГОСТ 16657-80. Державки с пазом под шпонку. Конструкция и размеры
ГОСТ 16658-80. Державки удлиненно-продолговатых пуансонов. Конструкция и
размеры
ГОСТ 17664-72. Прихваты блоков сменных разделительных штампов листовой
штамповки. Конструкция и размеры
ГОСТ
3.1201-85 <#"554737.files/image584.gif">
ПРИЛОЖЕНИЕ Б
Таблицы и рисунки конструкторского, технологического и
научно-исследовательского разделов
Рисунок
Б1 - Общий вид бабки фрезерной 2-х шпиндельной ДП-1-360103-ТО(з)62-002
Рисунок
Б2. Кинематическая схема бабки фрезерной, двух-шпиндельной
ДП-1-360103-ТО(з)62-002)
Рисунок Б.3 - общий вид детали «Вал»
Таблица Б.1 - Химический состав стали 20Х (ГОСТ 4543-71)
|
Марка стали
|
Химический состав, %
|
|
C
|
SI
|
Mn
|
S
|
P
|
Ni
|
Cr
|
|
Ст. 20Х
|
0,17-0,23
|
0,17-0,37
|
0,5-0,8
|
0,035
|
0,035
|
0,3
|
0,7-1
|
Таблица Б.2- Механические свойства стали 20Х (ГОСТ 4543-71)
|
Марка стали
|
Предел текучести σт, Мпа (Н/мм )Временное
сопротивление σвр, Мпа (Н/мм)Относительное удлинение δ,%Ударная вязкость Ψ,%НВ
|
|
|
|
|
|
Не менее
|
Не более
|
|
Ст.20Х
|
637
|
784
|
11
|
40
|
229
|
Таблица Б.3 - Квалитеты обрабатываемых поверхностей
|
№ поверхности
|
|
|
1
|
js6
|
|
4
|
h10
|
|
3
|
6g
|
|
5
|
js6
|
|
10
|
js6
|
Таблица Б.4 - Значения шероховатостей поверхностей
|
№ поверхности
|
Ra
|
|
1
|
1,25
|
|
8
|
1,25
|
|
10
|
1,25
|
|
3
|
5
|
|
5
|
1,25
|
|
11
|
1,25
|
Таблица Б.5 - Выбор типа производства
|
Операции
|
To
|
Tшт
|
mp
|
P
|
nз.ф.
|
O
|
|
Заготовительная
|
7,1
|
8,6
|
0,019
|
1
|
0,019
|
41,34
|
|
Токарная
|
7,2
|
7,9
|
0,020
|
1
|
0,020
|
40,09
|
|
Токарная
|
6,1
|
4,5
|
0,015
|
1
|
0,015
|
52,92
|
|
Токарная
|
6,2
|
6,5
|
0,021
|
1
|
0,021
|
37,58
|
|
Фрезерная с ЧПУ
|
5,3
|
4,2
|
0,008
|
1
|
0,008
|
94,49
|
|
Токарная
|
12,6
|
12,58
|
0,060
|
1
|
0,060
|
13,42
|
|
Термическая
|
21,1
|
21,68
|
0,003
|
1
|
0,003
|
236,23
|
|
Круглошлифовальная
с ЧПУ
|
5,9
|
5,8
|
0,006
|
1
|
0,006
|
137,80
|
|
Моечная
|
4,2
|
5,4
|
0,005
|
1
|
0,005
|
165,36
|
|
Контроль
|
41,6
|
44,88
|
0,090
|
1
|
0,090
|
8,84
|
|
Сумма
|
117,3
|
122,04
|
0,247
|
10
|
0,247
|
828,07
|
Таблица Б6. Техническая характеристика фрезерных копировальных станков с
верхним расположением шпинделя
|
ВФК-1
|
ВФК-2
|
|
Размер стола, мм
|
700 х 760
|
800 х 1180
|
|
Частота вращения шпинделя,
мин-1
|
18 000
|
18 000
|
|
Диаметр фрезы, мм
|
2 - 36
|
2 - 36
|
|
Вертикальное перемещение
шпинделя, мм
|
Ручное 130
|
Пневматическое 130
|
|
Мощность электродвигателя
механизма резания, кВт
|
1,5
|
1,5
|
|
Вылет шпинделя, мм
|
600
|
710
|
|
Наибольший просвет между
шпинделем и столом, мм.
|
460
|
300
|
|
Высота стола от пола, мм:
|
|
|
|
наибольшая
|
1000
|
1000
|
|
наименьшая
|
800
|
800
|
|
Габаритные размеры (длина х
ширина х высота)
|
1170 х 1240 х 1670
|
1180 х 1450 х 1600
|
|
Масса, кг, не более
|
750
|
870
|
Таблица Б7. Технические характеристики фрезерных станков с нижним
расположением шпинделя
|
ФС-I
|
ФСШ-I
|
ФСШ-II
|
|
Наибольшая толщина
обрабатываемого изделия, мм…..
|
100
|
100
|
100
|
|
Длина стола, мм
|
1000
|
1000
|
1000
|
|
Ширина стола, мм…
|
800
|
800
|
800
|
|
Размер внутреннего конуса
Морзе по СТ СЭВ 147-75………..
|
4
|
4
|
4
|
|
Частота вращения шпинделя,
мин-1
|
3550; 7100
|
4500; 9000
|
3000; 6000; 4500; 9000
|
|
Вертикальное перемещение
шпинделя, мм.
|
160
|
160
|
160
|
|
Диаметр шпиндельной
насадки, мм
|
32
|
32; 27*
|
32
|
|
Наибольший диаметр режущего
инструмента, мм
|
250
|
250
|
250
|
|
Наибольшая ширина
заготовки, устанавливаемой на столе шипорезной каретки при глубине шипа 100
мм, мм…
|
---
|
230
|
230
|
|
Ход шипорезной каретки,
мм…...
|
---
|
500
|
500
|
|
Привод подачи шипорезной
каретки…………………………….
|
---
|
Ручной
|
Механический
|
|
Наибольшая скорость
механической подачи, м/мин, не менее
|
---
|
---
|
20,0
|
|
Габаритные размеры станка
(длина х ширина х высота), мм….
|
1085 х 1150 х 1320
|
1550 х 1500 х 1320
|
1420 х 1510 х 1360
|
|
Масса станка, кг
|
840
|
940
|
920
|
ПРИЛОЖЕНИЕ В
Таблицы раздела энерго-ресурсосбережение и экологическая безопасность,
охрана труда
Таблица К.1 - Энерго-ресурсосбережение и экологическая безопасность
|
Показатели
|
Базовый Вариант.кВт
|
Новый Вариант, кВт
|
Экономия кВт
|
Эконом. Эффект, руб.
|
|
Энергосбережение
|
|
- Замена ламп накаливания
при освещении - Замена ламп накаливания на станках
|
6968
|
951
|
6071 2646
|
1221451 537138
|
|
Итого
|
|
|
|
1758589
|
|
Тепловая энергия
|
|
- Отопление помещения, кВт
|
420157
|
75200
|
|
70026271
|
|
Итого
|
|
Ресурсосбережение
|
|
- Изменение технологии
изготовления заготовки,т
|
4,5
|
3,0
|
1,5
|
25824000
|
|
Итого
|
|
|
|
25824000
|
|
Экономия энергии и ресурсов
|
|
|
|
97608860
|
Рисунок К.1 - Схема расположения светильников
Таблица К.2 - Исходные данные для расчета защитных заземляющий устройств
Таблица К.3 - Коэффициент использования вертикальных стержней
заземлителей (без влияния полосы связи)
Таблица К.4 - Коэффициент использования горизонтального полосового
электрода, соединяющего вертикальные электроды
Таблица К.5 - Разряды зрительной работы вне зданий
Таблица К.6 - Значения коэффициента светового климата
Таблица К.8 - Значения коэффициентов запаса К
Таблица К.7 - Основные параметры светильников
Таблица К.9 - Основные параметры светильников
Таблица К.10 - Значения коэффициента использования светового потока η
Таблица К.11- Значения коэффициента отражения строительных и облицовочных
материалов
Таблица К. 12 - Допустимые величины температуры поверхностей
Таблица К.13 - Допустимые величины интенсивности теплового облучения
поверхности тела работающих от производственных источников
Таблица К.14 - Нормируемые величины температуры, относительной влажности
и скорости движения воздуха в рабочей зоне производственных помещений
Похожие работы на - Усовершенствование конструкции фрезерной бабки агрегатного фрезерно-сверлильного станка модели СБ949
|