|
С
|
Сu, не более
|
Si
|
Мn
|
Cr
|
Ni, не более
|
S, не более
|
Р, не более
|
|
0,4-0,5
|
0,25
|
0,17-0,37
|
0,5-0,8
|
0,3
|
0,30
|
0,04
|
0,035
|
2 Анализ технологичности конструкции вала
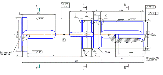
Деталь вал относится к деталям класса “валы”. Деталь представляет собой
вал, у которого диаметры увеличиваются от одного торца к другому. Обработка
вала ведется проходными резцами с одной стороны сторон.
Вал имеет центровые отверстия, позволяющие устанавливать его в центрах на
большинстве операций, кроме сверлильной и фрезерной операций, что обеспечивает
необходимую точность размеров обрабатываемых поверхностей и их взаимное
расположение. Это обеспечивает принцип постоянства баз в технологическом
процессе.
К нетехнологическим элементам могут быть отнесены закрытые шпоночные пазы
и глухое отверстие с резьбой FM16 в
торце детали.
Деталь имеет удобные базовые поверхности, что позволяет на всех операциях
использовать стандартные приспособления.
Конструктивно деталь считаем технологичной.
В соответствии с ГОСТ 14.201-1873 рассчитываем показатели технологичности
конструкции детали.
Средний квалитет точности обработки детали определяется по формуле:
(2.1)
где
- номер квалитета точности i - ой
поверхности;
-
количество размеров деталей, обрабатываемых по
- му
квалитету.
Для
расчета среднего квалитета точности составляем исходную таблицу точности 3.
Таблица
3 - Точность поверхностей детали
|
Квалитет точности  6910131415
|
|
|
|
|
|
|
|
Количество поверхностей
|
2
|
3
|
1
|
1
|
7
|
3
|
Коэффициент точности обработки определяется по формуле:

, (2.2)
Деталь соответствует базовым технологическим
требованиям.
Средняя шероховатость поверхностей определяется по формуле:
, (2.3)
где
- значение шероховатости i-ой
поверхности;
-количество
поверхностей, имеющих шероховатость
.
Для
расчета средней шероховатости составляем исходную таблицу шероховатости детали
4
Таблица
4 - Шероховатость поверхностей детали
|
Шероховатость поверхности R,
мкм
|
0,8
|
1,6
|
3,2
|
12,5
|
|
Количество поверхностей, n
|
2
|
1
|
4
|
10
|
Коэффициент шероховатости детали определяется по формуле:

(2.4)
Коэффициент использования материала определяется по формуле:

, (2.5)
где

- масса
детали, 

- масса
заготовки, 
3 Определение типа производства
В связи с отсутствием норм времени в базовом технологическом процессе и
невозможностью определения коэффициента закрепления операций тип производства
предварительно определяем по годовому выпуску детали и их массе.
При годовом выпуске N=4000
штук и массе mд=3,5 кг тип производства определяем в соответствии с
рекомендациями.
В серийном производстве детали изготавливают партиями. Размер партии
рассчитываем по формуле:

(3.1)
где

-
количество дней запаса деталей на складе, 
;

-
количество рабочих дней в году, 
дней.
По
размеру партии 
устанавливаем,
что производство будет среднесерийное. Окончательно тип производства будет
уточнен после расчета норм времени.
4 Выбор метода получения заготовки
Заготовка вала в проектируемом варианте получается штамповкой на
кривошипном горячештамповочном прессе (КГШП).
Этот метод обеспечивает высокую точность заготовок, минимальные припуски
и высокую производительность.
Для расчетов припусков и определения предельных отклонений размеров
заготовки определяем индекс заготовки по ГОСТ 7505-89.
Расчетная масса поковки:

(4.1)
где

- масса
детали;

-
коэффициент, зависящий от способа поковки, 
Размеры
фигуры (цилиндра), описывающей поковку:
диаметр

(4.2)
длина

(4.3)
Масса
фигуры, описывающей поковку:
Отношение
расчетной массы поковки к массе фигуры:
Степень
сложности - С1.
Группа
металла - М2
Конфигурация
поверхности разъема штампа - П (плоская).
По
группе стали, классу точности и степени сложности определяем исходный индекс
поковки - 8.
Рассчитываем
стоимость заготовки по формуле[2]:
(4.5)
где
- базовая стоимость одной тонны заготовок,
;
- масса
заготовки,
;
- масса
детали,
;
-
стоимость одной тонны отходов,
;
-
коэффициент, зависящий от класса точности,
;
-
коэффициент, зависящий от степени сложности,
;
-
коэффициент, зависящий от массы заготовки,
;
-
коэффициент, зависящий от марки материала,
;
-
коэффициент, зависящий от объема выпуска,
.
Экономический
эффект достигается за счет сокращения расхода метала:
, (4.6)
где
- объём выпуска, шт.
.
Следовательно,
заготовку вала целесообразнее получать штамповкой чем из проката, так как
уменьшается материалоемкость и как, следствие, уменьшаются экономические
затраты на 88,9 млн.р.
5 Расчет припусков на механическую обработку и определение
межоперационных размеров
Рассчитаем
припуски на обработку поверхности 
.
Заготовка детали получена штамповкой на КГШП. Маршрут обработки поверхности
включает
следующие операции:
черновое
точение;
чистовое
точение;
шлифование.
Припуски
рассчитываем по формуле,[3]:

(5.1)
где

- высота
микронеровностей, полученных на предыдущей операции;

-
глубина дефектного слоя, полученного на предыдущей операции;

-
пространственное отклонение, полученное на предыдущей операции;

-
погрешность базирования.
Обработка
вала на всех операциях ведется в центрах. Следовательно, погрешность установки
в радиальном направлении равна нулю, т.е.e=0.
Выписываем
значения Rz и Т для всех операций:
для
заготовки
Rz =
150 мкм, Т = 250 мкм;
для
чернового точения
Rz =
50 мкм, Т = 50 мкм;
для
чистового точения
Rz=
30 мкм, Т = 30 мкм;
для
шлифования
Rz= 5
мкм, Т = 15 мкм.
Рассчитываем
значение пространственного отклонения
.

, (5.2)
где

- допуск
на смещение по поверхности разъема штампа, 
;

-
погрешность зацентровки;

-
коробление детали.
Погрешность
зацентровки при установке детали в центрах находится по формуле:
,
(5.3)
где
- допуск заготовки,
мм.
мм.
Коробление
детали:
, (5.4)
где
Δк -
удельное коробление заготовки,
мкм/мм;
l -
расстояние от обрабатываемого сечения до ближайшей опоры,
мм.
для
заготовки
-
после черновой обработки

(5.5)
после
чистовой обработки

(5.6)
после
шлифования

(5.7)
Рассчитываем
минимальные припуски на все операции техпроцесса.
)
под черновое точение
)
под чистовое точение
)
под шлифование
Для
дальнейших расчетов составляем таблицу 5.
Таблица
5- Расчет припусков и предельных размеров по операциям на обработку поверхности

Наимено-
вание операции Элементы припуска, мкм Припуск
,
мкмРасчетный
диаметр
, ммДо-
пуск
мкмПредельные
|
размеры, ммПредельные припуски,мкм
|
|
|
|
|
|
|
|
|
|
|
|
|
|
|
|
|
|
1
|
2
|
3
|
4
|
5
|
6
|
7
|
8
|
8
|
10
|
11
|
|
Заготовка
|
150
|
150
|
860
|
-
|
58
|
1600
|
58
|
59,6
|
|
-
|
|
Точение черновое
|
50
|
50
|
52
|
2 55,47325055,47355,723
|
2527
|
3877
|
|
|
|
|
|
Точение чистовое
|
30
|
30
|
34
|
2 55,1696255,16955,231
|
304
|
492
|
|
|
|
|
|
Шлифование
|
5
|
15
|
17
|
2 54,9811954,98155
|
188
|
231
|
|
|
|
|
|
Итого
|
|
|
|
|
|
|
|
|
3019
|
4600
|
Графа в таблице 3.6 «Расчетный диаметр» (dР) заполняется,
начиная с конечного размера, путем последовательного прибавления расчетного
минимального припуска каждого технологического перехода.
Для чистового точения
для чернового точения
для заготовки
Значения допусков для каждого перехода принимаем по таблицам в
соответствии с квалитетом того или иного вида обработки.
Для заготовки: dз = 1600
мкм; для чернового точения (по 12 квалитету точности):d1 = 250 мкм; для чистового точения (по 9 квалитету
точности): d2 = 62 мкм; для шлифования: d3= 19 мкм.
Предельный размер (dmin) получается по расчетным размерам,
округленным до точности допуска соответствующего перехода.
Предельный размер (dmax) вычисляем прибавлениемдопуска к
округленному наименьшему предельному размеру.
Тогда наименьший диаметр при шлифовании:
при чистовом точении
при черновом точении
для заготовки
Предельные
значения припусков
определяем как разность наибольших предельных размеров
и
- как разность наименьших предельных размеров
предшествующего и выполняемого переходов:
максимальный
припуск

; (5.8)
минимальный припуск

. (5.9)
Для
шлифования

мм;

мм.
для
чистового точения

мм;

мм;
для
чернового точения

мм;

мм;
Определяем
общие припуски.

км,

мкм.
Общий
номинальный припуск определяем по формуле

, (5.10)
где

- нижние
отклонения диаметра заготовки;

- допуск
на деталь.

.
Номинальный
диаметр заготовки определяем по формуле

, (5.11)
где

-
номинальный диаметр детали.
Производим
проверку правильности выполненных расчетов:
Следовательно,
расчеты припусков выполнены правильно.
Графическая
схема расположения припусков и допусков на обработку поверхности 
представлена
на рисунке 2.
Рисунок
2 - Схема графического расположения припусков и допусков на обработку
поверхности 
вала
Рассчитаем
припуски на обработку поверхности 
.
Заготовка детали получена штамповкой на КГШП. Маршрут обработки поверхности
состоит из:
фрезерно-центровальная
операции.
Припуски
рассчитываем по формуле,[3]:

(5.12)
Выписываем
значения Rz и Т для всех операций:
для
заготовки
вал деталь конструкция технологический
Rz =
150 мкм, Т = 250 мкм;
для
фрезерно-центровальной операции
Rz =
5 мкм, Т = 15 мкм.
Рассчитываем
пространственное отклонение
:
для
заготовки
, (5.13)
где ∆к
- удельное коробление заготовки;
L - длина обрабатываемой поверхности
.
Остаточное
пространственное отклонение определяется по формуле
где
Ку - коэффициент уточнения формы.
После
фрезерования торцев
.
Рассчитываем припуски на фрезерование торцев.
Для дальнейших расчетов составляем таблицу 6.
Таблица
6 - Расчет припусков и предельных размеров по операциям на обработку
поверхности 
Наимено-
вание операции Элементы припуска, мкм Припуск
,
мкмРасчетный
размер 
, ммДо-
пуск
|
мкмПредельные размеры,
ммПредельные припуски, мм
|
|
|
|
|
|
|
|
|
|
|
|
|
|
|
|
|
|
1
|
2
|
3
|
4
|
5
|
6
|
7
|
8
|
8
|
10
|
11
|
|
Заготовка
|
150
|
250
|
159,6
|
-
|
228
|
2000
|
228
|
230
|
5
|
-
|
|
Фрезерно-центровальная
|
5
|
15
|
19,15
|
2 226,851150226,85228
|
1150
|
2000
|
|
|
|
|
Графа «Расчетный размер» в таблице 6 (lР) заполняется, начиная с конечного размера, путем
последовательного прибавления расчетного минимального припуска каждого
технологического перехода.
Для заготовки:
Значения допусков для каждого перехода принимаем по таблицам в
соответствии с квалитетом того или иного вида обработки.
Для заготовки: dз = 2000
мкм; для фрезерно-центровальной операции: d1
= 500 мкм.
Предельный размер (lmin) получается по расчетным размерам,
округленным до точности допуска соответствующего перехода.
Предельный размер (lmax) вычисляем прибавлением допуска к
округленному наименьшему предельному размеру.
Тогда наименьший размер при фрезерно-центровальной операции
для заготовки
Предельные значения припусков определяем по формулам(5.8, 5.9):
под фрезерование торцев

мм;

мм.
Общий номинальный припуск определяем по формуле 5.10

.
Номинальный
размер заготовки определяем по формуле

, (5.14)
где

-
номинальный размер детали.
Производим
проверку правильности выполненных расчетов
Следовательно,
расчеты припусков выполнены правильно.
Графическая
схема расположения припусков и допусков на обработку поверхности 
представлена
на рисунке 3
Рисунок
3 - Схема графического расположения припусков и допусков на обработку
поверхности 
вала
На остальные поверхности припуски и предельные отклонения назначаем по
ГОСТ 7505-89 и результаты сводим в таблицу 7.
Таблица 7 -Припуски и допуски на обрабатываемые поверхности вала по ГОСТ
7505-89
|
Размер детали
|
Припуск
|
Предельные отклонения
|
|
табличный
|
расчетный
|
|
|
Æ55 -
|
|
|
|
|
Æ64
|
2∙1
|
-
|
|
|
228 -
|
|
|
|
|
10
|
2∙0,9
|
-
|
|
6 Разработка и анализ двух вариантов маршрутных
технологических процессов изготовления детали. Составление маршрутных карт
Базовый технологический процесс представлен в таблице 8.
Таблица 8 - Базовый технологический процесс
|
№операции
|
Наименование операции, ее
содержание
|
Модель станка, режущий
инструмент
|
Технологические базы
|
|
005
|
Круглопильная
|
8В66 Пила дисковая
|
|
|
010
|
Фрезерно-центровальная 1.
Фрезеровать торцы 2. Сверлить центровые отверстия
|
МР77 Фреза торцовая Ø100; Т15К6 Сверло центровочное Ø6,3; Р18
|
Поверхности Ø55, Ø48 и
торец вала
|
|
015
|
Токарная 1. Черновое
точение поверхностей Ø48,
Ø52, Ø55, Ø64 и
торца. 2. Чистовое точение поверхностейØ48, Ø52,Ø55, торца 10 и фасок. 3. Точить 2 канавки b=3
4. Точить канавку b=2,5 5. Нарезать резьбу М55х2-6g
|
16Б16А Резец проходной
Т15К6 Резцы канавочные Т15К6 Резец резьбонарезной
|
Центровые отверстия
|
|
020
|
Вертикально-фрезерная 1.
Фрезеровать шпоночный паз 14N9 2. Фрезеровать шпоночный паз 16N9
3. Фрезеровать шпоночный паз 8N9
|
6К11 Фрезы концевые Ø16,
Ø14, Ø8
|
Поверхности Ø55, Ø48 и
торец вала
|
|
025
|
Вертикально-сверлильная 1.
Сверлить отв. Ø16
2. Зенкеровать отверстие 3. Зенковать
фаску 2. Нарезать резьбу М16
|
2Н135 Сверло Ø 15 Зенкер Зенковка Метчик Ø 16
|
Поверхности Ø55, Ø48 и
торец вала
|
|
030
|
Слесарная 1. Опилить
заусенцы после предыдущих операций, очисть глухие отверстия от стружки
|
Верстак слесарный Напильник
|
|
|
035
|
Термическая
|
|
|
|
040
|
Торцекруглошлифовальная 1.
Шлифовать поверхностьØ55,
Ø48 и торец
|
3Т161Е Круг шлифовальный
|
Центровые отверстия
|
|
045
|
Контрольная
|
Стол контрольный
|
|
В соответствии с чертежом детали и годовым объемом выпуска принимаем
следующий маршрут ее обработки (таблица 9).
Таблица 9 - Принятый технологический процесс
|
№операцииНаименование операции,
ее содержаниеМодель станка, режущий инструментТехнологические базы
|
|
|
|
|
005
|
Прессовая
|
КГШП
|
|
|
010
|
Фрезерно-центровальная 1.
Фрезеровать торцы 2. Сверлить центровые отверстия
|
МР77 Фреза торцовая Ø100; Т15К6 Сверло центровочное Ø6,3; Р18
|
Поверхности Ø55, Ø48 и
торец вала
|
|
015
|
Токарная с ЧПУ 1. Черновое
точение поверхностей Ø48, Ø52,
Ø55, Ø64 и
торца. 2. Чистовое точение поверхностейØ48,
Ø52,Ø55, торца 10 и фасок. 3. Точить 2 канавки b=3
4. Точить канавку b=2,5 5. Нарезать резьбу М55х2-6g
|
16К20.Т1 Резец проходной
Т15К6 Резцы канавочные Т15К6 Резец резьбонарезной
|
Центровые отверстия
|
|
020
|
Вертикально-фрезерная ЧПУ
1. Фрезеровать шпоночный паз 14N9 2. Фрезеровать шпоночный паз 16N9
3. Фрезеровать шпоночный паз 8N9
|
6Р13Ф3-01 Фрезы концевые Ø16,
Ø14, Ø8
|
Поверхности Ø55, Ø48 и
торец вала
|
|
025
|
Вертикально-сверлильная с
ЧПУ 1. Сверлить отв. Ø16 2. Зенкеровать отверстие 3. Зенковать фаску 2.
Нарезать резьбу М16
|
2Р135Ф2-1 Сверло Ø 15 Зенкер Зенковка Метчик Ø 16
|
Поверхности Ø55, Ø48 и
торец вала
|
|
030
|
Слесарная 1. Опилить
заусенцы после предыдущих операций, очисть глухие отверстия от стружки
|
Верстак слесарный Напильник
|
|
|
035
|
Термическая
|
|
|
|
040
|
Торцекруглошлифовальная 1.
Шлифовать поверхностьØ55,
Ø48 и торец
|
3Т161Е Круг шлифовальный
|
Центровые отверстия
|
|
045
|
Контрольная
|
Стол контрольный
|
|
В принятом, техпроцессе, заготовкой является поковка,
форма которой максимально приближена к форме детали, что позволяет ускорить и
снизить затраты на обработку детали. Большинство операций ведется на станках с
ЧПУ, что обеспечивает наиболее высокую производительность и точность
обрабатываемых поверхностей. При обработке данной детали действует принцип
постоянства и совмещения баз, что так же обеспечивает точность обрабатываемых
поверхностей. Применяются стандартные приспособления, и используется
высокопроизводительный режущий инструмент.
Расчет
необходимого количества операций проведем по поверхности 
Размер
заготовки 
.
Необходимое
общее уточнение рассчитываем по формуле:

(6.1)
где
- допуск
на изготовление заготовки, 
;

- допуск
на изготовление детали, 
.
С
другой стороны, уточнение определяется как произведение уточнений, полученных
при обработке поверхности на всех операциях принятого техпроцесса:

(6.2)
где

-
величина уточнения, полученного на i-ой операции;
n -
количество принятых в техпроцессе операции для обработки поверхностей.
Для
обработки поверхности 
принимаем
следующий маршрут:
черновое
точение;
чистовое
точение;
шлифование.
Рассчитаем
промежуточные значения по формулам:
где
- допуски
размеров полученных при обработке детали на первой, второй и третьей операциях,

, 
Полученное
значение 
показывает,
что при приятом маршруте точность обработки поверхности 
обеспечивается,
так как 
, т. е.
63,1
63,8.
7
Расчет точности операции
Расчет
точности выполняем на операцию 015 - токарную с ЧПУ, на которой производится
точение поверхности
. Допуск
на обрабатываемую поверхность Т=120мкм.
Суммарную
погрешность обработки рассчитываем по формуле:
, (7.1)
где
- погрешность, обусловленная износом режущего
инструмента, мкм;
-
погрешность настройки станка, мкм;
=15- поле
рассеяния погрешностей обработки, обусловленных действием случайных факторов,
мкм;
-
погрешность установки заготовки, мкм.
Погрешность,
обусловленную износом режущего инструмента, определим по формуле
(7.2)
где
- относительный износ инструмента,
=5 мкм/км;
- путь
резания, м
,(7.3)
где
- диаметр обрабатываемой поверхности,
-
расчетная длина обработки с учетом пути врезания и перебега режущего
инструмента;
-
количество деталей в партии;
- подача
на оборот станка,
.
Погрешность,
настройки станка определим по формуле
, (7.4)
где
- смещение центра группирования размеров пробных
деталей относительно середины поля рассеяния размеров, мкм
, (7.5)
где
- мгновенная погрешность обработки,
=10мкм;
-
количество пробных деталей,
=5.
мкм
-
погрешность регулирования положения режущего инструмента на станке,
=20мкм
-
погрешность измерения пробных деталей
=9 мкм.
Тогда
мкм.
При
установке детали в центрах:
eу = 0.
Суммарная
погрешность обработки:
Требуемая
точность обработки обеих поверхностей обеспечивается, так как
<Т;
110<120.
8
Расчет режимов резания
Расчет
режимов резания аналитическим методом
Операция
015 - токарная с ЧПУ. Станок модели 16К20.Т1.
Инструмент
с пластинкой из твердого сплава Т15К6.
Содержание
операции:
.
Черновое точение поверхностей 
52, Ø48, 
55, Ø64и торца.
.
Чистовое точение поверхностей 
52, Ø48, 
55, торца
и фасок.
.
Точить 2 канавки b=3мм;
.
Точить канавку b=2,5мм;
.
Нарезать резьбу М55х2-6g.
Расчет
ведем для чернового точения 
55.
Глубина
резания
t = 1 мм.
Рекомендуемая
и принятая по паспорту станка подача
Sо = 1 мм/об.
Рассчитываем
скорость резания по формуле, [6]:

(8.1)
где

-
коэффициент, зависящий от обрабатываемого материала;

-показатель
степени по стойкости Т;

-
показатель степени при глубине резания 
;

-
показатель степени при подаче 
;
Т=30
мин -значение стойкости,

-
глубина резания,

-
подача,

-
поправочный коэффициент. Рассчитаем по формуле:

, (8.2)
где

-
коэффициент, учитывающий качество обрабатываемого материала:

(8.3)
где
n=1 - показатель степени для твердого сплава,

=1,23,

=0,8 -
коэффициент, отражающий состояние поверхности заготовки, [6];

=1 -
коэффициент, учитывающий качество материала инструмента.
Тогда
Найдем
скорость резания

м/мин.
Найдем
по формуле частоту вращения шпинделя:

(8.4)
Принимаем
по паспорту станка частоту вращения 
мин-1.
Найдем
действительную скорость резания:

(8.5)
Рассчитаем
силу резания[7]:

, (8.6)
где

-
постоянный коэффициент, зависящий от физико-механических свойств материала;

-
показатель степени при глубине резания 
;

-
показатель степени при подаче 
;

-
показатель степени при скорости резания
;

-
поправочный коэффициент, учитывающий фактические условия резания:

, (8.7)
где

-
поправочный коэффициент, учитывающий влияние механических свойств
обрабатываемого материала на силу резания

,(8.8)
где
n=0,75 - показатель степени для твердого сплава,

=0,86,

=0,94 -
поправочный коэффициент, учитывающий влияние главного угла на силу резания;

=1 -
поправочный коэффициент, учитывающий влияние переднего угла в плане на силу
резания;

=1 -
поправочный коэффициент, учитывающий влияние угла наклона главного лезвия на
силу резания;

=1 -
поправочный коэффициент, учитывающий влияние радиуса при вершине резца.
Тогда

,
Определим
мощность резания по формуле:

(8.9)
Мощность
двигателя главного привода станка:

кВт
N<Nст
Таким
образом, привод станка обеспечивает обработку при заданных режимах.
Определяем минутную подачу
, (8.10)
мм/мин
Определяем основное время
, (8.11)
где L - длина резания, мм;
-
количество рабочих ходов.
Определяем длину резания
, (8.12)
где l - длина рабочего хода инструмента, мм;- величина
врезания, мм.
, (8.13)
где уподв - величина подвода инструмента;
уврез - величина врезания инструмента;
уп - величина пробега инструмента.
мм,
мм,
мин.
мин.
Основное время:
1)
При обработке Æ48 (
=1)
2) При обработке
Æ52 (
=1)
3) При обработке
Æ64 (
=1)
Основное
время на черновую обработку:
(8.14)
Операция № 025 Вертикально-сверлильная с ЧПУ.
Станок модели 2Р135Ф2-1
1. Сверлить отв. Ø14l=53
2. Зенкеровать отв.
. Зенковать фаску
2. Нарезать резьбу М16
Определяем величину припуска
, (8.15)
где D - диаметр сверла, мм.
мм
Подачу принимаем S=0,3 мм/об.
Определяем скорость резания
, (8.16)
где
-
поправочный коэффициент;
m=0,2 - показатель степени по стойкости Т;=0,4 -
показатель степени при диаметре D;=0,5- показатели степени при подачеS;
Т =45 мин - период стойкости;v - общий
поправочный коэффициент, учитывающий фактические условия резания.
=
, (8.17)
где Кmv- коэффициент, учитывающий качество
обрабатываемого материала;
Кlv=0,85 - коэффициент, учитывающий глубину
сверления;
Кuv=1 - коэффициент, учитывающий материал
инструмента.
(8.18)
где Кг=1 - коэффициент, характеризующий
группу стали по обрабатываемости;
- предел прочности материала, МПа;v=0,9 -
показатель степени.
,
,

,
мин-1.
Принимаем n=500 мин-1.
Определяем действительное значение скорости резания
Определяем крутящий момент
, (8.19)
где
-
поправочный коэффициент;=2 - показатель степени при диаметреD;=
0,8 - показатель степени при подаче S;p - общий
поправочный коэффициент, учитывающий фактические условия резания.
,
,
Н·м.
Определяем мощность резания
, (8.20)
кВт
Определяем мощность электродвигателя станка
дв =
,
где hст - коэффициент полезного действия станка;
Кп - коэффициент перегрузки.
дв =
кВт,
Получившаяся мощность меньше мощности главного привода
станка равной 3,7 кВт.
Определяем минутную подачу
,
мм/мин
Определяем основное время
,
где L - длина резания, мм;- число отверстий.
Определяем длину резания
,
где l - длина отверстия, мм;- величина врезания, мм.
, (8.21)
мм.
мм,
мин.
Расчет режимов резания по нормативам
Операция 015 - токарная с ЧПУ.
Станок модели 16К20.Т1.
Инструмент с пластинкой из твердого сплава Т15К6.
Содержание операции:
1.
Черновое точение поверхностей 
52, Ø48, 
55, Ø64и торца.
.
Чистовое точение поверхностей 
52, Ø48, 
55, торца
и фасок.
.
Точить 2 канавки b=3мм;
.
Точить канавку b=2,5мм;
.
Нарезать резьбу М55х2-6g.
Расчет
ведем для чистового точения 
55
Глубина
резания
t = 0,6мм.
Рекомендуемая
и принятая по паспорту станка подача
Sо = 0,3мм/об.
Рассчитываем
скорость резания по формуле,[7]:

(8.22)
где

-
табличное значение скорости, 
м/мин;
К1
- коэффициент, зависящий от обрабатываемого материала, К1=0,7;
К2
- коэффициент, зависящий от стойкости и марки твердого сплава, К2=1;
К3
- коэффициент, зависящий от вида обработки, К3=1.

м/мин.
Рассчитываем
частоту вращения шпинделя

(8.23)
Принимаем
по паспорту станка частоту вращения 
мин-1.
Найдем
действительную скорость резания:
Определяем минутную подачу по формуле 8.10
мм/мин
Определяем основное время по формуле 8.11
мин.
Основное время:
1)
При обработке Æ55 (
=1)
)
При обработке Æ52 (
=1)
)
При обработке Æ48 (
=1)
Аналогично
рассчитываем режимы резания на остальные операции и результаты сводим в таблицы
10, 11.
Таблица
10 - Сводная таблица режимов резания для принятого техпроцесса
|
Но- мер операции
|
Наименование операции,
перехода
|
Глу- бина реза- нияt,мм
|
Длина резания lрез, мм
|
Подача Sо, мм/об
|
СкоростьV,
м/мин
|
Частота вращения, мин-1
|
Минутная подача SM, мм/мин
|
Основное время Тo,мин
|
|
|
|
|
расчетная
|
принятая
|
расчетная
|
принятая
|
расчетная
|
принятая
|
|
|
|
1
|
2
|
3
|
4
|
5
|
6
|
7
|
8
|
9
|
10
|
11
|
12
|
|
010
|
Фрезерно-центровальная 1.
Фрезеровать торцы 2. Сверлить центровые отверстия
|
1 3,15
|
66 13,8
|
1 0,12
|
1 0,12
|
120 29
|
101 25
|
579 1453
|
500 1250
|
2000 150
|
0,15 0,1
|
|
015
|
Токарная с ЧПУ 1. Черновое
точение поверхностей Ø55
|
1
|
218
|
1
|
1
|
169
|
138
|
979
|
800
|
800
|
0,28
|
|
|
0,9
|
117
|
0,6
|
0,6
|
125
|
109
|
724
|
630
|
378
|
0,34
|
|
Ø52
|
1
|
98
|
0,6
|
0,6
|
125
|
103
|
766
|
630
|
378
|
0,29
|
|
Ø48
|
1,3
|
82
|
0,6
|
0,6
|
125
|
121
|
829
|
800
|
480
|
0,23
|
|
Ø64.
|
1
|
10
|
0,6
|
0,6
|
125
|
101
|
622
|
500
|
300
|
0,04
|
|
2. Чистовое точение
поверхностей Ø55,
|
0,6
|
101
|
0,3
|
0,3
|
163
|
138
|
944
|
800
|
240
|
0,46
|
|
Ø52,
|
0,5
|
16
|
0,3
|
0,3
|
150
|
131
|
919
|
800
|
240
|
0,11
|
|
Ø48
|
0,8
|
82
|
0,3
|
0,3
|
150
|
121
|
995
|
800
|
240
|
0,39
|
|
3. Точить 2 канавки b=3 Ø51,5 Ø47,5
|
0,25
|
3
|
0,2
|
0,2
|
77
|
65
|
476
|
400
|
80
|
0,05
|
|
|
0,25
|
3
|
0,2
|
0,2
|
77
|
75
|
516
|
500
|
100
|
0,04
|
|
4. Точить канавку b=2,5 Ø52
|
1,5
|
2,5
|
0,2
|
0,2
|
77
|
65
|
472
|
400
|
80
|
0,05
|
|
5. Нарезать резьбу М55х2-6g
|
2
|
16
|
2
|
2
|
13
|
11
|
75
|
63
|
126
|
0,28
|
|
020
|
Вертикально-фрезерная ЧПУ
1. Фрезеровать шпоночный паз 14N9
|
5,5
|
77
|
0,015
|
0,015
|
27
|
22
|
614
|
500
|
25
|
3
|
|
2. Фрезеровать шпоночный
паз 16N9
|
6
|
61
|
0,02
|
0,02
|
27
|
25
|
537
|
500
|
25
|
2,6
|
|
3. Фрезеровать шпоночный
паз 8N9
|
3
|
45
|
0,01
|
0,01
|
34
|
31
|
1350
|
1250
|
75
|
0,7
|
|
025
|
Вертикально-сверлильная с
ЧПУ 1. Сверлить отв. Ø14
|
7
|
53
|
0,3
|
0,3
|
25
|
22
|
569
|
500
|
150
|
0,38
|
|
2. Зенкеровать отверстие
|
1
|
6,5
|
0,3
|
0,3
|
22
|
20
|
438
|
400
|
120
|
0,05
|
|
3. Зенковать фаску
|
1
|
1
|
0,1
|
0,1
|
36
|
34
|
674
|
630
|
63
|
0,01
|
|
2. Нарезать резьбу М16
|
1,25
|
47
|
1,25
|
1,25
|
10
|
8
|
199
|
160
|
200
|
0,47
|
|
040
|
Торцекруглошлифовальная 1.
Шлифовать поверхность Ø55,
|
0,3
|
101
|
-
|
-
|
25
|
22
|
145
|
125
|
0,4
|
1
|
|
Ø48
|
0,4
|
82
|
-
|
-
|
25
|
24
|
166
|
160
|
0,5
|
1,04
|
|
|
|
|
|
|
|
|
|
|
|
|
|
|
|
|
Таблица 11 - Сводная таблица режимов резания для базового техпроцесса
|
Но- мер операции
|
Наименование операции,
перехода
|
Длина резания lрез, мм
|
Подача Sо, мм/об
|
СкоростьV,
м/мин
|
Частота вращения, мин-1
|
Минутная подача SM, мм/мин
|
Основное время Тo,мин
|
|
|
|
|
расчетная
|
принятая
|
расчетная
|
принятая
|
расчетная
|
принятая
|
|
|
|
1
|
2
|
3
|
4
|
5
|
6
|
7
|
8
|
9
|
10
|
11
|
12
|
|
010
|
Фрезерно-центровальная 1.
Фрезеровать торцы 2. Сверлить центровые отверстия
|
1 3,15
|
66 13,8
|
1 0,12
|
1 0,12
|
120 29
|
201 25
|
579 1453
|
500 1250
|
2000 150
|
0,15 0,1
|
|
015
|
Токарная 1. Черновое
точение поверхностей Ø55
|
3
|
218
|
0,6
|
0,6
|
85
|
69
|
492
|
400
|
240
|
0,40
|
|
|
1,5
|
118
|
0,6
|
0,6
|
100
|
86
|
579
|
500
|
300
|
0,37
|
|
Ø52
|
3,5
|
98
|
0,6
|
0,6
|
85
|
82
|
521
|
500
|
300
|
0,32
|
|
Ø48
|
1,6
|
82
|
0,6
|
0,6
|
100
|
95
|
663
|
630
|
378
|
0,29
|
|
Ø64.
|
1,5
|
230
|
0,6
|
0,6
|
100
|
80
|
498
|
400
|
240
|
0,46
|
|
2. Чистовое точение
поверхностей Ø55,
|
1
|
101
|
0,3
|
0,3
|
150
|
138
|
869
|
800
|
240
|
0,46
|
|
Ø52,
|
1
|
16
|
0,3
|
0,3
|
150
|
131
|
918
|
800
|
240
|
0,11
|
|
Ø48
|
0,8
|
82
|
0,3
|
0,3
|
150
|
121
|
995
|
800
|
240
|
0,39
|
|
3. Точить 2 канавки b=3 Ø51,5 Ø47,5
|
0,25
|
3
|
0,2
|
0,2
|
77
|
65
|
476
|
400
|
80
|
0,05
|
|
|
0,25
|
3
|
0,2
|
0,2
|
77
|
75
|
516
|
500
|
100
|
0,04
|
|
4. Точить канавку b=2,5 Ø52
|
1,5
|
2,5
|
0,2
|
0,2
|
77
|
65
|
472
|
400
|
80
|
0,05
|
|
5. Нарезать резьбу М55х2-6g
|
2
|
16
|
2
|
2
|
13
|
11
|
75
|
63
|
126
|
0,28
|
|
020
|
Вертикально-фрезерная ЧПУ
1. Фрезеровать шпоночный паз 14N9
|
5,5
|
77
|
0,01
|
0,01
|
27
|
22
|
614
|
500
|
25
|
3
|
|
2. Фрезеровать шпоночный
паз 16N9
|
6
|
61
|
0,02
|
0,02
|
27
|
25
|
537
|
500
|
25
|
2,6
|
|
3. Фрезеровать шпоночный
паз 8N9
|
3
|
45
|
0,015
|
0,015
|
34
|
31
|
1350
|
1250
|
75
|
0,7
|
|
025
|
Вертикально-сверлильная 1.
Сверлить отв. Ø14
|
7
|
53
|
0,3
|
0,3
|
25
|
22
|
569
|
500
|
150
|
0,38
|
|
2. Зенкеровать отверстие
|
1
|
6,5
|
0,3
|
0,3
|
22
|
20
|
438
|
400
|
120
|
0,05
|
|
3. Зенковать фаску
|
1
|
1
|
0,1
|
0,1
|
36
|
34
|
674
|
630
|
63
|
0,01
|
|
2. Нарезать резьбу М16
|
1,25
|
47
|
1,25
|
1,25
|
10
|
8
|
199
|
160
|
200
|
0,47
|
|
040
|
Торцекруглошлифовальная 1.
Шлифовать поверхность Ø55,
|
0,3
|
101
|
-
|
-
|
25
|
22
|
145
|
125
|
0,4
|
1
|
|
Ø48
|
0,4
|
82
|
-
|
-
|
25
|
24
|
166
|
160
|
0,5
|
1,04
|
|
|
|
|
|
|
|
|
|
|
|
|
|
|
|
|
9 Расчет норм времени
Тип
производства изготовления вала соответствует среднесерийному производству, в
котором в качестве нормы времени рассчитывается штучно - калькуляционное время
, мин по формуле
, (9.1)
где
- штучное время на операцию, мин;
-
подготовительно-заключительное время, мин;
- размер
партии, шт.
Норма
штучного времени
определяется по формуле
,(9.2)
где
- основное время, мин;
вспомогательное
время, мин;
- время перерывов на отдых и на обслуживание рабочего
места, мин.
Расчет нормы времени на операцию 015 - токарную с ЧПУ.
Основное
время на операцию
.
Определяем
составляющие вспомогательные времени:
)
время на установку и снятие детали
;
)время
на приемы управления станком
включение,
выключение станка
;
открытие
и закрытие заградительного щитка
;
включить
пульт лентопротяжного механизма
;
продвинуть
ленту в исходное положение
;
установить
координаты
;
ввести
коррекцию
;
перемотка
ленты
;
)
время на измерение четырех диаметров скобами и измерения резьбы
.
Вспомогательное
время
, (9.3)
Оперативное
время
(9.4)
Время
на обслуживание рабочего места и отдых
(9.5)
Тогда
штучное время
Подготовительно-заключительное
время
, мин:
)
получить наряд, чертеж, инструмент, заготовки
)
ознакомиться с документацией
)
установить инструменты
)
установить исходные координаты
)
установить программоноситель
)
установить патрон с центром
Штучно-калькуляционное
время
По
этим же нормативам рассчитываем нормы времени на остальные операции и
результаты расчетов сводим в таблицы 12, 13.
Таблица
12 - Сводная таблица норм времени для принятого техпроцесса, мин.
|
Но Мер опе рации
|
Наименование операции
|
 , мин , мин , мин  , мин ,
минВеличина партии n
|
|
|
|
|
|
|
|
|
|
|
|
|
|
|
|
|
|
|
|
|
1
|
2
|
3
|
4
|
5
|
6
|
7
|
8
|
9
|
10
|
11
|
12
|
|
010
|
Фрезерно-центровальная
|
0,25
|
0,52
|
0,75
|
0,28
|
1,8
|
1,93
|
16,5
|
94
|
2,10
|
|
015
|
Токарная с ЧПУ
|
2,56
|
0,85
|
0,95
|
0,5
|
4,86
|
0,34
|
5,20
|
16,7
|
94
|
5,38
|
|
020
|
Вертикально-фрезерная с ЧПУ
|
6,3
|
0,52
|
0,16
|
0,13
|
7,11
|
0,50
|
7,61
|
20
|
94
|
7,82
|
|
025
|
Вертикально-сверлильная с
ЧПУ
|
0,91
|
0,52
|
0,16
|
0,42
|
2,01
|
0,14
|
2,15
|
20
|
94
|
2,36
|
|
040
|
Торцекруглошлифовальная
|
2,04
|
0,85
|
0,36
|
0,37
|
3,62
|
0,25
|
3,87
|
16
|
94
|
4,04
|
|
ВСЕГО
|
21,71
|
|
|
|
|
|
|
|
|
|
|
|
|
|
Таблица 13 - Сводная таблица норм времени для базового техпроцесса, мин.
|
Номер опе рации
|
Наименование операции
|
 , мин , мин , мин  , мин ,
минВеличина партии n
|
|
|
|
|
|
|
|
|
|
|
|
|
|
|
|
|
|
|
|
|
1
|
2
|
3
|
4
|
5
|
6
|
7
|
8
|
9
|
10
|
11
|
12
|
|
010
|
Фрезерно-центровальная
|
0,25
|
0,52
|
0,75
|
0,28
|
1,8
|
0,13
|
1,93
|
16,5
|
94
|
2,10
|
|
015
|
Токарная
|
3,22
|
0,9
|
0,95
|
0,5
|
5,57
|
0,39
|
5,96
|
19
|
94
|
6,16
|
|
020
|
Вертикально-фрезерная
|
6,3
|
0,57
|
0,18
|
0,14
|
7,19
|
0,50
|
7,69
|
22
|
94
|
7,93
|
|
025
|
Вертикально-сверлильная
|
0,91
|
0,57
|
0,18
|
0,45
|
2,11
|
0,15
|
2,26
|
21
|
94
|
2,48
|
|
040
|
Торцекруглошлифовальная
|
2,04
|
0,85
|
0,36
|
0,37
|
3,62
|
0,25
|
3,87
|
16
|
94
|
4,04
|
|
ВСЕГО
|
22,71
|
|
|
|
|
|
|
|
|
|
|
|
|
|
10 Уточнение типа производства
Расчет ведем по методике [3], данные заносим в таблицу 14.
Таблица 14 - Расчет коэффициента закрепления операций для принятого
техпроцесса
|
Операция
|
Норма времени
|
mр
|
mпр
|
ηзф
|
О
|
|
Фрезерно-центровальная
|
2,10
|
0,04
|
1
|
0,04
|
20,78
|
|
Токарная с ЧПУ
|
5,38
|
0,10
|
1
|
0,10
|
8,12
|
|
Вертикально-фрезерная с ЧПУ
|
7,82
|
0,15
|
1
|
0,15
|
5,58
|
|
Вертикально-сверлильная с
ЧПУ
|
2,36
|
0,05
|
1
|
0,05
|
18,47
|
|
Торцекруглошлифовальная
|
4,04
|
0,08
|
1
|
0,08
|
10,80
|
|
Сумма
|
21,71
|
-
|
-
|
-
|
63,75
|
Располагая временем, затраченным на каждую операцию, определяем
количество станков
, (10.1)
где
N-годовой объем выпуска, шт;
Т-время, мин;
Fд-действительный годовой фонд времени=4029 часов;
ηзн=0,75…0,85-нормативный
коэффициент загрузки оборудования.
Фактический
коэффициент загрузки
.(10.2)
Количество
операций, выполняемых на рабочем месте, рассчитывается по формуле:
, (10.3)
где
ηзф-фактический
коэффициент загрузки оборудования.
Рассчитаем
коэффициент закрепления операций
, (10.4)
где
По-суммарное число различных операций;
Ря-явочное
число различных подразделений, выполняющих различные операции.
.
Полученный
коэффициент Кзо соответствует среднесерийному производству.
Таблица 15 - Расчет коэффициента закрепления операций для базового
техпроцесса
|
Операция
|
Норма времени
|
mр
|
mпр
|
ηзф
|
О
|
|
Фрезерно-центровальная
|
2,10
|
0,04
|
1
|
0,04
|
20,79
|
|
Токарная
|
6,16
|
0,12
|
1
|
0,12
|
7,09
|
|
Вертикально-фрезерная
|
7,93
|
0,15
|
1
|
0,15
|
5,51
|
|
Вертикально-сверлильная
|
2,48
|
0,05
|
1
|
0,05
|
17,61
|
|
Торцекруглошлифовальная
|
4,04
|
0,08
|
1
|
0,08
|
10,81
|
|
Сумма
|
-
|
-
|
5
|
-
|
61,80
|
По формуле 10.4 коэффициент закрепления операций
Полученный коэффициент Кзо соответствует среднесерийному
производству.
11 Конструирование и расчет приспособлений
Приспособление фрезерное
Назначение и устройство приспособления
Проектируемое приспособление предназначено для фрезерования пазов на
вертикально-фрезерной операции на вертикально-фрезерном станке модели 6Р13РФ3.
Приспособление состоит из корпуса 1, на котором расположены две призмы 8,
9, прихват 3.
Базирование заготовки в приспособлении происходит на призмах и упором в
торец. Торец упирается в призму 8.Закрепление заготовки осуществляется
прихватом 3 посредством затягивания винта 5.
Установка приспособления на столе станка производится по плоскости В
корпуса 1 с помощью двух шпонок 15, крепление на столе осуществляется
посредством проушин в приспособлении.
Выбор и расчет привода приспособления
Рассчитаем необходимую силу закрепления детали, для этого составим схему
сил, действующих на деталь.
Схему сил, действующих в приспособлении при зажиме заготовки представляем
на рисунке 4.
Рисунок 4 - Схема действия сил и моментов в приспособлении
Заготовка закреплена в призмах с углом α и находится под действием момента
обработки Мр и осевой силы Рz создаваемые силы и моменты трения противодействуют
сдвигу вдоль оси и повороту заготовки.
Силу закрепления, предупреждающую поворот заготовки рассчитаем по
формулам, [4]
где r - радиус детали;
Мр - момент от действия сил резания;
Рz - осевая сила момента резания;
f1 -
коэффициент силы трения, f1=0,15;
fпр-
приведенный коэффициент силы трения;
k - коэффициент
запаса.
Приведенный коэффициент силы трения найдем по формуле
Коэффициент запаса
, (11.4)
где k0 - гарантированный коэффициент запаса, k0=1,5;
k1 -
коэффициент, учитывающий степень затупления инструмента ,k1=1,4;
k2 -
коэффициент, учитывающий неравномерный припуск, k2=1,2;
k3 -
коэффициент, учитывающий прерывистость резания, k3=1,2;
k4 -
коэффициент, учитывающий непостоянство сил закрепления, k4=1,3;
k5 -
коэффициент, учитывающий непостоянство сил закрепления при ручном приводе, k5=1;
k6 -
коэффициент, учитывающий непостоянство положения сил на поверхностях контакта
установочных элементов с заготовкой, k6=1.
Осевая
сила момента резания
где
- поправочный коэффициент;
х=0,86 - показатель степени по глубине резанияt;
q=0,86 - показатель степени при диаметре фрезы D;
y=0,72 - показатели степени при подаче на зуб фрезыsz;
n =0,35 - показатели степени при ширине фрезы В;
z =5 - число зубьев фрезы;
w=0 - показатели степени при частоте вращения фрезы;
Кmр- коэффициент, учитывающий качество
обрабатываемого материала;
(11.6)
- предел прочности материала, МПа;v=0,35 -
показатель степени.
Момент
от действия сил резания
где
r - радиус заготовки.
Для
расчета необходимой силы в винтовом зажиме составляем схему сил, действующих на
прихват (рисунок 5).
Составляем
условие равновесия сил, действующих на прихвате
, (11.8)
где
Q - усилие, необходимое для получения заданной силы зажима, Н.
Рисунок
5 - Схема сил, действующих на прихват
(11.9)
Определяем
момент, приложенный к винту, и необходимый для сообщения зажимающей силы Q
, (11.10)
где
dср - средний диаметр резьбы, мм;
α - угол подъема резьбы, °;
φ - приведенный угол трения, °.
Н·мм.
Определяем
силу, с которой необходимо воздействовать на рукоятку ключа при завинчивании
болта
, (11.11)
где
l - длина рукоятки ключа, мм.
Н.
Расчет
приспособления на точность
Расчет
приспособления на точность будем производить в соответствии с методикой
изложенной в [4].
Расчетным
параметром точности приспособления является отклонение от параллельности оси
симметрии призм относительно поверхности шпонки.
Определяем
допуск на изготовление приспособления Тпр, мм, для обеспечения
точности размера 16-0,043 (ширина паза) по формуле
(11.12)
где
Т - допуск на обработку, мм;т - коэффициент, учитывающий отклонение
рассеяния значений составляющих величин от закона нормального распределения, Kт
= 1,1;т1 − коэффициент, учитывающий уменьшение предельного
значения погрешности базирования при работе на настроенных станках, Kт1
= 0,8;т2 − коэффициент, учитывающий долю погрешности обработки
в суммарной погрешности, вызванной факторами, не зависящими от приспособления,
Kт2= 0,7;
εб −
погрешность базирования заготовки, мм;
εз −
погрешность закрепления, мм;
εу −
погрешность установки приспособления на станке, мм;
εи −
погрешность, связанная с износом элементов приспособления, мм;
εп −
погрешность от перекоса режущего инструмента, мм;
w − экономическая точность обработки паза, w
= 0,27 мм.
Т.
к. совмещены измерительная и установочная базы (оси симметрии заготовки и
призмы), а погрешностями расположения и формы базовых поверхностей можно
пренебречь
Погрешность
закрепления
, т.к. при закреплении не происходит смещения
заготовки в направлении выдерживаемого размера .
Погрешность
установки приспособления на станке
(11.13)
где
s - максимальный зазор между шпонкой и пазом стола
притпосадкеH8/h8, s=0,044мм;
lшп - расстояние между шпонками, lшп=114мм;
l - длина
обрабатываемой детали.
Погрешность
от смещения инструмента
(11.14)
где
- точность деления шкалы механизма перемещения фрезы,
=0,005
мм;
Тщ
- точность изготовления щупа, Тщ = 0,004 мм.
Погрешность
из-за износа установочных элементов приспособления
, т. к.
паз располагается симметрично относительно изнашиваемой поверхности призмы.
Таким
образом, расчет допуска на изготовление приспособления
Таким образом, для выбранного расчетного параметра допуском на
приспособление является отклонение от параллельности оси симметрии призм
относительно боковой поверхности шпонки равное 0,13 мм.
12 Расчет экономического эффекта
Данные изменения привели к повышению точности обработки.
В общем случае экономический эффект от реализации проектируемого
техпроцесса (Э) будет равен
Э = (Зб - Зп) ×N,
(12.1)
где Зб и Зп - приведенные затраты по базовому и проектируемому вариантам
техпроцесса, тыс. р.;
N
- программа выпуска деталей, шт.
Приведенные затраты в данном случае равны:
З = С +Ен× (Кс+Кзд), (12.2)
где С - технологическая себестоимость единицы продукции, тыс. р.;
Кс, Кзд - удельные капитальные вложения в станок и
здания соответственно, тыс.р.;
Ен - нормативный коэффициент экономической эффективности
капитальных вложений (Ен = 0,1).
Расчет основной и дополнительной зарплаты выполняется по формуле
Сз=Сч· Кд· Зн· Ко.м.,(12.3)
где Сч - часовая тарифная ставка рабочего, р/ч;
Кд - коэффициент, учитывающий дополнительную зарплату и
начисления, Кд =1,7;
Зн - коэффициент, учитывающий оплату наладчика, Зн
=1;
Ко.м. - коэффициент, учитывающий оплату рабочего при
многостаночном обслуживании, Ко.м. =1.
Расчет часовых затрат по эксплуатации рабочего места
выполняется по формуле
Сэксп=Сч.з. · Км ,(12.4)
где Счз - часовые затраты на базовом
рабочем месте (принимаются по данным базовых предприятий), р./ч;
Км - коэффициент, показывающий, во сколько
раз затраты, связанные с работой данного станка, больше, чем аналогичные
расходы у базового станка (принимается по данным [1]).
Удельные капитальные вложения в станок рассчитываются
по формуле

, (12.5)
где Цс - отпускная цена станка, р.;
Км - коэффициент, учитывающий затраты на
транспортировку и монтаж, Км= 1,1;
Сп - принятое число станков на операцию, Сп= 1,0;
N-
годовой объем выпуска деталей.
Удельные капитальные вложения в здание рассчитываются
по формуле

, (12.6)
где Спл - стоимость 1м2
производственной площади (принимается по материалам производственной практики),
р./м2;
Пс - площадь, занимаемая станком с учетом проходов, м2;
Сп - коэффициент загрузки станка.
Площадь, занимаемая станком Пс, определяется по формуле
Пc=f · Kc,(12.7)
где f - площадь станка в плане (длина к
ширине), м2;
Кс - коэффициент, учитывающий дополнительную производственную
площадь.
Технологическая себестоимость рассчитывается для всех операций по формуле
С
= (С3 + Сэкспл)
(12.8)
Результаты
расчетов приведенных затрат сводятся в таблицу 16.
Таблица 16 - Расчет приведенных затрат
|
Операция
|
Модель станка
|
tшт, мин
|
Сз, р.
|
Сэксп, р.
|
Кс, тыс.р.
|
Кзд., р.
|
С, р.
|
|
Базовый вариант
|
|
015. Токарная
|
16Б16А
|
6,16
|
3692
|
25680
|
6434
|
6400
|
3015
|
|
020. Вертикально-фрезерная
|
6К11
|
7,93
|
3692
|
20500
|
2975
|
5570
|
3197
|
|
025.Вертикально-сверлильная
|
2Н135
|
2,48
|
3692
|
18900
|
2877
|
1960
|
934
|
|
Итого
|
16,57
|
18460
|
65080
|
12286
|
13930
|
7146
|
|
Проектируемый вариант
|
|
015 .Токарная с ЧПУ
|
16К20.Т1
|
5,38
|
3692
|
24500
|
6314
|
6480
|
2528
|
|
020. Вертикально-фрезерная
с ЧПУ
|
6Р13Ф3-01
|
7,82
|
3692
|
20350
|
4345
|
5200
|
3133
|
|
025.
Вертикально-сверлильная с ЧПУ
|
2Р135Ф2-1
|
2,48
|
3692
|
18420
|
2090
|
2220
|
914
|
|
Итого
|
15,7
|
14768
|
63270
|
12749
|
13900
|
6575
|
Приведенные затраты базового техпроцесса
Збаз=7146+1·(12286+13930)=33362 руб.
Зпр=6575+1·(12749+13900)=33224 руб.
В общем случае экономический эффект от реализации проектируемого техпроцесса
по формуле 12.1 будет равен
Э=(33362-33224)·4000=552000р.
В результате внесенных изменений в базовый технологический процесс при
заданной годовой программе 4000 штук получен предполагаемый годовой
экономический эффект в размере 552 тыс.р.
Заключение
В результате разработки данного курсового проекта было проведено полное
исследование технологического процесса получения детали вала.
Были предложены два варианта технологического процесса изготовления вала
и выбран наиболее рациональный.
Предложенные мероприятия по замене оборудования позволили повысить
производительность станочных работ.
В курсовом проекте спроектировано и рассчитано станочное приспособление
для фрезерования.
В результате предложенных мероприятий по совершенствованию технологического
процесса при заданной годовой программе 4000 штук получен предполагаемый
экономический эффект в размере 552 тыс.р.
Список литературы
1 Технология машиностроения. Курсовое и
дипломное проектирование: учеб. пособие / Под общ. ред. М. Ф. Пашкевича. -
Минск : Изд-во Гревцова, 2010.
2 Проектирование технологических
процессов сборки машин / Под ред. А. А. Жолобова. - Минск : Новое знание, 2005.
3 Горбацевич,А. Ф. Курсовое
проектирование по технологии машиностроения / А. Ф. Горбацевнч, В. А. Шкред. -
Минск :Выш. шк., 1983.
4 Горошкин, А. К. Приспособления
для металлорежущих станков: справочник/ А. К. Горошкин. -М. : Машиностроение,
1979.
5 Режимы резания металлов : справочник
/ Под ред. Ю. В. Барановского. - М.: Машиностроение, 1972.
6 Справочник технолога-машиностроителя
: в 2 т. / Под ред. А. Г. Косиловой, Р. К. Мещерякова. - М.: Машиностроение,
1985. - Т. 1.
7 Справочник технолога-машиностроителя
: в 2 т. / Под ред. А. Г. Косиловой, Р. К. Мещерякова. - М.: Машиностроение,
1985. - Т. 2.
8 Обработка металлов резанием :
справочник технолог а / Под ред. А. А. Панова. - М.: Машиностроение, 1988.
9 Станочные приспособления : справочник
в 2 т. / Под ред. Б. Н. Вардашкина, А. А. Шатилова. - М. : Машиностроение,
1984. -Т. 1-2.
10 Технологическая оснастка : учебник
для студентов машиностроительных специальностей вузов / М. Ф. Пашкевич [и др.].
- Минск Адукацыя i выхаванне, 2002.
11 Филиппов Г.В. Режущий инструмент /
Г.В. Филиппов. - Л. 6 Машиностроение. Ленингр. отд-ние, 1981.
12 Общемашиностроительные нормативы
режимов резания для технического нормирования работ на металлорежущих станках.
Зуборезные, горизонтально-расточные станки. - М.: Машиностроение. 1974.
13 Общемашиностроительные нормативы
режимов резания для технического нормирования работ на шлифовальных и
доводочных станках. - М. : Машиностроение, 1974.
14 Общемашиностроительные нормативы
времени вспомогательного на обслуживание рабочего места и
подготовительно-заключительного для технического нормирования. Серийное
производство. - М. : Машиностроение, 1974.
15 Безопасность производственных
процессов: Справочник. / Под общ, ред. С.В.Белова. - М.: Машиностроение, 1985.