Схема управления лебёдкой левого зонда

  • Вид работы:
    Курсовая работа (т)
  • Предмет:
    Другое
  • Язык:
    Русский
    ,
    Формат файла:
    MS Word
    930,06 Кб
  • Опубликовано:
    2012-05-15
Вы можете узнать стоимость помощи в написании студенческой работы.
Помощь в написании работы, которую точно примут!

Схема управления лебёдкой левого зонда

Содержание

Введение

. Технологическая часть

. Условия работы установки

. Анализ исходной РКС и разделение её на функциональные узлы

. Синтез структурных формул

. Синтез промежуточной функциональной схемы

. Обоснование выбора элементной базы

. Разработка принципиальной схемы на бесконтактных логических элементах

. Таблица перечня элементов разработанной схемы

. Разработка программы для ПК на языке РКС

Заключение

Список использованных источников

ВВЕДЕНИЕ

До Октябрьской революции доменные печи имели малый полезный объем, и нормальный процесс выплавки чугуна, как правило, обеспечивался ручным управлением загрузкой доменной печи, что определяло весьма низкую производительность труда в доменном производстве. После Октябрьской революции доменное производство пошло по пути непрерывного увеличения полезного объема доменных печей.

До 1960 г. имели распространение доменные печи полезным объемом 1000, 1386, 1513, 1719 м3. В 1960 г., когда была введена в строй доменная печь с полезным объемом 2002 м3, Советский Союз занял первое место в мире по наибольшему полезному объему доменных печей. В 1964 г. на заводе Ильича вступила в строй крупнейшая в мире по тому времени доменная печь с полезным объемом 2300 м3; в 1967 г. на Криворожском заводе - доменная печь 2700 м3; в 1971 г. на Западно-Сибирском металлургическом заводе - доменная печь 3000 м3; в 1973 г. на Новолипецком металлургическом заводе - доменная печь 3240 м3. В 1975 г. на Криворожском заводе начала действовать доменная печь-гигант 5000 м3.

Введение в действие доменных печей большого объема наряду с применением кислорода и природного газа позволило существенно увеличить темпы прироста чугуна, увеличить производительность труда и снизить капиталовложения на 1 т выплавляемого чугуна.

Непрерывное увеличение полезного объема доменных печей вызывает необходимость переработки и транспортировки все возрастающего количества сырых материалов, а это требует непрерывного совершенствования загрузочной системы доменной печи. Самым ответственным и сложным комплексом механизмов доменной печи является система загрузки печи. Развитию и совершенствованию этой системы уделялось и продолжает уделяться большое внимание.

1. ТЕХНОЛОГИЧЕСКАЯ ЧАСТЬ

Для выплавки чугуна в доменных печах требуются сырые материалы. Эти материалы, смешанные в определенной пропорции, загружают через засыпное устройство в верхнюю часть домны. Необходимый для горения воздух обычно в смеси с природным газом, нагретый до 900 - 1200 0С и обогащенный кислородом, подается под давлением до 4 - 5 ат через фурмы. Выдача чугуна и шлака осуществляется через летки каждые 3 - 4 ч. У мощных доменных печей 2000 м3 и выше имеются две чугунные и две шлаковые летки (доменная печь 3240 м3 имеет три чугунные и одну шлаковую летки). Печи меньшего объема имеют одну чугунную и две шлаковые летки.

Рис. 1 Поперечный разрез типовой доменной печи

На рис. 1 представлен поперечный разрез типовой доменной печи, а на рис. 2 - план доменного цеха.

Для выплавки чугуна требуются следующие материалы:

руда, содержащая окись железа. Добытая руда обычно содержит мало железа (30 - 35%) и непосредственно в доменных печах не применяется. Руду подвергают дроблению, грохочению и промывке, в результате чего получается так называемый концентрат с содержанием 60 - 65% железа. Затем из концентрата с примесью марганцевой руды, известняка, колошниковой пыли, металлической стручки путем обжига в специальных печах получают агломерат. Применение агломерата повышает производительность доменных печей. Большой эффект дает использование окатышей - окомкованных тонкой железной руды и концентрата;

флюсы, способствующие извлечению из чугуна посторонних примесей и понижению температуры плавления шлаков. В качестве флюсов применяют известняк или кварц;

Рис.2 План доменного цеха:

-доменные печи; 2 - наклонные мосты скиповых подъёмников; 3 - бункерная линия; 4 - рудные бункера; 5 - коксовые бункера; 6 - рудный кран рудного двора.

кокс, применяемый в доменных печах в качестве топлива. Кокс получают на коксохимзаводе из каменного угля. Кроме кокса используется и природный газ.

Для выплавки чугуна в доменной печи, как уже говорилось, требуется большое количество сырых материалов. Так, для доменной печи полезным объемом 2700 м3 производительностью 4000 т чугуна в сутки необходимо подать в домну 7000 т офлюсованного агломерата и 2000 т кокса. Это количество материалов должно быть поднято на высоту более 80 м. Количество потребных материалов для всего доменного цеха увеличивается соответственно количеству доменных печей в цехе.

Выполнить такой объем погрузочных работ можно только при надлежащей механизации транспорта, четкой и безотказной работе отдельных узлов системы загрузки. Для создания бесперебойной работы доменного цеха требуется наличие определенного запаса сырых материалов, который в зависимости от удаленности источников снабжения сырьем (рудника, угольной шахты) должен соответствовать потребностям цеха в пределах от нескольких суток до полутора-двух месяцев. Запасы руды и флюсов хранятся на рудном дворе, а запасы угля - на угольном складе коксохимзавода. Вся полезная площадь рудного двора перекрывается мощным козловым грейферным краном - рудным перегружателем.

Если руда добывается в непосредственной близости от завода, то нет необходимости в больших запасах руды. В таком случае рудный двор обычно на заводе отсутствует, а руда от карьера поступает на обогатительную фабрику, откуда, обогащенная в виде агломерата, железнодорожными составами или ленточными транспортерами подается к рудным бункерам доменных печей. От рудных бункеров агломерат и от коксовых бункеров кокс поднимаются на верх доменной печи с помощью скипового подъемника.

Бункера доменных печей, расположенные вдоль линии печей (см. рис. 2), представляют собой резервуары для хранения агломерата, флюсов и кокса. Рудные бункера в количестве 15-21 на одну домну расположены по обе стороны бункерной линии. Коксовые бункера (два бункера на одну домну) расположены непосредственно над скиповой ямой по обе стороны подъемного моста (левый коксовый бункер и правый коксовый бункер, если смотреть на печь из скиповой ямы). Агломерат и флюсы забираются из рудных бункеров, взвешиваются, подаются к скиповой яме и загружаются в скип (в доменных печах полезным объемом менее 2000 м3) с помощью вагон-весов, которые курсируют вдоль бункерной линии. Затем груженый скип по команде машиниста вагон-весов скиповым подъемником поднимается на верх доменной печи для ее загрузки. В мощных доменных печах полезным объемом 2000 м3 и выше доставка рудных материалов от рудных бункеров к скипу предусматривается не вагон-весами, а транспортерами (непрерывная шихтоподача). В доменных печах объемом 5000 м3 доставка как рудных материалов, так и топлива предусмотрена непосредственно на верх доменной печи с помощью транспортеров (скиповый подъемник отсутствует).

Транспортировка материалов от бункерной линии в доменную печь выполняется с помощью целого ряда механизмов, работающих в определенной последовательности и зависимости друг от друга. Совокупность этих механизмов и представляет собой систему загрузки доменной печи. В эту систему входят следующие механизмы:

) транспортерная непрерывная шихтоподача или вагон-весы; 2) коксопогрузочное устройство, состоящее из грохотов (правого и левого) и коксовых весов (правых и левых); 3) доменный подъемник; 4) вращающийся распределитель; 5) малый конус; 6) большой конус; 7) контрольные зонды; 8) уравнительные клапаны.

. УСЛОВИЯ РАБОТЫ УСТАНОВКИ

В системе загрузки доменной печи большое количество механизмов связано между собой условиями технологического процесса. Автоматическая система загрузки должна обеспечивать работу этих механизмов в строго определенной последовательности. Требуемая последовательность работы механизмов системы загрузки устанавливается с помощью различного рода блокировок. При этом различают блокировки программные, рабочие и предохранительные. Весьма важную роль в создании блокировок и увязке между собой работы отдельных механизмов играют путевые выключатели. Весьма важную роль в создании блокировок и увязке между собой работы отдельных механизмов играют путевые выключатели. Путевой выключатель состоит из следующих элементов: вала с укреплёнными на нём шайбами, на которых размещены включающие и отключающие кулачки; контактной плиты, на которой размещены неподвижные контакты; контактной рейки, состоящей из набора поворотных рычагов, несущих на одном плече контактный мостик, а на другом ролик. Каждой шайбе соответствует свой рычаг с контактным мостиком и неподвижные контакты. Включающий кулачок, воздействуя на ролик рычага, поворачивает рычаг в сторону замыкания неподвижных контактов контактным мостиком рычага. В таком положении рычаг остаётся и после окончания воздействия включающего рычага благодаря механической защёлке. Отключающий кулачок, расположенный на этой же шайбе, воздействует на ролик защёлки и освобождает рычаг, который, придя в исходное, непринуждённое положение, своим контактным мостиком размыкает контакты.

Рис. 3. Примерная диаграмма работы контактов путевого выключателя

На рис. 3 показана примерная диаграмма включения контактов путевого выключателя механизма, имеющего два крайних положения: “Закрыто” и “Открыто”.

В соответствии с этим контакт К1 замкнут в положении “Закрыто” и открывается в положении “Открыто”, а затем вновь размыкается с приходом в положение “Закрыто”.

В схемах управления механизмами системы загрузки находят очень широкое применение электромагнитные реле с магнитным залипанием. Реле с магнитным залипанием отличаются от обычных реле отсутствием немагнитной прокладки и наличием двух катушек на сердечнике - втягивающей Вт на 220 В и осаживающей Ос на 85 В. Катушки подключаются на напряжение так, что их намагничивающие силы действуют навстречу друг другу. При включении втягивающей катушки якорь реле притягивается и остается в залипшем состоянии и после снятия напряжения с катушки благодаря остаточному магнетизму. Отключение реле в этом случае может произойти при подаче напряжения на осаживающую катушку, действие которой направлено на компенсацию влияния остаточного магнетизма. Реле с магнитным залипанием в схемах управления механизмами системы загрузки в случае прекращения питания и повторного включения напряжения позволяют сохранить правильное состояние схемы и требуемую последовательность работы аппаратов и мехенизмов.

В модели 1972г. имеются три программные системы: командоконтроллер программы ККП, командоконтроллер цикла ККЦ, командоконтроллер агломерата ККА, а также командное устройство управления загрузкой добавок КД.

Командоконтроллер программы ККП - это главный программный узел системы загрузки. С его помощью выполняется заданная программа загрузки домны, контролируется последовательность загрузки в скип агломерата, добавок и кокса, устанавливается заданный порядок работы всех механизмов системы загрузки, производится одиночный и автоматический перегоны пустых скипов. С помощью командоконтроллера ККЦ создается возможность автоматического чередования трех различных программ. Командоконтроллер агломерата ККА позволяет выбрать сорт агломерата для каждой подачи из двух возможных сортов. Командное устройство управления загрузкой добавок КД осуществляет управление всеми механизмами тракта добавок. КД задает группу бункеров добавок, устанавливает порядок загрузки добавками скипы, проводит согласование действий механизмов тракта между собой и связь с другими механизмами шихтоподачи.

Для сохранения нормальной работы доменной печи применяются регулирующие устройства, с помощью которых производится поддержание на заданном уровне отдельных параметров, характеризующих доменный процесс. Например, на действующих доменных печах в настоящее время применяют регулирование температуры и влажности дутья, распределения газовых потоков по радиусу и окружности сечения печи, давления на колошнике и др. Для этого используют датчики давления и термопары.

Для защиты электрооборудования от коротких замыканий используются автоматические выключатели или предохранители; для защиты от перегрузок - тепловые реле; при исчезновении напряжения сети - нулевая защита и реле с магнитным залипанием.

Для информирования о процессе работы доменной печи используется световая сигнализация.

. АНАЛИЗ ИСХОДНОЙ РКС И РАЗДЕЛЕНИЕ ЕЁ НА ФУНКЦИОНАЛЬНЫЕ УЗЛЫ

 

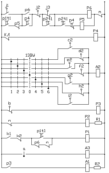
Электропривод лебёдки зондов.

Подъем, зондов перед опусканием большого конуса и спуск зондов после окончания ссыпания материала в печь обеспечиваются работой двигателя зондов в различных режимах (в двигательном, в противовключении). В положении зондов на поверхности шихты зонды под действием собственной массы следуют за опускающейся шихтой. При этом для натяжения троса необходимо, чтобы двигатель был включен в направлении подъема зондов и момент двигателя должен быть меньше момента, развиваемого зондом при спуске.

В рассматриваемом случае целесообразно применение двигателя постоянного тока независимого возбуждения при питании его от заводской сети. На рис. 3a представлена схема управления лебедкой левого зонда. Схема управления лебедкой правого зонда аналогична. В такой схеме различные режимы работы двигателя, подъем, опускание зонда или слежение за уровнем шихты создаются соответствующим включением дополнительных сопротивлений в цепи двигателя R3, R4, R5 - двигатель 1ДЗ все время включен в сторону подъема зонда. Если при этом включено только сопротивление R5, то зонд будет подниматься. Если в цепь якоря двигателя включены все сопротивления R3, R4, R5, то зонд будет опускаться. Ограничение скорости опускания достигается закорачиванием сопротивления R3. При слежении за уровнем шихты, как и при опускании зонда, в цепь якоря двигателя включены все сопротивления.

На рис. 4 представлены механические характеристики двигате-ля для указанных режимов: 1 - при подъеме зонда; 2 - при спуске с ограниченной скоростью; 3 - при спуске без ограничения скорости и при слежении за уровнем шихты.

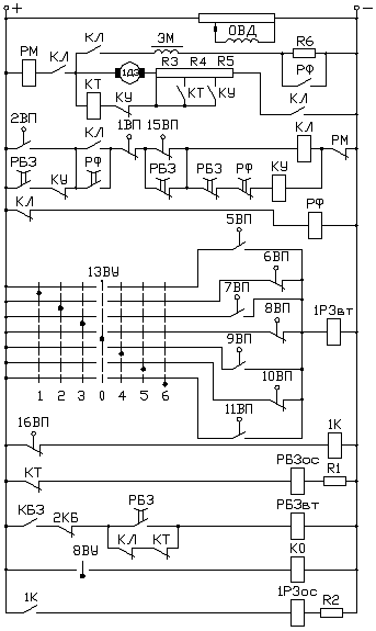
В крайнем верхнем положении зонда (см. рис. 3a) разомкнут контакт 2ВП путевого выключателя зонда, контактор КЛ лишен питания и двигатель зонда отключен от сети. С отключением двигателя отключится катушка электромагнитного тормоза ЭМ и тормозные колодки будут наложены на тормозной шкив, удерживая тем самым зонд в верхнем крайнем положении. После закрывания БК замыкается контакт КБЗ из схемы ЛК (размыкающий контакт 2КБ замыкается при получении сигнала на закрывание БК) и подается импульс на включение втягивающей катушки реле РБЗ. При этом замкнется его замыкающий контакт РБЗ, получит питание контакт контактора КЛ и двигатель левого зонда 1ДЗ будет подключен к сети с дополнительными сопротивлениями R3, R4, R5. Кроме того, включается с форсировкой катушка электромагнитного тормоза ЭМ для освобождения шкива от тормозных колодок. В этом случае момент двигателя 1ДЗ меньше момента статического сопротивления, поэтому двигатель станет вращаться не на подъем, а на спуск, т. е. он будет работать в режиме противовключения (на рис. 4 - характеристика 3 в четвертом квадранте). Если скорость опускания достигнет предельной величины, то сработает контактор КТ, его замыкающий контакт закоротит сопротивление R3 и двигатель станет работать на характеристике 2 вместо 3.

После опускания зонда на шихту двигатель 1ДЗ останавливается, его э. д. с. становится равной нулю, контактор КТ отпадает и в цепь якоря двигателя вводится сопротивление R3. При этом зонд будет.следовать за уровнем шихты.

Перед открыванием БК размыкается контакт 2КБ (из схемы ЛК), втягивающая катушка РБЗВТ теряет питание, а осаживающая РБ30С находится под напряжением; поэтому реле РБЗ приходит в непритянутое состояние. Однако при этом контактор КЛ не потеряет питания (контакт 2ВП путевого выключателя шунтирует замыкающий контакт реле РБЗ), поэтому двигатель останется подключенным к сети. С приходом реле РБЗ в непритянутое состояние его размыкающий контакт замкнется, включится контактор КУ и два сопротивления R3, R4, в цепи якоря двигателя окажутся зашунтированными. При этом двигатель перейдет на характеристику 1 и начнется подъем зондов. В верхнем положении зонда замкнется контакт 16ВП путевого выключателя, включатся контактор верхнего положения зонда 1К, а затем осаживающая катушка реле 1РЗ, замкнутся размыкающие контакты реле 1РЗ, что даст разрешение на опускание БК (см. рис. 3a).

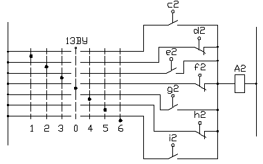
В цепь втягивающей катушки 1РЗВТ включены контакты путевых выключателей 5ВП, 6ВП, 7ВП, 8ВП, 9ВП, 10ВП, 11ВП и контакты переключателя 13ВУ - задания уровня шихты, по достижении которого производится загрузка материала в печь. При помощи переключателя 13ВУ выбирается цепь питания втягивающей катушки 1РЗВТ с контактом путевого выключателя, которому соответствует заданный уровень шихты. Например, при загрузке печи на уровне 1,0 м переключатель 13ВУ ставится в положение 3. При этом положении переключателя 13ВУ и при заданном уровне 1,0 м, когда замкнут контакт 7ВП, реле 1РЗ будет активировано. В таком случае цепь контактора Н в схеме конусов будет подготовлена для пуска двигателя лебедки конусов в направлении опускания БК (включится контактор 2КБ в схеме рис.3a). Схема управления зондами подает импульсы в схему лебедки конусов, разрешая опускание большого конуса при поднятых зондах (замыкающие контакты 1РЗ, 2РЗ замкнуты) и запрещая опускание большого конуса при опущенных зондах (размыкающие контакты 1РЗ, 2РЗ разомкнуты).

Группировка и обозначение сигналов.

Исходная релейно-контакторная схема представлена на рис. 4.

Входные сигналы схемы

a - контакт переключателя 8ВУ, при замыкании которого подаётся напряжение на катушку контактора КО;

в - 16ВП контакт путевого выключателя, замыкается в верхнем положении зонда;- контакт переключателя 13ВУ (в положении 1), задающего уровень шихты, по достижении которого производится загрузка материала в печь;

с2 - контакт конечного выключателя 5ВП, соответствующий уровню шихты, заданному переключателем 13ВУ в положении 1;- контакт переключателя 13ВУ (в положении 2);- контакт конечного выключателя 6ВП, соответствующий уровню шихты, заданному переключателем 13ВУ в положении 2;- контакт переключателя 13ВУ (в положении 3);- контакт конечного выключателя 7ВП, соответствующий уровню шихты, заданному переключателем 13ВУ в положении 3;- контакт переключателя 13ВУ (в положении 0);- контакт конечного выключателя 8ВП, соответствующий уровню шихты, заданному переключателем 13ВУ в положении 0;- контакт переключателя 13ВУ (в положении 4);- контакт конечного выключателя 9ВП, соответствующий уровню шихты, заданному переключателем 13ВУ в положении 4;- контакт переключателя 13ВУ (в положении 5);- контакт конечного выключателя 10ВП, соответствующий уровню шихты, заданному переключателем 13ВУ в положении 5;- контакт переключателя 13ВУ (в положении 6);- контакт конечного выключателя 11ВП, соответствующий уровню шихты, заданному переключателем 13ВУ в положении 6;- контакт конечного выключателя 2ВП, разомкнутый в крайнем верхнем положении зонда;- контакт конечного выключателя 1ВП, при размыкании которого производится останов двигателя затвора после его открывания;- контакт конечного выключателя 15ВП, замыкается в крайнем нижнем положении большого конуса;- контакт КБ3, замыкающийся после закрывания большого конуса;- контакт 2КБ, замыкающийся при получении сигнала на закрывание большого конуса;- контакт токового реле РМ;- контакт контактора КТ; после опускания зонда на шихту двигатель 1Д3 останавливается, его Э.Д.С. становится равной нулю, контактор КТ отпадает и в цепь якоря двигателя вводится сопротивление R3.

Промежуточные сигналы схемы

P1 - катушка реле РБ3вт, при подаче напряжения на которую получает питание контакт контактора КЛ и двигатель левого зонда 1Д3 подключается к сети с дополнительными сопротивлениями R3, R4, R5;- катушка реле РБ3ос, ; перед открыванием большого конуса РБ3вт теряет питание, а РБ3ос находится под напряжением, реле РБ3 приходит в непритянутое состояние, включается контактор КУ и сопротивления R3, R4 в цепи якоря двигателя шунтируются.- катушка контактора верхнего положения зонда 1К;- катушка реле РФ;- катушка контактора КУ, при включении которого шунтируются сопротивления R3, R4;- катушка контактора КЛ, при включении которого двигатель 1Д3 подключается к сети.

Выходные сигналы схемы

A1 - катушка реле 1Р3ос (на неё подаётся напряжение при поднятых зондах);- катушка реле 1Р3вт (на неё подаётся напряжение при опущенных зондах);

А3 - катушка контактора КО, при включении которого подготавливается цепь для включения двигателя на закрытие затвора коксовой воронки.

 

Рис. 4. а) схема управления лебёдкой левого зонда

б) механические характеристики двигателя лебёдки зондов

Рис. 5. Исходная релейно-контакторная схема

На рис.5 изображены функциональные узлы схемы.

а)

б)

в)

г)

д)

е)

ж)

з)

Рис. 6. Функциональные узлы схемы

а) - узел контакторов КЛ и КУ; б) - узел реле РФ; в) - узел катушки реле 1Р3вт; г) - узел контактора 1К; д) - узел катушки реле РБ3ос; е) - узел катушки реле РБ3вт; ж) - узел контактора К0; з) - узел катушки реле 1Р3ос.

Рис. 7. Схема с обозначениями, принятыми в п. 3

На рис. 6 представлена схема на которой сигналы обозначены символами, принятыми в п. 3.

.СИНТЕЗ СТРУКТУРНЫХ ФОРМУЛ

Сигналы, появляющиеся с выдержкой времени согласно релейно-контактной схеме, записываются в алгебраические выражения с индексом t.

Структурные формулы для выходных сигналов


Структурные формулы для промежуточных сигналов


Полученные формулы необходимо привести к виду И - НЕ и ИЛИ - НЕ.

Структурные формулы для выходных сигналов


Структурные формулы для промежуточных сигналов


.СИНТЕЗ ПРОМЕЖУТОЧНОЙ ФУНКЦИОНАЛЬНОЙ СХЕМЫ

По структурным формулам составляем бесконтактные схемы функциональных узлов, показанные на рис. 7 и рис. 8.

а)

б)

в)

Рис. 8. Схемы функциональных узлов для выходных сигналов

а) - для катушки реле 1Р3ос; б) - для катушки реле 1Р3вт; в) - для контактора КО.

а)

 б)

в)

г)

д)

е)

Рис. 9. Схемы функциональных узлов для промежуточных сигналов

а) - для катушки реле РБ3вт; б) - для катушки реле РБ3ос; в) - для контактора 1К; г) - для реле РФ; д) - для контактора КУ; е) - для контактора КЛ.

По бесконтактным схемам функциональных узлов составляем промежуточную функциональную схему, представленную на рис. 10.

Рис. 10. Промежуточная функциональная схема

. ОБОСНОВАНИЕ ВЫБОРА ЭЛЕМЕНТНОЙ БАЗЫ

Для реализации принципиальной схемы выбираем цифровые микросхемы серии К561, 561, Н564, КР1561. Это микросхемы на комплементарных полевых транзисторах с изолированным затвором. Полевые транзисторы на основе слоистых диэлектриков называют МДП-транзисторами. Слово комплементарный означает взаимно дополняющий. Так называют пару транзисторов, имеющих примерно одинаковые значения основных параметров, но с разными полупроводниковыми структурами (транзисторы с p- и n-каналами). Совместное использование такой пары МДП-транзисторов лежит в основе комплементарной структуры.

Данная серия имеет следующие достоинства по сравнению с микросхемами ТТЛ:

·   работоспособность в широком диапазоне питающих напряжений (3…15В);

·   высокую помехозащищенность, достигающую 30…45 % от значения питающего напряжения;

·   высокую нагрузочную способность;

·   высокое входное сопротивление.

а)       б)     в)     г)     д)

Рис. 11 Цифровые микросхемы

а) микросхема КР1561ЛА9 : три (3И-НЕ); б) микросхема 561ЛА7 : четыре (2И-НЕ); в) микросхема К561ЛА8 : два (4И-НЕ); г) микросхема Н564ЛЕ5 : четыре (2ИЛИ-НЕ); д) микросхема КР1561ЛЕ10 : три (3ИЛИ-НЕ). 7- общий; 14- +Uип.

Для реализации реле времени воспользуемся интегральным таймером КР1006ВИ1.

Рис. 12 Интегральный таймер КР1006ВИ1

Основная схема включения таймера показана на рис. 12 и соответствует режиму одновибратора. Вход R таймера (вывод 6) присоединён к выходу интегрирующей RC - цепи, которая в свою очередь подключена к источнику питающего напряжения. Запуск одновибратора осуществляется перепадом 1/0, воздействующим на вход дифференцирующей цепи С1, R1, VD1, или дискретным сигналом “нуль”, непосредственно подаваемым на вход .

Для снижения влияния помех на длительность формируемых импульсов к выводу 5 подключаем конденсатор емкостью 0,01 мкФ. Для входного конденсатора С1 принимаем емкость 0,27 мкФ.

Длительность положительного импульса, снимаемого с выхода таймера Q (вывод 3), равна

доменный печь загрузка лебедка

τ=R1·C2·ln3=1,1·R1·C2.

Принимаем выдержку времени реле времени РБ3 равной τ=1,5с. Принимаем конденсатор С2=2,2мкФ, тогда

Ом.

Из ряда номинальных значений сопротивлений выбираем резистор R1=620 кОм.

Для сигнала реле времени РФ, принимаем выдержку времени, достаточную для освобождения шкива от тормозных колодок, равной τ=1,3с. Принимаем конденсатор С5=2,7мкФ, тогда

Ом.

Из ряда номинальных значений сопротивлений выбираем резистор R3=430 кОм.

Принимаем резисторы:

1=R7: МЛТ-0,125-620 кОм±5%

R2=R4=R6=R8: МЛТ-0,125-100 кОм±5%

Принимаем конденсаторы

С1 =С4=С7=С10: K56-20-100B-0,27мкФ±10%

С2= С11 : К73-9-100В-2,2мкФ±10%

С3=С6=С9=С12:К73-9-100В-0,01мкФ±10%

С5=С8 : К56-20-100В-2,7мкФ±10%

Принимаем диоды VD1, VD2, VD3, VD4: КД521Д.

Выбираем контактор переменного тока КТПВ600 с параметрами:

номинальный ток Iном=63А;

число полюсов - 2;

число силовых контактов - 2 замыкающих контакта;

число вспомогательных контактов - 2 размыкающих и 2 замыкающих;

Выбираем реле ЭП-41В с параметрами:

число контактов 3 - 6;

длительный ток Iдлит=16А.

Рис. 13. Принципиальная схема

. РАЗРАБОТКА ПРИНЦИПИАЛЬНОЙ СХЕМЫ НА БЕСКОНТАКТНЫХ ЛОГИЧЕСКИХ ЭЛЕМЕНТАХ

Принципиальная схема установки представлена на рис. 13.

Выходные сигналы полученной бесконтактной схемы поступают на узлы гальванической развязки на оптронах. К выходам оптронов подключены катушки контактора КО и реле 1Р3вт и 1Р3ос. Катушки этих элементов питаются переменным напряжением 110В. Ток через силовые контакты контактора равен 63А, ток через обмотки контактора и реле равен 10А.

Выбираем тиристоры оптронные типа Т0125-10 с параметрами:

действующий ток в открытом состоянии (f=50Гц) ITRMS=15,7A;

повторяющееся импульсное напряжение в закрытом состоянии UDRM и повторяющееся импульсное обратное напряжение URRM: 100 - 1100B.

. ТАБЛИЦА ПЕРЕЧНЯ ЭЛЕМЕНТОВ РАЗРАБОТАННОЙ СХЕМЫ

Поз. обознач.

Наименование

Кол

Примеча-ние


Диоды



VD1-VD4

КД521Д

4







Конденсаторы



С1,C4,C7,C10

K56-20-100B-0,27мкФ±10%

4


C3,C6,C9,C12

К73-9-100В-0,01мкФ±10%

4


C2,C11

К73-9-100В-2,2мкФ±10%

2


C5,C8

К56-20-100В-2,7мкФ±10%

2







Контакторы



К0

КТПВ600








Микросхемы



DD1,DD4-DD9

561ЛА7

7


DD2

КР1561ЛА9

1


DD3

К561ЛА8

1


DD10-DD14

Н564ЛЕ5

4


DD15

КР1561ЛЕ10

1


DD16-DD19

КР1006ВИ1

4







Резисторы



R1,R7

МЛТ-0,125-620 кОм±5%


R3,R5

МЛТ-0,5-430 кОм±5%

2


R2,R4,R6, R8

МЛТ-0,125-100 кОм±5%

4







Реле



1Р3ВТ,1Р3ОС

ЭП-41В

2







Тиристоры оптронные



VS1-VS3

Т0125-10




9.РАЗРАБОТКА ПРОГРАММЫ ДЛЯ ПК НА ЯЗЫКЕ РКС

Для реализации релейно-контактной схемы управления лебёдкой зондов воспользуемся программируемым контроллером КА1, так как он имеет модули ввода и вывода, рассчитанные на постоянное напряжение равное 110В. Таким напряжением питается исходная релейно-контактная схема. Для реализации входных сигналов используем модуль ввода 2 с параметрами:

входное напряжение: 110В;

уровень логического нуля: 0 - 30В;

уровень логической единицы: 90 - 160В;

максимальное входное напряжение: 170В;

номинальный входной ток: 25A.

Для реализации выходных сигналов используем модуль вывода 3 с параметрами:

номинальное выходное напряжение: 110В;

диапазон питания нагрузки: 0 - 30В;

максимальный ток нагрузки на выходе: 0,5A.

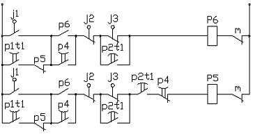
Для реализации участка схемы, показанного на рис. 14, его необходимо привести к виду, указанному на рис. 15.

Рис. 14. Участок исходной схемы

Рис. 15. Преобразованный участок схемы

Рис. 16. Адреса соответствующие входным и выходным сигналам.

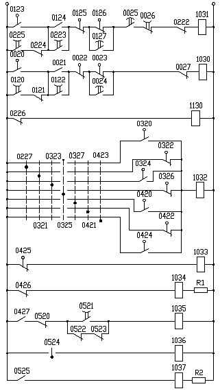
На рис. 16 представлена релейно-контактная схема с указанием адресов, присвоенных каждому входному и выходному сигналу схемы в программируемом контроллере.

Рис. 17. Программа на языке РКС.

На рис. 17 представлена программа на языке РКС, реализующая исходную релейно-контактную схему.

В таблице 1 представлены входные сигналы исходной схемы, а в таблице 2 выходные сигналы и соответствующие им адреса.

Таблица 1

Входные сигналы

Адреса

j1

0020, 0123

p6

0021, 0124

j2

0022, 0125

j3

0023, 0126

p2

0024, 0127

p1

0120, 0225

p5

0121, 0224

p4

0122, 0223

m

0027, 0222

p2

0025

p4

0026

p6

0226

c1

0227

c2

0320

d1

0321

d2

e1

0323

e2

0324

f1

0325

f2

0326

g1

0327

g2

0420

h1

0421

h2

0422

i1

0423

i2

0424

b

0425

n

0426

k1

0427

k2

0520

p1

0521

p6

0522

n

0523

a

0524

p3

0525


Таблица 2

Выходные сигналы

Адреса

Р6

1030

Р5

1031

Р4

1130

А2

1032

Р3

1033

Р2

1034

Р1

1035

К0

1036

А1

1037


ЗАКЛЮЧЕНИЕ

В курсовой работе была разработана бесконтактная схема управления электроприводом лебёдки левого зонда. Схема, реализованная на цифровых микросхемах характеризуется меньшими массогабаритными показателями, более низкой стоимостью, удобством эксплуатации и монтажа по сравнению с релейно-контакторной схемой. В бесконтактной схеме отсутствуют неудобства связанные с возникновением электрической дуги при размыкании контактов.

СПИСОК ИСПОЛЬЗОВАННЫХ ИСТОЧНИКОВ

1. В.П. Бычков. Электропривод и автоматизация металлургического производства. Учеб. пособие для вузов. М., «Высшая школа», 1977.

2. М.И. Богданович и др. Цифровые интегральные микросхемы. Справочник. Минск, «БЕЛАРУСЬ», 1991.

3. А.Л. Булычев и др. Аналоговые интегральные схемы. Справочник. Минск, «БЕЛАРУСЬ», 1993.

4. В.С. Гутников. Интегральная электроника в измерительных устройствах. Ленинград, ЭНЕРГОАТОМИЗДАТ, 1988.

Похожие работы на - Схема управления лебёдкой левого зонда

 

Не нашли материал для своей работы?
Поможем написать уникальную работу
Без плагиата!
Без нейросетей!