|
№ точки
|
ri
|
ji
|
aji
|
|
1
|
7,41
|
90
|
25,29
|
|
2
|
8,895
|
45
|
13,46
|
|
3
|
8,895
|
90
|
27,29
|
|
4
|
7,91
|
0
|
0
|
|
5
|
7,91
|
90
|
26,10
|
|
6
|
8,895
|
0
|
0
|
|
7
|
13,895
|
60
|
24,75
|
|
8
|
12,895
|
0
|
0
|
|
9
|
12,895
|
90
|
31,75
|
|
10
|
15,875
|
0
|
0
|
|
11
|
15,875
|
90
|
29,75
|
|
12
|
8,895
|
0
|
0
|
|
13
|
8,895
|
90
|
27,29
|
|
14
|
8,41
|
45
|
16,57
|
На участках 3-4, 5-6, 7-8, 9-10 и 11-12ani = 00. В этом случае для
улучшения условий резания необходимо ввести поднутрение под угол j = 20…30.
Угол заточки рассчитываем по формуле
Σ0 = α0+ γ0 ,град
Σ0 = 120 + 150=270
α0 = 120, γ0 = 150, Σ0 = 270
1.5 Коррекционный расчет
При использовании фасонных резцов для токарной наружной обработки размеры глубины их профиля t0i , измеряемые у круглых резцов в сечениях, нормальных к их
задним граням должны создавать на детали заданные чертежом глубины профиля ti . Размеры профиля детали образуется
в передней плоскости резца и непосредственно зависят от измеренных в этой
плоскости глубины профиля резца tiп.
Так как сечения, в которых измеряют величины t0i, ti и tiп, не совпадают, то коррекционные расчеты заключаются в
определении величин tiп и t0i по заданной величине ti.
Размеры ширины профиля фасонных резцов совпадают с соответствующими
осевыми размерами обрабатываемой детали и не корригируются.
Результаты расчетов сведены в таблицу 2.3.
Таблица 2.3
|
№
|
Формулы
|
Узловые точки i
|
|
|
|
|
|
|
|
|
|
1
|
2, 3
|
4, 5
|
6
|
7
|
8, 9
|
10,11
|
12,13
|
|
1
|
1,9177
|
|
|
|
|
|
|
|
|
|
2
|
0,25880,21560,24240,21560,13800,14870,12080,2156
|
|
|
|
|
|
|
|
|
|
3
|
00,04320,01640,04320,12080,11010,13800,0432
|
|
|
|
|
|
|
|
|
|
4
|
7,418,86067,88478,860613,74612,71915,6898,8606
|
|
|
|
|
|
|
|
|
|
5
|
01,45060,47471,45066,33575,30948,27931,4506
|
|
|
|
|
|
|
|
|
|
6
|
01,50900,49381,50906,59085,52318,61261,5090
|
|
|
|
|
|
|
|
|
|
7
|
33,1088
|
|
|
|
|
|
|
|
|
|
8
|
17,0250
|
|
|
|
|
|
|
|
|
|
9
|
33,108831,599832,615031,599826,518027,585724,496231,5998
|
|
|
|
|
|
|
|
|
|
10
|
0,47630,51330,49630,51330,61040,55650,60590,5133
|
|
|
|
|
|
|
|
|
|
11
|
35,744333,16834,303833,16827,891530,593028,098733,1677
|
|
|
|
|
|
|
|
|
|
12
|
02,57661,44052,57667,85285,15137,64562,5766
|
|
|
|
|
|
|
|
|
|
13
|
0,21750,29770,25390,29770,47240,40780,48510,2977
|
|
|
|
|
|
|
|
|
Рисунок 1.4 - Схема к коррекционному расчету
1.6 Допуска на конструктивные основные элементы резца
Резец, как и любая деталь, изготавливается на металлорежущих станках.
Точность изготовления профиля резца имеет определенные границы. Величины
допусков, приемлемых для производственных условий, составляют:
- на диаметральные размеры - 0,04…0,05 мм;
- на осевые размеры - 0,02…0,03 мм.
Допуски на осевые размеры рекомендуется принимать в пределах 1/2…1/3
допуска наименьшего осевого размера. В данном случае наименьший длинновой
размер: 2 ±0,125 мм. Взяв
1/3 допуска размера, получим
мм.
Для размера 10 ±0,305
мм величина допуска:
мм или в
виде отклонений ±0,1025 мм.
Для
размера 13 ±0,455 мм
мм или ±0,153 мм.
Для размера 21 ±0,635
мм
мм или ±0,213 мм.
Для размера 23 ±0,76
мм
мм или ±0,255 мм.
Для размера 28 ±0,91
мм
мм или ±0,306 мм.
Для размера 34,5 ±1,09
мм
мм или ±0,366 мм.
Для размера 35 ±1,215
мм
мм или ±0,408 мм.
Допуск по наружному диаметру круглого фасонного резца, принятому за
исходный при расчетах, должен назначаться, исходя из условий взаимозаменяемости
фасонных резцов.
Настроечный размер.
Лезвие фасонного резца состоит из ряда участков, каждый из которых
является как бы лезвием отдельного резца. Соответственно весь фасонный резец
как бы состоит из элементарных резцов, соединенных боковыми сторонами. Каждым
элементарным резцом можно обрабатывать соответствующую поверхность детали
независимо от других резцов и обеспечивать точность, предусмотренную чертежами
для данного участка детали. Большей частью требования к точности различных
участков неодинаковы, а элементарные лезвия, образующие фасонный профиль, могут
совершать движение подачи только одновременно. В связи с этим при точностных
расчетах за основу принимают ступень детали с наименьшим допуском. Эта ступень
может быть и не самой малой по диаметру, которую принимают в качестве базовой
при коррекционных расчетах профиля. Допуски при обработке этой ступени детали
выдерживаются за счет настройки станка. Поэтому размер такой ступени детали
называется настроечным. Допуски на изготовление остальных поверхностей детали
выдерживаются за счет расположения с определенной точностью остальных участков
лезвия резца относительно участка, обеспечивающего получение настроечного
размера.
В качестве базовой принимаем ступень Æ31,75±0,009
мм, как имеющая наименьший допуск. Определим глубины профиля детали
относительно базовой поверхности:
Величины
допусков на размеры профиля, передаваемые резцом на деталь, определяются из
выражения:
Далее
необходимо, выбрав наименьший из высчитанных допусков на размеры профиля,
разделить его пополам и использовать одну половину для покрытия погрешности
установки и заточки резца по размеру, к которому относится допуск. Оставшуюся
половину назначить в качестве допуска на глубину профиля резца Т1,
на данной ступени. Из вычисленных допусков наименьшим является 0,048 мм.
Разделив эту величину пополам, получаем 0,024 мм - приемлемое значение допуска
для размеров Т6, Т7.
Числовые
значения
возьмем из выходных данных, а именно
.
Простановка
знаков предельных отклонений размеров оказывает влияние на стойкость резца
между переточками. Отклонения размеров Тi
необходимо расположить так, чтобы возникла вероятность неполного использования
допуска рабочим, что вызывает возрастание обрабатываемых диаметров детали.
Желательно, чтобы это возрастание диаметров как можно дольше не выходило из
границ полей допусков. Этому в некоторой степени способствует рациональная
простановка допускаемых отклонений размеров, при которой возможна вероятность
неполного использования поля допуска на исследование профиля резца.
Таким
образом, глубинные размеры профиля с отклонениями имеют вид
Погрешности
углов e и a0:
1.5 Выбор конструкции державки
Станок 1265М-полуавтомат токарный многошпиндельный горизонтальный
прутковый.
На рисунке 1.12 приведена двухопорная державка для работы на автоматах и
полуавтоматах. Одна из опор может перемещаться по направляющей шпонке 4,
укреплённой на подвижной опоре 3 с помощью штифта [7,с.245].
Рисунок 1.12 Державка для круглых фасонных резцов
-корпус; 2-опорный болт; 3-подвижная опора; 4-шпонка;
-регулировочный сектор; 6-регулировочный винт.
.6 Инструментальная наладка и условия эксплуатации
Обработка фасонным резцом выполняется при вращении детали и поперечной
подачи резца, обработка производительна и точна, кроме того допускает большое
количество переточек.
В процессе резания металлов фасонным резцом в результате затраченной
работы возникает тепло. Основным источником тепла при резании является работа:
затраченная на пластические деформации в срезаемом слое и в слоях, прилегающих
к обработанной поверхности и поверхности резания; затрачиваемая на преодоление
трения по передней и задней поверхности резца.
Тепло, переходящее в резец размягчает его и делает менее износостойким. В
местах контакта стружки с резцом и резца с заготовкой, тепло оказывает большое
влияние на состояние трущихся поверхностей, на точность обработки. Для отвода
тепла от режущего инструмента и заготовки применяется смазочные охлаждающие
жидкости: МР-1, МР-2у, МР-4 при подаче 8-12 л/мин.
При переточке фасонного резца необходимо восстановить остроту режущей
кромки и воспроизвести геометрические параметры режущей части, и обеспечить
получение при обработке переточенным резцом заданной поверхности детали.
Переточка производится поп передней поверхности.
2. Протяжка
.1 Исходные данные
|
dнаим
|
+ δ
|
Класс чистоты, ▼
|
Характер стенок отверстия
|
Материал детали
|
Твердость материала
|
LД, мм
|
l, мм
|
d0, мм
|
Класс точности d0
|
Модель протяжного станка
|
QТ, кН
|
Lст, мм
|
Толщина фланца
приспособления, мм
|
Тип рабочего патрона
|
Конструктивные особенности
протяжки
|
|
24
|
0,023
|
7
|
ТЛ
|
СЧ
|
НВ 197
|
25
|
25
|
22,4
|
5
|
7А510
|
10
|
1250
|
30
|
А
|
3Х/В3
|
Наибольшая длина протяжки, допустимая возможностями инструментального
производства, до 1500 мм; производство деталей - массовое; производство
инструмента - мелкосерийное; отверстие под протягивание подготовлено сверлом.
Рисунок 3.1 Эскиз детали
.2 Определение конструкции калибрующей части протяжки
.2.1 Определить тип калибрующей части
.2.1.1 Определить целесообразность и возможность применения запасных
калибрующих зубьев
Так как материал серый чугун, то запасные калибрующие зубья -применять.
.2.1.2 Определить целесообразность и возможность применения выглаживающих
зубьев
Выглаживающие зубья применять (по условию).
.2.1.3 Определить тип калибрующей части
Калибрующая часть с выглаживающих и с запасными калибрующими зубьями, поэтому
тип калибрующей части - ТИП 1.
.2.2 Определить количество калибрующих зубьев Zк
Т.к. конструкция калибрующей части - ТИП 1, принимаем Zк = 5
.2.3 Определить количество запасных калибрующих зубьев Zк.з.
По ТИП 1, Zк.з. = 9
.2.4 Определить количество выглаживающих зубьев ZВ
По ТИП 1, ZВ=6
.2.5 Определить диаметр калибрующих зубьев DК
.2.5.1 Определить величину разбивки протягиваемого отверстия U
Т.к. тип детали - 30 [3, стр.51, ], то U = 0
.2.5.2 Диаметр калибрующих зубьев DК
Т.к. калибрующая часть - ТИП 1, то
где
d=24мм - диаметр отверстия;
δ=0,023мм - величина допуска на отверстие;
U=0 -
величина разбивки ;
U1=0,01 - величина занижения диаметра
калибрующих зубьев
[3, стр.20]
3.3 Определение недостающих данных для поиска оптимального варианта
режущей части
.3.1 Определить величину припуска на протягивание А
где DK=24,013мм - диаметр калибрующих
зубьев;
d0=22,4мм - наименьший диаметр
отверстия под протягивание;
3.3.2 Определить диаметр и тип переднего хвостовика
.3.2.1 Определить диаметр хвостовика dхв.
где d0=22,4 мм - наименьший диаметр отверстия под
протягивание;
Уточняем dхв., приняв ближайшим меньшим из стандартного ряда:
dхв = 22 мм [3,стр.21]
.3.2.2 Определить тип хвостовика
Т.к. производство - массовое и dхв = 228
> 12мм, то выбираем - ТИП 2, где типы хвостовиков по [3, с.55 табл.3]
.3.3.1 Определить марку стали переднего хвостовика
Твердость обрабатываемого материала НВ 197>180, поэтому марку
материала режущей части протяжки принимаем : Р6М5, а поскольку DК=24,013мм>12мм, то хвостовик выполняется приварным
из стали 40Х.
.3.3.2 Определить допускаемое напряжение в материале хвостовика [σ]хв
Т.к. материал хвостовика - сталь 40Х, то [σ]хв = 300 МПа.
3.3.3.3 Определить площадь опасного сечения хвостовика Fхв
Хвостовик - ТИП2, выбираем по таблице 5 [3, стр.57]: Fхв=227,0 мм2
3.3.3.4 Определить силу резания допустимую хвостовиком Рхв
[3,стр.22]
.3.4
Определить допускаемое напряжение в материале режущей части протяжки [σ]доп
Т.к. d0 =22,4<20 мм и материал протяжки Р6М5, то
.3.5 Определить величину переднего угла γ всех режущих зубьев протяжки
3.3.5.1 В зависимости от обрабатываемого материала γом
Т.к. ОМ - сталь и НВ197>180, то γом= 50
.3.5.2 В зависимости от диаметра протяжки γd
где
Dкр= 40мм - наименьший диаметр шлифкруга
заточного станка;
β = 400 - угол наклона шпинделя заточного станка;
d0 = 22,4мм
.3.5.3
Определить величину γ
Принимаем γ равную наименьшему из γом и γd
γ = γом=50
.3.6 Определить величину коэффициента Кγ, учитывающего влияние переднего угла
протяжки на силу резания при протягивании
Т.к. ОМ - сталь, то
.3.7
Определить величину коэффициентов, учитывающих влияние обрабатываемого
материала Ком и скорость протягивания Кv на
сворачиваемость стружки
Т.к. ОМ - СЧ: при НВ 197 → Ком = 1
при Vрез< 12м/мин→ Кv = 1 [4,стр.24]
.4 Поиск оптимального варианта режущей части протяжки
3.4.1 Определить предварительно наибольшую величину шага t черновых зубьев протяжки
Для детали типа 30
где
LД=25мм -
длина детали
3.4.2 Определить предельные значения чисел одновременно работающих зубьев
3.4.2.1 Проверить принятое значение t по условию плавности
условие
выполнено
.4.3
Определить наибольшую допустимую глубину профиля стружечной канавки черновых
зубьев протяжки h
|
tz2
|
h=3,5
|
Профиль №24
|
|
tz3
|
h=3,0
|
Профиль №14
|
|
tz4
|
h=2,5
|
Профиль №8
|
3.4.3.1 Проверим условие жесткости протяжки
Т.к.
, условие жесткости выполняется только для профиля
№24.
.4.4
Определить диаметр опасного сечения перед первым зубом протяжки dоп
.4.5
Определить силу резания, допустимую прочностью протяжки перед первым зубом Рдоп
.4.6
Определим лимитирующую силу резания Рлим
Рлим=
min{Рхв,Рдоп} = Рхв=65,160
кН
.4.7
Определить число зубьев в черновых секциях Zc
Примем
Zc=1 (профильная схема резания)
.4.8
Определить величину подачи на черновых зубьях Sр, допустимую лимитирующей силой резания
.4.8.1
Определить суммарную длину режущих кромок ΣВ
где DK=24,013мм - диаметр калибрующих
зубьев;
d0=22,4мм - диаметр отверстия под
протягивание;
Zimax=3 - макс. число одновременно работающих зубьев;
Zc=2 - число зубьев в черновых секциях;
.4.8.2 Определить силу резания на 1мм длины рS
.4.8.3
Определить величину подачи SP
где
n=0,0057 и m=0,034 для ОМ - СЧ при НВ197
[4,стр.28]
.4.8.4
Определить ширину задней поверхности зуба g
Выбираем
по таблице 7 [3,стр.61] для профиля №24
g = 5мм
3.4.9 Определить лимитирующую подачу на черновых зубьях Sлим
.4.9.1 Определить предельную величину подачи Sh, допустимую сворачиваемостью стружки
При глубине впадиы h =
3,5мм принимаем
Sh=0,15мм/зуб [3,стр.30]
.4.10 Определить величину подачи Sc, допустимую размещением стружки во
впадине чернового зуба
Т.к. ОМ - СЧ и h =
3,5мм<5мм, то
.4.10.1
Определить лимитирующую подачу на черновых зубьях Sлим
где
Sр= 3,96
мм/зуб [п.4.9.3]
Sc=
0,19 мм/зуб [п.4.11]
Sh=
0,15 мм/зуб [п.4.12.1]
Принимаем
Sлим=0,15
мм/зуб
.4.11
Определить припуск на протягивание черновыми зубьями А0
.4.11.1
Определить припуск на протягивание переходными зубьями Аn
При
классе чистоты обработанной поверхности ▼5 и подъеме диаметров черновых
зубьев 2Sлим=0,3мм/зуб
Аn=
0,43мм [3,стр.63,табл.9]; Nп=4
.4.11.2
Определить припуск на протягивание чистовыми зубьями Ач
При
классе чистоты обработанной поверхности ▼5
Ач=
0,09 мм
.4.11.3
Определить припуск на протягивание черновыми зубьями А0
где А= 1,613 мм [п.3.1]
Аn= 0,43 мм [п.4.13.1]
Ач=0,09 мм [п.4.13.2]
.4.12 Определить количество черновых секций Nc без первой секции
.4.13
Определить количество зубьев в первой черновой секции ZC1
.13.1
Определить припуск на первую черновую секцию А1
.4.13.2 Определить количество зубьев в первой черновой секции ZC1
Т.к. А1=0,193 мм >Sлим=0,15 мм,
то
где
ZC=2 [п.4.8]
.4.14
Определить количество черновых зубьев Z0
где
ZC1=2
[п.4.15.2]; ZC=2 [п.4.8]; Nc=8 зубьев [п.4.14]
.4.15
Определить количество переходных зубьев Zn
3.4.15.1 Определить количество переходных секций Nn
При классе чистоты обработанной поверхности ▼5 и подъеме диаметров
черновых зубьев 2Sлим=0,15мм/зуб
Nn=4
.4.15.2 Определить количество переходных зубьев Zn
Т.к. Nn=4 £ 4, то
.4.16 Определить количество чистовых зубьев ZЧ
При классе чистоты обработанной поверхности ▼5
.4.17
Определить длину режущей части Lp
.4.17.1
Определить суммарную длину черновой и переходной частей L2
где
t =12мм [п.4.1]; Z0=8 [п.4.16]; Zn=6 [п.4.17.2]
.4.17.2
Определить суммарную длину чистовой и калибрующей частей L3
Т.к.
- целое число, то
.4.17.3
Определить длину режущей части Lp
.4.18
Определить себестоимость операции протягивания СТ
.4.18.1
Определить расчетное значение ширины задней поверхности зуба g
.4.18.1.1.
Определить наименьшую ширину задней поверхности черновых зубьев g`,
позволяющую полностью использовать зону стачивания соответствующих им
калибрующих зубьев, при сохранении достаточной их прочности
где
δ=0,023
мм [п.1]
.4.18.1.2
Определить величину g``
Т.к.
g =5мм >g`= 3,18мм, то
3.4.18.2 Определить ориентировочно количество выкружек n на черновых зубьях

.4.18.3
Определить себестоимость операции протягивания СТ в размерных
единицах
.4.19
Целесообразность дальнейшего поиска оптимального варианта
При
дальнейшем увеличении числа зубьев в секции увеличивается и длина протяжки, а
следовательно и себестоимость. Рассчитывать варианты с увеличенным числом
зубьев не имеет смысла.
.4.20
Определение номеров и диаметров зубьев протяжки
3.4.20.1 Определение номеров и диаметров зубьев черновой секции
.4.20.2
Определение номеров и диаметров зубьев переходной секции
.4.20.3
Определение номеров и диаметров чистовых зубьев
3.4.20.4 Определение номеров и диаметров калибрующих зубьев
.4.20.5
Определение номеров и диаметров выглаживающих зубьев
Подъем
диаметров выглаживающих зубьев назначается в пределах 0,01…0,02 мм в
зависимости от величины припуска на выглаживание Ав=0,01 мм. Превышение
диаметров зубьев протягивания 0,04…0,05 мм.
.4.21
Определить предельные отклонения диаметров зубьев протяжки
Допуски
на черновые и переходные зубья [6, стр.67, табл.15]
|
Черновые
|
Переходные
|
Чистовые
|
Калибрующие
|
|
0 -0,015
|
0 -0,007
|
0 -0,005
|
0 -0,005
|
3.4.22 Определить задние углы зубьев
т.к. НВ£229, то a = 3°; a1 = 2°; a2
= 1°.
.4.23 Определить количество и размеры выкружек
.23.1 Определить средний диаметр протягиваемого отверстия dср
3.4.24 Определить количество выкружек на зубьях первой черновой секции y1, последних черновых и первых переходных секций y2 и последних переходных секций y3.
y1 = 8
y2 = 8
y3 = 8
.4.25 Определить ширину выкружек на зубьях первой черновой секции а1,
последующих черновых и первых переходных секциях а2 и последних
переходных секций а3
.4.26
Определить радиусы кругов для шлифования выкружек на зубьях первой черновой
секции Rкр.1,
последующих черновых и первых переходных секциях Rкр.2 и последних переходных секций Rкр.3
.5 Определение остальных конструктивных элементов и пара-метров протяжки
). Определить количество и размеры стружкоделительных канавок на чистовых
зубьях протяжки
Определить количество стружкоделительных канавок x
Определить
ширину и глубину стружкоделительных канавок
).Определить
длину передней части протяжки до первого зуба l1
).
Определить предварительную длину задней части направляющей lз.н.
если
).
Определить общую длину протяжки L
). Проверяем длину протяжки на предельные ограничения
По условию жёсткости
Так как L<40*d+120 (760<1080), следовательно длина не превышает
допустимую величину по жёсткости
По технологическим возможностям инструментального производства
Так как L<1500 мм, то длина не превышает
допустимую величи-
ну по технологии изготовления
По длине рабочего хода станка lр.х.
Так как Lд+lp+lз.н+lз.хв+30<lр.х(530<1250), то длина не превышает
допустимую величину длины рабочего хода станка
) Уточняем длину задней направляющей lз.н
lз.н=L-l1-lp-lз.хв=760-285-380-75=20 мм
) Определяем недостающие размеры задней направляющей
Принимаем диаметр задней направляющей
dз.н=d=24 мм
Принимаем предельные отклонения диаметра задней направляющей [6, стр.69,
табл.18]
|
Верхнее отклонение
|
Нижнее отклонение
|
|
0,030
|
0,055
|
) Размеры передней направляющей
Принимаем диаметр передней направляющей
dп.н=d0=22,4 мм
Принимаем предельные отклонения передней направляющей
|
Верхнее Отклонение
|
Нижнее отклонение
|
|
0,030
|
0,055
|
Длина передней направляющей
Так как Lд>1,5*d0, то Lп.н=1,5*d0=25 мм
9) Недостающие размеры передней части протяжки до первого зуба
.1 Длина переходного конуса
Так как dп.н<65, то lк=(dп.н-dхв)/0,25=(25-22)/0,25=12 мм
.2 Длина переднего хвостовика до места сварки (lсв)
Так как протяжка сварная и 0,5*dхв(11)<15,
то
lсв=l1-lп.н-lк-0,5*d=285-25-25-11=224
мм
) Диаметры центровых отверстий [1,стр.69, табл.19]
d=3,15
мм
) Фактические значения: коэффициента вместимости стружки (Кф),
силы резания (Рф) и напряжений в опасных сечениях (sхв.ф и s1зуба)
Определяем Кф
Кф=3,14*h2/(4*S*Lд)=2,564
Определяем Rф
Rф=(S+m)*åв*Кg/n,
Rф=(0,15+0,034)*109,303*0,85/0,0057=2999,123
МПа
Определяем sхв.ф
sхв.ф=Рф/Fхв=2999,123/227=13,21 кг с/мм2<
300 МПа,
где Fхв - площадь опасного сечения
хвостовика (п.8.3)
Определяем s1зуба
s1зуба=4*Рф/(3,14*dоп2)=4*2999,123/(3,14*15,42)=16,11 кг с/мм2<
300 МПа,
где dоп - диаметр опасного сечения перед
первым зубом протяжки (п.19.1)
.3 Рациональные условия эксплуатации круглой протяжки
Круглые протяжки применяются для обработки внутренних поверхностей
заготовок с неизменными формой и размерами по длине обрабатываемой поверхности
детали преимущественно в массовом и крупносерийном производстве, а также в
мелкосерийном производстве. Для обработки таких поверхностей протяжка имеет
стержневую форму, что обеспечивает одинаковую симметричную относительно оси
протяжки нагрузку от сил резания.
Протяжки применяют на протяжных станках с прямолинейным главным движением
Dr - движением резания в горизонтальном
или вертикальном направлении. Обработка происходит при сравнительно невысоких
скоростях резания V=6…10 м/мин.
При обработке отверстий обеспечивается точность в пределах 7-9-го
квалитетов, параметр шероховатости Ra =0,32..2,5 мкм, и производительность повышается в 3-12 раз по сравнению
с другими способами механической обработки резанием.
Однако, при внутреннем протягивании затрудняется образование и отвод
стружки, затруднен подвод СОЖ.
резьба
метчик фасонный резец протяжка
Рисунок 2.4 - Быстросменный патрон для крепления протяжки
3. Проектирование метчика
.1 Исходные данные
Таблица 3.1 Исходные данные
|
Резьба
|
Обрабатываемый материал
|
Тип отверстия
|
Твердость обрабатываемого
материалаHB
|
Размера резьбового
отверстия
|
Тип станка
|
|
|
|
|
L, мм
|
l, мм
|
l1,мм
|
δ,мкм
|
|
|
М12х1,25-5H
|
АЛ4
|
8
|
90
|
48
|
22
|
н
|
-
|
Агрегатный
|
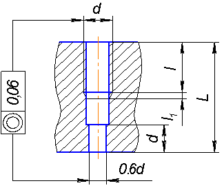
Рисунок 3.1 Схема обрабатываемого отверстия
d -
диаметр резьбы
L -
длина отверстия
l-
длина резьбы
l1- длина сбега резьбы (н - не
ограничена)
,6d- диаметр отверстия
Производство крупносерийное автоматизированное.
3.2 Обоснование выбора конструкции метчика
При нарезании точной резьбы (5Н), а также длинной резьбы (l/d=1,83>1,5) используют метчики с винтовыми стружечными
канавками с углом наклона w=10…15°. При нарезании
правой резьбы применяется метчик с левым направлением канавок.
Для обеспечения повышенной соосности резьбового отверстия на метчике
выполняется центрирующе-направляющая часть. При этом учитывается, что
направление должно обеспечиваться до начала нарезания резьбы. На наружном
диаметре центрирующе-направляющей части выполняются неглубокие прямые или
винтовые канавки для улучшения попадания СОЖ на трущиеся поверхности.
Рисунок 3.2- Метчик с направляющей частью
.3 Выбор инструментального материала
Для нарезания резьбы в сплаве АЛ4 выбираем
быстрорежущую сталь Р6М5ГОСТ 19265-73. [ ,стр. ]
.4 Выбор конструктивных и геометрических параметров
метчика
) Выбор числа зубьев метчика
Число зубьев выбирается в зависимости от
обрабатываемого материала. и диаметра нарезаемой резьбы по табл. 2[ ,стр. ]
Выбираем Z=3
) Выбор формы и размеров канавки
Форма канавки должна отвечать следующим требованиям:
Ø обеспечивать свободное размещение
стружки , образующейся при нарезании
Ø содействовать легкому отводу стружки
Ø не допускать налипания и спрессовывания
стружки.
Для Æ12мм и z = 3 диаметр сердцевины dc= 0,5×d = 0,5×12 = 6мм
r =
5,78мм, r1=2,20мм, номер профиля - №5[3,с.17, табл.4]
Длина стружечной канавки l5
= l3 + 10 = 25 +10 = 35мм [3,с.19, табл.6]
где l3 = 25мм [3,с.21, табл.8]
Рисунок 3.3 Профиль канавок трехперого метчика
) Определение длины заборной части l2 и угла в плане j
Факторы влияющие на длину заборной части
а) величина сбега резьбы
б) допустимая толщина среза
Определим угол заборной части. Когда длина сбега
резьбы чертежом не оговорена, то угол в плане j и длина заборной части определяются следующим
образом.
dт- диаметр переднего торца метчика
dсв- диаметр сверла dсв=10,7мм [3, с.52]
Принимаем
величину толщины среза а=0,06мм
Определим величину угла в плане по формуле [4, стр. 20].
φ = 8,19°
Определим
длину заборной части по формуле [4, стр. 20].
мм
4) Определение длины калибрующей части и обратной
конусности
Длина
рабочей части l3
выбирается по таблице 8[3, стр. 21].
Длина калибрующей части:
где l3 = 25мм [3,с.21, табл.8]
l2
= 3мм
Для уменьшения трения калибрующая часть должна иметь
обратную конусность по всему профилю резьбы, величину конусности выбираем по
таблице 9 [3, стр. 21], она равна 0,2…0,3 мм на 100 мм длины.
) Определение размеров хвостовика
Размеры хвостовика определяем по таблице 10 [3, стр.
22] с учетом диаметра нарезаемой резьбы
Таблица 1.2 Параметры хвостовика
|
D мм
|
S
|
h
|
e
|
d1
|
Исполнение 2
|
|
|
|
|
|
l2
|
d2
|
r
|
|
12
|
10,00
|
13
|
13,38
|
9,00
|
7
|
8
|
4,5
Рисунок 3.4 Эскиз хвостовика
Хвостовик у метчиков d>10 мм выполняется из стали 40Х с последующей его сваркой
с рабочей частью. Расстояние от передней части метчика до места сварки с
хвостовиком устанавливается в зависимости от диаметра резьбы.
При d=10….24
мм
)
Определение общей длины метчика
Для
сквозного отверстия
-общая
длина метчика
-длина
нарезаемой резьбы с полной глубиной профиля
-расстояние
от вспомогательного инструмента до изделия , которое принимается с учетом
обеспечения свободного выхода стружки в пределах от 10 и более мм.
-длина
вхождения метчика во вспомогательный инструмент.
Т.к.
полученная длина меньше длины по ГОСТ 3266, то принимаем L=85 мм и к этой длине
прибавляет длину направляющей части l=20мм, т.е L=125 [3,с.24, табл.12]
7) Выбор переднего угла g, заднего угла a и величины затылования К
Передний угол выбираем в зависимости от
обрабатываемого материала по табл. 13
g=20º
Величина заднего угла зависит от назначения метчика и
обрабатываемого материала по табл. 14
a=3…4º; a=4º
Величина затылования
мм
)
Назначение степени точности метчика
Степень точности метчика выбирается в зависимости от точности нарезаемой
резьбы, вида посадки и физико-механических свойств, обрабатываемого материала.
По данным таблицы 15 для нарезания отверстия степени точности 5Н
принимаем степень точности метчика- Н2.
.5 Определение размеров профиля резьбы метчика
К размерам профиля резьбы метчика относятся размеры наружного d, среднего d2 и внутреннего диаметров, а так же шаг Р и угол профиля с
указанием точности их изготовления.
Рисунок 3.5 Исполнительные размеры метчика
3.6 Внешний вид
ü на поверхностях метчиков не должно
быть трещин, забоев, заусенцев, черновин, выкрошенных мест, прижогов, рабочей
части и следов коррозии
ü в зоне сварки не допускаются
раковины, трещины, непровары, пережог металла и .т.д.
ü метчики должны быть остро
заточены.Завалы и выкрашивания на режущих кромках не допускаются
ü шероховатость поверхностей метчиков
должна находиться в пределах приведенных в таблице 1.3
Таблица 1.3
|
Поверхности
|
Наибольшая шероховатость Ra
|
|
Профиль резьбы
|
0.32
|
|
Передняя и задняя
поверхности на режущей части для обработки чугуна
|
0.64
|
|
Канавки для обработки
чугуна
|
1.25…0.64
|
|
Хвостовик в посадочной и
направляющей частях
|
1.25
|
|
Центровые отверстия и
наружные центры
|
0.64
|
.7 Инструментальный материал
ü Метчик должен быть из быстрорежущей стали с баллом карбидной
неоднородности не выше 3.
ü Метчик цианировать на глубину 0,01 … 0,015 мм.
ü Метчик сварной. Материал хвостовика сталь 40Х ГОСТ 4543-71.
ü Твердость рабочей части 62 … 65 HRC ГОСТ 3449-71.
ü Твердость хвостовика 42 … 47 HRC ГОСТ 3449-71.
3.8 Размеры и допуски
ü Допуски на резьбы должны
соответствовать требованиям ГОСТа 16925-71
ü Диаметр резьбы следует проверять на
второй полной нитке после заборной части
ü Режущая (заборная) часть метчиков
должна быть затылована по наружному диаметру до остра
ü Радиальное биение режущей части не
должно превышать 0,03 мм, калибрующей- 0,02 мм
ü Предельные отклонения параметров
метчиков приведены в таблице
Таблица1.4
|
Параметры
|
Предельные отклонения
|
|
Общая длина и длина рабочей
части
|
IT14/2
|
|
Длина режущ. части для
глухих отверстий при шаге свыше 0,5 мм
|
-0.5P
|
|
Шаг резьбы отклонение шага
между 2 витками на длине 25 мм
|
±0.012 0.007
|
|
Ширина зуба
|
0,3 мм
|
|
Квадрат
|
ГОСТ 9523-67
|
|
Передние и задние углы
|
±1º
|
.9 Технические требования
. Рабочая часть 61…63 HRC, хвостовик 40…55 HRC.
. Обратная конусность по наружному, среднему и
внутреннему диаметрам 0,08на длине 100 мм.
. Предельные отклонения среднего диаметра резьбы
метчика должны измеряться в начале калибрующей части.
. Неуказанные предельные отклонения по СТП
37.304.157-77.
5. Радиальное биение заборной части метчика не более 0,05 мм.
Рисунок 3.6 - Патрон для нарезания резьбы машинным метчиком
Список литературы
1. Сборник
заданий для курсовых проектов, работ по дисциплине проектирования и
производства металлорежущих инструментов.
. Проектирование
фасонных резцов. Методическое пособие для студентов специальностей 151001 и
151002 / НГТУ. 2-я редакция, испр. и доп.
Сост.: Ю. Ю.
Немцов. Н. Новгород, 2008. 36 с.
. Максимов
М.А., Кубинов Е.И., Назарков В.А. Проектирование круглых протяжек. Учеб.
пособие. - Горький, 1974г.
. Проектирование
машинных метчиков. Методические рекомендации и задания на проектирование. Для
студентов, обучающихся по направлению 151000 всех форм обучения. Ю.Ю. Немцов. -
Н.Новгород: НГТУ, 2007. 16 с.
. Зотов
Ю.Н. Проектирование резьбообразующих инструментов. - Горький, 1978г.
6. Справочник
инструментальщика. Ординарцев И.А., Филиппов Г.В., Шевченко А.И. и др. Под ред.
Ординарцева И.А. - Л.: Машиностроение, Ленингр. отд., 1987г.
Похожие работы на - Резание металлов фасонным резцом
|