Расчет вакуумной системы
Введение
До середины XVII в. понятие
«вакуум», в переводе с латинского означающее пустоту, использовалось лишь в
философии. Древнегреческий философ Демокрит одним из «начал мира» выбрал
пустоту. Позднее Аристотель вводит понятие эфира - неощутимой среды, способной
передавать давление. В этот период знания о свойствах разреженного газа еще
отсутствовали, но вакуум уже широко использовался в водоподъемных и
пневматических устройствах.
Научный этап развития вакуумной
техники начинается с 1643 г., когда в Италии Э. Торричелли, ученик знаменитого
Г. Галилея, измерил атмосферное давление. В 1672 г. в Германии О. Герике
изобрел механический поршневой насос с водяным уплотнением, что дало
возможность проведения многочисленных исследований свойств разреженного газа.
Изучается влияние вакуума на живые организмы. Опыты с электрическим разрядом в
вакууме привели вначале к открытию электрона, а затем и рентгеновского
излучения. Теплоизолирующие свойства вакуума помогли создать правильное
представление о способах передачи теплоты и послужили толчком для развития
криогенной техники.
Успешное изучение свойств
разреженного газа обеспечило возможность его широкого технологического
применения. Оно началось с изобретения в 1873 г. первого электровакуумного
прибора - лампы накаливания с угольным электродом - русским ученым А.Н.
Лодыгиным и открытием американским ученым и изобретателем Т. Эдисоном в 1883 г.
термоэлектронной эмиссии. С этого момента вакуумная техника становится
технологической основой электровакуумной промышленности.
Расширение практического применения
вакуумной техники сопровождалось быстрым развитием методов получения и
измерения вакуума. За небольшой период времени в начале XX в. были изобретены
широко применяемые в настоящее время вакуумные насосы: вращательный (Геде,
1905), криосорбционный (Д. Дьюар, 1906), молекулярный (Геде, 1912),
диффузионный (Геде, 1913). Аналогичные успехи были достигнуты и в развитии
способов измерения вакуума. К U - образному манометру Торричелли добавились
компрессионный (Г. Мак-Леод, 1874), тепловой (М. Пирани, 1909), ионизационный
(О. Бакли, 1916).
Одновременно совершенствуются
научные основы вакуумной техники. В России П.Н. Лебедев (1901) впервые
использует в своих опытах идею удаления остаточных газов с помощью ртутного
пара. В этот же период исследуются фундаментальные свойства газов при низких
давлениях, течение газов и явления переноса (М. Кнудсен, М. Смолуховский, И.
Ленгмюр, С. Дешман).
В СССР становление вакуумной техники
связано с именем академика С.А. Векшинского (1896-1974), организовавшего в 1928
г. вакуумную лабораторию в Ленинграде, а затем возглавившего
научно-исследовательский вакуумный институт в Москве.
До 50-х годов существовало мнение,
что давления ниже 10-6 Па получить невозможно. Однако работы американских
ученых Ноттингема (1948) по измерению фоновых токов ионизационного манометра и
Альперта (1952) по созданию ионизационного манометра с осевым коллектором
расширили диапазон рабочих давлений вакуумной техники еще на три-четыре порядка
в область сверхвысокого вакуума.
Для получения сверхвысокого вакуума
изобретают новые насосы: турбомолекулярный (Беккер, 1958), магниторазрядный
(Джепсен и Холанд, 1959); совершенствуются паромасляные и криосорбционные
насосы.
Задание
Спроектировать и рассчитать
вакуумную систему для отжига деталей в условиях вакуума среднего давления 10-1
Па. Число соединений выбирается автором. Камера изготавливается из нержавеющей
стали. Нагревательный элемент из Мовых полос типа «беличьего колеса».
Предусмотреть высокотемпературные токовводы. Обосновать применение всех
элементов. Предусмотреть обходной путь откачки.
Графический материал: схема
установки, схема конструкции токовводов, распределение давления в вакуумной
системе.
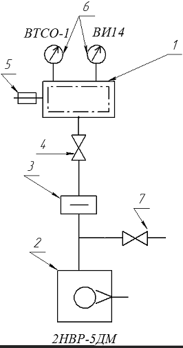
1. Расчёт
Исходя из задания составим
принципиальную схему системы, обеспечивающей получения необходимого давления в
рабочей камере.
Рис. 1: 1 - камера технологического
отжига; 2 - насос получения среднего и низкого вакуума. 3 - ловушка; 4,7 -
клапаны; 5 - электрический ввод (рис. 2), предназначенный для питания
нагревательного элемента типа «беличьего колеса» из Mo-вых полос (рис 3),
которая расположена внутри камеры отжига; 6 - манометры
Таким образом, у
нас получилась вакуумная система с 1 насосом, следовательно, обходной путь
откачки для нашего случая не нужен.
Рис. 2
Рис 3
2. Расчет стационарного
газового потока
Стационарный
газовый поток, откачиваемый насосом, во время работы вакуумной установки имеет
несколько составляющих:
Q= Qпрон + Qд + Qн + Qт,
где Qпрон - проницаемость материалов; Qд - диффузионное
газовыделение материала; Qн - натекание через
оболочку вакуумной камеры; Qт - стационарное
технологическое газовыделение.
Все составляющие
газового потока либо вообще не зависят от времени работы вакуумной установки,
либо изменение газового потока за время ее работы не превышает точности
выполняемых расчетов. Рассмотрим подробнее каждую из указанных составляющих.
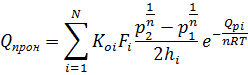
Количественная
оценка процессов стационарной проницаемости газа через стенки вакуумной
системы, изготовленные из различных материалов или имеющие различную толщину,
может быть сделана с учетом констант проницаемости Коi и Qpi по формуле:
где Koi
и Qi - соответственно
константа проницаемости и теплота активации для материала i-й стенки вакуумной
системы; Fi и hi - соответственно площадь
и половина толщины i-й стенки; p1 и р2 - давления с внутренней и наружной сторон
стенок; n - число атомов в
молекуле газа, проникающего через стенку; Т - абсолютная температура
стенки; R= 8,31 кДж/(кмоль∙К); N - число стенок вакуумной
камеры, арматуры и трубопроводов, изготовленных из различного материала или
имеющих разную толщину.
Для нашего случая по табличным
данным берём Qi=80,4∙103
кДж/кмоль, n=2, p1=10-1 Па, p2=105 Па, hi
=0,15
м, T=973 К, Koi=1,88∙10-4,
Fi = 170 м2 (исходя
из объема камеры). Тогда получаем Qпрон=5,3∙10-5
м3∙Па/с.
Газопроницаемость возрастает при
уменьшении толщины стенок вакуумных камер. Особенно это заметно для деталей
типа cильфонов, мембран и т.д., где малая толщина детали определяется
условиями ее работы. Конструктивными способами уменьшения газопроницаемости
кроме выбора материалов являются использование установок с «двойным» вакуумом и
охлаждение деталей во время работы непосредственно в вакуумной камере.
Диффузионное газовыделение имеет
нестационарную природу, но для большинства газов и материалов постоянная
времени этих процессов настолько велика, что они могут рассматриваться как
стационарные. Упрощенный метод определения диффузионного газовыделения основан
на применении экспериментально определенных значений коэффициентов удельного
диффузионного газовыделения, зависящих от рода газа, материала и его
предварительной обработки, а также рабочей температуры. Газовый диффузионный
поток:
где Fi - площадь i-гo материала, присутствующего в вакуумной системе; N - число
материалов, qi - удельное диффузионное газовыделение i-го материала. Для
нашего случая Fj =15м2, по
таблице выбираем qi для нержавеющей стали
равное 10-9 м3∙Па/(м2∙с). Тогда
получаем Qд =3,2∙ 10-8
м3∙Па/с.
Натекание через оболочку вакуумной
камеры происходит в основном по разборным и неразборным соединениям, которые
принципиально не могут обеспечить абсолютную герметичность. Натекание может
происходить и по дефектам в структуре сплошного материала. Поэтому возможное
натекание в вакуумную установку можно оценить по формуле:
где Qмп - минимальный поток, регистрируемый течеискателем; Кв
- вероятность существования течи, меньшей чувствительности течеискателя; N - число соединений; m - число одновременно проверяемых соединений. Для нашего случая берём
Кв= 0,2, m=N, Qмп =10-11 м3∙Па/с.
Тогда Qн =2∙10-12 м3∙Па/с.
Резервом уменьшения Qн при расчете по формуле является уменьшение числа испытаний на
герметичность. Предельным случаем является одно испытание, когда m=N, и проверяется негерметичность всей установки. При работе с
гелиевым течеискателем такая проверка производится размещением всей установки в
атмосфере гелия с помощью полиэтиленовых колпаков или других вспомогательных
средств, зависящих от размеров установки.
Технологическое газовыделение
зависит от типа обрабатываемого объекта и способа осуществления
технологического процесса.
где G - масса обрабатываемых изделий, γ=2 - коэффициент,
учитывающий неравномерность процесса газовыделения, t=24 часа.
Qт =6,947∙10-9 м3∙Па/с.
Тогда получаем Q≈5,304∙10-5 м3∙Па/с.
3. Выбор насоса
Выбираем пластинчато-роторный насос
2НВР-5ДМ с рабочим диапазоном давлений от 105 до 5*10-2 и
быстротой откачки в рабочем диапазоне давлений 5*10-3 Эффективную
быстроту откачки в откачиваемом объёме определяем
Sэф1 =Q/p1 Sэф1 =5,304∙10-4
м3/с.
По эффективной быстроте откачки при n=5 по графику для
пластинчато-роторных насосов определяем коэффициент использования.
Найдем оптимальное значение Kи= 0,76.
Для нахождения номинальной быстроты
действия воспользуемся формулой:
Sm1=Q/(Kи1∙p1-pпред1) Sm1=1,473*10-3 м3/с.
Ближайший по быстроте действия
пластинчато-роторный насос 2НВР-5ДМ имеет следующие характеристики:
Номинальная быстрота действия, м3/с…………………….
0.005
Диаметр входного патрубка,
мм…………………………… 16
Наименьшее рабочее давление,
Па…………………………. 10-2
Наибольшее выпускное давление,
Па……………………… 105
Диапазон рабочих давлений,
Па………………………. 105…5*10-2
. Определение
конструктивных размеров трубопроводов и выбор элементов вакуумной системы
Найдем общую проводимость участка
вакуумной системы от пластинчато-роторного насоса до вакуумной камеры по
формуле:
U01=Sн1∙ Kи/(1 - Kи) U01=0,012 м3/с.
Где - Sн1 быстрота действия
насоса, выбранного по каталогу.
Составим компоновочную схему
рассматриваемого участка вакуумной системы. На рис. 3 показаны внутренние
размеры откачиваемого объекта и длины трубопроводов.
Рис. 4
Участок вакуумной системы состоит из
трех элементов: трубопроводов 1,3,5, затвора 2 и ловушки 4.
Определим проводимости элементов и
диаметры трубопроводов. Будем считать в первом приближении, что все элементы
имеют одинаковую проводимость. Тогда Uij=5∙U01=0,06 м3/с. Режим течения газа в трубопроводе определим
по рабочему давлению р1=10-1 Па и диаметру входного
патрубка насоса dвх =16*10-3 м.
Критерий Кнудсена Kn=λ/р1∙dвх, λ=28,8∙10-3 м∙Па, Kn =18, т.е. режим течения
молекулярный.
Диаметр первого элемента может быть
рассчитан из условия последовательного соединения входного отверстия и
трубопровода при L1=0,1 м:

В качестве затвора выбираем ВРП-63 с
диаметром условного прохода dy=0,063 м и проводимостью 0,332 м3/с. Диаметр
трубопровода на третьем участке выберем из условия U13=0,165 м3/с
С учетом размеров предыдущего
элемента имеем:
3
=0,037 м. Согласно рекомендуемому ряду диаметров выбираемy =0,063 м.
U13=0,165 м3/с
Выбираем ловушку, имеющую dу=0,063 м и проводимость U14=0,06м3/с.
Пятый участок по размеру совпадает с третьим участком, тогда U15=0,06 м3/с.
d3 =0,063 м.
Таким образом, U13=0,06 м3/с, а общая
проводимость участка с учетом того, что входная проводимость насоса равна
бесконечности:
Общая проводимость выбранного участка вакуумной системы
,026 м3/с. Коэффициент использования пароструйного
насоса:
и1
= U01/(Sн1 + U01)
Коэффициент использования Kи1=0,785.
Рассчитаем распределение давления по длине участка вакуумной
системы от откачиваемого объекта до пластинчато-роторного насоса. Результаты
расчета занесены в табл. 1.
Давление во входном сечении насоса:
н1=
pпред1 + Q/ Sн1, pн1=0,111 Па.
Перепад давления на элементах
∆p5=Q/ U15=3,214∙10-4
Па;
∆p4=Q/ U14=8,84∙10-4
Па;
∆p3=Q/ U13=3,214∙10-4
Па;
∆p2=Q/ U12=1,598∙10-4 Па;
∆p1=Q/ U1=3,214∙10-4
Па;
∆p0=Q/ Uо=1,469∙10-4
Па.
Все расчеты приведены в таблице №1.
Таблица 1
|
проводимость элементов, м3/с
|
перепад давлений, Па
|
давление на входе в элемент, Па
|
давление на выходе из элемента, Па
|
|
трубопровод
|
0.165
|
3,214∙10-4
|
0,1113
|
0,111
|
|
ловушка
|
0,06
|
8,84∙10-4
|
0,1121
|
0,1113
|
|
трубопровод
|
0.165
|
3,214∙10-4
|
0,1124
|
0,1121
|
|
клапан
|
0,332
|
1,598∙10-4
|
0,1126
|
0,1124
|
|
трубопровод
|
0.165
|
3,214∙10-4
|
0,1129
|
0,1126
|
|
входное отверстие
|
0,361
|
1,469∙10-4
|
0,113
|
0,1129
|
График перепада давления:
Рис. 5
вакуумный отжиг деталь давление
5. Расчет времени
откачки до стационарного режима
t=138,2 с.
Последовательность включения и
выключения системы
) Включаем
пластинчато-роторный насос (2НВР-5Дм).
) Открываем клапан 4.
Откачиваем объем до 10-1 Па.
) Откачиваем во время всего
процесса отжига.
) Выключаем насос 2.
) Клапан 7 необходим для
сравнения давления в механическом насосе, во избежание натекания масла по вакуум
проводу в систему.
Заключение
Вакуумная техника с каждым годом все
шире применяется в научных исследованиях и производстве. Одновременно
увеличивается объем исследований, направленный на ее развитие. Расширяется
диапазон работы вакуумных насосов и манометров, совершенствуются теоретические
представления о самом вакууме и происходящих в нем физико-химических процессах.
В последние годы большие успехи достигнуты при изучении поверхностных явлений,
происходящих на границе газ - твердое тело. Разработаны новые приборы для
анализа поверхности: Оже-спектрометры, вторично-ионные масс-спектрометры и т.д.
Дальнейшее развитие вакуумной
техники будет идти по пути создания еще более эффективных средств получения
вакуума, анализа состава и парциальных давлений остаточных газов, течеискания,
изучения свойств поверхности, совершенствования методов расчета и
проектирования вакуумных систем, конструкции и технологии изготовления
вакуумных установок. Неперспективные ранее принципы работы насосов, манометров
и других элементов вакуумных систем после совершенствования их конструкции
получают широкое применение. Расширение космических исследований ставит перед
вакуумной техникой новые задачи по разработке имитационного оборудования для
испытания космических аппаратов в земных условиях. Большие перспективы
открываются перед вакуумной технологией при создании принципиально новых
материалов и особо чистых веществ. Технология производства электронных приборов
широко использует вакуумную технику.
Благодаря широкому применению численных
методов повышается точность расчетов вакуумных систем. Многие задачи
определения параметров течения разреженного газа в сложных элементах
вакуумных систем, которые раньше не могли быть решены, теперь вычисляются с
необходимой для практики точностью.
Вычислительная техника обеспечивает
возможность автоматизации проектирования вакуумных систем. Создаются первые
системы автоматизированного проектирования и банки данных современного
вакуумного оборудования. Автоматизация инженерного труда позволяет при
проектировании вакуумных систем и элементов находить оптимальные решения.
Развитие микроЭВМ позволило создать совершенные системы управления вакуумными
установками, выполняющими расчет и расшифровку спектров остаточных газов,
анализ математических моделей технологических процессов.
Современная вакуумная техника
позволяет получать и измерять давления в 1018 раз меньше
атмосферного, но даже такое состояние газа еще нельзя назвать идеальным
вакуумом: в 1 м3 такого вакуума еще содержатся сотни молекул газа. Идеальный
вакуум как среда, в которой могут распространяться гравитационное,
электромагнитное и другие поля, является еще предметом тщательного исследования
современной теоретической физики.
Список литературы
вакуумный отжиг
деталь давление
1. Розанов Л.Н. Вакуумная техника -
М.: Высшая школа, 1990. -320 с.
. Вакуумная техника: Справочник
/Е.С. Фролов, В.Е. Минайчев, А.Т. Александрова и др. - М.: Машиностроение,
1985. - 360 с.
. Основы расчета вакуумных систем.
4437. Щадрин Н.И.