Расчет агрегатно-поточного и конвейерного способа производства стеновых панелей
Содержание:
Задание на проектирование
. Введение
. Режим работы линии
. Армирование изделия
.Технико-экономический расчет
технологических линий
.1 Агрегатно-поточный способ
производства
.2 Конвейерный способ производства
. ТЭП сравниваемых вариантов
. Литература
1.Введение
Производительность формовочных цехов, а также
экономичность выпускаемой продукции диктуются прежде всего правильным выбором
технологии формования и наиболее целесообразным оборудованием. При выборе
способа формования увязывается и тепловлажностная обработка бетона изделий. При
проектировании формовочного цеха стремятся к возможно больше специализации
производства. Специализация формующих линий и самих цехов облегчает комплексную
механизацию работ с их последующей автоматизацией, резко улучшает экономичность
продукции и является обязательным условием правильно организованного
производства.
Основным элементом специализации является, как
правила, формующая установка. По ее формообразующим способностям, габаритам,
грузоподъемности, а также уплотняющей бетонную смесь мощности и должны
группироваться те или иные изделия.
Следующим общим условием целесообразности
решения формовочного цеха является рационально возможное уменьшение цикла
формования, что увеличивает, при необходимом согласовании с тепловой
обработкой, производительность линии цеха. Одновременно это, в особенности при
стендовой и кассетно-стендовой технологии, повышает оборачиваемость форм и
формующих установок путем уменьшения их занятости под операциями вне тепловой
обработки. Сокращение цикла достигается, главным образом, путем расчленения
формования на разумно большое количество операций, выполняемых на отдельных
постах. Тогда длительность цикла равна продолжительности наиболее загруженной
операции. Это относится, главным образом, к агрегатно-поточной и конвейерной
технологии, в том числе к кассетно-конвейерной технологии.
Формование изделий из жестких бетонных смесей не
только позволяет экономить цемент и ускоряет твердение бетона, но и
обеспечивает возможность немедленного после формования изделий снятия бортовой
оснастки. Последнее значительно облегчает и удешевляет технологический процесс
и обеспечивает лучшую сохранность металлических форм.
В большинстве случаев следует стремиться к
решению формовочного цеха по агрегатно-поточной схеме. Конвейерная схема
целесообразна только при очень узкой специализации изделий и достаточно большой
программе завода. Стендовая схема является в основном вынужденной и диктуется,
главным образом, видом и крупногабаритностью изделия.
Потребность в арматуре может быть в значительной
мере удовлетворена благодаря организации районных арматурных заводов, развитию
производства арматурных сеток на метизных заводах, массовому выпуску мерной
стержневой арматуры на металлургических предприятиях, увеличению доли
преднапряженной арматуры и унифицированию арматурных каркасов.
Работа мостовых кранов может быть разгружена
установкой дополнительных наземных транспортных механизмов, автоматизацией
управления крановыми операциями, укрупнением изделий и т. п.
Увеличение оборачиваемости форм достигается
прежде всего путем резкого сокращения продолжительности тепловой обработки,
занимающей 90-95% от общей продолжительности одного оборота формы при
агрегатно-поточном и правильно организованном конвейерном производстве и до 70%
при стендовой, в том числе кассетно-стендовой технологии.
Кроме оборачиваемости, надо считаться с
необходимостью создания оптимальных условий твердения бетона и более полного
использования прочностных свойств цемента, достижения требуемых физико-механических
свойств бетона при наименьшем удельном расходе цемента и с обязательным
обеспечением необходимой долговечности изделий.
Тепловая обработка еще долго сохранится в
качестве основного приема ускорения твердения бетона на заводах железобетонных
изделий. Различные приемы обработки цемента и бетонной смеси до формования
изделий, иногда рекомендуемые в качестве средств для замены тепловой обработки
бетона естественным твердением, резко сокращают также продолжительность
тепловой обработки (до 2-3 ч). В то же время естественное твердение в лучшем
случае, при использовании всех указанных приемов, потребует не менее 24 ч.
При проектировании следует обратить внимание на
целесообразность сокращения продолжительности тепловой обработки, что
значительно уменьшает время одного оборота формы. Так, сокращение
производительности тепловой обработки на 1 ч уменьшает время одного оборота
формы на 10-15% и может существенно влиять на увеличение производительности
действующих заводов.
Целесообразно проектировать многономенклатурные
предприятия малой мощности.
В настоящих условиях возникла необходимость
проектирования ДСК, рассчитанных на выпуск периодически изменяемой
номенклатуры, которая необходима для обеспечения строительства зданий с
различным архитектурным оформлением и планировочными решениями.
Так же проектируются заводы для выпуска изделий
с ограниченной номенклатурой со специализированными технологическими линиями,
продукция которых может быть использована в разных видах строительства.
Специализация производства при котором
достигается наибольшая эффективность производства и максимально растет
производительность труда. Она способствует внедрению наиболее прогрессивной
организации производства и интенсификации технологических процессов.
Оптимальный тип предприятия предлагает
применение современной техники, выбор высокотехнологического оборудования и
технологического процесса с учетом передовых достижений науки и практики,
полное использование всех переделов заводов, основанное на соблюдение
определенной кратности и наилучшей пропорции между производительностью его
отдельных служб, цехов и подразделений.
2. Режим работы линий
поточный
конвейерный железобетонный
Агрегатно-поточный способ изготовления
конструкций характеризуется расчленением технологического процесса на:
отдельные операции или их группы; выполнением нескольких разнотипных операций
на универсальных агрегатах; наличием свободного ритма в потоке; перемещением
изделия от поста к посту; формы и изделия переходят от поста к посту с
произвольным интервалом, зависящим от длительности операции на данном рабочем
месте, которая может колебаться от нескольких минут (например, смазка форм) до
нескольких часов (пост твердения отформованных изделий) .
Агрегатно-поточный способ отличается также тем,
что формы и изделия останавливаются не на всех постах поточной линии, а лишь на
тех, которые необходимы для данного случая. Агрегатно-поточный способ
организации производства характеризуется возможностью закрепления за одной
поточной линией изделий, различных не только по типоразмерам, но и по
конструкции. Эта возможность создается наличием на поточной линии
универсального оборудования.
Межоперационная передача изделий на таких линиях
осуществляется подъемно-транспортными и транспортными средствами. Для
ускоренного твердения бетона при агрегатно-поточном способе обычно применяются
камеры периодического или непрерывного действия.
Небольшой объем каждой секции камеры позволяет
затрачивать минимум времени на загрузку и выгрузку изделий, а большое число
таких секций создает условия для непрерывной подачи отформованного изделия в
камеру твердения.
Агрегатно-поточная технология отличается большой
гибкостью и маневренностью в использовании технологического и транспортного
оборудования, в режиме тепловой обработки, что важно при выпуске изделий
большой номенклатуры.
В состав технологической линии входят:
формовочный агрегат с бетоноукладчиком; установка для заготовки и
электрического нагрева или механического натяжения арматуры; формоукладчик;
камеры твердения; участки распалубки, остывания изделий, их доводки или
отделки, технического контроля; пост чистки и смазки форм; площадки под текущий
запас арматуры, закладных деталей, утеплителя, складирования резервных форм, их
оснастки и текущего ремонта; стенд для испытания готовых изделий.
На агрегатно-поточных линиях изготавливают сваи,
ригели, фундаментные блоки, безнапорные трубы, многопустотные панели, одно
пустотные опоры и сваи, которые формуют на виброплощадке в одиночных формах с
пустотообразователями без вибромеханизмов. Многопустотные панели формуют также
на постах с использованием пустотообразователей, оснащенных вибромеханизмами.
Напорные и безнапорные трубы, пустотелые колонны, стоки, опоры ЛЭП и освещения
-на роликовых и роликовых и ременных цертрифугах в разъемных и неразъемных формах.
На специальном оборудовании для виброгидропрессования формируют напорные трубы.
Наружные стеновые панели, экраны лоджий и лестничные марши формуют на ударном
столе в стальных и неметаллических формах. Блок комнаты и санитарно-технические
кабины - в специальных агрегатах и c помощью вакуумной технологии.
Конвейерный способ характеризуется следующими
признаками: максимальное расчленение технологического процесса на операции,
выполняемые на отдельных рабочих постах; перемещение форм и изделий от поста к посту
с регламентированным ритмом.
Изделия в процессе обработки передаются
конвейерным устройством пульсирующего действия, автоматически при этом
создаются условия более полной синхронизации. Конвейерный метод организации
производства характеризуется принудительным ритмом, т.е. перемещение формуемых
изделий осушествляется в строгой последовательности через одни и те же
формовочные посты, с определенной заданной скоростью передвижения. Это требует
в качестве важнейшего условия комплексную механизацию операции с применением
автоматического технологического оборудования. Обычно для межоперационного
транспорта применяют механизированные транспортные средства линейного типа -
тележечные конвейеры, состоящие из определенного числа поддонов-тележек,
которые перемещаются тяговой цепью по рельсовым путям.
Параллельно линииформования, но обычно в
обратном направлении, осуществляется термовлажностная обработка изделий. В
зависимости от вида устройства для тепловой обработки изделий конвейерные линии
выполняют с камерами многоярусного, щелевого и ямного типов, а также с
пакетирующими устройствами для бескамерной тепловой обработки изделий в
термоформах. Линиитакже могут различаться в зависимости от формовочного
оборудования. Как правило, каждая конвейерная линия специализируется на выпуске
одного вида изделия.
Конвейерный метод производства железобетонных
изделий позволяет добиться комплексной механизации и автоматизации
технологических процессов изготовления изделий, значительного повышения
производительности труда и увеличения выпуска готовой продукции при наиболее
полном и эффективном использовании технологического оборудования. Применение
этого метода рационально при массовом выпуске изделий по ограниченной
номенклатуре с минимальным числом типоразмеров.Конвейерным способом
изготавливают, главным образом, стеновые панели.
Кроме основных технологических операций на
каждом этапе осуществляется ряд вспомогательных: перекладка изделий после
предварительной термообработки; сдвиг изделий на поддоне; контроль качества
готовой продукции.
Технологическая линия включает в себя: систему
автоматического управления оборудованием, набор аппаратуры для контроля
качества готовой продукции, систему автоматики для регулирования процесса
термообработки, аварийно-блокировочные устройства и комплект механического
оборудования.
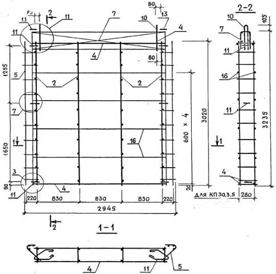
3. Армированиеизделия
Армирование наружной стеновой панели
производится сварными пространственными каркасами, в состав которых входят:
пространственный каркас перемычки;
плоские вертикальные и горизонтальные каркасы;
гнутые сетки;
петлевые выпуски;
закладные изделия;
строповочные петли;
отдельные стержни.
Строповочные петли, петлевые выпуски и закладные
изделия предварительно крепятся к пространственному каркасу с помощью вязальной
проволоки. В проектном положении они устанавливаются с помощью фиксации на
форме.
Арматурная сталь для плоских каркасов и сеток и
отдельных стержней принята классов А-III
по ГОСТ 5781-82 и Вр-1 по ГОСТ 6727-80, для петлевых выпусков и строповочных
петель - класса А-1 по ГОСТ 5781-82. Для строповочных петель должна применятся
горячекатаная сталь марок ВСт3сп2 и ВСт3пс2. В случае, если монтаж возможен при
зимней температуре ниже минус 400С, применение петель из стали марки ВСт3пс2 -
не допускается.
Для закладных изделий принята полосовая сталь по
ГОСТ 103-76. Марка стали для пластин закладных деталей должна назначаться в
конкретном проекте в соответствии с приложением 2 (п.1а) СНиП 2.03.01-84 в
зависимости от температуры наружного воздуха.
Стальные арматурные сетки, каркасы и закладные
изделия должны отвечать требованиям ГОСТ23279 и ГОСТ10922.
Панели изготавливаются в горизонтальных формах
фасадной стороной вниз. Необходимо обеспечить строгую фиксацию защитных слоев
арматуры, обратив особое внимание на фиксацию армсатуры перемычки. При
формовании панели должно быть обращено внимание на качественную проработку
бетона перемычки панели.
Защита поверхностей закладных изделий и петлевых
выпусков от коррозии должна производится в соответствии с указаниями конкретных
проектов и СНиП 2.03.2-85 «Защита строительных конструкция от коррозии».
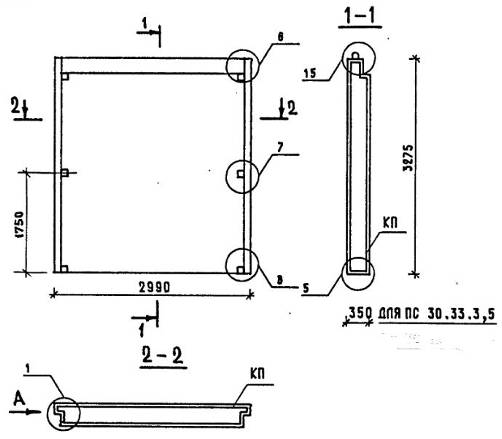
Наружная однослойная стеновая панель для жилых
зданий
Вид панели с внутренней стороны
3. Армирование панели
КР-1
КР-13
С-1
С-8
СП-3
МН-1
Спецификация арматуры
4. Технико-экономический расчет технологических
линий
.1Агрегатно-поточная линия
) Согласно норм технического проектирования
выбираем режим работы предприятия:
количество рабочих дней в году: с=253 дня.
количество смен - 2 смены;
рабочая неделя с 2 выходными;
количество рабочих часов в сутки: h=2*8=16
часов;
расчетный цикл 12 минут
количество тепловых агрегатов 8
количество форм в камере 5
) Определяем производительность технологической
линии
Определяем количество технологическихлиний:
3) Определяем потребность в формах на 1 линию:
4)Определяем средний тарифный разряд бригады:
Принимаемравным 4 разряд.
)Определяем среднюю тарифную часовую ставку:
Ф= 6,37грн
) Определяем трудоемкость формования 1 м3
изделия:
R=25чел - общее
число рабочих на линии (12 чел. в смену и 1 пропарщик в ночную)
nc=2 -
количество смен
) Стоимость бетонной смеси за 1 м3 принимаем
равной 600грн/м3.
Ведомость технологического оборудования
|
Оборудование
|
Марка
|
Кол-во,
шт
|
Масса
т
|
Общ.масса
|
Стоимость
|
Амортизация
|
|
|
|
|
|
1
т
|
общая
|
%
|
грн
|
|
1
|
2
|
3
|
4
|
5
|
6
|
7
|
8
|
9
|
|
Кран
мостовой
|
15
т
|
1
|
25,00
|
25,00
|
3800
|
95000
|
8,4
|
7980
|
|
|
|
|
|
|
|
|
|
|
Бетоно-
укладчик
|
СМЖ-66
|
1
|
13
|
13,00
|
1360
|
176800
|
20,0
|
35360
|
|
|
|
|
|
|
|
|
|
|
Вибро-
площадка
|
СМЖ-187А
|
1
|
8,45
|
8,45
|
10000
|
84500
|
27,5
|
23240
|
|
|
|
|
|
|
|
|
|
|
Формо-
укладчик
|
СМЖ-162
|
1
|
1,97
|
1,97
|
14000
|
27600
|
15,6
|
4300
|
|
|
|
|
|
|
|
|
|
|
Самоходная
тележка
|
СМЖ-152
|
0,5
|
5,55
|
2,78
|
6500
|
18200
|
15,6
|
2840
|
|
|
|
|
|
|
|
|
|
|
Прицеп
|
СМЖ-154
|
0,5
|
4,59
|
2,30
|
3100
|
7130
|
15,6
|
1111
|
|
Сварочный
трансф-р
|
|
0,5
|
0,26
|
0,13
|
14000
|
1800
|
34,4
|
620
|
|
|
|
|
|
|
|
|
|
|
Формы
|
|
46
|
3,48
|
160,08
|
6400
|
1024512
|
32,8
|
336040
|
|
Автомат.
захват
|
|
1
|
0,9
|
0,9
|
7000
|
6300
|
15,6
|
980
|
|
|
|
|
|
|
|
|
|
|
Итого:
|
|
|
|
216,53
|
|
1463172
|
|
416860
|
|
В
том числе:
|
|
|
Формы:
|
|
|
|
160,08
|
|
1024512
|
|
336040
|
|
Оборудование:
|
|
|
|
56,45
|
|
438660
|
|
80820
|
) Удельная металлоемкость линии.
) Расход на содержание и
эксплуатацию оборудования.
) Расход пара на пропаривание:
Принимаем равным 320кг/м3
) Расход электроэнергии на 1 м3
изделия:
Принимаем равным10кВт*ч/м3.
) Цеховые расходы.
где:
Дц=50000грн - годовой фонд зарплаты
цехового персонала на 1 линию Азд- сумма отчислений на амортизацию зданий,
приходящихся на одну линию.
Азд=2,4%*Стоимость 1м2*Площадь линии
Азд=0,024*(18*96/2)*1390=28823 грн.
- сумма отчислений на амортизацию зданий, приходящихся на одну линию.
Сумма отчислений на амортизацию
специальных сооружений:
Полная заработная плата, включающая
все отчисления:
) Общезаводские расходы
Расчетная калькуляция по изделию
|
Статьи
затрат
|
Единицы
измерения
|
Объём
мат. и работ на м3
|
Стоимость
ед.
|
Сумма,
грн
|
|
|
|
|
|
|
Сырьё
и материалы:
|
|
|
1.
Стоимость б.с., включая потери
|
грн/м3
|
1,015
|
620
|
629,3
|
|
2.
Стоимость арматуры, переработки
|
грн/м3
|
14,792
|
5,5
|
81,37
|
|
Итого
|
|
710,37
|
|
Затраты
на переработку:
|
|
|
1.
З/п рабочего формов. цеха
|
|
8,1
|
|
2.
Стоимость пара
|
грн/м3
|
0,32
|
35
|
11,2
|
|
3.
Стоимость электроэнергии
|
кВт*ч/м3
|
10
|
0,75
|
7,5
|
|
4.
Расходы на содержание и эксплуатацию оборуд.
|
|
13,53
|
|
5.
Цеховые расходы
|
|
4,125
|
|
6.
Общезаводские расходы
|
|
1,03
|
|
Итого
|
|
45,485
|
|
Расчетная
себестоимость 1м3 изд.
|
|
755,855
|
|
На
изделие:
|
|
2198,8
|
) Капиталовложение на одну линию.
Ст.обор+Ст.здан+Ст.спец.соор.=1463172+1200960+70000=2734132грн.
Удельное капиталовложение на 1 м3:
) Приведенные затраты:
П=С+0,16К=755,855+0,16*46,44 =
763,29 грн.
ТЭП
|
Показатель
|
Ед.
измер.
|
Величина
|
|
Годовая
производительность
|
м3
|
58872
|
|
Трудоемкость
формования
|
чел.*ч/м3
|
0,86
|
|
Годовая
выработка на 1 рабочего
|
м3
|
2354,88
|
|
Съём
продукции с 1 м2 производственного цеха
|
м3/м2
|
68,14
|
|
Удельная
металлоёмкость
|
кг/м3
|
3,68
|
|
Удельные
капиталовложения:
|
грн/м3
|
46,44
|
|
В
том числе форм
|
грн/м3
|
17,4
|
|
Полная
себестоимость
|
грн
|
755,855
|
|
В
том числе переработки
|
грн
|
45,485
|
|
Приведенные
затраты
|
грн/м3
|
763,29
|
.2 Конвейерный способ производства
) Согласно норм выбираем режим работы
предприятия:
количество смен - 3 смены;
рабочая неделя с 2 выходными;
количество рабочих часов в сутки: h=3*8=24часа;
количество рабочих дней в году: с=365-2*52=261
день.
) Ритм конвейера:
Tф=8*3*261=6264ч -
годовой фонд рабочего времени.
q=90000/2.909=30938шт/год
- годовой объем выпуска продукции.
) Расчет годовой производительности.
Для одноярусного конвейера:
) Необходимое количество одноярусных
конвейерных линий.
Необходимое количество формовок в
год:
мин/год - годовой фонд рабочего
времени при 2-х выходных, 3-х сменах и с коэффициентом использования
оборудования 0,95.
) Необходимое количество постов
-ый пост: распалубка.
-ой пост: чистка и смазка форм.
-ый пост: укладка облицовочной
плитки в форму.
-ый пост: укладка вкладышей и
арматурного каркаса.
-ый пост:установка закладных деталей
арматурного каркаса,закрываниеопалубки.
-ый пост: укладка и уплотнение
бетонной смеси.
-ой пост: выдержка.
-ый пост: выемка вкладышей, затирка
раковин и пор.
-ый пост:выдержка.
-ой пост: выдержка.
) Средняя продолжительность
пребывания форм в камере ТВО.
Согласно ОНТП 7-85 продолжительность
цикла ТВО: 2+7+1=10 ч.
) Расчет количества форм в камерах.
где:
h=24ч -
количество времени в сутки.
H=23ч - общая
продолжительность смен в сутки.
Tк=600 мин -
цикл ТВО.
) Общее количество форм на линии:
где:
n=10шт -
количество постов;
q=2шт -
количество форм на передаточных устройствах.
) Вероятный вес вагонетки.
где:
Облупливаемая поверхность изделия:
Передаваемое на форму усилие:
Площадь поверхности паровой рубашки:
Масса изделия:
Габариты изделия: 3,327х2,99х0,35 м
) Длина конвейерной линии.
b=1, z=10.
) ТВО проходит в вертикальной 4-х
ярусной камере непрерывного действия, расположенной параллельно конвейерной
линии.
Длина камеры:
Ширина камеры:
,
Высота камеры:
12) Ведомость технологического
оборудования.
|
Оборудование
|
Марка
|
Кол-во,
шт
|
Масса,т
|
Общ.масса
|
Стоимость
|
Амортизация
|
|
|
|
|
|
1
т
|
общая
|
%
|
грн
|
|
1
|
2
|
3
|
4
|
5
|
6
|
7
|
8
|
9
|
|
Кран
мостовой
|
15
т
|
2
|
25
|
50
|
3800
|
190000
|
8,4
|
15960
|
|
|
|
|
|
|
|
|
|
|
Бетоноукладчик
|
СМЖ-66
|
1
|
13
|
13
|
1360
|
176800
|
20,0
|
35360
|
|
|
|
|
|
|
|
|
|
|
Виброплощадка
|
СМЖ-187А
|
1
|
8,45
|
8,45
|
10000
|
84500
|
27,5
|
23237,5
|
|
|
|
|
|
|
|
|
|
|
Формоукладчик
|
СМЖ-162
|
1
|
1,97
|
1,97
|
14000
|
27580
|
15,6
|
4302,48
|
|
|
|
|
|
|
|
|
|
|
Самох.
тележка
|
СМЖ-152
|
1
|
5,55
|
5,55
|
6500
|
36075
|
15,6
|
5627,7
|
|
|
|
|
|
|
|
|
|
|
Прицеп
|
СМЖ-154
|
1
|
4,59
|
4,59
|
3100
|
14229
|
15,6
|
2219,72
|
|
Конвейер
для под.б.с
|
6649/1А
|
1
|
2
|
2
|
12000
|
24000
|
14,6
|
3504
|
|
|
|
|
|
|
|
|
|
|
Форма-ваг.
|
СМЖ-151
|
71
|
5,5
|
390,5
|
6500
|
2538250
|
16,5
|
418811
|
|
Уст-во
для приготовления эмульсии
|
СМЖ-18
|
1
|
2,63
|
2,63
|
5750
|
15122,5
|
15,6
|
2359,11
|
|
|
|
|
|
|
|
|
|
|
Траверсы
|
СМЖ-52
|
1
|
1
|
1,00
|
12500
|
12500
|
14,2
|
1775
|
|
Приводы
для проталкивания форм-вагонеток
|
СМЖ-10
|
2
|
0,4
|
0,8
|
8500
|
6800
|
14,2
|
965,6
|
|
|
|
|
|
|
|
|
|
|
|
|
|
|
|
|
|
|
|
Мех.очист.форм
|
СМЖ-27
|
1
|
0,2
|
0,2
|
2500
|
500
|
14,2
|
71
|
|
|
|
|
|
|
|
|
|
|
Подъёмник
снижатель
|
СМЖ_7
|
2
|
0,5
|
1
|
9250
|
9250
|
14,6
|
1350,5
|
|
|
|
|
|
|
|
|
|
|
Итого
|
|
|
|
380,03
|
|
2474817
|
|
515544
|
|
В
том числе:
|
|
|
Формы
|
|
288,84
|
|
1877460
|
|
309781
|
|
Оборудование
|
|
91,19
|
|
597357
|
|
96733
|
) Удельная металлоемкость линии.
) Расход на содержание и
эксплуатацию оборудования.
) Расход пара на пропаривание:
320кг/м3
) Расход электроэнергии на 1 м3
изделия : 10кВт*ч/м3.
) Цеховые расходы.
где:
Дц=140000грн - годовой фонд зарплаты
цехового персонала на 1 линию
Сумма отчислений на амортизацию
зданий, приходящихся на одну линию:
Азд=2,4%*Стоимость 1м2*Площадь линии
Азд=0,024*(18*84)*1390=43234,56грн
Сумма отчислений на амортизацию
специальных сооружений:
шт - количество вагонеток,
находящихся в обогреваемой зоне.
грн - затраты на устройство
теплоснабжения на 1 вагонетку.
грн - стоимость строительной части
камеры в 1 вагонетку.
.4% - норма амортизации.
Полная зарплата, включая все
отчисления,
где:
трудоемкость формования.
R=37чел -
общее число рабочих на линии.
Средний разряд - 4-ый, средняя
тарифная ставка: Ф=6,37грн.
) Общезаводские расходы.
Расчетная калькуляция по изделию
|
Статьи
затрат
|
Единицы
измерения
|
Объём
мат. и работ на м3
|
Стоимость
ед.
|
Сумма,
грн
|
|
|
|
|
|
|
Сырьё
и материалы:
|
|
|
1.
Стоимость б.с., включая потери
|
грн/м3
|
1,015
|
620
|
629,3
|
|
2.
Стоимость арматуры, переработки
|
грн/м3
|
14,792
|
5,5
|
81,37
|
|
Итого
|
|
710,37
|
|
Затраты
на переработку:
|
|
|
1.
З/п рабочего формов. цеха
|
|
7,31
|
|
2.
Стоимость пара
|
грн/м3
|
0,32
|
35
|
11,2
|
|
3.
Стоимость электроэнергии
|
кВт*ч/м3
|
10
|
0,75
|
7,5
|
|
4.
Расходы на содержание и эксплуатацию оборуд.
|
|
8,94
|
|
5.
Цеховые расходы
|
|
4,74
|
|
6.
Общезаводские расходы
|
|
0,87
|
|
Итого
|
|
40,56
|
|
Расчетная
себестоимость 1м3 изд.
|
|
750,93
|
|
На
изделие:
|
|
2184,5
|
) Капиталовложение на одну линию.
Ст.обор+Ст.здан+Ст.спец.соор.=2474817+2101680+163625=4740122
грн.
Удельное капиталовложение на 1 м3:
) Приведенные затраты:
П=С+0,16К=750,93+0,16*52,6=759,3грн/м3.
ТЭП
|
Показатель
|
Ед.
измер.
|
Величина
|
|
Годовая
производительность
|
м3
|
90109,9
|
|
Трудоемкость
формования
|
чел.*ч/м3
|
0,82
|
|
Годовая
выработка на 1 рабочего
|
м3
|
2435,4
|
|
Съём
продукции с 1 м2 производственного цеха
|
м3/м2
|
59,6
|
|
Удельная
металлоёмкость
|
кг/м3
|
4,22
|
|
Удельные
капиталовложения:
|
грн/м3
|
52,6
|
|
В
том числе форм
|
грн/м3
|
20,84
|
|
Полная
себестоимость
|
грн
|
750,93
|
|
В
том числе переработки
|
грн
|
40,56
|
|
Приведенные
затраты
|
грн/м3
|
759,3
|
5. ТЭП сравниваемых вариантов
|
Показатель
|
Единица
измерения
|
Конвейерная
линия
|
Агрегатно-поточная
линия
|
|
Годовая
производительность одной линии
|
м3
|
90109,9
|
58872
|
|
Трудоемкость
формования
|
чел.*ч/м3
|
0,82
|
0,86
|
|
Годовая
выработка на 1 рабочего
|
м3
|
2435,4
|
2354,88
|
|
Съём
продукции с 1 м2 производственного цеха
|
м3/м2
|
59,6
|
68,14
|
|
Удельная
металлоёмкость
|
кг/м3
|
4,22
|
3,68
|
|
Удельные
капиталовложения:
|
грн/м3
|
52,6
|
46,44
|
|
В
том числе форм
|
грн/м3
|
20,84
|
17,4
|
|
Полная
себестоимость
|
грн/м3
|
750,93
|
755,855
|
|
В
том числе переработки
|
грн/м3
|
40,56
|
45,485
|
|
Приведенные
затраты
|
грн/м3
|
759,3
|
763,29
|
Вывод: принимаем конвейерный способ производства
стеновых панелей, т.к. технико-экономические показатели одной его линии более
целесообразны, чем при агрегатно-поточном способе. Приведенные затраты и полная
себестоимость 1 м3 изделия при сравниваемых мощностях существенно различаются с
преимуществом конвейерной технологии производства.
Согласно выбранному варианту составляем тех.
карту.
6. Литература
1. ОНТП 07-85 Общесоюзные нормы
технологического проектирования предприятий сборного железобетона.
. Справочник по технологии сборного
железобетона. Под общей редакцией Стефанова Б.В. Киев, издательское объединение
«Вища школа», 1978. 256 с
3. Цителаури Г.И. Проектирование
предприятий сборного железобетона. Учебник для вузов по специальности
«Производство строительных изделий и конструкций». - М.: Высшая школа, 1986. -
312 с: ил.
. ДБН А.3.1-8-96.Проектирование
предприятий по производству железобетонных изделий.
5. ГОСТ 11024-84 Панели стеновые
наружные бетонные и железобетонные для жилых и общественных зданий.