Разработка технологического процесса изготовления центрирующей втулки
Содержание
Введение
1. Характеристика детали
2. Определение типа производства
. Выбор маршрута обработки заготовки
4. Обоснование вида метода получения заготовки
. Расчет припусков на механическую обработку и определение
размеров заготовки
. Расчет режимов резания аналитическим методом
. Техническое нормирование операций технологического
процесса
. Выбор модели оборудования и определение его количества.
Выбор технологической оснастки
9. Расчет приспособления на усилие закрепления
10. Разработка планировки участка
. Мероприятия по технике безопасности
Список использованной литературы
Введение
Научно-технический прогресс в машиностроении в значительной степени
определяет развитие и совершенствование всего народного хозяйства страны.
Важнейшими условиями ускорения научно-технического прогресса являются рост
производительности труда, повышение эффективности общественного производства и
улучшение качества продукции.
Технология машиностроения - это наука об изготовлении машин требуемого качества
в установленном производственной программой количестве и в заданные сроки при
наименьших затратах живого и общественного труда, т.е. при наименьшей
стоимости.
Совершенствование технологических методов изготовления машин имеет при
этом первостепенное значение. Качество машины, надежность, долговечность и
экономичность в эксплуатации зависят не только от совершенства ее конструкции,
но и от технологии производства. Применение прогрессивных
высокопроизводительных методов обработки, обеспечивающих высокую точность и
качество поверхностей деталей машины, методов упрочнения рабочих поверхностей,
повышающих ресурс работы деталей и машины в целом, эффективное использование
современных автоматических и поточных линий, станков с программным управлением
(в том числе и многооперационных), электронных вычислительных машин и другой
новой техники, применение прогрессивных форм организации и экономики
производственных процессов - все это направлено на решение главных задач:
повышения эффективности производства и качества продукции.
В решении этих задач принимают активное участие инженерно-технические
работники и руководители производства, подготовка которых осуществляется в
высших учебных заведениях по ряду технических специальностей, в том числе и по
специальности «Технология машиностроения, металлорежущие станки и инструменты».
При подготовке высококвалифицированных инженерных кадров большое место
отводится самостоятельной работе студентов - выполнению индивидуальных заданий,
курсовых работ и проектов.
Технология, машиностроения как учебная дисциплина, имеет ряд
особенностей, существенно отличающих ее от других специальных наук:
. Технология машиностроения является прикладной наукой, вызванной к жизни
потребностями развивающейся промышленности.
. Являясь прикладной наукой, технология машиностроения вместе с тем имеет
значительную теоретическую основу, включающую в себя: учение о типизации
технологических процессов и групповой обработке, о жесткости технологической
системы, о точности процессов обработки и др.
. Технология машиностроения комплексной, инженерной и научной
дисциплиной, тесно связанной и широко использующей разработки многих учебных
дисциплин, изучаемых в технических вузах. Само определение технологии
машиностроения как науки об изготовления машин трактует ее как синтез технических
проблем организации производства, планирования и экономики машиностроения.
. Технология машиностроения является одной из самых молодых наук, быстро
развивающейся в месте с возникновением новой техники и совершенствование
промышленного производства.
При выполнении курсовой работы студент самостоятельно решает большой
комплекс инженерных задач. Основной целью курсового проектирования является
проверка знаний общетехнических и главным образом специальных дисциплин,
приобретенных студентами. Работа над курсовой работой дает возможность
проверить умение студента применять полученные им знания при выполнении
конкретных производственных заданий. Сюда относится разработка прогрессивных
технологических процессов, конструирование приспособлений и инструментов, проектирование
машиностроительных цехов и другие проектные работы. Выполнение их, как правило,
сопровождается экономическими расчетами. При этом должны учитываться последние
достижения отечественной и зарубежной науки и техники, а также опыт новаторов
производства. В процессе работы над проектом студент должен проявить свои
творческие способности, показать умение разрабатывать перспективные
технологические процессы изготовления изделий машиностроения. Качество проекта
определяется главным образом глубиной технологических и конструкторских
разработок и элементами новизны, внесенными дипломантом.
При проектировании технологических процессов изготовления деталей машин
необходимо учитывать основные направления в современной технологии
машиностроения.
. Приближение заготовок по форме, размерам и качеству поверхностей к
готовым деталям, что дает возможность сократить расход металла, значительно
снизить трудоемкость обработки деталей на металлорежущих станках, а также
уменьшить затраты на режущие инструменты, электроэнергию и прочее. Для этого
рекомендуется применять штамповку в закрытых штампах и чеканку деталей,
получать заготовки методом горячего и холодного выдавливания, прокаткой на
специальных станах сложных фасонных профилей, а также периодического сечения;
использовать горизонтально-ковочные машины, горячештамповочные прессы и другое
высокопроизводительное и обеспечивающее высокую точность заготовок
оборудование. При получении отливок рекомендуется применять методы точного
литья, литье под давлением, центробежное литье, которые обеспечивают получение
отливок деталей с допусками по 4-7-му классам точности, метод прессования форм,
металлические формы с покрытием специальным составом и т. д.
. Повышение производительности труда путем применения автоматических
линий, автоматов, агрегатных станков, многорезцовых гидрокопировальных
полуавтоматов, станков с числовым программным управлением, в том числе и
многооперационных; новых, более совершенных методов обработки, новых марок
материалов режущих инструментов, приспособлений с быстродействующими зажимами,
механизации и автоматизации загрузки и разгрузки деталей на станках,
быстросменных инструментальных наладок и прочее; новых, более совершенных
методов организации комплексных технологических процессов обработки деталей машин
и сборки изделий.
. Концентрация нескольких различных операций на одном станке для
одновременной или последовательной обработки большим количеством инструментов с
высокими режимами резания и автоматизацией вспомогательных приемов.
. Применение электрохимических и электрофизических способов размерной
обработки деталей. К ним относятся электроискровая, электроконтактная,
электроимпульсная, анодно-механическая обработки; лучевые, ультразвуковые,
электрохимические и электроабразивные способы.
. Развитие упрочняющей технологии, т. е. повышение прочностных и
эксплуатационных свойств деталей путем упрочнения поверхностного слоя
механическими, термическими, термомеханическими, химико-термическими способами.
. Достижение наиболее производительными методами обработки высокой
точности размеров и формы деталей, качества поверхностей, точности сопряжении,
обеспечивающих надежность и долговечность деталей машин.
. Организация технологических процессов изготовления деталей и сборки
изделий в поточные линии.
. Значительным резервом повышения производительности труда и улучшения
использования основного технологического оборудования в машиностроении является
снижение трудоемкости перемещения деталей между рабочими местами и цехами.
Транспорт во многих случаях приобретает значение фактора, организующего
производство.
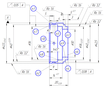
1. Характеристика детали
В курсовом проекте разрабатывается технологический процесс изготовления
детали - втулка центрирующая. Втулка центрирующая представляет собой тело
вращения типа цилиндра, изготовленное из Стали 20. Втулка центрирующая - это
деталь, которая обеспечивает плавный переход от отверстия в цилиндре к корпусу
с другим отверстием.
Втулку называют центрирующей, так как она соединяется с цилиндром по
посадке, обеспечивающей минимальную несоосность отверстий.
Вот один из примеров её использования.
2. Определение типа производства
В машиностроении различают три основных типа производства: массовое,
серийное (подразделяется в свою очередь, на мелко-, средне- и крупносерийное),
единичное. Тип производства зависит от двух факторов, а именно: заданная
программа и трудоёмкость изготовления детали. На основе заданной программы
рассчитывается такт выпуска изделия t, а трудоёмкость определяется средним штучным временем Тшт.ср
по операциям действующим на производстве или аналогичного технологического
процесса.
Тип производства зависит от общего объема выпуска, который определяется с
учетом технологических потерь, запасных частей и заданного объема выпуска
изделия.
От типа производства зависит выбор:
·
технологических
методов обработки;
·
оборудования;
·
оснастки;
·
средств
механизации и автоматизации;
·
организационных
форм выполнения технологических процессов.
Тип производства по ГОСТ 3.1119-83 характеризуется
коэффициентом серийности:
где:
- такт выпуска изделия
Ф
- годовой фонд работы оборудования (ч/смена)
N-годовая
программа выпуска (шт./год)
-
среднее штучно калькуляционное время
n - количество
поверхностей
-среднее
время обработки одной поверхности детали
,
Тштi
- основное время обработки одной поверхности детали
φ - коэффициент зависящий от типа производства и вида применяемого
оборудования
m - количество
переходов для обработки одной поверхности детали
Зависимость
типа производства от коэффициента серийности следующая:
если
- массовое производство;
-
крупносерийное производство;
-
среднесерийное производство;
- мелкосерийное
производство;
-
единичное производство.
В
данном случае процесс обработки детали можно реализовать нижеследующим образом
(табл. 1)
Находим:
где:
n = 10 - количество обрабатываемых поверхностей
− среднее
время обработки одной поверхности детали
Получаем:
Tшт.ср.=0.034163967
Таблица 1
|
№ поверхности
|
Переходы
|
Тшт
|
Тшті
|
Тшт.срі
|
|
1
|
Обтачивание предварительное
|
D=43.5, l=110.0358875 * 1.350.08349825
|
|
|
|
Обтачивание чистовое
|
D=43.5, l=110.0837375 * 1.35
|
|
|
|
Шлифование предварительное
|
D=43.5, l=110.05742 * 1.55
|
|
|
|
2
|
Обтачивание предварительное
|
D=42.5, l=40.01275 *
1.350.0286875
|
|
|
|
Обтачивание чистовое
|
D=42.5, l=40.02975 * 1.35
|
|
|
|
3
|
Обтачивание предварительное
|
D=36, l=30.0081 * 1.35 0.018225
|
|
|
|
Обтачивание чистовое
|
D=36, l=30.0189 * 1.35
|
|
|
|
4
|
Черновое подрезание торца
|
D=40, d=360.0068096 *
1.350.01399312
|
|
|
|
Чистовое подрезание торца
|
D=40, d=360.003344 * 1.35
|
|
|
|
Шлифование предварительное
|
D=38, l=40.01824 * 1.55
|
|
|
|
5
|
Обтачивание предварительное
|
D=40, l=20.006 * 1.350.01396
|
|
|
|
Обтачивание чистовое
|
D=40, l=20.014
* 1.35
|
|
|
|
Шлифование предварительное
|
D=40, l=20.0096 * 1.55
|
|
|
|
6
|
Черновое подрезание торца
|
D=43.5, d=400.0065464 * 1.350.0403568
|
|
|
|
Чистовое подрезание торца
|
D=43.5, d=400.00321475 * 1.35
|
|
|
|
Шлифование предварительное
|
D=41.75, l=3.50.017535 * 1.55
|
|
|
|
7
|
Обтачивание предварительное
|
D=40, l=90.027 * 1.35 0.06075
|
|
|
|
Обтачивание чистовое
|
D=40, l=90.063
* 1.35
|
|
|
|
8
|
Обтачивание предварительное
|
D=36, l=50.0135 * 1.350.03141
|
|
|
|
Обтачивание чистовое
|
D=36, l=50.0315 * 1.35
|
|
|
|
Шлифование предварительное
|
D=36, l=50.0216 * 1.55
|
|
|
|
9
|
Обтачивание предварительное
|
D=30, l=60.0135 * 1.350.030375
|
|
|
|
Обтачивание чистовое
|
D=30, l=60.0315 * 1.35
|
|
|
|
10
|
Сверление отверстий
|
D=2, l=3.5, n=4шт.0.01568*1.300.020384
|
|
|
Далее найдем:
,
где:
Ф = 3910 - годовой фонд работы оборудования,
N = 196500 - программа выпуска
Получаем: t = 60 *3910 / 196500 =
1,193893129770992
Находим
коэффициент серийности: Кс = t / Tшт.ср
= 34.95
Т.к.
коэффициент серийности kc=34.95 > 30, но по заданию курсовой работы выбираем
массовое производство
3. Выбор
маршрута обработки заготовки
При проектировании операций механической обработки необходимо выбрать
оборудование, на котором будет проведена операция, технологическую оснастку
(приспособления, режущие и мерительные инструменты), назначить режим обработки.
При этом необходимо выполнение всех требований в отношении заданных точности и
качества детали, достижение как можно более высокой производительности и
наименьшей себестоимости операций.
Заготовка в процессе обработки должна занять и сохранять в течение всего
времени обработки определённое положение относительно деталей станка или
приспособлений. Для этого необходимо исключить возможность трёх прямолинейных
движений заготовки в направлении выбранных координатных осей и трёх
вращательных движений вокруг этих или параллельных им осей (иными словами
лишить заготовку 6 степеней свободы).
Для определённого жесткого положения заготовке необходимо наличие шести
опорных точек, для их размещения требуется три координатных поверхности. Для
обеспечения контакта между поверхностью заготовки и опорной точкой создаётся
сила зажима, которая располагается против опорных точек.
Маршрут изготовления детали устанавливает последовательность выполнения
технологических операций. При этом необходимо учитывать, что каждая последующая
операция должна уменьшать погрешность обработки и улучшать качество
поверхности.
Обработка любой детали начинается с подготовки базовых поверхностей,
которые являются базами для дальнейшей обработки.
Таблица 2. Базирование
|
№ операции
|
Операции
|
Тип оборудования
|
Схема базирования
|
|
005
|
Токарная
|
1Б240П-8К
|
I позиция - загрузочная
|
|
Обтачивание черновое (1)
|
|
II позиция
|
|
Обтачивание чистовое (1)
|
|
III позиция
|
|
Обтачивание черновое (2)
|
|
IV позиция
|
|
Обтачивание чистовое (2)
|
|
V позиция
|
|
010
|
Токарная
|
1Б240П-8К
|
I позиция - загрузочная
|
|
Обтачивание черновое (3)
|
|
II позиция
|
|
Обтачивание черновое (5)
|
|
III позиция
|
|
Обтачивание чистовое (3)
|
|
IV позиция
|
|
Обтачивание чистовое (5)
|
|
V позиция
|
|
Обтачивание черновое (9)
|
|
VI позиция
|
|
015
|
Токарная
|
1Б240П-8К
|
I позиция - загрузочная
|
|
Обтачивание чистовое (9)
|
|
II позиция
|
|
Подрезание торца черновое (4)
|
|
III позиция
|
|
Подрезание торца черновое (6)
|
|
IV позиция
|
|
Подрезание торца чистовое (4)
|
|
VI позиция
|
|
Подрезание торца чистовое (6)
|
|
VII позиция
|
|
020
|
Токарная
|
1Б240П-8К
|
I позиция - загрузочная
|
|
Обтачивание черновое (7)
|
|
II позиция
|
|
Обтачивание чистовое (7)
|
|
III позиция
|
|
Обтачивание черновое (8)
|
|
IV позиция
|
|
Обтачивание чистовое (8)
|
|
V позиция
|
|
030
|
Сверлильная - 4 отверстия (10)
|
2Н106П
|
|
|
035
|
Термическая обработка
|
|
|
|
040
|
Шлифование предварительное (1)
|
3М150
|
|
|
045
|
Шлифование предварительное (5)
|
3М150
|
|
|
050
|
Шлифование предварительное (8)
|
3У12В
|
|
|
060
|
Шлифование предварительное (6)
|
3М150
|
|
|
065
|
Шлифование предварительное (4)
|
3М150
|
|
|
075
|
Мойка детали
|
Моечная машина
|
|
|
080
|
Контрольная
|
Контрольный стол
|
|
4. Обоснование вида метода получения заготовки
Выбор вида заготовки производится на стадии конструкторской проработки,
так как при расчёте детали на прочность, износостойкость или при учёте других
показателей эксплуатационных свойств проектируемой детали, конструктор исходит
из физико-механических свойств применяемого материала с учётом влияния на них
способа получения заготовки. Целесообразно получать заготовку с размерами
наиболее приближенными к размерам детали. На выбор метода получения заготовки
оказывают влияние: материал детали; ее назначение и технические требования на
изготовление; объем и серийность выпуска; форма поверхностей и размеры детали.
Оптимальный метод получения заготовки определяется на основании
всестороннего анализа названных факторов и технико-экономического расчета
технологической себестоимости детали. Метод получения заготовки, обеспечивающий
технологичность изготавливаемой из нее детали, при минимальной себестоимости
последней считается оптимальным.
В нашем случае метод получения заготовки штамповка в открытых штампах на
прессах и штамповка на горизонтально-ковочных машинах. Необходимо выбрать метод
получения заготовки.
Проведем экономическое обоснование этих двух методов получения заготовок.
. Первый метод: штамповка на горизонтально-ковочных машинах.
,
где:
-базовая стоимость 1 т. заготовок, руб. (436 руб.);
- масса
заготовки, кг (0,114933 кг);
- масса
готовой детали, кг (0,081 кг);
-
стоимость 1 т отходов, руб. (25 руб.);
-
коэффициент, зависящий от класса точности заготовки (1);
-
коэффициент, зависящий от группы сложности заготовки (0,75);
-
коэффициент, зависящий от массы заготовки (2);
-
коэффициент, зависящий от марки материала заготовки (1);
-
коэффициент, зависящий от объема производства заготовок (0,8).
.
Второй метод: штамповка в открытых штампах на прессах.
,
где:
- базовая стоимость 1 т. заготовок, руб. (436 руб.);
- масса
заготовки, кг (0,10946 кг);
- масса
готовой детали, кг (0,081 кг);
-стоимость
1 т отходов, руб. (25 руб.);
-коэффициент,
зависящий от класса точности заготовки (1);
-
коэффициент, зависящий от группы сложности заготовки (0,75);
-
коэффициент, зависящий от массы заготовки (2);
-
коэффициент, зависящий от марки материала заготовки (1);
-
коэффициент, зависящий от объема производства заготовок (0,8).
Итак,
выбираем штамповку в открытых штампах на прессах так как она стоит меньше, чем
заготовка, получаемая на ГКМ.
Определим
коэффициент использования материала:
Экономический эффект для сопоставления методов получения заготовок:
5. Расчет
припусков на механическую обработку и определение размеров заготовки
Припуск
на механическую обработку определим расчетно-аналитическим и нормативным
методом.
Аналитический
расчёт припуска проведём на поверхность №1 (наружная цилиндрическая с
шероховатостью 2,5 (1,6 Ra), диаметральный размер которой равен: D = 43,5 -0,062
Обработка
этой поверхности включает следующие переходы:
Черновое
обтачивание
Чистовое
обтачивание
Шлифование
предварительное
Расчёт
припусков на каждый переход считается по формуле:
,
где:
- шероховатость поверхности на предыдущем переходе;
- глубина дефектного поверхностного слоя на предыдущем
переходе;
- суммарное отклонение расположения поверхности на
предыдущем переходе;
-
погрешность установки заготовки на выполняемом переходе.
Суммарное
значение
и
,
характеризующее качество поверхности заготовки составляет соответственно 80 и
150 мкм.
Суммарное
значение пространственных отклонений для штампованных заготовок, детали типа
диска считается по формуле:
- погрешность по смещению (0.13 мм);
-
погрешность несоосности (0.3 мм);
= 0,327
мм
Остаточные
пространственные отклонения на обработанных поверхностях считается по формуле:
-
количество переходов механической обработки;
= 0.06
при черновом обтачивании;
= 0.05
при чистовом обтачивании;
= 0.04
при предварительном шлифовании;
=
= 0,01962
=
= 0,01635
=
= 0,01308
Погрешность
установки считается по формуле:
εб - погрешность базирования;
εЗ - погрешность закрепления;
εпр - погрешность положения заготовки в
приспособлении;
εб = 0, εЗ = 0.03 мм, εпр = 0.04 мм
eучерн = 
) = 0.05
мм
eучист = 0.05*eучерн = 0,0025 мм
Рассчитаем
минимальный припуск.
·
Черновое
растачивание
2zmin = 2(80 + 150 + 
))= 2*561
мкм
·
Чистовое
растачивание
2zmin = 2(50 + 50 +
)) =
2*120 мкм
·
Шлифование
предварительное
2zmin = 2(25 + 25 +
)) = 2*66
мкм
Рассчитаем
минимальный размер
-
Обтачивание чистовое
Dmin
= 43,438 + 0,132 = 43,57 мм
Обтачивание
черновое
Dmin
= 43,57 + 0,240 = 43,81 мм
·
Заготовка
Dmin = 43,81 + 1,122 = 44,932 мм
Рассчитаем максимальный размер
-
Обтачивание чистовое
Dmax
= 43,57 + 0.1 = 43,67 мм
Обтачивание
черновое
Dmax
= 43,81 + 0.16 = 43,97 мм
·
Заготовка Dmax = 44,932 + 0.62 = 45,552 мм
Определим максимального припуска
·
Обтачивание
черновое
2Zmax = 1122 + 620 - 160 = 1582 мкм
·
Обтачивание
чистовое
2Zmax = 240 + 160 - 100 = 300 мкм
·
Шлифование
предварительное
2Zmax = 132 + 100 - 62 = 170 мкм
Полученные значения внесем в таблицу
Таблица 3
|
Технологические переходы
|
Элементы припуска, мкм
|
, мкмD расч. мин размер, ммДопуск, TD(д), мкм
|
Предельные размеры, мм
|
Предельные припуски, мкм
|
Т
|
    
|
|
|
|
|
|
|
|
|
|
|
Заготовка
|
80
|
150
|
327
|
-
|
-
|
44,932
|
620
|
45,552
|
44,932
|
-
|
-
|
|
1) Черновое обтачивание
|
50
|
50
|
19,62
|
50
|
2*561
|
43,81
|
160
|
43,97
|
43,81
|
1,112
|
1,582
|
|
2) Чистовое обтачивание
|
25
|
25
|
16,35
|
2,5
|
2*120
|
43,57
|
100
|
43,67
|
43,57
|
0,24
|
0,3
|
|
3) Шлифование предварительное
|
15
|
15
|
13,08
|
-
|
2*66
|
43,438
|
62
|
43,5
|
43,438
|
0,132
|
0,17
|
|
1,484
|
2,052
|
Рисунок 1. Графическая схема расчета припусков
Общие припуски определяем суммируя промежуточные и записываем их под
соответствующими графами 2zomin = 1,484 мм и 2zomax = 2,052 мм.
zomax - 2zomin = 2,052 - 1,484 = 0,568 мм
На эту же поверхность найдем из таблицы значение припуска: Z=0.6мм
На остальные обрабатываемые поверхности припуски и допуски выбираем нормативным методом по таблицам.
Расчёт припусков табличным методом.
Определим исходный индекс детали. Определение исходного индекса
происходит в следующей последовательности: M поковки
® Группа стали ® Степень сложности ® Класс точности ® Исх. Индекс
) Мпоковки = mдет/Ким = 0,081/0.739 = 0,10496 кг
2) Группа стали - М1
3) Степень сложности Ci = Mдет/Mзаг = 0,081/0,10496= 0.739, т.е i =1
4) Класс точности T4 - открытые штампы.
5) Исходный индекс детали - 7.
Исходный индекс определяется в соответствии с ГОСТ 7505-89 по таблице.
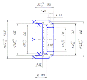
Таблица 4. Таблица размеров и припусков заготовки по основным
поверхностям
|
Поверхность
|
Припуск, мм
|
|
Допуск
|
|
1
|
1,1*2
|
Æ43,5
|
|
|
3
|
1,0*2
|
Æ36
|
|
|
4
|
1,0
|
4
|
|
|
5
|
1,1*2
|
Æ40
|
|
|
6
|
1,0
|
3,5
|
|
|
7
|
1,1*2
|
Æ40
|
|
|
8
|
1,0*2
|
Æ36
|
|
|
9
|
1,0*2
|
Æ30
|
|
Чертёж заготовки
6. Расчет режимов резания аналитическим методом
Любая технологическая операция может быть реализована только в рамках
технологической системы, которая включает в себя заготовку и средство тех
оснащения технологической операции (металлорежущий станок, станочное
приспособление и режущий инструмент).
Параметры режимов резания:
- глубина резания - t;
- подача - S;
стойкость инструмента - T;
скорость резания - V;
число оборотов - n;
силы резания - Pz, Px, Py;
мощность резания - N.
Для наиболее ответственной поверхности (Ш43,5, поверхность №1) проведем
расчет режимов резания аналитическим методом. Для остальных поверхностей
назначим режимы резания табличным методом.
Скорость резания при аналитическом расчете определяется по формуле:
Глубина
резания t: При черновом точении и отсутствии ограничений по мощности
оборудования, жесткости системы СПИД принимается равной припуску на обработку.
Подача S, согласно [17, стр. 266] назначается равной: S = 0,9 мм/об. Стойкость
T, для одноинтструментальной обработки при использовании резцов
составляет: T = 60 мин. Коэффициенты Cv, x, y, m определяем согласно
[17, стр. 269]:
1. 005 Токарная (позиция II)
1.1 Черновое растачивание Ш43,5
t = 0,568*0,75 = 0,4 мм - При черновой обработке берется 75% от
припуска.= 0,9 мм/об= 60 мин
Cv =
350
x =
0,15
y =
0,35= 0,20= Kmv*Knv*Kuv; - коэффициент, учитывающий конкретные факторы
влияния качества обрабатываемого материала, поверхности заготовки и вида
инструментального материала на скорость резания.
Kmv = Kr*(750/dB)Nv
= 1,5625;
При том что Kr = 1, Nv = 1; dB
= 480 МПа
Согласно [17, стр. 263]: Knv = 0,8 ; Kuv = 0,8;= 1,5625*0,8*0,8 = 1;
Находим число оборотов:= 43,5
мм - максимальный диаметр детали до обработки на данной технологической
операции.
Ближайшее число из ряда
скоростей станка: n=1350 об/мин
Силы резания:
,y,x = 10CptxSyVnKp;
p
= Kmp Kjp
Kgp Klp Krp ; Для
инструментов из твердых сплавов
Krp = 1; Kmp = (dB/750)N = (480/750)0,75 = 0,716;
Принимаем угол в плане j = 60o; передний угол g = 0o; угол наклона главного лезвия l= 5o;
Согласно этим данным заполняем таблицу, опираясь на [17, стр. 275]:
Таблица 5
|
|
Pz
|
Py
|
Px
|
|
Cp
|
300
|
243
|
339
|
|
x
|
1,00
|
0,90
|
1,00
|
|
y
|
0,75
|
0,60
|
0,5
|
|
n
|
-0,15
|
-0,30
|
-0,40
|
Тогда,
Мощность
резания определяется по максимальной силе резания:
005
Токарная (позиция III)
1.2 Чистовое растачивание Ш43,5
Находим
число оборотов:
Ближайшее
число из ряда скоростей станка: n=1700 об/мин.
Силы
резания:
Мощность
резания определяется:
2. 040 Шлифовальная
Шлифование
предварительное Ш43,5:
Скорость
круга: Vк=30 м/c
Скорость
заготовки: Vз=20 м/мин
Глубина
шлифования: t = 0.018 мм
Число
оборотов:
n=1000·V/p·D = 1000·30/3.14·43,5 = 220 об/мин
Продольная
подача: s= 0.2 мм/об
Минутная
поперечная подача
Sм = Sм.табл*К1*К2*К3
Sм = 3,4*0,9*0.8*0.8 = 1.9584 мм/мин
Общий
припуск на сторону а = 0.132 мм
Время
выхаживания tвых = 0.07
мин
Слой
снимаемый при выхаживании авых = 0.01 мм
Основное
машинное время обработки
tм =
tм = 0.15 мин
Мощность
N, при
шлифовании периферией круга с продольной подачей рассчитывается по формуле:

,
где

-
скорость вращательного движения заготовки;
d - диаметр
шлифования;
b -
ширина шлифования;
sp- радиальная подача;
CN, r, y, q, z - эмпирические коэффициенты
Расчет
остальных поверхностей будем вести табличным методом.
005 Токарная
1) Черновое обтачивание:
Поверхность: 2
Глубина
резания:
Подача:
Период
стойкости инструмента: T=45 мин.
Скорость
резания:
2) Чистовое обтачивание:
Поверхность: 2
Глубина
резания:
Подача:
Период
стойкости инструмента: T=45 мин.
Скорость
резания:
Токарная
1)
Черновое обтачивание:
Поверхность: 3
Глубина
резания:
Подача:
Период
стойкости инструмента: T=45 мин.
Скорость
резания:
2) Черновое обтачивание:
Поверхность: 5
Глубина
резания:
Подача:
Период
стойкости инструмента: T=45 мин.
Скорость
резания:
3) Чистовое обтачивание:
Поверхность: 3
Глубина
резания:
Подача:
Период
стойкости инструмента: T=45 мин.
Скорость
резания:
4)
Чистовое обтачивание:
Поверхность: 5
Глубина
резания:
Подача:
Период
стойкости инструмента: T=45 мин.
Скорость
резания:
5)
Черновое обтачивание:
Поверхность: 9
Глубина
резания:
Подача:
Период
стойкости инструмента: T=45 мин.
Скорость
резания:
015
Токарная
1) Чистовое обтачивание:
Поверхность: 9
Глубина
резания:
Подача:
Период
стойкости инструмента: T=45 мин.
Скорость
резания:
2)
Черновое подрезание торца:
Поверхность:
4
Глубина
резания:
.
Подача:
Период
стойкости инструмента: Т = 47 мин
Скорость
резания:
3)
Чистовое подрезание торца:
Поверхность:
4
Глубина
резания:
.
Подача:
Период
стойкости инструмента: Т = 47 мин
Скорость
резания:
4)
Черновое подрезание торца:
Поверхность:
6
Глубина
резания:
.
Подача:
Период
стойкости инструмента: Т = 47 мин
Скорость
резания:
5)
Чистовое подрезание торца:
Поверхность:
6
Глубина
резания:
.
Подача:
Период
стойкости инструмента: Т = 47 мин
Скорость
резания:
Токарная
1)
Черновое обтачивание:
Поверхность:
7
Глубина
резания:
.
Подача:
Период
стойкости инструмента: Т = 47 мин
Скорость
резания:
2) Чистовое обтачивание:
Поверхность: 7
Глубина
резания:
Подача:
Период
стойкости инструмента: T=45 мин.
Скорость
резания:
3)
Черновое обтачивание:
Поверхность:
8
Глубина
резания:
.
Подача:
Период
стойкости инструмента: Т = 47 мин
Скорость
резания:
4) Чистовое обтачивание:
Поверхность: 8
Глубина
резания:
Подача:
Период
стойкости инструмента: T=45 мин.
Скорость
резания:
Сверлильная
Сверление
отверстий Æ2 мм:
Поверхность: 10
Глубина
резания:
Подача:
Период
стойкости инструмента: T=50 мин.
Скорость
резания:
045 Шлифовальная
Поверхность: 5
Глубина
резания:
Подача:
Период
стойкости инструмента: T=60 мин.
Скорость
круга: Vк=30 м/c
Скорость
заготовки: Vз=20 м/мин
050 Шлифовальная
Шлифование предварительное:
Поверхность: 8
Глубина
резания:
Подача:
Период
стойкости инструмента: T=60 мин.
Скорость
круга: Vк=30 м/c
Скорость
заготовки: Vз=20 м/мин
060 Шлифовальная
Шлифование предварительное:
Поверхность: 6
Глубина
резания:
Подача:
Период
стойкости инструмента: T=60 мин.
Скорость
круга: Vк=30 м/c
Скорость
заготовки: Vз=35 м/мин
065 Шлифовальная
Шлифование предварительное:
Поверхность: 4
Глубина
резания:
Подача:
Период
стойкости инструмента: T=60 мин.
Скорость
круга: Vк=30 м/c
Скорость
заготовки: Vз=35 м/мин
Расчет режимов резания табличным методом.
Скорость резания для точения, расточки и подрезания определим по формуле:
,
где
табличное значение скорости резания [15, стр. 29],
-
коэффициент зависящий от обрабатываемого материала.
-
коэффициент стойкости, зависит от марки твердого сплава.
-
коэффициент зависящий от вида обработки.
Для
сверления, зенкерования, рассверливания определяем подачу:
;
Таблица
6
|
Операция
|
Поверхн.
|
Переход
|
t, мм
|
S, об/мин
|
V, м/мин
|
n, об/мин
|
|
005
|
1
|
Черновое обтачивание
|
0,4
|
0,9
|
184
|
1347
|
|
1
|
Чистовое обтачивание
|
0,15
|
0,7
|
232
|
1699
|
|
2
|
Черновое обтачивание
|
0,4
|
0,6
|
112
|
836
|
|
2
|
Чистовое обтачивание
|
0,1
|
0,3
|
159
|
1194
|
|
010
|
3
|
Черновое обтачивание
|
0,75
|
0,5
|
138
|
1222
|
|
5
|
Черновое обтачивание
|
0,83
|
0,5
|
138
|
1100
|
|
3
|
Чистовое обтачивание
|
0,25
|
0,3
|
159
|
1410
|
|
5
|
Чистовое обтачивание
|
0,25
|
0,3
|
159
|
1269
|
|
9
|
Черновое обтачивание
|
0,75
|
0,5
|
138
|
1466
|
|
015
|
9
|
Чистовое обтачивание
|
0,25
|
0,4
|
143
|
1523
|
|
4
|
Черновое подрезание торца
|
0,75
|
0,5
|
138
|
1158
|
|
4
|
Чистовое подрезание торца
|
0,24
|
0,3
|
159
|
1336
|
|
6
|
Черновое подрезание торца
|
0,75
|
0,6
|
133
|
1013
|
|
6
|
Чистовое подрезание торца
|
0,24
|
0,3
|
159
|
1216
|
|
020
|
7
|
Черновое обтачивание
|
0,8
|
0,5
|
138
|
1100
|
|
7
|
Чистовое обтачивание
|
0,3
|
0,3
|
159
|
1269
|
|
8
|
Черновое обтачивание
|
0,75
|
0,5
|
138
|
1222
|
|
8
|
Чистовое обтачивание
|
0,24
|
0,3
|
159
|
1410
|
|
030
|
10
|
Сверление отверстий Æ2 мм
|
1,75
|
0,04
|
7,6
|
1210
|
|
040
|
1
|
Шлифование предварительное
|
0,018
|
0,2
|
30 м/с
|
220
|
|
045
|
5
|
Шлифование предварительное
|
0,02
|
0,3
|
30 м/c
|
239
|
|
050
|
8
|
Шлифование предварительное
|
0,01
|
0,3
|
30 м/c
|
265
|
|
060
|
6
|
Шлифование предварительное
|
0,01
|
0,3
|
30 м/с
|
251
|
|
065
|
4
|
Шлифование предварительное
|
0,01
|
0,3
|
30 м/с
|
229
|
7. Техническое нормирование операций технологического
процесса
Определим штучное время в условиях крупносерийного производства.
,
где:
- основное время. Определяется для конкретных видов
обработки аналитическим путем по формулам приведенным в [12 стр. 609-626].
-
вспомогательное время. Выбирается по справочной литературе [10].
Затем
вычисляется оперативное время
- время
технического обслуживания рабочего места (3-9)% от
, будем считать его 4%
- время
организационного обслуживания рабочего места (3-9)% от
, будем считать его 4%
- время
перерывов (2,5-3)% от
, будем считать его 2,5%
,
где:
L - расчетная длина рабочего хода инструмента;- частота
вращения шпинделя
S0 - подача на оборот шпинделя
i - число
проходов инструмента
l - длина
обрабатываемой поверхности
l1 - величина врезания инструмента
l2 - величина пробега инструмента
Токарная 005
. Черновое обтачивание:
2. Чистовое обтачивание:
3. Черновое обтачивание:
4. Чистовое обтачивание:
Токарная 010
. Черновое обтачивание:
2. Черновое обтачивание:
3. Чистовое обтачивание:
4. Чистовое обтачивание:
5. Черновое обтачивание:
Токарная
015
1. Чистовое обтачивание:
2. Черновое подрезание торца:
3. Чистовое подрезание торца:
4. Черновое подрезание торца:
5. Чистовое обтачивание:
Токарная 020
. Черновое обтачивание:
2. Чистовое обтачивание:
3. Черновое обтачивание:
4. Чистовое обтачивание:
Сверлильная 030
1. Сверление отверстий диаметром 2 мм:
Шлифовальная 040
1. Предварительное шлифование:
Шлифовальная 045
2. Предварительное шлифование:
Шлифовальная 050
1. Предварительное шлифование:
Шлифовальная 060
1. Предварительное шлифование:
Шлифовальная 065
1. Предварительное шлифование:
Таблица 7
|
Операция
|
Поверхность
|
Переход
|
|
|
|
|
|
|
|
005
|
1
|
Черновое обтачивание
|
0,014
|
0,2
|
0,00856
|
0,00856
|
0,00535
|
0,23647
|
|
1
|
Чистовое обтачивание
|
0,0143
|
0,157
|
0,00685
|
0,00685
|
0,00428
|
0,18928
|
|
2
|
Черновое обтачивание
|
0,012
|
0,157
|
0,00676
|
0,00676
|
0,00423
|
0,19109
|
|
2
|
Чистовое обтачивание
|
0,0167
|
0,157
|
0,00695
|
0,00695
|
0,00434
|
0,19194
|
|
010
|
3
|
Черновое обтачивание
|
0,0082
|
0,19
|
0,00793
|
0,00793
|
0,00494
|
0,21902
|
|
5
|
Черновое обтачивание
|
0,0073
|
0,157
|
0,00657
|
0,00657
|
0,00411
|
0,18155
|
|
3
|
Чистовое обтачивание
|
0,157
|
0,00675
|
0,00675
|
0,00422
|
0,18652
|
|
5
|
Чистовое обтачивание
|
0,0105
|
0,157
|
0,0067
|
0,0067
|
0,00419
|
0,18509
|
|
9
|
Черновое обтачивание
|
0,0109
|
0,157
|
0,00672
|
0,00672
|
0,0042
|
0,18554
|
|
015
|
9
|
Чистовое обтачивание
|
0,0131
|
0,2
|
0,00852
|
0,00852
|
0,00533
|
0,23547
|
|
4
|
Черновое подрезание торца
|
0,0069
|
0,157
|
0,00656
|
0,00656
|
0,0041
|
0,18112
|
|
4
|
Чистовое подрезание торца
|
0,01
|
0,157
|
0,00668
|
0,00668
|
0,00418
|
0,18454
|
|
6
|
Черновое подрезание торца
|
0,0062
|
0,157
|
0,00653
|
0,00653
|
0,00408
|
0,18034
|
|
6
|
Чистовое обтачивание
|
0,0103
|
0,157
|
0,00669
|
0,00669
|
0,00418
|
0,18486
|
|
020
|
7
|
Черновое обтачивание
|
0,02
|
0,2
|
0,0088
|
0,0088
|
0,0055
|
0,2431
|
|
7
|
Чистовое обтачивание
|
0,03
|
0,157
|
0,00748
|
0,00748
|
0,00466
|
0,20662
|
|
8
|
Черновое обтачивание
|
0,0115
|
0,157
|
0,00674
|
0,00674
|
0,00421
|
0,18619
|
|
8
|
Чистовое обтачивание
|
0,0166
|
0,157
|
0,00694
|
0,00694
|
0,00434
|
0,19182
|
|
030
|
10
|
Сверление отверстий диаметром 2 мм
|
0,04
|
0,3
|
0,0136
|
0,0136
|
0,0085
|
0,3757
|
|
040
|
1
|
Предварительное шлифование
|
0,31
|
0,26
|
0,0228
|
0,0228
|
0,01425
|
0,62985
|
|
045
|
5
|
Предварительное шлифование
|
0,028
|
0,26
|
0,0115
|
0,0115
|
0,0072
|
0,3182
|
|
050
|
8
|
Предварительное шлифование
|
0,063
|
0,26
|
0,01292
|
0,01292
|
0,00808
|
0,35692
|
|
060
|
6
|
Предварительное шлифование
|
0,011
|
0,22
|
0,00924
|
0,00924
|
0,00578
|
0,25526
|
|
065
|
4
|
Предварительное шлифование
|
0,011
|
0,22
|
0,00924
|
0,00924
|
0,00578
|
0,25526
|
. Выбор модели оборудования и определение его количества.
Выбор технологической оснастки
Окончательно модель оборудования выбирается на стадии разработки
операционной технологии после расчета режимов резания и определения структуры
технологической операции. При этом необходимо пользоваться следующими
рекомендациями:
габариты рабочей зоны станка должны быть больше габаритов обрабатываемой
детали;
оборудование должно обеспечивать достижение при обработке требуемой
шероховатости точности поверхности;
мощность, кинематические характеристики и жесткость оборудования должна
обеспечивать работу на рассчитанных режимах резания;
производительность оборудования должна обеспечивать выполнение объема
выпуска деталей при наименьших затратах;
оборудование должно соответствовать требованиям техники безопасности,
промышленной санитарии и экологии.
Определение потребного количества оборудования
Такт
выпуска:
мин
Расчетное
количество станков:
,
где
- штучное время на соответствующей операции.
Фактическое
количество станков
: расчетное количество станков округляется в большую
сторону.
Загруженность
станков по времени их использования:
коэффициент
загрузки оборудования:
;
Таблица
8
|
№операции
|
np (штук)
|
nпр (штук)
|
np / nпр
|
|
005
|
0,677
|
1
|
0,677
|
|
010
|
0,802
|
1
|
0,802
|
|
015
|
0,809
|
1
|
0,809
|
|
020
|
0,693
|
1
|
0,693
|
|
030
|
0,315
|
1
|
0,315
|
|
040
|
0,528
|
1
|
0,528
|
|
045
|
0,267
|
1
|
0,267
|
|
050
|
0,299
|
1
|
0,299
|
|
060
|
0,214
|
1
|
0,214
|
|
065
|
0,214
|
1
|
0,214
|
Всего количество оборудования: nпр = 10 штук.
Таблица 9. - Применяемые оборудование и инструмент
|
Операция
|
Модель оборудования
|
Инструмент/материал режущей части
|
|
005 Токарная
|
1Б240П-8К
|
Резец ГОСТ 18882-73/Т14К8 Резец ГОСТ 18882-73/Т14К8 Резец
расточной ГОСТ 18878-73/Т14К8 Резец расточной ГОСТ 18878-73/Т14К8
|
|
010 Токарная
|
1Б240П-8К
|
Резец ГОСТ 18882-73/Т14К8 Резец ГОСТ 18882-73/Т14К8 Резец
ГОСТ 18882-73/Т14К8 Резец ГОСТ 18882-73/Т14К8 Резец ГОСТ 18882-73/Т14К8
|
|
015 Токарная
|
1Б240П-8К
|
Резец ГОСТ 18882-73/Т14К8 Резец подрезной ГОСТ 18880-73/
Т14К8 Резец подрезной ГОСТ 18880-73/ Т14К8 Резец подрезной ГОСТ 18880-73/
Т14К8 Резец подрезной ГОСТ 18880-73/ Т14К8
|
|
020 Токарная
|
1Б240П-8К
|
Резец ГОСТ 18882-73/Т14К8 Резец ГОСТ 18882-73/Т14К8 Резец
ГОСТ 18882-73/Т14К8 Резец ГОСТ 18882-73/Т14К8
|
|
030 Сверлильная
|
2Н106П
|
Сверло ГОСТ 1727-71/Т5К6
|
|
040 Круглошлифовальная
|
3М150
|
Цилиндрическая головка ГОСТ 2447-82
|
|
045 Круглошлифовальная
|
3М150
|
Цилиндрическая головка ГОСТ 2447-82
|
|
050 Круглошлифовальная
|
3У12В
|
Цилиндрическая головка ГОСТ 2447-82
|
|
060 Круглошлифовальная
|
3М150
|
Цилиндрическая головка ГОСТ 2447-82
|
|
065 Круглошлифовальная
|
3М150
|
Цилиндрическая головка ГОСТ 2447-82
|
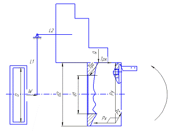
9. Расчет
приспособления на усилие
закрепления
При операциях точения, обтачивания, растачивания на токарных станках
будет наиболее целесообразен выбор самоцентрирующегося трехкулачкового патрона.
Это объясняется сокращением вспомогательного времени, повышением
производительности, удобством в наладках и эксплуатации, а также повышением
точности обработки за счёт уменьшения погрешности закрепления. Для надёжного
закрепления необходимо чтобы сила закрепления заготовки соответствовала силе
резания.
Трехкулачковый
самоцентрирующий патрон (ТСП) будет проектироваться для операции 010 (позиция II).
Рисунок представляет собой расчетную схему проектируемого ТСП.
На
заготовку во время точения действуют тангенциальная Pz,
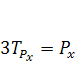
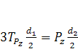
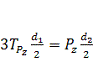
осевая Px, радиальная Py силы резания, а
также силы трения TPx, TPz и
закрепления Q (примечание - сила Py и
вызываемая ей реакция не учитываются в дальнейшем ввиду жесткости заготовки).
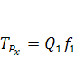
Следовательно, уравнения статики таковы:

,

.
С
учетом того, что 
, а 
(
и 
-
коэффициенты трения), а проектирование следует вести с некоторым запасом,
уравнения статики можно записать так:

,

,
где

-
коэффициент запаса. В данном случае 
.
Сила

Н,
сила

Н,

мм, 
мм. Если
принять, что поверхность кулачков гладкая, следовательно, 
.
Таким
образом,

Н,

Н.
Для
дальнейших расчетов потребуется сила 
. Для
дальнейших расчетов используем максимальную силу закрепления: 2667 Н
Выбираем
пневматический цилиндр с диаметром поршня 100 мм ГОСТ 15608-81.
Рисунок
2. - Расчетная схема ТСП
.
Разработка планировки участка
деталь заготовка втулка резание
Состав производственных отделений и участков механических цехов
определяется типом производства, технологическим процессом на изготовление
детали и типом оборудования. В условиях массового и крупносерийного
производства оборудование на участке расставляется по мере следования
технологических операций. При укрупненном проектировании участка вначале
необходимо определить общую производственную площадь участка по формуле:
где
− удельная производственная площадь занимаемая
оборудованием
nпр − принятое количество оборудования.
Затем
необходимо задаться сеткой колонн зданий. В автотракторной промышленности при
изготовлении деталей средних габаритных размеров наиболее часто применяют сетки
18
12 или 24
12
метров. Каждому типу станка соответствует условное графическое изображение. При
разработке планировки необходимо, чтобы участок был замкнутым, т.е. начало и
конец технологического процесса были расположены на одной оси. В этом случае
конфигурация расположения оборудования образует «овал», внутри которого следует
расположить конвейер для транспортировки деталей с одного станка на другой. Из
разных типов конвейеров в машиностроительном производстве применяют подвесные,
ленточные и пластинчатые.
Оборудование
для выполнения первой операции « привязывается» к первой колонне, согласно
существующим нормам. Далее на регламентированном теми же нормами расстоянии
располагается оборудование для выполнения последующих операций. Вопрос уборки
стружки необходимо решать с использованием стружкоуборочных конвейеров,
проходящих непосредственно под оборудованием в автоматической линии либо с
тыльной стороны станков. На каждой операции необходимо предусмотреть рабочее
место, ширина рабочей зоны перед станком 800 мм.
При
наличии однотипных операции оборудования на них необходимо вводить
многостаночное обслуживание. Если технологические операции не синхронизированы
между собой между ними будут создаваться «заделы» деталей. Поэтому между
оборудование необходимо поставить накопители. В начале и конце технологического
маршрута необходимо поставить тару под заготовки и детали, а также
спроектировать магистральный проезд шириной 4-5 м. На участке должно быть
выделено место для комнаты мастера площадью 8-12 м2.
Планировка
участка
Выбираем
сетку колонн зданий 12000 * 24000 мм
Таблица
10
|
№ п/п
|
Наименование оборудования
|
Количество
|
|
005
|
Токарный станок 1Б240П-8К
|
1
|
|
010
|
Токарный станок 1Б240П-8К
|
1
|
|
015
|
Токарный станок 1Б240П-8К
|
1
|
|
020
|
Токарный станок 1Б240П-8К
|
1
|
|
030
|
Сверлильный станок 2Н106П
|
1
|
|
040
|
Круглошлифовальный станок 3М150
|
1
|
|
045
|
Круглошлифовальный станок 3М150
|
1
|
|
050
|
Круглошлифовальный станок 3У12В
|
1
|
|
060
|
Круглошлифовальный станок 3М150
|
1
|
|
065
|
Круглошлифовальный станок 3М150
|
1
|
11. Мероприятия по технике безопасности
Ниже перечислены основные мероприятия по ОТ, ТБ, ПБ, ЭБ:
) все рабочие и обслуживающий персонал должны пройти инструктаж по
правилам техники безопасности и приемам работы на рабочем месте;
) необходим регулярный профилактический осмотр оборудования и устранение
возникших неисправностей;
) обязательно наличие ограждающих устройств и системы сигнализации
неисправности оборудования.
) все подвижные части установленного оборудования должны быть ограждены,
либо ограничены;
) рабочие места станочников необходимо рационально оснастить;
) необходимо установить прозрачные экраны, отражатели, сушки, местные
откосы для попадания стружки, абразивной пыли, СОЖ;
) все токоведущие элементы оборудования необходимо изолировать и
заземлить;
) проходы для рабочих должны быть не уже одного метра;
) места прохода должны быть отмечены белой или оранжевой краской;
) проезды должны быть ограничены прерывистыми линиями белого или
оранжевого цвета, при этом наиболее опасные места проезжей части должны быть
огорожены буферами из металла;
) на участке должен быть оборудован пожарный кран с комплектом рукавов и
пожарным изгибом;
) необходимо предусмотреть мероприятия по утилизации охлаждающих
жидкостей, отходов производства и защиту от электромагнитных излучений.
Уровень шума на рабочем месте должен быть не более 70 дБ. Температура
воздуха в цехе зимой должна быть не ниже 16 °C, а летом - не выше 28 °C.
Запылённость воздуха не должна превышать санитарных норм. Оптимальная
освещённость на рабочем месте 200-500 лк., а наименьшая допустимая - от 150 до
200 лк.
Список использованной литературы
1. Власов
А.Ф. Безопасность при работе на металлорежущих станках. - М.: Машиностроение, 1977.
− 121 с.
. Горбацевич
А.Ф., Чеботарёв В.Н., Шкред В.А. и др. Курсовое проектирование по технологии
машиностроения. / Под ред. А.Ф. Горбацевича. − Мн.: Вышейш. школа, 1983. −
С. 288.
. ГОСТ
7505-89. Поковки стальные штампованные. Допуски, припуски и кузнечные напуски.
. ГОСТ
14.301-83. Общие правила разработки технологических процессов.
. ГОСТ
26645-85. Отливки из металлов и сплавов. Допуски размеров, массы и припуски на
мехобработку.
. Гжиров Р.И.
Краткий справочник конструктора: Справочник. - Л.: Машиностроение, Ленингр.
отд-ние, 1983. - 464 с.: ил.
7. Егоров
М.Е. Основы проектирования машиностроительных заводов. / Учеб. для машиностр.
вузов. − М.: Высш. школа, 1969. − 480 с.
. Картавов
С.А. Технология машиностроения (специальная часть). - К.: Вища школа, 1974. -
272 с.
. Краткий
справочник технолога тяжёлого машиностроения. / И.В. Маракулин, А.П. Бунец, ВТ.
Коринюк. − М.: Машиностроение, 1987. − 464 с.. ил.
.
Общемашиностроительные нормативы вспомогательного времени и времени на
обслуживание рабочего места на работы, выполняемые на металлорежущих станках.
Массовое производство. − М., 1970.
.
Общемашиностроительные нормативы времени вспомогательного, на обслуживание
рабочего места и подготовительно-заключительного для технического нормирования
станочных работ. Серийное производство. − М.: Машиностроение, 1974. - 422
с.
. Обработка
металлов резанием: Справочник технолога. /А.А. Панов, В.В. Аникин, Н.Г. Бойм и
др.; Под общ. ред. А.А. Панова. - М.: Машиностроение. 1988, - 736 с.: ил.
.
Проектирование заводов и механосборочных цехов в авто факторной промышленности:
Учеб. пособие для студ. мех. спец. втузов. / А.А. Андерс, Н.М. Потапов, А.В.
Шулешкин. - М.: Машиностроение, 1982. − 271 с.: ил.
. Размерный
анализ технологических процессов. / В.В. Матвеев, М.М. Тверской, Ф.И. Бойков и
др. − М.: Машиностроение, 1982. - 264 с.: ил.
. Справочник
технолога-машиностроителя. В 2 т., Т. 1. / Под ред. А.Г. Косиловой и Р.К. Мещерякова.
− М.: Машиностроение, 1986. − 656 с., ил.
. Справочник
технолога-машиностроителя. В 2 т., Т. 2. / Под ред. А.Г. Косйловой и Р.К.
Мещерякова. - 4-е изд., перераб. и доп. - М.: Машиностроение, 1986. − 496
с., ил.
. Станочные
приспособления: Справочник. В 2 т., Т. 1. / Под ред. Б.Н. Вардашкина, А.А.
Шатилова, - М.: Машиностроение, 1984. − 592 с.
. Станочные
приспособления: Справочник. В 2 т., Т. 2. / Под ред. Б.Н. Вардашкина, А.А.
Шатилова. − М.: Машиностроение, 1984. − 656 с.