Разработка технологического процесса изготовления оси фиксатора
Курсовая
работа
Тема:
Разработка
технологического процесса изготовления оси фиксатора
Содержание
Задание
на курсовое проектирование
.
Назначение и конструкция детали
.
Анализ технологичности конструкции
.
Предварительная маршрутная карта
.
Расчет режимов резания операции 00
.
Расчет Тшт операции 00
.
Расчет режимов резания операции 010
.
Расчет Тшт операции 01
.
Расчет режимов резания операции 01
.
Расчет Тшт операции 01
.
Расчет режимов резания операции 020
.
Расчет Тшт операции 020
.
Расчет режимов резания операции 035
.
Расчет Тшт операции 035
.
Общее Тшт и Тп.з
Задание на курсовое проектирование
Тема: Разработка технологического процесса
изготовления оси фиксатора
Таблица
1
Исходные данные:
|
Вариант
|
d1
|
d2
|
d3
|
d4
|
l1
|
l2
|
l3
|
l4
|
l5
|
L
|
Кол-во
деталей, n
|
|
6
|
50f7
|
55h7
|
70
|
10E8
|
30
|
50
|
65
|
40
|
15
|
150
|
15
|
Материал - сталь 45, твердость НRC
52…55
Размер l4
выполнить
по h9
Неуказанные предельные отклонения
размеров
Примечание: курсовая выполняется
применительно к единичному типу производства.
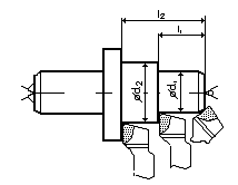
1. Назначение и конструкция детали
.1 Назначение
Ось фиксатора предназначена для фиксирования
положения корпусной детали в 4-х положениях или через 90º.
1.2 Конструкция детали
Поверхности, указанные на исходном чертеже,
имеют следующие назначения:
А - поверхность, сопрягающаяся с соответствующей
корпусной деталью.
Б - торцевая поверхность, сопрягающаяся с
корпусной деталью, перпендикулярность этой поверхности должна быть не менее 0,1
относительно оси;
В - отверстие под штифт;
Г - поверхность для посадки подшипника;
Д - торцевая поверхность, сопрягающая с
подшипником, перпендикулярность этой поверхности должна быть не менее 0,1
относительно оси;
Е - два сквозных отверстия для установки
штифтов.
.3 Химический состав стали
Таблица
2
Химический состав стали 45 (ГОСТ 1050-74)
|
С
|
Si
|
Mn
|
S
|
P
|
Ni
|
Cr
|
|
|
|
не
более
|
не
более
|
|
|
|
0,4-0,5
|
0,17-0,37
|
0,5-0,8
|
0,045
|
0,045
|
0,3
|
0,3
|
.4 Механические свойства
Таблица
3
Механические свойства стали 45 (ГОСТ 1050-74)
|
σт,
кГ/мм2
|
σв,
кГ/мм2
|
δ,
%
|
ψ,
%
|
ан,
кГ/см2
|
НВ
(не более)
|
|
не
менее
|
|
|
горячекатанный
|
отожженный
|
|
36
|
61
|
16
|
40
|
5
|
241
|
197
|
2. Анализ технологичности
конструкции
Данный чертеж дает полное представление о
детали, поэтому дополнительных видов, разрезов, сечений и т.д. не требуется.
Таблица
4
Анализ размеров
|
Исходные
данные
|
После
анализа
|
d1=50f7 
d4=10E8 
под штифт
Выбираю термообработку - закалка со средним
отпуском для достижения твердости НRC
52…55. Материал сталь 45 соответствует указанной термообработке.
3. Предварительная маршрутная карта
|
№
операции, перехода
|
Эскиз
и содержание операции
|
Оборудование
|
Оснастка,
инструмент
|
|
1
|
2
|
3
|
4
|
|
005
|
Токарная
Токарно-винторезный
станок 16Б16П3-х кулачковый патрон. Резец 2102-0055-Т5К10 ГОСТ 18877-73
Проходной, отогнутый с углом в плане φ=45º Сверло
ГОСТ 6694-53 центр-ое комбинированное для центровых отверстий, 60º
без
предохранительного конуса (типа IV) ø 6 и
длиной рабочей части l=8 мм.
|
|
|
|
1
|
Установить
и снять заготовку
|
|
|
|
2
|
Подрезать
торец с ødзаг
|
|
|
|
3
|
Центровать
центровочным сверлом типа IV ø 6 на
глубину 8 с одной стороны
|
|
|
|
4
|
Отрезать
заготовку длиной L
|
|
|
|
5
|
Переустановить
и снять заготовку
|
|
|
|
|
|
|
|
6
|
Центровать
центровочным сверлом типа IV ø 6 на
глубину 8 с одной стороны
|
|
|
|
010
|
Токарная
Токарно-винторезный
станок 16Б16ПЦентр рифленый, центр вращающийся. Резец 2103-0057-Т5К10 ГОСТ
18879-73 - проходной отогнутый с углом в плане
φ=90º
|
|
|
|
1
|
Установить
и снять заготовку
|
|
|
|
2
|
Обточить
ø
dзаг
до ø
на
длину L-l3 в упор (начерно)
|
|
|
|
3
|
Обточить
фаску 2×45º
|
|
|
|
4
|
Переустановить
и снять заготовку
|
|
|
|
Резец
проходной с перехода 2
|
|
|
|
5
|
Обточить
ø
dзаг
до ø
d3 на
длине l3 насквозь (начерно)
|
|
|
|
6
|
Обточить
ø
d3 до
ø
d2 на
длине l2 в упор (начерно)
|
|
|
|
7
|
Обточить
ø
d2 до
ø
d1 на
длине l1 в упор (начерно)
|
|
|
|
015
|
Токарная
Токарно-винторезный
станок 16Б16ПОснастка с операции 010 Резец 2103-0057-Т15К6 ГОСТ 18879-73 -
проходной отогнутый с углом в плане φ=90º
|
|
|
|
1
|
Обточить
ø
d2 на
длине (l2-l1) в упор (получисто)
|
|
|
|
2
|
Обточить
ø
d1 на
длине l1 в упор (получисто)
|
|
|
|
3
|
Обточить
ø
d2 на
длине (l2-l1) в упор (начисто)
|
|
|
|
4
|
Обточить
ø
d1 на
длине l1 в упор (начисто)
|
|
|
|
5
|
Обточить
фаску 2×45º
|
|
|
|
020
|
Сверлильная
Вертикально-сверлильный
станок 2Н125Тиски с призматическими губками и пневматическим зажимом. Сверло
с коническим хвостовиком, нормальное ГОСТ 10903-64 Зенкер цельный с
коническим хвостовиком, короткий ГОСТ 12489-67 Развертка машинная с
удлиненной рабочей частью, с коническим хвостовиком ГОСТ 11172-70
|
|
|
|
1
|
Установить
и снять заготовку
|
|
|
|
2
|
Сверлить
отв. ø
d4 насквозь
|
|
|
|
3
|
Развернуть
отв. ø
d4 насквозь
|
|
|
|
4
|
Сверлить
отв. ø
насквозь
|
|
|
|
5
|
Повернуть
заготовку на 90º
|
|
|
|
1
|
2
|
3
|
4
|
|
6
|
Сверлить
отв. ø
насквозь
|
|
|
|
7
|
Зенкеровать
4 фаски 2×45º
|
|
|
|
025
|
Термическая
|
|
|
|
030
|
Шлифовальная
Кругло-шлифовальный
станок 3М131Гладкие центра и поводковый патрон Шлифовальный круг прямого
профиля ПП 600×63×203 25С2К
ГОСТ 2424-83
|
|
|
|
1
|
Установить
и снять заготовку
|
|
|
|
2
|
Шлифовать
ø
|
|
|
4. Расчет режимов резания операции
005
Оборудование - токарно-винторезный станок
16Б16П.
Приспособление - 3-х кулачковый патрон.
Обработка - без охлаждения.
Партия - 15 шт.
.1 Содержание операции
. Установить и снять заготовку
. Подрезать торец с ø
75 мм
. Центровать центровочным сверлом типа IV
ø 6 мм на глубину 8 мм с одной стороны.
. Отрезать заготовку длиной 150 мм
. Переустановить и снять заготовку
. Центровать центровочным сверлом типа IV
ø 6 мм на глубину 8 мм с одной стороны.
.2 Последовательность расчета
Режущий инструмент - проходной отогнутый резец и
отрезной резцы с твердосплавными пластинами соответственно Т5К10 и ВК6
Измерительный инструмент - штангенциркуль.
.2.1 Глубина резания t
определяется по величине припуска на обработку детали по чертежу заготовки
Переход 2. t=2
мм
Переход 3.
мм
где Dс - диаметр
центровочного сверла.
Переход 4. Глубина резания
выбирается по таблице 4 [1], t=5 мм
Переход 6.
мм
.2.2 Подача S0
определяется по таблице 5 для точения и по таблице 74 для сверления для каждого
перехода.
Переход 2. При t=2 мм
рекомендуемая подача S=0,6 мм/об. Принимаем S=0,6 мм/об.
Переход 3. При t=3 мм
рекомендуемая подача S=0,1 мм/об ручная.
Переход 4. При t=5 мм
рекомендуемая подача S=0,4 мм/об. Принимаем S=0,4 мм/об.
Переход 6. При t=3 мм
рекомендуемая подача S=0,1 мм/об ручная.
Уточняем подачи по паспортным данным
станка:
Переход 2. S=0,6 мм/об.
Переход 3. S=0,1 мм/об
ручная.
Переход 4. S=0,4 мм/об.
Переход 6. S=0,1 мм/об
ручная.
.2.3 Скорость резания V
определяется по формуле для каждого перехода
V=Vтабл∙К1∙К2∙К3
(м/мин)
где Vтабл - табличная
скорость резания, м/мин;
К1 - коэффициент, зависящий
от обрабатываемого материала;
К2 - от стойкости и марки
твердого сплава;
К3 - от вида обработки.
Переход 2. Поперечное точение
Vтабл=110 м/мин
(табл. 9 [1]) при t=2 мм;
S0=0,6 мм/об,
материал - сталь 45 HRC 52…55;
К1=0,65 (табл. 12 [1]);
К2=1,0 (табл. 13[1]) -
при стойкости Т=60 мин (табл.3 [1]);
К3=1,35 (табл. 14 [1]),
тогда
V2=110∙0,65∙1,0∙1,35=96,5
м/мин
Переход 3
Vтабл=18 м/мин
(табл. 86 [1]) при t=3 мм;
К1=0,65 (табл. 80 [1]);
К2=1,2- при стойкости
Т=60 мин (табл. 81[1]);
К3=1,0 (табл. 82 [1]),
тогда
V3=24∙0,65∙1,2∙1,0=18,72
м/мин
Переход 4. Поперечное точение.
Vтабл=57
м/мин (табл. 9 [1]) при t=5
мм;
S0=0,4
мм/об, материал - сталь 45 HRC
52…55;
К1=0,65 (табл. 12 [1]);
К2=1,0 (табл. 13[1]) - при стойкости
Т=60 мин (табл.3 [1]);
К3=1,35 (табл. 14 [1]), тогда
V4=57∙0,65∙1,0∙1,35=50,018
м/мин
Переход 6
Vтабл=18
м/мин (табл. 86 [1]) при t=3
мм;
К1=0,65 (табл. 80 [1]);
К2=1,2- при стойкости Т=60 мин (табл.
81[1]);
К3=1,0 (табл. 82 [1]), тогда
V3=24∙0,65∙1,2∙1,0=18,72
м/мин
.2.4 Частота вращения (число оборотов в минуту)
определяется по формуле:
об/мин
где V - скорость
резания, м/мин;
D - размер
обрабатываемой поверхности, мм.
Переход 2
об/мин
Переход 3
об/мин
Переход 4
об/мин
Переход 6
об/мин
Корректируем частоту вращения по
паспортным данным станка
Переход 2. n=400 об/мин
Переход 3. n=800 об/мин
Переход 4. n=200 об/мин
Переход 6. n=800 об/мин
.2.5 Фактическая скорость резания
м/мин
Переход 2
м/мин
Переход 3
м/мин
Переход 4
м/мин
Переход 6
м/мин
.2.6 Минутная подача
Sм=S0n мм/мин
Переход 2. Sм=0,6∙400=240
мм/мин
Переход 3. Sм=0,6∙800=480
мм/мин
Переход 4. Sм=0,4∙200=80
мм/мин
Переход 6. Sм=0,6∙800=480
мм/мин
.2.7 Сила резания
Сила резания определяется для
наиболее нагруженного перехода. В данном случае самый нагруженный переход 4 -
поперечное точение (t=5 мм, S0=0,4 мм/об, n=200 об/мин,
Vф=40,8
м/мин).
Рz=Ртабл∙К1∙К2
Н
где Ртабл - сила резания,
табличная, кг (табл.15 [1]);
К1 - коэффициент,
зависящий от обрабатываемого материала (табл.16 [1]);
К2 - коэффициент,
зависящий от скорости резания и переднего угла при точении (табл. 17 [1]).
Ртабл=5000 Н
К1=0,95
К2=1,1
Рz=5000∙0,95∙1,1=5225
Н
.2.8 Мощность резания
кВт
При это должно быть Nрез<1,2Nдвη
кВт
Nдв=6,3 кВт η=0,7 - к.п.д
станка;
<1,2∙6,3∙0,7=5,3 кВт
<5,3, т.е обработка на таких
режимах возможна.
5. Расчет Тшт операции
005
.1 Размеры мест обработки и
расчетная длина обработки (табл. 29, 30 [1]) определяются для каждого перехода
исходя из размеров детали по чертежу и припуску.
Переход 2
Диаметр обрабатываемой поверхности
(размер заготовки) D=75 мм.
Длина обрабатываемой поверхности
l=(D-d)/2=(75-0)/2=37,5мм.
Расчетная длина обработки
L=l+l1=37,5+6=43,5
мм;
где l1 - сумма
длины резания на переходе и длины подвода и перебега, мм (табл. 29, 30 [1]).
Переход 3
Диаметр обрабатываемой поверхности D=6 мм.
Длина обрабатываемой поверхности
(длина рабочей части сверла) l=8 мм.
Расчетная длина обработки
L=l+l1=8+2=10 мм.
Переход 4
Диаметр обрабатываемой поверхности
(размер заготовки) D=75 мм.
Длина обрабатываемой поверхности
l=(D-d)/2=(75-0)/2=37,5
мм.
Расчетная длина обработки
L=l+l1=37,5+9=46,5
мм.
Переход 6
Диаметр обрабатываемой поверхности D=6 мм.
Длина обрабатываемой поверхности
(длина рабочей части сверла) l=8 мм.
Расчетная длина обработки
L=l+l1=8+2=10 мм
.2 Число проходов i
определяется в зависимости от припуска на обработку и выбранной глубины
резания. Обработка всех поверхностей данной операции ведется за один проход.
.3 Основное (технологическое) время
обработки для каждого перехода определяется по формуле:
мин
Переход 2
мин.
Переход 3
мин.
Переход 4
мин.
Переход 6
мин.
Всего
.4 Вспомогательное время обработки Тв
определяется по элементам:
вспомогательное время на установку и
снятие детали определяется по таблице 31 [1]. При установке заготовки массой до
5 кг в самоцентрирующемся патроне с креплением ключом без выверки tуст=0,37 мин.
переустановка детали берется 0,8 tуст=0,8∙0,32=0,26
мин.
вспомогательное время, связанное с
переходом, tпер
определяется по таблице 34[1].
Переход 2. Поперечное точение с
установкой резца по лимбу (поз. 13) tпер=0,27 мин.
Переход 3. Ценрирование (табл. 123
[1], поз. 2) tпер=0,07 мин.
Переход 4. Поперечное точение с
установкой резца по лимбу (поз. 13) tпер=0,27 мин.
Переход 6. Ценрирование (табл. 123
[1], поз. 2) tпер=0,07 мин.
вспомогательное время, связанное с
переходом на приемы, не вошедшие в комплексы.
Переход 1. Установить подрезной
резец - tпер=0,5 мин;
Установить отрезной резец - tпер=0,6 мин;
Установить сверло - tпер=0,1 мин.
Переход 2. Изменить частоту вращения
шпинделя - tпер=0,07 мин;
Изменить величину подачи - tпер=0,06 мин;
Повернуть резцовую головку - tпер=0,07 мин.
Переход 3. Изменить частоту вращения
шпинделя - tпер=0,07 мин.
Переход 4. Изменить частоту вращения
шпинделя - tпер=0,07 мин;
Изменить величину подачи - tпер=0,06 мин;
Повернуть резцовую головку - tпер=0,07 мин.
Переход 6. Изменить частоту вращения
шпинделя - tпер=0,07 мин. -
вспомогательное время, рассчитанное по элементам суммируется.
tуст=0,37+0,26=0,63
мин.
Переход 1.
tпер+
=0+0,5+0,6+0,1=1,2
мин.
Переход 2.
tпер+
=0,16+0,07+0,06+0,07=0,36
мин.
Переход 3.
tпер+
=0,02+0,07=0,09
мин.
Переход 4.
tпер+
=0,52+0,07+0,06+0,07=0,72мин.
Переход 6.
tпер+
=0,02+0,07=0,09
мин.
вспомогательное время на контрольные
измерения tизм.
Устанавливается по таблице 36 [1],
измерение штангенциркулем при точности 0,1 мм, измеряемом размере до 200 мм,
длина измеряемой поверхности до 200 мм - tизм=0,14 мин.
Периодичность контроля определяется
по таблице 43 при установке резца на размер по лимбу для размеров до 200 мм,
коэффициент периодичности равен 0,9.
Таким образом Тизм=0,14∙0,9=0,13
мин.
Тв=tуст+ tпер+ tизм=0,63+1,2+0,36+0,09+0,72+0,09=3,09
мин
Поправочный коэффициент на
вспомогательное время в зависимости от размера партии определяется по таблице
40 [1]: при размере партии n=4 шт и оперативном времени на одну
деталь
Топ=То+Тв=0,8
+3,09=3,89 мин.
Ктв=1,15
.5 аабс - время на
обслуживание рабочего места в процентах от оперативного времени, определяемое
по таблице 41 [1], аабс=3,5%
аотл - время перерывов на
отдых и личные надобности в процентах от оперативного времени, определяемое по
таблице 41 [1], аотл=4%
.6 Штучное время определяется по
формуле
мин
где q -
количество одновременно обрабатываемых деталей, шт;
То - основное
(технологическое) время обработки на операцию, мин;
Тв - вспомогательное время
на обработку, мин;
Ктв - Поправочный
коэффициент на вспомогательное время в зависимости от размера партии деталей;
аабс - время на
обслуживание рабочего места, %;
аотл - время перерывов на
отдых и личные надобности, %.
мин
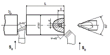
. Расчет режимов резания операции
010
Оборудование - токарно-винторезный
станок 16Б16П.
Приспособление - центр рифленый,
центр вращающийся.
Обработка - без охлаждения.
Партия - 4 шт.
.1 Содержание операции
. Установить и снять заготовку.
. Обточить ø 75 до ø 50 мм на длине
85 мм в упор (начерно).
. Обточить фаску 2×45º.
4. Переустановить и снять заготовку.
. Обточить ø 75 до ø 73 мм на длине
65 мм насквозь (начерно).
. Обточить ø 75 до ø 57 мм на длине
50 мм в упор (начерно).
. Обточить ø 57 до ø 52 мм на длине
30 мм в упор (начерно).
.2 Последовательность расчета
Режущий инструмент - проходной
отогнутый резец твердосплавной пластиной Т5К10
Измерительный инструмент -
штангенциркуль.
.2.1 Глубина резания t
определяется по величине припуска на обработку детали по чертежу заготовки
Переход 2
h=
мм, t=5 мм.
Переход 3. t=2 мм.
Переход 5
t=
мм.
Переход 6
мм, t=3 мм и t=3 мм.
Переход 7
мм, t=3 мм и t=2,5 мм.
.2.2 Подача S0
определяется по таблице 5 [1].
Переход 2. При t=5 мм
рекомендуемая подача S=0,3 мм/об. Принимаем S=0,3 мм/об.
Переход 3. При t=2 мм
рекомендуемая подача S=0,6 мм/об.
Переход 5. При t=2,5 мм
рекомендуемая подача S=0,6 мм/об. Принимаем S=0,6 мм/об.
Переход 6. При t=3 мм
рекомендуемая подача S=0,6 мм/об.
При t=2,5 мм рекомендуемая
подача S=0,6 мм/об.
Переход 7. При t=3 мм
рекомендуемая подача S=0,6 мм/об.
При t=2,5 мм
рекомендуемая подача S=0,6 мм/об.
Уточняем подачи по паспортным данным
станка:
Переход 2. S=0,3 мм/об.
Переход 3. S=0,6 мм/об.
Переход 5. S=0,6 мм/об.
Переход 6. S=0,6 мм/об.
Переход 7. S=0,6 мм/об.
.2.3 Скорость резания V
определяется по формуле для каждого перехода
Переход 2. Продольное точение
Vтабл=105 м/мин
(табл. 9 [1]) при t=5 мм;
К1=0,65 (табл. 12 [1]);
К2=1,0 (табл. 13[1]) -
при стойкости Т=60 мин (табл.3 [1]);
К3=1,0 (табл. 14 [1]),
тогда
V2=105∙0,65∙1,0∙1,0=68,25
м/мин
Переход 3. Поперечное точение
Vтабл=100 м/мин
(табл. 9 [1]) при t=2 мм;
К1=0,65 (табл. 12 [1]);
К2=1,0 (табл. 13[1]) -
при стойкости Т=60 мин (табл.3 [1]);
К3=1,0 (табл. 14 [1]), тогда
V3=100∙0,65∙1,0∙1,0=65
м/мин
Переход 5. Продольное точение
Vтабл=125 м/мин
(табл. 9 [1]) при t=1мм;
К1=0,65 (табл. 12 [1]);
К2=1,0 (табл. 13[1]) -
при стойкости Т=60 мин (табл.3 [1]);
К3=1,0 (табл. 14 [1]),
тогда
V5=125∙0,65∙1,0∙1,0=81
м/мин
Переход 6
Vтабл=85 м/мин
(табл. 9 [1]) при t=3 мм;
К1=0,65 (табл. 12 [1]);
К2=1,0 (табл. 13[1]) -
при стойкости Т=60 мин (табл.3 [1]);
К3=1,0 (табл. 14 [1]),
тогда
V6=85∙0,65∙1,0∙1,0=55,25
м/мин
Vтабл=100 м/мин
(табл. 9 [1]) при t=2,5 мм;
К1=0,65 (табл. 12 [1]);
К2=1,0 (табл. 13[1]) -
при стойкости Т=60 мин (табл.3 [1]);
К3=1,0 (табл. 14 [1]),
тогда
V6=100∙0,65∙1,0∙1,0=65
м/мин
Переход 7
Vтабл=85 м/мин
(табл. 9 [1]) при t=3 мм;
К1=0,65 (табл. 12 [1]);
К2=1,0 (табл. 13[1]) -
при стойкости Т=60 мин (табл.3 [1]);
К3=1,0 (табл. 14 [1]),
тогда
V7=85∙0,65∙1,0∙1,0=55,25
м/мин
Vтабл=100 м/мин
(табл. 9 [1]) при t=2,5 мм;
К1=0,65 (табл. 12 [1]);
К2=1,0 (табл. 13[1]) -
при стойкости Т=60 мин (табл.3 [1]);
К3=1,0 (табл. 14 [1]),
тогда
V5=100∙0,65∙1,0∙1,0=65
м/мин
.2.4 Частота вращения (число
оборотов в минуту) определяется по формуле:
Переход 2
об/мин
Переход 3
об/мин
Переход 5
об/мин
Переход 6
об/мин
об/мин
Переход 7
об/мин
об/мин
Корректируем частоту вращения по
паспортным данным станка
Переход 2. n=250 об/мин
Переход 3. n=500 об/мин
Переход 5. n=315 об/мин
Переход 6. n=200 об/мин
n=315 об/мин
Переход 7. n=300 об/мин
n=315 об/мин
6.2.5 Фактическая скорость резания
Переход 2
м/мин
Переход 3
м/мин
Переход 5
м/мин
Переход 6
м/мин
м/мин
Переход 7
м/мин
м/мин
фиксатор резание проход
поверхность
6.2.6 Минутная подача
Переход 2. Sм=0,4∙250=100
мм/мин
Переход 3. Sм=0,6∙500=300
мм/мин
Переход 5. Sм=0,6∙315=189
мм/мин
Переход 6. Sм=0,6∙200=120
мм/мин
Sм=0,6∙315=189
мм/мин
Переход 7. Sм=0,6∙300=180
мм/мин
Sм=0,6∙315=189
мм/мин
.2.7 Сила резания
Сила резания определяется для наиболее
нагруженного перехода. В данном случае самый нагруженный переход 7 - поперечное
точение (t=3 мм, S0=0,6
мм/об, n=315 об/мин, Vф=48,5
м/мин).
Ртабл=4100 Н
К1=0,95
К2=1,1
Рz=4100∙0,95∙1,1=4284,5
Н
.2.8 Мощность резания
кВт
,7<5,3, т.е обработка на таких
режимах возможна.
7. Расчет Тшт операции
010
7.1 Размеры мест обработки и
расчетная длина обработки определяются для каждого перехода исходя из размеров
детали по чертежу и припуску.
Переход 2.
Диаметр обрабатываемой поверхности D=75 мм.
Длина обрабатываемой поверхности l=85 мм.
Расчетная длина обработки L=85+12=97
мм;
Переход 3
Диаметр обрабатываемой поверхности D=37,5 мм.
Длина обрабатываемой поверхности l=2 мм.
Расчетная длина обработки L=2+3=5 мм.
Переход 5
Диаметр обрабатываемой поверхности D=75 мм.
Длина обрабатываемой поверхности l=65 мм.
Расчетная длина обработки L=65+10=75
мм.
Переход 6
Диаметр обрабатываемой поверхности D=75 мм.
Длина обрабатываемой поверхности l=50 мм.
Расчетная длина обработки L=50+8=58 мм.
Переход 7
Диаметр обрабатываемой поверхности D=57 мм.
Длина обрабатываемой поверхности l=30 мм.
Расчетная длина обработки L=30+8=38 мм.
.2 Число проходов i
определяется в зависимости от припуска на обработку и выбранной глубины
резания. Обработка поверхности перехода 2 ведется с i=3,
переходов 6 и 7 с i=2.
.3 Основное (технологическое) время
обработки для каждого перехода:
Переход 2
мин.
Переход 3
мин.
Переход 5
мин.
Переход 6
мин.
мин.
Переход 7
мин.
мин.
Всего
мин
.4 Вспомогательное время обработки Тв
определяется по элементам:
вспомогательное время на установку и
снятие детали определяется по таблице 32 [1]. При установке заготовки массой до
5 кг в центрах без надевания хомутика tуст=0,16 мин.
Переустановка детали берется 0,8 tуст=0,8∙0,16=0,13
мин.
вспомогательное время, связанное с
переходом, tпер
определяется по таблице 34[1].
Переход 2. Продольное точение (поз.
10) tпер=0,35∙3=1,05
мин.
Переход 3. Поперечное точение (поз.
13) tпер=0,17 мин.
Переход 5. Продольное точение (поз.
10) tпер=0,35 мин.
Переход 6. Продольное точение (поз.
9) tпер=0,24 мин.
Продольное точение (поз. 12) tпер=0,6 мин.
Переход 7. Продольное точение (поз.
9) tпер=0,24 мин.
Продольное точение (поз. 12) tпер=0,6 мин.
вспомогательное время, связанное с
переходом на приемы, не вошедшие в комплексы.
Переход 2. Изменить частоту вращения
шпинделя - tпер=0,07 мин;
Изменить величину подачи - tпер=0,06 мин;
Переход 3. Изменить частоту вращения
шпинделя - tпер=0,07 мин.
Изменить величину подачи - tпер=0,06 мин;
Повернуть резцовую головку - tпер=0,07 мин.
Переход 5. Изменить частоту вращения
шпинделя - tпер=0,07 мин;
Повернуть резцовую головку - tпер=0,07 мин.
Переход 6. Изменить частоту вращения
шпинделя - tпер=0,07 мин.
Переход 7. Изменить частоту вращения
шпинделя - tпер=0,07 мин.
вспомогательное время, рассчитанное
по элементам суммируется.
tуст=0,16+0,13=0,29
мин.
Переход 2
tпер+
=1,05+0,07+0,06=1,18
мин.
Переход 3
tпер+
=0,17+0,07+0,06+0,07=0,37
мин.
Переход 5
tпер+
=0,35+0,07+0,07=0,49мин.
Переход 6
tпер+
=0,84+0,07=0,91
мин.
Переход 7
tпер+
=0,84+0,07=0,91
мин.
вспомогательное время на контрольные
измерения tизм.
Устанавливается по таблице 36 [1],
измерение штангенциркулем при точности - tизм=0,1∙3=0,3
мин.
Периодичность контроля определяется
по таблице 43 при установке резца на размер по лимбу для размеров до 200 мм,
коэффициент периодичности равен 0,9.
Таким образом, Тизм=0,3∙0,9=0,27
мин.
Тв=tуст+ tпер+ tизм=0,29+1,18+0,37+0,49+0,91+0,91=4,15
мин
Поправочный коэффициент на
вспомогательное время в зависимости от размера партии определяется по таблице
40 [1]: при размере партии n=4 шт и оперативном времени на одну
деталь
Топ=То+Тв=4,41+4,15=8,56
мин.
Ктв=1,0
.5 аабс - время на
обслуживание рабочего места в процентах от оперативного времени, определяемое
по таблице 41 [1], аабс=3,5%
аотл - время перерывов на
отдых и личные надобности в процентах от оперативного времени, определяемое по
таблице 41 [1], аотл=4%
.6 Штучное время определяется по
формуле
мин
8. Расчет режимов резания операции
015
Оборудование - токарно-винторезный
станок 16Б16П.
Приспособление - центр рифленый,
центр вращающийся.
Обработка - без охлаждения.
Партия - 4 шт.
.1 Содержание операции
. Обточить ø 57 до ø 56 мм на длине
20 мм в упор (получисто).
. Обточить ø 52 до ø 51 мм на длине
30 мм в упор (получисто).
. Обточить ø 56 до ø 55,5 мм на длине
20 мм в упор (начисто).
. Обточить ø 51 до ø 50 мм на длине
30 мм в упор (начисто).
. Обточить фаску 2×45º
8.2 Последовательность расчета
Режущий инструмент - проходной
отогнутый резец твердосплавной пластиной Т15К6
Измерительный инструмент -
штангенциркуль.
.2.1 Глубина резания t
определяется по величине припуска на обработку детали по чертежу заготовки
Переход 1
t=
мм.
Переход 2
t=
мм.
Переход 3
t=
мм.
Переход 4
мм.
Переход 5. t=2 мм.
.2.2 Подача S0
определяется по таблице 5 [1]
Переход 1. При t=0,5мм
рекомендуемая подача S=0,6 мм/об. Принимаем S=0,6 мм/об.
Переход 2. При t=0,5 мм
рекомендуемая подача S=0,6 мм/об.
Переход 3. При t=0,25 мм
рекомендуемая подача S=0,6 мм/об. Принимаем S=0,6 мм/об.
Переход 4. При t=0,5 мм
рекомендуемая подача S=0,6 мм/об.
Переход 5. При t=2 мм
рекомендуемая подача S=0,6 мм/об.
Уточняем подачи по паспортным данным
станка:
Переход 1. S=0,6 мм/об.
Переход 2. S=0,6 мм/об.
Переход 3. S=0,6 мм/об.
Переход 4. S=0,6 мм/об.
Переход 5. S=0,6 мм/об.
.2.3 Скорость резания V
определяется по формуле для каждого перехода
Переход 1. Продольное точение
Vтабл=125 м/мин
(табл. 9 [1]) при t=1 мм;
К1=0,65 (табл. 12 [1]);
К2=1,55 (табл. 13[1]) -
при стойкости Т=60 мин (табл.3 [1]);
К3=1,0 (табл. 14 [1]),
тогда
V2=125∙0,65∙1,55∙1,0=125,9
м/мин
Переход 2. Продольное точение
Vтабл=125 м/мин
(табл. 9 [1]) при t=1 мм;
К1=0,65 (табл. 12 [1]);
К2=1,55 (табл. 13[1]) -
при стойкости Т=60 мин (табл.3 [1]);
К3=1,0 (табл. 14 [1]),
тогда
V3=125∙0,65∙1,55∙1,0=125,9
м/мин
Переход 3. Продольное точение
Vтабл=125 м/мин
(табл. 9 [1]) при t=0,75 мм;
К1=0,65 (табл. 12 [1]);
К2=1,55 (табл. 13[1]) -
при стойкости Т=60 мин (табл.3 [1]);
К3=0,8 (табл. 14 [1]),
тогда
V5=125∙0,65∙1,55∙0,8=100,75
м/мин
Переход 4. Продольное точение
Vтабл=125
м/мин (табл. 9 [1]) при t=0,5
мм;
К1=0,65 (табл. 12 [1]);
К2=1,55 (табл. 13[1]) - при стойкости
Т=60 мин (табл.3 [1]);
К3=0,8 (табл. 14 [1]), тогда
V6=125∙0,65∙1,55∙0,8=100,75
м/мин
Переход 5. Поперечное точение
Vтабл=100
м/мин (табл. 9 [1]) при t=2
мм;
К1=0,65 (табл. 12 [1]);
К2=1,55 (табл. 13[1]) - при стойкости
Т=60 мин (табл.3 [1]);
К3=1,05 (табл. 14 [1]), тогда
V7=100∙0,65∙1,55∙1,05=105,79
м/мин
.2.4 Частота вращения (число оборотов в минуту)
определяется по формуле:
Переход 1
об/мин
Переход 2
об/мин
Переход 3
об/мин
Переход 4
об/мин
Переход 5
об/мин
Корректируем частоту вращения по
паспортным данным станка
Переход 1. n=700 об/мин
Переход 2. n=700 об/мин
Переход 3. n=500 об/мин
Переход 4. n=600 об/мин
Переход 5. n=630 об/мин
.2.5 Фактическая скорость резания
Переход 1
Переход 2
м/мин
Переход 3
м/мин
Переход 4
м/мин
Переход 5
м/мин
.2.6 Минутная подача
Переход 1. Sм=0,6∙700=420
мм/мин
Переход 2. Sм=0,6∙700=420
мм/мин
Переход 3. Sм=0,6∙500=300
мм/мин
Переход 4. Sм=0,6∙600=360
мм/мин
Переход 5. Sм=0,6∙630=378
мм/мин
.2.7 Сила резания
Сила резания определяется для
наиболее нагруженного перехода. В данном случае самый нагруженный переход 5 -
поперечное точение (t=2 мм, S0=0,6 мм/об, n=800 об/мин,
Vф=87,9
м/мин). Ртабл=2700 Н; К1=0,95; К2=1,1.
Рz=2700∙0,95∙1,1=2821,5
Н
.2.8 Мощность резания
кВт
4,5 <5,3, т.е обработка на таких режимах
возможна.
9. Расчет Тшт операции
015
.1 Размеры мест обработки и расчетная длина
обработки определяются для каждого перехода исходя из размеров детали по
чертежу и припуску.
Переход 1
Диаметр обрабатываемой поверхности D=57
мм.
Длина обрабатываемой поверхности l=20
мм.
Расчетная длина обработки L=20+4=24
мм;
Переход 2
Диаметр обрабатываемой поверхности D=52
мм.
Длина обрабатываемой поверхности l=30
мм.
Расчетная длина обработки L=30+4=34
мм.
Переход 3
Диаметр обрабатываемой поверхности D=56
мм.
Длина обрабатываемой поверхности l=20
мм.
Расчетная длина обработки L=20+4=24
мм.
Переход 4
Диаметр обрабатываемой поверхности D=51
мм.
Длина обрабатываемой поверхности l=20
мм.
Расчетная длина обработки L=20+4=24
мм.
Переход 5
Диаметр обрабатываемой поверхности D=52
мм.
Длина обрабатываемой поверхности l=2
мм.
Расчетная длина обработки L=2+3=5
мм.
.2 Число проходов i
определяется в зависимости от припуска на обработку и выбранной глубины
резания. Обработка всех поверхностей ведется за один проход.
.3 Основное (технологическое) время обработки
для каждого перехода:
Переход 1
мин.
Переход 2
мин.
Переход 3
мин.
Переход 4
мин.
Переход 5
мин.
Всего
мин
9.4 Вспомогательное время обработки Тв
определяется по элементам: - вспомогательное время, связанное с переходом, tпер
определяется по таблице 34[1].
Переход 1. Продольное точение (поз. 12) tпер=0,6
мин.
Переход 2. Продольное точение (поз. 12) tпер=0,6
мин.
Переход 3. Продольное точение (поз. 12) tпер=0,6
мин.
Переход 4. Продольное точение (поз. 12) tпер=0,6
мин.
Переход 5. Продольное точение (поз. 12) tпер=0,6
мин.
вспомогательное время, связанное с переходом на
приемы, не вошедшие в комплексы.
Переход 1. Изменить частоту вращения шпинделя - tпер=0,07
мин;
Повернуть резцовую головку - tпер=0,07
мин.
Переход 2. Изменить частоту вращения шпинделя - tпер=0,07
мин.
Переход 3. Изменить частоту вращения шпинделя - tпер=0,07
мин;
Переход 4. Изменить частоту вращения шпинделя - tпер=0,07
мин.
Переход 5. Повернуть резцовую головку - tпер=0,07
мин.
вспомогательное время, рассчитанное по элементам
суммируется.
Переход 1
tпер+
=0,6+0,07+0,07=0,74
мин.
Переход 2
tпер+
=0,6+0,07=0,67
мин.
Переход 3
tпер+
=0,6+0,07=0,67мин.
Переход 4
tпер+
=0,6+0,07=0,67
мин.
Переход 5
tпер+
=0,6+0,07=0,67
мин.
вспомогательное время на контрольные
измерения tизм.
Устанавливается по таблице 36 [1],
измерение штангенциркулем - tизм=0,1∙3=0,3
мин. Измерение микрометром - tизм=0,14 мин
Периодичность контроля определяется
по таблице 43 при установке резца на размер по лимбу для размеров до 200 мм,
коэффициент периодичности равен 0,9.
Таким образом
Тизм=(0,3+0,14)∙0,9=0,4
мин.
Тв=tуст+ tпер+ tизм=0+0,74+0,67+0,67+0,67+0,67+0,4=3,82
мин
Поправочный коэффициент на
вспомогательное время в зависимости от размера партии определяется по таблице
40 [1]: при размере партии n=4 шт и оперативном времени на одну
деталь
Топ=То+Тв=0,31+3,82=4,13
мин.
Ктв=1,15
.5 аабс - время на
обслуживание рабочего места в процентах от оперативного времени, определяемое
по таблице 41 [1], аабс=3,5%
аотл - время перерывов на
отдых и личные надобности в процентах от оперативного времени, определяемое по
таблице 41 [1], аотл=4%
.6 Штучное время определяется по
формуле
мин
10. Расчет режимов резания операции
020
Оборудование -
вертикально-сверлильный станок 2Н125.
Приспособление - тиски с
призматическими губками и пневматическим зажимом.
Обработка - без охлаждения.
Партия - 4 шт.
.1 Содержание операции
. Установить и снять заготовку.
. Сверлить отв, ø 9,8 мм
насквозь.
. Развернуть отв, ø 10 мм насквозь.
. Сверлить 2 отв. ø 10мм насквозь.
. Зенкеровать 4 фаски 2×45º
10.2 Последовательность расчета
Режущий инструмент - Сверло с
коническим хвостовиком ø
9,8 мм
и ø
10 мм,
зенкер ø
14 мм,
развертка ø
10 мм.
.2.1 Глубина резания t
определяется по величине припуска на обработку детали по чертежу заготовки
Переход 2
t=9,8/2=4,9
мм.
Переход 3
t=
мм.
Переход 4
t=10/2=5 мм.
Переход 5
мм.
.2.2 Подача S0
определяется по таблице 74 [1].
Переход 2. При t=4,9мм
рекомендуемая подача S=0,08 мм/об.
Переход 3. При t=0,1 мм
рекомендуемая подача S=0,35 мм/об.
Переход 4. При t=5 мм
рекомендуемая подача S=0,06 мм/об.
Переход 5. При t=2 мм
рекомендуемая подача S=0,35 мм/об.
Уточняем подачи по паспортным данным
станка:
Переход 2. S=0,15 мм/об.
Переход 3. S=0,45 мм/об.
Переход 4. S=0,1 мм/об.
Переход 5. S=0,14 мм/об.
.2.3 Скорость резания V определяется
по формуле для каждого перехода
Переход 2
Vтабл=25 м/мин
(табл. 79 [1]) при t=4,9 мм;
К1=0,8 (табл. 80 [1]);
К2=1,2 (табл. 81 [1]) -
при стойкости Т=60 мин;
К3=1,0 (табл. 82 [1]),
тогда
V2=25∙0,8∙1,2∙1,0=24
м/мин
Переход 3
Vтабл=9 м/мин
(табл. 83 [1]) при t=0,1 мм;
К1=0,65 (табл. 80 [1]);
К2=1,55 (табл. 81[1]) -
при стойкости Т=60 мин
К3=1,0 (табл. 82 [1]),
тогда
V3=9∙0,65∙1,2∙1,0=7,02
м/мин
Переход 4
Vтабл=25 м/мин
(табл. 79 [1]) при t=5 мм;
К1=0,8 (табл. 80 [1]);
К2=1,2 (табл. 81 [1]) -
при стойкости Т=60 мин;
К3=1,0 (табл. 82 [1]),
тогда
V4=25∙0,8∙1,2∙1,0=24
м/мин
Переход 5
Vтабл=28 м/мин
(табл. 79 [1]) при t=2 мм;
К1=0,8 (табл. 80 [1]);
К2=1,2 (табл. 81[1]) -
при стойкости Т=60 мин;
К3=0,8 (табл. 82 [1]),
тогда
V5=28∙0,8∙1,2∙1,0=29,1
м/мин
.2.4 Частота вращения (число
оборотов в минуту) определяется по формуле:
Переход 2
об/мин
Переход 3
об/мин
Переход 4
об/мин
Переход 5
об/мин
Корректируем частоту вращения по
паспортным данным станка
Переход 2. n=710/мин
Переход 3. n=250/мин
Переход 4. n=630 об/мин
Переход 5. n=710/мин
.2.5 Фактическая скорость резания
Переход 2
м/мин
Переход 3
м/мин
Переход 4
м/мин
Переход 5
м/мин
.2.6 Минутная подача
Переход 2
Sм=0,15∙710=106,5
мм/мин
Переход 3
Sм=0,45∙250=112,5
мм/мин
Переход 4
Sм=0,1∙630=63
мм/мин
Переход 5
Sм=0,14∙710=99,4
мм/мин
.2.8 Мощность резания
Nрез
1,2Nэ, Nэ=Nдв∙η=1,2∙2,8∙0,8=2,7
кВт
где Nрез - мощность
резания по таблице, кВт (табл. 111 [1]);
КN -
коэффициент, зависящий от обрабатываемого материала (табл. 112 [1]).
кВт
,7=2,7, т.е обработка на таких
режимах возможна.
. Расчет Тшт операции 020
.1 Размеры мест обработки и
расчетная длина обработки (табл. 120 [1]) определяются для каждого перехода
исходя из размеров детали по чертежу и припуску
Переход 2
Диаметр обрабатываемой поверхности D=9,8мм.
Длина обрабатываемой поверхности l=30 мм.
Расчетная длина обработки L=30+5=35 мм;
Переход 3
Диаметр обрабатываемой поверхности D=10 мм.
Длина обрабатываемой поверхности l=30 мм.
Расчетная длина обработки L=30+10=40 мм.
Переход 4
Диаметр обрабатываемой поверхности D=50 мм.
Длина обрабатываемой поверхности l=40 мм.
Расчетная длина обработки L=30+4=34 мм.
Переход 5
Диаметр обрабатываемой поверхности D=10 мм.
Длина обрабатываемой поверхности l=30 мм.
Расчетная длина обработки L=30+5=35 мм.
.2 Число проходов i
определяется в зависимости от припуска на обработку и выбранной глубины
резания. Обработка всех поверхностей ведется за один проход.
.3 Основное (технологическое) время
обработки для каждого перехода:
Переход 2
мин.
Переход 3
мин.
Переход 4
мин.
Переход 5
мин.
Всего
мин
.4 Вспомогательное время обработки Тв
определяется по элементам:
вспомогательное время на установку и
снятие детали по табл. 121 [1] tуст=0,19 мин.
вспомогательное время, связанное с
переходом, tпер
определяется по таблице 123[1].
Переход 2. tпер=0,1 мин.
Переход 3. tпер=0,1 мин.
Переход 4. tпер=0,1 мин.
Переход 5. tпер=0,1 мин.
вспомогательное время, связанное с
переходом на приемы, не вошедшие в комплексы.
Переход 2. Изменить частоту вращения
шпинделя - tпер=0,08 мин;
Установить и снять инструмент - tпер=0,12 мин.
Включить выключить вращение шпинделя
- tпер=0,02 мин.
Время на вывод сверла - tпер=0,07 мин.
Переход 3. Изменить частоту вращения
шпинделя - tпер=0,07 мин.
Установить и снять инструмент - tпер=0,12 мин.
Включить выключить вращение шпинделя
- tпер=0,02 мин.
Время на вывод развертки - tпер=0,07 мин.
Переход 4. Изменить частоту вращения
шпинделя - tпер=0,07 мин;
Установить и снять инструмент - tпер=0,12 мин.
Включить выключить вращение шпинделя
- tпер=0,04 мин.
Время на вывод сверла - tпер=0,14 мин.
Поворот заготовки tпер=0,03 мин.
Переход 5. Изменить частоту вращения
шпинделя - tпер=0,07 мин.
Установить и снять инструмент - tпер=0,12 мин.
Включить выключить вращение шпинделя
- tпер=0,08 мин.
Поворот заготовки tпер=0,03 мин.
Время на подвод отвод инструмента tпер=0,03∙8=0,24
вспомогательное время, рассчитанное
по элементам суммируется.
Переход 2
tпер+
=0,1+0,08+0,12+0,02+0,07=0,39
мин.
Переход 3
tпер+
=0,1+0,07+0,12+0,02+0,07=0,38
мин.
Переход 4
tпер+
=0,1+0,07+0,12+0,04+0,14+0,03=0,57мин.
Переход 5
tпер+
=0,1+0,07+0,12+0,08+0,03=0,4
мин.
Тв=tуст+ tпер=0,19+0,39+0,38+0,57+0,4=1,93
мин
.5 аабс - время на
обслуживание рабочего места в процентах от оперативного времени, определяемое
по таблице 127 [1], аабс=4%
аотл - время перерывов на
отдых и личные надобности в процентах от оперативного времени, определяемое по
таблице127 [1], аотл=4%
.6 Штучное время определяется по
формуле
мин
12. Расчет режимов резания операции
035
Оборудование - кругло-шлифовальный станок 3М131.
Приспособление - гладкие центра и поводковый
патрон.
Обработка - без охлаждения.
Партия - 4 шт.
.1 Содержание операции
. Установить и снять заготовку.
2. Шлифовать ø
.
.2 Последовательность расчета
Режущий инструмент - шлифовальный
круг ПП 600×63×203
25С2К
ГОСТ 2424-83
.2.3 Окружная скорость детали и
частота вращения
м/мин
где Dд - диаметр
шлифуемой поверхности детали, мм;
nд - частота
вращения детали, об/мин (табл. 152 [1]).
При диаметре шлифования до 50 мм,
обрабатываемый материал Сталь 45 - >50 HRC, nд=250 об/мин.
м/мин
.2.4 Минутная поперечная подача Stм
определяется по таблице 154:
при D=55 мм,
длине шлифования до 32 мм, припуске на диаметр 2П=0,5 мм Stм=0,88
мм/мин.
С учетом поправочных коэффициентов:
К1=0,83; К2=1,0;
К3=0,8; К4=1,0 по таблице 155 [1].
Имеем Stм=0,88∙0,83∙1,0∙0,8∙1,0=0,58
мм/мин.
.2.5 Мощность потребная на резание:
Мощность N, потребная
на резание. При выбранном режиме шлифования определяем по нормативам (таблица
156 [1]). При поперечной подачи на ход стола до 0,005 мм/ход мощность потребная
на резание выбираю N=2,0 кВт.
Для выполнения условия резания
необходимо:
Nрез<Nдв∙η
где η=0,8 - КПД станка;
Nдв=7,5 кВт,
тогда 2,0<7,5∙0,8=6 кВт,
т.е обработка при данных режимах возможна.
13. Расчет Тшт для
операции 035
.1 Основное (технологическое) время
мин
где п - припуск на шлифование на
сторону, мм;
Stм - минутная
поперечная подача, мм/мин.
К - коэффициент, учитывающий
точность шлифования, при ø
К=1,7.
мин
.2 Вспомогательное время
Вспомогательное время Тв
определяется по элементам:
tуст -
вспомогательное время на установку и снятие детали, tуст=0,28 мин
(таблица 164 [1]).
tпер - время
связанное с переходом tпер =0,29 мин
(таблица 167 [1]);
tизм=0,29 мин
(таблица 165 [1], с учетом таблицы 166 [1])
Время на измерение: измерение
микрометром, квалитет точности 6, измеряемый размер до 50 мм, длина измерения
до 50 мм, периодичность измерения К=1 при шлифовании с точностью измерения до
0,1 мм.
Поправочный коэффициент на
вспомогательное время Ктв=1,23 (таблица 40 [1]).
мин.
Время на обслуживание рабочего места
и перерывов на отдых и личные надобности в процентах от оперативного времени
определяется по таблице 169 [1]. аабс=9%; аотл=4%.
.3 Штучное время
мин
14. Общее Тшт и Тп.з
Суммарное Тшт по всем операциям
мин
Подготовительно-заключительное время
токарная - Тп.з=27 мин
(таблица 42 [1]);
сверлильная - Тп.з=10 мин
(таблица 128 [1]);
шлифовальная - Тп.з=17
мин (таблица 169 [1]).
Итого Тп.з=27+10+17=54
мин.
Время штучно-количественное:
мин