Разработка стенда для исследования параметров дорожных фрез с виброприводом
ВВЕДЕНИЕ
Развитие и функционирование крупного города неизбежно приводит к
необходимости удаления снега и борьбы с обледенением дорог. Наибольшую угрозу
на автодорогах представляет собой гололед. Гололед возникает в период с ноября
по январь и с апреля по март на большей территории Российской Федерации. Это
происходит при сочетании относительной влажности воздуха 85-95%, температуры
воздуха от (-) 1ºС до (-) 6ºС, температуры дорожного покрытия
менее 0ºС. Критической температурой воздуха
для появления гололеда является нулевая, а наиболее опасен перепад температур
от (-) 2ºС до (+) 2ºС, так как в этих условиях изменяется
тормозной путь и повышается опасность возникновения дорожно-транспортных
происшествий. Коммунальным службам в этот период всегда приходиться бороться с
гололёдом на дорогах и тротуарах.
Для механизации этого вида работ существуют два вида машин:
распределители антигололёдных присадков и механические рыхлители. Недостатком
первого способа является его экологическая опасность, но наряду с этим высокая
производительность и лучшее очищение поверхности по сравнению со вторым. На
сегодняшний день также существуют и используются машины скалывающего типа с
виброприводом, которые качественно очищают дорожное покрытие, не причиняя вред
экологии.
Такие машины базируются на плоских рамах снабжённых несколькими рядами
скалывающих зубьев и вибраторами круговых колебаний. Их основным недостатком
является низкая производительность, обусловленная пошаговым сколом. Данного
недостатка лишены барабанные фрезы и скалыватели, в которых зуб постоянно
контактирует с разрабатываемой средой при любой скорости базовой машины. Таким
образом, совмещение достоинств ударного скалывания с круговыми движениями
скалывающего зуба фрез позволит более эффективно производить разрушение
дорожных наледей и покрытий.
На кафедре проводятся исследования виброраскатывающих снарядов для
образования скважин. При экспериментальных исследованиях данных устройств было
обнаружено, что требуемый эффект может быть достигнут за счёт использования виброраскатывающего
привода цилиндрической среды. Однако теоретических и экспериментальных данных о
параметрах таких рабочих органов в существующей литературе не обнаружено.
Поэтому целью настоящего данной работы является разработка стенда
позволяющего определить и экспериментально проверить функциональные возможности
и рациональные параметры таких рабочих органов. Исследование на стенде
предполагается проводить на основе физического моделирования.
Дипломный проект на тему: " Разработка стенда
для исследования параметров дорожных фрез с виброприводом"
выполнен на кафедре ПСМ БИТТиУ на основании приказа № от 3.03.2008 на
дипломное проектирование по БИТТиУ.
1.
АНАЛИЗ СОСТОЯНИЯ ВОПРОСА
.1 Анализ существующего оборудования
для разрушения наледи и дорожных покрытий
Для механизации работ по удалению наледи на дорогах и тротуарах применяют
2 вида машин:
а) Распределители противогололёдных материалов;
б) Рыхлители механические.
Распределители противогололёдных материалов.
Нанесение противогололедных материалов (ПГМ) является, одним из наиболее
эффективных способов борьбы с гололедицей на транспортных магистралях. Системы
распределения ПГМ (поваренная соль, песок, зола), смонтированные на тракторах и
автомобилях, применяют с 1920 годов. На данный момент используют три типа
материалов: инертные (песок и щебень для уменьшения коэффициента скольжения и
увеличения сцепных качеств); твердые реагенты (соляные, песчано-соляные
гранулированные смеси, кальцинированный хлорид кальция, чешуированный хлорид
кальция двух-четырехводный или чешуированный хлорид магния) и жидкие химические
реагенты (ацетаты калия и ХКМ - хлорид кальция модифицированный с ингибиторами
коррозии).
Среди существующих конструкций рыхлительного оборудования для рыхления,
разрушения асфальтобетонных дорожных покрытий и ледяных наростов наиболее
известными являются, пожалуй, дорожные машины с прицепным, полуприцепным и
навесным дорожным оборудованием.
При ремонте дорог с целью разрушения, разрыхления асфальтобетона и льда
применяют:
1.1.1 Рыхлители в виде рамы с рыхлительными зубьями
- базовая машина; 2 - навесной рыхлитель.
Рисунок 1.1 - Навесной рыхлитель
Недостатками данного вида оборудования является его малая
производительность, необходимость использования гусеничных тракторов большой
мощности с большим тяговым усилием.
Для разрушения асфальтовых, бетонных покрытий применяют также
пневматические или гидравлические молоты, смонтированные на базе экскаватора.
Такое оборудование позволяет разрушать довольно большой толщины и прочности
слой асфальтобетона без предварительной подготовки.
Однако недостатком данного оборудования является то, что разрушаемая
площадь мала, т.е. данное оборудование имеет низкую производительность. Поэтому
данный вид оборудования используется лишь при мелком ремонте дорог, или чаще
всего для взлома ограниченного участка.
1.1.2 Бульдозерное оборудование.
-базовая
машина; 2-рама отвала; 3-отвал; 4-гидрооборудование.
Рисунок
1.2 - Схема разрушения покрытия или ледяного нароста бульдозерным оборудованием
Отвал
заглубляется и движением вперед, одновременно поднимая вверх отвал, разрушает
покрытие или ледяной нарост.
Недостатком данного вида оборудования является невозможность взламывания
покрытия достаточной прочности, также возникает проблема удаления и последующей
транспортировки с места работы разрушенного материала.
акже данное оборудование не предусмотрено для таких работ, вследствие
чего возможен быстрый износ и малая производительность из-за циклического
характера работы машины. Поэтому оно применяется при местном характере работ,
когда требуется незначительное по размеру разрушения.
1.1.3 Фрезерование покрытий
Существующие фрезерные установки для проведения работ в дорожной отрасли,
в основном подразделяются по следующим видам выполняемых работ:
Машины для стабилизации грунта;
Машины для фрезерования асфальтобетонных и цементобетонных покрытий при
ремонтно-восстановительных мероприятиях;
Машины для нарезки щелей.
Машины для стабилизации грунта подразделяются на однороторные дорожные фрезы
и многороторные однопроходные машины - грунтосмесители.
Однороторные дорожные фрезы осуществляют технологические операции по
рыхлению и измельчению грунта, по способу передвижения их подразделяют на:
самоходные, навесные и прицепные. К последним могут быть отнесены и
полуприцепные фрезы.
В самоходных дорожных фрезах рабочие органы монтируются на шасси,
изготовленных специально для этой цели. Навесные дорожные фрезы устанавливают
на серийно выпускаемые тягачи (гусеничные или колесные). Прицепные фрезы
работают в прицепе за трактором. У полуприцепных фрез раму устанавливают на
седле тяговой машины. Привод рабочего органа прицепных и полуприцепных фрез
осуществляется преимущественно от собственной силовой установки; известны также
прицепные фрезы с приводом ротора от вала отбора мощности тягача. По схеме
привода рабочего органа различают фрезы с боковым (односторонним или
двухсторонним) и с центральным приводами.
в)
а
- односторонний боковой; б - двухсторонний боковой;
в
- центральный; 1 - ротор; 2 - рама; 3 - конический редуктор;
- карданный вал; 5 - боковой редуктор; 6 - левая половина ротора; 7 -
правая половина ротора.
Рисунок 1.3 - Привод рабочего органа
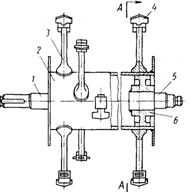
Дорожные фрезы состоят из следующих основных элементов: базового шасси;
рабочего органа; привода рабочего органа; системы дозирования и распределения
жидких вяжущих и воды.
Максимальные транспортные скорости самоходных фрез принимают 20-25 км/ч,
поэтому часто устанавливают рессоры на переднюю управляемую ось. Рессоры должны
быть снабжены блокирующим механизмом для выключения их во время работы. В
противном случае возникающие при вращении ротора колебания рамы фрезы приведут
к образованию переменной толщины обрабатываемого слоя грунта. Задний мост с
шинами низкого давления обычно рессорами не оснащают.
По направлению резания грунта фрезы подразделяют на режущие сверху вниз и
на режущие снизу вверх.
а)
б)
а - сверху - вниз; б - снизу - вверх.
Рисунок 1.4 - Схемы резания грунта
Базовыми шасси навесных дорожных фрез служат колесные (преимущественно) и
гусеничные тягачи промышленного исполнения, оборудованные ходоуменьшителями.
а)
б)
а -
на колесном шасси; б-на гусеничном шасси.
Рисунок 1.5 - Схемы навесных дорожных фрез
Прицепные дорожные фрезы монтируются на одноосных прицепных тележках.
Если прицепная фреза имеет самостоятельный двигатель, то на раме тележки
находится площадка оператора с рычагами управления.
а) б)
а - с приводом от вала отбора мощности трактора;
б - с приводом от собственного двигателя.
Рисунок 1.6 - Схемы прицепных дорожных фрез
К рабочему органу фрезы относят ротор, кожух, раму ротора и гидросистему
подъема рабочего органа.
Ротор, расположенный перпендикулярно к продольной оси машины,
представляет собой фрезерный барабан, состоящий в общем виде из вала и
лопастей. В поперечном сечении ротора (в каждом ряду), может быть различное
число лопастей.
При боковом приводе рабочая часть ротора находится между боковыми
кронштейнами рамы и полная ширина обработки грунта соответствует ширине ротора.
При этом выступающие части вала ротора устанавливают в опорах кронштейнов его
рамы; за ними (с одной или двух сторон) на этот же вал устанавливают шестерни
или звездочки бокового редуктора.
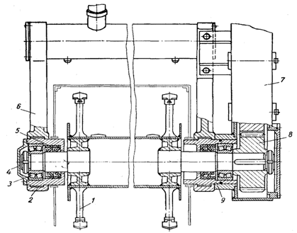
1 - ротор с
зубьями; 2 - левый стакан; 3 - роликовый подшипник;
- крышка; 5 - уплотнение; 6 - рама; 7 - корпус редуктора;
- шестерня; 9 - правый стакан.
Рисунок 1.7 - Ротор фрезы с односторонним боковым приводом
При центральном приводе ротор состоит из двух половин (левой и правой),
закрепленных на одном валу. Между половинами ротора находится редуктор привода.
Опорой ротора с центральным редуктором служит корпус редуктора, который
подвешивается на тягах к кронштейнам рамы базового шасси, либо устанавливается
на раме базовой машины (Рисунок 1.8).
Наличие центрального редуктора приводит к разрыву в середине
обрабатываемой полосы. Поэтому для проработки слоя материала, который
расположен под редуктором, применяется двухсторонний специальный плужок
(Рисунок 1.9). Преимуществом бокового привода является отсутствие разрыва в
ширине обрабатываемой полосы, а следовательно, равномерное (по ширине) качество
измельчения и перемешивания материала с вяжущими компонентами. Недостатком
этого привода по сравнению с центральным является ограниченная глубина
обработки грунта из-за наличия боковых редукторов, препятствующих заглублению.
а
б
а
- с цилиндрическим редуктором; б - с коническим редуктором.
- ротор; 2 - редуктор.
Рисунок 1.8 - Ротор фрезы с центральным приводом
1- лемех; 2 -
отвал; 3 - стойка.
Рисунок 1.9 -
Конструкция плужка
Конструкция ротора с жесткими лопастями состоит из трубчатого вала и
приваренных к нему лопастей со сменными режущими ножами. Для защиты такого
ротора от поломок при встрече с препятствием необходимо в силовой передаче
устанавливать предохранительные устройства.
а)
б)
а
- схема ротора; б - расположение лопастей на роторе;
- левая цапфа; 2 - труба; 3 - лопасть; 4 -режущий нож;
- правая цапфа; 6 - ступица.
Рисунок 1.10 - Ротор с жесткими лопастями
Ротор с пружинными (упругими) лопастями состоит из трубчатого вала с
приваренными к нему скобами, в которые вставляют пружинные лопасти,
представляющие собой пакет полос из пружинной стали, скрепленных между собой
хомутом. Наружная, загнутая полоса выполняет роль режущей лопатки. При износе загнутой
части полоса заменяется целиком. Эти лопасти смягчают удар при встрече с
препятствием, но не предохраняют от поломок.
а)
б)
а
- схема ротора; б - расположение лопастей на роторе.
- левая цапфа; 2 - труба; 3 - ступица; 4 - правая цапфа;
- скоба; 6 - лопасть; 7 - подрессорник большой;
- подрессорник малый; 9 - крепежный хомут; 10 - накладка;
- клин.
Рисунок 1.11 - Ротор с пружинными лопастями
Ротор с шарнирно подвешенными лопастями состоит из вала, установленных на
нем секций, шарнирно подвешенных лопастей и упругих амортизаторов. Передачу
крутящего момента, а также соединение секций между собой осуществляют за счет
эксцентричных выступов осей лопастей, заходящих в соответствующие отверстия
боковых листов соседних секций. Лопасти имеют сменные режущие ножи. Резание
грунта такими лопастями осуществляется за счет моментов центробежных сил. При
встрече с препятствием лопасть может отклониться, поворачиваясь вокруг своей
оси, тем самым предохраняя ротор от перегрузок и поломок. Для смягчения удара
при возвращении лопатки из отклоненного положения применяются металлические
либо резинометаллические амортизаторы.
а)
б)
а
- схема ротора; б-схема расположения лопастей на роторе.
-приводной вал; 2-вал; 3 - втулка; 4 - шайба; 5 - кольцо;
-вращающийся резцедержатель; 7 -режущая пластина;
-поворотная щека; 9 -ось вращения; 10 -отбойник.
Рисунок 1.12 - Ротор с шарнирно подвешенными лопастями
Режущие ножи лопастей изготовляют из полосовой стали или поковки. Для
повышения износостойкости сверху на режущую часть наплавляется слой твердого
сплава толщиной 5…10 мм. В зависимости от конструктивного исполнения лопастей
возможны различные виды крепления ножей. Для роторов с жесткими и шарнирно
подвешенными лопастями применяется клиновое и болтовое крепление. В роторах с
пружинными лопастями крепление пакета осуществляется при помощи клина.
а
- с помощью болтов; б - с помощью клина.
- лопасть; 2 - режущие ножи; 3 - болт.
Рисунок 1.13 - Крепление режущих ножей у роторов с жесткими и шарнирно
подвешенными лопастями
1 - скоба; 2 -
клин; 3 - гайка; 4- шайба; 5-планка; 6-труба;
-лопасть; 8 -большой подрессорник; 9 - малый подрессорник;
-крепежный хомут; 11- планка; 12- гайка.
Рисунок 1.14
- Крепление пружинных лопастей ротора
Кожух ротора образует рабочую камеру, в которой происходит измельчение
грунта и перемешивание его с вяжущими материалами.
Задняя стенка кожуха обычно соединена с ним шарнирно (на петлях) для
обеспечения доступа к ротору, возможности осмотра и замены режущих ножей.
Закрепление задней стенки на определенной высоте позволяет формировать
слой обработанного грунта. На рисунке показаны: кожух плавающего типа и кожух,
жестко закрепленный относительно оси ротора. Кожух плавающего типа не связан с
осью ротора. При любом заглублении ротора в грунт опорные части вала ротора
скользят в соответствующих пазах боковых стенок.
а)
б)
а
- плавающего типа; б - жестко закрепленный.
- кожух; 2 - лыжа; 3 -задняя стенка.
Рисунок 1.15 - Кожух ротора
При этом кожух, опираясь на грунт лыжами, укрепленными снизу боковых
стенок, надежно закрывает рабочую полость ротора. Для предотвращения
запрокидывания кожуха при переводе ротора в транспортное положение он
прикрепляется тягами к базовой машине. Впереди на некотором расстоянии от
поверхности грунта кожух не имеет стенки для обеспечения воможности впрыска
жидких вяжущих.
На раме ротора устанавливают щитки, препятствующие высыпанию грунта через
боковые пазы кожуха. Кожух, жестко закрепленный на раме рабочего органа, при
заглублении или выглублении ротора также перемещается вместе с ним. Для того
чтобы предотвратить выбрасывание грунта из-под кожуха при разной глубине
обработки, боковые стенки снизу оснащают щитками.
Рама ротора является звеном, связывающим ротор с рамой базового шасси.
Шарнирное крепление ее на базовом шасси позволяет производить подъем и
опускание рабочего органа. В рабочих органах с центральным приводом рама ротора
отсутствует. В нижних кронштейнах рамы устанавливаются опоры ротора. Наличие
торцовых крышек позволяет производить быстрый демонтаж ротора. К поперечной
балке привариваются две стойки, имеющие сверху также съемные крышки для
шарнирной установки рамы на кронштейнах базового шасси. В стойки могут
упираться штоки гидроцилиндров подъемной системы. Возможен случай
одновременного боковых нижних кронштейнов рамы в качестве корпусов боковых
редукторов привода ротора. Установка ротора в опорах рамы должна осуществляться
на сферических подшипниках, предотвращающих заклинивание ротора при возможных
незначительных изгибах его вала.
Подъем рабочего органа фрезы производится с использованием либо
гидросистемы базовой машины, либо автономной гидросистемы подъема ротора.
Гидросистема состоит из гидронасосов, распределителей, трубопроводов и
гидроцилиндров одностороннего действия, осуществляющих подъем рабочего органа;
его опускание (заглубление) происходит только под действием собственного веса.
Ограничение опускания ротора достигается с помощью специальных регулируемых
упоров, обеспечивающих заданную глубину обработки грунта.
В кинематическую цепь от приводного двигателя до ротора входят
промежуточные элементы управления (сцепления, муфты), дополнительные передачи и
боковой или центральный редуктор. В некоторых фрезах осуществляется
гидростатический привод рабочего органа, который обеспечивает защиту ротора при
встрече лопастей с препятствием. Но при этом трудно привести в соответствие
обороты ротора с поступательным перемещением фрезы для получения постоянной
толщины стружки. Трансмиссия машины должна обеспечивать возможность
независимого включения ротора и ходовой части.
1 - рама; 2 -
крышка вертикальных кронштейнов; 3 - крышка нижних кронштейнов; 4 - стакан
малый; 5 - стакан большой.
Рисунок 1.16 - Рама ротора фрезы с боковым приводом
Корпусы редукторов приводов могут изготавливаться как сварными, так и из
стального литья. В местах выхода вала редукторы должны иметь надежное
уплотнение, препятствующее вытеканию смазки.
Очень большая номенклатура выпускаемых фрез у известной немецкой фирмы
"Wirtgen GmbH". В качестве примера рассмотрим фрезу W 1000.
Между задними опорными колесами расположена фреза шириной 1000 мм.
Глубина фрезерования составляет 180 мм. Габаритные размеры машины W 1000 -
4345х2400х2525 мм. Длина машины с конвейером достигает 10 615 мм, а высота -
4000 мм. На машине установлен турбодизельный двигатель фирмы
"Caterpillar" (США) типа 3116DI-TA мощностью 149 кВт при частоте
вращения коленчатого вала 2300 мин-1. Привод хода гидравлический.
Передние колеса ведущие и управляемые, задние - опорные. Подвеска передних
колес плавающая. Каждое из задних колес имеет индивидуальную подвеску и
индивидуальную регулировку по высоте, выполняемую гидравлическим
распределителем. Такая система обеспечивает возможность установки фрезы на
различную глубину резания, а также в горизонтальном или наклонном положении.
Рисунок 1.17 - Общий вид фрезерной машины нового поколения моделиW 1000 фирмы "Wirtgen GmbH"
На фрезерном барабане диаметром 508 мм установлены 96 резцов с шагом 15
мм. Привод фрезы механический, фреза выполнена из четырех пар сегментов с
быстросъемными резцами.
Гидравлический привод хода позволяет иметь рабочие скорости в диапазоне
0-25 м/мин и транспортные скорости в диапазоне 0-6 км/ч. Рабочая масса машины
составляет 16 400 кг. Модель W 1000 является дорожной фрезой среднего размера.
Ее используют для обработки как узких, так и магистральных участков дорожного
покрытия. Машина способна выполнять фрезерование на закруглениях и стыках
благодаря хорошей маневренности.
Рисунок 1.18 - Общий вид фрезы Roadtec RX 20
Дорожная фреза RX 20 является наиболее маневренной однометровой холодной
фрезой в мире. Благодаря своей непревзойденной маневренности эта машина,
имеющая двигатель мощностью 230 л.с., эффективно выполняет различные работы по
срезанию грунта. Она имеет более низкий центр тяжести, чем все другие фрезы,
что позволяет ей работать на крутых склонах, например, на гоночных треках с
высокими откосами на поворотах. Кроме того, дорожная фреза RX 20 идеально
подходит для использования при создании или ремонте подходов к мостам,
мостового полотна, откосов бордюров, траншей и перекрестков.
Рисунок 1.19 - Общий вид фрезы Roadtec RX 50В
Дорожная фреза RX 50B - это холодная фреза с двигателем 600 л.с. с
оптимальным соотношением мощности, производительности и экономичности. Агрегат
может снимать дорожное покрытие с максимальной шириной 2489 мм и на
максимальную глубину 305 мм. Специально разработанная система управления тремя
гусеницами позволяет иметь рабочий радиус поворота 2,5 м, двигаться при работе
с боковым смещением, снимать грунт как при движении вперед, так и назад.
Двухступенчатый конвейер имеет ширину 864 мм и может быть повернут для выгрузки
на 50 градусов в любую сторону от осевой линии, тем самым облегчая работу в
городе.
В России лишь два предприятия: АО "Брянский Арсенал" и АО
"Дмитровский экскаваторный завод" - производят отечественные холодные
фрезы. Преимущество у этих машин перед зарубежными одно - они значительно
дешевле.
Рисунок 1.20 - Общий вид фрезы МДФ
Фреза МДФ предназначена для холодного фрезерования асфальтовых покрытий
при их ремонте. Рабочим органом фрезы является фрезерный барабан, на котором
крепятся съемные резцы, изготовленные из высоко стойкой стали.
Фрезерует в асфальте прямолинейные и криволинейные полосы шириной 400 мм,
глубиной до 65 мм. Базовый тягач - МТЗ-80, МТЗ-82. Привод фрезерного барабана -
механический от вала отбора мощности трактора, мощность двигателя 55 кВт.
Фреза ДС-197 предназначена для послойного снятия асфальтобетонных
покрытий с автодорог, улиц, площадей при их ремонте, реконструкции. Установка
на рабочий орган дополнительной фрезы позволяет вырезать канавки для укладки
бордюрного камня.
Рисунок 1.21 - Общий вид фрезы ДС - 197
В силовую установку входит дизельный двигатель Д-260.1, установка
насосов, система охлаждения, топливный и гидравлический баки.
Рабочий органом является барабан, оснащенный резцами диаметром 550 мм.
Ширина фрезерования изменяется ступенчато от 250 до 1000 мм. Максимальная
глубина фрезерования достигает 80 мм при поперечном уклоне барабана 6 градусов.
Скорость движения машины рабочая - 0…10,0 м/мин; транспортная - 0…3,9 км/ч;
конвейер с максимальной высотой разгрузки - 2790 мм и углом поворота в плане 20
градусов.
На большинстве дорожных фрез используется режущий инструмент как
импортного, так и отечественного производства. По качественным параметрам российские
производители подобного инструмента входят в число мировых лидеров.
Одной из специализированных компаний поставками на рынок российского
твердосплавного инструмента занимается московская фирма "Экспо-МВ". в
ассортименте которой присутствуют поворотные резцы нового поколения повышенной
стойкости для ремонта дорожных покрытий, фрезерования асфальтов, бетонов и
наледи.
Резцы, используемые в дорожных фрезах, имеют различную конструкцию. В
качестве примера можно привести резцы компании НТС - сервис .
Для достижения высокой эффективностью и износоустойчивости резцов
применяют твердосплавные вставки.
Рисунок 1.23 - Твердосплавные вставки
Также серийно выпускаются резцедержатели для данных серий резцов.
Рисунок 1.24 - Резцедержатели
1.2 Анализ существующих исследований
в области создания оборудования для разрушения наледи и дорожного покрытия
Одной из эффективных современных технологий содержания дорог является
применение фрез снимающих как старое дефектное покрытие при ремонте дорог, так
и удаление наледи в зимнее время. Несмотря на имеющиеся разработки в области
фрезерования, конструкция современной дорожной фрезы не далеко ушла от
первоначальной схемы ротора с жестким закреплением зуба в резцедержателе.
Эта схема не имеет ни какой интенсификации процесса фрезерования дорожного
полотна, что приводит к значительным энергетическим затратам при проведении
данного вида работ.
1 - левая цапфа; 2 - труба; 3 - лопасть; 4 -режущий нож;
- правая цапфа; 6 - втулка.
Рисунок 1.25 - Роторная фреза традиционной конструкции с жесткими
лопастями
Учитывая выше сказанное проводятся исследования различных сложных видов
движения зуба фрезы при разработке как твердых пород, так и наледи, благодаря
которым предполагается получить выигрыш в процессе фрезерования конструктивно
легко реализуемым способом.
Интересной является разработка с интенсификацией рабочего процесса.
Рисунок 1.26 - Устройство для рыхления прочных грунтов
Рисунок 1.27 - Дебалансы устройства для рыхления прочных грунтов
Изобретение относится к строительству и может найти применение для
послойного рыхления прочных грунтов, а также снятия асфальтобетонных покрытий и
наледи при ремонте автомобильных дорог и их содержании.
Устройство для рыхления прочных грунтов содержит раму 1, на которой на
опорах вращения установлен вал 2 с закрепленными к нему зубьями 3, привод 4,
который соединяется с валом упругой муфтой 5, кронштейн 6, жестко закрепленный
на валу с осями 7, на которых в опорах вращения смонтированы зубчатые колеса с
дебалансами 8, входящими в зацепление с зубчатым колесом 9, установленным на
валу 2 в опорах вращения, привод 10 зубчатого колеса 9 и кожух 11. Для рыхления
грунта рама 1 навешивается на базовую машину (трактор, автогрейдер, прицепное
устройство) с возможностью обеспечения нужного контакта с разрабатываемым
прочным грунтом, включается привод 4 вала 2 и привод 10 зубчатого колеса 9,
после чего базовая машина начинает движение. Зубья 3, вращаясь с валом 2,
поочередно входят в контакт с разрабатываемой средой. Зубчатое колесо 9
приводит во вращение колеса дебалансы 8, которые создают центробежную силу.
Под действием этой возмущающей силы возникают крутильные колебания вала 2
вместе с закрепленными на нем зубьями 3. Следовательно, в момент взаимодействия
зуба с грунтом, который осуществляется основным приводом 4, добавляется момент
от крутильных колебаний Тдин. Так как Тдин изменяется по
гармоническому закону, то зуб при резании совершит гармонические колебания,
т.е. вибрирует, в результате чего на ножах снижается его трение о грунт, а
режущие кромки взаимодействуют с грунтом в частотно-ударном режиме, в
результате чего особенно хрупкие грунты разрушаются значительно легче, чем при
статическом разрушении. Упругая муфта 5 служит для предохранения привода 4 от
дополнительных динамических нагрузок. Кожух 11 защищает зубчатые колеса от
попадания пыли.
Применение изобретения позволяет не только повысить эффективность работы
фрез, но и значительно снизить энергоемкость фрезерования прочных грунтов, при
этом эффект увеличивается с увеличением хрупкости грунта.
Интересна конструкция с интенсификацией всего рабочего органа вместе с
охватывающей рамой.
Рисунок 1.28 - Устройство для послойного рыхления горных пород
Устройство содержит передвижную платформу, которая состоит из рам 1, осей
2 и колес 3. На подвижной платформе монтируются силовое оборудование и пульт
управления (не показаны). К внутренним поверхностям рам 1 жестко закреплены
вертикальные направляющие 4, между которыми свободно размещен
вертикально-выдвижной элемент, который выполнен в виде прямоугольной опорной
плиты 5 с отверстиями для ударников 6 частотно-ударных механизмов, в корпусе 7
которых посредством ведомых валов 8 установлены два дебаланса 9. Ударники 6
закреплены к корпусу 7 снизу. Привод частотно-ударных механизмов может
осуществляться от базовой машины или дополнительной силовой установки через
звездочку 10, редуктор 11, промежуточные звездочки 12 и 13, ведомые звездочки
14 и 15. Все звездочки соединены между собой цепями 16 - 19. Вместо звездочки
12 может быть установлен шкив, а цепь 17 соответственно заменена клиновидным
ремнем. Механизм пылеподавления состоит из гидронасоса 20 с системой груб 21.
Рисунок 1.29 - Устройство для послойного рыхления горных пород (вид в
плане)
Напорный механизм состоит из маслонасоса 22 с напорным гидроцилиндром 23.
Приводы насосов могут быть, например, механические, кинематически связанные с
ходовой частью или независимые. Оба частотно-ударных механизма посредством,
стоек 24 и свободно надетых на них пружин 25 и 26 закреплены в один ряд сверху
опорной плиты 5. В центр плиты 5 свободно введен снабженный упорными
планшайбами 27 и 28 и виброгасящей перемычкой в виде пружины 29, шток 30
напорного гидроцилиндра 23, корпус которого посредством растяжек 31 и стоек 32
жестко закреплен к рамам 1 подвижной платформы. Под платформой, параллельно ее
оси 2, расположен породоразрушающий инструмент, выполненный в виде полого
цилиндра 33, армированного снаружи твердосплавными зубьями 34. Полый цилиндр 33
выполнен длиннее оси 2 и свободно установлен с возможностью вращения в соосных
овальных хомутах 35, которые изнутри, по периметру, снабжены шарикоподшипниками
36, а со стороны забоя выполнены разомкнутыми, причем разомкнуты на меньшую
величину, чем наружный диаметр полого цилиндра 33.
Устройство работает следующим образом. С началом перемещения по забою
платформы с помощью базовой машины опорная плита 5 посредством гидроцилиндра 23
опускается вниз и прижимает рабочий орган к забою, создавая через пружину 29
напорное усилие. При движении рабочий орган 33 прокатывается по забою, вращаясь
в хомутах 35. При включении частотно-ударных механизмов последние своими
ударниками 6 наносят удары непосредственно по рабочему органу 33, минуя
промежуточные детали. Вращающийся рабочий орган 33 передает ударные нагрузки на
породу, вызывая ее рыхление. Механизм пылеподавления обеспечивает снижение
пылеобразования в зоне работы рабочего органа и его охлаждение. Перевод
рабочего органа 33 в транспортное положение осуществляется гидроцилиндром 23,
посредством которого обеспечивается подъем опорной плиты 5. Применение
изобретения повышает надежность работы устройства путем непосредственного
взаимодействия частотно-ударных механизмов с рабочим органом минуя
промежуточные детали, и улучшает условия работы.
Известна конструкция рабочего органа с ударно рыхлящим воздействием с
вибратором крутильных колебаний.
Рабочий орган состоит из вибратора 1 крутильных колебаний, вибрирующего
ротора 2 с бойками 3 и рыхлящих наконечников 4, подвешенных к ротору на
шарнирах 5 и пружинной подвеске 6. Привод на вибратор крутильных колебаний
осуществляется через ведущий вал 7 солнечного колеса 8. Дебалансы 9 установлены
на сателлитах 10, а крутильные колебания одновременно с вращением совершает
водило 11, которое жестко связано с ротором через вал 12.
Рисунок 1.30
- Рабочий орган с вибратором крутильных колебаний
Работа описываемого рабочего органа осуществляется следующим образом:
ротор 2 вращается по стрелке а и одновременно совершает крутильные колебания
вокруг центральной оси. Рыхлящие наконечники 4, связанные с ротором шарнирами 5
и пружинами 13, вращаются вместе с ротором. Когда наконечники не находятся в
контакте с грунтом, они занимают положение, показанное на рисунке 1.30.
Определенным поджатием пружин 13 между бойком и наконечником обеспечен зазор,
исключающий нанесение ударов бойка по наконечнику.
Как только наконечник встречает препятствие (упирается в грунт), он
останавливается.
При вращении вибрирующего ротора 2 пружины 13 сжимаются и зазор между
бойком и наконечником исчезает. Боек 3 начинает наносить частые удары по наконечнику
4. В случае частых ударов и течение всего времени контакта наконечника с
грунтом система вибрирующий ротор - рыхлящий наконечник работает в виброударном
режиме.
Как только, с поворотом ротора, данный наконечник вышел из контакта с
грунтом, он занимает первоначальное положение - отжимается пружиной 13 от бойка
и удары по нему не наносятся. Затем в работу вступает следующий наконечник, и
процесс повторяется.
Данная конструкция рабочего органа позволяет просто и эффективно
осуществить виброударное рыхление мерзлых и твердых грунтов роторным рабочим
органом, свойственным машинам непрерывного действия.
В качестве альтернативы ротору с жестким креплением зубьев на роторе при
постоянном радиусе фрезерования предлагается новый рабочий орган, у которого
ось вращения ротора не совпадает с его геометрическим центром.
е -эксцентриситет; h1 и h2 - конечные значения глубин фрезерования зубьями,
находящимися соответственно в точках А и Б
Рисунок 1.31 - Цилиндрическая фреза со сложным движением зуба
Как видно из рисунка, на котором для упрощения установлено только два
зуба в сечении, фреза, находясь в забое и перемещаясь по вектору U вместе с базовой машиной,
последовательно производит разрушение материала сначала резцом А на глубину
h1, а затем, повернувшись на угол 180° и переместившись вперед, производит
разрушение резцом Б на глубину h2. При этом общая глубина фрезерования
будет составлять hmax= h1+ h2. Таким образом, данная фреза позволяет получить
выигрыш по сопротивлению разрушения резцом любой формы при фрезеровании
материала на полную глубину hmax за счет поэтапного срезания её стружками.
1.3 Анализ существующих стендов для
исследования оборудования по разрушению наледи и дорожных покрытий
Рыхление любого вида покрытий можно изучить на приближенных моделях. Для
формирования приближённой модели используют анализ реологических моделей
различных сред.
Экспериментальные исследования проводятся на стендах физического
моделирования рабочих процессов рыхления и фрезерования прочных сред. Резание
покрытий осуществляется одиночными режущими элементами натуральной величины.
При ремонте асфальтобетонных покрытий путем их восстановления с использованием
старого материала непосредственно на месте, разрушению подвергается верхний
слой покрытия. Поэтому при моделировании используется мелкозернистый
многощебенистый асфальтобетон. Образцы вырубаются из натуральных покрытий.
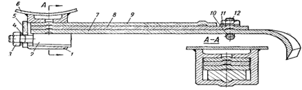
Стенд физического моделирования процессов резания и
фрезерования асфальтобетонных покрытий выполнен на базе строгального станка и
горизонтального фрезерного станка, основными элементами которых являются:
корпус 1, суппорт 5, тензозвено 4, стол 3, приспособление 2 для
крепления образцов асфальтобетонных покрытий. Горизонтальная и вертикальная
составляющие сопротивления резанию регистрируются в процессе рыхления
традиционными методами.
Для воспроизведения условий, аналогичных условиям взаимодействия режущих
элементов с асфальтобетонным покрытием, крепление вырубленных образцов
асфальтобетона осуществлялось с надежной фиксацией.
Рисунок 1.32 - Стенд для изучения процесса рыхления
покрытий
Экспериментальные исследования по определению рациональных параметров
фрезы можно проводить на базе стенда физического моделирования, специально
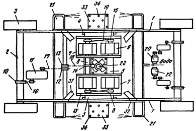
разработанного для подобных исследований. Общая схема стенда показана ниже.
Рисунок 1.33 - Схема стенда физического моделирования процесса
фрезерования
Стенд состоит из подвижной платформы 1, которая перемещается на роликах 3
по опорной поверхности стола вдоль жестко закрепленных направляющих 14 с
помощью моторредуктора ПР-1М под позицией 13. Барабан 12 с набором
цилиндрических поверхностей служит для изменения поступательной скорости
движения подвижной платформы. На платформе закреплена поворотная штанга 4 с
подшипниковым узлом 7, способная изменять глубину фрезерования. Привод
эксцентричной фрезы 5 осуществляется с помощью второго моторредуктора ПР-1М под
позицией 2 через цепную передачу 10. На валу 6 приклеены тензодатчики 9,
установлены токосъемники 8, связанные с контрольно-измерительной аппаратурой
16. Фрезерование материала ведется в жестко закрепленном на столе контейнере
15.
Конструкция стенда и отдельных его блоков видны на фотографии.
Фотография 1.1 - стенда физического моделирования процесса фрезерования
Регистрация крутящего момента, возникавшего при работе фрезы,
осуществляется при помощи комплекта тензометрической аппаратуры, включающей
тензоусилитель, осциллограф и стабилизатор электропитания аппаратуры.
1.4 Анализ методов получения
критериев подобия при физическом моделировании рабочих процессов
.4.1 Основное положения теории
размерности подобия и моделирования
Для изучения процессов взаимодействия рабочих органов
строительных машин с внешними средами на моделях применяют геометрическое
(пропорциональность линейных размеров и равенство углов), физическое (подобие
кинематических: тождественность направления и пропорциональность скоростей и
ускорений и динамических: тождественность направления и пропорциональность сил
и напряжений) и физико-математическое моделирование. Физико-математическое
моделирование все еще не позволяет получать достаточно достоверные результаты
из-за сложности и громоздкости математического описания модели грунта.
Моделирование - есть замена изучения интересующего нас
явления в натуре изучением аналогичного явления на модели меньшего или большего
масштаба, обычно в специальных лабораторных условиях (грунтовой, гидравлический
каналы, аэродинамические трубы и др.).
Основанное на сохранении физической природы изучаемого
явления моделирование носит название физического. Научно-методическая основа
формирования моделей - теории подобия и размерности. Два явления подобны, если
по заданным характеристикам одного можно получить характеристики другого
простым пересчетом, который аналогичен переходу от одной системы единиц
измерения к другой. При этом выведенные аналитические (экспериментальные,
эмпирические) зависимости для модели будут адекватны для натурных образцов.
Исследование процессов взаимодействия со средой
рабочих органов строительных машин в значительной степени облегчается, если
воспользоваться общей теорией размерности.
Выражение
производной единицы измерения через основные называется размерностью. Размерность
записывается символически в виде формулы, в которой основные единицы измерения
обозначаются: L - длина(м), M - масса(кг),
T - время(с). Для обозначения размерности часто
используют введенный Максвеллом символ [ ]: сила
(Н), напряжение
(Н/м2),
скорость
(м/с), ускорение
(м/с2)
и т. д., или любая физическая величина, имеет вид степенного одночлена
, где ξi, ji, χi -
показатели и степени.
Основное
значение теории размерности для теоретических и экспериментальных исследований
состоит в возможности изучения физических закономерностей в безразмерном виде,
инвариантном относительно выбора систем единиц измерения.
Методы
установления критериев подобия основаны на трех теоремах подобия (Баловнев,
1981):
)
если два явления (объекта, процесса, системы и др.) подобны, то критерии
подобия, определяющие явление, равны;
)
всякое полное уравнение физического явления из п величин, из которых т
- величины, обладающие независимыми размерностями (как правило, три
основные единицы измерения),
может
быть представлено в виде критериального уравнения
, число членов которого п-т (π -теорема);
)
необходимым и достаточным условием подобия двух явлений (объектов, процессов,
систем и т. д.) является пропорциональность сходственных параметров и равенство
определяющих критериев подобия.
Критерии
подобия двух объектов (индексы н - натура, м - модель) определяются несколькими
методами, наибольшее распространение среди которых для строительных машин
получили: метод анализа размерностей величин, определяющих процесс, с
использованием π
-теоремы; метод анализа систем
уравнений, тождественно равных при описании подобных явлений; метод
приближенного физического моделирования.
1.4.2 Определение критериев подобия с
помощью анализа размерности
Любой процесс характеризуется большим числом
параметров, взаимовлияющих факторов и условий. Известно, что сопротивление
грунта копанию различными рабочими органами зависит от геометрических
параметров инструмента, режима работы, физико-механических свойств грунта и др.
Ряд параметров между собой имеет установленные функциональные зависимости,
поэтому при моделировании контроль за влиянием параметров на процесс может быть
сведен к минимуму:
,
где
Р - сопротивление грунта резанию, Н; l -
определяющий линейный размер рабочего органа, м; α -угол резания, град.; υ - скорость резания, м/с; γг -
удельный вес грунта, Н/м3; σсж -
сопротивление грунта одноосному сжатию, Н/м2; φГ - угол
внутреннего трения; град; φС - угол внешнего трений, град.; g
- ускорение свободного пaдения,
м/с2; с - приведенная жесткость грунта и инструмента, Н/м; η - коэффициент вязкого трения, Н с2/м.
В
качестве основных единиц системы принимаем l, υ, σсж,
размерности которых выразим через основные единицы измерения:
Основные
единицы системы должны быть независимыми, и их независимость выявляется
определителем системы, составленным из показателей степеней, который должен
быть отличен от нуля:
В
соответствии с теорией размерности и π-теоремой (вторая теорема подобия) функциональную зависимость
представим в виде безразмерных комплексов критериев
подобия:
;
;
;
;
;
;
;
.
Показатели
степеней ξi,
ji, χi
в безразмерных комплексах определим, выразив их через основные единицы
измерения и приравняв к единице:
Равенство
будет соблюдаться при условиях: 1-χ1=0; l-ξ1-j1+χ1=0; -2+j1+2χ1=0, тогда
искомые показатели степени будут: χ1=l, ξ1=2, j1=0.
Полученный
безразмерный комплекс будет первым критерием подобия, идентичным для модели и
натуры:
Аналогично
определяются остальные критерии подобия:
В
соответствии с первой теоремой подобия критерии подобия для натуры (оригинала)
и модели должны быть равны между собой:
;
;
;
;
;
;
;
.
Однако
критерии подобия, в которые входят две и более основные единицы измерения, с
целью сохранения идентичных значений, требуют изменения входящих параметров.
Например, чтобы сохранить
при изменении линейного размера рабочего органа l,
требуется изменять либо удельный вес грунта γГ, либо
его прочность σсж.
Несоблюдение критериев подобия, имеющих параметры разных размерностей (П1,П3,
П6 и др.), нарушает подобие системы.
Из
экспериментальных данных известно, что для мерзлых грунтов определяющий
критерий подобия П1 не зависит от масштаба модели. Не изменяя
физико-механических свойств среды для натуры и модели:
,
,
,
,имеем
переходные зависимости от модели к натуре:
где
il - масштабный коэффициент;
Несоблюдение
ряда критериев подобия показывает ограниченность теории размерности. С помощью
одной только теории размерности нельзя определить функциональных соотношений
между безразмерными величинами.
1.4.3 Определение критериев подобия с
помощью анализа cистем уравнений
Этот метод основан на тождественном равенстве уравнений, описывающих
подобные явления. Представляя оригинал и модель в виде материальных
точек, взаимодействующих с внешней средой через приведенные жесткости системы,
запишем в упрощенном виде дифференциальные уравнения движения оригинала и
модели:
где m
- масса; х - линейный размер; t - время; с - приведённая жесткость; Р -
силовой параметр.
Вследствие подобия явлений величины, их
характеризующие выражаются через масштабы подобия:




.
Тогда
упрощенное дифференциальное уравнение движения оригинала через параметры модели
будет:
Заменяя
бесконечно малые величины конечными, опуская знаки дифференцирования, заменяя
знаки соотношения между членами выражения на знаки пропорциональности и
учитывая, что для тождественности выражения должно быть равенство индикаторов
(указателей) подобия;

получаем
интегральный аналог:
Безразмерные
комплексы, составленные из размерных величин и параметров, являются критериями
подобия:
Тогда критериальное уравнение имеет вид:
Для определения параметров системы назначают масштабы
подобия с учетом индикаторов подобия. Имея пять масштабов подобия и два
индикатора подобия, три масштабных коэффициента назначают из условия эксперимента
(например, масштабные коэффициенты по массе im времени it и линейному размеру il, а два других (масштабные
коэффициенты по приведенной жесткости il и силе ip) определяют из зависимости:

1.4.4 Приближенное физическое
моделирование
Приближенный метод физического моделирования при
сокращении вариантов критериев подобия существенно упрощает методику
экспериментальных работ с моделями без значительного изменения точности
(относительная погрешность лежит в пределах 10…15 %, что не превышает
соответствующую погрешность при испытании оригинала в естественных условиях).
Сохраняя
пропорциональность линейных размеров натуры и модели
и равенство соответствующих углов αн=αм для
процессов резания, копания, рыхления грунтов рабочими органами машин (системы
«грунт - рабочее оборудование» и «рабочее оборудование - движитель - грунт») В.
И. Баловнев предложил использовать сокращенный вариант критериев подобия,
ограничившись соблюдением моделирования основополагающих физических
характеристик процесса.
Приняв
в качестве модели внешней среды одну из реологических моделей и определив
обобщенный критерий подобия, уравнение состояния записывают в виде:
,
где
п - число членов уравнений.
После
преобразования можно написать:
,
что
представляет сумму коэффициентов влияния соответствующего критерия на
обобщенный критерий:
Область
доминирования соответствующего критерия определяется коэффициентом ki. При ki < 0,15 контроль по критерию Пi можно не осуществлять.
Учитывая,
что для лучшего выявления физического смысла критериев подобия их можно
умножать, делить друг на друга или на одну и ту же величину, возводить в
степень, в качестве доминирующих критериев подобия системы «грунт - рабочее
оборудование - движитель - грунт» и соответствующие им индикаторы подобия
приняты:
где
со - сцепление грунта; Суд - число ударов
динамического плотномера ДорНИИ; ω - весовая влажность грунта.
Соблюдение
критерия Пi при
изменении линейного размера требует изменения среды по удельному весу грунта γГ или прочности с0, Суд.
При сохранении прочностных свойств грунта можно применять трудоемкое
центробежное моделирование, но его реализация сопряжена со значительными
материальными затратами.
Сохраняя
γГ.М = γГ.Н для
соблюдения критерия П1 изменяют прочностные свойства грунта
(метод эквивалентных материалов). Эквивалентные материалы для талых и мерзлых
грунтов разработаны в МАДИ.
Таблица
1.1
Формулы
перехода от параметров модели к параметрам оригинала при приближённом
моделировании рабочих процессов землеройных машин
|
Определяющий параметр
|
С изменением прочностных
свойств среды при
|
Без изменения прочностных
св-в среды
|
|

|
|
|
|
Угол резания и др.
|
|
|
|
|
Толщина стружки
|
|
|
|
|
Ширина стружки
|
|
|
|
|
Высота (ковша, отвала) и
др.
|
|
|
|
|
Вместимость
|
|
|
|
|
Скорость процессов резания
и др.
|
 
|
|
|
|
Сопротивление копанию
|
 
|
|
|
|
Силы тяжести
|
 
|
|
|
|
Тяговое усилие
|
 
|
|
|
|
Мощность
|
 
|
|
|
|
Динамическая нагрузка
|
 
|
|
|
|
Примечание. - поправочные коэффициенты, учитывающие искажение
подобия при формировании модели по удельному весу грунта, сцеплению,
влажности и внутреннему трению.
|
Так при работе с эквивалентными материалами, так и с
материалами без изменения свойств среды (грунта) вводят ограничения по
линейному масштабу модели, определяемые:
1)
предельно допустимыми минимальными объемами грунта, взаимодействующего с
рабочими органами моделей:
где d3 - размер фракции грунта;
2) точностью методов измерения:
где
lH - определяющий
линейный размер рабочего оборудования; dmax - максимальный размер фракции грунта в натурных
условиях; k -
коэффициент, зависящий от характера исследуемого процесса; k
=15,4 при перемещении призмы грунта бульдозером; k =7,4 при
перемещении призмы грунта в ковше; k =5 при работе рыхлителей; РH - усилие,
характеризующее рабочий процесс натуры; ε - относительная ошибка опыта; ε =0,08...0,10; Рпр.max
- предел измерения по рабочей шкале
прибора;
; k1 - коэффициент, зависящий от условия записи на
осциллографическую бумагу; k1=2; 4
и 5 при ширине бумаги соответственно 60, 100 и 120 мм; PMIN -
минимальное усилие, замеряемое отклонением луча шлейфа осциллографа при
максимальном усилии; kT.П-
класс точности прибора, %; kT.П
=3...5 %; n - показатель степени, зависящий от характера подобия
объектов, определяется экспериментально из выражения
; n =2 - мерзлые грунты; n
=3 - талые грунты; для
предварительных расчетов п определяет методом последовательного
приближения:
, где
; lg
- основание десятичного логарифма.
Исследования, как правило, ограничивают моделями с масштабными
коэффициентами il и
1,5 il.
1.5 Анализ рабочих свойств дорожных наледей
По территории РФ снег составляет в среднем 26-30 %
годового количества осадков. Наиболее важными свойствами снега являются
плотность сопротивление резанию, углы естественного откоса, внутреннего и
внешнего трения, твердость, влажность, коэффициенты сцепления и сопротивления
перекатыванию колесного и гусеничного движителей.
Плотность является доминирующим фактором в процессах
разработки снега вследствие того, что вес и сила инерции снега составляют
наибольшую долю в общем балансе сил его сопротивления разработке. Плотность
свежевыпавшего снега, который обычно убирают в процессе патрульной
снегоочистки, существенно зависит от температуры воздуха (таблица 1.2).
Твердость характеризует сопротивление внедрению
твердого тела - штампа, конуса и др. и измеряется отношением усилия внедрения к
площади поверхности давления, МПа.
Сопротивление резанию характеризует интегральную силу
противодействия при отделении «его от массива широким плоским ножом и
образовании сливной пластичной стружки или стружки, состоящей из элементов
скола (сдвига) снега. Сопротивление резанию зависит от объемных сил трения и
поверхностных сил сцепления между собой фрагментов снега. Для стружки сдвига
сопротивление резанию в общем виде описывается законом Кулона:
где
τ - касательные напряжения в плоскости сдвига, МПа; σ -нормальные напряжения в плоскости сдвига, МПа; ρ - угол внутреннего трения материала; с -
структурное сцепление фрагментов материала, МПа.
Таблица 1.2
Твёрдость, плотность и сопротивление резанию снега
|
Характер снежного покрова
|
Плотность, кг/м3
|
Твёрдость при температуре
(-1) - (-20) 0С, МПа
|
Сопротивление резанию, МПа
|
|
Очень рыхлый, свежевыпавший
|
10-20
|
0,02
|
0,001
|
|
Рыхлый, слабоуплотнённый,
свежевыпавший обвалованный
|
220-300
|
0,005-0,01
|
|
Уплотнённый, слежавшийся
|
300-400
|
0,3-1,5
|
0,1-0,025
|
|
Старый слежавшийся
|
480-520
|
0,2-0,4
|
0,025-0,08
|
|
Мелкозернистый лавинный,
уплотнённый накат
|
550-700
|
0,4-3
|
0,1-0,5
|
|
Снежно-ледяной накат
|
700-950
|
____
|
1-2,5
|
Влажность снега характеризует относительное содержание:
жидкой фазы и влияет на сцепление, углы внешнего и внутреннего трения и
адгезионные свойства снега, способность прилипания его к поверхностям рабочих
органов снегоуборочных машин. В среднем относительная влажность снега
составляет 10 - 12 %, для крупнозернистого снега при температурах, близких к 0,
достигает 20 %, а для свежевыпавшего снега 40 - 45 %.
Угол δ внешнего трения снега характеризует
отношение силы его трения о стальные элементы рабочих органов снегоуборочных
машин к нормальным силами действующим на указанные поверхности. Эквивалентом
угла δ является коэффициент внешнего трения
f1 = tg
δ. С
увеличением плотности снега ρCH угол внешнего трения снижается
вследствие увеличения площади контакта снежных кристаллов с поверхностью трения
при более плотной их упаковке. С повышением температуры угол внешнего трения
уменьшается до определенного предела, соответствующего температуре -4°С,
вследствие ослабления сил структурного сцепления, а затем вновь начинает
возрастать вследствие увеличения адгезии (прилипания и примерзания) к
металлической поверхности.
Угол ρ внутреннего трения характеризует
отношение силы трения снега по снегу к нормальной силе, действующей на
поверхность трения. Эквивалентом угла ρ является коэффициент внутреннего
трения f2 = tg
ρ. B отличие от многих других материалов,
у которых углы δ и ρ пропорциональны один другому, угол
внутреннего трения ρ снега увеличивается с ростом плотности вследствие
повышения площади взаимного контакта кристаллов. Увеличение сил структурного сцепления
также является причиной роста угла ρ с понижением температуры снега.
Таблица 1.3
Зависимость коэффициента внешнего трения снега от его
плотности и температуры
|
Плотность, кг/м3
|
Коэффициента внешнего
трения tg δ при температуре, 0С
|
|
(+2) - (-1)
|
-4
|
(-16) - (-30)
|
|
80-120
|
0,18
|
0,10
|
0,14
|
|
150-200
|
0,11
|
0,08
|
0,10
|
|
250-300
|
0,09
|
0,07
|
0,08
|
|
350-400
|
0,075
|
0,05
|
0,06
|
|
450
|
0,056
|
0,04
|
0,05
|
|
480
|
0,05
|
0,03
|
0,04
|
|
520
|
0,04
|
0,025
|
0,03
|
|
550
|
0,03
|
0,015
|
0,02
|
Таблица 1.4
Зависимость коэффициента внутреннего трения снега от
его плотности и температуры
|
Плотность, кг/м3
|
Коэффициента внешнего
трения tg ρ при температуре, 0С
|
|
(+2) - 0
|
(-1) - (-6)
|
Ниже -10
|
|
120
|
0,24
|
0,29
|
0,34
|
|
200
|
0,3
|
0,33
|
0,36
|
|
300
|
0,35
|
0,39
|
0,46
|
|
400
|
0,4
|
0,44
|
0,5
|
|
500
|
0,43
|
0,49
|
0,53
|
|
560
|
0,45
|
0,5
|
0,57
|
Угол естественного откоса снега определяется его
способностью к сползанию по наклонной плоскости под действием собственного
веса. В лабораторных условиях угол естественного откоса определяют отсыпкой
материала с некоторой высоты на горизонтальную плоскость; При этом искомый угол
является углом наклона образующей отсыпанного конуса к горизонту. Угол
естественного откоса зависит от угла внутреннего трения и сцепления снега.
Поэтому для наиболее вероятных условий разработки его можно принимать равным
углу внутреннего трения ρ.
Коэффициент f сопротивления перекатыванию колесного и гусеничного
движителей определяет касательную силу сопротивления движению Pf в зависимости от нормальной нагрузки Р
на движитель Pf
=f Р. Коэффициент f увеличивается с уменьшением плотности и твердости
снега, что связано с углублением колеи, продавливаемой движителем по снежной
поверхности.
Коэффициент сцепления φCЦ характеризует отношение максимальной
касательной силы, развиваемой колесным или гусеничным движителем, к нормальной
нагрузке на движитель.
Для колесного движителя коэффициент сцепления φCЦ =0,2 - 0,35 и при температуре,
близкой к 0, φCЦ =0,1 - 0,2; для гусеничного движителя
φCЦ =0,4 - 0,8.
1.6 Анализ рабочих свойств дорожных покрытий
Асфальтобетонные смеси по температуре укладки
подразделяются на горячие (160-180° С), теплые (90-120° С) и холодные с
размерами зерен в мм:
) для крупнозернистых до 40;
) среднезернистые до 25;
) мелкозернистых до 15.
Объемная масса смесей в неуплотненном состоянии 1,8 -
2,0 т/м3.
Для прочных асфальтобетонных смесей применяют щебень
изверженных, осадочных карбонатных пород с прочностью 600 - 1000 кгс/см2
и вязкие нефтяные битумы БНД - 40/60, БНД - 60/90, БНД - 90/130.
Кроме того, асфальтобетонные смеси для верхнего слоя
покрытий в зависимости от прочности щебня и качества минерального порошка
подразделяются на две марки Ι и ΙΙ, песчаные смеси типов Г и Д относятся
к марке ΙΙ.
Таблица 1.5
Асфальтобетонные смеси для верхнего слоя покрытий
|
Тип
|
Наименование
|
Содержание щебня или песка
|
|
А Б В Г Д
|
Многощебенистые
Среднещебенистые Мелкощебенистые Песчаные из дроблённого песка Песчаные из
природного песка
|
50 - 65 % 35 - 50 % 20 - 35
% Фракции 1,25 - 5 мм не менее 33 % Фракции 1,25 - 5 мм не менее 14 %
|
Холодная асфальтобетонная смесь содержит каменные
материалы и жидкие битумы (дёгти) СГ - 70/130, МГ - 70/130, СГ -130/200, МГ -
130/200. В качестве заполнителя применяют известняки с объёмной массой 2,6 -
2,7 кгс/см3. Объёмная масса холодного асфальта 1,5 т/м3,
а смеси 2,2 - 2,4 т/м3.
Для приготовления асфальтобетонных смесей используют:
щебень прочных пород изверженных, метаморфических,
основных и осадочных карбонатных пород, удовлетворительно сцепляющийся с
битумом;
песок речной или горный (крупный или средний);
минеральный порошок из искусственно измельчённых
известняков и доломитов;
битумы нефтяные вязкие БНД - 40/60, БНД - 60/90 и БНД
- 90/130.
Таблица 1.6
Физико - механические свойства асфальтобетонных смесей
по ГОСТ 9128 - 67 (горячих и тёплых) для верхнего слоя покрытий.
|
Наименование показателей
|
Нормы на смеси для верхнего
слоя по маркам
|
|
Ι
|
ΙΙ
|
|
Пористость минерального
остова в % по объёму для смесей типов: А и Б…………………………………………………………………… В и
Г…………………………………………………………………… Д, не более…………………………………………………………….. Остаточная
пористость в % по объёму……………………………… Водонасыщение в % по объёму для смесей
типов: А………………………………………………………………………… Б и Г……………………………………………………………………. В и
Д……………………………………………………………………. Набухание в % по объёму, не более…………………………………..
Предел прочности при сжатие в кгс/см2 при температурах: не менее
200 С…………………………………………………………. не менее 300 С для
смесей типов: А………………………………………………………………………… Б и В…………………………………………………………………….
Г и Д……………………………………………………………………. 00 С для горячих смесей,
не более……………………………………. Коэффициент водоустойчивости, не менее………………………….
Коэффициент водоустойчивости при длительном водонасыщении, не
менее………………………………………………………………...
|
15 - 19 18 - 22 3,0 -
5,0 2,0 - 5,0 2,0 - 3,5 1,5 - 3,0 0,5 24/20 9/8 10/9 120 0,9 0,80/0,75
|
15 - 19 18 - 22 22 3,0 -
5,0 2,0 - 5,0 2,0 - 3,5 1,5 - 3,0 1 22/18 8/7 9/8 12/9 120 0,85 0,75/0,60
|
|
Примечание. В числители
приведены показатели для горячих смесей, в знаменателе - для тёплых
|
Таблица 1.7
Физико-механические свойства асфальтобетонных смесей
для нижнего слоя (по ГОСТу 9128 - 67)
|
Наименование показателей
|
Нормы на смеси для нижнего
слоя в % (по объёму)
|
|
Пористость минерального
остова…… Остаточная пористость………………. Водонасыщение……………………….
Набухание……………………………..
|
16 - 22 5 - 10 3 - 8 1,5
|
Таблица 1.8
Примерные составы горячих (теплых) асфальтобетонных
смесей
|
Смесь
|
Исходные материалы в % по
массе
|
|
Щебень по фракциям
|
Песок
|
Минеральный порошок
|
Битум
|
|
15 - 32
|
5 - 15
|
|
|
|
|
Литая Песчаная
Мелкозернистая Крупнозернистая плотная Крупнозернистая пористая (биндер)
|
35 66
|
37 20
|
72 - 75 71 - 74 39 - 42 30
- 35 30,5 - 31
|
18 - 20 20 - 22 16 - 18 6
- 10
|
7 - 8 6 - 7 5 - 6 4 - 5 4
- 4,5
|
Таблица 1.9
Физико - механические свойства холодных
асфальтобетонных смесей
|
Наименование показателей
|
Показатели для смесей с
жидким битумом классов
|
|
А и СГ
|
Б и МГ
|
|
Ι
|
ΙΙ
|
Ι
|
ΙΙ
|
|
Предел прочности при сжатие
при +200 С в кгс/см2 (не менее): d =
h = 50,5 мм………………………………… d =
R = 71,4 мм…..……………………………. Коэффициент
водоустойчивости, не менее…. Водонасыщение в % от объёма……………… Показатель
слеживаемости (количество ударов при +200 С), не
более……………………..
|
17 15 0,6/0,8 4 - 10 8
|
20 17 0,8 4 - 10 Не
нормируется
|
15 13 0,6/0,85 4 - 10 8
|
13 0,75 4 - 10 Не
нормируется
|
|
Примечание. 1. Ι - образцы из свежеприготовленной смеси; ΙΙ -
образцы, переформированные из вырубок.
2. Физико-механические свойства смесей определяются на образцах
цилиндрической формы, изготовленных уплотнением холодной смеси под нагрузкой
400 кгс/см2. Диаметр и высоту образцов принимают: при
крупнозернистой и среднезернистой смесях - с наибольшим диаметром
зёрен щебня 25 - 101 мм; при мелкозернитой и среднезернистой смесях -
с наибольшим диаметром зёрен щебня 20 - 71,4 мм;; при
мелкозернистой смеси - с наибольшим диаметром зёрен щебня 10 мм и песчаной
50.5 мм.
|
2. ТЕХНИЧЕСКОЕ ПРЕДЛОЖЕНИЕ
Проектируемый стенд должен включать в себя максимальное количество узлов
и агрегатов стандартного исполнения. Стенд должен обеспечивать выполнение работ
в полном соответствии с методикой разрабатываемого эксперимента.
Создаваемый стенд должен включать в себя следующие основные агрегаты:
. Оборудование рабочее (для исследования параметров дорожных фрез с
виброприводом);
. Контейнер с рабочей средой;
. Гидрофицированный поперечно-строгальный станок тип 7М36.
Вариантная компоновка перечисленных выше агрегатов представлена на
рисунке 2.1.
Рисунок 2.1 - Стенд исследовательский
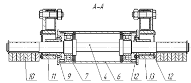
Оборудование для рыхления наледи и грунтов (Рисунок 2.2) состоит из
неподвижной и подвижной рам 1 и 2, рамы соединены шарнирно. На неподвижной раме
установлен электродвигатель 3 (привод вибратора), передача вращения от
электродвигателя на вал 4 происходит через гибкий вал 5. На валу установлены
роликовые подшипники качения 7, опорой подшипников служит барабан 6.
Рисунок 2.2 - Оборудование рабочее
Так как вибрация приводит к явлению самооткручивания резьбовых
соединений, на всех соединениях присутствуют стопорные шайбы. Конструкция
предлагаемой фрезы показана на рисунке 2.2 в разрезе А-А. Крышки барабана 9
вкручиваются в барабан 6, так как толщина стенки не позволяет применить
болтовое соединение. На крышках резьба нарезана в противоположном направлении,
чтобы обеспечить самозатяг при работе. Для удобства сборки и разборки дебалансы
10 вынесены из барабана на одинаковое расстояние от его центра. Опора 11
крепится к крышке винтами 12. Неподвижные опоры 13 оснащены рядом накладок 14
разной толщины.
Для рыхления наледи и грунта оборудование навешивается на станок 7М36 с
возможностью обеспечения нужного контакта с разрабатываемым покрытием.
Включается двигатель 3, который через гибкий вал 5 передаёт вращение валу 4 с
дебалансами 10. При этом дебалансы вибратора начинают совершать вращательные
движения. Вынуждающая сила дебаланса PД (Рисунок
2.3) передаётся на барабан фрезы через опоры 13 с кольцевым зазором.
Вынуждающая сила PД, опережая движение барабана на угол
сдвига фаз φфаз,
будет
всегда раскладываться на нормальную (к точке контакта барабана с кольцевой
опорой 13) составляющую
и касательную
(перпендикулярную
к нормальной составляющей). Тогда согласно рисунка 2.3 пара сил
(сопротивление качению барабана фрезы) и касательная
составляющая
заставляет вращаться фрезу в противоположную сторону.
Под действием данного вращения предполагается разрушение наледи и дорожных
покрытий.
Рисунок 2.3 - Расчётная схема вибропривода
В результате применения данной фрезы предполагается повысить
эффективность фрезерования, снизить его энергоёмкость, увеличить надёжность
элементов фрезы.
3. ПРОЕКТИРОВОЧНЫЕ РАСЧЁТЫ
.1 Определение основных параметров фрезы
Учитывая возможности базового шасси, а также предел скоростей аналогичных
машин при рабочем режиме, который составляет 0.6…10 м/мин, принимаем рабочую
поступательную скорость фрезы 5 м/мин.
По рекомендациям зарубежных фирм для наиболее экономически выгодного
использования фрезы назначаем угловую скорость вращения барабана 25,1
, что составляет 240 об/мин. Угловая
скорость вращения дебаланса 376,8
, что составляет 3600 об/мин
.
Размеры фрезы:
- диаметр барабана по вершинам зубьев 0,4 м;
- диаметр самого барабана принимаем предварительно 0,3 м.
Предварительная производительность фрезы:
(3.1)
B - ширина
обрабатываемой полосы;
h - максимальная
глубина скалывания;
V -
поступательная скорость фрезы в рабочем положении.
Учитывая
объёмную массу льда 0,9 т/
имеем:
(3.2)
3.2
Методика определения числа зубьев в поперечном сечении
Состоит
в следующей последовательности операций:
Определение
угла контакта материала и фрезы:
(3.3)
Rmax - максимальный радиус фрезерования, соответствует
радиусу фрезы с постоянным радиусом фрезерования.
hmax =0,075 м - максимальная
глубина фрезерования
RФР =
RМАХ =0,2 м. - радиус расстановки зубьев
относительно оси вращения.
Рисунок
3.1 - Определение угла контакта фрезы с разрабатываемым материалом
Оптимальное число зубьев в поперечном сечении фрезы при условии
фрезерования одним зубом в данном сечении:
пр=360/αК (3.4)
Принимаем Zпр=8
Определение угла расположения зубьев в поперечном сечении фрезы:
(3.5)
Делаем
предварительную прорисовку (Рисунок 3.2) расстановки зубьев на фрезерном
барабане для следующих геометрических размеров барабана: DБ = 0,3 м.- диаметр барабана, l
= 0,7 м.- длина барабана.
Длина
развертки базовой фрезы:
(3.6)
Построение
развертки фрезы по кромкам режущих элементов:
Рисунок
3.2 - Развертка фрезы по кромкам режущих элементов
3.3
Определение массы барабана моделируемой фрезы
D = 0,3 м.-
диаметр барабана фрезы; l =
0,7 м. - длина фрезы;
Размеры
барабана моделируемой фрезы. Переводной коэффициент перехода от параметров
оригинала к параметрам модели kl
= 5, следовательно:
DМ = 0,062 м - диаметр барабана модели; lМ = 0,14 м. - длина модели фрезы;
М = 0,002 м. - толщина стенки модели.
(3.7)
Рисунок 3.3 - Схема барабана моделируемой фрезы
Площадь кольца по методике из сопротивления материалов можно определить
как :
(3.8)
Умножив площадь найденного кольца на длину, получим объём:
(3.9)
Определение
массы барабана:
(3.10)
где
- плотность стали.
3.4 Усилия и нагрузки, действующие на
фрезу, определение геометрических параметров дебаланса
Составление уравнения моментов относительно точки А (Рисунок 3.4):
(3.11)
-
возмущающая сила дебаланса;
- радиус
обкатывающейся поверхности;
- угол
сдвига фаз, определяет опережение поворота дебаланса относительно точки
контакта поверхностей;
О
- ось скважины; O1 - ось
фрезы и вращения дебалансов; φ - угол
поворота оси фрезы относительно оси обкатываемой поверхности;
φфаз -угол
сдвига фаз, определяет опережение поворота дебаланса относительно точки контакта
поверхностей; е - эксцентриситет дебаланса; Рдб - возмущающая
сила дебалансов; Fcц - сила сцепления между поверхностями;
Рисунок
3.4 - Расчётная схема вибропривода
- угол
поворота оси фрезы относительно оси обкатываемой поверхности;
-
максимальное число зубьев, одновременно находящихся во взаимодействии с
разрабатываемым материалом;
-
касательная составляющей силы, действующей на резец со стороны разрабатываемого
материала;
- радиус
фрезерования модели;
- радиус
неподвижной обкатывающей поверхности;
- вес
рабочего оборудования.
В
первом приближении принимаем:
(3.12)
Определение
сил, действующих на резец:
Определение
касательной составляющей силы, действующей на резец:
(3.13)
kуд = 1,5·106 Па - удельное
сопротивление резания наледи;
вЗ
= 0,003 м. - минимальная ширина
кромки разрушающего элемента модели;
h = 0,015 м. - толщина фрезеруемого слоя модели.
Определение
нормальной составляющей силы, действующей на резец:
(3.14)
- угол
резания, наиболее часто применяемый на практике для обеспечения необходимых
эксплуатационных качеств: прочности и долговечности рабочего органа;
- угол
внешнего трения (угол трения материала зуба о разрабатываемый материал).
(3.15)
-
коэффициент трения материала зуба о разрабатываемый материал.
Сила,
действующая на резец:
(3.16)
Возмущающая
сила дебаланса определяется:
(3.17)
e - расстояния от центра
вращения до центра масс дебаланса;
mД - масса
дебаланса;
ωД
= 376,8
- угловая
скорость вращения дебаланса.
Подставим
выражение (3.17) в (3.11):
(3.18)
Определение
основных параметров дебаланса:
(3.19)
-
геометрические размеры дебаланса модели (Рисунок 3.5),
R2 = 0,010 м.;
R1 = 0,026 м.;
α = 1500 - рекомендуемый угол положения
боковых граней дебаланса.
Рисунок
3.5 - Схема дебаланса моделируемой фрезы
Принимаем
эксцентриситет дебаланса равным 0,014 м.
Из
уравнения (3.18) определяется необходимая масса дебаланса, при котором будет
возможна работа разрабатываемой конструкции.
(3.19)
Принимаем
минимальную суммарную массу дебалансов, при котором будет производиться
вращение, 0,4 кг. Дебалансы располагаются по обе стороны вала, значит
минимально необходимая масса дебалансов с каждой стороны 0,2 кг. На практике
необходимую массу дебаланса набирают из пластин, примем массу одной пластины
0,05 кг. Проведём расчёт её геометрических параметров. При исследовании будет
проводиться анализ влияния возмущающей силы дебалансов на процесс фрезерования,
следовательно, кроме минимально необходимой массы дебалансов необходимо ещё
несколько пластин для изменения возмущающей силы.
По
расчётам получили , что масса пластины дебаланса 0,05 кг, тогда:
(3.20)
где
- плотность стали.
Определение
площади дебаланса:
(3.21)
м2
Определение
толщины одной пластины дебаланса:
(3.22)
Масса
дебалансов может изменяться от 0,1 кг. до 0,8 кг., необходимое число пластин
16.
3.5
Определение мощности на привод вибратора
Средняя
мощность, необходимая для поддержания колебаний:
(3.23)
где
- к.п.д. привода.
Мощность,
необходимая для на преодоление трения в опорах вибровозбудителя:
(3.24)
-
коэффициент, учитывающий тип смазки;
-
коэффициент, учитывающий тип подшипника;
-
диаметр вала;
-
вынуждающая сила вибровозбудителя.
Мощность
для разгона дебалансов:
(3.25)
t = 60c -
время разгона.
Суммарная
мощность двигателя вибратора определится:
(3.26)
Для
привода вибратора льдоскалывателя предварительно выбираем электродвигатель
АИС80В2 мощностью 1,1 кВт, число оборотов 3366 об/мин, коэффициент полезного
действия 0,8, момент инерции ротора 0,0011 кг.м2, вес 9,4
кг.
3.6
Конструирование и расчёт передачи с гибким приводом
Для
передачи крутящего момента от электродвигателя к валу фрезы будет
использоваться гибкий вал. Гибкий вал представляет собой цилиндрическое тело
круглого сечения, состоящее из ряда последовательно навитых один на другой
слоёв проволоки. Передача с гибким валом состоит из гибкого вала, брони,
наконечников и арматуры брони.
Определение
крутящего момента рабочего агрегата:
(3.27)
- кпд
подшипникого узла.
Определение
расчётного крутящего момента:
(3.28)
-
коэффициент режима работы [9, табл. 64, с. 161];
-
коэффициент, учитывающий направление вращения вала [9, табл. 65, с. 162];
-
коэффициент, учитывающий характер закрепления брони [9,табл.66, с. 162];
- кпд
силовой передачи [9, табл. 67, с. 163].
(3.29)
По
расчётному крутящему моменту и минимально эксплуатационному радиусу выбираем
гибкий вал В2-8 [9, табл. 63, с. 159]. Вал на стенде используется с
эксплуатационным радиусом r≥150 мм, следовательно при таком радиусе [9,
табл. 63, с. 159] вал способен передавать крутящий момент
, с частотой вращения n=3600 об/мин.
Принимаемый тип брони Б2.
3.7
Определение усилий на шарниры конструкции
Для
определения усилий, действующих на шарнирные соединения конструкции, необходимо
составить уравнения моментов. Силы, действующие на шарнирные соединения
конструкции, представлены на рисунке 3.6.
Составление
уравнения сил относительно оси Y:
(3.30)
Составление
уравнения моментов относительно точки А:
(3.31)
Рисунок
3.6 - Расчётная схема для определения усилий, действующих на шарниры
конструкции
Составление
уравнения моментов относительно точки В:
(3.32)
-
вынуждающая сила вибровозбудителя.
-
касательная составляющей силы, действующей на резцы со стороны разрабатываемого
материала;
-
нормальная составляющей силы, действующей на резцы со стороны разрабатываемого
материала;
- вес
горизонтально расположенной части рабочей рамы;
- вес
вертикально расположенной части рабочей рамы;
- усилие
воздействия пружины.
Расчёт
необходимого усилия воздействия пружины. Расчётная схема для определения
необходимого усилия прижатия пружины показана на рисунке 3.7.
Рисунок
3.7 - Расчётная схема для определения необходимого усилия
прижатия
пружины
Составление
уравнения сил относительно оси Х:
(3.33)
Согласно
уравнению (3.33) усилие создаваемое пружиной определится:
(3.34)
Уравнение
(3.34) определяет минимально необходимую силу при рабочей деформации пружины.
На стенде будут установлены две пружины, следовательно:
(3.35)
Определение
необходимой силы пружины при максимальной деформации:
(3.36)
-
относительный инерционный зазор пружины сжатия.(32,стр.199)
Для
указанного интервала из ГОСТ 13775-86 (32 ,стр.241), исходя из заданных
размеров диаметра и наименьших габаритов узла, предварительно останавливаемся
на витке со следующими данными (номер позиции 51):
,
,
,
,
.
Согласно
ГОСТ 13764-86 для пружин класса III максимальное касательное напряжение определяется:
(3.37)
-
временное сопротивление проволоки при растяжении, определяется по ГОСТ 9389-75.
Определение
жёсткости пружины:
(3.38)
- сила
пружины при предварительной деформации;
-
рабочий ход пружины.
Число
рабочих витков пружины в свою очередь определится:
(3.39)
Полное
число витков определяется по формуле:
(3.40)
Определение
среднего диаметра пружины:
(3.41)
Деформация
пружины при предварительной, рабочей и максимальной нагрузках определяется по
формулам:
(3.42)
Определение
длины пружины при максимальной, свободной, предварительной, рабочей нагрузках
определяется по формулам:
(3.43)
(3.44)
(3.45)
(3.46)
Из
уравнений (3.30),(3.31) и (3.32) выразим и рассчитаем реакции необходимые для
дальнейшего расчёта:
Сумма
проекций на ось Х должна быть равна 0:
(3.47)
Проверка
выполняется, значит реакции найдены верно.
Суммарная
нагрузка, действующая на шарнир определится:
(3.48)
Суммарная
нагрузка в точках А и В воспринимается двумя шарнирами, следовательно
определённые реакции равны:
Определение
силы, действующей на пальцы в месте крепления рамы и корпуса обкатывающей
поверхности. Расчётная схема представлена на рисунке 3.8.
Составление
уравнения сил:
(3.30)
Суммарная
нагрузка в точке С воспринимается двумя шарнирами, следовательно определённые
реакции равны:
Полученные
реакции будут использованы в дальнейшем расчёте.
Рисунок
3.8 - Расчётная схема для определения реакции в узле
4.
ПРОЧНОСТНЫЕ РАСЧЁТЫ
.1
Прочностной расчет барабана фрезы
Общее
число зубьев на фрезерном барабане - 36 шт., зубья расположены по четырем
расходящимся винтовым линиям.
Из конструктивных соображений принимаем толщину стенки 2 мм, при
внешнем диаметре D=0,062 м. и
внутреннем d=0,052 м. В качестве материала
барабана принимаем наиболее дешевый и удобный для технологической обработки
материал Ст3 ГОСТ 380-71 с предельным касательным напряжением
Определим максимальное напряжение кручения, возникающее в стенке
барабана:
(4.1)
- момент
сопротивления кручению барабана;
- общий
крутящий момент на фрезе
(4.2)
Коэффициент
запаса по касатальным напряжениям:
(4.3)
Коэффициент
запаса по касатальным напряжениям очень велик, но это связано с конструктивными
особенностями проектируемой конструкции.
4.2 Проверка прочности шпоночного соединения
Шпонки призматические со скругленными торцами. Размеры сечения шпонок,
пазов, длин шпонок по ГОСТ 23360-78. Материал шпонок сталь - 45
нормализованная.
(4.4)
При d = 16 мм сечение шпонки b x h = 5 x 5 мм, глубина паза вала t1 = 3 мм, длина шпонки l = 50 мм.
- рабочая
длина шпонки.
Крутящий момент на валу, напряжение смятия и условие прочности
определится:
Проверка выполняется.
4.3 Проверочный расчёт на срез
пальцев проушин
4.3.1 Проушина крепления корпуса,
обкатывающей поверхности барабана фрезы, к раме
Шарнир устанавливается в месте соединения барабана фрезы и её рабочей
рамы.
Пальцем шарнира будет служить болт из стали 30ХГСА.
Рисунок 4.1 - Расчётная схема шарнира
Проверка пальца на срез и определение минимального диаметра:
Диаметр пальца определяется из условия:
(4.5)
-
усилие, действующее на палец шарнира;
- для
стали 30ХГСА;
- площадь
среза пальца шарнира, которая равна:
(4.6)
Диаметр
пальца определится по формуле:
(4.7)
Принимаем
диаметр пальца
.
Проведём
расчёт толщины проушины. Толщина проушины определим из условия:
(4.8)
-
допускаемое напряжение на смятие;
-
толщина проушины;
(4.9)
Принимаем
, так как в расчёте мы не учитываем вибрационную
нагрузку на палец и проушину во время её работы.
4.3.2 Проушина крепления стержня к рабочей раме
Выбираем материал для пальца шарнира - Ст2, так как из этой стали
изготавливаются стандартные пальцы.
Расчётная схема представлена на рисунке 4.2.
Проверяем палец на срез и определяем его диаметр.
Диаметр пальца определяется из условия :
(4.10)
- усилие,
действующее на палец шарнира;
площадь
среза пальца шарнира, определяемое по формуле (4.6)
Рисунок 4.2 - Расчётная схема шарнира
Диаметр пальца определится по формуле:
(4.11)
- для
стали Ст2;
Принимаем
диаметр пальца
.Проведём расчёт толщины проушины. Толщину проушины
определим из условия (4.8):
-
допускаемое напряжение на смятие.
Принимаем
, так как в расчёте мы не учитываем вибрационную
нагрузку на палец и проушину во время её работы.
4.3.3
Проушина крепления рабочей рамы к основной
Выбираем
материал для пальца шарнира - Ст2, так как из этой стали изготавливаются
стандартные пальцы.
Расчётная схема представлена на рисунке 4.3.
Рисунок 4.3 - Расчётная схема шарнира
Проверка пальца на срез и определение минимального диаметра:
Диаметр пальца определяется из условия (4.5):
-
усилие, действующее на палец шарнира;
- для
стали Ст2;
Диаметр
пальца определится по формуле (4.7):
Принимаем
диаметр пальца
.
Проведём
расчёт толщины проушины. Толщина проушины определится из условия (4.8):
-
допускаемое напряжение на смятие.
Принимаем
, так как в расчёте мы не учитываем вибрационную
нагрузку на палец и проушину во время её работы.
4.4 Предварительный расчёт вала
Привод фрезы состоит из вала с двумя наборами дебалансов с каждой
стороны. Рассчитаем вал фрезы.
Выбираем материал вала: Сталь
40ХН
-
;
.
Расчёт валов на кручение выполняем перед составлением компоновочной
схемы. Диаметр вала в опасном сечении определяем из условия прочности на
кручение при пониженных допускаемых напряжениях.
(4.12)
Т=198 Н.мм - крутящий момент;
мПа -
допускаемое напряжение на кручение.
Принимаем диаметр вала в опасном сечении 10 мм.
Определение центробежной силы:
(4.13)
Определяем
реакции опор по следующим зависимостям:
;
Из
полученного выражения определяем искомую реакцию, тогда получаем:
Аналогичным
образом определяется вторая неизвестная реакцию:
;
Проверка
правильность нахождения реакций опор:
Проверка
сходится, значит, реакции найдены верно.
Построение
эпюры нагружения вала.
Рисунок 4.4 - Расчётная схема вала
Расчёт эквивалентного момента в опасном сечении:
(4.14)
-
нереверсивная передача [11, с. 65]
Определение
минимального диаметра в опасном сечении:
мм
-
коэффициент запаса.
Принимаем
диаметр вала в опасном сечении под подшипником 25 мм.
.5 Проверка долговечности подшипников
Диаметр
под подшипником составляет 25 мм. Установим подшипник № 32205 с посадочным
диаметром, равным 25 и с наружным диаметром 52 мм, ширина
,
,
.
Определение
эквивалентной нагрузки
для подшипников. Она будет составлять:
(4.15)
-
радиальная нагрузка на подшипник;
-
коэффициент безопасности [11, табл. 7.5.3, с. 86];
-
температурный коэффициент [11, табл. 7.5.4, с. 86];
-
коэффициент вращения;
и
- коэффициенты радиальной и осевой нагрузки [11, с.
85].
Расчётная
долговечность в млн. оборотов L или
в часах
определяется по динамической грузоподъёмности С и величине эквивалентной
нагрузки:
(4.16)
(4.17)
Проверка
показала, что данные подшипники обеспечивают необходимый срок работы.
4.6
Проверка вала на усталостную прочность
Коэффициент
запаса прочности при симметричном цикле нагружений для нормальных напряжений:
(4.18)
для
касательных напряжений:
(4.19)
При
одновременном действии нормальных и касательных напряжений:
(4.20)
- предел
выносливости гладкого образца при симметричном цикле напряжений изгиба;
- предел
выносливости гладкого образца при симметричном цикле напряжений кручения ;
-
амплитуда номинальных напряжений соответственно изгиба и кручения, при
симметричном цикле нагружений;
-
суммарные коэффициенты, учитывающие влияние всех факторов на сопротивление
усталости соответственно при изгибе и кручении.
Напряжения
кручения и изгиба находятся по формулам сопротивления материалов:
;
(4.21)
- момент
сопротивления изгибу и кручению;
-
расчётный изгибающий момент в опасном сечении;
-
расчётный крутящий момент.

(4.22)
Суммарные
коэффициенты концентрации напряжений для детали при отсутствии технологического
упрочнения определяются по формулам
(4.23)
где
- эффективные коэффициенты концентрации напряжений
для полированного образца (11, табл. 4.6 - 4.8, стр.86-87);
-
коэффициенты состояния поверхности (11, табл. 4.9., стр.87);
εσ=0,7 ετ=0,6 - коэффициенты влияния абсолютных размеров детали
(11, табл.4.11., стр.88);
Вал
в опасных сечениях будем рассчитывать только на изгиб, так как крутящий момент
передаваемый валом очень мал.
Рассчитаем
вал в опасном сечение 1-1 на изгиб и кручение, так как в этом сечение
наибольший изгибающий момент. Диаметр вала d=25мм;
;
.
Определение
моментов сопротивления изгибу и кручению:
;
.
Определение
напряжений кручения и изгиба:
;

.
Определение
суммарных коэффициентов концентрации напряжений:
;
Определение
запаса прочности по изгибу и кручению:
Полученный
запас прочности по кручению намного превосходит оптимальный, но это связано с
конструктивными особенностями компоновки модели.
4.7 Расчёт сварных соединений рамы
.7.1 Расчёт соединения проушины с рамой.
Расчётная схема изображена на рисунке 4.5.
Рисунок 4.5 - Расчётная схема крепления проушины к раме
Напряжение возникающее в шве определяется:
(4.23)
- усилие
возникающее в сварном шве;
- площадь
рассчитываемого шва:
(4.24)
- катет
шва;
- длина
шва.
Рассчитываемое напряжение не должно превышать допустимого:
(4.25)
Так
как
, следовательно сварной шов в состоянии выдержать
возникающую нагрузку.
4.7.2 Расчёт сварного соединения проушины корпусом
Расчётная схема изображена на рисунке 4.6.
Рисунок 4.6 - Расчётная схема крепления проушины к раме
Напряжение возникающее в шве определяется по формуле (4.23):
- усилие
возникающее в сварном шве;
- площадь
рассчитываемого шва:
- катет
шва;
- длина
шва.
Рассчитываемое напряжение не должно превышать допустимого:
Так
как
, следовательно, сварной шов в состоянии выдержать
возникающую нагрузку.
5. БЕЗОПАСНОСТЬ ЖИЗНЕДЕЯТЕЛЬНОСТИ
.1 Безопасность труда
Изучение и решение проблем, связанных с обеспечением здоровых и
безопасных условий, в которых протекает труд человека - одна из наиболее важных
задач в разработке новых технологий и систем производства. Изучение и выявление
возможных причин производственных несчастных случаев, профессиональных
заболеваний, аварий, взрывов, пожаров, и разработка мероприятий и требований,
направленных на устранение этих причин позволяют создать безопасные и
благоприятные условия для труда человека.
Безопасность труда представляет собой систему законодательных актов и
соответствующих им социально-экономических, технических, гигиенических и
организационных мероприятий, обеспечивающих безопасность, сохранение здоровья и
работоспособности человека в процессе труда. С охраной труда связаны вопросы
безопасности труда, предупреждения травматизма и профессиональных заболеваний и
отравлений, пожаров и взрывов на производстве. Отступление от нормального
режима работы и нарушение требований техники безопасности могут привести к ухудшению
здоровья работающих.
При работе со стендом для исследования вибропривода фрез на человека,
обслуживающего его, воздействуют опасные и вредные факторы. В данном разделе
дипломного проекта рассмотрены обоснование и выбор принципов, методов и средств
защиты или уменьшения воздействия их на человека.
Работа со стендом не несет систематических физических нагрузок на
организм человека, в соответствии с этим, работы со стендом относятся к классу
легких.
В производственном помещении имеется большое выделение пыли, поэтому
стены и потолки сооружены из малотеплопроводных материалов, не задерживающих
осаждение пыли, а уборка помещений проводится при помощи пылесосов или
гидросмыва. Полы в помещении теплые, эластичные, ровные и нескользкие, не
пропускают грунтовые воды и вредные газы. Так как рабочее место обслуживается
стоя, то полы сделаны теплопроводными.
5.1.1 Микроклимат
Показателями, характеризующими микроклимат, являются:
а) температура воздуха;
б) относительная влажность воздуха;
в) скорость движения воздуха;
г) интенсивность теплового излучения.
Оптимальные показатели микроклимата распространяются на всю рабочую зону,
допустимые показатели устанавливаются дифференцированно для постоянных и
непостоянных рабочих мест. Оптимальные и допустимые показатели температуры,
относительной влажности и скорости движения воздуха в рабочей зоне
производственных помещений должны соответствовать значениям, указанным в
таблице 5.1.
Таблица 5.1
Оптимальные и допустимые нормы температуры, относительной влажности и
скорости движения воздуха в рабочей зоне производственных помещений
|
Период года
|
Категория работ
|
Температура воздуха, Сº
|
Относительная влажность
воздуха, %
|
Скорость движения воздуха,
м/с
|
|
Холодный Теплый
|
легкая - 1а легкая - 1а
|
21-23 22-24
|
40-60 40-60
|
0,1 0,2
|
Допустимые величины показателей микроклимата устанавливаются в случаях,
когда по технологическим требованиям, техническим и экономическим причинам не
обеспечиваются оптимальные нормы.
Соблюдаемый в лаборатории тепловой режим соответствует оптимальным
нормам, задаваемым ГОСТ 12.1.005 - 03 «Система стандартов безопасности труда.
Общие санитарно-гигиенические требования к воздуху рабочей зоны ». Это
осуществляется за счет имеющихся в лаборатории кондиционеров. Поддержание на
заданном уровне температуры, влажности и подвижности воздуха - осуществляется
постоянной вентиляцией помещения (лаборатории), в котором эксплуатируется
разрабатываемое устройство.
5.1.2 Шум. Допустимые уровни шума устанавливаются
ГОСТ 12.1.003-83* «Система стандартов безопасности труда. Шум. Общие
требования безопасности».
Шум - любой нежелательный звук, воспринимаемый слухом человека, мешает
работе и отдыху. Шум вредно воздействует на организм человека, снижает
работоспособность. Область слышимых звуков ограничивается не только
определенными частотами (20-20000 Гц), но и определенными значениями звуковых
давлений и их уровней. Шум возникает при механических колебаниях в твердых,
жидких и газообразных средах. Механические колебания в диапазоне частот 20 -
20000 Гц воспринимаются слуховым органом человека в виде звука. Колебания с
частотой ниже 20 Гц (инфразвук) и выше 20000 Гц (ультразвук) не вызывают
слуховых ощущений, но оказывают биологическое воздействие на организм человека.
С физиологической точки зрения шум рассматривают как звуковой процесс,
неблагоприятный для восприятия, мешающий разговорной речи и отрицательно
влияющий на здоровье человека.
Разработка мероприятий по защите от шума должна начинаться с рассмотрения
возможных способов его ослабления в источниках возникновения. Для звукопоглощения
используют способность строительных материалов и конструкций рассеивать энергию
звуковых колебаний. При падении звуковых волн на звукопоглощающую поверхность,
выполненную из пористого материала (например, пенопласта) значительная часть
акустической энергии расходуется на приведение в колебательное движение воздуха
в порах, что вызывает его разогрев. При этом кинетическая энергия звуковых
колебаний преобразуется в тепловую, которая рассеивается в окружающем
пространстве.
Шум, распространяющийся по воздуху, можно существенно снизить, установив
на пути его распространения звукоизолирующие преграды: стены, перегородки,
перекрытия, звукоизолирующие кожухи и экраны.
Таблица 5.2
Допустимые уровни шума для производственного помещения
|
Уровни звукового давления в
дБ в октавных полосах со среднегеометрическими частотами, Гц
|
Общий уровень звука, дБ
|
|
Среднегеометрические
частоты
|
663
|
1125
|
2250
|
5500
|
11000
|
22000
|
44000
|
88000
|
85
|
|
Граничные частоты
|
999
|
992
|
886
|
883
|
880
|
778
|
776
|
774
|
|
Основным источником шума при работе стенда является работа
электродвигателя. Допустимые уровни шума по предельному спектру для помещения
лаборатории, которые не должны превышаться при работе механического привода,
приведены в таблице 5.2.
В помещении, где функционирует проектируемый стенд уровень шума не
превышает допустимого уровня, поэтому мероприятий по защите от шума проводить
нет необходимости.
5.1.3 Освещение
Нормы на освещение указаны в СНиП 23-05-95* «Естественное и искусственное
освещение». Одним из элементов, влияющих на комфортные условия работающих,
является производственное освещение. К системам
производственного освещения предъявляются следующие основные требования:
соответствие уровня освещенности рабочих мест характеру выполняемой
зрительной работы;
достаточно равномерное распределение яркости на рабочих поверхностях и в
окружающем пространстве;
отсутствие резких теней, прямой и отраженной блёсткости (повышенной
яркости светящихся поверхностей, вызывающей ослепленность);
оптимальная направленность излучаемого осветительными приборами светового
потока;
постоянство освещенности во времени;
долговечность, экономичность, электро- и пожаробезопасность.
Освещение помещений предприятия подразделяется на естественное,
искусственное и совмещенное.
Естественное освещение должно осуществляться через светопроёмы и
обеспечивать коэффициент естественной освещенности (КЕО) не ниже 1,5%.
Искусственное освещение помещений в зависимости от производственной
необходимости подразделяется на общее, местное, аварийное и комбинированное.
Таблица 5.3
Нормы естественного и искусственного освещения СНиП 23-05-95*
|
Характер зрительной работы
|
Разряд зрительной работы
|
Общее освещение
|
Комбинированное освещение
|
Естественное и боковое
освещение КЕО, %
|
Показатель ослепленности,
коэффициент пульсации, %
|
|
Средней точности
|
IV б
|
200 лк
|
500 лк
|
1,5
|
20
|
Таблица 5.3 выбраны для объекта различения размером 0,5 - 1мм, что
соответствует работе по замене модулей и исключению кабеля. При среднем
контрасте и темном фоне имеем подразряд зрительной работы "б",
рекомендуемое комбинированное освещение 500 лк и общее освещение 200 лк. Для
работы заданной точности рекомендован разряд зрительной работы 4.
Для общего освещения помещений используются люминесцентные лампы (ЛЛ).
Так как они имеют более длительный срок службы (10000 ч), чем лампы накаливания
(1000 ч), и большую световую отдачу (750 лм/Вт), чем (20лм/Вт), а также малую
яркость светящейся поверхности и лучший спектральный состав света. Одним из
недостатков таких ламп является высокая стоимость и пульсация светового потока,
вызывающая утомление зрения. Поэтому коэффициент пульсации освещенности
регламентирован в пределах 10 - 20 % в зависимости от разряда зрительной
работы.
Расчет системы освещения сводится к выбору вида освещения, определению
типа и числа светильников. По ГОСТу освещенность от светильников общего
назначения ЛЛ для оператора должна быть в пределах 200 - 400 лк.
Метод коэффициента использования светового потока наиболее применим для
расчета общего равномерного освещения помещений в условиях эксплуатации промышленных
предприятий. При расчете этим методом учитывается как прямой свет от
светильника, так и свет, отраженный от стен и потолка.
Проведем расчет необходимого для проведения работ светового потока.
Необходимый световой поток:
, (5.1)
Енорм
- нормируемая общая освещенность, лк;
К
- коэффициент запаса;- освещаемая площадь, м2;- коэффициент
неравномерности освещения;
-
коэффициент использования светового потока, %;
n - общее число
светильников.
Освещаемая
площадь:
S=a×b=8×4,5=36 м2
=
8 - длина помещения (лаборатории), м;= 4,5 - ширина помещения, м.
Коэффициент
использования светового потока h определяется согласно СНиП
23-05-95* в зависимости от типа светильников, коэффициентов отражения потолка рп=30
%, стен рс=10 % и пола рпл=10 %, а также индекса
помещения i:
, (5.2)
Нр
- расчетная высота подвески светильника, м:
Нр=Н
- hс - hp, (5.3)
Н=
3 - высота помещения, м;
hp=1,5
- высота от пола до уровня рабочей поверхности, м;
hc=0,1
- высота от потолка до нижней части светильника, м;
Нр=3
- 0,1 - 1,5 = 1,4 (м)
С
учетом этого i равно:
Полученному
значению индекса помещения i соответствует значение коэффициента использования
светильников h=0,51 %.
Световой
поток всех светильников равен:
Полученному
световому потоку по ГОСТ 19190-84 соответствуют лампы ЛДЦ - 65, имеющие
соответствующий световой поток 3050 лм.
5.1.4
Электробезопасность
Нормы
на электробезопасность указаны в ГОСТ 12.1.009-76 «Система стандартов безопасности
труда. Электробезопасность. Термины и определения».
Электробезопасность
- система организационных и технических мероприятий и средств, обеспечивающих
защиту людей от вредного и опасного воздействия электрического тока. В
отношении электробезопасности стенд находится в помещении без повышенной
опасности.
Существует
три способа защиты от поражения электрическим током.
Зануление
- соединение всех металлических корпусов и конструкций с заземленной нейтралью
трансформатора через нулевой провод или специальный защитный проводник.
Благодаря этому всякое замыкание на корпус превращается в короткое замыкание и
аварийный участок отключается предохранителем или автоматом. Применение только
одного зануления в данной установке не обеспечивает полной защиты, так как в
случае обрыва нулевого провода и замыкания фазы на корпус сохраняется
возможность поражения электрическим током.
Защитное
заземление - преднамеренное электрическое соединение с землей или ее
эквивалентом металлических токоведущих частей, которые могут оказаться под
напряжением вследствие замыкания на корпус. Назначение защитного заземления -
устранение опасности поражения человека током в случае прикосновения к корпусу
электроустановки и другим нетоковедущим частям.
Защитное
отключение - быстродействующее отключение аварийного участка или сети в целом
при возникновении замыкания на корпус или непосредственно на землю, а также при
прикосновении к частям находящимся под напряжением. Защитное отключение требует
постоянного контроля за поддержанием работоспособности устройства защитного
отключения, что весьма затруднительно, а также при отказе устройства защитного
отключения электроустановка остается без всякой защиты.
Для
обеспечения защиты от случайного прикосновения к токоведущим частям необходимо
применять следующие способы и средства:
- защитные оболочки;
- защитные ограждения (временные или стационарные);
- безопасное расположение токоведущих частей;
- изоляция токоведущих частей (рабочая, дополнительная,
усиленная, двойная);
- изоляция рабочего места;
- малое напряжение;
- защитное отключение;
- предупредительная сигнализация, блокировка, знаки
безопасности.
Для защиты от поражения электрическим током применяется метод защитного
заземления.
5.1.5 Пожарная безопасность
Неправильная эксплуатация приборов и оборудования может привести к пожару
или взрыву. Пожарная безопасность предусматривает такое состояние объекта, при
котором бы исключалось бы возникновение пожара, а в случае его возникновения
предотвращалось бы воздействие на людей опасных факторов пожара, и
обеспечивалась защита материальных ценностей.
Так как при эксплуатации установки в качестве рабочей жидкости
используется негорючие вещества и материалы в холодном состоянии, то помещение
относится к взрывоопасным (класс Д).
Пожар может возникнуть как вследствие причин электрического, так и не
электрического характера. К причинам электрического характера относятся
короткое замыкание, перегрузка, большое переходное сопротивление, статическое
электричество. К причинам не электрического характера можно отнести нарушение
режимов эксплуатации, курение, оставление без присмотра нагревательных
приборов, неисправность оборудования, самовоспламенение и самовозгорание
веществ, и другие факторы.
Пожарная безопасность обеспечена с помощью систем предотвращения пожара и
систем пожарной защиты. К системам предотвращения пожара в помещении можно
отнести: предотвращение образования источников зажигания; правильный выбор
сечений проводов и проводников по допустимой плотности тока; обеспечение
пожарной безопасности оборудования, электроустановок, систем отопления и
вентиляции.
К мероприятиям по пожарной защите относятся:
- предотвращение распространения пожара за пределами очага;
- применение средств пожаротушения и пожарной сигнализации;
- применение средств противопожарной защиты и пожаротушения;
- своевременное оповещение о пожаре и эвакуация людей.
В качестве средств обнаружения пожара применена противопожарная
сигнализация с дымовыми датчиками.
5.1.6 Молниезащита
Согласно ПУЭ-2002 помещение, в котором находится стенд относится к классу
П-I. Поэтому по РД 34.21.122-87
«Молниезащита» данное помещение относится к II категории молниезащиты.
Во II категорию попадают производственные здания и сооружения, в которых
появление взрывоопасной концентрации происходит в результате нарушения
нормального технологического режима, а также наружные установки, содержащие
взрывоопасные жидкости и газы. Для этих объектов удар молнии создает опасность
взрыва только при совпадении с технологической аварией или срабатыванием дыхательных
или аварийных клапанов на наружных установках. При эксплуатации стенда возможно
растекание технического масла. Этот факт в сочетании с ударом молнии резко
увеличивает вероятность возникновения пожара.
Здания и сооружения, отнесенные по устройству молниезащиты ко II категории, должны быть защищены от
прямых ударов молнии, а также вторичных ее проявлений и заноса высокого
потенциала через наземные (надземные) и подземные металлические коммуникации.
Молниезащита зданий и сооружений II категории выполняется одним из следующих способов:
а) отдельно стоящим или установленным на зданиях неизолированными
стержневыми или тросовыми молниеотводами, обеспечивающими защитную зону;
б) молниеприемной заземленной сеткой, накладываемой на неметаллическую
кровлю.
В силу того, что помещение, в котором находится стенд, расположен в
существующем здании института техники, технологии и управления, то средства
молниезащиты являются общими для помещения и здания института.
5.2 Классификация и общая характеристика ЧС
Чрезвычайная ситуация (ЧС) (авария) - внешне неожиданная, внезапно
возникающая обстановка, характеризующаяся резким нарушением установившегося
процесса или явления и оказывающая значительное отрицательное воздействие на
жизнедеятельность людей, функционирование экономики, социальную сферу и
природную среду. Каждая ЧС имеет свою физическую сущность, свои, только ей
присущие причины возникновения, движущие силы, характер и стадии развития, свои
особенности воздействия на человека и среду его обитания.
Катастрофа - авария, сопровождающаяся гибелью людей.
Так как в городе Балаково Саратовской области находятся несколько
потенциально опасных предприятий, то в случае аварий могут возникнуть следующие
чрезвычайные ситуации:
- АЭС - радиактивное заражение, опасность взрыва;
- ТЭЦ - опасность взрыва и как следствие масштабное заражение
воздуха отравляющими веществами;
- БХЗ, БЗВМ - химическое заражение, опасность взрыва;
- ГЭС - электромагнитный импульс, гидродинамическая авария и
как следствие затопление и разрушение прилежащей территории.
Классификация чрезвычайных ситуаций:
по причинам возникновения: стихийные бедствия (землетрясения, наводнения,
селевые потоки, оползни, ураганы, снежные заносы, грозы, ливни, засухи);
техногенные катастрофы (аварии на энергетических, химических,
биотехнологических объектах, транспортных коммуникациях при перевозке разрядных
грузов, продуктопроводах); антропогенные катастрофы (катастрофические изменения
биосферы под воздействием научно-технического прогресса и хозяйственной
деятельности); социально-политические конфликты (военные, социальные).
по масштабу распространения с учётом тяжести последствий: локальные,
объектовые, местные, региональные, национальные и глобальные;
по скорости распространения опасности (темпу развития): внезапные, быстро
распространяющиеся, умеренные, плавные «ползучие» катастрофы.
Основными последствиями ЧС являются: разрушения; затопления; массовые
пожары; химическое заражение; радиоактивные загрязнения; бактериальное
(биологическое) заражение. Масштаб последствий (ущерб) ЧС (количество
заболеваний, травм, смертей, экономические потери) является следствием
взаимодействия многих причин (факторов).
Основными причинами аварий и катастроф на объектах являются:
ошибки, допущенные при проектировании, строительстве и изготовлении
оборудования;
нарушение технологии производства, правил эксплуатации оборудования,
требований безопасности;
низкая трудовая дисциплина;
стихийные бедствия, военные конфликты.
Наиболее характерными последствиями аварий являются взрывы, пожары,
обрушения зданий, заражение местности сильнодействующими ядовитыми и
радиоактивными веществами.
В случае возникновения войны с применением противником ОМП возникают
поражающие факторы:
ударная волна;
световое излучения;
проникающая радиация;
радиоактивное заражение;
электромагнитный импульс.
5.2.1 Ударная волна
Распространяется в воздухе и ее скорость обычно в несколько раз превышает
скорость звука. Основными же параметрами ударной волны, характеризующими ее
разрушающее и поражающее действие, считаются: избыточное давление во фронте
ударной волны, давление скоростного напора, продолжительность действия волны
(длительность фазы сжатия) и скорость продвижения фронта ударной волны.
а) Смещение оборудования. Для сооружений и оборудования, быстро
обтекаемых ударной волной (трансформаторы, станки, антенны, дымовые трубы опоры
и так далее), наибольшую опасность представляет скоростной напор воздуха,
движущийся за фронтом ударной волны.
При воздействии скоростного напора на объект возникает смещающая сила Рсм,
которое может вызвать: смещение оборудования относительно основания
(фундамента) или его отбрасывания; опрокидывание оборудования; ударные
перегрузки, то есть мгновенное инерционное разрушение элементов оборудования.
Смещение оборудования, вызываемое действием ударной волны, может привести
к слабым, а в ряде случаев и средним разрушениям. Степень разрушения
оборудования резко повышается, если оно отбрасывается на какое-то расстояние,
сопровождается ударами о другие предметы и вызывает дополнительные разрушения.
б) Инерциальное разрушение оборудования. Для оборудования, измерительных
приборов и аппаратуры, имеющих чувствительные элементы, опасными будут большие
ускорения, приобретаемые этими элементами при действии ударной волны. Обладая
определенной массой и упругостью, элементы прибора приобретают инерционные
силы, которые могут привести к внутренним повреждениям схемы (то есть отрыву
припаянных элементов, разрыву соединительных проводов, разрушению хрупких
элементов). Инерциальные разрушения могут приравниваться к сильной степени
разрушений. Для оценки устойчивости прибора к инерциальным разрушениям при
действии избыточного давления и скоростного напора определяется избыточное
лобовое сопротивление.
Так как стенд имеет небольшие размеры и устанавливается в лабораторном помещении,
то промышленное здание и будет защитой разрабатываемого стенда от ударной
волны.
5.2.2 Световое излучение
По природе световое излучение - совокупность видимого света и близких к
нему ультрафиолетовых и инфракрасных лучей. Поражающее действие светового
излучения характеризуется световым импульсом, то есть отношением количества
световой энергии к площади освещенной поверхности, расположенной
перпендикулярно распространению световых лучей. Световой импульс зависит от
мощности и вида взрыва, расстояния от центра взрыва и ослабления светового
излучения в атмосфере, а также, от экранирующего действия дыма, пыли,
растительности, неровности местности и так далее.
Энергия светового импульса, падая на поверхность предмета, частично
отражается его поверхностью, частично поглощается им, и частью проходит через
него, если предмет прозрачен. Поэтому характер (степень) поражения элементов
объекта зависит как от светового импульса и времени его действия, так и от
плотности, теплоемкости, теплопроводности, толщины, цвета, характера обработки
материала, расположения поверхности к падающему световому излучению, - всего,
что будет определять степень поглощения световой энергии.
Тепловое воздействие проявляется тем сильнее в поверхностных слоях
материала, чем они тоньше, менее прозрачны, менее теплопроводны, чем меньше их
сечение и меньше удельный вес. Однако, если световая поверхность материала
быстро темнеет в начальный период действия светового излучения, то остальную
часть световой энергии она поглощает в большем количестве, как и материал
темного цвета. Если же под действием теплового излучения на поверхности
материала образуется большое количество дыма, то его экранирующее действие
ослабляет общее воздействие излучения.
В результате воздействия светового излучения на прибор может произойти
воспламенение материалов, использованных в проектируемом стенде. Повышение
теплостойкости устройства обеспечено благодаря окраске его корпуса в светлые
тона, выполнению питающих и сигнальных проводов с элементами защиты от светового
излучения (теплоэкраны, металлическая оплетка). Повышение устойчивости стенда к
воздействию светового излучения заключается также в замене
легковоспламеняющихся материалов на теплостойкие.
5.2.3 Радиация
Воздействие проникающей радиации проявляется главным образом, через ее
действие на людей, материалы и приборы, чувствительные к радиации. Ионизирующие
излучения воздействуют на различные электронные устройства и приводят к
структурным изменениям материалов, возникновению ионизации, разогреву, появлению
наведенной радиоактивности и многим другим явлениям, нарушающим физические и
механические свойства материалов, физические и химические процессы в этих
устройствах. Исследования их работоспособности в условиях воздействия различных
видов радиации показали, что ионизирующие излучения оказывают вредные
воздействия на многие элементы аппаратуры. Результатами этих воздействий могут
быть обратимые и необратимые изменения параметров элементов, приводящие к
полной или частичной потере работоспособности устройств.
Критерием устойчивости работы проточной части при воздействии проникающей
радиации и радиоактивного заражения является максимальная экспозиционная доза
гамма-излучения Дg, при которой,
начинаются изменения параметров элементов, но работа еще не нарушается.
Действие проникающей радиации зависит от вида излучений. Ввиду малой
проникающей способности альфа- и бета-частиц, их воздействие на аппаратуру
обычно не учитывают. Поток нейтронов проникающей радиации оказывает воздействие
на радиоэлектронные устройства при удалении устройства от очага поражения на
величину, не превышающую 3 км. На таком расстоянии выход аппаратуры из строя
будет вызван действием ударной волны. Таким образом, из всех составляющих
радиоактивного излучения наибольшую опасность представляет гамма-излучение.
Ионизирующая способность гамма - лучей характеризуется экспозиционной
дозой излучения и измеряется в рентгенах (в СИ Кл/кг). Гамма - излучение,
проходя через различные материалы, ослабляется. Степень ослабления зависит от
свойств материалов и толщины защитного слоя.
Для стабильной работы системы необходимо выполнить условие:
Кзащ ³ Косл ,
Кзащ - коэффициент защиты,
Косл - коэфициент ослабления.
Коэфициент ослабления:
(5.4)
-
ожидаемая доза гамма-излучения, Р;
-
экспозиционная доза гамма-излучения, Р.
Одним
из основных материалов, из которых изготавливается техническая емкость является
органическое стекло, а оно теряет свои физические свойства и характеристики при
экспозиционной дозе гамма-излучения равной 105 Р, то есть является
нерадиоактивностойким, то весь расчет будем вести относительно него.
Взяв
максимальную ожидаемую дозу гамма-излучения равную 106 Р, можно
рассчитать необходимый коэффициент ослабления:
Таким
образом, прибор необходимо эксплуатировать в помещениях с коэффициентом
ослабления не менее десяти.
Рассчитаем
коэффициент защиты:
Кзащ
=Ксист×Кэкр (5.5)
Ксист
- коэффициент защиты системы. Для здания Ксист = 6;
Кэкр
- коэффициент защиты экрана.
Из
формулы:
(5.6)
Коэффициент
защиты экрана рассчитывается по формуле:
Кэкр=2Н
/ Dпол , (5.7)
Н
- толщина защитного экрана;
Dпол - толщина половинного слоя ослабления материала, из
которого изготовлен корпус.
Отсюда,
толщина защитного экрана:
(5.8)
Выбираем
в качестве материала для экрана свинец, для которого
Dпол= 2 см. По формуле (5.8) определяем толщину экрана Н =
4,18 см.
Таким
образом, для ослабления радиоактивного излучения в системе предусмотрен
защитный экран из свинца толщиной Н = 4,18 см. Повышение устойчивости
стенда к воздействию радиоактивного излучения заключается также в применении
более радиоактивно устойчивого материала.
5.2.4
Электромагнитный импульс (ЭМИ)
Представляется,
как мощные импульсы токов и напряжений в проводах и кабелях воздушных и
подземных линий связи, сигнализации, управления, электропередачи, в антеннах
радиостанций и тому подобное. Воздействие ЭМИ может привести к сгоранию
чувствительных электронных и электрических элементов, связанных с большими
антеннами или открытыми проводами, а также к серьезным нарушениям в цифровых и
контрольных устройствах, обычно без необратимых изменений. Следовательно,
влияние ЭМИ необходимо учитывать для всех электрических и электронных систем.
Для наиболее важных устройств надо применять меры защиты и повышать их
устойчивость к ЭМИ. Особенностью ЭМИ как поражающего фактора является его
способность распространять на десятки и сотни километров в окружающей среде и
по различным коммуникациям (сетям электро- и водоснабжения, проводной связи и
тому подобных.). Поэтому ЭМИ может оказать воздействие там, где ударная волна,
световое излучение и проникающая радиация теряют свое значение как поражающие
факторы.
Одним
из методов защиты радиоэлектронных систем от действия сильного
электромагнитного излучения является применение металлических экранов. Они
отражают электромагнитные волны и гасят высокочастотную энергию.
Соединительные
кабели для защиты прокладывают в земляных траншеях под цементным или
бетонированным полом здания (сооружения) либо заключают в стальные короба,
которые заземляют. Можно размещать кабели и на поверхности пола, закрыв их
заземленными швеллерами. По длине между собой швеллеры сваривают так, чтобы был
надежный электрический контакт. В особо неблагоприятных условиях кабели следует
помещать в металлический рукав, который закрепляют на полу, и заземляют. Все
это вместе выполняет роль экрана и служит надежной защитой от механических
повреждений кабелей. Для радиоэлектронной аппаратуры, установленной в помещении
и не имеющей антенных устройств, основную опасность представляет импульс,
прошедший по цепи питания. Для защиты аппаратуры могут быть установлены плавкие
предохранители и защитные входные приспособления, которые представляют собой
различные релейные или электронные устройства, реагирующие на превышение тока
ли напряжения в цепи. Наиболее эффективны указанные устройства с применением
плавких предохранителей.
В
случае ЧС для защиты от ЭМИ в проектируемом стенде предусмотрены следующие
мероприятия:
экранирование
электрической схемы стенда;
защита
проводов питания и передачи данных металлическими оплетками и кожухами.
6. ЭКОЛОГИЧЕСКАЯ БЕЗОПАСНОСТЬ
За последние десятилетия, когда загрязнение окружающей среды достигло
критических показателей большое внимание уделяется экологической безопасности.
В нашем случае отрицательное воздействие на человека и экологию окружающей
среды может оказывать электромагнитное излучение, вибрация и шум, т.к.
конструкция экспериментального стенда предусматривает использование двух
электродвигателей и различной измерительной аппаратуры. В связи с этим при
работе на стенде нормы электромагнитного излучения, вибрации и шума должны быть
меньше предельно допустимых.
6.1 Электромагнитное излучение
Источниками электромагнитных полей могут быть различные электроустановки
переменного тока, в том числе воздушные линии и открытые распределительные
устройства сверхвысокого напряжения (330 кВ и выше) промышленной частоты.
Электромагнитное поле обладает определённой энергией и характеризуется
электрической и магнитной напряжённостью, что необходимо учитывать при оценке
условий труда.
Электромагнитные излучения оказывают неблагоприятное влияние на нервную
систему, вызывают нарушение функций сердечно-сосудистой системы, обмена
веществ.
Длительное воздействие электромагнитного поля на человека вызывает
повышенную утомляемость, приводит к снижению качества выполнения рабочих
операций, сильным болям в области сердца, изменению кровяного давления и пульса.
Установлено, что негативное воздействие на организм работающих оказывают
электромагнитные поля токов промышленной частоты (характеризуются частотой
колебаний от 3 до 300 Гц). Неблагоприятные воздействия токов промышленной
частоты проявляются только при напряжённости магнитного поля порядка 160-200
А/м. Зачастую магнитная напряжённость поля не превышает 20-25 А/м, поэтому
оценку опасности воздействия электромагнитного поля достаточно производить по
величине электрической напряжённости поля.
Для измерения напряжённости электрического и магнитного полей используют
приборы типа "ИЭМП-2". Плотность потока излучения измеряют различного
рода радар-тестерами и термисторными измерителями малой мощности, например,
"45-М", "ВИМ" и др.
ГОСТ 12.1.002-84 ССБТ “Электрические поля промышленной частоты.
Допустимые уровни напряжённости и требования к проведению контроля на рабочих
местах.” устанавливает предельно допустимые уровни напряженности электрического
поля (ЭП) частотой 50 Гц для персонала, обслуживающего электроустановки и
находящегося в зоне влияния создаваемого ими ЭП, в зависимости от времени
пребывания в ЭП, а также требования к проведению контроля уровней напряженности
ЭП на рабочих местах.
Значения допустимых уровней напряженности ЭП в зависимости от времени
пребывания в зоне его воздействия представлены в таблице 6.1.
Таблица 6.1
Значения допустимых уровней напряженности ЭП
|
Допустимый уровень
напряженности ЭП
|
Допустимое время пребывания
в зоне воздействия ЭП
|
|
До 5 кВ/м включительно
|
Весь рабочий день (8 ч.)
|
|
От 5 кВ/м до 10 кВ/м
|
Не более 3 ч.
|
|
От 10 кВ/м до 15 кВ/м
|
Не более 1 ч. 20 мин.
|
|
От 15 кВ/м до 20 кВ/м
|
Не более 30 мин.
|
|
От 20 кВ/м до 25 кВ/м
|
Не больше 10 мин.
|
|
Свыше 25 кВ/м
|
Без средств защиты не
допускается
|
Предельно допустимый уровень напряженности воздействующего ЭП
устанавливается равным 25 кВ/м.
Допустимое время пребывания в ЭП может быть реализовано одноразово или
дробно в течение рабочего дня. В остальное рабочее время напряженность ЭП не
должна превышать 5 кВ/м.
Для защиты человека в установках и сетях высокого напряжения применяются
экраны, экранирующие козырьки и тросы, которые заземляются (ГОСТы 12.4.154,
12.4.124).
В качестве индивидуальной защиты применяется защитный костюм из
металлизированной ткани: комбинезон, каска и ботинки с проводящими подошвами.
6.2 Вибрационное воздействие
Колебания материальных тел при низких частотах (3-100 Гц) с большими
амплитудами (0,003-0,5 мм) ощущаются человеком как вибрация и сотрясение.
Вибрации широко используются на производстве: уплотнение бетонной смеси,
бурение шпуров (скважин) перфораторами, рыхление грунтов и др.
Вибрации и сотрясения оказывают вредное влияние на организм человека,
вызывают виброболезнь - неврит. Под воздействием вибрации происходят изменения
в нервной, сердечно-сосудистой и костно-суставной системах: повышение
артериального давления, спазмы сосудов конечностей и сердца. Заболевание
сопровождается головными болями, головокружением, утомляемостью, онемением рук,
побелением пальцев рук.
Между ответными реакциями организма и уровнем воздействующей вибрации нет
линейной зависимости. Причину этого явления видят в резонансном эффекте. При
повышении частот колебаний более 0,7 Гц возможны резонансные колебания в
органах человека. Резонанс человеческого тела, отдельных его органов наступает
под действием внешних сил при совпадении собственных частот колебаний
внутренних органов с частотами внешних сил.
К факторам производственной среды, усугубляющим вредное воздействие
вибраций на организм, относятся чрезмерные мышечные нагрузки, неблагоприятные
микроклиматические условия, особенно пониженная температура, шум высокой
интенсивности, психоэмоциональный стресс. Охлаждение и смачивание рук
значительно повышают риск развития вибрационной болезни за счет усиления
сосудистых реакций. При совместном действии шума и вибрации наблюдается
взаимное усиление эффекта в результате его суммации, а возможно, и
потенцирования.
Гигиеническое нормирование вибраций регламентирует параметры
производственной вибрации и правила работы с виброопасными механизмами и
оборудованием, ГОСТ 12.1.012-90 "ССБТ. Вибрационная безопасность. Общие
требования". Санитарные нормы СН 2.2.4/2.1.8.556-96 "Производственная
вибрация, вибрация в помещениях жилых и общественных зданий".
При гигиенической оценке вибраций нормируемыми параметрами являются
средние квадратичные значения виброскорости V (и их логарифмические уровни LV)
или виброускорения для локальных вибраций в октавных полосах частот, а для
общей вибрации - в октавных или треть октавных полосах.
Предельно допустимые значения вибрации рабочих мест в соответствии с ГОСТ
12.1.012-90.
Допустимые величины нормируемых параметров производственной вибрации
представлены для длительности вибрационного воздействия 480 мин (8 ч).
Норму
вибрационной нагрузки на оператора
при
длительности воздействия вибрации менее 8 ч (480 мин) определяют по формуле:
(6.1)
- норма
вибрационной нагрузки на оператора для длительности воздействия вибрации 480
мин;
Т
- длительность воздействия вибрации.
При
Т < 30 мин. в качестве нормы принимают значение, вычисленное для Т=30
мин.
6.3
Акустическое воздействие
Физическое
понятие об акустических колебаниях охватывает как слышимые, так и неслышимые
колебания упругих сред. Акустические колебания в диапазоне 16 Гц...20 кГц,
воспринимаемые человеком с нормальным слухом, называют звуковыми, с частотой
менее 16 Гц - инфразвуковыми, выше 20 кГц - ультразвуковыми. Распространяясь в
пространстве, звуковые колебания создают акустическое поле.
По
спектральному составу в зависимости от преобладания звуковой энергии в
соответствующем диапазоне частот различают низко-, средне- и высокочастотные
шумы, по временным характеристикам - постоянные и непостоянные, последние, в
свою очередь, делятся на колеблющиеся, прерывистые и импульсные, по
длительности действия - продолжительные и кратковременные. С гигиенических
позиций придается большое значение амллитудно-временным, спектральным и
вероятностным параметрам непостоянных шумов, наиболее характерных для
современного производства.
Интенсивный
шум на производстве способствует снижению внимания и увеличению числа ошибок
при выполнении работы, исключительно сильное влияние оказывает шум на быстроту
реакции, сбор информации и аналитические процессы, из-за шума снижается
производительность труда и ухудшается качество работы. Шум затрудняет своевременную
реакцию работающих на предупредительные сигналы внутрицехового транспорта
(автопогрузчиков, мостовых кранов и т. п.), что способствует возникновению
несчастных случаев на производстве.
Нормируемые
параметры шума на рабочих местах определены ГОСТ 12.1.003-83 и Санитарными
нормами СН 2.2.4/2.1.8.562-46 "Шум на рабочих местах, в помещениях жилых,
общественных зданий и на территории жилой застройки". Документы дают
классификацию шумов по спектру на широкополосные и тональные, а по временным
характеристикам - на постоянные и непостоянные. Для нормирования постоянных
шумов применяют допустимые уровни звукового давления (УЗД) в девяти октавных
полосах частот в зависимости от вида производственной деятельности по ГОСТ
12.1.003-83 с дополнениями 1989 г. Для ориентировочной оценки в качестве
характеристики постоянного широкополосного шума на рабочих местах допускается
принимать уровень звука (дБ А), определяемый по шкале А шумомера с коррекцией
низкочастотной составляющей по закону чувствительности органов слуха и
приближением результатов объективных измерений к субъективному восприятию.
.4 Проблема качественного использования воды
Острая проблема - очистка воды после мойки деталей. Требования к размеру
удаляемых примесей здесь невысокие, но требуется ускорение процесса очистки.
Для этого применяется отстаивание, что крайне долго. Сброс неочищенной воды в
городскую канализацию неэкономичен, из-за ее забивания, загрязнения среды.
Процесс мойки деталей и их очистки ускоряется с помощью центрифугирования
и ультрацентрифугирования. Однако существующие центрифуги имеют существенные
недостатки, ограничивающие их применение. У центрифуг обычных размеров быстро
заполняется грязевое пространство, большеобъемным центрифугам нельзя давать
большие обороты, что снижает разделяющий фактор и не позволяет эффективно
удалять мелкие частицы. Необходимы центрифуги с высокой частотой вращения,
позволяющие выводить грязевые отложения без остановки (“на ходу”). Известны
подобные центрифуги (молочные, творожные и некоторые другие), но они имеют
чрезмерно большие размеры и массу и высокую производительность (10…25 т/ч), не
надежны в эксплуатации.
Несмотря на выше перечисленные предложения по очистке использованных
масел и жидкостей базовой машины, всё же применяются “традиционные” способы по
замене масла. Отработавшее свой ресурс масло, сливают на незащищённую почву,
чем подвергают её сильному токсичному заражению и невозможности быть
плодородной. Так как проектируемый стенд находится в помещении, то масло
сливается не на почву, а в специальную ёмкость. Впоследствии отработавшее свой
ресурс масло из ёмкости сливается в сточную канаву, которая заканчиваются
вместительными резервуарами для отработанного масла. Далее из этих резервуаров
отработанное масло может забираться вакуумными насосами, которые в свою очередь
могут применяться для утилизации различных трудноутилизируемых жидкостей,
содержащих вредные или ядовитые вещества, за счет их полного высушивания до
получения твердого остатка. В это время необходимо также следить за тем, чтобы масло
не попало в сточные воды, так как в ряде городов случайно были обнаружены
подземные озера масел. Также отработанное масло можно отправить на бетонный
завод, где оно будет использоваться в качестве жидкости для смазывания форм
различных бетонных изделий.
При замене масла со старого на новое, новое масло следует заливать так,
чтобы не было утечек, что редко получается, а также применять настилы, которые
располагаются под данными агрегатами и имеют свойство впитывать в себя излишки
смазочных материалов.
6.5 Утилизация оборудования
Экологическую опасность представляют не только электромагнитное
излучение, вибрационное и акустическое воздействие, но и твердые отходы,
получаемые в процессе эксплуатации, либо по истечению срока службы деталей
стенда. К ним относятся:
- аккумуляторные батареи;
- резинотехнические изделия.
Ни один из перечисленных отходов не относиться к разряду особо опасных.
Тем не менее, при современных масштабах использования техники, отходы
эксплуатации наносят существенный ущерб окружающей природной среде и здоровью
человека.
Утилизация отработанных аккумуляторов производится по ГОСТ Р МЭК
61429-2004 «Маркирование и утилизация аккумуляторов и аккумуляторных батарей
международным символом переработки ИСО 70000-1135».
Экологическую опасность в отработанных аккумуляторах представляет свинец
(55 - 68 % от веса аккумулятора), сурьма (1 - 3%), серная кислота (10 - 15%),
эбонит, насыщенный свинцом и полихлорвинил (15 - 20%).
Попадание свинца, сурьмы и серной кислоты в почву даже по отдельности нарушает
биологические, физические и химические процессы, что приводит к разрушению
структуры почвы и в конечном итоге к долговременному прекращению развития флоры
и биологических видов на загрязненных участках.
Для предотвращения столь опасного загрязнения окружающей среды необходимы
система сбора и переработки отработанных аккумуляторов: прямое сжигание и
утилизация с предварительной разборкой. Оба варианта реализованы в промышленных
масштабах.
По первому варианту аккумулятор, освобожденный от серной кислоты просто
сжигается в плавильной печи. В результате получается черновой
свинцово-сурьмяный сплав и газообразные продукты.
По второму варианту из отработанных аккумуляторов производится слив
электролита и его нейтрализация. Затем производится дробление осушенного
аккумулятора до частиц размером не более 150 мм с последующим измельчением до
размера частиц не более 30мм. Затем производится сепарация полученного продукта
на фракции:
- металлическую (свинцово-сурьмяный сплав);
- оксидно-сульфатную (окислы сульфат свинца);
- органическую (эбонит, полипропилен, полихлорвинил).
Органическая фракция отмывается от свинца и разделяется для повторного
использования и захоронения.
Оксидно-сульфатная фракция вместе с раствором от промывки органической по
средством восстановительной плавки превращается в черновой свинец, а жидкая
посредством выпаривания и очистки превращается в сульфат натрия.
Из металлической фракции посредством низкотемпературной плавки получают
свинцово-сурьмяный сплав.
Этот вариант переработки отработанных аккумуляторов обеспечивает возврат
более 99% свинца и сурьмы, минимальные выбросы этих металлов в атмосферу,
нейтрализацию серной кислоты и обезвреживания органических пластмасс,
используемых в аккумуляторах. Такая технология сложнее, но экологически более
приемлема и позволяет выделить из аккумулятора все его компоненты в виде,
пригодном для дальнейшей утилизации.
Утилизация резинотехнических изделий. Резинотехнические изделия не
наносят прямого ущерба окружающей среде. Однако сроки их биологического разложения
исчисляются десятилетиями, а по некоторым данным вулканизированная резина
вообще не подвергается биологическому разложению.
Существует несколько вариантов утилизации резинотехнических изделий.
Наиболее простой и распространенный - это их сжигание. Этот вариант при всей
его простоте далеко не рационален по двум причинам:
- сжигание изношенных резинотехнических изделий сопровождается выделением в
атмосферу диоксина, окислов серы и азота и сажи;
- энергия, получаемая при сжигании изношенных резинотехнических
изделий меньше затраченной на их производство.
Таким образом, контролируемое сжигание изношенных резинотехнических
изделий можно рассматривать лишь как временную меру их утилизации. Наиболее
рациональным вариантом является механическое дробление и повторное
использование полученной крошки для изготовления резиновых половых плит для
производственных и животноводческих комплексов, кровельных листов,
уплотнителей, подрельсовых прокладок и т.д.
7. ТЕХНИКО-ЭКОНОМИЧЕСКИЙ РАСЧЁТ
.1 Обоснование необходимости и
актуальность стенда для исследования параметров дорожных фрез
Целью данного дипломного проекта является создание экспериментального
стенда для исследования параметров дорожных фрез с виброприводом.
На многих объектах промышленного и коммунального хозяйства возникает
необходимость в подготовке дорожных покрытий к ремонту и уходом за полотном во
время его эксплуатации. На работы по фрезерованию затрачиваются значительные
денежные средства, поэтому качественное разрушение дорожных покрытий и наледи
является важным фактором надежности и долговечности дорожного полотна.
Таким образом, основными задачами экспериментальных исследований
параметров дорожных фрез с виброприводом на разрабатываемом стенде являются:
установление рациональной формы и конструктивных параметров как рабочего
органа, так и самой конструкции для фрезерования и выбор рациональных режимных
параметров рабочего оборудования.
Основной задачей технико-экономического обоснования
дипломного проекта является определение величины экономического эффекта от
использования в общественном производстве основных и сопутствующих результатов,
получаемых при решении поставленной технической задачи в данном дипломном
проекте.
Дипломное проектирование носит научно-исследовательский характер.
Проводимый научно-исследовательский эксперимент относится к поисковым, то есть,
предполагается, что при использовании новых конструктивных и режимных форм и
параметров получим дорожную фрезу с более высокой производительностью, низкими
удельными затратами и капиталовложениями.
В технико-экономическом обосновании рассмотрены следующие пункты:
а) определение трудоемкости выполнения НИР и ОКР;
б) построение сетевого графика выполнения ОКР;
в) определение затрат на изготовление стенда;
г) оценка научно-технической результативности и социальной эффективности
НИР и ОКР.
7.2 Определение трудоемкости выполнения НИР и ОКР
Для определения трудоемкости выполнения НИР составляется перечень всех
основных этапов и видов работ, которые должны быть выполнены. Важное значение в
процессе анализа имеет выявление возможностей параллельного выполнения
отдельных видов работ, так как это позволяет существенно сократить общую
длительность проведения НИР. По каждому виду работ определяется
квалификационный уровень исполнителей (должность). Работа выполняется
несколькими исполнителями: старшим научным сотрудником (СНС), младшим научным
сотрудником (МНС) и студентом. Распределение видов работ зависит от характера и
степени сложности работ.
Форма распределения работ НИР по этапам, видам и должностям исполнителей
приведена в таблице 7.1.
Таблица 7.1
Распределение работ по этапам, видам и должностям исполнителей
|
Этап проведения НИР
|
Вид работ
|
Должность исполнителя
|
|
1
|
2
|
3
|
|
Разработка технического
задания (ТЗ)
|
Составление ТЗ на дипломный
проект
|
СНС
|
|
Утверждение ТЗ на дипломный
проект
|
СНС
|
|
Выбор направления
исследований
|
Сбор и изучение
научно-технической литературы,нормативно-технической документации
|
МНС
|
|
Анализ существующего
оборудования для разрушения наледи и дорожных покрытий
|
МНС
|
|
Анализ существующих
исследований в области создания оборудования для разрушения наледи и
дорожного покрытия
|
МНС
|
|
Анализ существующих стендов
для исследования оборудования по разрушению наледи и дорожных покрытий
|
МНС
|
|
Анализ рабочих свойств
дорожных наледей и дорожных покрытий
|
МНС
|
|
Техническое предложение
|
Техническое предложение
|
МНС
|
|
Расчётно-конструкторские и
теоретические исследования
|
Проектировочные расчёты
|
МНС
|
|
Прочностные расчёты
|
МНС
|
|
Графическая часть
|
МНС
|
|
Составление промежуточного
отчета
|
МНС
|
|
Технико-экономический
расчёт
|
МНС
|
|
Безопасность
жизнедеятельности
|
МНС
|
|
Экологическая безопасность
|
МНС
|
|
Составление промежуточного
отчета
|
МНС
|
|
Выводы по полученным
результатам
|
МНС
|
|
Обобщение и оценка
результатов исследований
|
Оформление пояснительной
записки
|
МНС
|
|
Оформление плаката
|
МНС
|
|
Оценка результатов
выполнения НИР в целом
|
СНС
|
Трудоёмкость выполнения НИР определяется по сумме трудоемкостей этапов и
видов работ, оцениваемых экспертным путем в человеко-днях, и носит
вероятностный характер, так как зависит от множества трудно учитываемых
факторов.
Ожидаемое значение трудоемкости ti определяется:
(7.1)
ti -
ожидаемое значение трудоемкости;
аi
- оценка минимально возможной трудоемкости выполнения отдельных работ, дней;
mi -
оценка наиболее вероятной трудоемкости выполнения отдельных работ, дней;
bi - оценка
максимально возможной трудоемкости выполнения отдельных работ, дней.
Дисперсия
Di определяется:
(7.2)
Дисперсия
характеризует степень неопределенности выполнения работы за ожидаемое время Ti. Если разброс между аi и bi мал, то степень достоверности того, что работа будет выполнена точно в
срок велика. Экспертные оценки и различные формулы трудоемкости приведены в
таблице 7.2.
Таблица 7.2
Оценка трудоемкости отдельных видов работ
|
№
|
Вид работ
|
Оценка трудоемкости, дней
|
Расчетные величины
|
|
|
ai
|
mi
|
bi
|
ti
|
Di
|
|
1
|
2
|
3
|
4
|
5
|
6
|
7
|
|
1
|
Составление ТЗ на дипломный
проект
|
1
|
2
|
3
|
2
|
0,11
|
|
2
|
Утверждение ТЗ на дипломный
проект
|
1
|
1
|
1
|
1
|
0
|
|
3
|
Сбор и изучение
научно-технической литературы, нормативно-технической документации
|
15
|
20
|
25
|
20
|
2,77
|
|
4
|
Анализ существующего
оборудования для разрушения наледи и дорожных покрытий
|
3
|
5
|
7
|
5
|
0,44
|
|
5
|
Анализ существующих
исследований в области создания оборудования для разрушения наледи и
дорожного покрытия
|
3
|
5
|
7
|
5
|
0,44
|
|
6
|
Анализ существующих стендов
для исследования оборудования по разрушению наледи и дорожных покрытий
|
2
|
3
|
4
|
3
|
0,11
|
|
7
|
Анализ рабочих свойств
дорожных наледей и дорожных покрытий
|
1
|
2
|
3
|
2
|
|
8
|
Техническое предложение
|
4
|
5
|
6
|
5
|
0,11
|
|
9
|
Проектировочные расчёты
|
4
|
5
|
6
|
5
|
0,11
|
|
10
|
Прочностные расчёты
|
4
|
5
|
6
|
5
|
0,11
|
|
11
|
Графическая часть
|
14
|
15
|
16
|
15
|
0,11
|
|
12
|
Составление промежуточного
отчета
|
1
|
1
|
1
|
1
|
0
|
|
13
|
Технико-экономический
расчёт
|
2
|
3
|
4
|
3
|
0,11
|
|
14
|
Безопасность
жизнедеятельности
|
1
|
2
|
3
|
2
|
0,11
|
|
15
|
Экологическая безопасность
|
1
|
1
|
1
|
1
|
0
|
|
16
|
Составление промежуточного
отчета
|
1
|
1
|
1
|
1
|
0
|
|
17
|
Выводы по полученным
результатам
|
3
|
4
|
5
|
4
|
0,11
|
|
18
|
Оформление пояснительной
записки
|
4
|
5
|
6
|
5
|
0,11
|
|
19
|
Оформление плаката
|
1
|
1
|
1
|
2
|
0
|
|
20
|
Оценка результатов
выполнения НИР в целом
|
1
|
2
|
3
|
2
|
0,11
|
|
Итого
|
61
|
88
|
114
|
88
|
4,97
|
Таким образом, приблизительная общая трудоемкость равна 88 человеко-дней.
Так как затрат в денежном эквиваленте на НИР нет, то их себестоимость равна 0.
Форма распределения работ ОКР по этапам, видам и должностям исполнителей
приведена в таблице 7.3.
Этап проведения ОКР представляет собой заказ и изготовление деталей и
стандартных изделий для сборки спроектированного стенда, сбора основных узлов и
их соединения, монтаж конструкции на станок, регулировка и доводка стенда.
Таблица 7.3
Распределение работ по этапам, видам и должностям исполнителей
|
Этап проведения ОКР
|
Вид работ
|
Должность исполнителя
|
|
1
|
2
|
3
|
|
Начальная стадия сборки
стенда
|
Определение имеющихся в
наличии деталей и стандартных изделий
|
МНС
|
|
Составление сметы и заказ
недостающих деталей, стандартных изделий, датчиков и измерительной аппаратуры
|
МНС
|
|
Ожидание поставки
|
-
|
|
Подготовительные работы
|
Проверка работоспособности,
определение неисправных узлов поперечно-строгального станка 7М36
|
Инженер
|
|
Наладка
поперечно-строгального станка 7М36
|
Инженер
|
|
Получение заказанных
деталей
|
МНС
|
|
Сборочные работы
|
Сборка основной рамы и
монтаж электродвигателя
|
МНС
|
|
Сборка рабочей рамы
|
МНС
|
|
Сборка рабочего органа
|
МНС
|
|
Сборка контейнера
|
МНС
|
|
Соединение узлов
конструкции и её монтаж на поперечно-строгальный станок 7М36
|
МНС
|
|
Подсоединение датчиков и
измерительной аппаратуры
|
МНС,СНС
|
|
Наладка
|
Предварительный пуск и
устранение неисправностей
|
МНС,СНС
|
|
Обкатка конструкции
|
МНС
|
Трудоёмкость выполнения ОКР определяется по сумме трудоемкостей этапов и
видов работ, оцениваемых экспертным путем в человеко-днях, и носит
вероятностный характер, так как зависит от множества трудно учитываемых
факторов.
Экспертные оценки и различные формулы трудоемкости приведены в таблице
7.4.
Таблица 7.4
Оценка трудоемкости отдельных видов работ
|
№
|
Вид работ
|
Оценка трудоемкости, дней
|
Расчетные величины
|
|
|
ai
|
mi
|
bi
|
ti
|
Di
|
|
1
|
2
|
3
|
4
|
5
|
6
|
7
|
|
1
|
Определение имеющихся в
наличии деталей и стандартных изделий
|
3
|
5
|
7
|
5
|
0,44
|
|
2
|
Составление сметы и заказ
недостающих деталей, стандартных изделий, датчиков и измерительной аппаратуры
|
1
|
1
|
1
|
1
|
0
|
|
3
|
Ожидание поставки
|
10
|
15
|
20
|
15
|
2,78
|
|
4
|
Проверка работоспособности,
определение неисправных узлов поперечно-строгального станка 7М36
|
1
|
1
|
1
|
1
|
0
|
|
5
|
Наладка
поперечно-строгального станка 7М36
|
4
|
8
|
12
|
8
|
1,77
|
|
6
|
Получение заказанных
деталей
|
1
|
1
|
1
|
1
|
0
|
|
7
|
Сборка основной рамы и
монтаж электродвигателя
|
1
|
1
|
1
|
1
|
0
|
|
8
|
Сборка рабочей рамы
|
1
|
2
|
3
|
2
|
0,11
|
|
9
|
Сборка рабочего органа
|
1
|
2
|
3
|
2
|
0,11
|
|
10
|
Сборка контейнера
|
1
|
1
|
1
|
1
|
0
|
|
11
|
Соединение узлов
конструкции и её монтаж на поперечно-строгальный станок 7М36
|
1
|
1
|
1
|
1
|
0
|
|
12
|
Подсоединение датчиков и
измерительной аппаратуры
|
2
|
3
|
4
|
3
|
0,11
|
|
13
|
Предварительный пуск и
устранение неисправностей
|
1
|
2
|
3
|
2
|
0,11
|
|
14
|
Обкатка конструкции
|
1
|
1
|
1
|
1
|
0
|
|
Итого
|
29
|
44
|
59
|
44
|
4,43
|
Таким образом, приблизительная общая трудоемкость равна 44 человеко-дней.
7.3 Построение сетевого графика
При построении сетевого графика использовались элементы, приведенные на
рисунке 7.1.
i- начальное событие; j - конечное событие; tpi(j) - ранний
срок свершения события; tпi(j) - поздний срок свершения события; Ri(j)
- резерв времени события; tij - продолжительность работ
Рисунок 7.1 - Элементы сетевого графика
По таблице 7.4 построен сетевой график (рисунок 7.2).
Рисунок 7.2 - Сетевой график
Параметры сетевого графика определяются графическим методом. Расчетными
являются параметры:
- продолжительность критического пути t(Lкр);
- ранние сроки свершения события tр;
поздние сроки свершения события tп;
резервы времени события R;
полный резерв времени события Rп;
частный (свободный) резерв времени события Rс.
Ранний срок свершения исходного события рассчитывается следующим образом:
(7.3)
Ранний
срок свершения завершающего события определяет срок окончания всех работ
разработки.
Определение
поздних сроков свершения событий начинается с завершающего события к исходному,
то есть с конца графика и ведется в обратном порядке. Поздний срок определяется
по формуле:
, (7.4)
(Lкр)
- продолжительность критического пути;[Lкр(с¸j)] -
продолжительность максимального из последующих за данным событием путей. Резерв
времени определяется:
(7.5)
Резервы
времени разделяются на полный и частичный. Полный резерв времени показывает
предельное время, на которое можно увеличить продолжительность данной работы,
не изменяя при этом продолжительности критического пути. Полный резерв времени
может быть рассчитан по формуле:
(7.6)
Использование
полного резерва времени любой работы приведет к тому, что данная работа
переместится на критический путь.
Частный
резерв времени представляет собой максимальное количество времени, на которое
можно перенести начало работы или увеличить ее продолжительность без изменения
раннего начала последующей работы. Частный (свободный) резерв времени
определяется следующим образом:
(7.7)
Использование
свободного резерва времени приведет к изменению ранних сроков начала
последующих работ.
Критический
путь - это наиболее протяженная по времени цепочка работ, ведущих от исходного
события к завершающему, определяется по формуле:
(7.8)
Критический
путь на сетевом графике выделяется двойной линией.
После
нахождения критического пути и резервов времени проводится анализ созданного
графика. Анализ сети позволяет определить степень трудности выполнения в срок
каждой группы работ некритического пути, то есть определить коэффициенты
напряженности путей.
Коэффициент
напряженности выражается формулой:
, (7.9)
(L)max
- продолжительность максимального пути; ’(L)кр - продолжительность отрезка пути
t(L)max, совпадающего с критическим путем;(L)кр - продолжительность
критического пути.
Разность
между продолжительностью критического пути и любого полного пути является
резервом времени этого пути:
(7.10)
Полученные
по результатам расчетов сетевого графика параметры занесены в таблицу 7.5.
Таблица
7.5
Параметры
сетевого графика
|
Номер
|
Параметры работ и событий в
днях
|
|
работы
|
tij
|
Tpi
|
Tпi
|
Ri
|
Rпij
|
Rcij
|
|
1
|
2
|
3
|
4
|
5
|
6
|
7
|
|
1
|
5
|
3
|
7
|
4
|
-1
|
-2
|
|
2
|
1
|
4
|
8
|
4
|
3
|
3
|
|
3
|
15
|
14
|
28
|
14
|
-1
|
-1
|
|
4
|
1
|
4
|
8
|
4
|
3
|
3
|
|
5
|
8
|
20
|
8
|
4
|
0
|
|
6
|
1
|
15
|
29
|
14
|
13
|
14
|
|
7
|
1
|
16
|
30
|
14
|
13
|
15
|
|
8
|
2
|
17
|
33
|
16
|
14
|
15
|
|
9
|
2
|
18
|
36
|
18
|
16
|
16
|
|
10
|
1
|
19
|
37
|
18
|
17
|
18
|
|
11
|
1
|
20
|
38
|
18
|
17
|
19
|
|
12
|
3
|
22
|
42
|
20
|
17
|
19
|
|
13
|
2
|
23
|
45
|
22
|
20
|
21
|
|
14
|
1
|
24
|
46
|
22
|
21
|
23
|
На сетевом графике можно выделить два пути, включая критический.
Результаты расчетов длины критического пути, продолжительности и резервов
времени каждого пути, а также коэффициентов напряженности в таблице 7.6.
Коэффициент напряженности пути показывает степень сложности выполнения в
установленные сроки группы работ, входящих в этот путь. То есть, чем выше
коэффициент напряженности, тем сложнее выполнить работы в установленные сроки.
Таблица 7.6
Продолжительности, резервы времени и коэффициенты напряженности путей
|
Обозначение
|
События пути
|
t(Li)
|
R(Li)
|
t’(L)kp
|
t(L)kp
|
KHij
|
|
Lkp
|
1-2-3-6-7-8-9-10-11-12-13-14
|
34
|
0
|
34
|
34
|
-
|
|
L1
|
1-4-5-11-12-13-14
|
20
|
14
|
6
|
|
0,5
|
7.4 Определение затрат на изготовление стенда
.4.1 Затраты по статье «Материалы»
На статью «Материалы» относятся затраты на сырье, основные и вспомогательные
комплектующие, покупные полуфабрикаты и комплектующие изделия,
необходимые для выполнения работ на стенде. Затраты по этой статье определяются
по действующим оптовым ценам с учетом транспортно-заготовительных расходов,
величина которых составляет 6 - 10 % от оптовой стоимости материалов. Расчет
затрат по статье «Материалы» приведен в таблице 7.7.
В
состав капитальных затрат
входят расходы на приобретение оборудования для
создания экспериментального стенда, расходы на установку, монтаж и наладку.
Величина
капитальных затрат определится по формуле:
(7.11)
-
затраты на покупные изделия КТС, руб;
-
расходы на монтаж и установку, руб;
-
транспортные расходы, руб.
Затраты
на покупные изделия КТС сведены в таблицу 7.7.
Таблица 7.7
Капитальные затраты на покупные изделия
|
Наименование
|
Количество, шт.
|
Цена за ед., руб.
|
Сумма, руб.
|
|
Электродвигатель
ДАТ-80-1,5-3000
|
1
|
2950
|
2950
|
|
Гибкий вал d =
5 мм.
|
1
|
250
|
250
|
|
Рама под электродвигатель
|
1
|
400
|
400
|
|
Подвижная рама в сборе
|
1
|
1000
|
1000
|
|
Рабочий орган в сборе
|
1
|
3500
|
3500
|
|
Тензометрические датчики (с
монтажным запасом)
|
25
|
12
|
300
|
|
Тензометрический усилитель
ТОПАЗ 4
|
1
|
14800
|
14800
|
|
Осциллограф Н700
|
1
|
23870
|
23870
|
|
Электромонтажный провод 0,5
мм2
|
25
|
300
|
7500
|
|
Блок балансировочных
резисторов
|
1
|
224
|
224
|
|
Аккумулятор ААК 65
|
1
|
1750
|
1750
|
|
Метизы электромонтажные
|
1
|
560
|
560
|
|
Механический датчик числа
оборотов в сборе
|
1
|
800
|
800
|
|
Датчик линейных перемещений
в сборе
|
1
|
1000
|
1000
|
|
Токосъемник в сборе
|
1
|
1200
|
1200
|
|
Набор Винтов М3 (20 штук)
|
1
|
15
|
15
|
|
Набор Винтов М4 (20 штук)
|
1
|
16
|
16
|
|
Набор Дебалансов
|
20
|
25
|
500
|
|
Болт М10
|
4
|
1,5
|
8
|
|
Гайка М10
|
4
|
1
|
4
|
|
Шайба 10
|
4
|
0,5
|
2
|
|
Стержень для изменения угла
атаки
|
2
|
50
|
100
|
|
Пальцы
|
4
|
5
|
20
|
|
Контейнер грунтовый
|
1
|
1000
|
1000
|
|
Частотный преобразователь
|
1
|
10250
|
10250
|
|
ИТОГО:
|
|
|
72019
|
Таким
образом, затраты на покупные изделия составляют
руб.
(7.12)
= 6% -
нормативный коэффициент транспортных расходов.
(руб)
Поскольку
затрат на НИР нет, то единовременные затраты равны:
руб.
7.4.2 Затраты по статье «Основная заработная плата»
На статью «Основная заработная плата» относится основная заработная плата
научных сотрудников, инженерно-технических работников, лаборантов, чертежников,
копировщиков и рабочих, непосредственно занятых выполнением работ со стендом, а
также заработная плата работников нештатного (не списочного) состава,
привлекаемых к ее выполнению. Размер основной заработной платы устанавливается
исходя из численности различных категорий исполнителей, трудоемкости,
затрачиваемой ими на выполнение отдельных видов работ, и их средней заработной
платы (ставки) за один рабочий день. Исходными данными для расчета основной
заработной платы является трудоемкость отдельных видов работ по категориям
работающих в соответствии с данными таблицы 7.4. Расчет затрат по статье
«Основная заработная плата» приведен в таблице 7.8.
Таблица 7.8
Расчет основной заработной платы
|
№
|
Вид работ
|
Трудоемкость, чел.- дн
|
Дневная ставка, руб.
|
Сумма основной з/п, руб.
|
|
|
СНС
|
МНС
|
Инж
|
СНС
|
МНС
|
Инж
|
СНС
|
МНС
|
Инж
|
|
1
|
2
|
3
|
4
|
5
|
6
|
7
|
8
|
9
|
10
|
11
|
|
1
|
Определение имеющихся и
неимеющихся в наличие деталей
|
-
|
5
|
-
|
-
|
150
|
-
|
-
|
750
|
-
|
|
2
|
Составление сметы на заказ
деталей и стандартных изделий
|
-
|
1
|
-
|
-
|
150
|
-
|
-
|
150
|
-
|
|
3
|
Проверка работоспособности,
определение неисправных узлов поперечно-строгального станка 7М36
|
-
|
-
|
1
|
-
|
-
|
300
|
-
|
-
|
300
|
|
4
|
Наладка
поперечно-строгального станка 7М36
|
-
|
-
|
8
|
-
|
-
|
300
|
-
|
-
|
2400
|
|
5
|
Приёмка заказанных деталей
|
-
|
1
|
-
|
-
|
150
|
-
|
-
|
150
|
-
|
|
6
|
Сборка основной рамы и
монтаж электродвигателя
|
-
|
1
|
-
|
-
|
150
|
-
|
-
|
150
|
-
|
|
7
|
Сборка рабочей рамы
|
-
|
2
|
-
|
-
|
150
|
-
|
-
|
300
|
-
|
|
8
|
Сборка рабочего органа
|
-
|
2
|
-
|
-
|
150
|
-
|
-
|
300
|
-
|
|
9
|
Сборка контейнера
|
-
|
1
|
-
|
-
|
150
|
-
|
-
|
150
|
-
|
|
10
|
Соединение узлов
конструкции и её монтаж на поперечно-строгальный станок 7М36
|
-
|
1
|
-
|
-
|
-
|
-
|
150
|
-
|
|
11
|
Подсоединение датчиков и
измерительной аппаратуры
|
2
|
3
|
-
|
500
|
150
|
-
|
1000
|
450
|
-
|
|
12
|
Предварительный пуск и
устранение неисправностей
|
1
|
2
|
-
|
500
|
150
|
-
|
500
|
300
|
-
|
|
13
|
Обкатка конструкции
|
-
|
1
|
-
|
-
|
150
|
-
|
-
|
150
|
-
|
|
Итого
|
3
|
20
|
9
|
|
|
|
1500
|
3000
|
2700
|
Таким образом, основная заработная плата равна сумме заработных плат
старшего, младшего научных сотрудников и инженера-наладчика составляет
Зо = 7200 рублей.
7.4.3 Затраты по статье «Дополнительная заработная плата»
На статью «Дополнительная заработная плата» относятся выплаты,
предусмотренные законодательством за не проработанное (не явочное) время:
оплата очередных и дополнительных отпусков, оплата времени, связанного с
выполнением государственных и общественных обязанностей, выплаты вознаграждений
за выслугу лет и другие. Размер дополнительной заработной платы определяется в
процентах от размера основной заработной платы с учетом норматива Нд ,
который составляет 10 ¸ 12 %.
Дополнительная заработная плата определяется:
(7.14)
Зд
- дополнительная заработная плата, руб;
Зо
- основная заработная плата, руб;
Нд
- норматив, %.
(руб).
7.4.4 Затраты по статье «Отчисления
по единому социальному налогу»
В статью «Отчисления по единому социальному налогу» относятся отчисления
на оплату перерывов по временной нетрудоспособности. Размер выплат определяется
в процентах от суммы основной и дополнительной заработной платы с учетом
норматива Нсс, который составляет 26 %.
Отчисления на социальное страхование
(7.15)
Зсс
- отчисления на социальное страхование, руб;
Зо
- основная заработная плата, руб;
Зд
- дополнительная заработная плата, руб;
(руб).
7.4.5 Затраты по статье «Накладные расходы»
В статью «Накладные расходы» включаются расходы на управление и
хозяйственное обслуживание. По этой статье учитываются заработная плата
аппарата управления и общехозяйственных служб, затраты на содержание и текущий
ремонт зданий, амортизационные отчисления на их полное восстановление и
капитальный ремонт, расходы по охране труда, изобретательству и
рационализаторству. Величина накладных расходов на обслуживание конструкция
определяется в процентах от основной и дополнительной заработной платы с учетом
норматива Ннр, который составляет 120 ¸ 200 %.
Затраты на накладные расходы
(7.16)
Знр - отчисления на накладные расходы, руб;
Зо - основная заработная плата, руб;
Зд - дополнительная заработная плата, руб;
(руб).
Калькуляция
плановой себестоимости в целом на НИР приведена в соответствии с таблицей 7.9.
Калькуляция плановой себестоимости в процентной доле приведена на рисунке 7.3.
Таблица 7.9
Калькуляция плановой себестоимости проведения ОКР
|
Статьи затрат
|
Сумма, руб.
|
|
Материалы
|
76519
|
|
Основная заработная плата
|
7200
|
|
Дополнительная заработная
плата
|
792
|
|
Отчисления на социальное
страхование
|
2078
|
|
Накладные расходы
|
12787
|
|
Плановая себестоимость
|
99376
|
Рисунок 7.3 - Калькуляция плановой себестоимости
7.5 Оценка научно-технической результативности и социальной
эффективности НИР и ОКР
Результатом НИР является достижение научного, научно-технического,
экономического или социального эффекта. Научный эффект характеризует получение
новых научных знаний и отражает прирост информации, предназначенной для внутри
научного потребления. Научно-технический эффект характеризует возможность
использования результатов выполняемых исследований в других НИР или ОКР и
обеспечивает получение информации, необходимой для создания новой техники.
Экономический эффект характеризуется выраженной в стоимостных показателях
живого и овеществленного труда в общественном производстве, полученной при
использовании результатов прикладных НИР. Социальный эффект проявляется в
улучшении условий труда, повышение экологических характеристик, развития
здравоохранения, культуры, науки, образования и так далее.
Оценка социального эффекта НИР должна производиться на основе
долгосрочного прогноза.
При выполнении технико-экономических расчетов данного раздела может
производиться количественная оценка, или осуществляться качественный анализ.
Количественную оценку, научного эффекта целесообразно производить путем расчета
научной результативности, научно-технического эффекта - научно-технической
результативности. Качественный анализ возможных видов эффекта НИР состоит в
сопоставлении преимуществ и недостатков полученных результатов на основе оценок
"выше-ниже", "лучше-хуже", "больше-меньше" и так
далее.
Оценка научной и научно-технической результативности производится с
помощью коэффициентов, рассчитываемых по формулам:
, (7.17)
, (7.18)
-
коэффициент значимости i-го фактора, используемого для оценки;
- коэффициент
достигнутого уровня i - го фактора;, m - количество факторов.
В
качестве факторов при оценке научной результативности могут быть приняты:
новизна полученных или предполагаемых результатов; глубина научной проработки;
степень вероятности успеха (при незавершенности работы). В качестве факторов
при оценке научно-технической результативности могут применяться:
перспективность использования; масштаб реализации; завершенность полученных
результатов. По каждому из факторов экспертным путем устанавливается числовое
значение коэффициента значимости. При этом сумма коэффициентов значимости по
всем факторам должна быть равна единице. Коэффициент достигнутого уровня
фактора также устанавливается экспертным путем, а его числовое значение
определяется с учетом качества признака фактора и его характеристики. При этом
величина kj - i £ 1. Максимально возможное значение kн.р. и kн.т.р
равно единицы. Чем ближе значение kн.р. и kн.т.р к единице, тем выше научная и
научно-техническая результативность проводимой НИР. Факторы, влияющие на
количественную оценку научной и научно-технической результативности, сведены в
таблице 7.10 и 7.11.
Таблица
7.10
Характеристики
факторов и признаков научной результативности проводимой НИР
|
Фактор научной
результативности
|
Коэффициент значимости
фактора
|
Качество фактора
|
Характеристика фактора
|
Коэффициент достигнутого
уровня
|
|
1
|
2
|
3
|
4
|
5
|
|
Новизна полученных
результатов
|
0,5
|
Среднее
|
Установлены некоторые
закономерности, позволяющие создать принципиально новые виды техники
|
0,7
|
|
Глубина научной проработки
|
0,35
|
Средняя
|
Сложность теоретических
расчетов невысока, результаты проверены на ограниченном количестве
экспериментов
|
0,6
|
|
Степень вероятности успеха
|
0,15
|
Большая
|
Успех весьма возможен,
имеется большая вероятность положительного решения поставленных задач
|
1,0
|
Таблица 7.11
Характеристики факторов и признаков научной результативности проводимой
НИР
|
Фактор научной
результативности
|
Коэффициент значимости
фактора
|
Качество фактора
|
Характеристика фактора
|
Коэффициент достигнутого
уровня
|
|
Перспективность
использования результатов
|
0,5
|
Важная
|
Результаты будут
использованы при разработке новых технических решений
|
0,8
|
|
Масштаб возможной
реализации результатов
|
0,3
|
Средняя
|
Время реализации, лет: ³ 5
|
0,8
|
|
Завершенность полученных
результатов
|
0,2
|
Средняя
|
Техническое задание на ОКР
|
0,6
|
Получаем коэффициенты факторов научной результативности:
новизны предполагаемых результатов kзн1=0,5, kду1=0,7;
глубина научной проработки kзн2=0,35, kду2= 0,6;
степень вероятности успеха kзн3=0,15, kду3= 1,0;
В итоге, коэффициент научной результативности:
н.р. = 0,5·0,7+0,35·0,6+0,15·1,0 =0,71;
Коэффициенты факторов научной результативности:
перспективность использования результатов kнтр1=0,5, kд.у1=0,8
масштаб возможной реализации результатов kнтр2=0,3, kд.у2= 0,8
завершенность полученных результатов kнтр3=0,2, kд.у3= 0,6
В итоге, коэффициент научно-технической результативности:
н.т.р = 0,5·0,8+0,3·0,8+0,2·0,6 = 0,76
Некоторые социальные результаты, достигаемые на основе НИР и ОКР, могут
быть количественно оценены в соответствующих единицах, принятых для измерения
данного результата. К таким результатам относятся: чистота атмосферы в
населенном пункте и промышленной зоне, чистота воздуха в производственном
помещении; характеристики промышленных отходов; уровень шума, освещенность и
так далее. Величина социального результата в этих случаях определяется
изменением количественной характеристики, достигаемой на основе НИР.
К социальному эффекту настоящей НИР и ОКР можно отнести отсутствие
загрязнения окружающей среды, простоту и удобство эксплуатации. При реализации
результатов НИР, направленных на решение социальных задач, наряду с основным
социальным результатом нередко достигается также сопутствующий экономический
эффект - рост производительности труда, экономия трудовых ресурсов.
7.6 Выводы
В результате проведенных исследований можно сделать вывод о том, что
дальнейшее внедрение в производство проектируемой фрезы позволит значительно
уменьшить энергозатраты на фрезерование покрытий, получим дорожную фрезу с
более высокой производительностью, низкими удельными затратами и
капиталовложениями. Возростание производительности уменьшает токсичность
фрезерования, более эффективно используется рабочее время, снижается уровень
загрязнения окружающей среды. Исходя из технико-экономических показателей
фрезы, можно смело утверждать, что разработываемое оборудование не только
может, но и должно внедряться в коммунальные службы.
ЗАКЛЮЧЕНИЕ
стенд фреза вибропривод станок
В результате выполнения дипломного проекта была разработана техническая
документация по переоборудованию гидрофицированного поперечно-строгального
станка типа 7М36 в экспериментальный стенд для исследования параметров дорожных
фрез с виброприводом, разработана и проверена на адекватность модель процесса
фрезерования, были освещены вопросы безопасной эксплуатации и экологии.
В ходе выполнения дипломного проекта были проведены необходимые
проектировочные и прочностные расчеты, расчет стоимости переоборудования
гидрофицированного поперечно-строгального станка типа 7М36 в экспериментальный
стенд, а также была проведена оценка научной и научно-технической
результативности, социальной эффективности научно- исследовательской работы.
Разработанный экспериментальный стенд можно не только использовать для
исследования процесса фрезерования, но и для исследования параметров рабочих
органов коммунальных машин в которых возможно применение вибропривода.
СПИСОК ИСПОЛЬЗОВАННЫХ ИСТОЧНИКОВ
1. Баловнев В.И. Моделирование процессов взаимодействия
со средой рабочих органов дорожно-строительных машин / В.И. Баловнев. - М.:
Машиностроение, 1994. - 432 с.
2. Баловнев В.И. Моделирование процессов взаимодействия
со средой рабочих органов дорожно-строительных машин / В.И. Баловнев - М.:
Высшая школа, 1981. - 335 с.
. Баловнев В.И. Дорожно-строительные машины с рабочими
органами интенсифицирующего действия / В.И. Баловнев. - М.: Машиностроение,
1981. - 223 с.
. Беклешов В.К. Технико-экономическое обоснование
дипломных проектов: Учебное пособие для ВУЗов / Под ред. В.К. Беклешова. - М.:
Высшая школа, 1991. - 175 с.
. Веников В.А. Теория подобия и моделирования / В.А.
Веников. - М.: Высшая школа, 1984. - 439 с.
. Гухман А.А. Введение в теорию подобия / А.А. Гухман.
- М.: Высшая школа, 1973. - 286 с.
. Завадский Ю.В. Планирование эксперимента в задачах
автомобильного транспорта / Ю.В. Завадский. - М.: МАДИ, 1978-156 с.
. Зеленин А.Н. Основы разрушения грунтов механическими
способами / А.Н. Зеленин. - М.: Машиностроение, 1968. - 375 с.
. Коган-Вольман Г.И. Передачи с гибкими проволочными
валами/
Г.И.Коган-Вольман. - М.: Машгиз, 1961. - 233 с.
10. Комаров М.С. Основы научных исследований / М.С.
Комаров. - Львов: Вища школа, 1982. - 128 с.
11. Курмаз Л.В. Детали машин проектирование/ Л.В.Курмаз.
- Минск:
Технопринт, 2002. - 297 с.
12. Свирщевский В.К. Проходка скважин в грунте способом
раскатки / В.К. Свирщевский. - Новосибирск: Наука, 1982. - 121 с.
13. Седов Л.И. Методы подобия и размерности в механике /
Л.И. Седов. - М.: Наука, 1972. - 375 с.
. Федоров Д.И. Рабочие органы землеройных машин /
Д.И. Федоров. - М.: Машиностроение, 1989. - 310 с.
. Цытович Н.А. Механика грунтов / Н.А. Цытович. - М.:
Высшая школа, 1979. - 272 с.
. Бабков В.Ф. Основы грунтоведения и механики грунтов
/ В.Ф. Бабков, В.М. Безрук. - М.: Высшая школа, 1976. - 328 с.
. Баловнев В.И. Интенсификация разработки грунтов в
дорожном строительстве / В.И. Баловнев, Л.А. Хмара. - М.: Машиностроение, 1983.
- 383 с.
. Ветров Ю.А. Машины для специальных земляных работ /
Ю.А. Ветров, В.Л. Баладинский. - Киев: Выща школа, 1980. - 190 с.
. Гальперин М.И. Строительные машины / М.И.
Гальперин, Н.Г. Домбровский. - М.: Вычшая школа, 1980. - 344 с.
. Нарышкин В.Н. Подшипники качения: справочник -
каталог / В.Н. Нарышкин, Р.В. Коростащевский. - М.: Машиностроение, 1984.- 280
с.
. Адлер Ю.П. Планирование эксперимента при поиске
оптимальных условий / Ю.П. Адлер, Е.В. Маркова, Ю.В. Грановский. - М.: Наука,
1976. - 279 с.
. Дайчик М.Л. Методы и средства натурной тензометрии:
справочник / М.Л. Дайчик, Н.И. Пригоровский, Г.Х. Хуршудов. - М.:
Машиностроение, 1989. - 240 с.
. Зеленин А.Н. Машины для земляных работ / А.Н.
Зеленин, В.И. Баловнев, И.П. Керов. - М.: Машиностроение, 1975. - 424 с.
. Якушев А.И. Взаимозаменяемость, стандартизация и
технические измерения / А.И. Якушев, Л.Н.Воронцов, Н.М.Федотов. - М.: Машиностроение,
1987. - 352 с.
. Машины для земляных работ / Н.Г. Гаркави [и др.]. -
М.: Высшая школа, 1982. - 335 с.
. Теория, конструкция и расчет строительных и
дорожных машин / Л.А. Гоберман [и др.]. - М.: Машиностроение, 1979. - 407 с.
. Основы научных исследований / В.И. Крутов [и др.].
- М.: Высшая школа, 1989. - 400 с.
. Строительные машины для механизации
гидромелиоративных работ / В.В. Суриков [и др.]. - М.: Агропромиздат, 1985. -
351 с.
. Дорожные машины. Теория, конструкция и расчет / Н.Я.
Хархута [и др.]. - Ленинград: Машиностроение, 1976. - 472 с.
. Анурьев В.И. Справочник конструктора -
машиностроителя: в 3 т. / под ред. И.Н. Жестковой - М.: Машиностроение, 2001. -
Т.1. - 8-е изд., перераб. и доп. - 920 с.
. Анурьев В.И. Справочник конструктора -
машиностроителя: в 3 т. / под ред. И.Н. Жестковой - М.: Машиностроение, 2001. -
Т.2. - 8-е изд., перераб. и доп. - 912 с.
. Анурьев В.И. Справочник конструктора -
машиностроителя: в 3 т. / под ред. И.Н. Жестковой - М.: Машиностроение, 2001. -
Т.3. - 8-е изд., перераб. и доп. - 864 с.
. Земсков В.М. Определение рациональных параметров
вибробурильной установки для бестраншейной прокладки трубопроводов: дис. кан.
техн. наук / В.М. Земсков; СГТУ. - Саратов, 2002. - 16 с.
. Краснолудский А.В. Определение рациональных
параметров эксцентричной дорожной фрезы: дис. кан. техн. наук / А.В.
Краснолудский; СГТУ. - Саратов, 2004. - 16с.
. Седельников Ф.И. Безопасность жизнедеятельности /
Ф.И. Седельников [Электронный ресурс] - Вологда, 2001.
. Ляпина О.П. Безопасность жизнедеятельности / О.П.
Ляпина [Электронный ресурс] - Новосибирск, 2003.
37. ГОСТ 12.1.003-83*. ССБТ. Шум. Общие требования
безопасности. - Взамен ГОСТ 12.1.003-76; введ. 01.07.84 до 01.07.89. - М.:
Изд-во стандартов, 1984.
38. ГОСТ 12.1.005-88. ССБТ Общие санитарно-гигиенические
требования к воздуху рабочей зоны. - Взамен ГОСТ 12.1.005-81; введ. 01.09.88. -
М.: Изд-во стандартов, 1989.
. СНиП 23-05-95*. Естественное и искусственное
освещение. Нормы проектирования.- М.: Минстрой России, 2002.