Разработка привода к шнеку-смесителю
техническое
задание на курсовую работу
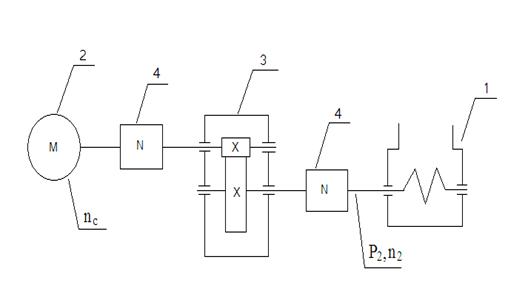
Разработать привод к
шнеку-смесителю 1, состоящий из электродвигателя 2, одноступенчатого редуктора
3 с цилиндрической передачей, соединенных между собой муфтами 4.
Кинематическая схема привода.
Исходные данные для
проектирования.
1. Мощность на ведомом
валу Р2 − 1,4 кВт;
2. Частота вращения
ведомого вала n2 − 280
мин-1;
. Синхронная частота
вращения вала электродвигателя nc
−
1000 мин-1;
. Материал зубчатых колес
и валов редуктора − конструкционная сталь 45, термообработка −
улучшение.
. Срок службы привода Lh
−
20000 час.
Содержание
Введение
. Выбор двигателя и кинематический
расчет привода
. Выбор материала зубчатой передачи
и определение допускаемых напряжений
. Проектный расчет зубчатой передачи
. Проверочный расчет зубчатой
передачи
. Определение нагрузок на валах
редуктора
. Проектный расчет валов редуктора и
предварительный выбор подшипников качения
7. Эскизная компоновка редуктора
8. Расчетная схема быстроходного
вала редуктора. Определение реакций в опорах. Расчет изгибающих моментов.
Построение эпюр изгибающих и крутящих моментов
. Проверочный расчет быстроходного
вала
. Проверочный расчет подшипников
быстроходного вала
. определение толщины стенки
редуктора и его конструктивных элементов
. выбор масла и системы смазки
редуктора
. расчет шпоночного соединения вала
и его колеса
Список литературы
Введение
В данной курсовой работе мной рассчитывается
привод рабочей машины − шнека-смесителя, с заданной мощностью и частотой
вращения рабочего вала. Привод рабочей машины состоит из электродвигателя,
зубчатого колесного редуктора и соединительных муфт.
Зубчатый редуктор предназначен для получения на
рабочем валу необходимой частоты вращения и увеличения крутящего момента от
двигателя, что позволяет применять двигатели с меньшей мощностью. Редуктор
имеет достаточно большую надежность и долговечность.
Целью курсовой работы является определение
параметров зубчатой передачи колесного редуктора. Рассчитываются диаметры валов
по условию прочности, выбираются подшипники, определяются размеры корпуса
редуктора и его элементов. Выбирается компоновка редуктора и система смазки.
На основании расчетов строится сборочный чертеж
редуктора.
Конструктивные размеры стандартных элементов
редуктора принимаются на основании ГОСТов.
1.ВЫБОР ДВИГАТЕЛЯ И КИНЕМАТИЧЕСКИЙ РАСЧЕТ
ПРИВОДА
Определяем общий коэффициент полезного действия
где
−
коэффициент полезного действия закрытой передачи;
= 0,97
− коэффициент полезного
действия муфты;
= 0,98
− коэффициент полезного
действия подшипников качения;
= 0,99
Определяем требуемую мощность
двигателя Рдв, кВт:
кВт.
Определяем номинальную мощность
двигателя Рном, кВт :
,2 кВт
1,53 кВт.
Выбираем тип двигателя [1, стр.406,
табл.К9].
Принимаем тип двигателя: 4АМ100L6У3
с номинальной частотой nном
= 950 об/мин., как наиболее выгодный по мощности, передаточному числу и
габаритам.
Определяем передаточное число для
всех приемлемых вариантов типа двигателя:
Принимаем стандартное uзп = 4.
Определяем силовые и кинематические параметры
привода
Мощность на валах Р, кВт:
Рдв = 1,53 кВт
кВт;
кВт;
кВт.
Частота вращения валов n, об/мин:
n1 = nном =950
об/мин;
об/мин;
nрм = n2 =238
об/мин.
Угловые скорости валов
:
1/с;
=99,43 1/с;
1/с;
24,85 1/с.
Вращающие моменты валов Т, Н∙м:
;
Т1 = Тдв ∙
∙
=15,39∙
0,98 ∙ 0,99 =14,93 Нм;
=14,93∙ 4∙ 0,97 ∙
0,99 =57,35 Нм;
=57,35∙ 0,98∙ 0,99
=55,67 Нм.
Силовые и кинематические параметры
привода
Таблица 1
Силовые и кинематические параметры
привода.
|
Тип
двигателя 4АМ100L6У3; Рном = 2,2 кВт; nном = 950
об/мин.
|
|
параметр
|
передача
|
Параметр
|
Вал
|
|
закрытая
(редуктор)
|
|
Двига-теля
|
редуктора
|
Привод-ной
рабочей машины
|
|
|
|
|
Быстро-ходный
|
Тихо-ходный
|
|
|
Передаточ-ное
число U
|
4
|
Расчетная
мощность Р, кВт
|
1,53
|
1,48
|
1,42
|
1,38
|
|
|
Угловая
скорость ,
1/с99,4399,4324,8524,85
|
|
|
|
|
|
КПД
0,97Частота
вращения n,
об/мин950950238238
|
|
|
|
|
|
|
|
|
Вращающий
момент Т, Н∙м
|
15,39
|
14,93
|
57,35
|
55,64
|
. ОПРЕДЕЛЕНИЕ ДОПУСКАЕМЫХ НАПРЯЖЕНИЙ ЗУБЧАТОЙ
ПЕРЕДАЧИ
Определяем твердость материала
шестерни и колеса при этом НВ1 ср - НВ2 ср = 20 … 50:
Колесо - сталь 45; твердость (235 …
262) НВ2; НВ2ср=248,5
Термообработка - улучшение.
Заготовка колеса Sпред
80 мм
Шестерня - сталь 45; твердость(269 …
302) НВ1; НВ1ср=285,5
Термообработка - улучшение.
Заготовка шестерни Dпред
80 мм
Определение допускаемых контактных
напряжений [
] Н/мм2:
а) Определение коэффициента
долговечности для зубьев шестерни и колеса
=1 и
=1, т. к. N1 > Nно1 и N2 > Nно2,
где N1 и N2 - число
циклов перемены напряжений за весь срок службы шестерни и колеса;
Nно1= 22,5 ∙106
и Nно2 = 16 ∙
106 - число циклов перемены напряжений.
N1 = 573
= 573 ∙
99,43 ∙ 20 ∙ 103 = 113,4∙ 107
N2 = 573 ∙
= 573 ∙
28 ∙ 20 ∙ 103 =32∙ 107
б) Определяем допускаемые контактные
напряжения при Nно1 и Nно2:
[
]но1 = 1,8 НВ1 ср + 67= 1,8 ∙
285,5 + 67 = 580,9 Н/мм2
[
]но2 = 1,8 НВ1 ср + 67 = 1,8 ∙
248,5 + 67 = 514,3 Н/мм2
в) Определяем допускаемые контактные
напряжения для зубьев шестерни и колеса:
[
]н
= К
[
]но
= 1 ∙ 580,9 = 580,9 Н/мм2.
[
]н
= К
[
]но
= 1 ∙ 514,3 = 514,3 Н/мм2.
Определяем допускаемые напряжения
изгиба [
]F1, Н/мм2
а) Коэффициент долговечности
=1 и
=1, т. к. N1 > NFO и N2 > NFO
где NFO = 4 ∙
106 циклов
б) Допускаемое напряжение при числе
циклов перемены напряжений: [
]FO, H/мм2
[
]FО
= 1,03 ∙
НВ1 ср = 1,03 ∙ 285,5 = 294,1 Н/мм2
[
]FО
= 1,03 ∙
НВ2 ср= 1,03 ∙ 248,5 = 255,9 Н/мм2
в) Определяем допускаемые напряжения
изгиба [
]F, Н/мм2
[
]F
= КFL
[
]FО
= 1 ∙
294,1 = 294,1 Н/мм2.
[
]F
= КFL
[
]FО
= 1 ∙
255,96 = 255,9 Н/мм2
Механические характеристики
материалов зубчатой передачи
Таблица 2
Механические характеристики
материалов зубчатой передачи.
|
Элемент
передачи
|
Марка
стали
|
Dпред
|
Термообработка
|
НВ1
ср
|
 [ ]н[ ]F
|
|
|
|
|
|
Sпред
|
|
НВ1
ср
|
Н/мм2
|
|
Шестерня
колесо
|
Cт. 45 Ст. 45
|
80
80
|
Улучшение
Улучшение
|
285,5
248,5
|
890
780
|
380
335
|
580,9
514,3
|
294,1
255,9
|
. ПРОЕКТНЫЙ РАСЧЕТ ЗУБЧАТОЙ ПЕРЕДАЧИ
Определяем главный параметр - межосевое
расстояние аw, мм:
где Ка = 43 - вспомогательный коэффициент для
косозубых передач;
- коэффициент ширины венца колеса,
равный 0,28 … 0,36;
[
]н - допускаемое контактное
напряжение колеса с менее прочным зубом или среднее допускаемое контактное
напряжение, Н/мм2;
КН
- коэффициент неравномерности
нагрузки по длине зуба. Для прирабатывающихся зубьев КН
= 1.
Принимаем аw = 80 мм.
Определяем модуль зацепления m,
мм:
m
где Кm
= 5,8 - вспомогательный коэффициент. Для косозубых передач;
d2 =
-
делительный диаметр колеса, мм;
d2 =
мм
b2 =
- ширина
венца колеса, мм;
b2 = 0,32 ∙ 80
= 25,6 мм; Примем b2 = 25 мм.
- допускаемое напряжение изгиба
материала колеса с менее прочным зубом, Н/мм2.
m
мм;
Значение модуля m
округляем до стандартного m
= 1мм.
Определяем угол наклона зубьев
для
косозубых передач:
= arcsin
=
;
Принимаем
=8о .
Определяем суммарное число зубьев
шестерни и колеса:
Z
Где Z1
- число зубьев шестерни;
Z2 - число
зубьев колеса.
Z
Полученное значение округляем в
меньшую сторону до целого числа, Z
= 158
Уточняем действительную величину угла наклона
зубьев для косозубых передач:

Определяем число зубьев шестерни и колеса:
Z1 =
=
Значение Z1 округляем
до ближайшего целого наименьшего числа; Z1 = 31
Z2 = Z
=158-31=127
Определяем фактическое передаточное
число uф и
проверяем его отклонение
от
заданного u:
uф =
=
u=
u =
, что удовлетворяет требованию.
Определяем фактическое межосевое расстояние:

мм
Определяем фактические основные геометрические
параметры передачи, мм:
Определяем основные геометрические параметры
шестерни, мм:
а) делительный диаметр:
мм;
б) диаметр вершин зубьев:
мм;
в) диаметр впадин зубьев:
мм;
г) ширина венца: b1=
b2 + (2…4) мм;
мм.
Определяем основные геометрические параметры
колеса, мм:
а) делительный диаметр:
мм;
б) диаметр вершин зубьев:
мм;
в) диаметр впадин зубьев:
мм;
г) ширина венца: b2 =
= 0,32 ∙
80 = 25,6 мм; Примем b2 = 25 мм.
. ПРОВЕРОЧНЫЙ РАСЧЕТ ЗУБЧАТОЙ ПЕРЕДАЧИ
Проверяем межосевое расстояние:
aw =
=
; Принимаем
аw = 80 мм.
Проверяем пригодность заготовок колес:
Условие пригодности заготовок колес:
Dзаг
где
и
- предельные
значения.
Диаметр заготовки шестерни:
Dзаг = da
+ 6 мм =
33,4+ 6 = 39,4 мм.
Толщина диска заготовки колеса
закрытой передачи:
Sзаг = b
+ 4 мм = 25+
4 =29 мм;
Dзаг = 39,4
;
Условие пригодности заготовок колес
соблюдается
Проверяем контактные напряжения
Н/мм2:
где К - вспомогательный коэффициент, для
косозубых передач К = 376.
Ft - окружная
сила в зацеплении, H:
Ft=
=
Н.
Кнα
- коэффициент, учитывающий распределение нагрузки между зубьями. Определяется
по графику в зависимости от окружной скорости колес и степени точности
передачи. Степень точности равна 8 [1,с. 64, табл. 4.2].
Определяем окружную скорость колес
, м/с:
=
=
м/c
По полученным данным Кнα =1,06 [1,с.
66, рис.4.2];
Кнυ -
коэффициент динамической нагрузки; Кнυ = 1,03 [1,с.64, табл. 4.3].
− коэффициент неравномерности
нагрузки по длине зуба, для прирабатывающихся зубьев
=1
Н/мм2
Определяем фактическую недогрузку
или перегрузку передачи
:
= 
;
=
Проверяем напряжения изгиба зубьев
шестерни
и колеса
, Н/мм2:
= YF2 Y
где YF2 -
коэффициент формы зуба колеса; определяем по таблице в зависимости от
эквивалентного числа зубьев колеса
при
Принимаем YF2 = 3,6 [1,
стр.67, табл. 4.4];
Y
−
коэффициент, учитывающий наклон зуба: Y
= 1 −
= 1 -
90/1400 = 0,936;
КF
−
коэффициент, учитывающий распределение нагрузки между зубьями; для косозубых
передач КF
= 1 [1,
стр.66, п. 14 (б)];
КF
−
коэффициент неравномерности нагрузки по длине зуба; для прирабатывающихся
зубьев КF
=1;
КF
−
коэффициент динамической нагрузки, зависящий от окружной скорости колес и
степени точности передачи; принимаем КF
= 1,07 [1,
стр. 64, табл. 4.3].
Н/мм2, что удовлетворяет:
где YF1 -
коэффициент формы зуба шестерни при
принимаем YF1 = 3,78
[1,стр. 67, табл. 4.4];
Н/мм2.
Определяем фактическую недогрузку
или перегрузку шестерни

.
4.7 Определяем фактическую
недогрузку или перегрузку колеса

.
Таблица 3
Параметры зубчатой цилиндрической передачи.
|
Проектный
расчет
|
|
Параметр
|
Значение
|
Параметр
|
Значение
|
|
Межосевое
расстояние 80 ммУгол
наклона зубьев β9о
|
|
|
|
|
Модуль
зацепления m
|
1
мм
|
Диаметр
делительной окружности: шестерни d1 колеса d2
|
31,4 128,6
|
|
Ширина
зубчатого венца: шестерни b1 колеса b2
|
27
мм 25 мм
|
|
|
|
Число
зубьев: шестерни z1 колеса z2
|
31
127
|
Диаметр
окружности вершин: шестерни da1 колеса da2
|
33,4
130,6
|
|
Вид
зубьев
|
Косозубые
|
Диаметр
окружности впадин: шестерни df1 колеса df2
|
29
126,2
|
Проверочный расчет
|
Параметр
|
Допускаемые
значения
|
Расчетные
значения
|
Примечания
|
|
Контактные
напряжения ,
Н/мм2514,3467,2недогрузка 9,2 %
|
|
|
|
|
Напряжения
изгиба Н/мм2
|
F1294,1135,1недогрузка
54,1 %
|
|
|
|
|
F2255,9
|
128,6
|
недогрузка
49,7 %
|
|
5. ОПРЕДЕЛЕНИЕ НАГРУЗОК НА ВАЛАХ РЕДУКТОРА
Окружная сила:
На колесе:
Ft2=
Н.
На шестерне:
Ft1 = Ft2 =891,91 H.
Радиальная сила:
На колесе:
Fr2 =
Н.
На шестерне:
Fr1 = Fr2 =328,74 H.
Консольные силы муфт:
На быстроходном валу:
Fm1 = 50
=50
Н.
На тихоходном валу:
Fm2=125
H.
Осевая сила Fа,
Н:
На колесе:
Fа2
= Ft2 · tg
= 891,91·
tg 9˚= 141,26 H.
На шестерне:
Fа1 = Fа2
= 141,26 Н.
Рис1. Схема нагружения валов.
Таблица 4
Нагрузки на валах
|
Параметр
|
Быстроходный
|
Тихоходный
|
|
Окружная
сила Ft, Н
|
891,91
|
|
Радиальная
сила Fr, Н
|
328,74
|
|
Осевая
сила Fa, Н
|
141,26
|
|
Крутящий
момент Т, Нм
|
14,93
|
57,35
|
|
Угловая
скорость ω,
с-1
|
99,43
|
24,85
|
|
Консольная
сила Fm, Н
|
193,2
|
946,62
|
6. ПРОЕКТНЫЙ РАСЧЕТ ВАЛОВ РЕДУКТОРА И
ПРЕДВАРИТЕЛЬНЫЙ ВЫБОР ПОДШИПНИКОВ КАЧЕНИЯ
Выбираем материал валов:
Сталь 45,
Н/мм2,
Н/мм2,
Н/мм2
Выбираем допускаемые напряжения на
кручение:
Н/мм2;
25 Н/мм2.
Определяем геометрические параметры ступеней
валов.
Вал шестерни - быстроходный.
-я ступень под муфту:
зубчатый передача вал редуктор

; Принимаем d1= 16 мм.
L1=(1,0 …
1,5) d1= 1,2 ∙
16 = 19,2 мм; Принимаем L1= 19 мм.
-я ступень под подшипник:
где t - Высота
буртика [1, 113с., табл. 7.1].

мм; Принимаем d2=20 мм.
L2
мм.
-я ступень под шестерню:
где r = 2 мм
размер фаски под подшипник [1, 113с., табл. 7.1.]
мм; Принимаем
= 26 мм
L
−
определяем графически
-я ступень под подшипник:
d4 = d2 = 20 мм.
мм
где B - ширина
подшипников, В = 15 мм [1,432с., табл. К27];
L4 =
мм.
Вал тихоходный.
-я ступень под муфту:

мм; Принимаем d1= 23 мм.
L1=(1.0 …
1.5) d1= 1,2 ∙23=
27,6 мм; Принимаем L1= 28 мм.
-я ступень под подшипник:
мм; Принимаем d2=30 мм.
мм; Принимаем L2= 40 мм.
-я ступень под колесо:

мм.
L
-определяем
графически.
-я ступень под подшипник:
d4 = d2 = 30 мм

мм; Принимаем
мм.
Таблица 5
Материал валов. Размеры ступеней.
Подшипники.
Вал Материал - сталь 45
= 780…890
Н/мм2
|
=540…650
Н/мм2 =335…380
Н/мм2Размер ступеней, ммПодшипники
|
|
|
|
d 1
|
d2
|
d3
|
d 4
|
Типо-размер
|
dxDxB мм
|
Динами-
ческая грузо- подъем- ность Сr, кН
|
Статическая
грузоподъем-ность Сor, kH
|
|
|
|
|
|
|
|
|
|
1
|
2 3 4
|
|
|
|
|
|
|
|
|
|
Быстроходный
|
16
|
20
|
26
|
20
|
304
|
20х52х15
|
15,9
|
7,8
|
|
19
|
34
|
66
|
16
|
|
|
|
|
|
Тихоходный
|
23
|
30
|
36
|
30
|
306
|
30х72х19
|
29,1
|
14,6
|
|
28
|
40
|
54
|
20
|
|
|
|
|
.ЭСКИЗНАЯ КОМПОНОВКА РЕДУКТОРА
Определяем наружный диаметр ступицы, dст,
мм:
dст = (1,55 .
. . 1,6)d3 =
мм; Принимаем
dст =55 мм.
Определяем длину ступицы,
ст, мм:
cт = (1,1 . . . 1,5) d3=
мм; Принимаем
=40 мм.
Определяем зазор между стенками
корпуса редуктора и вращающихся поверхностей колеса, x:
L = da1+da2=
33,4+130,6=164 мм;
мм; Принимаем х = 8
мм.
Определяем расстояние от оси
шестерни до внутренней поверхности корпуса, f, мм:
f = D/2 + x
где D - диаметр
наружного кольца подшипника быстроходного вала;
f =52/2 +8=
34 мм.
8.Расчетная
схема быстроходного вала редуктора. Определение реакций в опорах. Расчет
изгибающих моментов. Построение эпюр изгибающих и крутящих моментов
Определяем реакции в подшипниках.
Дано: Ft1=891,91 H, Fr1=328,74 H, Fa1=141,26 H, Fм1=193,2 H,
d1=31,4 мм, lб=81 мм, lм=45,5 мм
Вертикальная плоскость
Определяем опорные реакции, Н:
; −
− Fr1
RВy
=0
RВУ=
; − RАy
−
+ Fr1
RАy=
Проверка:
;
RАy − Fr1+ RВУ=0
,99−328,74+191,75 = 0.
Строим эпюру изгибающих моментов относительно
оси Х в характерных точках 1…4; Н∙м:
Мх1=0; Мх2 = 0;
Мх3 = RАy
Мх3 = RВУ
Горизонтальная плоскость
Определяем опорные реакции, Н:

=
RАx=
Проверка:
+ RАx-
+Rвх=0
,2+144,23−891,91+554,48 = 0
Строим эпюру изгибающих моментов
относительно оси У в характерных точках 1…4; Нм:
Му1=0; Му2 = 
Му4 = 0; Му3= Rвх
Строим эпюру крутящих моментов Нм:
Мк = Мz=
=14 Нм.
Определяем суммарные радиальные реакции, Н:
RА=
RВ =
Определяем суммарные изгибающие моменты в
наиболее нагруженных сечениях, Нм:
М2= Му2 = 8,79 Нм;
М3=
Рис 2. Эпюры изгибающих и вращающих
моментов на быстроходном валу.
. ПРОВЕРОЧНЫЙ РАСЧЕТ БЫСТРОХОДНОГО
ВАЛА
Проверочный расчет валов на
прочность выполняют на совместное действие изгиба и кручения.
Определяем напряжения в опасных
сечениях вала, Н/мм²:
,
где М − суммарный
изгибающий момент в рассматриваемом сечении, Н.м;
Wнетто -
осевой момент сопротивления сечения вала, мм3;
При
концентратором напряжений является
переход галтелью.
;
Касательные напряжения изменяются по
нулевому циклу, при котором амплитуда цикла τа равна половине расчетных
напряжений кручения τк:
,
где Мк - крутящий момент, Нм;
Wρнетто - полярный
момент инерции сопротивления сечения вала, мм³;
Wρнетто для
вала-шестерни:
;
Определяем коэффициент концентрации
нормальных и касательных напряжений для расчётного сечения вала:
;
,
где Кσ и Кτ -
эффективные коэффициенты концентрации напряжений;
Кd -
коэффициент влияния абсолютных размеров поперечного сечения;
КF -
коэффициент влияния шероховатости;
Ку - коэффициент влияния
поверхностного упрочнения, т.к. вал без поверхностного упрочнения, то Ку=1.
Выбираем значения коэффициентов из
табл.11.2.;11.3.;11.4.;11.5.[1]
;
.
Определяем пределы выносливости в
расчетном сечении вала, Н/мм²:
;
,
где σ-1 и τ-1 - пределы
выносливости гладких образцов при симметричном цикле изгиба и кручения.
σ-1 находится по таблице
3.2.[1]; τ-1 = 0,58 σ-1.
;
.
Определяем коэффициенты запаса
прочности по нормальным и касательным напряжениям:
;
.
Определяем общий коэффициент запаса
прочности в опасном сечении:
;
.ПРОВЕРОЧНЫЙ РАСЧЕТ ПОДШИПНИКОВ
Проверочный расчет подшипников
быстроходного вала.
Определяем отношения:
где V -
коэффициент вращения, V = 1; [1, 143с., табл. 9.1]
Rr −
суммарная радиальная реакция.
Определяем отношения:
Через интерполирование находим е и
У:
е =0,3; У= 1,81
По отношениям
и выбираем
соответствующие формулы для определения
:
, Н
где Кб - коэффициент
безопасности, Кб = 1,2 [1, 142с., табл. 9.4]
КT -
температурный коэффициент, КТ = 1 [1, 142с., табл. 9.1]
Х=0,56− для радиальных
шарикоподшипников
Н
Определяем динамическую
грузоподъемность по большей эквивалентной нагрузке
:
где m = 3 для
шарикоподшипников.

Н
15900 Н
Определяем долговечность подшипника:
=
Подшипник пригоден.
Таблица 5
Основные размеры и эксплуатационные
характеристики подшипников.
|
Вал
|
Подшипник
|
Размеры
d
x
D
x
B1 мм
|
Динамическая
грузоподъемность, Н
|
Долговечность,
ч
|
|
Принят
предвари-тельно
|
Выбран
оконча-тельно
|
|
Cгр
|
Сг
|
L10h
|
Lh
|
|
Б
|
305
|
305
|
20х52х15
|
9463,88
|
15900
|
94815
|
20000
|
|
Т
|
306
|
306
|
30х72х19
|
--
|
29100
|
--
|
20000
|
11. определение толщины
стенки редуктора и его конструктивных элементов
Рассчитываем толщину стенок корпуса и ребер
жесткости редуктора δ, мм:
мм.
мм; Примем δ = 6мм.
Рассчитываем подшипниковые бобышки:
Внутренние диаметры бобышек равны
диаметрам внешних колец подшипников:
DБ= 52мм; DТ= 72мм.
Внешние диаметры:
мм;
мм.
Рассчитываем длину гнезда:
где h
−
высота крышки. [1, 418с., табл. К18]
мм;
мм.
Рассчитываем фланцевые соединения:
Конструктивные размеры фланцев
принимаются в зависимости от размеров болтов и винтов используемых для
соединения. Размеры болтов принимаются в зависимости от межосевого расстояния
редуктора [1, 233с., табл. 10.17].
Первый фланец, для крепления корпуса
к станине, используется болт М12 ГОСТ 7787-70. Высота фланца:
h1= 2,4δ= 2,4∙6
= 14,4мм.
К1= 32 мм, − ширина фланца;
Ширина опорной поверхности:
мм.
Второй фланец, для соединения
подшипниковой бобышки основания и крышки корпуса. Используем винт М10 ГОСТ
11738-84. Высоту фланца примем равной половине внешнего диаметра бобышки подшипника
быстроходного вала, по всей длине корпуса редуктора:
h2= 35мм.
n2= 3, −
количество винтов на одну сторону редуктора;
К5= 22мм.
Пятый фланец − под крышку
смотрового люка. Используем винт М5 ГОСТ 17473-84. Высота фланца: h5= 3мм.
Размеры сторон фланца, n5 и l5
устанавливаются конструктивно.
Для предотвращения смещения
элементов корпуса при затяжке резьбовых соединений используем цилиндрические
установочные штифты размером 6х20мм ГОСТ 3128-70 установленных горизонтально.
Проушины выполняются монолитно с
крышкой. Толщину ребра проушин примем:
мм.
12. выбор масла и системы смазки редуктора
Для редуктора применяем непрерывное смазывание
жидким маслом картерным непроточным способом.
Масло выбирается в зависимости от контактных
напряжений и окружной скорости зубчатого колеса.
м/с.
Сорт масла выбираю - Индустриальное
И-Г-А-68 ГОСТ 17479.4-87.
где И − индустриальное;
Г − для гидравлических систем;
А − масло без присадок.
Для контроля уровня масла применяем
жезловый маслоуказатель установленный в нижней части корпуса.
При работе масло загрязняется
продуктами износа деталей передач, и его сливают и меняют. Для этой цели в
корпусе предусмотрено сливное отверстие, закрываемое пробкой.
При длительной работе в связи с
нагревом масла и воздуха повышается давление внутри корпуса, это приводит к
просачиванию масла через уплотнения и стыки. Во избежание этого существует
отдушина в верхней части корпуса редуктора, закрываемая пробкой.
Смазывание подшипников происходит из
картера в результате разбрызгивания масла колесами, образованием масляного
тумана и растекания масла по валам.
В качестве уплотнения у входного и
выходного валов применяю манжеты.
13. расчет шпоночного соединения вала и его колеса
Для крепления зубчатого колеса на тихоходном
валу используем призматическую шпонку 10х8х32 мм (bxhxl)
ГОСТ 23360-78 со скругленными концами.
Из условия прочности
где Т - крутящий момент на валу,
Н;
d -
посадочный диаметр под колесо, мм;
отсюда рабочая длина шпонки:
;
=130МПа.
Шпонка 10х8х32 ГОСТ 23360-78
удовлетворяет условию прочности.
Материал для изготовления шпонки −
сталь 45.
Список литературы
1.
А.Е.Шейнблит «Курсовое проектирование деталей машин». - М.: «Высшая школа»,-
1991г.
.
М.Н.Иванов и др. Детали машин. - М.: Высшая школа,- 1991г.
.
А.А.Эрдеди, Н.А.Эрдеди. Детали машин. - М.: Высшая школа,- 2002г.
.
А.В. Кузьмин и др. Курсовое проектирование деталей машин. - Мн.: «Высшая
школа»,-1982г.
.
В.Н. Кудрявцев и др. Курсовое проектирование деталей машин. - Ленинград.:
«Машиностроение», - 1984г.