Разработка панелей хвостовой части стабилизатора регионального пассажирского самолета

  • Вид работы:
    Дипломная (ВКР)
  • Предмет:
    Другое
  • Язык:
    Русский
    ,
    Формат файла:
    MS Word
    875,34 Кб
  • Опубликовано:
    2012-05-12
Вы можете узнать стоимость помощи в написании студенческой работы.
Помощь в написании работы, которую точно примут!

Разработка панелей хвостовой части стабилизатора регионального пассажирского самолета

Содержание


Введение

1. КОНСТРУКТОРСКАЯ ЧАСТЬ

1.1 Композиционные материалы в самолетах "Ан"

1.2 Назначение и описание проектируемого самолета Ан-148

1.2.1 Основные геометрические характеристики

.3 Общие сведения про оперение

1.4 Нагрузки, действующие на оперение

1.5 Конструктивное решения панелей хвостовой части стабилизатора

1.6 Расчет на прочность панели хвостовой части стабилизатора

1.7 Выводы

2. ТЕХНОЛОГИЧЕСКАЯ ЧАСТЬ

2.1 Введение

2.2 Общие положения о технологичности

2.3 Требования к панелям хвостовой части стабилизатора

2.4 Требования к организации производства

2.5 Требования, предъявляемые к технологическому процессу

2.6 Разработка технологии подготовки исходных материалов и приспособлений

2.6.1 Контроль армирующего материала

.6.2 Приготовление связующего

.6.3 Приготовление препрегов

.7 Разработка техпроцесса формообразования детали

2.7.1 Выбор и обоснование метода формообразования.

.7.2 Разработка схемы раскроя и укладки.

.8 Разработка технологии формования изделия

2.8.1 Выбор и обоснование метода формования

.8.2 Разработка техпроцесса формования

.9 Обеспечение качества изготовляемого изделия

. Экономическая часть

3.1 Введение

3.2 Стоимость основных материалов, покупных изделий и полуфабрикатов для трехслойных панелей пассажирского самолета

3.3 Анализ полученных результатов

3.4 Выводы

. безопасность жизнедеятельности

4.1 Введение

4.2 Выявление опасных и вредных факторов в цехе КМ

4.2.1 Мероприятия по предупреждению и защите от вредных и опасных факторов, возникающих при работе с ЭДТ - 69Н

.2.2 Работы, связанные с обработкой углеродных волокон

.2.3 Работы, связанные с получением препрега

.2.4 Требования к безопасности при работе с клеями

.2.5 Механическая обработка КМ

.3 Техника безопасности и охрана труда

4.4 Охрана окружающей среды

4.5 Выводы

. Специальная часть

5.1 Преимущества систем трехмерного моделирования

5.2 CADDS5 - информационная интегрированная система проектирования и изготовления

5.3 Рекомендации моделирования механообрабатываемых деталей

5.4 Методика моделирования стойки лонжерона

Заключение

Введение

Общество всегда должно стремится к прогрессу. На современном этапе развития большую роль играет то, в каком состоянии находится экономика страны. Такие отрасли, как автомобилестроение, авиастроение и ряд других ведущих отраслей, и то, в каком состоянии они находятся, определяют экономический потенциал страны.

Для Украины авиастроение занимает одно из ведущих мест в экономике. Главный разработчик авиационной техники на Украине - это авиационный научно-технический комплекс им. О.К. Антонова, который может выпустить самолет и обеспечить его окончательную доводку, а именно: постройка модели, изготовление опытного экземпляра, проведение прочностных испытаний и, наконец, доводка самолета на летно-испытательной и доводочной базе, и конечно сертификация самолета.

С 1970 г. АНТК им. “Антонова” является одной из ведущей организацией отрасли по разработке конструкций деталей транспортных и пассажирских самолетов с применением композиционных материалов (КМ).

В течение 30 лет АНТК им. “Антонова” выполнил комплекс работ по созданию и внедрению конструкций из полимерных композиционных материалов (ПКМ) в самолеты АН-2, АН-2М, АН-26, АН-28, АН-32, АН-72, АН-74, АН-71, АН-124, АН-225, Ан-70 с постоянным ростом объема КМ. Эти объемы находились на уровне мировых достижений, а в самолетах сверхбольшой грузоподъемности АН-124 и АН-225 превысили уровень для самолетов данного класса.

В настоящее время ведущие авиационные фирмы мира уже разрабатывают проекты создания крупных пассажирских самолетов с объемом внедрения КМ до 60-70% от веса конструкции планера.

Следует отметить, что интенсивный рост объемов применения КМ произошел не только в авиастроении. На основе авиационных технологий расширились объемы применения КМ в наземном транспорте (автобусах, троллейбусах, трамваях, поездах), в судостроении, в спортивном инвентаре (велосипедах, санях, теннисных ракетках, лыжах).

Использование композитных материалов в конструкции различных самолетов.

В настоящее время современные КМ (углепластики, боропластики и органопластики) находят большое применение в конструкции летательных аппаратов. Особенно широкое применение новые материалы находят при изготовлении средненагруженных конструкций, хотя имеется и достаточное число примеров изготовления из них высоконагруженных конструкций, таких как крыло, стабилизатор, киль, шасси и др.

К основным преимуществам композиционных материалов следует отнести следующие: малую плотность, высокие характеристики статической и усталостной прочностей, жесткости, малый коэффициент температурного расширения, сопротивляемость к коррозии и т.п.

За счет применения более легких, по сравнению с алюминием материалов, уменьшения конструктивных и технологических разъемов, замены механического крепежа на клеевые соединения и др., удается снизить массу конструкции на 20-30%. При этом наибольший выигрыш достигается при изготовлении из КМ элементов конструкции фюзеляжа.

Кроме того, за счет применения современных средств механизации при изготовлении полуфабрикатов КМ, их раскроя и выкладки, удается одновременно снизить и трудоемкость изготовления конструкций из алюминиевых сплавов на 30-40%.

По удельным, прочностным и жесткостным характеристикам принципиально новые композиционные материалы (КМ) на основе полимеров, армированных высокопрочными углеродными, борными, органическими и стеклянными волокнами в 2 - 3 раза превосходят традиционные металлы и сплавы.

Применение КМ позволяет создавать конструкции с заранее заданными характеристиками и дает возможность значительно повысить их весовую эффективность и снизить металлоемкость. Для авиационной техники это обеспечивает:

• снижение массы конструкции на 25-50%;

• резкое сокращение количества деталей и нормалей;

• снижение трудоемкости более чем на 30 %;

• повышение в 2 раза коэффициента использование материала;

• трехкратную экономию металлов энергоресурсов на каждый килограмм примененного КМ;

• повышение эксплутационной надежности, живучести, коррозиционной стойкости и аэродинамического качества;

• снижение себестоимости перевозок.

1. КОНСТРУКТОРСКАЯ ЧАСТЬ

 

.1 Композиционные материалы в самолетах "Ан"


В АНТК им. О.К. Антонова вопросу применения КМ уделяется большое внимание. Увеличение применения КМ в конструкциях самолетов ”АН” можно проследить по процентному увеличению массы КМ по отношению к общей массе конструкции: от 1-2% в самолетах АН-26 до 20% в самолете АН-70 (от веса планера).

Применение КМ на самолетах осуществлялось в соответствии с программой, предусматривающей поэтапное развитие работ с постепенным расширением объемов и переходом от средненагруженных к силовым элементам конструкции.

Первыми агрегатами, выполненными с применением углепластика, являются подкосы крыла самолета АН-28. Применение углепластиков позволило повысить жесткость подкосов в 2 раза и снизить их массу на 15%. В этот же период успешно прошли летные эксплуатационные испытания следующие элементы конструкции:

·   створки носового шасси и панели пола на самолетах АН-24,

·   створки грузолюка и подкосы крыла на самолетах АН-28,

·   серворули руля высоты на самолете АН-22,

·   триммеры и интерцепторы на самолете АН-28,

·   цилиндры подъема и выпуска шасси, подкрепленные боропластиком на самолете АН-26,

·   закрылки и хвостовые части крыла и центроплана из органопластика на самолете АН-28.

Самолет АН-72 является первым отечественным самолетом, выполненным с широким применением КМ. На самолете АН-72 масса конструкции из КМ составила 980 кг (6% от массы планера), причем углепластики составляли 240 кг (25% от массы КМ), стеклопластики - 740 кг (75% от массы КМ). Было создано более 60 узлов и агрегатов из угле-, стекло- и боропластиков и 70 деталей и узлов из органопластиков.

Рисунок 1.1. Применение КМ в конструкции Ан-124,АН-225

Наиболее значительной была комплексная программа по разработке, созданию и внедрению преимущественно средненагруженных конструкций из КМ для сверхтяжелого транспортного самолета Ан-124 (см. рис.1.1). В конструкции самолета АН-124 объем применения КМ возрос по сравнению с самолетом АН-72 более чем в 5 раз. Масса конструкции из КМ составила 5500 кг (8% от массы планера), однако соотношение процентного содержания углепластика - 2500 кг (45% от массы КМ) и стеклопластика - 1500 кг (27,5% от массы КМ) несколько изменилось. в конструкции появился также органопластик - 1500 кг (27,5% от массы КМ).

Наработки, полученные в результате проведения исследований, позволили осуществить более сложную программу по созданию высоконагруженных агрегатов из КМ для широкофюзеляжного самолета Ан-70. Объем конструкции из стекло-, угле-, органопластиков на самолете Ан-70 достиг 20% от массы планера (см. рис.1.2).

Рисунок1.2. Применение КМ в конструкции Ан-70

В процессе создания новых самолетов решены многие научно-технические проблемы, разработаны уникальные конструкции нового типа и технологические процессы их изготовления, многие из которых не имеют зарубежных аналогов. Широкое применение КМ вызвало необходимость отказа от традиционных и испытанных конструктивно-технологических решений и перехода к принципиально новым методам проектирования и производства.

Таким образом, широкое внедрение в авиационную технику КМ значительно повышает ресурсные характеристики летательных аппаратов и существенно снижает их массу. Реализация перспектив, которые открываются в связи с разработкой и промышленным внедрением КМ, приводит к необходимости решения широкого круга проблем их эффективного применения.

Объемы и эффективность применения ПКМ в самолетах "АН" представлены в табл. 1.1.

Таблица 1.1. Объемы и эффективность применения ПКМ в самолетах "АН"

Показатели

 АН-28, АН-38

 АН-72, АН-74

АН-124, АН-225

АН-140

АН-70

Количество узлов и агрегатов, шт

 90

 430

 1100

 920

 3270

Площадь поверхности, м2

 100

 250

 1500

 380

 1630

Масса, кг

180

980

5500

1340

6740

Снижение массы, кг

60

350

2000

480

2250


1.2 Назначение и описание проектируемого самолета Ан-148


Самолет предназначен для перевозки 70 пассажиров, багажа, почты и грузов на внутренних и международных авиалиниях с возможностью базирования на подготовленных BПП с искусственным покрытием.

Самолет представляет собой свободнонесущий высокоплан с двумя двухконтурными турбореактивными двигателями, размещенными в гондолах под крылом, и трехопорным одностоечным шасси с передней и двумя основными опорами.

Крыло - стреловидное, большого удлинения, трапециевидной формы в плане без наплывов, скомпоновано на базе новых суперкритических профилей, разработанных в АНТК им. О. К. Антонова.

На передней кромке крыла установлены отгибаемые носки; на задней кромке установлены двухщелевые однозвенные закрылки с фиксированным дефлектором и элероны без аэродинамической компенсации, отклоняемые тормозные и глиссадно-тормозные интерцепторы.

Фюзеляж - круглого сечения диаметром 3,35 м по длине состоит из трех частей: носовой, средней цилиндрической и хвостовой. Фюзеляж -полумонококовой конструкции, состоит из обшивки толщиной 1-1,8 мм, стрингеров уголкового и зетобразного сечений, выполненных из листовой заготовки, прессованных усиленных стрингеров, зетобразных одноэлементных в сечении типовых шпангоутов.

Фонарь самолета - стальной сварной конструкции, типа фонаря самолета Ан-140, лобовые электрообогреваемые стекла фонаря используются от самолета Ан-74.

Оперение - однокилевое, Т-образное, с неподвижным стабилизатором, установленным на киле. Рули направления и высоты - однозвенные, без аэродинамической компенсации.

Шасси - трехопорное убирающееся с управляемой передней опорой.

Стойки основных опор - рычажного типа, снабжены спаренными тормозными колесами мм, убираются в ниши под полом пассажирской кабины. Стойка передней опоры - полурычажного типа, убирается против полета. Створки ниши имеют механический привод от стойки. Замки убранного положения имеют аварийную систему ручного открытия. Выпуск-уборка шасси и привод тормозов - гидравлические. Шасси самолета обеспечивает посадку на грунтовые и галечные ВПП.

 

.2.1 Основные геометрические характеристики

Габаритные размеры, м:

размах крыла (проекционный)28,92

·   длина самолета28,59

·   высота самолета (пустого) на стоянке8,17

Крыло

Вид в планетрапеция

Размах крыла (теоретический), м28,8

Площадь, м2 (теоретическая)87,29

Удлинение9,5

Сужение4,05

САХ,м3,395

Стреловидность (по 0,25 b), град.25

Отклоняемый носикбезщелевой 2-секционный

Суммарная площадь, м28

Относительный размах0,118-0,968 Относительная хорда:

корневая0,09

конпцевая0,148

Максимальная крейсерская скорость-880 км/ч.

Максимальная крейсерская высота - 12500м.

Потребная длина ВПП - 1600-1800 м.

Самолёт Ан-148 обеспечивает:

-        высокую эффективность;

-        современный уровень технического и эксплуатационного совершенства;

         возможность применения со слабооснащённых аэродромов с малой прочностью покрытия и сложными воздушными подходами;

         широкий диапазон функциональных возможностей.

Самолёт Ан-148 является базовым в семействе:

-        Ан-148Д - региональный самолёт с увеличенной дальностью;

-        Ан-148СД - сверхдальний пассажирский самолёт;

         Ан-148VIP - сверхдальний VIP/административный самолёт;

-         Ан-148-100 - региональный пассажирский самолёт с удлинённым фюзеляжем на (90-100 пасс.).

-        Ан-148С/Т - грузовые самолёты.

Дальность полёта для транспортного и пассажирского самолёта Ан-148.

.         8,7т.´1630 км.

2.       70 пасс. ´2800 км.

.        53 пасс. ´3700 км.

Общий вид самолета представлен на рис. 1.3.



Рисунок 1.3 - Общий вид АН-148

1.3 Общие сведения про оперение


Оперением самолета называются несущие поверхности, предназначенные для обеспечения продольной и путевой балансировки, устойчивости и управляемости самолета.

Балансировкой самолета называется уравновешивание моментов всех сил, действующих на самолет, относительно его центра тяжести.

Оперение состоит из горизонтального и вертикального оперения, установлено на хвостовой части фюзеляжа.

Горизонтальное оперение включает в себя две консоли стабилизатора, две половиты руля высоты и два дефлектора.

Руль высоты предназначен для обеспечения продольной управляемости самолета, состоит из двух секций, внутреней и внешней, синхронно откланяемых вверх и вниз общей системой управления самолетом. Каждая секция состоит из первого и второго звеньев.

Вертикальное оперение включает в себя киль и руль направления.

Руль направления предназначен для обеспечения путевой управляемости самолета.

Нагрузки на вертикальное оперение. Уравновешивающая нагрузка обусловлена равновесием моментов рыскания самолета с вертикальным и без вертикального оперения.

При односторонней остановке двигателя, расположенного на крыле, на вертикальном оперении возникает ассиметричная нагрузка. Оперение, как и крыло, в общем случае нагружается распределенными и сосредоточенными силами.

Кили прямые или с малой стреловидностью выполняются преимущественно двухлонжеронной конструкции. Наличие довольно мощных панелей между лонжеронами существенно разгружает пояса лонжеронов. Соединение киля с фюзеляжем осуществляется при помощи узлов на лонжеронах. Усиленная бортовая нервюра в данном случае воспринимает

нагрузки, действующие на панели. При малой относительной толщине профиля вертикального оперения лонжероны имеют недостаточную строительную высоту для крепления киля к фюзеляжу.

Конструкции узлов навески рулей, за исключением центральных опор, однотипны и состоят из кронштейнов, установленных на нервюрах и лонжероне стабилизатора или киля, серег навески и болтов. Количество узлов зависит от длины руля и величины аэродинамических нагрузок, действующих на руль. Рули подвешиваются на шариковых подшипниках. В носке рулей делаются вырезы для размещения кронштейнов навесок, что уменьшает в данном сечении жесткость руля на кручение, поэтому в сечениях с вырезами конструкция руля усиливается.

Большое распространение получили одностенные нервюры, штампованные из листового дуралюмина. Стенки их при толщине от 0,5 до 1,5 мм обычно имеют большой запас прочности, и поэтому для уменьшения веса в нервюрах делают вырезы. Для повышения устойчивости стенок края отверстий отбартовывают и ставят стойки, а иногда в стенках делают рихтовку.

Оперение регианального самолета ан-148 - однокилевое Т-образное (со стабилизатором, установленным на киле).

Вертикальное оперение состоит из киля, форкиля и руля направления.

Киль состоит из кессона, носовой и хвостовой частей.

Кессон - металической конструкции, состоит из двух лонжеронов, двенадцати нервюр и двух панелей, подкрепленных стрингерами.

Левая панель включает в себя съемную технологическую панель.

По левому борту хвостовой части киля панели - съемные, а в районе рулевых приводов - откидные.

Форкиль - составной, включающий металлическую переднюю часть и радиоотсек, выполненный из радиопрозрачного материала (сотовые панели из стеклопластика).

РН - композиционный, 6-опорный, состоящий из композиционного лонжерона изготовленного из двух частей, и одновременно отформованного

каркаса, включающего обшивки и нервюры. Узлы навески металлические и по трем опорам совмещены с установкой рулевых приводов.

Горизонтальное оперение (ГО) состоит из стабилизатора и руля высоты (РВ).

К ГО крепится стекатель стыка горизонтального и вертикального оперения (ВО).

Стабилизатор представляет собой цельно собранный агрегат, состоящий из двух консолей и центроплана, составляющих кессонную часть, а также носовой и хвостовой частей.

Кессон - металлической конструкции, состоит из двух лонжеронов, шестнадцати нервюр и двух панелей, подкрепленных стрингерами.

Нижняя панель включает в себя съемную технологическую панель.

К передней части кессона крепится носок с электротепловой ПОС.

Хвостовая часть стабилизатора представляет собой конструкцию из КМ, выполненную в виде монолитных подкрепленных ребрами жесткости панелей.

По нижней поверхности хвостовой части стабилизатора панели -съемные, а в районе рулевых приводов - откидные.

РВ - композиционный, 6-опорный, состоящий из композиционного лонжерона швеллерного сечения и одновременно отформованного каркаса, включающего обшивки и нервюры. Узлы навески металлические и по трем опорам совмещены с установкой рулевых приводов.

Геометрические параметры горизонтального оперения:

¾ Теоретическая площадь ГО- 18,875 м2;

¾ Площадь теорет. поверхности рулей высоты- 11,22 м2;

¾ Площадь теорет. поверхности консоли ГО- 34,496 м2;

¾ угол стреловидности по линии 0 хорд, град.- 35,69;

¾ угол стреловидности по линии 25 хорд, град.- 32;

¾ угол стреловидности по линии 100 хорд, град.- 19,1;

¾ угол стреловидности по 1 лонжерону ГО, град.- 33,13;

¾ угол стреловидности по 2 лонжерону ГО, град.- 28,9;

¾ удлинение- 4,61;

¾ сужение- 2,516 м2.

1.4 Нагрузки, действующие на оперение


В полете на оперение действуют аэродинамические и массовые силы, величина и распределение которых по размаху и хорде оперения зависят от режима полета.

Массовые силы сравнительно невелики, и в расчетах на прочности оперения ими можно пренебречь.

Аэродинамические нагрузки на оперение определяются в соответствии с расчетными случаями норм прочности.

Нагрузки на горизонтальное оперение можно разделить на нагрузки уравновешивающие, нагрузки маневренные и нагрузки в турбулентной атмосфере. Нагрузки уравновешивающие определяются из условия равенства моментов относительно оси Оz самолета с горизонтальном оперением и без него.

При отклонении рулей высоты возникает дополнительная нагрузка на горизонтальном оперении, называемая маневренной. Эта нагрузка неуравновешенна и пропорциональна величине скоростного напора q и площади горизонтального оперения.

Стабилизатор обычно представляет собой двухопорную балку, нагруженную распределенными аэродинамическими силами и реакциями опор в узлах подвески руля высоты.

 

.5 Конструктивное решения панелей хвостовой части стабилизатора


Конструктивные решения панелей представлены на рисунке 1.2. Панели имеют небольшую одинарную кривизну, их габариты, в среднем, составляют 360x1400 мм. толщины заполнителя 20 мм, обшивок в регулярной зоне 0,6-0,7 мм, фланцев панелей 2,7 мм. Панели крепятся к металлическому каркасу оперения винтами и с помощью шомпольных петель.

Трубчатая панель состоит из обшивок армированных углелентой УОЛ-300-1А, трубчатого заполнителя сечением 20x20 мм намотанного одним слоем углеленты ЭЛУР-ПА и накладок из ткани УТ-900-2,5А, устанавливаемых только по одной стороне панели. Углеволокнистые материалы также пропитываются связующим ЭДТ-69Н. Обшивки и заполнитель панели прессуются одновременно с применением комплекта оправок из силиконовой резины марки ИРП-1338, которые удаляются в одну сторону. Открытый торец панели заделывается пенопластом марки ЭТ-Р1 и оклеивается углетканью на клее холодного отверждения. В стенках трубчатого заполнителя выполняются дренажные отверстия, позволяющие вентилировать внутренний объем панели (рисунок 1.4).

Рисунок 1.4 - Конструкция типовой трубчатой панели

1.6 Расчет на прочность панели хвостовой части стабилизатора


Расчет на прочность можно разделить на расчет по допускаемым напряжениям и расчет по предельному состоянию. При расчетах, на прочность основанных на оценке прочности материала в опасной точке нормальные, касательные напряжения (в зависимости от вида напряженного состояния и принятой теории прочности) в опасном сечении, опасной точке сравниваются с допускаемыми напряжениями. Если наибольшее расчетное напряжение не превышают допускаемые, то считается, что надлежащий запас прочности конструкции этим обеспечивается. Такой способ расчета на прочность называется расчетом по допускаемым напряжениям. Метод расчета на прочность по допускаемым напряжениям, бесспорно, обеспечивает прочность конструкции, однако во многих случаях не позволяет рационально использовать все ее возможности и часто приводит к завышенному весу. В связи с этим недостатком метода расчета на прочность по допускаемым напряжениям будем использовать метод расчета конструкции по предельному состоянию, т. к. он дает возможность уменьшить вес конструкции. Под предельным состоянием конструкции понимают такое ее состояние, при котором она теряет способность сопротивляться внешним воздействиям или перестает удовлетворять предъявляемым эксплуатационным требованиям.

Для расчета на прочность элементов конструкции оперения необходимо знать значения нагрузок действующих на расчетный элемент.

На прочность рассчитываем нижнюю панель хвостовой части стабилизатора, которая воспринимает максимальные нагрузки.

Выбираем РС с максимальной нагрузкой на РВ. На рисунке 1.3 представлены эпюры нагрузок действующих в сечении консоли стабилизатора на расстоянии 3 м от ПСС, при наличии угла атаки и отклоненном РВ.

Рисунок 1.3 - Эпюры нагрузок.

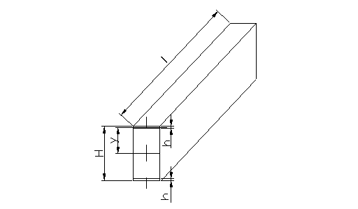
Рассмотрим элемент рассчитываемой панели хвостовой части стабилизатора (рисунок1.5) со следующими габаритами:

l=692мм;H=20.675мм;y=10.33мм;h=0.675мм

Рисунок 1.5 - Рассматриваемый элемент панели панели.

Определяем максимальный момент, действующий в рассматриваемом элементе:

Мmax=,

Где q - нагрузка действующая в данном сечении, кг с/мм;

l - длинна рассчитываемой панели, мм;

Мmax=(-1635*10*692)/8=-97,9(кг с мм);

Для расчета по программе “MVR” определяем действующее напряжения по оси x, в рассматриваемом элементе.

Определяем площадь поперечного сечения рассматриваемого участка

F=H*b,

Где Н - толщина обшивки, мм

b - ширина рассматриваемого сечения, мм;

Определяем усилие действующее в сечении:

Р=,

Р=97,9/20,675=-4,735;

Выражение для определения напряжения в поперечном сечении данного участка запишем следующим образом:

,

где Р - усилие действующее в сечении,

F - площадь поперечного сечения, мм.

кгс/мм.

Дальнейшие расчеты проводим по программе “MVR”, полученные результаты расчетов сведены в Приложение 1.

Для сравнительного анализа проведем расчет на прочность с использованием программы в которой расчет проводиться не для пакета вцелом, а определяются напряжения в каждом монослое. Полученные результаты расчета сведены в Приложение 2.

Сопоставляя результати расчетов двух программам, видно, что запас прочности оказался большим при расчете напряжения для пакета в целом , а не послойно.

 

.7 Выводы


В конструкторской части дипломного проекта представлено назначение и описание регионального самолета АН-148, его геометрические характеристики, а так же описание конструкции оперения и действующие на него нагрузки. Было рассмотрено конструктивное решение панелей хвостовой части стабилизатора из КМ. В конструкции обеспечиваться расчетная прочность материалов и другие их характеристики пакете слоев в соответствии с ТУ на материал: плотность, толщина монослоя, угол укладки.

2. ТЕХНОЛОГИЧЕСКАЯ ЧАСТЬ

 

.1 Введение


Производство изделий из композиционных материалов содержит ряд специфических процессов. Для проектирования, оснащения и реализации этих процессов требуются специалисты определенной квалификации. Все эти процессы взаимно обусловлены и связаны в единый производственный процесс изготовления конкретной детали. Все они имеют одну общую особенность - преобразование исходных материалов в готовые продукты производства заданного качества с наименьшими затратами труда для данных условий.

Совокупность процессов, которые осуществляются с целью преобразования исходных материалов в готовую продукцию, называется производственным процессом. Часть производственного процесса, которая непосредственно связана с изменениями качественного состава объекта производства, называется технологическим процессом.

В технологической части дипломной работы описан технологический процесс изготовления панелей хвостовой части стабилизатора из углепластика. Также рассмотрены подготовительные процессы: контроль исходной арматуры, приготовление связующего, приготовление препрегов.

 

.2 Общие положения о технологичности


Согласно ГОСТ 14.205-85 (СТЭВ 2063-79) технологичность - это совокупность свойств изделия, определяющих его приспособленность к достижению ожидаемых затрат при производстве, эксплуатации и ремонте для заданных показателей качества, объема выпуска и условия выполнения работ. Обеспечение технологичности изделия по самой своей сути работает как противозатратный механизм хозяйствования, так как рассматривает изделие с позиции минимизации затрат, ресурсов на обеспечение заданного качества. По области проявления различают следующие виды технологичности:

производственную;

эксплуатационную.

Производственная технологичность конструкции изделия проявляется в экономии затрат, средств и времени на конструкцию и технологическую подготовку производства, в процессе изготовления изделия, организации и управление процессом производства.

Эксплуатационная технологичность конструкции изделия проявляется в сокращения затрат, средств и времени на технологическое обслуживание и ремонта изделия, а также на подготовительные и заключительные роботы связанные с полетом.

Иногда эксплуатационную технологичность рассматривают только применительно к техническому обслуживанию и текущему ремонту изделия в эксплуатации. Тогда вводят понятия ремонтной технологичности (при ремонте на специализированных предприятиях) и утилизационной технологии. Все положения о технологичности в равной мере относятся к ее всем видам и разновидностям, поэтому для краткости рассматриваем только производственную технологичность.

Технологичность конструкции принадлежит к свойствам, характеризующим качество изделия. Ведь при прочих равных условиях изделие будет тем лучше, чем дешевле оно и чем меньше затрат ресурсов требуется потом для приведения его в рабочее состояние.

Наряду с технологичностью конструкции качество изделия характеризуют такие свойства:

-  функциональность;

-       надежность;

-       экономичность;

-       эстетичность;

-       экологичность;

-       транспортабельность;

-       патентоспособность.

Требования технологичности и других сторон качества к одним и тем же свойствам конструкции могут вступать в противоречия, которые должны решаться по критериям эффективности. Процесс обеспечения технологичности может и должен рассматриваться как решение двойственной задачи:

-          отработка конструкции на технологичность;

-          совершенствование производственной системы.

При этом выявляется такая закономерность: повышение и расширение технологических возможностей системы снижает затраты ресурсов на единицу продукции и уменьшает зависимость уровня этих затрат от свойств конструкции.

 

.3 Требования к панелям хвостовой части стабилизатора


1.     Панели должны быть безопасно повреждаемыми и надежны в эксплуатации в течение всего срока службы самолета.

2.       Панели должны обладать минимальным весом и минимальной стоимостью в изготовлении и эксплуатации.

.        Панели бустерного отсека должны быть съемными.

4.     Эксплуатационная технологичность монтажа и демонтажа определяется при рабочем проектировании. Конструкция должна:

4.1.    Обеспечивать возможность изготовления обшивок (панелей) от ТК для получения качества внешней поверхности;

4.2.    Обеспечивать возможность изготовления панелей с максимально возможным качеством элементов зацело, за исключением трудоемких и трудно контролируемых подгоночно-сборочных работ;

.3.      Обеспечивать минимально возможное количество элементов механического крепежа (концентраторов напряжений) и зон сосредоточенной передачи усилий.

5.     В конструкции должны обеспечиваться расчетная прочность материалов и другие их характеристики в пакете слоев в соответствии с ТУ на материал: плотность, пористость, толщина монослоя, угол укладки и т.п.

6.     Ремонтопригодность должна обеспечиваться:

-     всесторонним доступом к элементам конструкции перед их сборкой-склейкой;

-        доступом к силовым узлам и наиболее нагруженным местам конструкции после сборки склейки (поясов и стенок лонжеронов у корня, обшивок в зоне радиусного перехода, мест механического соединения элементов конструкции);

-     доступом и типовыми методами ремонта в эксплуатацию.

 

.4 Требования к организации производства


Изготовление панелей должно осуществляться в специализированном производстве по переработке композиционных материалов, с обеспечением всех требований технологии, техники безопасности, промсанитарии и пожарной безопасности в соответствии с нормативной документацией.

Рабочие, занятые на всех операциях по изготовлению панелей, должны проходить специальную подготовку и ежегодную аттестацию на знание технологического процесса и выполнения отдельных операций.

Технологическое оборудование, используемое в процессе производства панелей, должно быть проверено на соответствие техническим характеристикам, при необходимости доработано, и проходить периодическое сертификацию.

Рабочие и ИТР, занятые на всех операциях по изготовлению изделия, должны быть обеспечены спецодеждой.

·   белый халат из ткани с глухим воротником и застёгивающимся манжетами;

·   белый платок или шапочка х/б;

·   перчатки х/б;

·   перчатки резиновые (тонкие, облегающие руку и не растворимые в ацетоне или спирте);

 

.5 Требования, предъявляемые к технологическому процессу

 

Технологический процесс, оформленный в соответствии с требованиями стандарта, является (наряду с чертежами, техническими условиями и технологическими инструкциями) основным документом, по которому производится изготовление, сборка и испытание деталей, узлов и агрегатов изделий.

К технологическому процессу предъявляются требования обеспечения:

-           высокого качества и надежности изделий, изготовленных в полном соответствии с требованиями чертежа и технических условий на производство изделия;

-       оптимальных для конкретных заданных производственных условий затрат живого и овеществленного труда;

-       безопасности производственных процессов, взрыво - и пожаробезопасности в соответствии с требованиями ГОСТ12.3002-75;

-       минимальных для заданных условий сроков (циклов) подготовки и производства изделий;

-       защиты окружающей среды от вредных факторов производственного процесса.

Для решения этих задач при проектировании технологических процессов используются достижения новой техники и передовой опыт работы с учетом конкретных производственных условий. При этом для опытных изделий технологический процесс должен быть рассчитан на минимальное использование специальной технологической оснастки и максимальное использование универсальной оснастки. При проектировании технологического процесса необходимо в равной мере учитывать работы, связанные с проверкой качества выполнения отдельных операций и продукции в целом, при этом решать все вопросы метрологического обеспечения технологического процесса.

Основными исходными материалами для проектирования технологических процессов на предприятии являются:

-     чертежи изделия;

-       технические условия (ТУ);

-       директивные технологические документы (ДТД), разрабатываемые на предприятии;

-       сведения о располагаемом оборудовании;

-       различные типовые инструктивные, руководящие и справочные материалы;

-       нормали;

-       государственные и отраслевые стандарты;

-       сборники отраслевых правил и норм по технике безопасности, действующие на предприятии инструкции по технике безопасности.

Технологический процесс, оформленный в технологическом паспорте, должен удовлетворять следующим требованиям:

-     быть достаточно полным, отражать строгую последовательность технологических операций с включением операций контроля и отработки систем;

-       отражать требования ТУ, чертежей, ТИ, номенклатурных ведомостей;

-       отражать операции по снятию припусков;

-       содержать необходимые указания по безопасности труда и ссылки на действующие инструкции по технике безопасности;

-       отражать весовой контроль;

-       формулировка содержания операции должна быть краткой. В тексте технологического процесса должны быть все данные, необходимые для качественного и производительного выполнения работ и контроля качества продукции с отражением основных требований ТУ, чертежей;

-          в технологическом процессе необходимо приводить условия хранения; порядок и средства упаковки и транспортировки особо ответственных деталей, узлов и агрегатов;

-       технологический процесс пишется разборчивым почерком;

-       при ссылке на ГОСТ, ТУ, РТМ, инструкции, типовые технологические процессы и другие подобные документы в тексте техпроцессов указываются соответствующие номера их разделов и пунктов.

 

.6. Разработка технологии подготовки исходных материалов и приспособлений

 

.6.1 Контроль армирующего материала

Предварительно пропитанные связующим рубленные и непрерывные, в виде лент и холстов, материалы представляют собой полуфабрикаты, применяемые для дальнейшей переработки различными методами. Поскольку эти полуфабрикаты хранятся какое-то время на складах, перед их использованием на производстве выполняют анализы на содержание влаги, вредных веществ. Такие анализы делают перед изготовлением ответственных конструкционных деталей и агрегатов или в тех случаях, когда истекли допустимые сроки хранения материала.

Содержание влаги и летучих веществ в волокнистых полуфабрикатах определяют взвешиванием проб до и после их высушивания при температуре 100˚С - 110˚С в течение 2 часов.

Содержание смолы (связующего) определяют в результате выжигания ее из полуфабриката при температуре 500-800˚С в течение 2-3 часов и сопоставления массы до и после выжигания.

 

.6.2 Приготовление связующего

Общие требования.

1. Все работы по приготовлению связующего ЭДТ - 69Н проводить в отдельном помещении, категории В класс по ПЭУ-11-3а оборудованном приточно-вытяжной вентиляцией.

2. Исходные компоненты связующего должны соответствовать требованиям нормативно-технической документации ГОСТ, МРТУ, ОСТ, и ТУ.

3. Приготовление связующего производить в эмалированном или из нержавеющей стали реакторе, снабженном якорной мешалкой, охлаждением, обогревом, обратным холодильником и термометром, с люком для разгрузки и нижним спускным краном.

4. Приготовление связующего производить в соответствии с производственной инструкцией ПИ 1.2.399 - 88 ВИАМ.

Оборудование, оснастка и инструмент.

Для приготовления связующего ЭДТ - 69Н используется следующее оборудование, оснастка и инструмент:

1) реактор РСЭр - 6/0,1 - 1 - 10 с обогревом и обратным холодильником: V=100 л, P=6 атм, T=200 °С;

2) дробилка валковая ВДГ - 2М или дробилка типа 111 модель 764 ГОСТ 7411 - 67;

3) мерник для спирто - ацетоновой смеси МСЭ - 0,063 - 1: V=63 л;

4) весы технические РП - 150 Ц 13;

5) тара эмалированная из нержавеющей стали (бидоны) полиэтиленовая с герметичной крышкой;

6) ареометр ГОСТ 1848 - 81 Е;

7) термометр стеклянный типа ТЛ - 6 № 3 ГОСТ 215 - 73;

8) камера холодильная до -18 °С - НКР - 1.

Приготовление связующего ЭДТ - 69Н.

1. Связующее ЭДТ - 69Н представляет собой раствор в спирто - ацетоновой смеси композиции на основе эпоксидных смол КДА, ЭТФ, УП - 631У и отвердителя № 9.

2. Рецептура связующего ЭДТ - 69Н:

·   продукт КДА (1 сорт) - 35,5 м.ч.;

·   смола эпоксидная ЭТФ - 35,5 м. ч.;

·   смола эпоксидного УП - 631У - 35,5 м. ч.;

·   отвердитель № 9 - 5,5 м.ч.;

·   спирто - ацетоновая смесь - (1,5 : 1).

3. Перед приготовлением первой партии связующего

4. Взвесить необходимое (согласно рецептуры) количество ацетона, залить его в аппарат. Взвесить измельченную смолу

УП - 631У и засыпать в аппарат. Закрыть загрузочный люк аппарата, открыть горячую воду в обратном холодильнике, включить мешалку. Перемешать при температуре 40 - 50°С в течение 30 - 60 минут до полного растворения смолы УП - 631У. Взвесить и загрузить смолу КДА. Взвесить необходимое количество 5 - 10% раствора КДА в спирте и залить через воронку в аппарат. Взвесить необходимое количество отвердителя № 9 и засыпать в аппарат.

1. Герметично закрыть верхний люк аппарата, проверить работу обратного холодильника. Включить мешалку. Перемешивание производить при температуре 60 ± 2°С в течение 2,5 ± 0,5 часов (отсчет времени производить с момента достижения температуры реактора 60°С).

Примечание. Процесс получения связующего считается завершенным, если в связующем не содержится комочков отвердителя размером более 1мм, а замешка только мелкодисперсная, взвесь или раствор совершенно прозрачен.

2. Охладить связующее в реакторе до комнатной температуры и слить через нижний люк. Слив производить через металлическую сетку "ОО" или 2 - 3 слойный марлевый фильтр в емкости с плотно закрывающимися крышками.

3. От каждой партии связующего отобрать пробу для определения плотности и концентрации по ГОСТ 99802 - 86Е. Плотность определять ареометром с точностью до 0,007 г/см3. Температуру определять термометром с точностью до 0,5°С.

4. Результаты анализа внести в паспорт на партию связующего. Каждую емкость снабдить биркой с указанием: даты получения, партии и количества связующего, результаты анализа.

5. Связующее ЭДТ - 69Н хранить в плотно закрытой таре в складском помещении при температуре не выше 20°С в условиях исключающих попадание влаги и прямых солнечных лучей, не более 6 месяцев.

 

.6.3 Приготовление препрегов

Изделия из КМ получают двумя способами - “мокрым” и ”сухим”. При “мокром” способе наполнитель пропитывается связующим непосредственно перед выкладкой. При “сухом” способе пропитка выделена в самостоятельную операцию, в результате которой из арматуры и связующего получают препреги (нити, ленты, ткани которые после пропитки подсушиваются).

Все операции по изготовлению препрегов должны выполнятся при температуре (20±5)0С и влажности воздуха не более 75% в производственных помещениях, оборудованных обменной приточно-вытяжной вентиляцией и местной вытяжкой с рабочих зон, в которых используются растворители, связующее или выделяются продукты их распада.

Процесс приготовления препрегов включает следующие операции:

·   нанесение связующего на армирующий материал;

·   фильтрация связующего в армирующем материале;

·   удаление растворителей (сушка препрегов).

Пропитку армирующего материала связующим осуществляют в ваннах пропиточных машин, вакуумной пропиткой и др. Основными требованиями данной операции являются поддержание заданной постоянной концентрации и вязкости связующего, оптимального содержания летучих веществ.

Длительная сушка, повышенная температура, влажность могут ухудшать качество нанесенного на армирующий материал связующего за счет преждевременной полимеризации.

Важно фиксирование нанесенного на армирующий материал связующего путем сушки. Для этого нужно рационально выбрать следующие параметры:

температуру сушки (Tс);

время сушки (τс).

Конечное содержание летучих продуктов после сушки должно быть не более 2.5%, связующего - 41-43%, растворимой смолы - не менее 95%.

Процесс пропитки и сушки углеткани необходимо проводить в вертикальной пропиточной машине. Перед началом пропитки необходимо:

1. Отобранные к пропитке рулоны армирующих материалов устанавить в посадочные гнезда пропиточной машины, соединить с помощью термосваривания полиэтиленовой пленкой начало пропитываемого материала с концом заправочного полотна и протянуть через систему валов пропиточной установки до выхода пропитываемого материала из пропиточной ванны на 10-15 см.

2. Для предотвращения слипания пропитанных материалов при намотке необходимо установить в гнезда раскаточного вала пропиточной машины рулон разделительной пленки. Применяемая пленка должна быть гладкой, равномерной толщины и на 10-15 мм шире пропитываемого материала.

Установить температуру в зонах подсушки наполнителей и препрегов в соответствии с параметрами указанными в таблице 2.1.

Таблица 2.1.Технологические параметры пропитки армирующих наполнителей

Марка пропитываемого материала

Температура по зонам, ºС

Скорость пропитки, м/мин


I

II

III


УОЛ-300-1А

60±5

65±5

60±5

1,5-2,0


1. Проконтролировать чистоту валков установки.

2. Отрегулировать свободное сматывание материалов с подающих бобин и обеспечить плотное и равномерное натяжение слоев с помощью тормозных колодок.

3. Перемешать связующее в емкости до равновзвешенного состояния белых крупинок (смолы УП-631У).В ванну пропиточной установки залить приготовленное связующее до уровня оси валков.

4. При подходе пропитанного материала к приемному валу машины обрезать заправочное полотно, соединить пропитанный материал с разделительной пленкой и заправить на приемную бобину.

Во время пропитки угленаполнителей необходимо контролировать следующие параметры:

·   уровень связующего в пропиточной ванне;

·   скорость пропитки, натяжение полотна, температуру в зонах сушки;

·   нанос связующего на соответствие указанным параметрам.

Для контроля материалов отбираются образцы 200х200 мм в начале, середине и в конце 50-100 метрового рулона. Если рулон меньше 50 м, то на пробу вырезать образцы в начале и в конце рулона.

 

.7 Разработка техпроцесса формообразования детали

 

.7.1 Выбор и обоснование метода формообразования

Выбор метода формообразования изделий из композиционных материалов (КМ) зависит от назначения изделия, состава связующего, габаритных размеров и др.

Методом выкладки изготавливают силовые и несиловые плоские и объемные детали сложной конфигурации. Технологический процесс выкладки в зависимости от геометрии деталей и возможностей производства по способу выполнения разделяется на ручной, автоматизированный и механизированный.

Ручная выкладка применяется при производстве малогабаритных деталей, а также для изготовления любых деталей при отсутствии выкладочных станков с ЧПУ. Как правило, выкладка производится “сухим” способом - предварительно пропитанным полуфабрикатом (препрегом). Этим методом изготавливаются обшивки, панели, накладки, лючки и др. они могут иметь разную толщину и ориентацию волокон, которые задаются в зависимости от характера, величины и направления действующих напряжений.

Автоматизированную выкладку применяют при производстве деталей плоской формы или одинарной кривизны с углом подъема кривой менее 5˚.

Механизированную выкладку применяют для изготовления деталей двойной, а также одинарной кривизны с углом наклона более 5˚.

Намоткой преимущественно изготавливаются изделия осесимметричные объемные, а также силовые плоские элементы конструкций, “вафельные” панели.

Напыление редко встречается при производстве летательных аппаратов, потому что этот метод позволяет изготавливать несиловые изделия сложной формы.

Методом пултрузии получают профильные подкрепляющие элементы, разные по форме и размеру поперечного сечения и неограниченной длины с однонаправленным размещением армирующих волокон.

Комбинированное формообразование изделий из КМ совмещает в себе отдельные преимущества разных методов, что позволяет получать силовые профильные элементы с улучшенными наперед заданными характеристиками.

В нашем случае для изготовления панелей хвостовой части стабилизатора из КМ применяется ручная выкладка и намотка.

 

.7.2 Разработка схемы раскроя и укладки

После того, как препрег с полиэтиленовой пленкой будет закреплен в зажимном устройстве и раскатан на всю длину раскроечного стола, на препреге располагают шаблоны согласно рисунку. Шаблоны нужно выкладывать по кромке препрега. Наносятся базовые риски через прорези на шаблонах (наносить карандашом). Вырезается необходимое количество заготовок вместе с пленкой. Кромка препрега не образуется. При раскрое необходимо контролировать соответствие направления ткани направлению основы на шаблонах; качество обрезки препрега по контуру шаблона; отсутствие посторонних включений на препреге.

Работу выполнять при наличии чертежа, технологической карты или паспорта на деталь, предусматривающих роспись исполнителя и мастера на каждую операцию.

Укладка слоев: каждый последующий слой укладывается на предыдущий согласно схеме укладки. Так как при выкладке будет иметь место стыка заготовки, то ширина зазора должна быть 0-2 мм. Выкладка пакета производится согласно чертежу (схемы укладки слоев) и техпроцессу.

Произвести выкладку детали согласно чертежа.

При выкладке слоев препрега учитывать направление основы, каждый выложенный слой прикатывать роликом, не допуская складок и морщин.

Произвести намотку трубчатого заполнителя поз.4 на оправках 65770.148.011.192.

Намотку выполнять на оправках с припуском 50 мм от линии обреза панели. В зоне скоса оправок углеленту укладывать по месту. Концы лент примотать стеклотканью.

Уложить на поверхность выложенной наружной обшивки оправки с намотанной углелентой, в соответствии с чертежом.

.Подготовить подсборку к подформовке:

уложить на трубчатый заполнитель полипропиленовую пленку;

обернуть резиновые ограничительные прижимы полипропиленовой пленкой;

уложить резиновые технологические прижимы по хвостовой и боковым кромкам панели, обеспечив плотное прижатие по стенкам трубчатого заполнителя, а также точную установку трубок по обрезу нанесенной на оснастке границы трубчатого заполнителя;

Произвести подформовку трубчатого заполнителя:

-        поверх собранного пакета уложить и приклеить вакуумный мешок из пленки ППН-Т;

-        создать вакуумное давление 0,8 кгс/см2 ;

         поднять температуру до 85+5 °С со скоростью

0,5 - 1,0 °С/мин.

-        выдержать под вакуумом 0,8 кгс/см2 и при температуре в течение 30 мин. Охладить до температуры 40°С. Снять вакуум.

Разобрать пакет

Провести контроль качества поверхности трубчатого заполнителя.

По шаблону 65770/148.011-301 - 306 выложить внутреннюю обшивку (поз.2 ) из 3 слоев ленты УОЛ-300-1-А :

Ленту УОЛ-300-1А выкладывать встык с зазором 0-2мм.

При раскрое слоев использовать информацию на шаблоне:

-        линии обреза слоев препрега;

-        розетки направлений углов выкладки слоев;

         схемы обрезки слоев обшивки наружной.

Контролировать углы укладки с помощью угольника.

Укладку производить с учетом технологического припуска, размеченного на форме.

По шаблону 65770/148,011-301 - 306 подрезать углы в соответствии со схемой «В» подрезки слоев внутренней обшивки в чертеже. Обеспечить одинаковую толщину обшивки и торца панели. Тщательно разгладить уложенный материал.

В процессе выкладки контролировать:

·   толщину монослоя;

·   количество слоев, направление выкладки;

·   последовательность укладки слоев;

·   правильность раскроя выкладываемых слоев;

·   направление укладки.

 

.8 Разработка технологии формования изделия.

 

.8.1 Выбор и обоснование метода формования.

Методы формования изделий из КМ многообразны и их применение зависит от назначения изделия, его габаритных размеров, типа и состава связующего и других факторов. Все методы формования, получившие наибольшее распространение, можно разделить на три группы:

контактное формование (КФ);

упругое формование (УФ);

формование в жестких формах (ФЖФ).

Каждый из методов характеризуется тремя параметрами: временем, температурой и давлением формования. В зависимости от этих параметров различают такие разновидности формования, как свободное (контактное), вакуумное, автоклавное, а так же прессование, термопрессование и т.д.

Упругое формование (или формование с помощью герметичных эластичных оболочек) проводят с применением специальных форм (негативных или позитивных) на которые после антиадгезионной подготовки (нанесение разделительного слоя, выкладка листового пленочного материала) выкладывают препрег. В отдельных случаях выкладывают сухую ткань с последующей ее пропиткой связующим.

На сложенный пакет заготовок нужной толщины после разделительного слоя выкладывают эластичную оболочку, чаще всего резиновый чехол или мешок. Фланцы формы герметизируют прижимными планками. Дальше проводят отверждение при заданном термическом режиме и повышенном давлении.

Давление может создаваться вакуумированием, в пресс-камерах, в автоклавах и гидроклавах.

Упругое формование требует незначительных финансовых затрат на оснастку, потому что при этом изготавливается только матрица или позитивная форма, а аппараты и устройства для отверждения связующего - универсальные.

Для нагруженных и ответственных деталей применяем автоклавное формование.

Процесс автоклавного формования осуществляется за счет разности между давлением в автоклаве и давлением внутри вакуумного мешка, создаваемым в полости между эластичной диафрагмой и жесткой формой.

Давление при формовании изделий влияет на регламентированное объемное содержание армирующего материала; монолитность структуры; пористость; химическую структуру связующего. Поэтому выбор величины давления и времени его приложения имеет важное значение для получения структуры с необходимыми прочностными и упругими характеристиками.

Режим автоклавного формования по температуре и давлению назначается, исходя из вида применяемого связующего и толщины формуемого изделия.

2.8.2 Разработка техпроцесса формования.

Для формования изделия по режиму для связующего ЭДТ-69Н применяется автоклав типа Шольц.

·   Погрузить форму на тележку автоклава, закатить в автоклав.

·   Соединить между собой вакуумной трубкой.

·   Присоединить к свободному штуцеру прибор для контроля герметичности, другой штуцер подключить к вакуумной системе автоклава.

·   Отсоединить прибор для контроля герметичности, свободный штуцер подключить к контрольному прибору автоклава.

·   Выполнить вакуум-автоклавное формование по режиму:

1. Создать вакуумное давление

Рвак.общ ³ 0,85 кгс/см2 - на общем вакууметре

Рвак.контр ³ 0,8 кгс/см2 - на контрольном вакууметре под вакуумным мешком.

2. Поднять температуру до Т1=85(+/-5)0С со скоростью не более 1 град/мин.

3. Выдержать при Т1=85(+/-5)0С в течение 30 минут.

4. Создать избыточное давление Равт=(2,5-3)кгс/см2.

В процессе создания избыточного давления контролировать падение вакуума. В случае падения вакуумного давления ниже Рвак.общ<0,75 кгс/см2 и Рвак.контр < 0,5 кгс/см2 снять избыточное давление, определить и устранить причину разгерметизации. Повторить операции 2¸4.

5. Поднять температуру до Т2=135(+/-5)0С со скоростью не более 1 град/мин.

6. В случае падения Рвак.контр.<0,5 кгс/см2 переключить трубопровод на отсос (вакуумную систему). Рвак. контролировать через каждые 30 мин.

7. Выдержать после достижения температуры 135(+/-5)0С в течении 180 мин.

8. Охладить до температуры 95(+/-5)0С со скоростью не более (1,0-2,0) град/мин. Снять Равт.

9. Снять избыточное давление Равт

10. Произвести охлаждение под Рвак. до температуры

( 40±5)°С со скоростью (1,0-2,0)°С/мин.

Отключить вакуум и открыть автоклав.

В случае выхода одного из параметров режима терообработки за границу допустимых значений (температуры, избыточного или вакуумного давления) необходимо прекратить проведение режима термообработки, доложить мастеру и начальнику цеха.

Если температура термообработки ( на момент выхода одного из параметров за границу допустимых значений ) не превысила 80 °С, допускается после устранения нарушения (например, восстановления герметичности вакуумного мешка) продолжить режим термообработки до его завершения.

11. Вынуть формы из автоклава.

Снять вакуумные мешки, дренажные трубки, дренажный материал и цулагу в присутствии технолога НИО КМ.

Удалить оправки, не допуская повреждения поверхности

оправок о торцы панели.

12. Зачистить выклеенную панель от остатков связующего.

. Произвести неразрушающий контроль панели импедансно-акустическим методом.

Выполнить замеры толщины заготовки и результаты замеров занести в таблицу.

Не снимая заготовку с оснастки выполнить разметку корневого обреза детали по ленточному шаблону. Разметку выполнять карандашом или чертилкой.

Маркировать и клеймить белой краской по инструкции ОПИ-63-94 на внутренней поверхности в зоне припуска согласно п.16 ТТ чертежа с указанием № чертежа, № машины, № паспорта. Паспорт на изготовление панели хвостовой части стабилизатора представлен в приложении 3.

2.9 Обеспечение качества изготовляемого изделия


Качество изделия - это свойства, обеспечивающие ее применение согласно назначению. Качество продукции является одной из ключевых проблем производства. Качество характеризуется следующими основными показателями:

-          экономическими;

-       потребительскими;

-       эстетическими;

-       организационно - производственными.

Технологические показатели относятся непосредственно к сфере производства изделия. Проявляются они при разработке способа производства и непосредственно технологических процессов по изготовлению отдельных деталей, сборки узлов, агрегатов, изделий. За качество работ отвечает исполнитель - рабочий, мастер, начальник цеха. Особое внимание уделяется выполнению качества заклепочных швов и герметизации соединений.

Для обеспечения качества продукции, при производстве предусматривается система технических, организационных, экономических и правовых норм, которые образуют систему обеспечения качества продукции.

В целях более широкого привлечения работников к решению вопросов повышения качества продукции и совершенствования производства в трудовом коллективе необходимо создать группу качества, как форму конкретного воздействия трудящихся на всемерное повышение качества выпускаемой продукции. Группа качества - это общественное формирование рабочих, образуемая на добровольной основе на участках, в цехе. Основными задачами группы являются подготовка и внедрение предложений по улучшению качества выпускаемой продукции.

3. Экономическая часть

 

.1 Введение


В экономической части дипломного проекта поставлена задача проведения оценки использования трехслойных панелей трубчатой и сотовой конструкций из углепластиков по критерию «масса-стоимость» киля и стабилизатора нового регионального самолета Ан-148.

Преимущества высокопрочных композиционных материалов в настоящее время хорошо известны, и при их правильном использовании можно получить снижение массы почти для любой конструкции по сравнению с металлическими материалами.

Применение композиционных материалов в конструкциях самолетов приводит к дополнительному уменьшению массы летательного аппарата, благодаря устранению механических соединений, снижению себестоимости, в основном, за счёт исключения всех производственных операций, связанных с конструкционными разъёмами, то есть, подгонки, сверления и сборки; сокращению технологического цикла, поскольку входящие детали формируются не отдельно, а интегрально (одновременным формованием всей конструкции агрегата), поэтому сводится к минимуму объём сборочных работ.

Стоимость большинства современных самолетов интенсивно возрастает. Быстрый рост использования композиционных материалов представляет собой попытку снизить возрастающую стоимость производства. Наибольшее снижение цен происходит при использовании композиционных материалов в новых конструкционных решениях. Однако в некоторых случаях дополнительные периодические издержки (например, связанные с разработкой и испытанием образцов), приведут к значительному увеличению стоимости конструкций из композиционных материалов. Но это может быть оправдано снижением массы и соответствующим улучшением характеристик летательного аппарата. Величина снижения массы будет зависеть от конкретного проекта и момента внедрения.

Максимальное преимущество можно получить при внедрении композиционных материалов с самого начала проектирования самолёта. Но даже в этом случае прямые эксплуатационные расходы чувствительны к цене самолёта.

Внедрение композиционных материалов на более позднем этапе разработки самолета будет экономически невыгодным, так как уже нельзя будет изменить геометрию самолета, а также может потребовать переоснастки производства. Однако, даже не рассматривая повышение цены, такое более позднее внедрение композиционных материалов может оказаться важным с точки зрения компенсации увеличения массы.

Если снижение массы элементов летательного аппарата приводит к снижению массы летательного аппарата, происходит уменьшение стоимости и снижение затрат, связанных с его последующей эксплуатацией.

Для выполнения этих задач все большее значение приобретает характерное для конструкций из КМ требование увязки на стадии проектирования вариантов конструктивных решений, выбора материалов, разработки схем формообразующего оснащения, принципиальной технологии изготовления агрегатов и повышения их эксплуатационной надежности.

 

.2 Стоимость основных материалов, покупных изделий и полуфабрикатов для трехслойных панелей пассажирского самолета


В настоящем разделе определена стоимость материалов трубчатых, сотовых панелей киля и стабилизатора нового регионального самолета Ан-148.

Конструктивные решения панелей представлены на рисунке 4.1. Панели имеют небольшую одинарную кривизну, их габариты, в среднем, составляют 500x1000 мм толщины заполнителя 20 мм, обшивок в регулярной зоне 0,6-0,7 мм, фланцев панелей 2,7 мм. Панели крепятся к металлическому каркасу оперения винтами и с помощью шомпольных петель.

Типовая сотовая панель выполнена из углеленты ЭЛУР-ПА и связующего ЭДТ-69Н сотового заполнителя ПСП-1-2,5-48, заполненного по контуру пенопластом 'ЭТ-P1. Обшивки отверждаются предварительно, склейка обшивок, сот и «мокрых» накладок по периметру панелей производится на пленочном клее ВК-41.

Трубчатая панель состоит из обшивок, армированных углелентой УОЛ-300-1А, трубчатого заполнителя сечением 20x20 мм, намотанного одним слоем, углеленты ЭЛУР-ПА и накладок из ткани УТ-900-2,5А, устанавливаемых только по одной стороне панели. Углеволокнистые материалы также пропитываются связующим ЭДТ-69Н. Обшивки и заполнитель панели прессуются одновременно с применением комплекта оправок из силиконовой резины марки ИРП-1338, которые удаляются в одну сторону. Открытый торец панели заделывается пенопластом марки ЭТ-Р1 и оклеивается углетканью на клее холодного отверждения. В стенках трубчатого заполнителя выполняются дренажные отверстия, позволяющие вентилировать внутренний объем панели.

Оценка эффективности применения трехслойных панелей трубчатой и сотовой конструкции из углепластиков по критерию “масса-стоимось” состоит из определения следующих составляющих:

-     масса панелей;

-        стоимость основных материалов;

         стоимость вспомогательных материалов (плёнки, жгуты, дренажная ткань и т.д.);

         использование оснащения (многоразового);

-      стоимости панелей из КМ.

Рисунок 3.2 - Конструкция типовой трубчатой и сотовой панелей.

Учитывая сужение панелей по размаху киля и стабилизатора, оси трубок заполнителя располагаются поперек их размаха. Это выгодно с точки зрения жесткости панелей и позволяет на одном комплекте резиновых оправок изготовить большинство типовых конструкций. Расчетная масса типовых панелей определена по чертежам и приведена в таблице 3.1.

Удельная масса панели:

M=Mп*Sп,

где Mп - масса панели кг;

Sп - площадь панели, м2.

Таблица 3.1 - Расчетная масса типовых трубчатых и сотовых панелей

Элементы панели

Площадь, м2

Масса, кг

Масса удельная, кг/ м2



трубчатой

сотовой

трубчатой

сотовой

Обшивки, накладки


2,950

3,643



Заполнитель

0,65

0,384

0,520

0,59

0,8

Итого:

0,75

3,334

4,163

4,63

5,78


Следовательно, снижение массы типовой трехслойной панели площадью 0,72м2 составляет:

- панели целиком - 0,829кг или 20%;

- заполнителя панели - 0,136кг или 26%.

Расчетные массы всех панелей киля и стабилизатора общей площадью 8,57 м2 приведены в таблице 3.2.

Таблица 3.2 - Расчетная масса трубчатых и сотовых панелей оперения


Характеристика панелей

Киль

Стабилизатор

1

Общая площадь, м2

4,25

4,32

2

Масса панелей трубчатых, кг Удельная масса, кг/ м2

18,105 4,26

21,816 5,05

3

Масса панелей сотовых, кг Удельная масса, кг/ м2

21,675 5,10

26,18 6,06

4

Расчетное снижение массы, кг

3,57

4,36

5

Снижение массы оперения, кг

7,933


Необходимо отметить, что масса 1 м2 панелей стабилизатора больше, чем киля, т.к. нагрузки на них в 1,2 раза выше. Кроме того, панели верхние стабилизатора имеют молниезащиту.

Рассматривая вопросы стоимости, следует отметить, что трудоемкость изготовления панелей, стоимость формообразующего оснащения, энергозатраты в сотовом и трубчатом вариантах конструкций можно считать примерно одинаковыми, хотя сотовые панели требуют более тонкой, тщательной технологии.

Основным отличием панелей является стоимость конструкционных материалов, включая стоимость оправок из силиконовой резины для формообразования трубчатого заполнителя и вспомогательных материалов:

Стоимость материала:

-     углелента УОЛ-300-1А = 58 долл. США/кг;

-        связующее ЭДТ-69Н (приведено в таблице 3.3).

Таблица 3.3 - Стоимость материалов связующего ЭДТ-69Н

Связующее:  - смола эпоксидная - компаунд - смола бром эпоксидная - отвердитель - спирт этиловый ректифицированный ацетон

ЭДТ-69Н:

74грн/кг (сухое)


ЭТФ КДА УП-631У 9   «Ч»

80-00 грн. 28-00 грн. 68-50 грн. 18-00 грн.  26-00 грн. 6-50 грн.


Стоимость вспомогательных материалов, состоит из:

-     стеклоткани для дренажа Т-13 = 1.10 долл. США/м2;

-        плёнки для вакуумных мешков «Airtech» = 2.00 долл. США/ м2;

         ленты герметизирующей ГЕРЛЕН-УТ = 1.10 долл. США/м2.

Расчетная стоимость материалов заполнителя составит:

Сз=Рз*С,

где Сз - стоимость заполнителя с учетом КИМ, долл. США/м2;

Рз - расход заполнителя с учетом КИМ, м2;

С - стоимость заполнителя без учета КИМ, доллар США/м2.

Коэффициент использования материала (КИМ) принят равным 1.1.

В таблице 3.4 приведены данные о цене, расходе и стоимости материалов заполнителей для изготовления 1 м2 панелей.

Таблица 3.4 - Расчетная стоимость 1м2 материалов заполнителей трехслойных панелей


Материалы

Цена

Расход на 1м2*

Стоимость, долл. США/м2*

1

Соты ПСП-1-2,5-48 толщиной 20 мм

90 долл. США/м2

1,1 м2

99

2

Пенопласт ЭТ-Р1

22 долл. США/кг

0,5 кг

11

3

Клей ВК-41

13 долл. США/ м2

2,2 м2

28,6

4

Углепластик

101 долл. США/кг

1,0 кг

101

5

Резина ИРП-1338, оправки

24 долл. США/кг

29 кг

696

6

Резина “Эластосил” оправки

10 долл. США/кг

29 кг

290

7

Материал сотовой панели

90 долл. США/м2

1,1 м2

99

8

Материал трубчатой панели с оправками: - из ПРП1318 - из “Эластосил”

-


 945 500


* Расход материалов с учетом отходов порядка 10-20%.

Зависимость стоимости 1м2 заполнителя от кратности использования резиновых оправок:

Y=(Cопр+Сз)/К,

где Сз - стоимость заполнителя, долл. США/м2;

Сопр - стоимость оправки, долл. США/м2;

К - кратность использования оправок, раз.

На рисунке 3.2 представлена зависимость стоимости 1м2 трубчатого заполнителя с резиновыми оправками от кратности их использования, в сравнении со стоимостью сотового заполнителя с пенопластом и клеевой пленкой.

Рисунок 3.2 - Зависимость стоимости материалов заполнителей и резиновых оправок от кратности использования оправок:

1 - трубки из ЭЛУР-ПА и оправки из ИРП-1338;

2 - трубки из ЭЛУР-ПА и оправки из «эластосил»;

3 - соты ПСП-1-2,5-48 и клей ВК-41 (для сравнения).

Применение трубчатого заполнителя из относительно дорогой углеленты ЭЛУР-ПА и оправок из резины ИРП-1338 становится близким по стоимости с материалами сотового заполнителя при 15-20 кратном использовании оправок (что вполне реально). В случае изготовления оправок из более дешевых резин, например, импортной силиконовой резины марки «эластосил», экономический эффект достигается после их 10-кратного использования. Этот вывод свидетельствует о необходимости развития работ в области конструкции и технологии изготовления резиновых оправок.

На стоимость панелей большое влияние оказывает также стоимость материалов обшивок.

Зависимость стоимости 1м2 всех материалов заполнителей и обшивок от кратности использования резиновых оправок:

Y=(Cопр+Сз+ Собш)/К,

где Сз - стоимость заполнителя, долл. США/м2;

Сопр - стоимость оправки, долл. США/м2

К - кратность использования оправок, раз;

Собш - стоимость обшивки, долл. США/м2.

Зависимость стоимости всех материалов заполнителей и обшивок 1 м2 панелей от кратности использования оправок показаны на рисунке 3.3.

Рисунок 3.3 - Зависимость стоимости материалов 1м2 трехслойных трубчатых панелей из КМ от кратности использования оправок:

1.     - трубчатая панель - обшивки из УОЛ-300-1А, трубки из ЭЛУР-ПА, оправки из резины ИРП-Ш8;

2. - аналогичная панель, оправки из резины «эластосил»;

3.     - сотовая панель - обшивки из ЭЛУР-ПА, соты ПСП-1-2,5- 48 и клей ВК-41 (для сравнения).

На стоимость панелей большое влияние оказывает также стоимость материалов обшивок. В свою очередь эксплуатационная надежность панелей с тонкими обшивками во многом зависит от герметичности обшивок. Углепластики на основе тонких лент ЭЛУР-ПА обладают более плотной герметичной структурой, чем из толстых жгутовых лент УОЛ-300-1А. Поэтому использование обшивок из УОЛ-300-1А в сотовом варианте проблематично, а в трубчатом варианте, снабженном дренажными отверстиями заполнителя, вполне допустимо. При этом следует учитывать, что лента УОЛ-300-1А в 2,75 раза дешевле, чем ЭЛУР-ПА, а механические свойства пластиков на их основе фактически одинаковы.

Как видно из графика на рисунке 4.3, трубчатые панели становятся экономически выгодными при разной стоимости резиновых оправок уже после их 2-3 кратного использования

В таблице 3.5 приведены результаты расчета массы и стоимости обшивок с накладками из УОЛ-300-1А для панелей трубчатых я из ЭЛУР-ПА для панелей сотовых.

Таблица 3.5 - Масса и стоимость материалов обшивок панелей трубчатых и сотовых

 Масса и стоимость

1 м2 панелей

Всех панелей (8,57м2)


трубчатых

сотовых

трубчатых

сотовых

Масса обшивок с накладками из лент, кг, в том числе: - УОЛ-300-1А - ЭЛУР-ПА, - связующего ЭДТ-69Н

 2,95 1,77  1,18

 3,12  1,87 1,25

 25,282 15,1689  10,113

 26,738  16,026 10,713

Стоимость, долл. США/м:

- УОЛ-300-1А

ЭЛУР-ПА,

связующего ЭДТ-69Н

углепластика обшивок

,5

,15

,1

,3

,14





2708





 

.3 Анализ полученных результатов


На рисунке 3.4 приведены сравнительные диаграммы массы и стоимости материалов панелей оперения при 10-кратном применении оправок.

При К=10 раз:

Стоимость и масса 1 м2 трубчатой и сотовой панелей соответственно:

Cтр=310 долл. США/мМтр=4.63 кг

Cсот=500 долл. США/мМсот=5.78 кг

Стр=Sоп*Стр1,

где Стр - стоимость трубчатой панели, долл. США/м;

Стр1 - стоимость 1 м2 трубчатой панели, долл. США/м;

Sоп - площадь оперения м2 ;

Ссот=Sоп*Ссот1,

где Ссот - стоимость сотовой панели, долл. США/м;

Sоп - площадь оперения м2;

Mтр1= Мтр*Sоп,

где Мтр1 - масса трубчатой панели, кг;

Мтр - масса 1 м2 трубчатой панели, кг;

Mсот1= Мсот* Sоп,

где Мсот1 - масса сотовой панели, кг;

Мсот - масса 1 м2 сотовой панели, кг;

В этом случае при изготовлении всех панелей оперения самолета Ан-148 возможно достижение экономии стоимости материалов порядка 1500-2000 долл. США, а при 15-кратном использовании оправок порядка 1900-2200 долл. США.

Для более быстрого достижения указанного экономического эффекта изготовление трубчатых панелей необходимо производить меньшим количеством оправок и тогда он может быть обеспечен на второй-третьей, а не на 10-15-ой машине.

Рисунок 3.4 - Диаграммы массы сотвых и трубчатых панелей оперения и стоимости материалов при 10 кратном использовании оправок

Существенное увеличение экономического эфекта следует ожидать от сниженя массы панелей. По предварительным данным он составит не менее 4000 долл. США на один самолет в год.

Поскольку практика эксплуатации сотовых конструкций свидетельствует о появлении значительных по площади отслоений обшивок от сот уже в первые 5-10 лет и необходимости затрат на ремонты, дальнейшую экономию средств можно ожидать от увеличения бездефектного срока службы самолета.

 

.4 Выводы


В экономической части дипломного проекта была произведена оценка разработки трехслойных панелей трубчатой и сотовой конструкции из углепластиков по критерию “масса - стоимость” на транспортный самолёт типа Ан-148.

Применение трубчатого заполнителя из относительно дорогой углеленты ЭЛУР-ПА и оправок из резины ИРП-1338 становится близким по стоимости с материалами сотового заполнителя при 15-20 кратном использовании оправок. В случае изготовления оправок из более дешевых резин, например, импортной силиконовой резины марки «эластосил», экономический эффект достигается после их 10-кратного использования. Этот вывод свидетельствует о необходимости развития работ в области конструкции и технологии изготовления резиновых оправок.

По сравнению с сотовыми панелями трубчатые панели из КМ на 20% легче, и дешевле на 48%.

Представленную технико-экономическую оценку вариантов конструкции панелей рекомендуется учитывать при проектировании других аналогичных конструкций самолетов и реализации мероприятий по организации производства изделий из КМ.

4 безопасность жизнедеятельности

 

.1 Введение


В процессе труда человек взаимодействует со средствами производства, производственной средой и средствами труда. При этом он подвергается воздействию большого числа факторов, различных по своей природе, формам проявления, характеру действия и другим показателям, которые влияют на здоровье и трудоспособность человека.

Целью данного раздела дипломного проекта является описание требований при работе с КМ в цехе опытного производства, производственной санитарии, техники безопасности и противопожарными правилами.

 

.2 Выявление опасных и вредных факторов в цехе КМ


Согласно ГОСТ 12.0.002-80 «Термины и определения»:

1) вредным производственным фактором называется производственный фактор, воздействие которого на работающего в определенных условиях приводит к заболеванию или снижению работоспособности.

2) опасным производственным фактором - производственный фактор, воздействие которого на работающего в определенных условиях приводит к травме или другому внезапному ухудшению здоровья.

Наполнители и полимерные связующие применяемые в производстве ПКМ, как правило, относятся к категории вредных, пожароопасных и взрывоопасных веществ. Поэтому, работая с ними, необходимо тщательно соблюдать все специальные инструкции по технике безопасности, охране труда и противопожарным мероприятиям.

Правила распространяются на следующие технологические процессы:

приготовление связующих;

изготовление полуфабрикатов - препрегов;

выкладка препрегов;

формование (автоклавное и воздушное);

механическая обработка;

контроль материалов.

Выше перечисленные технологические процессы производятся на специально отведенных участках в цехе.

Непосредственно, при производстве деталей из КМ, выполняется ряд работ, которые в определенных условиях могут привести к возникновению вредных и опасных производственных факторов. Рассмотрим некоторые из них.

4.2.1 Мероприятия по предупреждению и защите от вредных и опасных факторов, возникающих при работе с ЭДТ - 69Н

Все работы со связующим ЭДТ - 69Н должны проводится в помещениях, оснащенных приточной вытяжной вентиляцией, а содержание вредных веществ не должно превышать допустимых норм.

Предельно-допустимые концентрации вредных веществ в воздухе рабочей зоны (ГОСТ 12.1.005-76):

·   ацетон - 200 мг/м3;

·   спирт этиловый - 1000 мг/м3;

·   отвердитель № 9 - 1 мг/м3;

·   бензин - 300 мг/м3;

·   толуол - 50 мг/м3;

·   эпихлоргидрин - 1 мг/м3.

Взвешивание исходных компонентов связующих должно проводиться в вытяжном шкафу или на рабочих местах при включенной вытяжной вентиляции.

4.2.2. Работы, связанные с обработкой углеродных волокон

Угольная пыль, появляющаяся при переработке соответствующих волокон, попадая в дыхательные пути может привести к тяжелым заболеваниям органов дыхания.

Чтобы этого не произошло, необходимо исключить возможность появления пыли в помещении. В помещении должна быть установлена эффективная вентиляция.

Предельно-допустимая концентрация пыли углеволокна в воздухе - 4 мг/м3 (ГОСТ 12.1.005-76).

 

.2.3 Работы, связанные с получением препрега

Пропитка углеленты УОЛ-300-1А связующим ЭДТ - 69Н осуществляется на пропиточной установке УПСТ-300.

Во время работы, связанной с машинной пропиткой наполнителя, необходимо следить, чтобы рабочие цеха соблюдали осторожность при работе с волокнистыми материалами из углеткани: не трясли материал, не пылили. Двери шахты установки должны быть закрыты. Необходимо также следить, чтобы концы спецодежды не попали между валиком и поступающим материалом. Не следует касаться руками липких материалов, наматывающихся на вращающийся приемный валик. Во время работы установки необходимо пользоваться инструментами изготовленными из материалов не образующих искр при ударах.

При работе с препрегами (углепластиками) необходимо обязательное наличие приточно-вытяжной вентиляции, а все работы связанные с проведением анализов (вырезанием, взвешиванием) должны проводится в вытяжном шкафу при включенной вентиляции.

При загрязнении кожи рук или других частей тела связующим следует протереть их тампоном, смоченным спиртом, а затем смыть теплой водой с мылом. Шаблон для вырезки образцов препрега должен иметь защитный валик по всему периметру, защищающий пальцы рук от травмы в случае соскальзывания ножа с края шаблона.

4.2.4 Требования к безопасности при работе с клеями

При использовании клеев в процессе сборки деталей из
композиционных материалов необходимо руководствоваться следующими правилами техники безопасности:

-во время работы с клеями, содержащими растворитель (88НП, ВК-25, ВК-32-200, ВК-39, 4НБ, ВК-41), не разрешается выполнять операции, связанные с появлением огня: сварку, пайку и т.п.);

при разливе клеев или растворителей загрязненный участок
необходимо немедленно очистить хлопчатобумажными салфетками;

для растворителей применять тару, обеспечивающую их дозированную подачу и полностью исключающую возможность пролива;

нанесение пастообразных клеев (без растворителей) выполнять шпателем из органического стекла , текстолита или другого материала, обладающего диэлектрическими свойствами;

- нанесение жидких слоев проводить у местных отсосов, волосяной кистью;

- для жидких и пастообразных клеев применять тару из дюралюминия с плотно закрывающейся крышкой;

- перед снятием антиадгезионных слоев (полиэтиленовой пленки, ламинированной бумаги) с пленочного клея, работающий должен снять с себя заряд статического электричества прикосновением руки к заземленному оборудованию;

- для раскроя пленочного клея применять инструмент из
токопроводящего материала с ручкой из токонепроводящего материала;

- во время раскроя пленочного клея рабочий должен находиться на изолирующем (токонепроводящем) покрытии (деревянный настил, резиновый коврик);

- прикатку (выкладку) пленочного клея производить на столах,
оборудованных местными отсосами , с использованием инструмента, имеющего токонепроводящую ручку;

- в случае прикатки пленочного клея роликом с электрообогревом регулировать температуру ролика на соответствие ее технологическим параметрам;

- естественную сушку после обезжиривания, нанесения подслоя, жидкого и пастообразного клея производить у местных отсосов.

Сбор жидких отходов, загрязненных салфеток, тампонов и т.п., обрезков препрегов производить в плотно закрывающую тару. Сбор жидких отходов отдельно от сухих.
Пожароопасные, жидкие отходы собирать в отдельную тару.
Обрезки пластика собирать в металлические ящики.

Удаление клея или его компонентов при загрязнении рук
производить при помощи тампона, смоченного ацетоном, с последующим мытьем рук горячей водой с мылом.

стабилизатор хвостовой панель самолет

4.2.5 Механическая обработка КМ

Ручную механическую обработку, а также порезку образцов следует производить на специальном столе с бортотсосом при включенной вентиляции.

При порезке углепластиков необходимо пользоваться защитными очками, хлопчатобумажными перчатками и пылевым респираторами. Манжеты и ворот халата должны быть плотно застегнуты для защиты от попадания пыли.

Перчатки служат не только для защиты кожи рук при работе с углепластиками, а также для избежания появления масляных пятен от рук на деталях.

Различные регулировки оборудования следует производить только при полной его остановке. Основное внимание следует обратить на надежное закрепление алмазного круга и отсутствия на нем механических повреждений.

После окончания работы очистить рабочее место пылесосом или щеткой. Обдувать рабочее место сжатым воздухом запрещается.

4.3 Техника безопасности и охрана труда


Для обеспечения безопасности и охраны труда необходимо соблюдать организационные и технические мероприятия, предотвращающие воздействие на рабочих опасных и вредных факторов, в соответствии с нормативными документами.

Ниже рассмотрены положения ТБ.

Общие требования.

1. Инструкция по ТБ разрабатывается на основании требований "Положения о разработке инструкций по охране труда", утвержденного приказом Госнадзорохрантруда Украины N 9 от 29.01.98 года в целях обеспечения безопасных условий труда при выполнении работ по изготовлению деталей из композиционных материалов.

2. При проведении технологического процесса могут возникнуть опасные производственные факторы: загазованность и запыленность воздуха рабочей зоны, повышенная температура поверхности оборудования, возникновение статического электричества.

3. К работе с композиционными материалами допускаются лица не моложе 18 лет, прошедшие медицинское освидетельствование, изучившие настоящую инструкцию, прошедшие инструктаж по охране труда, аттестованные и имеющие удостоверение на право работы. Повторный инструктаж проводится не реже 1 раза в квартал.

4. Все работающие с композиционными материалами, должны быть обеспечены спецодеждой, спецобувью и индивидуальными защитными средствами: халат или комбинезон, платок или берет, перчатки х/б, резиновые или кожаные, очки с плотно прилегающей к лицу оправой, респиратор ПРБ-5 или ПРБ-5МП или "Лепесток", кислотно-очищающие средства ( КОС ).

5. Производственные помещения в которых изготавливаются детали из композиционных материалов, должны быть оборудованы обменной приточно-вытяжной вентиляцией. Рабочие столы оборудованы местными отсосами.

6. Клеи, связующие и растворители хранить в герметически закрытых емкостях из цветного металла, с нанесенной на них информацией, в количествах, не превышающих суточного запаса.

7. В производственных помещениях дважды за смену производить влажную уборку.

8. В помещении, где изготавливаются детали из композиционных материалов, не производить сварочных работ, не пользоваться открытым огнем, не загромождать проходы к пожарному инвентарю.

9. В случае получения травмы, необходимо немедленно сообщить мастеру или руководителю подразделения, сохранить обстановку места происшествия несчастного случая, если это не угрожает жизни и здоровью рядом работающим и обязательно обратиться в МСЧ для оказания первой медицинской помощи и регистрации данного несчастного случая в течении рабочей смены.

10. В случае появления работника на рабочем месте в стадии алкогольного или наркотического опьянения, администрация не допускает его к работе, направляет его в наркологический кабинет или составляет соответствующий акт. Администрация имеет право уволить работника с предприятия за появление на работе в стадии опьянения, согласно статьи 40 п.7 КЗОТ Украины.

11. Работник обязан:

·   знать и выполнять требования нормативных актов об охране труда, правила обращения с машинами, механизмами, оборудованием и другими средствами производства, применительно к данной профессии, пользоваться средствами коллективной и индивидуальной защиты;

·   соблюдать обязанности по охране труда, предусмотренные коллективным договором и правилами внутреннего трудового распорядка предприятия (ст.18 Закона Украины "Об охране труда ")

12. За нарушение законодательства и других нормативных актов об охране труда, создание препятствий для деятельности должностных лиц органов государственного надзора и представителей профсоюзов виновные работники привлекаются к дисциплинарной, административно - материальной и уголовной ответственности согласно законодательству (ст.49 Закона Украины "Об охране труда ")

Требования безопасности перед началом работы.

1. Одеть и привести в порядок спецодежду и средства защиты, полученные согласно отраслевым нормам индивидуальной защиты.

2. Проверить наличие и исправность заземления оборудования и оснастки.

3. Включить в помещении приточно-вытяжную вентиляцию.

4. Подготовить необходимый исправный инструмент для работы: сапожный нож для раскроя препрегов с исправной ручкой и чехлом.

5. При обнаружении каких-либо неисправностей сообщить мастеру и к работе не приступать до их устранения.

Требования безопасности во время работы.

1. Выполнять только ту работу, которая поручена мастером или администрацией цеха.

2. Все работы по изготовлению деталей из полимерных композиционных материалов и их механообработку производить под вытяжкой или с использованием пылесоса.

3. Очистку поверхности оснастки и оборудования от натеков связующего и клеев производить инструментом, изготовленным из материалов не образующих искр при ударе.

4. Не допускать попадания смол и растворителей на кожу рук, лица и в глаза. Попавший на кожу клей, связующее, растворитель необходимо срочно удалить мягким ватным тампоном, после чего вымыть руки горячей водой с мылом и смазать мазью на основе ланолина или вазелина. Не разрешается мыть руки органическими растворителями.

5. Не хранить пищу, личные вещи на участке. Не принимать пищу на рабочих местах.

6. Не загромождать рабочее место и подходы к нему. Отходы стеклоткани, углеленты, борного волокна, гибридных тканей, использованные х/б салфетки складывать в емкости с крышкой, в конце смены емкости вывезти из помещения.

Требования безопасности по окончании работы.

1. Привести в порядок рабочее место, инструмент.

2. Остатки ЛВЖ вынести в отведенное для хранения место.

3. Снять спецодежду и средства защиты, убрать их в индивидуальный шкаф.

4. Выключить вентиляцию.

5. О замеченных неисправностях доложить мастеру.

6. Вымыть лицо и руки теплой водой с мылом или принять душ.

Требования безопасности при аварийных ситуациях.

1. При возникновении пожароопасной ситуации позвонить в ВПЧ, принять меры к тушению пожара имеющимися на участке противопожарными средствами, сообщить администрации.

2. В случае травмирования сообщить мастеру, обратиться в МСЧ.

4.4 Охрана окружающей среды


Исходя из всего выше сказанного, производство композиционных материалов является достаточно вредным и может нанести большой урон окружающей среде. Во избежании этого на территории завода обязательно должен быть предусмотрен цех утилизации отходов, куда будут отправляться все отходы производства (загрязненное связующее, спирто-ацетоновая смесь, целлофан, х/б салфетки, остатки ткани от вакуумных мешков и другие отходы). Часть отходов может быть использована для производства предметов народного потребления, а для неиспользованных отходов должна быть разработана технология обезвреживания их.

В процессе производства ПКМ в воздух помещений выделяется пыль углепластика, при мокрой уборке полов пыль волокон может попасть в воду. Для защиты водоемов и почвы от загрязнения сточными водами в корпусе предусмотрена оборотная система водоснабжения, которая позволяет сократить потребление воды на производственные нужды.

4.5 Выводы


Охрана труда является одним из первостепенных факторов для подобного производства. Правильная организация рабочего места и оснащение их современными защитными устройствами, удобной для работы человека оборудованием, в конечном итоге позволяет избежать многих ошибок и просчетов. Здоровье человека является одним из основных факторов при налаживании подобного производства, поскольку данное производство изделий из КМ является очень вредным.

5 Специальная часть


5.1 Преимущества систем трехмерного моделирования


Внедрение трехмерных систем автоматизированного проектирования революционно изменило саму технологию проектирования промышленных предприятий. Их использование становится не просто каким-то новшеством, но объективной необходимостью для большинства проектных фирм. Только такие системы позволяют обеспечить конкурентоспособный уровень качества и скорости исполнения заказов на современном рынке проектных услуг.

Такие системы позволяют вести монтажное проектирование непосредственно в среде трехмерной графики, создавать трехмерные компьютерные модели отдельных установок и целых производств и выпускать на основе этих моделей всю необходимую проектную документацию.

Основой таких систем является интегрированная база данных проекта и связанная с ней трехмерная геометрическая модель. База данных и модель является основным местом хранения и источником информации по выполненному проекту, а также связующим звеном для всех участков процесса проектирования. Однажды внесенная в базу данных и модель информация становится доступной для всех последующих операций - тем самым обеспечивается эффективное взаимодействие и согласование проектных решений по различным частям проекта. Работа в трехмерном представлении значительно ускоряет процесс проектирования и снижает трудозатраты проектировщика на 25-50%. При этом наглядное трехмерное представление комплексной модели проекта само по себе резко снижает количество проектных ошибок, позволяет быстро находить и устранять эти ошибки. Тем самым сокращаются сроки, и повышается качество последующих монтажных работ.

Поскольку проектная документация автоматически генерируется по базе данных и трехмерной модели проекта, в ней отсутствует рассогласование и учитываются все последние изменения. Кроме того, изменить что-либо в проекте, скажем, по просьбе заказчика теперь можно совершенно безболезненно: достаточно внести коррективы только в трехмерную модель - они будут учтены во вновь сгенерированных выходных документах.

Построенная трехмерная модель полезна не только на этапе проектирования, но и на других этапах жизненного цикла производства. Она используется при выполнении авторского надзора, для организации монтажных работ, обучения монтажников и эксплуатационников. Наконец, она используется в последующих проектных работах по реконструкции и модернизации производства, а также при организации демонтажа.

При ручном проектирование в чертежах отделов ОКБ информация об изделии представлена в эскизном виде. Нет точной и реальной увязки деталей, нет объемного представления узлов и агрегатов. Нет возможности машинным способом обрабатывать геометрическую информацию. Точное положение, геометрия деталей и узлов самолета определяется только на этапе плазовой увязки. При такой технологии, работы отделов смещены в сторону в такой последовательности: каркас, системы, затем оборудование и т.д. И на всех этапах создания самолета "проектирование - подготовка производства - производство" чертеж является первичным источником информации. Не решает всех проблем и использование системы двумерного моделирования, т.к. не позволяет эффективно увязывать элементы конструкции в объеме и определять массово-инерционные характеристики.

Система трехмерного твердотельного моделирования позволяет это и ориентирует проектно-конструкторские отделы на то, чтобы, проведя анализ изделия, разработку, компоновку, прочностные расчеты, завершить работу компьютерным представлением деталей, узлов и сборок самолета. При этом создается необходимая информация, доступная пользователям с помощью средств вычислительной техники. Чертежи - копии компьютерного представления изделия - уже не являются первоисточником информации и действуют совместно с мат. моделями. Конструктор в объеме и реальных размерах с помощью CAD-системы создает детали, узлы и агрегаты изделия, которые затем принимают материальную форму на производстве.

В связи с этим для конструкторских отделов ставятся следующие задачи:

·   создание качественных, полностью увязанных мат. моделей деталей и узлов изделия;

·   контроль решений и взаимоувязки агрегатов и систем как в отделе, так и между отделами.

В отделах ОКБ выполняется рабочий процесс формирования компьютерного представления поверхностей агрегатов самолета, его силового набора, узлов, деталей и сборок. Конструктор определяет и устанавливает параметры изделия, реально моделирует в 3-х измерениях детали, сборки и агрегаты, а производство изготавливает детали и сборки из материалов, указанных в мат. моделях и документации. Конструктор изменяет параметры, геометрию и взаимоположение деталей, а система поддерживает прохождение этих изменений по циклу "Подготовка производства - Производство - Готовое изделие". При этом видно, что повышается роль и ответственность конструктора в создании каждого изделия.

При внедрении новых технологий с использованием системы, результатом деятельности ОКБ является компьютерное представление изделия в законченном виде.

5.2 CADDS5 - информационная интегрированная система проектирования и изготовления

- универсальная система автоматизированного проектирования, испытания и изготовления, используемая на предприятиях машиностроения во всем мире. Во многих фирмах CADDS5 используется в качестве основной системы САПР (основной не только по количеству мест сравнительно с другими системами машиностроительного САПР, а по методологии использования).

В конце 80-х годов в качестве рабочих мест в системах автоматизированного проектирования стали широко использоваться UNIX-станции. Появление новой, более мощной аппаратной платформы благоприятно сказалось на распространение системы. В настоящее время, подавляющее большинство фирм-покупателей CADDS5 использует рабочие станции IBM. Система эксплуатируется на рабочих станциях фирм Hewlett-Packard и Silicon Graphics.

Модули, входящие в CADDS5 позволили существенно повысить функциональность системы и расширить спектр решаемых с ее помощью задач проектирования и производства. Система содержит полные решения для автоматизированного проектирования в областях: конструирования машин и их узлов; формообразования поверхностей и дизайна; анализа и моделирования; подготовка производства; функциональных инженерных расчетов систем и оборудования.

Покупатель CADDS5 может в любое время купить недостающий ему функциональный модуль и тем самым расширить возможности своей системы. В системе существуют также модули обладающие функциональной законченностью - например, модули для разработчиков программ ЧПУ для трехосевого фрезерования или расчетчиков, использующих метод конечных элементов (МКЭ). Гибкость фигурирования позволяет удовлетворить и запросы промышленных гигантов, имеющих по несколько тысяч рабочих мест CADDS5, и потребности предприятий, имеющих у себя одно-пять рабочих мест.

В CADDS5 в качестве базовых используются определенные модули администрирования и управления системой, которые позволяют поддерживать на многих рабочих местах полную функциональность проектирования: модуль, не используемый в настоящее время на одном рабочем месте в сети рабочих станций, становится доступным любому другому пользователю.

Система недешева, поскольку включает не только аппаратные средства определенной конфигурации и программные модули, но и наборы библиотек, определенную методологию проектирования. Необходимы также затраты на обучение персонала и поддержку системы в работоспособном состоянии.

Важным отличием CADDS5 является то, что ассоциативность (взаимное влияние связанных параметров, в том числе внутренних) управляема. Это означает, что конструктор может позволить ассоциативно распространиться изменениям на все объекты, а может и ограничить зону их распространения, т.е. сделать их локальными.

Такая ассоциативность в CADDS5 трактуется очень широко, сюда включаются ассоциативные связи между геометрией модели и самыми разными ее представлениями и отражениями: это связь между трехмерной моделью и чертежом (тоже управляемая); между моделью и программой для станка с ЧПУ; между моделью и расчетом по МКЭ и т.д. Во многих случаях конструктору посылается сигнал о возникшем рассогласовании и предоставляется возможность принять решение о согласовании или разрыве связи.

Причина появления многих ошибок при проектировании на бумаге не в достаточной опытности конструкторов, а в том, что пространственная компоновка - сложный процесс, с ограничениями повторимый на бумаге. Традиционная старая методология в этих случаях предлагает проверять компоновку на физическом макете, что требует лишних затрат времени и немалых средств.

В этих случаях требуется масса переделок, изменения конструкции и т.д. в результате ошибок проектирования. Понятно, что чем позднее ошибка выявлена, тем дороже ее исправление.

В дорогостоящих проектах (например, авиационных) цена одной ошибки близка к стоимости 2-3-х рабочих мест системы CADDS5, которая позволяет их избежать.

5.3 Рекомендации моделирования механообрабатываемых деталей

. Предварительный анализ детали:

. Изучение чертежей:

·   детали,

·   сборки.

2. Проверить есть ли ссылки на мастер-геометрию.

3. Анализ формы детали.

4. Предварительный технологический анализ.

·   заготовки детали,

·   каким инструментом обрабатывается.

5. Определение последовательности получения модели.

6. Позиционирование модели в сборке, позиционирование относительно XY CPL Тор.

II. Порядок построения модели:

1. Установка точности построения.

·   установить Extents =500(для деталей меньше 500 мм),Extents = (1.1...1.3)x L, где L - наибольший габарит (для деталей больше 500 мм),

·   проверить отношения Epsilon/Extents = 1/100000, если не такой, то установить Epsilon, в соответствии с выше приведенным соотношением,

·   установить NURBS = 0.005.

2. Предварительное распределение временных рабочих слоев (20-79):

UTILITY - Commansd File - выбрать файл CLAYERS.

3. Вставка базовых объектов из мастер-геометрии (если нужно).

Слой Coords (20-й) - системы координат мастер-геометрии,

слой Teorlines (21-й) - линии мастер-геометрии,

слой Teorsurf (22-й) - поверхности мастер-геометрии.

Введите комментарий (PARAMETER - COMMENT HISTORY),введите трехмерный пояснительный текст с привязкой к элементам мастер-геометрии (меню ANNOTATION - команда Insert Text).

4. Построение "идеальной" модели детали (состояние модели М2).

1) Позиционирование модели CPL Тор.

·   Плоскость XY CPL Тор совпадает с базовой плоскостью сборки, в которой она устанавливается (плоскость лонжерона, нервюры). Ось Y направлена вверх, ось Z - "на нас» (ребро стойки, кронштейна вдоль оси Z). Таким образом, CPL Тор модели совпадает с главным видом чертежа детали.

2) Построение базовых линий (слой А_con1, комментарий в начале и в конце построений).

) Построение отдельных тел, составляющих модель М2 (слой А_con2-A_conN, комментарий в начале и в конце построений).

) Получение "идеальной" модели детали, без радиусных скруглений (слой A_Solid_M2, комментарии в начале и в конце построений).

5. Построение контуров обрезки детали, которые определяются точками расстановки крепежа (слои. В_1, В_2, В_3, комментарий в начале и в конце построений).

6. Построение заготовки модели (слой A_zag, комментарий в начале и в конце построений).

В дальнейшем используются для получения окончательной рабочей модели.

7. Построение "тел инструмента" (слои В_4, В_5 и т.д., комментарии в начале и в конце построений).

Имитация рабочего хода фрезы (цилиндрической, конической) с учетом открытых и закрытых малок для получения реальной геометрии модели детали.

8. Получение готовой модели (слой. А_solid1, комментарий в начале и в конце построений).

1) Вычитание из заготовки модели (слой A_zag) тел инструментов.

2) Обрезка контуров.

3) Корректировка расположения ступенек.

4) Дополнительная разметка отверстий (если необходимо).

5) Введение радиусных скруглений, фасок, вскрытие отверстий.

7. Оформление готовой модели.

1) Помещение модели на определенный слой, назначение ей определенного цвета ("Руководство по использованию слоев и цветов в CADDS5 на этапе рабочего проектирования" для данного проекта).

2) Расчеты масса, введения трехмерного текста "Mass = X,XXX kg" с привязкой к модели на слое готовой модели (меню ANNOTATION - команда Insert Text).

3) Погасить вспомогательные элементы построений на слоях 20-79 (команда Blank Entity) в среде PARAMETRIC.

4) Установить модель в пределах вида в наиболее удобное для просмотра положение и выполнить операцию VIEW - Set.

5) Произвести чистку и проверку всей геометрии и истории Part-a (команда Check Dbase) в среде PARAMETRIC. Произвести сохранение File Part.

6) Погасить вспомогательные элементы построений на слоях 20-79 (команда Blank Entity) в среде EXPLICIT.

7) В среде EXPLICIT создать _td файл. Для этого выполните операцию CADDSHADE SHADING. Рекомендуемая величина Size = 0.5.

8) Выполнить чистку (Database Management) и сохранение (File Part) Part-a в среде EXPLICIT.

7. Сохранение готовой модели в Vault.

5.4 Методика моделирования стойки лонжерона


Стойка лонжерона моделируется в системе координат СЧК. Определяется точка пересечения плоскости нервюры со строительной плоскостью крыла, затем по сборочному чертежу 77.00.2102.000.000СБ "Лонжерон II СЧК" определяется положение базового отверстия лонжерона, туда помещается система координат.

1. В выбранном Cplane строится в Scetcher контур верхней, нижней полки и стенки модели (рис. 5.1).

Рис.5.1. Построение контура детали

2. Далее командами Insert Box и Split Entity строится тело первоначальной заготовки (рис. 5.4.2).

Рис.5. 2. Построение первоначального тела заготовки.

3. Командой Linear Sweep контур нижней полки вытягивается на толщину 8 мм (рис. 5.4.3).

Рис. 5. 3.Вытягивание контура детали.

4. При помощи команды Insert Box строятся "тела инструмента" так, чтобы толщина основания была 3.5 мм., толщина стенки 3 мм., а толщина полки 5.5 мм.

5. Следующий этап - построение радиусов. Сначала командой Fillet строится радиус R8, образованный рабочей поверхностью фрезы, и этой же командой - радиус R4, равный углу заточки фрезы (рис. 5.4).

Рис.5. 4. Построение радиусов.


6. Затем командой 3D Booleans / Union Solid объединяем первоначальную заготовку с основанием и стенкой, получаем тело - окончательную заготовку (рис. 5.5)


Рис.5. 5. Окончательная заготовка.

7. Командой 3D Booleans / Subtract Solid вычитаем из заготовки "тела инструмента" и получаем предварительную модель (рис. 5. 6).

Рис.5. 6. Предварительная модель

8. Командой Insert Hole строим сквозные отверстия d6.2 (рис. 5.7).

Рис.5. 7 Построение отверстий

9. Построенная деталь будет иметь вид, как показано на (рис. 5.8).

Рис.5. 8. Общий вид детали

 

 

Заключение


В дипломном проекте проведена оценка статистических данных и на их основе были рассчитаны параметры регионального пассажирского самолета в первом приближении.

Разработана конструкция типовой нервюры крыла самолета Ан-148, выполнена увязка агрегатов, выпущен пакет чертежей.

Проведена оценка технологических методов сборки и увязки агрегатов, выбран метод сборки типовой нервюры КЧК проектируемого самолета, выбрано приспособление для сборки нервюры.

Сделан анализ экономической эффективности применения компьютерных систем проектирования на примере разработки пакета чертежей типовой нервюры.

6 Список использованной литературы

1.   Вербенец П.Ф., Гайдачук В.Е., Карпов Я.С., Кириченко В.В. ”Конструкционные материалы для ЛА”. Учебное пособие.-Х.:ХАИ, 1984.-109с.

2.       Житомирский Г.Н., “Конструкция самолета”, Москва, Машиностроение, 1983.

3.   Техническое описание Ан-148 т. 50, 52, 54.

4.       Общие рекомендации по трехмерному моделированию, Ормонов О.А., КО-79, 2001.

5.   Гайдачук В.Е., Карпов Я.С., Кириченко В.В., Щербаков В.Т. ”Армирующие материалы и связующие для композиционных материалов”.Учебное пособие.-Х.:ХАИ,1991-87с.

.     Гайдачук А.В., Сидоренкова М.А. ”Технология производства изделий из полимерных композиционных материалов”. Учебное пособие.-Х.:ГАКУ ”ХАИ”, 1998-99с.

7.       Пистун И.П. ”Безопасность жизнедеятельности”. - Сумы: Университетская книга, 1991-301с.

8.       Кононенко В.Г. ”Технология производства летательных аппаратов”. К: Вища школа, 1974-109с.

.        Васильев. В.В. Справочник по композиционным материалам. М: Машиностроение, 1990г.-235c.

Похожие работы на - Разработка панелей хвостовой части стабилизатора регионального пассажирского самолета

 

Не нашли материал для своей работы?
Поможем написать уникальную работу
Без плагиата!
Без нейросетей!