|
Название, Фирма
- разработчик
|
Выполняемые
функции
|
Достоинства
|
Недостатки
|
|
Э242 (Россия)
|
1. Измерение
силы тока 2. Измерение напряжения 3. Измерение мощности 4. Измерение
сопротивления
|
1.
Многофункциональность 2. Большие диапазоны измерения
|
1. Большие
габариты 2. Невозможность автоматически проводить контроль 3. Использование
только в стационарных условиях 4. Высокая стоимость
|
|
СНПБП БИ-4
(Россия)
|
1. Формирование
стабильных напряжений 2. Подключение эквивалентов нагрузки к выходам
проверяемого узла 3. Формирование напряжения постоянного тока
|
1.
Многофункциональность 2. Возможность создания требуемого опорного напряжения
3. Создание эквивалентного напряжения
|
1. Большие
габариты 2. Невозможность автоматически проводить контроль 3. Для проверки
зарядных устройств необходимо дополнительное оборудование 4. Высокая стоимость
|
|
Fluke 725 (США)
|
1. Измерение
силы тока, напряжения, частоты
|
1. Малая масса
и габариты 2. Переносимое 3. Многофункциональность
|
1. Для проверки
зарядных устройств необходимо дополнительное оборудование 2. Невозможность
автоматически проводить контроль 3. Высокая стоимость
|
.2 Постановка задачи
Из представленных аналогов, наиболее полно представлен
необходимыми функциями, и наименьшее количество излишних, которые не нужны при
диагностики модулей зарядных станций, обладает прибор СНПБП БИ-4 (Россия),
поэтому в качестве прототипа выбираем его.
В настоящие время в основном используют многофункциональные
универсальные устройства (мультиметры, осциллографы, магазины сопротивления для
имитации нагрузки аккумуляторы в различных режимах зарядки), которые обладают
большим количеством функций, не требующиеся для проверки зарядных устройств,
из-за универсальности возрастает цена таких приборов, а по причине
необходимости использовать несколько приборов возникает сложность диагностики
работы на месте работы устройства.
Таким образом, ставится задача спроектировать
узкоспециализированный стенд для проверки работы зарядных устройств «ЗАРЯД-4» и
«АЗП-54», который будет эмулировать состояние аккумулятора на всех режимах
зарядки, имитировать возможные сбои на всех режимах, снимать характеристики
тока заряда выдаваемых при этом зарядным устройством, производить контроль за
выводом индикации о нарушении режима заряда, проводить анализ полученных
данных, и вывода информации о степени работоспособности устройства и возникших
ошибок работы при проведении диагностики.
Станция обеспечивает выполнение следующих функций:
) доразряд батарей до минимального напряжения разряда;
) автоматическое переключение в режим "Заряд" заряд
стабилизированным током;
) автоматическое переключение в режим подзаряда малым током
при сообщении батарее зарядной емкости или в режим "Авария" при
повышенном напряжении заряда на батарее.
Необходим для того, чтобы произвести полный разряд
аккумулятора, данная цикл является обязательным по причине возникновения
«эффекта памяти» у аккумуляторов данного типа. Физически это проявляется в
уменьшении полезной ёмкости - аккумулятор отдаёт меньшее количество энергии,
сокращается время непрерывной работы/время зарядки . Суть явления заключается в
образовании крупных кристаллов на поверхности электродов, снижающих
эффективность обмена ионами с электролитом. Эффект появляется при
систематическом неполном использовании ёмкости аккумулятора. При уходе
(тренировке) происходит разряд аккумулятора до напряжения 2,7В, кристаллические
образования при этом разрушаются. Уход следует производить не чаще одного раза
в два месяца. Частое применение изнашивает аккумулятор. Эффект памяти можно
устранить также разрядкой большим током (2-3С).
Управление током заряда/разряда осуществляется автоматически
ЦАПом, реализованным на базе программного ШИМа. Текущее значение тока снимается
с датчика тока, выполненного в виде низкоомного резистора. В зависимости от
выбранного режима, микроконтроллер при помощи схемы ЦАП выставляет необходимый
ток заряда - разряда и контролирует значение напряжения заряда посредством
канала измерения напряжения. При достижения определенного значения напряжения
или критического значения температуры (измеряемое через канал измерения
температуры) микроконтроллер прекращает, либо изменяет режимы текущего процесса
заряда - разряда.
.3 Особенности и отличия аккумуляторов
- наиболее надежные и дешёвые аккумуляторы. Устойчивы к
ударам. Старение происходит за счёт естественного износа, практически
независимо от возраста. Часто задаваемый вопрос - о количестве циклов
заряда/разряда (время жизни). Это зависит от условий эксплуатации, т.е. будет
либо большое число поверхностных циклов либо маленькое число глубоких циклов,
но общее количество энергии, которую аккумулятор отдаст, будет одним и тем же.
Саморазряд при t=25C составляет примерно 30% в месяц.
Характеристика разряда относительно горизонтальная, чем объясняются не совсем
корректные показания индикатора батареиIon аккумуляторы дороже, но эффективнее,
т.к. при тех же габаритах их ёмкость примерно на 20% больше, а масса
значительно меньше (Li - самый лёгкий металл). Саморазряд составляет всего 2-3%
в месяц. Практически не подвержены эффекту памяти, можно ставить на зарядку в
любое время. Но имеет место временное старение (срок службы примерно 2 года) -
т.е. хранить его не стоит и при покупке надо проверять дату изготовления.
Чувствительны к ударам и низким температурам. Электролит находится под
давлением - если закоротить контакты или перегреть аккумулятор, то он может
взорваться.
Старение аккумуляторов обусловлено химическим износом
материалов - электролита, анода и катода, разрушением сепаратора (перегородка
между анодом и катодом). При этом происходит снижение полезной ёмкости и
увеличение внутреннего сопротивления аккумулятора - выражается в том, что при
больших нагрузках, происходит ощутимая просадка напряжения, и устройство может
выключится, несмотря на то, что до этого индикатор батареи показывал полный
заряд. Разрушение сепаратора приводит к увеличению тока саморазряда.
Батарея 3НКГК предназначена для питания шахтных головных
светильников СГГ-5м05 <#"554139.files/image001.gif">
Рисунок 3.1 Структурная схема системы контроля и диагностики
модулей зарядных станций.
Система состоит из эмулятора аккумулятора, блока наблюдения
за параметрами тока, блок измерения параметров тока, микроконтроллер задает
режим работы ЗУ и производит контроль за ошибками, возникающими во время
контроля ЗУ. Результаты проверки выводятся на панель индикаторов.
Система подключается к зарядному устройству с помощью двух
зажимов в клеммы для заряда аккумулятора и разъем индикации.
Блок наблюдения и измерения параметров тока
Через зажимы происходит измерение параметров тока, и
формирование режимов работы ЗУ. Через разъем происходит проверка правильной
индикации. Вся обработка информации проводиться с помощью микроконтроллера ATMEGA16.
Измерение параметров тока происходит следующим образом:
напряжение с датчика тока, выполненного на резисторе R8, усиливается с помощью
операционного усилителя К1401УД2 и поступает на вход АЦП, встроенного в
микроконтроллер.
Эмулятор аккумуляторной батареи
Эмулятор батареи собран из линейного регулятора напряжения LM338T и цифрового
потенциометра AD8400, управление потенциометром производиться программой
микроконтроллера АТMEGA16.
Индикаторная панель
Индикаторная панель представляет собой группу светодиодов HL1-HL12,
зеленого и красного цвета свечения, которые сигнализируют результаты
тестирования по каждому этапу работы зарядной ячейки - то есть, если данный
режим (например, доразряд батареи) производится правильно (то есть ток разряда
соответствует норме, напряжение отключения соответствует норме) зажигается
зеленый светодиод, соответствующий этому этапу.
В соответствии состава аппаратуры и требования к
функциональным блокам предлагается функциональная схема Системы контроля и
проверки зарядных станций.
Рис. 3.2 Схема функциональная системы контроля и проверки
зарядных станций
3.2 Разработка и обоснование схемы электрической
принципиальной объекта проектирования
При проектировании схемы электрической принципиальной необходимо
учесть факторы, которые определяют ряд требований, предъявляемых к конструкции
в целом:
условия эксплуатации.
Эксплуатация Системы контроля и диагностики зарядных станций
шахтных аккумуляторов предполагается в помещении с нормальными условиями окружающей
среды (температурный диапазон от +5 0С до +45 0С,
относительная влажность воздуха 75%, атмосферное давление 710-760 мм рт.ст.).
стоимость изделия.
Необходимо максимально снизить экономические затраты на
производство данного изделия, поскольку планируется его серийное производство.
максимальная надежность и ремонтопригодность.
Для снижения затрат на эксплуатацию системы, в которые входят
и затраты на ремонт. Обеспечивая высокую надежность изделия можно снизить число
отказов и, следовательно, необходимость замены вышедших из строя элементов.
Повышение надежности может быть реализовано при использовании в конструкции
специализированных интегральных микросхем, а также микроконтроллера.
4. Выбор и обоснование элементной базы
Вся элементная база выбирается в соответствии с условиями
эксплуатации, так как устройство контроля и диагностики будет использоваться в
помещении, то температурный диапазон составит +5 …+45°С.
4.1 Выбор микроконтроллера для системы контроля и диагностики
зарядных станций
ATMEL АТMEGA
Несмотря на непрерывное развитие и
появление все новых и новых 16- и 32-разрядных микроконтроллеров и
микропроцессоров, наибольшая доля мирового микропроцессорного рынка и по сей
день остается за 8-разрядными устройствами.
Среди всех 8-разрядных микроконтроллеров -
семейство АТMEGA16 имеет самое большое количество разновидностей и количество
компаний, выпускающих его модификации.
Основными производителями клонов семейства АТMEGA16 в мире являются фирмы Philips, Siemens. Intel, Dallas,
Temic, Oki, AMD, MHS. Gold Star, Winbond, Silicon Systems и ряд других. Удачный набор
периферийных устройств, возможность гибкого выбора внешней или внутренней
программной памяти и приемлемая цена обеспечили этому МК успех на рынке. С
точки зрения технологии, АТMEGA16 являлся для своего времени очень сложным
изделием - в кристалле насчитывалось 128 тыс. транзисторов, что в четыре раза
превышало их число в 16-разрядном микропроцессоре 8086 MEGA16 имеет в своем составе:
процессор, в состав которого входят АЛУ и схема аппаратурной реализации команд
умножения и деления; Flash-памяти - 16 Кбайта, EEPROM - 512 байт; два 8-битных
и один 16-битный таймера/счетчика; программируемые схемы ввода/вывода (32
линии); блок двухуровневого векторного прерывания от пяти источников;
асинхронный канал дуплексного последовательного ввода/вывода информации со
скоростью до 375 кбит/с; генератор, схему синхронизации и управления.
ATMega16 содержит в себе 10-битный 8-канальный
аналогово-цифровой преобразователь. Такая конфигурация достаточна для решения
поставленных задач.
Микроконтроллеры данного семейства выпускаются в PLCC, DIP и QFP корпусах и могут
работать в следующих температурных диапазонах:
§ - коммерческий (от 0 0С до +70 0С);
§ - расширенный (от минус 40 0С до +85 0С);
На рынке представлен очень широкий выбор микроконтроллеров
различных серий и моделей. Основными критериями в выборе микроконтроллера
являются: частота, наличие энергонезависимой памяти, функциональные
возможности, наличие встроенных устройств, таких как АЦП, ЦАП, ШИМ-генератор и
т.д.
Очевидно, что для решения поставленных задач необходимо
использовать микроконтроллер. Необходимыми функциями обладают 8-битные
однокристальные МК ATMEL АТMEGA16.
Для решения поставленной задачи желательно, чтобы
микроконтроллер имел встроенный АЦП и ПЗУ. Поэтому, основываясь на
вышеизложенном, был выбран микроконтроллер АТMEGA16
Блок питания
Система контроля и проверки зарядных станций имеет импульсный
блок питания, который реализован на микросхеме MAX774EPA и преобразует напряжение
12В в 5В.
Блок индикации
Блок индикации СКиДЗС реализован с помощью двенадцати
светодиодов L-53.
Шесть красных светодиодов сигнализируют о неисправном ходе выполнения работы на
данном этапе. Шесть зеленых светодиодов наоборот сигнализируют о исправной
работе системы.
4.2 Описание работы схемы электрической принципиальной
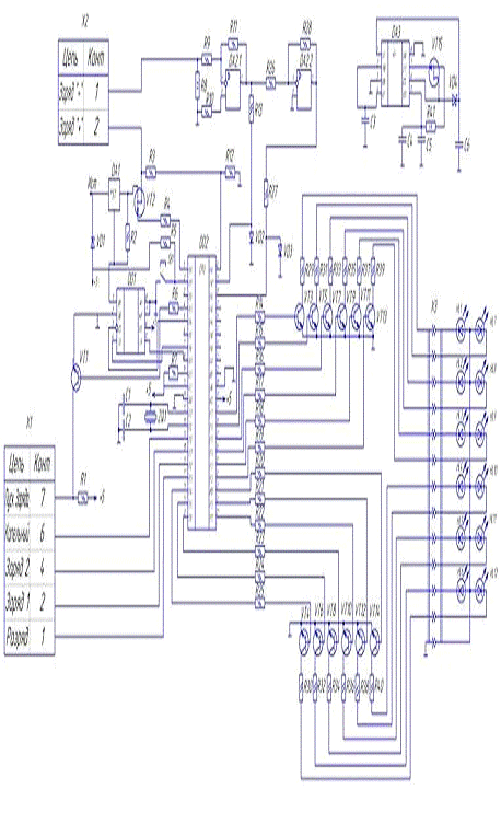
Ядром электрической схемы контрольного блока является
микроконтроллер ATMega16 (DD2), выполняющий все операции с данными.
Получив сигнал о нажатии кнопки старта проверки, контроллер
начинает устанавливать значение сопротивления на цифровом потенциометре, тем
самым задавая соответствующий этап заряда аккумулятора, с портов АЦП происходит
считывание параметров тока, после завершения этапа, результат выводит на панель
индикации. Тестируемая зарядная ячейка подключается через контакты разъема X2.
Эмулятор аккумуляторной батареи представляет собой
управляемый источник тока, собранный на элементах DA1, DD1, управление которым
осуществляется с помощью микроконтроллера.
На транзисторе VT2 имитируется обрыв аккумуляторной батареи.
На микросхеме DA3 собран стабилизатор для питания устройства.
Микроконтроллер - DD2, используется микроконтроллер ATMega16. Он
формирует режимы работы эмулятора, измеряет параметры тока и напряжения,
принимает решения о соответствие параметров норме и выдает результаты
тестирования на индикаторную панель.
Измерение параметров тока: напряжение с датчика тока,
выполненного на резисторе R8, усиливается с помощью операционного усилителя
DA2.1 и DA2.2 и поступает на вход АЦП, встроенного в микроконтроллер.
Индикаторная панель представляет собой группу светодиодов
HL1-HL12, зеленого и красного цвета свечения, которые сигнализируют результаты
тестирования по каждому этапу работы зарядной ячейки- т.е. если данный режим
(например доразряд батареи) производится правильно (т.е. ток разряда
соответствует норме, напряжение отключения соответствует норме) зажигается
зеленый светодиод, соответствующий этому этапу.
Эмулятор батареи собран из линейного регулятора напряжения LM338T и цифрового
потенциометра AD8400, управление потенциометром производиться программой АТMEGA16.
Параметры тока снимаем с помощью Дифференциального усилителя
собранного на микросхеме К1401УД2 обработка данных производиться в АЦП ATMega16.
4.3 Разработка конструкции системы контроля и диагностики
модулей зарядных станций
Выбор генерального направления конструирования.
Конструктивно система контроля и диагностики модулей зарядных
станций выполнен в виде отдельного блока.
Плата спроектирована под серийно выпускаемый унифицированный
корпус “G1502”,
изготавливаемый фирмой “Gianta”, имеющий габаритные размеры 228х216х76/50мм.
Корпус состоит из прямоугольного основания и крышки имеющий горизонтальную и
наклонную плоскость, изготовленных из ABС-пластика методом литья под давлением. Степень
защиты от внешних воздействий - UL-94-HB по ГОСТ 14254-96
На верхней части имеется место, куда устанавливается
алюминиевая панель. На панели с левой стороны просверливаются отверстия для
светодиодов. Панель крепиться винтами с потайной головкой.
Проанализировав схему, можно сделать вывод о том, что все
элементы можно разместить на одном печатном узле.
В корпусе так же располагается импульсный источник питания.
С задней стороны корпуса имеется пластиковая панель на
которую устанавливаются разъемы. Отверстия под разъемы выполняются вырубкой.
Разъёмы соединены с печатным узлом гибкими шлейфами.
Такая конструкция обеспечивает малую трудоемкость и стоимость
изготовления. Корпус допускает использование его в климатических условиях,
определённых в техническом задании. В приложении З представлен чертёж общего
вида контрольного блока.
На рисунке 4.1 представлен общий вид конструкции.
Рисунок 4.1- Общий вид системы контроля и диагностики модулей
зарядных станций
5. Конструкторская часть
.1 Расчет надежности
Надежность современной РЭА [20] в значительной мере
определяется надежностью составляющих ее компонентов, и в настоящее время
границы сложности вычислительных комплексов и систем зависят в основном от
достижимого уровня надежности составляющих и технических средств.
Наиболее просто и экономически недорого надежность
проектируемой аппаратуры определяется расчетным путем.
Большая часть радиоэлектронной аппаратуры относится к
третьему классу восстанавливаемой аппаратуры, которая характеризуется не только
безотказностью, но и ремонтопригодностью или восстанавливаемостью. Наше изделие
не является исключением, поэтому расчет проводим по методике, изложенной в
[20].
Вероятность безотказной работы не резервированной
восстанавливаемой РЭА третьего класса определяется по формуле:
, (5.1)
где tв.ср - среднее время восстановления работоспособности РЭА
(определяется экспертным путем), ч.;
tср -
среднее время наработки до первого отказа, ч.;
Интенсивность отказов определяют как сумму интенсивностей отказов
составных частей РЭА и рассчитывается по формуле:
, (5.2)
где li - интенсивность отказов i-ой части РЭА, 1/ч;
N - число составных частей РЭА;
kl1 - kl3 - поправочные коэффициенты, определяемые по [18, табл.13].
Интенсивность отказов каждой составной части РЭА определяют по
формуле:
, (5.3)
где ljo - интенсивность отказов ЭРЭ j-го типа при нормальных условиях эксплуатации и
коэффициенте нагрузки равном 1,1/ч;
aj - поправочный коэффициент, учитывающий
коэффициент нагрузки ЭРЭ и его температуру в рабочем режиме и определяется по
[20, табл.14];
nj - число ЭРЭ j - го типа.
Среднее время наработки до первого отказа является величиной
обратной интенсивности отказов РЭА:
tcp=1/lc. (5.4)
Все данные, необходимые для расчета, представлены в таблице
5.1
Таблица 5.1-Данные для расчета вероятности безотказной
работы.
|
Наименование,
Тип элемента
|
Число
Элементов, nj
|
Интенсивность
отказов, ljo×10-6,1/ч
|
njljo, 1/ч
|
Режим работы
|
aj
|
li ×10-6,
1/ч
|
lci ×10-6, 1/ч
|
|
|
|
|
коэффициент
нагрузки, kн
|
температура,°С
|
|
|
|
|
1.ЧИП
резисторы: RC06 SQP 2W
|
39 2
|
0,11 0,15
|
4,29 0,3
|
0,6 0,6
|
40 40
|
0,65 0,9
|
0,348 0,39
|
8,1432 0,468
|
|
2. ЧИП
конденсаторы: СТ103КО TREK
LZ
|
4 2
|
1,4 1,8
|
5,6 3,6
|
0,7 0,7
|
40 40
|
0,7 0,7
|
15,68 5,04
|
41,264 7,056
|
|
3.Светодиоды L-53
|
12
|
3
|
36
|
0,8
|
60
|
0,85
|
28,8
|
23,04
|
|
4.Диоды: КД105Б 1N5822
|
2 1
|
0,6 0,6
|
1,2 0,6
|
0,6 0,6
|
50 50
|
0,65 0,65
|
1,49 0,39
|
1,78 0,78
|
|
5.Стабилитрон
|
1
|
0,7
|
0,7
|
0,6
|
50
|
0,78
|
0,546
|
0,33
|
|
6.Микросхемы
|
5
|
0,02
|
0,12
|
0,8
|
60
|
1
|
0,32
|
0,03
|
|
7.Транзисторы
ЧИП ВС846 IRF7404
|
13 2
|
0,15 0,6
|
1,95 1,2
|
0,44 0,8
|
70 70
|
0,77 0,52
|
19,52 1,248
|
8,59 2
|
|
8.Соединения
пайкой
|
132
|
0,01
|
3
|
-
|
50
|
1
|
3
|
5
|
|
9.Разъем
|
4
|
0,1
|
0,4
|
1
|
50
|
1
|
0,4
|
0,4
|
|
10. Кнопка SPA109S
|
1
|
1
|
1
|
-
|
50
|
1
|
1
|
1
|
|
Продолжение
таблицы 5.1
|
|
11. Кварцевый
резонатор НС-49
|
1
|
0,23
|
0,23
|
0,11
|
70
|
0,5
|
0,115
|
0,013
|
|
Итого
|
99,89
|
По формуле (6.18) рассчитываем среднее время наработки до
первого отказа:
tcp = 1/99,89×10-6 = 10011
ч.
Далее, по формуле (6.15) рассчитываем вероятность безотказной
работы нашего изделия:
.
Вывод. В результате расчета мы получили, что вероятность
безотказной работы нашего изделия составляет 99,76%.
5.2 Тепловой расчет
Оценку теплового режима будем производить по методике,
изложенной в [22] для блока в герметичном корпусе.
Для определения теплового режима функциональных узлов необходимо
определить мощности, рассеиваемые каждым узлом, а именно электронной частью и
блоком питания. Расчет мощности элементов будем производить по формуле (5.5):
, (5.5)
где
- ток, потребляемый элементом, А;
- падение напряжения на элементе, В;
- сопротивление элемента, Ом.
Таблица 5.2 - Рассеиваемая мощность электронной части
|
Элемент
|
Количество
|
Ток, мА
|
Падение
напряжение на элементе, В.
|
Рассеиваемая
мощность, мВт
|
|
LM338
|
1
|
10
|
5
|
50
|
|
К1401УД2А
|
1
|
20
|
5
|
100
|
|
AD8400
|
1
|
5
|
5
|
25
|
|
ATMega16
|
1
|
1
|
5
|
5
|
|
Резисторы RC06
|
39
|
1
|
2,5
|
|
Резисторы SQP
|
1
|
150
|
5
|
750
|
|
КД105Б
|
2
|
10
|
2,5
|
50
|
|
1N4733A
|
1
|
20
|
5
|
100
|
|
BC846ALT1
|
13
|
20
|
2,5
|
650
|
|
IRF7404
|
1
|
20
|
5
|
100
|
|
Всего:
|
1927
|
Таким образом, мощность, выделяемая элементами схемы,
получилась равной 1,927 Вт.
Мощность, рассеиваемая источником питания, складывается из
мощностей, рассеваемых диодами выпрямителей и стабилизатором. Расчет мощности,
рассеиваемой элементами источника питания, сведён в таблицы 5.3.
Таблица 5.3- Рассеиваемая мощность элементов источника
питания
|
Наименование
элемента
|
Ток, мА
|
Падение
напряжения, В
|
Рассеиваемая
мощность, мВт
|
|
MAX774
|
100
|
3
|
300
|
|
Резистор SQP
|
150
|
5
|
750
|
|
Транзистор IRF7406
|
20
|
5
|
100
|
|
Диод 1N5822
|
50
|
5
|
250
|
|
Итого:
|
1400
|
Суммарная мощность, рассеиваемая источником питания составит
1400 мВт.
Найдем поверхность корпуса блока
, (5.6)
где
,
- горизонтальные размеры корпуса, м;
- вертикальный размер корпуса прибора, м.
В нашем случае ширина корпуса
= 0,180 м, длина
= 0,120 м, высота
= 0,023 м, тогда поверхность корпуса по формуле (5.6):
= 2*[0.180*0.120+(0.180+0.120)*0.023]
= 0.057 м2.
Коэффициент заполнения блока по объему
, (5.7)
где
- суммарный объем элементов расположенных
в корпусе, м3;
- объем корпуса,
=
, м3.
Суммарный объем элементов в корпусе составляет около
= 179·10-6 м3, а
объем корпуса равен
= 497·10-6 м3,
тогда коэффициент заполнения по формуле (5.7):
=
= 0.36
Найдем условную поверхность нагретой зоны корпуса
, (5.8)
= 2*[0.180*0.120+(0.180+0.120)*0.023*0.36]
= 0,048 м2.
Удельную мощность корпуса блока найдем как отношение
рассеиваемой мощности к поверхности корпуса:
, (5.9)
=
= 4.66 Вт/м2.
Удельная мощность нагретой зоны определиться как:
, (5.10)
=
= 5.53 Вт/м2.
Коэффициент, учитывающий перегрев корпуса от удельной
мощности
, (5.11)
= 0.1427*4.66-0.2962*10-3*4.662+0.3127*10-6*4.663
= 0,68 К.
Коэффициент, учитывающий перегрев нагретой зоны от удельной
мощности рассеивания.
, (5.12)
= 0.1390*5.53-0,1223*10-3*5.532+0.0692*10-6
*5.533= 0, 77 К.
Коэффициент, зависящий от величины атмосферного давления
снаружи корпуса блока.
, (5.13)
где
- атмосферное давление снаружи корпуса
прибора, Па.
Коэффициент, зависящий от величины атмосферного давления внутри
корпуса аппарата.
, (5.14)
где
- атмосферное давление внутри корпуса
прибора, Па.
При одинаковом атмосферном давлении как внутри, так и снаружи
корпуса
=
= 101322,6 Па по формулам (5.13) и (5.14) получим:
= = 0.9;
= =0.9.
Перегрев корпуса блока
, (5.15)
=
=0.612 К
Перегрев нагретой зоны
, (5.16)
=
= 0.761 К
Средний перегрев воздуха в блоке
, (5.17)
= 0.5*(0.612+0.761) = 0.69 К
Температура корпуса блока
, (5.18)
где
- температура окружающей блок среды, К.
Учитывая, что максимальная температура окружающей среды по ТЗ
=45°С = 318 К, то температура корпуса прибора по формуле (5.18)
= 0.612+318 = 318.612 К = 45.612 °C.
Блок будет охлаждаться естественным воздушным путём, при этом
температура перегрева не превысит одного градуса. Делаем вывод о возможности
использования герметичного корпуса.
5.3 Разработка печатного узла
При конструировании печатных плат используются четыре главных
критерия выбора: габаритный критерий, критерий плотности рисунка и толщины
проводящего слоя, критерий числа слоев, критерий материала основания. Помимо
главных критериев, должны учитываться вспомогательные, которые служат для
проверки и уточнения, с несложной коррекцией конструкции, выбранных по главным
критериям решений. К вспомогательным критериям относятся электрические
ограничения по паразитным параметрам, тепловые ограничения, ограничения по
массе, по трудоемкости изготовления, по безотказности, ремонтопригодности и др.
Выбор габаритов печатной платы (длина, ширина) связан с
разбиением печатной платы на функционально законченные части. Размеры сторон
печатных плат должны соответствовать ГОСТ 10317-79, который предъявляет
следующие требования к печатным платам:
·
необходимо
разрабатывать печатные платы простой прямоугольной формы с отношением сторон не
более 3:1 и размерами любой стороны не более 470 мм.
·
длину
стороны печатной платы выбирают таким образом, чтобы она была кратной: 2,5 при
длине до 100 мм; 5 при длине свыше 100 до 350 мм; 10 при длине свыше 350 мм.
Увеличение размеров печатной платы ведет к повышению
погрешностей при их изготовлении. Отклонение от прямоугольной формы, наличие и
вырезов увеличивают трудоемкость изготовления.
Коробление печатных плат происходит вследствие слоистой
структуры основания, содержащего диэлектрические и проводящие слои, расширение
которых при нагревании и сжатие при охлаждении различно. Чем больше длина
платы, тем коробление значительнее, т.е. больше опасность обрыва проводников,
замыкания, отрыва паяных контактов при температурных деформациях. Температурные
деформации относятся к медленно действующим механическим деформациям.
Динамические деформации в результате вибрационных и ударных перегрузок и
линейных ускорений, передаваемых на печатную плату от объекта на котором
установлено изделие, также уменьшается с уменьшением размера печатной платы.
Ухудшение теплоотвода из центра платы, протекающего по
механизму теплопроводности, наблюдается с увеличением размеров печатной платы.
С учетом выше изложенных соображений, была произведена
компоновка схемы, в результате которой определено, что оптимальными размерами
печатной платы устройства являются: длина 100 мм и ширина 70 мм.
Учитывая требование ГОСТ 10317-79 определяющего кратность
сторон, принимаем следующие размеры сторон печатной платы устройства: длина 100
мм и ширина 70 мм.
Габаритный критерий тесно связан с той плотностью, с которой
может быть выполнен рисунок. В таблице 5.4 приведены параметры трех классов
плотности рисунка определенных ГОСТ23751-86.
Основные геометрические параметры элементов печатного рисунка
изображены на рис.4.
Рис. 5.1. Основные геометрические параметры элементов
печатного узла [8].
Нп - толщина печатной платы; Нм - толщина материала основания
печатной платы; hф - толщина фольги; b - гарантийный поясок; D - диаметр контактной
площадки; d
- диаметр отверстия; S - расстояние между краями соседних элементов проводящего
рисунка; t
- ширина печатного проводника; Q - ширина от края печатной платы, выреза, паза до элементов
проводящего рисунка.
Шириной печатного проводника называется поперечный размер
проводника на любом участке в плоскости основания (неровности края во внимание
не принимаются). Расстоянием между проводниками называют расстояние между
краями соседних проводников на одном слое печатной платы.
Таблица 5.4- Номинальные значения основных размеров для
классов точности
|
Условные
Обозначения
|
Номин. значения
размеров для класса точности
|
|
1
|
2
|
3
|
|
t, мм S, мм
b, мм
|
0,75
0,75 0,3
|
0,45
0,45 0,2
|
0,25
0,25 0,1
|
Для свободного места указанные значения допускается
устанавливать по любому, более низкому классу, а для первого класса увеличить в
два раза.
С учетом разрешающей способности технологического
оборудования, на котором будет изготавливаться печатная плата устройства,
принимаем класс точности 3.
В соответствии с ГОСТ 23751-86 диаметры монтажных отверстий
должны быть выбраны из ряда: 0,4; 0,5; 0.6; 0,7; 0,8; 0,9; 1,0; 1,1; 1,2; 1,3;
1,5; 1,6; 1,7; 1,8; 2,0 мм.
В печатной плате устройства оповещения для охранной системы
используются монтажные отверстия следующих диаметров: 1,0 мм.
Наименьший номинальный диаметр D контактной площадке
рассчитывают по формуле:
D=(d+dво)+2b+tво+2dтр+(Td2+TD2+tПО2)1/2 , (2.1.)
dво - верхнее предельное отклонение диаметра отверстия;
tво - верхнее предельное отклонение диаметра контактной
площадки (tво=0,05);
dтр - значение подтравливания диэлектрика (для однослойной
печатной платы dтр=0);
tпо - нижнее предельное отклонение диаметра контактной
площадки (tпо=
-0,05);
Результаты расчетов диаметров контактных площадок
произведенных по формуле 2.1. сведены в таблицу 5.5.
Таблица 5.5- Диаметры контактных площадок
|
Диаметр
отверстия, мм.
|
Предельное
Отклонение
|
Диаметр
контакт- ной площадки, мм
|
|
1,0 1,6 2,0
|
± 0,05 ± 0,1 ±
0,2
|
3 4 5
|
По числу слоев различают односторонние, двусторонние и
многослойные печатные платы. Для печатной платы устройства контроля уровня
освещенности принимаем число слоев равное одному. Односторонней печатной платой
называют печатную плату с проводящими рисунками на одной стороне основания.
Выбор толщин и материала основания оказывает основное влияние
на свойства печатной платы: жесткость, собственную емкость, теплопроводность.
Для печатной платы устройства оповещения для охранной
системы, в качестве материала выбираем стеклотекстолит толщиной 1 мм.
5.4 Разработка конструкции системы контроля и диагностики
зарядных станций
Разработка устройства системы контроля и диагностики ЗС
предполагает компоновку и разработку несущей конструкции, которая обеспечивала
бы минимально возможные массогабаритные показатели и стоимость.
Под компоновкой понимается процесс размещения комплектующих
ЭРЭ и деталей РЭА на плоскости или в пространстве с определением основных
геометрических форм и размеров [15].
Процесс компоновки завершается получением эскизного варианта.
При компоновке должны быть учтены требования оптимальных функциональных связей
между узлами, их устойчивость и стабильность, требования технологичности,
эргономики, удобство эксплуатации, ремонта.
Выбор варианта конструкции осуществляется исходя из
технических требований и условий производства.
Детальный анализ структурной и функциональной схем показал,
что все узлы выносного управляющего контроллера могут быть выполнены в виде
единого печатного узла. Поэтому разбиение выносного контроллера на отдельные
блоки не требуется.
Детали смонтированы на печатной плате из фольгированного
стеклотекстолита, толщиной 1,5 мм. Размер печатной платы выбран согласно ГОСТ
10317-79, который устанавливает размеры печатных плат. Плата устройства
оповещения для охранной системы имеет размеры 120x160 мм.
На лицевой стороне, она же крышка конструкции, охранной
системы расположено два светодиода, сигнализирующие о состоянии работы системы.
Толщина конструкции составляет 30 мм, поэтому светодиоды крепятся в отверстия,
расположенные в крышке корпуса, при помощи пластмассовых держателей. Соединение
светодиодов и платы ОС происходит по средствам провода МГШВ.
С учетом того, что использование ОС планируется в подвижных
объектах, то необходимо предусмотреть защиту от выкручивания монтажных винтов
путем использования клея типа «Момент-Монтаж» для печатной платы и модулей
устройства оповещения для охранной системы.
В целом корпус фирмы GAINTA типа G504 выполнен из
поликарбоната, что позволяет использовать систему в жестких условиях, будь то
повышенная вибрация, влияние высоких и низких температур. Также корпус имеет
четыре монтажных отверстия под винт М5, либо под саморез, что обеспечивает
более надежное крепление системы. Также защиту от выкручивания предусматриваем
путем использования контргаек.
6. Разработка алгоритма управляющей программы
Работа основного элемента схемы - микропроцессора подчинена
программе, хранящейся в ПЗУ. По сигналу сброса процессор устанавливает адрес
начала программы и считывает первую команду. Дальнейшая работа идёт согласно
выполняемым командам.
Таким образом, для правильной работы контрольного блока,
необходимо грамотно составить управляющую программу. Алгоритм её приведён в
приложении.
После запуска программа сбрасывает все параметры на
индикаторе, а затем переходит в режим ожидания нажатия кнопки «Старт проверки».
После нажатия кнопки производиться очередной сброс и на порт, соединяющийся с
индикатором режима проверки, подается сигнал, который зажигает индикатор. После
микроконтроллер формирует различные этапы заряда аккумулятора. При этом
производит сравнивание параметров тока с эталонными. По окончании проверки
этапа в зависимости от полученного результата, зажигается соответствующий
результату индикатор. По окончании проверки всех этапов, гасится индикатор
режима проверки, программа переходит в режим ожидания запуска проверки.
7. Технико-экономическое обоснование проекта
Целесообразность разработки
Вести контроль и диагностику модулей зарядных станций (ЗС) в
настоящее время является важным, так как сбой в работе модуля может привести
нежелательным последствиям, которые могут вызвать значительные убытки. В
настоящие время проверка таких станций осуществляется в основном с применением
универсальной аппаратуры, что зачастую приводит к использованию дополнительных
ресурсов, и дополнительного времени, разрабатываемая система узконаправленная:
предназначена специально для диагностики и контроля модулей ЗС, это позволяет
провести проверку, за меньшее время, и все потребляемые ресурсы использовать
только для снятия данных и их обработки. Эксплуатационно-технический уровень (ЭТУ)
разрабатываемой системы контроля и диагностики модулей ЗС (СКиДЗС) является
обобщенной характеристика его эксплуатационных свойств, возможностей, степени
новизны.
Для электронных приборов все технико-экономические показатели
можно разделить на следующие группы:
) общие технические показатели (габариты, масса, уровень
стандартизации и унификации, эксплуатационная надежность, срок службы,
безопасность в работе, патентная чистота);
) специфические технические показатели, зависящие от типа
приборов (точность, помехоустойчивость и т.д.);
) экономические показатели (объем выпуска приборов в год,
трудоемкость и стоимость изготовления, цена, расходы на эксплуатацию и т.д.).
При проведении оценки воспользуемся обобщающим индексом
эксплуатационно-технического уровня
, который можно
определить как произведение частных индексов:
, (7.1)
где
- комплексный показатель качества по
группе показателей;
- число рассматриваемых показателей;
- коэффициент весомости
- того показателя в долях единицы, устанавливаемый экспертным
путем (сумма всех рассматриваемых показателей должна составлять единицу);
- относительный показатель качества, устанавливаемый экспертным
путем по 5-ти бальной шкале оценивания.
Чтобы оценить эксплуатационно-технический уровень разработки,
сравним разрабатываемое устройство с аналогом. За аналог примем Стенд настройки
и проверки блока питания СНПБП БИ-4, технические характеристики которой
приведены в разделе “Системный анализ”. Результат оценки ЭТУ проекта
представлен в таблице 7.1.
Таблица 7.1 - Расчет индекса ЭТУ
|
Показатели
качества
|
Коэффициент
весомости
|
Проектируе-мый
прибор
|
Аналог
|
|
|
|
|
|
|
|
1. Точность
измерения
|
0,35
|
5
|
1,7531,05
|
|
|
|
2. Надёжность
|
0,25
|
5
|
1,2541
|
|
|
|
3.Удобство
эксплуатации
|
0,2
|
5
|
130,6
|
|
|
|
4. Габариты
|
0,15
|
5
|
0,7530,45
|
|
|
|
5. Скорость
анализа данных
|
0,05
|
5
|
0,2530,15
|
|
|
|
1 = 5,00 = 3,25
|
|
|
На основании проделанных расчётов, можно сделать вывод о том,
что разрабатываемая система контроля и диагностики модулей ЗС имеет более
высокий показатель эксплуатационно-технического уровня по сравнению с выбранным
аналогичным устройством в заданных условиях.
7.1 Планирование и организация работ
Процесс создания и выпуска новой РЭА состоит из ряда этапов,
выполняемых разными исполнителями.
инженер-разработчик, выполняющий весь объем работы;
руководитель, задачей которого является контроль над
выполнением плана работ и консультирование разработчика.
Перечень работ, проведенных при разработке и конструировании
системы контроля и диагностики модулей ЗС, представлен в таблице 7.2.
Таблица 7.2 - План проведения работ
|
Этап работы
|
Содержание
работ
|
|
1.Разработка
технического задания
|
Составление и
согласование технического задания
|
|
2. Сбор
информации
|
Изучение,
анализ и обобщение подобранных материалов и научно-технической литературы,
проведение патентных исследований, составление аналитического обзора
состояния вопроса
|
|
3. Выбор
направления разработки
|
Формулировка
возможных направлений решения задачи, их анализ и выбор варианта реализации
устройства
|
|
4.Разработка
схемы и алгоритма работы
|
Разработка
структурной, функциональной и электрической принципиальной схем устройства,
разработка алгоритма работы и управляющей программы
|
|
5.Разработка
конструкции
|
Выбор варианта
конструктивного исполнения устройства
|
|
6. Сборка
макета
|
Сборка и наладка
макета устройства, проверка работоспособности, проведение исследований
|
|
7. Оформление
документации
|
Оформление
пояснительной записки, чертежей и других графических материалов.
|
Наиболее ответственной частью работ является расчет трудоемкости
отдельных видов работ, так как трудозатраты составляют основную часть стоимости
разработки. Ожидаемую продолжительность работ
определим по формуле (7.2):
, (7.2)
где
- возможная минимальная продолжительность
заданной работы;
- возможная максимальная продолжительность работы.
Оценка трудоемкости отдельных видов работ приведена в таблице 7.3.
Таблица 7.3 - Планирование комплекса работ
|
Наименование
работ
|
Исполнители
|
Продолжительность
работ
|
Загрузка в днях
|
|
|
|
|
|
|
|
1. Разработка
технического задания
|
Инженер
|
2
|
3
|
2,42
|
|
|
Руководитель
|
1
|
2
|
1,41
|
|
|
2. Сбор
информации
|
Инженер
|
8
|
11
|
9,29
|
|
|
3. Выбор
направления разработки
|
Инженер
|
6
|
8
|
6,87
|
|
|
Руководитель
|
2
|
3
|
2,42
|
|
|
4. Разработка
схемы и алгоритма работы
|
Инженер
|
16
|
21
|
1818
|
|
|
Руководитель
|
3
|
4
|
3,43
|
|
|
5. Разработка
конструкции
|
Инженер
|
6
|
12
|
8,48
|
|
|
Руководитель
|
1
|
2
|
1,41
|
|
|
6. Разработка и
отладка программы
|
Инженер
|
10
|
14
|
11,612
|
|
|
Руководитель
|
1
|
2
|
1,41
|
|
|
7. Оформление
документации
|
Инженер
|
14
|
18
|
15,616
|
|
|
Итого на
разработку
|
Инженер
|
|
|
|
72
|
|
Руководитель
|
|
|
|
8
|
Итого на разработку проекта «Система контроля и диагностики
модулей зарядных станций шахтных аккумуляторов» инженер потратит 72 дней,
руководитель 8 дней. Таким образом, общее время, затраченное на разработку
проекта
, составляет 4 месяца.
Ленточный план разработки отражает перечень работ, необходимых для
достижения поставленных задач, определяет исполнителей каждой из работ,
устанавливает продолжительность работ в рабочих днях и последовательность их
выполнения.
На основании таблицы разработан ленточный план график выполнения
работ, представленный на рисунке 7.1.
Рисунок 7.1 - Ленточный график работ
Вычисление затрат на разработку проекта
Проведем расчет сметы затрат на разработку системы контроля и
диагностики модулей ЗС. Данная смета будет содержать:
затраты на материалы и комплектующие изделия;
основная заработная плата;
заработная плата с учётом районного коэффициента;
отчисления по единому социальному налогу;
амортизационные отчисления;
затраты на оплату работы, выполненной другими организациями;
затраты на аренду помещения;
накладные расходы;
непредвиденные расходы.
Материалы, используемые при проектировании, сведены в таблицу 7.4.
Таблица 7.4 - Используемые
материалы
|
Наименование
|
Кол-во единиц
|
Цена за единицу
|
Общая
стоимость, руб.
|
|
Бумага для
принтера
|
1 уп.
|
130 руб./уп.
|
130
|
|
Бумага для
чертежей
|
8 шт.
|
15 руб./шт.
|
120
|
|
Диск CD-R
|
1 шт.
|
15 руб./шт.
|
15
|
|
Картридж для
принтера
|
1 шт.
|
400 руб./шт.
|
400
|
|
Итого:
|
665
|
Средняя дневная заработная плата
рассчитывается исходя из
месячного оклада согласно тарифной сетке и количества рабочих дней
в месяце (22 рабочих
дня).
Основную заработную плату найдем исходя из трудоемкости
каждого исполнителя:
. (7.3)
Районный коэффициент
для Томска и Томской области равен 30% или 0,3. Тогда заработная
плата с учётом этого коэффициента:
ЗПрк=ЗПосн
kрн, (7.4)
Коэффициент отчисления во внебюджетные фонды
по единому социальному налогу составляет
26,5% или 0,265 от суммы основной и дополнительной заработной платы:
Звф=(ЗПосн+ЗПрк)
kвф. (7.5)
Фонд оплаты труда найдем как сумму основной и дополнительной
заработной плат, и отчислений во внебюджетные фонды:
Фот=ЗПосн+ЗПрк+Звф. (7.6)
Таблица 7.5 - Фонд оплаты
труда
|
Должность
|
Разряд по
тарифной сетке
|
Оклад, руб.
|
, руб.
|
, чел./дней
|
, руб.
|
ЗПрк,
руб.
|
, руб.
|
|
Руководитель
|
14
|
2424
|
110,188881,44264,43303,66
|
|
|
|
|
|
Инженер-разработчик
|
10
|
1764
|
80,18725772,961731,891988,79
|
|
|
|
|
|
Итого, руб.
|
6654,41996,322292,45
|
|
|
|
, руб.
|
10943,17
|
При проектировании системы контроля и диагностики и оформлении
технической документации использовался компьютер. То есть необходимо рассчитать
машинное время использования компьютера. В день компьютером пользовались в
течение 4 часов на протяжении всего времени разработки. Соответственно за 4
месяца компьютер использовался в течение 352 часов. Для сбора информации при
проектировании использовался библиотечный фонд Томского политехнического
университета и информационная сеть Интернет. Затраты приведены в таблице 7.6.
Таблица 7.6 - Затраты на работы, выполняемые сторонними
организациям
|
Наименование
|
Кол-во единиц
|
Цена за единицу
|
Общая
стоимость, руб.
|
|
Библиотечный
фонд
|
5 дней
|
7 руб./день
|
35
|
|
Интернет
|
25 ч
|
15 руб./ч
|
375
|
|
Аренда
компьютерного времени
|
352 ч5 руб./ч1760
|
|
|
|
Итого
|
2170
|
Данные расходы вносятся в статью «Оплата сторонним
организациям».
В статью «Накладные расходы» включаются расходы на управление
и хозяйственное обслуживание. Затраты на накладные расходы составляют 20% или
0,2 от суммы всех прямых затрат, то есть в нашем случае:
Знакл=(Зматер+Фот+Зст орг)*0,2 (7.8)
= (665+10943,17+2170)*0,2 = 2755,63 руб.
Также необходимо иметь запас на непредвиденные расходы в размере
5% или 0,05:
Знепред=(Зматер+Фот+Зст орг)*0,05
= (665+10943,17+2170)*0,05 = 688,91 руб.
Все расходы на разработку системы контроля и диагностики модулей
ЗС сведем в таблицу 7.7.
Таблица 7.7 - Затраты на разработку проекта
|
Статьи затрат
|
Сумма, руб.
|
|
Материалы и
комплектующие изделия
|
665
|
|
Основная
заработная плата исполнителей
|
6654,4
|
|
Районный
коэффициент
|
1996,32
|
|
Продолжение
таблицы 7.7
|
|
Отчисления по
единому социальному налогу
|
2292,45
|
|
Затраты на
работы выполняемые сторонними организациями
|
2170
|
|
Прочие прямые
расходы
|
7200
|
|
Накладные
расходы
|
2755,63
|
|
Непредвиденные
расходы
|
688,91
|
|
Итого затрат
|
24422,71
|
Вычисление стоимости изготовления системы
контроля и диагностики ЗС.
Проведем расчет стоимости, разрабатываемой системы контроля и
диагностики модулей ЗС. Смета затрат на ОКР включает следующие статьи расходов:
материалы и комплектующие изделия;
основная заработная плата рабочих;
заработная плата с учётом районного коэффициента;
отчисления по единому социальному налогу;
затраты на оплату работы, выполненной другими организациями;
накладные расходы;
непредвиденные расходы.
Затраты на основные материалы и комплектующие, необходимые для
изготовления устройства, приведены в таблице 7.8 и 7.9 таблице.
Таблица 7.8 - Затраты на основные материалы
|
Материалы
|
Марка
|
Норма расхода
|
Цена за единицу
|
Сумма, руб.
|
|
Стеклотекстолит
|
СФ-2-35-1,5
|
0,49дм290 руб./дм244,1
|
|
|
|
Провод
|
МГТФ-0,12
|
2 м
|
1,5 руб./м
|
3
|
|
Припой
|
ПОС 61
|
0,1 кг
|
700 руб./кг
|
70
|
|
Прочие
|
|
|
|
50
|
|
Итого:
|
167,1
|
Таблица 7.9 - Затраты на комплектующие изделия
|
Наименование
|
Обозначение
|
Кол-во, шт.
|
Цена за
единицу, руб./шт.
|
Сумма, руб.
|
|
Источник питания
импульсный
|
MPS-45-5
|
1
|
570
|
570
|
|
Конденсатор
|
CC1206CG330250
|
6
|
2,5
|
15
|
|
CC1206CG123250
|
2
|
2,7
|
5,4
|
|
Резистор
|
RC-02-102JT
|
25
|
0,2
|
5
|
|
RC-02-103JT
|
14
|
0,2
|
2,8
|
|
RC-02-302JT
|
12
|
0,2
|
2,4
|
|
С5-36В 25 100
5%
|
1
|
12,8
|
12,8
|
|
Транзистор
|
IRF7404
|
1
|
15
|
15
|
|
BC846BDWT
|
7
|
2
|
14
|
|
Резонатор
|
НС-49/US-12000
|
1
|
7
|
7
|
|
Микросхема
|
AD8400
|
1
|
53
|
53
|
|
LM338
|
1
|
235
|
235
|
|
ATMEGA16
|
2
|
60
|
120
|
|
К1401УД2А
|
2
|
22
|
44
|
|
Светодиод
|
L-53SRD
|
6
|
2
|
12
|
|
Переключатель
|
SWR-41
|
1
|
8,2
|
8,2
|
|
Кнопка
|
SPA109S
|
1
|
2,8
|
2,8
|
|
Разъём
|
IDC-14M
|
1
|
4,5
|
4,5
|
|
IDC-10M
|
1
|
3,5
|
3,5
|
|
«Крокодил»
|
2
|
3
|
6
|
|
СНП226
|
1
|
13
|
13
|
|
Корпус
|
G1507
|
1
|
500
|
500
|
|
Кабель плоский
|
FRC-10-76 1,27мм
|
1
|
10
|
10
|
|
Итого:
|
|
1661,4
|
Общие затраты по статье "Материалы и комплектующие
изделия" составят: =1828,5 руб.
Определимся с заработной платой основных производственных рабочих,
для этого выделим основные технологические операции:
) монтаж радиоэлементов на печатных платах;
) настройка смонтированных плат;
) монтаж печатных узлов;
) настройка блока.
Выполнение всех этих работ производится силами инженера-технолога.
Таблица 7.10 - Фонд оплаты труда инженера-технолога
|
Должность
|
Разряд по
тарифной сетке
|
Оклад, руб.
|
, руб.
|
, чел./дней
|
, руб.
|
ЗПрк,
руб.
|
, руб.
|
|
Инженер-технолог
|
10
|
1764
|
80,183240,5472,1682,87
|
|
|
|
|
|
, руб.
|
395,57
|
Фотошаблон печатной платы и печатная плата изготовлялись
сторонними организациями.
Таблица 7.11 - Затраты на работы, выполняемые сторонними
организациям
|
Наименование
|
Кол-во единиц
|
Цена за единицу
|
Общая стоимость,
руб.
|
|
Изготовление
фотошаблона ПП
|
1 шт.
|
300 руб./шт.
|
300
|
|
Изготовление ПП
|
1 шт.
|
120 руб./шт.
|
120
|
|
Итого
|
420
|
В статью "Накладные расходы" включаются расходы на
управление и хозяйственное обслуживание, которые составляют 20% или 0,2 от
суммы всех затрат:
, (7.9)
Знакл= (167,1+1661,4+395,57+420)
0,2 =528,81руб.
На непредвиденные расходы оставим 5% или 0,05 от суммы всех прямых
затрат:
, (7.10)
= (167,1+1661,4+395,57+420)
0,05 =132,2 руб.
Все расходы на изготовление сведем в таблицу 7.12
Таблица 7.12 - Стоимость системы контроля и диагностики модулей ЗС
|
Статьи затрат
|
Сумма, руб.
|
|
Основные
материалы
|
167,1
|
|
Комплектующие и
изделия
|
1661,4
|
|
Основная
заработная плата исполнителей
|
240,54
|
|
Районный
коэффициент к заработной плате
|
72,16
|
|
Отчисления по
единому социальному налогу
|
82,87
|
|
Затраты на
работы выполняемые сторонними организациями
|
420
|
|
Накладные
расходы
|
528,81
|
|
Непредвиденные
расходы
|
132,2
|
|
Итого затрат:
|
3305,08
|
7.2 Расчет годовых текущих издержек
Обслуживания системы диагностики модулей ЗС не требуется,
следовательно, заработную плату обслуживающего персонала рассчитывать не
требуется.
Сумма амортизационных отчислений рассчитывается по формуле (7.11).
, (7.11)
где
- балансовая стоимость j-го вида оборудования, руб.;
- норма годовых амортизационных отчислений для работы j-го вида оборудования, %;
- количество единиц оборудования j-го вида;
- время работы оборудования, ч.;
- эффективный фонд времени работы оборудования, ч.
Если считать, что в год оборудование должно работать по 8 часов в
течение 264 дней, то эффективный фонд времени работы оборудования
составит 2112 часов.
Если считать, что в день оборудование работает в течение 5 часов,
то в течение года оно будет работать в течение
= 1320 часов.
Так как нам не известна стоимость изготовления аналога, будем
исходить из его рыночной стоимости - 35000 рублей. В состав комплекса входит
комплект датчиков, аппаратура для считывания информации с диаграммных дисков и
пакет прикладных программ, необходимых для работы комплекса. Для работы
комплекса понадобится стол.
Стоимость разрабатываемой системы определим по методу «средние
издержки плюс прибыль».
В нашем случае стоимость разработанного прибора будет равна
себестоимости плюс 20% или 0,2, тогда:
= =3966,1 руб. ≈ 4000 руб.
Норму годовых амортизационных отчислений находим по линейному
методу начисления амортизации. Результат расчета годовых амортизационных
отчислений для разработанного изделия, согласно формуле (7.11) приведен в
таблице 7.13.
Таблица 7.13 - Амортизационные отчисления разработанного
устройства
|
Вид
оборудо-вания
|
Груп-па ОС
|
Норматив-ный
СПИ, лет
|
Расчет-ный СПИ,
лет
|
, руб.
|
, %
|
, руб.
|
|
Разработанная
СКиДЗС
|
4
|
5…7
|
7
|
3966,114,286354,12
|
|
|
|
Итого, руб.
|
354,12
|
Затраты на потребляемую электроэнергию рассчитываются по формуле
(7.12).
, (7.12)
где
- установленная потребляемая мощность,
кВт;
- тариф на электроэнергию, руб./кВт×ч.
Потребляемая мощность блока питания, осуществляющего эмуляцию
зарядки аккумуляторов, составляет
= 0,045 кВт, а аналог потребляет -
= 0,350 кВт. Исходя из стоимости электроэнергии
= 1,15 руб./кВт×ч. по формуле (7.12) имеем:
= = 68,31 руб.;
= = 531,3 руб.
Вспомогательных материалов для работы разрабатываемого устройства,
как и для его аналога не требуется.
Годовые эксплуатационные издержки найдем как сумму затрат на
электроэнергию, вспомогательные материалы и амортизационные отчисления:
. (7.13)
Результат расчета представлен в таблице 7.14.
Таблица 7.14 - Годовые
эксплуатационные издержки
|
Наименование
составляющих издержек
|
Сумма затрат в
год, руб.
|
|
Разрабатываемого
устройства
|
Аналога
|
|
Заработная
плата обслуживающего персонала
|
-
|
-
|
|
Амортизационные
отчисления
|
354,12-
|
|
|
Затраты на
потребляемую электроэнергию
|
68,31531,3
|
|
|
Затраты на
вспомогательные материалы
|
-
|
-
|
|
Итого, руб.
|
422,43531,3
|
|
7.3 Расчет экономического эффекта от разработки
Годовой экономический эффект от внедрения системы контроля и
диагностики модулей ЗС:
, (7.14)
где
,
- стоимость (себестоимость) базового и разрабатываемого изделия
соответственно, руб.;
,
- коэффициенты технико-эксплуатационных
параметров базового и разрабатываемого продукта соответственно;
,
- коэффициенты срока службы базового и
разрабатываемого изделия, годы;
,
- годовые эксплутационные издержки
базового и нового средства, руб.;
- доля отчисления от стоимости на полное восстановление
разрабатываемого изделия;
- нормативный коэффициент эффективности,
= 0,15;
,
- сопутствующие капитальные вложения
(дополнительные) в базовое и разрабатываемое изделия, руб.;
- годовой объем выпуска разрабатываемого продукта, шт.;
Доля отчисления от стоимости на полное восстановление
разрабатываемого изделия
, рассчитывается как величина, равная
половине от общей нормы амортизации (в долях единицы):
, (7.15)
Срок службы приборов считаем равным, то есть
=
= 7 лет.
Годовой объем выпуска разрабатываемой системы
равен 100 шт.
Сопутствующие капитальные вложения в базовое и разработанное
изделия отсутствуют, то есть
=
= 0.
Тогда, по формуле (7.14), годовой экономический эффект от
внедрения разработки:
Эгод=
= =50110,54
Определим срок окупаемости
затрат на разработку нового продукта:
, (7.16)
где
- единовременные капитальные затраты на
разработку проекта, руб.
- стоимость опытного образца, руб.
=
Коэффициент экономической эффективности рассчитывается:
, (7.17)
=
=1,387.
В данном случае разработка должна окупиться практически сразу.
Так как
>
данная разработка является экономически выгодной.
Это легко объясняется тем, что разработанная система контроля и
диагностики модулей ЗС отличается от аналога принципом действия и более простым
схемотехническим решением, как следствие этого является более низкая стоимость,
а также тем, что планируется большая программа выпуска изделий в год.
7.4 Маркетинговое исследование
Данный проект не предназначен для рядового покупателя, применение
разработки необходимо для шахтной и рудничной промышленности. Зарядные станции,
для проверки которых предназначена разрабатываемая система, применяются на
большом количестве шахт и рудников по всей России и стран ближнего зарубежья.
Так как цена разрабатываемой системы контроля и диагностики
модулей ЗС ниже цены аналогов, по причине схемотехнического решения и его
узкого предназначения, ценообразование сводиться к рассчитанной цене.
Для продвижения разработки на рынке необходимо провести
программу по доведению до потенциальных покупателей информации о системе:
выгода и простота использования. Для этого необходимо разместить информацию о
системе в печатных изданиях по шахтному оборудованию, представить систему на
выставках, представить систему в сети Интернет. Для увеличения потребителей,
данную программу надо проводить постоянно.
8. Безопасность жизнедеятельности
Анализ опасных и вредных производственных
факторов на рабочем месте разработчика
8.1 Обзор опасных и вредных факторов
Трудовой процесс оператор сопровождается
нервно-психологическим и физическим напряжением организма.
С развитием техники и широким внедрением механизации и
автоматизации производственных процессов уменьшается роль физического труда
человека, однако, возрастает роль умственной нагрузки и возникает проблема
нервного утомления.
В целях предупреждения травматизма и профессиональных
заболеваний при воздействии опасных и вредных производственных факторов (О и
ВПФ) на предприятиях применяются меры по их предупреждению и устранению, а также
снижению степени воздействия на работающих.
Для снижения воздействия О и ВПФ на разработчика во время
работы в первую очередь необходим их тщательный анализ.
Вредные и опасные производственные факторы, согласно ГОСТ
12.0.003-74 «ССБТ». Опасные и вредные производственные факторы подразделяются
на четыре группы:
физические;
химические;
биологические;
психофизиологические.
Каждая группа в свою очередь подразделяется на подгруппы. В
лаборатории, где проходила разработка, следующие физические, опасные и вредные
производственные факторы:
повышенная запыленность воздуха рабочей зоны;
повышенная, или пониженная температура воздуха;
повышенный уровень шума на рабочем месте;
отсутствие или недостаток естественного света;
недостаточная освещенность рабочей зоны.
По степени физической тяжести работа инженера-конструктора
относится к легкой работе (первая категория работ). Большую часть рабочего
времени инженер-конструктор проводит на своем рабочем месте.
При выполнении своей работы инженер практически не растрачивает
мускульной энергии. Происходит в основном, трата нервной энергии. Основные
нагрузки - умственные и нервно-психологические. Поэтому определяющими ОВПФ,
действующими на инженера-конструктора при выполнении им работы, являются
психофизиологические производственные факторы.
Оператор не подвержен воздействию химических и биологических
О и ВПФ. Согласно ГОСТ 12.1.005-66 работу инженера-конструктора можно отнести к
первой категории сложности, включающей в себя легкие физические работы, то есть
работы, производимые сидя, стоя или связанные с ходьбой, но не требующие
систематического физического напряжения при поднятии и переносе тяжестей.
Энергозатраты до 162 Дж/с.
Состояние воздушной среды определяется метеорологическими
условиями на производстве, или производственным микроклиматом (температурой (18
- 25 °°C), влажностью (40 - 80%) и скоростью теплового излучения) и
поступлением вредных выделений в воздушную среду. Длительность воздействия на
человека неблагоприятных метеорологических факторов резко ухудшает самочувствие,
снижает производительность труда и часто приводит к заболеваниям.
Длительное воздействие шума большой интенсивности приводит к
патологическому состоянию организма, к его утомлению.
Утомление может постепенно перейти в глухоту и глухость, обнаруживаемые
через несколько лет работы. Интенсивный шум вызывает изменение
сердечно-сосудистой системы, сопровождаемые нарушением тонуса и ритма сердечных
сокращений, изменяется артериальное кровяное давление. Шум приводит к нарушению
нормальной работы желудка. Особенно страдает центральная нервная система.
По специфике своей работы оператор подвержен действию
нервно-психологических нагрузок. Монотонность работы, эмоциональные и
умственные перегрузки уменьшают его работоспособность и производительность.
Особенно страдает центральная нервная система.
8.2 Микроклимат
Большое внимание необходимо уделять параметрам окружающей
среды. От температуры, давления и влажности зависят условия
электробезопасности. Микроклиматические условия в помещении существенно
сказываются на качестве работы и производительности труда, а также на здоровье
работающих, такая деталь как пыль, при длительном воздействии, может привести к
тяжелым последствиям. Пыль оказывает фибpогенное воздействие на организм - это
такое воздействие при котором в легких происходит разрастание соединительной
ткани, которая нарушает нормальное строение и функционирование органов.
Наибольшей фиброгенной активностью обладают аэрозоли
конденсации с частицами размером до 0.5мкм, а также аэрозоли дезинтеграции с
размером частиц до 5мкм и более всего частицы размером 12 мкм глубоко
проникающие и задерживающиеся в легких.
Источниками пыли, обладающей наибольшей фиброгенной
активностью, является пыль некоторых веществ, стекловолокна, слюды и другие.
Эти вещества оказывают раздражающее воздействие на верхние
дыхательные пути. Пыли токсичных веществ (свинца, хрома, беpилия и другие)
оказывают характерное для них токсическое действие.
Степень опасности пыли также зависит от формы частиц, их
твердости, волокнистости, электpозаpяженности и тому подобное.
Вредность производственной пыли обусловлена ее способностью,
вызывать профессиональные заболевания легких, в первую очередь пневмокониозы.
Пневмокониозы вызывает пыль содеpжащая двуокись кpемния в свободном или
связанном состоянии, дpугие виды пpоизводственной пыли (угольная,
электpосваpочная, тальковая, слюдяная, феppитовая).
Производственная пыль оказывает раздражающее воздействие,
может вызвать профессиональные пылевые бронхиты, пневмонии, астматические
pаниты, бpонхиальную астму, снизить защитные свойства оpганизма. Пылевые
бpонхиты может вызвать минеpальная пыль (кваpцосодеpжащая, угольная,
известковая, металлическая) и оpганическая пыль (мучная, зеpновая,
пластмассовая, хлопковая, волосяная, шерстяная).
Попадающие в организм человека химические вещества и пыль
приводят к нарушению здоровья, если их количество в воздухе превышает
определенную для каждого вещества величину.
Согласно требованиям санитарии в воздухе рабочей зоны
производственных помещений устанавливают предельно допустимые концентрации
(ПДК,мг/м3) вредные вещества, утвержденные Минздравом СССР, превышение которых
не допускается.
Предельно - допустимая концентрация вредных веществ в воздухе
приведены в ГОСТ 12.1.005-88. В этом действующем нормативном документе описано
около 1500 токсичных веществ.
Под предельно - допустимой концентрацией (ПДК) вредных
веществ в воздухе рабочей зоны понимают концентрацию, которая при ежедневной
(кроме выходных дней) работе в течении восьми часов или другой
продолжительности (но не более 41 часа в неделю) во время всего рабочего стажа
не может вызвать заболеваний.
В таблице приведены микроклиматические воздействия на рабочем
месте:
.1 Таблица - Оптимальные и допустимые нормы микроклимата
|
Период года
|
Температура,°С
|
Относительная
влажность, %
|
Скорость
движения воздуха, м/с
|
|
Опти-маль-ная
|
Допустимая на
рабочих местах
|
Опти-мальн-ая
|
До-пус-ти-мая
|
Опти-маль-ная,
не более
|
До-пус-ти-мая,
не более
|
|
|
Верхняя
|
Нижняя
|
|
|
|
|
|
|
Пост.
|
Не пост
|
Пост.
|
Не пост.
|
|
|
|
|
|
Хо-лод-ный
|
22 - 24
|
25
|
26
|
21
|
18
|
40 - 60
|
75
|
0,1
|
0,1
|
|
Теп-лый
|
23 - 25
|
28
|
30
|
22
|
20
|
40 - 60
|
70
|
0,1
|
0,1
|
Интенсивность теплового облучения (по ГОСТ 12.1.005-88) от
нагретых поверхностей технологического оборудования, осветительных приборов,
инсоляции не должна превышать 35 Вт/м2 при облучении 50 процентов поверхности
тела и более, 70 Вт/м2 -при величине облучаемой поверхности от 25 до 50
процентов и 100 Вт/м2 - при облучении не более 25 процентов поверхности тела.
Интенсивность теплового облучения работающих от открытых источников (нагретый
металл , стекло, открытое пламя и др.) не должна превышать 140 Вт/м2 при этом
облучению не должно подвергаться более 25 процентов поверхности тела и
обязательным является использование средств индивидуальной защиты, в том числе средств
защиты лица и глаз.
Из приведенных данных следует, что температура воздуха в
лаборатории соответствует нормам. Принятия дополнительных мер по созданию
благоприятных условий не требуется.
8.3 Расчет естественного освещения
Для нашего случая характер зрительной работы оператора
соответствует средней точности работ. Наименьший размер объекта различения
составляет 0.5 - 1 мм, что соответствует 4 разряду зрительной работы.
Значение освещения в процессе жизнедеятельности, и особенно в
производственной сфере - очень велико. При неудовлетворительном освещении
зрительная способность снижается, и могут появиться такие заболевания глаз, как
близорукость, резь в глазах, катаракта. Правильно выполненная система освещения
имеет большое значение в снижении производственного травматизма, уменьшая
потенциальную опасность многих производственных факторов; создает нормальные
условия для работы органам зрения и повышает общую работоспособность организма.
На предприятиях радиоэлектронной промышленности получило
наибольшее распространение боковое, естественное освещение. При таком освещении
основой расчета является требуемая площадь светового проема, которая
определяется по формуле (8.10):
S=(Sn*En*Kз*hо*Кзо) / (100*to*r1), (8.10)
где Sn - площадь помещения, кв. м;- нормированное значение
коэффициента естественного освещения (КЕО) , %;з - коэффициент запаса,
принимаемый из таблиц;о - световая характеристика окон (6.5-29);
Кзо - коэффициент, учитывающий затемнение окон
противостоящими зданиями. Т.к. нет близко стоящих зданий Кзо=1;- общий
коэффициент светопропускания, определяемый из
СН и П2 - 4 - 69 (0.1 - 0.8);- коэффициент, учитывающий
повышение КЕО за счет
отраженного света от поверхностей помещения, определяется из
таблиц и зависит от светового потока р, который расчитывается по формуле:
р=(45*р1+20*р2+20*р3)/85=0.4647.
Коэффициент Кз равен:
Кз = 1.5
Учитывая, что длина пола помещения равна 8 м, а ширина равна
5 м, находим площадь пола:п = 8*5=40 (кв. м). (8.11)
Нормированное КЕО равен:
en = 1.5.
На основании таблиц значение остальных коэффициентов примем
равными следующим:= 15;зо = 1;=3.
Коэффициент t рассчитывается как :
, (8.12)
где t1 - коэффициент потерь в стекле, t1=0.8; - коэффициент
потерь в следствии затемнения переплетами, t2=0.5;- коэффициент потерь в
следствии загрязнения стекла, t3=0.8;- коэффициент потерь а следствии
затемнения конструктивными элементами здания, t4=1.


.
Итак, при подсчете получим следующие значения требуемой
площади:=(40*1.5*1.5*15*1)/(100*0.38*3)=11.84 (м2). (8.13)
Учитывая, что в помещении площадь оконного проема составляет около
10 м2, применение одного бокового освещения не достаточно для данного
помещения. Следовательно, в помещении необходимо дополнительно использовать
искусственное освещение, расчет которого произведем ниже.
8.4 Расчет искусственного освещения
Для четвертого разряда зрительной нормы рекомендуется
освещенность 200 лк. Наиболее благоприятным, с гигиенической точке зрения, для
искусственного освещения считается использование газоразрядных люминесцентных
ламп низкого давления. Спектральный состав спектра, излучаемый такими лампами,
наиболее близок к спектральному составу солнечного света. Производим расчет
искусственного освещения для данного помещения.
( 8.14)
где Е - номинальная освещенность рабочего места;
- световой поток от лампы;- количество светильников;
- коэффициент запаса, учитывающий запыленность и износ
светильников;- коэффициент ипользования светильников;- площадь помещения, м2;-
коэффициент неравномерности освещения.
Согласно СНИП 11-4-79 для использования данного типа ламп:
=1.4; z=1.2.
Коэффициент n зависит от типа светильника, коэффициентов отражения
светового потока от стен - р1, потолка - р2, пола - р3, которые в свою очередь
зависят от геометрических размеров помещения, учитывающихся величиной I -
индекс помещения.
=A*B/h*(A+B), (8.15)
где А - длина, м, А=8 м;
В - ширина, м В=5 м;- высота, м, h=3,5 м.=8*5/3,5*(8+5)=0.88.
Определяем коэффициенты р из таблиц :р1=70%, р2=30%, р3=10%.
По таблице определяем n=0.39, при найденом значении I.
Таблица 8.2 - Значения коэффициента использования светового потока
в зависимости от показателя помещения
|
Показатель
помещения, I
|
0.5
|
1
|
2
|
3
|
4
|
|
Коэффициент
использования светового потока, h
|
0.22
|
0.36
|
0.48
|
0.54
|
0.59
|
Определим номинальную освещенность рабочего места по формуле
Е=(3120*24*0.39*1.25)/1.4*60*1.2=217.3 лк.
Ионизирующее излучение
Источником излучения в рабочем помещении является
электронно-лучевые трубки мониторов персональных компьютеров. Предел дозы
облучения. Предел облучения категории Б, согласно НРБ - 76187 составляет 0,5
бэр/год.
Оценим дозу облучения, которую получает конструктор за год.
Д = Ф (Е + М), (8.16)
где Е - естественный фон, Е = 2*10-5 бэр/год;
М - излучение от монитора, при работе инженера с компьютером,
М = 6*10-5 бэр/час;
Ф - годовой фонд рабочего времени, час;
Д = 260*8*(2*
+ 6*
) = 0,166 бэр/год;
Доза облучения оператора получилась на порядок ниже установленных
норм.
8.5 Влияние шума
С физиологической точки зрения шум рассматривается как звук,
мешающий разговорной речи и негативно влияющий на здоровье человека. Шум
является одним из наиболее распространенных в производстве вредных факторов.
Люди, работающие в условиях повышенного шума, жалуются на быструю утомляемость,
головную боль, бессонницу. У человека ослабляется внимание, страдает память.
Все это приводит к снижению производительности труда.
Стандарт ГОСТ 12.1.028-80 "Шум. Определение шумовых
характеристик источников шума в верберационном помещении. Технический
метод" распространяется на машины, технологическое оборудование и другие
источники шума, которые создают в воздушной среде все виды шумов по ГОСТ
12.1.003-83. Шум на рабочих местах создается работающим оборудованием, а также
проникает извне.
Для оценки шума используют частотный спектр измеряемого
уровня звукового давления, выраженного в дБ, в октавных полосах частот, который
сравнивают с предельным спектром, приведены в таблице (таблица дана в
сокращении).
Таблица 8.3 - Допустимые уровни звукового давления и уровня
звука на рабочих местах
|
Рабочие места
|
Уровни звукового
давления, дБ, в активной полосе частот, Гц
|
Уровни звука,
дБ
|
|
63
|
125
|
250
|
500
|
1000
|
2000
|
4000
|
8000
|
|
|
(1)
|
71
|
61
|
54
|
49
|
45
|
45
|
40
|
38
|
50
|
|
(2)
|
79
|
70
|
63
|
58
|
55
|
55
|
50
|
49
|
60
|
|
(3)
|
83
|
74
|
68
|
63
|
60
|
60
|
55
|
54
|
65
|
|
(4)
|
94
|
87
|
82
|
78
|
75
|
75
|
71
|
70
|
80
|
|
(5)
|
99
|
92
|
86
|
83
|
80
|
78
|
76
|
74
|
85
|
(1) - помещение конструкторских бюро, лаборатории для
теоретических работ;
(2) - помещения управлений, рабочие комнаты;
(3) - кабины наблюдения и дистанционного управления с речевой
телефонной связью, помещение и участки тонкой сборки;
(4) - лаборатории для проведения экспериментальных работ;
(5) - постоянные рабочие места и рабочие зоны в
производственных помещениях и на территории предприятий.
Уровень шумов в нашем помещении от компьютеров и другого
оборудования соответствует пункту 1 таблицы 8.3. В данном конкретном случае его
уровень соответствует норме.
8.6 Эргономический анализ
Для создания благоприятных условий труда необходимо учесть
психофизические особенности человека, на которого влияют планировка рабочего
места, учет зоны досягаемости рук оператора при расположении персонального
компьютера.
Рабочее место, при выполнения действий в положении сидя
должно соответствовать нормам ГОСТ 12.2.032-78.
Определим требования к рабочему месту: обеспечение
возможности удобного выполнения работ, учет физической тяжести труда, учет
размеров рабочей зоны, учет технологических особенностей процесса выполнения
работ. Параметры рабочего места конструктора приведены в таблице.
Таблица 8.4 - Параметры рабочего места конструктора
|
Параметры
|
Рекомендуемые
мм.
|
Фактические, мм
|
|
Высота сидения
|
450
|
450
|
|
Высота рабочей
поверхности
|
720
|
710
|
|
Ширина сидения
|
500
|
450
|
|
Высота спинки
сидения
|
800
|
500
|
|
Высота
пространства для ног
|
600
|
700
|
|
Размеры рабочей
поверхности
|
1600*900
|
1500*800
|
|
Высота ПК
|
620-800
|
750
|
|
Расстояние от
глаз конструктора до предмета
|
600
|
500
|
|
Расстояние от
экрана или предмета до края стола
|
750
|
450
|
В рабочей зоне необходимо исключение резких и подвижных
теней, отблесков.
Работа оператора в основном связана с умственным трудом,
следовательно, должны быть учтены и психологические факторы. Они учитывают
функции мозга, объективные закономерности психологической деятельности, а также
психологические свойства человека, связанные с процессом труда.
На любого человека благоприятно влияет нормальный, здоровый
климат в коллективе, от которого зависит эмоциональное состояние работающих.
8.7 Антропометрические показатели
Большую роль в создании благоприятных условий труда играет
планировка рабочего места, которая должна удовлетворять условиям удобства
выполнения работ, экономии энергии и времени оператора, рационального
использованияё производственных площадей и удобства обслуживания устройств ЭВМ.
При планировке рабочего места необходимо учитывать зоны
досягаемости рук оператора при расположении дисплея, клавиатуры, органов
управления системы и периферийных устройств. Эти зоны, установленные на
основании антропометрических данных человеческого тела, дают возможность
рационально разместить как по горизонтали так и по вертикали все элементы
рабочего места.
Правильная организация рабочего места оператора ЭВМ
предусматривает также соблюдение следующих параметров:
высота пульта с клавиатурой 62-88 см (над уровнем пола);
высота экрана (над уровнем пола) 90-128 см;
расстояние от экрана до края стола 0-115 см;
наклон экрана от -150 до +200 к
нормальному его положению;
расстояние от глаз оператора до экрана должно быть в пределах
от 40-80 см .
Рабочее место, на котором выполнялась дипломная работа,
удовлетворяет перечисленным выше требованиям правильной организации рабочего
места оператора ЭВМ.
В состав рабочего места входят персональный компьютер,
видеомонитор, клавиатура.
Органы управления, к которым относятся клавиатура и
манипулятор “мышь” ЭВМ расположены в зоне досягаемости, ограниченной длиной
руки, т.е. 70 - 80 см. Такое расположение обеспечивает равномерную нагрузку
обеих рук оператора.
К системам отображения информации, на данном рабочем месте,
относятся: видеомонитор ЭВМ. Видеомонитор распложен в зоне
пространства отображения информации (+150
от нормальной линии взгляда), что обеспечивает оптимальный зрительный поиск.
В результате анализа можно сделать вывод, что организация рабочего
места, в общем, обеспечивает оптимальные условия работы. Так как и остальные
условия работы в помещении являются удовлетворительными (микроклимат,
освещение, электробезопасность и т.д.), о чем писалось выше, то согласно ГОСТ
12.2.032-78.ССБТ данное рабочее место работника можно считать соответствующим
общим эргономическим требованиям.
8.8 Режимы работы оператора
Работа, выполняемая оператором, относится к умственной
работе. По степени физической тяжести - к категории легких работ. Основная
нагрузка падает на центральную нервную систему. При проектировании и
организации оптимальных условий труда для оператора должны быть соблюдены
условия, позволяющие полноценно работать.
По СНиП 2.2.2.542-96 для обеспечения оптимальной
работоспособности и сохранения здоровья профессиональных пользователей, на
протяжении рабочей смены должны устанавливаться регламентированные перерывы.
Время регламентированных перерывов в течение рабочей смены следует
устанавливать в зависимости от её продолжительности, вида работ и категории
трудовой деятельности. Продолжительность непрерывной работы с ВДТ без регламентированного
перерыва не должна превышать 2-х часов. При 8-ми часовой рабочей смене и работе
на ВДТ и ПЭВМ регламентированные перерывы следует устанавливать: для I категории работ через 2
часа от начала рабочей смены и через каждые 2 часа после обеденного перерыва
продолжительностью 15 минут каждый.
По СНиП 2.2.2.542-96 в целях обеспечения требований значений
визуальных параметров в пределах оптимального диапазона, а также защиты от
электромагнитных и электростатических полей допускается применение приэкранных
фильтров, специальных экранов и других средств индивидуальной защиты, прошедших
испытания в аккредитованных лабораториях и имеющих соответствующий
гигиенический сертификат.
По СНиП 2.2.2.542-96 схемы размещения рабочих мест с ВДТ и
ПЭВМ должны учитывать расстояния между рабочими столами и видеомониторами (в
направлении тыла поверхности одного видеомонитора и экрана другого
видеомонитора) которое должно быть не менее 2,0 метров, а расстояние между
боковыми поверхностями видеомонитора не менее 1,2 метра. Рабочие места с ВДТ и
ПЭВМ в залах электронно-вычислительных машин или в помещениях с источниками
вредных производственных факторов должны размещаться в изолированных кабинах с
организованным воздухообменом.
Мероприятия по организации рабочих мест заключаются в
следующем: необходимо вместо канцелярских столов - специальный стол с опорой
для левой руки, с местом для размещения текстов и записей в зоне оптимальной
досягаемости правой руки, с регулируемой по высоте клавиатурой и экраном
терминала.
Мероприятия по снижения нервно-психологического напряжения и
уменьшению его вредного влияния: установление рационального режима труда и
отдыха, организация отдыха в процессе работы, профессиональный отбор.
Необходимо ввести нормированный 8 - часовой рабочий день: перерыв 20 минут
каждые два часа.
Пути снижения неблагоприятных воздействий на пользователей
ЭВМ:
Для уменьшения воздействия магнитных и электрических полей
необходимо приобретать технику, соответствующую стандартам МЭК 950 (1991)
издание 2-е, неисправленное/EN 60950 (1992). Или приобретать специальные
защитные фильтры для мониторов прошедших соответствующую сертификацию.
Требуется также проводить заземление оборудования.
Для уменьшения влияния мерцания экрана на зрение, необходимо
устанавливать мониторы имеющие частоту обновления экрана не менее 70 Гц.
Для улучшения зрительного восприятия желательно, чтобы
минимальный размер изображения (pixel) на экране не превышал 0.28 мм. Рекомендуется
время от времени давать отдых глазам, особенно при работе с мелкими изображениями.
Для снижения нагрузки на кисти рук, следует использовать
специальные клавиатуры, или подкладывать подкладки под запястья.
Для снижения утомляемости мышц кистей рук, при интенсивной
работе за клавиатурой необходимо делать перерыв с физическими упражнениями для
кистей.
Для снижения уровня шума, следует приобретать оборудование с
минимальными шумовыми характеристиками, например струйные принтеры при работе
излучают шумы мощностью 6,1 ВА при давлении звука в непосредственной близости
46 dB(А).
9. Оценка условий труда
Под условиями труда понимается совокупность факторов
производственной среды, оказывающих влияние на здоровье и работоспособность
человека в процессе труда
Понятие тяжести труда одинаково применимо как к умственному
труду, так и к физическому. Тяжесть труда характеризует совокупное воздействие
всех элементов, составляющих условие труда, на работоспособность человека, его
здоровье, жизнедеятельность и восстановление рабочей силы.
Для расчета категории тяжести труда составляется карта условий
труда, производится интегральная оценка тяжести труда. Карта условий труда дана
в таблице
Интегральная оценка тяжести труда
Ит = (Хопр + хi*(6- Хопр/(n-1)*6))*10, (8.17)
где Хопр - фактор, получивший наибольшую оценку в баллах;
хi - сумма баллов биологических значимых факторов без Хопр;
n - количество производственных факторов;
Таблица 8.5 - Санитарно гигиенические факторы
|
Наименование
фактора
|
Предельно-допустимые
значения
|
Величина
фактора
|
Длительность
действия
|
Балл с учетом
человеческого действия
|
|
|
в абс. величине
|
балл
|
Мин
|
Ед
|
|
|
Температура на
рабочем месте, °С
|
20-23
|
20-22
|
1
|
30
|
0,625
|
0,625
|
|
Промышленный
шум, Дб
|
до 50
|
до 50
|
1
|
300
|
0,625
|
0,625
|
|
Ионизирующие
облучение, бэр/год
|
0,5
|
0,0828
|
1
|
300
|
0,625
|
0,625
|
*1ед = 480 мин.
По формуле имеем
Ит = (2,5 +(5*0,625 +1,25)*(6-2,5)/(7-1)*6)*10 = 29,25
Определяем категорию по таблице .Индекс категории тяжести
труда - 2. Эта категория характеризуется выполнением работ в условиях, когда
предельно-допустимые величины производственных вредных, и опасных факторов не
превышают требований нормативно-технических документов. При этом
работоспособность не нарушается, отклонений в состоянии работы на наблюдается в
течении всего периода трудовой деятельности человека.
Анализ всех выявленных вредных факторов предусматривает
разработку мер защиты. Для поддержания безопасных условий труда целесообразно
проводить следующие мероприятия: ежедневная влажная уборка помещения,
ежедневная проверка сохранности изоляции токоведущих частей аппаратуры и ее
заземление, соблюдение всех правил техники безопасности на персональном
компьютере.
9.1 Пожарная профилактика
Здание, где находится компьютерный кабинет, и место оператора
построено из несгораемого материала - кирпича и относится к зданиям второй
степени огнестойкости. В соответствии ОНТП 26-84 по оценки пожарной опасности
производства, рабочее помещение относится к группе В.
Приведем возможные причины возникновения пожаров:
) наличие твердых горючих веществ;
) опасная перегрузка сетей, которая ведет за собой сильный
разогрев токопроводящих проводников и загорания изоляции;
) различные короткие замыкания;
) пуск оборудования после ремонта;
Для предупреждения пожаров от коротких замыканий, перегрузок
необходим правильный выбор монтаж и соблюдение установленного режима
эксплуатации электрических сетей, дисплеев и других устройств.
Для предупреждения пожаров также необходимы следующие
мероприятия:
) противопожарный инструктаж;
) соблюдение противопожарных норм и правил при установке
оборудования, освещение и другие электросистемы;
) правильная эксплуатация оборудования;
) правильное размещение оборудования;
) современный профилактический осмотр, ремонт и испытание
оборудования;
Для тушения пожаров можно применять: галоидированные
углеводороды, углекислый газ, воздухо-механическую пену.
В здании на видном месте, вывешен план эвакуации при пожаре,
а также пожарный щит с огнетушителями и с другим противопожарным оборудованием.
9.2 Инструкции по технике безопасности
Электробезопасность
Согласно классификации помещений по электробезопасности
дипломная работа проводилась в помещении без повышенной опасности (класс 01 по
ГОСТ 12.1.019-79), характеризующимся наличием следующих условий:
переменное напряжение питающей сети 220 В, частотой 50 Гц;
относительная влажность воздуха не более 75%;
средняя температура не более 35°С;
наличие деревянного полового покрытия.
При нормальном режиме работы оборудования опасность поражения
током невелика. Однако, возможны режимы, называемые аварийными, когда
происходит случайное электрическое соединение частей оборудования, находящихся
под напряжением с заземленными конструкциями.
Таблица 8.6 - Напряжения прикосновения и токов
|
Род тока
|
U,В
|
I,мA
|
|
Переменный, 50
Гц
|
2.0
|
0.3
|
|
Переменный, 400
Гц
|
3.0
|
0.4
|
|
Постоянный
|
8.0
|
1.0
|
Напряжения прикосновения и токи приведены при
продолжительности воздействия не более 10 минут в сутки и установлены исходя из
реакции ощущения.
Напряжения прикосновения и токи для лиц, выполняющих работу в
условиях высоких температур (выше 25 градусов Цельсия) и влажности
(относительная влажность более 75 процентов), должны быть уменьшены в три раза.
Предельно допустимые значения напряжения прикосновения и
токов при аварийном режиме напряжением до 1000 В с глухо-заземленной или
изолированной нейтралью и выше 1000 В с изолированной нейтралью, не должны
превышать значений указанных в таблице (по ГОСТ 12.1.038-82).
Таблица 8.7 - Предельно-допустимые значения напряжения
прикосновения и токи
|
Род Тока
|
Нормируемая
величина
|
Предельно-допустимые
значения, не более (при продолжительности воздействия тока t,c)
|
|
|
0.01-0.08
|
0.1
|
0.3
|
0.5
|
0.6
|
0.9
|
1.0
|
>1
|
|
50Гц
|
U, В
|
550
|
340
|
135
|
105
|
95
|
70
|
60
|
20
|
|
I, мА
|
650
|
400
|
160
|
125
|
105
|
65
|
50
|
6
|
Основными техническими способами и средствами защиты от
поражения током являются: защитное зануление; выравнивание потенциалов;
защитное заземление; электрическое разделение сети; изоляция токоведущих
частей; оградительные устройства и другое.
Такие способы, как защитное заземление и изоляция применяются
в нашем помещении. Из реально возможных аварийных случаев можно выделить пробой
изоляции.
В лаборатории используются для питания приборов напряжение
220 В переменного тока с частотой 50 Гц. Это напряжение опасно для жизни,
поэтому обязательны следующие предосторожности:
а) перед началом работы убедится, что выключатели, розетки
закреплены и не имеют оголенных токоведущих частей;
б) не включать в сеть компьютеры и другую оргтехнику со
снятыми крышками;
в) запрещается оставлять без присмотра включенное в
электросеть оборудование;
г) при обнаружении неисправности компьютера необходимо
выключить его и отключить от сети;
д) при обнаружении неисправностей или порчи оборудования
необходимо, не делая никаких самостоятельных исправлений и ничего не разбирая
сообщить преподавателю или ответственному за оборудование;
е) запрещается загромождать рабочее место лишними предметами;
ж) при несчастном случае необходимо немедленно отключить
питание электроустановки, вызвать “СКОРУЮ ПОМОЩЬ” и оказать пострадавшему
первую помощь до прибытия врача;
з) дальнейшее продолжение работы возможно только после
устранения причины поражения электрическим током;
и) по окончании работы ответственный должен проверить
оборудование, выключить все приборы и главный рубильник.
Оказание первой помощи при поражении электрическим током
При поражении электрическим током пострадавший в большинстве
случаев не может сам освободится от воздействия тока из-за непроизвольного
сжатия мышц, тяжелой механической травмы или потери сознания. Поэтому
необходимо, прежде всего, освободить пострадавшего от действия тока. После
освобождения пострадавшего от действия тока необходимо приступить к оказанию
первой помощи:
а) если пострадавший пришел в сознание, его нужно уложить на
сухую подстилку и накрыть сухой одеждой. Вызвать врача. Нельзя разрешать ему
двигаться, так как отрицательное действие тока может проявиться не сразу;
б) если пострадавший без сознания, но у него устойчивое
дыхание и пульс, то его необходимо удобно уложить, обеспечить приток свежего
воздуха, постараться привести в сознание ( брызнуть в лицо водой, поднести
нашатырный спирт) и ждать врача.
Признаками наступления клинической смерти являются:
отсутствие дыхания, отсутствие пульса на сонных и бедренных артериях,
отсутствие реакции зрачков на свет, серый цвет кожи.
Мероприятия по оживлению проводят в следующем порядке:
а) восстанавливают проходимость дыхательных путей;
б) проводят искусственное дыхание методом “рот в рот” или
“рот в нос”;
в) делают непрямой массаж сердца.
Оказывать помощь нужно до прибытия врача.
Заключение
В ходе работы была разработана система контроля и диагностики
зарядных станций шахтных аккумуляторов «Заряд-4» и «АЗП-54».
В ходе дипломного проектирования были проведены следующие
работы:
проведён системный анализ существующих современных систем
контроля и диагностики модулей зарядных станций, рассмотрены возможные варианты
построения функционально-структурной схемы подобной системы;
проведено исследование вариантов выполнения имитации
аккумулятора, и предложен новый вариант конструкции;
разработаны принципиальная электрическая схема и конструкция
системы;
В процессе проектирования были проведены расчеты надежности,
теплового режима, сделана оценка электромагнитной совместимости. Все результаты
работы удовлетворяют техническому заданию.
В технико-экономической части проведены расчеты сметы затрат
на разработку системы, ориентировочной цены и экономической эффективности
разработки.
Список использованной литературы
1. Д.А.
Хрусталёв. Аккумуляторы. - М.: Изумруд, 2003, 224с.
2. «АЗП-54»
Описание. Технические характеристики. Руководство по использованию.
. «Заряд-4».
Эксплутационные правила. Описание.
. В.С.Лаврус.
Батарейки и аккумуляторы. - М.: "Наука и Техника", 1999
"Информационное Издание",
. Алтухов
А.М., Гришовцев Д.В., Крылов С.К. и др. Элементы автоматических систем
контроля. Под редакцией П.И. Кузнецова. Тираж 12.000 экз. М. Энергия 1997г. 340
с.
. Како
Н., Яманэ Я. Датчики и микроЭВМ. Пер. с япон. Л. Энергоатомиздат 1999г. 120с.
. Яншин
А.А., Теоретические основы конструирования, технологии и надежности ЭВА: Учеб.
пособие для вузов.-М.: Радио и связь, 1998, 312 с.
. Роткоп
Л.Л., Спокойный Ю.Е. Обеспечение теплового режима при конструировании РЭА. -
М.: Советское радио, 1996. - 232с.
. В.И.
Петровский, Ю.Е. Электромагнитная совместимость радиоэлектронных средств. Учеб.
Пособие для вузов. - М.: Радио и связь, 1996-212с.
. Павловский
В.В. Васильев В.И. Гаутман Т.М. Проектирование технологических процессов
изготовления РЭА. Пособие по курсовому проектированию: Уч. Пособте для ВУЗов. -
М: Радио и связь, 1998 - 160 с.
. Фрумкин
Г.Д. Расчёт и конструирование радиоаппаратуры: 5-е изд., перераб. доп.-М.: Высш.
шк., 1999.-463 с.: ил.
. Анурьев
В.И. Справочник конструктора-машиностроителя: В 3-х т. Т.1. - 6-е изд.,
перераб. и доп. - М.: Машиностроение, 2002.-736 с.
. Справочник
конструктора РЭА: Общие требования конструирования. / Под ред. О.Г. Варламова.
- М.: Сов. Радио, 1999.
. Разработка
и оформление конструкторской документации радиоэлектронной аппаратуры:
Справочник / Э.Т. Романычева, А.К. Иванова, А.С. Куликов и др.; Под ред. Э.Т.
Романычевой.- 2-е изд., перераб. и доп. - М.: Радио и связь, 1999. - 448 с.:
ил.
. Волин
В.М. Паразитные процессы в радиоэлектронной аппаратуре. -2-е изд. перераб. и
доп. -М.: "Радио и связь", 2000. -296 с., ил.
. ГОСТ
22782.0 - 81 Электрооборудование взрывозащищенное. Общие технические требования
и методы испытаний.
. ГОСТ
12.2.007-75 "ССБТ. Изделия электротехнические. Общие требования
безопасности"
. ГОСТ
12.0.003-74 "ССБТ. Опасные и вредные производственные факторы.
Классификация"
. ГОСТ
12.1.005-88 "ССБТ. Общие санитарно-гигиенические требования к воздуху
рабочих зон"
. ГОСТ
2.316-68 ЕСКД. Правила нанесения на чертежах надписей, технических требований и
таблиц.
. ГОСТ
2.702-75 ЕСКД. Правила выполнения электрических схем.
. Физические
величины: Справочник / А.П, Бабичев, Н.А. Бабушкина, А.М. Братковский и др.;
Под. ред. И.С. Григорьева, Е.З. Мейлихова. - М.: Энергоатомиздат, 1999 - 1232
с.
. Аналоговая
и цифровая электроника (Полный курс): Учебник для вузов / Ю.Ф. Опадчий, О.П.
Глудкин, А.И. Гуров; Под ред. О.П. Глудкина. - М.: Горячая линия - Телеком,
1999. - 768 с.
. Тилин.
В.Л.Цифровые микросхемы: Справочник. - М.: Металлургия, 1998. - 352 с.: ил
. Гель
П.П., Иванов-Есипович Н.К. Конструирование и микроминиатюризация
радиоэлектронной аппаратуры. Л.; Энергоатомиздат, 2000. - 536 с.
. Павловский
В.В. Васильев В.И. Гаутман Т.М. Проектирование технологических процессов
изготовления РЭА. Пособие по курсовому проектированию: Уч. Пособте для ВУЗов. -
М: Радио и связь, 1998 - 160 с.
Приложение 1
Приложение 2
Рис.2 Схема электрическая функциональная
Приложение 3
Рис.3 Схема электрическая принципиальная
Приложение 4
Приложение 5
Приложение 6
Рис.6 Общий вид
Приложение 7
Рис.7 Алгоритм управляющей программы
Приложение 8
Рис.8 Организационно-экономическая часть
Приложение 9
Рис.9 Безопасность и экологичность проектных решений