Проектирование реакторного аппарата с рубашкой и перемешивающим устройством
Реферат
Тема работы «Проектирование реакторного аппарата
с рубашкой и перемешивающим устройством».
Представлен принцип действия реактора объемного
типа, направление основных потоков и область применения проектируемого
аппарата.
Пояснительная записка содержит
проектно-конструкционные расчеты толщин стенок обечаек, днищ (крышек),
воспринимающих внутреннее избыточное давление. Произведена проверка укрепления
отверстий, выданы рекомендации по их укреплению. Выполнен выбор и проверочный
расчет фланцевого соединения. Рассчитана опора реактора.
Введение
Основные процессами химической технологии
осуществляются, как правило, в аппаратах с перемешивающими устройствами. При
этом в среду вводится дополнительная энергия, которая используется для
перемешивания.
Известны различные методы ввода энергии в
перемешиваемую среду: механический, циркуляционный, струйный,
пульсационно-струйный, барботажный, газлифтный, электромагнитный и магнитно -
вихревой. В практике наибольшее распространение получил механический метод перемешивания
жидких сред, осуществляемый путём механического воздействия рабочего органа
(мешалки) на рабочую среду.
Этот метод перемешивания используется в
аппарате, состоящем, как правило, из корпуса и перемешивающего устройства,
устанавливаемого на этот корпус.
Наиболее важное значение в работе аппарата имеет
тип и конструкция перемешивающего устройства, работа которого заключается в
превращении упорядоченной механической энергии, вращающихся в неупорядоченную
тепловую энергию за счёт сил сопротивления, создаваемых корпусом аппарата. В
результате этого перемешивающее устройство осуществляет диссипацию энергии в
объёме аппарата. величина которой зависит от конструкции мешалки и
характеристик привода, так и от конструкции аппарата и его внутренних
устройств. Все эти характеристики в совокупности определяют мощность
перемешивания N, которая зависит от режима течения жидкости в аппарате.
Основные параметры аппаратов для перемешивания
жидких неоднородных сред является номинальный объём, давление в корпусе
аппарата, давление в теплообменных устройствах, мощность привода, частота
вращения выходного вала.
Номинальный объём аппарата является основной его
характеристикой, определяющей его производительность. Под номинальным объёмом V
понимают его внутренний объём с учётом объёма отъёмных крышек, но без учёта
объёма люков, штуцеров, футеровки и внутренних встроенных в аппарат устройств.
Наличие внутренних устройств уменьшает
действительный объём аппарата, поэтому при конструировании выбор номинального
объёма аппарата следует осуществлять по действительному объёму, который не
должен отличаться от номинального более чем на (+10) и (-5) %.
Номинальные объёмы аппаратов для перемешивания
жидких сред, а также диаметр корпуса аппарата D должны соответствовать данным,
приведенным в ГОСТе 20680-75 (Аппараты с механическими перемешивающими
устройствами вертикальные.Типы, основные параметры).
Условное давление и температура среды.
Существенное влияние на выбор конструкции аппарата оказывает условное давление,
которое определяет значение расчётного давления, используемого при расчёте
элементов корпуса. Под условным давлением Ру в аппарате и его теплообменных
устройствах понимают избыточное рабочее давление среды при температуре 20 0С. В
соответствии с ГОСТом 20680-75 условное давление Ру выбирают из ряда 0,3; 0,6;
1,0; 1,6; 2,5;3,2; 4,0; 6,4 и 10 МПа.
Стандартные аппараты проектируются также и для
работы под гидростатическим давлением (под «налив») или для работы под
вакуумом, остаточная величина которого не должна быть менее 0,67 кПа (5 мм. рт.
ст.).
Под рабочим давлением понимается максимальное
избыточное давление без учёта кратковременного повышения во время разрыва
предохранительных мембран.
Предельное рабочее давление Р зависит от
условного давления, температуры и свойств рабочей среды и характеристик
конструкционного материала корпуса. Оно определяется по формуле:
где
-
поправочный коэффициент, зависящий от свойств среды;
и
-
допускаемые напряжения для материала корпуса при рабочей температуре и при t =
20 0C. Расчётные давления принимают по таблице 1 [1].
Аппараты для перемешивания жидких сред
проектируются для различных температур - от отрицательных до положительных.
Температур-ные характеристики аппаратов зависят от свойств перемешиваемой среды
и теплоносителя, характеристик аппарата, типа уплотнения и конструкции
теплообменных устройств. Стандартные аппараты изготавливают для перемешивания
сред с температурой от минус 40 до плюс 350 0С.
Частота вращения и мощность привода аппаратов
для перемешивания жидких сред выбираются в соответствии с данными, приведенными
в
ОСТ 26-01-1422-75 (Аппараты герметичные с
механическим перемешивающим устройством, с экранированным электроприводом.
Общие технические условия) и ГОСТ 20680 - 75. В зависимости от номинального
объёма аппарата предельные значения мощности привода могут быть выбраны на
основании таблицы 2 [1] или получены расчётом.
Основными элементами аппарата являются
перемешивающее устройство и его корпус. Под перемешивающим устройством
понимается конструкция, состоящая из привода, вала и мешалки, соединённые между
собой в единый узел.
Привод перемешивающего устройства в общем случае
состоит из электродвигателя, редуктора (или мотор - редуктора) и стойки
привода. Выходной вал мотор - редуктора через муфту соединяется со сплошным или
разрезным валом аппарата, на конце которого закрепляется мешалка. Вал
устанавливается в опорах качения, которые монтируются в стойке привода.
Перемешивающее устройство устанавливается, как
правило, на крышке корпуса, а в ряде случаев - на отдельных монтажных
конструкциях; оно может быть также автономным (переносным).
Под корпусом аппарата понимается сосуд любой, в
основном цилиндрической формы, в котором осуществляется перемешивание. Корпус
аппарата используется для осуществления теплообменных процессов, обычно имеет
теплообменные устройства - наружные в виде рубашки, или внутренние в виде
змеевиков.
В корпусе аппарата могут устанавливаться
внутренние устройства, отражательные перегородки, трубы передавливания, и др. В
зоне входа вала перемешивающего устройства в корпус аппарата обычно
устанавливают уплотнения. Перечисленные здесь элементы конструкций аппаратов
являются основными. Они могут быть использованы в различных комбинациях при
конструировании стандартных и нестандартных аппаратов.
Вертикальные цилиндрические аппараты являются
наиболее распространённым видом аппаратов, применяемых в химическом и
нефтехимическом машиностроении. Они стандартизованы и выпускаются серийно.
Характерные особенности вертикальных аппаратов
следующие:
а) аппарат комплектуется одним приводом,
устанавливаемым на его крышке таким образом, чтобы ось входного вала мотор
редуктора совпадала с осью вала мешалки, а ось вала мешалки совпадала с осью
корпуса аппарата;
б) аппарат может иметь на одном валу одну, две и
более мешалок;
в) аппарат может изготавливаться как без
внутренних устройств, так и с внутренними устройствами.
Каждый тип аппаратов может быть разделён на
аппараты гладкостенные, с отражающими перегородками, секционные аппараты с
центральной циркуляционной трубой.
Типовые стальные вертикальные аппараты. В
настоящее время в соответствии с ГОСТом 20680-75 химическим машиностроением
могут быть изготовлены аппараты следующих десяти типов: с неразъёмным корпусом
и эллиптическим днищем и с эллиптической отъёмной крышкой (тип 0); с неразъемным
корпусом и эллиптическим днищем и крышкой (тип 1); с коническим отбортованным
днищем, углом при вершине конуса 600 и эллиптической отъемной крышкой (тип 2);
коническим отбортованным днищем, углом при вершине конуса 900 и эллиптической
крышкой (тип 3); с эллиптическим днищем и плоской отъёмной крышкой (тип 4); с
неразъёмным корпусом, с эллиптическим днищем и плоской крышкой (тип 5); с
коническим отбортованным днищем, углом при вершине конуса 1200 и плоской
крышкой (тип 6); с неразъёмным корпусом, с коническим неотбортованным днищем,
углом при вершине конуса 1200 и плоской крышкой (тип 7); с плоским днищем и
плоской отъёмной крышкой (тип 8); с неразъёмным корпусом, плоским корпусом и
крышкой (тип 9).
1. Расчётные параметры
Общий вид аппарата представлен на рисунке 1.
реактор давление фланцевый
соединение
Рисунок 1 - Общий вид аппарата с листовым
перемешивающим устройством.
1.1 Расчётная температура
Расчётная температура [12, стр. 1]:
где
-
максимально возможная температура среды в аппарате, взятая по температуре среды
в рубашке, согласно задания, 0С.
1.2 Расчётное давление
Согласно п. 2.1 ГОСТ 25867-83 расчёт проводится
следующим образом.
Расчет цилиндрических обечаек на внутреннее
избыточное проводят по ГОСТ 14249-89. Расчётное давление для рубашки равно Р2 и
расчётное давление для сосуда Р1, если Р1 > 0.
Расчёт цилиндрической обечайки сосуда на
наружное давление проводят по ГОСТ 14249-89. При Р1 < 0 за расчётное
давление для сосуда принимают ÷Р1÷,
а для обечайки и днища, закрытого рубашкой, Р2 + ÷
Р1 ÷.
При Р1 > 0 расчётное давление в зоне рубашки
равно Р2 или Р2 - Р1.
Расчётную длину следует принимать по ГОСТ
14249-89.
Здесь Р1 - расчётное давление в сосуде при
эксплуатации или испытании, МПа.
Если абсолютное давление больше атмосферного
(избыточное давление), то Р1 > 0, если абсолютное давление меньше
атмосферного (вакуум), то Р1 < 0.
Р2 - расчётное давление в рубашке в состоянии
эксплуатации или испытания, МПа.
1.2.1 Расчётное давление внутри
корпуса аппарата
(1.1)
где Ра - рабочее избыточное давление в аппарате.
МПа;
Рг - гидростатическое давление среды, МПа.
Если гидростатическое давление среды не
превышает 5% от давления в аппарате, то его в расчете не учитывают.
Если
<
5%, то принимают
.
Гидростатическое давление столба жидкости в
аппарате:
(1.2)
где
-
плотность среды в корпусе аппарата, кг/м3;- ускорение свободного падения, м/с2;
Н - высота столба жидкости в аппарате, м; см. п.
2.1 Н=Нж=1,25 м.
, что больше 5%.
.
1.2.2 Расчетное давление в полости
рубашки
Гидростатическое давление столба жидкости в
полости рубашки:
(1.3)
где
-
плотность среды в рубашке, кг/м3;- ускорение свободного падения, м/с2;
Н - высота столба жидкости в рубашке, см. рис.
9.1 и табл. 9.1 [7], Н=1,699 м.
, что меньше 5%.
.
1.3 Допускаемые напряжения
Допускаемое напряжение для материала корпуса и
рубашки (сталь 08Х21Н6М2Т) при 20 0С и расчетной температуре соответственно
[8]:

Расчетное значение предела текучести для стали
08Х21Н6М2Т при 20 0С [8]:
Допускаемое напряжение в условиях
гидравлического испытания определяем по формуле [3]:
(1.4)
1.4 Пробное давление при
гидроиспытании
Пробное давление при гидроиспытании корпуса
реактора:
(1.5)
Пробное давление при гидроиспытании пространства
рубашки:
(1.6)
1.5 Расчетное значение модуля
продольно упругости
Модуль продольной упругости для материала
корпуса и рубашки (сталь 08Х21Н6М2Т) при 20 0С и расчетной температуре,
соответственно [8]:
;
.
1.6 Прибавка к расчетным толщинам
конструктивных элементов
Прибавку к расчетным толщинам определяем по
формуле [8]:
, (1.7)
где С1 - прибавка для компенсации коррозии и
эрозии, мм;
С2 - прибавка для компенсации минусового
допуска, мм;
С3 - технологическая прибавка, мм.
Прибавки С2 и С3 принимаем равными нулю.
Прибавку для компенсации коррозии (эрозию не
учитываем) определяем по формуле:
(1.8)
где П - проницаемость материала, согласно
задания, мм/год;
t - срок службы аппарата, согласно задания на
проектирование, лет.
1.7 Коэффициент прочности сварных
швов
Коэффициент прочности сварных швов
-
для стыковой сварки, выполненной вручную с подваркой корня шва при контроле
швов по длине до 50 % [ 8 ].
2. Определение основных параметров и
геометрических размеров реактора
.1 Размеры корпуса реактора
По ГОСТ 9931-85 принимаем длину цилиндрической
части корпуса равной l = 3800 мм при диаметре Dа = 2600 мм и номинальном объеме
= 25,0 м3.
По ГОСТ 6633-78 объем эллиптического днища,
высота эллиптической части и отбортовки соответственно:
Высота цилиндрической обечайки
Ноб=l-2hц=3800-2·40=3270 мм. (2.1)
Действительный объём реактора без учёта
внутренних устройств:
(2.2)
Объём аппарата, занятый жидкостью:
(2.3)
Высота жидкости в реакторе:
(2.4)
Рисунок 2.1 - Схема для определения
геометрических параметров корпуса аппарата с мешалкой.
2.2 Основные размеры мешалки
Рамные мешалки (рис. 2.2) являются конструкцией,
которые состоят из цилиндрической втулки с внутренним d и внешним dвт
диаметрами, на периферии которой установлены 2 лопасти диаметром соединенные
перегородками. Ширина лопасти равняется b = 0,07 dм.
Рисунок 2.2 - Геометрические параметры якорной
мешалки.
Определяем конструктивные размеры рамной
мешалки:
диаметр
рамной мешалким = Dв/(1,02…1,15) = 1000/(1,02…1,15) = (870…980)мм, (2.5)
берем
dм = 950 мм;
ширина
лопасти мешалки= 0,07dм = 0,07· 950 = 66 мм; (2.6)
берем
b = 65 мм.
высота
от днища корпуса до мешалким = (0,01…0,06)dм = (0,01…0,06) 950 = (9,5…57)мм,
(2.7)
берем
hм = 57 мм.
высота
мешалки= (0,9…1,0)dм = (0,9…1,0) 950 = (855…950)мм, (2.8)
берем
h = 850 мм.
2.3
Расчет частоты вращения мешалки
Расчет
частоты вращения мешалки:
(2.9)
Принимаем
согласно табл. 2 ОСТ 26 - 01 - 1225 - 75 нормализованное значение частоты
вращения при dм = 950 мм:
При
этом окружная скорость будет иметь значение:
,(2.10)
что
близко к заданной по условию.
2.4
Расчет мощности на перемешивание
Критерий
Рейнольдса определяется по формуле:
(2.11)
По
рис. 31.2 [10] определяем критерий мощности для D/dм = 1,05:= 6,5.
Коэффициент,
учитывающий высоту столба жидкости в аппарате:
(2.12)
Коэффициент,
учитывающий влияние внутренних устройств, табл. 31.5 [10]:
Расчетная
мощность на перемешивание:
(2.13)
где
Nм - мощность на перемешивание, определяемая по формуле:
(2.14)
Мощность
двигателя, согласно с РТМ 144-66, рассчитывается по формуле:
(2.15)
где
КП - коэффициент запаса, учитывающий особенности пускового периода, КП = 1,25 -
для аппаратов без перегородок;
h - к.п.д.
передачи, h = 0,9;с -
мощность, затрачиваемая на преодоление сил трения в уплотнениях, Вт.
Так
как расчетная температура 120 0С и давление в корпусе
Р1=0,5
МПа, то необходимо применять торцовое уплотнение [10].
Для
приближенного расчета потерь в торцовых уплотнениях можно принимать их равными
10 ¸ 50 % от
потерь в уплотнениях с мягкой набивкой [11].
Потери
на трение для уплотнений с сальниковой набивкой по формуле (25) РТМ 144-66:
(2.16)
где
f = 0,2 - коэффициент трения вала по мягкой набивке сальника;- частота
вращения, с-1 (об/сек);- диаметр вала, м;- длина набивки, м;
Р1
- рабочее давление в аппарате, Па.
Тогда
потери мощности в торцовом уплотнении:
(2.17)
Принимаем
нормализованный малогабаритный привод тип 1 по ГОСТ 26-01-1225-75(обозначение
привода 3) с мощностью электродвигателя Nд = 4,0 кВт. Параметры привода:
диаметр вала d = 65 мм; высота привода Н =1625 мм; высота от опорной бобышки до
двигателя Н1 = 650 мм; наружный и болтовой диаметры крепежной бобышки
соответственно D8 =480 мм; D9 =435 мм; количество крепежных болтов М 20 n = 6
шт; масса привода (не более) 440 кг.
2.5
Диаметр вала
Определяем
ориентировочно диаметр вала из условия прочности по формуле [11]:
(2.18)
где
Мкр - максимальный расчетный крутящий момент на валу с перемешивающим
устройством, Н×м;
tд -
допускаемое касательное напряжение для материала вала, Па;
tд = 45×106 Па.
(2.19)
Предварительно
принимаем вал диаметром d = 65 мм (согласно табл. 29 ОСТ 26 - 01 - 1225 - 75).
Окончательно
диаметр вала перемешивающего устройства принимается после проверки на
виброустойчивость.
.6
Расчет якорного перемешивающего устройства [10]
Расчетный
изгибающий момент лопасти Ми/ в и месте соединения ее со ступицей определяется
по формуле (31.15) [10]:
Ми/
=
(2.22)
Ми/
=
Н·м.
Определим
значение а по формуле (31.19) [10]:
Расчетный
крутящий момент лопасти Мк/ в месте присоединения ее к ступице определяется по
формуле (31.18) [10]:
,
Принимаем
высоту прямой части лопасти от места перехода ее в кривую равным hл = 0,6 м.
Расчетный
изгибающий момент в указанном месте лопасти определяется по формуле (31.20)
[10]:
Расчетный
момент сопротивления поперечного разреза лопасти в месте присоединения ее к
ступице определяется по формуле (31.21):
(2.23)
Номинальная
расчетная толщина лопасти на конце таврового сечения определяется по формуле
(31.22) [10]:
(2.24)
где
s/ - номинальная расчетная толщина лопасти, м;
b
- ширина лопасти, м.
Берем
толщину лопасти якорного перемешивающего устройства с учетом двусторонней
прибавки на коррозию и округления к стандартному значению равной [10]: s = 12
мм.
3.
Расчет толщин стенок
.1
Расчет толщины стенки рубашки
Расчетную
(номинальную) толщину стенки обечайки рубашки определяем по формуле:
(3.1)
,
где
Dр - внутренний диаметр обечайки рубашки, мм.
Исполнительную
толщину стенки обечайки рубашки определяем по формуле:
,(3.2)
Принимаем
исполнительную толщину стенки обечайки рубашки равной:
Проверяем
условие применимости формул безмоментной теории:
(3.3)
,
что
меньше 0,1 - условие применимости формул выполнено.
3.2
Расчет толщины стенки корпуса реактора
Расчетная
(номинальная) толщина стенки обечайки корпуса реактора определяется по формуле:
(3.4)
где
Dа - внутренний диаметр обечайки корпуса реактора, мм.
Исполнительную
толщину стенки обечайки корпуса реактора определяем по формуле:
(3.5)
.
Берем
исполнительную толщину стенки обечайки корпуса реактора равной: S=6 мм.
Проверяем
условие применимости формул безмоментной теории:
(3.6)
,
что
меньше 0,1 - условие применимости формул выполнено.
3.3
Расчет толщины стенки эллиптического днища (крышки) корпуса
Согласно
задания, днище корпуса изготовлено из стали 12ХМ. Берем стандартное эллиптическое
днище по ГОСТ 6533-78 с высотой
, для которого расчетный параметр
.
Конструкция эллиптического днища представлена на рис. 3.1.
Рисунок
3.1 - Конструкция эллиптического днища (крышки).
Расчетную
толщину эллиптического днища (крышки), нагруженного внутренним избыточным
давлением, определяем по формуле:
(3.7)
Исполнительная
толщина стенки днища (крышки) определяется по формуле:
(3.8)
Берем
исполнительную толщину стенки днища корпуса реактора равной:=6 мм.
Проверяем
условие применимости формул:
(3.9)
(3.10)
- условие
выполнено;
- условие
выполнено.
3.4
Расчет толщины стенки эллиптического днища рубашки
Согласно
задания, днище корпуса изготовлено из стали 12ХМ. Берем стандартное
эллиптическое днище по ГОСТ 6533-78 с высотой
, для которого расчетный параметр
.
Конструкция эллиптического днища представлена на рис. 3.1.
Расчетная
и исполнительная толщина определяем аналогично п. 3.3:
(3.11)
Исполнительная
толщина стенки днища (крышки) определяется по формуле:
(3.12)
Берем
исполнительную толщину стенки днища рубашки реактора равной: S=4 мм.
Проверяем
условие применимости формул:
(3.13)
(3.14)
- условие
выполнено;
- условие
выполнено.
4.
Определение допускаемых давлений
.1
Допускаемое давление для обечайки корпуса
Допускаемое
внутреннее давление для обечайки корпуса с S = 6 мм определяем по формуле:
в
рабочих условиях:
(4.1)
в
условиях гидравлических испытаний:
(4.2)
4.2
Допускаемое давление для обечайки рубашки
Допускаемое
внутреннее давление для обечайки рубашки с S = 4 мм определяем по формуле:
в
рабочих условиях:
(4.3)
в
условиях гидравлических испытаний:
(4.4)
4.3
Допускаемое давление для днища (крышки) корпуса
Определяем
допускаемое давление для эллиптического днища (крышки) корпуса в рабочих
условиях и в условиях гидравлических испытаний, соответственно:
-
в рабочих условиях:
(4.5)
в
условиях гидравлических испытаний:
(4.6)
4.4
Допускаемое давление для днища рубашки
Определяем
допускаемое давление для эллиптического днища рубашки в рабочих условиях и в
условиях гидравлических испытаний, соответственно:
в
рабочих условиях:
(4.7)
в
условиях гидравлических испытаний:
(4.8)
Согласно
полученных расчетов принимаем допускаемое давление для корпусного пространства
в рабочих условиях и при гидроиспытании соответственно равными:
для
пространства корпуса:
для
пространства рубашки:
.
5.
Укрепление отверстий
Как
показывают эксперименты, максимальные напряжения быстро уменьшаются по мере
удаления от края отверстия, т. е. прирост напряжений носит локальный характер.
Таким образом, при проектировании аппаратуры необходимо решать задачу о
снижении повышенных напряжений в области отверстий до допускаемых значений за
счет компенсации ослабления, вызванного наличием выреза.
Компенсация
ослабления может производиться двумя способами:
)
увеличением толщины стенки всей оболочки исходя из максимальных напряжений у
края отверстия;
)
укреплением края отверстия добавочным материалом, вводимым по возможности ближе
к месту распределения максимальных напряжений.
Первый
способ применяется очень редко и не может быть признан рациональным, т. к.
область повышенных напряжений незначительна.
5.1
Укрепление отверстий цилиндрической обечайки рубашки
Определяем
расчетный диаметр одиночного отверстия, не требующего дополнительного
укрепления:
,(5.1)
где
- расчётный
диаметр, мм;
С
- прибавка к расчётной толщине стенки обечайки (днища), мм.
Для
цилиндрической обечайки: Dp = D = 1100 мм
Поскольку
диаметр штуцера входа пара, который греет, (Д)
Ду
50 мм, то укрепления отверстия не требуется.
5.2
Укрепление отверстий эллиптического днища рубашки
На
эллиптическом днище рубашки расположен штуцер для вывода конденсата греющего
пара (Г) Ду 50. Отверстие смещено на 150 мм от оси днища.
Определяем
расчетный диаметр одиночного отверстия, не требующего дополнительного
укрепления, по формуле (5.1):
где
Dр - расчетный диаметр элемента, который укрепляют; для эллиптического днища
при
:
(5.2)
где
x - расстояние от центра отверстия, которое укрепляют, до оси эллиптического
днища, мм.
Поскольку
диаметр штуцера нижнего спуска (Л) Ду 50 мм, то укрепления отверстия не
требуется.
5.3
Укрепление отверстий эллиптической крышки (днища) корпуса
Берем,
согласно каталога [13], штуцер для ввода сырья (А) Ду 50 мм, люк в аппарате со
съемной крышкой диаметром 600 мм не устанавливается.
В
днище корпуса располагается штуцер для вывода сырья (Б) Ду 50 мм.
Определяем
расчетный одиночного отверстия, не требующего дополнительного укрепления, по
формуле (5.1):
для
штуцера А
для
штуцера Б
где
Dр - расчетный диаметр элемента, который укрепляют; для эллиптического днища при
:
для
штуцера А
(5.3)
для
штуцера Б
где
x - расстояние от центра отверстия, которое укрепляют, до оси эллиптического
днища, мм.
Итак,
отверстия для штуцера ввода сырья (А) и для штуцера вывода (Б), дополнительного
укрепления не требуют.
6.
Расчёт фланцевого соединения
Фланец
- стальной плоский приварной, форма привалочной поверхности - «выступ-впадина»,
изолированный.
Рисунок
6.1 - Схема фланцевого соединения
Таблица
6.1 - Исходные данные для расчета фланцевого соединения
|
№
|
Наименование
параметра
|
Ед.
измерения
|
Усл.
обознач.
|
Значения
|
|
1
|
Условия
эксплуатации:
|
|
|
|
|
температура
фланцев
|
°С
|
tф
|
120
|
|
температура
болтов
|
°С
|
tб
|
116
|
|
внутреннее
давление
|
МПа
|
0,5
|
|
внешняя
сила
|
МН
|
Р
|
0
|
|
2
|
Геометрические
параметры фланца:
|
-
|
|
|
|
внутренний
диаметр
|
м
|
D
|
1,0
|
|
внешний
диаметр
|
м
|
Dф
|
1,145
|
|
диаметр
болтовой окружности
|
м
|
Dб
|
1,105
|
|
толщина
фланца
|
м
|
hф1
|
0,05
|
|
|
|
hф2
|
0,047
|
|
толщина
стенки аппарата
|
м
|
S0
|
0,02
|
|
3
|
Параметры
прокладки:
|
|
|
|
|
внешний
диаметр прокладки
|
м
|
Dп
|
1,066
|
|
ширина
прокладки
|
м
|
b
|
0,02
|
|
толщина
прокладки
|
м
|
h
|
0,002
|
|
материал
прокладки
|
-
|
-
|
поранит
|
|
коэффициент
|
|
m
|
2,5
|
|
минимальное
давление
|
МПа
|
q
|
20
|
|
допускаемое
давление обжатия
|
МПа
|
[q]
|
130
|
|
модуль
продольной упругости
|
МПа
|
Еп
|
2000
|
|
4
|
Материал
фланцев
|
-
|
-
|
12ХМ
|
|
допускаемое
напряжение при температуре t=20°C
|
МПа
|
=
|
147
|
|
допускаемое
напряжение при рабочей температуре t
|
МПа
|
=
|
146
|
|
модуль
продольной упругости при температуре t=20°C
|
МПа
|
=
|
215000
|
|
модуль
продольной упругости при температуре t
|
МПа
|
=
|
211000
|
|
коэффициент
линейного расширения при температуре t
|
К-1
|
=
|
0,0000126
|
|
5
|
Допускаемые
напряжения для
|
|
|
|
|
материала
фланца в разрезе S0:
|
МПа
|
=
|
633
|
|
6
|
Количество
болтов
|
шт
|
zБ
|
44
|
|
внешний
диаметр резьбы болта
|
м
|
dб
|
0,02
|
|
внутренний
диаметр резьбы болта
|
м
|
d0
|
0,0173
|
|
Материал
болтов
|
-
|
-
|
35Х
|
|
допускаемое
напряжение при t=20°C
|
МПа
|
|
230
|
|
допускаемое
напряжение для материала болтов при температуре t
|
МПа
|
|
228
|
|
модуль
продольной упругости болта при температуре t
|
МПа
|
|
211000
|
|
коэффициент
линейного расширения материала болта при температуре t
|
К-1
|
|
0,0000096
|
|
7
|
Добавка
к расчетным толщинам
|
м
|
с
|
0,0013
|
|
8
|
Коэффициент
прочности сварных швов
|
-
|
φ
|
0,9
|
|
9
|
Коэффициент
трения
|
-
|
f1
|
0,1
|
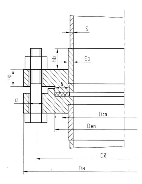
6.2. Проверочный расчет фланцевого
соединения
.2.1 Отношение большей толщины
втулки к меньшей
β =1. (6.1)
6.2.2 Средний диаметр прокладки
Dсп = Dп - b = 1,066-0,02=1,046 мм. (6.2)
6.2.3 Эффективная ширина прокладки
при b > 0,015 м
bЕ = bЕ = 0,06 b0,5 = 0,06 · 0,020,5 = 0,0085 м
(6.3)
6.2.4 Конструктивный коэффициент для
фланца
Кф = Dф/ D = 1145 / 1105 = 1,036 (6.4)
Конструктивные коэффициенты для фланцев
λф1 = hф1 /
=
0,05/
=
0,35 (6.5)
λф2 = hф2 /
=
0,047/
=
0,33 (6.6)
Поправочный коэффициент
Ψ1ф = 1,28 · lgКф =
1,28 · lg1,036 = 0,0197 (6.7)
Поправочный коэффициент
Ψ2ф = (Кф + 1)/(Кф -
1) = (1,036+1)/(1,036-1) = 56,5 (6.8)
Поправочный коэффициент для прореза S0 для
плоских приварных фланцев [7]
Ψ3ф = 1,0 (6.9)
Геометрические параметры фланцевф1 = hф1 / S0 =
0,05/0,02 = 2,5 (6.10)ф2 = hф2 / S0 = 0,047/0,02 = 2,35 (6.11)
Безразмерный параметр фланцев
Тф =
,
(6.12)
Тф =
Безразмерные параметры:
ωф1 = [1+0,9λф1(1+ψ1ф
jф12)]-1 (6.13)
ωф1 =
[1+0,9·0,35(1+0,0197·2,52)]-1= 0,739
ωф2 = [1+0,9λф2(1+ψ1ф
jф22)]-1 (6.14)
ωф2 =
[1+0,9·0,33(1+0,0197·2,352)]-1= 0,752
6.2.5 Угловая податливость фланцев
yф1 =
,(6.15)
ф1 =
yф2 =
,(6.16)
ф2 =
6.2.6 Расчетная длина болтов
Lб = hф1 + hф2 + h + 0,28dб,(6.17)
б = 0,05+0,047+0,002+0,28·0,02=0,105 м
Линейная податливость прокладки
уП =
(6.18)
Площадь поперечного разреза болта (шпильки)б =
0,785d02 = 0,785·0,01732 = 2,351·104 м2 (6.19)
Линейная податливость болтов
уб =
,(6.20)
Параметр жесткости фланцевого соединения:
Аф = [уп+уб +0,25(уф1+уф2)(Dб - Dс.п)2]1(6.21)
Аф = [3,04·10-5 + 4,72·10-5 +
0,25(0,059+0,062)(1,105-1,046)2]-1 =5467
Параметр жесткости фланцев:
Вф1 = уф1 (Dб - D - S0)(6.22)
Вф1 = 0,059(1,105-1,0-0,020)=0,005 1/МН;
Вф2 = уф2(Dб-D-S0)(6.23)
Вф2 = 0,062(1,105-1,0-0,020)=0,0053 1/МН.
Безразмерный коэффициент фланцевого соединения
γ = Афуб =
5467·4,72·10-5 = 0,258,(6.24)
Коэффициент жесткости фланцевого соединения
αф
=Аф[уБ+0,25(Вф1+Вф2)(Dб-Dс.п.)];(6.25)
αф =
5467[4,72·10-5+0,25(0,005+0,0053)(1,105-1,046)]=1,09
Равнодействующая внутреннего давленияд =
0,785Dс.п2р = 0,785·1,0462 ·0,5=0,429 МН(6.26)
Реакция прокладок в рабочих условияхп = 2πDс.пbЕmр
= 2·3,14·1,046·0,0085·2,5·0,5=0,07 МН(6.27)
Усилия, которое возникает от температурных
деформаций фланцевого соединения:
ф = γzбfбЕб(αфt
tф-αбttб)(6.28)
ф =
0,258·44·2,351·10-4·2,11·105(12,6·10-6·120-9,6·10-6·116)=0,224 МН
где αфt
= (αф1t+
αф2t)/2
= (12,6·10-6+12,6·10-6)/2=12,6·10-6.(6.29)
Монтажное болтовое усилие фланцевого соединения
по разным условиям
Рб1/ = πDс.пbЕq
= 3,14·1,046·0,0085·20 = 0,558 МН(6.30)
Рб1// = αф(QД±Р)
+Rп+4М/Dс.п(6.31)
Рб1// = 1,09(0,429±0)+0,07+4·0/1,046 = 0,538 МН
Расчетная болтовая нагрузка (р > 0,6 МПа):
Рб1 = max {Рб1/;Рб1//},(6.32)
Рб1 = max {0,558;0,538} = 0,558 МН
Условие мощности прокладки
[q](6.33)
- условие
прочности прокладки выполнено.
Болтовая нагрузка в рабочих условиях:
РБ2=РБ1+(1-
ф)∙(Qд±Р)+Qtф+4М/Dcп,(6.34)
Рб2 = 0,558+(1-1,09)(0,429±0)+0,224+4·0/1,046 =
0,82 МН.
Расчетная болтовая нагрузка:
Рбф =max{Рб1;Рб2 }= max {0,558; 0,82}= 0,82
МН.(6.35)
Напряжение растяжения болтов (шпилек) в рабочих
условиях и условиях монтажа соответственно:
;(6.36)
.(6.37)
Момент, что скручивает, при затягивании гаек
Мскр =
МН·м.(6.38)
Касательное напряжение в болтах (шпильках)
τб =
(6.39)
Эквивалентное напряжение в болтах (шпильках):
(6.40)
(6.41)
Условие мощности болтов (шпилек)
σБЕ20 ≤
[σб]20;(6.42)
,5 МПа < 230 МПа - условие выполнено;
σБЕt ≤
[σб]t(6.43)
МПа < 228 МПа - условие выполнено
Приведенный изгибающий момент в диаметральном
сечении фланца в условиях монтажа:
М01ф=0,5∙РБ1(DБ-Dc.п)=0,5∙0,558∙(1,105-1,046)=
0,0165 МН·м.(6.44)
Приведенный изгибающий момент в диаметральном
сечении фланца в рабочих условиях:
М02ф=0,5∙[PБ2(DБ-Dc.п)+Qд(Dc.п-D-SE)]∙
/
,(6.45)
М02ф =0,5∙[0,82∙(1,105-1,046)+0,429∙(1,046-1-0,02)]
147/146=0,03 МН·м.
Расчетный приведенный момент в диаметральном
сечении фланца
М0ф= max{0,0165 МН·м, 0,03 МН·м}=0,03
МН·м.(6.46)
Вспомогательная величина
ε =20∙S0=20∙0,010=0,2(6.47)
Расчетный диаметр при D ≥
ε
D* = D = 1,0 м.(6.48)
Максимальные напряжения в сечении S0 фланцев от
действия изгибающего момента М0ф:
(6.49)
(6.50)
Максимальное кольцевые напряжения в дисках
фланцев от действия изгибающего момента М0ф:
(6.51)
(6.52)
Кольцевые меридиональные напряжения во втулке
фланцев от действия внутреннего давления:
(6.53)
(6.54)
Эквивалентные напряжения в сечении So:
(6.55)
(6.56)
Условия прочности:
,(6.57)
;(6.58)
МПа < (600∙0,9=540 МПа) - условие
прочности выполнено;
МПа < (600∙0,9=540 МПа) - условие
прочности выполнено.
Условие герметичности фланцевого соединения:
;(6.59)
, (6.60)
где
=0,009
рад - допускаемый угол поворота фланца [14]
(6.61)
=0,008 рад <
=0,009
рад - условие герметичности выполнено.
=
,(6.62)
=0,0082 рад <
=0,009
рад - условие герметичности выполнено.
Окончательно принимаем фланцы:
Фланец 4-1200-10- ВСт3сп ГОСТ 28759.2-90.
Фланец 5-1200-10- ВСт3сп ГОСТ 28759.2-90.
7. Выбор опоры
Вертикальные аппараты обычно устанавливают на
стойках, если их размещают внутри помещения, или на подвесных лапах, когда
аппарат размещают между перекрытиями в помещении или на специальных стальных
конструкциях.
По заданию тип опор - лапы.
Берем тип опоры - лапы.
Все опоры для стальных сварных аппаратов
стандартизованные.
Конструкции опор для вертикальных аппаратов
показаны на рис.14.1 [7], а их основные характеристики - в табл. 14 1 - 14.4
[7]. В зависимости от толщины стенки корпуса аппарата лапы привариваются или
непосредственно к корпусу, или к накладному листу.
Материал этих деталей выбирается из условия
эксплуатации. Накладной лист приваривают к корпусу аппарата сплошным швом. Если
опоры изготовлены из углеродистой стали, а аппарат - из коррозионностойкой
стали, накладные листы должны быть изготовлены из стали той же марки, что и
корпус аппарата.
Число опор определяется расчетом и
конструктивными исследованиями: лап должно быть не меньше двух, стоек - не
меньше трех.
Масса пустого аппарата:
(7.1)
где
-
масса обечайки аппарата, кг;
- масса днища
аппарата, кг;
- масса крышки
аппарата, кг;
- масса обечайки
рубашки, кг;
- масса днища
рубашки, кг;
- масса фланца,
кг;
- масса
перемешивающего устройства, кг;
=440 кг - масса
привода, кг;
,05 - коэффициент, учитывающий массу неучтенных
устройств (люков, штуцеров и т. п.).
Масса обечайки аппарата:
(7.2)
Масса днища аппарата:
(7.3)
Масса крышки аппарата:
(7.4)
Масса обечайки рубашки:
(7.5)
Масса днища рубашки:
(7.6)
Масса фланца:
(7.7)
Масса перемешивающего устройства:
.
Масса пустого аппарата:
Масса раствора:
в аппарате:
(7.8)
в рубашке:
(7.9)
где
-
объем жидкости в рубашке, кг;
(7.10)
Масса аппарата, заполненного жидкостью:
(7.11)
Тогда сила тяжести аппарата, которая передается
опорам, равняется:
,(7.12)
где g = 9,81 м/с2 - ускорение свободного
падения.
(38,4 кН)
Нагрузку на одну опору определим по формуле [7]:
,(7.13)
где
;
,b
- по табл. 14.1 [7];
-толщина стенки
аппарата в конце срока службы; s - исполнительная толщина стенки аппарата; с -
прибавка для компенсации коррозии, мм; с1 - дополнительная надбавка, мм
- коэффициенты,
зависящие от числа опор z;- число опор;
Р - вертикальная сила, Н;
М - опрокидывающий момент, Н·м;- внутренний
диаметр аппарата, м.
Принимаем опрокидывающий момент равным нулю
Выбираем стандартный тип лапы с накладным
листом.
Опора 1 - 1000 ОСТ 26 - 665 - 79 с параметрами
(условные обозначения см. рис. 14.1 [7]):=25,0 кН; а = 90 мм; а1 = 115 мм; b =
115 мм; С = 20 мм;
С1 = 85 мм; h= 170 мм; h1 = 14 мм; S1 = 6 мм; K
= 20 мм;= 30 мм; d = 24 мм; dб - М16; f max = 30 мм.
Накладной лист 1-1000-10 ОСТ 26-665-79=10,0 кН;
В=150 мм; Н=250 мм; с=12 мм.
Заключение
В действительном курсовом проекте произведен
расчет реакционного аппарата с рубашкой и перемешивающим устройством.
Определены основные геометрические размеры
проектируемого аппарата и лопастного перемешивающего устройства, рассчитана
мощность на перемешивание. Произведены проектно-конструкционные расчеты толщин
стенок обечаек корпуса и рубашки, днищ и крышек, воспринимающих внутреннее и
наружное давление. Выполнена проверка укрепления отверстий. Выполнен выбор и
проверочный расчет фланцевого соединения корпус - крышка. Выбрана опора
реактора с рубашкой и лопастным перемешивающим устройством и выполнен её проверочный
расчет.
Расчеты произведены на основании действующих
стандартов.
В приложении представлены сборочный чертеж
реактора с рубашкой и перемешивающим устройством и спецификация к чертежу.
Литература
1. Васильцов
Э.А., Ушаков В.Г. Аппараты для перемешивания жидких сред: Справочное пособие. -
Л.: Машиностроение. Ленингр. отд-ние, 1979. - 272 с.
2. Машины
и аппараты химических производств / И.И. Поникаров, О.А. Перелыгин, В.Н.
Доронин, М.Г. Гайнуллин. - М.: Машиностроение, 1989. - 368 с.
. Расчет
и конструирование машин и аппаратов химических производств: Примеры и задачи:
Учеб. пособие для студентов втузов / М.Ф. Михайлев, Н.П. Третьяков, А.И.
Мильченко, В.В. Зобнин; Под общ. ред. М.Ф. Михайлева. Л.: Машиностроение,
Ленингр. отд-ние, 1984. - 301 с., ил.
. Генкин
А.Э. Оборудование химических заводов: Учебное пособие для техникумов. - М.:
Высш. школа, 1978. - 272 с.
. Смирнов
Г.Г. и др. Конструирование безопасных аппаратов для химических и
нефтехимических производств / Под общ. ред. А.Р. Толчинского. - Л.: Машиностроение,
Ленингр. отд-ние, 1988. - 303 с.
. Аппараты
с перемешивающими устройствами вертикальные. Каталог-справочник. М.:
ЦИНТИХИМНЕФЕМАШ. 1966.
. Лащинский
А.А. Конструирование сварных химических аппаратов: Справочник. - Л.:
Машиностроение. Ленингр. отд-ние, 1981. - 382 с., ил.
. Основы
конструирования и расчета химической аппаратуры. Лащинский А.А., Толчинский
А.Р., Л., "Машиностроение", 1970 г., 752 стр. Табл. 476. Илл. 418.
Библ. 218 назв.
. Марочник
сталей и сплавов. / В.Г. Сорокин, А. В. Волосникова, С.А. Вяткин и др.; Под
общ. ред. В.Г. Сорокина, М.: Машиностроение, 1989. - 640 с.
. ГОСТ
9931 - 85 Корпуса цилиндрические стальных сварных сосудов и аппаратов. Типы,
основные параметры и размеры.
. ГОСТ
14249 - 89 Сосуды и аппараты. Нормы и методы расчета на прочность.
. ГОСТ
20680 - 75 Аппараты с механическими перемешивающимися устройствами
вертикальные. Типы. Основные параметры.
. ГОСТ
24755 - 89 Сосуды и аппараты. Нормы и методы расчета на прочность укрепления
отверстий.
. ГОСТ
25867 - 83 Сосуды и аппараты. Сосуды с рубашками. Нормы и методы расчета на
прочность.
. ОСТ
26-01-1422-75 Аппараты герметичные с механическим перемешивающим устройством, с
экранированным электроприводом. Общие технические условия.
. РТМ
144 - 66 Аппараты с перемешивающими устройствами вертикальные. Перемешивающие
устройства механические. Область применения, методика расчета.
. РТМ
145 - 66 Аппараты с перемешивающими устройствами вертикальные. Перемешивающие
устройства механические. Методика расчета валов.
. ГОСТ
2.105 - 95 Единая система конструкторской документации. Общие требования к
текстовым документам.