Проектирование материала шумо- и теплоизоляции корпуса тягодутьевой машины и технологии его изготовления на основе пенополиуретана

  • Вид работы:
    Дипломная (ВКР)
  • Предмет:
    Другое
  • Язык:
    Русский
    ,
    Формат файла:
    MS Word
    4,06 Мб
  • Опубликовано:
    2012-06-30
Вы можете узнать стоимость помощи в написании студенческой работы.
Помощь в написании работы, которую точно примут!

Проектирование материала шумо- и теплоизоляции корпуса тягодутьевой машины и технологии его изготовления на основе пенополиуретана














Проектирование материала шумо- и теплоизоляции корпуса тягодутьевой машины и технологии его изготовления на основе пенополиуретана

Реферат

Работа состоит из 6 разделов, соответствующих заданию на дипломный проект, и включает в себя: 142 страницы текста; 30 таблиц; 41 рисунок. В качестве литературных источников использовано 30 изданий, в том числе: справочники, сборники статей, книги отдельных авторов по соответствующей тематике, государственные стандарты.

Ключевые слова: тягодутьевая машина, теплоизоляция, шумоизоляция, пенополиуретан.

Объектом исследования является новый шумо- и теплоизоляционный материал на основе напыляемого пенополиуретана.

Цель работы: создание материала, обладающий высокими шумо- и теплоизоляционными характеристиками, способного эксплуатироваться в условиях повышенной температуры и вибрации.

В результате работы была предложена композиция эффективного шумо- и теплоизоляционного материала на основе жесткого пенополиуретана, исследованы эксплуатационные характеристики оптимальной композиции: σ10% =147,59; λ=0,0189; коэффициент снижения шума 29%; кажущаяся плотность 42,85 кг/м3; коэффициент вспенивания - 27,65. Разработана схема технологического процесса нанесения покрытия на основе предложенной композиции методом напыления и рассчитана себестоимость производства 1 м3 такого материала.

Результаты работы в виде материала и технологии его изготовлении могут быть использованы при проектировании шумо- и теплозащиты для предлагаемого оборудования (тягодутьевых машин), а также повсеместно при строительстве и теплоизоляции жилых и хозяйственных сооружений.

Содержание

Введение

. Тягодутьевые машины. Проблема шумо- и теплоизоляции

.1 Назначение и краткое описание тягодутьевых машин

.2 Конструкция тягодутьевых машин

.3 Проблема шума тягодутьевых машин

.3.1 Общая характеристика шума и его источники

.3.2 Методика разработки средств защиты от шума ТДМ

.3.3 Требования к шумоизоляции

.4 Проблема теплоизоляции тягодутьевых машин

.4.1 Требования к теплоизоляционным материалам

.4.2 Сравнительные характеристики различных видов теплоизоляционных материалов

.5 Выводы

. Проектирование шумо- и теплоизоляционного материала на основе пенополиуретана

.1 Получение пенополиуретана

.2 Параметры протекания химических реакций

.3 Физико-механические характеристики пенополиуретана

.4 Компонентный состав материала

.4.1 Полиол

.4.2 Полиизоцианат

.5 Общая информация по нанесению пенополиуретана методом напыления

.6 Подбор оборудования

.7 Расчёт массы компонентов и толщины изолирующего слоя из ППУ

.8 Методы определения основных технических показателей теплоизоляционных материалов и изделий

.8.1 Метод определения плотности

.8.2 Метод определения влажности

.8.3 Методы определения водопоглощения при полном погружении образца в воду

.8.4 Метод определения прочности на сжатие при 10%-ной линейной деформации

.8.5 Метод определения предела прочности при сжатии

.9 Определение теплопроводности

.10 Статическая обработка результатов эксперимента

.11 Выводы

. Исследование теплофизических и акустических характеристик пенополиуретана

.1 Изготовление образцов

.2 Определение сухого остатка

.3 Прочность на сжатие при 10%-ной линейной деформации

.4 Определение коэффициента теплопроводности

.5 Определение шумоизоляционных характеристик

.6 Выбор оптимальной композиции пенополиуретана

.7 Выводы

. Технология нанесения пенополиуретана методом напыления

.1 Схема технологического процесса

.2 Приемка и хранение компонентов

.3 Выводы

. Охрана труда

.1 Этапы технологического процесса

.2 Анализ опасных и вредных производственных факторов, действующих в производственном помещении

.3 Мероприятия по обеспечению охраны труда

.3.1 Освещение

.3.2 Электробезопасность

.3.3 Пожарная безопасность

.3.4 Средства индивидуальной защиты

.4 Указание мер безопасности

.5 Оказание первой помощи

.6 Требования ТБ при работе на пеногенераторе

.7 Расчёт защитного заземления

.8 Выводы

. Технико-экономические расчеты производства

.1 Исследование рынка

.1.1 Пенополиуретан

.1.2 Пенопласты на основе фенолформальдегидных смол

.1.3 Карбамидные пенопласты

.1.4 Полистирольные пенопласты

.2 Расчет производства

.2.1 Количество основных производственных рабочих

.2.2 Затраты на материалы

.2.3 Затраты на потребление электрической энергии

.2.4 Расчет заработной платы основных производственных и вспомогательных рабочих

.2.5 Затраты на оборудование

.3 Калькуляция себестоимости

.4 Выводы

Заключение

Список литературы

Приложения

Введение

Крупногабаритные тягодутьевые машины (ТДМ) применяются для наддува воздуха и отсоса газа на всех тепловых и энергетических станциях. Несмотря на высокие технические качества, эти машины излучают большой шум в окружающее пространство и газовоздушные трубопроводы. Он достигает рабочих мест обслуживающего персонала станций и прилегающих к ним территории. В связи с тем, что тепловые энергетические станции располагаются, как правило, в черте городов и районных центров, шум машин через дымовые трубы распространяется на территории жилой застройки на глубину 1,5…2 км. Создаваемые машинами уровни шума на рабочих местах и на прилегающей территории существенно превышают нормативные требования, в результате большая часть населения в нашей стране находится под шумовым воздействием тягодутьевых машин, что свидетельствует о недопустимости их эксплуатации без осуществления мероприятий по снижению шума. Эта проблема в городском и сельском строительстве становится все более важной ввиду увеличения мощности энергетических станций и, соответственно, мощности тягодутьевых машин [1].

Проблема борьбы с шумом, защиты человека от него за последние два десятилетия стала одной из актуальных социальных и гигиенических проблем. Шум можно рассматривать теперь как один из факторов загрязнения окружающей среды [2].

Одной из мер снижения шумового воздействия на обслуживающий персонал является применение противошумных наушников. При использовании индивидуальных средств защиты, шум влияет на вегетативную нервную систему, и её реакция выражается в значительном повышении частоты пульса. Рабочие при ношении наушников допускают значительно больше ошибок в слуховой ориентации, что может явиться причиной несчастного случая.

Снижение шума тягодутьевых машин возможно как в источнике его возникновения, так и на путях распространения.

В то же время в вопросах борьбы с шумом крупногабаритных тягодутьевых машин отсутствует стандартные решения. Поэтому для конкретных типоразмеров, условий эксплуатации машин необходимо определять меры, детально изучив основные источники шума, определив акустические характеристики этих машин. Также необходимо отметить проблему теплоизоляции тягодутьевых машин, так как при работах с нагретыми газами температура корпуса существенно превышает предельно допустимые значения, установленные санитарными нормами.

Таким образом, целью работы является создание материала, обладающий высокими шумо- и теплоизоляционными характеристиками, способного эксплуатироваться в условиях повышенной температуры и вибрации.

1. Тягодутьевые машины. Проблема шумо- и теплозоляции

1.1 Назначение и краткое описание тягодутьевых машин


Вентиляторы и дымососы широко применяются в различных отраслях народного хозяйства. Они являются неотъемлемой частью многих технологических установок в металлургической, химической, цементной промышленности и в энергетике. Практически нет такой отрасли народного хозяйства, где бы ни использовались эти машины.

В котельных установках тепловых электростанций вентиляторы и дымососы применяются для перемещения больших объемов воздуха, отсасывания горячих запыленных дымовых газов и транспортировки пылеугольной воздушной смеси. В зависимости от паропроизводительности котельной установки вентиляторы и дымососы выполняются в центробежном или осевом исполнении и имеют рабочие колеса диаметром до 4300 мм, производительность до 2·106 м3/ч и мощность привода до 5·106 Вт.

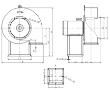
Эти специальные машины, получившие название тягодутьевых машин (ТДМ), относятся к высокоответственным и энергоемким механизмам собственных нужд электростанции, и поэтому к их надежности и эффективности предъявляются высокие требования, которые диктуются особенностями работы котельной установки. На рисунке 1.1 схематически представлена тягодутьевая машина.

Машины должны работать на нагнетание или всасывание (создавать тягу), иметь глубокое регулирование и при этом работать экономично в широком диапазоне режимов, перемещать чистый или запыленный воздух и дымовые газы с температурой до 150 °С, работать длительно и непрерывно [3].

Рисунок 1.1 - Тягодутьевая машина

1.2 Конструкция тягодутьевых машин


Центробежные машины выполняются одноступенчатыми с односторонним и двухсторонним всасыванием, осевые (отечественные) - только двухступенчатыми. Наибольшее применение имеют центробежные машины, осевые машины используются как дымососы и дутьевые вентиляторы только для крупных установок мощностью 200 МВт и более [1].

Приводами ТДМ служат электродвигатели. Для малых и средних типоразмеров ТДМ используются общепромышленные электродвигатели. Для крупных ТДМ применяются специально разработанные электродвигатели и, в отдельных случаях, паровые турбины. ТДМ соединяются с двигателями упругими втулочно-пальцевыми или зубчатыми муфтами без промежуточных механизмов (гидромуфт, редукторов и др.).

Тягодутьевые машины вместе с приводом называется вентиляторной или дымососной установкой. Частота вращения ТДМ малых типоразмеров не превышает 1500 об/мин, средних и крупных центробежных машин 1000 об/мин, осевых машин 600 об/мин [1].

Котлы тепловых электростанций работают непрерывно и значительную часть времени используются при неполной нагрузке. Поэтому тягодутьевые машины должны иметь экономичную систему регулирования производительности.

Основными частями ТДМ являются: рабочее колесо, ходовая часть (вал, подшипники, их опоры и соединительная муфта), направляющие аппараты, корпус, всасывающие карманы, диффузор, опорные элементы.

Ходовые части изготовляются с подшипниками качения, а для некоторых крупных ТДМ с подшипниками скольжения, они имеют картерную (с водяным охлаждением) или принудительную проточную смазку от маслонасосной станции.

На рисунке 1.2 показаны основные исполнения лопаток рабочих колес центробежных ТДМ. Лопатки выполняются цилиндрическими, изогнутыми по дуге окружности и приваренными перпендикулярно к заднему диску колеса. Машины с рабочими колесами, имеющими листовые назад загнутые лопатки с углом выхода β2 =30…50°, хорошо работают в качестве вентиляторов и дымососов. Колеса с профильными назад загнутыми лопатками используются для создания крупных дутьевых вентиляторов с повышенными КПД и шириной β2 [3].

Тягодутьевые машины с радиально оканчивающимися лопатками с углом выхода β2=80…110° создают более высокое давление, чем колеса с назад загнутыми лопатками, но имеют более низкий КПД. Достоинством радиальных лопаток является то, что на них не образуются (или образуются в незначительной степени) отложения золы или пыли. Такие «самоочищающиеся» лопатки используют при создании дымососов рециркуляции, некоторых типоразмеров мельничных вентиляторов, а также для ТДМ, работающих в цементной промышленности [2].

Рисунок 1.2 - Основные исполнения лопаток рабочих колес центробежных ТДМ, где а - назад загнутые лопатки, β2<90° (листовые); б - назад загнутые (профильные) лопатки; в - радиально оканчивающиеся лопатки; г - вперед загнутые лопатки, β2>90°

Номенклатура ТДМ разбита на группы таким образом, чтобы в пределах каждой группы машины имели одинаковую (или близкую) аэродинамическую схему, конструкцию и исходные материалы. Каждая группа унифицированных машин изготовляется на одном предприятии.

1.3 Проблема шума тягодутьевых машин


Несмотря на высокие технические качества, тягодутьевые машины излучают большой шум в окружающее пространство и газовоздушные трубопроводы. Он достигает рабочих мест обслуживающего персонала станций и прилегающих к ним территории. В связи с тем, что тепловые энергетические станции, где используются ТДМ, располагаются зачастую в черте городов и районных центров, шум машин через дымовые трубы распространяется на территории жилой застройки на глубину от 1,5 до 2 км. Создаваемые машинами уровни шума на рабочих местах и на прилегающей территории значительно превышают предельно допустимые величины, установленные по СН 2.2.4/2.1.8.562-96 «Шум на рабочих местах, в помещениях жилых, общественных зданий и на территории жилой застройки».

Эта проблема в городском и сельском строительстве становится все более важной ввиду увеличения мощности энергетических станций и, соответственно, мощности тягодутьевых машин.

На электростанциях тягодутьевые машины устанавливаются либо на открытых площадках, либо в специально предназначенных для них помещениях. Возможны варианты, когда дутьевые вентиляторы устанавливаются в помещении котельного цеха, а дымососы - снаружи на открытом воздухе. На территории электростанции наиболее вредным фактором является шум, передаваемый в окружающее пространство корпусами ТДМ, а также шум, исходящий из всасывающих отверстий воздухозаборных шахт, которые обычно находятся на уровне верхних ярусов котлоагрегата в помещении котельного цеха. Шум, исходящий из устья дымовой трубы, с учетом ее высоты до 250 м и направленности шума, на территории электростанции оказывается ниже допустимых нормативных значений, поэтому его можно не учитывать.

1.3.1 Общая характеристика шума и его источники

По своей природе шум ТДМ подразделяется на аэродинамический и механический. Причиной возникновения аэродинамического шума являются колебательные процессы аэродинамического происхождения, которыми сопровождается движение среды в проточной части машины (рабочем колесе, входных и выходных устройствах, направляющем и спрямляющем аппаратах). Составляющие аэродинамического шума могут иметь как непрерывный, так и дискретный спектры. К составляющим аэродинамического шума, имеющим непрерывный спектр в широком диапазоне частот, относятся: вихревой шум; шум пограничного слоя; турбулентный шум; шум отрыва потока. Дискретный спектр имеют периодические пульсации параметров среды, вызванные неоднородностью потока в рабочем колесе по периметру решетки лопаток.

Составляющими механического шума ТДМ являются: шум подшипников; шум дисбаланса ротора; шум соединительной муфты; шум, возникающий вследствие колебаний стенок корпуса под действием пульсаций давления в проточной части. Из составляющих механического шума ярко выраженный дискретный спектр имеет шум дисбаланса.

Шум привода, в котором могут содержаться шумы механического, аэродинамического и электромагнитного происхождения, непосредственно к шуму ТДМ не относится и в каждом конкретном случае должен рассматриваться отдельно.

В трубопроводы, присоединенные к ТДМ на всасывание или нагнетание, передается в основном шум, имеющий аэродинамическое происхождение. Этот шум распространяется в окружающее пространство через воздухозаборную шахту или дымовую трубу. В необходимых случаях для его снижения на стороне всасывания дутьевых вентиляторов и на стороне нагнетания дымососов устанавливаются шумоглушители.

Непосредственно в окружающее пространство от ТДМ передается аэродинамический шум, проникающий через стенки корпуса ТДМ и присоединенных трубопроводов, и механический шум. Снижение аэродинамического шума в данном случае достигается звукоизоляцией машины в соответствии с рекомендациями ее изготовителя. Механический шум хорошо сбалансированной машины, имеющей достаточно жесткий корпус, покрытый тепло- или звукоизоляцией, по своей интенсивности оказывается ниже аэродинамического шума.

Необходимый перечень шумовых характеристик ТДМ устанавливает ГОСТ 29310-92. Эти характеристики, приводимые в технических условиях на конкретные машины, в их эксплуатационной документации, в каталогах и справочниках, можно условно разделить на три типа:

) Характеристики, представляющие собой исходные данные для расчета уровней звукового давления на территории электростанций и прилегающих к ней территориях (производственные и жилые зоны) при проектировании систем шумоглушения и звукоизоляции.

Эти характеристики выражены в виде октавных уровней звуковой мощности шума, передаваемого:

· во всасывающий трубопровод машины LPВi;

·        в нагнетательный трубопровод машины LPНi;

·        в окружающее пространство (корпусом машины) Lki

Октавные уровни звуковой мощности на шумовой характеристике машины (рисунок 1.3) приводятся, как правило, для режима максимального КПД. Исключение составляют регулируемые ТДМ осевого типа, у которых шумовая характеристика содержит октавные уровни звуковой мощности не на режиме максимального КПД, а на номинальном режиме [1].

Рисунок 1.3 - Шумовая характеристика центробежного дымососа ДН-19М при частоте вращения n = 985 об/мин и плотности перемещаемой среды у=0,942 кг/м3

Lpi -октавные уровни звуковой мощности; LKA, L(KA) - уровни звука на расстоянии 1 м от корпуса, непокрытого и покрытого теплозвукоизоляцией; 1 - шум нагнетания; 2 - шум всасывания; 3 - корпусной шум

) Характеристика, предназначенная для интегральной оценки шума, передаваемого корпусом машины в окружающее пространство, при его сопоставлении с санитарными нормами.

Эту характеристику, выраженную уровнем звука LKA на расстоянии 1 м от корпуса, покрытого теплозвукоизоляцией, получают непосредственными измерениями.

3. Безразмерные характеристики, предназначенные для сравнения шума ТДМ, спроектированных на базе различных аэродинамических схем, при оценке их технического уровня.

Эти характеристики имеют вид суммарных критериев шума LΣв и LΣн, передаваемого во всасывающий и нагнетательный трубопроводы.

На рисунке 1.4 приведено сопоставление зависимостей октавных критериев шума LHi от относительной частоты октавных полос для ТДМ, представляющих различные аэродинамические схемы [1].

Рисунок 1.4 - Зависимость октавных критериев шума LHi от безразмерной частоты октавных полос f для тягодутьевых машин различного типа:

- дымосос ГД-20; 2 - мельничный вентилятор ВВР-18; 3 - дымосос ДН-19М; 4 - дутьевой вентилятор ВДН-18; 5 - двухступенчатый осевой дымосос ДОД-31,5

Из этого сопоставления следует, что шум ТДМ в целом можно характеризовать как широкополосный. При этом следует отметить, что шум осевых ТДМ более часто, чем шум центробежных ТДМ, включает в себя тональные составляющие.

1.3.2 Методика разработки средств защиты от шума ТДМ

Исходными материалами для разработки средств защиты от шума ТДМ являются их шумовые и аэродинамические характеристики, шумовые характеристики приводных электродвигателей, компоновочные схемы ТДМ в тракте котельного агрегата, проект застройки электростанции и прилегающих к ней территорий.

Разработка средств защиты от шума ТДМ должна включать в себя следующие этапы:

1)  выбор расчетных точек, расположенных в зоне воздействия шума ТДМ, и определение в них допустимых уровней звукового давления;

2)  расчет ожидаемых уровней звукового давления в расчетных точках;

3)  определение требуемого снижения уровней звукового давления в расчетных точках;

4)  выбор конструкции и акустический расчет звукоизолирующих покрытий;

5) выбор конструкции, акустический и аэродинамический расчеты глушителей шума.

Выбор расчетных точек, расположенных в зоне воздействия корпусного шума ТДМ на территории электростанции, должен производиться с учетом компоновочной схемы установки и общего количества источников шума, включая приводные электродвигатели. Определение допустимых уровней звукового давления в расчетных точках производят в соответствии с ГОСТ 12.1.003-83 «Система стандартов безопасности труда. Шум. Общие требования безопасности». При этом следует учитывать, что установки ТДМ тепловых электростанций не имеют постоянных рабочих мест, расположенных на расстоянии 1 м от корпуса, принятом для оценки уровня звука при его сопоставлении с санитарными нормами. Нахождение дежурного персонала электростанции на расстоянии 1 м от корпуса ТДМ оказывается необходимым лишь на короткие промежутки времени для периодического контроля их работы. Это позволяет оценивать шум ТДМ, воздействующий на дежурный персонал электростанции, как непостоянный и в качестве его характеристики использовать дозу шума или относительную дозу шума в соответствии с ГОСТ 12.1.003-83.

Основным нормативным документом, устанавливающим порядок проведения акустических расчетов, являются СНиП П-12-77 «Защита от шума».

1.3.3 Требования к шумоизоляции

Санитарными нормами СН 2.2.4/2.1.8.562-96 «Шум на рабочих местах, в помещениях жилых, общественных зданий и на территории жилой застройки. Санитарные нормы» установлены предельно допустимые уровни звукового давления при выполнении работы на рабочих местах в производственных помещениях и на территории предприятий (рисунок 1.5).

Рисунок 1.5 - Предельно допустимый уровень звукового давления (L, дБ) в октавных полосах со среднегеометрическими частотами (f, Гц)

Предельно допустимый эквивалентный уровень звукового давления составляет 80 дБа.

Таким образов, установим основные требования к шумоизоляционному материалу:

)        материал должен быть технологичен, легко монтироваться на поверхность корпуса ТДМ;

)        слой изоляционного материала должен наноситься таким образом, чтобы обеспечивать свободный доступ обслуживающего персонала к корпусу ТДМ;

)        материал должен обладать высокой адгезией к изолируемой поверхности для исключения отслоения из-за вибрации при работе ТДМ;

)        шумопоглощающая способность материала должна быть выше, чем у используемых сейчас материалов (прошитые маты из минеральной ваты), чтобы обеспечивать требуемые условия труда при меньших затратах изоляционных материалов.

1.4 Проблема теплоизоляции тягодутьевых машин


Осевые дымососы и тягодутьевые машины, как правило, перекачивают горячий воздух, и температура на их поверхности может достигать 150 °С.

Согласно гигиеническим требованиям к микроклимату производственных помещений по СанПиН 2.2.4.548-96, допустимая температура рабочих поверхностей не должна превышать 29 °С. Поэтому помимо шумоизоляции требуется и снижение температуры рабочей поверхности до допустимого уровня.

Следует заметить, что требования, предъявляемые к изоляционному материалу по критерию теплоизоляционных свойств более жёсткие, чем по критерию шумоизоляции. Поэтому целесообразно подбирать материал, обеспечивающий достаточную теплоизоляцию рабочей поверхности. При необходимости, уровень шумоизоляции всегда может быть достигнут увеличением толщины изолирующего покрытия.

1.4.1 Требования к теплоизоляционным материалам

Материалы, применяемые для теплоизоляции, не должны взаимодействовать с поверхностями, с которыми они соприкасаются, и не должны загрязняться токсичными химическими продуктами, должны быть стойкими к вибрации, химически и атмосферостойкими.

При разработке методики исследования теплоизоляционных свойств защитного материала, нужно учитывать, что теплопередача осуществляется за счет следующих факторов: активной проводимости материала ячеек, активной проводимости воздуха или газа, заполняющего ячейки пенопласта, излучения тепловой энергии от одного твердого вещества к другому через пространство, конвективного потока тепла.

Влага в теплоизоляции не только способствует коррозии, но и приводит к существенному снижению термической проводимости. Выбор материала для теплоизоляционных и комбинированных покрытий нужно осуществлять с учетом рабочей и окружающей температур. Несоблюдение этого требования может привести к пожару или разрушению основного материала.

Для снижения действия солнечной радиации на поверхность покрытия следует наносить материал с высоким коэффициентом отражения видимых тепловых лучей. Хорошо отражает солнечные лучи белая глянцевая краска и алюминий, но последний окисляется на воздухе.

Теплоизоляция должна быть стойкой к воздействию сил как наружных (механические силы, ветер), так и внутренних (воздействие температурных деформаций, вибрация, абразивные воздействия).

Для правильного выбора типа теплоизоляционного материала при конструировании нужны следующие данные об их свойствах:

·        для жесткой изоляции - предел прочности при растяжении и сжатии, допустимый прогиб, плотность, жесткость, ударная прочность, склонность к растрескиванию, температурный коэффициент линейного расширения, стойкость к истиранию, удару и вибрации, усадка, стойкость к термическому удару;

·        для эластичной изоляции - то же и, кроме того, величина сжатия под нагрузкой и процент восстановления после снятия нагрузки;

·        для изоляции, наносимой напылением, то же и дополнительно, адгезия во влажном и сухом состоянии, усадка и линейное расширение при высыхании.

При нанесении теплоизоляции нужно строго соблюдать требования техники безопасности. Если имеется опасность загорания, к изоляционным материалам предъявляют дополнительные требования в отношении коэффициента поглощения, капиллярности, температуры плавления, гигроскопичности, загораемости и воспламеняемости.

Таким образом, обобщая вышесказанное, можно установить следующие требования к разрабатываемому материалу:

1)   теплостойкость материала должна быть не менее 150 °С,

2)      материал должен обладать высокой адгезией к изолируемой поверхности,

)        материал должен обладать минимальной гигроскопичностью,

)        коэффициент теплопроводности материала должен быть минимальным, позволяющим достигнуть допустимых условий труда при минимальной толщине материала.

1.4.2 Сравнительные характеристики различных видов теплоизоляционных материалов

В настоящее время для тепло-, звукоизоляции тягодутьевых машин используются прошитые базальтовые минерально-волокнистые маты, имеющие низкие тепло- и шумоизоляционные характеристики и короткий срок службы.

В таблице 1.1 приведены сравнительные характеристики различных теплоизоляционных материалов [5, 6].

Таблица 1.1 - Сравнительные характеристики материалов

Материал

Кажущаяся плотность (кг/м3)

Коэффициент теплопроводности (Вт/м·К)

Тип пористости

Диапазон рабочих температур, °С

Минеральная вата

50

0,048

открытая

- 40…+120

Пробковая плита

220…240

0,050…0,060

закрытая

- 30… +90

Пенобетон

250…400

0,145…0,160

открытая

- 30… +120

Пенополистирол

40

0,040

закрытая

- 150... +90

Вспененный полиэтилен

30

0,038

закрытая

- 40...+100

Пенополиуретан жёсткий напыляемый

35

0,023

закрытая

- 180...+180

Минеральная вата в качестве тепло- и шумоизоляции тягодутьевых машин обладает следующими недостатками: процесс ее монтажа на корпус ТДМ трудоёмок, его автоматизация или механизация невозможна; минеральная вала обладает коротким сроком службы (5 лет), но при вибрации разрушается гораздо быстрее, образуя в воздухе пыль в виде мелких волокон, вызывающих хронические болезни органов дыхания рабочих. Помимо этого, минеральная вата чрезвычайно гигроскопична. Влага также способствует резкому сокращению срока службы этого материала. И помимо всего вышесказанного, процесс демонтажа такого утеплителя с поверхности ТДМ крайне неудобен вследствие того, что минеральная вата рассыпания на мелкие волокна, вызывающие раздражение слизистых оболочек, кожи и органов зрения рабочих.

Тепло- и шумоизоляция из пенобетона предполагает строительство вокруг тягодутьевой машины отдельного изолированного помещения. Но это недопустимо, так как обязательным требованием при проектировании материала является обеспечение свободного доступа к корпусу ТДМ в процессе её эксплуатации.

Пенополистирол, как и вспененный полиэтилен, не смотря на то, что он обладает высокими теплоизоляционными характеристиками, продолжительным сроком службы, низкой гигроскопичностью, не могут быть использованы в работах по тепло- и шумоизоляции тягодутьевых машин, так как они не обладают достаточной теплостойкостью, которая должна составлять не менее 150 °С.

Из представленных материалов наиболее высокими теплоизоляционными характеристиками обладает пенополиуретан (ППУ). Он удовлетворяет требованиям по теплостойкости: диапазон его рабочих температур от минус 180 до плюс 180 °С. Он технологичен, может наноситься на поверхность любой формы и сложности непосредственно на месте монтажа оборудования. Это единственный теплоизоляционный материал, который может наноситься методом напыления. Тип газовых ячеек ППУ - закрытый, исходя из чего можно предположить, что материал будет обладать и высокими звукоизоляционными характеристиками. Пенополиуретан изготавливается на основе многокомпонентных полиэфирных смол, куда при необходимости может быть введён пластификатор, придающий стенкам газовых ячеек дополнительную эластичность, что также может привести к снижению уровня звукопоглощения. В таблице 1.2 приведены сравнительные характеристики традиционного материала, используемого сейчас при изоляции ТДМ - минеральной ваты и пенополиуретана.

Таблица 1.2 - Сравнительные характеристики пенополиуретана и минеральной ваты

Показатели

Пенополиуретан

Минеральная вата

Коэффициент теплопроводности, Вт/м·К

0,023

0,048

Эффективный срок службы, лет

25…30

5

Температурный диапазон проведения работ, °С

5…30

5…30

Устойчивость к влаге, агрессивным средам

Устойчив

Теряются теплоизоляционные характеристики

Рабочая температура, °С

-180… +180

до +350

Паропроницаемость, мг/(м∙ч∙Па)

0,05

0,60


Как видно из приведённой таблицы, пенополиуретан отличается высокими теплоизоляционными свойствами, широким интервалом рабочих температур, малой водо- и паропроницаемостью (это связано с закрыто-пористой структурой материала), широкими технологическими возможностями получения, стойкость к коррозии, воздействию атмосферных факторов, химических сред, радиации.

Рассмотрим некоторые наиболее важные свойства поподробнее.

) Теплоизоляционные характеристики зависят от геометрических размеров ячеек и свойств заполняющего их газа. Теплоизоляционные характеристики у мелкоячеистых пенопластов выше. Коэффициент теплопроводности ППУ, вспененного фреоном низкий, но в течение 30 лет эксплуатации он увеличивается (вследствие постепенной диффузии фреона) с 0,018 до 0,025 Вт/(м·К), теплоизоляционные характеристики его становятся сравнимы с характеристиками ППУ вспененного углекислым газом. Параметры ячеистой структуры оказывают существенное влияние и на механические свойства ППУ. Способность ППУ выдерживать без существенного ухудшения эксплуатационных свойств повышенную температуру называется теплостойкостью, а пониженную - морозостойкостью. Интервал между этими характеристиками называется диапазоном рабочих температур. В зависимости от необходимости можно изменять диапазон рабочих температур в ту или иную сторону. Это осуществляется, например введением модифицированного полиизоцианата (полиметилен-полифенилизоцианата), таким образом, теплостойкость как жестких, так и эластичных ППУ можно повысить до 320 °С при сохранении 45…65% первоначальной прочности. Ячеистая структура сохраняется до еще более высокой температуры, обугливание начинается при температурах 480…540 °С, после чего начинается сублимация материала. ППУ плотностью 30…650 кг/м3 используются для тепловой изоляции. При нагреве все ППУ начинают деформироваться при определенной для данной марки температуре и теряют теплоизоляционные свойства при отсутствии воздуха или горят в его присутствии.

В конструкциях, работающих при низкой температуре, прочность ППУ зависит от размера и ориентации ячеек. По мере уменьшения температуры ниже мину 160 °С прочность жестких ППУ несколько уменьшается, а эластичных возрастает. Например, существует ППУ рабочий диапазон температур которого находится в приделе от минус 200 до плюс 200 °С и имеет более высокий температурный коэффициент и коэффициент линейного расширения, чем металлы. Для компенсации этой разницы и предотвращение возникновения температурных напряжений в конструкции, изготавливаемые с применением жестких ППУ, вводят швы из эластичных ППУ. Если при нормальной температуре эластичный ППУ будет находится в сжатом состоянии, то при пониженной температуре он будет расширятся, все время заполняя зазор [6].

) Звукопоглощение ППУ зависит от демпфирующих свойств, степени эластичности, толщины изоляционного слоя, воздухопроницаемостью и т.д. Звукопоглощательная способность определяется степенью поглощения звуковой энергии частицами воздуха внутри ячеек и работой трения при движении частиц между сообщающимися ячейками, а также жесткостью ячеистого каркаса или частотой возбужденных колебаний. Для устранения отражения воздуха от слоя поропласта нужно его импеданс сделать равным импедансу воздуха. В этом отношении лучшими свойствами обладают поропласты малой плотности.

Для увеличения звукопоглощения также используют собственные колебания конструкции при правильном расположении составляющих элементов. Экспериментально установлено, что наибольшее поглощение обеспечивают полуэластичные ППУ. Подобрать рецептуру с требуемой степенью эластичности легче всего среди ППУ, которые выпускают с различной степенью эластичности. ППУ на основе сложных полиэфиров имеют лучшие шумопоглощающие свойства по сравнению с ППУ на основе простых полиэфиров, так как вибродемпфирующая способность и коэффициент внутреннего трения у первых выше. Практически звукопоглощающие свойства ППУ повышают различными способами:

·    в зоне низких частот - подбором величины воздушного промежутка между слоем пенопласта и вибрирующей конструкцией.

·        в зоне средних частот - подбором рецептур с таким расчетом, чтобы резонансные частоты полимерных перегородок находились за приделами рабочего диапазона частот звуковых колебаний.

·        в зоне высоких частот - перфорированием пленочных покрытий.

) Водопоглащение ППУ не превышает 3% по объему за 24 часа и зависит от особенности используемой рецептуры и плотности ППУ. С увеличением плотности снижается водопоглощение, также водопоглощение некоторых ППУ снижают введением в рецептуру касторового масла, при этом водопоглощение, например ППУ-307, снижается на 4%. С этой целью также можно использовать гидрофобизирующие добавки. Стойкость ППУ к длительному воздействию воды особенно актуальна для судостроения. Водопоглощение ППУ значительно меньше за счет медленного диффундирования влаги через стенки ячеек. Согласно имеющимся данным, за 3 года испытаний водопоглощение ППУ вспененного фреоном не превысило 0,95 кг/м2, вспененного углекислым газом - 1,1 кг/м2.

Зависимость водопоглощения от длительности воздействия воды можно выразить формулой

, (1.1)

где W - водопоглощение за время τ; W0 - водопоглощение за 1 час испытания; В - коэффициент (для пенопластов В=0,22).

По этой формуле можно определить водопоглощение ППУ при длительной выдержке по результатам кратковременных испытаний. Во время испытаний установлено, что ППУ отличается хорошей формоустойчивостью при длительном воздействии воды. После месячной выдержке объем образцов ППУ-3 увеличился всего на 2,5%, затем началась усадка, которая через 3 года составила 1% по объему или 0,3% по линейным размерам.

) Термостойкость ППУ можно повысить, регулируя процесс их деструкции физическими, энергетическими и химическими факторами. Практически повышение огнестойкости ППУ, как и других пенопластов, обеспечивают в основном двумя способами: химической модификацией рецептуры и введением наполнителей. Первый из них более дорогой и трудоемкий, второй применяют чаще. В качестве наполнителей используют галоген, фосфорсодержащие соединения сурьмы, азот, а также дешевые инертные наполнители (например речной песок). Существенное снижение горючести при введении наполнителей приводит иногда к увеличению массы и теплопроводности ППУ. В связи с этим в ряде случаев целесообразно наполненный ППУ наносить на поверхность ранее вспененного ППУ в виде тонкого слоя. В этом случае повышение огнестойкости не будет сопровождаться заметным ухудшением других свойств. Такие двухслойные покрытия можно использовать в тех отраслях народного хозяйства, где к покрытиям предъявляют повышенные требования к огнестойкости. Не следует вводить пламегасящие добавки в заливочные рецептуры, предназначенные для заполнения закрытых конструкций из негорючих материалов, к которым нет доступа воздуха, так как при горении ППУ выделяет настолько мало тепла, что возникшие очаги пламени быстро локализуются [13, 14].

Для определения степени пожароопасности ППУ испытывают на загорание и огне- и теплостойкость, а также находят скорость распространения пламени по поверхности. Огнестойкость ППУ можно обеспечить нанесением на их поверхность специальных покрытий. В США фирмой «Карболине» разработали покрытие «Пайрокрит Л/Д» на основе оксихлорида магния. В его состав не входят токсичные и воспламеняющиеся вещества. Плотность покрытия 0,55 кг/м3, придел прочности при сжатии 14 МПа [7].

) Старение свойственно ППУ так же, как и всем органическим веществам, которые с течением времени изменяют свои свойства под воздействием окружающей среды. Эксплуатационный срок различных материалов определяется стойкостью их к старению, т.е. способностью сохранять свои свойства при эксплуатации на уровне требований технических условий. В связи с этим были проведены и испытания ППУ в различных климатических районах: умерено холодном, сухом жарком, теплом влажном, очень холодном, жарком влажном. Эти испытания вели в целях рационального использования ППУ в различных условиях эксплуатации, определения их гарантийных сроков службы, улучшения эксплуатационных свойств. В результате испытаний выявлено влияние на эксплуатационные характеристики химической природы полимеров, ячеистой структуры, видов вспенивающего агента. Установлено, что за указанный срок изменение указанных характеристик было практически невелико и сохранялось на допустимом уровне. Испытания проводились как на открытых стендах, где образцы подвергались воздействию дождя, ветра, пыли, солнечной радиации, различных температур, так и в складских условиях. Отмечено некоторое деформирование образцов вследствие расширения ППУ, вспененных фреоном, или усадки ППУ, вспененных СО2.

Поскольку в реальных условиях эксплуатации ППУ, получаемых заливкой, чаще всего защищены от воздействия окружающей среды, то эксплуатационные условия лучше всего имитировать при складском хранении. Все исследованные рецептуры ППУ в этих условиях обладали удовлетворительной устойчивостью, стабильностью формы и размеров, а основные физико-механические показатели их практически не изменялись. Например ППУ-3н на протяжении 15-летнего срока эксплуатации практически не изменил своих свойств. Он был напылен на стенки нефтехранилища. Окраска внутри практически не изменилась, цвет наружной поверхности от светло-желтой перешел в темно-коричневый. В местах контакта с металлом было отмечено пожелтение слоя ППУ толщиной 5…10 мм. Ударная вязкость внутренних слоев увеличилась в 1,5 раза. Коэффициент теплопроводности изменился с 0,033 до0,041 Вт/(м·К). Температура размягчения практически не изменилась (98 °С) за исключением участков, которые систематически подвергались воздействию нефтепродуктов; на этих участков температура снизилась до 65 °С, а коэффициент теплопроводности увеличился до 0,046 Вт/(м·К). Водопоглощение ППУ не превышало 0,15 кг/м2. Диэлектрические характеристики практически не изменились. Изменение цвета ППУ (пожелтение) обуславливается наличием свободных аминогрупп в полимере и воздействием света. Интенсивность этого процесса удается снизить изменением рецептур.

Основным фактором, вызывающим разрушение образцов при старении, является ультрафиолетовая радиация. Жесткие ППУ в процессе старения делаются более хрупкими, эластичные - более жесткими. Выявлено, что свойства ППУ при старении изменяются главным образом в поверхностном слое при относительной стабильности свойств внутренних слоев. Эластичные ППУ на основе простых полиэфиров при старении на открытом воздухе подвергаются значительной эрозии с поверхности, которая затем распространяется в глубь образца. При удалении поверхностной пленки жестких ППУ в процессе старения заметно изменяются форма и размеры образцов вследствие релаксации под воздействием разности давления воздуха внутри ячеек и наружного [8].

) Токсичность ППУ. В процессе получения ППУ в той, или иной степени бывают токсичными, так как этим свойством обладают некоторые из их исходных компонентов, поэтому при получении ППУ нужно строго руководствоваться инструкциями по технике безопасности. После завершения процесса отверждения ППУ нетоксичны. В результате проведенных исследований выявлено, что при сгорании ППУ выделяются следующие токсичные газы: цианистый водород НСN, угарный газ СО, углекислый газ СО2. При отсутствии воздуха заметное количество этих газов выделяется при температуре 500 °С, причем HCN адсорбируется частицами дыма. При продувке воздуха через поры ППУ резко возрастает выделение и последующее окисление HCN, ускоряются разложение полимера и вывод газообразных продуктов из зоны реакции. При свободном горении HCN образуется в меньшем количестве. По данным исследования с точки зрения выделения HCN по сравнению с азотсодержащими соединениями, включая шерсть и шелк, ППУ являются менее токсичными. Причина этого в том, что при размягчении ППУ образуется жидковязкая масса, удерживающая HCN в зоне реакции, благодаря чему он успевает разложится, а это ведет к снижению токсичности продуктов сгорания ППУ [8].

Испытания, проведенные на мышах, показали, что токсичность продуктов разложения ППУ значительно ниже токсичности продуктов разложения древесины и каучука в тех же условиях. При сгорании эластичных ППУ выделяется от 0,7 до 1,6% изоцианата, имеющегося в полимочевине и золе, а концентрация его мало зависит от температуры. В общем случае токсичность продуктов сгорания ППУ зависит от степени насыщенности данного объема изделия или конструкции пенополиуретанами (в кг/м3) и особенностей используемой марки ППУ. Наличие одновременно и других полимерных материалов, подверженных горению, усиливает степень токсичности, наличие вентиляции снижает ее.

 

1.5 Выводы


В данной главе дипломной работы были рассмотрены особенности конструкции тягодутьевых машин, рассмотрены такие вредные факторы как шум и нагрев поверхности тягодутьевых машин. Выявлено, что минерально-волокнистые плиты используемые в настоящее время в качестве тепло- и шумоизоляционного материала не удовлетворяют всем предъявляемым к ним требованиям: эти материалы недолговечны, имеют короткий срок службы (менее 5 лет), гигроскопичны, при намокании и последующем высыхании не восстанавливают своих свойств, при эксплуатации разрушаются, образуя мелкую пыль в виде волокон, вызывающих хронические болезни органов дыхания.

После анализа имеющихся на данный момент времени теплоизоляционных материалов, были выявлены наиболее интересные классы, не обладающие недостатками минеральной ваты, и представлены в таблице 1.1. Из найдённых материалов, превосходящих минеральную вату по эксплуатационным характеристикам, требованию теплостойкости удовлетворяет лишь жёсткий пенополиуретан, диапазон температур эксплуатации которого лежит в пределах от минус 180 до плюс 180 °С, но при введении модифицированного полиизоцианата может быть расширен до плюс 320 °С.

Закрыто-пористая структура и возможность введения в компоненты пенополиуретана пластификаторов, позволяют прогнозировать высокие шумоизоляционные характеристики, которые планируется определить при лабораторных испытаниях образцов ППУ. Возможность нанесения пенополиуретана методом напыления на поверхность сложной конфигурации также является существенными преимуществом данного класса материалов.

Из всего вышесказанного был сделан вывод о целесообразности применения напыляемого пенополиуретана в качестве шумо- и теплоизоляционного материала корпусов тягодутьевых машин.

Для разработки шумо- и теплоизоляционного материала на основе пенополиуретана необходимо решить следующие задачи:

·      Подготовить методологическую базу для проведения экспериментов, определить необходимые методы, оборудование и материалы для проведения исследовательской работы.

·              Изготовить образцы с варьированием компонентного состава.

·              Произвести исследования физико-механических и эксплуатационных характеристик образцов.

·              По полученным данным выбрать оптимальный компонентный состав и разработать технологию для нанесения шумо- и теплоизоляционного покрытия на его основе.

2. Проектирование шумо- и теплоизоляционного материала на основе пенополиуретана

2.1 Получение пенополиуретана


Пенопласты на основе вспененных полиуретанов (пенополиуретаны) получают в результате сложных реакций, протекающих при смешивании полиэфира, диизоцианата или полиизоцианата, вспенивающего агента в присутствии катализатора, эмульгатора и добавок. Изменяя состав смеси, можно получать пенополиуретаны с различными свойствами.

Полиэфиры применяют простые и сложные. По виду полиэфира получают жесткие или эластичные пенополиуретаны. Диизоцианат - вещество, содержащее уретан. Катализаторы регулируют реакцию образования полиуретана, его вспенивание и отверждение. Эмульгаторы - поверхностно активные вещества, позволяющие получить равномерную структуру пенополиуретана, однородного по свойствам. В качестве добавок при изготовлении пенополиуретана применяют газообразователи - вещества, обеспечивающие пористость материала, антипирены, повышающие его огнестойкость, и красители. Жесткие пенополиуретаны получают методом заливки или методом напыления. В предшествующем разделе было обосновано использование напыляемого пенополиуретана ввиду возможности нанесения его на поверхности сложной формы непосредственно на месте монтажа тягодутьевой машины.

 

.2 Параметры протекания химических реакций


Пенополиуретан образуется в результате реакции NCO- и OH-групп.

В общем виде реакция образования полиуретана может быть записана так:

Рисунок 2.1 - Реакция образования пенополиуретана

Носителями NCO-групп являются изоцианаты, носителями OH-групп - полиэфиры (полиолы). Химическая реакция начинается при смешении изоцианатов и полиэфиров. Данная химическая реакция проходит с выделением тепла. Одновременно с протеканием реакции происходит вспенивание материала за счет интенсивного испарения низкокипящих соединений, заранее введенных в систему. Качественным и количественным подбором каталитических добавок достигается оптимальное протекание процесса [9].

Процесс образования пенополиуретана описывается профилем вспенивания - зависимостью высоты вспенивающейся массы от времени. При этом фиксируются следующие ключевые точки:

1)    Время старта Тст - время от начала перемешивания до начала вспенивания;

2)      Время гелеобразования Тгель - время, за которое вспенивающаяся масса становится гелеобразной и теряет текучесть;

3)    Время подъема Тпод - время от начала перемешивания до прекращения увеличения объема вспенивающейся массы (рисунок 2.2).

Напыляемые системы характеризуются быстрым стартом и коротким промежутком времени, за которое система теряет текучесть. Такая кинетика реакции в сочетании с хорошей адгезией не позволяют вспенивающейся массе стекать даже с вертикальной поверхности, обеспечивая ровный и однородный слой пены после затвердевания.

В смесительной камере пистолета распылителя при смешении компонентов происходит образование мелкодисперсного коллоидного раствора. Из-за протекающих в растворе экзотермических реакций происходит нарастание вязкости и повышение температуры. При достижении температуры более 25…28C начинается интенсивное испарение вспенивающего агента, начинается подъем композиции, который фиксируется как время старта.

Рисунок 2.2 - Профиль вспенивания для напыляемой системы [9]

Рост вязкости системы и наличие в ней кремнийорганического пеностабилизатора стабилизирует газовые пузырьки. Дополнительный рост пузырьков вызывает также реакция полиизоцианата с водой. Протекающие химические реакции ведут к образованию трехмерной полимерной структуры. Начало образования единой полимерной структуры фиксируется как время гелеобразования. В этот момент в слабосшитой полимерной системе имеется большое количество непрореагировавших функциональных групп. Дальнейшая полимеризация фиксируется как время отлипа (потеря липкости поверхностью пенопласта) и время подъема пенопласта (время окончания подъема пенопласта) [11].

Отмеченные процессы протекают на начальной стадии формования жесткой пены. Основной параметр (время гелеобразования) определяется в основном количеством вводимого катализатора. Основные параметры зависят от типа и количества катализатора, а также качества исходных компонентов. С точки зрения химии, процессы отверждения в теплоизоляционных элементах завершаются через несколько часов после смешивания компонентов. Механические релаксационные процессы завершаются через несколько суток.

Для получения качественной пены необходимо, чтобы время старта используемых систем не превышало 10 секунд, а по возможности было даже меньше [10].

 

.3 Физико-механические характеристики пенополиуретана


В таблице 2.1 приведены физико-механические характеристики напыляемого пенополиуретана марки ППУ 308Н по ТУ 6-05-221-204.

Таблица 2.1 - Физико-механические свойства пенопласта ППУ 308Н

Наименование показателей

марка А

марка Б

марка С

Плотность в сердцевине изделия, кг/м3

30…70

30…70

40…70

Теплопроводность, Вт/(м °С), не более

0,025

0,025

0,025

Объемное содержание закрытых пор, %

80

80

80

Водопоглощение за 24 часа, %

8

8

5

Предел прочности при сжатии, МПа, не менее

0,18

0,18

0,18

Предел прочности при растяжении, МПа

0,14

0,14

0,15

Относительное удлинение при разрыве, %

3

3

3

Стабильность размеров при 70 °С и влажности 95% за 48 часов, %,

1

1

1

Срок эксплуатации при температуре от минус 80 °С до плюс 90 °С (при защите от прямых атмосферных воздействий), лет

30


Эти данные могут быть использованы при проектировании защитных оболочек из пенополиуретана и определения соответствия физико-механических параметров полученных образцов заданным параметрам.

 

.4 Компонентный состав материала


Напыляемый жесткий пенополиуретан ППУ-308Н (ТУ 6-05-221-204) получают на основе двух жидких компонентов:

)        компонент «А» - полиол,

)        Компонент «Б» - полиизоцианат

Пенополиуретан ППУ-308Н наносят на изолируемую поверхность специальным пистолетом, в смесительную камеру которого полаются компонент А и Б. При попадании на изолируемую поверхность эта смесь вспенивается и застывает. Процесс вспенивания и отверждения пенополиуретанов является экзотермическим и сопровождается значительным тепловым эффектом, в результате чего смесь нагревается, что ускоряет процесс вспенивания и отверждения пенопласта.

2.4.1 Полиол

Полиолы производятся многими химическими предприятиями всего мира. Химический состав и соотношения компонентов полиолов конкретных производителей охраняются как коммерческая тайна. Наиболее общий вариант компонентного состава полиола приведён в таблице 2.2.

Таблица 2.2 - Компонентный состав полиола

Наименование компонента

Описание

Массовых частей в полиоле

Лапромол-294

Полиэфирная смола, основа полиола

100

Трихлорэтилфосфат

Анитиперен

30

Фреон-11, Хладон-141b

Легкокипящая жидкость, вспениватель

45

КЭП-2

Эмульгатор

1


Рассмотрим характеристика каждого из компонентов полиола (по стандарту ВСН 462-85).

) Лапрамол-294 (ТУ 6-05-1681-80) - простой ненасыщенный полиэфир с молекулярной массой 290, получаемый взаимодействием окиси пропилена с водным раствором этилендиамина. Внешний вид: прозрачная вязкая жидкость от бесцветной до слабо-жёлтой окраски. Плотность 1037 кг/м3 при 20 °С. Содержание гидроксильных групп 20,5…23%. Содержание азота 9,1…10%, pH=10,7…11,5. Вязкость по Хеплеpy при 25 °С в пределах 40…50 Парс. Растворяется в воде и органических растворителях. Поставляется в бочках по 220 кг в виде прозрачной жидкости. Используется для получения жёстких пенополиуретанов.

) Трихлорэтилфосфат (ТУ 6-05-611-78) - полный эфир ортофосфорной кислоты и этиленхлоргидрина с молекулярной массой 285,49. Внешний вид: низковязкая прозрачная маслянистая жидкость. Плотность при 20 °С 1420…1425 кг/м3. Показатель преломления при 20 °С 1,472…1,474. Содержание влаги не более 0,09%. Температура кипения 208…220 °С.

Токсикологические свойства: нелетучая жидкость. Проникает через неповрежденную кожу, оказывая раздражающее действие и в условиях хронического воздействия способен вызывать симптомы интоксикации. При попадания на слизистую оболочку глаза вызывает нестойкий конъюнктивит. Относится к 2 классу опасности (ГОСТ 12.1.007-76 <#"554077.files/image009.gif">


Компонент А и B с помощью насоса подаются в распылительный пистолет, изображённый на рисунке 2.4.

Рисунок 2.4 - Распылительный пистолет

В пистолете компоненты перемешиваются сжатым воздухом и за счет избыточного давления выталкиваются в виде аэрозоли на изолируемую поверхность через сопло (рисунок 2.5).

Рисунок 2.5 - Блок смешения компонентов А и Б в пистолете-распылителе

Совокупность всех блоков описанной схемы называют пеногенератором. Для улучшения качества наносимой жесткой пены в устройство пеногенератора добавляют узлы, такие как подогревательные элементы, миксеры и пр. Это дает максимальное вспенивание наносимой системы.

Для напыления используют малогабаритные легкие установки, удобные для перемещения по объекту. Это связано с тем, что большие установки не всегда возможно доставить на место проведение работ.

Под кажущейся простотой напыления пенополиуретана, скрывается сложный технологический процесс, не прощающий спешки и суетливости. Работы производятся последовательно и спокойно. Должны быть проверены все узлы, выставлены соотносящиеся режимы подачи компонентов.

 

2.6 Подбор оборудования


В настоящее время на российском рынке имеется большое количество фирм-производителей установок для изготовления пенополиуретанов методом заливки. Но наилучшим соотношением параметров цена/качество обладают установки производства ООО «СПТК-Самара». Линейка установок представлена на рисунке 2.6.

Пеногенератор ПГМ-2

Пеногенератор ПГМ-240АТ

Пеногенератор ПГМ-1045АТ

напыление

заливка



Рисунок 2.6 - Установки серии ПГМ производства «СПТК-Самара»

Произведём выбор установки, удовлетворяющей всем требованиям процесса заливки жёсткого пенополиуретана марки ППУ-331. Технико-эксплуатационные характеристики приведены в таблице 2.4.

Таблица 2.4 - Технико-эксплуатационные характеристики установок ПГМ

Наименование

ПГМ-2

ПГМ-240АТ

ПГМ-10

ПГМ-1045АТ

Производительность, кг/мин (куб.м./час).

2,6 (4,0)

2,6 (4,0)

10,0 (15)

10,0 (15)

Назначение

напыление

напыление

напыление/заливка

напыление/заливка

Рабочее напряжение, В

220

220

220

220

Потребляемая мощность, кВт

0,7

0,7

1,1

1,1

Давление в системе подачи воздуха, МПа

0,45…0,9

0,45…0,9

0,45…0,9

0,45…0,9

Давление в системе подачи компонентов, МПа

0,35…0,45

0,30…0,45

0,35…0,45

0,35…0,45

Расход сжатого воздуха, л/мин

350…500

350…500

350…500

350…500

Диапазон рабочих температур, С°

-2…+40

-7…+40

-2…+40

-7…+40

Соотношение компонентов

1:1…1:1,2

1:1…1:1,2

1:1…1:1,4

о1:1…1:1,4

Ёмкости под компоненты

не штатные до 200 л.

два бака по 40 л.

не штатные до 200 л.

два бака по 45 л.

Масса изделия сухая, кг

32

82

32

88

Габаритные размеры, мм

600Ч300Ч600

600Ч300Ч700

600Ч300Ч600

600Ч650Ч750

Датчик уровня компонентов

-

2

-

2

Нагрев компонентов.

-

автомат

-

автомат

Длина шлангов, м

10

10

10

10

Диаметр шлангов, мм.

9

9

9

9

Тип распылителя

ПРС-08

ПРС-08

ПРС-08

ПРС-08

Гарантия изготовителя

12 мес.

12 мес.

12 мес.

12 мес.

Стоимость, руб.

50 000

69 000

60 000

80 000


Для напыления пенополиуретана могут быть использованы все представленные установки. Но установки ПГМ-10 и ПГМ1045АТ (рисунок 2.7) имеют наибольшую производительность (до 10 кг/мин по компонентам), что удобно при напылении ППУ на больших площадях.

Рисунок 2.7 - Установка ПГМ-1045АТ (слева), ПГМ-10 (справа)

Пеногенератор ПГМ-10 не оснащён штатными ёмкостями, что снижает его сухой вес до 32 кг. Установка ПГМ-1045АТ оснащена штатными ёмкостями по 45 л. Но за счёт этого ее масса составляет 88 кг. Выбор одной из этих установок зависит от специфики выполняемых работ, места их проведения, имеющихся транспортных средств для перевозки оборудования и доступа к изолируемой поверхности.

 

.7 Расчёт массы компонентов и толщины изолирующего слоя из ППУ


Количество композиции системы для напыления рассчитывается исходя из величины поверхности, подлежащей напылению, кажущейся плотности и толщины требуемого слоя покрытия, по формуле [12]:

= k1·S·B·J, (2.1)

где Q - масса композиции (А+Б в заранее заданном соотношении), необходимой для напыления, кг; k1 - коэффициент, учитывающий потери при получении ППУ, а также параметры окружающей среды. Величина k1 определяется опытным путем, зависит от конфигурации формируемого изделия, температуры воздуха и силы ветра. Величина k1 находится в пределах:

·        k1 = 1.3 при t=20-25 °С, ветер до 5 м/с

·        k1 = 1.9 при t=0-5 °С, ветер до 8 м/с- площадь поверхности, подлежащей напылению, м2; J - кажущаяся плотность ППУ в изделии, кг/м3; B - толщина напыляемого слоя ППУ, м;

Толщина напыляемого слоя для шумо- и теплоизоляции тягодутьевых машин определяется из одновременного выполнения двух условий:

)        обеспечение снижения температуры до предельно допустимой (29 °С) на поверхности технологического оборудования,

)        обеспечение снижения уровня шума (звукового давления) до предельно допустимого уровня 80 дБ.

 

.8 Методы определения основных технических показателей теплоизоляционных материалов и изделий


Определение технологических показателей теплоизоляционных материалов производится согласно ГОСТ 17177-94 «Материалы и изделия строительные теплоизоляционные. Методы испытаний».

 

.8.1 Метод определения плотности

1)      Отбор образцов

Плотность определяют на образцах или на изделиях, в которых отклонения от правильной формы не превышают предельных значений, установленных в нормативных документах на продукцию конкретного вида.

Плотность органических ячеистых изделий определяют на образцах размером (50Ч50Ч50)±1 мм, не имеющих уплотненного верхнего слоя, для изделий номинальной толщиной более 50 мм и размером (40Ч40Ч40)±1 мм - для изделий номинальной толщиной 50 мм, если в нормативных документах на изделия конкретного вида не указаны другие размеры.

)        Порядок проведения испытания

Отобранное для испытания изделие или образец взвешивают с погрешностью не более 0,5%. Затем измеряют в соответствии размеры изделия или образца (длину, ширину, толщину) и вычисляют его объем.

)        Обработка результатов

Плотность ρ в килограммах на кубический метр вычисляют по формулам:

·           для изделий (образцов) без покровного материала

 ,(2.2)



где m - масса изделия (образца),кг; W - влажность изделия (образца),%; V - объем изделия (образца), м3;

·           для образцов органических ячеистых изделий

,(2.3)



где m1 - масса высушенного образца, кг;

 

.8.2 Метод определения влажности

1)      Порядок проведения испытания

Пробу массой (5±0,1) г помещают в предварительно высушенный и взвешенный стаканчик или тигель и высушивают в сушильном электрошкафу до постоянной массы. Высушивание образцов (проб) до постоянной массы должно производиться при температуре (105±5)0С, если в нормативном документе на продукцию конкретного вида не указана другая температура. Образцы (пробы) материалов или изделий считают высушенными до постоянной массы, если потеря их массы после повторного высушивания в течении 0,5 ч не превышает 0,1%.

)        Обработка результатов

Влажность W в процентах вычисляют по формуле

,(2.4)



где m1 - масса стаканчика или тигля с пробой до высушивания, г; m2 - масса стаканчика или тигля с пробой, высушенной до постоянной массы, г; m3 - масса стаканчика или тигля, г.

Влажность органических ячеистых изделий вычисляют по формуле

,(2.5)



где m4 - масса образца до сушки, г; m5 - масса образца после сушки, г.

Результат вычисления округляют до 0,1%.

 

.8.3 Методы определения водопоглощения при полном погружении образца в воду

Сущность метода заключается в измерении массы воды, поглощенной образцом сухого материала при полном погружении в воду (рисунок 2.8) в течение заданного времени.

Рисунок 2.8 - Ванна с образцом, полностью погруженным в воду, где 1 - сетчатый пригруз; 2 - образец; 3 - сетчатая подставка; 4 - ванна

Для испытания из изделия вырезают образец в форме прямоугольного параллелепипеда длинной и шириной (100±2) мм и толщиной, равной толщине изделия.

Из органических ячеистых изделий вырезают образец размером (50Ч50Ч50)±1 мм. При толщине изделий меньше 50 мм высоту образца принимают равной толщине изделия. Образцы высушивают до постоянной массы.

В ванну из нержавеющего материала, имеющую сетчатые подставку и пригруз из нержавеющего материала, на сетчатую подставку помещают образец и фиксируют его положение сетчатым пригрузом. Затем заливают в ванну воду температурой (22±5)0С так, чтобы уровень воды был выше пригруза на 20…40 мм. Через 24 часа после залива воды образец переносят на подставку и через 30 с взвешивают. Массу воды, вытекшей из образца во время взвешивания, включают в массу насыщенного водой образца. Образцы из органических ячеистых изделий через 24 часа после залива воды вынимают, протирают фильтрованной бумагой и взвешивают.

Водопоглощение при полном погружении образца Wп в процентах по массе вычисляют по формуле

,(2.6)



где m1 - масса образца после насыщения водой и поддона для взвешивания, г; m2 - масса образца, предварительно высушенного до постоянной массы, г; m3 - масса сухого поддона для взвешивания, г

Водопоглощение органических ячеистых изделий при полном погружении образца W в процентах по объему вычисляют по формуле

,(2.7)



где m4 - масса образца после насыщения водой, г; m5 - масса образца, предварительно высушенного до постоянной массы, г, V - объем образца, см3; рв - плотность воды, г/см3.

2.8.4 Метод определения прочности на сжатие при 10%-ной линейной деформации

Сущность метода заключается в измерении значения сжимающих усилий, вызывающих деформацию образца по толщине на 10% при соответствующих условиях испытания.

Из изделия выпиливают образец в форме параллелепипеда длинной и шириной (100±1) мм и толщиной, равной толщине изделия. Предел допускаемой погрешности измерения длины и ширины образца линейкой ±0,5 мм, штангенциркулем ±0,1 мм.

Для проведения испытания образец помещают в машину таким образом, чтобы сжимающее усилие действовало по вертикальной оси образца и измеряют нагрузку, при которой он уплотняется (деформируется) на 10%.

Прочность на сжатие при 10%-ной линейной деформации σ10 в мегапаскалях (кгс/см2) вычисляют по формуле [20]:

,(2.8)



где Р - нагрузка при 10%-ной линейной деформации, Н; l - длина образца, мм(см); b - ширина образца, мм (см).

Результат испытания округляют до 0,01 МПа.

 

.8.5 Метод определения предела прочности при сжатии

Сущность метода заключается в измерении значения сжимающих усилий, вызывающих разрушение образца при соответствующих условиях испытания.

Из изделия выпиливают образец в форме куба с размером ребра (100±1) мм, если в нормативном документе на конкретный вид продукции не указаны другие размеры. Длину и ширину верхнего и нижнего основания образца измеряют штангенциркулем по двум параллельным ребрам. Предел допускаемой погрешности измерения ±0,1 мм. Длиной и шириной образца считают среднее арифметическое значение четырех измерений длины и ширины верхнего и нижнего оснований.

Образец устанавливают в машину так, чтобы сжимающее усилие было направлено по вертикальной оси образца. Разрушающей считают наибольшую нагрузку, отмеченную при испытании образца в момент его разрушения. Предел прочности при сжатии R в МПа (кгс/см2) вычисляют по формуле

,(2.9)



где Р - разрушающая нагрузка, Н; l - длина образца, мм (см); b - ширина образца, мм (см).

Результат испытания округляют до 0,01 МПа [20].

 

.9 Определение теплопроводности


Сущность метода (ГОСТ 7076-99) заключается в создании теплового потока, направленного перпендикулярно к наибольшим граням плоского образца определенной толщины, измерении плотности стационарного теплового потока и температур на противоположных гранях образца.

Лабораторная установка для измерения теплопроводности (рисунок 2.9), которая состоит из:

·  электронагреватель ЭКЧ-145-1,0\220, представляет собой литой чугунный диск, в который запрессованы электроспирали, изолированные от корпуса специальным наполнителем. Нижняя часть корпуса закрывается днищем, которое крепится к корпусу двумя винтами. Потребляемая мощность, не более - 1000 Вт, температура нагрева - до 700 К, КПД электронагревателя не менее 65%;

·        терморегулятор Ш4538, предусмотрен для работы в комплекте с термоэлектрическими преобразователями (ТП) по ГОСТ 3044-84, предназначен для автоматического двухпозиционного и импульсного регулирования температуры по пропорционально-дифференциальному (ПД), а также сигнализации при аварийных превышениях температуры объектов, термопара ТХК-0515;

·        термометр ртутный;

·        реле РП12;

·        сетевой разветвитель.

Рисунок 2.9 - Схема теплового блока установки

- теплоизоляционный кожух; 2 - охранная зона преобразователя теплового потока; 3- прижимное устройство; 4 - преобразователи температуры; 5 - преобразователи теплового потока; 6, 8 -теплообменники; 7 - образец

Также требуется:

·  штангельциркуль по ГОСТ 166-80.

·        линейка по ГОСТ 427-75.

·        Весы лабораторные технические, обеспечивающие взвешивание с погрешностью не более 0,1 г. Для определения теплопроводности из плит, выпиливают три образца. Образцы для определения теплопроводности должны быть в виде пластин размером в плане от 200Ч200 мм до 300Ч300 мм и толщиной 20…50 мм.

В основу работы измерителя положен стационарный сравнительный метод измерения. На рисунке 2.10 представлена тепловая модель измерения

Рисунок 2.10 - Тепловая модель измерения

- нагреватель, 2 - образец №1, 3 - образец №2, 4 - термопара, 5 - термометр №1, 6 - термометр №2

На теплоэлектронагреватель помещается образец №1 с известным коэффициентом теплопроводности, поверх него кладется исследуемый образец №2. Термопара и термометры располагаются следующим образом:

·      Термопара ТХК-0515 на границе образца №1 и электронагревателя

·        Первый термометр помещается между образцом №1 и образцом №2

·        Второй термометр расположен непосредственно у поверхности образца №2, граничащей с внешней средой.

Нагреватель связан обратной связью с терморегулятором, что позволяет выставить нужную температуру нагрева. Температура нагрева не должна превышать температуры плавления образца №1, но при этом должна обеспечивать изменение температуры на поверхности образца №2, граничащей с внешне средой, по сравнению с начальными условиями. Для большинства образцов достаточной температурой нагрева является 80-90 °С.

Задание нужной температуры осуществляется вращением шкалы реохорда терморегулятора и выставлением ее на соответствующей отметке. Температура на нагревателе фиксируется термопарой, сигнал поступает на терморегулятор.

Испытания считаются законченными, если три последовательных измерения теплового потока дают отклонение не более 5% среднего значения.

Коэффициент теплопроводности λ в Вт/(м∙К) вычисляют по формуле:

,(2.10)



где Т0 - комнатная температура, Т1 - температура у поверхности нагревателя - термопарой, Т2 - ртутным термометром. h1 и h2 - высота исследуемого образца и стандартного, F1 и F2 - площадь сечения исследуемого образца и стандартного, время t - время в течение которого образец нагревается, c и ρ - удельная теплоемкость и плотность пенопласта, k - коэффициент тепловых потерь. Плотность и удельная теплоемкость пенопласта считались постоянными в течение всего эксперимента, здесь ρ=30 кг/мі, с=1260 Дж/(м·К). Коэффициент тепловых потерь k принимался равным 0,1[21].

 

.10 Статическая обработка результатов эксперимента


Из-за действия множества искажающих факторов результат каждого отдельного измерения физической величины не совпадает с ее истинным значением. Разность между результатом измерения и истинным значением измеряемой величины называется погрешностью измерений (ошибкой измерений).

Различают три типа погрешностей измерений: грубые ошибки (промахи), систематические и случайные погрешности.

Грубые ошибки, или промахи, обычно бывают связаны с неисправностью измерительной аппаратуры, либо с ошибкой экспериментатора в отсчете или записи показаний приборов, либо с резким изменением условий измерений. Результаты измерений, соответствующих грубым ошибкам, нужно отбрасывать и взамен проводить новые измерения.

Систематическими погрешностями измерений называются погрешности, которые при многократном измерении одной и той же величины остаются постоянными либо изменяются по определенному закону. Систематические погрешности включают в себя методические и инструментальные (приборные) погрешности измерений.

Случайными погрешностями измерений называются погрешности, абсолютная величина и знак которых изменяются при многократных измерениях одной и той же физической величины.

Случайные погрешности вызываются многими факторами, не поддающимися учету. Полностью избавиться от случайных погрешностей невозможно, но их можно уменьшить путем многократного повторения измерений. При этом происходит частичная компенсация случайных отклонений результатов измерений в сторону завышения и в сторону занижения. Расчет случайных погрешностей производится методами теории вероятностей и математической статистики.

Результаты испытаний выражают графически или численно в соответствии с требованиями стандарта на методы испытаний.

При численном выражении определяют среднее значение определяемого показателя :

(2.11)



где Хi - отдельное значение определяемого показателя Х;

N - количество отдельных значений определяемых показателей, входящих в расчет.

Среднее значение определяемого показателя () вычисляют как среднее арифметическое в соответствии с требованиями стандарта на методы испытаний.

Величину стандартного отклонения отдельных значений (S) вычисляют по формуле:

(2.12)



Величину стандартного отклонения среднего значения (S) вычисляют по формуле:

(2.13)



где Хi - отдельное значение определяемого показателя Х;

- среднее значение определяемого показателя Х;

N - количество отдельных значений определяемых показателей, входящих в расчет.

Границы доверительного интервала 2∙ΔХ, в которых заключено искомое значение показателя Х, определяют по формуле

для нижней границы

для верхней границы


где ΔХ - вероятное отклонение искомого показателя Х от полученного среднего значения , которое вычисляют по формуле:

(2.14)


(2.15)



где t - критерий точности;

S и - величины стандартного отклонения;

N - количество отдельных значений определяемых показателей, входящих в расчет.

Коэффициент вариации среднего значения (Vi) в процентах вычисляют по формуле:

(2.16)



где - среднее значение определяемого показателя Х;

- стандартное отклонение среднего значения.

Относительную ошибку в процентах вычисляют по формуле:

(2.17)



Запись результатов испытаний должна обеспечивать полноту описания образца, условий измерения, метода измерения, метода подсчета результата и полученной погрешности.

 

.11 Выводы


В ходе работы над проектированием шумо- и теплоизоляционного материала на основе пенополиуретана, были получены следующие результаты:

·        Изучены параметры химической реакции полиола и полиизоцианала. Рассмотрены такие основные параметры реакции, как время старта, время гелеобразования и время подъёма пеноматериала.

·        Описаны физико-механические характеристики жёсткого пенополиуретана, полученного методом напыления.

·        Описан компонентный состав исходного сырья, соотношения и свойства компонентов, а также условия реакции получения пенополиуретана.

·        Описана общая информация по технологии напыления пенополиуретана, на основе чего подобрано оборудования для выполнения работ по шумо- и теплоизоляции при помощи напыляемого пенополиуретана. В качестве основного технологического звена рекомендован пеногенератор ПГМ-1045АТ.

·        Составлена формула (2.1) определения массы компонентов, требуемых для получения покрытия заданной толщины.

·        Рассмотрены и описаны методы определения основных технических показателей теплоизоляционных материалов и изделий по ГОСТ 17177-94.

·        Описан метод определения теплопроводности материалов по ГОСТ 7076-99.

·        Описан метод статистической обработки экспериментальных данных.

3. Исследование теплофизических и акустических характеристик пенополиуретана


Для проведения лабораторных испытаний были использованы компоненты пенополиуретана марки «Изолан-101» производства НПП «Изолан», г. Владимир.

Компонент А: смесь простых полиэфиров, антипиренов и катализаторов. Компонент Б: полимерный дифенилметандиизоцианат (полиизоцианат).

 

.1 Изготовление образцов


Образцы пенополиуретана изготавливались на основе двухкомпонентной композиции (рисунок 3.1), включающей полиол (компонент А, марка «Изолан-101») и полиизоцианат (компонент Б, ТУ 6-03-375-75).

Рисунок 3.1 - Компоненты пенополиуретана

Ход работы:

)        Подготавливается необходимое оборудование: шприцы медицинские (5 мл), стаканчики пластиковые (200 мл), стеклянная мешалка, весы лабораторные.

)        Компоненты А и Б набираются в шприцы из ёмкостей в заданных объёмных соотношениях. Сначала в стаканчик заливается полиол, после чего вливается полиизоцианат и смесь активно перемешивается в течение времени Тсмеш.=10 с. На рисунке 3.2 изображён процесс вспенивания пенополиуретана.

)        Определяется время старта (Тст) композиции, время гелеобразования Тгель и время подъема Тпод.

)        После выдержки в течение 20 минут, образцы взвешивали на лабораторных весах CAS MWP-150 (рисунок 3.3).

)        Производится определение объёма (V·мл) по вытесненной жидкости при погружением образцов в мерную ёмкость с водой.

)        По полученным значениям вычисляется коэффициент вспенивания (N, раз) и кажущуюся плотность (ρкаж, кг/м3).

)        Полученные значения заносятся в таблицу 3.1

Рисунок 3.2 - Процесс вспенивания двухкомпонентного ППУ

а) - старт композиции; б), в) - вспенивание композиции; г) - завершение процесса вспенивания и отверждение образца

Рисунок 3.3 - Взвешивание образцов ППУ на лабораторных весах CAS MWP-150

Для определения оптимального соотношения компонентов было изготовлено 14 образцов с варьированием объёмной доли полиизоцианата относительно полиола. Объём полиола был постоянным для всех образцов (4 мл) и взят за 1 объёмную долю.

Было выявлено, что при объёмной доле полиизоцианата 0,750 и меньше, образцы быстро вспениваются, но при выдержке в течение суток, происходит их усадка, структура становится мягкой резиноподобной. Введение полиола в объёмных долях более 2 приводит к замедлению реакции вспенивания и отверждения, что опять же является причиной усадки образцов. Выявлено, что минимальную усадку имеют образцы с сопоставимым друг относительно друга содержанием компонентов. В ходе последующих экспериментов, необходимо выявить конкретное значение этого соотношения.

Таблица 3.1 - Свойства изготовленных образцов

Соотношение компонентов А:Б, об. доли

А, мл

Б, мл

Время старта композиции, Тстарта, с

Время гелеобразования, Тгел, с

Время подъёма пены, Тподъём, с

Объём образца, V, мл

Масса образца, М, г

Коэффициент вспенивания, N

Кажущаяся плотность, ρкаж, кг/м3

1:0,50

4

2,0

2

69

88

90

6,660

15,00

74,00

1:0,625

4

2,5

2

70

90

120

7,195

18,46

59,96

1:0,750

4

3,0

2

69

95

210

8,530

30,00

40,62

1:0,875

4

3,5

3

86

90

240

9,410

32,00

39,21

1:1

4

4,0

3

90

115

230

9,995

28,75

43,46

1:1,125

4

4,5

3

86

120

235

10,070

27,65

42,85

1:1,250

4

5,0

3

122

248

10,810

27,56

43,59

1:1,375

4

5,5

4

90

120

245

11,555

25,79

47,16

1:1,500

4

6,0

4

103

127

242

11,880

24,20

49,09

1:1,625

4

6,5

4

107

130

242

12,835

23,05

53,04

1:1,750

4

7,0

4

114

148

235

12,940

21,36

55,06

1:1,875

4

7,5

5

123

140

235

13,915

20,43

59,21

1:2

4

8,0

5

135

140

205

14,190

17,08

69,22

1:2,125

4

8,5

5

144

150

200

14,815

16,00

74,08


По полученным данным были построены графики зависимости экспериментальных характеристик от соотношения компонентов пенополиуретана.

Из рисунка 3.4 замечаем, что при увеличении доли компонента А в композиции, происходит замедление реакции вспенивания.

Максимальный коэффициент вспенивания и минимальная кажущаяся плотность, как видно из графиков на рисунках 3.5 и 3.6, достигаются при введении 0,750 и 0,875 объёмных долей полиизоцианата.

Таким образом, можно сделать вывод, что полиол обладает большей реакционной способностью, а избыток полиизоцианата замедляет реакцию вспенивания и приводит к усадке, вызванной началом охлаждения и термического сужения пены до полного её отверждения и фиксации структуры.

Рисунок 3.4 - Зависимость времени старта, времени гелеобразования и времени подъёма пены от объёма полиизоцианата при постоянном объёме полиола (4·мл)

Рисунок 3.5 - Зависимость коэффициента вспенивания от объёма полиизоцианата при постоянном объёме полиола (4·мл)

Рисунок 3.6 - Зависимость кажущейся плотности от объёма полиизоцианата при постоянном объёме полиола (4·мл)

Проведённая серия экспериментов позволяет судить об изменении кинетики процесса вспенивания и отверждения пенополиуретана при изменении соотношения компонентов, но не даёт возможность определить оптимальную композицию.

 

.2 Определение сухого остатка


Пенополиуретан изготавливается на основе полиэфирной смолы, образующей при взаимодействии с полиизоцианатом поперечно сшиты реактопласт полиуретан. От того, на сколько полно прореагировали оба компонента, будет зависеть количество поперечных связей в материале и степень его сшивки. Именно эти характеристики позволяют судить об оптимальности соотношения компонентов, так как максимальный коэффициент вспенивания будет достигнут только тогда, когда все циановые группы компонента Б прореагируют с ОН группами компонента А.

Ход эксперимента:

)        Образец вспененного ППУ измельчают на порошок, который помещается на заранее взвешенную фильтровальную бумагу.

)        Определяется масса порошка за вычетом массы фильтровальной бумаги.

)        В керамический стакан объёмом 150 мл заливается 50 мл технического ацетона, после чего в ацетон высыпается порошок, перемешивается и выдерживается в течение 20 минут.

)        После выдержки содержимое отфильтровывается и помещается в сушильный шкаф на 60 минут при температуре 60 °С. Оставшийся порошок повторно взвешивают.

)        Все результаты заносят в таблицу. Долю сухого остатка определяют как отношение конечной массы к начальной.

Таблица 3.2 - Определение сухого остатка

Соотношение компонентов А:Б, об. доли

А, мл

Б, мл

Начальная масса М1, г

Масса сухого остатка М2, г

Коэффициент сухого остатка

1:0,875

4

3,5

2,750

1,895

0,689

1:1

4

4,0

2,650

2,125

0,802

1:1,125

4

4,5

2,900

2,560

0,883

1:1,250

4

5,0

2,595

2,195

0,846

1:1,375

4

5,5

2,590

1,985

0,766

1:1,500

4

6,0

3,525

2,570

0,729

1:1,625

4

6,5

4,300

3,190

0,742

1:1,750

4

7,0

4,395

3,255

0,741

1:1,875

4

7,5

5,335

4,185

0,784

1:2,000

4

8,0

5,650

4,455

0,788

1:2,125

4

8,5

5,950

4,580

0,770


Анализируя полученные данные (рисунок 3.7) замечаем, что наибольший сухой остаток имеет образец с 1,125 долями полиизоцианата (4,5·10-3л компонента Б). У всех остальных образцов сухой остаток наблюдается в меньшем количестве. Таким образом, с точки зрения химии процесса получения пенополиуретана, оптимальное соотношение компонентов: 1 часть полиола и 1,125 частей полиизоцианата. Такое соотношение компонентов позволяет обеспечить наиболее полное взаимодействие двух компонентов материала.

Рисунок 3.7 - Зависимость коэффициента сухого остатка от объёма полиизоцианата при постоянном объёме полиола (4 мл)

 

.3 Прочность на сжатие при 10%-ной линейной деформации


Сущность метода заключается в измерении значения сжимающих усилий, вызывающих деформацию образца по толщине на 10% при соответствующих условиях испытания. Для исследований были изготовлены образцы в форме параллелепипеда с длинной, шириной и толщиной сторон 30 мм. Образцы выпиливались из изделий, полученных на предыдущем этапе исследований (рисунок 3.2). Образцы вырезались из нижней, средней и верхней части объёма пены. Таким образом, было получено по 3 кубических образца со стороной 30 мм из каждого номера изделия (рисунок 3.8).

Рисунок 3.8 - Изготовление образцов из ППУ кубической формы

Исследования проводились на разрывной машине Instron с использованием оснастки для сжатия образцов (рисунок 3.9).

Нагружение проводилось со скоростью 10 мм/мин до 50% сжатия образца. Процесс измерений полностью автоматизирован. На выходе после проведения серии экспериментов по заданному количеству образцов, выводятся экспериментальные данные, приведённые в приложении В.

Стоит отметить, что технология вспенивания пенополиуретанов не позволяет получить в макрообъёме однородную по механическим свойствам структуру, что приводит к разному значению прочности в объёме образца. Замечено, что максимальную прочность имеют образцы, вырезанные из средней части пены, а минимальную - из верхней и нижней части. Это можно объяснить тем, что средняя часть объёма вспениваемого материала испытывает наибольшее давление одновременно со стороны расширяющейся нижней и оседающей под силой тяжести верхней части пены.

Рисунок 3.9 - Разрывная машина Instron в режиме сжатия образцов

Для определения объёмных характеристик материала, экспериментальные данные усредняются, и находится коэффициент их вариации, позволяющий судить об однородности исследуемого материала. Результаты занесены в таблицу 3.3.

Таблица 3.3 - Прочностные характеристики образцов ППУ

Соотношение А:Б

Напряжение при 10% деформации, кПа

Модуль Юнга, МПа


Среднее значение

Коэффициент вариации, %

Среднее значение

Коэффициент вариации, %

4:4,0

125,87

56,76

2,78

41,94

4:4,5

147,59

22,98

2,56

21,04

4:5,0

132,12

69,09

2,64

51,95

4:5,5

207,48

23,70

4,65

30,45

4:6,0

237,15

22,18

4,03

29,86

4:6,5

203,69

20,52

4,48

20,19

4:7,0

225,06

19,53

5,42

48,21

4:7,5

269,76

20,61

6,21

12,87

4:8,0

259,77

4,82

6,03

26,60

4:8,5

293,42

18,31

4,90

16,07

4:3,5

345,98

27,40

5,75

52,02


Рисунок 3.10 - Зависимость напряжения при 10% линейной деформации от объёма полиизоцианата при постоянном объёме полиола (4 мл)

Из графика зависимости напряжения при 10% линейной деформации, изображённого на рисунке 3.10, видно, что при увеличении объёмного содержания полиизоцианата происходит значительное увеличение напряжения до 345,98 кПа у композиции с содержанием 2,125 (8,5·10-3 л) объёмных долей полиизоцианата.

Рисунок 3.11 - Зависимость модуля Юнга от объёма полиизоцианата при постоянном объёме полиола (4 мл)

Модуль Юнга увеличивается по подобной зависимости, как видно из графика на рисунке 3.11. Но максимальное значение имеет при введении 1,750 объёмных долей полиизоцианата (7 мл).

Рисунок 3.12 - Зависимость коэффициентов вариации от объёма полиизоцианата при постоянном объёме полиола (4 мл)

Коэффициенты вариации напряжения при 10% линейной деформации и модуля Юнга (рисунок 3.12) уменьшаются при увеличении объёмного содержания полиизоцианата. Это может быть связано с тем, что введение большего количества полиизоцианата приводит к замедлению реакции вспенивания, что позволяет структуре вспененной массы более равномерно распределиться по объёму.

Данная серия опытов позволила установить связь между компонентным составом получаемого материала и его механическими характеристиками. Но решающую роль в выборе конкретной композиции эти результаты не играют, так как основными характеристиками материала является теплопроводности и шумоизоляционные характеристики.

 

.4 Определение коэффициента теплопроводности


Для определения теплопроводности пенополиуретанов на основе описанных выше композиций, были изготовлены образцы прямоугольной формы 120Ч120 мм и толщиной 30 мм (рисунок 3.13).

Рисунок 3.13 - Образец пенополиуретана для исследования теплопроводности

Для проведения самих исследований теплопроводности был использован лабораторный стенд, представленный на рисунке 3.14.

Рисунок 3.14 - Лабораторный стенд для определения теплопроводности

1)      Методика испытаний

В эталонном образце (экструдированный пенополистирол) создаётся тепловой поток путем нагревания одной из его сторон. С другой его стороны располагается идентичный по форме и размеру образец из пенопласта. Замерив температуру Т3 и время t, в течение которого нагревается образец, можно получить количество теплоты Q отданное, а, следовательно, пропущенное образцом исследуемого материала.

Также фиксировались комнатная температура Т0 и температура с обеих сторон исследуемого образца, одна из которой Т1 - у поверхности нагревателя - термопарой №1, другая Т2 - термопарой №2. Кроме того, замерялись высоты обоих образцов h1 и h2, рассчитывались площади их сечения F1 и F2, перпендикулярные направлению теплового потока. Итоговый коэффициент теплопроводности вычислялся по формуле (2.10).

Плотность и удельная теплоемкость пенопласта-эталона считались постоянными в течение всего эксперимента: ρ = 30 кг/мі, с = 1260 Дж/(кг·К). Коэффициент тепловых потерь k принимался равным 0,1

2)      Порядок проведения эксперимента

Термопара №1 кладется на нагреватель, и обеспечивается как можно более плотный и полный ее контакт с нагревающейся поверхностью теплоэлектронагревателя (ТЭН).

ТЭН и терморегулятор включаются в сеть. На регуляторе выставляется температура, до которой должен нагреться ТЭН. В нашём случае это 60 °С.

Перед началом измерений необходимо дождаться установления стационарного температурного режима, так как первые минуты возможен перегрев ТЭНа.

Когда стационарный режим установлен, на диск нагревателя помещается исследуемый образец.

Термопары устанавливаются следующим образом:

·        термопара №2 - между исследуемым образцом и образцом-эталоном;

·        термопара №3 помещается в боковое отверстие образца-эталона.

Время секундомера запускается с того момента, как начинает изменяться температура на термометре №1. Это означает, что вследствие разности температур между исследуемым образцом и образцом-эталоном начинается теплообмен и появляется возможность замерить количество теплоты, пропускаемое исследуемым образцом. Эксперимент продолжается до того времени, пока температура на термопаре №3 не измениться хотя бы на 3-5 градусов. Если температура образца-эталона не поднялась, эксперимент считается неудавшимся. По достижении температуры образца-эталона значения, отличающегося от комнатной температуры на 3-5 градусов, время секундомера останавливается, снимаются показания с обеих термопар, также фиксируется температура нагревателя.

3)      Обработка результатов

Измеряемыми параметрами в экспериментальной части являются:

·        время эксперимента t;

·        температура окружающего воздуха Т0;

·        температура нагревателя Т1;

·        температура термопары №2 Т2;

·        температура термопары №3 Т3;

·        площадь сечения исследуемого образца, перпендикулярного к градиенту температуры F1;

·        площадь сечения образца-эталона, перпендикулярного к градиенту температуры F2;

·        высота исследуемого образца h1;

·        высота образца-эталона h2.

Вычисление коэффициента теплопроводности λ производится по формуле (2.10).

Полученные данные заносятся в таблицу 3.4.

Таблица 3.4 - Сводная таблица результатов опытов по измерению теплопроводности

Соотношение А:Б

t, с

Т0, К

Т1, К

Т2, К

Т3, К

F1, мІ

F2, мІ

h1, м

h2, м

λ, Вт/(м·К)

4:3,5

600

22,1

61,0

30,0

31,2

0,0144

0,0143

0,03

0,03

0,0184

4:4,0

600

22,2

60,0

29,0

31,1

0,0144

0,0144

0,03

0,03

0,0181

4:4,5

600

22,0

60,0

29,8

30,7

0,0144

0,0150

0,03

0,03

0,0189

4:5,0

600

22,0

62,0

24,3

34,2

0,0144

0,0143

0,03

0,03

0,0202

4:5,5

600

23,0

62,0

25,3

35,0

0,0144

0,0140

0,03

0,03

0,0205

600

22,1

60,0

25,0

35,0

0,0144

0,0144

0,03

0,03

0,0232

4:6,5

600

22,0

67,0

31,0

34,8

0,0144

0,0147

0,03

0,03

0,0229

4:7,0

600

23,0

60,0

30,0

34,2

0,0144

0,0144

0,03

0,03

0,0235

4:7,5

600

22,1

62,0

28,1

35,5

0,0144

0,0144

0,03

0,03

0,0249

4:8,0

600

23,0

63,0

30,0

35,7

0,0144

0,0144

0,03

0,03

0,0244

4:8,5

600

23,0

62,0

29,1

37,1

0,0144

0,0143

0,03

0,03

0,0280


По экспериментальным данным была построена зависимость коэффициента теплопроводности от объёма полиизоцианата в композиции на 4 мл полиола (рисунок 3.15). Замечено, что с увеличением объёмной доли полиизоцианата происходит увеличения коэффициента теплопроводности. Это можно объяснить увеличением плотности образцов в следствие замедления реакции вспенивания и значительной усадки при введении большего количества полиизоцианата.

Рисунок 3.15 - Зависимость коэффициента теплопроводности от объёма полиизоцианата при постоянном объёме полиола (4 мл)

 

.5 Определение шумоизоляционных характеристик


Для исследования шумоизоляционных свойств разработанных композиций пенополиуретана, был разработан лабораторный стенд, фото которого приведено на рисунке 3.16. Стенд представляет из себя шумоизолированную камеру, в центре которой расположен микрофон, соединённый с коммуникаторов, на который установлена специальная программа Pocket RTA Professional (рисунок 3.17), позволяющая производить анализ звукового спектра и уровня шумового давления.

В передней стенке шумоизолированной камеры предусмотрено отверстие цилиндрической формы, куда можно вставлять образцы круглой формы с диаметров 80 мм.

В качестве источника шума использован компрессор с звуковым давлением 98 дБ.

Рисунок 3.16 - Лабораторный стенд для исследования шумоизоляционных свойств материалов

Рисунок 3.17 - Запуск программы Pocket RTA Professional

Ход работы:

)        Запускается программное обеспечение на коммуникаторе, проверяется работоспособность микрофона.

)        Включается источник шума, камера помещается на 0,5 метра от него. Фиксируется начальный уровень звукового давления.

)        В отверстие камеры вставляется образец. Фиксируется уровень звукового давления с образцом.

)        Результаты заносятся в таблицу 3.5.

Таблица 3.5 - Экспериментальные данные

Соотношение А:Б

Толщина образца, мм

Уровень звукового давления без образца, дБ

Уровень звукового давления с образцом, дБ

Коэффициент снижения шума

4:3,5

30

81

58

0,28

4:4,0

30

82

58

0,29

4:4,5

30

80

57

0,29

4:5,0

30

85

60

0,29

4:5,5

30

85

62

0,27

4:6,0

30

85

63

0,26

4:6,5

30

80

63

0,21

4:7,0

30

81

64

0,21

4:7,5

30

80

66

0,18

4:8,0

30

80

70

0,13

4:8,5

30

80

73

0,09


Было замечено (рисунок 3.18), что наиболее высокий коэффициент снижения шума (0,28 - 0,29) обеспечивают материалы с низкой объёмной долей полиизоцианата (0,875 - 1,250 объёмных частей). Это объясняется тем, что эти образцы обладают наименьшей плотностью и наименьшей жёсткостью, что способствует эффективному поглощению шума.

Рисунок 3.18 - Зависимость коэффициента снижения шума от объёма полиизоцианата при постоянном объёме полиола (4 мл) и постоянной толщине материала 30 мм

 

.6 Выбор оптимальной композиции пенополиуретана


После проведённых серий опытов, можно утверждать, что критерием оптимизации должен быть коэффициент сухого остатка, так как он отражает на сколько полно в материале протекли все химические процессы. Это важно не только для технологических свойств материала, но и для экологических, так как материал с высокой степенью сшивки будет эмитировать минимальное количество вредных веществ в окружающую среду.

По критерию максимального коэффициента сухого остатка можно однозначно выбрать композицию с соотношением компонентов А:Б=1:1,125 объёмных долей, график на рисунке 3.7 подтверждает этот выбор, демонстрируя максимальный коэффициент сухого остатка этой композиции 0,883.

Сводные характеристики этого материала приведены в таблице 3.6.

Таблица 3.6 - Свойства оптимальной композиции

Компонентный состав

Среднее напряжение при 10% деформации, кПа

Модуль Юнга, МПа

Коэффициент теплопроводности, λ, Вт/(м·К)

Коэффициент снижения шума, %

Кажущаяся плотность, кг/м3

Коэффициент вспенивания

Полиол (компонент А), объёмных долей

Полиизоцианат (компонент А), объёмных долей







1

1,125

147,59

2,56

0,0189

29%

42,85

27,65

 

.7 Выводы

 

1. Изготовлено 14 образцов с варьированием компонентного состава (таблица 3.1). Произведены исследования химических, физико-механических, теплофизических и акустических характеристик композиций.

2.       Выявлено, что соотношение компонентов А:Б=1:0,875 обеспечивает максимальный коэффициент вспенивания (32) композиции и минимальную плотность (39,21 кг/м3).

.        С увеличением содержания полиизоцианата в композиции, происходит увеличение напряжения при 10% линейной деформации (до 345,98) у образца с содержанием полиизочианата 2,125 объёмных долей.

.        Теплопроводность уменьшается с уменьшением содержания полиизоцианата и уменьшением плотности. Минимальное значение теплопроводности имеет образец с соотношением компонентов А:Б=1:1.

.        Наиболее высокий коэффициент снижения шума (0,28 - 0,29) имеют образцы с содержанием полиизоцианата от 0,875 до 1,250 объёмных долей.

.        Максимальный сухой остаток имеет образец с соотношением компонентов А:Б=1:1,125. Это важно не только для технологических свойств материала, но и для экологических, так как материал с высокой степенью сшивки будет эмитировать минимальное количество вредных веществ в окружающую среду. Поэтому при прочих сопоставимых характеристиках, данная композиция рекомендуется как оптимальная.

4. Технология нанесения пенополиуретана методом напыления

 

.1 Схема технологического процесса


На рисунке 4.1 представлена схема технологического процесса нанесения шумо- теплоизоляционного слоя из пенополиуретана методом напыления на изолируемую поверхность. Технологический процесс включает в себя следующие стадии (рисунок 4.1):

.        Подготовка оборудования

.1.      Подготовка насосов

.2.      Подготовка компрессора

.3.      Подготовка частотного преобразователя

.4.      Подготовка пистолета-распылителя

.        Подготовка компонентов

.1.      Входной контроль компонента «А» (полиол)

.2.      Входной контроль компонента «Б» (полиизоцианат)

.3.      Контроль композиции

.4.      Заполнение расходных баков

.        Подача компонентов смесительную головку по трём раздельным каналам

.        Смешение компонентов

.        Напыление

.        Контроль качества напыления

.        Промывка пеногенератора

.1.      Слив неиспользованных компонентов

.2.      Сброс давления в компрессоре

.3.      Разборка, промывка и смазка пистолета-распылителя

Рисунок 4.1 - Схема технологического процесса нанесения ППУ методом напыления

Рассмотрим более подробно каждую стадию технологического процесса.

1 Подготовка оборудования

·        Расконсервация установки (если было длительное хранение)

§  сливают консервант из баков, насосов и шлангов и заливают в баки растворитель (хлористый метилен);

§  при закрытом пистолете и включенных насосах растворитель через редукционные клапаны прокачивается обратно в баки;

§  через 1…2 минуты открыть кран на пистолете и промыть всю систему растворителем;

§  продуть всю систему (шланги, пистолет, насосы, баки) воздухом. При перерыве в работе 1…20 часов допускается не вырабатывать компоненты, систему при этом можно оставлять под давлением до следующего ввода в работу.

·        Проверка комплектности установки

§  две герметически закрывающиеся емкости с мешалками для приема компонентов "А" и "Б", имеющими индивидуальные приводы;

§  по одной паре фильтр-сеток;

§  нагревательные элементы;

§  крышки;

§  манометры;

§  два насоса с приводами и предохранительной муфтой;

§  два предохранительных рециркуляционных клапана;

§  емкость под растворитель для мойки пистолета;

§  набор инструментов

§  штуцера для подвода сжатого воздуха;

§  манометр для контроля давления сжатого воздуха в трубопроводах;

§  пистолет-распылитель пневматический со шлангами для подачи компонентов от насоса к камере смешения.

·        визуальный осмотр исправности всех узлов и агрегатов

Осмотр на наличие повреждений узлов и агрегатов установки, следов ржавчины, оголённых проводов

·        произвести проверку соответствия напряжения и тока питающей электросети номинальным значениям установки

Напряжение в сети должно составлять 220±10 В при номинальном токе не менее 10 А.

1.1 Подготовка насосов

·        шестерен привода

§  проверка смазки шестерён

§  проверка правильности вращения шестерен

Для смазки шестерен используется смазка Литол-24 ГОСТ 22150-87.

·        проверка достаточности мощности электросети для питания насосов путём включения на холостом ходу

На холостом ходу напряжение в сети должно соответствовать требованию пункта 1.

1.2 Подготовка компрессора

·        проверку надежности крепления шлангов

При слабом креплении затянуть прослабленный узел.

·        проверка уровня масла в картере

Уровень масла в картере должен быть не менее 90% заправочной ёмкости. При недостатке долить до требуемого уровня. Тип используемого масла - масло машинное ГОСТ-38101640-97.

·        проверка на наличие потерь давления

Если потеря давления составляет более 0,01 атм./мин - проверить крепление шлангов.

·        контроль чистоты сжатого воздуха

При недостаточной чистоте сжатого воздуха (явное наличие примесей) - заменить воздушные фильтры.

·        создание рабочего давления в 6 атм.

Установить манометром рабочее давление и запустить компрессор.

1.3 Подготовка частотного преобразователя

·        запуск программы самотестирования

При ошибках самотестирования выключить и заново преобразователь. Если ошибка не устраняется - сдать в ремонт.

·        проверка возможности изменения соотношения дозирования компонентов

Проверка возможности изменения соотношения между компонентами как минимум на 4 вариантах.

·        установка рабочей программы

§  установление требуемого соотношения компонентов А : Б

§  установка требуемого расхода

1.4 Подготовка пистолета-распылителя

·        внешний осмотр распылителя

Осмотр на наличие повреждений, следов ржавчины, проверка работоспособности спускового механизма.

·        продувка сжатым воздухом

Производится в течении 5…10 с для удаления пылевых концентратов.

2 Подготовка компонентов

.1 Входной контроль компонентов

Жесткие пенополиуретаны получают по двухкомпонентной схеме из компонентов А и Б. Химический состав и физические свойства компонентов должны соответствовать требованиям технических условий на эти составы. Компоненты должны использоваться в установленные гарантийные сроки. По истечении гарантийного срока хранения исходные материалы должны быть проверены на соответствие нормативным документам. При положительных результатах испытаний допускается продление срока использования смесей на половину первоначального срока.

Компоненты должны храниться и транспортироваться к месту использования в маркированной посуде в соответствии с техническими условиями. Условия хранения должны соответствовать техническим требованиям на хранение каждого компонента.

Компоненты должны быть приготовлены, испытаны и промаркированы в соответствии с требованиями ТУ на данный компонент.

Оптимальная температура компонентов во время напыления должны быть 20…25 °С. Компоненты "А" и "Б" перед применением необходимо тщательно перемешивать. При наличии осадка в компоненте "Б" допускается нагрев его до температуры 65±5 °С при перемешивании.

2.2 Входной контроль композиции

Задача: произвести определение влажности, плотности, и вязкости компонентов, сравнить полученные значения с указанными в сертификате на партию сырья и принять решение о пригодности компонентов. Для компонента А также определяется гидроксильное число и его соответствие стандарту.

При поступлении каждой новой партии исходных компонентов, производится забор образцов компонентов А и Б и их исследование в лабораторных условиях. Определяются следующие параметры:

.        Коэффициент вспенивания композиции. Компоненты смешиваются в заданной в сертификате пропорции. После окончания вспенивания считают коэффициент, как отношение конечного объёма к начальному.

.        Время старта вспенивания. Определяется при смешивании компонентов в заранее заданной пропорции. Определяется время между моментом совмещения компонентов и началом поднятия пены.

.        Время гелеобразования. Определяется как время, через которое прекращается процесс поднятия пены и происходит начальная стадия ее фиксации. Точка гелеобразования является очень важным параметром для композиции, так как она определяет момент, когда пена стабилизируется и уже не может «осесть».

.        Соотношение компонентов. В сертификатах на партию компонента А и Б указывают гидроксильное число, определяющее активность полиола и полиизоцианата. По соотношению этих величин задаётся массовая дола каждого компонента при смешении.

2.3 Заполнение расходных баков

После проведения входного контроля, компоненты при помощи бочковых насосов закачиваются в расходные баки установки.

Рисунок 4.2 - Установка бочкового насоса

Насосы обладают следующими особенностями:

·  помпа насоса никогда не погружается в раствор (опускается только трубка всасывания);

·        насос обеспечивает быструю грунтовку и немедленную подачу продукта;

·        возможна перекачка жидкостей с вязкостью до 5000 сантипуаз;

·        допустима работа всухую, при этом насос не повреждается;

·        воздухонепроницаемое уплотнение подходит для перекачки жидкостей, чувствительных к влаге;

·        легкодемонтируемое уплотнение надевается и снимается с бочки без отсоединения шлангов и подходит к бочкам большого диаметра ;

·        возможность прокачки твёрдых элементов диаметром до 2,5 мм;

Закачка производится диафрагменными или поршневыми насосами для стандартных материалов в настенном или барабанном исполнении. Рекомендуется использовать насосы Husky 515/716 (рисунок 4.2). Они пригодны для перекачки абразивных жидкостей средней и низкой вязкости.

3 Проведение технологической пробы

Контрольное напыление проводится для определения готовности установки к работе и оценки качества получаемого пенополиуретана, его необходимо производить

·        для каждой новой установки напыления

·        для каждой новой партии компонентов А и Б

·        если время хранения компонентов А и Б превышает сроки, указанные в ТУ данной марки ППУ, или не соблюдены по какой-либо причине температурные условия их хранения

·        перед началом работ в весенне-летний период

Контрольное напыление проводится, как правило, на открытой площади при сухой погоде и температуре окружающей среды 10…35 єС. При проведении напыления в помещениях необходимо включить вентиляцию, обеспечивающую 8…10-кратный обмен воздуха. Организует проведение напыления инженер, входящий в состав бригады, прошедшей обучение по напылению ППУ, и имеющий соответствующее удостоверение.

При проведении технологической пробы изготавливают блок-свидетель из пенополиуретана. Технологическую пробу следует изготавливать по соответствующей для каждой марки пенополиуретана рецептуре и технологии приготовления композиции в смесительном сосуде.

Перемешанные компоненты технологической пробы выливают из смесительного сосуда в форму из картона или металла. Размер формы берется в зависимости от марки пенополиуретана и массы технологической пробы. До окончания вспенивания пенополиуретана формы не трогать.

В процессе вспенивания рекомендуется определять :

· время старта Тст - время от начала перемешивания до начала вспенивания;

·        время гелеобразования Тгель - время, за которое вспенивающаяся масса становится гелеобразной и теряет текучесть;

·        время подъема Тпод - время от начала перемешивания до прекращения увеличения объема вспенивающейся массы (глава 2, рисунок 2.1).

Вспенивающая способность считается нормальной, если композиция полностью заполняет объем формы.

Если композиция не вспенилась, следует проверить компоненты (марку, срок годности), правильность дозировки и произвести повторное вспенивание. Если при повторном проведении технологической пробы композиция не вспенилась, следует заменить компоненты.

4 Подготовка поверхности

Поверхности, предназначенные для нанесения пенополиуретана, должны удовлетворять требованиям СНиП 3.04.01-87 "Изоляционные и отделочные покрытия" и настоящих норм.

Поверхности, на которые наносится пенополиуретан, должны быть очищены от пыли, масленых пятен и других загрязнений. Обеспыливание необходимо выполнять перед нанесением пенополиуретана.

На металлических изделиях не должно быть следов коррозии, а изделия, подлежащие антикоррозионной защите, - обработаны в соответствии с проектом. Металлические поверхности непосредственно перед напылением должны быть обезжирены растворителем.

Влажные поверхности должны быть просушены сжатым воздухом, а при температуре воздуха ниже плюс 5 °С - теплым сжатым воздухом.

Места, на которые не допускается попадание пенополиуретана, необходимо защищать полиэтиленовой пленкой или плотной бумагой.

Для увеличением адгезии пенополиуретана к поверхности, последняя может быть обработана 30% раствором полиизоцианата в ацетоне.

5 Напыление пенополиуретана

После проверки соотношения компонентов и при удовлетворительном качестве образца пенопласта приступают к напылению ППУ на подготовленные поверхности намеченных участков. Сначала включается подача воздуха на смешение и распыление компонентов, и только затем открываются краны на распылителе. С нажатием курка на пистолете-распылителе (приложение В) включается дозирующий узел на подачу компонентов. Первые порции смеси ППУ в течение 5…6 с сбрасывают на приготовленный лист фанеры. Убедившись, что масса, выходящая из распылителя, однородна и равномерно вспенивается, факел направляют на изолируемую поверхность (рисунок 4.3).

Рисунок 4.3 - Напыление пенополиуретана

Для равномерного нанесения слоя пистолет-распылитель необходимо держать перпендикулярно к поверхности стены на расстоянии 40…60 см и перемещать вдоль нее равномерно с такой скоростью, чтобы толщина напыляемого слоя пенопласта составляла около 15…25 мм, а ширина была одинаковой. Напыление производят сверху вниз и по горизонтали. Если появилась необходимость ненадолго прервать напыление, факел сразу же переносят на сброс, а затем продолжают напыление. При более продолжительной остановке закрывают краны на распылителе, промывают его растворителем и продувают сжатым воздухом.

6 Контроль качества теплоизоляции

Наличие трещин и раковин на всей поверхности теплоизоляции определяется визуально. Контролю подлежит вся поверхность стыков и зазоров. Толщина теплоизоляции определяется без нарушения покрытия с помощью щупа измерительного прибора с точностью 1,0 мм. Количество мест, в которых проводится измерение, должно быть не менее 5 на каждые 10 квадратных метров теплоизоляции.

Сцепление напыляемого покрытия с материалом ограждающей конструкции проверяется на образцах из этого материала с нанесенным пенополиуретановым покрытием. Испытание проводится прибором, позволяющим осуществлять отрыв материала с регистрацией усилия во время отрыва. Цена деления прибора должна быть не более 0,1 мПа. Площадь, по которой произошел отрыв, измерять металлической линейкой с ценой деления 1,0 мм. Определение предела прочности при отрыве теплоизоляции от материала утепляемой конструкции необходимо производить в соответствии с требованиями технических условий на пенополиуретан.

7 Промывка пеногенератора

.1 Слив неиспользованных компонентов

·        Слив полиизоцианата

Отключить шланг подачи от пульверизатора, установить расход компонента на режим «Слив» и слить неиспользованные компоненты в транспортную тару. При прекращении подачи компонентов остаток слить вручную. Залить ацетон ГОСТ 2768-84 в количестве 5 л для промывки бака и установки. Промыть бак.

·        Слив полиола

Отключить шланг подачи от пульверизатора, установить расход компонента на режим «Слив» и слить неиспользованные компоненты в транспортную тару. При прекращении подачи компонентов остаток слить вручную. Залить ацетон ГОСТ 2768-84 в количестве 5 л для промывки бака и установки. Промыть бак

7.2 Промывка установки

Установить на частотном преобразователе режим «Промывка», произвести промывку установки до полного израсходования ацетона.

7.3 Сброс давления в компрессоре

Подключить шланги подачи компонентов к компрессору и произвести сброс давления со скоростью 0,1 МПа/мин, отключить шланг подачи сжатого воздуха от пульверизатора, отключить шланги подачи компонентов от компрессора.

7.4 Разборка, промывка смазка пистолета-распылителя

Для разбора пистолета-распылителя (рисунок 4.4) использовать набор инструментов из пункта 1.1. Произвести разбор, промывку и смазку пистолета смазкой литол-24 ГОСТ 211150-87. Собрать распылитель.

Рисунок 4.4 - Разбор пистолета-распылителя

Рисунок 4.5 - Смазывание пистолета

7.5 Отключить установку от электросети

Перевести тумблеры в положение «Выкл», отключить установку от электросети.

 

.2 Приемка и хранение компонентов

тягодутьевой теплоизоляция пенополиуретан напыление

Смесь «Б» - это полиизоцианат, выпускаемый ПО «Корунд» (г. Дзержинск, Нижегородской обл.) или импортный и поставляемый либо отдельно, либо в составе системы компонентов. Поставка компонента «Б» может быть произведена в собственной таре изготовителя либо заказчика.

Смесь «А» представляет собой маловязкую жидкость темного цвета, смесь «Б» - полиизоцианат - маловязкую темно-коричневую жидкость.

Смеси «А» и «Б» доставляют в герметично закрывающихся металлических бочках или в полиэтиленовых канистрах с пробками на резьбе и уплотнениями из фторопласта или паронита, либо в железнодорожных и автомобильных цистернах из нержавеющей стали. Цистерны должны быть возвратными и специально закрепленными для перевозки этого продукта. Они должны быть обеспечены штуцерами заливки и слива и продувочным,

Для перевозки смесей допустимым является и применение обычных металлических бочек, авто- и железнодорожных цистерн, защищенных специальными лаками.

Одновременно с компонентами для получения пенополиуретана следует заказывать и растворитель - хлористый метилен (ГОСТ 9968), используемый для промывки пистолета-распылителя; ориентировочная потребность в пределах от 1/15…1/20 от объема смеси «А».

Контроль качества компонентов «А» и «Б» проводится по рассмотренной ниже инструкции.

Склад для приемки смесей «А» и «Б» представляет собой закрытое обогреваемое помещение с участками для приемки и бестарного хранения смеси «А» и «Б» и для приемки и хранения этих же смесей и хлористого метилена в таре, например, в бочках и канистрах, а также участка для хранения тары, Каждый участок для бестарного хранения смесей «А» и «Б» обеспечен резервуарами и шестеренчатыми насосами.

Участки для хранения в таре обеспечиваются деревянными стеллажами, устанавливаемыми на бетонированную или асфальтовую площадки. Ориентировочная площадь складского помещения 200…250 м2. Высота помещения 9…12м.

Резервуары для хранения смесей «А» и «Б» оснащаются системами трубопроводов с запорной арматурой для приемки смесей «А» и «Б», рециркуляции и разгрузки их.

Каждая емкость (резервуар) должна иметь датчики температуры и уровня.

Все трубопроводы (наружные и внутренние) изолированные. Наружный трубопровод прокладывается со «спутником».

Резервуары выполнены с рубашкой и изолированы.

Из железнодорожных и автоцистерн смеси «А» и «Б», предварительно разогретые в холодное время года до температуры 20…25 °С, перекачиваются упомянутыми насосами в резервуары (на складе).

Приемка компонентов осуществляется в емкости строго по назначению и не меняется в процессе эксплуатации. Для этого, а также контроля за качеством компонентов, емкости должны быть окрашены в разные цвета (например, красный для смеси «Б» - полиизоцианата, синий или другой цвет - для смеси «А») и оснащены бирками с указанием наименования продукта, даты его выпуска, номера партии, даты приемки и других данных, определяющих ответственность за сохранность и качество сырья.

Смесь «А» хранится в течение трех месяцев при температуре не выше плюс 26 °С и не ниже плюс 7 °С. При температуре выше плюс 26 °С в рубашку подается охлаждающая вода (водопроводная, артезианская).

Смесь «Б» хранится в течение года при температуре не выше плюс 30 °С и не ниже плюс 7 °С под подушкой осушенного азота. Разгрузка компонентов осуществляется при вышеуказанном температурном режиме.

Принятые на склад бочки с компонентами и растворителем, как и цистерны, обеспечиваются соответствующими бирками, хранятся при тех же температурных условиях, но на деревянных поддонах и пробками вверх.

Выдача компонентов материала предусмотрена по трубопроводам в герметичные металлические бочки - возвратную тару или канистры. На каждое тарное место наносят несмываемой краской трафарет или крепят бирку. Маркировка транспортной тары производится в соответствии с ГОСТ 14192.

Упакованные в бочки компоненты транспортируются любым видом транспорта в условиях, исключающих попадание атмосферных осадков, механическое повреждение и разгерметизацию тары.

Возврат цистерн и различной тары осуществляется при тех же условиях, что и поставка их с сырьем.

По истечении гарантийных сроков хранения, продукты анализируются на соответствие требованиям действующих ТУ, и при установлении соответствия компоненты могут быть использованы по прямому назначению. Проверка соответствия качества смесей действующей НТД проводится только по месту их центральной приемки партиями.

Следует отметить, что участок приемки и хранения компонентов должен быть обеспечен приточно-вытяжной вентиляцией, освещением и канализацией, а также двумя пожарными щитами с песком; емкостью 150…200 л с 5…10% водного раствора аммиака и ящиком с древесными опилками для дегазации в случае пролива компонентов, двумя постами с аптечкой, мылом, душевой установкой с горячей и холодной водой и противогазами с коробками марки «В» или «БКФ».

 

4.3 Выводы


В это главе был рассмотрен технологический процесс напыления пенополиуретана. Рассмотрены все основные стадии технологического процесса: подготовка оборудования (пеногенератора, его составных частей и компрессора подачи сжатого воздуха), подготовка компонентов пенополиуретана (полиол и полиизоцианат) и их входной контроль, проведение работ по напылению пеноматериала, контроль качества конечного покрытия и консервация установки.

5. Охрана труда

 

.1 Этапы технологического процесса


) Приготовление композиции, заполнение расходных баков. В производстве применяется двухкомпонентная композиция на основе полиола (компонент А) и полиизоцианата (компонент Б).

) Подготовка пеногенератора заключается в проверке приборов и оборудования, входящих в состав пеногенератора: шестерёнчатых насосов, электродвигателей, компрессора, настройка блока управления.

) Напыление композиции на поверхность. Компоненты в заданной пропорции и при определённой температуре поступают в пульверизатор и, смешившаяся, напыляются на изолируемую поверхность. Напыление производится плавными волнообразными движениями с установленной скорость и шагом для набора необходимой толщины слоя пенополиуретана.

) После окончания нанесения пенополиуретана, производится выдержка полученного слоя для отверждения материала и набора заданных эксплуатационных характеристик.

) При необходимости производится нанесение внешнего защитного слоя гидроизоляции.

 

.2 Анализ опасных и вредных производственных факторов, действующих в производственном помещении


На человека при взаимодействии с производственной средой оказывают воздействие опасные и вредные факторы. Вредный производственный фактор - это производственный фактор, воздействие которого на работающего приводит к заболеванию или снижению работоспособности.

Анализ ОВПФ проведен в соответствии с ГОСТ 12.0.003-74, в котором указан перечень ОВПФ. Результаты сведены в таблицу 5.1.

Среди компонентов ППУ, а также вспомогательных веществ, используемых при производстве ППУ, имеются токсичные соединения 2-го класса опасности (высоко опасные) и 3-го класса опасности (умеренно опасные). Наиболее токсичными являются составляющие ППУ 2-го класса опасности: компонент В - полиизоцианат и входящие в состав компонента А огнегасители трихлорэтилфосфат и трихлорпропилфосфат. Предельно-допустимая концентрация (ПДК) полиизоцианата в воздухе составляет 0,2 мг/м3, трихлорэтилфосфата - 0,5 мг/м3, ориентировочный безопасный уровень вещества (ОБУВ) трихлорпропилфосфата - 1,5 мг/м3

В производстве ППУ опасными операциями и процессами, при которых в воздух рабочей зоны могут поступать значительные количества вредных веществ, являются: заполнение расходных баков установки для изготовления ППУ компонентами и промывочной жидкостью; заливка (напыление) ППУ, вспенивание ППУ.

Жесткий ППУ, а также его компоненты являются горючими веществами, в числе которых есть легковоспламеняющиеся (диметилэтаноламин). При горении ППУ и его компонентов образуются высокотоксичные вещества: цианистый водород, окись углерода, хлористый водород и др. Горение хлористого метилена, используемого для промывки загрязненного полиизоцианатами оборудования, сопровождается выделением хлористого водорода и фосгена.

Таблица 5.1 - Опасные и вредные производственные факторы и источники их возникновения [22, 23, 24, 25]

Наименование ОВПФ по ГОСТ 12.0.003-74

Источник ОВПФ

Мероприятия по снижению воздействия на человека

Физические ОВПФ

Движущиеся машины и механизмы

Шестерёнчатый насос, электродвигатель

Система безопасности, инструктаж по ТБ, экранирование

Повышенная температура поверхностей оборудования

Электродвигатели, шестерёнчатый насос, компрессор сжатого воздуха

Воздушная система охлаждения, инструктаж по ТБ

Отсутствие или недостаток естественного света

Недостаточное количество осветительных приборов

Увеличение числа осветительных приборов

Повышенная запыленность и загазованность воздуха рабочей зоны

Процесс напыления композиции на изолируемую поверхность

Использование средств индивидуальной защиты

Повышенный уровень шума на рабочем месте, вибрация

Компрессор, электродвигатели

звукопоглощающие кожухи, индивидуальные средства защиты, наушники.

Повышенное напряжение в электросети

Частотные преобразователи, электродвигатели, компрессор

Защитное заземление, зануление

Химические ОВПФ

Токсические

Полиизоцианат, трихлорэтилфосфат, трихлорпропилфосфат

Применение средств индивидуальной защиты, спецодежда

Психофизические

Физические нагрузки

Перемещения по рабочей площадке с оборудованием, приготовление рабочих жидкостей.

Введение ограничения на длительность непрерывной нагрузки, Ограничение максимальной переносимой нагрузки



Изготовление теплоизоляции из ППУ относится к пожароопасному производству категории В.

Все лица, имеющие контакт с ППУ и его компонентами в заводских и трассовых условиях, подлежат предварительному при поступлении на работу и периодическим медицинским осмотрам (1 раз в 12 мес.) в соответствии с приказом №700 Минздрава СССР от 19 июня 1984 г.

 

.3 Мероприятия по обеспечению охраны труда


Безопасность труда - это сочетание безопасной техники, безопасных условий проведения технологических и производственных процессов, система мероприятий по охране труда.

Обеспечение безопасности труда при переработке ПКМ в изделия зависит от выполнения следующих требований:

·  санитарно-гигиенических к помещениям, оборудованию, перерабатываемым материалам, их транспортировке и складированию;

·        технических - к отоплению, вентиляции, освещению, шуму, вибрации, электробезопасности;

·        конструктивных и эксплуатационных - к оборудованию по переработке ПКМ [19].

 

.3.1 Освещение

Рациональное производственное освещение обеспечивает психологический комфорт, предупреждает развитие зрительного и общего утомления, исключает профессиональное заболевание глаз, способствует увеличению производительности и улучшению качества труда, снижает опасность травматизма. К освещению производственных помещений охрана труда предъявляет стандартные основные требования [24]:

·  освещенность должна соответствовать характеру зрительной работы;

·        должна быть равномерной, без резких теней;

·        между объектами различения и фоном, на котором рассматривается объект, должна быть хорошая контрастность;

·        источник света не должен ослеплять работающего;

·        уровень освещенности рабочих мест должен быть постоянным во времени.

 

.3.2 Электробезопасность

Оборудование, используемое для напыления ППУ, может считаться источником угрозы поражения электрическим током. Мерой безопасности является защитное заземление (преднамеренное соединение с землей металлического нетоковедущих частей оборудования, которое может оказаться под током), зануление (преднамеренное соединение с нулевым защитным проводником металлических нетоковедущих частей оборудования, которое может оказаться под напряжением) а также установка различных устройств защитного отключения (УЗО) [26].

При разработке установки для напыления ППУ, были применены частотные преобразователи Веспер Е2-8300, позволяющие плавно регулировать расход рабочих жидкостей. Эти преобразователи снабжены комплексной системой защиты электродвигателя, включая УЗО.

 

.3.3 Пожарная безопасность

Изготовление теплоизоляции из ППУ относится к пожароопасному производству категории В. Для обеспечения противопожарной защиты ГОСТ 12.1.004-91 «Пожарная безопасность. Общие требования» должны соблюдаться мероприятия [23]:

·  организационные (обучение рабочих правилам пожарной безопасности, организация пожарной охраны, проведение бесед, лекции.);

·        технические (соблюдение противопожарных правил и норм при устройстве систем отопления, вентиляции, установке технологического оборудования);

·        эксплуатационные (правильная эксплуатация систем отопления, вентиляции);

·        режимные (запрещение или ограничение применения открытого огня в пожароопасных местах, курения в не установленных местах, обязательное соблюдение норм и правил при работе с огнеопасными и взрывоопасными веществами).

Помещение по пожароопасности можно отнести к категории В - характеризуется наличием горючих жидкостей с температурой вспышки паров выше 61%; веществ способных гореть при взаимодействии с водой, кислородом воздуха или друг с другом.

Класс П-1 - помещения, в которых применяют или хранят горючие жидкости с температурой вспышки выше 45 єС.

Рабочие места должны быть обеспечены первичными средствами пожаротушения:

·        порошковый огнетушитель марки ОП-10- 3 шт.;

Таблица 5.2 - Характеристики огнетушителя ОП-10

Количество огнетушащего вещества, кг

7,4

Огнетушащая способность (площадь, м2)

18,66

114В

4,52

Рабочее давление, МПа (при t=20±5 °С)

1,18...1,57

Время выхода огнетушащего вещества, с

12

Длина выброса, м

4,5

Масса, кг

11,5...13

Диапазон рабочих температур, °С

-40...+50

Габариты, мм

535Ч350Ч355


·        асбестовое полотно размером не менее 1Ч1 м для тушения небольших очагов пожаров при воспламенении веществ, горение которых прекращается без доступа воздуха;

·        ящик для песка объемом не менее 0,5 м3, укомплектованный совковой лопатой. Конструкция ящика должна обеспечивать удобство извлечения песка и исключить попадание влаги.

Ответственным лицом за ремонт, сохранность и готовность к действию первичных средств пожаротушения является технолог производственного участка. Учет наличия и состояния первичных средств пожаротушения необходимо вести в специальном журнале произвольной формы. Огнетушители должны всегда содержаться в исправном состоянии, периодически проверяться и своевременно перезаправляться.

 

.3.4 Средства индивидуальной защиты

В процессе проведения технологических операций при напылении пенополиуретана для обеспечения безопасности труда рабочие должны применять средства индивидуальной защиты. Для защиты кожных покровов от механических воздействий и вредных веществ используют спецодежду - халаты из плотных хлопчатобумажных тканей, обработанных комбинированными пропитками, а также резиновые перчатки [27].

Все работы со смесями компонентов ППУ «А» и «Б» следует проводить с соблюдением индивидуальной защиты. В качестве средств защиты применяются: комбинезон из грубошерстной или хлопчатобумажной ткани, резиновые сапоги, фартук, резиновые или прорезиненные перчатки, защитные очки, респираторы, противогазы марок «БКФ», «ЕО16», «В».

Рисунок 5.1 - Комбинезон химической защиты

 

.4 Указание мер безопасности


Степень опасности смесей «А» и «Б» определяется свойствами входящих в их состав компонентов.

Средствами пожаротушения в случае возгорания компонентов являются распыленная вода, химическая и воздушно - механическая пена, песок.

В случае возгорания компонентов в емкостях средством пожаротушения является только воздушно-механическая пена [29].

Производственные помещения должны быть оборудованы ящиками с песком и достаточным количеством 5…10% раствора аммиака для дегазации в случае разлива компонентов, а рабочие места должны быть обеспечены местными отсосами возможного выделения паров и газов.

При тушении пожаров обязательно применение кислородно-изолирующей аппаратуры.

После дегазации пролитого и засыпанного опилками продукта водным раствором аммиака спустя не менее 2 часов все собрать в специальную тару и вывезти в место утилизации отходов.

Сжигать опилки, пропитанные компонентами, особенно смесью «Б» (полиизоцианатом) не разрешается, так как при этом выделяются токсичные вещества. Для зачистки проливов рекомендуется смесь из этилового спирта (50 мас. частей), воды (42,5 мас. частей) и концентрированного аммиака (7,5 мас. частей) [28].

 

.5 Оказание первой помощи


В случае обнаружения первых признаков отравления пострадавшего удалить из опасной зоны, освободить от загрязненной одежды, дать кислород и принять меры для вызова медперсонала.

При попадании смесей «А» и «Б» на кожу они должны быть удалены мягкой ветошью, затем это место промывается теплой водой с мылом.

При попадании брызг в глаза немедленно промыть их большим количеством холодной воды и обратиться к врачу.

Загрязненная одежда должна быть выдержана в растворе аммиака 5…10% в течение суток. Работы по нейтрализации необходимо проводить в резиновых перчатках и защитных очках. Спецодежда рабочего персонала должна быть подвергнута дегазации и стирке один раз в неделю [28].

 

.6 Требования ТБ при работе на пеногенераторе


При работе на пеногенераторе, кроме соблюдения упомянутых требований, необходимо учитывать следующее. Работы на пеногенераторе (ПНГ) вблизи открытого огня, например, при сварке запрещены.

Аппаратчики, работающие с пневматическим распылителем, должны применять индивидуальные средства защиты органов дыхания (противогазы марок В, БКФ или ЕО-16, респираторы и пр.) и индивидуальные средства защиты кожи - спецодежду, резиновые перчатки и обувь.

Все соединения ПНГ, подающие компоненты к дозировочным насосам и от последних к пистолету, должны быть герметичны.

Компоненты материала запрещается выливать в канализацию.

При заполнении баков ПНГ компонентами, особенно полиизоцианатов, необходимо избегать пролива их на поверхность баков и на пол.

Перед приемом пищи и курением необходимо тщательно мыть руки теплой водой с мылом.

По окончании работы принять душ.

К самостоятельной работе на установке допускаются лица:

·  достигшие 18-летнего возраста;

·        прошедшие медицинский осмотр;

·        после проверки знаний по технике безопасности и настоящей инструкции;

·        после ознакомления с санитарными требованиями;

·        после ознакомления с токсичными свойствами выделяющихся веществ.

В случае неудовлетворительных знаний лица временно отстраняются от самостоятельной работы и подвергаются повторной проверке знаний.

При обслуживании электрооборудования пеногенератора должны соблюдаться требования действующих «Правил устройства электроустановок потребителей и правил техники безопасности при эксплуатации электроустановок потребителей».

Запрещено:

·  работа без кожуха, закрывающего вращающиеся механизмы.

·        работа ПНГ с неисправными манометрами.

·        работа пеногенератора с поврежденными шлангами питания распылителя.

·        работа без индивидуальных средств защиты органов дыхания и кожи.

·  производить какие-либо работы по ремонту оборудования с использованием открытого огня (например, сварки);

·        выключать приточно-вытяжную вентиляцию [27, 29].

 

.7 Расчёт защитного заземления


Цель расчёта защитного заземления - определение количества электродов заземления и заземляющих проводов, их размеров и схем размещения в земле, при котором сопротивление заземляющего устройства растеканию тока или напряжение прикосновения при замыкании фазы на заземление установок не превышает допустимых значений.

В производстве используется 2 электроустановки: компрессор мощностью 1,2 кВт и пеногенератор с суммарной мощностью 4 кВт.

Данное оборудование относится к классу установок с напряжением до 1000В с изолированной нейтралью. При этом допустимое сопротивление заземляющего устройства Rн≤4 Ом [25, 26].

.        Рассчитаем удельный коэффициент сопротивления грунта

(5.1)



Исходные данные приведены в таблице 5.3.

Таблица 5.3 - Свойства грунта

Наименование

Обозначение

Значение

Удельное сопротивление верхнего слоя грунта, Ом

1

150

Удельное сопротивление нижнего слоя грунта, Ом

2

100

Климатический коэффициент для вертикальных электродов

k1

1,8

Длина вертикального заземлителя, м

L

2,5

Толщина верхнего слоя грунта, м

H

1

Глубина заложения горизонтального заземлителя, м

t полосы

0,7




2.       Сопротивление одного вертикального заземлителя из уголковой стали.

(5.2)


Исходные данные для расчёта приведены в таблице 6.4.

Таблица 5.4 - Геометрические параметры уголковой стали

Наименование

Обозначение

Значение

Ширина полки уголка, мм

b

100

Расстояние от поверхности земли до середины заземлителя, м

t

2,2



3.       Предполагаемое количество вертикальных заземлителей.

(5.3)



Исходные данные для расчёта приведены в таблице 6.5.

Таблица 5.5 - Исходные значения

Наименование

Обозначение

Значение

Нормируемое сопротивление растеканию тока в землю, Ом

Rн

4

Коэффициент использования вертикальных заземлителей

в

0,7



4.       Предполагаемая длина горизонтального заземлителя при расположении электродов вряд.

(5.4)



Таблица 5.6 - Исходные данные

Наименование

Обозначение

Значение

Расстояние между заземлителями, м

h

3

(5.4)



Сопротивление горизонтального заземлителя с учётом коэффициента использования.

(5.5)



Таблица 5.7 - Исходные данные

Наименование

Обозначение

Значение

Ширина стальной полосы, мм

b

40

Климатический коэффициент для горизонтальных электродов

k2

3,5

Коэффициент использования горизонтальных электродов

г

0,67

5.       Полное сопротивление заземлителей

(5.6)




6.       Уточнённое количество вертикальных заземлителей с учётом соединительной полосы

(5.7)


.8 Выводы

В данном разделе дипломного проекта были рассмотрена охрана труда при напылении пенополиуретана. Проанализированы опасные и вредные производственные факторы, рекомендованы мероприятия по защите от них. Обозначен основной вредный фактор - полиизоцианат, сделан акцент на подборе средств для защиты органов дыхания. Рекомендованы противогазы марок «В», «БКФ» или «ЕО-16». Также составлены указания по мерам безопасности, оказании первой помощи, требования безопасности при работе на пеногенераторе.

Произведён расчёт защитного заземления, определено, что необходимо 8 заземлителей с параметрами, приведенными в таблице 6.4. Определена длина горизонтального соединителя, составившая 21 м.

Подобранные средства защиты позволяют обеспечить на рабочем месте безопасные условия труда при проведении работ по напылению пенополиуретана.

 

6. Технико-экономические расчеты производства

 

.1 Исследование рынка


Среди интенсивно развивающихся производств теплозащитных материалов наибольший интерес вызывают вспененные материалы, которые широко используются в различных областях народного хозяйства в качестве изоляционных и конструкционных материалов. Это обусловлено сочетанием легкости таких материалов с их достаточно высокой прочностью, возможностью варьирования в широких пределах эксплуатационных свойств и получения пенопластов на месте их применения.

Использование пенопластов в качестве строительной теплоизоляции занимает ведущее место в сфере их потребления в большинстве развитых странах мира.

В последнее время рядом стран Западной Европы (Англия, Франция, Австрия и др.) приняты законодательные акты, вводящие жесткие меры по экономии энергии и теплоизоляции зданий.

Наиболее распространенные пенопласты в строительстве, которые зарекомендовали себя благодаря своим уникальным свойствам и высоким темпам развития и стали занимать высокое место в структуре мирового производства газонаполненных пластмасс: пенополиуретаны, полистирольные пенопласты, пенопласты на основе фенолформальдегидных смол и карбомидные пенопласты [6].

6.1.1 Пенополиуретан

В 1987 году мировое производство жестких пенополиуретанов (ППУ) достигло 1,236 млн. т. В 1990 году потребление жестких ППУ достигло 1,36 млн. т, в том числе доля строительства в их применении составляет 38,6% (таблица 6.1).

Таблица 6.1 - Мировое производство ППУ

Страны и регионы

Производство, тыс. т.

Производство на душу населения, кг

Западная Европа

463,0

1,26

США

442,0

1,20

Япония

85,0

0,66

Другие страны

246,0

0,08


В последнее время в большинстве стран наблюдается снижение темпов роста производства ППУ. Одной из причин этого является существенное изменение в технике производства, вызванное стремление отказаться от применения фреонов, так как эти вещества оказывают неблагоприятное воздействие на окружающую среду.

Одной из главных проблем развития производства жестких ППУ является повышение их огнестойкости, особенно в связи с растущим потреблением этих материалов в строительстве.

Потребность в России в ППУ в целом по народному хозяйству удовлетворялось на 52,8%, при этом собственное производство составило около 119 тыс. т. (31,3% от потребности и около 60% от объема потребления). Около 80 тыс. т. композиций закупалось за рубежом (таблица 6.2) данные за 2003 год.

Таблица 6.2 - Потребность в ППУ системах, тыс. т


1985 г.

1989 г.

1990 г.

2003 г.

Потребность в ППУ системах

150,0

305,0

380,0

460,0

Общие ресурсы ППУ систем

128,9

200,6

200,6

235,2

В том числе: Изготовлено в России

77,1

120,3

118,2

230,5

Закуплено за рубежом

51,8

80,3

81,5

90,2

 

.1.2 Пенопласты на основе фенолформальдегидных смол

За рубежом до недавнего времени фенолоформальдегидные пенопласты (ПФП) имели ограниченное распространение, однако, в последние годы интерес к ним возрастает, что в основном, обусловлено повышением требований по пожаробезопасности применяемых в строительстве полимерных материалов. С этих позиций наряду с низкой степенью возгораемости, ПФП не имеют себе равных и по интенсивности дымообразования при горении, которая значительно ниже, чем при горении других трудносгораемых видов пенопластов (пенопласты на основе полиизоциануратов).

В Росси странах СНГ в структуре производства и применения пенопластов в строительстве на основе фенолформальдегидных смол занимает второе место после пенополистирола.

В период 1985…1990 гг. объем выпуска на основе резольных смол находится на уровне 450…480 тыс. м3 в год при производительной мощности предприятия около 0,8 млн. м3.

 

.1.3 Карбамидные пенопласты

В зарубежной практике карбамидные пены (КФП) также используются только в качестве теплоизоляционных элементов для тепло- и звукоизоляции наружных стен зданий, подвесных потолков, сводов, перекрытий, кабельных каналов, воздуховодов, труб горячего водоснабжения и канализации и т.д. Касаясь дальнейшего развития КФП. следует отметить, что по состоянию сырьевой базы имеется все необходимое для расширения выпуска этих материалов на ближайшую перспективу. Согласно технико-экономической оценке, в настоящее время карбамидоформальдегидные смелы по объему производства являются пока единственным видом синтетического сырья, наиболее полно удовлетворяющим потребностям страны. По данным НПО "Пластмассы", объем выпуска карбамидных смол в 1985 году составил 901,7 тыс. т. в том числе 587,6 тыс. г марки КФ-МТ и 196,1 тыс. т смол марки КФЖ, используемых для производства КФП, в 1990 году выпуск смол составил 1,033 тыс. т.

Однако анализ структуры потребления этих смол для нужд строительства на ближайшую перспективу свидетельствует о том, что доля использования их для производства пенопластов по сравнению с периодом 1985-1990 гг. не претерпит существенных изменений и будет составлять в среднем 1,0…1,2% от общего объема выпуска пенопластов по стране.

Одним из факторов, сдерживающих рост производства КФП, является отсутствие эффективных методов изготовления качественных теплоизоляционных изделий на их основе в виде товарной продукции, реализация которых требует существенного улучшения структуры и свойств этой группы газонаполненных пластмасс.

 

.1.4 Полистирольные пенопласты

Пенополистирол занимает одно из ведущих мест среди газонаполненных пластмасс, используемых в строительстве. В таблице 6.3 представлены данные по потреблению пенополистирола в ведущих странах за 1991 год.

Таблица 6.3 - Потребление пенополистирола в ведущих странах, тыс. т

Страна

Общий объем потребления

Объем потребления в строительстве, тыс. т.

Доля потребления в строительстве, %

ФРГ

160,0

115,0

71,8

Франция

98,7

35,3

56,0

США

250,0

125,0

50,0

Япония

220,0

52,0

23,6

СНГ

112,0

60,0

53,0


В таблице 6.4 представлены данные по объему производства пенополистирола для строительства по экономическим регионам. СНГ.

Таблица 6.4 - Объем производства пенополистирола для строительства по экономическим регионам России, тыс. м3

Название экономического региона

Мощность производства, тыс. т.

Объем производства, тыс. т.

Центральный

350,7

283,1

Северо-Западный

322,0

254,0

Центрально-Черноземный

25,0

10,0

Волго-Вятский

50,0

19,0

Поволжский

160,0

115,0

Уральский

258,0

187,0

Западно-Сибирский

210,0

95,0

Восточно-Сибирский

191,1

80,1

Дальневосточный

150,7

165,7

Прибалтийский

385,0

154,0

Белорусский

150,0

145,0

Украина

591,0

437,7

Закавказье

170,0

135,0

Казахстан

185,0

135,0


Проведенные за последние годы анализ показал, что структура потребления пенополистирола сохраняется практически неизменной, причем, если для стран Западной Европы ведущей областью является строительство, то для Северной Америки и Японии важнейшими сферами потребления является упаковка и товары массового спроса.

 

.2 Расчет производства


Рассчитывается стоимость производства одного кубометра пенополиуретана методом напыления [30]. Схема установки для напыления пенополиуретана приведена на рисунке 6.1.

Рисунок 6.1 - Схема установки для напыления пенополиуретана

Средняя производительность установки по пене составляет 60 литров в минуту (2 литра по компонентам).

 

.2.1 Количество основных производственных рабочих

Технологические операции процесса напыления пенополиуретана разбиты по следующим этапам:

) Транспортный.

Доставка оборудования, компонентов и рабочих на объект.

) Подготовительный.

Подготовка пеногенератора, подключение к сети, заполнение расходных баков, создание рабочего давление в компрессоре.

3) Напылительный.

4) Финишный.

Финишный этап заключается в промывке пеногенератора, сливе неиспользованных компонентов, сбросе давления в компрессоре, разборке и промывке пульверизатора.

5) Контрольный.

Заключается в контроле толщины покрытия, визуальном осмотре и различных видах неразрушающего контроля.

) Транспортный.

Транспортирование оборудования и компонентов в место хранения, вывоз рабочих с объекта

Таблица 6.5 - Количество основных рабочих

Обслуживаемое оборудование

Кол-во, чел.

Разряд

Рабочий по напылению пенополиуретана

1

5

Оператор пеногенератора

1

4

Итого

2


6.2.2 Затраты на материалы


Таблица 6.6 - Расчёт стоимости композиции

Компонент

Содержание, %

Цена, руб.



Цена за 1 кг

С учётом расхода

Полиизоцианат

55

96

52,8

Полиол

45

74

33,3

Готовая композиция

-

86,1


Плотность пенополиуретана составляет около 45 кг/м3, следовательно затраты на производство одного кубометра пеноплиуретана по компонентам составят:

Ц3 ППУ=3874,50 руб.(6.1)


 

.2.3 Затраты на потребление электрической энергии

Установка состоит из следующих потребителей электрической энергии.

Таблица 6.7 - Потребители электрической энергии

Наименование

Тип

Кол-во

Мощность, кВт

Коэффициент использования

Двигатель асинхронный

71В2У2

2

1,1

1

Компрессор

ABAC S3/25

1

1,5

0,7

Стоимость силовой электроэнергии

,(6.2)



где  - цена электроэнергии, руб./кВт∙ч;  - расход силовой электроэнергии на один кубометр пенополиуретана, кВт∙ч:

Производительность установки по пене составляет 60 литров в минуту. Значит для изготовления одного кубометра пенополиуретана потребуется:

,(6.3)



где 1000 - объем одного кубометра в литрах,  - производительность установки, л/мин.


Суммарная потребляемая мощность установки составляет:

,(6.4)



где  - количество оборудования; Муст - установленная активная мощность;  - коэффициент использования электрооборудования по времени и мощности.

(6.5)


Для производства одного кубометра пенополиуретана затрачивается:

(6.6)



Цена за электроэнергию для предприятий в Алтайском крае составляет 4,3 руб. за 1 кВт∙ч

(6.7)


 

6.2.4 Расчет заработной платы основных производственных и вспомогательных рабочих

Фонд заработной платы ОПР состоит из основной заработной платы, дополнительной заработной платы и премий:

.(6.8)



Основная заработная плата

,(6.9)



где  - районный коэффициент, по Алтайскому краю он равен 1,15;  - коэффициент доплат;  - тарифная заработная плата:

,(6.10)



где  - трудоемкость годовой программы;  - часовая тарифная ставка j-го разряда.

,(6.11)



где  - тарифный коэффициент j-го разряда; - часовая тарифная ставка 1-го разряда.

,(6.12)


где  - коэффициент соответствия тарифной заработной плате (Ксоот.=3);  - минимальная заработная плата (МРОТ, 4330 руб. с 01.01.2009 г.); - действительный фонд времени одного рабочего за месяц (140 часов).

Определяем трудоемкость годовой программы

,(6.13)



где  - действительный фонд времени одного рабочего за год (140 часов · 12 мес. = 1680 часов).

Определяем годовую тарифную заработную плату:

.(6.14)



Основная заработная плата:

,(6.15)



здесь =1,18, Кр.к.= 1,15 - районный коэффициент, по Алтайскому краю.

Дополнительная зарплата составляет 10% от основной зарплаты:

.(6.16)


Премию определяем по формуле

.(6.17)



Все показатели по вычислению заработной платы сведены в таблицу 6.8.

Таблица 6.8 - Расчет заработной платы основных производственных рабочих

№ рабочего

Тгод

Зтар

Зосн

Здоп

П

1

1680

240055

325755

32575

214998

573328

2

1680

210319

285403

28540

188366

502309

1075637


Рассчитаем размер единого социального налога:

,(6.18)



где  - ставка единого социального налога в процентном отношении,

Время производства одного кубометра пенополиуретана согласно формуле 6.1. составляет 0,28 ч. Значит, расходы на заработную плату на производство одного кубометра пенополиуретана составляют:

(6.19)


6.2.5 Затраты на оборудование

Затраты на оборудование состоят из амортизационных затрат

,(6.20)



где  - годовые затраты на амортизацию оборудования;

Годовые затраты на амортизацию оборудования определяем по формуле:

,(6.21)



где  - оптовая цена оборудования, тыс. руб.;  - норма амортизации оборудования, % ;  - количество принятого оборудования, шт.

Расчёт стоимости установки приведён в таблице 6.9.

Таблица 6.9 - Расчёт стоимости установки

Наименование

Тип

Кол-во

Цена, руб.

1

Двигатель асинхронный

71В2У2

2

7000,00

2

Частотный преобразователь

Веспер Е2-8300-S2L

2

17000,00

3

Шестерёнчатый насос

НШ4Г-3

2

2000,00

4

Компрессор 200 л/мин

ABAC S3/25

1

12500,00

5

Рукав высокого давления

ГОСТ 6286-73

1

10000,00

6

Пистолет-распылитель

-

1

20000,00

7

Сборка установки

-

1

10000,00


Итого

78500,00


Годовые затраты на амортизацию оборудования составляют:

(6.22)


Действительный фонд времени согласно пункту 6.2.4 составляет 1680 часов. Следовательно установка в год работает 1680 часов.

Амортизационные отчисления на один кубометр пенополиуретана составляют:

(6.23)


 

.3 Калькуляция себестоимости


После расчета статей расходов составляем калькуляцию себестоимости

Таблица 6.10 - Себестоимость производства 1 м3 пенополиуретана

Статьи расходов

Сумма, руб.

1. Основные материалы

3874,50

2. Силовая электроэнергия

3,87

3. Заработная плата ОПР + единый социальный налог

225,90

4. Затраты на амортизацию, содержание и эксплуатацию оборудования

4,90

ИТОГО

4109,17


Наглядно структуру стоимости пенополиуретана можно изобразить на круговой диаграмме (рисунок 6.2). Основную часть стоимости предлагаемого материала составляет сырьё (композиция полиол+полиизоцианат). Поэтому, для снижения себестоимость необходимо искать варианты замены сырья на менее дорогостоящее.

Рисунок 6.2 - Структура себестоимости 1 м3 пенополиуретана

6.4 Выводы

В данном разделе дипломного проекта были рассчитаны технико-экономические показатели производства пенополиуретана методом напыления. В результате расчёта был определёна ориентировочная себестоимость одного кубометра пенополиуретана, которая составила 4109,17 рублей. Замечено, что основной вклад в стоимость продукции вносит стоимость компонентов. Также был произведен расчёт стоимости установки для напыления двухкомпонентной композиции пенополиуретана, которая составила 78500,00 руб.

Произведенные расчеты позволят оценить годовой бюджет предприятия, уменьшить издержки и снизить стоимость продукции.

Заключение

В ходе изучения проблемы шума от тягодутьевых машин и условий их эксплуатации, были выдвинуты требования к проектируемому материалу: теплостойкость проектируемого материала должна быть не менее 150 °С, материал должен обладать высокой адгезией к изолируемой поверхности, минимальной гигроскопичностью, коэффициент теплопроводности должен быть минимальным, позволяющим достигать допустимых условий труда при минимальной толщине покрытия.

Из всех имеющихся на сегодняшний день вспененных полимерных материалов, этим требованиям удовлетворил только жёсткий пенополиуретан, получаемый методом напыления.

В ходе работы над проектированием шумо- и теплоизоляционного покрытия на основе пенополиуретана, были изучены параметры химической реакции полиола и полиизоцианала, рассмотрены такие основные параметры реакции, как время старта, время гелеобразования и время подъёма пеноматериала; описан компонентный состав исходного сырья и свойства компонентов; приведена общая информация по технологии напыления, на основе чего подобрано оборудования. В качестве основного технологического звена рекомендован пеногенератор ПГМ-1045АТ. Также приведены методики определения основных эксплуатационных характеристик таких, как шумоизоляционные свойства, коэффициент теплопроводности, прочность при сжатии. Описан метод статистической обработки экспериментальных данных.

В ходе практической работы было изготовлено 14 образцов с варьированием компонентного состава композиции (таблица 3.1). Произведены исследования химических, физико-механических, теплофизических и акустических характеристик композиций. Выявлено, что соотношение компонентов А:Б=1:1,125 обеспечивает максимальный коэффициент вспенивания композиции - 32 и минимальную плотность 39,21 кг/м3. Замечено, что с увеличением содержания полиизоцианата в композиции, происходит увеличение напряжения при 10% линейной деформации (до 345,98 кПа) у образца с содержанием полиизочианата 2,125 объёмных долей. Теплопроводность уменьшается с уменьшением содержания полиизоцианата и уменьшением плотности. Минимальное значение теплопроводности имеет образец с соотношением компонентов А:Б=1:1. Наиболее высокий коэффициент снижения шума (0,28 - 0,29) имеют образцы с содержанием полиизоцианата от 0,875 до 1,250 объёмных долей. Максимальный сухой остаток имеет образец с соотношением компонентов А:Б=1:1,125. Это важно не только для технологических свойств материала, но и для экологических, так как материал с высокой степенью сшивки будет выделять минимальное количество вредных веществ в окружающую среду. Поэтому при прочих сопоставимых характеристиках, данная композиция рекомендуется как оптимальная.

Для нанесения шумо- и теплоизоляционного покрытия на основе оптимальной композиции жёсткого пенополиуретана, была разработана технологическая схема напыления материала на изолируемую поверхность под высоким давлением Р=12 МПа.

При рассмотрении проблемы охраны труда на производстве проанализированы опасные и вредные производственные факторы, рекомендованы мероприятия по защите от них. Обозначен основной вредный фактор - полиизоцианат, сделан акцент на подборе средств для защиты органов дыхания. Рекомендованы противогазы марок «В», «БКФ» или «ЕО-16». Также составлены указания по мерам безопасности, оказании первой помощи, требования безопасности при работе на пеногенераторе. Произведён расчёт защитного заземления для установки пеногенератора, определено, что необходимо 8 заземлителей с параметрами, приведенными в таблице 6.4. Подобранные средства защиты позволяют обеспечить на рабочем месте безопасные условия труда при проведении работ по напылению пенополиуретана.

И в заключительной части работы произведён технико-экономический расчёт себестоимости производства 1м3 пенополиуретана по предлагаемой технологии, составившей 4109,17 руб./м3

Список литературы

1.   Вентиляторы и дымососы котельных установок [Текст]: справочник / Н.Л. Лане, В.В. Семёнов, В.А. Яковенко; под ред. Е.Э. Гильде - СПб.: НПО ЦКТИ, 1993.- 210 с.

2.       Центробежные вентиляторы, аэродинамические схемы и характеристики [Текст]: справочник / Т.С. Соломахова, К.В. Чебышева. - М.: Машиностроение, 1980. - 176 с.

.        Центробежные вентиляторы [Текст]: справочник / А.Д. Брук, Т.И. Матикашвили, М.И. Невельсон, Г.А. Раер [и др.]; под ред. Т.С. Соломаховой. - М.: Машиностроение, 1975.- 415 с.

4.   Тараканов, О. Г. Наполненные пенопласты [Текст]: учеб. для вузов / О. Г. Тараканов, И. В Шамов, В. Д. Альперн. - М.: Химия,1988. - 216с.

5.       Берлин, А. А. Химия и технология газонаполненных высокополимеров [Текст]: учеб. для вузов / А. А. Берлин, Ф. А. Шутов. - М.: Наука, 1980. - 504 с.

.        Михайлова, И. Современные строительные материалы и товары [Текст]: учеб. для вузов / И. Михайлова, В. Васильев, К. Миронов. - М.: Эксмо, 2004. - 576 с.

.        Принципы создания эффективных негорючих теплоизоляционных и светоизоляционных материалов ВНИИНТПИ [Текст]: сборник трудов / В. В. Гурьев, А. Н. Дмитриев, И. Т. Романенков. - Москва, 1998. - 143 с.

.        Пенопласты и многослойные конструкции [Текст]: сборник трудов ВНИИ стройполимер, выпуск 56 / ред. А. Ф. Полуянов. - Москва, 1981. - 140 с.

9.   Воробьев, В. А. Полимерные теплоизоляционные материалы [Текст]: учеб. для вузов / В. А. Воробьев, Р. А. Андрианов. - М.: Стройиздат, 1972. - 143 с.

10.   Берлин, А. А. Основы производства газонаполненных пластмасс и эластомеров [Текст]: учеб. пособие для вузов / А. А. Берлин. - М.: Госхимиздат, 1954. - 94 с.

11.     Кулешов, И. В. Теплоизоляция из вспененных полимеров [Текст]: учеб. пособие для вузов / И. В. Кулешов, Р. В. Торнер - М.: Стройиздат, 1987. - 144 с.

12.   Соломатов, В.И. Полимерные композиционные материалы в строительстве [Текст]: учеб. пособие для вузов / В. И. Соломатов, А. Н. Бобрышев, К. Г. Химмлер - М.: Стройиздат, 1988. -312 с.

13.     Теплотехнический справочник [Текст]: справочное пособие в 2-х т. / В.И. Трембовли [и др.]. - М.: Энергия, 1976. - Т.1. - 879 с.

.        Теплотехнический справочник [Текст]: справочное пособие в 2-х т. / В.И. Трембовли [и др.]. - М.: Энергия, 1976. - Т.2. - 896 с.

.        Теплотехника [Текст]: учеб. для вузов / В.Н. Луканин, М.Г. Шатров, Г.М, Кафмер [и др.]. - М.: Высшая школа, 1999. - 671 с.

.        Звукоизоляция и звукопоглощение [Текст]: учеб. пособие для студентов вузов / Л.Г. Осипов, В.Н, Бобылев, Л.А. Борисова [и др.]. - М.: ООО «Издательство АСТ», 2004. - 450 с.

.        Машины тягодутьевые. Методу акустических испытаний [Текст]: ГОСТ 29310-92. - Введ. 1993-01-01. - М.: Изд-во стандартов, 1993. - 16 с.

.        Система стандартов безопасности труда. Шум. Общие требования безопасности [Текст]: ГОСТ 12.1.003-83. - Введ. 1984-01-07. - М.: Изд-во стандартов, 1984. - 19 с.

.        Защита от шума [Текст]: СНиП П-12-89. - Введ. 1990-21-05. - М.: Изд-во стандартов, 1990. - 21 с.

.        Материалы и изделия строительные теплоизоляционные. Методы испытаний [Текст]: ГОСТ 17177-94. - Введ. 1996-04-01. - М.: Изд-во стандартов, 1996. - 32 с.

.        Метод определения теплопроводности и теплового сопротивления при стационарном тепловом потоке [Текст]: ГОСТ 7076-99. - Введ. 2000-04-01. - М.: Изд-во стандартов, 2000. - 17 с.

.        Опасные и вредные производственные факторы. Классификация [Текст]: ГОСТ 12.0.003-74. - Введ. 1976-01-01. - М.: Изд-во стандартов, 1976. - 15 с.

.        Пожарная безопасность. Общие требования [Текст]: ГОСТ 12.1.004-91. - Введ. 1992-01-07. - М.: Изд-во стандартов, 1992. - 24 с.

.        Оптимальные и допустимые величины показателей микроклимата в производственных освещениях [Текст]: ГОСТ 12.1.005-88. - Введ. 1986-01-01. - М.: Изд-во стандартов, 1992. - 49 с.

.        Электробезопасность. Защитное заземление. Зануление [Текст]: ГОСТ 12.1.030-81. - Введ. 1982-07-01. - М.: Изд-во стандартов, 1982. - 35 с.

.        Электробезопасность. Общие требования [Текст]: ГОСТ 12.1.019.-85 ССБТ. - Введ. 1980-01-07. - М.: Изд-во стандартов, 1980. - 41 с.

27.   Макаров, Г. В. Охрана труда в химической промышленности [Текст]: учеб. пособие для вузов / Г.В. Макаров, Л.К. Маринина. - М.: Химия, 1989. - 328 с.

28.     Лазарев, А.В. Вредные вещества в промышленности [Текст]: монография / А.В. Лазарев. - М.: Мир, 1976. - 640 с.

.        Соломенцева, Ю.М. Методы и средства обеспечения безопасности труда в машиностроении [Текст]: учебник для вузов / Ю.М. Соломенцева - М.: Высшая школа, 2000. - 326 с.

.        Мягкова, Н. А. Организация поточного производства композитных труб [Текст]: учебное пособие / Н. А. Мягкова. АлтГТУ - Барнаул: Изд-во АлтГТУ, 2006. - 32 с.

Приложение А

Министерство образования и науки Российской Федерации

Государственное образовательное учреждение высшего профессионального образования

«АЛТАЙСКИЙ ГОСУДАРСТВЕННЫЙ ТЕХНИЧЕСКИЙ УНИВЕРСИТЕТ им. И.И. ПОЛЗУНОВА»

Кафедра физики и технологии композиционных материалов

УТВЕРЖДАЮ

Заведующий кафедрой д. т. н., профессор В. Б. Маркин

ЗАДАНИЕ №5

НА ДИПЛОМНОЕ ПРОЕКТИРОВАНИЕ

По специальности конструирование и производство изделий из

композиционных материалов

студенту группы ПКМ-41 Кайзеру Александру Викторовичу

Тема: ПРОЕКТИРОВАНИЕ МАТЕРИАЛА ШУМО- И ТЕПЛОИЗОЛЯЦИИ КОРПУСА ТЯГОДУТЬЕВОЙ МАШИНЫ И ТЕХНОЛОГИИ ЕГО ИЗГОТОВЛЕНИЯ НА ОСНОВЕ ПЕНОПОЛИУРЕТАНА

Утверждено приказом ректора от 11.02.2009 Л.- 333 3

Срок исполнения проекта ____________04.06.2009 ______________

Задание принял к исполнению 02.02.2009 Кайзер А.В.

БАРНАУЛ 2009

Приложение Б

Исходные данные

Компоненты ППУ, установка высокого давления, шумомер, стенд для измерения теплопроводности, химическая посуда, электронные весы, электронные термометры.

2 Содержание разделов проекта

Наименование и содержание разделов проекта

Трудоемкость от всего объема проекта, %

Срок выполнения

Консультант (Ф.И.О., подпись)

1 Расчетно-пояснительная записка

86

04.06.09

Головина Е.А.

1.1 Тягодутьевые машины. Проблема шумо- и теплоизоляции

9

04.06.09

Головина Е.А.

1.2 Проектирование шумо- и теплоизоляционного материала на основе пенополиуретана

10

04.06.09

Головина Е.А.

1.3 Исследование теплофизических и акустических характеристик пенополиуретана

40

04.06.09

Головина Е.А.

1.4 Технология нанесения пенополиуретана методом напыления

9

04.06.09

Головина Е.А.

1.5 Охрана труда

9

04.06.09

Авдеев Е.Н.

1.6 Технико-экономические расчёты производства

9

04.06.09

Мягкова Н.А.

2 Графическая часть

14

04.06.09

Головина Е.А.

2.1 Тягодутьевая машина. Проблема шумо- и теплоизоляции

1

04.06.09

Головина Е.А.

2.2 Сравнительные характеристики шумо- и теплоизоляционных материалов

1

04.06.09

Головина Е.А.

2.3 Получение пенополиуретана

1

04.06.09

Головина Е.А.

2.4 Изготовление образцов пенополиуретана с постоянной объёмной долей полиола и варьированием содержания полиизоцианата

1

04.06.09

Головина Е.А.

2.5 Зависимость времени старта, времени гелеобразования и времени подъёма пены от объёма полиизоцианата при постоянном объёме полиола 4 мл

1

04.06.09

Головина Е.А.

2.6 Зависимость коэффициента вспенивания и кажущейся плотности от объёма полиизоцианата при постоянном объёме полиола 4 мл

1

04.06.09

Головина Е.А.

2.7 Зависимость коэффициента сухого остатка от объёма полиизоцианата при постоянном объёме полиола 4 мл

1

04.06.09

Головина Е.А.

2.8 Прочностные характеристики образцов пенополиуретана

1

04.06.09

Головина Е.А.

2.9 Графики зависимостей прочностных характеристик пенополиуретана от объёма полиизоцианата при постоянном объёме полиола 4 мл

1

04.06.09

Головина Е.А.

2.10 Зависимость коэффициента теплопроводности и коэффициента снижения шума от объёма полиизоцианата при постоянном объёме полиола

1

04.06.09

Головина Е.А.

2.11 Схема технологического процесса нанесения ППУ методом напыления

1

04.06.09

Головина Е.А.

2.12 Себестоимость производства 1 м3 пенополиуретана методом напыления на основе оптимальной композиции

1

04.06.09

Головина Е.А


Научно-библиографический поиск

.1 По научно-технической литературе научно-технические журналы Механика композитных материалов, Механика композиционных материалов и конструкций, пластические массы за последние 20 лет.

.2 По нормативной литературе просмотреть указатели государственных и отраслевых стандартов за последние 5 лет.

Руководитель проекта ________________________ Е.А. Головина

Приложение В

Схема пистолета-распылителя

Приложение Г

Определение прочности при 10% линейной деформации, экспериментальные данные

Композиция №1.1 Компонент А: 4 мл, компонент Б: 4 мл

ъ

Композиция №1.2 Компонент А: 4 мл, компонент Б: 4,5 мл

Композиция №1.3 Компонент А: 4 мл, компонент Б: 5 мл

Композиция №1.4 Компонент А: 4 мл, компонент Б: 5,5 мл

Композиция №1.5 Компонент А: 4 мл, компонент Б: 6 мл

Композиция №1.6 Компонент А: 4 мл, компонент Б: 6,5 мл

Композиция №1.7 Компонент А: 4 мл, компонент Б: 7 мл


Композиция №1.8 Компонент А: 4 мл, компонент Б: 7,5 мл


Композиция №1.9 Компонент А: 4 мл, компонент Б: 8 мл

Композиция №1.10 Компонент А: 4 мл, компонент Б: 8,5 мл


Композиция №1.11 Компонент А: 4 мл, компонент Б: 3,5 мл

Похожие работы на - Проектирование материала шумо- и теплоизоляции корпуса тягодутьевой машины и технологии его изготовления на основе пенополиуретана

 

Не нашли материал для своей работы?
Поможем написать уникальную работу
Без плагиата!
Без нейросетей!