Проектирование привода к пресс-валкам

  • Вид работы:
    Курсовая работа (т)
  • Предмет:
    Другое
  • Язык:
    Русский
    ,
    Формат файла:
    MS Word
    415,8 Кб
  • Опубликовано:
    2012-05-05
Вы можете узнать стоимость помощи в написании студенческой работы.
Помощь в написании работы, которую точно примут!

Проектирование привода к пресс-валкам


 

 

 

 

 

 

 

 

 

 

 

 

Тема: «Спроектировать привод к пресс-валкам»


Задание

на выполнение курсового проекта по деталям машин

Тема: Спроектировать привод к пресс-валкам

Исходные данные:

Мощность на рабочем валу машины…………N р.в.=16,8 кВт

Скорость рабочего вала машины……………nр.в.=4 об/мин

Скорость вращения электродвигателя……...nс =1000 об/мин

ПВ=45 %

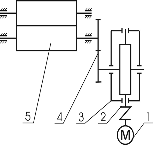
Рис.1.1.Кинематическая схема привода.

Задание выдано:

Преподаватель: Киселев Б.Р.

Введение

Приводы в химическом машиностроении многообразны по конструкции и различаются в зависимости от вида машины. Привод - устройство для приведения в действие машин от двигателя через передаточные механизмы. Соединение вала машины с валом электродвигателя возможно лишь в относительно редких случаях. Однако в химическом машиностроении это имеет место. В основном для привода машины необходима установка повышающей или понижающей передачи. Оптимальный тип передачи определяют с учетом ряда факторов: эксплуатационных условий, характера нагрузки, срока службы, техники безопасности, удобства расположения, обслуживания, стоимости привода.

Наиболее совершенным и прогрессивным является индивидуальный привод, т.к. он устраняет потери энергии в трансмиссиях, допускает наиболее рациональное размещение узлов, агрегатов машин, улучшает условия труда. Индивидуальный привод к рабочему валу машины осуществляется разными вариантами, в которые входят электродвигатель, открытые передачи, редуктор, муфты. Редуктор предназначен для уменьшения частоты вращения и увеличения вращающегося момента. В корпусе редуктора размещены зубчатые или червячные передачи, неподвижно закрепленные на валах. Обычно в червячной передаче ведущим является червяк. Валы опираются на установленные в корпус подшипники.

Червяки проектируются однозаходные и многозаходные, в основном с правым направлением витка. С увеличением числа витков червяка возрастает угол подъема винтовой линии, что повышает КПД передачи. Червячные передачи характеризуются большими скоростями скольжения в месте контакта червяка и червячного колеса.

1.Оптимизация выбора привода

Кинематическая схема привода состоит из электродвигателя 1 типа 4А, соединительной муфты 2, редуктора 3, открытой передачи 4 и пресс-валков 5, см. рис. 1.1.

2.Кинематический расчет привода и выбор электродвигателя

.1 Определение КПД привода

η = ηчп · ηзп· ηп2 ,

где ηчп = 0.8 - КПД червячной передачи [1 с.40];

ηп = 0.99 - КПД пары подшипников.

η зп = 0.95 - КПД зубчатой передачи

η = 0.8 · 0.95·0,9952= 0,748

.2 Определим расчетную мощность электродвигателя

Nэлр = Nр.в./η ,

элр = 16,8/0.748 = 22,46 кВт .

.3 Выбираем электродвигатель

Зная nс = 1000 об/мин

Nэлр = 22.46 кВт.

По ГОСТ 19523-81 принимаем электродвигатель 4А200М6УЗ, табл. 2.1, Nэл = 22кВт, S = 2.3% [1 с.43]. Электродвигатель будет работать с перегрузкой

- 100%

X = 2,09%,

,46 - X%

которая составляет 2,09%, что вполне допустимо, так как<5%.

Определяем асинхронную частоту вращения электродвигателя

nас = nс· (1- (S%/100)) ;

ас = 1000 · (1- (2.3/100)) =977 об/мин .

.4 Уточняем передаточное отношение привода

Действительное общее передаточное отношение привода равно

пр.’ = nас/nр.в = 977/4 = 244,25 .зп.’ = Uпр.’ / Uр.’= 244,25/40 = 6,11

Принимаем для червячной передачи по ГОСТ 2144 -76 Uчп.’ = 40, а для зубчатой Uзп.’ = 6,11 [1 с.96].

.5 Определяем момент на валах привода

M1 = Mэл = 30 · Nэлр/π · nас ;

1 = 30 · 22460/3.14 · 977 = 219.8 Н·м ;

= M1 · Uпр.’· ηчп · ηп2 ;

2 = 219,8 · 40 · 0.8 · 0.9952 = 6962,2 Н·м;

3 = M2 · Uзп.· ηзп · ηп = 6962 · 6.11· 0,95 · 0,995 = 40209,8 Н·м.

.6 Определим скорости вращения валов

n1 = nас. = 977 об/мин ;

n2 = n1 / Uпр.’ ;

n2 = 977 / 40 = 24,425 об/мин .

3. Расчет и проектирование червячной передачи

.1 Выбираем материал червячной пары

Приближенное значение скорости скольжения :

Vs = (3.7  4.6 ) ·10-4 · n1 · ;

 = 4 ·10-4 · 977 ·= 7.5 м/с ,

Выбираем для червяка Сталь 45 с закалкой до твердости > HB240. Для венца червячного колеса выбираем бронзу БрO10Ф1 (ГОСТ 613-79);

предел прочности σВ2 = 215 МПа ;

предел текучести σТ2 = 140 МПа [1 с.9] .

.2 Определяем допускаемое контактное напряжение

[σ]Н2 =0,9* σВ2*KHL ≤4* σТ2;

KHL =/ NHE2 ;= 60·T· n2 = 60*10000*24=1.44*107=/ NHE =0.95,

[σ]Н2 = 184 Мпа ≤ 560 МПа .

3.3 Определяем допускаемое изгибное напряжение

[σ]F2 = (0.25·σТ2 +0.08·σВ2)·KFL ;

где KFL - коэффициент долговечности изгибных напряжений ,

KFL = / NFE ;

 = / 1.44·107 = 0,74 ,

= 60·T· n2 ;

= 60·10000·24 = 1,44·107,

[σ]F2 = (0.25·140 +0.08·215)·0.74 = 39 МПа ;

3.4 Задают число заходов червяка

Принимаем Z1 = 1 [1 с.96] , тогда число зубьев червячного колеса будет;

2 = Z1· Uпр.’ ;

Z2 = 1· 40 = 40 .

.5 Принимают значение коэффициента диаметра червяка ;

 = 0.25·Z2 ;

 = 0.25·40 = 10 .

принимаем согласно ГОСТ 19672 - 74 [1 с.96] q = 10 .

.6 Вычисляем межосевое расстояние

a = (Z2 /q + 1) · 3√[5400/(Z2 /q·[σ]Н2 ]2· KHβ ·KHV· М2 ;

где KHβ = 1 - коэффициент неравномерности распределения нагрузки;

KHV = 1.3 - коэффициент динамической нагрузки;

a=(40 /10 + 1) · 3√[5400/(40/10·184]2·1·1.3·6962.2 = 394 мм,

.7 Определяем осевой модуль зацепления

m = 2·a/(Z2 +q);

 = 2·394/(40+10) = 15.76 мм.

Принимаем по ГОСТ 2144 - 76 стандартное значение m=16 [1 с.97].

Уточняем межосевое расстояние ;

 = 0.5·m·(Z2 +q);

 = 0.5·16·(40 +10) = 400 мм.

принимаем стандартное значение a = 400 мм.

Коэффициент смещения;

 = (a/m)-0.5·( Z2 +q);

 = (400/16)-0.5·(40+10) = 0,

 x = 0  1.

.8 Определяем длину нарезанной части червяка

Длина нарезной части червяка b1 по ГОСТ 19650 - 74 при x = 0 и Z2 = 40 , [1 с.97];

1 = (11+0.06·Z2)·m;

b1 = (11+0.06·40)·16+40 = 254 мм.

Для модуля m>10-16 длину нарезанной части червяка увеличивают на 35-40 мм.

.9 Определяем параметры червячной передачи по ГОСТ 19650 - 74

Делительный диаметр червяка;

1 = q·m;

1 = 10·16 = 160 мм;

Делительный диаметр червячного колеса;

2 = Z2·m;

2 = 40·16 = 640 мм;

Начальный диаметр червяка;

1 = (q+2·x)·m;

1= (10+2·0)·16 = 160 мм;

Делительный угол подъема линии витка;

 = Z1/q;

 = 1/10 = 0.1   = 140’;

Диаметр вершин витков червяка;

1 = d1+2·m;

da1 = 160+2·16 = 192 мм;

Диаметр впадин червяка;

1 = d1-2.4·m;

1 = 160-2.4·16 = 122 мм;

Диаметр вершин зубьев червячного колеса;

2 = (Z2+2+2·x)·m;

2 = (40+2+2·0)·16 = 672 мм;

Диаметр впадин червячного колеса;

2 = (Z2+2.4+2·x)·m;

2 = (40+2.4+2·0)·16 = 602 мм;

Наибольший диаметр червячного колеса;

 da2+6·m/(Z1+2);

 672+6·16/(1+2) = 702 мм;

Ширина венца колеса;

2 = 0.75·da1;

2 = 0.75· 192 = 144 мм;

.10 Вычисляют окружную скорость скольжения в передаче

Vs = (π·d1·n1/6·104)·cos;= (3.14·160·977/6·104)·cos 140 = 7,9 м/c;

3.11 Определяют КПД передачи

η = (0.95-0.96)·tg/tg(+);

η = (0.95-0.96)·tg140/tg(140+1013’) = 0.807 ,

где  = 1013’ - приведенный угол трения [1 с.98].

1 = M2/U* η = 6962.2/40*0.807 = 200.1 H*м

.12 Определяем силы, действующие в зацеплении

В зацеплении червячной передачи возникают три силы;

окружная -          P2 = Fa1 = 2·M2/d2;

P2 = Fa1 = 2·6962·103/640 = 21756 Н;

радиальная - Fr2 = Fr1 = P2·tg;

Fr2 = Fr1 = 21756·tg200 = 7920 H;

осевая - Fa2 = P1 = 2·M1/d1;

Fa2 = P1 = 2·200,1·103/160 = 2501 Н;

.13 Проверяем расчетное контактное напряжение

σH2 = 5400·(Z2 /q)·3√((Z2 /q+1)/a)3· KH·KHV· М2 ;

σH2=5400·(40/10)·3√((40/10+1)/400)3·1·1.3·6962=180 МПа ;

Расчетное контактное напряжение должно быть в пределах;

.85·[σ]H2  σH2  1.05·[σ]H2 ;

,4  180  193,2

Недогрузка 2,2 % < 15 %

.14 Проверяют зубья червячного колеса на изгибную выносливость

Эквивалентное число зубьев;

= Z2·cos3;= 40·(cos 140)3 = 37 ;

При этом значение коэффициента формы зуба YF = 1.61 [1 с.100].

Расчетное изгибное напряжение;

σF = 1500·YF2· KFβ ·KFV·М2·cos/(d1·d2·m);

σF = 1500·1.61·1.3·1·6962·cos 140/(160·640·16) = 13 МПа;

условие σF < [σ]F = 52 МПа выполняется.

4. Расчет открытой передачи

.1 Выбор материалов зубчатой пары

Принимаем сталь 45; термообработка улучшение:

шестерня: HB 285

колесо: HB 270.

а) Допускаемое контактное напряжение

[σ]H = [σ]HO*KHL/SH = 610*1/1.1 = 555 МПа

[σ]HO- предел контактной выносливости

[σ]HO= 2*HB+70 = 2*270+70 = 610 МПа

=1 - коэффициент долговечности

SH=1.1 - коэффициент безопасности

б) Допускаемые изгибные напряжения

[σ]F = [σ]FO*KFL *KFC*Ys/Sf

[σ]FO1= 1.8HB = 1.8*285 = 513 Мпа

[σ]FO2=1.8HB = 1.8*270 = 486 Мпа

=1 - коэффициент долговечности

KFC=1 - коэффициент влияния двухстороннего приложения нагрузки

YS=1.035 - коэффициент градиента напряжений

SF - коэффициент безопасности

 = SF’* SF” = 1.75*1 = 1.75

’ - коэффициент нестабильности

SF” - коэффициент для штамповок

[σ]F1 = 513*1*1*1.035/1.75 = 212 МПа

[σ]F2 = 486*1*1*1.035/1.75 = 201 МПа

.2 Принимаем число зубьев шестерни

1=20, тогда число зубьев колеса Z2= Z1* U3=20*6.11=122

.3 Коэффициент формы зуба

При Z1=20 - YF1=4.09

При Z2=122 - YF2=3.6

Отношение [σ]F/YF:

Шестерня [σ]F1/YF1 = 212/4,09 = 51,8 Мпа

Колесо [σ]F2/YF2 = 201/3,6 = 55,8 Мпа

т.к. [σ]F1/YF1 < [σ]F2/YF2, то расчет ведём по зубьям шестерни

.4 Модуль передачи

 = 1.4 - для прямозубых передач

ψbd=0.4 - коэффициент ширины колеса

KFβ=1.05 - коэффициент неравномерности распределения нагрузки

m = 13.4 мм

Учитывая повышенный износ открытых передач принимаем m=16 мм

4.5 Геометрические параметры передачи

Делительные диаметры

1 = m*Z1 = 20*16 = 320 мм; d2 = m*Z2 = 16*122 = 1952 мм

межосевое расстояние

 = (d1+d2)/2 = (1952+320)/2 = 1136 мм

диаметры выступов


диаметры впадин

1=d1-2.5m = 320-2.5*16 = 280 мм; df2=d2-2.5m = 1952-2.5*16 = 1912 мм

ширина колеса b2= ψbdd1 = 0.4*320 = 128 мм

ширина шестерни

1 = b2+5 = 128+5 = 133 мм

.6 Окружная скорость

 = πdn/6*104 = 3.14*320*24/6*104 = 0.4 м/с

4.7 Силы действующие в зацеплении

окружная P2 = 2*M2/d1 = 2*6962*103/320 = 43514 Н

радиальная Fr2 = P2*tgα = 43514*tg20˚ = 15839 H

.8 Расчетные изгибные напряжения

σF = YFYβ2000MKFαKFβKFV/bdm = 4.09*1*2000*6962*0.91*1.05*1/133*16*320 = 110 МПа < [σ]F1

KFα=0.91 - при 8 степени точности

KFβ=1,05

KFV=1 - для открытой передачи

Yβ=1 - для прямозубых колёс

. Проектировочный расчет валов.

.1. Быстроходный вал - червяк

d = 16.4·4√ Nэлр/n1·[0];

где [0] = 0.50 - допускаемый угол закручивания на 1м длины вала [1 c.104],

d = 16.4·4√ 22.46·103/977·0.5 = 42.7 мм;

Чтобы ведущий вал редуктора можно было соединить с помощью стандартной муфты с валом электродвигателя dдв = 60 мм [2 c.391],

принимаем диаметр выходного конца dв1 = 60 мм,

диаметр вала под уплотнением dу1 = 63 мм,

диаметр вала под подшипником dп1 = 70 мм.

5.2 Тихоходный вал

d = 16.4·4√ 17.95·103/24.4·0.5 = 102 мм;

принимаем диаметр выходного конца dв3 = 105 мм,

диаметр под уплотнитель dу3 = 110 мм,

диаметр под подшипник dп3 = 120 мм,

диаметр под колесом dк3 = 130 мм.

.3 Конструктивные размеры колеса

Диаметр ступицы;

dст  1.6·dк3;

ст  1.6·130 = 208 мм;

длина ступицы;

ст  (1.2  1.8)·dк3;

ст  (1.2  1.8)·130 = 156  234 мм;

примем lст = 200 мм;

толщина обода;

1 = 2·m;

1 = 2·16 = 32 мм;

толщина диска;

 = 0.25 · b2;

C = 0.25 · 144 = 36 мм;

диаметр винта;

 = (1.2  1.4)·m;

 = (1.2  1.4)·16 = 19  22 мм;

примем винт М20

длина винта;

 = 0.4 · b2;

 = 0.4 · 144 = 58 мм;

.5 Предварительный выбор подшипников

Предварительно назначаем радиально - упорные шарико-подшипники тяжелой серии № 6414 - для быстроходного вала и средней серии № 6324 - для тихоходного вала по ГОСТ 8313 - 75.

d мм

D мм

B мм

C кН

C0 мм

6414

70

180

42

208

162

6324

120

240

56

287





6. Быстроходный вал - червяк

6.1 Схема нагружения быстроходного вала


Горизонтальная плоскость;

mA = P · 270 - Bx · 540 = 0;

 = Bx = 2501 · 270 / 540 = 1251 H;

Вертикальная плоскость;

mA = Fr1 · 270 - By · 540 - Fa1 · d1 / 2 = 0;

= (7920 · 270 - 21756 · 160/ 2) / 540 = 737 H;

 = Fr1 - By = 7920 - 737 = 7173 H;

Суммарные реакции опор;

= √ Ax2 + Ay2 = √ 12512 + 71732 = 7281 H;= √ Bx2 + By2 = √ 12512 + 7372 = 1452 H;

6.2 Эквивалентная нагрузка

Осевые составляющие реакций опор;

= e · A = 0.8 · 7281 = 5824 H;= e · B = 0.8 · 1452 = 1162 H;

Результирующие осевые нагрузки;

 = SA = 5824 H;

FaB = SA + Fa = 5824 + 21756 = 27580 H;

Проверяем подшипник А.

Отношение Fa / Fr = 5824 / 7281 = 0.79 < e; следовательно X = 1, Y = 0 [1 c.117].

= (X · V · A + Y · Fa) · Kб · Kт = 7281 · 1.1 = 8009 H;

 = 1 - коэффициент радиальной нагрузки;

V =1 - вращается внутреннее кольцо подшипника [1 с.117];

K, = 1.1 - коэффициент безопасности [1 с.119];

Kт = 1 - работа при t < 1000 [1 с.119];

Проверяем подшипник B.

Отношение Fa / Fr = 27580 / 1452 = 19 > e; следовательно X = 0.39, Y = 0.76 [1 c.117].

=(X·V·B+Y·Fa)·Kб·Kт=(0.39·1452+0.76·27580)·1.1==21527 H;

6.3 Расчетная долговечность подшипника

 часов

Ресурс работы редуктора 12000 часов.

7.Тихоходный вал


.1 Схема нагружения тихоходного вала

Горизонтальная плоскость;

∑mС = P2 · 100 - P1 · 130 - Dx · 260 = 0;

Dx = (43514 · 100 -21756 · 130)/260 = 5858 Н;

Cх=P2+P1+Dx = 43514 + 21756 + 5858 = 71128 Н;

Вертикальная плоскость;

∑mС = Fr2 · 100 + Fr1 · 130 + Fa1·d2/2 - Dy · 260 = 0;у = (15839 · 100 + 7920 · 130+2501·640/2)/260 = 13130 H;= Fr2 + Dy - Fr1 = 15839+13130 - 7920 = 21049 H;

С =  = 74177 H;

D =  = 14378H;

7.2 Эквивалентная нагрузка

Осевые составляющие реакций опор;

 = е·С = 0.68·74177 = 50440 Н;

 = 0.68 · 14378 = 9777 Н;

Результирующие осевые нагрузки;

С = SС = 50440 Н;

FaD = SС + Fa = 50440 + 2501 = 52941 H;

Проверяем подшипник C.

Отношение; Fa/Fr = 50440/74177 = 0.68 < е; следовательно Х = 1 Y = 0 [1 c.117];

Р = 74177 · 1.1 = 81594 Н;

Проверяем подшипник D.

Отношение; Fa/Fr = 52941/14378 = 3.68 > е; следовательно Х = 0.41 Y = 0.87 [1 c.117];

Р = (0.41 · 14378 +0.87 · 52941) · 1.3 = 51954 Н;

.3 Расчетная долговечность подшипника

Lh = = 37717 часов;

8.Уточненный расчет червячного вала.

.1 Расчетная стрела прогиба червяка

Jпр =

где Е = 2,1·105 МПа - модуль упругости для стали;

= 540 мм - расстояние между опорами;

Jnp - приведенный момент инерции.

пр = ;

пр =  = 14.8·106 мм4 ;

f =  = 0.007 мм;

.2 Допускаемая стрела прогиба

[f] = (0.005 + 0.01) · m = (0.005+0.01) · 16 = 0.08  0.1 мм; Условие f < [f] выполнено.

.3 Коэффициент запаса прочности

Материал вала сталь 45;

термическая обработка - улучшенная σВ = 690 МПа. Пределы выносливости;

при изгибе σ-1 ≈ 0.43 · σВ = 0.43·690 = 296 МПа;

при кручении τ-1 ≈ 0.58 · σ-1 = 0.58·296 = 172 МПa.

Осевой момент сопротивления;

 = π · d3/32 = 3.14 · 703/32 = 33.7·103 мм3;

 
Полярный момент сопротивления;

 = 2 · W = 2 · 33.7·103 = 67.4·103 мм3;

Амплитуда и среднее напряжение цикла касательных напряжений;

τv = τm = M1/2·Wp = 200.1·103/2 · 67.4·103 = 3 МПа;

Коэффициенты;

= 5.5;

 = 0.6 ·  + 0.4 = 0.6 · 5.5 + 0.4 = 3.7;

ψτ = 0.1; [2c166]

Коэффициент запаса прочности по касательным напряжениям;

sτ = = = 15.1;

Высокое значение коэффициента запаса прочности объяснятся тем, что диаметр вала по конструктивным соображениям (равенство диаметра выходного конца диаметру вала электродвигателя) был значительно увеличен. Уменьшение диаметра вала приведет к тому, что долговечность подшипников будет меньше ресурса работы привода.

9.Уточнённый расчёт тихоходного вала

.1 Рассмотрим сечение под опорой С

Концентрация напряжений обусловлена подшипником, посаженным с гарантированным натягом.

.2 Осевой момент сопротивления

W = π·d3/32 = 3.14·1203/32 = 169,6·103 мм3.

.3 Полярный момент сопротивления

Wp = 2·W =2·169,6·103 = 339,2·103 мм3.

.4 Суммарный изгибающий момент

Ми =  = = 4631 Н·м.

.5 Амплитуда нормальных напряжений

 = Ми/ W= 4631·103/169,6·103 = 27,3 МПа.

.6 Амплитуда и среднее напряжение цикла касательных напряжений

τv = τm = M2/2 ·Wр= 6962·103/2·339,2·103 = 10,3 МПа

9.7 Коэффициенты [2 c.166]

= 3,6;

 = 0,6·+ 0,4 = 0,6·3+0,4 = 2,5;

ψτ = 0.1.

.8 Коэффициент запаса прочности по нормальным напряжениям

sб = == 3.3.

.9 Коэффициент запаса прочности по касательным напряжениям

sτ = = = 6,9.

.10 Общий коэффициент запаса прочности

s = = = 3.0 > [s] = 2.5;

Во всех случаях условие s > [s] =2.5 выполняется.

10. Выбор и проверка шпоночных соединений

.1 Выбор шпонки

привод вал зубчатый пара

Для соединения валов с деталями выбираем призматические шпонки по ГОСТ 23360-78 [2 c.169].

Напряжение смятия шпонки;

σcм = < [σ]см = 100 МПа [2 c.170],

где 1 - длина шпонки;

b - ширина шпонки;

t1- глубина паза вала.

.2 Быстроходный вал

Шпонка на выходном конце ведущего вала bhl = l81150 мм;

σcм = = 52,1 МПа;

.3 Тихоходный вал

Шпонка под колесом bhl = 3620190 мм;

σcм = = 86,9 МПа;

Шпонка на выходном конце bhl = 3218150 мм;

σcм = = 153,2 МПа;

Условие σcм < [σ]см не выполняется. Устанавливаем две шпонки под углом 180˚ каждая из которых будет передавать половину момента, тогда

σcм = = 76,6 МПа;

Условие σcм < [σ]см выполняется во всех случаях.

11.Смазка редуктора

Смазка червячного зацепления осуществляется окунанием колеса в масляную ванну. Объем масляной ванны.

 = (0.5 ÷ 0.8)·N = (0.5 ÷ 0.8) ·22,5 ≈ 15 л.

Рекомендуемое значение вязкости масла:

при Vс = 4.7 м/с - υ = 15·10-6 м2/с,

по этой величине выбираем масло индустриальное И-20А [2 c.253].

Смазка подшипниковых узлов осуществляется благодаря разбрызгиванию масла червячным колесом.

12. Конструктивные элементы корпуса

.1 Толщина стенки корпуса и крышки редуктора

δ = 0.04·а+2 = 0.04·400+2 = 18 мм принимаем δ = 18 мм.


b = 1.5·δ = 1.5·18 = 28 мм.

.3 Толщина нижнего пояса

р = 2.35·δ = 2.35·18 = 42 мм.

.4 Толщина ребер

m = b = 18 мм.

.5 Диаметр болтов

фудаментых d1= 0. 036·aw+12 = 0,036·400+12 = 26 мм, примем болты М24;

болты у подшипников d2 = 0.75·d1 = 0.75·24 = 18 мм, примем болты М18;

болты, соединяющие крышку с корпусом d3 = 0.6·d1 = 0.6·24 = 14 мм, примем болты М14

12.6 Наименьший зазор между колесом и стенкой корпуса

по диаметру А ≈ 1,2·δ =1,2·18 = 20 мм;

по торцам A1 ≈ δ = 18 мм.

13.Подбор и проверка муфт

Для передачи вращающего момента с вала электродвигателя на ведущий вал редуктора используем упругую втулочно-пальцевую муфту по ГОСТ 21424-75, для которой допускаемый передаваемый момент:

[M] = 500 Н·м,

Расчетный момент:

р1= k·M1 = 1,5·200,1 = 300.2 Н·м < [M]

где к = 1,5 - коэффициент эксплуатации.

14. Конструирование сварной рамы

Для обеспечения точности положения одной сборочной единицы относительно другой механизмы привода (редуктор, электродвигатель) устанавливаются на сварной раме, выполненной из швеллеров №12, расположенных для удобства постановки болтов полками наружу. На внутреннюю поверхность полки навариваются косые накладки, которые выравнивают опорную поверхность под головки болтов.

Опорные поверхности - платики, на которые устанавливаются редуктор и электродвигатель, создаются привариванием узких полосок стали высотой 5 мм. Все опорные поверхности, на которые устанавливаются механизмы привода, обрабатываются после сварки.

15. Литература

1.    Киселёв Б.Р. Проектирование приводов машин химического производства. - Иваново. : ИГХТУ, 1987.

2.       Чернавский С.А. Курсовое проектирование деталей машин. -М. : Машиностроение, 1987.

.        Анурьев В.И. Справочник конструктора - машиностроения. Т3. -М. : “Машиностроение”, 1978.

Похожие работы на - Проектирование привода к пресс-валкам

 

Не нашли материал для своей работы?
Поможем написать уникальную работу
Без плагиата!
Без нейросетей!