Разработка кинематики станка
1 Расчет-обоснование технической характеристики станка
ЗАДАНО:
наибольший наружный диаметр заготовки, устанавливаемой в патроне DНАИБ,
мм 330
наибольший диаметр обрабатываемого прутка dнаиб, мм 28
обрабатываемый материал сталь
углеродистая
…800МПа
материал режущего инструмента Т15К6,
Р6М5
характер производства серийное
1.1 Максимальный расчетный диаметр изделия
для случая, когда в исходных данных задана обработка заготовки в патроне
= 0,53 DНАИБ
= 0,53 ∙ 330 = 174,9 ммдля случая, когда в исходных данных задана
обработка только заготовки из прутка
= dнаиб
= 28 мм
1.2 Наименьший диаметр обрабатываемого изделия
= 0,5dнаиб
= 0,5 ∙ 28 = 14 мм
1.3 Максимальная глубина резания
1.4 Минимальная глубина резания
1.5 Максимальная подача при продольном точении
1.6 Минимальная подача для станков среднего размера:
= 0,1 мм/об
1.7 Минимальная подача при сверлении стали
<800 МПа сверлом Ø14 мм
из быстрорежущей стали:
св
= 0,33 мм/об
1.8 Максимальная подача при развертывании стали инструментом
Ø14 мм из быстрорежущей стали:
р
= 0,9 мм/об
Принимаю
Smax = 1,2 мм/об; принимаю Smin = 0,1 мм/об.
1.9 Максимальная скорость резания при продольном
точении
,
где
Cv, xv, yv, m - поправочные коэффициенты;
КV
- коэффициент, учитывающий механические свойства обрабатываемого материала:
КV
= КMV ∙ КИV;
;
КV
= 1,87 ∙ 1,54 = 2,89;
1.10 Минимальная скорость резания при продольном
точении
,
;
КV
= 1,0 ∙ 0,89 = 0,89;
1.11 Минимальная скорость резания при сверлении
,
где
диаметр сверла - Do = 0,5 ∙ dнаиб = 0,5 ∙ 28 = 14 мм;
подача
при сверлении - Smaxсв = 0,33 мм/об;
стойкость
инструмента - Т = 45 мин;, Zv , yv, m - коэффициенты и показатели степени;
КV
- поправочный коэффициент:
КV
= КMV ∙ КИV
КV
= 1,0 ∙ 1,0
1.12 Минимальная скорость при развертывании
= Vp kp ;
=
11,4 ∙0,88 = 10 м/мин ;
1.13 Максимальная частота вращения шпинделя
1.14 Минимальная частота вращения шпинделя
1.15 Максимальная сила резания при точении
1.16 Максимальная эффективная мощность резания при
точении

1.17 Мощность при сверлении
Крутящий
момент при сверлении
Частота
вращения шпинделя
Скорость
резания, при которой обеспечивается максимальная мощность в процессе сверления
1.18 Суммарная эффективная мощность при
одновременном точении и сверлении
сум
= NT + Nсв = 0,93 + 10,6 = 11,53 кВт
1.19 Установленная мощность электродвигателя
1.20 Тяговая сила, необходимая для осуществления
продольной подачи револьверного суппорта
= k1 (Px max + Po max) + fc(Pz max + Gпер )
=
1,15 ∙ (4635 + 16,2) + 0,15 (9270 + 3679) = 7291 Н
Осевая
составляющая сил резания
max
= 0,5 Pz max = 0,5 ∙ 9270 = 4635 Н
Вес
перемещающихся частей
пер
= 0,15 Gст = 0,15 ∙ 24525 = 3679 Н
Вес
станка
ст
= 9,81 Мст = 9,81 ∙ 2500 = 24525 Н
Максимальная
осевая сила при сверлении
2. РАЗРАБОТКА
КИНЕМАТИКИ СТУПЕНЧАТО РЕГУЛИРУЕМОГО ПРИВОДА
Как показали расчеты в п.2.1 минимальная частота вращения шпинделя станка
nmin = 34,5 об/мин, а максимальная частота
вращения шпинделя
nmax =
4000 об/мин.
Для
токарно-револьверного станка среднего размера при обработке заготовок,
диаметром от 28 до 330 мм предварительно принимаю значение знаменателя ряда
изменения частот вращения шпинделя j=1,58
2.1 Определение числа ступеней в приводе
Определяю величину диапазона регулирования
Учитывая
свойства геометрического ряда, и считая предварительно, что последний член ряда
должен быть приблизительно равен nz =nmax, а первый член ряда - n1= nmin
, можно записать
(1)
токарный револьверный станок резание
И
так, для получения заданного диапазона необходимо применения в коробке частот
вращения использовать 3 ступени переключения.
Переключаемые
передачи между двумя соседними валами, например, три передачи между I и II
валами, образуют так называемую групповую передачу (или, сокращенно, - группу).
В
первой группе
х
= 2
Во
второй
х
= р1 = 3.
В
третьей групповой передаче
х
= р1 р2 = 3 ∙ 3 = 9
2.2 Формула структуры привода
= р2 р1 р3 = 2 ∙ 3 ∙ 3 = 18 (2)
2.3 Диапазон регулирования групповой передачи
Общее передаточное отношение привода от двигателя до последнего вала
должно обеспечить как максимальную так и минимальную расчетную частоту
вращения, то есть
и
,
от
сюда частота вращения электродвигателя составит:
принимаю
nдв = 3000 об/мин,
тогда
iкп = 2000/3000 ∙ 0,975 = 0,65
Диапазон
регулирования групповой передачи:
;
;
(3)
Следовательно,
можно записать:
= 4 ∙
8 ∙ 4 = 128 (4)
В нашем
случае диапазон регулирования получился больше, чем необходимый, то есть будет
присутствовать перекрытие частот вращений шпинделя.
Для проектируемой коробки скоростей вращения структурная сетка
представлена на рисунке 1:
Рисунок 1 - Структурная сетка частот вращения
Анализируя структурную сетку и проводя ориентировочные расчеты принимаю:
i11 = i31 = 1;
i22 = i32 = 0,8;
i12 = i23 = i33 = 0,25;
Кинематическая схема проектируемой коробки частот вращения шпинделя
представлена на рисунке 2.
Таблица 1 - Параметры
|
Групповая передача р1=2
|
|
i12=1
|
i12=0,25
|
|
|
z11
|
z21
|
z22
|
|
|
|
40
|
40
|
20
|
80
|
|
|
|
|
Групповая передача р2=3
|
|
i21=2
|
i22=0,8
|
i23=0,25
|
|
z11
|
z21
|
z12
|
z22
|
z13
|
z23
|
|
40
|
20
|
40
|
50
|
20
|
80
|
|
|
Групповая передача р3=3
|
|
i31=1
|
i32=0,8
|
i33=0,25
|
|
z11
|
z21
|
z12
|
z22
|
z13
|
z23
|
|
40
|
40
|
40
|
50
|
20
|
80
|
|
Рисунок
2 - Кинематическая схема проектируемой коробки частот вращения шпинделя станка
Составляю уравнения кинематического баланса для определения фактических
частот вращения шпинделя:
Получилась
структура привода с частичным перекрытием. Фактически в диапазоне 13 различных
частот вращения шпинделя: 4000; 3200; 1600; 1280; 1000; 800; 500; 400; 320;
250; 125; 100; 31,25.
2.4 Кинематическая структура привода со сложенной
структурой
Диапазон
регулирования передачи:
=
(1+1) ∙ 3 ∙ 2 = 12
Для
проектируемой коробки скоростей вращения структурная сетка представлена на
рисунке 3:
Рисунок 3 - Структурная сетка частот вращения
Анализируя структурную сетку и проводя ориентировочные расчеты принимаю:
i11 = i51 = 1; i42 = i52 =
0,8; i12 = i43 = 0,25; i2 =
0,48; i41 = 2; i52 = 0,33.
Кинематическая схема проектируемой коробки частот вращения шпинделя
представлена на рисунке 4.
Таблица 2 - Параметры
|
Групповая передача р1=1+1
|
|
i11=1
|
i3=0,8
|
|
|
z11
|
z21
|
z12
|
z22
|
|
|
|
40
|
40
|
40
|
50
|
|
|
|
|
Одиночная передача
|
|
i12=0,5
|
|
|
|
z11
|
z21
|
|
|
|
|
|
20
|
40
|
|
|
|
|
|
|
Одиночная передача
|
|
|
|
z11
|
z21
|
|
|
|
|
|
20
|
42
|
|
|
|
|
|
|
Групповая передача р2=3
|
|
i41=2
|
i52=0,8
|
i53=0,25
|
|
z11
|
z21
|
z12
|
z22
|
z13
|
z23
|
|
40
|
20
|
40
|
50
|
20
|
80
|
|
|
Групповая передача р3=2
|
|
i51=1
|
i52=0,33
|
|
|
z11
|
z21
|
z12
|
z22
|
|
|
|
40
|
40
|
20
|
61
|
|
|
|
Рисунок
4 - Кинематическая схема проектируемой коробки частот вращения шпинделя станка
Составляю уравнения кинематического баланса для определения фактических
частот вращения шпинделя:
2.5 Разработка структуры привода от многоскоростного
электродвигателя
Регулируемый двигатель с точки зрения кинематики привода можно
рассматривать как некую групповую передачу. Поэтому число ступеней рэ
электродвигателя можно включать в формулу структуры привода, как некую
“электрогруппу”.
Характеристика передачи, выраженная через диапазон ее регулирования будет
.
Для
“электрогруппы” характеристика будет
В
нашем случае применяется электродвигатель с двумя возможными частотами вращения
2850 и 1425 об/мин, и нужно разработать привод со знаменателем ряда f=1,58.
Очевидно, что рэ=2, а
Характеристика
электрогруппы будет
.
Выбираю
структуру:
,
где
электрогруппа - это рэ=22. В основной группе следует назначить две передачи.
Структурная сетка для такого привода показана на рис. 4.
Рисунок
4 - Структура привода от двухскоростного электродвигателя
Рисунок
5 - Кинематическая схема привода шпинделя станка от двухскоростного
электродвигателя
2.6
РАЗРАБОТКА КИНЕМАТИКИ БЕССТУПЕНЧАТОГО ПРИВОДА
Диапазон регулирования электродвигателя (бесступенчатой части привода)
будет
.
А
диапазон регулирования привода в целом
Если
принять коэффициент запаса а=0,98, то число ступеней ступенчатой части привода
(коробки) получится:
.
Очевидно,
следует принять
и Zк=4.
Если
принять структурную формулу привода
,
то
во второй групповой передаче диапазон регулирования будет равен
,
что
значительно больше восьми.
Следовательно,
приходится принять сложенную структуру привода
.
Рисунок
7 - Кинематическая схема коробки скоростей с приводом от регулируемого
бесступенчатого двигателя
Рисунок
7 - Структурная схема
и
(5)
Устанавливаю
для коробки подач отбор мощности от шпинделя. Кинематическая схема изображена
на рисунке 3.
Определяю
среднее давление на рабочей поверхности резьбы:
, (6)
где
Qmax - наибольшее тяговое усилие в передаче, Н;
p - шаг (ход)
ходового винта, мм;
l - длина гайки,
мм;
d - средний
диаметр витка резьбы, мм;
t - рабочая
высота профиля резьбы, мм;
z - число
заходов.
£[q]=5
МПа - для токарных станков.
В
качестве тягового устройства в приводе револьверного суппорта и продольной
подачи принята передача зубчатое колесо-рейка.
Проверяю
передачу по допускаемым напряжениям изгиба и контактным напряжениям.
напряжения
изгиба
, МПа;
(7)
контактные
напряжения
, МПа;
где
b - угол наклона зуба. В передаче колесо-рейка,
применяемой в приводе подачи, практически всегда используется прямозубые колесо
и рейка;
М
- крутящий момент на зубчатом колесе, Нм. Момент определяется с учетом
максимального тягового усилия и принятых перед расчетом размеров передачи:
-
модуль передачи, мм, принятый по станку-аналогу или из других соображений;
b - ширина
венца, мм. Можно принимать b=(8…12)m;
z - число зубьев
реечного колеса.
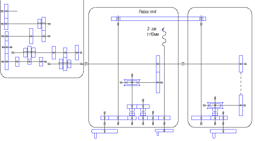
Рисунок
5 - Кинематическая схема коробки подач станка
y -
коэффициент формы зуба. у=0,1;
kv -
скоростной коэффициент. kv=1.
£380 МПа (для
стали 40Х)
£1350 МПа
Для
привода подачи, который заимствует движение от шпинделя станка и в котором,
следовательно, подача имеет размерность мм/об шпинделя уравнение выглядит так:
(8)
где
- наименьшее передаточное отношение от шпинделя до
тягового вала;
Smin -
минимальная подача.
Отсюда
наименьшее общее передаточное отношение привода продольной подачи
.
Здесь
шаг тягового вала для продольной подачи:
.
Отсюда
наименьшее общее передаточное отношение привода продольной подачи
Здесь
шаг тягового вала для поперечной подачи:
.
Разница
подач продольной и поперечной:
,
То
есть величины поперечной и продольной подач одинаковы.
Строю
структурную сетку подач станка.
Рисунок
6 - Структурная сетка подач станка
Анализируя
структурную сетку видно, что присутствует перекрытие. Фактически диапазон
регулирования состоит из 13 величин подач вместо 18.
Общее
уравнение кинематического баланса привода продольной подачи суппорта и
револьверной головки:
Общее
уравнение кинематического баланса привода поперечной подачи суппорта:
Определяю
величины всех возможных вариантов подач:
ЛИТЕРАТУРА
1.Проектирование
металлорежущих станков и станочных систем. Справочник-учебник в 3-х томах, т.1.
/Под общей ред. А.С. Проникова - М.: Изд-во МГТУ им. Н.Э.Баумана; Изд-во МГТУ
«СТАНКИН», 2000.
. Кучер И. М.
Металлорежущие станки .-Л.: Машиностроение, 1969.
.
Металлорежущие станки. /Под ред. Н. С. Ачеркана, в 2-х т. Т.1 . -М.:
Машиностроение, 1965.
.
Металлорежущие станки. /Под ред. Н. С. Ачеркана, в 2-х т. Т.2 .-М.:
Машиностроение, 1965.
. Пуш В. Э.
Конструирование металлорежущих станков. -М.: Машиностроение, 1977.
. Проников А.
С. Расчет и конструирование металлорежущих станков. -М.: Высшая школа, 1967.
. Рабинович
А. Н. и др. Коробки скоростей металлорежущих станков. -Львов: изд-во Львовского
университета, 1968.