Приводная станция к льномолотике
МИНИСТЕРСТВО
СЕЛЬСКОГО ХОЗЯЙСТВА И ПРОДОВОЛЬСТВИЯ РЕСПУБЛИКИ БЕЛАРУСЬ
БЕЛОРУССКИЙ
ГОСУДАРСТВЕННЫЙ АГРАРНЫЙ ТЕХНИЧЕСКИЙ УНИВЕРСИТЕТ
Кафедра ”Сопротивления материалов
и деталей машин”
РАСЧЕТНО-ПОЯСНИТЕЛЬНАЯ
ЗАПИСКА
к курсовому
проекту по деталям машин
На тему:
”ПРИВОДНАЯ СТАНЦИЯ К ЛЬНОМОЛОТИКЕ”
Выполнил: студент 3курса
змпт группы
Скопец А.П.
Руководитель:
МИНСК 2011
РЕФЕРАТ
Пояснительная записка к курсовому проекту по предмету "Детали
машин" студента 3-го курса 52змпт группы агромеханического факультета
Скопец А.П. Пояснительная записка состоит из 54 листа, в том числе: 3 чертежа
формата А1, одного чертежа формата А2 и трех чертежей формата А3.
Перечень ключевых слов: сборная единица, приводная станция, редуктор,
надёжность, долговечность, передача, вал, двигатель, подшипник, соединение,
посадка, шероховатость, точность.
Представлены:
описание технического задания на проектирование;
энергетический расчет технологического процесса;
кинематический и энергетический расчет приводной станции;
расчет механических передач, валов, элементов корпуса.
-выбор подшипников качения, смазки.
СОДЕРЖАНИЕ
ВВЕДЕНИЕ
1. КИНЕМАТИЧЕСКИЙ И ЭНЕРГЕТИЧЕСКИЙ
РАСЧЕТЫ ПРИВОДНОЙ СТАНЦИИ
. РАСЧЕТ ЦЕПНОЙ ПЕРЕДАЧИ
. РАСЧЕТ РЕДУКТОРНЫХ ПЕРЕДАЧ
.1 ТИХОХОДНАЯ СТУПЕНЬ
3.2 БЫСТРОХОДНАЯ СТУПЕНЬ
4. РАСЧЕТ ЭЛЕМЕНТОВ КОРПУСА РЕДУКТОРА
С РАЗРАБОТКОЙ ЕГО ЭСКИЗНОЙ КОМПОНОВКИ
.1 ПЕРВИЧНЫЙ ЭТАП ЭСКИЗНОЙ КОМПАНОВКИ
РЕДУКТОРА
. РАСЧЕТ ВАЛОВ РЕДУКТОРА С ПОДБОРОМ
ПОДШИПНИКОВ
.1 РАСЧЕТ ВХОДНОГО ВАЛА
.2 РАСЧЕТ ПРОМЕЖУТОЧНОГО ВАЛА
.3 РАСЧЕТ ВЫХОДНОГО ВАЛА
. РАСЧЕТ ШПОНОК
. ВЫБОР И РАСЧЕТ СОЕДИНИТЕЛЬНЫХ МУФТ
. ОСНОВНЫЕ РАЗМЕРЫ ЗУБЧАТЫХ КОЛЕС,
ВЕДУЩЕЙ ЗВЕЗДОЧКИ И ПОСАДОК ИХ НА ВАЛЫ
9. ПРОВЕРЕЧНЫЙ (УТОЧНЕННЫЙ) РАСЧЕТ ВЫХОДНОГО ВАЛА
10. СМАЗКА ЗАЦЕПЛЕНИЙ И ПОДШИПНИКОВ
. СБОРКА РЕДУКТОРА
ЛИТЕРАТУРА
ПРИЛОЖЕНИЕ
ВВЕДЕНИЕ
Редуктором называют механизм, состоящий из зубчатых или червячных (колес)
передач, выполненных в виде отдельного агрегата и служащий для передачи
вращения от вала двигателя к валу рабочей машины.
Назначение редуктора - понижение угловой скорости и соответственно
повышение вращающегося момента ведомого вала по сравнению с ведущим.
Редуктор состоит из корпуса (литого чугунного или сварного стального), в
котором помещены элементы передачи - зубчатые колеса, валы, подшипники и т.д. В
отдельных случаях в корпусе размещают также другие вспомогательные устройства.
Редукторы классифицируются по следующим основным признакам: типу передачи
(зубчатые, червячные или зубчато-червячные);
числу ступеней (одноступенчатые, двухступенчатые и т.д.);
типу зубчатых колес (цилиндрические, конические, коническо-цилиндрические
и т.д.);
относительному расположению валов редуктора в пространстве
(горизонтальные, вертикальные);
особенностям кинематической схемы (развернутая, соосная, с раздвоенной
ступенью и т.д.).
Двухступенчатые цилиндрические редукторы.
Наиболее распространены двухступенчатые горизонтальные редукторы,
выполненные по развернутой схеме. Эти редукторы отличаются простотой, но из-за
несимметричного расположения колес на валах повышается концентрация нагрузки по
длине зуба. Поэтому в этих редукторах следует применять жесткие валы.
проектирование приводной станция вал подшипник
1. КИНЕМАТИЧЕСКИЙ И ЭНЕРГЕТИЧЕСКИЙ РАСЧЕТЫ ПРИВОДНОЙ СТАНЦИИ
ПОЯСНЕНИЯ К РАСЧЕТНЫМ ДАННЫМ
КИНЕМАТИКИ.
Pт - мощность, затрачиваемая на технический процесс;
nт - частота вращения технологического вала;
ήi - значение КПД механических передач
с учетом потерь в подшипниках;
Ui - значение передаточных чисел
передач в рациональном диапазоне;
ПОЯСНЕНИЯ К РАСЧЕТАМ КИНЕМАТИКИ.
Подбор электродвигателя.
Мощность электродвигателя (формула
1.12 [1]):
Общий КПД привода:
;
;
где
-общий КПД привода;
-КПД
муфты,
=0,98 (таблица 1.1 [1]);
-КПД пары
подшипников,
=0,99 (таблица 1.1 [1]);
-КПД
зубчатой передачи,
=0,98 (таблица 1.1 [1]);
-КПД
цепной передачи,
=0,97 (таблица 1.1 [1]).
;
;
.
Ориентировочно определяем частоту
вращения вала электродвигателя:
где
-передаточное число привода,
;
-передаточное
число быстроходной цилиндрической ступени,
=3,5
(таблица 1.1 [1]);
-передаточное
число тихоходной цилиндрической ступени,
=4
(таблица 1.1 [1]);
-передаточное
число цепной передачи,
=2,5 (таблица 1.1 [1]);
;
Выбираем электродвигатель АИР112 М4
Его характеристики:
Рэ=5,5кВт;
nэ=1432 мин-1;
dэ=30мм.
Кинематический и энергетический расчеты.
Уточнение передаточного отношения приводной станции:
Для электродвигателя с частотой оборотов 1432мин-1
передаточное отношение привода будет равно:
;
Принимаем передаточное отношение
цепной передачи
Uцеп =
Uт =2,5;
Тогда передаточное отношение
редуктора:
;
Передаточное отношение быстроходной
передачи:
(таблица
1.3 [1]).
Определяем и рассчитываем частоту
вращения валов редуктора:
Частота вращения входного вала
редуктора:
мин-1;
Частота вращения промежуточного вала редуктора:
мин
;
Частота вращения выходного вала редуктора:
мин
;
Частота вращения на валу цепной передачи:
мин
.
Определяем мощность на валах привода:
Мощность на валу двигателя:
Рэд=5,41 кВт;
Рассчитываем мощность на входном валу редуктора:
Рассчитываем мощность на
промежуточном валу редуктора:
кВт;
Рассчитываем мощность на выходном валу редуктора:
кВт;
Рассчитываем мощность на валу для цепной передачи и мощность для муфты:
кВт;
кВт;
Крутящие моменты на валах привода:
Крутящие моменты на валу цепной
передачи и муфты:
Производим ориентировочный расчет валов редуктора:
Диаметр входного вала редуктора :

;
Диаметр промежуточного вала:

мм;
Диаметр выходного вала под муфтой:

мм;
где
-допускаемое касательное напряжение,
.
2. РАСЧЕТ
ЦЕПНОЙ ПЕРЕДАЧИ
ПОЯСНЕНИЯ К РАСЧЕТНЫМ ДАННЫМ ЦЕПНОЙ ПЕРЕДАЧИ
Р3=4,8кВт-мощность на ведущей звездочке,
n3=150,7мин-1-частота
вращения ведущей звездочки,
u=2,5
-передаточное число цепной передачи,
Ө=30о - угол наклона передачи к горизонту,
Т - режим работы,
Lh=4000час - срок службы передачи,
ПОЯСНЕНИЯ К РАСЧЕТАМ ЦЕПНОЙ ПЕРЕДАЧИ
Определяем ориентировочно шаг цепи
(формула 6.33 [1]):
,
где
-коэффициент эксплуатации,
;
-коэффициент,
учитывающий характер нагрузки,
=1,2
(с.179 [1]);
-коэффициент,
учитывающий межосевое расстояние,
=1 (с.179
[1]);
-коэффициент
способа смазки, смазка периодическая,
=1,5
(с.179 [1]);
-коэффициент
наклона линии центров к горизонту,
=1 (с.180
[1]);
-коэффициент
режима работы,
=1 (с.180 [1]);
-коэффициент
регулировки межосевого расстояния, при периодической регулировке,
=1 (с.180 [1]).
.
-число
зубьев ведущей звездочки,
(с.179 [1]);
[p] -
допускаемое давление в шарнирах цепи (таблица 6.19 [1]), получаем как среднее
от значение, полученных путем интерполирования при n1=150,7мин-1
.
-число
рядов цепи,
=1.
.
Принимаем
стандартный шаг
По
таблице 6.18 [1] назначаем однорядную цепь ПР-25,4-60 с разрушающей нагрузкой
, массой 1 м цепи
площадью
проекции опорной поверхности шарнира
, диаметр
ролика
,расстояние между внутренними пластинами
.
Число зубьев ведомой звездочки
.
Оптимальное
межосевое расстояние из условия долговечности цепи
, принимаем
. Тогда
межосевое расстояние в шагах
.
Число звеньев цепи (6.39 [1]):
.
Округляем
до целого четного значения
.
Уточняем
межосевое расстояние:
Для
удобства монтажа цепи и обеспечения оптимальной стрелы прогиба холостой ветви
необходимо предусмотреть возможность уменьшения
межосевого расстояния на
. Таким образом, монтажное межосевое расстояние
.
Длина
цепи
.
Расчетное
давление:
Определим
фактическую скорость цепи:
Окружная сила, передаваемая цепью,
Проверим давление в шарнирах цепи:
,
[p]-получили интерполированием.
Проверим коэффициент запаса прочности
цепи:
,
где
-допускаемый коэффициент запаса прочности,
=8,1 (таблица 6.20 [1]);
-расчетный
коэффициент запаса прочности:
,
где
-разрушающая нагрузка цепи,
;
-окружная
сила, передаваемая цепью;
-натяжение
цепи от провисания ведомой ветви.
,
где
-коэффициент провисания,
(с.180
[1]);
g-ускорение
свободного падения, g=9,81м/с2;
a -межосевое
расстояние, a=1,010м
q-масса 1 м
цепи, q=2,6 кг/м.
.
-натяжение цепи то центробежных сил:
.
,
Условие
выполняется
.
Сила, нагружающая валы передач (с.35 [2]):
;
.
Определяем диаметры начальных окружностей звездочек (таблица 6.23 [1]).
Диаметр делительной окружности:
ведущей звездочки
;
ведомой звездочки
.
Диаметр окружности выступов:
ведущей звездочки
;
ведомой звездочки
.
Диаметр
окружности впадин
, где
:
ведущей
звездочки
;
ведомой звездочки
.
Определяем остальные параметры
ведущей звездочки.
Ширина зуба
.
Принимаем 16мм.
Толщина диска
.
Принимаем 20мм.
Диаметр ступицы
.
Принимаем 72мм.
Длина ступицы
.
Принимаем 72мм.
Диаметр
обода
.
Принимаем 180мм.
.
3. РАСЧЕТ
РЕДУКТОРНЫХ ПЕРЕДАЧ
.1 ТИХОХОДНАЯ
СТУПЕНЬ
рис 3.1
Расчетная схема цилиндрической передачи.
ПОЯСНЕНИЯ
К РАСЧЕТНЫМ ДАННЫМ ЦИЛИНДРИЧЕСКОЙ ПЕРЕДАЧИ:
;
;
;
;
;
L=4000.
Выбор
материала и определения допускаемых напряжений:
Принимаем для изготовления шестерни и колеса сталь 40ХН.
(таблица
4.1 [1]);
(таблица
4.3 [1]);
Определяем допускаемые контактные напряжения (по формуле 3.9 [1])
.
Предел контактной выносливости:
Расчетное число циклов напряжений для
шестерни и колеса (таблица 4.3 [1]):
;
Определим
базовое число циклов,
(таблица 4.2 [1]):
Определяем коэффициент долговечности:
,
,
Допускаемое контактное напряжения для шестерни и колеса (формула 4.1
[1]):
где
-коэффициент безопасности ,
=1,1.
Расчет производим по наименьшему значению, так как оно получиться более
нагруженным:
Определяем допускаемое напряжение изгиба:
;
где
-предел выносливости по напряжениям изгиба (таблица
4.3 [1]);
;
;
;
-коэффициент безопасности,
=1,75 (таблица 4.3 [1]).
Коэффициент долговечности:
,
где
-базовое число циклов напряжений,
(с.109 [1]).
Примем
Определяем
ориентировочно межосевое расстояние (формула 4.49 [1]):
,
где
=43 (с. 118 [1]);
-коэффициент
концентрации нагрузки,
(рисунок 4.4 [1]);
(таблица
4.10 [1]).
.
Принимаем
мм.
Ширина
колеса:
Определяем значение модуля (с. 120 [1]):
.
Принимаем
стандартный модуль
(таблица 4.13 [1]).
Торцовый
модуль:
Принимаем предварительно угол наклона зубьев β
= 12˚ и определяем
числа зубьев шестерни и колеса:
Уточняем передаточное отношение:
Уточняем угол наклона зубьев:
.
Основные размеры шестерни и колеса:
диаметры делительные:
;
,
проверка:
.
Диаметры
вершин зубьев:
;
.
Диаметры впадин:
;
.
Ширина колеса:
.
Ширина шестерни:
.
Уточняем межосевое расстояние:
.
Окружная скорость колеса тихоходной ступени:
.
При данной скорости по таблице 4.6 [1] назначаем 9-ю степень точности.
Определяем коэффициент нагрузки для проверки контактных напряжений:
.
При
, для несимметрично расположенных колес и твердости
НВ>350 коэффициент, учитывающий распределение нагрузки по длине зуба,
(рисунок 4.4 [1]).
Коэффициент,
учитывающий распределение нагрузки между прямыми зубьями,
(таблица 4.5 [1]).
Коэффициент,
учитывающий динамическую нагрузку в зацеплении, для прямозубых колес при
,
.
Таким
образом,
.
Расчет
коэффициента торцевого перекрытия (формула 4.24 [1]):

.
Коэффициент повышения прочности косозубых передач:
.
Проверяем контактное напряжение по формуле 3.6 [1]:
Перегрузка отсутствует.
Проверка зубьев на выносливость по напряжениям изгиба (формула 4.25 [1]:
;
где
-коэффициент нагрузки,
;
-коэффициент
неравномерности распределения нагрузки между парами зубьев,
(таблица 4.5 [1]);
-коэффициент,
учитывающий распределение нагрузки по длине контактных линий,
(рисунок 4.4 [1]);
-коэффициент
динамической нагрузки внутри передачи,
(таблица
4.9 [1]).
Тогда
.
YF -
коэффициент формы зуба выбираем по рисунку 4.7 [1] в зависимости от
эквивалентных чисел зубьев:
для
шестерни:
;
для
колеса:
.
При
этом YF1 =3,9 и YF2 =3,75.
Коэффициент,
учитывающий наклон зубьев:
.
Коэффициент повышения прочности
косозубых передач:
Окружная сила:
.
Условие прочности соблюдается.
3.2 БЫСТРОХОДНАЯ
СТУПЕНЬ
рис 3.2
Расчетная схема цилиндрической передачи.
ПОЯСНЕНИЯ
К РАСЧЕТНЫМ ДАННЫМ ЦИЛИНДРИЧЕСКОЙ ПЕРЕДАЧИ:
;
;
;
;
L=4000.
Выбор
материала и определения допускаемых напряжений:
Принимаем для изготовления шестерни и колеса сталь 40ХН.
(таблица
4.1 [1]);
(таблица
4.3 [1]);
Определяем допускаемые контактные напряжения (по формуле 3.9 [1])
.
Предел контактной выносливости:
Расчетное число циклов напряжений для
шестерни и колеса (таблица 4.3 [1]):
;
Определим
базовое число циклов,
(таблица 4.2 [1]):
Определяем коэффициент долговечности:
,
,
Допускаемое контактное напряжения для шестерни и колеса (формула 4.1
[1]):
где
-коэффициент безопасности ,
=1,1.
Определяем допускаемое напряжение изгиба:
;
где
-предел выносливости по напряжениям изгиба (таблица
4.3 [1]);
;
;
;
-коэффициент
безопасности,
=1,75 (таблица 4.3 [1]).
Коэффициент
долговечности:
,
где
-базовое число циклов напряжений,
(с.109 [1]).
Примем
Определяем
ориентировочно межосевое расстояние (формула 4.49 [1]):
,
где
=43 (с. 118 [1]);
-коэффициент
концентрации нагрузки,
(рисунок 4.4 [1]);
(таблица
4.10 [1]).
.
Принимаем
мм.
Ширина
колеса:
.
Определяем значение модуля (с. 120 [1]):
.
Принимаем
стандартный модуль
(таблица 4.13 [1]).
Торцовый
модуль:
.
Принимаем предварительно угол наклона зубьев β
= 12˚ и определяем
числа зубьев шестерни и колеса:
Уточняем передаточное отношение:
.
Уточняем значение угла β:
.
Основные размеры шестерни и колеса:
диаметры делительные:
;
,
проверка:
.
Диаметры
вершин зубьев:
;
.
Диаметры впадин:
;
.
Ширина колеса:
.
Ширина шестерни:
.
Уточняем межосевое расстояние:
.
Окружная скорость колеса быстроходной ступени:
.
При данной скорости по таблице 4.6 [1] назначаем 9-ю степень точности.
Определяем коэффициент нагрузки для проверки контактных напряжений:
.
При
, для несимметрично расположенных колес и твердости
НВ>350 коэффициент, учитывающий распределение нагрузки по длине зуба,
(рисунок 4.4 [1]).
Коэффициент,
учитывающий распределение нагрузки между прямыми зубьями,
(таблица 4.5 [1]).
Коэффициент,
учитывающий динамическую нагрузку в зацеплении, для прямозубых колес при
,
.
Таким
образом,
.
Расчет
коэффициента торцевого перекрытия (формула 4.24 [1]):

.
Коэффициент повышения прочности косозубых передач:
.
Проверяем контактное напряжение по формуле 3.6 [1]:
Перегрузка отсутствует.
Проверка зубьев на выносливость по напряжениям изгиба (формула 4.25 [1]:
;
где
-коэффициент нагрузки,
;
-коэффициент
неравномерности распределения нагрузки между парами зубьев,
(таблица 4.5 [1]);
-коэффициент,
учитывающий распределение нагрузки по длине контактных линий,
(рисунок 4.4 [1]);
-коэффициент
динамической нагрузки внутри передачи,
(таблица
4.9 [1]).
Тогда
.
YF -
коэффициент формы зуба выбираем по рисунку 4.7 [1] в зависимости от
эквивалентных чисел зубьев:
для
шестерни:
;
для
колеса:
.
При
этом YF1 =3,9 и YF2 =3,75.
Коэффициент,
учитывающий наклон зубьев:
.
Коэффициент повышения прочности
косозубых передач:
.
Окружная сила:
.
.
Условие прочности соблюдается.
4 РАСЧЕТ
ЭЛЕМЕНТОВ КОРПУСА РЕДУКТОРА С РАЗРАБОТКОЙ ЕГО ЭСКИЗНОЙ КОМПАНОВКИ
Толщина стенки корпуса редуктора:
(с. 55
[2]);
;
Принимаем
.
Толщина верхнего пояса корпуса
b = 1,5 δ = 1,5 ∙ 8 = 12 мм; принимаем 15мм.
Толщина нижнего пояса корпуса:2 = 1,5 δ =
1,5 ∙ 8 = 12 мм;
принимаем 15мм.
Толщина ребер корпуса:
m =δ = 8 мм.
Диаметр фундаментных болтов (таблица 12.1.2 [2]):
dф
= 0,03 аw + 12 = 0,03 ∙ 120+ 12 = 15,6 мм; принимаем 20мм.
Число болтов - 4
Диаметры болтов крепления крышки:
k = 0,7 dф = 0,7 ∙ 20= 14 мм.
Ширина нижнего пояса основания корпуса:
Кф
= 2,5 dф = 2,5 ∙ 20= 50 мм.
Ширина верхнего пояса картера и крышки корпуса:
Кз
= 2,9 dк = 2,9 ∙14 = 40,6 мм; принимаем 40мм.
Конструктивные размеры крышки подшипника ведущего вала:
По значению D = 52 мм - диаметр отверстия в корпусе под подшипник -
выбираем следующие данные:
- толщина стенки s= 8мм
диаметр болтов d = 8 мм
число болтов z = 4
Толщина стенки в месте завинчивания:
1 = 1,2 s = 1,2 ∙ 8 =9,6 мм.
Толщина крышки в месте контакта с подшипником:
2 = 0,9 s = 0,9 ∙ 8 = 7,2 мм.
Диаметр крышки:
ф = D + 4 s = 52 + 4 ∙ 8 = 84 мм; принимаем 80мм.
Конструктивные размеры крышки подшипника промежуточного вала:
По значению D = 72 мм - диаметр отверстия в корпусе под подшипник -
выбираем следующие данные :
- толщина стенки s = 8
мм
диаметр болтов d = 8 мм
число болтов z = 4
Толщина стенки в месте завинчивания:
1 = 1,2 s = 1,2 ∙ 8= 9,6мм.
Толщина крышки в месте контакта с подшипником:
d2
= 0,9 s = 0,9 ∙ 8 = 7,2 мм.
Диаметр крышки:
ф = D + 4 s = 72+ 4 ∙ 8 = 104мм; принимаем 100мм.
Конструктивные размеры крышки подшипника ведомого вала:
По значению D =90 мм - диаметр отверстия в корпусе под подшипник -
выбираем следующие данные:
- толщина стенки s = 8
мм
диаметр болтов d = 8 мм
число болтов z =4
Толщина стенки в месте завинчивания:
1 = 1,2 d = 1,2 ∙ 8 = 9,6 мм.
Толщина крышки в месте контакта с подшипником:
2 = 0,9 d = 0,9 ∙ 8= 7,2 мм.
Диаметр крышки:
ф = D + 4 s = 90+ 4 ∙ 8 = 122мм; принимаем 120мм.
4.1 ПЕРВИЧНЫЙ
ЭТАП ЭСКИЗНОЙ КОМПАНОВКИ РЕДУКТОРА
Определение геометрических параметров ступеней валов.
Ведомый вал-шестерня.
Ведомый вал соединяется с двигателем через муфту. По диаметру вала
двигателя (d = 19 мм) выбирается муфта, а по ней диаметр первой ступени вала
редуктора d = 19 мм. Длина ступени l = 35 мм берется из т. К25 стр. 406 [10].
Вторая ступень выбирается диаметром d = 24 мм, длина l = 40 мм выбирается
так, чтобы левый край выступал над болтами на 3...6 мм.
Третья ступень выбирается диаметром d = 25 мм, так как на нее будет
насаживаться втулка и подшипник. Длина ступени l = 28 мм берется как сумма
толщины шайбы, гайки и плюс 3...6 мм.
Четвертая ступень выбирается диаметром d = 28 мм , она больше предыдущей
ступени, так как на нее будет насаживаться шестерня. Длина l = 38 мм меньше
ширины шестерни на 2мм.
Пятая ступень выбирается диаметром d = 30мм так, и длинна ее l=60мм.
Промежуточный вал.
Принимаем диаметр первой ступени d = 35 мм так, чтобы он был меньше
диаметра под цилиндрическое колесо. Длина l = 38 мм равна ширине подшипника
плюс расстояние для обеспечения зазора между корпусом и подшипником, корпусом и
колесом (длинна втулки).
Диаметр второй ступени принимаем из ориентировочного расчета диаметров
валов d =40 мм. Длина ступени принимается равная ширине ступицы колеса l = 32
мм.
Диаметр третьей ступени d = 45 мм должен быть больше диаметра второй и
четвертой ступеней для обеспечения упора зубчатого колеса и шестерни. Длина
ступени l= 60мм .
Остальные ступени также как и предыдущие, так как вал симметричен.
Ведомый вал.
Диаметр первой ступени d=45мм
и длинна его равна l=63мм,
соответствует длине ступицы звездочки.
Диаметр второй ступени d = 48 мм. Длина ступени l = 30 мм.
Диаметр третьей ступени d = 50 мм больше диаметра первой ступени. Длина
ступени l = 96 мм берется так, чтобы конец ступени с одной стороны обеспечивал
зазор между подшипником и корпусом, а с другой стороны выступал над крышкой на
3...6 мм.
Диаметр четвертой ступени d = 68 мм выбирается большим, чем диаметр
предыдущей ступени, а длина l = 10 мм - так, чтобы обеспечивать упор зубчатого
колеса.
Диаметр пятой ступени d = 60 мм берется на несколько миллиметров больше
чем предыдущий вал, для упора его в подшипник. Длина ступени l = 56 мм.
Диаметр шестой ступени d=50мм
выбирается меньшим, чем диаметр предыдущей ступени, и длинна ее l = 27мм, равна длине подшипника.
Диаметр седьмой ступени d=58мм
выбирается меньшим, чем диаметр предыдущей ступени, длинна этой ступени
выбирается l = 30мм, чтобы данная ступень
выступала над крышкой на 10мм.
Диаметр седьмой ступени d = 45 мм берется меньшим, чем у предыдущей
ступени для обеспечения упора муфты. Длина l = 60 мм равна длине ступицы муфты.
Выбор подшипников:
Для ведущего вала выбирается подшипник шариковый радиальный однорядный,
легкой серии модели 205 с параметрами:
- внутренний диаметр d = 25 мм
наружный диаметр D =52 мм
ширина подшипника Т = 15 мм
Для промежуточного вала выбирается подшипник шариковый радиальный
однорядный, легкой серии модели 207 с параметрами:
внутренний диаметр d = 35 мм
наружный диаметр D = 72 мм
ширина подшипника Т = 17мм
Для ведомого вала выбирается подшипник шариковый радиальный однорядный,
легкой серии модели 210 с параметрами:
внутренний диаметр d = 50 мм
наружный диаметр D =90мм
ширина подшипника Т = 20 мм
Компоновка редуктора:
. Намечаем расположение проекций компоновки в соответствии с
кинематической схемой привода и наибольшими размерами колеса.
. Проводим оси проекций и осевые линии валов. Проводим межосевое
расстояние между парами цилиндрической передачи.
. Вычерчиваем редукторные пары в соответствии с геометрическими
параметрами, полученными в результате проектного расчета.
. Расстояние между шестернями:
принимаем
.
.Расстояние
между внутренней поверхностью стенки корпуса и зубчатыми колесами
а=L+4=350+4=10мм:
где
L = 350мм - наибольшее расстояние между внешними поверхностями деталей передач,
мм.
.
Расстояние между дном корпуса и колесами редукторов:
0 = 4 а; b0 = 4 ∙10
= 40 мм.
Действительный контур корпуса редуктора зависит от его кинематической
схемы, размеров деталей передач, способа транспортировки, смазки и т. п. и
определяется при конструктивной разработке компоновки редуктора.
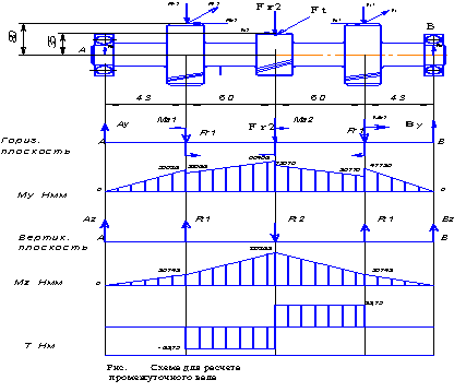
5.
РАСЧЕТ ВАЛОВ РЕДУКТОРА С ПОДБОРОМ ПОДШИПНИКОВ
.1 РАСЧЕТ
ВХОДНОГО ВАЛА
Исходные данные:
Материал вала Сталь 45;
Мощность,
снимаемая с вала, Вт:
;
Частота
вращения вала, об/мин:
.
Компоненты
силового взаимодействия в зацеплении зубчатых колес, Н:
Срок
службы вала, часов
.
Крутящий
момент в нагруженных сечениях вала, Нм
.
Расстояния
между точками приложения сил, мм :
Расчеты
для построения эпюры.
В
горизонтальной плоскости:
В
вертикальной плоскости:
Проверочный
расчет вала на выносливость в опасных сечениях по коэффициенту безопасности.
-е
опасное сечение:
Суммарный
момент:
Амплитуды
переменных соответствующих циклов напряжений.
Коэффициенты,
корректирующий влияние постоянной составляющей цикла направляющий на
сопротивление усталости:
Масштабный
фактор и фактор шероховатости поверхности:
Эффективные
коэффициенты концентрации напряжений при изгибе и кручении:
Запас
сопротивления усталости только по изгибу:
Запас сопротивления усталости только
по кручению:
Запас
сопротивления усталости:
Прочность
и жесткость вала обеспечена.
-е
опасное сечение:
Суммарный
момент.
Амплитуды
переменных соответствующих циклов напряжений.
Коэффициенты, корректирующий влияние постоянной составляющей цикла
направляющий на сопротивление усталости:
Масштабный фактор и фактор шероховатости
поверхности:
Эффективные
коэффициенты концентрации напряжений при изгибе и кручении:
Запас
сопротивления усталости только по изгибу:
Запас
сопротивления усталости только по кручению:
Запас
сопротивления усталости:
Прочность
и жесткость вала обеспечена.
Расчет подшипников.
Исходные данные:
Реакции
опор:
Назначаем шариковые радиальные однорядные подшипники, условное
обозначение 205, для которых динамическая и статическая грузоподъемности
Выполняем проверочный расчет только подшипника правой опоры, как
наиболее нагруженного.
Коэффициент безопасности, учитывающий характер нагрузки:
Температурный коэффициент:
Условная постоянная радиальная нагрузка:
Коэффициент режима нагрузки :
Эквивалентная долговечность:
Т.к.
Динамическая грузоподъемность:
Условие выполняется, подшипники подобраны правильно.
5.2 РАСЧЕТ
ПРОМЕЖУТОЧНОГО ВАЛА
Исходные данные:
Материал вала - Сталь 45;
Мощность,
снимаемая с вала, Вт:
;
Частота
вращения вала, об/мин:
.
Компоненты
силового взаимодействия в зацеплении зубчатых колес, Н:
Срок
службы вала, часов
.
Крутящий
момент в нагруженных сечениях вала, Нм
.
Расстояния
между точками приложения сил, мм :
Расчеты
для построения эпюры.
В
горизонтальной плоскости:
В
вертикальной плоскости:
Проверочный расчет вала на выносливость в опасных сечениях по
коэффициенту безопасности.
Суммарный момент.
Амплитуды
переменных соответствующих циклов напряжений.
Коэффициенты,
корректирующий влияние постоянной составляющей цикла направляющий на
сопротивление усталости:
Масштабный
фактор и фактор шероховатости поверхности:
Эффективные
коэффициенты концентрации напряжений при изгибе и кручении:
Запас сопротивления усталости только
по изгибу:
Запас
сопротивления усталости только по кручению:
Запас
сопротивления усталости:
Прочность
и жесткость вала обеспечена.
Исходные данные:
Реакции
опор:
Назначаем шариковые радиальные однорядные подшипники, условное
обозначение 207, для которых динамическая и статическая грузоподъемности
Выполняем проверочный расчет только подшипника правой опоры, как
наиболее нагруженного.
Предварительно находим
По таблице находим e=0,37; и далее
при V=1;
При этом X=1; Y=0.
Коэффициент безопасности, учитывающий характер нагрузки:
Температурный коэффициент:
Условная постоянная радиальная нагрузка:
Коэффициент режима нагрузки :
Эквивалентная долговечность:
Т.к.
Динамическая грузоподъемность:
Условие выполняется, подшипники подобраны правильно.
5.3 РАСЧЕТ
ВЫХОДНОГО ВАЛА
Исходные данные:
Материал вала - Сталь 45;
Мощность,
снимаемая с вала, Вт:
;
Частота
вращения вала, об/мин:
.
Компоненты
силового взаимодействия в зацеплении зубчатых колес, Н:
Срок
службы вала, часов
.
Крутящий
момент в нагруженных сечениях вала, Нм
.
Расстояния
между точками приложения сил, мм :
Расчеты для построения эпюры.
В горизонтальной плоскости:
В
вертикальной плоскости:
Проверочный расчет вала на
выносливость в опасных сечениях по коэффициенту безопасности.
В сечении под колесом:
Суммарный момент.
Амплитуды
переменных соответствующих циклов напряжений.
Коэффициенты, корректирующий влияние
постоянной составляющей цикла направляющий на сопротивление усталости:
Масштабный
фактор и фактор шероховатости поверхности:
Эффективные
коэффициенты концентрации напряжений при изгибе и кручении:
Запас
сопротивления усталости только по изгибу:
Запас
сопротивления усталости только по кручению:
Запас
сопротивления усталости:
Прочность и жесткость вала
обеспечена.
Расчет подшипников.
Исходные данные:
Реакции
опор:
Назначаем шариковые радиальные однорядные подшипники, условное
обозначение 210, для которых динамическая и статическая грузоподъемности
Выполняем проверочный расчет только подшипника правой опоры, как
наиболее нагруженного.
Предварительно находим
По таблице находим e=0,37; и далее
при V=1;
При этом X=1; Y=0;
Коэффициент безопасности,
учитывающий характер нагрузки:
Температурный коэффициент:
Условная постоянная радиальная нагрузка:
Коэффициент режима нагрузки:
Эквивалентная долговечность:
Т.к.
Динамическая грузоподъемность:
Условие выполняется, подшипники подобраны правильно.
6
РАСЧЕТ ШПОНОК
Для
передачи вращающего момента между зубчатым колесом и валом применим
призматические шпонки. Сечение шпонки выбираем по таблице (с. 390 [2]) в
зависимости от диаметра вала. Шпонки изготавливаем из стали 45, [
]=80…100 МПа.
Расчетная
длина шпонки:
;
l = lp+b=18,4+24,4мм;
Принимаем
стандартную шпонку,
(ГОСТ 23360-78).
Напряжение
смятия:
где Т - вращающий момент на валу, Нм;
d - диаметр
вала, мм;
h - высота
шпонки, мм;
t1 - глубина паза вала, мм;
l = lp+b - длина
шпонки, мм;
b - ширина
шпонки, мм.
Исходные
данные и результаты расчета сводим в таблицу 1.
Таблица 1.
|
Вал
|
Диаметр вала d,
мм
|
Крутящий момент Т, Нм
|
Размеры сечения шпонки, мм
|
Глубина паза, мм
|
Длина шпонки l, мм (по ГОСТу 23360-78)
|
|
|
|
|
b
|
h
|
t1
|
t2
|
|
|
|
1
|
19 (под муфтой)
|
34,9
|
6
|
6
|
3,5
|
2,8
|
25
|
|
|
28 (под шестернями)
|
|
8
|
7
|
4
|
3,3
|
28
|
|
|
2
|
40 (под зубчатыми колесами)
|
127,5
|
8
|
7
|
4
|
3,3
|
22
|
|
|
45 (под шестерней)
|
|
14
|
9
|
5,5
|
3,8
|
50
|
|
|
3
|
45 (под звездочку и муфту)
|
304,2
|
14
|
9
|
5,5
|
3,8
|
50
|
|
|
55 (под колесом)
|
|
12
|
8
|
5
|
3,3
|
40
|
Условие прочности по напряжениям смятия выполняются для всех шпонок.
7. ВЫБОР И РАСЧЕТ СОЕДИНИТЕЛЬНЫХ МУФТ
По крутящему моменту для соединения выходного вала с рабочим валом к
скиповому подъемнику выбираем по значению d=30 мм и d=22
мм упругую муфту втулочно-пальцевую (МУВП 125-30-1-22-1 ГОСТ 21424-93) со
следующими характеристиками:
· передаваемый момент Т=125 Нм;
· частота вращения не более n=4600 об/мин;
· длина полумуфты L=34 мм;
· допускаемое
радиальное смещение
;
· допускаемое
угловое смещение
;
Расчётный момент
,
где
кр - коэффициент режима работы привода,
.
Проверяем муфту по напряжению смятия резиновых втулок
МПа,
где
- диаметр пальца под втулкой,
мм;
- длина
резиновой втулки,
мм;
- число
пальцев,
;
-
диаметр окружности расположения пальцев,
мм.
.
Окончательно принимаем муфту МУВП 125-30-1-22-1 ГОСТ 21424-93.
8.
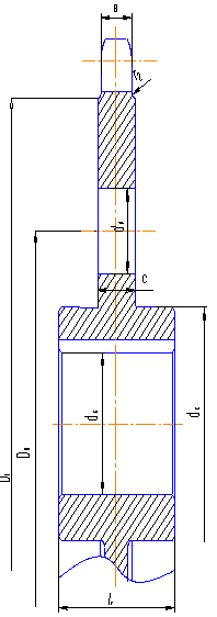
ОСНОВНЫЕ РАЗМЕРЫ ЗУБЧАТЫХ КОЛЕС, ВЕДУЩЕЙ ЗВЕЗДОЧКИ И ПОСАДОК ИХ НА ВАЛЫ

Рисунок
11.1 - Основные размеры зубчатых колес и ведущей звездочки.
Таблица 11.1 - Основные размеры зубчатых колес и ведущей звездочки.
|
№ П/П
|
Наименование величины и формулы
|
Обозначения
|
Зубчатые колеса ступеней
|
Звездочка
|
|
|
|
Быстроходной
|
Тихоходной
|
|
|
1
|
Ширина венца, мм
|
b
|
36
|
56
|
16
|
|
2
|
Модуль, мм
|
m
|
2
|
2,5
|
-
|
|
3
|
Диаметр, мм
|
df/Df
|
150
|
169,75
|
194,7
|
|
4
|
Диаметр вала, мм
|
dв
|
40
|
55
|
45
|
|
5
|
Длина шпонки, мм
|
lш
|
28
|
50
|
50
|
|
6
|
Толщина обода δ=2,5m+2≥8, мм
|
δ
|
8
|
8
|
-
|
|
7
|
Толщина диска с=(0,2…0,3)b, мм
|
с
|
10,8
|
16,8
|
20
|
|
8
|
Диаметр обода Dд=df-2δ,
мм
|
Dд
|
134
|
153,75
|
178,7
|
|
9
|
Диаметр ступицы dc=1,6dв, мм
|
dc
|
64
|
72
|
72
|
|
10
|
Длина ступицы lc=lш+(5…10)>В,
мм
|
lc
|
32
|
51
|
63
|
|
11
|
Диаметр оси расположения отверстий D0= (Dд +dс)0,5, мм
|
D0
|
99
|
112
|
124
|
|
12
|
Диаметр отверстия dо=15…25мм
|
dо
|
15
|
15
|
20
|
.2 Поля допусков насаживаемых зубчатых колес и шестерен на валы:
- зубчатое колесо и шестерня быстроходной ступени Н7/p6;
- зубчатое колесо и шестерня тихоходной ступени Н7/р6;
- ширина шпоночного паза вала Р9;
- ширина шпоночного паза отверстия JS9.
.3 Поля допусков втулок на валах и крышек подшипников в корпусе:
- втулок F12/h7 ;
- крышек Н7/f11.
.4 Поле допуска насаживания звездочки ведущей на вал Н7/k6.
.5 Поле допуска посадочных мест подшипника на вал L0/k6 и в корпус Н7/l0.
9.
ПРОВЕРОЧНЫЙ (УТОЧНЕННЫЙ) РАСЧЕТ ВЫХОДНОГО ВАЛА
Справочно: Расчет сводится к определению фактического коэффициента
запаса сопротивления усталости для предположительно опасных сечений и сравнению
его с допускаемым.
При общем (одновременном) действии нагружений изгиба и кручения должно
соблюдаться
стр. 152 [2]).
Опасное сечение устанавливается по чертежу вала (из листа графической
части - сборочный чертеж редуктора) и уточненным эпюрами крутящих и изгибающих
моментов вала.
Уточнение осуществляется после вычерчивания в тонких линиях сборочного
чертежа редуктора и сравнения полученных измерением расстояний между срединами
подшипников и местами приложения нагрузок на валы от
,
,
и
и этими же расстояниями принятыми из
эскизной компановки ( в нашем случае, полученных расчетным путем). В случае
идентичности или же расхождением на 5%, эпюры
и T принимаются из раздела освещающего расчет валов.
Анализ, выполненный по изложенной методике, в нашем случае показывает
расхождение на
2…3 мм и дает основание использовать данные раздела 7
пояснительной записки без уточнения.
.1 Материал вала.
Примем Сталь 45 (нормализованная), для которого из таблицы 10.7[2]
,
,
.
Проверка сечений вала.
Первое под подшипником (опора ''A''). Концентратором напряжений выступает
посадка внутреннего кольца подшипника с натягом.
- напряжения в этом сечении
;
;
где
и
- моменты сопротивления изгибу и кручению сечения ва- ла;
и
-
значения моментов изгиба и кручения в сечении вала (см. рисунок 7.3.1).-
диаметр ведущего вала под подшипниками.
- коэффициенты запаса
сопротивления усталости
где -
и
- пределы выносливости гладких стандартных цилиндрических
образцов при симметричном цикле изгиба (при котором среднее напряжение
, а амплитуда нагружений
) и отнулевом цикле кручения (при
этом
).
и
- коэффициенты, характеризующие чувствительность материала к
асимметрии цикла напряжений (для Стали 45
и
, таблица 10.7 [2]).
и
- коэффициенты снижения пределов
выносливости.
и
,
здесь
и
- эффективные коэффициенты напряжений для данного сечения
вала в зависимости от его формы.
- коэффициент влияния абсолютных размеров поперечного
сечения.
Для валов в местах установки деталей
по таблице 10.11 [2]);
и
.
- коэффициент влияния шероховатости
поверхности (
, таблица 10.13 [2]);
- коэффициент влияния поверхностного
упрочнения, для неупрочненных поверхностей
(таблица 10.14 [2]).
Тогда
,
.
- общий запас сопротивления усталости

, что
> [S]=1,5…2,5
Второе. Под колесом тихоходной
ступени
.
Передаваемый крутящий момент:
.
Под
колесом концентрация вызвана наличием шпоночной канавки в=16мм и
глубиной
, на валу диаметром 55мм.
Момент сопротивления сечения вала:
Напряжения в этом сечении
- коэффициент снижения пределов выносливости (по таблице10.10 [2], приняв
для вала Сталь 45 с
,
,
,
и
(таблица 10.7 [2]).
;
;
;
;
.
- коэффициент запаса прочности

; 
- общий запас сопротивления усталости

, что
> [S]=1,5…2,5.
Вывод:
Следовательно в рассматриваемых сечениях усталостная прочность выбранного
материала обеспечивается.
10. СМАЗКА
ЗАЦЕПЛЕНИЙ И ПОДШИПНИКОК
Средняя скорость в зацеплении:

;
где
- скорости в зацеплениях быстроходной и тихоходной
ступеней привода.
Кинематическая вязкость масла для смазки зубчатых зацеплений
по
при
;
по
[2] стр. 220 назначаем масло с вязкостью 118
Смазочный
материал
По
[2] стр. 220 по кинематической вязкости 118
принимаем
индустриальное масло Н-100А ГОСТ 20799-75
Объем
смазочного материала

С учетом действительных размеров внутренней полости редуктора и глубины
погружения колеса на 1/3 радиуса по внешнему диаметру, то
здесь А, Б - соответственно ширина, длина внутренней полости основания
редуктора, измерения из чертежа.
Н - высота слоя смазочного материала, с учетом погружения колеса на 1/3
радиуса.
Смазка подшипников качения будет производиться из картера редуктора в
результате разбрызгивания масла зубчатым колесом. Для этого полости подшипников
выполняются открытыми внутрь корпуса.
11. СБОРКА
РЕДУКТОРА
Перед сборкой внутреннюю полость корпуса редуктора тщательно очищают и
покрывают масляной краской.
Сборку производят в соответствии со сборочным чертежом редуктора начиная
с узлов валов.
На ведущий вал насаживают мазеудерживающие кольца и шарикоподшипники
предварительно нагретые в масле до 80...100 0C.
На ведомый и промежуточный валы закладывают шпонки и напрессовывают
зубчатое колесо до упора в бурт вала, затем надевают распорную втулку,
мазеудерживающие кольца и устанавливают шарикоподшипники, предварительно
нагретые в масле. Собранные валы закладывают в основание корпуса редуктора и
надевают крышку корпуса, предварительно покрыв поверхность стыка крышки и
корпуса спиртовым лаком. Для центровки устанавливают крышку на корпус с помощью
двух конических штифтов затягивают болты, крепящие крышку к корпусу. После
этого на ведомый вал надевают распорные кольца, в подшипниковые камеры крышки
закладывают солидол, ставят крышки подшипников с комплектом металлических
прокладок для регулировки.
Затем проверяется проворачивание валов, отсутствие заклинивания
подшипников (валы должны проворачиваться от руки) и закрепляют крышки винтами.
Потом ввертывают пробку масло спускного отверстия с прокладкой и устанавливают
маслоуказатель.
Заливают в корпус масло и закрывают смотровое отверстие крышкой с
прокладкой из технического картона, закрепляют крышку болтами.
Собранный
редуктор обкатывают и подвергают испытанию на стенде по программе,
устанавливаемой техническими условиями эксплуатации.
ЛИТЕРАТУРА
1.Детали
машин и основы конструирования. Методическое пособие по выполнению курсового
проекта. Часть 1. Мн.: БГАТУ. -2009. -196 с.
.Детали машин
и основы конструирования. Под общ. ред. М.Н. Ерохина. М.: КолосС-2008-462с.
.Детали машин
в примерах и задачах. Под общ. ред. С.Н. Ничипорчика. - 2-е изд. - Мн.:
Вышэйшая школа. 1981. - 432 с.
.Шейблит А.Е.
Курсовое проектирование деталей машин: Учеб. Пособие для техникумов. - М.:
Высш. шк., 1991. - 432 с.
.Дунаев П.Ф.
Леликов О.П. Детали машин. Курсовое проектирование: Учеб. пособие для
машиностроит. спец. техникумов. - 2-е изд., перераб. и доп. - Высш. шк., 1990.
- 399 с.
6.Детали
машин: Атлас конструкций/Под ред Д.Н. Решетова. - М.: Машиностроение, 1979. -
367 с.