Печь как технологическое оборудование

  • Вид работы:
    Курсовая работа (т)
  • Предмет:
    Другое
  • Язык:
    Русский
    ,
    Формат файла:
    MS Word
    2,42 Мб
  • Опубликовано:
    2012-07-07
Вы можете узнать стоимость помощи в написании студенческой работы.
Помощь в написании работы, которую точно примут!

Печь как технологическое оборудование

СОДЕРЖАНИЕ

.        Общая часть

1.1 Описание конструкции печи

1.2 Способы утилизации тепла

.        Специальная часть

2.1 Расчёт горения топлива

2.2 Предварительное определение основных размеров печи

2.3 Расчёт времени нагрева металла

2.4 Уточнение основных размеров печи

2.5 Тепловой баланс

2.6 Технико-экономические показатели рабочей печи

ВВЕДЕНИЕ

Печь - технологическое оборудование, в котором рабочим видом энергии является тепло и рабочее пространство которого ограждено от окружающей среды. Разнообразие промышленных печей, используемых в прокатных цехах, вызывает необходимость подразделения их на основные группы.

По условиям теплопередачи печи подразделяют на печи с теплопередачей преимущественно излучением и конвекцией.

По тепловому режиму печи подразделяют на печи, работающие по камерному режиму, и печи, работающие по методическому режиму. В печах, работающих по камерному режиму, температура рабочего пространства остается постоянной на протяжении всего времени работы печи. В печах, работающих по методическому режиму, температура в печи изменяется по длине печи или во времени.

Методические нагревательные печи широко применяются в прокатных и кузнечных цехах для нагрева квадратных, прямоугольных, а иногда и круглых заготовок.

По методу транспортировки металла методические печи относятся к так называемым проходным печам. Ряд соприкасающихся друг с другом заготовок заполняет весь под печи и продвигается через печь при помощи толкателя. При загрузке в печь новой заготовки одна нагретая заготовка выдается из печи.

Наиболее важными классификационными признаками методических печей являются:

-     температурный режим печи (по длине);

-     двусторонний или односторонний характер нагрева металла;

-     способ выдачи металла из печи (боковая или торцовая выдача).

Кроме того, классификация выполняется по виду нагреваемых заготовок, методу утилизации тепла отходящих дымовых газов, виду топлива, числу рядов заготовок в печи.

Большое значение для работы методических печей имеет способ выдачи металла из печи. Различают торцевую и боковую выдачу металла. При торцевой выдаче необходим толкатель, который и выполняет роль выталкивателя.

1. ОБЩАЯ ЧАСТЬ

1.1 Описание конструкции печи

Методические печи предназначены для нагрева перед прокаткой заготовок толщиной 40-350, шириной 40-1850 и длиной 1000-12000 мм с массой 50-40000 кг. В некоторых случаях в методических печах нагреваются слитки толщиной 300-400 мм.

Методические печи работают, как правило, на холодном посаде.

Печи называют "методическими" потому, что в них осуществляется постепенный, методический нагрев. Заготовка входит с одного конца печи, проталкивается специальным устройством - толкателем через всю печь и, нагреваясь до заданной температуры, выдается с противоположного конца печи.

Особенностью работы методических печей является противоточное, т.е. взаимно противоположное движение нагреваемого металла и продуктов сгорания топлива. Такая схема движения газов и металла позволяет полнее использовать тепло дымовых газов.

Методические печи характеризуются постоянным во времени тепловым и температурным режимами. Однако температура по длине печи не остается постоянной: она постепенно повышается от одного конца печи (от конца загрузки) к другому (к окну выдачи металла).

Вся печь по длине разделяется на несколько зон. Металл (заготовки)поступает в зону наименьших температур. Продвигаясь навстречу дымовым газам, он попадает в зону с более высокой температурой и постепенно нагревается. Печи работают таким образом, что когда нагретая заготовка выдается из печи, то холодная заготовка загружается с противоположного конца. Таким образом, на поду печи по всей ее длине находится металл, продвигающийся к окну выдачи.

Число и название зон в печи определяются характером изменения температуры газов по длине печи.

Рисунок 1 - Четырехзанная методическая печь

По числу зон печи подразделяются на двух-, трех-, четырех- и пятизонные.

Основными зонами печи являются методическая, сварочная и томильная.

Методическая зона отличается изменяющейся по ее длине температурой.

Назначение этой зоны двоякое. Во-первых, она служит для постепенного (методического) нагрева металла перед его поступлением в зону высоких температур (сварочную). Как известно, в интервале температур 0-600°С в металле при его быстром нагреве возникают термические напряжения. Методическая зона позволяет нагревать металл в этом интервале температур с небольшими скоростями и обеспечивает безопасный режим нагрева.

Во-вторых, эта зона выполняет функции утилизатора тепла. В методической зоне топливо не сжигается. Оно подается в сварочную и томильную зоны, а в методическую поступают только продукты сгорания. Горячие продукты сгорания, двигаясь навстречу холодному металлу, отдают ему часть своего тепла, т.е. металл утилизирует тепло дымовых газов, выходящих из зоны высокой температуры. В результате этого температура дымовых газов понижается с 1350-1400°С в сварочной зоне до 800-1000°С в методической зоне.

Из методической зоны подогретый металл попадает в зону высоких температур - cварочную. Основное назначение сварочной зоны - быстрый нагрев поверхности металла до заданной конечной температуры. Для быстрого нагрева необходимо, чтобы температуря газов в сварочной зоне превышала конечную температуру поверхности на 150-250°С. Температура нагрева металла под прокатку зависит от марки стали, технологии прокатки, типа стана, расстояния от печи до стана, размеров заготовки и т.д. Обычно она равна 1150-1250°С. Поэтому в сварочной зоне необходимо обеспечивать температуру 1300-1400°С.

Для повышения общего температурного уровня и увеличения производительности печи вместо одной сварочной зоны делают две или три, причем топливо подается во все сварочные зоны. Такая конструкция позволяет увеличить длину зоны с наиболее высокой температурой и уменьшить длину методической зоны. Все это приводит к более интенсивному нагреву заготовок, сокращению времени их нагрева, но к несколько повышенному удельному расходу тепла.

Заготовки на выходе из сварочной зоны прогреты неравномерно. Температура их поверхности выше, чем в середине. Для выравнивания температуры по сечению заготовок служит третья зона - томильная . Томильная зона, как и сварочная, тоже отапливается. Однако ее основное назначение не в нагреве металла, а в томлении, т. е. выдержке с целью выравнивания температуры по сечению, поэтому к томильной зоне предъявляют другие температурные требования, чем к сварочной. Топливо в томильную зону подается в таком количестве, чтобы температура в томильной зоне превышала конечную температуру нагрева металла на 50-70°С. При этом температура поверхности металла не меняется, а температура середины подтягивается к температуре поверхности.

Если в печи нагреваются тонкие заготовки, то на выходе из сварочной зоны они прогреты уже достаточно равномерно и в томильной зоне необходимости нет. В этом случае печь состоит только из двух зон и называется двухзонной. Однако и в этом случае, с точки зрения эксплуатации, удобнее иметь томильную зону, так как более низкая температура в ней позволяет предупредить перегрев, пережог и сваривание (вследствие оплавления поверхности рядом лежащих заготовок). Использование томильной зоны позволяет также довести температуру металла до заданной с большей точностью.

Методические печи, имеющие методическую, одну сварочную и томильную зоны, называются трехзонными, а режим нагрева в них - трехступенчатым. Если печь имеет не одну, а две или три сварочных зоны, то она называется соответственно методической четырехзонной или пятизонной. В таких печах режим нагрева, так же как и в трехзонных, трехступенчатый.

1.2 Способы утилизации тепла

Утилизация тепла - вторичное использование тепла отходящих дымовых газов.

Утилизацию тепла проводят с целью:

-     Экономия топлива

-     Повышение калориметрической температуры горения топлива

-     Повышение КПД печного агрегата

Способы утилизации тепла:

-     С возвратом тепла в печь (регенераторы, рекуператоры)

-     Без возврата тепла в печь (котлы - утилизаторы)

Способы утилизации с возвратом тепла в печь:

Регенератор - теплообменный аппарат, предназначенный для подогрева топлива, воздуха и работающий при нестационарном тепловом состоянии.

Регенератор представляет собой камеру, заполненную многоядерной решеткой, выложенной из огнеупорных кирпичей.

Теплообменники регенеративного типа имеют следующие недостатки:

-     Регенераторы не обеспечивают постоянную температуру подогрева воздуха и газа, которая попадает по мере остывания кирпичей насадки и ограничивает возможность применения автоматического регулирования печи;

-     Прекращается питание печи теплом при перекидке клапанов;

-     При подогреве топлива имеет место вынос газа через дымовую трубу, величина которого достигает 5-6% полного расхода;

-     Большие объемы и масса регенераторов;

-     Неудобное расположение- керамические регенераторы всегда располагают под печами; исключение составляют только кауперы, помещаемые около доменных печей.

Преимущество:

Регенератор может длительное время работать в области высоких температур.

Рекуператор - теплообменный аппарат, работающий в условиях близких к стационарному тепловому состоянию, в котором теплообмен между теплоносителями осуществляется непрерывно через разделительную стенку.

Рекуператоры обеспечивают:

-     Постоянную температуру подогрева воздуха или газа и не требуют никаких перекидных устройств - это обеспечивает возможность для автоматизации и контроля её тепловой работы.

-     В рекуператорах отсутствует вынос газа в дымовую трубу.

-     Рекуператоры имеют небольшой объем и массу.

Однако рекуператорам свойственны и некоторые недостатки. Основными из которых являются низкая огнестойкость металлических рекуператоров и низкая газоплотность керамических рекуператоров.

Передача в рекуператорах осуществляется в три ступени:

-     От дымовых газов к стенкам рекуперативных труб.

-     Через разделительную стенку.

-     От стенки к нагреваемому воздуху и газу.

Классификация рекуператоров:

-     По схеме относительного движения теплоносителей (прямоточные, перекрестные и противоточные)

-     По конструкции (трубчатые, пластинчатые, ребристые и т.д.)

-     По назначению (подогреватели воздуха и газа)

-     По материалу(металлические, керамические и металлокерамические)

Утилизация без возврата тепла в печь осуществляется в котлах - утилизаторах, которые предназначены для выработки высоких температур и высокого давления.

Котлы - утилизаторы устанавливают только на высокотемпературных печах ( мартеновские печи и конверторы)

В печах, работающих на топливе высокой теплоты сгорания, подогрев газа не является необходимым. Подогрев воздуха в металлических рекуператорах до 300 - 400° необходим только в тех печах, которые работают на топливе теплотой сгорания 2000 - 2500 ккал/м3. при теплоте сгорания выше 2500 ккал/м3 подогрев воздуха для достижения необходимой температуры горения необязателен, однако для уменьшения расхода топлива подогрев воздуха всегда целесообразен.

На методических печах устанавливают теплообменники рекуперативного типа с целью экономии топлива, повышения КПД печного агрегата и повышения калориметрической температуры горения топлива.

2. СПЕЦИАЛЬНАЯ ЧАСТЬ

2.1 Расчёт горения топлива

Таблица 1- исходные данные

Газ

CO

W, г/

n

, ˚С

,

Природный

94,9

0,6

-

-

0,2

4,1

0,2

15

1,1

450

7200

Доменный

0,6

-

2,5

22,5

12,6

61,8

-

30





Определение влажного состава топлива


где  - содержание компонента во влажном топливе, %

 - содержание компонента в сухом газе, %

,124 - коэффициент перерасчета из единицы в ед. объёма

W - влажность, г/

Природный газ

Доменный газ

печь методический тепло утилизация


Определение теплоты сгорания


Где - низшая теплота сгорания, кДж/

Природный газ


Доменный газ

Определение доли участка каждых газов смеси


 - доля участия доменного газа в смеси

- низшая теплота сгорания смеси, кДж/


 - доля участия природного газа в смеси

 


 - доля участия каждого компонента в смеси, %

 и  - доля в доменном и природном газах, %

Материальный баланс представляет собой закон сохранения массы, т.е. количество веществ вступающих в реакцию горения должно быть равно количеству вещественных в результате горения.


Таблица 2 - определение количества воздуха и продуктов горения

Топливо

Реакция горения

Воздух

Продукты горения

 Всего

состав

м3


О2

N2

Всего

CO2

H2O

N2

O2


CO2

10,6


-

O2*3,76

O2+ N2

10,6

-

N2(Т)+ N2(В)



CO

18,87

CO+1/2 О2= СО2

9,435



18,87

-




H2

2,09

H2+1/2 О2 = H2

1,045



-

2,09




CH4

12,62

CH4+2O2 = 2H2O+ CO2

25,24



12,62

25,24




N2

52,36


-



-

-




C2H4

0,08

C2H4+3O2 = 2CO2+2H2O

0,24



0,16

0,16




C4H10

0,03

C4H10+6.5O2 = 4CO2+H2O

0,135



0,06

0,15




Н2О

3,37


-



-

3,37




n=1

100


36,1

135,36

171,46

42,31

31,01

187,76

-

260,99

n=1,1


*1,1

39,71

148,896

188,61

42,31

31,01

201,23

3,61

278,07

%



21

79

100

15,22

11,15

72,33

1,3

100


Таблица 3 - материальный баланс

Поступило: топливо 100м3 в т. ч. в кг

Получено: продукты горения 244,192м3

CO2=            Всего: 364,77

     Неувязка


Определение калориметрической температуры горения

Определение начального теплосодержания дымовых газов


Определение температуры горения топлива

Принимаем  (исходя из  )


При температуре 1800


При температуре 1900


Определение калориметрической температуры горения


2.2 Предварительное определение основных размеров печи

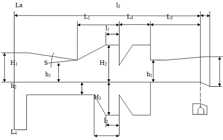
Рисунок 2 - профиль четырёхзонной печи

Ширина пода печи:

=2l+3a

при двухрядном расположении заготовок

а - pазор между заготовками = 0,25

= = 2*3200+3*0,25=6400,75м;

Ширина активного пода:

=2l=6400

-длина заготовки, м;

Площадь активного пода.


Р- плотность нагрева кг/м3

Н- напряжение активного пода, кг/м;

Длина активного пода.

 =

5,076

4,23

4,399

0,8 м

2,5 м

3 м

1,5 м

1,5 м

1,6 м

2,8 м

2,25 м

1,6 м

0,75 м

1,1 м


Находим степень развития кладки


Методическая зона


Сварочная зона 1,2.


Томильная зона


Определение эффективной длины луча.


Методическая зона.


Сварочная зона 1,2.


Томильная.


2.3 Расчёт времени нагрева металла

График 1. распределения температур по длине печи

Определение продолжительности нагрева.


=600 кг/м3


Где S - расчетная толщина заготовки, мм


Определение времени нагрева металла в методической зоне:

Находим степень черноты дымовых газов  при средней t

=0,5(1240+900)=1070°C.

Парциальное давление  равно:

= 0,1115* 98,1= 10,94 кПа


Тогда


Приведенная степень черноты рассматриваемой системы равна

Определение средний по длине методической зоны коэффициент теплоотдачи излучением


Определение температурного критерия  и критерия


Средняя температура металла по массе

=353°С

Определение времени нагрева металла

Критерий Фурье Fo=2,7 тогда время нагрева металла в методической зоне печи равно:


Находим температуру центра сляба при Fo=2,7.  

Температурный критерий .


Определение времени нагрева в I сварочной зоне

Находим степень черноты дымовых газов при

 = 10,94 кПа


Тогда

Приведённая степень черноты I сварочной зоны равна:


Определение средний по длине I сварочной зоны коэффициент теплоотдачи излучением

Находим среднюю по сечению температуру металла в начале I сварочной зоны (в конце методической зоны)

Находим температурный критерий для поверхности слябов в конце I сварочной зоны


при средней температуре металла


Теплопроводность среднеуглеродистой стали равна , а коэффициент теплопроводности =, то:


Время нагрева металла в I сварочной зоне


Определение температуры в центре сляба в конце I сварочной зоны

При значениях  Fo=1;


Определение время нагрева металла во II сварочной зоне

Находим степень черноты дымовых газов при

 = 10,94 кПа

тогда

Приведённая степень черноты II сварочной зоне

Определение среднего по длине II сварочной зоны коэффициента теплоотдачи излучением

Средняя температура металла в начале II сварочной зоны

Находим температурный критерий для поверхности заготовки в конце II сварочной зоны.


При средней температуре металла


Теплопроводность среднеуглеродистой стали равна , а коэффициент теплопроводности =, то:

Время нагрева металла во II сварочной зоне.Fo=0,5


Определение температуры в центре сляба в конце II сварочной зоны

При значениях  Fo=0,5;


Определение время томления металла

Перепад температур томильной зоны составляет

Допустимый перепад в конце нагрева составляет

Степень выравнивания температуры равна


При коэффициенте несимметричности нагрева, равно ; критерий Fo=0,5

При средней температуре металла в томильной зоне

 

Время томления


Полное время пребывание металла в печи


2.4 Уточнение основных размеров печи

Для обеспечение производительности 18,056кг/с в печи должно одновременно находится следующее количество металла


ρ-производительность печи

τ- время пребывания металла в печи


Масса одной заготовки равна

*δ*l -размер заготовки

ρ-плотность металла


Количество заготовок, одновременно находится в печи


При двухрядном расположении заготовок общая длина печи


При ширине печи B=6,4 м площадь пода

=B*L=6,4*17,02=108,928 м2

Высоту отдельных зон печи оставляем ту же, что была принята при ориентировочном расчёте. Длину печи разбиваем на зоны пропорционально времени нагрева металла в каждой зоне

Длина в методической зоне

м=

Длина в  сварочной зоны


Длина в  сварочной зоны


Длина томильной зоны


2.5 Тепловой баланс и технически -экономические показатели печи

Тепло от горения топлива


- низшая теплота сгорания

Тепло выносимое подогретым воздухом


В-тепловой баланс,%

Тепло экзотермических реакций (принимая, что угар металла составляет 1%)


Р- производительность печи

А- угар металла


Расход тепла. Тепло, затраченное на нагрев металла


Тепло, уносимое уходящими дымовыми газами.


Энтальпию продуктов сгорания при температуре

2=1972,43*0,1522=300,204

H2O=1517,87*0,1125=170,760

O2=1319,67*0,013=17,156

N2=1243,55*0,7233=899,46

899,46

Потери тепла теплопроводностью через кладку

Толщина свода = 0,3 Fпода=108,928м2

Расчёт потери тепла через свод и стены печи

г=0,25(900+1240+1350+1250)=1185

Если считать температуру окружающей среды равной tок=20, то температуру поверхности однослойного свода можно принять равной tнар=340

При средней температуре свода

к=0,5(1185+340)=762,5

Коэффициент теплопроводности каолина равна


Тогда потери тепла через свод печи будут равны




Потери тепла через стены печи толщиной  и слоя диатомита, толщиной

Наружная поверхность стен равна:

Методическая зона

Fм=2Lм*2hм

Fм=2*6,975*2*1,175=32,783 м2

 

 сварочная зона

свI =2LсвI*2hсвIсвI=2*5,325*2*2,8=59,64 м2

 сварочная зона

свII =2LсвII*2hсвII

FсвII=2*2,236*2*2,25=21,24 м2

Томильная зона

т=2Lт*2hт  

Fт =2*2,357*1,6=15,085 м2

Торцы печи


Полная площадь стен равна

ст=32,783+59,64+21,24+15,085+28,914=157,662 м2

Вычисление коэффициента теплопроводности

Средняя температура слоя шамоты равна

tш=

а слоя диатомита

д=

где - температура на границе слоёв,

- температура наружной поверхности стен


°С

t2=752,19

t3=77,454

tв=20


Общее количество тепла, теряемое теплопроводностью через кладку

под=0,1(Qсв+Qст)под=0,1(7200+1135,53)=833,553кВт

Qтепл=Qсв+Qст

Qтепл=840,405+1813,6=1022кВт

Потери тепла с охлаждающей водой по практическим данным принимаем 10% от тепла, вносимого топливом и воздухом

охл=0,1В(7200+1135,53)=833,553*В кВт

Неучтённые потери

неуч=0,15(1022+833,553*B)=125,033*В кВт

Уравнение теплового баланса

7200*В+1135,53*В+1020,164=14103,542+3858,44*В+1022+833,553*В+153,3+125,033*В

,474*В=14258,678

Откуда В=2,53 м2

Таблица 4 - тепловой баланс методической печи

Статья прихода

кВт

%

Статья расхода

кВт

%

Тепло от горения топлива Физическое тепло воздуха Тепло экзотермических реакций

29181,6 4602,3 1020,164

83,9 13,17 2,93

Тепло на нагрев металла Тепло, уносимое уходящими газами Потери теплопроводностью через кладку Потери тепла с охлаждающей водой Неучтенные потери

14103,542 15638,257  1022  3378,39  606,759

40,7 45,13  2,95  9,75  1,47

Итого

34804,064

100

Итого

34648,948

100


Неувязка работы составляет 0,44%

2.6 Технико - экономические показатели печи


Удельный расход тепла


где B - расход топлива, м3/сек

 - тепловая способность топлива, кДж/м3

 - производительность печи


Удельный расход условного топлива


СПИСОК ИСПОЛЬЗОВАННОЙ ЛИТЕРАТУРЫ

1. Кривандин В.А. Металлургические печи / В.А. Кривандин; профессор, доктор техн. наук. - Москва: Металлургия, 1962 г.

2. Кривандин В.А. Теория, конструкции и расчеты металлургических печей - 2 том / В.А. Кривандин; профессор, доктор техн. наук. - Москва: Металлургия, 1986 г.

.Мастрюков Б.С. Теория, конструкции и расчеты металлургических печей. Том 2. Расчеты металлургических печей.1986 г.

Похожие работы на - Печь как технологическое оборудование

 

Не нашли материал для своей работы?
Поможем написать уникальную работу
Без плагиата!
Без нейросетей!