Организация производства и эксплуатация оборудования на цементном заводе управления 'ФосАгроМетахим'

  • Вид работы:
    Отчет по практике
  • Предмет:
    Другое
  • Язык:
    Русский
    ,
    Формат файла:
    MS Word
    208,34 Кб
  • Опубликовано:
    2012-09-04
Вы можете узнать стоимость помощи в написании студенческой работы.
Помощь в написании работы, которую точно примут!

Организация производства и эксплуатация оборудования на цементном заводе управления 'ФосАгроМетахим'














Организация производства и эксплуатация оборудования на цементном заводе управления "ФосАгроМетахим"

Введение

цемент производство электрооборудование

Цементный завод организует производство портландцемента по сухому способу.

Основные марки выпускаемого цемента и его применение:

Ц600-Д0 применяется в производстве бетонных и железобетонных конструкциях, для изготовления сборного железобетона.

ПЦ 500 - Д0 применяется для изготовления бетонов сборных и монолитных конструкций и изделий зданий и сооружений различного назначения.

ПЦ500-Д0-Н применяется для изготовления бетона дорожных и аэродромных покрытий, железобетонных напорных и безнапорных труб, железобетонных шпал, мостовых конструкций, стоек опор высоковольтных линий электропередач, контактной сети железнодорожного транспорта и освещения.

ПЦ 500-Д0 применяется для изготовления бетонов сборных и монолитных конструкций и изделий зданий и сооружений различного назначения.

ПЦ 500-Д0-Б-это цемент, характеризующийся интенсивным нарастанием прочности в начальный период твердения. Применяется в основном для изготовления сборных железобетонных конструкций и изделий.

ПЦА. Данный цемент применяется при изготовлении асбестоцементных изделий, где предъявляются высокие требования к водостойкости, морозостойкости, долговечности. Характеризуется такими же строительно-техническими свойствами, как и обычный портландцемент.

К основному производству относятся следующие цеха:

отделение первичного дробления;

отделение вторичного дробления;

отделение сырьевых мельниц;

шлакосушильное отделение;

холодный конец печного отделения;

горячий конец печного отделения;

отделение цементных мельниц;

цементные силосы и упаковочная;

отделение силосов сырьевой муки;

объединенный склад.

К вспомогательному производству относятся:

ремонтно-механический цех;

материальный склад;

цех сортировки и хранения мелющихся тел.

К обслуживающему производству относятся:

компрессорная, 10кВ;

котельная.

К общезаводским цехам относятся:

столовая;

заводоуправление;

гараж.

Цеха принадлежащие к основному производству являются потребителями I категории. Цеха принадлежащие к вспомогательному и обслуживающему производству, а также общезаводские цеха являются потребителями II категории.

Цементное производство характеризуется наличием пыли (размер частиц до 5 мкм), состоящей из цементного клинкера, добавок, готового цемента и угля.

Завод работает в три смены.

Цементный завод большое внимание уделяет повышению качества продукции. Аккредитованная испытательная лаборатория завода, в которой установлено современное импортное оборудование, производит испытания цемента по европейскому стандарту EN-197. А выпускаемый БЦЗ цемент ПЦ-500-Д20 (с минеральными добавками) и ПЦ-500ДО (без минеральных добавок) признан товаром, соответствующим мировым образцам. При этом белорусский цементный завод постоянно наращивает объемы производства.

Цементная труба - один из перспективных видов труб самого широкого назначения, обладающих комплексом ценных свойств. Они не подвержены коррозии и гниению, не склонны к обрастанию, обладают высокой прочностью и низкой теплопроводностью, долговечны и дешевле аналогичных труб из других материалов. Цементная труба для теплосетей выигрывает у металлической с точки зрения теплоизоляции, поскольку теплопроводность цемента почти в 100 раз ниже, чем у стали.

Цемент представляет собой тонкоразмолотый минеральный порошок, способный при смешении с водой образовывать пластичную массу, с течением времени затвердевающую в камневидное тело. Самый распространенный цемент, называемый, цемент портланд получают путем обжига при высокой температуре (1400-1500°) природного сырья в виде мергелей или искусственной смеси известняка с глиной и другими материалами. В сухом помещении цемент портланд может сохраняться достаточно долгий промежуток времени, практически не теряя своих свойств, но в большинстве случаев становится при этом уменьшается его схватываемость, так как идет постоянное поглощение влаги из воздуха, а одновременно и углекислоты, при чем на поверхности цементных зерен образуется тончайшая пленка углекислой извести. Этим объясняется и действие на цемент выдерживания его в силосах.

Цемент дозатор предназначен для дозирования сыпучих компонентов с различными физическими свойствами, в частности цемента. Запуск процесса дозирования возможен как непосредственно с клавиатуры управляющего устройства (автономно для каждого дозатора), так и по команде от удаленного компьютера. Конфигурация цемент дозатора определяется специалистами проектно-конструкторского отдела после проведения исследовательских работ на конкретном производственном объекте.

Оборудование фасовки цемента предназначено для механизации технологического процесса, непосредственно фасовки как самого цемента, так и других тонкодисперсных материалов в закрытые (клапанные) мешки. Оборудование фасовки цемента облегчает условия труда рабочих упаковочных отделений и снижает запыленности воздуха на рабочем месте оператора.

Для более продуктивной работы и повышения объемов производства создается цементный завод сайт. Так потенциальные потребители производимой продукции могут наглядно видеть все преимущество того или иного этапа работы, оказания услуг. Цементный завод сайт- это современное решение для отечественных производителей.

Оборудование цементных заводов должно в первую очередь оправдывать капитальные вложения, поэтому регулярно осуществляется расчет технологической и энергетической эффективности производства. Сейчас внедряется в эксплуатацию все больше нестандартное оборудование цементных заводов, поскольку появляются новые возможности повышения работоспособности.

Для каждого вида сырья должен быть выбран такой способ подготовки, который обеспечивал бы тонкое измельчение и равномерное перемешивание компонентов шихты с минимальными энергетическими затратами. Сегодня в цементной промышленности есть три основных способа производства, отличающиеся технологическими приемами подготовки сырьевых смесей: мокрый, комбинированный и сухой. Производство цемента сухим способом предполагает сушку сырьевых компонентов с последующим их смешением и обжигом. По итоговым исследованиям специалистов доказано, что эффективнее традиционного мокрого метода на 25-30%- сухой, производство цемента обеспечивает 50% экономии топлива.

Волховский цементный завод является одним из крупнейших цементных заводов. Он является крупнейшим поставщиком. Цементный завод постоянно осуществляет модернизацию производства, что ведет к росту производственных мощностей.

ОАО Метахим осуществляет деятельность, связанную с капиталовложениями в ценные бумаги предприятий цементной промышленности на территории Российской Федерации и стран СНГМетахим - холдинговая структура.

1. Общее знакомство с предприятием

1.1     Состав предприятия и организационная структура управления филиалом «ФосАгро Метахим»

В цехе работает 203 человека.

.2 Характеристика и история предприятия

. История цеха.

Химическое производство ЗАО «Метахим» было основано в конце 50-х - начале 60-х гг. на основе Волховского алюминиевого завода. «Метахим» был образован в процессе выделения отдельного химического производства из общего состава завода в январе 2004. Предприятие находится в подчинении ООО «Управляющая компания «СевЗапПром». Сейчас в «Метахиме» трудится около 2,5 тысяч рабочих.

В крупных объемах было налажено производство нового направления продукции: силумина и аглофоса. По данным 2004 года завод произвел: очищенного поташа (99%) 8 861 тонн, триполифосфата натрия 78 295 тонн, очищенного поташа (100%) 46 285 тонн и 124 979 тонн серной кислоты.

Волховский алюминиевый завод выпускает:

Серную кислоту (с 1962 г).

Известняково-магнезиевый флюс для сталелитейной и железной промышленности.

Сульфат калия (с 1994 г).

Триполифосфат натрия (с 1994 г).

Тринатрийфосфат (с 1995 г).

Сульфат алюминия (с 1998 г).

Высокоглиноземистый цемент (с 1995 г).

С 1950 года - был налажено производство алюминия высочайшей чистоты. 20 февраля 1958 г. было принято знаковое решение, инициатором которого выступил директор ВАЗа, И.Л. Талмуда. Советом Министров СССР было утверждено решение об организации на базе ВАЗа целого химического производственного комплекса. Благодаря этому, впервые была осуществлена детально продуманная схема, комплексной переработки апатит-нефелинового сырья, добываемого на Кольском месторождении. Также в 60-х годах в ВАЗе были запущенны цех по производству двойного суперфосфата и серной кислоты.

С 1972 года, был налажен выпуск криолита, на основе утилизированных газов содержащих фтор, соды местного производства и гидроокиси алюминия. Криолит используют для производства облицовочной керамической плитки. С 1994 г. ВАЗ стал выпускать сульфат натрия, триполифосфат и сульфат алюминия. На сегодняшний день это производство переоборудовано на изготовление сульфата калия, триполифосфата натрия.

«Волховский алюминиевый завод им. С.М. Кирова» (ВАЗ) - это детище одной из первых пятилеток. Предприятие было заложено недалеко от Волховской ГЭС в июле 1930 г. В мае 1932 года, Волховский алюминиевый завод произвел первый алюминий в СССР. Еще через пару лет Волховский завод смог полностью обеспечить отечественную промышленность алюминием. И к Великой Отечественной войне СССР заняло лидирующее место в мире по производству этого стратегически важного металла.

Предприятие имеет собственную транспортную инфраструктуру, что дает великолепный потенциал развития этого производства в будущем.

.3 Схема технологического процесса


1.4 Описание схемы технологического процесса

Известняк и глину предварительно дробят, затем высушивают до влажности примерно 1% и измельчают в сырьевую муку. Сушат известняк и глину либо раздельно, используя для этой цели сушильные барабаны или другие тепловые аппараты, либо совместно в сырьевых сепараторных мельницах, в которых одновременно осуществляются помол и сушка материалов. Последний способ более эффективен и применяется на большинстве новых заводов, работающих по сухому способу.Для получения сырьевой муки определенного химического состава мельниц ее направляют сначала в смесительные, а затем в корректирующие силосы, куда дополнительно подается сырьевая мука с заведомо низким или высоким титром (содержанием CаCO3). В силосах мука перемешивается сжатым воздухом.Подготовленная сырьевая смесь поступает в систему циклонных теплообменников, состоящую из нескольких (обычно четырех) степеней циклонов, соединенных между собой и с короткой (40-70 м) вращающейся печью газоходами. Проходя последовательно через все циклоны, сырьевая мука нагревается движущимися ей навстречу дымовыми газами, выходящими из печи. Время пребывания смеси в циклонных теплообменниках не превышает 25-30 с. Несмотря на это, сырьевая мука не только успевает нагреться до температуры 700-800 С, но и полностью дегидратируется и частично (на 20-25%) декарбонизируется. Из циклонов материал поступает в печь, где происходят дальнейшие реакции образования цементного клинкера. Из печи клинкер пересыпается в холодильник, и после охлаждения направляется на клинкерный склад.Другие технологические операции при сухом способе производства - подготовка гидравлических добавок и гипса, помол цемента, его хранение и отправка потребителю - такие же, как и при мокром способе.


Смысл работы отдела материально-технического снабжения состоит в следующем:Старший мастер оформляет заявку на необходимые материалы, передает ее в отдел материально-технического снабжения, где ее согласуют с финансовым отделом, составляют каждый месяц финансовый план. Финансовый отдел согласует заявки с поставщиками через систему САПР-3, и чаще всего самовывозом необходимый товар доставляется (железнодорожным или автомобильным транспортом) на склад, откуда распределяется по начальным заявкам по мастерским.

.6 Потребности предприятия и источники электро-, водо- и теплоснабжения

Предприятию для нормальной работы необходимо основное сырье и материалы с учетом возврата(сера) и энергетические ресурсы( элетроэнергия, сжатый воздух, вода производственная, вода оборотная).

Общепроизводственные расходы

Электроэнергия (освещение и др.)

тыс. кВтч

85

Лимит расхода горячей воды(гор. водоснабжение)

м3

133900

Лимит расхода горячей воды(отопление)

м3


Лимит расхода хоз-питьевой воды

м3

882

Лимит расхода пром.ливн. стоков

м3

13500

Лимит расхода хоз-бытовых стоков

м3

3500


Нормы расхода сырья, материалов, энергоресурсов

Слабоцементированная скрытокристаллическая порода, имеющая белый цвет это - мел. В его состав входят мельчайшие органические остатки и микрозернистый кальций. Плотность мела 1600-2400 кг/м3, влажность 15-25%, прочность на сжатие 0,5-15МПа.

Мергель - особый вид карбонатного сырья. Получается он от осадков при переходе горных пород от известняков к глине. Мергель это тонкодисперсная, однородная смесь песчано-глинистого вещества (20-50%) и маленьких частиц углекислого кальция (50-80%). Физические качества мергелей разные, одни могут иметь большую прочность и плотную структуру, а другие могут быть рыхлыми и мягкими.

Глинистые породы - это такие породы, которые сложены из тонких частей осадочной землистой породы. Глинистые породы делят на следующие группы: монтмориллонитная, каолинитная, глинистые гидрослюдные минералы.

Даже в местах одного месторождения глинистые породы могут иметь разный гранулометрический и минералогический состав. Природная влажность глины 10-30%, а ее плотность 1,7-2,1 т/м3.

В производстве цемента в месте с глиной применяют лесс, глинистый сланец, суглинки. Глинистые породы суглинки содержат большое количество кварца. Их природная влажность 7-24%, а плотность составляет 1,4-2,1 т/м3.

Практически не пластичная землистая порода, которая состоит из каолинита, полевых шпатов, кварца, кальция и слюда - это лесс. Природная влажность, которой 3-14%, а плотность 1,4-1,85 т/м3.

Твердая похожая на камень слоистая порода - это глинистый сланец. Его природная влажность 2-12%, а плотность 2,1-2,4 т/м3. Отличительная особенность глинистого сланца он не растворяется в воде.

Добавки корректирующие для глиноземистых пород - это боксит, маложелезистые глины. Добавки кремнеземистые - это опока, песок, трепел.

При очень подходящем химическом составе исходных материалов можно сделать портландцементную сырьевую смесь из двух составляющих: глинистого и карбонатного.

.7 Перспективы развития предприятия

Петербургский филиал банка "BSGV" предоставил ЗАО "Метахим" кредитную линию в размере 250 млн. рублей, которые пойдут на развитие цементного производства.

Средства направят на техническое перевооружение волховского цементного завода "Метахим", принадлежащего управляющей компании "СевЗапПром". Это один из трех областных производителей цемента, площадка которого расположена ближе всего к Петербургу.

Сейчас мощности предприятия составляют около 600 000 тонн цемента в год. В 2009-м компания планирует достичь объемов выпуска на уровне 1 млн. тонн. Руководство "Метахима" подчеркивает, что их компания - единственная в Ленобласти, которая в этом году не снизила объемов производства. Например, "Евроцемент" уменьшил мощности почти в полтора раза, хотя данная ситуация скорее объясняется трудностями с поставками сырья.

В связи с реконструкцией Пикалевского глиноземного комбината, который отгружал нефелиновый шлам на завод "Евроцемента", холдинг вынужден переходить на другое сырье. Производство цемента на "Метахим" ведется по классической схеме - из известняка. Спрос на волховский цемент объясняется близостью предприятия к Петербургу.

Транспортная составляющая в стоимости цемента в данном случае ниже, чем у других областных поставщиков, чьи предприятия по производству цемента расположены в Пикалево и Сланцах. Особенно этот факт играет важную роль при поставках сравнительно небольших партий цемента в оперативных периодах.

По итогам первого полугодия в Ленинградской области произведено в общей сложности 1,38 млн. тонн цемента. Общая емкость местного рынка за тот же период оценивалась в 2 млн. тонн. На фоне сокращения местных производств происходит увеличение объемов привозного цемента, особенно евроцемента.

2. Схемы электроснабжения

.1 Особенности электроснабжения предприятия

Электроснабжение ТП10/0,4 следует выполнять кабельными линиями по магистральной или радиальной схеме[1]. При этом к одной КЛ может быть подключено до 3-х трансформаторов мощностью 1000кВА. В нашем случае выбрана смешанная схема. Мощность трансформаторов на всех ЦТП не превышает 630кВА. Питание ЦТП 1, 10, 4, 5, 13, 6 выполнено пятью магистральными кабельными линиями. Питание ЦТП 11, 2, 3 и 7, 8, 9 выполнено 3-мя магистралями. ЦТП 12 получает питание двумя радиальными КЛ непосредственно от ГПП. Цеха, не имеющие собственных ЦТП (1 ,2, 14, 15, 17, 18) получают питание по радиальным кабельным линиям 0,4 кВ. Все КЛ изображенные на генплане (лист 2 графической части) проложены в траншеях. Все линии трасс прокладываются в одной траншее, так как по ПУЭ допускается прокладка до 6 кабелей на напряжение 10 кВ в одной траншее.

.2 Описание схемы электроснабжения и изучение ее элементного состава

Цеховые сети 0,4 кВ получают питание от ЦТП№11 находящейся внутри цеха. ЦТП получает электроэнергию по кабелю, проложенному через внешнюю стену цеха через патрубок. Расположение цеха на плане (лист 1 графической части) соответствует расположению на генплане (лист 2 графической части). Отметки уровней прокладки проводок отстраиваются от нулевой отметки, соответствующей уровню пола.

От ЦТП получает питание распределительный щит (РЩ1) кабелем в гофрированной трубе проложенной на уровне пола, что не противоречит ПУЭ, так труба выполнена из трудносгораемого материала (ПВХ), а бетонный пол цеха является несгораемым. Ввод и отходящие линии РЩ1 находятся в нижней части шкафа, так как все они расположены на либо на уровне пола либо на более нижних отметках (-0.200; -0.400). Все отходящие линии РЩ1 (ЭП 1, 2, 3, 4, 5, 6, 8, 9, РП1, РП2, РП3) проложены в полу в трубах так как питаемое ими оборудование расположено разрознено и с различной плотностью. Кроме того прокладка в трубах и в полу улучшает защиту проводов и кабелей от вредных воздействий химических веществ выделяемых при производстве оборудованием цеха. Трубы линий питающих группы ЭП 1, 2, 3, 4 и 5, 6, 7, 8 проложены магистралями для удобства монтажа во время выполнения архитектурно-строительной части. Линии до распределительных пунктов РП1, РП2, РП3 также проложены в трубах в полу. Их прокладка не выполнена магистралями по соображениям экономии и возможных недопустимых отклонений напряжения на самом удаленном РП1.

Для питания групп ЭП 10, 14, 13, 12 и 7, 11 от РП3 трубы также проложены магистралями, причем трубы, проложенные к ЭП 7, 11 совпадают по направлению с трубой, в которой находится проводка питающая РП3. Линия РП3- ЭП12 является радиальной. Все проводки РП3 вводятся в нижней части шкафа.

Труба проложенная от РЩ1 к РП2 находится на отметке -0.400 (согласно плану цеха) так она пересекается с тубой проложенной к ЭП10. Трубы от РП2 расположены радиально так как ЭП15, 16, 17 расположены разрознено. Все входящие и отходящие линии РП2 выполнены в нижней части шкафа.

Линий РЩ1-РП1 проложена на отметке -0.400 так как она имеет пересечения с линиями питающими ЭП10 и 17. Так как питающая линия проложена в полу ввод РП1 расположен снизу. Проводки отходящие к ЭП18, 19 выводятся в верхней части шкафа. Они выполнены в отдельных гофротрубах проложенных по стене и потолку на скобах из ПВХ (ЭП18,19 это вентиляторы расположенные на уровне потолка цеха (8м)). При этой прокладке нет необходимости выдерживать расстояния между трубой и стеной (потолком) так как и материал трубы является трудносгораемым, а материал стен несгораемым ( бетон).

Также от ЦТП получает питание мостовой кран (ЭП32). Троллей крана расположен на высоте 7м и закреплен на колоннах по всему пролету цеха. Провода от ЦТП к троллею проложены в ПВХ гофротрубе по стене на скобах из ПВХ. ЦТП находится в зоне действия крана и поэтому согласно ПУЭ должно иметь защиту от механических воздействий.

Кроме РЩ1 и мостового крана к ЦТП присоединен шинопровод (ШР1). Вводная линия и линии отходящие к ЭП 20, 21, 23, 24, 26, 30, 31, 33, 29 от шинопровода до уровня пола проложены в гладких ПВХ трубах открыто. Далее прокладка перечисленных линий осуществляется в трубах в полу. Шинопровод расположен на уровне 3-х метров от пола что не противоречит ПУЭ. Крепления ШР1 по колоннам выполнено кронштейнами, в межколонных промежутках - подвесами. Расстояний между соседний креплениями - 3м. Так как ШР1 рассчитан на ток 100А то по ПУЭ при его положении (вне мертвой зоны крана) не требуется дополнительная защита от механических воздействий. Коробки с коммутационной и защитной аппаратурой вводной и отходящих линий расположены непосредственно на шинопроводе. Проводки к ЭП 22, 25, 27, 28 расположены в гофрированных трубах, свисающих с уровня шинопровода до уровней оборудования. Прокладка перечисленных проводок открыто связана с малым расстоянием между шинопроводом и электроприемниками (менее 1м).

При расположении оборудования на расстоянии не соответствующей строительной длине труб используются надставные отрезки труб. Крепление труб друг к другу и к оборудованию выполняется термоусадочными муфтами. Вход в пол и выход из пола всех труб выполнен через угловой элемент согнутый под углом 90⁰. Высота выхода (входа) трубы не более 200 мм. Это обусловлено возможностью повреждения при монтаже основного оборудования. Диаметры труб выбраны с учетом диаметров проводов, а также сложности протяжки. На плане цеха указаны марки и сечения проводов и кабелей, а также диаметры труб только для основных линий (ЦТП-РЩ1,РЩ1-РП1, РЩ1-РП2, РЩ1-РП3, ЦТП-ШР1, ЦТП-ЭП32) и линий выбранных для расчета токов КЗ (РП1-ЭП19, ШР1-ЭП29, ШР1-ЭП33). Диаметры угловых элементов труб выбираются с учетом угла изгиба и диаметров прокладываемых проводов и кабелей. Затяжка проводов и кабелей в трубы следует после окончания общестроительных и отделочных работ, монтажа технологического и электротехнического оборудования.

3. Изучение электрооборудования цеха

.1 Спецификация основного оборудования

Номер по плану

Наименование цехов и нагрузок

Количество электроприемников

Установленная мощность, кВт




одного эл. приемн., Pн

суммарная, Pн

1

Отделение первичного дробления

15

10-30

310

2

Отделение вторичного дробления

11

10-50

270

3

Отделение сырьевых мельниц

20-50

2200

4

Шлакосушильное отделение

16

5-40

350

5

Холодный конец печного отделения

16

20-150

2150

6

Горячий конец печного отделения

35

50-150

1850

7

Объединенный склад

29

10-80

1920

8

Отделение цементных мельниц

30

10-100

1250

9

Компрессорная

20

1250

5000

10

Цементные силосы и упаковочная

4

20-80

690

11

Отделение силосов сырьевой муки

15

14-100

1250

12

Ремонтно-механический цех

33

1,54-70

722

13

Котельная

45

10-80

1370

14

Материальный склад

14

3,8-28

126

15

Цех сортировки и хранения мелющихся тел

10

5-14

80

16

Столовая

35

1-30

580

17

Заводоуправление

35

200

18

Гараж

23

1-10

125

Номер цеха по плану

Наименование оборудования

Установленная мощность, кВт

 

1,2,3,4

Шахтная электропечь

28

 

5,6

Камерная электропечь

70

 

7,12,15

Закалочный бак

1,54

 

8,9

Шахтная электропечь

42

 

10

Ванна обезжиривания

2,1

 

11,13,14

Электропечь-ванна

28

 

16,17

Установка высокой частоты, кВА

42

 

18,19

Вентиляторы

14

 

20,21,22

Универсальный круглошлифовальный станок

10,5+2,1+0,84

 

23,24

Токарный станок

5,6+1,54+0,84

 

25,26,27

Токарно-винторезный станок

14+1,54+0,28

 

28,29

Вертикально-фрезерный станок

10,5+2,1+0,28

 

30,31

Вертикально-сверлильный станок

10,5+0,56

 

32

Кран мостовой, G=5т, ПВ=25%

10,5+3,08+15,4

 

33

Заточный станок

3,08

 


3.2 Характеристика электрооборудования и особенности его эксплуатации, ремонта и наладки

Использование в основном производстве большого количество механического оборудования (машины для дробления материалов; шаровых, трубных, среднеходовых, вибрационных мельниц; вспомогательных устройств дробильно-размольных установок; глиноболтушек для отмучивания глины; вращающихся печей; шахтных печей; оборудования для транспортировки материалов; пылеуловителей; оборудования складов и силосов) обуславливает наличие ремонтно-механического цеха. Цех как и завод работает в три смены.

Ремонтно-механический цех это отдельно стоящее здание на территории завода общей площадью 864м2 . Габаритные размеры: длина - 36 м, ширина - 24 м, высота - 8 м. Стены выполнены бетонными блоками. В цехе имеется 7 колонн. Цех имеет термохимическое и механическое отделения, разделенные кирпичной стеной, а также склад и комнату мастеров высотой 3 метра. Термохимическое отделение имеет комнату с закалочным баком и двумя установками высокой частоты, остальное оборудование распределено по площади отделения. Оконных проемов - 10, шириной -4м, высотой 6м. Высота расположения оконных проемов - 1м над уровнем пола. Наружный и внутренний в склад дверные проемы - 4х7м.Внутренний в комнату термо-химического отделения - 2х4. Внутренний в комнату мастеров - 1х2,5м. Пол цеха - железобетонный.

Оборудование цеха:

электропечи шахтные предназначены для термообработки (нагрев, закалка, обжиг) изделий в воздушной среде.

электропечи камерные предназначены для любых видов термообработки (нагрев, закалка, обжиг) в воздушной среде.

закалочный бак. Бак для закалки предназначен для охлаждения изделий в закалочном режиме после нагрева их в процессе термической обработки .

ванна обезжиривания. Установка необходимая для химического либо электрохимического обезжиривания поверхности конструкций и деталей подлежащих дальнейшей химической, термической или механической обработке.

электропечи-ванны предназначены для закалки, цианирования, нормализации и отпуска металла в расплавленных средах (селитре, хлористых солях, свинце).

высокочастотная установка. Установки индукционного нагрева используются во многих отраслях промышленности для осуществления эффективных технологических процессов электротермической обработки изделий. Установки ТВЧ применяются там, где требуется быстрый бесконтактный нагрев металлов и других проводящих материалов.

вентилятор крышный предназначен для удаления из помещений промышленных и общественных зданий воздуха и других невзрывоопасных газовоздушных смесей, агрессивность которых по отношению к углеродистой стали обыкновенного качества не выше агрессивности воздуха с температурой не выше +50°С, которые не содержат липких веществ, волокнистых материалов, пыли и других твердых примесей не более 100 мг/м3. Крышные вентиляторы ВКР устанавливаются на крышах промышленных и общественных зданий и могут работать как без сети так и с сетью воздуховодов.

универсальный круглошлифовальный станок используется в области машиностроения для наружного и внутреннего шлифования деталей различной формы, требующих высокой точности изготовления и качества прошлифованных поверхностей, например в условиях инструментального производства.

токарный станок - станок для обработки резанием (точением) заготовок из металлов и др. материалов в виде тел вращения. На токарных станках выполняют обточку и расточку цилиндрических, конических и фасонных поверхностей, нарезание резьбы, подрезку и обработку торцов, сверление, зенкерование и развертывание отверстий и т.д.

токарно-винторезный станок предназначен для выполнения разнообразных токарных и винторезных работ по чёрным и цветным металлам, включая точение конусов, нарезание метрической, модульной, дюймовой и питчевыхрезьб и используется главным образом в условиях единичного и мелкосерийного производства.

вертикальный консольно-фрезерный станок предназначен для обработки фрезерованием разнообразных поверхностей на небольших и не тяжелых деталях в условиях единичного и серийного производства.

вертикально-сверлильный станок предназначен для получения сквозных и глухих отверстий в сплошном материале, для чистовой обработки (зенкерования, развёртывания) отверстий, образованных в заготовке каким-либо другим способом, для нарезания внутренних резьб, для зенкования торцовых поверхностей.

заточной станок предназначен для заточки и доводки основных видов режущих инструментов из инструментальной стали и твердых сплавов: цилиндрических и конических инструментов (сверл, зенкеров, метчиков).

С точки зрения опасности поражения электрическим током людей цех принадлежит к особо опасным помещениям, так как считается жарким из-за наличия термообрабатывающих установок, имеет токопроводящие полы (железобетон) и химически активную среду, создаваемую термохимическим оборудованием. По пожароопасности помещение цеха принадлежит к категории Г, так как в цехе по технологическим признакам имеются негорючие вещества и материалы в горячем, раскаленном или расплавленном состоянии, процесс обработки которых сопровождается выделением лучистого тепла. Помещение цеха является жарким так как в нем имеются термообрабатывающие установки. Жаркие помещения - помещения, в которых под воздействием различных тепловых излучений температура превышает постоянно или периодически (более 1 сут.) +35 °С.

3.3 Изучение принципиальных схем управления основным электрооборудованием


.4 Изучение схем и систем автоматического контроля и сигнализации.


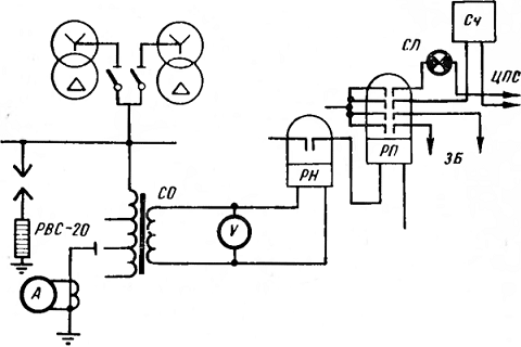
Схема сигнализации катушек 35 кВ с включением реле в сигнальную обмотку.Схемы сигнализации катушек на 35 кВ часто задействованы от реле напряжения РН, срабатывающего при появлении напряжения смещения нейтрали в случае замыкания на землю.Схемы сигнализации содержат обязательно элементы запрещающей блокировки ЗБ, устраняющей возможность проведения операций с разъединителями катушки при замыкании на землю.Вольтметры контроля изоляции на подстанциях и схемы сигнализации дугогасящих катушек информируют персонал о происшедшем в сети замыкании на землю, не указывая однако поврежденного участка пли линии. Релейные защиты от замыканий на землю в распределительных сетях, как правило, действуют на сигнал и только в тех случаях, когда работа с заземленной фазой неприемлема по условиям безопасности (например, па линиях, питающих торфоразработки, передвижные механизмы на строительных площадках и т. п.), на отключение. В сети с компенсацией емкостного тока при настройках, близких к резонансным, почти неприменимы устройства релейных защит, основанные на использовании установившихся токов, - токи, возникающие при замыканиях на землю в поврежденных и неповрежденных элементах сети недостаточно четко различаются, и поэтому весьма трудно добиться селективности земляной сигнализации.Избирательная сигнализация поврежденных участков сети строится на использовании токов переходного процесса замыкания на землю или токов высших гармоник, которые не компенсируются дугогасящими катушками. Много лет успешно работает в Одессаэнерго избирательная сигнализация замыканий на землю, основанная на сравнении знаков первых полуволн высокочастотного тока (как было показано в § 6, на поврежденной и неповрежденных линиях эти знаки различны). Сигнальное устройство выполнено на тиратронах с холодным катодом и имеет несложный фильтр для выделения первого полупериода тока. Предложена также более сложная схема с импульсным реле мощности (разработка Энергетического института имени Г. М. Кржижановского).В настоящее время наиболее совершенной является универсальная защита типа УСЗ, разработанная ВНИИЭ и изготовляемая Чебоксарским электроаппаратостроительным заводом. Она состоит из элемента, реагирующего на знак мощности переходного процесса, и элемента, реагирующего на высшие гармоники, а также элементов, образующих логическую часть схемы.Защита типа УСЗ, выполненная в нескольких модификациях, способна селективно фиксировать установившиеся и кратковременные замыкания на землю.

.5 Описание работы схем управления

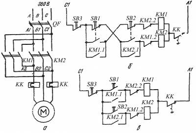
Рисунок - Схема управления асинхронным двигателем с помощью реверсивного магнитного пускателя: а - силовая цепь; б - цепь управления с электрической блокировкой контактами магнитного пускателя и контактами кнопочной станции; в - цепь управления с электрической блокировкой контактами магнитного пускателя Реверсивные магнитные пускатели комплектуются из двух нереверсивных. Они снабжаются механической блокировкой, исключающей одновременное включение двух контакторов, в результате которого могло бы произойти короткое замыкание. Электрические блокировки для предотвращения одновременного включения двух контакторов осуществляются с помощью размыкающих контактов КM1 и КM2 (рисунок б). Аналогичные электрические блокировки осуществляются также размыкающими контактами трех кнопочных станций (в). Пусковые элементы этих станций («вперед» и «назад») имеют по два механически связанных замыкающих и размыкающих контакта. При нажатии на кнопку первым отключается размыкающий контакт, а затем включается замыкающий.

3.6 Изучение работы на рабочих местах электротехнического персонала цеха

Описание ревизии асинхронного двигателя. Разборку двигателя осуществляют в следующей последовательности: Отсоединяют от двигателя токоведущие провода. Отсоединяют двигатель от приводимого механизма. Снимают полумуфту с вала электродвигателя при помощи съёмника. Отсоединяют двигатель от фундамента. Откручивают болты, крепящие кожух двигателя и снимают кожух. Снимают наружное кольцо вала, запирающего вентилятор, снимают вентилятор при помощи отжимных болтов. Откручивают болты, крепящие крышки подшипника к переднему щитку и наружную крышку. Откручивают болты, крепящие передний, расположенный со стороны привода, и задний расположенный со стороны, обратной приводу, щиты. Выводят передний щит из замка при помощи отжимных болтов (они же крепящие) и лёгкими ударами молотка через проставку из мягкого металла снимают щит . Выводят задний щит из замка станины, подают лёгкими ударами в сторону заднего щита и, поддерживая ротор, выводят его осторожно из статора, чтобы не повредить лобовые части обмотки. Кладут вынутый ротор с задним щитом на деревянную подставку во избежание его повреждения. Разъединяют задний щит с ротором, для чего откручивают болты, крепящие крышку подшипника к заднему щиту, и снимают её, снимают задний щит ударами молотка из лёгкого металла. Снимают подшипник только при необходимости из замены, при этом снимают подшипник с помощью съёмника. Очищают и тщательно промывают бензином или керосином посадочные поверхности под подшипник. Нагревают подшипник минеральным маслом до температуры 70-80 градусов. Насаживают нагретый подшипник на вал до упора внутреннего кольца вала. Собирают двигатель в последовательности обратной разборке. Проверяют рукой, свободно ли вращается ротор после сборки двигателя. Ротор должен вращаться без особых усилий, шума, стука и заеданий. Проверяют сопротивление изоляции обмоток относительно корпуса.

4. Предложения по реконструкции электрооборудования цеха и улучшению работы электрослужбы

Своевременно производить планово предупредительный ремонт. Заменять устаревшие двигателя на более усовершенствованные, новые двигателя и устанавливать их так, чтобы на одинаковые приводы ставить одинаковые двигателя и всего один резерв. Рационально использовать оборудования так, чтобы два двигателя работали в полную мощность, а не три в малую мощность. На асинхронные двигателя устанавливать частотные преобразователи для регулировки нагрузки. Необходимо приобретать новое оборудование, наиболее надёжное по ревизии двигателя. Устанавливать наиболее надёжные системы сигнализации для наиболее быстрого реагирования системы.

5. Организация планово-предупредительного ремонта электрооборудования

ППР электрооборудования в цехе производится согласно с графиком ППР лицами, ответственными за закрепленное за ними оборудование.

График ППР основного электрооборудования серии электролиза(выдержка)

№№ п.п.

Наименование

Перечень работ

Дата по графику

1

Грузоподъемные механизмы, эл.тали

Пусковая аппаратура, приборы безопасности, кнопки управления, световая и звуковая сигнализация, заземление.

С 1 по 3

2

Щиты управления и пусковая аппаратура

Приборы, реостаты, магнитные пускатели и кнопки, контакторы, ящики сопротивлений, блокировки, места подключения проводов и кабелей. Магнитные станции. Заземления.

С 3 по 7

3

Электродвигатели

Вибрация. Центровка, щеточные механизмы, клемники, коллектора, контактные кольца, выводные концы, заземление.

С 7 по 10

4

Силовые щиты и сборки

Осмотр РП, подключение кабелей и проводов, установка предохранителей по току, надписи в щитах и на предохранителях, заземление.

С 10 по 14

5

Контур заземления

Осмотр всего контура по цеху, места соединения контура.

С 15 по 17

6

Освещение

ЩО, светильники всех типов, выключатели, розетки, понижающие трансформаторы, осветительные сети, заземление.

С 17 по 20

7

Сварочные аппараты

Рубильники, подключение проводов и кабелей, клемники, сварочные точки, предохранители, наконечники сварочных проводов, заземление.

С 21 по 25

7

Кабельные сети

Осмотр кабельных сетей

С 26 по 28

8

Щитовые помещения

Порядок, чистота, наличие и исправность средств защиты.

С 28 по 31


6. Мероприятия, принятые на предприятии по повышению коэффициента мощности

Компенсация реактивной мощности, или повышение коэффициента мощности электроустановок промышленных предприятий, имеет большое народохозяйственное значение и является частью проблемы повышения КПД работы систем электроснабжения и улучшения качества отпускаемой потребителю электроэнергии. Различают следующие коэффициенты мощности:

. Текущий . Определяем  предприятия в любой момент времени.

2. Средневзвешенный (). Определяется за заданный промежуток времени, период времени, смену, рабочий день и т. д.

. Наивыгоднейший(). Определяется конкретно для производства, путем технико-экономического сравнения различных вариантов электроснабжения предприятия.

. Нормативный (). Определяется исходя из места присоединения потребителя.

Нейтральный (). Служит для взаимных расчетов при оплате за электроэнергию по 2х- ставочному тарифу.

Снижение  приводит к увеличению потерь электроэнергии, поэтому повышение  является народнохозяйственной задачей. Мероприятия по повышению  подразделяются на 3 группы:

. Мероприятия, не связанные с применением компенсирующих устройств, целесообразнее во всех случаях:

а) упорядочение технологического процесса. Оно сводится:

·   к увеличению производительности труда;

·   к исключению холостых режимов работы технологических линий;

·   подбор оборудования по номинальной мощности;

б) переключение обмоток электрических машин с треугольника на звезду;

г) ограничение холостого хода двигателей и трансформаторов путем,

например, ограничения холостого хода сварочного трансформатора;

д) замена АД синхронными, там, где это возможно по технико-экономическим соображениям.

. Мероприятия, связанные с применением компенсирующих устройств:

а) установка батарей статических конденсаторов;

в) установка синхронных компенсаторов.

. Мероприятия, применяемые в порядке исключения:

а) использование синхронных генераторов в качестве синхронных компенсаторов;

б) использование синхронных двигателей в качестве синхронных компенсаторов;

в) синхронизация АД при нагрузке на валу двигателя не более 70% от номинальной мощности.

Экономическое значение  состоит в том, что от него зависят капитальные и эксплутационные расходы, а также эффективность использования электроустановок. Увеличение cos ведет к уменьшению тока, сокращению потерь электроэнергии, более полному использованию трансформаторов и генераторов.

Для повышения  приняты мероприятия, предусматривающие установку компенсирующих устройств. Осуществляется централизованная компенсация путем установки на КПП двух синхронных компенсаторов КС 1500-11 10,5 кВ, 15000 кВА, 750 об/мин. Это связано с тем, что при электролизе аллюминия необходимо качественное сглаживание пульсаций тока при выпримлении, минимальные колебания напряжения, а батареи статических конденсаторов не могут этого обеспечить.

7. Вопросы охраны труда, техники безопасности, охраны окружающей среды

Главные воздействия на окружающую среду при производстве цемента связанны со следующими факторами:

Пыль (выбросы из дымовых труб и быстроиспаряющиеся компоненты)

Газообразные выбросы в атмосферу (NOx, SO2, CO2, VOC, другие)- Другие выбросы (шум и колебания, запах, техническая вода, отходы производства и т.д.)

Потребление ресурсов (энергия, сырье)

Пыль

Исторически, выбросы пыли (особенно от печей), как загрязняющий окружающую среду фактор цементного производства, вызывают наибольшее беспокойство.В основном причиной выбросов пыли являются сырьевые заводы, печи для обжига, клинкерные холодильники, цементные мельницы. Основная особенность этих процессов это то, что горячий отработанный газ или отработанный воздух проходит через измельченный до состояния пыли материал, что приводит к образованию дисперсионной смеси газа и пыли. Основные свойства частиц зависят от исходного материала а именно сырьевого материала, клинкера или цемента.На данный момент доступны современные технические методы снижения пыли (электростатические осадители, фильтры), что снизило пылеобразование в цементной промышленности за последние 20 лет приблизительно на 90 %.

Пылеобразование из рассредоточенных источников на территории завода (“сдуваемая пыль”), может происходить в результате хранения и погрузки то есть в транспортной системе, складских запасах, во время движения подъемного крана, упаковки в мешки, и т.д., и в процессе транспортировки, во время движения транспорта по грунтовым дорогам.Поскольку химический и минералогический состав цементной пыли подобен природному камню, ее воздействие на здоровье человека считается вредным, но не токсчиным.Снижение и контроль за пылеобразованием на современном цементном заводе нуждается в инвестировании и компетентных методах управления, но это уже не технические проблемы.Выделение газов в атмосферу. Газообразные выделения от системы печей, выбрасываемые в атмосферу, являются проблемой номер один в борьбе с загрязнением окружающей среды при производстве цемента сегодня.Основные газы, которые выбрасываються в атмосферу это - NOx и SO2. Другие менее вредные соединения - VOCs (летучие органические соединения), CO, аммиак, HCl, и тяжелые металлы.CO2 - газ, который в значительных количествах используется для отопления оранжерей, теплиц.Формирование NOx является неизбежным следствием высоко температурных процессов горения.Сера, поступающая в печи вместе с сырьем и топливом в значительной степени поглощается продуктами печи.Однако, сера, содержавшаяся в сырье как сульфиды (или органические сернистые вещества) - легко улетучивается при низких температурах (то есть 400- 600 ° C), что может привести к значительным испарениям SO2 через дымовые трубы. Другие легко испаряющиеся нежелательные вещества, поступающие в систему печей или эффективно разрушаются при высоко температурном горении, или почти полностью поглощаюься продуктом. Таким образом, неотъемлемой частью процесса в печах для обжига цемента есть незначительные выделения газов, таких как VOCs, HCl, HF, NH3 или тяжелые металлы. Наличие органических компонентов в природном сырье может существенно повысить уровень углеводорода и выбросы СО. Выделение хлорсодержащих углеводородов типа диоксинов и фуранов обычно значительно ниже существующих предельных норм. Другие летучие компоненты, такие как ртуть - тщательно контролируются, чтобы предотвратить нежелательные выбросы в атмосферу. Как результат обжига исходного сырья и сгорания ископаемого топлива выделяется углекислота. Выделение углекислого газа, как результат потребления топлива, было прогрессивно снижено в результате воздействия сильного экономического стимула к минимизации потребления топливной энергии.

Похожие работы на - Организация производства и эксплуатация оборудования на цементном заводе управления 'ФосАгроМетахим'

 

Не нашли материал для своей работы?
Поможем написать уникальную работу
Без плагиата!
Без нейросетей!