|
W
|
0
|
1
|
2
|
3
|
∞
|
|
Re
|
2
|
-13,75
|
-29,5
|
-45,25
|
- ∞
|
|
Im
|
0
|
13,15
|
26,3
|
39,45
|
∞
|
6. Соединим все точки в порядке возрастания w построим график.
Вывод:
система устойчива так как характеристический вектор при изменении частоты от 0
до
повернулся в положительном направлении на число
квадрантов, равное порядку исходного уравнения.
2.5.2 Анализ качества регулирования САУ
Качество процесса регулирования обычно оценивается по переходной
характеристике, по отношению к единичному возмущающему воздействию.
Основные показатели можно получить при прямых методах анализа. Прямыми
методами анализа будут те методы, которые основаны на получении переходного
процесса регулирования. К ним относятся:
1. время регулирования;
2. перерегулирование;
. колебательность;
. установившаяся ошибка.
Время регулирования ¾ время, в течении которого, начиная с момента приложения
воздействия на систему, отклонения значения регулируемой величины от ее
установившегося значения будут меньше наперед заданного значения. Время
регулирования определяет длительность (быстродействие) переходного процесса.
Перерегулированием называется максимальное отклонение регулируемой
величины от установившегося значения, выраженное в процентах.
Колебательность системы характеризуется числом колебаний регулируемой
величины за время регулирования. Если за это время переходной процесс в системе
совершает число колебаний меньше заданного, то считается, что система имеет
требуемое качество регулирования в части ее колебательности.
Установившаяся ошибка. В общем случае установившаяся ошибка или точность
регулирования определяется как разность двух значений: установившегося значения
регулируемой величины после окончания переходного процесса и заданного
значения.
Эти показатели качества регулирования определяются непосредственно по
кривой переходного процесса. Эту кривую можно получить экспериментально или
решением дифференциального уравнения системы и выполнением согласно этому
решению графического построения переходного процесса. Это так называемые прямые
методы анализа. Такие методы являются наиболее точными.
Так как все эти параметры отвечают заданным требованиям, то система имеет
стабильное качество регулирования.
2.5.3 Построение переходного процесса
регулирования
Система автоматического регулирования (управления), как любая
динамическая система характеризуется переходным процессом, возникающим в ней
при нарушении ее равновесия каким-либо воздействием; это могут быть сигналы
управления, настройки или помехи.
С
использованием программы МАТЛАБ я построил график переходного процесса. MATLAB
(сокращение от англ. <#"553599.files/image042.gif">
2.5.4 Расчет исполнительного механизма
Для
расчета исполнительного механизма необходимо знать:
Тип
регулирующего органа.
Ориентировочный
перестановочный момент регулирующего органа Мпс ;
Запаздывание
в объекте t;
Скорость
перемещения регулирующего органа соединенного с исполнительным механизмом Vз ;
Коэффициент
передачи от выходного элемента до регулирующего органа К.
Число
включений в час n.
Для
выбора исполнительного механизма необходимо рассчитать:
· Номинальный крутящий момент (Hм);
· Номинальное время полного хода вала, с;
· Номинальный полный ход выходного вала, оборотов;
· Тип электродвигателя.
· Потребляемая мощность в номинальном режиме, Вт;
Решение:
. Для определения номинального крутящего момента на выходе вала
необходимо:
Мп.с.и.м.=Мп.с.*К
Где К-коэффициент запаса, К=1,2
Мп.с-ориентировочный перестановый момент на валу, Мп.с.=80Нм;
Мп.с.и.м.=Мп.с.*К=80*1,2=96 Нм.
Находим исполнительный механизм с номинальным крутящим моментом на валу
(из справочника ИМ14-3-98). Это будет МЭО 100.
. Рассчитываем номинальное время полного хода выходного органа в [c], исходя из скорости перемещения
затвора регулирующего органа-Vз и
угла поворота a.
a - угол поворота регулирующего органа равный 90 градусам.
К - коэффициент передачи от выходного элемента исполнительного механизма
до регулирующего органа, К=1:
Vз=9
0/с.
Отсюда Тс.’= a/Vз*К=90/9*1=10 с.
За 10с регулирующий орган перемещается на 900, а полный ход выходного
вала:
Тс.= Тс.’*2pК/a=10*360*1/90=40 с.
По найденному времени полного хода выходного вала выбираем исполнительный
механизм с номинальным временем полного хода (ИМ14-3-98) это будет МЭО100/63.
. Так как угол поворота регулирующего органа составит 900, что составляет
0,25 оборота, то выбираем исполнительный механизм с номинальным полным ходом
выходного органа МЭО100/63-0,25.
. Определяем переходное запаздывание в исполнительном механизме:
Ти=Тр+Тв+Тл,,
Тв - время выбега
Тл - время преодоления люфта
Данные Тр Тв Тл , выбираем из таблицы 2.3.2.
Ти.=10+10+45’=2045’=30
Полный ход 360о исполнительный механизм проходит за 40 с, а за Хс - 3,
поэтому
о - 40с
о - Хс
с
так
как
=80с, а
=1/3с, то
- пренебрегаем.
.
Определение мощности двигателя и выбор типа электродвигателя.
Где
Мдв - момент на валу;
N - число
оборотов.
Находим
Мдв
где:
- коэффициент полезного действия редуктора;-
передаточное число редуктора. Эту величину определяют из уравнения:
где
- угловая скорость выходного вала механизма,
обеспечивающего необходимую скорость регулирования, град/с
Мс
- момент сопротивления, приведенный к валу электродвигателя, т.е., та часть
момента Мдв, которая тратится на преодоление сил трения в редукторе, в Нм. При
условии, что весь момент двигателя тратится на момент сопротивления, т.е.
Мдв
= Мс, получим
Находим
[Нм]
Находим
мощность двигателя
[Вт]
Выбираем
ближайший ДАУ-63П с потребляемой мощностью 68Вт.
Вывод:
исходя из вышепроизведенных расчетов, выбираем исполнительный механизм МЭО
100/63-0,25 с номинальным крутящим моментом на валу 100Н*м, с номинальным
временем полного хода выходного вала - 63с и полным ходом выходного вала - 0,25
оборота.
Для
автоматического регулирования нам необходимо движение заслонки в одну и другую
сторону, поэтому для пуска двигателя выбираем бесконтактный реверсивный
пускатель типа ПБР-2М.
2.5.5 Расчет аппаратов защиты, проводов кабелей
Расчет проводов и кабелей:
Выбор марки и сечения проводов и кабелей:
Так как кабель, подающий питание от распределительного устройства до щита
прокладывается по несущим конструкциям, не испытывает механических нагрузок,
влияния внешних электрических полей, не подвергается значительным растягивающим
усилиям и эксплуатируется при средней температуре окружающей среды 40°С и относительной влажности 80-90%,
то выбирается кабель марки АКВВГ ¾ контрольный кабель с алюминиевыми жилами, имеющий
изоляцию жил и защитную оболочку из поливинилхлоридного пластиката, без
защитного покрова.
Для монтажа средств автоматизации в дипломном проекте использованы кабели
следующих марок:
АКВВГ ¾
контрольный кабель с алюминиевыми жилами, имеющий изоляцию жил и защитную
оболочку из поливинилхлоридного пластиката, без защитного покрова;
КВВГ ¾
контрольный кабель с медными жилами, имеющий изоляцию жил и защитную оболочку
из поливинилхлоридного пластиката, без защитного покрова.
Сечение жил кабеля должно находиться в пределах от 0,75 до 2,5 мм2.
Расчет сечения жилы кабеля, подающего питание от распределительного
устройства до щита, осуществляется по допускаемому току нагрузки.
Расчет сечения кабеля от РУ до щита:
Для расчета сечения жилы кабелей командных и питающих цепей необходимо
знать ток нагрузки (расчетный), который определяется из суммарной мощности.
Рплк=6Вт
Рсау-м6=6Вт
Раквт01=250Вт
РБУЭР1-30=8Вт
Рбп=6Вт
Рньтон-17=6Вт
ΣР= Рплк + Рсау-м6 + Раквт01 +
2*РБУЭР1-30 + 4*Рбп + Рньтон-17;
ΣР= 6+6+250+2*8+4*6+6=308
Теперь найдем номинальный ток нагрузки
=
(А)
Где
- номинально - допустимый ток,
=
Где
- поправка на температуру окружающей среды. Для его
определения необходимо знать допустимую температуру нагревания проводов и
кабелей, которая зависит от изоляции.
Для
выбора этой температуры необходимо знать тип изоляции. В данном случае изоляция
поливинилхлоридная. Кроме температуры нагрева проводов и кабелей необходимо
знать среднюю температуру и действительную температуру окружающей среды.
Средняя температура окружающей среды примерно равна 25
С, а действительной температурой в данных условиях
можно пренебречь. Из этого следует, что
=1.
- это
поправка на количество кабелей, проложенных в одной трубе и где проложена сама
труба. В данном случае все трубы прокладываются в земле, значит из таблицы
выбираем
=1.
= 1
1 = 1;


(А)
также
находится по таблице, равное 29А. Затем необходимо сравнить табличное и
расчетное значение номинально-допускаемого тока:
,37А<29А,
следовательно сечение кабеля будет равно 2,5мм
.
Количество
жил определяется в зависимости от количества задействованных (рабочих) жил. Так
как в работе должны быть задействованы 2 жилы, то выбираем ближайший стандарт 4
жилы. Значит, 2 будут резервными.
После
выбора кабеля осуществляется проверка сечения на допускаемую потерю напряжения
U для цепей
автоматики электрической защиты при максимальной нагрузке.
U должно быть
3%.
Где
- удельная электропроводность.
=31,7 м/Ом м.
так
как
U
3%, следовательно, сечение выбрано правильно.
Расчет аппаратов защиты:
1. Выбор
двухполюсных выключателей:
В зависимости
от выбранного сечения кабеля производим расчет пускозащитной аппаратуры. Расчет
осуществляется по методу сравнения выбранных характеристик аппаратуры защиты с
их расчетными значениями. Защита средств автоматизации осуществляется с помощью
автоматических выключателей, при помощи которых необходимо соблюдать следующие
неравенства:
Где
- напряжение автоматического выключателя;
- ток
автоматического выключателя;
- ток
срабатывания электромагнитного расцепителя;
-
номинальный ток теплового расцепления;
Исходя из этих условий выбирается двухполюсный выключатель типа АЕ-2000,
техническая характеристика которого следующая:
= 220В;
= 25А;
= 75А;
= 1,25А.
Проверяем
правильность выбора:
220В = 220В;
25А
1,4А;
А
2,97А;
,8А
2,61А.
Так
как вышеперечисленные условия соблюдаются, то выключатель выбран верно.
Проверяем
защищает ли автоматический выключатель выбранное сечение кабеля. Для этого
рассчитывается номинальный допустимый ток:
Где
- кратность допустимого тока, которая выбирается в
зависимости от аппаратуры защиты. Для автоматического выключателя
=0,22.
-
коэффициент учитывающий условия прокладки. Так как в данном случае кабель
прокладывается в земле, то
=1.
Так
как
>
, то
автоматический выключатель защищает выбранное сечение кабеля.
А > 16,5А
Где
- это допустимый то кабеля, который выбирается по
таблице.
Проверяем, срабатывает ли автоматический выключатель при коротком
замыкании в самой удаленной точке. Для этого определяется значение удельного
сопротивления петли «Фаза-Нуль» для участков линии от источников питания до
короткого замыкания.
Где
- удельное сопротивление;
-
активное сопротивление для алюминиевой жилы сечения 2,5мм
равное 13,3 Ом/км;
-
реактивное сопротивление, равное 0,09 Ом.
Определяем
общее удельное сопротивление по формуле:
Где l - длина кабеля (в километрах).
Зная
величину U потребителя, определяем ток короткого замыкания:
автоматический
выключатель срабатывает при коротком замыкании, если выполняется следующее
условие:
Так
как условие выполняется, то автоматический выключатель срабатывает и защищает
схему от короткого замыкания. Проверяем защищает ли автоматический выключатель
выбранное сечение кабеля. Для этого рассчитываем номинальный допустимый ток.
Так
как Iн.д.>Iн.доп., то автоматический выключатель защищает
выбранное сечение кабеля.
.
Выбор однополюсных выключателей:
Для
того, чтобы выбрать однополюсный выключатель необходимо знать мощность
потребителя и найти ток нагрузки. В качестве мощности потребителя берем максимальную
мощность. В данном случае - это мощность блока трансформаторов тока суммарной
загрузки (БТТЗ).
= 40 Вт;
Теперь необходимо рассчитать ток нагрузки:
После
определения тока нагрузки (расчетного) необходимо проверить защищает ли
однополюсный выключатель линию питания. Для этого проверим:
В
= 220В;
А
0,18А;
А
0,225А;
,25А
0,198А.
Так
как вышеперечисленные условия соблюдаются, значит, однополюсный выключатель
защищает линию питания. Следовательно, выбираем однополюсный выключатель АЕ
2000.
Расчет однофазного трансформатора.
Рассчитать понижающий трансформатор с сердечником стержневого типа для
питания от сети 220В, если вторичное напряжение 6В, а сила тока нагрузки 0,5А
для 8 узкопрофильных миллиамперметров М1830А.
Решение.
1. на основании заданной нагрузки подсчитываем вторичную полную
мощность трансформатора:
где:
I2 - сила тока нагрузки;
U2 - напряжение
вторичной обмотки.
(Вт)
2. первичная полная мощность трансформатора:
где:
- КПД трансформатора, принятый согласно справочной
таблице 0,65.
(Вт).
3. так как трансформатор стержневого типа, то сечение сердечника:
(см2);
при
учете изоляции между пластинами сечение сердечника получается на 10% больше,
т.е.:
(см2);
Принимаем
его размеры следующими:
Ширина
стержня а = 2,1 см; высота стержня определяется по формуле
;
(см);
ширина
окна
;
;
(см); толщина пакета пластин В = 3,2 см.
Фактическое
сечение выбранного сердечника:
(см2);
4. определяем
сечение провода первичной и вторичной обмоток, исходя из плотности тока,
принятой
:
Согласно
справочным таблицам для первичной и вторичной обмоток принимаем провода ПЭВ-1
со следующими данными:
Диаметр
провода без изоляции:
d1 = 0,33 мм; d2 =
0,57 мм;
Диаметр
провода с изоляцией:
dи1 = 0,37 мм; dи2 =
0,62 мм;
Сечение
провода без изоляции:
S1 = 0,0855 мм2;
S2 = 0,255 мм2.
5. определяем количество витков первичной и вторичной обмоток,
приняв магнитную индукцию сердечника Вс = 9000 (для стали Э41).
(витка);
(витков);
С
учетом компенсации падения напряжения в проводах, число витков вторичной
обмотки принимаем:
(витков);
6. проверим, разместятся ли обмотки в окне нашего сердечника.
Площадь занимаемая первичной и вторичной обмотками:
Площадь
окна сердечника:
Отношение
расчетной и фактической площадей окна сердечника:
;
Коэффициент
заполнения окна сердечника для маломощных трансформаторов принимают
Так
как расчетный коэффициент равен 0,3, следовательно, обмотки свободно
разместятся в окне выбранного сердечника.
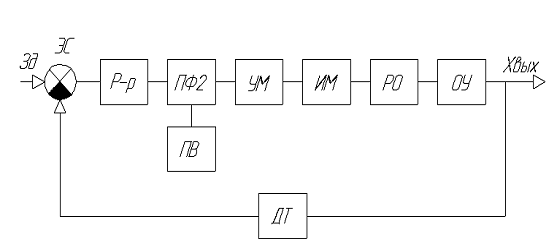
2.6 Описание схемы автоматического контроля,
регулирования и управления
Данная схема предусматривает следующие контура контроля, регулирования и
управления:
. Контура контроля.
1.1. Контроля температуры в зоне подсушки.
В качестве чувствительного элемента используется термопара ТМК (поз. 6а).
Далее сигнал от термопары поступает на нормирующий преобразователь Rosemoun 0065, который преобразует напряжение
в унифицированный сигнал постоянного тока 0-5 мА и передает это сигнал на
приемник Rosemount1420 (поз. 6б) сигнал с которого
через контроллер поступает на ПК.
1.2. Контроль температуры в зоне подогрева.
В качестве чувствительного элемента используется термопара ТХА (поз. 7а).
Далее сигнал от термопары поступает на нормирующий преобразователь Rosemoun 0065, который преобразует напряжение
в унифицированный сигнал постоянного тока 0-5 мА. Этот сигнал поступает на
приемник Rosemount1420 (поз. 7б) сигнал с которого
через контроллер поступает на ПК.
1.3. Контроль температуры газа в газопроводе:
В качестве чувствительного элемента используется термопара ТХК (поз.
12а). Далее сигнал от термопары поступает на нормирующий преобразователь,
который преобразует напряжение в унифицированный сигнал постоянного тока 0-5
мА. Этот сигнал идет через контроллер на ПК.
1.4. Контроль температуры в зоне охлаждения.
В качестве чувствительного элемента используется термопара ТМК (поз. 9а).
Далее сигнал от термопары поступает на нормирующий преобразователь Rosemoun 0065, который преобразует напряжение
в унифицированный сигнал постоянного тока 0-5 мА и передает это сигнал на
приемник Rosemount1420 (поз. 9б) сигнал с которого
через контроллер поступает на ПК.
1.5. Контроль температуры в зоне обжига:
В качестве чувствительного элемента используется термопара ТПП (поз. 8а).
Далее сигнал от термопары поступает на нормирующий преобразователь Rosemoun 0065, который преобразует напряжение
в унифицированный сигнал постоянного тока 0-5 мА и передает это сигнал на
приемник Rosemount1420 (поз. 8б) сигнал с которого
через контроллер поступает на ПК.
1.6. Разрежение после электрофильтра:
Сигнал от чувствительного элемента подается на дифманометр типа «САПФИР»
(поз. 3а), который дает на выходе унифицированный сигнал постоянного тока 0-5
мА. Далее сигнал идет через контроллер на ПК.
1.7. Разрежение до электрофильтра:
Сигнал от чувствительного элемента подается на дифманометр типа «САПФИР»
(поз. 7а), который дает на выходе унифицированный сигнал постоянного тока 0-5
мА. Далее сигнал идет через контроллер на ПК.
1.8. Расход газа:
Сигнал от сужающего устройства (поз. 11а) подается на дифманометр типа
«САПФИР» (поз. 11б), который дает на выходе унифицированный сигнал постоянного
тока 0-5 мА. Далее сигнал идет через контроллер на ПК.
1.9. Давление газа:
Сигнал от чувствительного элемента подается на дифманометр типа «САПФИР»
(поз. 10а), который дает на выходе унифицированный сигнал постоянного тока 0-5
мА.Далее сигнал идет через контроллер на ПК.
.10 Количество О₂ в отходящих газах.
Сигнал с зонда (поз.5а) поступает на преобразователь АКВТ 01 (поз. 5б),
который дает на выходе унифицированный сигнал постоянного тока 0-5 мА. Далее
сигнал идет через контроллер на ПК.
2. Контура регулирования и управления:
2.1. Регулирование подачи газа:
Температура в зоне обжига измеряется с помощью термопары ТПП. Сигнал от
чувствительного элемента (поз. 8а) поступает на преобразующий блок (поз. 8б).
От преобразующего блока сигнал подается на контроллер
ПЛК150. Контроллер через бесконтактный пускатель БУЭР 1-30 (поз. КМ5)
управляет работой исполнительного механизма, перемещающего газовую заслонку.
2.2. Управление шибером дымососа:
Сигнал разрежения до электрофильтра от чувствительного элемента подается
на дифманометр типа «САПФИР» (поз. 4а), который дает на выходе унифицированный
сигнал постоянного тока 0-5 мА. Далее этот сигнал поступает на контроллер.
Контроллер через бесконтактный пускатель БУЭР 1-30 (поз. КМ3) управляет работой
исполнительного механизма, перемещающего шибер дымососа.
2.3. Управление загрузкой извести в ковш скипового подъемника:
Сигнал от тензодатчика (поз. 1а) поступает на весовой терминал Ньютон-15
(поз. 1б). Далее сигнал поступает на частотный преобразователь, который
управляет двигателем транспортера.
2.4. Управление работой скипового подъемника:
Сигнал от электродов верхнего и нижнего (поз. 2а) уровня в
бункере-дозаторе, поступает на блок уровнемера (поз. 2б). Далее этот сигнал
поступает на контроллер ПЛК150. Контроллер запускает двигатель, который
подымает ковш скипового подъемника.
.7 Описание электрической схемы управления, сигнализации, защиты и
блокировки
На принципиальной электрической схеме показан принцип подключения приборов
и средств автоматизации, которые размещены на щите контроля и управления и
преобразователей. Каждый щит имеет свою защиту от перегрузок и короткого
замыкания, которая осуществляется с помощью двухполюсного автоматического
выключателя QF1 серии АЕ-2000.
Каждый прибор на щитах имеет свою защиту от перегрузок и короткого
замыкания, которая осуществляется с помощью однополюсных автоматических
выключателей SF1-SF10 серии АЕ-2000. Это приборы:
1. Уровнемер САУ-М6 (поз. 2б) - SF1;
2. Пускатели БУЭР 1-30 (поз. КМ3, КМ5) - SF2, SF8;
. Газоанализатор АКВТ 01 (поз. 5б) - SF3;
. БП1 - SF4;
. БП2 - SF5;
. Контроллер ПЛК150 - SF6;
. БП3 - SF7;
. БП4 - SF9;
. Весовой терминал (поз. 1б) - SF10.
На принципиальной электрической схеме показаны задние стенки приборов со
сборками зажимов, подключения приборов и средств автоматизации между собой, а
также электрические схемы следующих контуров контроля:
1. Вес извести в ковше скипового подъемника - Ньютон - 15 (поз. 1б)
2. Уровень извести в бункере - САУ-М6 (поз.2б);
. Разрежение после электрофильтра, в пыльной камере - ПЛК150;
. Давление газа - ПЛК150;
. Расход газа - ПЛК150;
. Разрежение до электрофильтра - ПЛК150;
. Температура в газопроводе - ПЛК150;
. Количество О₂ в отходящих газах - АКВТ 01 (поз. 5б).
Управление осуществляется с помощью контроллера ПЛК150.
.8 Выбор типа щита, компоновка средств
автоматизации
Щиты и пульты в проектах систем автоматизации подразделяются на:
· оперативные - с которых ведется управление и контроль технического
процесса
· не оперативные - предназначенные для установки средств
автоматики не используемых непосредственно для управления техническим процессом
· диспетчерские - с которых диспетчер получает информацию о
состоянии механизмов и основных параметров.
По исполнению щиты подразделяются на:
· шкафные одиночные, двух- и трехсекционные с задними дверьми, а также
малогабаритные.
· шкафные одиночные, двух- и трехсекционные с передней дверью
· панельные одиночные и двухсекционные с каркасом
Шкафные и панельные щиты могут быть первого и второго исполнения. В щитах
второго исполнения в верхней части предусмотрена панель для изображения
мнемосхемы.
При повышенной запыленности и влажности выбираются шкафные щиты
стандартной высоты. Ширина рассчитывается по максимально заполненному ряду с
учетом минимальных расстояний между приборами. Рассчитывается по формуле:

мм
где
- 100 ¾ расстояние от прибора до края щита;
L1 ¾ ширина преобразовательного блока газоанализатора (220
мм);
Lщ=100+220+100=420
Исходя из полученных результатов выбираем тип щита:
Щит - ЩШ - ЗД - О2 - I -
(600X600) - УХЛ4 - IP30 ОСТ 36.13 - 76
ЩШ - щит шкафной;
ЗД - с задней дверью;
- количество секций;
- первого исполнения, так как на нем отсутствует мнемосхема;
- ширина первой секции;
- ширина второй секции;;
У -
климатическое исполнение;
Ч - категория размещения;
Р30 - степень защиты
ОСТ -
отраслевой стандарт.
При компоновке средств автоматизации на фасадных панелях щита
рекомендуется:
. Учитывать их назначение и количество;
. Удобство монтажа и эксплуатации;
1. Удобство монтажа и обслуживания электрических и трубных
проводок.
Средства автоматизации и аппаратура управления компонуются
функциональными группами в порядке хода технологического процесса.
Электрические измерительные приборы (амперметры, вольтметры, индикаторы
положения) рекомендуется располагать на приборной приставке пульта. На пультах
без неё допускается установка их в наклонном положении.
В случае применения двух ключей управления (автомат-дистанция;
больше-меньше) их рекомендуется устанавливать один над другим. Указатель
положения целесообразно располагать над ключами.
В случае, когда сигнализируется крайнее положение ИМа, сигнальные лампы
должны располагаться над ключом автомат-дистанция.
Рекомендуемая высота расположения средств автоматизации:
1. Показывающие приборы и сигнальная аппаратура 800 - 1900мм;
2. Самопишущие и регулирующие приборы оперативного значения 900 -
1800мм;
. Оперативная аппаратура управления (ключи, кнопки) 800 - 1600мм;
Рекомендуемая высота расположения приборов и средств автоматизации внутри
щита:
1. Приборы, регуляторы, сигнализаторы, не требующие визуального
наблюдения 600 - 1900мм;
2. Источники питания малой мощности, звонки, трансформаторы 1700 -
1975мм;
. Выключатели, предохранители, автоматы 700 - 1700мм;
. Реле 600 - 1900мм;
. Сборки зажимов не ниже 300мм.
В данном дипломном проекте в соответствии с вышеперечисленными
требованиями на фронтальной плоскости щита производится компоновка приборов
установленных на следующих высотах:
Фронтальная поверхность щита
Газоанализатор АКВТ 01 (поз. 5б) - 1600мм;
Уровнемер САУ-М6 (поз. 2б) - 1205мм;
Весовой терминал Ньютон-15 (поз. 1б) - 950мм.
Приборы, которые имеют навесной монтаж и расположены на боковых стенках
щита располагаются на следующих высотах
Щит преобразователей:
Левая стенка
QF1-QF3 - 1450 мм
SF1-SF10 - 1050мм.
Правая стенка
КМ3, КМ5 - 1350мм;
ХТ2 - 450мм;
КМ1 - 1150мм;
КМ2 - 950мм;
КМ4 -750мм;
БП1-БП4 - 1650мм.
Передняя стенка
ПЛК150 - 1350мм;
ХТ1 - 450мм.
Для крепления приборов внутри щита на боковых поверхностях, которые имеют
навесной монтаж, используется DIN-рейка
35х15. Для крепления сборки зажимов внутри щита на фронтальных поверхностях
используются стандартные DIN-рейка
типа TS 35/
.9 Описание монтажа щита оператора, трубных и
электрических проводок
При коммутации щитов рекомендуется группировать провода в пакеты (жгуты)
в зависимости от объема проводок (не более 64 в пакете), их принадлежности к
системам контроля, регулирования, управления и сигнализации, а также от
напряжения цепей. Для внутренней коммутации электропроводок на щитах служат
провода с медными жилами, прокладываемые жгутами открытым способом или в
пластмассовых коробках. В зависимости от способов прокладки и присоединения
должны применяться провода марок ПВ сечением жил 0,75-1,75 мм2.
Прокладка проводов открытыми жгутами должна выполняться с соблюдением
определенных требований. Провода в жгутах не должны быть перевиты между собой.
Жгуты скрепляют бандажами из поливинилхлоридной перфорированной ленты с
кнопками или аналогичными способами.
Схема внешних соединений ¾ это комбинированная схема, на которой показаны электрические
и трубные связи между приборами, средствами автоматизации, установленными на
технологическом оборудовании, вне щитов и на щитах, а также подключение
проводок к приборам на щитах.
Схема должна содержать: первичные приборы, щиты, внещитовые приборы,
внешние электрические и трубные проводки.
В верхней части чертится таблица, где указывается наименование параметра,
позиция и номер документа, по которому производится монтаж.
Под таблицей располагаются приборы и средства автоматизации,
установленные непосредственно на технологическом оборудовании и трубопроводах.
Датчики, исполнительные механизмы и другие средства автоматизации с
электрическими входами изображают монтажными символами, а внутри символа
указываются номера зажимов и подключений к ним жил кабеля или проводов.
Маркировка жил наносится вне монтажного символа. Щиты изображаются в нижней
части схемы в виде прямоугольников. В прямоугольниках показывается сборка
зажимов, а также подключение к ним жил кабелей с соответствующей маркировкой.
Для соединения и разветвления кабелей используются соединительные коробки. Они
выбираются в зависимости от числа жил кабеля проходящих на сборку зажимов. В
данном дипломном проекте соединительные коробки не используются. Они
изображаются в виде прямоугольника, внутри которого расположены сборки зажимов
с необходимой нумерацией и подключение к ним жил кабелей с соответствующей
маркировкой. В местах ввода в коробку кабелей наносят изображение сальников
С-48 и С-32, указывает на полках линии выноски. Для кабелей указывается марка,
количество и сечение жил, количество занятых жил в прямоугольниках, а также
длина кабеля. Для трубы указывают диаметр, толщину стенки и длину. При
расположении на схеме нескольких кабелей труб одной марки, а также запорной
арматуры одного типа, указывают на общей выносной линии, если они располагаются
рядом. Кабелям и защитным трубам присваиваются порядковые номера 1, 2, 3 и т.д.
На некоторых участков кабели и провода испытывают значительные
механические нагрузки, поэтому в ряде случаев они протягиваются в трубах. В
данном дипломном проекте провода проложены в стальном коробе размером.
Электропроводки в стальных коробах следует широко применять в
производственных помещениях и наружных установках для прокладки для прокладки
больших потоков проводов, когда применение электропроводок в защитных трубах
нецелесообразно по технико-экономическим соображениям (высокая стоимость,
большой объем монтажных работ и т.п.).
Для открытых электропроводок систем автоматизации должны применяться
стальные короба с открытыми крышками. Короба должны обеспечивать механическую
защиту проводов и кабелей. Конструкция и способы прокладки коробов не должны
допускать скопления влаги внутри коробов. В коробах провода и кабели
электропроводок систем автоматизации должны прокладываться многослойно с
упорядоченным или произвольным (россыпью) взаимным расположением.
Коэффициент заполнения короба определяется в зависимости от сложности
трассы и конкретных типов проводов и кабелей в соответствии с требованиями
монтажных конструкций, утвержденных в установленном порядке. Высота слоев
проводов и кабелей не должна превышать 150 мм.
Высота расположения коробов не нормируется. При установке коробов
необходимо по возможности обеспечивать свободный доступ к ним.
Расстояние от коробов до других трубопроводов должны обеспечивать
нормальным условиям монтажа и эксплуатации электропроводок с учетом конструкции
короба и составлять:
При пересечении технологических и других трубопроводов - не менее 50
мм, а трубопроводов с легковоспламеняющимися и горючими жидкостями и газами -
не менее 400 мм;
При параллельной прокладке с технологическими и другими трубопроводами
- не менее 100 мм, а с трубопроводами с легковоспламеняющимися и горючими
жидкостями и газами - не менее 400 мм.
Короба, проложенные параллельно горячим трубопроводам или пересекающие
их, должны располагаться вне зоны температурного влияния этих трубопроводов,
либо защищаться от источников теплоизлучения теплоизоляционными экранами.
Соединяемые секции коробов должны образовывать электрическую непрерывную
цепь по всей их длине. Внутренние поверхности коробов не должны иметь
заусенцев, острых кромок и других дефектов, из-за которых может быть повреждена
изоляция проводов и кабелей.
Короба, крепежные и поддерживающие металлические конструкции должны иметь
антикоррозийное покрытие, стойкие к воздействию химически активных
производственных сред или атмосферных осадков. Выбор лакокрасочного покрытия в
зависимости от условий окружающей среды и других производственных требований (в
том числе во взрыво- и пожароопасных установках) должен производиться в
соответствии с указаниями проекта.
Проходы электропроводок в коробах, через стены и перекрытия должны
выполняться уплотненными или открытыми. Уплотненные проходы выполняются в
случаях, когда смежные помещения или помещения и наружные установки не должны
сообщаться между собой. Уплотненный проход осуществляется либо с помощью
защитных труб с разделительными фитингами, либо посредством специальных
элементов коробов, обеспечивающих необходимое разделение. При открытом проходе
короба прокладываются непосредственно через проем, в стене или перекрытии;
проем заделывается несгораемыми материалами на толщину конструкции.
Переход электропроводок в коробах во взрыво- и пожароопасные зоны должен
выполняться в соответствии с требованиями, предъявляемыми к вводам
электропроводок в указанные зоны.
Для определения сечения коробов, необходимых для конкретных потоков
электрических проводок, определяют:
Диаметр проводников, подлежащих прокладке;
Усредненный диаметр прокладываемых проводников, если в коробе должны
прокладываться проводники разных диаметров;
Коэффициент заполнения коробов оптимальный для данной прокладки.
Диаметры проводников определяются по справочным материалам.
Усредненный диаметр проводников находят по формуле:
dср =
(d1*n1+d2*n2+d3*n3+…+dp*np)/(n1+n2+n3+…+np)
где: d1, d2, d3 … dp ¾ наружный диаметр проводников;
n1, n2, n3 … np ¾ количество проводников.
dср =
35+7,5+7,5+7,5+130+6+6+6+6/10 = 21,15
Коэффициент заполнения короба, то есть отношение суммарной площади
сечения проводников, прокладываемых в коробе, к площади поперечного сечения не
должен превышать 0,45.
Площадь поперечного сечения короба определяется по номограмме
(руководящий материал РМ4-132-73 «Номограммы и таблицы для выбора защитных
труб, коробов, лотков, кабельных конструкций при проектировании электрических и
трубных проводок систем автоматизации»), рис. 1 или по таблице 1 рассчитанных
по формуле:
S ³ n*d2/k или S ³ n*dcр2/k
где: S ¾ площадь поперечного сечения короба,
мм2;
n ¾ количество проводников, шт.;
d ¾ диаметр проводников, мм;
dcp ¾ усредненный диаметр проводников, мм;
k ¾ коэффициент заполнения.
Расчетная площадь короба 9940,5 мм2, ближайший короб, изготавливаемый на
заводах Главмонтаж-автоматики, 150х150.
автоматизация
обжиг известь печь
3. ОРГАНИЗАЦИЯ ПРОИЗВОДСТВА
3.1 Организация службы КИП и А
Основной задачей структуры КИПиА является обеспечение бесперебойной
работы средств КИПиА необходимым для нормального хода технологического процесса
и функционирования предприятия в целом.
Права и обязанности мастера КИПиА:
В своей практической работе мастер КИПиА обязан:
Организовывать работу подчиненных ему рабочих и направить ее на
безусловное выполнение производственных заданий по надзору, ремонту, наладке
КИПиА и аппаратуры, и автоматики.
Своевременно подготавливать КИПиА, аппаратуру автоматики к ремонту.
Доводить до сведения подчиненных ему рабочих технологию ремонта и
наладки КИП и другой аппаратуры.
Своевременно обеспечивать необходимыми запчастями, исправным
инструментом.
Вести контроль за проходящими работами, обеспечивать хорошее качество и
скорейшее их выполнение, лично проверять выполнение наиболее ответственных
операций.
Обеспечить нормальную бесперебойную нагрузку всех КИПиА.
Следить за состоянием приборов автоматики и аппаратуры и за правильной
их эксплуатацией.
Участвовать в разработке планов и графиков ремонта, проверки приборов,
автоматики и аппаратуры, а также своевременно доводить задания до сведения
рабочих.
Принимать в эксплуатацию от рабочих и сдавать отремонтированные приборы
автоматики и аппаратуры, устраняя все значительные недостачи.
Внедрять новые приборы автоматики, позволяющие повысить
производительность труда и снижать себестоимость продукции.
Обеспечивать экономное расходование основных деталей, материалов,
бережное отношение к оборудованию.
Выявлять конкретных виновников брака при выполнении и регулировании
КИПиА. Для работника допустившего это, предусмотреть наказание.
Содействовать внедрению рационализаторских предложений, направленных на
увеличение срока службы КИПиА, усовершенствование их, сокращение времени
ремонта и регулирования.
Организовывать труд рабочих так, чтобы каждый из них работал по своей
специальности и квалифицировался на определенном рабочем месте.
Лично проводить с каждым, вновь прибывшим (принятым) работником,
непосредственно на рабочем месте, подробный практический инструктаж.
Следить за строгим соблюдением правил внутреннего распорядка.
Обеспечивать правильную и безопасную организацию работы путем
инструктажа подчиненных ему рабочих.
Участвовать в комиссии по проверке знаний правил техники безопасности и
техники эксплуатации КИПиА, правил по охране труда.
Права мастера КИПиА:
1. Отдавать распоряжение подчиненным ему рабочим в соответствии с
обязанностями профессий, выполняемой работой.
2. Представлять отличившихся рабочих к премированию и другим видам
поощрения из средств, имеющихся в распоряжении начальника цеха.
. Оставлять в необходимых случаях рабочих, с разрешения
администрации и по согласованию с профсоюзной организацией, на сверхурочные
работы.
Мастер КИПиА несет ответственность:
1. За невыполнение возложенных на него обязанностей.
2. За нарушение своими распоряжениями или действиями требований
законодательства по охране труда.
. За несчастные случаи, произошедшие в следствии несоблюдения им
или подчиненным ему персоналом правил техники безопасности.
3.2 Система ППР в цехе
Дневной эксплуатационный персонал, распределяемый по технологическим
цехам и участкам производства, осуществляет мелкий ремонт и заправку приборов в
соответствии с графиком планово-предупредительного ремонта (ППР), ведет
проверку и наладку, как отдельных приборов, регуляторов, исполнительных
механизмов, так и в целом систем автоматического регулирования; наблюдает за
работой этих систем.
Для эксплуатации персонала в каждом цехе должно быть выделено специальное
помещение, оснащенное всем необходимым для проведения работ. Помещение должно
удовлетворять санитарным нормам, правилам пожарной безопасности и правилам
техники безопасности, необходимо наличие телефона. Контрольно-измерительные
приборы, имеющиеся в эксплуатации персонала, подразделяются на резервные и
приборы для проверки исправности работающих средств автоматизации.
Резервные приборы предназначены для замены эксплуатируемых либо во время
ППР, либо в случае выхода их из строя. Они должны быть в полной исправности,
иметь клеймо ведомственной ил государственной поверки.
Контрольные приборы должны обеспечить поверку всех типов эксплуатируемых
приборов. В техническую документацию должны входить:
· Принципиальные и монтажные схемы систем регулирования;
· Инструкции заводов изготовителей и разработчиков систем по
эксплуатации;
· Графики текущего обслуживания и демонтажа приборов для
восстановительного ремонта;
· Журнал для ведения записей по отказам и проводимым мероприятиям;
· Журнал допусков для разрешения на вывод действующего
оборудования в ремонт;
· Инструкция по технике безопасности.
4. ЭКОНОМИЧЕСКАЯ ЧАСТЬ
.1 Назначение предлагаемой схемы автоматического
управления и ее преимущества
Исходные данные для расчета экономической эффективности автоматизации
процесса обжига извести во вращающейся печи в условиях ОАО «МЗСК» приводятся в
таблице 1.
Таблица 1. Исходные данные
|
№ п/п
|
Показатели
|
Условные обо- значения
|
Единицы измерения
|
Варианты
|
|
|
|
|
до автомат.
|
после автомат.
|
|
1
|
2
|
3
|
4
|
5
|
6
|
|
1
|
Годовой выпуск извести
|
В
|
тонн
|
360000
|
360000
|
|
2
|
Часовая производительность
вращающейся печи
|
Пч
|
Тонн/час
|
45,66
|
45,66
|
|
3
|
Коэффициент использования
оборудования
|
Кисп
|
|
0,9
|
0,9
|
|
4
|
Календарный фонд времени
|
Ткал
|
час
|
8760
|
8760
|
|
5
|
Количество оборудования
|
Q
|
штук
|
1
|
1
|
|
6
|
Удельная норма расхода:
Газа на 1000т извести
|
Нуд
|
м3
|
160
|
158,4
|
|
7
|
Цена за 1 м3 газа
|
Ц
|
руб
|
0,55
|
0,55
|
|
8.
|
Кол-во рабочих
|
п
|
чел
|
12
|
12
|
Пояснения к таблице 1:
1. Годовой выпуск продукции рассчитывается по формуле:
В=Пч*Кисп*Ткал*Q
где: В- годовой выпуск продукции;
Пч- часовая производительность единицы оборудова ния;
Кисп- коэффициент использования оборудования;
Ткал- календарный фонд времени;
Q-
количество оборудования.
Расчет:
В=45,66*0,9*8760*1=359983,44 т
2. Часовая производительность вращающейся печи
принимается по данным справочных пособий или по данным базового
предприятия.
В данном расчете:
Пч=45,66 т/ч
. Коэффициент использования оборудования - принимается по данным
базового предприятия.
В данном расчете:
Кисп=0,9
. Календарный фонд времени - в расчете на год:
Ткал=365*24=8760 (часов)
5. Количество оборудования - в данном расчете принимается: Q=1
. Удельная норма расхода газа:
Нуд1 =160 м3
Нуд2 =158,4м3
. Цена за 1м3 газа:
Ц=0,55 руб.
4.2 Расчет капитальных затрат на внедрение средств
автоматизации
Одним из показателей, характеризующих экономическую эффективность
внедрения новой техники, является размер капитальных вложений, связанных с
осуществлением намеченного в проекте варианта автоматизации производства.
Объем капитальных вложений включает стоимость вновь приобретенного
оборудования, транспортные расходы по его доставке, стоимость монтажных работ и
т.д.
Общий фонд капитальных вложений (Кд) рассчитывается по формуле:
Кд = Рпр + Рм + Рз.ч + Рн + Рп.н
где: Рпр ¾ расходы на приобретение нового оборудования;
Ртр ¾
транспортно-заготовительные и складские расходы;
Рз.ч ¾ расходы
на запасные части;
Рн ¾
накладные расходы;
Рп.н ¾
плановые накопления.
Для определения расходов на приобретение средств КИП и А (Рпр)
составляется таблица 2.
Таблица 2. Затраты на приобретение средств КИП и А
|
№ п/п
|
Наименование и марка
средств КИП и А
|
Количество штук
|
Цена (руб.)
|
|
|
|
|
единицы
|
общая
|
|
1
|
Преобразователь Сапфир
22-ДВ-2210
|
4
|
7000
|
28000
|
|
2
|
Преобразователь Сапфир
22М-ДД-2420
|
1
|
7500
|
7500
|
|
3
|
Преобразователь Сапфир
22М-ДИ-2120
|
1
|
7000
|
7000
|
|
4
|
Термопара типа ТХК
|
1
|
700
|
700
|
|
5
|
Термопара типа ТХА
|
4
|
500
|
2000
|
|
6
|
Вторичный прибор РП160-08
|
3
|
15000
|
45000
|
|
7
|
Нормирующий преобразователь
Ш-705
|
7
|
2000
|
14000
|
|
8
|
Узкопрофильный прибор М1830
|
10
|
700
|
7000
|
|
9
|
Пирометр излучения АПИР-С
|
1
|
20000
|
20000
|
|
10
|
Регулятор РП4-У
|
3
|
7000
|
21000
|
|
11
|
Задатчик ЗД-10К
|
3
|
900
|
2700
|
|
12
|
Блок питания 22 БП-36
|
1
|
1400
|
1400
|
|
13
|
Блок извлечения корня БИК
|
1
|
1500
|
1500
|
|
14
|
Трансформатор напряжения
|
2
|
1100
|
2200
|
|
15
|
Переключатель с фиксацией
ПФ 2222/2
|
4
|
100
|
400
|
|
16
|
Переключатель с возвратом
ПВ 22/2
|
3
|
110
|
330
|
|
17
|
Исполнительный механизм МЭО
100/63-0,25
|
1
|
10000
|
10000
|
|
18
|
Исполнительный механизм МЭО
630/25-0,25
|
|
10000
|
10000
|
|
19
|
Исполнительный механизм МЭО
16/160-0,63
|
|
8000
|
8000
|
|
20
|
Пускатель ПБР-2М
|
2
|
2500
|
5000
|
|
21
|
Пускатель ПБР-3А
|
1
|
2500
|
2500
|
|
22
|
Миллиамперметр М423242
|
2
|
1400
|
2800
|
|
23
|
Сигнализатор уровня СУС-11
с ПП-07-2
|
1
|
5000
|
5000
|
|
24
|
Однополюсный выключатель
|
25
|
60
|
1500
|
|
25
|
Двухполюсный выключатель
|
1
|
163
|
162
|
|
26
|
Стабилитрон
|
4
|
12
|
48
|
|
27
|
Двухсекционный щит
|
1
|
60000
|
60000
|
|
28
|
Короб
|
160
|
100
|
16000
|
|
Итого
|
|
|
281740
|
Капитальные вложения на изготовление и монтаж автоматического устройства
приводятся в таблице 3.
Таблица 3. Капитальные вложения
|
№ п/п
|
Затраты
|
Условные обозначения
|
Сумма (руб.)
|
|
1
|
Стоимость приобретенного
оборудования
|
Рпр
|
281740
|
|
2
|
Транспортно-заготовительные
и складские расходы
|
Ртр
|
19721,8
|
|
3
|
Стоимость монтажных работ
|
Рм
|
28174
|
|
4
|
Затраты на запасные части
|
Рз.ч
|
5634,8
|
|
5
|
Накладные расходы
|
Рн
|
16481,79
|
|
6
|
Плановые накопления
|
Рп.н
|
3211,84
|
|
Итого:
|
Кд
|
354964,23
|
Пояснения к таблице 3:
1. Стоимость приобретенного оборудования заполняется из таблицы 2.
2. Транспортно-заготовительные и складские расходы принимаются в
размере 7% от стоимости приобретенного оборудования.
Расчет
руб.
3. Стоимость монтажных работ принимается в размере 10% от стоимости
приобретенного оборудования.
Расчет
руб.
4. Затраты на запасные части принимаются в размере 2% от
себестоимости оборудования.
Расчет
руб.
5. Накладные расходы принимаются в размере 5% от затрат на
приобретение оборудования, транспортно-заготовительных, складских расходов и
монтажных работ, т. е. 5% от (расход на приобретение + расходы транспортные +
расходы на монтаж).
Расчет
руб.
6. Плановые накопления принимаются в размере 6% от расходов
транспортно-заготовительных и складских расходов и монтажных работ, затрат на
запасные части, т. е. 6% от (транспортных расходов + расходы на монтаж +
расходы на запасные части).
Расчет
руб.
Итого, как сумма всех затрат:
Расчет
руб.
Проектом предусмотрена автоматизация процесса обжига извести во
вращающейся печи в условиях ОАО «МЗСК».
4.3 Расчет технологической себестоимости
Технологической себестоимостью называется себестоимость по изменяющимся
статьям затрат.
В тех случаях когда отдельные статьи эксплуатационных затрат не
изменяются при внедрении автоматических устройств и, таким образом, не влияют
на величину экономического эффекта они не учитываются в расчетах.
В результате внедрения проектом автоматизации процесса обжига извести во
вращающейся печи в условиях ОАО «МЗСК» изменяются следующие статьи затрат:
затраты на топливо;
заработная плата производственных рабочих с начислениями;
амортизационные отчисления;
затраты на текущий ремонт и межремонтное обслуживание оборудования.
. Затраты на топливо.
Внедрение предлагаемой системы автоматизации процесса обжига извести во
вращающейся печи в условиях ОАО «МЗСК» позволяет обеспечить снижение удельного
расхода газа на 1%.
До внедрения предлагаемой системы удельная норма расхода газа на 1000т.
извести составляла Нуд1=160 м3 После внедрения системы автоматизации норма
расхода газа составит:
Нуд2=(Нуд1(100-а))/100%
где: Нуд1 - удельная норма расхода газа на 1 тонну до автоматизации;
а - процент снижения удельной нормы расхода.
Расчет: Нуд2=(160*(100-1%))/100%=158,4 м3
Затраты газа на производство единицы продукции определяется по формуле:
З = Нуд * Ц
где: З - затраты;
Нуд - удельная норма расхода;
Ц - цена за 1 м3 газа.
Затраты на газ до внедрения предлагаемой системы автоматизации процесса
обжига извести во вращающейся печи в условиях ОАО «МЗСК».
З1 = Нуд1 * Ц
Расчет: З1=160*0,55=88 (руб.)
Затраты на газ после внедрения предлагаемой системы автоматизации
процесса обжига извести во вращающейся печи в условиях ОАО «МЗСК»:
З2=Нуд2*Ц
Расчет: З2=158,4*0,55=87,12 (руб.)
Таким образом, экономия позволит снизить себестоимость:
Э=З1-З2
где: Э - экономия затрат;
З1 и З2 - затраты на газ до и после внедрения автоматического устройства.
Расчет: Э=88-87,12=0,88 (руб.)
. Затраты на заработную плату производственных рабочих с начислениями.
Для расчета затрат на заработную плату необходимо знать эффективный фонд
рабочего времени одного рабочего за год.
|
Показатели
|
В непрерывном производстве
|
|
1
|
2
|
|
Календарный фонд времени,
дни
|
365
|
|
Праздничные дни
|
-
|
|
Выходные дни
|
182
|
|
Номинальный фонд рабочего
времени в днях
|
183
|
|
Очередные отпуска, дни
|
28
|
|
Прочие неявки
|
5
|
|
Всего неявки
|
33
|
|
Эффективный фонд рабочего
времени, в днях
|
150
|
|
Эффективный фонд рабочего
времени, в часах
|
1800
|
При расчете затрат на заработную плату учитывается заработная плата
производственных рабочих, связанных с непосредственным управлением работой
оборудования (таблица 5)
Таблица 5 Расчет численности основных производственных рабочих
|
Профессия рабочих
|
Явочная численность, чел.
|
Разряд
|
Часовая тарифная ставка,
руб.
|
Эффективный фонд рабочего
времени, час
|
Тарифный фонд з/пл, руб.
|
Премия
|
Прочие доплаты, руб.
|
Основной фонд з/пл, руб.
|
Дополнительная з/пл, руб.
|
Всего фонд з/пл, руб.
|
Отчисления по социальному
страхованию и другие внебюджетные фонды
|
Итого з/пл с отчислениями
во внебюджетные фонды
|
|
|
|
|
|
|
|
%
|
Сумма
|
|
|
|
|
|
|
|
1
|
2
|
3
|
4
|
5
|
6
|
7
|
8
|
9
|
10
|
11
|
12
|
13
|
14
|
|
Оператор
|
5
|
IV
|
20,60
|
1800
|
185400
|
40
|
74160
|
14832
|
274392
|
32927,04
|
307319,04
|
109405,57
|
416724,61
|
|
Электромонтер
|
2
|
IV
|
15,20
|
|
54720
|
|
21888
|
4377,6
|
80985,6
|
9718,27
|
90703,87
|
32290,58
|
122994,45
|
|
Слесарь
|
3
|
IV
|
15,20
|
|
82080
|
|
32832
|
6566,4
|
121478,4
|
14577,41
|
136055,81
|
48435,87
|
184491,68
|
|
Помошник
|
2
|
III
|
13,70
|
|
49320
|
|
19728
|
3945,6
|
72993,6
|
8759,23
|
81752,83
|
29104,01
|
110856,84
|
|
Итого
|
|
|
|
|
|
|
|
|
549849,6
|
65981,95
|
615831,55
|
219236,03
|
835067,58
|
Пояснения к таблице 5.
Явочная численность рабочих в сутки определяется по нормативам
обслуживания оборудования отрасли.
Часовая тарифная ставка, проценты премирования берутся по базовому
предприятию.
Эффективный фонд рабочего времени в часах определяется из таблицы 4.
Тарифный фонд заработной платы определяется путем:
Гр.6=Гр.2*Гр4*Гр.5
Премии планируются в % к тарифному фонду з/пл.
Прочие доплаты составляют 8% от тарифного фонда з/пл.
Основной фонд з/пл получается как сумма граф 6, 8. 9.
Дополнительная з/пл составит 12% от основного.
Всего фонд з/пл составит:
Гр.12=Гр.10+Гр.11
Отчисления по социальному страхованию, в фонд занятости, пенсионный фонд
и фонд медицинского страхования составляют 35,6%
Фонд з/пл с отчислениями во внебюджетные фонды:
Гр.14= Гр12+Гр13
Далее определяем фонд з/пл на единицу продукции:
З/пл на ед.прод.=гр.14/годовой выпуск
З/пл на ед.прод.=944228,24/360000=2,62 (руб)
. Расчет амортизационных отчислений по автоматическому устройству.
Производится расчет амортизационных отчислений исходя из его стоимости и
действующих годовых норм автоматизации.
Таблица 6. Расчет амортизационных отчислений
|
Оборудование
|
Сметная стоимость
оборудования тыс. руб.
|
Норма амортизации, %
|
Сумма амортизации Тыс. руб.
|
|
Автоматизация процесса
обжига извести во вращающейся печи в условиях «МЗСК»
|
354964,23
|
14
|
49694,99
|
Пояснения к заполнению таблицы 6.
Графа 1 - указывается система автоматизации;
Графа 2 - заполняется из таблицы 3;
Графа 3 - годовая норма амортизационных отчислений принимается в размере
14%;
Графа 4 - сумма амортизационных отчислений определяется в % от
первоначальной стоимости оборудования:
Ао=(Кд*На)/100%
где: Ао- общая сумма амортизационных отчислений;
Кд- сметная стоимость оборудования общая;
На- норма амортизации.
Расчет: Ао=354964,23*14%/100%=49694,99 (руб.)
Для определения технологической себестоимости рассчитывают
амортизационные отчисления в расчете на единицу продукции:
Ао1=Ао/В
где: Ао1- амортизационные отчисления на единицу продукции;
Ао- общая сумма амортизационных отчислений;
В- выпуск продукции.
Расчет: Ао1=49694,99/360000=0,14 (руб.)
1. Затраты на текущий ремонт и межремонтное обслуживание.
Эти затраты принимаются в размере 11% от полной стоимости оборудования
(таблица 3). Затраты на ремонт и межремонтное обслуживание рассчитываются по
формуле:
где
Зр - затраты на ремонт и межремонтное обслуживание.
Кд
общ - сметная стоимость оборудования общая
Расчет:
руб.
Затраты
на ремонт и межремонтное обслуживание в расчете на производство единицы
продукции определяются по формуле:
где
Зр.ед - общие затраты на ремонт
В
- выпуск продукции.
Расчет:
руб.
4.4 Расчет прироста прибыли, годового
экономического эффекта и срока окупаемости проекта
Расчет прироста прибыли.
Прирост прибыли образуется от снижения себестоимости продукции. Прирост
прибыли рассчитывается по формуле:
где
- прирост прибыли;
В
- годовой выпуск продукции.
Расчет:
руб.
Годовой экономический эффект ¾ это количество дохода, которое получает предприятие в
результате внедрения предполагаемого проекта автоматизации с учетом затрат
связанных с приобретением и установкой автоматического устройства.
Годовой экономический эффект определяется по формуле:
где
Эг - годовой экономический эффект;
П -
условно годовая экономия;
Кд
- общая сумма капитальных вложений;
Ен
- единый нормативный коэффициент.
Расчет:
Эг = 226800 - 0,15 * 354964,23 = 173555,37 руб.
Срок
окупаемости капитальных затрат показывает за какой период времени окупаются
капитальные затраты. Срок окупаемости определяется по формуле:
Расчет:
года.
4.5 Сводная таблица основных
технико-экономических показателей и вывод
Технико-экономические показатели эффективности внедрения системы
автоматизации процесса обжига извести во вращающейся печи в условиях ОАО «МЗСК»
приводятся в таблице 7.
Таблица 7. Основные технико-экономические показатели
|
№ п/п
|
Показатели
|
Единицы измерения
|
Варианты
|
Результат
|
|
|
|
До автоматизации
|
После автоматизации
|
|
|
1
|
Годовой выпуск продукции
|
т
|
360000
|
360000
|
100%
|
|
2
|
Удельная норма расхода газа
на 1000 т извести
|
м3
|
160
|
158,4
|
99%
|
|
3
|
Цена за 1 м3 газа
|
руб.
|
0,55
|
0,55
|
99%
|
|
4
|
Технологическая
себестоимость
|
руб
|
90,32
|
89,69
|
99%
|
|
5
|
Объем капитальных вложений
|
руб
|
-
|
354964,23
|
-
|
|
6
|
Прирост прибыли
|
руб
|
-
|
226800
|
-
|
|
7
|
Годовой экономический
эффект
|
руб
|
-
|
173555,37
|
-
|
|
8
|
Срок окупаемости
|
год
|
-
|
1,57
|
-
|
Все вышеперечисленные показатели экономического расчета позволяют сделать
вывод об экономической целесообразности внедрения системы автоматизации
процесса обжига извести во вращающейся печи в условиях ОАО «МЗСК».
Годовой экономический эффект от внедрения этой системы составит 173555,37
(руб.), срок окупаемости капитальных вложений составил 1,57 года, что
значительно ниже нормативного срока окупаемости - 6,7 года. Прирост прибыли по
ОАО «МЗСК» составит 226800 рублей.
5. ПРАВИЛА БЕЗОПАСНОЙ ЭКСПЛУАТАЦИИ СРЕДСТВ АВТОМАТИЗАЦИИ
При эксплуатации автоматических устройств должны соблюдаться меры техники
безопасности. Для уменьшения влияния факторов окружающей среды, а также для
удобства и безопасности обслуживания и улучшения обслуживания труда рабочего
персонала щиты со средствами автоматизации располагаются в операторной. Для
подсоединения первичных датчиков и регуляторов используются контрольные кабели.
Силовые и контрольные цепи и цепи управления разделены во избежание
короткого замыкания и искажения показаний. Конструкция и материал клемм должны
исключать возможность прикосновения к токоведущим частям и замыканий на корпус.
Все металлические части приборов должны быть заземлены. Заземляющие провода
подсоединяются к заземляющим материалам сварными соединениями, заземление
производится открытым проводом не менее 5 мм.
Для защиты средств автоматизации от короткого замыкания и перегрузок в
силовых цепях ставятся автоматические выключатели, для защиты рабочего
персонала полы внутри щитов покрывается резиной. Для предупреждения об
опасности приближения к токоведущим частям устанавливаются ограждения, плакаты,
таблички.
Все средства пожарной безопасности должны располагаться вблизи
пожароопасных участков на виду. При работе и обслуживании необходимо знать
правила эксплуатации технологического оборудования и приборов.
Для безопасной эксплуатации средств автоматизации, оборудования и других
электрических установок используются следующие меры предосторожности:
¾ Для безопасной эксплуатации камеры сгорания необходимо
руководствоваться «Правилами ТБ при эксплуатации электроустановок
потребителей», «Техническими требованиями по взрывоопасности котельных
установок, работающих на мазуте или природном газе», «Правилами безопасности в
газовом хозяйстве»;
¾ Приступая к работе, эксплуатационный персонал обязан иметь
удостоверение, дающее право работать на установках, использующих в качестве
топлива ¾ природный газ;
¾ На рабочем месте должна быть предусмотрена должностная
инструкция оператора;
¾ Эксплуатационный персонал перед допуском к самостоятельной
работе проходит вводный инструктаж, который проводят представители
администрации предприятия;
¾ Для предотвращения поражения электрическим током заземление
теплогенератора должно соответствовать требованиям «Правил устройства
электроустановок ПУЭ»;
¾ Общее сопротивление заземления установки должно быть не
более 4 Ом;
¾ Для предотвращения ожогов о горячие поверхности необходимо
выполнять следующие правила: доступ разрешается после их охлаждения до 40°С.
При эксплуатации газо-исполняющего оборудования надо выполнять следующие
правила:
¾ газопроводы должны подвергаться планово-предупредительным
ремонтам;
¾ запрещается поверять наличие утечек газа при помощи
открытого огня;
¾ запрещается удалять из газопровода конденсат;
¾ регулярно по утвержденному графику должен производиться
контроль газа в воздухе;
¾ контроль газа в воздухе должен производиться газоанализаторами;
¾ должны соблюдаться правила пожарной безопасности.
Техника безопасности при эксплуатации средств автоматизации следующие:
- устанавливаются двухполюсные автоматические выключатели для защиты
всего разрабатываемого контура;
- устанавливаются однополюсные автоматические выключатели для
защиты отдельных цепей управления процессами;
все кабели, используемые в данном процессе, заземляются на
контур;
все приборы на щите заземлены;
под приборами и аппаратурой управления устанавливаются таблички
с надписью;
к обслуживанию средств автоматизации допускаются люди, прошедшие
спец. обучение и имеющие спец. группы допуска;
в помещении устанавливаются щиты со средствами пожаротушения и
средствами оказания первой медицинской помощи.
Особые требования предъявляются к выбору изоляции проводов. Выбор
изоляции должен определяться применяемым напряжением, защитой от электрического
тока и электрической дуги, а также способом прокладки кабелей и условиями
окружающей среды.
Особые требования предъявляются также и к заземлению. Все электрические
приборы с металлическим корпусом должны быть заземлены.
При работе в щитах и пультах на рубильнике должны висеть таблички,
предупреждающие о том, что на линии работают люди.
При работе с электрооборудованием нужно применять спец. инструменты и
средства индивидуальной защиты.
Техника безопасности:
. Общие положения:
Слесарь КИП и А должен знать и выполнять требования настоящей
инструкции. За несоблюдение и невыполнение их он несет ответственность в
установленном законом порядке, в зависимости от характера нарушений и их
последствий.
К работе слесарем КИП и А допускаются лица не моложе 18 лет,
прошедшие специальное обучение, изучившие и освоившие правила ТБ, сдавшие
экзамен квалификационной комиссии.
Перед началом работы слесарь по КИП и А должен получить инструктаж
по ТБ по предстоящей работе. Без инструктажа приступать к работе не
разрешается.
Запрещается выполнять работу не входящую в круг обязанностей слесаря
КИП и А без дополнительного инструктажа по данной работе.
Заметив нарушение правил безопасности другим рабочим или какую-либо
опасность для окружающих, не оставайтесь безучастным, а предупредите рабочих
(мастера) о необходимости соблюдения требований, обеспечивающих безопасность
труда.
При получении травмы немедленно обратитесь в медпункт и сообщите о
случившемся своему руководителю, а при его отсутствии попросите товарищей по
работе проинформировать о случившемся руководителя.
Содержите в чистоте и порядке рабочее место.
Не допускайте присутствия на рабочем месте посторонних, так как это
ослабляет ваше внимание, что может привести к травмированию, и представляет
потенциальную опасность несчастного случая с окружающими.
Не уходите от работающих станков даже на короткое время без
предварительного их отключения.
Слесарь по контрольно-измерительным приборам и автоматике должен
знать и уметь выполнять общие правила по технике безопасности, а также ПТЭ и
ПТБ при эксплуатации электроустановок потребителей.
2. Обязанности перед началом работы:
.1. Обо всех замеченных неисправностях на рабочем месте немедленно
сообщите своему руководителю и не приступайте к работе до их устранения.
.2. Перед началом работ с электроинструментом убедитесь в его
исправности, проверьте правильность подключения и наличие заземления
.3. Приведите в порядок свою спец. одежду: застегните рукава, полы
куртки, оденьте головной убор и приберите под него волосы.
.4. Перед началом работы на наждачном, сверлильном, токарном станках
убедитесь в исправности оборудования:
а) осмотрите рабочее место и уберите из под ног, со станка и из проходов
то, что мешает работать;
б) осмотрите пол и деревянную решетку ¾ они должны быть чистыми, сухими и не скользкими;
в) проверьте и обеспечьте достаточную смазку станка;
г) осмотрите и поставьте на место все ограждения и предохранительные
устройства;
д) убедитесь в наличии защитного заземления станка;
е) проверьте натяжением приводных ремней;
ж) проверьте исправность режущего инструмента, принадлежностей и
приспособлений, все неисправное заменить;
з) проверьте исправность пускового и остановочного устройств;
и) установите режущий инструмент;
к) проверьте систему охлаждения станка (если есть такая) и наличие
охлаждающей жидкости в ванне.
. Обязанности во время работы:
Выполняйте порученные производственные задания только в спец. одежде,
предусмотренной для слесарей КИП и А;
Не носите в карманах инструменты и предметы с острыми концами, а
также едкие и огнеопасные вещества, в противном случае возможны травмы;
При работе в местах, где производится ремонт или строительство новых
технологических агрегатов, надевайте защитную каску;
Во время работы со сварщиком или в горячих цехах, брюки должны быть
выпушены на сапоги (валенки) для предотвращения попадания в них брызг
расплавленного металла или агрессивной жидкости.
Используйте строго по назначению защитные средства для рук:
а) при производстве земляных и строительных работ с применением ручных
инструментов, а также с загрязненными неагрессивными веществами деталями
(ржавчиной и т.д.) ¾ хлопчатобумажные рукавицы;
б) при производстве работ с горячими предметами ¾ суконные рукавицы;
в) при производстве работ с кислыми или щелочными средствами ¾ кислостойкие или прорезиненные
рукавицы;
г) для защиты от электрического тока диэлектрические перчатки
При работе в электроустановках используйте только проверенные
средства;
Для защиты органов дыхания и зрения от вредного воздействия
промышленной пыли, мелких частиц и т.п. применяйте защитные очки респираторы;
Для предотвращения отравления, а также других поражающих действий
ядовитых газов применяйте промышленные противогазы со следующими коробками:
марки «В» (желтый цвет) или «БКФ» (защитный цвет) от кислых газов, хлора,
хлористого водорода и прочее, а коробку «БКФ» также от кислых ядовитых паров и
дымов; марки «СО» (белого цвета) или гопкалитовый патрон ¾ от окиси углерода; марки «КД»
(серого цвета) от аммиака; «А» (коричневого цвета ) ¾ от органических паров. При этом
следует помнить, что фильтрующие противогазы применяются при содержании
ядовитых веществ в атмосфере не более 0,5% по объему и свободного кислорода не
ниже 18%. В случаях, когда содержание вредных веществ выше допустимого или мало
кислорода, необходимо применять изолирующие противогазы;
Не находитесь в местах возможного падения предметов с высоты;
Для предотвращения скольжения, опорные концы лестниц,
установленных на твердый пол, должны быть обиты резиной, а на деревянный или
земляной полы ¾ иметь
металлические наконечники и удерживаться другими рабочими;
Запрещается выполнять работу с приставной лестницы, находясь на
ней вдвоем, подниматься по лестнице с грузом, работать переносным инструментом:
паяльными лампами электроинструментом и др.
Не разрешается произвольно наращивать лестницу, превышать
максимальную длину лестниц ¾ 5 м;
Запрещается раскладывать инструмент на трубопроводах,
конструкциях, так как в случае падения он может нанести травму проходящему
внизу человеку;
В случае работы на высоте более 1,5 м от пола без лесов
пользуйтесь монтажными поясами или веревками;
Перед разборкой соединений отключенных трубопроводов спустите
остаточное давление;
Запрещается производство работ на трубопроводах и аппаратах с
агрессивными газами и жидкостями, находящимися под давлением;
Запрещается подтяжка соединений на импульсных линиях, находящихся
под давлением;
При включении манометров высокого давления вентиль открывать
медленно, по возможности находясь как можно дальше от прибора;
Чистку, смазку, ремонт вращающихся механизмов производить только
при остановленных устройствах;
Не удлиняйте ручку стандартных ключей подручными предметами;
Не поднимайте груз сверх допустимой нормы: женщины ¾ 10 кг, мужчины ¾ 50 кг;
При кантовке груза находитесь сзади или сбоку него;
При перекатывании груза по наклонной поверхности находитесь сбоку
от него;
При работе с агрессивными жидкостями соблюдайте предельную
осторожность, не разливайте ее в посуду с трещинами, имеющую посторонний запах.
Разбавляйте кислоту по следующему правилу: лейте кислоту в воду тонкой
струйкой;
Во избежание взрыва при работе в пожаро- и взрывоопасных
помещениях пользуйтесь только взрывобезопасными светильника.
Помните, что ток силой 0,05 А опасен для жизни, а 0,1 А ¾ смертелен. При неблагоприятных
условиях (влажная кожа, угнетенное состояние и т.п.) тело человека может иметь
сопротивление не более 1000 Ом, поэтому опасным для жизни является напряжение
более 40 В;
При замене плавких преобразователей оберегайте глаза и лицо, так
как в результате не устраненного короткого замыкания их может разорвать и
соколками поранить лицо.
4. Обязанности по окончании работ:
4.1. Промасленную ветошь и другие обтирочные материалы по
окончании работы убирайте в специальный металлический ящик с крышкой для
предотвращения возможного загорания их на рабочем месте и возникновения пожара;
4.2. При окончании работ в сборке, щите, приборе или установке,
имеющих электрическое питание, не забудьте убрать рабочее место от отходов, не
оставляйте неизолированных концов проводов, проверьте электрическую схему для
предотвращения короткого замыкания;
4.3. Не допускайте курения и принятия пищи в помещениях, где
проводится работа со ртутью, соблюдайте следующие правила личной гигиены при
работе со ртутью:
а) после окончания работы тщательно мойте руки и лицо теплой водой с
мылом;
б) в конце рабочего дня заменяйте рабочую одежду другой;
4.4. После работы с пастой ГОИ вымойте руки с мылом.
Недопустимо прикасаться к глазам или тереть их руками, загрязненными пастой
ГОИ, так как содержащаяся в ней смесь хрома действует раздражающе на слизистую
оболочку и может привести к ее воспалению;
4.5. По окончании работы на наждачном станке, остановите
станок, дождитесь остановки круга и только потом уходите от станка;
4.6. По окончании работы на сверлильном или токарном станке
остановите станок и поставьте рукоятки управления в нейтральное положение,
уберите стружку, очистите и смажьте станок, приведите в порядок рабочее место.
Ответственность за несоблюдение требований инструкций.
За невыполнение требований настоящей инструкции, инструкций,
перечисленных в перечне обязанных инструкций, хранящихся на участках КИП и А, слесаря
КИП и А несут ответственность в установленном порядке в зависимости от степени
и последствий нарушений.
6. МЕРОПРИЯТИЯ ПО ОХРАНЕ ОКРУЖАЮЩЕЙ СРЕДЫ НА ПРЕДПРИЯТИИ
Важной проблемой современного производства является охрана окружающей
среды от выбросов пыли и вредных веществ в атмосферу. Загрязнение воздушной
среды может вызывать нарушение экологических систем, ухудшать
санитарно-гигиеническое состояние атмосферного воздуха, наносить ущерб
народному хозяйству страны. В связи с этим предпринимаются необходимые меры по
предотвращению выбросов вредных веществ в воздух, и освоению пылеочистительного
оборудования.
Наряду с защитой окружающей среды, при очистке отходящих промышленных
газов от содержащихся в них твердых и жидких взвешенных частиц, достигается
снижение безвозвратных потерь сырья и готовых конечных порошкообразных
продуктов, уменьшается износ оборудования, улучшаются условия труда в
производительных цехах и на территории завода.
Почти все стадии технологических процессов производства извести сопровождаются
образованием пыли, уносимой технологическими газами и аспирационным воздухом.
Источниками пылевыделения служат помольные и печные агрегаты, узлы пересыпок и
сбора мелкодисперсных сырьевых материалов и готового продукта при его
транспортировании и др.
Для очистки выбрасываемых в атмосферу отходящих газов и воздуха
используют специальные пылеулавливающие установки, которые предотвращают
загрязнение воздуха, потери перерабатываемых материалов и готового продукта.
Соблюдение данных норм обеспечивают выбором соответствующих
пылеуловителей с учетом температуры и влагосодержании отходящих газов,
концентрации и крупности пыли, ее плотности, абразивности и электрического
сопротивления.
При обычной работе системы аспирации вместе с воздушным потоком выносятся
мелкие фракции измельчаемого материала. Из аспирационного потока пыль в основном
выводится из шахтной аспирационной коробки в приемный бункер пневмовинтового
насоса. Дальнейшая очистка аспирационного воздуха от пыли осуществляется с
помощью фильтров, из которых через ячейковые затворы также поступает в приемный
бункер пневмонвинтового насоса.
При высокой концентрации пыли полидисперсного состава в запыленном
воздухе и газах применяют очистку в электрофильтрах с эффективностью осаждения
пыли 95-98%, принцип действия которых основан на воздействии постоянного
электрического тока высокого напряжения (50-100 кВ) между установленными на
определенном расстоянии осадительными электродами на частицы пыли, взвешенной в
дымовых газах, вследствие чего они приобретают ускоренное движение к
осадительному электроду и налипают на его поверхность.
Осадительные электроды периодически встряхиваются ударно-встряхивающими
механизмами, и частицы пыли спадают с электродов в бункер, откуда через затворы
питателя, предохраняющие систему от подсоса воздуха, поступают в шнек, а затем
на ленточный транспортер высушенного материала. Очищенные в соответствии с
действующими нормами газы дымососом направляются в трубу, позволяющую
выбрасывать эти газы на большой высоте (10-120 м и выше).
В связи с этим предусматриваются необходимые меры по предотвращению
выбросов вредных веществ в окружающую среду, своевременное строительство
очистных сооружений, разработка и освоение серийного производства новых видов
газоочистительного и пылеулавливающего оборудования.
ЗАКЛЮЧЕНИЕ
На основе бурного роста машиностроения в нашей стране осуществляется
комплексная автоматизация, которая приводит к ликвидации ручных
погрузочно-разгрузочных работ и исключает тяжелый труд при выполнении основных
и вспомогательных производственных операций. Труд рабочего сводится к
управлению машиной. Механизация представляет собой процесс замены мускульной
силы человека механизмами.
Перелагая функции управления производством с человека на автоматические
устройства, мы осуществляем автоматизацию производства. При этом автоматические
устройства облегчают и частично заменяют умственный труд человека.
Комплексная автоматизация перелагает с человека на автоматы не только
простые, но и сложные операции управления и, таким образом, позволяет
автоматически управлять не отдельными участками или агрегатами, а всем
процессом в масштабе технологической линии, цеха или завода в целом.
Годовой экономический эффект от внедрения данной системы составит
173555,37 (руб.), срок окупаемости капитальных вложений составил 1,57 года, что
значительно ниже нормативного срока окупаемости - 6,7 года. Прирост прибыли по
ОАО «МЗСК» составит 226800 рублей.