|
955
Схема проветривания блоков №1 и №2 шахты
"Северная" предусматривает обособленное проветривание.
Блок №1-центральная: свежий воздух подаётся по
клетьевому стволу, исходящая выводится по скиповому стволу шахты. Блок
№2-центрально-отнесённая: свежий воздух передаётся по вентиляционным стволам №1
и №2, исходящая выводится по существующим шурфам №2 и №3 шахты №5. Способ проветривания
блоков - всасывающий.
Каждая вентиляционная установка состоит из двух
вентиляторов. Реверсирование воздушной струи осуществляется при помощи системы
ляд и шиберов для действующих вентиляционных установок с пульта шахтного
диспетчера. А для новой установки на венстволе №1 осуществляется без обходного
канала за счёт специальной схемы реверсивных устройств.
Две вентиляционные установки блока №1 типа
ВРЦД-4,5 (рабочая и реверсивная) имеют привода из двух электромашин,
установленных соосно на одной раме, для получения двух устойчивых скоростей
вращения вентилятора.
СД: СДН-17-41 -16-Рн= 1600кВт,=6000B,
n=375об/мин.
АД:АКС-16-44-24-Рн=500кВт, U=6000B, n=240об/мин.
Вентиляционные установки блока №2 состоят из
двух вентиляторов ВЦД-47 "Север" с электродвигателями
АКС-17-76-12УХЛ4, Рн=3200 кВт,=6000B,
n=500об/мин.
.2 Проверочный расчет вентиляционной установки
В данном дипломном проекте предлагается
модернизация существующего привода вентилятора ВЦД-47 "Север" на
регулируемый электропривод с векторным управлением.
На вентиляционном стволе № 1 установлена
вентиляционная установка ВЦД-47 "Север". Количество воздуха,
выдаваемое вентилятором, согласно математической модели шахты, составляет 340
м3/с.
Депрессия: hCTMIN=1400 Па;=8000 Па.
Определим min и max эквивалентное отверстие
шахты.
, м3(2.1)
м3
, м3(2.2)
м3
Характеристики вентиляционной сети строим по
формулам, задавая производительность вентилятора.
,(2.3)
,
,(2.4)
.
Данные заносим в таблицу 2.5. Аэродинамические
характеристики вентилятора ВЦД-47 «Север» и характеристики сети представлены на
рис.2.1
Рис. 2.1 Аэродинамические характеристики
вентилятора ВЦД-47 "Север" и характеристики сети.
Таблица 2.5 Зависимость депрессии вентилятора от
производительности
|
Q,
м3/с
|
50
|
100
|
150
|
200
|
300
|
400
|
500
|
600
|
|
hmin,
H/M2
|
21,5
|
86
|
193,5
|
344
|
774
|
1376
|
2150
|
3096
|
|
hmax,
H/M2
|
172,
5
|
690
|
1552,5
|
2760
|
6210
|
-
|
-
|
-
|
Максимальная мощность на валу вентилятора:
, кВт(2.5)
кВт
Минимальная мощность на валу вентилятора:
, кВт(2.6)
кВт
Необходимая мощность двигателя с учётом резерва:
, кВт(2.7)
кВт.
Установленный электродвигатель АКС-17-76-12У4 с
Рн=3200 кВт полностью удовлетворяет по параметрам и не требует замены.
3. Безопасность жизнедеятельности
.1 Анализ потенциальных опасностей
Шахта «Северная» является сверхкатегорийной по
выделению газа и опасной по внезапным выбросам угля и газа. Все угольные
пласты, разрабатываемые на шахте, опасные по взрывам пыли и являются
высокометаноносными. При этом пласт «Мощный» с отметки -350 м и пласт «Тройной»
с отметки -500 м являются опасными по внезапном выбросам угля и газа, а пласт
«Четвёртый» с отметки -800 м - угрожаемый. Кроме того, все три пласта являются
опасными по горным ударам соответственно с отметок -65м, -270 м.
Выделение ядовитых газов в атмосферу шахты
происходит только при буровзрывных работах.
Таблица 3.1. Анализ опасных и вредных факторов
|
Опасные
факторы
|
Вредные
факторы
|
|
-
выработки, пройденные по пластам, отнесенным к опасным по горным ударам;
|
-шум;
|
|
-
выработки, пройденные по пластам, отнесенным к опасным по внезапным выбросам
угля;
|
-
вибрация;
|
|
-
выработки, пройденные по пластам, отнесенным к опасным по внезапным выбросам
газа;
|
-
запыленность воздуха, вызываемая работой комбайна;
|
|
-
породы шахты содержат более 10% свободного кремнезема, поэтому полевые
выработки относятся к селикозопасным;
|
-
метанообильность шахты.
|
|
-
пространства, примыкающие к находящимся под напряжением неизолированным
токоведущим частям или проводникам;
|
|
|
-
пространства, примыкающие к не огражденным движущимся частям и органам, а
также передвигающимся транспортным средствам (вагонам, электровозам, клетям);
|
|
|
-
плохо проветриваемые горные выработки.
|
|
3.2 Анализ травматизма
Всего производственных травм по шахте «Северная»
за 12 месяцев 2001 года произошло 92, из них со смертельным исходом - 1.
Таблица 3.2 Анализ травматизма по тяжести
|
Наименование
|
12
месяцев 2001 года
|
12
месяцев 2000 года
|
|
Коэффициент
частоты
|
31,93
|
41,9
|
|
Коэффициент
тяжести
|
31,44
|
27,6
|
Таблица 3.3 Анализ травматизма по стажу
|
Стаж
|
Кол-во
н/с
|
|
До
1 года
|
27
|
|
1-5
лет
|
19
|
|
5-15
лет
|
15
|
|
Больше
15 лет
|
31
|
Таблица 3.4 Анализ травматизма по специальностям
|
Профессии
|
2000
г.
|
2001
г.
|
|
ГРОЗ
|
17
|
22
|
|
Проходчик
|
14
|
15
|
|
МГВМ
|
10
|
10
|
|
ГРП
|
12
|
14
|
|
Эл.слесарь
подземный
|
12
|
12
|
|
Машинист
электровоза
|
3
|
1
|
|
ИТР
|
9
|
6
|
|
Прочие
подземные рабочие
|
5
|
5
|
|
Эл.слесарь
дежурный и по ремонту
|
5
|
0
|
|
Доставщик
крепежа
|
1
|
0
|
|
Прочие
поверхностные рабочие
|
15
|
|
|
Всего
|
103
|
92
|
Таблица 3.5 Анализ основных причин несчастных
случаев
|
Основные
причины несчастных случаев
|
Кол-во
н/сл.
|
|
эксплуатация
неисправных машин, механизмов, оборудование
|
2
|
|
нарушение
технологического процесса
|
22
|
|
нарушение
требований безопасности при эксплуатации транспортных средств
|
2
|
|
неудовлетворительная
организация производства работ
|
3
|
|
неудовлетворительное
содержание и недостатки в организации рабочих мест
|
18
|
|
неудовлетворительное
состояние территории
|
1
|
|
недостатки
в обучении безопасным приемам труда
|
7
|
|
неприменение
средств индивидуальной защиты
|
1
|
|
неприменение
средств коллективной защиты
|
1
|
|
несовершенство
технологического процесса
|
1
|
|
нарушение
трудовой и производственной дисциплины
|
2
|
|
конструктивные
недостатки, несовершенство, недостаточная надежность машин, механизмов,
оборудования
|
2
|
|
прочие
|
32
|
.3 Меры борьбы с газом
Шахта "Северная" по выделению метана
отнесена к сверхкатегорийной. Относительная метанообильность шахты составляет
40,8 м3/т. Один из пластов, разрабатываемых шахтой ("Мощный") и его
расщепленный аналог пласт "Тройной" отнесены к опасным по выбросам
угля и газа.
Для проветривания выработок шахты и обеспечения
допустимых норм концентрации метана в шахту подается 2400 м3/мин воздуха.
В связи с большой метанообильностью на шахте
проводится комплекс мероприятий по дегазации пластов и мероприятий по
предупреждению взрывов метана. Для дагазации и снижения удароопасности пласта
"Тройного" в первую очередь отрабатывается пласт
"Четвертый", принятый защитным по отношению к "Тройному".
Кроме того, производится дегазация пластов
откачиванием метана через скважины по дегазационному трубопроводу на
поверхность. Для повышения эффективности естественной дегазации выемочные поля
обуриваются скважинами параллельно забою из оконтуривающих поле штреков. В
подготовительных забоях пластов "Мощного" и "Тройного"
производится нагнетание воды в пласт под высоким давлением - гидроразрыв пласта
- с целью снижения выбросоопасности. Для снижения концентрации метана в
выработках выемочных участков на шахте применяется в основном прямоточный с
подсвежением исходящей струи способ проветривания. Для централизованного
диспетчерского контроля и газовой защиты по шахте применяется аппаратура
"Метан" АГЗК. Для контроля и управления вентиляторами местного
проветривания применяется аппаратура "Азот" и "Ветер".
.4 Электробезопасность
Безопасность применения электрической энергии в
угольных шахтах, заключается в предотвращении взрывов, пожаров и поражений
людей электрическим током достигается: применением специального исполнения
рудничного электрооборудования, специальных (шахтных) кабелей; соблюдением
правил, предусматривающих предотвращение повреждения электрооборудования и
кабелей над действием внешних факторов, и использование их в расчётных режимах
осуществлением защитного отключения при потере электрооборудованием и кабелями
своих безопасных свойств (утечки тока на землю, короткое замыкание) или
возникновением опасностей другого рода (нарушение проветривания, повышение
концентрации метана).
Различное электрооборудование по уровню взрывозащиты
имеет четыре исполнения:
рудничное нормальное, рудничное повышенной
надежности, рудничное взрывобезопасное рудничное особовзрывобезопасное. Область
применения в подземных выработках электрооборудования того или иного
исполнения, производимое в соответствии с ПБ. Все электрооборудование,
находящееся под напряжением, должно быть заземлено. Заземление осуществляется
на общешахтный контур заземления или на местное заземление (Rз < 2 Ом). Для
устройства общешахтной сети заземления используются кабели с заземляющей жилой
или имеющие металлическую броню, посредством которых все корпуса электрических
машин и аппаратов подключаются к главному заземлению, расположенному в зумпфе и
водосборнике. Кроме того стационарное оборудование и периодически перемещаемое,
кабельные муфты, металлические оболочки аппаратуры коммутации должны быть
(заземлены) подсоединены к местному заземлению, представляющему собой отрезок
стальной трубы длиной 1,5 м и диаметром не менее 30 мм с нефронированной
поверхностью или стальной лист площадью 0,6 м2 длиной не менее 2,5 м и толщиной
не менее Змм, укладываемой в водосточную канавку.
Для предотвращения опасности возникновения
пожара или поражения электрическим током обслуживающего персонала, в случае
повреждения или потери изоляционных качеств изолирующего материала
электрических машин, кабелей все высоковольтные коммутационные аппараты
оборудующие устройствами защитного отключения и устройствами контроля изоляции
(БКИ, УМЗ, ПМЗ), защиты от токов утечки (АЗШ, ВКЗ, АЗПБ).
Для осуществления опережающего защитного
отключения электрооборудования в случае изменения условий вентиляции, повышения
концентрации метана, применяется аппаратура "Ветер" и аппаратура
газовой защиты "Метан".
.5 План ликвидации аварий
План ликвидации аварий (ПЛА) на шахте
"Северная" предусматривает все мероприятия по спасению людей,
застигнутых аварией в шахте, по ликвидации аварий в начальной стадии их
развития, а также определяет действия инженерно -технических работников,
рабочих и ВГСЧ при возникновении аварии.
План ликвидации аварий разрабатывается главным
инженером шахты и командиром обслуживающего шахту ВГСВ на 6 месяцев, согласно с
командиром ВГСО. За 15 дней до ввода ПЛА в действие он утверждается главным
инженером акционерного общества "Воркутауголь". При вводе в эксплуатацию
новых и погашении отработанных выработок, изменении схемы вентиляции или путей
вывода людей из шахты в плане ликвидации должны быть в течении суток внесены
соответствующие изменения и дополнения. Они вносятся главным инженером шахты по
согласованию с командиром взвода ВГСВ, обслуживающего шахту.
Ответственным руководителем работ по ликвидации
аварий является главный инженер шахты, а до его прибытия горный диспетчер.
Руководителем горноспасательных работ является
командир ВГСВ.
План ликвидации аварий состоит из:
оперативной части;
распределения обязанностей между лицами,
участвующими в ликвидации аварии и порядок их действия;
списка должностных лиц и учреждений, которые
должны быть немедленно извещены об аварии.
План предусматривает:
мероприятия по спасению людей;
мероприятия по ликвидации аварий в начальной
стадии их возникновения;
действия ВГСЧ в начальной стадии ликвидации
аварий.
План ликвидации аварий должен находится у
главного инженера, горного диспетчера и в горноспасательном взводе, обслуживающем
шахту.
В таблице 3.6 представлена позиция № 2 - пожар
околоствольном дворе второго вентиляционного ствола (выписка из ПЛА).
Таблица 3.6 Позиция № 2 - пожар околоствольном
дворе второго вентиляционного ствола (выписка из ПЛА)
|
№
п/п
|
Мероприятия
по спасению людей и ликвидации аварии
|
Ответственное
лицо исполнитель
|
|
1
|
Сообщить
диспетчеру о пожаре.
|
Первый
заметивший.
|
|
2
|
Вызвать
оперативный взвод ВГСО.
|
Горный
диспетчер телефонист
|
|
3
|
Произвести
реверсирование вентиляционной струи вентилятора шурфа №1 и вентилятора
главного проветривания.
|
Главный
механик мехник вент.установки
|
|
4
|
Отключить
электроэнергию в околоствольном дворе.
|
Главный
энергетик дежурный подстанции
|
|
5
|
Оповестить
персонал об аварии системой ИГАС и по телефону.
|
Горный
диспетчер телефонист
|
|
б
|
Вывести
всех людей из шахты согласно плану эвакуации.
|
Сменный
ИТР члены ВГС
|
|
5
|
Обеспечить
подачу воды по магистральному трубопроводу до аварийного участка.
|
Главный
механик дежурный слесарь
|
|
б
|
При
дальнейшем развитие пожара доставить пожарный поезд на южный главный
откаточный квершлаг.
|
Начальник
ВШТ машинист и работники ВШТ
|
|
7
|
Направить
прибывшие отделения ВГСЧ по маршрутам: Отделение 1: клетьевой ствол,
околоствольный двор, северный откаточный штерк гор. -748 м к очагу для
ликвидации пожара. Отделение 2: вент.ствол №1, околоствольный двор, южный
откаточный штрек гор. -748 м - для вывода людей и разведки пожара. Время
выхода людей 40 мин.
|
Главный
инженер (горный диспетчер) командир ВГСЧ
|
.6 Меры безопасности при чрезвычайных ситуациях
Для обеззараживания осветленной воды на очистных
сооружениях шахтных используется жидкий хлор. Хлор относится к
сильнодействующим ядовитым веществам (СДЯВ). Для предотвращения утечки хлора
применяется ряд мер:
выбор соответствующих материалов (емкостей,
материала трубопроводов оборудования и уплотнений);
испытания перед вводом в эксплуатацию (под
давлением);
вновь повторяющиеся испытания под давлением и
металлографические испытания;
организационные мероприятия по промышленной
безопасности;
существуют производственные инструкции по
эксплуатации и контролю за установкой.
Установка достаточно освещена. Таким образом,
необходимые проверки могут проводиться и в тёмное время суток.
Регулярное проведение технического обслуживания,
проверок и инспекций, а также система планово-профилактических мероприятий,
являются существенной базой для предотвращения утечки ядовитого вещества.
После последовавшей утечки или в соответствии с
возможной утечкой ядовитого газа следуют дальнейшие мероприятия:
проводятся регулярные контрольные обходы. При
этом особое внимание должно уделяться выявлению возможных повреждений
(пробоин);
регулярное обучение производственного персонала,
для предотвращения ошибок в обслуживании установки.
4. Охрана окружающей среды
.1 Общие мероприятия по охране природы
Поле шахты «Северная» находится в
северо-восточном замыкании Воркутской мульды. Шахта находится в долине реки
Воркуты в 12 км от города Воркуты. На площади шахты «Северная» расположена
шахта «Аяч-Яга», которая имеет общую с ней промплощадку и отрабатывает пласты Интинской
свиты.
При разработке месторождений полезных ископаемых
характерно воздействие на окружающую среду, затрагивающее практически все ее
элементы: водный и воздушные бассейны, землю, недра, растительный и животный
мир.
В процессе горного производства образуется, и
увеличиваются пространства, нарушенные горными выработками, отвалами отходов
переработки, которые оказывают отрицательное влияние на окружающие территории.
В целях совершенствования планирования и
организации научного природопользования на шахте разрабатывается перспективные
и годовые планы по рациональному использованию природных ресурсов и охране
природы как составная часть перспективных и годовых планов
производственно-хозяйственной деятельности предприятия. Основой для составления
планов по охране природы и рациональному использованию ресурсов служит
экологический паспорт.
Информация, содержащаяся в экологическом
паспорте шахты, предназначена для решения следующих природоохранных задач:
оценка влияния выбросов (сбросов) загрязняющих
веществ и выпускаемой продукции в окружающую среду и здоровье население платы
за природопользование;
установление предприятию предельно допустимых
норм выбросов (сбросов) загрязняющих веществ в окружающую среду;
планирование предприятием природоохранных
мероприятий и оценка их эффективности;
контроль соблюдения предприятием
законодательства в области охраны природной среды;
повышение эффективности использования природных
и материальных ресурсов, энергии и вторичных продуктов.
.2 Охрана водного бассейна
Под охраной водного бассейна (подземных и
поверхностных вод) понимается соблюдение установленного порядка пользования
водами, т.е. обеспечение рационального использования, сохранения и восполнение
их ресурсов при улучшении их качества в интересах существующих и будущих
поколений.
В основу разработки и реализации мероприятий по
охране природных вод закладываются три методологических принципа:
Сохранение ресурсов и предотвращение нарушение
состояния и качества вод.
При необходимости нарушения и восстановления
качества их состояния, выполнения запасов.
В соответствии с этим принципами комплекс
мероприятий по охране природных вод на шахте подразделяется на две группы. К
первой группе относятся мероприятия предохранительного характера, направленные
на сохранение качества поверхностных и подземных вод. К ним относятся
мероприятия по устранению утечек и попадание в шахтные воды нефтепродуктов и
попадание в бассейн реки Воркута твердых частиц (угольная и породная пыль,
отходы пилорамы). Ко второй группе относятся мероприятия восстановительного
характера, включающие очистку и возврат вод в поверхностные водоемы (в р.
Воркута). Это очистка шахтных вод на очистных сооружениях (БОШВ) и
хозяйственно-бытовых столов на очистных сооружениях биологической очистки.
Эффективность действия БОШВ и очистных сооружений очень высока, и очищенные на
них воды отвечают жестким санитарным норм.
Основными источниками загрязнения водной среды
являются:
воды шахтного водоотлива, загрязненные
взвешенными и другими веществами (метанами, нефтепродуктами и т.д.);
воды с углеобогатительной фабрики, загрязненная
взвешенными веществами;
вода бытовой и дождевой канализации,
загрязненная взвешенными веществами и биологическими отходами;
стоки талых вод, стоки, оставшиеся после помывки
транспорта и территории.
Технологическая схема очистки шахтных вод
включает: реагентную обработку шахтных вод; осветление в осветлителях со
взвешенным осадком; доочистку осветленной воды на песчано-гравийных фильтрах;
сбор и обезвоживание осадка в фильтр - прессах ФПАКМ-25; обеззараживание
осветленной воды жидким хлором.
Контроль за качеством сбрасываемых сточных вод
осуществляется штатной лабораторией, выполняющих определение качества
сбрасываемых сточных вод в соответствии с графиком, согласованным с ВГЦСЭН и
ВСИГЭКиА. Объем водоотведения определяется количеством воды, поступающей с
шахтных водоотливов. Проектная мощность очистных сооружений шахты составляет
500 м /час шахтной воды при концентрации взвешенных веществ не более 2000 мг/л.
В таблицах 4.1, 4.2 приведены сведения о характеристике
сточных вод и сбросе загрязняющих веществ.
Таблица 4.1 Сброс загрязняющих веществ
|
Наименование
|
Ед.
изм.
|
2000
г.
|
2001
г.
|
+,-
к 2000 г.
|
|
Объем
сточных вод
|
т/г
|
3529,0
|
2187,0
|
-1352
|
|
ВПК
|
т
|
5,7
|
4,3
|
-1,4
|
|
Взвешенные
вещества
|
т
|
4,1
|
6,6
|
.2,5
|
|
Нефтепродукты
|
т
|
1,5
|
0,7
|
-0,8
|
|
Сухой
остаток
|
т
|
4597,8
|
5562,2
|
964,4
|
|
Сульфаты
|
т
|
615,3
|
665,8
|
50,5
|
|
Хлориды
|
т
|
468,
1
|
472,
7
|
4,6
|
|
Азот
аммонийный
|
кг
|
0,0
|
0,0
|
0,0
|
|
Азот
нитритный
|
кг
|
15
|
10,2
|
-4,8
|
|
Азот
нитратный
|
кг
|
581,
6
|
481,0
|
-100,6
|
|
Fe,
Mg, P, Cr, Al
|
кг
|
0
|
0,0
|
0,0
|
|
СПАВ
|
кг
|
96,3
|
66,5
|
-29,8
|
Мероприятия по охране водной среды
предусматривают:
Сокращение удельного расхода питьевой воды на
технологические нужды;
Внутришахтные мероприятия по снижению
загрязнения шахтных вод нефтепродуктами;
Строительство очистных сооружений для очистки
дождевых и талых вод мощностью 1140 м3/сутки;
Снижение степени загрязнения поверхностных вод.
Таблица 4.2 Характеристика шахтных сточных вод
|
Наименование
ингредиентов
|
Средняя
Концентрация мг/л
|
Концентрация,
мг/л
|
|
Взвешенные
вещества
|
2,0
|
1,4
|
|
ВПК
полн.
|
1,3
|
1,3
|
|
СПАВ
|
0,02
|
|
Азот
аммон.
|
0,
35
|
0,
0
|
|
Азот
нитритный
|
0,
01
|
0,
006
|
|
Азот
нитратный
|
0,64
|
0,
14
|
|
Фенолы
|
0,001
|
0,001
|
|
Медь
|
0,001
|
0,001
|
|
Цинк
|
Не
обнаружено
|
0,00
|
|
Железо
|
0,03
|
0,0
|
|
Магний
|
12,8
|
0,
0
|
|
Хлориды
|
142,0
|
136,0
|
|
Сульфаты
|
200,0
|
168,0
|
|
Нефтепродукты
|
0,2
|
0,2
|
4.3 Охрана земельных ресурсов
Для осуществления производственно-хозяйственной
деятельности шахтой в обязательном порядке получена лицензия на
землепользование. Ей выделен земельный отвод площадью 161,62 га, из которого
полностью нарушено 91,52 га, что составляет 56,61 %.
Основными источниками нарушения земель является:
строительство поверхностных зданий сооружений
(промплощадка, стволы);
породные отвалы и шламонакопители, занимающие
значительные площади поверхности.
Вредное влияние породных отвалов на окружающую
среду заключается в том, что они занимают значительные площади, с их
поверхности сдувается породная и угольная пыль. Породные отвалы при их горении
выделяют в атмосферу в значительных объемах окислы серы, фосфора, азота. В подземные
и поверхностные воды после просачивания атмосферных вод через горящие отвалы
попадает значительное количество гидроокислов серы, азота и фосфора, что
приводит к их загрязнению. В связи с тем, что нарушенные земли не имеют
сельскохозяйственного значения, а затраты на их полное восстановление в
условиях Заполярья очень велики, то эти работы целесообразно вести только на
стадии горнотехнической их рекультивации.
Шахта обязана и производит уборку территории,
следить за состоянием автодорог, железнодорожных путей, примыкающих к ее
промплощадке. Основными мероприятиями по охране земельных ресурсов являются
меры по снижению площадей нарушаемых земель. Под отвалами пород от
углеобогащения понимается и проходки принято на шахте около 40 га земель.
Необходимо рациональное использование площадей старых породных отвалов под
новые, рациональное использование площадей под склады угольного шлама,
шламонакопители, дорог, свалки отходов и т.д.
Мероприятиями шахты предусмотрено восстановить
участок земли, где ранее было образовано новое русло реки Аяч-Яга от породного
отвала №3 до реки Воркута в районе трубоканатного моста №3. Этот участок должен
быть засыпан горной породой, а затем покрыт продуктивным слоем из почвенной
глины. Это улучшит рельеф местности, увеличит плодородие почвы и создаст
дополнительное пастбищное около 6 га. В дальнейшем предусмотрено засыпать
плодородным слоем плоские отвалы № 1 и № 3 общей площадью около 9,5 га.
.4 Охрана воздушного бассейна
Источниками загрязнения воздушного бассейна на
промплощадке шахты «Северная» являются:
.Углеобогатительная фабрика с сушильным
отделением:
.1.Аспирационные системы технологических
корпусов ОФ, от которых в атмосферу поступает остаточное количество угольной
пыли;
.2.Сушильная установка, топливом для которой служит
метановоздушная смесь, удаляющая через дымовую трубу угольную пыль, оксиды
азота и оксид углерода.
.Автономный воздухонагреватель (АВН).
.Механический цех:
.1.Кузнечный горн, выбрасывающий в воздух
сернистый ангидрид, оксид углерода, оксиды азота, угольную золу;
.2.Сварочное отделение, выбросы - сварочный
аэрозоль, марганец и его соединения.
.Вентиляционные стволы № 1 и № 2, выбрасывающие
метан и частично угольную пыль.
.Вакуум-насосные установки (2) - выброс метана.
.Технологический комплекс поверхности:
.1.котлоагрегаты котельной: ЗДКВР 20/13 (вид
топлива уголь) дымовые газы поступают в экономайзер, где происходит их
охлаждение и очистка от золы. После чего они проходят через циклон
батарейно-блочный типа БЦ-2=7х(5+3), где происходит основное улавливание золы.
После циклона газы проходят через дымосос Д-15,5. Очищенный дымовой газ через
трубу диаметром 3,0 м и высотой 60,0 м выбрасывается в атмосферу;
.2.Угольный склад - выброс угольной пыли;
.3.Пункт погрузки угля в железнодорожные вагоны
- выброс угольной пыли;
.4.Горящие породные отвалы - выброс
сероводорода, сернистого ангидрида, породной и угольной пыли, оксида азота и
оксида углерода.
.Автотранспортный парк - выбросы оксидов азота,
углерода.
Всего на территории шахты «Северная» находится
23 источника выбросов загрязняющих веществ, в том числе 16 организованных и 7
неорганизованных.
Выбросы загрязняющих веществ в атмосферу
планируется сокращать за счет тушения горящих породных отвалов, а так же за
счет профилактического ремонта, ревизии и наладки аспирационных систем
обеспыливания на территориальном комплексе поверхности шахты.
В 2003 году выброшено в атмосферу без очистки
49886,143 т вредных веществ, в том числе от организованных источников -
49743,684 т. Поступило на очистные сооружения 614,026 т.
От организованных источников с непостоянным
режимом работы (сушка УОФ, кузнечный горн, сварочные работы) объемы выбросов
определяются расчетным методом по удельным величинам, исходя из расхода
топлива, электроэнергии и т.п.
От неорганизованных источников, работающих в
непостоянном режиме, количество выбросов которых зависит от многих, в том числе
природных факторов -направление и скорость ветра, влажность, наличие снегового
покрова - объем выбросов определяется по эмпирическим формулам.
Сведения о загрязнение воздушного бассейна в
2003 году в сравнении с 2002 годом представлено в таблице 4.3, 4.4.
Таблица 4.3 Выбросы загрязняющих веществ в
атмосферу
|
Наименование
выброса
|
Ед.
изм.
|
2002
г.
|
2003
г.
|
+
,-
|
|
Твердые
|
т.
т
|
162,118
|
174,132
|
+12,014
|
|
Жидкие
и газообразные
|
т.
т
|
56374,285
|
49810,214
|
-6564,071
|
|
Оксид
углерода
|
т.
т
|
231,424
|
208,145
|
-23,279
|
|
Диоксид
серы
|
т.
т
|
7,040
|
7,
047
|
+0,007
|
|
Оксиды
азота
|
т.
т
|
62,601
|
53,428
|
-9,173
|
|
Углеводороды
|
т.
т
|
56069,660
|
49538,034
|
-6531,626
|
|
Прочие
|
т.
т
|
3,56
|
3,56
|
0,0
|
|
Выбросы,
всего
|
т.
т
|
56536,40
|
49984,346
|
-6552,054
|
Таблица 4.4 Выброс в атмосферу специфических
загрязняющих веществ
|
Загрязняющие
вещества (выбросы)
|
Ед.
изм.
|
2002
г.
|
2003
г.
|
+
, -
|
|
Соединене
марганца
|
т
|
0,
016
|
0,020
|
+0,004
|
|
Сероводород
(H2S)
|
т
|
3,560
|
3,
560
|
0
|
|
Метан
(СН4)
|
т
|
56069,660
|
49538,034
|
-5631,626
|
|
Угольная
пыль
|
т
|
161,904
|
173,879
|
+11,975
|
|
Угольная
зола
|
т
|
0,075
|
0,
079
|
0
|
|
Сварочная
аэрозоль
|
т
|
0,
123
|
0,
154
|
+0,031
|
Как видно из приложенных выше таблиц, основные
показатели загрязнения воздушного бассейна от хозяйственной деятельности шахты
в 2003 году снизились по сравнению с 2002 годом.
На шахте в целях охраны воздушного бассейна,
производится комплекс мер, включающий в себя проведение профилактических мер по
недопущению возгорания отвалов (послойное их формирование, с перемешиванием по
периметру негорючими материалами, их уплотнение в процессе формирования).
Горящие породные отвалы подвергаются тушению разборке с предварительным
увлажнением и охлаждением породы, что позволяет снизить выброс вредных веществ
в атмосферу и использовать породу отсыпке промплощадок. Использование метана в
качестве топлива для котлоагрегатов вместо угольного топлива является наиболее
эффективным, так как исключает выбросы летучей золы, сернистого газа и
уменьшает выбросы метана.
.5 Охрана недр и рациональное использование
запасов
Основные требования по рациональному
использованию и охране недр при разработке месторождений полезных ископаемых
определены Законом Российской Федерации «О недрах».
К ним относятся:
соблюдение установленного законодательством
порядка предоставление недр в пользование;
обеспечение полноты геологического изучения, в
том числе опережающего геологического изучения недр;
государственный учет запасов, достоверный учет
извлекаемых в недрах запасов;
охрана месторождений от пожаров, затоплений,
исключение загрязнений недр;
соблюдение установленного порядка на
консервирование и ликвидации горных выработок, и застройки месторождений;
обеспечение наиболее полного извлечение из недр
запасов полезного ископаемого.
Для решения вопросов геологического изучения
недр, учета добычи и потерь, соблюдение установленного порядка ликвидации
горных выработок на шахте созданы соответствующие службы: геологическая,
маркшейдерская, техническая.
Для обеспечения экологической устойчивости
геологической среды и уменьшения влияния горных работ на ее изменение
предусматриваются следующие мероприятия:
оставление барьерных целиков на границах с
соседними шахтами, извлечение которых не предусматривается;
охрана основных горных выработок и объектов на
поверхности целиками оптимальных размеров;
оставление барьерных целиков у крупных
тектонических нарушений по 50м с каждой стороны, запасы на которых исключены из
балансовых в геологическом отчете;
применение передовой технологии ведения горных
работ.
К мероприятиям, направленным на полноту
извлечения запасов и снижение их потерь при отработке запасов III горизонта
относятся следующие:
применение столбовой системы разработки с
управлением кровлей полным обрушением;
увеличение длины выемочных столбов до 2 - 2.5 км
с целью уменьшения запасов во временных целиках;
охрана основных выработок временными целиками
угля с последующей их выемкой;
планирование горных работ с учетом тектонических
особенностей отдельных участков;
опережающая проходка подготовительных выработок,
что обеспечивает своевременное уточнение местоположения мелкоамплитудных
нарушений и с учетом этого минимальные потери в их районе;
применение техники и технологии, обеспечивающих
выемку угля без потерь по мощности угольных пластов;
применение бесцеликовой технологии охраны
промежуточных выработок.
В таблице 4.5 приведены сведения по добыче и
потерям угля за последние два года по данным замеров горных выработок
маркшейдерской службы шахты.
Таблица 4.5 Сведения по добыче и потерям угля по
шахте «Северная»
|
Год
|
Добыча
(т. т)
|
Эксплуатац.
потери (т. т)
|
Потери
у геолог, наруш (т.т)
|
Общешахтн.
потери (т.т)
|
Общие
потери (т.т)
|
%общих
потерь
|
|
2002
|
1774
|
76
|
-
|
197
|
273
|
13,3
|
|
2003
|
1777
|
13
|
12
|
303
|
328
|
15,6
|
Последние два года основные потери связаны со
списанием в общешахтные потери межгоризонтного противопожарного целика у лав
812-ю и 912-е пласта «Тройного» и лавы 1212-ю пласта «Четвертого».
Следует отметить, что шахтой «Северная»
последние годы не допускались сверхнормативные потери угля.
Пользователь недр, осуществляющий обогащение
минерального сырья должен обеспечить:
строгое соблюдение технологических схем
переработки минерального сырья, учет и контроль распределения полезных
компонентов;
совершенствование технологий переработки
минерального сырья;
наиболее полное использование продуктов и
отходов переработки, складирование, учет и сохранение неиспользуемых продуктов
и отходов производства.
На шахте не до конца решен вопрос использования
отходов обогащения угля: угольных шламов и породы. Значительное их количество
накоплено в складах угольных шламов и в породных отвалах. За 2003 год накоплено
472,8 т. м3 породы, использовано только 57,0 т.м3. Данная проблема требует
своего решения.
.6 Утилизация отходов
Бытовые отходы вывозятся мусоровозами на
городскую свалку. Отработанные масла собираются в герметичные емкости и
отправляются на очистку и переработку.
Для металлических материалов предназначены
специальные контейнеры которые в последствии отправляются в пункт сбора
металлолома.
Материалы опасные для окружающей среды (люминесцентные
лампы и т.п.) складируются и в дальнейшем подлежат захоронению в специально
отведенных местах.
5. Автоматизация проветривания тупиковых
выработок
.1 Общая часть
При работе в тупиковых выработках условия
проветривания осложняются невозможностью удаления метана струёй проходящего
сквозь выработку свежего воздуха. Поэтому проветривание осуществляется
принудительной подачей воздуха вентиляторами местного проветривания. Воздух
подаётся по воздуховоду значительной протяжённости и включение вентилятора для
избежания разрыва воздуховода необходимо выполнять импульсно. Объём подаваемого
в выработку воздуха (Q м3/мин)рассчитывается по специальным методикам. Скорость
движения воздуха в воздуховоде сечением S м2 определяется по формуле:
.
Эта величина является уставкой аппаратуры
проветривания тупиковых выработок (АПТВ).
.2 Назначение аппаратуры
Аппаратура АПТВ предназначена для контроля
поступления воздуха к забою тупиковой выработки от вентилятора местного проветривания
(ВМП), в шахтах, опасных по газу или пыли, автоматического отключения
электроэнергии при нарушении нормального режима проветривания выработки, а
также автоматизированного управления ВМП, в том числе зарезервированными ВМП.
Аппаратура обеспечивает:
Непрерывный автоматический контроль скорости
воздуха по вентиляционному трубопроводу;
Регулируемую выдержку времени на включение
группового пускателя, станции КУУВТ или высоковольтного РУ, питающего приёмники
подготовительной выработки в пределах от 5 до 20 мин. с момента поступления
сигнала о нормальном проветривании выработки;
Автоматическое отключение группового аппарата с
регулируемой выдержкой времени от 30 до 120с. с момента выдачи датчиком
скорости воздуха сигнала о нарушении нормального проветривания выработки;
Отключение группового аппарата без выдержки
времени при отключении ВМП;
Автоматизированное местное диспетчерское
управление через систему телемеханики рабочим или резервным ВМП;
Сохранение включенного состояния пускателя ВМП и
возможность местного или телеуправления ВМП при выходе из строя и отключении
разъединителя АПТВ с помощью аппаратуры "Ветер";
Импульсное включение пускателя рабочего или
резервного ВМП для обеспечения плавного заполнения вентиляционного трубопровода
воздухом;
Автоматическое включение резервного ВМП при
отключении резервного ВМП или при его не включении;
Автоматическое повторное импульсное включение
пускателя рабочего или резервного ВМП при восстановлении напряжения хотя бы па
одном ВМП в течении от 60 до 110 сек. с момента исчезновения напряжения на АПТВ
и нулевую защиту пускателей ВМП при исчезновении питающего их напряжения более
чем на 110 сек;
Автоматический перевод аппаратуры и КП ТМ на
резервную линию питания напряжением 36 В при исчезновении напряжения в рабочей
линии и обратно при восстановлении напряжении рабочей сети;
Выдачу сигналов в систему телемеханики:
об управлении работой рабочего или резервного
ВМП;
о снижении скорости воздуха меньше заданного;
о снятии блокировки на включение группового
аппарата;
и другие функции.
.3 Схема управления и состав аппаратуры АПТВ
Рис. 1. Принципиальная электрическая схема
управления проветриванием тупиковой выработки.
Аппаратура АПТВ состоит из исполнительного
устройства (ИУ), датчика скорости воздуха ДСВ и имитатора. Структурная схема
аппаратуры на рис.1 включает:
датчик контроля скорости воздуха (ДСВ);
блок контроля поступления воздуха (БКВ);
времязадающее устройство (ВЗУ);
схему блокировок включения группового аппарата
(СБВ);
блок управления ВМП (БУВ);
блок питания (БП).
.4 Основные технические данные
|
4.1.
Исполнение (уровень и вид взрывозащиты):
|
|
|
исполнительного
устройства
|
РВ,
IВ
|
|
датчика
|
РО
|
|
имитатора
|
общ.
назнач.
|
|
4.2.
Степень защиты
|
|
|
исполнительного
устройства
|
Р54
|
|
датчика
|
Р32
|
|
имитатора
|
Р31
|
|
4.3.
Номинальное напряжение питаия, В
|
|
|
исполнительного
устройства
|
36
|
|
имитатора
|
127,
220
|
|
4.4.
Диапозон контролируемых скоростей
|
|
|
воздуха
в трубопроводе, м/с
|
от
4 до 24
|
|
4.5.
Время установления сигнала датчика (инертность), с
|
не
более 10
|
|
4.6.
Импульсный запуск ВМП
|
|
|
длительность
импульса
|
от
1,5 до 3
|
|
с
длителностью паузы между ними
|
от
6 до 10
|
|
количество
циклов
|
от
3 до 6
|
|
4.7.
Шкала установок времени на включение группового аппарата
|
|
|
после
установления нормального режима проветривания, мин
|
5,
6, 7, 8, 9, 10, 12, 14, 16, 18, 20
|
|
4.8.
Показатели надежности
|
|
|
часов
наработки на отказ аппаратуры в целом (не менее)
|
2500
|
|
часов
наработки на отказ для функциональных блоков их цепей
|
10000
|
.5 Устройство и работа аппаратуры АПТВ и её
основных частей
Датчик ДСВ предназначен для контроля осреднённой
по сечению трубопровода скорости воздуха, поступающего к забою.
Исполнительное устройство (ИУ) обрабатывает
информацию с датчика, выдает управляющие и информационные сигналы.
Имитатор имитирует пусковую аппаратуру, датчик,
и предназначен для настройки, регулирования, проверки работоспособности и
обнаружения неисправностей в ИУ.
Датчик - тахогенератор переменного тока.
Чувствительным элементом ДСВ является крыльчатка.
Исполнительное устройство (ИУ) состоит из
взрывозащитного корпуса и вые много блока (2).
В выемном блоке крепятся четыре функциональных
блока:
БУВ - блок управления вентиляторами (2);
БКВ - блок контроля воздуха (3);
ВЗУ - времязадающее устройство со схемой
блокировки включения группового аппарата (4);
БП - блок питания (5).
При установлении нормального режима
проветривания ДСВ выдаёт синусоидальный сигнал с частотой, пропорциональному
скорости воздушного потока. Сигнал по двухпроводной линии поступает в блок БКВ.
В блоке БКВ включается реле, контакты которого воздействуют на ВЗУ и
одновременно подготавливают схему блокировки включения группового аппарата
(СБВ).
ВЗУ начинает отработку выдержки времени 5...20
мин. в зависимости от установки. После выдержки времени в схеме СБВ включается
входное реле и даёт разрешение на включение группового аппарата (ГА).
При нарушении режима проветривания прекращается
поступление сигнала с датчика ДСВ, отключается реле в БКВ, что приводит к
отключению входного реле с схеме СБВ, а следовательно, и к отключению
группового аппарата (ГА).
Кратко временные нарушения проветривания не
приводят к отключению ГА, т.к. в БКВ имеется регулируемая в пределах 0.5 - 2
мин. выдержка времени на отключение. Эта выдержка времени позволяет не нарушать
работу ВЗУ при кратковременных перерывах проветривания во время отработки
выдержки времени 5 - 20 мин.
Если перед отключением напряжения сети в
выработку поступало достаточное количество воздуха, то СБВ позволяет исключать
выдержку времени при включении ГА при восстановлении питающего напряжения и
нормального режима проветривания в течении 0.5 - 2 мин.
При отключении пускателей рабочего и резервного
ВМП блок-контакты размыкаясь воздействуют через транзисторный ключ на СБВ, что
приводит к отключению без выдержки времени входного реле схемы СБВ и ГА.
При восстановлении в течении 110с питающего ВМП
напряжения блок БУВ обеспечивает автоматическое повторное импульсное включение
пускателя рабочего или резервного ВМП. При восстановлении напряжения более чем
через 110с автоматический запуск ВМП не производится. В этом случае ВМП
запускается кнопкой "Пуск" на ИУ или через систему ТУ.
При остановке рабочего ВМП блок БУВ
автоматически включает резервный ВМП, АПТВ сохраняет все функции управления
резервными ВМП, а также как и при работе основного ВМП.
Управление ВМП может осуществляться по системе
ТМ (ТУ).
5.6 Органы управления и настройки АПТВ
На передней панели БКВ нанесены следующие
элементы:
Р - магнитоэлектрический прибор - индикатор
скорости воздуха максимально отклонение стрелки индикатора соответствует 25
м/с.; - переключатель диапазонов расходе воздуха (1 - 4 -14 м/с); - переменный
потенциометр регулирования выдержки времtни на отключения при нарушении режима
проветривания (0.5...2 мин);
НЗ - индикатор включения в сеть АПТВ на передней
панели БУВ; - переменный потенциометр регулирования "длительности
паузы" при импульсном включении ВМП (б... 10 сек);
Н7 - указывает включенное положение рабочего
ВМП;
Н6 - то же, резервного ВМП;- переменный
потенциометр регулирования количества циклов ими. включения. На панели ВЗУ;
Н4 - индикатор. Импульсное свечение показывает,
что питание потребителей электроэнергии отключено и идёт отсчёт времени на
включение, согласно уставке выдержки (5.0...20мин.), устанавливаемой переключателем
3;
Н5 - индикатор, свидетельствующий об отключении
ВМП (рабочего пли резервного).
На имитаторе: - тумблер питания
("Сеть"); , S10 - «раб. пит», «рез. пит» включение - отключение
рабочего или резервного питания ИУ; ("ДСВ") - имитация подачи сигнала
на исполнительное устройство от датчика скорости воздуха.
кнопкой "пуск" на имитаторе включать в
работу ВМП. Проверить качество импульсов и длительность импульса при крайних
положениях (вправо и влево) резисторов R206 и R208, R192;
включить тумблер ДСВ;
нажать кнопку «стоп рабочий ВМП», при этом
рабочий ВМП остановится, а резервный (без импульсов) включится;
после установки нормального проветривания
(индикатор Н1 " Проветривание нормальное" светится) отключить тумблер
"Резервное питание"; через 30...60 сек. снова подать питающее
напряжение.
При этом индикатор Н5 "Запрет да включение
электроэнергии" погаснет и включится групповой аппарат.
При увеличении времени отключенного состояние
пускателя ВМП более 120с автоматического включения не произойдет. Запуск ВМП
произвести при помощи кнопки "Пуск"(ВМП).
Разрешение на включение группового аппарата
будет выдано после отсчёта выдержки времени 5...20 мин.
при установленном нормальном режиме
проветривания и включенном групповом аппарате выключить тумблер ДСВ и измерить
время до момента загорания индикатора Н5 "Запрет на включение
электроэнергии" (отключение группового аппарата);
включить тумблер ДСВ и дождаться включения
группового аппарата. Повторить предыдущий пункт при другом крайнем положении
R4б и измерить время до загорания индикатора Н5.
.7 Работа схемы блока контроля воздуха БКВ
Сигнал датчика ДСВ, частота которого
пропорциональна скорости воздуха, через разделительный трансформатор Т1,
обеспечивающий разделение искробезопасных целей датчика от цепей блока питания,
поступает в измерительную схему.
Частота ДСВ удваивается в мостовом удвоителе
частоты VD13 и поступает на усилитель-ограничитель VТ6, а затем на
дифференцирующим цепочку С5, R15. При включении дифференциальным сигналом
ждущего мультивибратора (VТ7, VТ8) на выходе последнего появляются сигналы
(импульсные постоянной длительности). Сигналы вызывают накопление
(интегрирование) заряда напряжения на выходе интегрирующего каскада (VТ9, С8,
R26, R27). Напряжение на выходе каскада пропорционально частоте сигнала
датчика. Т.О. происходит линейное преобразование частоты сигнала в постоянный
ток.
Индикатор Р показывает среднее значение скорости
воздушного потока. Этот же сигнал поступает на (+) вход микросхемы Д. На другой
(-) вход микросхемы поступает опорное напряжение с делителя R32, R65, ..., R76,
R54. Величина опорного напряжения определяется величиной уставки.
Если входной сигнал с датчика становится равным
пли большим опорного, то на выходе порогового устройства появляется напряжение,
снимаемое с делителя R37 и R38, и далее на вход узла формирования регулируемой
выдержки времени.
Узел состоит из сдвоенного полевого транзистора
VТ10 времязадающей цепочки R40, С13, С14, резисторов R41...R47. диодов
VD21...VD23 и конденсаторов С11, С12.
Транзистор VT10 составляет основу
дифференциального усилителя достоянного тока. При появлении напряжения на па
выходе микросхемы D, быстро заряжаются конденсаторы С13, С14 и открывается
часть VT10 при закрытой правой части. В этом случае транзисторы VT11 (т.к. на
его базе высокий потенциал) и, следовательно, VТ12 и VT1З открыты, а реле К1
включено.
С уменьшением скорости воздуха (сигнал с
датчика), исчезает напряжение на выходе микросхемы D и разряжаются конденсаторы
С13 и С14 через резистор R40. До конца разряда VT10 (левая половина) будет
некоторое время открыт. Затем открывается правая часть VT10. В этот момент реле
К1 (с выдержкой времени) отключается. Выдержка времени на отключение от 0.5 до
2 мин. при нарушении проветривания регулируется R4б.
Конденсаторы С11, С 12 удерживают в открытом
состоянии левую часть VT10 при кратком (до 2-х минут) отключении или понижении
питающего напряжения.
.8 Расчет надежности системы АПТВ
Под надежностью понимается свойство объекта
сохранять во времени в установленных пределах значение всех параметров,
характеризующих способность выполнять требуемые функции в заданных режимах и
условиях применения, технического обслуживания, ремонтов, хранения и
транспортирования. Надежность является сложным свойством, которое в зависимости
от назначения объекта и условий его применения состоит из сочетаний свойств:
безотказности, долговечности, ремонтопригодности и сохраняемости.
Расчет показателей надежности системы автоматики
производят в целях: определения и повышения надежности систем автоматики при
проектировании, изготовлении и эксплуатации; определения технико-экономической
эффективности систем автоматики с позиции надежности; установления оптимальных
сроков технического обслуживания.
Комплексный показатель надежности - коэффициент
готовности: вероятность того, что объект окажется в работоспособном состоянии в
произвольный момент времени, кроме планируемых периодов, в течение которых
применение объекта по назначению не предусматривается. Коэффициент готовности
вычисляется по формуле [1]:
,(0.1)
где: tp - время работы аппаратуры; tn -
продолжительность отказа аппаратуры,
.
Коэффициент готовности системы составляет 0,8.
.9 Реализация функций АПТВ комплексом Микон
Система газоаналитическая шахтная
многофункциональная "Микон 1Р" предназначена для непрерывного
измерения параметров состояния промышленных и горно-технологических объектов
(ГТО), в том числе параметров шахтной атмосферы и микроклимата, состояния
горного массива, состояния основного и вспомогательного технологического
оборудования, осуществления местного и централизованного диспетчерского
ручного, автоматизированного и автоматического управления оборудованием, обмена
информацией с диспетчерским пунктом, обработки информации, ее отображения и
хранения.
Рис.2 Структура газоаналитической шахтной
многофункциональной системы “Микон 1Р”
Многофункциональный компьютерный информационно -
управляющий комплекса аппаратуры "Микон 1Р" (далее КОМПЛЕКС) может
использоваться для автоматического управления проветриванием тупиковых
выработок (далее АПТВ).
В режиме АПТВ КОМПЛЕКС используется для контроля
поступления воздуха к забою тупиковой выработки от вентиляторов местного
проветривания (далее ВМП), автоматического отключения электроэнергии при
нарушении нормального режима проветривания выработки, автоматизированного
управления ВМП, в том числе резервированным. Также КОМПЛЕКС выполняет функции
автоматического газового контроля (далее АГК), автоматической газовой защиты
(далее АГЗ), телеизмерения (ТИ), телесигнализации (ТС) и телеуправления (ТУ).
.10 Комплекс в режиме АПТВ
КОМПЛЕКС в режиме АПТВ обеспечивает:
. Непрерывный автоматический контроль скорости
воздуха, поступающего к забою тупиковой выработки по вентиляционному
трубопроводу
. Регулируемая выдержка времени на включение
группового аппарата (пускателя, станции КРУВ или высоковольтного
распределительного устройства - далее ГА), питающего электроприемники
подготовительной выработки в пределах от 5 до 20 мин с момента выдачи датчиком
скорости сигнала о нормальном проветривании выработки.
. Автоматическое отключение группового аппарата
с регулируемой выдержкой времени от 30 до 120 с с момента выдачи датчиком
скорости сигнала о нарушении нормального проветривания выработки.
. Отключение группового аппарата без выдержки
времени при отключении пускателя ВМП.
. Автоматизированное местное и централизованное
диспетчерское управление рабочим и резервным ВМП.
. Импульсное включение пускателя рабочего или
резервного ВМП, обеспечивающее плавное заполнение вентиляционного трубопровода
воздухом.
. Автоматическое включение резервного ВМП при
отключении рабочего ВМП.
. При поступлении команды на запуск ВМП или при
автоматическом повторном включении ВМП происходит включение рабочего ВМП, а в
случае его невключения - запуск резервного ВМП (автоматический ввод резервного
ВМП - далее АВР).
. Автоматическое повторное импульсное включение
(далее АПИВ) пускателя рабочего или резервного ВМП при восстановлении
напряжения хотя бы на одном из них в течение времени от 60 до 110 с с момента
исчезновения напряжения на аппаратуре и нулевую защиту пускателей при
исчезновении питающего их напряжения на время более 110 с.
. Разрешение на включение группового аппарата
без выдержки времени 5...20 мин., по окончании автоматического повторного
включения ВМП, если режим проветривания восстановился в течение времени,
регулируемого в пределах от 30 до 120 с.
. Выдачу сигналов в центральную диспетчерскую:
о состоянии рабочего и резервного ВМП
(включен/выключен);
о величине скорости воздуха, подаваемого к
забою, и об его снижении до величины, меньше заданной уставки;
о наличии напряжения в рабочей и резервной сети;
о снятии блокировки на включение группового
аппарата и о состоянии группового аппарата (включен/выключен).
. Местную световую сигнализацию о включенном или
отключенном состоянии рабочего или резервного ВМП, о нормальном и аварийном
режимах проветривания и разрешении на включение группового аппарата, наличии
питания 36 В в основной и резервной сети.
. Самоконтроль основных элементов КОМПЛЕКА в
режиме АПТВ, защиту от замыкания и обрыва цепи линии связи с датчиком скорости.
. Нормальную работу резервного (рабочего) ВМП
при отключении на ремонт и для профилактических осмотров на пускателе рабочего
(резервного) ВМП.
. Задание параметров, определяющих работу
КОМПЛЕКСА в режиме АПТВ:
минимально допустимое пороговое значения скорости
воздуха;
длительность импульса и паузы и количество
импульсов для импульсного запуска ВМП;
выдержка времени на разрешение включения ГА
после установления нормального режима проветривания;
выдержка времени на отключение группового
аппарата после прекращения нормального режима проветривания и выдержка времени
на нормализацию режима проветривания при блокировке выдержки времени на
включение группового аппарата без выдержки времени 5...20 мин по окончании АПВ
ВМП.
. Измерение концентрации метана в точках
контроля, определяемых требованиями АГК, и отключение аппаратов
электроснабжения, используемых при электропитания оборудования, установленного
в тупиковой выработке, определяемых требованиями АГЗ.
. Телесигнализацию и телеизмерение концентрации
метана в точках контроля, определяемых требованиями АГК и "РУКОВОДСТВА по
эксплуатации систем управления ВМП и контроля проветривания тупиковых выработок
угольных шахт".
.10 Устройство КОМПЛЕКСА в режиме АПТВ
Общие сведения
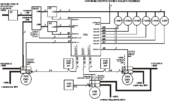
В режиме АПТВ КОМПЛЕКС состоит из подземного
вычислительного устройства ПВУ, датчика скорости воздуха QВ, датчиков
концентрации метана CH4, источников питания ИП, блока трансформаторного БТ,
блока автоматического ввода резерва БАВР, кнопочных постов КУВ. На рис.1
показана базовая структура КОМЛЕКСА в режиме АПТВ. На рисунке у линий связи и
питания проставлены их порядковые номера и количество проводников в них. Для
ПВУ без встроенных кнопок управления используется схема, приведенная на
рис.1.а, для ПВУ со встроенными кнопками управления - на рис.1.б.
а) ПВУ оборудовано кнопочным постом
б) ПВУ без кнопочного поста
Рис.1. Базовая структура КОМЛЕКСА в режиме АПТВ
ИП преобразуют напряжение переменного тока ~36 В
в постоянное напряжение 12 В, которое через линии питания подается на ПВУ и
используемые датчики КОМПЛЕКСА. ИП оборудованы аккумуляторной батареей,
работающей в буферном режиме, что обеспечивает безударное переключение с
рабочей линии питания на резервную.
БТ используется для преобразования напряжения
питания ~660В от общего выключателя, используемого для электроснабжения средств
АГК и АГЗ, в напряжение питания КОМПЛЕКСА ~36В. В дальнейшем эта линия
электроснабжения КОМПЛЕКСА в режиме АПТВ называется основной или рабочей. В
качестве основного источника напряжения также может использоваться напряжение
~36В, снимаемое с пускателя рабочего ВМП.
БАВР используется для автоматического перевода
КОМПЛЕКСА в режиме АПТВ на резервную линию питания напряжением ~36 В при
исчезновении напряжения в основной линии и обратно при восстановлении
напряжения основной сети. Резервное питание ~36В поступает с пускателя
резервного ВМП.
БПР используется для подключения релейных
выходов ПВУ к неискробезопасным цепям управления отключающих катушек аппаратов
электроснабжения напряжением до 660В, например, при воздействии на КРУВ. В
предназначен для контроля скорости воздуха, поступающего по вентиляционному
трубопроводу от ВМП к забою тупиковой выработки.
Кнопочные посты управления (КУВ) служат для
подачи сигналов управления на ПВУ в режиме АПТВ или непосредственно на
пускатели рабочего и резервного ВМП при отказе КОМПЛЕКСА. КУВ используется
также для дистанционного управления групповым аппаратом. Если ПВУ оборудованы
встроенными кнопками, то КУВ используется только для управления вентиляторами в
случае отказа работы КОМПЛЕКСА в режиме АПТВ.
КУВ используются также для управления групповым
аппаратом и располагаются в 20...50 м от забоя тупиковой выработки. Включение и
отключение ГА может осуществляться оператором (диспетчером) шахты по командам,
передаваемым по телефону из забоя тупиковой выработки с последующей обратной
связью от оператора.
Для реализации функций АГК и АГЗ в состав
КОМПЛЕКСА в режиме АПТВ входят датчики метана. При необходимости могут
использоваться датчики концентраций других газов (оксид углерода, водорода,
кислорода и т.д.).
ПВУ обрабатывает информацию, поступающую от QВ о
скорости воздуха в вентиляционном трубопроводе, от CH4 о концентрации метана в
точках контроля, от пускателей рабочего и резервного ВМП о состоянии
вентиляторов, от БАВР о наличии напряжения ~36В в основной и резервной линии
питания, от встроенных кнопок или КУВ о командах управления рабочим и резервным
ВМП, от ИП о наличие питания ~36В. На основе собираемой информации ПВУ
формирует сигналы управления пускателями рабочего и резервного ВМП и групповым
аппаратом. При необходимости воздействия на аппаратуры электроснабжения с
неискробезопасными цепями управления используются БПР.
ПВУ могут быть оборудованы кнопками, которые
могут использоваться для проверки исполнительных цепей КОМПЛЕКСА в режиме АГЗ и
управления аппаратурой электроснабжения.
Все функции АПТВ, АГК, АГЗ, ТУ и ТС реализуются
на основе ПВУ программным способом. VPP позволяет пользователю создавать программы
на языке "релейной логики" в схем функционирования ПВУ (далее
ДИАГРАММ).
На рис.2...8 показаны схемы внешних соединений
КОМПЛЕКСА в режиме АПТВ с пускателями ВМП и групповым аппаратом.
При использовании ВМП без резервирования блок
автоматического ввода резерва БАВР не используется.
Подземное вычислительное устройство
Подземное вычислительное устройство является
модульным специализированным перепрограммируемым микропроцессорным
вычислительным устройством и предназначено для сбора и первичной обработки информации,
выработки управляющих сигналов, обмена данными и командами с наземными
вычислительными устройствами. ПВУ оборудовано жидкокристаллическим дисплеем,
светодиодными индикаторами, клавиатурой и кнопками управления.
Подробное описание датчика дано в
"Многофункциональный информационно-управляющий комплекс аппаратуры
"Микон 1Р". Подземное вычислительное устройство VAL101P (ПВУ).
Техническое описание и инструкция по эксплуатации".
Кроме ПВУ VAL101P в КОМПЛЕКСЕ, работающем в
режиме АПТВ, могут применяться подземные вычислительные устройства, разрешенные
к использованию в угольных шахтах в составе КОМПЛЕКСА.
Датчик скорости воздуха (QВ)
Датчики скорости воздуха TX1322 или TX5922 (QВ)
предназначены для непрерывного стационарного измерения скорости воздушного
потока в трубопроводах, шахтных выработках, вентиляционных системах угольных
предприятий, в том числе шахтах опасных по газу и пыли.
Основным элементом QВ является измерительная
головка с профилированным отверстием и расположенной в нем трапецеидальной призмой
и ультразвуковыми датчиком и приемником. Обтекание воздухом призмы в
профилированном отверстии сопровождаются образованием воздушных вихрей,
количество которых зависит от скорости движения воздуха. Ультразвуковой датчик
измеряет характеристики воздушных вихрей и преобразует их в сигнал напряжения в
диапазоне 0.4 ... 2 В, соответствующий скорости движения воздуха в диапазоне
0.5 ... 30 м/с. QВ имеет возможность его настройки на различные верхние пределы
диапазона измерения скорости воздушного потока от 5 до 30 м/с.
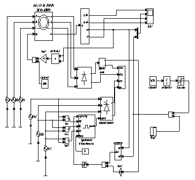
6. Электроснабжение
.1 Электроснабжение шахты
Электроснабжение шахты “Воркутинская”
осуществляется по двум ЛЭП-35кВ от ЦРП при Воркутинской ТЭЦ “Комиэнерго”. Линии
электропередач 35 кВ выполнены на одноцепных опорах проводом марки АС-120.
Общая протяженность ЛЭП-35кВ составляет 4 км. На промплощадке шахты установлена
главная понизительная подстанция (ГПП). На ГПП шахты напряжения - 35 кВ
понижается до 6 кВ с помощью четырех трансформаторов типа ТМ-5600/35/6. С
РУ-6кВ напряжение по кабельным линиям подается к высоковольтным
электроприемникам поверхности и в шахту. Для питания низковольтных
электроприемников шахты на ГПП установлены два трансформатора ТМ-1000/6/0,4.
.2 Электроснабжение и электрооборудование
поверхности
На поверхности используют напряжения:
кВ - для распредустройств и трансформаторных
подстанций технологических комплексов, а также электроприводов некоторых
стационарных установок;
В - для низковольтных электроустановок;
В - для сети электроосвещения, ручных машин и
инструментов;
В - для ремонтного освещения.
Улучшение качества напряжения и обеспечение
требуемых показателей режима электропотребления в пределах допустимого
достигается разделением питания подземных и поверхностных электроустановок на
стороне 6 кВ, установкой на подстанциях промплдощадок силовых трансформаторов с
устройством для регулирования напряжения под нагрузкой, применением АЧР и
конденсаторных батарей с автоматическим регулированием реактивной мощности
согласно фактическому потреблению.
Электрооборудование объектов поверхности шахты
комплектуются электродвигателями в зависимости от классов помещений по
взрывопожароопасности, в которых они устанавливаются.
Защита электродвигателей от перегрузки
осуществляется тепловыми реле магнитных пускателей, защита распределительных
сетей от токов короткого замыкания предохранителями или автоматическими
выключателями.
Для силовых и осветительных сетей принимаются
кабели марок ААБЛУ-6, ААШВУ-6, СБГУ-6, АВВГ-0,66, ВВГ-0,66, АБРБГ-0,66 и
ВРБГ-0,66. Кабели с медными жилами принимаются для прокладки в помещениях с
взрывоопасной средой класса В-Iа. На площадках кабели прокладываются по
эстакадам, в траншеях и по стенам зданий и сооружений, бронированные кабели
прокладываются на эстакадах, совмещенных с технологическими трубопроводами.
Распределительные сети внутри зданий и сооружений прокладываются по стенам и
под перекрытиями на конструкциях.
На основной промплощадке в работе
трансформаторные подстанции 6/0,4 - 0,23кВ, которые питают: обогатительную
фабрику, механический цех, сортировку, очистные сооружения, котельную и
вакуум-насосную.
.3 Электроснабжение и силовое
электрооборудование подземных
потребителей
Передача и распределение электроэнергии к
подземным токоприемникам блока “Северный” осуществляется по существующей схеме.
В околоствольных выработках стволов основной промплощадки оборудованы две
центральные подземные подстанции:
ЦПП-1 горизонта минус 255 м, от которой
запитываются электродвигатели насосов главного водоотлива и трансформаторные
подстанции для низковольтных потребителей в руд дворе горизонта минус 255 м;
ЦПП-2 горизонта минус 510 м, от которой
запитываются: электродвигатели насосов главного водоотлива горизонта минус 510
м; трансформаторные подстанции для низковольтных электроустановок в
околоствольных выработках горизонта минус 510 м; через высоковольтные
распределительные пункты (РПП-314, РПП-313, РПП-311, РПП-316) водоотлив
горизонта минус 745 м и трансформаторные подстанции электроустановок очистных и
подготовительных работ, магистрального, участкового и вспомогательного
транспорта.
Электроснабжение подземных электроустановок
блока “Центральный” в настоящее время осуществляется от ЦПП-3, оборудованной в
руддворе горизонта минус 510 м вентиляционного ствола № 1. Питание ЦПП-3
выполнено по трем реактированным вводам от ПС-6кВ на промплощадки
вентиляционного ствола № 1.
Напряжения для подземных электроустановок:
кВ - для ряда стационарных водоотливных
электроустановок и передвижных трансформаторных подстанций;
,66кВ - для передвижных, стационарных и
полустационарных электроустановок;
В - для сети электроосвещения, ручных машин и
инструментов.
В связи с применением механизированных
комплексов высокой энерговооруженности необходим перевод питания электрических
машин очистных забоев с напряжение 0,69 кВ на 1,2 кВ.
Распределительные силовые и осветительные сети
на напряжение до 1,2кВ и 6кВ приняты с изолированной нейтралью. Схема
распределительных сетей радиальная.
Сечение стволовых кабелей выбирается исходя из
условия обеспечения передачи расчетной мощности к ЦПП и нормальной работы шахты
при выходе из строя одной из взаимно резервирующих линий по длительно
допустимому току с учетом перегрузки в аварийном режиме 15%.
ЦПП и РПП комплектуются распределительными
устройствами 6кВ из высоковольтных взрывобезопасных ячеек типа КРУВ-6 и РВД-6,
трансформаторными подстанциями собственных нужд типа ТСВП и распределительными
устройствами 0,66 кВ, состоящими из фидерных автоматов АВ-400, электромагнитных
пускателей ПВИ и пусковых агрегатов АПШ.1.
Трансформаторные подстанции принимаются типа
ТСВП, ТСШВП и ЕН, мощностью 400 и 630кВА и напряжением 660 и 1140В.
Центральные подземные подстанции размещаются в
камерах, оборудованных в околоствольных выработках рядом с насосными
установками главного водоотлива. Распределительные пункты 6кВ размещаются в
специальных камерах, предусматриваемых в сбойках между магистральными
выработками. Распределительные устройства 6кВ и трансформаторные подстанции
капитальных уклонов блока “Центральный”, магистрального конвейерного транспорта
горизонта минус 510 м, северного и южного магистральных конвейерных штреков
горизонта минус 780 м устанавливаются в камерах с пускорегулирующей аппаратурой
конвейеров, подъемной машины, верхней и нижней приемных площадок.
Передвижные трансформаторные подстанции для питания
электроприемников очистных и подготовительных работ, а также участкового и
вспомогательного транспорта размещаются на промежуточных штреках, бремсбергах и
уклонах участков и у перегрузочных пунктов.
Для всех механизмов подземных выработок, кроме
подъемных машин и конвейеров 2ЛУ120В, приняты асинхронные электродвигатели с
короткозамкнутым ротором во взрывобезопасном исполнении.
Для ППМ Ц-2,5х2 и конвейеров 2ЛУ120В приняты
асинхронные электродвигатели с фазным ротором во взрывобезопасном исполнении.
Пусковая и защитная аппаратура принята во
взрывобезопасном исполнении из электромагнитных пускателей типа ПВИ, ПВИР,
ПМВИР; выключателей типа АВ-400, АФВ; станций управления КЭ 10040, СУВ-350,
EH-dG-A6.
Питание сети освещения предусматривается от
пусковых агрегатов. В качестве осветительной арматуры принимаются
взрывобезопасные светильники с люминесцентными лампами типа ЛСР01-20 и с
лампами накаливания типа С3В-60 напряжением 127В.
Электрическое освещение от сети
предусматривается во всех камерах и выработках в соответствии с действующими
“Правилами безопасности в угольных и сланцевых шахтах”. Нормы освещения и
расстояния между светильниками приняты согласно “Правилам технической
эксплуатации угольных и сланцевых шахт”.
Подземные стационарные сети запроектированы
бронированными кабелями с медными жилами с бумажной и резиновой изоляцией с
негорючим покровом марок ЦСКЛУ, СБГУ-6, СБГУ-1, СБУ-6, СБУ-1, ВРБ, СРБ.
Для передвижных механизмов и нестационарных
подстанций приняты кабели марок КГЭШ и КОГВЭШ.
Для зарядки аккумуляторных батарей электровозов
в преобразовательных подстанциях электровозных депо устанавливаются зарядные
устройства ЗУК-155/230М-У5 и УЗА-160-320У5. Для питания зарядных устройств в
преобразовательных устанавливаются трансформаторные подстанции типа ТСВП.
Зарядные устройства подключаются к сети 660В через магнитные пускатели ПВИ-63.
Со стороны выпрямленного тока посредством бронированных кабелей подключаются
шинные коробки, устанавливаемые у зарядных столов.
Контроль и защита от утечек тока в подземных
силовых и осветительных сетях осуществляется посредством блоков защиты,
встроенных в комплектные распределительные устройства, трансформаторные
подстанции и пусковые агрегаты. Кроме того, с помощью блокировочных реле утечки
магнитных пускателей, производится контроль сопротивления изоляции кабеля,
отходящего к электроприемнику, при отключенных силовых цепях.
При снижении сопротивления изоляции ниже
допустимого реле утечки БРУ не допускает включение пускателя. Защита от утечек
тока зарядных устройств производится с помощью аппарата РУВ-Зар.
В подземных выработках шахты предусмотрено
устройство общей сети заземления, к которой присоединяются все объекты,
подлежащие заземлению.
Главные заземлители монтируются в водосборнике и
зумпфе вентиляционного ствола № 4. Местные заземлители устанавливаются у
распределительных пунктов 6 и 0.66 кВ, передвижных трансформаторных подстанциях
и электромашинных камер. В качестве заземляющих проводников используются
стальная полоса, стальная броня, свинцовые оболочки и специальные жилы кабелей.
Заземляющие проводники обеспечивают непрерывное электрическое соединение всех
объектов, подлежащих заземлению, и местных заземлителей с главными
заземлителями и общешахтной сетью заземления.
.4 Расчет электроснабжения вентилятора главного
проветривания
.4.1 Определение расчетной мощности
Сводится к определению полной мощности ,
для чего необходимо определить активную расчетную мощность
и расчетный коэффициент мощности .
Расчетная активная мощность:
,
(6.1)
где kс - коэффициент спроса, определяемый по
формуле
; (6.2)
- номинальная
мощность наибольшего двигателя на участке, кВт;
- установленная
(суммарная) мощность двигателей участка, кВт:
.
(6.3)
Составим таблицу 6.1 нагрузок:
Таблица 6.1
|
№
п/п
|
Наименование
|
Рном
кВт
|
cosφ
|
h
|
Iп,
А
|
|
1
|
Двигатель
СДС 3-18-39-20
|
2000
|
0,88
|
0,96
|
1320
|
|
2
|
ТМ-1000/6/0,4-0,23
|
850
|
0,85
|
|
|
9, кВт,
Расчетный ,
(6.4)
, .
После чего определяют полную расчетную мощность
, (6.5)
к ВА.
6.4.2 Расчет кабельной сети
Выбор сечения жил кабелей (по номинальному току
соответствующих электродвигателей) производится в соответствии с условием .
Сечение магистрального кабеля определяют по
расчетному току этого кабеля
,
(6.6)
А,
принимаем два параллельных кабеля марки СБН 3x50
с длительно допустимым током А.
Определим расчётный ток в кабеле для
трансформатора
А
.4.3 Проверка сечения кабеля по допустимой
потери напряжения
В нормальном режиме:
,
(6.7)
где -
потери напряжения соответственно в магистральном и питающем кабеле, В;
- допустимая
потеря напряжения.
Для Uн = 6000В =
300В.
Потеря напряжения в магистральном кабеле:
,
В. (6.8)
где -
активное и индуктивное сопротивление кабеля, Ом/км.
В.
В.
В. Условие
выполняется.
В пусковом режиме:
Напряжение на зажимах электродвигателя при:
 (6.9)
где -
напряжение холостого хода трансформатора; -
потеря напряжения от прочих работающих двигателей при на
тех участках сети, по которым протекает пусковой ток двигателя, В;
;
(6.10)
-
ток в магистральном кабеле от всех работающих двигателей, кроме пускаемого, А;
-
пусковой ток двигателя, (1320 А);
;
-
коэффициент мощности двигателя при пуске,
В пусковом режиме должно соблюдаться условие .
Активная мощность без пускаемого двигателя:
,
(6.11)
А,
В,
,
4800 условие
выполняется.
.4.4 Расчёт токов короткого замыкания
Расчёт сводится к определению суммарного
сопротивления цепи от источника питания до предполагаемого места к.з., определению
необходимых токов к.з.
,
,
(6.12)
где Z - сопротивление сети
от источника до точки короткого замыкания;
.
(6.13)
кА,
Ом,
кА,
Ом.
.5 Выбор комплектного распределительно
устройства
Выбор КРУ сводится к выбору силового
выключателя, так как другие элементы оборудования соответствуют его параметрам.
Силовые выключатели выбираем по номинальному напряжению и току, роду уставки и
условиям работы.
По расчётному току и номинальному напряжению
выбираем КСО-2УМ.
Основные технические характеристики КРУ
приведены в таблице 6.3.
Таблица 6.3
|
Наименование
параметра, показатели
|
КСО-2УМ
|
Полученные
данные
|
|
Номинальное
напряжение, кВ
|
6;
10
|
6
|
|
Номинальный
ток, А:
|
До
1000
|
213
|
|
Номинальный
ток включения, кА
|
12,5;
20
|
19,25
|
|
Ток
эл.динамической стойкости, кА
|
51
|
|
|
Ток
термической стойкости, кА
|
20
|
|
|
Марка
выключателя
|
ВБЭ-10-20/1600
|
|
7. Электропривод
.1 Общие сведения
Для проветривания горных выработок на шахте
«Северная» ОАО «Воркутауголь» на вентиляционном стволе №2 используется
центробежный вентилятор типа ВЦД-47 с электроприводом по схеме комбинированного
асинхронного машинно-вентельного каскада с двумя машинами постоянного тока рис.
7.1
Рис. 7.1. Схема электропривода вентилятора
ВЦД-47
Электрооборудование вентилятора состоит из
асинхронного двигателя мощностью 3200 кВт (Ml на рис.7.1), вспомогательной
машины постоянного тока М2 мощностью 1600 кВт и преобразовательного агрегата,
состоящего из машины постоянного тока МЗ (2200 кВт) и синхронного двигателя М4
(2500 кВт).
7.2 Техническое задание
Техническое задание на электропривод вентилятора
главного проветривания ВЦД-47 .
Назначение и область применения:
.1 Электропривод предназначен для передачи
крутящего момента ротору вентилятору главного проветривания ВЦД-47 .
Требования к электроприводу:
.1 привод плавно регулируемый;
.2 диапазон регулирования D=3:1;
.3 синхронная частота вращения двигателя 500
об/мин;
.4 требования по автоматизации:
.5 сигналы аналоговые 0-10 В и цифровые;
.6 посты управления:
.6.1 один пост управления в диспетчерской и
один пост управления в машинном зале. Блокировка поста управления в машинном
зале осуществляется в диспетчерской. Связь по телефону.
Защита электропривода:
.1 электропривод снабжается защитными
устройствами, отключающими питание электродвигателя при исчезновении тока в
любой фазе, при коротких замыканиях и недопустимой перегрузке
Iн.пер=(1,25-1,31)Iном в течении 2 мин;
.2 защита включения электропривода при нулевых
значениях задания.
Условия эксплуатации:
.1 диапазон температур (+1 - +40)°С;
.2 относительная влажность 80% при 25°С;
.3 требования к качеству электрической энергии
Кнл 8%;
.4 коэффициент запыленности для двигателя
2мг/м3;
.5 шкафы управления исполнения УХЛ, со степенью
защиты от попадания посторонних предметов и влаги IP 44;
.6 двигатели общепромышленного исполнения, со
степенью защиты от попадания посторонних предметов и влаги IP 22.
Гарантии изготовителя:
.1 гарантийный срок службы 2 года;
.2 срок хранения 4 года;
.3 назначенный срок службы 20 лет;
.4 минимальное время между кап. ремонтами 10
лет.
Требования по надежности:
.1 Коэффициент готовности 0,98
.2 среднее время восстановления 30 мин.
Устройство и работа комплекта АВК
Преобразователь АВК представляет собой комплект,
состоящий из выпрямителя В, инвертора И с системой управления СУ, сглаживающего
дросселя Др и датчика тока ДТ. Выпрямитель представляет собой нерегулируемый
трехфазный мост типа МВТ и преобразует переменный ток ротора с частотой
скольжения в выпрямленный ток. Инвертор представляет собой трехфазный мостовой
тиристорный преобразователь типа ПТТ и служит для создания регулируемой по
величине противо - э.д.с, направленной встречно выпрямленному напряжению
ротора, и рекуперации энергии скольжения в питающую сеть. Выпрямитель и
инвертор выполнены конструктивно как отдельные изделия. В качестве дросселя Др
применяют фильтрующие реакторы типа ФРОС.
Выпрямители и инверторы представляют собой
конструктивно шкафы двухстороннего обслуживания высотой 2400 мм, глубиной 800
мм. В верхней части шкафа установлены силовые автоматические выключатели, через
которые осуществляется подключение шкафа к роторной цепи асинхронного двигателя
или же к питающей сети. Силовая часть мостов преобразователей выполнена на
двухвентильных выемных блоках, которые крепятся на металлической панели и
образуют воздушный канал. В нижней части шкафов установлен вентилятор системы
охлаждения, обеспечивающий подачу на охладители вентилей струи воздуха со
скоростью не менее 7 м/с.
Система управления преобразователем также имеет
блочную конструкцию. Выемные блоки выполнены на печатных платах и вставлены в
кассету. Последняя предусматривает с целью удобства обслуживания поворот на 90
градусов. Этим же обеспечивается свободный доступ к другим элементам
преобразователя.
Совместно с преобразователями ПАВК станции
управления осуществляют дистанционное управление асинхронными двигателями по
схеме АВК, включая пуск и остановку, а также защиты низковольтных двигателей от
перегрузок и коротких замыканий.
Станции управления рассчитаны на номинальные
токи 320, 630, 875 и 1250 А и напряжение 500, 680 и 1300 В. Цепи управления
станций выполнены на напряжение 220 В переменного тока.
Конструктивно станции представляют собой панели
управления с задним присоединением проводов и шин, встроенные в шкафы высотой
2400 и глубиной 800 мм с двухсторонним обслуживанием. Такая конструкция станций
управления позволяет комплектовать их вместе с выпрямителями и инверторами в
крупноблочные комплектные устройства, выполненные в соответствии с нормами
электротехники.
Управление преобразователем (его системой
управления СУ) осуществляется задатчиком скорости ЗС с корректировкой программы
пуска по сигналам датчика действительной скорости (тахогенератора ТГ) и датчика
тока ДТ.
Для получения режима динамического торможения
двигателя необходимо отключение обмотки статора двигателя от сети переменного
тока и подключение его к источнику постоянного тока. Специфика этого режима в
схеме АВК заключается в том, что энергия торможения рекуперируется через
инвертор в питающую сеть, а не теряется в роторных сопротивлениях. При частоте
вращения двигателя выше синхронной обеспечивается режим генераторного торможения,
причем для создания достаточного магнитного поля статора двигатель должен
подсоединяться к питающей сети.
В асинхронно - вентильном каскаде с
неуправляемым роторным выпрямителем направление потока мощности в роторной цепи
однозначно: от ротора к инвертору. Поэтому при частоте вращения ротора ниже
синхронной обеспечивается только двигательный режим.
Основными режимами работы двигателя в схеме АВК
являются двигательный и динамическое торможение. При этом оборудование
динамического торможения в комплект поставки преобразователей и станций
управления не входит.
В преобразователях ПАВК предусмотрены защиты: от
перенапряжений, внутренних и внешних коротких замыканий, перегрузки по току,
прекращения охлаждения силовых вентилей.
Выбор основных параметров регулируемого по
системе АВК электропривода ВГП
Таблица 7.1 Паспортные данные вентилятора
главного проветривания ВЦД-47
|
Параметры
|
Ед.
изм.
|
Значение
|
|
Диаметр
рабочего колеса
|
мм
|
4700
|
|
Максимально
допустимая частота вращения
|
об/мин
|
500
|
|
Максимальная
теоретически потребляемая мощность
|
кВт
|
4000
|
|
Статическое
давление
|
кгс/м2
|
80-815
|
|
Статический
коэффициент полезного действия
|
-
|
0,6-0,865
|
|
Маховый
момент вращающихся частей
|
кгм2
|
106000
|
.3 Выбор электродвигателя
Проверочный расчет по выбору электродвигателя
был проведен в пункте 2.2.
Выбираем асинхронный двигатель с фазным ротором
АКС-17-76-12УХЛ4. Паспортные данные двигателя:
Номинальная мощностьР2н = 3200 кВт
Номинальная частота вращенияn= 490 об/мин
Угловая скоростьω0 = 51,29
1/с
Линейное напряжение, подводимое к обмотке
статораUл = 6 кВ
Номинальный ток ротораI2н = 875 А
Напряжение на кольцах ротораU2н = 680 В
Кратность моментовМк = 2,3
Коэффициент полезного действияη=95,5%
Коэффициент мощностиcosφ=
0,86
Номинальное скольжениеSн = 2 %
Частота тока в сетиf = 50 Гц
Номинальный ток статораI1н = 369 А
Активное сопротивление обмотки статораR1= 0,6 Ом
Реактивное сопротивление обмотки статораХ1 =
5,67 Ом
Активное сопротивление обмотки ротора R’2 = 0,01
Ом
Реактивное сопротивление обмотки ротораХ’2 =
0,096 Ом
Приведем сопротивления АД к ротору. Коэффициент
приведения будет равен:
,(7.1)
,
, Ом,(7.2)
Ом,
, Ом,(7.3)
Ом.
Суммарные активное и индуктивное сопротивления
фазы АД, приведенные к ротору:
, Ом,(7.4)
, Ом,
, Ом,(7.5)
, Ом.
.4 Расчет и выбор элементов вентильных
преобразователей
Так как мощность АД пропорциональна скорости в
кубе, то минимальная регулируемая угловая скорость определяется из пропорции:
(7.6)
Максимальное скольжение при этом равно:
,(7.7)
.
Минимальное скольжение с учетом ωmax=ω0
находится
по формуле:
,(7.8)
.
.5 Расчет роторного выпрямителя
Максимальное значение выпрямленного тока:
, А,(7.9)
А.
Ток через вентиль роторной группы:
,А,(7.10)
А.
Максимальное обратное напряжение на вентиле
роторной группы (где Smax -максимальный диапазон регулирования исходя из
равенства предела регулирования 40 %):
, В,(7.11)
В.
Выбираем диод Д143 - 1000.
Максимальный средний прямой ток IFAVm = 1000 А ;
URRm = 400 В.
.6 Расчет вентилей инвертора
Вентили выбираются исходя из выпрямленного тока
и напряжения вторичной обмотки согласующего трансформатора. Ток через вентиль
инверторной группы равен: IVS =909,35 А.
Обратное напряжение на вентиле инверторной
группы (тиристоре) (где Е2Т - вторичное напряжение согласующего
трансформатора):
, В,(7.12)
В.
Выбираем тиристор ТБ 253 - 1000 IFAVm = 1000
А ; URRm = 400 В
Расчет и выбор согласующего трансформатора и
дросселя в цепи выпрямленного тока
Регулирование АД происходит в верхнем диапазоне
скоростей, при этом напряжение на роторе (U2нSmax=263,84 В) значительно меньше
напряжения сети, поэтому для улучшения энергетических показателей необходим
согласующий трансформатор.
Во избежании прорыва инвертора минимальный угол
инвертирования принимают β min > 15 (град)
cos
β =0,966
Линейное напряжение вторичных обмоток
трансформатора:
,В,(7.13)
В.
Величина выпрямленного тока ротора,
соответствующая длительной нагрузки двигателя:
, А,(7.14)
А.
Ток вторичной обмотки трансформатора:
, А,(7.15)
А,
где: Kj = 0,815 - коэффициент схемы инвертора
(для трехфазной мостовой).
Число фаз вторичной обмотки трансформатора mт =
3
Мощность трансформатора:
,В·А,(7.16)
В·А.
Обмоточные данные трансформатора:
относительное значение: ек = 4,8 %;
линейное напряжение первичной обмотки
трансформатора: Е1Т = 6000 В.
Напряжение короткого замыкания трансформатора:
, В,(7.17)
В.
Коэффициент трансформации:
,(7.18)
.
Ток первичной обмотки трансформатора:
,А,(7.19)
А.
Потери короткого замыкания:
, Вт,(7.20)
Вт.
Активное сопротивление трансформатора:
,Ом,(7.21)
Полное сопротивление трансформатора:
,Ом,(7.22)
Ом.
Реактивное сопротивление трансформатора:
,Ом,(7.23)
Ом.
л = 6000В Е2T = 273,13 В I1T =39,6 А I2Т =
870 A Sтp = 137354,39 ВА.
Выбирается сухой трансформатор ТСП - 250/0,7 -
УХЛ4.
Его параметры: Sтр = 250 кВт.
Относительное значение напряжения короткого
замыкания: ек = 0,073
Относительное значение тока холостого хода: Iхх
=6%
Индуктивность сглаживающего дросселя выбирается
из условия:
,
Гн,
Гн.
Дроссель выбирается в диапазоне от 0,0018 Гн до
0,003 Гн.
Выбираем сглаживающий дроссель СРОС - 125/0,5
УЗ.
Параметры дросселя:сд = 0,0024 Гн IdH = 1067,5
А IСД = 765 А.
Активное сопротивление дросселя: RСД = 0,0012
Ом.
Реактивное сопротивление дросселя: ХСД = 0,32
Ом.
Выбираем тип агрегата ТДП2-1250/400-2Т со
станцией управления ШДУ6904.
Таблица 7.2. Характеристики ТДП2-1250/400-2Т
|
тип
агрегата
|
UH,
В (ротора)
|
Ток
агрегата (ток фазы ротора), А
|
Напряжение
питающей сети (трансформатора), В
|
|
|
Iном,
А
|
Iмакс,
А
|
|
|
ТДП2-1250/400-2Т
|
700
|
1250
|
2200
|
2x400
|
Структура САУ ЭП и синтез регуляторов
Исследование переходных процессов, протекающих в
электроприводе, проводились на персональном компьютере с помощью пакета
прикладной программы MATLAB 6.5 в соответствии со схемой, представленной на
рис. 7.3.
В системе присутствует статическая ошибка. Во
внутренний контур тока включен ПИ - регулятор. Во внешний контур скорости
включен П - регулятор.
Расчет параметров математической модели.
Рис. 7.2. Структурная схема САУ ЭП подчиненного
регулирования
Уравнения, описывающие асинхронный двигатель в
координатах a,b, выглядят
следующим образом:
(5.2)
Преобразовав их, можно получить:
,
(5.3)
,
(5.4)
,
(5.5)
,
(5.6)
Мэ = 3/2*Lmp(IraIsb
- IrbIsa),
(5.7)
,
(5.8)
-суммарный момент
инерции ротора двигателя и инерции вращающейся части вентилятора приведенной к
валу двигателя.
Рассчитаем параметры структурной схемы для
реализации её в Mathlab:
Параметры электродвигателя АКС-17-76-12УХЛ4
= 3200 кВт, UH = 6 кВ, ns =500 об/мин, nn =
490-1, fH = 50 Гц, = 0,86,= 18А, mk =
2,3 ik =6 ,
Уравнения, описывающие асинхронный двигатель в
координатах a,b, выглядят
следующим образом
. Номинальное скольжение
(5.9)
2. Критическое скольжение
(5.10)
. Конструктивный коэффициент (5.11)
. Сопротивление статора
Ом
(5.12)
. Сопротивление ротора
Ом
(5.13)
. Индуктивность статора и ротора
Гн
(5.14)
. Индуктивность рассеяния статора и ротора
Гн
(5.15)
8. Взаимоиндукция
Гн (5.16)
. Угловая скорость ротора
(5.17)
. Синхронная скорость поля статора
(5.18)
. Реактивное сопротивление ротора
Ом
(5.19)
. Реактивное сопротивление статора
Ом
(5.20)
. Реактивное сопротивление взаимоиндукции
Ом
(5.21)= 3,32 Ом; Rr = 4,782 Ом; Xm = 466,68 Ом; Lm = 2,971 Гн; Xs = 474,38 Ом;=
3, Гн; Xr = 455,4 Ом; Lr = 3,02 Гн; Рп = 4; JΣ = 6,88 кгм2.
(5.22)
,
(5.23)
,
(5.24)
,
(5.25)
,
(5.26)
,
(5.27)
,
(5.28)
,
(5.29)
.7 Расчет регуляторов. Расчет регулятора тока
В качестве регулятора тока выбираем ПИ -
регулятор. Настраиваем регулятор на технический оптимум.
Рис. 7.3 Структурная схема контура регулирования
тока
Передаточная функция объекта имеет вид

(5.30)
Передаточная функция ПИ - регулятора имеет вид:
(5.31)
где -
динамический коэффициент регулятора
- постоянная
времени интегрирующей части регулятора
Принимаем настройки регулятора
; (5.32)
Подставив значения, получим
Передаточная функция разомкнутого контура имеет
вид:
(5.34)
Передаточная функция замкнутого контура по
управляющему воздействию:
(p) = (5.35)
Строим переходную характеристику регулятора.
Рис. 7.4. Переходная характеристика регулятора
тока
Максимальное перерегулирование:

Колебательность: .
Статическая ошибка: .
Расчет контура регулирования скорости вращения
Контур регулирования скорости вращения построен
по принципу подчиненного регулирования. Он включает в себя контур регулирования
тока.
Рис. 7.5. Структурная схема контура
регулирования скорости
Поэтому заменим контур регулирования тока
эквивалентной ему передаточной функцией, тем самым упростив схему.
(5.37)
Настройка производится на симметричный оптимум.
Применим пропорционально - интегральный регулятор с коэффициентами
(5.38)
(5.38)
Схема реализации данной модели двигателя в
программной среде Mathlab изображенанарис.7.6
Рис. 7.6 Схема реализации данной модели
двигателя в программной среде Matlab
На рис. 7.8. и рис 7.9. приведены графики
переходных процессов по моменту и по частоте вращения соответственно.
Рис. 7.8. Переходный процесс по моменту в режиме
пуска
Рис. 7.9. Переходный процесс по скорости в
режиме пуска.
7.8 Алгоритм пуска электродвигателя
Рис. 7.10. Релейно-контактная схема управления
высоковольтным асинхронным двигателем
Схема цепи управления выполняет функции защиты,
разрешает и запрещает пуск.
Таблица 7.1. Состав схемы цепи управления
|
Обозначение
|
Наименование
|
Тип
|
U,
кВ
|
|
АД
|
Асинхронный
двигатель
|
АКС-17-76-12УХЛ4
|
6
|
|
ТДП2
|
Преобразователь
частоты
|
ТДП2
|
6;
10
|
|
QF
|
Камера
сборная одностороннего обслуживания
|
КСО-6
(10)-Э2 «Онега»
|
6;
10
|
|
KM1
|
Контактор
вакуумный
|
КВТ-6-400
|
6
|
|
KM1.1,
КМ1.2, КМ1.3
|
Контакты
контактора в силовой цепи
|
|
6
|
|
KM1.4
|
Контакт
контактора в цепи управления
|
|
0,22
|
|
Т
|
Трансформатор,
питающий цепь управления
|
ОМП-10/6/0,23
|
6
|
|
КМ2.1
|
Контакт
блокировочного контактора
|
|
|
|
KK1,
KK2
|
Реле
тепловой защиты
|
|
|
|
KK
1.1, KK2.1
|
Контакты
теплового реле
|
|
|
|
FU
|
Предохранитель
|
|
|
|
SBC
|
Кнопка
"Стоп"
|
|
|
|
SBT
|
Кнопка
"Пуск"
|
|
|
Нажимаем на кнопку «Пуск» («SBT») при отсутствии
сигнала защиты (контакт «KM2.1») ток течет через катушку KM1. После нажатия
кнопки «SBT» замыкается цепь и двигатель запускается, чтобы он не останавливался
после отжатия кнопки «пуск» катушка KM1 своим контактом шунтирует кнопку «SBT».
При нажатии на кнопку «SBC» либо при
срабатывании системы защиты цепь катушки КМ1 обесточивается и ПЧ производит
останов привода.
Ниже представлена циклограмма работы электропривода
вентилятора.
Рис. 7.11. Циклограмма работы привода
вентилятора- сигнал на запуск рабочего двигателя (SBT);- срабатывание реле КМ2
блокировки работы двигателя при срабатывание системы защиты- срабатывание вакуумного
выключателя секционной камеры QF при к.з.;- срабатывание теплового реле РТ при
возникновении перегрузки двигателя;- принудительный останов рабочего насоса и
переход на работу резервного;- работа электродвигателя рабочего вентилятора;-
работа электродвигателя резервного вентилятора.
По выше представленной циклограмме можно вывести
логическую формулу работы электродвигателя вентилятора:
.9 Агрегат тиристорный диодный серии ТДП2. Общие
сведения
Агрегаты тиристорные диодные ТДП2 и станции
управления ШДУ предназначены для создания на базе серийных и индивидуального
изготовления асинхронных двигателей с фазным ротором плавно регулируемых,
нереверсивных, без электрического торможения электроприводов по схеме
асинхронного вентильного каскада мощностью от 100 до 2000 кВт и более (с
номинальными токами ротора до 2500 А и номинальным напряжением ротора до 1700 В
и рабочим напряжением ротора до 700 В в электроприводах асинхронно-вентильного
каскада). С помощью агрегатов регулируется частота вращения асинхронных
двигателей вниз от синхронной в диапазоне, определяемом соотношением напряжения
на кольцах двигателя при S=l и номинальным напряжением агрегата.
Станции управления предназначены для пуска и
останова асинхронных двигателей приводов длительного режима работы,
автоматического подключения их в систему АВК, а также для защиты двигателей
низкого напряжения от перегрузок и токов коротких замыканий.
Система автоматического регулирования частоты
вращения двигателя позволяет выполнять электроприводы АВК как с обратной связью
по частоте вращения (при наличии тахогенератора), так и с обратной связью по
ЭДС ротора двигателя (датчик ЭДС предусмотрен в агрегатах). При этом диапазон
регулирования частоты вращения двигателя при использовании тахогенератора может
быть получен в зависимости от соотношения номинальных напряжений ротора и
агрегата от 1:1,5 до 1:30, при использовании датчика ЭДС - до 1:10. Диапазоны
регулирования 1:30 и 1:10 предполагают получение на нижней частоте вращения
10%-ной жесткости механических характеристик. Частота вращения в таких
электроприводах регулируется от 0 до 100% (полный диапазон регулирования
частоты вращения).
Если номинальное напряжение ротора двигателя
будет равно или меньше номинального напряжения выбранного типа агрегата (350
или 700 В), то электропривод обеспечит полный диапазон регулирования частоты
вращения т. е. пуск и регулирование частоты вращения осуществляются с нуля с
помощью агрегата (рис. 7.8). Защитные резисторы в цепь ротора включаются
последовательно с агрегатом лишь на время подключения статора двигателя к сети
с целью снятия имеющих место в этот момент перенапряжений, которые в противном
случае приложились бы к агрегату. Станции управления для таких электроприводов
просты и содержат лишь два контактора для шунтирования ротора и защитных
резисторов и элементы управления приводом.
Когда номинальное напряжение агрегата меньше
номинального напряжения ротора двигателя, то диапазон регулирования частоты вращения
двигателя получается частичный (рис. 7.9). Пуск двигателя в этом случае
осуществляется с помощью станции управления в две ступени на пусковых
резисторах в функции времени до частоты вращения, при которой напряжение на
кольцах ротора двигателя снизится до номинального значения напряжения
выбранного типа агрегата (350 или 750 В), после чего агрегат автоматически
подключается к роторной цепи двигателя и отключаются пусковые резисторы.
Статические агрегаты серии ТДП2, выполненные на
полупроводниковых кремниевых диодах и тиристорах, представляют собой
комплектные устройства и состоят из выпрямителя, инвертора и сглаживающего
дросселя типа СРОС. В выпрямителях и инверторах помимо диодов и тиристоров
размещены силовые коммутационные аппараты, устройства управления и защиты.
Инвертор создает регулируемую по величине противоЭДС, встречную выпрямленному
напряжению ротора, и рекуперирует энергию скольжения ротора в питающую сеть.
Сглаживающий дроссель предназначен для
сглаживания пульсаций выпрямленного тока.
Выпрямитель и инвертор собраны по трехфазной
мостовой схеме соответственно на диодах Д143-800 18-го класса и тиристорах
Т153-800 12-го класса.
Рис. 7.12 Схема АВК с защитными резисторами
Агрегаты на ток 1250 А отличаются от агрегатов с
номинальным током 630 А лишь силовой схемой - выпрямитель и инвертор имеют по
два параллельно включенных диода (тиристора) и по два силовых автомата. Ток
между параллельными тиристорами делится индуктивными симметрирующими
устройствами, а между диодами - активными сопротивлениями, включенными
последовательно с каждым диодом.
Рис. 7.13. Схема АВК при пуске в две ступени.
Помимо одинарных агрегатов (агрегаты на 630 и
1250 А с индексом 1T) с номинальным напряжением 350 В, в которых применены
одномостовые инверторы, выпускаются агрегаты со сдвоенными инверторами
(агрегаты на 630 и 1250 А с индексом 2Т), в которых применены двухмостовые
инверторы с последовательным соединением мостов. Эти агрегаты состоят из двух
идентичных инверторов от одинарных агрегатов и выпрямителя с диодами более
высокого класса. Питание инверторов осуществляется от двух гальванически не
связанных по низкой стороне трансформаторов.
Агрегаты на ток 2500 А (как одинарные, так и
сдвоенные) набираются из двух агрегатов 1250 А (соответственно одинарных и
сдвоенных) путем параллельного соединения последних.
Станция управления пуском типа ШДУ
Станции управления предназначены для пуска и
останова асинхронных двигателей с фазным ротором и автоматического подключения
агрегатов ТДП2 в систему АВК, а также для защиты двигателей низкого напряжения
от перегрузок и токов коротких замыканий. Электрическое торможение не
предусмотрено.
Предусмотрено местное управление
электродвигателями со станции управления и дистанционное с пульта управления.
Для выбора пульта управления на станциях установлены переключатели.
Станции ШДУ, предназначенные для управления
двигателями высокого напряжения, изготовляются на номинальные токи роторной
цепи 630, 1250 и 2500 А (в тропическом исполнении 500, 1000 и 2000 А
соответственно). Станции управления двигателями низкого напряжения выполнены на
номинальный ток роторной и статорной цепей 630 А исполнения УХЛ4 и 500 А -
исполнения О4. Вспомогательные станции управления выполнены на номинальные
(длительные) токи 400 и 1000 А исполнения УХЛ4 и на 320 и 800 А исполнения О4.
Станции, предназначенные для управления
двигателями низкого напряжения, выполнены на номинальное напряжение статорной
цепи двигателей 500 В, роторной - 660 В. Станции для управления двигателями
высокого напряжения выполнены на номинальное напряжение силовой роторной цепи
660 В. При этом станции допускают кратковременное (в течение 1 мин) превышение
напряжения роторной цепи (на кольцах двигателя) при пуске 2000 В.
Цепи управления станций выполняются на
напряжение 220, 230, 240 В переменного тока.
Принцип действия станции управления типа ШДУ
При пуске двигателя в приводе АВК с полным
диапазоном регулирования (см. рис. 4.6) для защиты диодов и тиристоров от
перенапряжений последовательно с ротором включаются резисторы с большим
сопротивлением, а в агрегате создается ток закоротки (пусковой ток),
протекающий по цепи: инвертор - сглаживающий дроссель - диоды неуправляемого
моста. При протекании тока диоды открыты и падение напряжения в них
незначительно. В этом случае потенциалы трех фаз на входе выпрямителя одинаковы
(максимальная разница потенциалов составляет 1-2 В). Следовательно, возникающие
при подключении статора перенапряжения в роторе прикладываются к сопротивлениям,
а диоды агрегата защищены. После включения статора двигателя ток закоротки
снимается, а сопротивления закорачиваются контактором. Подается задающее
напряжение в систему управления и двигатель разгоняется до частоты вращения
определяемой задатчиком скорости.
При пуске двигателя в приводе АВК с частичным
диапазоном регулирования агрегат подключается к ротору двигателя также с током
закоротки, необходимым для принятия им тока двигателя, а также осуществления
бестоковой коммутации силовых контакторов и предотвращения нежелательных
перенапряжений. Двигатели во всех случаях отключаются вначале со стороны
статора, затем со стороны ротора.
В режиме шунтирования ротора двигателя для
получения бестоковой коммутации и исключения перенапряжений при снятии
закоротки ротора в агрегате предварительно создается ток закоротки, а затем
отключаются шунтирующие ротор контакторы.
8. Экономическое обоснование проектного решения
.1 Факторы, влияющие на экономическую
эффективность
В данном проекте производится модернизация существующего
электропривода вентилятора главного проветривания по схеме комбинированного
асинхронного машинно-вентельного каскада на электропривод с применением АВК,
что в свою очередь позволит нам убрать три машины, заменив их преобразователем
АВК.
Факторы, влияющие на экономическую
эффективность:
сокращение времени профилактических и
регламентных работ;
сокращение потребления электроэнергии за счет
увеличения КПД;
сокращение потребления электроэнергии за счет
регулирования мощности электропривода.
При экономической оценке считаем, что с
внедрением АВК не произойдет изменения численности персонала и, следовательно,
фонда оплаты труда.
Расчет затрат на электроэнергию, потребляемую
вентилятором главного проветривания ВЦД47 “Север”.
Расходы, связанные с оплатой электроэнергии,
рассчитываются по двум направлениям:
по заявленной установленной мощности
оборудования (за максимум нагрузки), Зз;
по общему расходу электроэнергии, Зп.
Вентилятор главного проветривания работает с
мощностью Руст:
в базовом варианте 3 000 кВт;
в проектном варианте 2 800 кВт.
Расчет рабочей мощности вентилятора представлен
в формуле:
, кВт,(8.1)
где Pуст - мощность вентилятора, кВт/ч,
η - КПД установки.
Найдем КПД:
в базовом варианте
,(8.2)
где ηАД
- КПД АД, 0,95,
ηВМПТ - КПД
вспомогательной машины переменного тока, 0,89,
ηМПТПА - КПД машина
переменного тока преобразовательного аппарата, 0,92,
ηСДПА - КПД
синхронного двигателя преобразовательного аппарата, 0,9,
;
в проектном варианте
,(8.3)
где ηАД
- КПД АД, 0,95,
ηАВК - КПД АВК,
0,95,
Отсюда, рабочая мощность установки равна:
в базовом варианте
, кВт,
- в проектном варианте
, кВт.
Суммарные затраты на оплату электроэнергии
рассчитываются по формуле:
,руб,(8.4)
Затраты по заявленной установленной мощности
оборудования Зз найдем по формуле:
,руб,(8.5)
где Тз- оплата за 1 кВт заявленной мощности,
в базовом варианте
,руб;
в проектном варианте
,руб;
Затраты по общему расходу электроэнергии Зп
найдем по формуле:
,руб,(8.6)
где Тп- оплата за 1 кВт*ч;
в базовом варианте
,руб;
в проектном варианте
,руб.
Отсюда, суммарные затраты:
в базовом варианте
руб,
в проектном варианте
руб.
.2 Экономический эффект
Расчет годового экономического эффекта
производится по формуле [4]:
,руб,(8.7)
где Зб и Зпр - годовые затраты по
электроэнергии, руб.;
ЕН = 0,28 - нормативный коэффициент
эффективности капитальных вложений в новую технику;
ΔК- капитальные
затраты по новому варианту, руб.
Величина капитальных затрат определяется
расчетным путем и включает в себя стоимость нового оборудования и её монтаж:
,руб.,(8.8)
где: Собр =2 500 000 руб.- стоимость нового
оборудования;
β= 0,1 -
коэффициент, учитывающий транспортные расходы по доставке оборудования и его
монтажу.
руб.,
,руб.
Срок окупаемости проектного варианта
рассчитывается по следующей формуле:
,(8.9)
мес.
Таблица 8.1 Технико-экономические показатели
|
Показатели
|
Ед.
изм.
|
Значение
|
|
Капитальные
затраты
|
руб.
|
2
750 000
|
|
Годовая
экономия электроэнергии
|
руб.
|
9
104 400
|
|
Снижение
потребление электроэнергии в год по сравнению с базовым вариантом
|
кВт*ч
|
10293000
|
|
Годовой
экономический эффект
|
руб.
|
8
334 400
|
|
Срок
окупаемости
|
мес.
|
6
|
Заключение
В соответствии с заданием был проведен
проверочный расчет вентиляционной установки по выбору электродвигателя и
электроснабжения. Рассмотрен вопрос автоматизации основных производственных
процессов, техники безопасности, охраны труда и экологии горного производства.
В специальной части приведен выбор оборудования
по схеме асинхронно-вентельный каскад, описание агрегата ТДП2-1250/400-2Т и
принцип работы. В экономической части приведен расчет экономических затрат на
внедрение нового оборудования и сроки его окупаемости.
шахта вентиляционный
электроснабжение
Список использованных источников
1.
Малиновский А.К. «Автоматизированный электропривод машин и установок шахт и
рудников» М., Недра ,1987
.
Абрамович Б.Н. Основы электроснабжения: Методические указания. С-П.: 1995.-180
с.
.
Чиликин М.Г., Сандлер А.С. Общий курс электропривода. М.:энергоиздат,
1981.-576с.
.
Экономическое обоснование технических и организационных решений дипломного
проекта: Методические указания к экономической части дипломного проекта /
Санкт-Петербургский государственный горный ин-т. Сост. Н.Г. Воронов, О.А.
Маринина. СПб, 2004. 42с.
.
Справочник по электроснабжению и электрооборудованию .В 2-х томах.
Т.:Энергоатомиздат, 1986.-568с.
.
Соловьев B.C. Конспект лекций по стационарным установкам , 2004г.
.
Алиев И.И. Справочник по электротехнике и электрооборудованию. М: «Высшая
школа», 2000 -255 с.
.
Правила безопасности в угольных шахтах в 2-х томах Самара.:Самар. Дом печати,
1995.
.
Ковчин С.А., Сабинин Ю.А. Теория электропривода. С-Пб: Энергоатомиздат 2001
-496 с
.
Потемкин В.Г. Система инженерных и научных расчетов Mathlab. В 2-х томах. -
М.:Диалог-МИФИ, 1999.- 366+304 с.
.
Шахтные вентиляторные установки главного проветривания: Справочник/Т.А. Бабак,
К.П. Бочаров,А.Т. Волохов и др.-М.:Недра, 1982.-296 с.
.
Вентиляторы главного и местного проветривания: Отраслевой каталог18-
4-85.-М.,1985.-62 с.
.
Усатенко СТ., Каченюк Т.К., Терехова М.В., Выполнение электрических схем по
ЕСКД, М., Издательство стандартов, 1989.
Похожие работы на - Модернизация электропривода вентиляционной установки ВЦД-47
|