Модернизация специализированного горизонтально-расточного станка модели TOS Varnsdorf 130

  • Вид работы:
    Дипломная (ВКР)
  • Предмет:
    Другое
  • Язык:
    Русский
    ,
    Формат файла:
    MS Word
    1,34 Мб
  • Опубликовано:
    2012-07-19
Вы можете узнать стоимость помощи в написании студенческой работы.
Помощь в написании работы, которую точно примут!

Модернизация специализированного горизонтально-расточного станка модели TOS Varnsdorf 130

СОДЕРЖАНИЕ

Введение

. Технологическая часть

1.1 Анализ объекта модернизации

1.2 Анализ техпроцесса обработки детали-представителя

1.3 Критический анализ существующей системы управления

1.4 Выводы и постановка задач на проектирование

2. Конструкторская часть

2.1 Проектирование и выбор измерительных средств

.2 Проектирование и выбор модулей ввода-вывода

2.2.1 Выбор контролера

2.2.2 Выбор модулей ввода-вывода сигналов

2.3 Проектирование и выбор источника питания

3. Специальная часть

3.1 Разработка концептуальной модели системы управления станком

3.2 Разработка структурной схемы управления станком

3.3 Разработка функциональной схемы управления станком

Заключение

Перечень ссылок

станок модернизация varnsdorf проектирование

ВВЕДЕНИЕ

Конечной целью совершенствования металлорежущих станков является повышение эффективности процесса обработки. Достижение этой цели связано с изменением в желаемом направлении производительности, стоимости и точности обработки. Эти параметры взаимозависимы, и поэтому заманчивая перспектива их одновременного благоприятного изменения нереальна; можно лишь, в соответствии с известными принципами оптимизации стремится к достижению экстремального значения какого-либо одного параметра, наложив соответствующие ограничения на остальные. Так, например можно ставить задачу достижения наивысшей производительности, ограничив точность, стоимость и некоторые другие параметры обработки. Подобной постановке в большей или меньшей степени отвечают станки с программным управлением и адаптивной коррекцией программ, обеспечивающей максимальную производительность при колебаниях припуска, твердости заготовки и некоторых других условий обработки.

Следует отметить, что требования к повышению точности обработки являются несравненно более категоричными, нежели требования к производительности и стоимости. Несоответствие реальной точности обработки предъявляемым в конкретной ситуации требованиям делают бессмысленной эксплуатацию станка.

1. ТЕХНОЛОГИЧЕСКАЯ ЧАСТЬ

1.1 Анализ объекта модернизации

Специализированные горизонтально-расточные станки модели TOS Varnsdorf 130 предназначены для обработки тяжелых машинных частей. Они используются для очень тяжелых и крупноразмерных деталей, требующих высокой степени точности обработки и высокой производительности.

Большой предел числа оборотов и подачи, оснащенный плавным регулированием, гарантирует экономичное использование станка применением разных режущих инструментов.

Горизонтально-расточные станки используются главным образом как станки плиточного исполнения. Станок имеет поперечно-подвижную стойку, выдвижной рабочий шпиндель, расположенный в шпиндельной бабке. Стойка перемещается по станине вдоль заготовки на крепёжных плитах. В отвесном направлении по стойке передвигается шпиндельная бабка с выдвижным шпинделем.

Технологические особые принадлежности станка, которыми расширяются его рабочие способности и эксплуатация:

угловые фрезерные головки;

планшайбы;

крестовые суппорты;

поворотные столы;

конвейеры стружки и прочее.

В таблице 1.1 представлены основные технические характеристики станка TOS Varnsdorf

На горизонтально-расточном станке к обработке торцевых и цилиндрических поверхностей применяется крестовой суппорт. На нем можно обрабатывать разнообразные уступы, заплечики и прочее с обеих сторон заготовки; производить прорезку и выемку в отверстиях. Подачи суппорта бесступенчатые.

Таблица 1.1- Технические характеристики горизонтально-расточного станка TOS Varnsdorf 130

Параметры

Значения

Диаметр рабочего шпинделя, мм

130

Предел числа оборотов рабочего шпинделя, мин-1

10-3000

Мощность главного двигателя, кВт

37

Поперечное перемещение стола (X), мм

4000

Вертикальное перемещение шпиндельной головки (Y), мм

2500

Выдвижение ползуна (Z), мм

800

Выдвижение рабочего шпинделя (W), мм

560

Максимальная масса обрабатываемой детали, кг

25000

Рабочие подачи в координатах X, Y, Z, W, мм/мин

1-8000

Быстрые подачи в координатах X, Y, Z, W, мм/мин

16000 для X, Y 12000 для Z, W

Общая потребляемая мощность станка, кВт

86


Существующая система управления станка TOS Varnsdorf 130 представляет собой систему управления Sinumerik 802D, которая располагается в электрическом шкафу рядом со станком и соединяется с ним кабелями.

Электрическая установка включается главным выключателем. Нажимом на кнопочный выключатель “Включение станка” включается управляющее напряжение. При подаче команды “Выключение станка” производится отключение и торможение привода шпиндельной бабки и привода коробки подач Управляющее напряжение может быть включено лишь в том случае, если все привода выключены. Отключение станка производится при следующих неполадках:

а) при дефекте в приводе шпиндельной бабки;

б) при дефекте в приводах подач;

в) при выходе из строя вентиляции распределительного шкафа.

Контроль смазки осуществляется с помощью специального датчика, при срабатывании которого, загорается синяя сигнальная лампа 13HL4 на щите и горит до тех пор, пока смазка в порядке. Смазка передач механизма перемещения шпинделя осуществляется насосом с двигателем 21МЗ, насос общий для смазки передач всей шпиндельной бабки.

1.2 Анализ техпроцесса обработки детали-представителя

Технологический процесс изготовления деталей заключается в следующем:

1. Станочник выставляет деталь так, чтобы она была расположена максимально точно к режущему инструменту (относительно шпинделя) по разметке или без нее с помощью индикатора.

. С помощью панели управления (индикации) нужно шпинделем определить нули детали. Нуль по координате Х и по координате Y (происходит обнуление детали).

4. После чего с помощью индикационного пульта управления, в ручном управлении можно приступать к обработке детали: фрезерованию, сверлению, расточке и т.д.

1.3 Критический анализ существующей системы управления

Рассматриваемый станок производит обработку различных типов деталей с ограниченной точностью, что при современных требованиях к деталям уже недостаточно. Станок оборудован системой ЧПУ фирмы Siemens SINUMERIK810, которая является устаревшей. Та же фирма Siemens уже внедряет новую систему SINUMERIK 840, которая имеет ряд преимуществ перед 810.

Также на станке установлен привод главного движения, обеспечивающий максимальную частоту вращения шпинделя 3000мин-1, а при повышении ее до 12000-20000 мин-1 позволит повысить точность обработки деталей и производить обработку закаленных деталей. Такая обработка называется высокоскоростной. Преимущества данной обработки заключаются в следующем:

1. снижение сил резания при обработке;

2.       уменьшение общего времени обработки;

.        повышение качества обработанной поверхности;

.        перераспределение тепла в зоне резания (основная масса тепла концентрируется в стружке);

.        возможность вести обработку закаленных сталей.

Для контроля скорости и перемещения в станке применяются фотоэлектрические датчики импульсов, преобразующие угловую скорость вала в импульсы с частотой f. Фотоэлектрический датчик скорости выполнен на основе фотоэлектрического кодового диска. Датчик вырабатывает две серии импульсов, сдвинутых по фазе на , которые используются для определения угловой скорости и ее знака.

В существующей системе формирование кода скорости с помощью счетчика выполняется двояко. Первый вариант состоит в определении интервала времени между двумя импульсами путем подсчета числа высокочастотных опорных импульсов, умещающихся на измеряемом интервале. Этот способ имеет максимальную разрешающую способность на самых низких скоростях, когда период следования импульсов максимален и содержит наибольшее число опорных импульсов. Однако высокая точность датчика при низких скоростях относится лишь к среднему за измеряемый интервал значению скорости. При повышении скорости точность данного цифрового датчика скорости (ЦДС) снижается.

Второй вариант состоит в том, что на заданном периоде измерения Т счетчик может подсчитывать число импульсов, которое будет характеризовать средне значение скорости:

, (1.1)

где - импульсная ёмкость кодового диска - число импульсов на один оборот диска; - угловая скорость диска, с-1; Т - период измерения, с.

Так как младшему разряду датчика соответствует один импульс, то разрешающая способность ЦДС составляет N:1, а точность измерения . Очевидно, дискретность по скорости датчика, об/с, определится величиной

. (1.2)

Таким образом, точность ЦДС тем выше, чем больше измеряемая скорость и период измерения.

Увеличение значения Т для уменьшения погрешности при низких скоростях нежелательно, так как при этом возрастает дискретность по времени и увеличивается расхождение между средним и мгновенным значениями скорости, что может затруднить использование ЦДС в системах управления.

1.4 Выводы и постановка задач на проектирование

Для достижения необходимой точности обработки для детали типа «Проушина» необходимо обеспечить высокие скорости вращения шпинделя, а также большой диапазон частот вращения. Этого можно достичь применением современного микроконтроллера в модуле управления приводом главного движения станка. Необходимо выбрать датчик скорости, который обеспечит заданную точность вращения, а также произвести выбор датчиков вибрации и температуры для контроля состояния шпинделя. Все это позволит оптимально управлять большой технологической задачей, появится возможность анализа аварийных ситуаций и выдача на пульт оператора сообщений о состоянии текущего процесса.

На основании анализа технологического процесса обработки детали-представителя и системы управления можно сформулировать следующие задачи дипломного проекта:

Выбор системы ЧПУ для станка TOS Varnsdorf;

Расчет и выбор привода главного движения;

Разработка структурной, функциональной и принципиальной схем системы управления.

Разработка блок-схемы алгоритмов работы станка, концептуальной модели системы управления, с входными и выходными массивами данных. Разработка программного обеспечения для контроллера автоматики;

Расчет экономической эффективности проведенной работы и заключение об ее практической ценности.

2. КОНСТРУКТОРСКАЯ ЧАСТЬ

2.1 Проектирование и выбор измерительных средств

Использование высокоскоростной обработки требует высокой степени оптимизации. Безупречная работа возможна только в очень узкой области технологических параметров. Поэтому перегрев подшипников, вибрации шпинделя на таких скоростях резания приведут к браку детали. Значит необходимо применить комплекс технических решений для обеспечения качества и надежности высокоскоростных шпинделей:

.   контроль положения, температуры и вибраций;

2.       обеспечение жесткости, точности и долгого срока шпинделя в широком диапазоне скоростей вращения.

Для ликвидации смещения шпиндельного вала необходимо оснастить шпиндель датчиком перемещений 1 (рис. 2.1) Он измеряет обусловленные механически (высокими скоростями вращения) или термически смещения шпиндельного вала с точностью до единиц микрон. Полученный от датчика 1 аналоговый сигнал поступает на ЧПУ для расчета компенсации смещения вала. Компенсация смещения по нормали к обрабатываемой поверхности существенно повышает точность и качество обработки, что особенно важно при чистовом сверлении, в инструментальной промышленности, при точной и ультраточной обработке.

Для обеспечения надежной эксплуатации высокоскоростных шпинделей в течение длительного времени их рабочее состояние контролируется датчиками температуры 2 (рисунок 2.1) и вибраций, установленных на корпусе и на внешнем кольце подшипников с керамическими шариками. Датчики температуры поставляют три возможных сигнала: "Все в порядке", "Состояние критическое" и "Ошибка". Алгоритмы анализа сигналов могут различаться в зависимости от приложения. Например, при "критическом состоянии" обработка может быть прервана на короткое время для снижения температуры мотора. Та же цель может быть достигнута уменьшением глубины резания, следствием чего является снижение потребляемой мощности и отдачи тепла. Такой анализ сигналов датчиков производится системой ЧПУ и обеспечивает надежную работу также в условиях "безлюдного" производства. При этом предотвращаются повреждения шпинделя и тем самым ненужные дорогостоящие простои.

Свой взнос вносят и датчики вибраций. Документация и анализ вибраций, а также их сравнение с эмпирически установленными граничными значениями производится программно. Высокий уровень колебаний может быть обусловлен плохо сбалансированным инструментом, неправильными параметрами обработки или аварийной ситуацией. Датчики вибраций также поставляют три сообщения: "O.K."- зеленый сигнал, "Предупреждение"- оранжевый и "Ошибка"- красный. При подключении к устройству ЧПУ возможен широкий контроль, диагностика неисправностей и, посредством своевременного технического обслуживания, предотвращение аварий и минимизация простоев.

В качестве датчиков температуры целесообразно использовать термоэлементы типа PT100 для измерения температур твердых тел. Наиболее распространенными датчиками вибрации являются пьезоэлектрические датчики. Они имеют высокую надежность, высокий срок службы, малый вес и габариты. Для учета вибраций используем датчик типа МВ-06.

Измерение аксиального смещения шпиндельного вала происходит датчиком перемещений типа MP фирмы FAGOR. Для контроля скорости вращения вала шпинделя необходимо использовать датчики скорости для высокоскоростных шпинделей. Выберем датчик скорости фирмы Siemens типа SIMAG H2. SIMAG H2 − это инкрементальная измерительная система для регистрации углов поворота и угловых скоростей. Сферой применения являются приложения для полых валов с прямыми приводами, а также использование в качестве самостоятельного датчика шпинделя. Электрические сигналы и фланцевая розетка являются совместимыми с существующими системами измерения двигателей. SIMAG H2 может работать со всеми имеющимися платами управления как измерительная система двигателя или как прямая измерительная система. Основные характеристики представленных датчиков приведены в таблице 2.1.

Таблица 2.1 - Основные характеристики датчиков

Тип датчика

Характеристики

Значение

Датчик температуры PT100

Измеряемая температура, -50…+500



Точность измерения температуры, 0,15



Измерительный ток, мА

2

Датчик вибраций МВ-06

Диапазон контролируемых частот, Гц

10…5000


Коэффициент преобразования, 56%



Диапазон рабочих температур, -60…+250


Датчик аксиального смещения МР

Разрешение, мкм

0,1


Точность измерения, мкм

3

Датчик скорости SIMAG H2

Предельное число оборотов, мин-1

13000


Разрешение, имп/об

400


Рабочее напряжение, В

55%


Диапазон рабочих температур, -20…+120



2.2 Проектирование и выбор модулей ввода-вывода

.2.1 Выбор контролера

SIMATIC S7-300 - это мощный многофункциональный программируемый контроллер, предназначенный для построения систем автоматизации низкой и средней степени сложности. SIMATIC S7-300 является универсальным контроллером. Он отвечает самым жестким требованиям промышленных стандартов, обладает высокой степенью электромагнитной совместимости, высокой стойкостью к ударным и вибрационным нагрузкам. Установка и замена модулей контроллера может производиться без отключения питания (“горячая замена”).

Система автоматизации S7-300 имеет модульную конструкцию. Она может комплектоваться широким спектром модулей, устанавливаемых в монтажных стойках в любом порядке. Система включает в свой состав:

-  модуль блока питания (PS): используются для подключения SIMATIC S7-300 к источникам питания ~120/ 230В;

-       модуль центрального процессора (CPU);

-       коммуникационный модуль (CP);

-       функциональный модуль (FM);

-       интерфейсный модуль (IM).

Программируемые контроллеры SIMATIC S7-300 могут комплектоваться 7 типами центральных процессоров. Центральные процессоры отличаются друг от друга различной вычислительной мощностью, объемами памяти, количеством встроенных интерфейсов и другими параметрами. Для построения сложных систем автоматического управления со сложными алгоритмами обработки информации и интенсивным сетевым обменом данными, как в данном проекте, применяют центральный процессор CPU 314.

2.2.2 Выбор модулей ввода-вывода сигналов

Сигнальные модули предназначены для ввода и вывода дискретных и аналоговых сигналов контроллера. Они включают в свой состав:

• модули ввода дискретных сигналов SM 421;

• модули вывода дискретных сигналов SM 422;

• модули ввода аналоговых сигналов SM 431;

• модули вывода аналоговых сигналов SM 432.

Сигнальные модули могут использоваться во всех модификациях программируемого контроллера SIMATIC S7-300.

Сигнальные модули подключаются к внутренней шине контроллера через разъемы монтажной стойки. Операции замены модулей могут выполняться без отключения питания контроллера. Большинство параметров сигнальных модулей настраивается программным путем с помощью утилиты Hardware Configuration пакета STEP 7. Эта утилита позволяет устанавливать времена фильтрации входных дискретных сигналов, диапазоны измерения входных аналоговых величин, параметры аналого-цифрового преобразования, поддержку прерываний, активизировать диагностические функции и т.д.

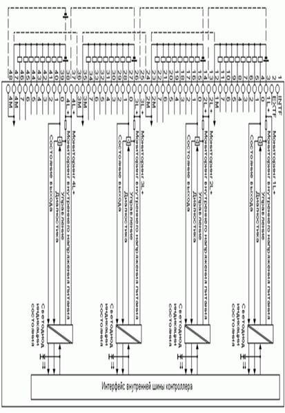
Модули ввода дискретных сигналов SM 321

Модули ввода дискретных сигналов предназначены для преобразования входных дискретных сигналов контроллера в его внутренние логические сигналы. К входам модулей могут подключаться контактные датчики, а также бесконтактные датчики BERO.

Исходя, из количества требуемых входов и выходного напряжения и тока, поступаемых с датчиков, выбираем модуль цифрового ввода SM 321 (DI 32 x 24 VDC).

Схема подключение модулей и функциональная схема модуля ввода дискретных сигналов представлена на рисунке 2.2.

Рисунок 2.2 - Функциональная схема модуля SM 321

Модули вывода дискретных сигналов SM 322

Модули вывода дискретных сигналов предназначены для преобразования внутренних логических сигналов контроллера в его выходные дискретные сигналы. К выходам модулей могут подключаться соленоидные вентили, реле, контакторы, сигнальные лампы, небольшие двигатели и т.д.

Исходя из количества требуемых выходов и выходного напряжения и тока, поступаемых на приборы полевого уровня, выбираем модуль цифрового вывода сигналов SM 322 (DO 32 x 24 VDC /0,5 A).

Схема подключение модулей и функциональная схема модуля вывода дискретных сигналов представлена на рисунке 2.3.

Модули ввода аналоговых сигналов SM 431

Модули ввода аналоговых сигналов предназначены для аналого-цифрового преобразования входных аналоговых сигналов контроллера и формирования цифровых величин, используемых центральным процессором в процессе выполнения программы. К входам модулей могут подключаться датчики с унифицированными выходными электрическими сигналами напряжения или силы тока, термопары, термометры сопротивления.

Рисунок 2.3 - Функциональная схема модуля вывода дискретных сигналов SM 322

Исходя из количества требуемых аналоговых входов и входного напряжения и тока, поступаемых из приборов полевого уровня, выбираем модуль аналогового ввода сигналов SM 331 (AI 16 x 16 Bits).

Схема подключение модулей и функциональная схема модуля ввода аналоговых сигналов представлена на рисунке 2.4.

Рисунок 2.4 - Функциональная схема модуля ввода аналоговых сигналов SM 331

2.3 Проектирование и выбор источника питания

Блоки питания предназначены для питания модулей контроллера напряжениями =5В и =24В. Питание к модулям подводится по внутренней шине контроллера. На вход модулей PS 407 подается напряжение ~120/230В. PS 407 позволяет подключать к своему выходу не только ПЛК, но и подавать питание на датчики и приводы.

Для внешнего питания модулей PLC выбираем стабилизированный источник питания SITOP 20А, а для питания входов/выходов SITOP 40А. Источник питания SITOP 24V/20А представлен на рисунке 2.5.

Для питания интерфейсных модулей выбираем стабилизированный источник питания SITOP POWER 2 (вход: 120/230V AC, выход: 24V/3.5A DC), а для питания потребителей 24В DC SITOP POWER 10 (вход: 120/230V AC, выход: 24V/10A DC).

Для разделения и мониторинга потребляемого тока на несколько частей служит диагностический модуль в сочетании с 24-х вольтовым блоком питания. Выбираем модуль диагностики SITOP Select (6EP1 961-2BA00).

Модуль питания и рекуперации необходимы:

1. станки с высокими динамическими требованиями к приводам;

2.       частые циклы торможения и высокая энергия торможения;

.        оптимизированная на низкие эксплуатационные расходы концепция распределительного шкафа.

С помощью регулируемых модулей питания/рекуперации избыточная энергия промежуточного контура, возникающая, к примеру, в режиме торможения, возвращается в сеть. Таким образом, получаются оптимизированные параметры для охлаждения распределительного шкафа и интересный с точки зрения рентабельности баланс энергии для пользователя. Через модуль E/R для осей приводов подготавливается постоянное напряжение промежуточного контура.

При работе в генераторном режиме сбой или исчезновение сетевого напряжения может привести к так называемому опрокидыванию инвертора, при котором велика опасность повреждения тиристоров преобразователя. Simoreg CCP обнаруживает аварийную ситуацию в самом начале, препятствует её развитию и, таким образом, защищает тиристоры от повреждения. Благодаря этому Simoreg CCP повышает готовность станков и оборудования с приводными системами постоянного тока. Причиной опрокидывания инвертора вентильных преобразователей, ведомых сетью, могут стать сбои в сети. Сбои могут возникнуть из-за неконтролируемых коммутационных процессов, грозы или высоких нагрузок в слабых сетях.

При этом возникает большой ток в направлении рекуперации или короткое замыкание внутривентильного преобразователя, что приводит к срабатыванию предохранителей и может повредить тиристоры в вентильном преобразователе. Встраиваемое устройство Simoreg CCP ограничивает эти токи до безопасного значения.

Через кодовый переключатель могут включаться различные рабочие функции модулей E/R:

.   регулируемый режим на напряжении промежуточного контура 600 В DC или 625 В DC с нагрузкой синусоидальным током в сети с l і 0,97. Коэффициент мощности l учитывает сумму всех напряжений гармоник сети;

2.       регулируемый режим на напряжении промежуточного контура 600 В DC или 625 В DC с нагрузкой блокирующим током в сети;

.        нерегулируемый режим на напряжении промежуточного контура 490 В DC (при 3 AC 400 В) с или без сетевой рекуперации;

.        прямое использование на сетях TN 3 AC 480 В +6 % -10 %; 50 Гц/60Гц на нерегулируемое напряжение промежуточного контура 680 В DC с сетевой рекуперацией.

Модуль питания/рекуперации представлен на рисунке 2.6.

Таблица 2.2 - Технические характеристики модуля питания

Питание

параметр

значение

Вид питания


регулируемое

Номинальная мощность PN (S1)

кВт

36

Питающая мощность (S6 - 40)

кВт

47

Макс. питающая мощность (S6 - 40)

кВт

70

Сетевая рекуперация



Длительная мощность обратного питания

кВт

36

Пиковая мощность обратного питания

70

Параметры подключения

Напряжение

В

3 AC 400 -10 %

Частота

Гц

50... 60 ±10 %

Номинальный ток

A

60,5

Ток подключения при пониженном напряжении

A

67,3

Пиковый ток (P; UN)

A

117,5

Макс. поперечное сечение подключения

мм2

50

Выходное напряжение

В

490... 680 +6 %

3. СПЕЦИАЛЬНАЯ ЧАСТЬ

.1 Разработка концептуальной модели системы управления станком

Проектирование системы управления станком начинается с разработки информационной и концептуальной модели.

Информационная модель представляется входными, промежуточными и выходными массивами данных, и позволяет наметить способы их преобразования. Входные данные контроллера, представляют собой набор аналоговых и дискретных сигналов. Значение логической единицы для дискретного входа 24 В. Входными являются также массивы данных ручного ввода, которые представляет собой набор данных вводимых с клавиатуры, и данные, заданные с терминала в режиме MDI и в программном режиме. На основании массива входных сигналов формируется массив промежуточных данных о состоянии объекта. Массив данных предельных значений, представляет собой набор данных, которые соответствуют предельно-допустимым значениям о состоянии объекта. Он формируется при программировании контроллера.

На базе информационной модели, разрабатывается концептуальная модель, показывающая, с помощью каких методов и средств осуществляется преобразование входной информации при переходе от одного массива к другому.

Массив входных данных, формируемый дискретными сигналами, сопрягается с микроконтроллером с помощью дискретного блока ввода.

Массив данных о состоянии объекта поступает в центральный процессор микроконтроллера (ЦПУ). В ЦПУ, в основном режиме работы, осуществляется сравнение данных массива о состоянии объекта со значениями из соответствующего массива, а также выборка по значениям массива данных о состоянии объекта кода управления приводами главного движения и приводами подач. На основании результатов сравнения и выборки формируются код управления объектом, массив индикации режимов работы.

В ЦПУ формируются массивы данных для индикации параметров и режимов работы - это выходные массивы. От ЦПУ сигналы для управления электроавтоматикой поступают через блоки вывода дискретных сигналов. Вышеописанное позволяет создать концептуальную модель микроконтроллерной СУ, которая представлена на рисунке 3.1.

Рисунок 3.1 - Концептуальная модель системы управления станком

Система управления логически разделяется на контроллер автоматики и контроллер перемещений. Контроллер автоматики включает в себя все входные и выходные сигналы и программу логики работы станка. Контроллер перемещений включает в себя область машинных данных и систему управления главным приводом и приводами подач и устройство приема и обработки данных с штурвала.

3.2 Разработка структурной схемы управления станком

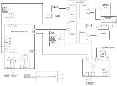
Структурная схема управления приводом главного движения представлена на рисунке 3.2

Основными узлами системы управления приводом подачи являются:

1. Микроконтроллер Simatic S7-300;

2.       Процессорное устройство PCU 50;

.        Монитор для отображения информации;

.        Модуль главного привода;

.        Станочную панель и дисковод 3,5”;

.        Маховик;

.        Программатор Field PG;

.        Периферийные устройства;

.        Аналоговые и цифровые датчики;

10. Блок питания/рекуперации и блок питания SITOP 20A.

Микроконтроллер Simatic S7-300 имеет в своем составе следующие модули:

1. Модуль центрального процессора CPU 314, необходим для приема, обработки и выдаче данных модулям контроллера;

2.       Модуль NCU 570, необходим для управления приводом главного движения, а также для подключения панели оператора, пульта управления и вспомогательных устройств;

.        Модуль расширения FM-354, необходим для расширения возможностей контроллера S7-300;

.        Модуль ввода-вывода состоит из модуля SM-331 для снятия сигналов с аналоговых датчиков и модуля SM-321 для снятия сигналов с дискретных датчиков;

.        Блок питания SITOP 20 для обеспечения питанием всех модулей контроллера.

Процессорное устройство PCU 50 служит для обработки данных поступающих с контроллера S7-300, в частности управлением двигателем главного движения; обмен данными с пультом оператора и станочной панелью. Питание данного узла осуществляется блоком питания постоянного напряжения величиной в 24В SITOP 20 A

Модуль главного привода имеет в своем составе непосредственно сам двигатель главного движения, модуль широтно-импульсной модуляции (ШИМ), а также датчик скорости.

В качестве питания двигателя главного движения используется блок питания/рекуперации, позволяющий обеспечить стабильное напряжение питания двигателя, а при его торможении избыточная энергия возвращается в сеть.

Рисунок 3.2 - Структурная схема системы управления приводом главного движения

3.3 Разработка функциональной схемы управления станком

Функциональная схема управления приводом главного движения представлена на рисунке 3.3

В состав системы управления приводом подачи входят следующие узлы:

1. Устройство числового программного управления SINUMERIC 840D;

2.       Панель оператора OP012;

.        Модуль главного привода;

.        Станочная панель и дисковод 3,5”;

.        Маховик;

.        Программатор Field PG;

.        Периферийные устройства;

.        Аналоговые и цифровые датчики;

.        Блок питания/рекуперации и блок питания SITOP 20A.

Сигналы с аналоговых датчиков, таких как датчик вибраций, датчик температуры и аксиального смещения шпинделя, поступают на модуль ввода аналоговых сигналов. Модули ввода аналоговых сигналов SM331, выполняют аналого-цифровое преобразование входных аналоговых сигналов контроллера и формируют цифровые значения мгновенных значений аналоговых величин.

Рисунок 3.3 - Структурная схема системы управления приводом главного движения

Модули характеризуются следующими показателями:

1. разрешающая способность от 9 до 15 бит;

2.       различные пределы измерений; базовые пределы измерения напряжения/силы тока устанавливаются механически с помощью карт пределов измерений; точная настройка выполняется программным путем с помощью инструментария "Hardware Configuration" STEP 7;

.        поддержка прерываний; (модули способны формировать диагностические запросы на прерывание, а также запросы на прерывания при достижении измеряемым параметром предельных значений);

.        диагностика; (модули способны пересылать в центральный процессор большой объем диагностической информации).

Модули ввода дискретных сигналов SM321 предназначены для преобразования входных дискретных сигналов контроллера в его внутренние логические сигналы.

Модули ввода дискретных сигналов характеризуются:

–  компактным исполнением:

–       зеленые светодиоды индикации состояния входных цепей;

–       фронтальный соединитель, закрытый защитной крышкой;

–       область маркировки внешних цепей;

–       простотой установки:

–       равноценность посадочных мест;

–       адресация определяется номером разъема;

–       удобством подключения внешних цепей.

В модуле ввода цифровых сигналов происходит анализ и обработка сигналов с датчика скорости и датчика наличия инструмента.

В микропроцессорном модуле SIMATIC для соединения блоков используется стандартная шина PROFIBUS DP.

Шина управления подсоединяется на цифровую плату управления SINUMERIK 840D с помощью шины PROFIBUS. С двигателей обратные связи подключаются к соответствующим цифровым платам управления SIMODRIVE 611. Модуль главного привода имеет в своем составе устройство ШИМ, построенное на современных IGBT транзисторах, позволяющее регулировать скорость вращения шпинделя в широком пределе. В данном модуле предусмотрена токовая защита от перегрузок, позволяющая предотвратить ложные срабатывания защиты в моменты коммутаций.

Для питания модулей контроллера предусмотрен стандартный стабилизированный источник питания SITOP 24V/20A.

ЗАКЛЮЧЕНИЕ

Аппаратно система управления выполнена на базе высокопроизводительного микропроцессорного комплекта Simatic S7-300 фирмы SIEMENS, который работает в реальном масштабе времени.

Реализуемая на микропроцессорных комплектах система программного обеспечения, обеспечивает автоматическое программное управление скоростью, положением рабочих органов в режиме реального времени. Точность и безотказность в работе, является характерной особенностью систем микроконтроллерного управления.

Станок после модернизации обеспечит следующие параметры:

.   минимальную погрешность обработки;

2.       возможность подбора рабочего усилия и скорости в зависимости от качества, размера заготовки и вида выполняемой операции;

.        снижение времени переналадки и настройки на обработку;

.        низкие энергетические затраты;

.        увеличение производительности;

.        снижение удельной себестоимости продукции.

 

ПЕРЕЧЕНЬ ССЫЛОК


1  Справочник технолога машиностроителя. - М.: Машиностроение, 1972. А.Н.Малахов. - Т.2 - 568с.,ил.

2  Каталог Siemens CA 01 01/2001 Рус.

3        Методичні вказівки до курсового проекту з дисципліни «Технічні засоби автоматизації» (для студентів спеціальності 7.092501 “Автоматизоване управління технологічними процесами”).Укл. О.В.Разживін.-Краматорськ: ДДМА, 2010.-200 с.

         Анурьев В.И. Справочник конструктора-машиностроителя.-М.: Машиностроение, 1980. - Т.3 - 560 с.,ил.

         www.rexroth.ru

6        www.tr-electronic.de <http://www.tr-electronic.de>

         www.balluff.ru <http://www.balluff.ru>

         Григорьев В.Л. Программное обеспечение микропроцессорных систем.-М.:Энергоиздат, 1983.-205 с.

Похожие работы на - Модернизация специализированного горизонтально-расточного станка модели TOS Varnsdorf 130

 

Не нашли материал для своей работы?
Поможем написать уникальную работу
Без плагиата!
Без нейросетей!