Метрологическое обеспечение стандартизации, сертификации и качества измерения параметров или значений физических величин
Кафедра прикладной математики
Курсовая работа
По курсу: «Метрология, стандартизация
и сертификация»
На тему: «Метрологическое обеспечение
стандартизации, сертификации и качества измерения параметров или значений
физических величин»
СОДЕРЖАНИЕ
1. КЛАССИФИКАЦИЯ ЭЛЕКТРОИЗМЕРИТЕЛЬНЫХ ПРИБОРОВ
2. ПРИБОРЫ НЕПОСРЕДСТВЕННОЙ ОЦЕНКИ
2.1 МАГНИТОЭЛЕКТРИЧЕСКАЯ СИСТЕМА
2.2 ЭЛЕКТРОМАГНИТНАЯ СИСТЕМА
2.3 ЭЛЕКТРОДИНАМИЧЕСКАЯ СИСТЕМА
2.4 ИНДУКЦИОНААЯ СИСТЕМА
2.5 ФЕРРОДИНАМИЧЕСКАЯ СИСТЕМА
2.6 ЭЛЕКТРОСТАТИЧЕСКАЯ СИСТЕМА
2.7 ТЕРМОДИНАМИЧЕСКАЯ СИСТЕМА
2.8 ВИБРАЦИОННАЯ СИСТЕМА
3. ПРИБОРЫ СРАВНЕНИЯ
4. ИЗМЕРЕНИЕ НЕЭЛЕКТРИЧЕСКИХ ВЕЛИЧИН ЭЛЕКТРИЧЕСКИМИ
МЕТОДАМИ
4.1 РЕОСТАТНЫЕ ПРЕОБРАЗОВАТЕЛИ
4.2 ТЕРМОПРЕОБРАЗОВАТЕЛИ
4.3 ТЕНЗОЧУВСТВИТЕЛЬНЫЕ ПРЕОБРАЗОВАТЕЛИ
4.4 ИИДУКЦИОННЫЕ ПРЕОБРАЗОВАТЕЛИ
4.5 ЁМКОСТНЫЕ ПРЕОБРАЗОВАТЕЛИ
4.6 ПЬЕЗОЭЛЕКТРИЧЕСКИЕ ПРЕОБРАЗОВАТЕЛИ
4.7 ФОТОЭЛЕКТРИЧЕСКИЕ ПРЕОБРАЗОВАТЕЛИ
4.8 ТЕРМОЭЛЕКТРИЧЕСКИЕ ПРЕОБРАЗОВАТЕЛИ
СПИСОК ЛИТЕРАТУРЫ
1.
КЛАССИФИКАЦИЯ ЭЛЕКТРОИЗМЕРИТЕЛЬНЫХ ПРИБОРОВ
Технические средства электрических измерений, предназначенные для
выработки сигналов измерительной информации, функционально связанных с
измеряемыми физическими величинами в форме, доступной для непосредственного
восприятия наблюдателем, называются электроизмерительными приборами.
Электроизмерительные приборы, показания которых являются непрерывными
функциями изменения измеряемых величин, называются аналоговыми. Измерительные
приборы, автоматически вырабатывающие дискретные сигналы измерительной
информации, показания которых представлены в цифровой форме, называются
цифровыми.
Если электроизмерительный прибор допускает только считывание показаний,
то его называют показывающим, а если возможны и считывание, и регистрация (или
только регистрация) показаний, то прибор называют регистрирующим. Если
показания прибора можно записать в форме диаграммы, то его называют
самопишущим. В практике часто применяют интегрирующие приборы, в которых
значения измеряемой величины суммируются по времени или по другой независимой
переменной.[4]
Классификация электроизмерительных приборов представлена на рис.1.
Рис.1 Классификация электроизмерительных приборов
О возможном применении прибора для тех или иных измерений можно судить по
таким его характеристикам, как класс точности и чувствительность.
По классу точности существуют приборы классов: 0,05; 0,1; 0,2; 0,5; 1;
1,5; 2,5; 4. Эти числа выражают основную, наибольшую допустимую, приведенную
относительную погрешность приборов. [3]
Наиболее точными являются приборы класса 0,05. Погрешность выражается в
процентах относительно максимального значения рабочей части шкалы прибора.
Класс точности не должен превышать приведенной относительной погрешности
прибора, которая определяется по формуле:
где
А - показания поверяемого прибора;
А0 - показания образцового прибора;- максимальное значение измеряемой
величины (предел измерения).
В России традиционно принята унифицированная система обозначений,
основанная на принципах действия электроизмерительных приборов. В состав
обозначения входит прописная русская буква, соответствующая принципу действия
прибора, и число - условный номер модели.
В - приборы вибрационного типа (язычковые)
Д - электродинамические приборы
Е - измерительные преобразователи
И - индукционные приборы
К - многоканальные и комплексные измерительные установки и системы
Л
- логометры
<#"553558.files/image003.gif">
Рис.2 Классификация погрешностей
2.
ПРИБОРЫ НЕПОСРЕДСТВЕННОЙ ОЦЕНКИ
2.1 МАГНИТОЭЛЕКТРИЧЕСКАЯ СИСТЕМА
Приборы этой системы (рис.3) содержат постоянный магнит - 1, к которому
крепятся полюса - 2. В межполюсном пространстве расположен стальной цилиндр - 3
с наклеенной на него рамкой - 4. Ток в рамку подается через две спиральные
пружины -5.
Принцип действия прибора основан на взаимодействии тока в рамке с
магнитным полем полюсов.
Рис.3 Магнитоэлектрическая система
Это взаимодействие вызывает вращающий момент, под действием которого
рамка и вместе с ней цилиндр повернутся на угол.
Спиральная пружина, в свою очередь, вызывает противодействующий момент.
Так как вращающий момент пропорционален току,
, а противодействующий момент
пропорционален углу закручивания пружин
, то можно написать:
где k и D - коэффициенты пропорциональности. Из написанного следует, что
угол поворота рамки
а ток в катушке
где
- чувствительность прибора к току, определяемая числом
делений шкалы, соответствующая единице тока; CI - постоянная по току, известная
для каждого прибора
Следовательно, измеряемый ток можно определить произведением угла
поворота (отсчитывается по шкале) и постоянной по току CI.
К достоинствам этой системы относят высокую точность и чувствительность,
малое потребление энергии.
Из недостатков следует отметить сложность конструкции, чувствительность к
перегрузкам, возможность измерять только постоянный ток (без дополнительных
средств).[4]
Пример прибора магнитоэлектрической системы - вольтметр щитовой
М381, используется для измерения напряжения в цепях постоянного тока.
Характеристики прибора приведены в таблице 1.
Таблица 1
|
Тип прибора
|
Вид измеряемой величины
|
Класс точности
|
Верхние пределы измерений
(в единицах измеряемой величины)
|
Цена деления
|
Габариты, мм
|
Мacca, кг
|
|
М381
|
В
|
1,5
|
175
|
7
|
80X80X49
|
0,2
|
При n-кратном измерении силы тока прибором
М381 получены следующие результаты:
Таблица 2. Результаты измерений силы тока прибором М381
|
Номер отсчета
|
Значение
|
|
Номер отсчета
|
Значение
|
|
Номер отсчета
|
Значение
|
|
Номер отсчета
|
Значение
|
|
1
|
136
|
|
26
|
130
|
|
51
|
133
|
|
76
|
124
|
|
2
|
126
|
|
27
|
124
|
|
52
|
124
|
|
77
|
131
|
|
3
|
124
|
|
28
|
136
|
|
53
|
124
|
|
78
|
125
|
|
4
|
136
|
|
29
|
122
|
|
54
|
135
|
|
79
|
127
|
|
5
|
122
|
|
30
|
119
|
|
55
|
130
|
|
80
|
120
|
|
6
|
126
|
|
31
|
123
|
|
56
|
126
|
|
81
|
124
|
|
7
|
129
|
|
32
|
125
|
|
57
|
131
|
|
82
|
124
|
|
8
|
129
|
|
33
|
127
|
|
58
|
131
|
|
83
|
124
|
|
9
|
125
|
|
34
|
128
|
|
59
|
131
|
|
84
|
136
|
|
10
|
128
|
|
35
|
133
|
|
60
|
125
|
|
85
|
127
|
|
11
|
118
|
|
36
|
129
|
|
61
|
124
|
|
86
|
123
|
|
12
|
134
|
|
37
|
132
|
|
62
|
124
|
|
87
|
127
|
|
13
|
119
|
|
38
|
128
|
|
63
|
128
|
|
88
|
124
|
|
14
|
129
|
|
39
|
126
|
|
64
|
123
|
|
89
|
133
|
|
15
|
135
|
|
40
|
131
|
|
65
|
131
|
|
90
|
123
|
|
16
|
130
|
|
41
|
125
|
|
66
|
119
|
|
91
|
130
|
|
17
|
135
|
|
42
|
127
|
|
67
|
122
|
|
92
|
127
|
|
18
|
131
|
|
43
|
120
|
|
68
|
120
|
|
93
|
121
|
|
19
|
135
|
|
44
|
133
|
|
69
|
126
|
|
94
|
135
|
|
20
|
127
|
|
45
|
122
|
|
70
|
124
|
|
95
|
132
|
|
21
|
129
|
|
46
|
134
|
|
71
|
119
|
|
96
|
135
|
|
22
|
128
|
|
47
|
123
|
|
72
|
128
|
|
97
|
134
|
|
23
|
127
|
|
48
|
127
|
|
73
|
125
|
|
98
|
126
|
|
24
|
129
|
|
49
|
121
|
|
74
|
138
|
|
99
|
126
|
|
25
|
127
|
|
50
|
124
|
|
75
|
121
|
|
100
|
129
|
Для оценки истинного значения измеряемой величины используется среднее
арифметическое значение [2]
n=100.
Среднее арифметическое равно 127,32.
Статистическое СКО рассчитывается по формуле
СКО равно 4,78.
Xmin
=118
Xmax
=138
Разделим весь диапазон полученных значений на 10 интервалов. Построим
статистический ряд с шириной полосы 2. Рассчитаем количество значений mi,
попавших в тот или иной интервал, а также статистические частоты P*i=mi|n. На основании рассчитанных значений построим гистограмму
(рис.4) [5].
Рис.4 Гистограмма для результатов измерений силы тока прибором М381
Результат измерений определяется по формуле:
где tx - коэффициент Стьюдента для заданной доверительной вероятности P.
Для P=0.95 и n=100 коэффициент Стьюдента tx=1,984 [5].
Результат измерений:
,450 -0,9483<Xизм<100,450
+0,9483
Полученные результаты измерения лежат в пределах класса точности данного
прибора, поэтому калибровка не требуется.
2.2
ЭЛЕКТРОМАГНИТНАЯ СИСТЕМА
Приборы этой системы (рис.5) имеют неподвижную катушку - 1 и подвижную
часть в виде стального сердечника - 2, связанного с индикаторной стрелкой - 3
противодействующей пружины - 4.
Измеряемый ток, проходя по катушке, намагничивает сердечник и втягивает
его в катушку.
При равенстве вращающего и тормозящего моментов система успокоится. По
углу поворота подвижной части определяют измеряемый ток.
Среднее значение вращающего момента пропорционально квадрату измеряемого
тока:
Так как тормозящий момент, создаваемый спиральными пружинами,
пропорцио-нален углу поворота подвижной части , уравнение шкалы прибора запишем
в виде:
Другими словами, угол отклонения подвижной части прибора пропорционален
квадрату действующего значения переменного тока.
Рис.5 Электромагнитная система
К главным достоинствам электромагнитной силы относятся: простота
конструкции, надежность в работе, стойкость к перегрузкам. [4]
Из недостатков отмечаются: низкая чувствительность, большое потребление
энергии, небольшая точность измерения, неравномерная шкала.[4]
Пример прибора электромагнитной системы - амперметр ЭА0700, предназначены
для измерения тока и напряжения в цепях переменного тока. Характеристики
прибора приведены в таблице 3.
Таблица 3
|
Тип прибора
|
Диапазон измерений
|
Класс точности
|
Габаритные размеры, масса
|
Условия эксплуатации
|
|
ЭА0702
|
0…5А
|
1,5
|
120Ч120Ч50 мм,
350 г.
|
Рабочая температура: от -40
до +50 °С. ормальная частота: 50 Гц.
|
При n-кратном измерении силы тока прибором
ЭА0702 получены следующие результаты:
Таблица 4. Результаты измерений силы тока прибором ЭА0702
|
Номер отсчета
|
Значение
|
|
Номер отсчета
|
Значение
|
|
Номер отсчета
|
Значение
|
|
Номер отсчета
|
Значение
|
|
1
|
3,1
|
|
26
|
3,2
|
|
51
|
3,2
|
3,1
|
|
2
|
3,2
|
|
27
|
3
|
|
52
|
3,1
|
|
77
|
3
|
|
3
|
2,9
|
|
28
|
3,2
|
|
53
|
2,9
|
|
78
|
2,9
|
|
4
|
3,1
|
|
29
|
3
|
|
54
|
3,1
|
|
79
|
2,9
|
|
5
|
3
|
|
30
|
3,1
|
|
55
|
2,9
|
|
80
|
3
|
|
6
|
2,9
|
|
31
|
3
|
|
56
|
3
|
|
81
|
2,9
|
|
7
|
3,2
|
|
32
|
3
|
|
57
|
2,9
|
|
82
|
3
|
|
8
|
3
|
|
33
|
2,9
|
|
58
|
2,9
|
|
83
|
3
|
|
9
|
3,2
|
|
34
|
3,2
|
|
59
|
3,1
|
|
84
|
3,1
|
|
10
|
3
|
|
35
|
2,9
|
|
60
|
3
|
|
85
|
2,9
|
|
11
|
3,1
|
|
36
|
3
|
|
61
|
3
|
|
86
|
3
|
|
12
|
3
|
|
37
|
2,8
|
|
62
|
3
|
|
87
|
3,1
|
|
13
|
3
|
|
38
|
3
|
|
63
|
2,9
|
|
88
|
3
|
|
14
|
3
|
|
39
|
3,1
|
|
64
|
3
|
|
89
|
3,1
|
|
15
|
3,1
|
|
40
|
2,9
|
|
65
|
3
|
|
90
|
3,1
|
|
16
|
2,8
|
|
41
|
3,2
|
|
66
|
2,9
|
|
91
|
3,1
|
|
17
|
3,1
|
|
42
|
3
|
|
67
|
3,1
|
|
92
|
3
|
|
18
|
3
|
|
43
|
3,1
|
|
68
|
3
|
|
93
|
2,9
|
|
19
|
3,1
|
|
44
|
2,9
|
|
69
|
2,8
|
|
94
|
2,9
|
|
20
|
3
|
|
45
|
3
|
|
70
|
3
|
|
95
|
3,1
|
|
21
|
2,9
|
|
46
|
3,1
|
|
71
|
2,9
|
|
96
|
3
|
|
22
|
3
|
|
47
|
3
|
|
72
|
3
|
|
97
|
3
|
|
23
|
3
|
|
48
|
2,9
|
|
73
|
3
|
|
98
|
3,1
|
|
24
|
3
|
|
49
|
3,1
|
|
74
|
3
|
|
99
|
2,9
|
|
25
|
3,1
|
|
50
|
3
|
|
75
|
3,2
|
|
100
|
2,9
|
n=100
Среднее арифметическое равно 3,013
СКО равно 0,097.=2,8=3,2
Разделим весь диапазон полученных значений на 5 интервалов. Построим
статистический ряд с шириной полосы 0,1. Рассчитаем количество значений mi,
попавших в тот или иной интервал, а также статистические частоты P*i=mi|n. На основании рассчитанных значений построим гистограмму
(рис.6).
Рис.6 Гистограмма для результатов измерений силы тока прибором ЭА0702
Для P=0.95 и n=100 коэффициент Стьюдента
tx=1,98.
Результат измерений:
,002-0,019<Xизм<5,002+0,019
Полученные результаты измерения лежат в пределах класса точности данного
прибора, поэтому его калибровать не следует.
2.3 ЭЛЕКТРОДИНАМИЧЕСКАЯ
СИСТЕМА
Эта система представляет собой две катушки (рис.7), одна из которых
неподвижная, а другая - подвижная. Обе катушки подключаются к сети, и
взаимодействие их магнитных полей приводит к повороту подвижной катушки
относительно неподвижной [4].
Рис.7 Схема прибора электродинамической системы
Из уравнения
видно, что шкала электродинамической системы имеет
квадратичный характер. Для устранения этого недостатка подбирают геометрические
размеры катушек таким образом, чтобы получить шкалу, близкую к равномерной.
Эти системы чаще всего используются для измерения мощности, т.е. в
качестве ваттметров, тогда:
В этом случае шкала ваттметра равномерная.
Основным достоинством прибора является высокая точность измерения.
К недостаткам относятся малая перегрузочная способность, низкая
чувствительность к малым сигналам, заметное влияние внешних магнитных полей.
[4]
Пример прибора электродинамической системы - ваттметр Д5085,
предназначенный для измерения мощности. Характеристики прибора приведены в
таблице 5.
Таблица 5
|
Тип прибора
|
Диапазон измерений
|
Класс точности
|
Габаритные размеры, масса
|
Условия эксплуатации
|
|
Ваттметр Д5095
|
15 - 600 Вт
|
0,5
|
205х290х135 мм 4,3кг
|
- температура окружающего
воздуха от 10 до 35 С; - относительная влажность 80% при температуре +25 С.
|
При n-кратном измерении силы тока прибором
Д5095 получены следующие результаты:
Таблица 6. Результаты измерений мощности прибором Д5095
|
Номер отсчета
|
Значение
|
|
Номер отсчета
|
Значение
|
|
Номер отсчета
|
Значение
|
|
Номер отсчета
|
Значение
|
|
1
|
395
|
|
26
|
409
|
|
51
|
393
|
|
76
|
389
|
|
2
|
401
|
|
27
|
410
|
|
52
|
385
|
|
77
|
409
|
|
3
|
391
|
|
28
|
380
|
|
53
|
398
|
|
78
|
392
|
|
4
|
393
|
|
29
|
407
|
|
54
|
403
|
|
79
|
387
|
|
5
|
404
|
|
30
|
415
|
|
55
|
406
|
|
80
|
381
|
|
6
|
403
|
|
31
|
409
|
|
56
|
403
|
|
81
|
408
|
|
7
|
398
|
|
32
|
392
|
|
57
|
407
|
|
82
|
382
|
|
8
|
415
|
|
33
|
417
|
|
58
|
397
|
|
83
|
405
|
|
9
|
400
|
|
34
|
396
|
|
59
|
407
|
|
84
|
404
|
|
10
|
404
|
|
35
|
415
|
|
60
|
392
|
|
85
|
388
|
|
11
|
396
|
|
36
|
405
|
|
61
|
408
|
|
86
|
403
|
|
12
|
405
|
|
37
|
409
|
|
62
|
382
|
|
87
|
399
|
|
13
|
405
|
|
38
|
413
|
|
63
|
404
|
|
88
|
408
|
|
14
|
386
|
|
39
|
394
|
|
64
|
406
|
|
89
|
393
|
|
15
|
388
|
|
40
|
416
|
393
|
|
90
|
407
|
|
16
|
406
|
|
41
|
387
|
|
66
|
402
|
|
91
|
384
|
|
17
|
383
|
|
42
|
385
|
|
67
|
402
|
|
92
|
403
|
|
18
|
404
|
|
43
|
409
|
|
68
|
396
|
|
93
|
413
|
|
19
|
388
|
|
44
|
400
|
|
69
|
387
|
|
94
|
419
|
|
20
|
416
|
|
45
|
388
|
|
70
|
395
|
|
95
|
396
|
|
21
|
397
|
|
46
|
411
|
|
71
|
419
|
|
96
|
407
|
|
22
|
410
|
|
47
|
384
|
|
72
|
386
|
|
97
|
414
|
|
23
|
405
|
|
48
|
384
|
|
73
|
399
|
|
98
|
408
|
|
24
|
386
|
|
49
|
412
|
|
74
|
407
|
|
99
|
398
|
|
25
|
393
|
|
50
|
414
|
|
75
|
406
|
|
100
|
383
|
=100
Среднее арифметическое равно 399,96.
СКО равно 10,27.=380=419
Разделим весь диапазон полученных значений на 10 интервалов. Построим
статистический ряд с шириной полосы 0,096. Рассчитаем количество значений mi,
попавших в тот или иной интервал, а также статистические частоты P*i=mi|n. На основании рассчитанных значений построим гистограмму
(рис.8).
Рис.8 Гистограмма для результатов измерений мощности прибором Д5095
Для P=0.95 и n=100 коэффициент Стьюдента
tx=1,98.
Результат измерений:
,96-2,04<Xизм<399,96+2,04
Полученные результаты измерения лежат за пределами класса точности
данного прибора, поэтому его требуется отправить на калибровку.
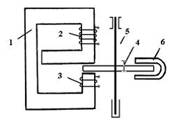
2.4 ИНДУКЦИОНААЯ
СИСТЕМА
Приборы индукционной системы получили широкое распространение для
измерения электрической энергии. Принципиальная схема прибора приведена на
рис.9. Электрический счетчик содержит магнитопровод - 1 сложной конфигурации,
на котором размещены две катушки; напряжения - 2 и тока - 3. Между полюсами
электромагнита помещен алюминиевый диск - 4 с осью вращения - 5. Принцип
действия индукционной системы основан на взаимодействии магнитных потоков,
создаваемых катушками тока и напряжения с вихревыми токами, наводимыми
магнитным полем в алюминиевом диске [4].
Рис.9 Схема прибора индукционной системы
Вращающий момент, действующий на диск, определяется выражением:
где ФU - часть магнитного потока, созданного обмоткой напряжения и
проходящего через диск счетчика; ФI - магнитный поток, созданный обмоткой тока;
- угол сдвига между ФU и ФI.
Магнитный поток ФU пропорционален напряжению
Магнитный поток ФI пропорционален
току:
Для того чтобы счетчик реагировал на активную энергию, необходимо
выполнить условие:
В этом случае
т.е. вращающий момент пропорционален активной мощности нагрузки.
Противодействующий момент создается тормозным магнитом - 6 и
пропорционален скорости вращения диска:
В установившемся режиме
и диск вращается с постоянной скоростью. Приравнивая два
последних уравнения и решив полученное уравнение относительно угла поворота
диска
Таким образом, угол поворота диска счетчика пропорционален активной
энергии. Следовательно, число оборотов диска n тоже пропорционально активной
энергии.[4]
Пример прибора индукционной системы - счетчик электрической энергии
однофазный индукционный СО-И4491М. Характеристики прибора приведены в таблице
7.
Таблица 7
|
Тип прибора
|
Класс точности
|
Масса
|
Условия эксплуатации
|
|
СО-197
|
2,0
|
1,2 кг
|
-температура окружающего
воздуха от минус 20 до плюс 55 °С -относительная влажность воздуха не более
80 при температуре 25 °С.
|
При n-кратном измерении электрической
энергии (потребленной за одинаковый временной интервал одним и тем же
устройством) счетчиком СО-И4491М получены следующие результаты:
Таблица 8.Результаты измерений электрической энергии счетчиком СО-197
|
Номер отсчета
|
Значение
|
|
1
|
62
|
|
2
|
59
|
|
3
|
60
|
|
4
|
63
|
|
5
|
63
|
|
6
|
61
|
|
7
|
62
|
|
8
|
59
|
|
9
|
60
|
|
10
|
61
|
|
11
|
59
|
|
12
|
63
|
|
13
|
58
|
|
14
|
59
|
|
15
|
62
|
|
16
|
59
|
|
17
|
59
|
|
18
|
59
|
|
19
|
61
|
|
20
|
60
|
|
21
|
61
|
|
22
|
62
|
|
23
|
58
|
|
24
|
58
|
|
25
|
60
|
|
26
|
62
|
|
27
|
61
|
|
28
|
62
|
|
29
|
62
|
|
30
|
62
|
n=30
Среднее арифметическое равно 60,57.
СКО равно 1,59.=58=63
Разделим весь диапазон полученных значений на 5 интервалов. Построим
статистический ряд с шириной полосы 1. Рассчитаем количество значений mi,
попавших в тот или иной интервал, а также статистические частоты P*i=mi|n. На основании рассчитанных значений построим гистограмму
(рис.10).
Рис.10 Гистограмма для результатов измерений электрической энергии
счетчиком СО-197
Для P=0.95 и n=30 коэффициент Стьюдента
tx=2,04.
Результат измерений:
,57-0,324<Xизм<60,57+0,324
Полученные результаты измерения лежат вне пределов класса точности
данного прибора, поэтому прибор требуется отправить на калибровку.
2.5 ФЕРРОДИНАМИЧЕСКАЯ
СИСТЕМА
Отличием ферродинамического измерительного механизма является размещение
неподвижной катушки на магнитопроводе. Замкнутый через железо
(ферродинамический) механизм, в котором магнитный поток, созданный током,
проходит по замкнутой шихтованной (выполненной из набора листов) магнитной
цепи. Эти механизмы очень прочны, однако они уступают по точности измерительным
механизмам электродинамической системы. В частности, они не могут быть
применены для измерений постоянного тока [4].
- за счет равномерного зазора.
Измерительные
механизмы ферродинамической системы обладают значительным вращающим моментом,
за счет равномерного узкого зазора при значительной магнитной индукции, что
позволяет использовать эти измерительные механизмы в самопишущих приборах, а
также приборах, работающих в условиях тряски и вибрации.
Рис.11. Схема прибора ферродинамической системы
Достоинствами этого механизма являются малые габариты, высокая точность.
Недостатки: неравномерная шкала, зависимость от показаний частоты, узкий
частотный диапазон (до 60 Гц, расширенный до 300).[4]
Пример прибора ферродинамической системы - однофазный переносной ваттметр
со стрелочным указателем и равномерной односторонней шкалой, предназначен для
измерения активной мощности в цепях переменного и постоянного токов.
Характеристики прибора приведены в таблице 9.
Таблица 9
|
Тип прибора
|
Класс точности
|
Габаритные размеры, масса
|
Условия эксплуатации
|
|
Д5063
|
0,5
|
140х195х92 мм, 1,5 кг
|
Нормальная область частот
от 45 до 65 Hz; - температура окружающего воздуха от 5 до 40 С -
относительная влажность 90% при температуре +25 С
|
При n-кратном измерении измерения активной
мощности ваттметром Д5063 получены следующие результаты:
Таблица 10. Результаты измерений активной мощности ваттметром Д5063
|
Номер отсчета
|
Значение
|
|
Номер отсчета
|
Значение
|
|
1
|
80
|
|
36
|
80,4
|
|
2
|
80,7
|
|
37
|
80,3
|
|
3
|
80,2
|
|
38
|
80,2
|
|
4
|
80,7
|
|
39
|
79,5
|
|
5
|
80,5
|
|
40
|
80,3
|
|
6
|
80,2
|
|
41
|
79,5
|
|
7
|
79,5
|
|
42
|
80,3
|
|
8
|
80,1
|
|
43
|
80,4
|
|
9
|
79,7
|
|
44
|
80,1
|
|
10
|
80
|
|
45
|
79,4
|
|
11
|
80,4
|
|
46
|
80,3
|
|
12
|
80,3
|
|
47
|
80
|
|
13
|
79,8
|
|
48
|
79,7
|
|
14
|
80,3
|
|
49
|
80,2
|
|
15
|
79,9
|
|
50
|
79,5
|
|
16
|
79,9
|
|
51
|
79,7
|
|
17
|
79,5
|
|
52
|
80,6
|
|
18
|
80,3
|
|
53
|
80,1
|
|
19
|
79,9
|
|
54
|
80,3
|
|
20
|
79,9
|
|
55
|
80,4
|
|
21
|
80,2
|
|
56
|
80
|
|
22
|
80,5
|
|
57
|
79,9
|
|
23
|
80,3
|
|
58
|
80,2
|
|
24
|
80,4
|
|
59
|
80,3
|
|
25
|
79,4
|
|
60
|
80,5
|
|
26
|
79,8
|
|
61
|
79,6
|
|
27
|
79,9
|
|
62
|
80,4
|
|
28
|
79,7
|
|
63
|
80,7
|
|
29
|
80,3
|
|
64
|
80
|
|
30
|
80,3
|
|
65
|
80,2
|
|
31
|
80
|
|
66
|
80,1
|
|
32
|
80,1
|
|
67
|
79,9
|
|
33
|
80,2
|
|
68
|
79,4
|
79,4
|
|
69
|
80,2
|
|
35
|
79,5
|
|
70
|
79,9
|
n=70
Среднее арифметическое равно 80,06.
СКО равно 0,349.=79,4=80,7
Разделим весь диапазон полученных значений на 8 интервалов. Построим
статистический ряд с шириной полосы 0,0875. Рассчитаем количество значений mi,
попавших в тот или иной интервал, а также статистические частоты P*i=mi|n. На основании рассчитанных значений построим гистограмму
(рис. 12).
Рис.12 Гистограмма для результатов измерений активной мощности ваттметром
Д5063
Для P=0.95 и n=70 коэффициент Стьюдента
tx=2.
Результат измерений:
,06-0,0686<Xизм<80,06+0,0686
Полученные результаты измерения лежат в пределах класса точности данного
прибора, поэтому калибровка не требуется.
2.6
ЭЛЕКТРОСТАТИЧЕСКАЯ СИСТЕМА
Принцип действия основан на взаимодействии двух заряженных электродов,
один из которых является подвижным. В электростатическом приборе измеряются
силы, возникающие в электрическом поле, пропорциональные квадрату напряженности
поля Е. Так как упомянутые силы очень малы, необходимо работать при высоких
напряженностях поля; поэтому электростатические приборы пригодны для измерения
только высоких напряжений [4].
Собственное потребление мощности электростатическими приборами
чрезвычайно мало и практически обусловлено только емкостными токами. Вследствие
малости отклоняющих сил эти приборы очень чувствительны к механическим
воздействиям.
Рис. 13. Схема прибора электростатической системы
1) каркас
) постоянный магнит
) подвижный электрод
) неподвижный электрод
) изолятор
) осветитель
) шкала
) зеркало
(Постоянный магнит играет роль магнитоиндукционного успокоителя).
Если
, то:
действительное
значение напряжения.
Эти
приборы могут измерять только напряжение. На их основе могут быть получены
только вольтметры. [3]
Пример
прибора электростатической системы - вольтметр С504, предназначенный как для
непосредственного измерения напряжения переменного тока в широком диапазоне
частот и напряжения постоянного тока, так и для поверки менее точных приборов..
Характеристики прибора приведены в таблице 11.
Таблица 11
|
Тип прибора
|
Класс точности
|
Конечное значение диапазона
измерений (В)
|
Габаритные размеры, масса
|
|
С505
|
0,5
|
150
|
205 х 290 х 135 мм, 3,6 кг
|
При n-кратном измерении измерения
напряжения переменного тока вольтметром С504 получены следующие результаты:
Таблица 12. Результаты измерений напряжения переменного тока вольтметром
С505
|
Номер отсчета
|
Значение
|
|
1
|
101
|
|
2
|
100
|
|
3
|
101
|
|
4
|
99
|
|
5
|
100
|
|
6
|
99
|
|
7
|
100
|
|
8
|
101
|
|
9
|
99
|
|
10
|
101
|
|
11
|
101
|
|
12
|
102
|
|
13
|
101
|
|
14
|
100
|
|
15
|
99
|
|
16
|
99
|
|
17
|
99
|
|
18
|
101
|
|
19
|
99
|
|
20
|
101
|
|
21
|
99
|
|
22
|
101
|
|
23
|
101
|
|
24
|
100
|
|
25
|
98
|
|
26
|
101
|
|
27
|
101
|
|
28
|
100
|
|
29
|
100
|
|
30
|
99
|
n=30
Среднее арифметическое равно 100,1.
СКО равно 0,995.=98=102
Разделим весь диапазон полученных значений на 5 интервалов. Построим
статистический ряд с шириной полосы 1. Рассчитаем количество значений mi,
попавших в тот или иной интервал, а также статистические частоты P*i=mi|n. На основании рассчитанных значений построим гистограмму
(рис. 14).
Рис.14 Гистограмма для результатов измерений напряжения переменного тока
вольтметром С505
Для P=0.95 и n=30 коэффициент Стьюдента tx=2,04.
Результат измерений:
,1-0,188<Xизм<100,1+0,188
Полученные результаты измерения лежат в пределах класса точности данного
прибора, поэтому калибровка не требуется.
2.7
ТЕРМОДИНАМИЧЕСКАЯ СИСТЕМА
стандартизация
сертификация физическая величина электрический
Принцип действия приборов термоэлектрической системы основан на
использовании электродвижущей силы, возникающей в цепи, состоящей из
разнородных проводников, если место соединения этих проводников имеет
температуру, отличную от температуры остальной части этой цепи [4].
Рис.15. Схема прибора термоэлектрической системы
Измеряемый ток проходит по металлической нити 1, к которой припаяны или
приварены два разнородных проводника 2, например железо и константен. Свободные
концы проводников 2 присоединены к металлическим колодкам 3, хорошо отводящим
тепло. К колодкам подключается магнитоэлектрический измерительный прибор 4.
Когда по нити 1 проходит ток, сама нить и место спая ее с проводниками 2 (точка
5) нагреваются. Точка 5 представляет собой горячий спай термопары.
Металлические колодки 3 являются холодными спаями термопары. Вследствие
разности температур в замкнутом контуре возникает термо-э. д. с, которая
создает в этой цепи ток. Направление термотока будет всегда одно и то же
независимо от направления измеряемого тока. Количество тепла, выделенного в
горячем спае термопары, согласно закону Джоуля - Ленца, пропорционально
квадрату тока. Поэтому шкала применяемого в этой системе магнитоэлектрического
прибора неравномерна. Для получения равномерной шкалы магнитное поле
магнитоэлектрического прибора делают неоднородным. Термо-э. д. с. одной
термопары не превышает 15 мв, что требует установки весьма чувствительного
магнитоэлектрического прибора. Чтобы увеличить величину термо-э. д. с,
соединяют несколько термопар последовательно в термобатарею. Чувствительные
термоэлектрические приборы изготовляются с термопарой, помещенной в вакуум.
Приборы термоэлектрической системы чувствительны к перегрузкам: даже при
кратковременной перегрузке на 10% нагревательная нить может перегореть.
Точность прибора довольно высока, что дает возможность строить их в классах 0,5
и 1. Приборы термоэлектрической системы получили наибольшее применение для
измерения малых значений переменных токов в цепях повышенной и высокой частоты.
[4]
Пример прибора термоэлектрической системы - ваттметр СВЧ поглощаемой
мощности М3Т-1810, предназначенный для измерения малых и средних уровней
мощности непрерывных и импульсных колебаний в коаксиальных трактах. Работа
М3Т-1810 основана на преобразовании СВЧ энергии в тепловую с помощью
высокочастотных дифференциальных термопар и измерении возникающей в результате
нагрева термо-ЭДС, пропорциональной рассеиваемой в термопаре СВЧ мощности.
Конструктивно М3Т-1810 состоит из металлического корпуса с входным СВЧ разъемом
и выходным разъемом для подключения соединительного кабеля. Внутри корпуса
расположены СВЧ нагрузка - диод, модуль АЦП, микропроцессорное устройство и
ПЗУ. Характеристики прибора приведены в таблице 13.
Таблица 13
|
Тип прибора
|
Пределы допускаемой
относительной погрешности, %
|
Диапазон измеряемой мощности,
Вт
|
Габаритные размеры (мм),
масса
|
|
М3Т-1810
|
± 2,5
|
от 1х10-6 до 1х10-1.
|
120*60*25, 0,3 кг
|
При n-кратном измерении уровней мощности
ваттметром М3Т-1810 получены следующие результаты:
Таблица 14. Результаты измерений уровней мощности ваттметром М3Т-1810
|
Номер отсчета
|
Значение
|
|
Номер отсчета
|
Значение
|
|
Номер отсчета
|
Значение
|
|
Номер отсчета
|
Значение
|
|
1
|
10,19
|
|
26
|
9,97
|
|
51
|
9,96
|
|
76
|
9,77
|
|
2
|
10
|
|
27
|
10,13
|
|
52
|
9,7
|
|
77
|
10,03
|
|
3
|
9,87
|
|
28
|
10,04
|
|
53
|
9,88
|
|
78
|
9,98
|
|
4
|
10,2
|
|
29
|
10,3
|
|
54
|
9,78
|
|
79
|
9,97
|
|
5
|
9,63
|
|
30
|
10,23
|
|
55
|
9,93
|
|
80
|
10,32
|
|
6
|
9,97
|
|
31
|
9,95
|
|
56
|
9,77
|
|
81
|
9,83
|
|
7
|
9,86
|
|
32
|
10,1
|
|
57
|
10,01
|
|
82
|
9,76
|
|
8
|
10,09
|
|
33
|
9,71
|
|
58
|
9,71
|
|
83
|
9,84
|
|
9
|
9,86
|
|
34
|
10,16
|
|
59
|
9,86
|
|
84
|
10,11
|
|
10
|
9,66
|
|
35
|
9,63
|
|
60
|
10,02
|
|
85
|
10,01
|
|
11
|
9,99
|
|
36
|
10,15
|
|
61
|
9,7
|
|
86
|
9,69
|
|
12
|
9,91
|
|
37
|
9,85
|
|
62
|
9,95
|
|
87
|
9,81
|
|
13
|
9,87
|
|
38
|
9,91
|
|
63
|
10,05
|
|
88
|
10,02
|
|
14
|
10,14
|
|
39
|
10
|
|
64
|
9,96
|
|
89
|
9,79
|
|
15
|
10,11
|
|
40
|
10,06
|
|
65
|
9,81
|
|
90
|
10,32
|
|
16
|
10,12
|
|
41
|
10,16
|
|
66
|
9,8
|
|
91
|
10,13
|
|
17
|
10,06
|
|
42
|
10,08
|
|
67
|
9,8
|
|
92
|
10,18
|
|
18
|
10,14
|
|
43
|
10,07
|
|
68
|
10,24
|
|
93
|
9,93
|
|
19
|
10,33
|
|
44
|
9,82
|
|
69
|
10,28
|
|
94
|
10,13
|
|
20
|
9,84
|
|
45
|
9,83
|
|
70
|
9,9
|
|
95
|
9,78
|
|
21
|
9,91
|
|
46
|
9,86
|
|
71
|
9,93
|
|
96
|
9,72
|
|
22
|
10,31
|
|
47
|
10,02
|
|
72
|
10
|
|
97
|
10,31
|
|
23
|
10,08
|
|
48
|
10,1
|
|
73
|
9,94
|
|
98
|
10,15
|
|
24
|
10,01
|
|
49
|
10,12
|
|
74
|
10,07
|
|
99
|
10,11
|
|
25
|
9,79
|
|
50
|
10,15
|
|
75
|
10,24
|
|
100
|
10,04
|
n=100
Среднее арифметическое равно 9,984.
СКО равно 0,175.-=9,63=10,33
Разделим весь диапазон полученных значений на 10 интервалов. Построим
статистический ряд с шириной полосы 0,07. Рассчитаем количество значений mi,
попавших в тот или иной интервал, а также статистические частоты P*i=mi|n. На основании рассчитанных значений построим гистограмму
(рис. 16).
Рис.16 Гистограмма для результатов измерения уровней мощности ваттметром
М3Т-1810
Результат измерений:
,9837-0,0347<Xизм<9,9837+0,0347
Полученные результаты измерения лежат в пределах класса точности данного
прибора, поэтому калибровка не требуется.
2.8
ВИБРАЦИОННАЯ СИСТЕМА
Вибрационная система характеризуется применением ряда настроенных
пластин, имеющих разные периоды собственных колебаний и позволяющих производить
измерение частоты благодаря резонансу частоты колеблющейся пластины с
измеряемой частотой [4].
Рис.17. Схема прибора вибрационной системы
Вибрационные
приборы строятся только в качестве частотомеров
<#"553558.files/image047.gif">
Рис.18. Часть шкалы вибрационного частотомера
В прямоугольном вырезе шкалы частотомера видны окрашенные концы язычков.
Против каждого язычка на шкале прибора стоит цифра, соответствующая частоте
тока в герцах. При работе прибора окрашенный конец резонирующего язычка
образует размытую светлую полосу.
Часть шкалы вибрационного частотомера показана на рис.18.
Обмотка электромагнита частотомера состоит из большого числа витков
тонкой проволоки и включается в сеть параллельно, так же как обмотка
вольтметра.
Следует отметить, что вибрационные частотомеры в настоящее время
применяют мало, их заменяют стрелочные частотомеры, имеющие непрерывную шкалу и
удовлетворяющие требованиям ГОСТ.[4]
Пример прибора вибрационной системы - частотомер В80, предназначенный для
измерения частоты в цепях переменного тока с номинальной частотой 50 Гц и
напряжением 36; 100; 127 или 220В. Характеристики прибора приведены в таблице
15.
Таблица 15
|
Тип прибора
|
Класс точности
|
Диапазон измерений, Гц
|
Потребляемая мощность, Вт
|
Габаритные размеры, мм
|
Масса, кг
|
|
В81
|
1,0
|
45-55
|
2,0, не более
|
80х80х80
|
0,35
|
При n-кратном измерении уровней мощности
частотомером В81 получены следующие результаты:
Таблица 16. Результаты измерений частоты частотомером В81
|
Номер отсчета
|
Значение
|
|
1
|
49,5
|
|
2
|
49,1
|
|
3
|
49,3
|
|
4
|
49,3
|
|
5
|
48,9
|
|
6
|
48,9
|
|
7
|
48,8
|
|
8
|
48,6
|
|
9
|
49,2
|
|
10
|
49,1
|
|
11
|
48,7
|
|
12
|
48,7
|
|
13
|
48,9
|
|
14
|
49,2
|
|
15
|
48,6
|
|
16
|
49,2
|
|
17
|
48,8
|
|
18
|
48,8
|
|
19
|
49,2
|
|
20
|
48,7
|
|
21
|
48,5
|
|
22
|
49
|
|
23
|
48,7
|
|
24
|
48,7
|
|
25
|
48,3
|
|
26
|
48,8
|
|
27
|
49
|
|
28
|
49,4
|
|
29
|
48,9
|
|
30
|
48,5
|
=30
Среднее арифметическое равно 48,91.
СКО равно 0,293.=48,3=49,5
Разделим весь диапазон полученных значений на 5 интервалов. Построим
статистический ряд с шириной полосы 0,24. Рассчитаем количество значений mi,
попавших в тот или иной интервал, а также статистические частоты P*i=mi|n. На
основании рассчитанных значений построим гистограмму (рис. 19).
Рис.19 Гистограмма для результатов измерений частоты частотомером В81
Для P=0.95 и n=30 коэффициент Стьюдента
tx=2,04.
Результат измерений:
,91-0,0597<Xизм<48,91+0,0597
Полученные результаты измерения лежат в пределах класса точности данного
прибора, поэтому калибровка не требуется.
3.
ПРИБОРЫ СРАВНЕНИЯ
Для
измерения сопротивлений применяют метод сравнения измеряемого сопротивления
с образцовым. Наиболее точные результаты при
измерении сопротивлении дают мостовые схемы, которые в практике применяют в
различных вариантах в зависимости от величин измеряемых сопротивлений и
требуемой точности измерения.
На
рис. 20 Представлена схема “одинарного моста”. В данном случае в мостовую схему
входят сопротивления
;
;
;
, которые образуют замкнутый контур А, Б, В, Г из
четырех ветвей (их называют “плечами моста”).
Рис.
20
В
одну диагональ схемы включен источник постоянного тока, в другую - гальванометр
с двусторонней шкалой (нуль в середине шкалы).
Предположим,
что при некотором сопротивлении
другие
сопротивления подобраны так, что ток в измерительной диагонали
, т.е. потенциалы
и
одинаковы при замкнутых выключателях
и
. В этом
случае
;
/;
;
.
Выражение
для измеряемого сопротивления
.
Если
сопротивления
и
одинаковые
по величине, то
. В приборе промышленного изготовления
- это набор резисторов (магазин сопротивлений),
составленный по декадному принципу. На верхней крышке расположены
переключатели, с помощью которых можно набрать в известных пределах любую
величину сопротивления с точностью, которая определяется самой малой ступенью
изменения сопротивления.
Для
расширения пределов измерения величины
и
подбирают так, чтобы их отношение можно было изменить
тоже по десятичной системе (например,
; 10; 1;
0,1; 0,01; 0,001; 0,0001)[4].
Пример
прибора сравнения - Мост Р3009 предназначен для измерения электрических
сопротивлений на постоянном токе
|
Наименование прибора
|
Диапазоны измерения
|
Классы точности
|
|
Р3009
|
10-8-1010 Ом
|
2-0,01
|
При n-кратном измерении сопротивления
мостом Р3009 получены следующие результаты
Таблица 17. Результаты измерений сопротивления мостом Р3009
|
Номер отсчета
|
Значение
|
|
Номер отсчета
|
Значение
|
|
Номер отсчета
|
Значение
|
|
Номер отсчета
|
Значение
|
|
1
|
15,02
|
|
26
|
25,13
|
|
51
|
14,87
|
|
76
|
14,92
|
|
2
|
14,86
|
|
27
|
25,10
|
|
52
|
15,19
|
|
77
|
15,13
|
|
3
|
15,14
|
|
28
|
25,01
|
|
53
|
14,91
|
|
78
|
14,98
|
|
4
|
15,18
|
|
29
|
24,97
|
|
54
|
14,72
|
|
79
|
14,93
|
|
5
|
14,79
|
|
30
|
25,16
|
|
55
|
15,01
|
|
80
|
15,07
|
|
6
|
14,94
|
|
31
|
24,74
|
|
56
|
14,94
|
|
81
|
15,15
|
|
7
|
14,88
|
|
32
|
24,94
|
|
57
|
14,85
|
|
82
|
14,77
|
|
8
|
15,1
|
|
33
|
24,90
|
|
58
|
15,08
|
|
83
|
15,04
|
|
9
|
14,9
|
|
34
|
25,14
|
|
59
|
14,76
|
|
84
|
14,78
|
|
10
|
14,83
|
|
35
|
24,91
|
|
60
|
15,26
|
|
85
|
15,28
|
|
11
|
14,83
|
|
36
|
24,92
|
|
61
|
14,83
|
|
86
|
15,02
|
|
12
|
15,2
|
|
26
|
14,84
|
|
62
|
15,07
|
|
87
|
15,12
|
|
13
|
15,14
|
|
27
|
14,86
|
|
63
|
14,83
|
|
88
|
14,93
|
|
14
|
15,06
|
|
28
|
14,97
|
|
64
|
14,95
|
|
89
|
14,99
|
|
15
|
14,98
|
|
29
|
15,13
|
|
65
|
14,94
|
|
90
|
15,05
|
|
16
|
15,03
|
|
30
|
15,08
|
|
66
|
14,73
|
|
91
|
14,83
|
|
17
|
15,25
|
|
31
|
14,83
|
|
67
|
14,87
|
|
92
|
15,14
|
|
18
|
15,02
|
|
32
|
15,13
|
|
68
|
15,18
|
|
93
|
14,88
|
|
19
|
14,86
|
|
33
|
14,72
|
|
69
|
15,03
|
|
94
|
15,19
|
|
20
|
14,88
|
|
34
|
15,05
|
|
70
|
14,76
|
|
95
|
14,86
|
|
21
|
15,02
|
|
35
|
15,18
|
|
71
|
15,07
|
|
96
|
14,92
|
|
22
|
15,18
|
|
36
|
15,26
|
|
72
|
14,98
|
|
97
|
14,9
|
|
23
|
15,07
|
|
37
|
15,12
|
|
73
|
15,14
|
|
98
|
14,96
|
|
24
|
14,98
|
|
38
|
14,83
|
|
74
|
14,89
|
|
99
|
15,06
|
|
25
|
14,84
|
|
39
|
15,01
|
|
75
|
15,11
|
|
100
|
14,89
|
n=100
Среднее арифметическое равно 14,984.
СКО равно 0,1426.-=14,72
Xmax = 15,28
Разделим весь диапазон полученных значений на 10 интервалов. Построим
статистический ряд с шириной полосы 0,056. Рассчитаем количество значений mi,
попавших в тот или иной интервал, а также статистические частоты P*i=mi|n. На основании рассчитанных значений построим гистограмму
(рис. 16).
Рис.21 Гистограмма для результатов измерения сопротивления мостом Р3009
Для P=0.95 и n=100 коэффициент Стьюдента
tx=1,98.
Результат измерений:
,984-0,0283<Xизм<14,984+0,0283
Полученные результаты измерения лежат в пределах класса точности данного
прибора, поэтому калибровка не требуется.
4.
ИЗМЕРЕНИЕ НЕЭЛЕКТРИЧЕСКИХ ВЕЛИЧИН ЭЛЕКТРИЧЕСКИМИ МЕТОДАМИ
Широкое распространение измерения неэлектрических величии (температуры,
угловых и линейных размеров, механических усилий и напряжений, деформаций,
вибраций, химического состава и т.д.) электрическими методами обусловлено теми
преимуществами, которыми они обладают по сравнению с другими методами. При этом
создается возможность дистанционного измерения и контроля неэлектрических
величин с одного места (пульта управления); измерения быстро изменяющихся неэлектрических
величин; автоматизации управления производственным процессом.
Обычно такие приборы состоят из датчика и измерительного устройства.
В датчиках происходит преобразование неэлектрической величины в один из
параметров электрической цепи (U, I, R и т.д.).
Измерительное устройство - это один из электрических приборов,
рассмотренных выше. [1]
Таблица 18
|
Тип прибора
|
Описание
|
|
Реостатные преобразователи.
|
|
Проволочные преобразователи
(тензосопротивления).
|
Работа основана на
изменении сопротивления проволоки при ее деформации.
|
|
Термопреобразователи
(терморезисторы, термосопротивления).
|
Сопротивление датчика
изменяется под воздействием температуры.
|
|
Индуктивные
преобразователи.
|
При изменении положения
разъемных частей магнитопровода (например, под действием силы, давления,
линейного перемещения) меняется индуктивность катушки
|
|
Емкостные преобразователи.
|
Могут быть использованы в
качестве датчиков перемещения, влажности, химсостава воздуха и др.
|
|
Фотоэлектрические
преобразователи.
|
Измерительный прибор
реагирует на изменение освещенности, температура, перемещения и др.
|
|
Индукционные
преобразователи.
|
Работают на принципе
преобразования неэлектрической величины (например, скорости, ускорения) в
индуктированную ЭДС.
|
|
Термоэлектрические
преобразователи.
|
Основаны на возникновении
термо ЭДС и ее зависимости от температуры.
|
|
Пьезоэлектрические
преобразователи.
|
Работают на принципе возникновения
ЭДС при воздействии усилий на кристаллы некоторых материалов.
|
.1 РЕОСТАТНЫЕ
ПРЕОБРАЗОВАТЕЛИ
Реостатным преобразователем называют реостат, движок которого
перемещается под воздействием измеряемой неэлектрической величины.
Входной величиной реостатного преобразователя является угловое или
линейное перемещение движка, к которому должна быть сведена измеряемая
величина. Выходной величиной является активное сопротивление, распределенное
линейно или по угловому закону движения этого движка [4].
Устройство реостатного преобразователя показано на рис.20.
Рис. 22 Устройство реостатного преобразователя
На корпус 1 из изоляционного материала намотана с равномерным шагом
проволока 2. Изоляция проволоки на верхней грани каркаса защищается, и по
металлу перемещается щетка 3. Добавочная щетка 4 скользит по токосъемному
кольцу 5. Обе щетки изолированы от приводного валика 6. В качестве материала
провода для реостатных преобразователей применяют манганин, константан или
фехраль. В ответственных случаях используют платиноиридиевую проволоку (90% Pt
+ 10% Ir). Диаметр проволоки равен 0,03 мм. Это позволяет изготавливать
малогабаритные высокоомные преобразователи (весом 10-12 г при размерах 1´2 см).
Реостатным преобразователем называется реостат, движок которого
перемещается в соответствии со значением измеряемой неэлектрической величины.
Таким образом, естественной входной величиной реостатных преобразователей
является перемещение движка, которое может быть либо линейным, либо угловым.
[7]
Аналоговые приборы с реостатными преобразователями используют для
измерения размеров и расстояний. В таблице 19 даны примерные значения
измеряемых линейных размеров наиболее распространенных аналоговых приборов с
реостатными преобразователями указанного назначения.
Таблица 19.
|
Измеряемые размеры и расстояния,
мм
|
Достигнутая погрешность, %
|
|
10-1-10-2
|
+- 0.05
|
При n-кратном измерении расстояния
аналоговым прибором с реостатным преобразователем получены следующие
результаты.
Таблица 20. Результаты измерений расстояния аналоговым прибором с
реостатным преобразователем
|
Номер отсчета
|
Значение
|
Номер отсчета
|
Значение
|
Номер отсчета
|
Значение
|
Номер отсчета
|
Значение
|
|
1
|
0,05
|
26
|
0,05
|
51
|
0,051
|
76
|
0,024
|
|
2
|
0,046
|
27
|
0,055
|
52
|
0,05
|
77
|
0,033
|
|
3
|
0,049
|
28
|
0,048
|
53
|
0,045
|
78
|
0,027
|
|
4
|
0,053
|
29
|
0,052
|
54
|
0,049
|
79
|
0,028
|
|
5
|
0,048
|
30
|
0,05
|
55
|
0,053
|
80
|
0,035
|
|
6
|
0,049
|
31
|
0,052
|
56
|
0,045
|
81
|
0,027
|
|
7
|
0,048
|
32
|
0,053
|
57
|
0,051
|
82
|
0,022
|
|
8
|
0,049
|
33
|
0,051
|
58
|
0,048
|
83
|
0,024
|
|
9
|
0,054
|
34
|
0,052
|
59
|
0,05
|
84
|
0,022
|
|
10
|
0,053
|
35
|
0,047
|
60
|
0,052
|
85
|
0,039
|
|
11
|
0,05
|
36
|
0,052
|
61
|
0,045
|
86
|
0,030
|
|
12
|
0,049
|
37
|
0,047
|
62
|
0,045
|
87
|
0,033
|
|
13
|
0,05
|
38
|
0,048
|
63
|
0,055
|
76
|
0,049
|
|
14
|
0,049
|
39
|
0,05
|
64
|
0,052
|
77
|
0,049
|
|
15
|
0,049
|
40
|
0,046
|
65
|
0,046
|
78
|
0,054
|
|
16
|
0,053
|
41
|
0,053
|
66
|
0,046
|
79
|
0,049
|
|
17
|
0,047
|
42
|
0,046
|
67
|
0,051
|
80
|
0,048
|
|
18
|
0,046
|
43
|
0,053
|
68
|
0,051
|
81
|
0,048
|
|
19
|
0,045
|
44
|
0,049
|
69
|
0,054
|
82
|
0,046
|
|
20
|
0,053
|
45
|
0,047
|
70
|
0,055
|
83
|
0,05
|
|
21
|
0,052
|
46
|
0,05
|
71
|
0,054
|
84
|
0,046
|
|
22
|
0,048
|
47
|
0,049
|
72
|
0,048
|
85
|
0,047
|
|
23
|
0,048
|
48
|
0,053
|
73
|
0,051
|
86
|
0,05
|
|
24
|
0,049
|
49
|
0,048
|
74
|
0,049
|
87
|
0,047
|
|
25
|
0,046
|
50
|
0,048
|
75
|
0,053
|
88
|
0,051
|
n=100
Среднее арифметическое равно 0,04948.
СКО равно 0,002851.
Xmin
=0,045
Xmax
=0,055
Разделим весь диапазон полученных значений на 10 интервалов. Построим
статистический ряд с шириной полосы 0,001. Рассчитаем количество значений mi,
попавших в тот или иной интервал, а также статистические частоты P*i=mi|n. На основании рассчитанных значений построим гистограмму
(рис.21).
Рис.23 Гистограмма для результатов измерений расстояния аналоговым
прибором с реостатным преобразователем
Для P=0.95 и n=100 коэффициент Стьюдента tx=1,98.
Результат измерений:
,04948-0,00056<Xизм<0,04948+0,00056
Полученные результаты измерения лежат в пределах класса точности данного
прибора, поэтому калибровка не требуется.
4.2 ТЕРМОПРЕОБРАЗОВАТЕЛИ
Принцип действия термоэлемента основан на эффекте генерации
электродвижущей силы при нагреве полупроводникового материала на основе
сульфида самария (SmS) в условиях отсутствия внешних градиентов температуры.
Возможны конструкции термоэлемента в двух вариантах: радиальном (рис.22а) и
плоском (рис.24б). Радиальный вариант более функционален, а плоский - более
технологичен [4].
Рис.24. Конструкции термоэлементов
Термоэлемент состоит из:
массивного металлического корпуса (теплонакопителя) 1, служащего для
передачи тепла теплоносителя преобразующему элементу, поддержания
преобразующего элемента в рабочем тепловом режиме во время скачков его
температуры, сопровождающих процесс генерации, а также для защиты
преобразующего элемента от внешних воздействий
преобразующего элемента 2 из монокристаллического либо
поликристаллического SmS, легированного донорными примесями
металлических электродов 3[7].
Технические характеристики термопары ТХА 9312, ТХК 9312 приведены в
таблице 21.
Таблица 21
|
Номинальная статическая
характеристика термопары
|
К(ТХА), L(ТХК)
|
|
Рабочий диапазон измеряемых
температур, °С
|
-40…+900 - 40…+600
|
|
Класс точности
|
2.0
|
|
Показатель тепловой
инерции, с, не более
|
8,20,40,50
|
|
диапазон условных давлений,
МПа
|
0,4; 6,3
|
|
Материал изоляции
|
Ст.08Х20Н14С2 Ст.12Х18Н10Т
|
|
Защищенность от воздействия
пыли и воды по ГОСТ 14254
|
IP55
|
При n-кратном измерении температуры
термопарой получены следующие результаты.
Таблица 22. Результаты измерений температуры термопарой
|
Номер отсчета
|
Значение
|
|
Номер отсчета
|
Значение
|
|
1
|
22,7
|
|
36
|
23,6
|
|
2
|
22,6
|
|
37
|
23,5
|
|
3
|
22,7
|
|
38
|
23,6
|
|
4
|
22,5
|
|
39
|
22,4
|
|
5
|
23,3
|
|
40
|
24,2
|
|
6
|
23,6
|
|
41
|
22,8
|
|
7
|
23,9
|
|
42
|
22,8
|
|
8
|
22,1
|
|
43
|
22,5
|
|
9
|
22,8
|
|
44
|
22,3
|
|
10
|
23,7
|
|
45
|
22,2
|
|
11
|
22,2
|
|
46
|
22,6
|
|
12
|
23,8
|
|
47
|
23
|
|
13
|
21,8
|
|
48
|
23,3
|
|
14
|
23,6
|
|
49
|
22,4
|
|
15
|
23,4
|
|
50
|
23,6
|
|
16
|
23,3
|
|
51
|
22,4
|
|
17
|
23,2
|
|
52
|
23,4
|
|
18
|
23,3
|
22,4
|
|
19
|
23,1
|
|
54
|
23,4
|
|
20
|
22,1
|
|
55
|
22,6
|
|
21
|
23,2
|
|
56
|
22,8
|
|
22
|
22,3
|
|
57
|
23,8
|
|
23
|
23,3
|
|
58
|
23
|
|
24
|
22,9
|
|
59
|
23,3
|
|
25
|
23,2
|
|
60
|
23
|
|
26
|
23,1
|
|
61
|
23
|
|
27
|
23
|
|
62
|
22,6
|
|
28
|
22,5
|
|
63
|
22,5
|
|
29
|
22,6
|
|
64
|
24
|
|
30
|
23,2
|
|
65
|
23,2
|
|
31
|
23,3
|
|
66
|
24,2
|
|
32
|
22,4
|
|
67
|
22,6
|
|
33
|
22,7
|
|
68
|
22,7
|
|
34
|
21,7
|
|
69
|
21,9
|
|
35
|
23,5
|
|
70
|
22,7
|
n=70
Среднее арифметическое равно 22,9557.
СКО равно 0,5717.
Xmin
=21,7
Xmax
=24,2
Разделим весь диапазон полученных значений на 8 интервалов. Построим
статистический ряд с шириной полосы 0,3125. Рассчитаем количество значений mi,
попавших в тот или иной интервал, а также статистические частоты P*i=mi|n. На основании рассчитанных значений построим гистограмму
(рис.23).
Рис.25 Гистограмма для результатов измерений температуры термопарой
Для P=0.95 и n=100 коэффициент Стьюдента tx=1,98.
Результат измерений:
,9557-0,1143<Xизм<22,9557+0,1143
Полученные результаты измерения лежат в пределах класса точности данного
прибора, поэтому калибровка не требуется.
4.3 ТЕНЗОЧУВСТВИТЕЛЬНЫЕ
ПРЕОБРАЗОВАТЕЛИ
В основу работы тензочувствительных преобразователей (тензосопротивлений)
положен тензоэффект, заключающийся в изменении активного сопротивления проводника
(полупроводника) под действием вызываемого в нем механического напряжения и
деформации [4]. Существуют проволочные, фольговые и пленочные
тензосопротивления.
Конструкция проволочного тензосопротивления представлена на рис.24. На
полоску тонкой и прочной бумаги 1 наклеивают уложенную зигзагообразно тонкую
(0,02-0,05 мм) константановую, нихромовую или другую высокоомную проволоку 2. К
ее концам припаивают выводы 3 из полосок фольги, которые используются для
включения преобразователя в измерительную цепь. Сверху проволоки наклеивают
бумагу. Проволочный преобразователь с помощью специального клея наклеивается на
испытываемую деталь. При деформации поверхностного слоя детали преобразователь
тоже деформируется и изменяет свое сопротивление. Измерительной базой
преобразователя является расстояние l.
Промышленностью выпускаются тензосопротивления с l=0,5¸ 150 мм и сопротивлением r=50¸500 Ом. Отношение l/h равно 0,5.
Рис. 26.Тензочувствительный проволочный преобразователь
Основной характеристикой применяемых в тензосопротивляемых материалах
является тензочувствительность.
,
где R и l - соответственно сопротивление и длина тензочувствительного
элемента.
Тензочувствительность может быть представлена в виде слагаемых S и S1:
,
,
,
где m - коэффициент Пуассона для металлов m=0,2-0,4;-
параметр, характеризующий изменение геометрических размеров;- параметр, характеризующий
изменение электрических свойств материала при деформациях.
Тензорезисторы
применяют для измерения деформаций и других неэлектрических величин (усилий,
давлений, моментов и т.п.).
Тензорезисторы
прямоугольного и розеточного типа, предназначенны для измерения деформации
деталей машин, металлоконструкций и др. при статических нагрузках, а также в
качестве чувствительных элементов силоизмерительных датчиков в условиях
макроклиматических районов с умеренным и холодным климатом. [7]
Пример
тензорезистора прямоугольного типа - 2ФКП-5-200. Характеристики приведены в
таблице 23.
Таблица
23
|
Тип прибора
|
Диапазон измеряемых
деформаций
|
Ток питания, не более
|
Диапазон рабочих температур
эксплуатации
|
Габаритные размеры
|
|
2ФКП
|
± 3000 млн.-1
|
25 мА.
|
от -50°С до +70°С
|
4х10
|
При n-кратном измерении деформации
тензорезистором 2ФКП получены следующие результаты.
Таблица 24. Результаты измерений деформаций
|
Номер отсчета
|
Значение
|
|
Номер отсчета
|
Значение
|
|
Номер отсчета
|
Значение
|
|
Номер отсчета
|
Значение
|
|
1
|
1999,99
|
|
26
|
1999,89
|
|
51
|
2000,03
|
|
76
|
1999,88
|
|
2
|
1999,96
|
|
27
|
1999,97
|
|
52
|
2000,13
|
|
77
|
1999,9
|
|
3
|
1999,98
|
|
28
|
2000
|
|
53
|
2000,01
|
|
78
|
2000,01
|
|
4
|
2000,04
|
|
29
|
1999,89
|
|
54
|
2000,01
|
|
79
|
1999,99
|
|
5
|
2000
|
|
30
|
2000,14
|
|
55
|
2000
|
|
80
|
1999,97
|
|
6
|
1999,94
|
|
31
|
2000,01
|
|
56
|
2000
|
|
81
|
1999,96
|
|
7
|
2000,12
|
|
32
|
2000,04
|
|
57
|
1999,99
|
|
82
|
2000,03
|
|
8
|
1999,89
|
|
33
|
1999,87
|
|
58
|
2000,02
|
|
83
|
1999,93
|
|
9
|
2000
|
|
34
|
1999,98
|
|
59
|
2000,03
|
|
84
|
1999,98
|
|
10
|
1999,96
|
|
35
|
2000
|
|
60
|
2000,01
|
|
85
|
2000,03
|
|
11
|
2000
|
|
36
|
1999,99
|
|
61
|
2000,02
|
|
86
|
1999,91
|
|
12
|
1999,99
|
|
37
|
2000
|
|
62
|
1999,97
|
|
87
|
1999,99
|
|
13
|
1999,98
|
|
38
|
2000,02
|
|
63
|
2000,06
|
|
88
|
1999,99
|
|
14
|
1999,87
|
|
39
|
2000,01
|
|
64
|
2000,03
|
|
89
|
1999,92
|
|
15
|
2000,09
|
|
40
|
2000,07
|
|
65
|
1999,9
|
|
90
|
1999,98
|
|
16
|
1999,98
|
|
41
|
1999,92
|
|
66
|
2000,08
|
|
91
|
1999,97
|
|
17
|
1999,97
|
|
42
|
1999,98
|
|
67
|
1999,97
|
|
92
|
1999,93
|
|
18
|
1999,98
|
|
43
|
2000,04
|
|
68
|
2000,1
|
|
93
|
1999,99
|
|
19
|
2000,04
|
|
44
|
1999,88
|
|
69
|
2000,09
|
|
94
|
1999,99
|
|
20
|
2000,12
|
|
45
|
1999,87
|
|
70
|
2000,02
|
|
95
|
2000,01
|
|
21
|
1999,92
|
|
46
|
2000
|
|
71
|
2000,01
|
|
96
|
1999,98
|
|
22
|
1999,92
|
|
47
|
2000,01
|
|
72
|
1999,87
|
|
97
|
1999,98
|
|
23
|
2000
|
|
48
|
2000,09
|
|
73
|
2000,01
|
|
98
|
1999,99
|
|
24
|
2000,02
|
|
49
|
1999,96
|
|
74
|
2000,01
|
|
99
|
1999,98
|
|
25
|
1999,93
|
|
50
|
2000
|
|
75
|
2000,02
|
|
100
|
2000,03
|
n=100
Среднее арифметическое равно 1999,99.
СКО равно 0,0588.
Xmin
-=1999,87
Xmax
=2000,14
Разделим весь диапазон полученных значений на 10 интервалов. Построим
статистический ряд с шириной полосы 0,027. Рассчитаем количество значений mi,
попавших в тот или иной интервал, а также статистические частоты P*i=mi|n. На основании рассчитанных значений построим гистограмму
(рис.25).
Рис.27 Гистограмма для результатов измерений деформаций
Для P=0.95 и n=100 коэффициент Стьюдента tx=1,98.
Результат измерений:
,99-0,01167<Xизм<1999,99+0,01167
Полученные результаты измерения лежат в пределах класса точности данного
прибора, поэтому калибровка не требуется.
4.4
ИИДУКЦИОННЫЕ ПРЕОБРАЗОВАТЕЛИ
Индукционными называются преобразователи, в которых скорость изменения
измеряемой механической величины преобразуется в индуктированную ЭДС.
Индуктированная ЭДС определяется скоростью изменения магнитного потока Ф,
сцепленного с катушкой из W витков:
.
Следовательно,
индукционные преобразователи возможно применять для измерения линейных и
угловых перемещений.
Существует
две группы индукционных преобразователей [4]:
с
неизменным сопротивлением на пути постоянного магнитного потока. В
преобразователях подобного типа ЭДС в катушке наводится благодаря линейным
(рис. 26а) или угловым (рис. 26б) перемещениям катушки;
с
сопротивлением на пути постоянного магнитного потока, которое изменяется под
действием преобразователей измеряемой величины.
Рис.
28. Принцип устройства индукционных преобразователей: а - с подвижной катушкой,
совершающей линейное перемещение; б - с подвижной катушкой, совершающей угловое
перемещение.
Схема
устройства такого преобразователя изображена на рис.27. На валу укреплен
стальной зуб М. При вращении вала этот зуб проходит мимо зазора неподвижно
установленной магнитной системы с постоянным магнитом, уменьшая сопротивление
зазора так, как показано на кривой RМ. При этом в катушке, надетой на магнит,
наводятся импульсы ЭДС, форма которых показана на кривой е. Частота импульсов,
выраженная в герцах, всегда будет в точности равна скорости вращения вала,
выраженной в числе оборотов в секунду.
Рис.
29. Принцип действия простейшего датчика тахометра с индукционным
преобразователем
Наиболее
широкое распространение получили преобразователи первой группы в приборах для
измерения: скорости вращения (тахометры), ускорения, расходов жидкостей и
параметров вибрации.[7]
Пример
индукционного первичного двухотсчетного преобразователя угла класса
синусно-косинусных вращающихся трансформаторов - ИПУ-Г, предназначен для
применения в качестве датчиков в цифровых преобразователях угла типа
"угол-пара-метр-код" с неограниченным углом поворота вала ротора.
Характеристики приведены в таблице 25.
Таблица
25
|
Тип прибора
|
Погрешность преобразования
угла, угл.минут
|
Масса, кг, не более, в том
числе ротора
|
|
ИПУ-Г
|
± 10
|
0,09 0,035
|
При n-кратном измерении скорости вращения
индукционным преобразователем ИПУ-Г получены следующие результаты.
|
Номер отсчета
|
Значение
|
|
Номер отсчета
|
Значение
|
|
Номер отсчета
|
Значение
|
|
Номер отсчета
|
Значение
|
|
1
|
182
|
|
26
|
174
|
|
51
|
177
|
|
76
|
182
|
|
2
|
181
|
|
27
|
178
|
|
52
|
178
|
|
77
|
179
|
|
3
|
179
|
|
28
|
180
|
|
53
|
181
|
|
78
|
182
|
|
4
|
176
|
|
29
|
179
|
|
54
|
181
|
|
79
|
177
|
|
5
|
182
|
|
30
|
178
|
|
55
|
178
|
|
80
|
178
|
|
6
|
182
|
|
31
|
177
|
|
56
|
181
|
|
81
|
176
|
|
7
|
180
|
|
32
|
177
|
|
57
|
176
|
|
82
|
180
|
|
8
|
178
|
|
33
|
182
|
|
58
|
175
|
|
83
|
179
|
|
9
|
177
|
|
34
|
179
|
|
59
|
178
|
|
84
|
184
|
|
10
|
174
|
|
35
|
180
|
|
60
|
177
|
|
85
|
175
|
|
11
|
178
|
|
36
|
183
|
|
61
|
182
|
|
86
|
177
|
|
12
|
183
|
|
37
|
179
|
|
62
|
184
|
|
87
|
182
|
|
13
|
179
|
|
38
|
181
|
|
63
|
178
|
|
88
|
180
|
|
14
|
184
|
|
39
|
178
|
|
64
|
183
|
|
89
|
180
|
|
15
|
179
|
|
40
|
181
|
|
65
|
177
|
|
90
|
181
|
|
16
|
179
|
|
41
|
183
|
|
66
|
180
|
|
91
|
179
|
|
17
|
177
|
|
42
|
186
|
|
67
|
179
|
|
92
|
182
|
|
18
|
175
|
|
43
|
182
|
|
68
|
181
|
|
93
|
182
|
|
19
|
177
|
|
44
|
182
|
|
69
|
182
|
|
94
|
179
|
|
20
|
177
|
|
45
|
175
|
|
70
|
185
|
|
95
|
182
|
|
21
|
176
|
|
46
|
179
|
|
71
|
179
|
|
96
|
180
|
|
22
|
176
|
|
47
|
182
|
|
72
|
185
|
|
97
|
178
|
|
23
|
183
|
|
48
|
178
|
|
73
|
178
|
|
98
|
179
|
|
24
|
177
|
|
49
|
181
|
|
74
|
178
|
|
99
|
179
|
|
25
|
176
|
|
50
|
177
|
|
75
|
182
|
|
100
|
181
|
=100
Среднее арифметическое равно 179,46.
СКО равно 2,622.
Xmin
=174
Xmax
=186
Разделим весь диапазон полученных значений на 10 интервалов. Построим
статистический ряд с шириной полосы 1,2. Рассчитаем количество значений mi,
попавших в тот или иной интервал, а также статистические частоты P*i=mi|n. На основании рассчитанных значений построим гистограмму
(рис. 30).
Рис.30 Гистограмма для результатов измерений скорости вращения
Для P=0.95 и n=100 коэффициент Стьюдента tx=1,98.
Результат измерений:
,46-0,52<Xизм<179,46+0,52
Полученные результаты измерения лежат в пределах класса точности данного
прибора, поэтому калибровка не требуется.
4.5 ЁМКОСТНЫЕ
ПРЕОБРАЗОВАТЕЛИ
Ёмкостные преобразователи представляют собой плоские или цилиндрические
конденсаторы, ёмкость которых изменяется под воздействием неэлектрической
величины [4].
Для плоского конденсатора емкость определяется по формуле:
,
а
для цилиндрического конденсатора:
,
где eа - абсолютная диэлектрическая проницаемость среды между обкладками
конденсатора;- площадь обкладок конденсатора;
d - расстояние между обкладками;- длина активной части
электродов цилиндрического конденсатора;, d2 - радиусы внутреннего и внешнего
электродов цилиндрического конденсатора.
Емкостные преобразователи
используются при измерении различных неэлектрических величин (например,
размеров и расстояний), функционально связанных с любым из изменяющихся
параметров конденсатора (d, S, eа, l).[7]
В таблице 28 даны примерные значения измеряемых линейных размеров
наиболее распространенных аналоговых приборов с емкостными преобразователями.
Таблица 27
|
Измеряемые размеры и
расстояния, мм
|
Достигнутая погрешность, %
|
|
10-3-103
|
+- 0.5
|
При n-кратном измерении расстояния
аналоговым прибором с емкостным преобразователем получены следующие результаты.
Таблица 28. Результаты измерений расстояния аналоговым прибором с
емкостным преобразователем
|
Номер отсчета
|
Значение
|
|
Номер отсчета
|
Значение
|
|
Номер отсчета
|
Значение
|
|
Номер отсчета
|
Значение
|
|
1
|
48
|
|
26
|
48,9
|
|
51
|
45,6
|
|
76
|
42
|
|
2
|
48,2
|
|
27
|
49,5
|
|
52
|
45,9
|
|
77
|
41,3
|
|
3
|
45,1
|
|
28
|
46,9
|
|
53
|
44,8
|
|
78
|
49,3
|
|
4
|
47,4
|
|
29
|
42,9
|
|
54
|
43,3
|
|
79
|
49,2
|
|
5
|
45,3
|
|
30
|
40,9
|
|
55
|
49,3
|
|
80
|
43,5
|
|
6
|
47,4
|
|
31
|
45,8
|
|
56
|
47,1
|
|
81
|
49,7
|
|
7
|
44,3
|
|
32
|
45,7
|
|
57
|
42,7
|
|
82
|
40
|
|
8
|
46,7
|
|
33
|
48,2
|
|
58
|
49
|
|
83
|
48,1
|
|
9
|
40,2
|
|
34
|
44,4
|
|
59
|
45,7
|
|
84
|
39,9
|
|
10
|
47,9
|
|
35
|
48,3
|
|
60
|
46
|
|
85
|
40,5
|
|
11
|
50,3
|
|
36
|
44,8
|
|
61
|
43,2
|
|
86
|
45,8
|
|
12
|
49,3
|
|
37
|
47
|
|
62
|
44,4
|
|
87
|
44,2
|
|
13
|
44,3
|
|
38
|
49,3
|
|
63
|
43,6
|
|
88
|
43,8
|
|
14
|
47,5
|
42,7
|
|
64
|
44,1
|
|
89
|
47,5
|
|
15
|
45
|
|
40
|
40
|
|
65
|
42,2
|
|
90
|
44,8
|
|
16
|
47,2
|
|
41
|
41,5
|
|
66
|
45,6
|
|
91
|
44,1
|
|
17
|
49,2
|
|
42
|
46
|
|
67
|
48,3
|
|
92
|
45,1
|
|
18
|
49
|
|
43
|
43
|
|
68
|
43,3
|
|
93
|
45,9
|
|
19
|
42,3
|
|
44
|
44,7
|
|
69
|
44,3
|
|
94
|
47,2
|
|
20
|
49,8
|
|
45
|
43,3
|
|
70
|
39,4
|
|
95
|
49
|
|
21
|
47,4
|
|
46
|
44,8
|
|
71
|
49,6
|
|
96
|
42,5
|
|
22
|
46,3
|
|
47
|
44,3
|
|
72
|
40,4
|
|
97
|
47,7
|
|
23
|
48
|
|
48
|
49,8
|
|
73
|
42,6
|
|
98
|
46,4
|
|
24
|
48,7
|
|
49
|
45,7
|
|
74
|
45
|
|
99
|
45,4
|
|
25
|
46,1
|
|
50
|
39,8
|
|
75
|
50,2
|
|
100
|
42,6
|
n=100
Среднее арифметическое равно 45,502.
СКО равно 2,848.
Xmin
=39,4
Xmax
=50,3
Разделим весь диапазон полученных значений на 10 интервалов. Построим
статистический ряд с шириной полосы 1,09. Рассчитаем количество значений mi,
попавших в тот или иной интервал, а также статистические частоты P*i=mi|n. На основании рассчитанных значений построим гистограмму
(рис. 31).
Рис.31 Гистограмма для результатов измерений расстояния аналоговым
прибором с емкостным преобразователем
Для P=0.95 и n=100 коэффициент Стьюдента tx=1,98.
Результат измерений:
,502-0,565<Xизм<45,502+0,565
Полученные результаты измерения лежат за пределами класса точности
данного прибора, поэтому его требуется отправить на калибровку.
4.6 ПЬЕЗОЭЛЕКТРИЧЕСКИЕ
ПРЕОБРАЗОВАТЕЛИ
Принцип действия пьезоэлектрических измерительных преобразователей
основан на пьезоэлектрическом эффекте, т. е. возникновении электрических зарядов
на поверхности некоторых кристаллических диэлектриков под действием
механических сил или деформаций. При этом различают прямой и обратный
пьезоэлектрический эффект [4]. Прямой пьезоэлектрический эффект состоит в
появлении электрических зарядов на гранях пьезоэлектриков при их сжатии или
растяжении. При прекращении действия силы, приложенной к пьезоэлектрику, заряды
на его гранях исчезают. Обратный пьезоэлектрический эффект заключается в
изменении геометрических размеров пьезоэлектрика при введении его в электрическое
поле.
В качестве пьезоэлектриков употребляют кварц, титанат бария сегнетову
соль, дигидрофосфат аммония и другие диэлектрики. Наибольшее распространение
получили кварцевые пьезоэлектрики.
Схема устройства пьезопреобразователя приведена на рис.30.
Преобразователь состоит: из двух пьезопластинок 1, расположенных так, чтобы их
обращенные друг к другу грани имели заряды одного знака; из металлической
прокладки 2; основания 3; нажимного устройства 4; изолятора 5; вывода 6. Под
действием измеряемой силы F пьезопластины будут сжаты и на выводе 6 появится
отрицательный потенциал, а на основании 3 положительный; отрицательный
потенциал подается на сетку усилительной лампы.
Указатель прибора отградуирован в единицах силы F.
Рис. 32. Схема устройства пьезоэлектрического преобразователя
Пьезоэлектрические преобразователи применяются для измерения: силы,
давления, перемещения и количества вещества.
Широкие возможности контроля динамических процессов с помощью
пьезоэлектрических датчиков и разнообразие условий применения обусловили
появление большого количества их моделей, отличающихся способами крепления на
объекте (прижимные, приклеиваемые, клееноприжимные), способом крепления
пьезоэлемента, видом и количеством используемых деформаций пьезоэлемента. В
настоящее время расширяется область применения пьезоэлектрических датчиков не
только для измерения вибрации и удара в области высоких частот, но и для
измерения виброскорости и виброперемещения.
Датчики с использованием элементов с деформацией изгиба обладают большой
емкостью, высоким коэффициентом преобразования и меньшим весом, чем с
элементами, работающими на растяжение-сжатие. Повышенной вибрационной и ударной
прочностью обладают клеено-поджатые чувствительные элементы. Примером такого
датчика может быть виброизмеритель типа ША-6, предназначенный для работы
совместно со специальными усилителями (R> > 100 МОм) для измерения,
регистрации и анализа вибрационных ускорений, скоростей и смещения деталей и
узлов различных машин Преобразователь ША-6 является однокомпонентным
пьезоэлектрическим акселерометром.[7]
При n-кратном измерении смещения
пьезоэлектрическим преобразователем получены следующие результаты.
Таблица 29. Результаты измерений смещения пьезоэлектрическим
преобразователем
|
Номер отсчета
|
Значение
|
|
Номер отсчета
|
Значение
|
|
Номер отсчета
|
Значение
|
|
Номер отсчета
|
Значение
|
|
1
|
447
|
|
26
|
445
|
|
51
|
450
|
|
76
|
453
|
|
2
|
449
|
|
27
|
449
|
|
52
|
450
|
|
77
|
454
|
|
3
|
453
|
|
28
|
455
|
|
53
|
447
|
|
78
|
447
|
|
4
|
446
|
|
29
|
449
|
|
54
|
454
|
|
79
|
453
|
|
5
|
445
|
|
30
|
453
|
|
55
|
448
|
|
80
|
456
|
|
6
|
450
|
|
31
|
447
|
|
56
|
450
|
|
81
|
445
|
|
7
|
447
|
|
32
|
455
|
|
57
|
446
|
|
82
|
455
|
|
8
|
448
|
|
33
|
447
|
|
58
|
455
|
|
83
|
446
|
|
9
|
449
|
|
34
|
450
|
|
59
|
450
|
|
84
|
448
|
|
10
|
451
|
|
35
|
453
|
|
60
|
455
|
|
85
|
445
|
|
11
|
454
|
|
36
|
451
|
|
61
|
453
|
|
86
|
444
|
|
12
|
449
|
|
37
|
448
|
|
62
|
450
|
|
87
|
453
|
|
13
|
451
|
|
38
|
451
|
|
63
|
447
|
|
88
|
450
|
|
14
|
450
|
|
39
|
447
|
|
64
|
451
|
|
89
|
453
|
|
15
|
455
|
|
40
|
452
|
|
65
|
452
|
|
90
|
451
|
|
16
|
454
|
|
41
|
450
|
|
66
|
448
|
|
91
|
448
|
|
17
|
447
|
|
42
|
446
|
|
67
|
453
|
|
92
|
446
|
|
18
|
449
|
|
43
|
456
|
|
68
|
446
|
|
93
|
445
|
|
19
|
450
|
|
44
|
455
|
|
69
|
444
|
|
94
|
450
|
|
20
|
448
|
|
45
|
447
|
|
70
|
455
|
|
95
|
450
|
|
21
|
454
|
|
46
|
454
|
|
71
|
453
|
|
96
|
455
|
|
22
|
454
|
|
47
|
451
|
|
72
|
452
|
|
97
|
449
|
|
23
|
449
|
|
48
|
448
|
|
73
|
451
|
|
98
|
448
|
|
24
|
449
|
|
49
|
449
|
|
74
|
453
|
|
99
|
449
|
|
25
|
454
|
|
50
|
451
|
|
75
|
446
|
|
100
|
445
|
n=100
Среднее арифметическое равно 450,08.
СКО равно 3,202.
Xmin
=444
Xmax
=456
Разделим весь диапазон полученных значений на 10 интервалов. Построим
статистический ряд с шириной полосы 1,2. Рассчитаем количество значений mi,
попавших в тот или иной интервал, а также статистические частоты P*i=mi|n. На основании рассчитанных значений построим гистограмму
(рис. 33).
Рис.33 Гистограмма для результатов измерений расстояния аналоговым
прибором с емкостным преобразователем
Для P=0.95 и n=100 коэффициент Стьюдента tx=1,98.
Результат измерений:
,08-0,635<Xизм<450,08+0,635
Полученные результаты измерения лежат в пределах класса точности данного
прибора, поэтому калибровка не требуется.
4.7 ФОТОЭЛЕКТРИЧЕСКИЕ
ПРЕОБРАЗОВАТЕЛИ
Фотоэлектрическими называются преобразователи, изменяющие свои
электрические характеристики под воздействием светового потока, функционально
связанного с измеряемой неэлектрической величиной. Принцип действия
фотоэлектрических преобразователей (фотоэлементов) основан на явлении
фотоэлектрического эффекта, открытого русским ученым А. Г. Столетовым в 1888 году
[4].
Фотоэлектрическим эффектом называется явление преобразования световой
энергии в электрическую. Оно осуществляется тремя различные способами, в связи
с чем различают три разновидности проявления фотоэффекта: внешний, внутренний и
вентильный.
Внешний фотоэффект (фотоэлектронная эмиссия), при котором кванты
излучения оптического спектра (фотоны), проникая в вещество и отдавая ему свою
энергию, вызывают выход электронов из поверхностного слоя вещества.
К промышленным типам фотоэлементов с внешним фотоэффектом принадлежат
фотоэлементы типа ЦГ (кислородноцезиевый газонаполненный), типа СЦВ
(сурьмяноцезиевый вакуумный) и типа ЦВ (кислородноцезиевый вакуумный).
Световые характеристики фотоэлементов с внешним фотоэффектом приведены на
рис.32 (для номинального напряжения 240 В).
В измерительной технике отдается предпочтение вакуумным фотоэлементам,
обладающим меньшей по сравнению с газонаполненными инерционностью.
Рис. 34. Приведённые вольтамперные характеристики протяженных
фотоэлементов с внешним фотоэффектом
Фотоэлектрические растровые преобразователи (ФРП) предназначены для
преобразования относительных угловых перемещений в прямоугольные электрические
импульсы. Наличие двух смещенных на 90° эл.импульсных последовательностей А, В
и реперного сигнала С (один за оборот вала) дают возможность измерять
абсолютное перемещение относительно к реперному сигналу в условиях реверса.
Основное применение датчиков в машинах с ЧПУ, робототехнике, автоматизированных
дозирующих и контролирующих системах, системах для автоматизированного
проектирования, а также и при управлении производственными процессами, в
радионавигационных системах и т.д.[7] Технические характеристики ФРП-3М
приведены в таблице 30.
Таблица 30.
|
Название
|
Маркировка
|
Описание
|
|
Фотоэлектрический растровый
преобразователь
|
Число импульсов за оборот
- 100/1250, Габариты - 30х56х40 мм
|
При n-кратном измерении относительных угловых перемещений ФРП-3М получены
следующие результаты.
Таблица 31. Результаты измерений относительных угловых перемещений ФРП-3М
|
Номер отсчета
|
Значение
|
|
Номер отсчета
|
Значение
|
|
Номер отсчета
|
Значение
|
|
Номер отсчета
|
Значение
|
|
1
|
1579
|
|
26
|
1542
|
|
51
|
1590
|
|
76
|
2052
|
|
2
|
1566
|
|
27
|
1534
|
|
52
|
1577
|
|
77
|
2065
|
|
3
|
1589
|
|
28
|
1549
|
|
53
|
1572
|
|
78
|
2096
|
|
4
|
1548
|
|
29
|
1587
|
|
54
|
1537
|
|
79
|
2044
|
|
5
|
1580
|
|
30
|
1562
|
|
55
|
1596
|
|
80
|
2020
|
|
6
|
1602
|
|
31
|
1586
|
|
56
|
1587
|
|
81
|
2045
|
|
7
|
1577
|
|
32
|
1556
|
|
57
|
1544
|
|
82
|
2029
|
|
8
|
1549
|
|
33
|
1548
|
|
58
|
1543
|
|
83
|
2060
|
|
9
|
1566
|
|
34
|
1542
|
|
59
|
1536
|
|
84
|
2070
|
|
10
|
1562
|
|
35
|
1600
|
|
60
|
1544
|
|
85
|
2051
|
|
11
|
1579
|
|
36
|
1587
|
|
61
|
1539
|
|
86
|
2037
|
|
12
|
1559
|
|
37
|
1599
|
|
62
|
1605
|
|
87
|
2041
|
|
13
|
1576
|
|
38
|
1594
|
|
63
|
1564
|
|
88
|
2053
|
|
14
|
1552
|
|
39
|
1567
|
|
64
|
1550
|
|
76
|
1562
|
|
15
|
1574
|
|
40
|
1564
|
|
65
|
1551
|
|
77
|
1584
|
|
16
|
1563
|
|
41
|
1579
|
|
66
|
1589
|
|
78
|
1590
|
|
17
|
1574
|
|
42
|
1571
|
|
67
|
1546
|
|
79
|
1534
|
|
18
|
1551
|
|
43
|
1595
|
|
68
|
1557
|
|
80
|
1574
|
|
19
|
1555
|
|
44
|
1596
|
|
69
|
1575
|
|
81
|
1595
|
|
20
|
1538
|
|
45
|
1583
|
|
70
|
1573
|
|
82
|
1585
|
|
21
|
1556
|
|
46
|
1576
|
|
71
|
1601
|
|
83
|
1548
|
|
22
|
1585
|
|
47
|
1531
|
|
72
|
1597
|
|
84
|
1583
|
|
23
|
1531
|
|
48
|
1562
|
|
73
|
1560
|
|
85
|
1539
|
|
24
|
1576
|
|
49
|
1570
|
|
74
|
1568
|
|
86
|
1591
|
|
25
|
1556
|
|
50
|
1572
|
|
75
|
1573
|
|
87
|
1561
|
n=100
Среднее арифметическое равно 1567,98.
СКО равно 19,52.
Xmin
-=1531
Xmax
=1605
Разделим весь диапазон полученных значений на 10 интервалов. Построим
статистический ряд с шириной полосы 7,4. Рассчитаем количество значений mi,
попавших в тот или иной интервал, а также статистические частоты P*i=mi|n. На основании рассчитанных значений построим гистограмму
(рис. 35).
Рис.35 Гистограмма для результатов измерений относительных угловых
перемещений ФРП-3М
Для P=0.95 и n=100 коэффициент Стьюдента tx=1,98.
Результат измерений:
,98-3,874<Xизм<1567,98+3,874
Полученные результаты измерения лежат в пределах класса точности данного
прибора, поэтому калибровка не требуется.
4.8 ТЕРМОЭЛЕКТРИЧЕСКИЕ
ПРЕОБРАЗОВАТЕЛИ
Действие термоэлектрических преобразователей основано на возникновении
термо-ЭДС при нагреве или охлаждении спая двух разнородных металлов или
полупроводников [4]. Термоэлектрический измерительный прибор, состоящий из двух
термоэлектродов, является рабочим концом термопары, два других её свободных
конца подключаются к измерительному прибору - милливольтметру или потенциометру
(рис.34).
Рис.36. Включение указателя в термоэлектрическую цепь
Обычно градуировка термоэлектрических преобразователей производится при
температуре свободных концов, равной 0°C, поэтому при применении термоэлектрических термометров в
результате измерения вводится поправка. Применяются методы автоматического
введения поправки на температуру свободных концов.
Наиболее широко применяются при измерении высоких температур термопары
платино-радий-платиновые, хромель-алюмелевые, хромель-копелевые.[7]
В таблице 32 приведены характеристики некоторых термопар, применяемых в
измерительных приборах.
Таблица 32
|
Наименование термопар
|
Термо-ЭДС при t1=100°С
t0=0°С мВ
|
Верхний предел измеряемой
температуры, С°
|
|
|
при длительном измерении
|
при кратковременном,
измерении
|
|
Медь-копель Железо-копель
Хромель-копель Хромель-алюмель
|
4,75 5,75 8,90 4,10
|
350 600 600 1100
|
500 800 800 1250
|
При n-кратном измерении температуры термопарой (железо-копель) получены
следующие результаты.
Таблица 33. Результаты измерений температуры термопарой (железо-копель)
|
Номер отсчета
|
Значение
|
|
Номер отсчета
|
Значение
|
|
Номер отсчета
|
Значение
|
|
Номер отсчета
|
Значение
|
|
1
|
55
|
|
26
|
58
|
|
51
|
56
|
|
76
|
53
|
|
2
|
53
|
|
27
|
53
|
|
52
|
56
|
|
77
|
57
|
|
3
|
55
|
|
28
|
56
|
|
53
|
57
|
|
78
|
54
|
|
4
|
53
|
|
29
|
53
|
|
54
|
57
|
|
79
|
56
|
|
5
|
55
|
|
30
|
55
|
|
55
|
54
|
|
80
|
55
|
|
6
|
55
|
|
31
|
55
|
|
56
|
54
|
|
81
|
55
|
|
7
|
57
|
|
32
|
56
|
|
57
|
52
|
|
82
|
55
|
|
8
|
54
|
|
33
|
59
|
|
58
|
60
|
|
83
|
50
|
|
9
|
55
|
|
34
|
54
|
|
59
|
56
|
|
84
|
54
|
|
10
|
52
|
|
35
|
57
|
|
60
|
57
|
|
85
|
56
|
|
11
|
53
|
|
36
|
56
|
|
61
|
54
|
|
86
|
54
|
|
12
|
56
|
|
37
|
54
|
|
62
|
57
|
|
87
|
57
|
|
13
|
51
|
|
38
|
55
|
|
63
|
|
88
|
55
|
|
14
|
56
|
|
39
|
54
|
|
64
|
55
|
|
89
|
56
|
|
15
|
56
|
|
40
|
56
|
|
65
|
56
|
|
90
|
54
|
|
16
|
56
|
|
41
|
55
|
|
66
|
56
|
|
91
|
55
|
|
17
|
57
|
|
42
|
54
|
|
67
|
57
|
|
92
|
55
|
|
18
|
56
|
|
43
|
54
|
|
68
|
56
|
|
93
|
53
|
|
19
|
54
|
|
44
|
56
|
|
69
|
55
|
|
94
|
55
|
|
20
|
58
|
|
45
|
55
|
|
70
|
55
|
|
95
|
55
|
|
21
|
53
|
|
46
|
55
|
|
71
|
54
|
|
96
|
55
|
|
22
|
54
|
|
47
|
55
|
|
72
|
58
|
|
97
|
54
|
|
23
|
55
|
|
48
|
55
|
|
73
|
57
|
|
98
|
57
|
|
24
|
54
|
|
49
|
57
|
|
74
|
53
|
|
99
|
53
|
|
25
|
54
|
|
50
|
54
|
|
75
|
56
|
|
100
|
56
|
n=100
Среднее арифметическое равно 55,08.
СКО равно 1,63.
Xmin
=50
Xmax
=60
Разделим весь диапазон полученных значений на 10 интервалов. Построим
статистический ряд с шириной полосы 1. Рассчитаем количество значений mi,
попавших в тот или иной интервал, а также статистические частоты P*i=mi|n. На основании рассчитанных значений построим гистограмму
(рис.35).
Рис.37 Гистограмма для результатов измерений температуры термопарой
Для P=0.95 и n=100 коэффициент Стьюдента tx=1,98.
Результат измерений:
,08-0,3236<Xизм<55,08+0,3236
Полученные результаты измерения лежат в пределах класса точности данного
прибора, поэтому калибровка не требуется.
СПИСОК
ЛИТЕРАТУРЫ
1. Шишкин И.Ф. Теоретическая метрология: Учебник для вузов.
-М.: Изд-во стандартов, 1991.
2. Б.А.Князев, В.С.Черкасский Начала обработки
экспериментальных данных: Учебное пособие. - Новосиб. Ун-т, Новосибирск, 1996,
- 93с.
. Метрология, стандартизация и сертификация: Учебник
для вузов / Я.М.Радкевич, А.Г.Схиртладзе, Б.И.Лактионов. - М.: Высш. Шк., 2004.
- 767 с.
. Основы метрологии и электрические измерения: Учебник
для вузов/Б.Я.Авдеев, Е.М.Антонюк, Е.М.Душин и др.; -Л.:Энергоатомиздат.
Ленингр. отд-ние, 1987.-480с.
. http://mi-kron.ru
. http://ru.wikipedia.org
. http://www.metrob.ru
8. <http://mvf.klerk.ru/>
. <http://www.finleader.ru>