Женский костюм на подкладке для повседневной носки из шерстяной ткани

  • Вид работы:
    Контрольная работа
  • Предмет:
    Другое
  • Язык:
    Русский
    ,
    Формат файла:
    MS Word
    224,84 Кб
  • Опубликовано:
    2012-04-22
Вы можете узнать стоимость помощи в написании студенческой работы.
Помощь в написании работы, которую точно примут!

Женский костюм на подкладке для повседневной носки из шерстяной ткани

МИНИСТЕРСТВО ОБРАЗОВАНИЯ И НАУКИ РОССИЙСКОЙ ФЕДЕРАЦИИ

Новосибирский технологический институт ( филиал)

федерального бюджетного государственного образовательного учреждения высшего профессионального образования

«Московский государственный университет дизайна и технологии»

(НТИ (филиал) «МГУДТ»)

Факультет: ЗО и Э

Кафедра: ТДШИ

КОНТРОЛЬНАЯ РАБОТА

По дисциплине «Технология швейных изделий»

Тема

Женский костюм на подкладке для повседневной носки из шерстяной ткани









Новосибирск 2012г.

ВВЕДЕНИЕ

Швейная промышленность является одной из крупнейших отраслей легкой промышленности.

Главная задача швейной промышленности - удовлетворение потребности людей в одежде высокого качества и разнообразного ассортимента. Решение этой задачи осуществляется на основе повышенной эффективности производства, ускорения научно - технического прогресса, роста производительности труда, всемерного улучшения качества работы, совершенствования труда и производства.

При массовом производстве швейных изделий решающая роль принадлежит технологическому процессу, который представляет собой экономически целесообразную совокупность технологических операций по обработке и сборке деталей и узлов швейных изделий.

Современная швейная отрасль, выпускающая одежду массового производства, должна характеризоваться достаточно высоким уровнем техники, технологии и организации производства, наличием крупных специализированных предприятий и производственных объединений.

Совершенствование швейного производства предусматривает внедрение высокопроизводительного оборудования, поточных линий, расширение ассортимента и улучшение качества одежды, выпуск изделий, пользующихся повышенным спросом. Ассортимент швейных изделий должен обновляться в результате расширения ассортимента и улучшения качества сырьевой базы швейной промышленности [1].

Лёгкая промышленность объединяет несколько подотраслей. Двумя главными подотраслями являются: текстильная и швейная промышленности. В настоящее время лёгкая промышленность имеет много проблем и поэтому непривлекательна для молодёжи и специалистов. И это не только низкий уровень заработной платы, но и устаревшее технологическое оборудование и нехватка у предприятий собственных средств на развитие производства, высокая доля теневого и незаконно ввезённого товара на потребительском рынке. Более 60% изделий лёгкой промышленности, представленных на российском рынке - это товары теневого производства или товары, незаконно импортированные на территорию России.

Выпуск платьев в 2009 году составил 55,4%, в 2010 году выпуск снизился и составил всего 53,9%. Большой вклад в увеличение выпуска платьев внесло ЗАО «Джи Джей Корп» (Ростовская обл.). В 2009 году выпуск платьев на предприятии составил 210,9 тысяч штук. В 2010 году - 182,9 тысяч штук. На втором месте ЗАО «ПКФ Элегант» (Ростовская обл.): в 2009 году - 19 тысяч штук, в 2010 - 21,5 тысяч штук. Третье место занимает ООО «Панинтер СРГП» (Москва): в 2009 году - 9,2 тысяч штук, 2010 году - 8,9 тысяч штук.

В целом выпуск платьев в 1 полугодии 2010 года в России увеличился на 7% и составил 1423, 2 тысяч штук.

Несмотря на такие низкие показатели, все же есть надежды на улучшение. Например, падение за 2010 года составило 10,2 %, что значительно меньше, чем за 2009 года, когда падение было 20, 1% [2].

Технология современного швейного производства все более становится механической, ее эффективность в первую очередь зависит от применяемого оборудования.

Решение задач, стоящих перед швейной промышленностью требует больших и глубоких знаний от технологов. Без этих знаний невозможно внедрять новые технологические процессы швейного производства, необходимые для изготовления одежды высокого качества.

Целью данной контрольной работы разработка технологической последовательности по изготовлению женского костюма на подкладе для повседневной носки с применением новейшего высокопроизводительного оборудования и усовершенствованных методов обработки [1].

1. ВЫБОР И ХАРАКТЕРИСТИКА МОДЕЛИ

1.1 Характеристика требований к одежде. Выбор модели

Одежда создает вокруг тела человека искусственный микроклимат, она украшает и защищает, человека, от воздействия окружающей среды. В зависимости от климатических условий одежда может быть выполнена из различных материалов и иметь вид многослойного пакета.

Женский костюм предназначен для повседневной носки. Он должно соответствовать эскизу, отражать индивидуальные особенности телосложения женщины (возраст, полноту, рост), или наоборот скрывать их. При эксплуатации изделия надо учитывать, насколько удобно в нем будет.

Поэтому к выбранному изделию предъявляются следующие требования: потребительские и технико - экономические (промышленные).

К потребительским относятся: социальные, функциональные, эстетические, экономические и эксплуатационные.

Социальные требования характеризуют соответствие изделия общественно - необходимым потребностям и его общественную значимость.

Функциональные требования заключаются в том, чтобы предохранить человека от неблагоприятных атмосферных воздействий, обеспечить оптимальные температурные условия.

Эстетические требования заключаются в соответствие направлениям моды, целостности композиции, подбор материалов по цвету, рисунку, отделке. Они занимают особое место при оценке качества одежды как предмета личного потребления.

Эстетическая потребность определяется как нужда человека в красоте и творчестве. Каждая частичка переплетения, каждый стежок вышивки, колористическое решение, рисунки с геометрическими и цветочными орнаментами должны соответствовать современному направлению моды, чтобы одежда не выглядела повседневной, а была необычной и эксклюзивной.

В разработанной модели костюма органично сочетаются силуэт и покрой, цветовое решение и фактура материала.

Экономические требования заключаются в том, чтобы конструкция была экономичной, расход ткани - минимальным. Костюм должен быть недорогим и доступным по цене. Экономичность модели во многом определяется конструкцией, так как от конструкции изделия зависит расход ткани, а себестоимость материала составляет 80 - 90%.

Разработанная модель женского костюма имеет среднюю ценовую категорию.

Эксплуатационные требования заключаются в обеспечении соответствия изделия условия труда и отдыха, прочность изделия в носке. Одежда должна быть прочностной, износостойкой в течение срока службы изделия. Должна сохранять форму деталей, должна быть гибкой и мягкой, чтобы не создавать неудобства при движении.

Разработанная модель удобна в покое (статике) и движении (динамике). Конструкция данной модели соответствует размеру и форме тела женщин младшей возрастной группы. Модель соответствует санитарно - гигиеническим нормам и рекомендациям, обеспечивающим комфортные условия микроклимата пододежного пространства.

Эргономические требования (гигиенические, антропометрические, психофизиологические) характеризуют степень приспособленности изделия к человеку и основаны на эргономических свойствах системы человек - изделие - среда.

Человек вступает в контакт с одеждой в основном на биологическом уровне, поскольку одежда покрывает более 80 % поверхности тела человека и практически находится с ним в постоянном контакте и взаимодействии. В результате биологического взаимодействия с одеждой у человека возникают психологические ощущения тепла, холода, комфорта, удобства, влияющие на его психологическое состояние (утомляемость, работоспособность, настроение).

Одежда должна обеспечивать оптимальный микроклимат в пододежном слое, т. е. иметь достаточную степень вентилируемости для вывода из пододежного слоя продуктов кожного дыхания.

Антропометрические требования заключаются в соответствии росту, размеру, полноте: костюм должен быть удобным, легко сниматься и надеваться, застегиваться и т.д.

К гигиеническим требованиям относятся:

1)      Теплозащитность - способность одежды сохранять тепло;

2)      Гигроскопичность - способность одежды впитывать влагу, обеспечивать поглощение пота и отдачу его во внешнюю среду;

3)      Воздухопроницаемость - одежда должна хорошо вентилироваться.

К группе технико - экономических требований, определяющих степень технического совершенства конструкции и технологии изготовления изделия относятся: стандартизация и унификация конструкции и технологии, технологичность конструкции, экономичность проектируемого изделия.

Изделие должно отвечать показателям стандартизации и унификации конструкции одежды, которые определяют степень конструктивной и технологической преемственности моделей.

Разрабатываемый костюм соответствует данной группе требований, так как его изготовление может проходить в серийном производстве за счет применения унифицированных деталей.

Костюм должен отвечать показателям технологичности, которые определяют степень прогрессивности конструкции и технологии, степень механизации и автоматизации, трудоемкости и материалоемкости изделия. Иными словами, технологичность характеризует эффективность конструкторских решений для обеспечения высокой производительности труда и экономного расходования материалов.

Необходимость обработки конструкции промышленных изделий всех видов (в том числе и одежды) на технологичность установлена стандартами Единой системы технологической подготовки производства (ЕСТПП).

Производственная технологичность конструкции изделия проявляется в сокращении затрат на конструкторскую (КПП) и технологическую (ТПП) подготовку производства и процессы изготовления; эксплуатационная - в сокращении затрат на обслуживание и ремонт изделия. Применительно к одежде большее значение имеет производственная технологичность конструкции.

Разрабатываемый костюм соответствует предъявляемым требованиям, так как при его изготовлении происходит уменьшение трудоемкости обработки за счет ликвидации отдельных операций, упрощения способов обработки, создания условий для максимальной механизации технологических процессов и повышения производительности труда.

Изделие должно отвечать показателям экономичности, которые характеризуют затраты на конструкторскую и технологическую подготовку производства и промышленное изготовление одежды, а также потребительские расходы на ее эксплуатацию. Для определения уровня экономичности в системе качества одежды, являющейся одновременно продуктом массового производства и предметом личного потребления, следует учитывать показатели как производственной, так и эксплуатационной экономичности.

Разрабатываемое изделие соответствует данной группе, так как характеризуется минимальной площадью деталей и, соответственно, минимальными отходами материалов при раскрое. Потребительские требования учтены в конструкции одежды, опираясь на спрос и потребности населения [1,3].

строчка шов крой костюм ткань

1.2 Описание внешнего вида модели

Костюм женский на подкладе для повседневной носки из шерстяной ткани, для женщин младшей возрастной группы, среднего уровня дохода.

Костюм прилегающего силуэта, длиной до уровня бедер, с застежкой на пуговицах в передней части.

Передняя половина состоит из двух частей. Основная часть переда и боковая. В передней части находится карман в шве с листочкой.

Спинка состоит из одной основной цельнокроеной части и двумя боковыми частями. На уровне талии расположен хлястик, имеющий декоративное назначение, и две пуговицы.

Воротник с лацканом.

Рукав отрезной двухшовный с открытой шлицей.

На плечах расположены погоны с пуговицами.

Отделочная строчка проложена по шву соединения основной и боковой частей переда и спинки, на расстояние 4-5 мм относительно боковой части.

Рекомендуемые размеры: 84 - 92.

Рекомендуемые роста: 164 - 170.

Первая и вторая полнотная группы [4].

При проектировании одежды большое внимание уделено технологической обработке изделия. Ниточные способы соединения являются классическими и занимают наибольший удельный вес. Ниточные соединения имеют достаточную прочность, эластичность, красивый внешний вид [3].

При изготовлении проектируемого изделия - женского костюма применяется однолинейная прямая строчка с двухниточным челночным переплетением.

1.3 Спецификация деталей кроя

Конструктивное построение деталей проектируемого женского костюма на подкладе для повседневной носки из шерстяной ткани представлена в виде таблицы 1, где описывается спецификация деталей кроя по каждому виду материала, входящих в пакет изделия [5].

Таблица 1 - Спецификация деталей кроя женского костюма для повседневной носки из полушерстяной ткани

Наименование деталей кроя

Количество деталей кроя

Эскиз детали с указанием направления нитей основы и допускаемых отклонений

Наименование срезов деталей кроя

Детали основного материала

Основная часть переда с цельновыкроеным лацканом

2



Боковая часть переда

2



Спинка

1



Боковая часть спинки

2



Внешняя часть рукава

2



Внутренняя часть рукава

2



Воротник

1



Лацкан или подборт

2



Листочка

2



Хлястик

1



Погон

2



Детали подкладочного материала

Перед

2



Спинка

2



Внешняя часть рукава

2



Внутренняя часть рукава

2



Карман




Прикладной материал

Отлет воротника




Бортовая прокладка




Клеевые перечислить еще




Наименование деталей кроя

Количество деталей кроя

Эскиз детали с указанием направления нитей основы и допускаемых отклонений

Наименование срезов деталей кроя

Детали основного материала

Основная часть переда

2

1% Нить основы направлена перпендикулярно линии талии.


Боковая часть переда

2

1% Нить основы направлена перпендикулярно линии талии.

2-12 срез низа 12-4 боковой срез 4-5, 7-3 срез рельефа (срез соединения с верхней частью) 5-6-7 конструктивная линия выточки

 

Спинка

1

1% Нить основы направлена перпендикулярно линии талии.

10-1 срез горловины 1-2, 4-9 верхний срез рукава 2-3-4 конструктивная линия вытачки 9-8 срез низа рукава 8-7 нижний срез рукава 7-6*-5 срез соединения с ластовицей 5-12 боковой срез 12-11 срез низа 10-11 средний срез спинки 13-14-15-16 конструктивная линия выточки

 

Боковая часть спинки

2

1% Нить основы направлена параллельно линии, проходящей посредине вдоль детали.


 

Манжета

2

2% Нить основы направлена вдоль детали.

1-4, 2-3 боковой срез 1-2, 3-4 верхний срез

 

Обтачка

1

1% Нить основы направлена параллельно линии, проходящей посредине вдоль детали.

2-1-10 срез горловины 2-2* фигурный вырез

 

Итого:

9



 

Детали прокладочного материала

 

Клеевая обтачки

1

3% Нить основы направлена вдоль детали.

2-1-10 срез горловины 2-2* фигурный вырез

 

Клеевая манжеты

2

3% Нить основы направлена вдоль детали.

1-4, 2-3 боковой срез 1-2, 3-4 верхний срез

 

Итого:

3



 

Детали подкладочного материала

 

Перед

1

1% Нить основы направлена перпендикулярно линии талии.

10-11 срез горловины 11-12-13 срез рельефа (срез присоединения с обтачкой) 14-15 срез низа 15-16-18-19 боковой срез 16-17-18 конструктивная выточка 19-20, 20-21 срез соединения с ластовицей 21-22 срез рукава нижний 22-23 срез низа рукава 23-10 верхний срез рукава

 

Спинка

2

1% Нить основы направлена перпендикулярно линии талии.

10-1 срез горловины 1-2, 4-9 верхний срез рукава 2-3-4 конструктивная линия вытачки 9-8 срез низа рукава 8-7 нижний срез рукава 7-6*-5 срез соединения с ластовицей 5-12 боковой срез 12-11 срез низа 10-11 средний срез спинки 13-14-15-16 конструктивная линия выточки

 

Карман

4

1%

1-2-3 фигурный срез кармана 1-3 срез входа в карман

 

Итого:

7



 


2. ВЫБОР И ХАРАКТЕРИСТИКА МАТЕРИАЛОВ

.1 Общая характеристика материалов, применяемых при изготовлении заданного вида изделия

Все материалы, используемые для изготовления одежды, классифицируются по признаку назначения. В соответствии с этой классификацией все материалы распределяют по следующим группам:

основные или материалы верха;

подкладочные;

прокладочные;

материалы для соединения деталей одежды (швейные нитки, клеи);

отделочные материалы;

фурнитура (пуговицы, кнопки, застёжки - молнии и др.).

Для основного материала выбрана полушерстяная ткань, содержащая 65% шерсти, 35% лавсана.

Ассортимент шерстяных тканей отличается большим разнообразием. По способу производства шерстяные ткани делятся на камвольные (гребенные) и суконные (тонкосуконные и грубосуконные). Камвольные шерстяные ткани могут быть чистошерстяными и полушерстяными - в смеси с другими волокнами.

Полушерстяная камвольная ткань составляет основную группу тканей, использующихся для изготовления костюмов и комплектов.

В данном случае в качестве основного материала выбрана полушерстяная ткань с лавсаном: с 65%-ным содержанием шерсти и 35%-ным содержанием лавсана. Для этой группы часто используются вискозные нити (линейная плотность 16,6 текс) или комплексные профилированные капроновые нити (линейная плотность 2,22 текс) вприкрутку.

Ткани с лавсаном вырабатывают преимущественно из пряжи линейной плотностью 22,2 текс х2, в отдельных случаях - из пряжи линейной плотности 31,2 текс; 30,3 текс х2; 29,4 текс х2; 25,0 текс х2; 23,8 текс х2. Основные виды переплетений, используемых в тканях с лавсаном - комбинированное, полотняное, креповое. Применяются также переплетения сатиновое, саржевое, рогожка. Плотность тканей данного вида находится в диапазоне по основе 192-353 нити на 10 см, по утку 173-250 нитей. Поверхностная плотность полушерстяных тканей с лавсаном 180-300 г/м2.

Подкладочные ткани предназначены для удобства эксплуатации одежды, оформления ее изнаночной стороны и предохранения одежды от износа и загрязнения. В соответствии с этим подкладочная ткань должна иметь гладкую поверхность, малый коэффициент трения, достаточную стойкость к истиранию и прочность, быть мягкой и гигиеничной. Окраска подкладочных тканей должна быть стойкой к поту и трению, стирке и химчистке.

Ассортимент подкладочных тканей представлен тканями различного волокнистого состава: из вискозных, капроновых, ацетатных нитей.

Соответствие износостойкости, массы и внешнего вида подкладочной ткани назначению одежды является главным принципом подбора подкладки для изделия.

Для повседневного комплекта подкладочная ткань должна иметь высокую износостойкость. Лучшими подкладочными тканями по показателям физико- механических свойств являются ткани из вискозных и капроновых нитей [8].

Прокладочные материалы применяют в целях сохранения формы деталей в процессе эксплуатации, предохранения срезов деталей от растяжения.

Наиболее предпочтительными в настоящее время являются термоклеевые прокладочные материалы. Они просты в использовании и обеспечивают качественное изготовление одежды.

Термоклеевые материалы - это материалы, имеющие в своей основе ткань, нетканые или трикотажные полотна, на поверхность которых нанесен слой клея. В качестве клеевых покрытий в основном применяются следующие термопластичные клеевые вещества [3].

Клеевые покрытия бывают точечными и сплошными. Структура покрытия зависит от способов нанесения, от свойств термопластичных полимеров, от назначения клеевых соединений. В зависимости от назначения применяются различные виды клеевых материалов: клеевые кромочные материалы, клеевая паутинка, клеевая нить, клеевая сетка, клеевая плёнка, клеевые порошки и пасты.

При изготовлении изделия главное значение имеет выбор скрепляющих материалов. Для скрепления деталей при производстве одежды применяют швейные нитки. Швейные нитки вырабатывают из натуральных и химических волокон.

По волокнистому составу одежные швейные нитки могут быть хлопчатобумажными, синтетическими, из натурального шелка, льняными.

По виду отделки нитки - суровые, матовые, глянцевые, белые, цветные, черные.

Различают нитки: однокруточные, получаемые окончательным скручиванием исходных нитей (пряжи) в 2 или 3 сложения; двухкруточные, получаемые предварительным скручиванием исходных нитей в 2 или 3 сложения, а затем окончательным скручиванием этих нитей в 2 сложения; армированные.

Фурнитура - вспомогательные изделия, необходимые в швейном производстве. Фурнитура служит для застегивания швейных изделий, прикрепления, упрочнения деталей этих изделий, а так же для удобства эксплуатации одежды. К фурнитуре швейного производства относятся: пуговицы, застежки-молнии, кнопки, и т. п.

Для данного женского платья выбраны полушерстяная ткань (65% шерсть, 35% лавсан), отвечающая современному направлению моды.

Клеевая - дублерин, для плательных тканей, имеющий более мягкий гриф соединения, улучшающий внешний вид и свойства ткани; швейные нитки марки «DOR ТАК - 226», 100 % полиэстер. Мягкость и эластичность нити позволяют использовать ее для стачивания и обработки срезов тканей, а специальная обработка силиконом (5%) позволяет использовать их на современном высокоскоростном швейном оборудовании.

2.2 Характеристика требований к материалам. Выбор материалов

Общие требования к материалам включают в себя требования соответствия показателей свойств нормам. Это волокнистый состав, вид нитей, линейная плотность, переплетение, поверхностная плотность, ширина ткани, разрывная нагрузка и растяжимость, которые определяют предельные возможности материала.

По волокнистому составу материалы для женских демисезонних платьев бывают хлопчатобумажные, льняные, из натурального, искусственного и синтетического щелка, шерстяные, а также в сочетании натуральных волокон с искусственными или синтетическими. Волокнистый состав материала влияет на выбор методов обработки изделия, оборудования, технологических режимов машинных строчек и ВТО.

Плательные ткани вырабатывают из нитей различного вида и разрывной плотности, различными переплетениями и разнообразными отделками.

От ширины материала зависит количество метров ткани, которая необходима для раскроя платья, а также экономичность использования материала.

Разрывная нагрузка и растяжимость материалов влияют на силуэт платье (прилегающее, полуприлегающее и т.д.), выбор прибавок и скрепляющих материалов.

Плотность ткани влияет на ее драпируемость, гигиенические свойства (воздухопроницаемость, пылепроницаемость и т.д.), формовочную способность.

Поверхностная плотность материалов влияет на выбор скрепляющих материалов, режимов и оборудования для ВТО.

Материалы для повседневного женского платья должны иметь:

-       поверхностную плотность              не более 180-3000

-       разрывную нагрузку                       не менее 196 Н

-    разрывное удлинение                         1,5 - 2,5 %

-       ширина                                                    60 - 180 см

Конструкторско - технологические требования - это требований, зависящие от особенностей конструкции платья и технологии его изготовления. К этим требованиям относятся: усадка, толщина, раздвижка нитей, осыпаемость, прорубаемость, деформируемость, деформация и ее составные части, драпируемость, несминаемость, формовочные свойства, жесткость.

Усадочная способность ткани влияет на величину припуска, на усадку при конструировании деталей изделия.

Толщина материала имеет большое значение при проектировании припусков на толщину, расчета числа полотен в настиле и при регулировке режима швейной машины.

Значение полной деформации при растяжении материала способствует определению величины припуска на свободное облегание, условия настилания полотен, режимов обработки.

Показатели осыпаемости и раздвигаемости нитей в ткани учитываются при проектировании ширины шва и его конструкции, частоты строчки.

Испытание материала на прорубание иглой дает возможность правильно подобрать номер иглы и толщину швейных ниток для соединения деталей изделия.

Важными свойствами, определяющими способность материала образовывать форму в одежде, является жесткость при изгибе, драпируемость, формовочная способность материалов.

Формовочная способность влияет на качество изделия и его внешний вид.

Материалы для повседневного женского платья должны иметь:

-       усадку от стирки                                      не более 5

-       жесткость при изгибе                              до 7000

-       несминаемость                                         не менее 48

-       драпируемость                                         45 - 65 %

-       сопротивление осыпаемости                   не менее 2

-       сопротивление раздвигаемости                        не более 1,2

-       толщину                                                    0,1 - 1,0мм

Наиболее важными среди конструкторско - технологических требований, являются: несминаемость, усадка после стирки, раздвижка нитей, драпируемость.

К группе гигиенических свойств относятся требования, которые определяют способность материала создавать и поддерживать в одежде определенные комфортные условия для человека во время его работы или отдыха. Такими свойствами являются: способность материалов поглощать влагу, пыль, способность материалов пропускать воздух, пыль, воду; тепловые свойства, электризуемость; загрязняемость.

Паропроницаемость обеспечивает своевременное удаление излишков влаги из пододежного пространства. Пылепроницаемость влияет на загрязняемость самих материалов и слоев одежды, расположенных под ними.

Температуропроводность играет большую роль при ВТО швейных изделий, т.к. она определяет скорость прогревания обрабатываемых материалов.

Тепловое сопротивление влияет на теплозащитные свойства материалов, а термо- и теплостойкость на выбор режимов ВТО.

Материалы для повседневного демисезонного платья должны иметь:

-       воздухопроницаемость                                     не менее 100

-       сопротивление паропроницаемости                 1 - 2,5 мм

-       относительная пылепроницаемость                  1,6 %

-       гигроскопичность                                    не менее 7 %

Износостойкость (надежность) в значительной степени обеспечивает определенный срок носки изделия. Она определяется условиями эксплуатации изделия и назначением материалов. Свойства, которые обуславливают срок носки изделия следующие: устойчивость к истиранию, образование пиллинга, многократное растяжение и изгиб, действие стирок, действие светопогоды, температура и т.д.

Установление нормативов и проверка материалов по показателям свойств данной группы требований дают возможность отбирать материалы и прогнозировать их износостойкость в швейных изделиях.

Плательные материалы должны иметь следующие показатели:

-       стойкость к истиранию                                     не менее 5000 циклов

-       пиллингуемость                                        не более 2 - 4 пиллей

Группа эстетических требований включает в себя требования к таким характеристикам как цвет, фактура материала; цвет, форма и размеры фурнитуры; блеск, отделка, гриф, туше.

Эти показатели характеризуют выразительность, оригинальность, соответствие моде.

Повседневная одежда должна быть из тканей модных, но сдержанных цветов, умеренного блеска. Рисунок влияет на раскрой материала. Размер и форма фурнитуры должен соответствовать проектируемому изделию.

Требования к прокладочным материалам следующие: во-первых, для придания деталям одежды определенной формы и ее сохранения и, во- вторых, для упрочнения участков одежды и предохранения от растяжения.

Прокладочные материалы должны быть малорастяжимыми, достаточно жесткими, не грубыми. Для придания пространственной формы они должны обладать усадкой при утюжке, сочетающейся с усадкой основной ткани. При выборе прокладочного материала желательно учитывать его массу, чтобы не утяжелять изделие.

Прокладочные материалы могут иметь различную жесткость в зависимости от свойств материала, наличия дополнительных прокладок и технологии изготовления. Прокладочные полотна, имеющие недостаточную жесткость, не могут создать необходимую форму изделий, обеспечить стабильность формы и качество изделий в эксплуатации. Жесткость должна быть в пределах 2 - 6 сН.

В швейной промышленности находят применение нитки различного волокнистого состава и различного способа производства. Нитки имеют специфические свойства, своеобразно проявляющиеся при одинаковых условиях при пошиве на швейных машинах и в процессе эксплуатации. Например, синтетические нитки термопластичны, упруги, имеют большие удлинения. В швейном производстве наибольшее распространение, среди синтетических ниток, имеют комплексные и армированные.

К швейным ниткам в зависимости от их назначения применяются различные требования. Основными требованиями швейных ниток являются обеспечение удовлетворительных пошивочных свойств и обеспечение необходимой прочности и износостойкости швов в эксплуатации.

Для изготовления женского платья рекомендуется использовать армированные нитки.

Армированные нитки имеют высокую прочность, растяжимость, износостойкость, незначительную усадку.

Пуговицы служат для застегивания, а также для украшения одежды. По исходному материалу и назначению их разделяют на ряд групп. Основные свойства пуговиц определяются главным образом свойствами материалов, из которых они изготовлены.

Для женской одежды пуговицы подбирают по цвету материала, Они должны отличаться простотой формы и отделки лицевой поверхности. Они выполняют функции не только застежки, но и отделки.

3. ХАРАКТЕРИСТИКА МЕТОДОВ ОБРАБОТКИ МОДЕЛЕЙ

.1 Общие требования к технологии изготовления проектируемой модели

Технология каждого нового изделия должна обеспечить более экономичное его изготовление по сравнению с ранее выпускаемыми изделиями аналогичного назначения. Чтобы добиться реализации этого требования, следует отдавать предпочтение методам обработки, которые соответствуют уровню современной техники, технологии и организации производства, обеспечивают единообразие и повторяемость операций и приемов.

Уменьшения трудоемкости изготовления одежды можно добиться путем упрощения способов обработки, исключения технологических операций, не влияющих на качество изделия, и ручных операций, оптимизации режимов обработки, широкого применения высокопроизводительного современного оборудования и приспособлений с регламентированными режимами обработки.

При выборе оборудования для технологических процессов необходимо стремиться к сокращению номенклатуры типов оборудования и приспособлений [9].

Ниточные соединения, выполняемые на различных швейных машинах, занимают наибольший удельный вес в производстве швейных изделий, так как обеспечивают большую прочность, эластичность соединения, красивый внешний вид шва при сравнительной простоте процесса соединения. Ниточные соединения образуются швейными нитками, переплетающимися внутри или снаружи скрепляемых материалов. Прочность соединения, таким образом, определяется свойствами сшиваемых материалов, швейных ниток и технологическим режимом образования ниточных переплетений на швейных машинах.

Швейные нитки в процессе соединения деталей одежды и ее эксплуатации испытывают большое воздействие: растяжения, изгибы, истирания.

Поэтому к ним предъявляется ряд соответствующих требований:

ровность по толщине (для хорошего внешнего вида);

высокая разрывная нагрузка (не допускает обрыва нитей, обеспечивает прочность шва);

гибкость (для улучшение затягивания нитей);

- эластичность (уменьшение обрывности нитей);

- малая усадка;

высокая стойкость окраски (к действию светопогоды, химчистке, стирке);

высокая термостойкость [3].

Какого бы назначения и какой бы конструкции ни была швейная машина, она выполняет один из типов машинных стежков, который принято обозначать трехзначным числом. Стежок - это повторяющийся элемент ниточной строчки, расположенный между двумя соседними проколами иглы и представляющий собой законченное переплетение ниток в материале. Ряд последовательных стежков представляет собой строчку, а соединение нескольких слоев материала определенным образом (с помощью одной или нескольких строчек) называется швом.

Согласно ГОСТ 12807 - 2003 «Изделия швейные. Классификация стежков, строчек и швов», для данного вида изделия были выбраны следующие типы стежков: 301 - челночный стежок, однолинейный; 304 - зигзагообразный. Стежки этого класса образуются переплетением двух групп ниток. Петли одной из них проводятся сквозь материал и переплетаются с нитками второй группы и 504 тип - обметочный цепной однониточный стежок. Стежки 500 класса образуются одной ниткой, группой или несколькими группами ниток, одна нитка или группа ниток обводится вокруг среза материала. При этом петли одной группы ниток проводятся сквозь материал и переплетаются с петлями другой группы ниток, которые обводятся вокруг среза материала и в свою очередь переплетаются с петлями ниток первой группы.

тип стежка рекомендован для соединения деталей, для окантовывания срезов деталей и др.; 304 тип стежка - для изготовления закрепок, обметывания петель, пришивания пуговиц, подшивания сторон листочек, соединения частей бортовой прокладки. 504 тип стежка рекомендован для соединения деталей с одновременным обметыванием срезов.

По типу механизма рекомендуется реечный двигатель. Такие машины дают хорошие результаты на материалах с низкими коэффициентами сцепления, но относительно жестких, не сминаемых при перемещении иглой.

Пуговицы для женской одежды вырабатываются разнообразной формы и отделки: плоские (круглые, овальные, трех- и четырехугольные, с различной отделкой лицевой стороны - гладкой, выпуклой или с рельефным рисунком), шарообразные, цилиндрические и др.

Для блузок и платьев рекомендуется использовать диаметры пуговиц 11 - 16 мм. Пуговицы должны быть прочными и неломкими. Они должны обладать стойкостью к действию воды. Пуговицы не должны изменять окраску, форму, внешний вид под действием солнечных лучей. При стирке в мыльном растворе пуговицы не должны изменять окраску, форму и внешний вид.

Иглы бывают двух видов: одинарные и двойные (тройные). Число, указанное на коробочке и на самой одинарной игле, указывает на толщину иглы. Чтобы исключить плохое качество строчки, меняйте иглы через каждые 10 - 12 часов шитья или после двух сшитых изделий. Тонкие нити и иглы, как правило, используются для шитья тонких тканей, а более толстые иглы и нити для шитья тяжелых тканей. Верхняя и нижняя нити должны быть одинаковыми. Для женского демисезонного платья из полушерстяной ткани, повседневной носки рекомендованы следующие номера игл: 11 (75) или 14 (90). Это иглы для средних материалов, таких как лен, хлопок, трикотаж, саржа.Также рекомендованы нитки хлопчатобумажные № 40 - 60; лавсаново - хлопковые: № 36лх, 35лх, 25 лх и лавсановые: № 22лл, 33лл, 25лл, 28лл.

Прокладочные материалы применяют в целях сохранения формы деталей в процессе эксплуатации, предохранения срезов деталей от растяжения. Прокладочные материалы должны придавать основной ткани стойкость к сминанию, повышать упругость в местах постоянного деформирования, держать размеры и фасон, а также в процессе эксплуатации не должны терять функциональных свойств. Для прокладочных материалов с полиамидным покрытием (дублерин клеевой) рекомендуется выбирать следующие режимы дублирования: температура 135 -1400 С; давление 0,3 - 0,4 МН/кв. м.; время действия 15 - 18 сек.

Лен - ткань с гладкой поверхностью и матовым блеском. Изделия изо льна очень прочные, долго не изнашиваются, хорошо впитывают влагу и при этом быстро сохнут. Но при носке очень быстро мнутся. Лён хорошо переносит кипячение. Для данного вида ткани рекомендовано стирать при 60°C (ручная стирка) в холодной или теплой воде. При стирке льна в автоматической стиральной машине выбрать режим «деликатная стирка» или режим с минимальным временем стирки при температуре не более 60ºС. Не рекомендовано сушить ткань в сушильном устройстве, т.к. лён может сесть, использовать кислотные растворы, т.е. это губительно для ткани. Сушить лен только в расправленном состоянии, желательно не пересушивая изделия. Утюжить лён всегда с увлажнением и при самой высокой температуре.

3.2 Методы обработки модели

При изготовлении швейных изделий применяются три метода обработки:

последовательный - последовательное выполнение всех операций на всех участках детали одним или несколькими инструментами;

параллельный - одновременное выполнение операций одним или несколькими инструментами;

- параллельно - последовательный - сочетание последовательного и параллельного методов выполнения операции.

Наиболее эффективными считаются параллельный и параллельно - последовательный методы обработок.

Сокращение времени на выполнение операции можно достичь благодаря следующему:

наиболее прогрессивному оборудованию, использование специальных и специализированных машин;

- применением средств малой механизации.

При изготовлении женских платьев широко используются прогрессивные параллельные и параллельно-последовательные методы обработки деталей: дублирование манжет, воротников, подгибание и заутюживание (фальцевание) срезов накладных карманов, соединение и обметывание срезов деталей, подгибка и застрачивание срезов и др.

Стачивание деталей, как правило, выполняется однолинейными строчками с челночным или двухниточным цепным переплетением.

Конструктивная особенность женских платьев обусловливает возможность более широкого, чем в верхней одежде, использования автоматов и полуавтоматов. Сюда относятся обтачивание клапанов карманов, воротников, манжет, изготовление прямых петель с автоматическим перемещением полочки от готовой петли к месту расположения следующей, пришивание пуговиц.

Для получения высокого качества и точности обработки, обеспечения высокой производительности труда при изготовлении женских платьев широко применяются различные средства малой механизации.

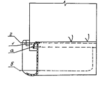
Обработка кармана и соединение с изделием.

Накладные карманы могут быть различной формы, со встречными, бантовыми складками или другими отделочными швами. Верхний край кармана может быть обработан припуском; застрочен швом вподгибку с закрытым срезом; обтачкой, настроченной на лицевую сторону или окантован полоской материала.

Выбираем обработку верхнего среза вподгибку с закрытым срезом:

Рисунок 2 - Обработка накладного кармана

Обработка рукавов. Заготовка и соединение манжет с рукавами.

Рукава бывают цельнокроеные или с отрезной надставкой в области застежки. Если есть надставка, низ рукава обрабатывается планкой или срезы рукава и надставки окантовываются. В противном случае рукав выкраивают с разрезом по низу, меняется последовательность технологической обработки.

При обработке низа рукавов с притачными манжетами без застежки вначале изготавливают манжеты из одной или двух частей.

В манжетах из одной части стачивают поперечные стороны, швы расправляют или разутюживают.

Соединение манжет с рукавами выполняется после втачивания рукавов в «открытые» проймы, стачивания боковых срезов, нижних срезов рукавов сорочки.

Рисунок 3 - Соединение манжеты с рукавом

Обработка воротника.

Воротники в женских платьях применяют различной конструкции и изготавливают как из основной ткани, так и из отделочной. По конструкции воротники могут быть втачные и цельнокроеные, с полочками лифа или подбортами. Втачные воротники могут иметь верхний воротник; из одной или двух частей. В ряде моделей воротники изготавливают с притачной стойкой.

В зависимости от вида ткани воротники обрабатывают с прокладкой или без нее. В качестве прокладочных материалов используют бязь или мадаполам с клеевым покрытием или; без него, а также нетканые материалы. В моделях одежды без воротника срезы горловины обычно обрабатывают обтачками.

Обработка воротников состоит из двух этапов: обработки воротников и соединения их с изделием.

Соединение воротников с изделием выполняют после стачивания плечевых срезов.

В платьях плечевые срезы стачивают на универсальной машине с одновременным прокладыванием тесьмы или кромки для предохранения срезов от растяжения. Швы обметывают и сутюживают. В зависимости от модели плечевые швы могут быть разутюжены.

Обработка воротника:

Рисунок 4 - Обтачивание воротника

Соединение воротника с изделием

Рисунок 5 - Соединение воротника с изделием

Обработка застежки втачными планками.

Застежки в женских платьях могут быть различной конструкции. Их можно разделить на три вида: застежки, доходящие и не доходящие до низа изделия, и застежки, расположенные в середине детали.

Методы обработки застежек обуславливаются их конструкцией и моделью изделия.

В платьях наиболее распространенной является застежка на пуговицы.

Обработка следующая: планку притачивают по линии подгиба низа, совмещая линии разметки. Припуск на подгиб низа изделия перегибают в сторону изнанки и подшивают на универсальной машине. Планку укладывают на изнанку полочки и обтачивают. Припуск на шов подрезают, планку отвертывают на лицевую сторону изделия, шов обтачивания приутюживают, выправляя кант. Внутренний край планки настрачивают на полочку.

Схема обработки застежки планками представлена на рисунке 6.

Рисунок 6 - обработка застежки втачными планками

Машины для пришивки пуговиц, крючков, изготовления закрепок и петель относятся к специальным машинам - полуавтоматам. При работе на таких полуавтоматах работающий только закладывает в машину изделие или его детали, включает машину и вынимает изделие после выполнения строчки. В конце выполнения строчки машины- полуавтоматы останавливаются автоматически при верхнем исходном положении иглы. В некоторых машинах автоматически обрезаются нитки в конце строчки; размечаются, подаются и устанавливаются на место пришивки пуговицы.

Применение машин - полуавтоматов в несколько раз повышает производительность труда по сравнению с пришивкой пуговиц, крючков, изготовлением закрепок и петель ручным способом. Качество и прочность строчек машин - полуавтоматов при нормальной их работе превосходит качество и прочность ручных строчек. Поэтому при изготовлении одежды в массовом производстве пришивку пуговиц, крючков, изготовление закрепок петель выполняют па этих специальных швейных машинах.

Пуговицы пришиваются челночными и цепными однониточными стежками обычно при сквозных проколах материала иглой. Пуговицы с двумя отверстиями пришиваются за 14 проколов иглой с расположением стежков по одной линии.

Для изготовления петель зигзагообразной двухниточной цепной строчкой на швейных фабриках применяется несколько классов машин - полуавтоматов.

Перед изготовлением петли размечают мелом с изнанки изделия по лекалу двумя линиями: вдоль петли и поперек ее около края борта. В случае выполнения петли без закрепки концы ниток строчки и каркасную нитку продергивают через отверстие петли на ее изнанку и ставят закрепку с лицевой стороны на закрепочной машине. Концы ниток петли обрезают ножницами. Длина закрепки 3 - 4 мм [1,11].

Выбранные методы обработки позволяют снижать затраты времени, повышать производительность труда и степень механизации производства, влияющие на экономическую эффективность использования в технологическом процессе новейшего оборудования, прогрессивных методов обработки, так как всё это в совокупности определяет уровень качества изготовленных изделий.

3.3 Характеристика строчек и швов, используемых при изготовлении модели

К ниточным швам относят места обработки или соединения деталей строчками.

Ниточные швы выполняют одной или несколькими строчками. Строчки состоят из ряда стежков, представляющих собой переплетение ниток между двумя проколами детали иглой. В зависимости от характера переплетения ниток и расположения стежков строчки могут сильно отличаться друг от друга по внешнему виду и строению.

Машинные стежки и строчки подразделяют на стачные, краевые и отделочные.

Выполнение отделочных строчек, закрепок, обметывание петель производятся хлопчатобумажными, шелковыми или синтетическими нитками. Срезы деталей обметывают хлопчатобумажными или синтетическими нитками. Цвет ниток должен соответствовать цвету основной ткани.

При пришивании пуговиц, крючков, петель, фурнитуры применяют нитки, сочетающиеся по цвету с цветом пуговиц, цветом основной ткани.

Концы внутренних строчек, выполненных на стачивающих швейных машинах или полуавтоматах с механизмом обратной подачи ткани, закрепляют обратной строчкой длиной 1-1,5 см.

При прокладывании строчек по замкнутым линиям (втачивание рукавов в проймы) концы строчек должны заходить один за другой не менее чем на 1,5 см.

Характеристика строчек машинных стежков и строчек, применяемых при изготовлении женского демисезонного платья, для повседневной носки представлена в таблице 2.

Таблица 2 - Характеристика машинных стежков и строчек, применяемых при изготовлении женского платья

Область применения стежков и строчек

Эскиз стежка, строчки

Код и наименование стежка ГОСТ 12807 - 2003

Наименование строчки ГОСТ 12807 - 2003

Втачивание воротника в горловину, притачивание манжет к рукаву

301 двухниточный челночный стежокСтачивающая однолинейная строчка



Обтачивание воротника, обтачивание манжет

301 двухниточный челночный стежокСтачивающая однолинейная строчка



Обработка верхнего среза кармана, низа платья, прокладывание отделочных строчек

301 двухниточный челночный стежокСтачивающая однолинейная строчка

304 Двухниточный зигзагообразный челночный стежокСтачивающая с одновременным обметыванием однолинейная строчка



Обметывание срезов деталей изделия

504 трехниточный цепной стежокСтачивающе - обметочная однолинейная




4   
ХАРАКТЕРИСТИКА ОБОРУДОВАНИЯ И ПРИСПОСОБЛЕНИЙ МАЛОЙ МЕХАНИЗАЦИИ

4.1 Выбор и характеристика швейного оборудования

При выборе оборудования для изготовления женского платья повседневной носки необходимо учитывать вид материала и направления развития швейного оборудования. Одним из этих направлений являются: автоматизация работы специальных машин; использование приспособлений малой механизации; использование спецмашин и полуавтоматов, которые позволяют высококачественно выполнить сложные операции и совмещают несколько операций в одну.

Для операций таких, как стачивание, настрачивание, притачивание можно использовать машину DDL - 8700 «JUKI». Это прямострочная машина челночного стежка для легких и средних материалов. Низкий уровень шума и вибрации позволяет создать для оператора более комфортабельные условия работы.

В машине сохранены все превосходные качества предыдущих моделей машин челночного стежка «JUKI», такие как высокая скорость шитья, отличное качество шитья, легкость в обращении и надежность.

Нитепритягиватель, челнок, нитедержатель, лапка и механизм подачи были усовершенствованы и теперь позволяют шить с низким натяжением нити.

Машина легко перестраивается на различные типы ткани, выполняя красивые швы превосходного качества.

Для стачивания с одновременным обметыванием можно использовать машину МО - 735 «JUKI». Машина выполняет стачивающее - обмёточный, ролевой, плоский шов, цепной стежок. С помощью встроенного дифференциала можно создать эффект «волнистого края», а возможность регулировки давления лапки позволяет с легкостью работать с многослойными материалами. Удобный переключатель выбора швов, система быстрой заправки.

Для обметывания срезов можно использовать промышленный оверлок MO-6704S-OE4-40H «JUKI». Этот 3-х ниточный оверлок предназначен для обметывания краев деталей швейных изделий из хлопчатобумажных, шерстяных, шелковых, льняных, синтетических тканей и трикотажных полотен с одновременной обрезкой края. Оверлок повышенной надежности, обеспечивает отсутствие шума и вибрации даже на самой высокой скорости, оснащен дифференциальным механизмом подачи материала и централизованной автоматической системой смазки.

Для пришивания пуговиц можно использовать пуговичный полуавтомат MB-373NS «JUKI». Он предназначен для пришивания круглых плоских пуговиц (2 или 4 отверстия) и пуговиц на ножке (при установке специального пуговицедержателя). Расстояние между проколами может быть легко изменено операционным рычагом. Уникальный замедлитель предотвращает вибрацию при останове полуавтомата, обеспечивая аккуратное и плавное завершение процесса. Диаметр пуговиц 10 - 28 мм.

Для обметывания петель можно использовать петельный полуавтомат LBH-780 «JUKI». Одноигольный петельный полуавтомат челночного стежка предназначен для выполнения прямой петли. Высокая производительность, плавная работа механизмов и высококачественное изготовление петель на самых различных типах материалов. Удобство и простота регулировки необходимой длины петли и ширины кромок, качественная обрезка нитей при завершении цикла шитья.

Петельный швейный полуавтомат JUKI LBH-780 позволяет выметывать петли даже на тяжелых тканях толщиной до 4 мм под прижимной рамкой [10,12]. Характеристика швейного оборудования для изготовления женского демисезонного платья из полушерстяной ткани представлена в таблице 3.1.

 

Таблица 3.1 - Характеристика швейного оборудования для изготовления женского летнего платья из полушерстяной ткани

Класс, тип, марка оборудования страна, фирма

Назначение машины

Тип стежка

частота вращения глав. вала, об\мин

Длина стежка мм

Двигатель материала

Иглы

Нитки

Материалы

Толщина сшиваемого пакета

Дополнительные данные

DDL - 8700 «JUKI»

Стачивание, притачивание, настрачивание, втачивание деталей и узлов из основной ткани

301

5500

До 5,0

нижняя рейка и игла

№70,7580, 85, 90,100 110

х\б 60, 50, 40 36лх,35лх22лл,33лл25лл,28лл25лх

Легкие и средние материалы

до 5

Автоматическая обрезка ниток, подъем и опускание лапки, закрепление начала и конца строчки

МО - 735 «JUKI»

Стачивание с одновременным обметыванием срезов

504

5000

до 9,0

нижняя рейка и игла

№70,75 80, 85, 90, 100 110

х\б 60, 50, 40 36лх,35лх 22лл,33лл 25лл,28лл 25лх

Легкие и средние материалы

до 5

Автоматическая обрезка ниток, подъем и опускания лапки, удобный переключатель выбора швов, система быстрой заправки.

MO-6704S-OE4-40H «JUKI»

Обметывание срезов

504

5000

До 9,0

нижняя рейка и игла

№70,7580, 85, 90,100 110

х\б 60, 50, 40 36лх,35лх22лл,33лл25лл,28лл25лх

Х/б, шерстяные, шелковые, льняные, синтетические ткани и трикотажн. полотна

до 5

Автоматическая обрезка ниток, подъем и опускание лапки, закрепление начала и конца строчки

Петельный полуавтомат LBH-780 «JUKI»

Выметывание петель

304

3600

54~345

нижняя рейка и игла

DPx5 № 75

х\б 60, 80 22лл 25лл 28лл

Тяжелые, легкие и средние материалы

до 5

Автоматическая обрезка ниток, подъем и опускание лапки, закрепление начала и конца строчки. Регулировки необходимой длины петли и ширины кромок.

Пуговичный полуавтомат MB-373NS «JUKI»

Пришивание пуговиц

304

1500

8, 16, 32 10~28 мм.

нижняя рейка и игла

TQx7 № 100

х\б 60, 80 25лл 25 лх 28лл

Тяжелые, легкие и средние материалы

до 5

Автоматическая обрезка ниток, подъем и опускание лапки, закрепление начала и конца строчки.



Применение данного оборудования обеспечивает рост производительности труда и качество при обработке изделий.

4.2   Выбор и характеристика оборудования для дублирования и влажно-тепловой обработки

Выбор режимов влажно-тепловой обработки изделия зависит от волокнистого состава, степени крутки и переплетения нитей тканей толщины, цвета и вида поверхности, обрабатываемого материала. Поэтому для предания и закрепления формы деталей, сохранения нужных физико-механических свойств материала, необходимо уметь подбирать режимы обработки в каждом конкретном случае и строго их соблюдать.

Под режимами влажно - тепловой обработки понимается диапазон значений основных факторов (температура, продолжительность воздействия и давление) и их взаимосвязь, качество и производительность работ.

Продолжительность контакта гладильной поверхности с полуфабрикатом устанавливают в зависимости от физико-механических свойств обрабатываемого материала, толщины пакета, а также от выбранных режимов влажно - тепловой обработки.

Установлено, что основная часть деформации (70 - 80 %) происходит во время прогрева в течение 1 - 2 секунд, поэтому необходимо регулировать температуру нагрева.

Давление прессования зависит то физико-механических свойств материала, вида выполняемой операции и составляет в среднем 20 - 100 кПа. При прессовании бортов, лацканов, низа изделия следует выбирать наибольшее время выдержки и близкие к пределам значения температуры и давления.

Операции отпаривания изделий выполняют при минимальном давлении и времени обработки изделия.

После окончательной влажно-тепловой обработки и отпаривания, изделие должно быть просушено и охлаждено в подвешенном виде до полного закрепления приданной ему формы.

Таким образом, для обеспечения высокого качества влажно-тепловой обработки необходимо правильно выбирать и точно соблюдать установленные технологические режимы влажно-тепловой обработки.

Для дублирования деталей можно использовать дублирующий пресс проходного типа SR - 300 Aurora. Компактный проходной пресс с шириной ленты 300 мм предназначен для дублирования текстильных материалов в процессе производства одежды. Пресс обеспечивает надёжное дублирование под действием нагрева. Температура дублирования и время выдержки регулируется в зависимости от обрабатываемого материала.

Для утюжильных работ можно использовать промышленный утюг PG036/1 LELIT. Сбалансированный вес для легкого глаженья, кнопка подачи пара легко адаптируется для левшей. Система "сухой - пар": обеспечивает производство равномерного и сухого пара.

Консольный гладильный стол KS200 LELIT. Используется на этапах моделирования, промежуточного и окончательного глажения. Поверхность стола оснащена подогревом и усиленным вакуум отсосом.

В работе также необходимо использование линейки, мела и колышка, для выправления углов и краев деталей.

Для данного материала подходит деревянный колышек, он не так травмирует ткань, как металлический.

Мел прямоугольной формы, самоисчезающий, нормальной твердости. Для обмеловки различных тканей. Исчезает сам через 24 - 36 часов, в зависимости от ткани, или при влажно - тепловой обработке.

Линейка должна быть ровная и чистая с хорошо выделенными делениями и цифрами.

4.3  
Выбор и характеристика приспособлений малой механизации

Таблица 3.2 - Характеристика приспособлений малой механизации, рекомендуемых для изготовления женского демисезонного платья

Наименование приспособления

Марка, тип, завод изготовитель

Эскиз выполняемой операции, ТУ

Назначение приспособления

Лапка двухрожковая с вылетом навесной направляющей до 25мм

P 803

 Стачивание швов при совмещении срезов обрабатываемых деталей


Лапки с пружинным ограничителем (левосторонняя, правосторонняя)

P10 - P18

Прокладывание отделочных строчек

Приспособление для продергивания нити, ее закрепление на товарном ярлыке

Этикет пистолет

-

Поддерживание и закрепление нити на товарном ярлыке


На основании выбранных методов обработки, которые отвечают современному оборудованию и технологичности была составлена технологическая последовательность обработки женского демисезонного платья повседневной носки из полушерстяной ткани, для старшей возрастной группы, которая представлена в таблице 4.

5   ТЕХНОЛОГИЧЕСКАЯ ПОСЛЕДОВАТЕЛЬНОСТЬ ОБРАБОТКИ МОДЕЛИ

Технологическая последовательность обработки женского демисезонногоплатья для повседневной носки представлена в таблице 4.

Таблица 4 - Технологическая последовательность обработки демисезонного платья из полушерстяной ткани для женщин старшей возрастной группы

№ т.о.

Содержание технологической операции

Специальность

Разряд

Затраты времени, с

Применяемое оборудование и приспособления малой механизации

1

Запустить детали кроя в поток

Р

2

75

Стол

ЗАГОТОВКА

Обработка воротника

2

Продублировать верхний воротник

ПР

3

22

SR-300 Aurora

3

Обтачать верхний воротник нижним по отлету и концам

М

3

25

DDL - 8700 «JUKI»

4

Вывернуть воротник и выправить углы

Р

2

12

Колышек

5

Приутюжить воротник, выправляя кант из верхнего воротника

У

3

38

Утюг PG036/1 LELIT, стол KS200 LELIT

6

Проложить отделочную строчку по концам и отлету воротника

М

3

25

DDL - 8700 «JUKI»


Итого:



122


Обработка манжет

7

Продублировать манжеты

ПР

3

32

SR-300 Aurora

8

Обтачать манжеты с трех сторон

М

3

48

DDL - 8700 «JUKI»

9

Вывернуть манжеты и выправить углы

Р

3

30

Колышек

10

Приутюжить манжеты

У

3

20

Утюг PG036/1 LELIT, стол KS200 LELIT

11

Проложить отделочную строчку по краям манжет

М

3

30

DDL - 8700 «JUKI»


Итого:



160


Обработка накладного кармана

12

Застрочить верхний и нижний срезы карманов, одновременно прокладывая отделочную строчку

М

3

24

DDL - 8700 «JUKI»


Итого:



24


Обработка переда

13

Стачать рельефные швы, вкладывая боковой срез кармана по наметке, с одновременным обметыванием срезов

М

3

50

МО -735 «JUKI»

14

Заутюжить рельефные швы

У

3

35

Утюг PG036/1 LELIT, стол KS200 LELIT

15

Проложить отделочную строчку по рельефу

М

3

32

DDL - 8700 «JUKI»


Итого:



117


Обработка спинки

16

Стачать рельефные швы, с одновременным обметыванием срезов

М

3

50

МО -735 «JUKI»

17

Заутюжить рельефные швы

У

3

35

Утюг PG036/1 LELIT, стол KS200 LELIT

18

Проложить отделочную строчку по рельефу

М

3

32

DDL - 8700 «JUKI»

19

Стачать средний шов, с одновременным обметыванием среза

М

3

10

МО -735 «JUKI»

20

Заутюжить средний шов

У

3

17

Утюг PG036/1 LELIT, стол KS200 LELIT


Итого:



144


МОНТАЖ

21

Стачать плечевые швы переда и спинки, с одновременным обметыванием срезов

М

3

10

МО -735 «JUKI»

22

Заутюжить плечевые швы

У

3

22

Утюг PG036/1 LELIT, стол KS200 LELIT

23

Стачать боковые срезы переда и спинки, с одновременным обметыванием срезов

М

3

50

МО -735 «JUKI»

24

Заутюжить боковые швы

У

3

22

Утюг PG036/1 LELIT, стол KS200 LELIT

25

Застрочить низ изделия

М

3

143

DDL - 8700 «JUKI»

25

Втачать рукава в открытые проймы, с одновременным обметыванием срезов

М

3

110

МО -735 «JUKI»

26

Заутюжить швы втачивания рукавов

У

3

32

Утюг PG036/1 LELIT, стол KS200 LELIT

27

Притачать манжеты к нижнему срезу рукава, с одновременным обтачиванием срезов

М

3

84

МО -735 «JUKI»

28

Заутюжить швы притачивания манжет

У

3

30

Утюг PG036/1 LELIT, стол KS200 LELIT

29

Втачать воротник в горловину

М

3

78

DDL - 8700 «JUKI»

30

Настрочить шов втачивание воротника в горловину

М

3

65

DDL - 8700 «JUKI»

31

Заутюжить пополам планки

У

3

8

Утюг PG036/1 LELIT, стол KS200 LELIT

32

Обтачать верхний срез планок

М

3

8

DDL - 8700 «JUKI»

33

Вывернуть планки и выправить угол

Р

3

15

Колышек

34

Приутюжить планки

У

3

Утюг PG036/1 LELIT, стол KS200 LELIT

35

Планки наложить на лицевую сторону переда и притачать, предварительно в конце застежки проложить долевик

М

3

36

DDL - 8700 «JUKI»

36

Вывернуть планки на изнанку переда, накладывая правую планку на левую

Р

3

9


37

Перед отогнуть на уровне конца застежки, подтянуть концы планок, угол в конце разреза расправить и закрепитьзастежку по основанию угла двойной обратной строчкой

М

3

10

DDL - 8700 «JUKI»

38

Обметать швы притачивания планок и нижние концы планок

СМ

3

34

MO-6704S-OE4-40H  <http://www.knitism.ru/catalog/?goods=173>«JUKI»

39

Наметить место расположение петель

Р

2

8

Мел, лекало

40

Обметать петли

ПА

3

18

LBH - 780 «JUKI»


Итого по монтажу:



800


ВТО И ОКОНЧАТЕЛЬНАЯ ОТДЕЛКА

41

Приутюжить готовое платье

У

4

112

Утюг PG036/1 LELIT, стол KS200 LELIT

42

Нанести место расположения пуговиц

Р

2

22

Мел, лекало

43

Пришить пуговицы

ПА

3

42

МВ - 373 NS «JUKI»

44

Навесить товарный ярлык и памятки

Р

3

15

Стол

45

Застегнуть петли на пуговицы

Р

2

6


46

Укомплектовать по маршрутным листам

Р

2

11

-

47

Упаковать готовое платье

Р

2

32


48

Сдача на склад

Р

2

56



Итого:



296



Итого по изделию:



1738



Технологическая последовательность обработки демисезонного платья из полушерстяной ткани для женщин старшей возрастной группы показывает очередность выполнения каждой операции в заготовительной группе, группе монтажных операций, отделочных операций и окончательной ВТО.            Технологическая последовательность показывает нормы времени на каждую операцию.

На изготовление женского демисезонного платья необходимо 1738 сек. времени (30 минут). Следовательно, за 1 смену (8 часовой рабочий день)

рабочий может изготовить 15 - 16 платьев.

ЗАКЛЮЧЕНИЕ

Целью данной контрольной работы являлась разработка технологической последовательности по изготовлению женского демисезонного платья для повседневной носки, для женщин старшей возрастной группы (средней ценовая категория).

Был выбран ассортимент основных материалов и пакет прикладных материалов (прокладочные ткани; швейные нитки; фурнитура), которые в полной мере соответствуют предъявляемым к изделию требованиям: гигиеническим, эксплуатационным, эстетическим и пр.

Выбранная модель женского демисезонного платья не только отвечает существующему направлению современной моды, но и благодаря своей классичности и средней ценовой категории будет востребована и во многих последующих сезонах, а также для женщин с разным уровнем дохода.

При изготовлении выбранного изделия было применено новое высокопроизводительное оборудование и усовершенствованные методы обработки, которые позволили сократить затраты времени выполнения отдельных операций на 50%, и, соответственно, поднять производительность труда на 100%.

Таким образом, итогом проведенной работы является разработка технологической последовательности женского демисезонного платья, построение процесса обработки и изготовления выбранного изделия.

СПИСОК ИСПОЛЬЗОВАННЫХ ИСТОЧНИКОВ

1.     Савостицкий А.В., Меликов Е.Х. Технология швейных изделий. - М.: Легкая и пищевая промышленность, 1982. - 438 с.

2.     Бузов Б.А. Материаловедение в производстве изделий легкой промышленности (швейное производство) / Б.А. Бузов, Н.Д. Алыменкова; под ред. Б.А. Бузова. - М.: Издательский центр «Академия», 2004. - 442 с.

3.       Харлова О.Н. Методические указания по курсовому проектированию по дисциплине «Конструирование одежды». - Новосибирск, НТИ МГУДТ, 2000 45 с.

4.       ГОСТ 22977 - 89 Детали швейных изделий. Термины и определения. - М.: Издательство стандартов, 2009.

5.     Мальцева Е.П. Материаловедение текстильных и кожевенно-меховых материалов. - М.: Наука, 1989 - 452 с.

6.     Итоги работы легкой промышленности за 9 месяцев 2010 г.// Швейная промышленность. - 2011. № 1., с. 6-10.

7.       www.osinka.ru <http://www.osinka.ru>

8.       ГОСТ 15968 - 87 Ткани чистольняные, льняные и полульняные одежные. Общие технические условия. - М.: Издательство стандартов, 2003.

9.       Шершнева Л.П. Качество одежды. - М.: Легпромбытиздат, 1985 - 97 c.

10.     Инструкция. Технические требования к соединению деталей швейных изделий. - М.: ЦНИИТЭИлегром, 1991. - 101 с.

11.     Кокеткин П.П. Одежда - технология, техника, процессы - качество. - М.: МГУДТ, 2001. - 560 с.

12.     Редько-Левченко Т. Л. Методические указания по правилам оформления курсовых, дипломных проектов и других типовых документов - Новосибирск: НТИ МГУДТ, 2006 - 45 с.

СПИСОК ИСПОЛЬЗОВАННЫХ ИСТОЧНИКОВ

1.     Савостицкий А.В., Меликов Е.Х. Технология швейных изделий. - М.: Легкая и пищевая промышленность, 1982. - 438 с.

2.     Итоги работы легкой промышленности за 9 месяцев 2010 г.// Швейная промышленность. - 2011. № 1., с. 6-10.

3.       Бузов Б.А. Материаловедение в производстве изделий легкой промышленности (швейное производство) / Б.А. Бузов, Н.Д. Алыменкова; под ред. Б.А. Бузова. - М.: Издательский центр «Академия», 2004. - 442 с.

4.     гост 52771-2007. Классификация типовых фигур женщин по ростам, размерам и полнотным группам для проектирования одежды

5.     ГОСТ 22977 - 89 Детали швейных изделий. Термины и определения. - М.: Издательство стандартов, 2009.

.       Харлова О.Н. Методические указания по курсовому проектированию по дисциплине «Конструирование одежды». - Новосибирск, НТИ МГУДТ, 2000

.       Стельмашенко В.И. Материалы для одежды и конфекционирование: учебник для студ. высш. учеб. заведений / В.И. Стельмашенко, Т.В. Розарёнова. - 2-е изд., допол. - М.: Издательский центр «Академия», 2010. - 320 с.

8.     Гущина К. Г., Беляева С. А. Ассортимент, свойства и технические требования к материалам для одежды. М. Легкая индустрия, 1978.

9.     Шершнева Л.П. Качество одежды. - М.: Легпромбытиздат, 1985 - 97 c.

10.     Инструкция. Технические требования к соединению деталей швейных изделий. - М.: ЦНИИТЭИлегром, 1991. - 101 с.

.        Кокеткин П.П. Одежда - технология, техника, процессы - качество. - М.: МГУДТ, 2001. - 560 с.

12.   Редько-Левченко Т. Л. Методические указания по правилам оформления курсовых, дипломных проектов и других типовых документов - Новосибирск: НТИ МГУДТ, 2006 - 45 с.

Похожие работы на - Женский костюм на подкладке для повседневной носки из шерстяной ткани

 

Не нашли материал для своей работы?
Поможем написать уникальную работу
Без плагиата!
Без нейросетей!