Двухкаскадная пропаново-этановая холодильная установка. Разработка испарителя-конденсатора
Министерство
образования и науки Украины
Сумской
государственный университет
Кафедра
«Процессы и оборудование химических и нефтеперерабатывающих производств»
КОМПЛЕКСНЫЙ
КУРСОВОЙ ПРОЕКТ
по
дисциплине «Технологические линии и комплексы»
Тема
работы: «Двухкаскадная пропаново-этановая холодильная установка. Разработка
испарителя-конденсатора»
Выполнил
Рыбкин Н.А..
группа
ХМЗТ-41с
Проверил
Ляпощенко А.А.
РЕФЕРАТ
теплообмен технологический
холодильный испаритель конденсатор
Пояснительная записка: 52 с., 8
рис., 12 источников, 1
приложение.
Графические материалы: технологическая схема
двукаскадной холодильной установки,
сборочный чертеж аппарата, сборочные чертежи узлов - всего 4 листа формата А1.
Тема проекта: Двухкаскадная
пропан-этановая холодильная установка. Разработать испаритель-конденсатор».
Приведены описание технологической схемы
двухкаскадной холодильной установки, теоретические основы процесса теплообмена,
особенности конструкции испарителя-конденсатора, обоснован выбор конструкционных
материалов на основные детали аппарата, приведены их физико-механические и
технологические свойства, выполнены технологический и конструктивный расчеты
аппарата, рассчитано аэродинамическое сопротивление пучка труб, выбрано и
рассчитано вспомогательное оборудование.
Проведенными поверочными расчетами на прочность
подтверждена механическая надежность и конструктивное совершенство
спроектированного аппарата, являющиеся непременным условием длительной и
бесперебойной работы оборудования.
Ключевые слова: ИСПАРИТЕЛЬ КОНДЕНСАТОР,
УСТАНОВКА ХОЛОДИЛЬНАЯ, ПРИРОДНЫЙ ГАЗ, ТЕПЛООБМЕН,КОНДЕНСАЦИЯ, РАСЧЕТ.
СОДЕРЖАНИЕ
Введение
.Технологическая часть
.1 Описание технологической схемы
производства
.2 Теоретические основы процесса
теплообмена
.3 Описание объекта разработки,
выбор материалов
. Технологические расчеты процесса и
аппарата
.1 Тепловой баланс процесса
.2 Технологические расчеты
.3 Конструктивные расчеты
.4 Гидравлические расчеты
.5 Выбор вспомогательного
оборудования
. Расчеты аппарата на прочность
.1 Основные расчетные параметры
.2 Расчет цилиндрической обечайки
.3 Расчет толщины перегородки между
ходами по трубному пространству
.4 Расчет эллиптического днища
. Монтаж и ремонт аппарата
.1 Монтаж аппарата
.2 Ремонт аппарата
Выводы
Список использованной литературы
ВВЕДЕНИЕ
Теплообменниками называются аппараты, в которых
происходит теплообмен между рабочими средами независимо от их технологического
или энергетического назначения (подогреватели, выпарные аппараты, конденсаторы,
пастеризаторы, испарители, деаэраторы, экономайзеры и др.).
Технологическое назначение теплообменников
многообразно. Обычно различаются собственно теплообменники, в которых передача
тепла является основным процессом, и реакторы, в которых тепловой процесс
играет вспомогательную роль.
Классификация теплообменников возможна по
различным признакам.
По способу передачи тепла различаются
теплообменники смешения, в которых рабочие среды непосредственно соприкасаются
или перемешиваются, и поверхностные теплообменники-рекуператоры, в которых
тепло передаётся через поверхность нагрева - твёрдую (металлическую) стенку,
разделяющую эти среды.
По основному назначению различаются
подогреватели, испарители, холодильники, конденсаторы. Теплообмен,
являясь одним из наиболее распространенных процессов в природе, диалектически
связывает между собой процессы охлаждения и нагревания. Второй закон
термодинамики устанавливает невозможность самопроизвольного перехода теплоты от
менее нагретого тела к более нагретому, Конденсаторы - предназначены для
конденсации чистых пород и пара газовых смесей. Испарители - для выделения
паров из жидкой фазы при ее кипении
Можно выделить следующие основные требования,
к-ым должны соответствовать современные теплообменные аппараты:
1. Аппараты должны обеспечивать передачу
количества тепла от одной среды к другой с получением необходимых конечных
температур и при возможно большей интенсивности теплообмена.
2. При заданных термодинамических
параметрах рабочих сред (давление, t-ра, объем) и при различных агрегатных
состояниях, аппарат должен быть работоспособным и надежным в работе.
. Аппарат должен работать стабильно при
изменении процесса теплообмена физических, а возможно и химических свойств
рабочей среды.
1. ТЕХНОЛОГИЧЕСКАЯ ЧАСТЬ
1.1 Описание
технологической схемы
Необходимость получения, очистки и разделения
газовой смеси на отдельные компоненты или их фракции определяется в первую
очередь производственными, технологическими или экологическими нуждами.
К одним из широко распространённых способов
подготовки природного газа относиться так называемый охладительно -
конденсационный метод или так называемый метод низкотемпературной конденсации.
Сущность охладительно - конденсационного метода
состоит в том, что по мере понижения температуры газа (при постоянном давлении)
снижается упругость паров насыщенных компонентов, вследствие этого система
становится неравновесной. Часть веществ с более высокой упругостью паров
переходит в жидкую фазу, конденсируясь на холодной поверхности в виде пленки
или в объеме газа в виде мелкодисперсных капель. В конденсат обычно уходят в
первую очередь пары воды, а затем компоненты, имеющие плюсовые температуры
конденсации преимущественно с содержанием углеводородов фракций С4 - С6, при
этом в первую очередь отделяются углеводороды с большим содержанием молекул
углерода.
Процессы низкотемпературной конденсации (НТК)
проводят при охлаждении газовой смеси в результате отъема тепла охлажденными
обратными потоками газа или испаряющимися низкокипящими хладагентами (аммиаком,
пропаном, этиленом и др.). Различают прямоточную конденсацию и противоточную
конденсацию.
В процессе прямоточной конденсации разделяемая
газовая смесь и образующийся конденсат движутся в одном направлении, при этом
конденсируемый газ находится в состоянии равновесия со стекающим конденсатом. В
процессе противоточной конденсации разделяемая газовая смесь движется вверх,
контактируя со стекающим конденсатом, при этом фазы не находятся в состоянии
равновесия. Между фазами происходит массообмен, в результате которого газовая
(паровая) фаза все в большей мере обогащается низкокипящими компонентами и
обедняется высококипящими, а жидкая фаза - конденсат максимально обогащается
высококипящими компонентами и обедняется низкокипящими. В отводимом газе будет
находиться максимально возможное количество компонентов с низкой температурой
конденсации (с низкой критической температурой). В газоразделительных
установках природных газов такими компонентами являются метан и этан.
Образовавшийся углеводородный конденсат отделяется в сепараторах и разделяется
в ректификационной колонне (деэтанизаторе) на фракцию низкокипящих
углеводородов (метан + этан) и нестабильный газовый бензин.
Применение процессов низкотемпературной
конденсации целесообразно при содержании углеводородов С3Н8 + высшие более 300
г/м3.
В последние два десятилетия в передовых странах
процессам разделения газов в установках с использованием низкотемпературной
конденсации и адиабатического дросселирования сжатого газа отдают предпочтение
перед сорбционными процессами, т.к. при этом отпадает необходимость в
применении дефицитных сорбентов, уменьшается потребность в дополнительном
оборудовании. Во многих случаях такие процессы являются энергетически
выгодными, т.к. позволяют рекуперировать часть энергии.
Холодильная установка является неотъемлемой частью
установки низкотемпературной конденсации, которая обеспечивает необходимое
снижение температуры сырого газа перед подачей его в разделительные сепараторы.
Наиболее широко распространённым способом
получения умеренного холода являются одно и много каскадные парокомпрессорные
холодильные установки.
В парокомпрессорной холодильной установке в
качестве теплоносителя, отдающего тепло на низком температурном уровне,
используют охлаждаемую среду - газовую смесь. В качестве рабочего вещества в
установке используют низкокипящую жидкость пропан, этилен. На низком
температурном уровне рабочая среда кипит и испаряется под низким давлением,
отнимая тепло от охлаждаемого вещества.
Для расширения области охлаждения рабочего
вещества до очень низких температур применяют каскадные холодильные установки,
в которых используют несколько хладагентов с разными индивидуальными свойствами
- с разными, постепенно понижающимися критическими температурами.
Особенностью каскадных холодильных установок
является то, что они составлены из нескольких, последовательно соединенных
одно- или двухступенчатых холодильных машин, в которых применены разные
хладагенты, при этом в машине верхнего каскада тепло передается в конденсаторе
теплоносителям окружающей среды, а отнимается в испарителе от другого рабочего
вещества. Следовательно, испаритель машины первого (нижнего) каскада служит
конденсатором для хладагента второго каскада.
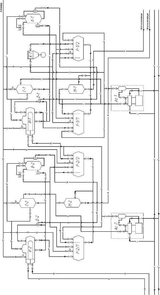
Принципиальная технологическая схема
двухкаскадной холодильной пропан - этановой установки приведена на рисунке 1.1.
Исходный сырой газ при начальной температуре
+12°С под давлением 1,4 МПа поступает в трубное пространство испарителя второго
каскада холодильной установки И - 2 где охлаждается до температуры - 35 °С за
счёт испарения жидкого этана. Пары этана отводятся из испарителя И - 2 через
сепаратор С - 2 в нагнетательную линии компрессора второго каскада Аг 2, а
отделённый от паров в сепараторе С- 2 жидкий этан возвращается в испаритель И -
2. Избыток жидкого этана переливается через регулирующую перегородку и
сливается в ресивер Р - 2/1.
После сжатия паров этана в компрессоре Аг 2 пары
поступают в трубное пространство конденсатора испарителя И - 1, где
конденсируются и виде жидкости отводятся в ресивер Р - 2/2. С ресивера Р - 2/2
жидкий этан под собственным давлением поступает в дроссельное устройство Д - 2,
где его давление снижается и далее поступае6т в испаритель И - 2.
Первый пропановый контур холодильной установки
работает аналогично этановому контуру, только в качестве конденсатора паров
высокого давления служит аппарат воздушного охлаждения К - 1, отдающий тепло
конденсирующегося пропана окружающему воздуху.
Оба контура холодильной установки снабжены
вспомогательным технологическим оборудованием для обеспечения стабильной и
качественной работы установки. К вспомогательному оборудованию относятся
ресиверы Р - 1/1, Р - 1/2, Р - 2/1, Р - 2/2, маслоотделители М - 1 и М - 2, а
также воздухоотделители В - 2 и В - 1. Ресиверы предназначены для обеспечения
стабильной работы холодильной установки при изменениях тепловой нагрузки. А
также ресиверы выполняют роль масляных сепараторов отделяющий масло, попавшее в
объём рабочего тела со стенок цилиндров компрессоров. Масло вместе с рабочей
жидкость из нижней части ресивера отводиться в маслоотделитель М - 1 и М - 2,
где более тщательно отделяется от рабочего тела, и далее масло отправляется на
регенерацию для возвращения в систему смазки компрессоров. Очищенная жидкость
рабочего тела холодильных контуров (пропан и этан соответственно) возвращаются
в соответствующий рабочий контур холодильной установки.
Также при заполнении контуров холодильной
установки рабочим телом, а также во время работы в систему из окружающей среды
может попасть воздух, который снижает эффективность работы установки. Для его
удаления в схеме предусмотрены автоматические воздухоотделители В - 1 и В - 2.
Из аппаратов В - 1 и В - 2 воздух с незначительным количеством газа через
обратный клапан поступает в факельную линию.
Также предусмотрен аварийный сброс рабочей среды
из ресиверов и испарителей в факельную линию при повышении рабочего давления в
аппаратах выше допустимого.
Для охлаждения цилиндров компрессоров
предусмотрена линия подачи охлаждающей жидкости.
1.2 Теоретические основы процесса
теплообмена
Перенос энергии в форме тепла,
происходящий между телами, имеющими различную температуру, называется
теплообменом. Движущей силой любого процесса теплообмена является разность
температур более нагретого и менее нагретого тел, при наличии которой тепло
самопроизвольно, в соответствии со вторым законом термодинамики, переходит от
более нагретого к менее нагретому телу. Теплообмен между телами представляет
собой обмен энергией между молекулами, атомами и свободными электронами; в
результате теплообмена интенсивность движения частиц более нагретого тела
снижается, а менее нагретого - возрастает.
Тела, участвующие в
теплообмене, называются теплоносителями.
Теплопередача - наука о
процессах распространения тепла. Законы теплопередачи лежат в основе тепловых
процессов - нагревания, охлаждения, конденсации паров, выпаривания - и имеют
большое значение для проведения многих массообменных (процессы перегонки, сушки
и др.), а также реакционных процессов химической технологии, протекающих с
подводом или отводом тепла.
Законы теплопередачи лежат в
основе тепловых процессов - нагревания, охлаждения, конденсации паров,
выпаривания - и имеют большое значение для проведения многих массообменных
(процессы перегонки, сушки и др.), а также реакционных процессов химической
технологии, протекающих с подводом или отводом тепла.
Различают три принципиально
различных элементарных способа распространения тепла: теплопроводность,
конвекцию и тепловое излучение.
Теплопроводность представляет
собой перенос тепла вследствие беспорядочного (теплового) движения микрочастиц,
непосредственно соприкасающихся друг с другом. Это движение может быть либо
движением самих молекул (газы, капельные жидкости), либо колебанием атомов (в
кристаллической решетке твердых тел), или диффузией свободных электронов (в металлах).
В твердых телах теплопроводность является обычно основным видом распространения
тепла.
Конвекцией называется перенос
тепла вследствие движения и перемешивания макроскопических объемов газа или
жидкости.
Перенос тепла возможен в
условиях естественной, или свободной, конвекции, обусловленной разностью
плотностей в различных точках объема жидкости (газа), возникающей вследствие
разности температур в этих точках или в условиях вынужденной конвекции при
принудительном движении всего объема жидкости, например в случае перемешивания
ее мешалкой.
Тепловое излучение - это
процесс распространения электромагнитных колебаний с различной длиной волн,
обусловленный тепловым движением атомов или молекул излучающего тела. Все тела
способны излучать энергию, которая поглощается другими телами и снова
превращается в тепло. Таким образом, осуществляется лучистый теплообмен; он
складывается из процессов лучеиспускания и лучепоглощения.
В реальных условиях тепло
передается не каким-либо одним из указанных выше способов, а комбинированным
путем. Например, при теплообмене между твердой стенкой и газовой средой тепло
передается одновременно конвекцией, теплопроводностью и излучением. Перенос
тепла от стенки к газообразной (жидкой) среде или в обратном направлении
называется теплоотдачей.
Еще более сложным является
процесс передачи тепла от более нагретой к менее нагретой жидкости (газу) через
разделяющую их поверхность или твердую стенку. Этот процесс носит название
теплопередачи.
В процессе теплопередачи
переносу тепла конвекцией сопутствуют теплопроводность и теплообмен излучением.
Однако для конкретных условий преобладающим обычно является один из видов
распространения тепла.
В непрерывно действующих
аппаратах температуры в различных точках не изменяются во времени и протекающие
процессы теплообмена являются установившимися (стационарными). В периодически
действующих аппаратах, где температуры меняются во времени (при нагревании или
охлаждении), осуществляются неустановившиеся, или нестационарные, процессы
теплообмена.
Расчет теплообменной аппаратуры
включает:
Определение теплового потока
(тепловой нагрузки аппарата), т.е. количества тепла Q, которое должно быть
передано за определенное время (в непрерывно действующих аппаратах за 1сек ли
а1 ч, в периодически действующих - за одну операцию) от одного теплоносителя к
другому. Тепловой поток вычисляется путем составления и решения тепловых
балансов.
Определение поверхности
теплообмена аппарата, обеспечивающей передачу требуемого количества тепла в
заданное время. Величина поверхности теплообмена определяется скоростью
теплопередачи, зависящей от механизма передачи тепла - теплопроводностью,
конвекцией, излучением и их сочетанием друг с другом. Поверхность теплообмена
находят из основного уравнения теплопередачи.
Тепло, отдаваемое более
нагретым теплоносителем, затрачивается на нагрев более холодного теплоносителя,
и некоторая относительно небольшая часть тепла расходуется на компенсацию
потерь тепла аппаратом в окружающую среду. Величина тепловых потерь в
теплообменных аппаратах, покрытых тепловой изоляцией, не превышает 3-5% полезно
используемого тепла. Поэтому в расчетах ею можно пренебречь. Тогда тепловой
баланс выразится равенством
= Q1 = Q2
,
где Q - тепловая нагрузка
аппарата;1 - тепло отдаваемое горячим теплоносителем;2 - тепло
поглощаемое холодным теплоносителем.
Пусть расход более нагретого
теплоносителя составляет Gl, его энтальпия на входе в аппарат I1н
и на выходе из аппарата I1к. Соответственно расход более холодного
теплоносителя - G2, его начальная энтальпия I2н и конечная
энтальпия Iгк- Тогда уравнение теплового баланса
Q = G1(I1Н
- I1к)
= G2 (I2К
- I2Н)
Если теплообмен протекает без
изменения агрегатного состояния теплоносителей, то энтальпии последних равны
произведению теплоемкости на температуру.
В технических расчетах
энтальпии часто не рассчитывают, а находят их значения при данной температуре
из тепловых и энтропийных диаграмм или из справочных таблиц.
Если теплообмен осуществляется
при изменении агрегатного состояния теплоносителя (конденсация пара, испарение
жидкости и др.) или в процессе теплообмена протекают химические реакции,
сопровождаемые тепловыми эффектами, то в тепловом балансе должно быть учтено
тепло, выделяющееся при физическом или химическом превращении. Так, при
конденсации насыщенного пара, являющегося греющим агентом, величина I1н
в уравнении (1) представляет собой энтальпию поступающего в аппарат пара, а I1к
- энтальпию удаляемого парового конденсата.
Общая кинетическая зависимость
для процессов теплопередачи, выражающая зависимость между тепловым потоком Q и
поверхностью теплообмена F, представляет собой основное уравнение теплопередачи
Q = K F Δtcp
τ,
где К - коэффициент
теплопередачи, определяющий среднюю скорость передачи тепла вдоль всей
поверхности теплообмена; Δtcp
- средняя разность температур между теплоносителями, определяющая среднюю
движущую силу процесса теплопередачи, или температурный напор; τ
- время.
Для непрерывных процессов
теплообмена уравнение теплопередачи имеет вид
Q=KFΔtcp
Теплоотдача при изменении
агрегатного состояния Конденсация паров.
В химической аппаратуре
теплоотдача от конденсирующегося пара осуществляется, как правило, в условиях
пленочной конденсации. При пленочной конденсации термическое сопротивление
практически полностью сосредоточено в пленке конденсата, температура которой со
стороны стенки принимается равной температуре стенки, а со стороны пара -
температуре насыщения пара. По сравнению с термическим сопротивлением пленки
соответствующее сопротивление паровой фазы пренебрежимо мало.
Режим течения пленки является
функцией критерия Рейнольдса: с увеличением толщины пленки ламинарное течение
пленки, имеющей гладкую поверхность, переходит в волновое, а затем становится
турбулентным. Кроме физических свойств конденсата (плотности, вязкости,
теплопроводности) на теплоотдачу влияет шероховатость стенки, ее положение в
пространстве и размеры стенки; в частности, с увеличением шероховатости
поверхности и высоты вертикальной стенки пленка конденсата утолщается книзу.
Обобщенное уравнение для
определения коэффициента теплоотдачи от конденсирующихся паров имеет вид
Nu=/(Ga, Рг, Кr),
где Nu - критерий Нуссельта; Ga
- критерий Галилея для плёнки конденсата; Pr - критерий Прандля, Kr - критерий,
характеризующий изменение агрегатного состояния вещества, или критерий
конденсации.
1.3 Описание объекта разработки,
выбор материалов
Испарители кожухотрубчатого типа применяют в
составе холодильной установки установках для испарения рабочего тела и отвода
тепла от хладоносителя или охлаждаемой среды.
Существует несколько типов испарителей и
применение обусловлено производительностью установки, условиями работы и т.д. В
холодильных установках большой производительности преимущественно используют
горизонтальные испарители с подачей горячего теплоносителя в трубное пространство,
испарением холодного теплоносителя в межтрубном пространстве и организацией
парового пространства для сепарации капель кипящей жидкости. В испарителях с
паровым пространством температурные удлинения трубчатки компенсируют
применением U-образных трубок, либо использованием трубчатки с плавающей
головкой (рис. 2.2, а, б).
В межтрубном пространстве поддерживается
постоянный уровень кипящей жидкости над трубным пучком с помощью переливной
перегородки, что в отдельных случаях позволяет производить отпаривание
индивидуальных компонентов жидкой смеси при её движении вдоль трубчатки и
непрерывном отводе отпаренной жидкости.
Стандартом (ГОСТ 14248-79) регламентировано
изготовление аппаратов двух разновидностей:
с коническим (исполнение 1) или эллиптическим (исполнение
2) днищем и компенсацией температурных удлинений применением U - образных
трубок (рис. 2.2, а);
с коническим (исполнение 1) или эллиптическим
(исполнение 2) днищем и компенсацией температурных удлинений применением
плавающей головки (рис. 2.2, б).
При высоких тепловых нагрузках в аппаратах с
эллиптическим днищем могут быть установлены два или три трубных пучка, которые
могут быть изготовлены из нержавеющей стали, что увеличивают срок эксплуатации
аппарата.
Испарители с U - образными трубами (типа У)
изготовляют с диаметром корпуса 800-1600 мм при длине труб 6000 мм и одном
трубном пучке с площадью поверхности теплообмена 51-224 м2. При применении двух
или трех трубных пучков диаметр корпуса составляет 2400-2800 мм с площадью
поверхности теплообмена 240-448 м2. Испарители типа П изготовляют с диаметром
корпуса 800-1600 мм при одном трубном пучке с площадью поверхности теплообмена
38-170 м2. При применении двух или трех трубных пучков диаметр корпуса
составляет 2400-2800 мм, площадь поверхности теплообмена составляет 192-340 м2.
Рисунок 1.2 - Теплообменники - испарители с
паровым пространством:
а - с коническим днищем и U- образными трубками;
б - с плавающей головкой и двумя трубными
пучками;
в - кожухотрубчатый с сухопарником;
- распределительная камера; 2 - трубная доска; 3
- корпус; 4 - трубчатка; 5 - крышка эллиптическая; 6 - переливная планка; 7 -
днище; 8 - опора; 9 - сухопарник
В качестве горячего теплоносителя, подаваемого в
трубное пространство, используют насыщенный водяной пар или горячие газы в
зависимости от температурного режима.
Аппарат состоит из корпуса цилиндроконической
формы . Корпус ограничен с одной стороны эллиптическим днищем, а с другой -
распределительной камерой. К крышке распределительной камеры приваривается
перегородка. Внутри корпуса располагается трубный пучок. Трубный пучок
ограничен трубными решетками: подвижной и неподвижной, в которых закреплены
теплообменные трубы. Подвижная решетка ограничивается плавающей головкой,
которая служит для компенсации температурных деформаций. Снаружи к корпусу
приварены штуцера для входа-выхода теплоносителей, а также технологические
штуцера. Испаритель опирается на седловые опоры, приваренные к нижней части
корпуса аппарата. Одна опора выполняется подвижной, вторая - неподвижной.
Уровень жидкости в корпусе аппарата
поддерживается переливной планкой с верхней зубчатой кромкой, обеспечивающей
равномерный слив жидкости по всему поперечному сечению.
Днище крепится с корпусом аппарата при помощи
сварки, а распределительная камера крепится к корпусу посредством фланцевого
соединения. Перегородка крепится с одной стороны к крышке распределительной
камеры при помощи сварки, а с другой стороны к трубной решетке с помощью
прокладки.
Принцип работы аппарата следующий. Холодный
теплоноситель подается в штуцер В межтрубного пространства. Горячий
теплоноситель двигаясь по трубам отдает свое тепло холодному, вследствие чего
последний меняет свое агрегатное состояние. Низкокипящий компонент в виде пара
выводится через штуцер Г.
Выбор конструкционных материалов
При выборе конструкционных материалов на
основные детали проектируемого аппарата учитываются следующие его важнейшие
свойства: прочностные характеристики, жаростойкость и жаропрочность,
коррозионная стойкость при агрессивном воздействии среды, физические свойства,
технологические характеристики, малая склонность к старению, состав и структура
материала, стоимость и возможность его получения, наличие стандарта или
утвержденных технических условий на его поставку (технико-экономические
показатели).
Выбор конструкционных материалов на основные
детали проектируемого аппарата осуществляется в соответствии с рекомендациями
([1], разд.1).
Сталь 16ГС ГОСТ 19282. Заменители: Сталь 17ГС,
Сталь 15ГС, Сталь 20Г2С, Сталь 20ГС, Сталь 18Г2С.
Назначение: изготовление фланцев, корпуса,
деталей, работающих при температурах -40…+475 0C
под давлением; сварных металлоконструкций, работающих при температуре до -70 0C.
Вид поставки (сортамент): листовой прокат (лист
толстый г/катаный ГОСТ 19903, лист тонкий х/катаный ГОСТ 19904, полоса ГОСТ
103), трубы (труба электросварная квадратная ТУ 14-105-566, труба
электросварная прямоугольная ТУ 14-105-566).
Основные физико-механические свойства:
модуль упругости E,
МПа ……………………………………200000
модуль сдвига G,
МПа ………………………….…………….77000
плотность r, кг/м3
……………………….…………………….7850
предел прочности sВ,
МПа, не менее ………………………..305
предел текучести sТ,
МПа, не менее …………………………….175
относительное сужение y,
% ……………………………………..51
относительное удлинение d,
% ………….………………………..27
Свариваемость: сваривается без ограничений.
Сталь 09Г2С ГОСТ 19282. Заменители: Сталь 09Г2,
Сталь 09Г2ДТ,
Сталь 09Г2Т, Сталь 10Г2С.
Назначение: изготовление фланцев, деталей,
работающих при температурах -40…+425 0C
под давлением.
Вид поставки (сортамент): фасонный прокат
(квадрат г/катаный ГОСТ 2591, круг г/катаный ГОСТ 2590), листовой прокат (лист
толстый г/катаный ГОСТ 19903, лист тонкий х/катаный ГОСТ 19904, полоса ГОСТ
103), профильный прокат (швеллер г/катаный ГОСТ 8240, балка двутавровая г/катаная
ГОСТ 8239).
Основные физико-механические свойства:
модуль упругости E,
МПа ……………………………………200000
модуль сдвига G,
МПа …………………….………………….77000
плотность r, кг/м3
……………………………………….…….7850
предел прочности sВ,
МПа, не менее …………………….…..360
предел текучести sТ,
МПа, не менее ………………………….180
относительное сужение y,
% …………………………………..56
относительное удлинение d,
% …………………………….…..25
твердость по Бринеллю, НВ ……………………………..…….115
Свариваемость: сваривается без ограничений.
Сталь 20 ГОСТ 1050. Заменители: Сталь 15,Сталь
25.
Назначение: изготовление штуцеров, крепежных
деталей (болты, шпильки, гайки), панелей, оснований, платы, кронштейнов,
угольников, ребер жесткости.
Вид поставки (сортамент):
фасонный прокат (шестигранник калиброванный ГОСТ
8560,
квадрат г/катаный ГОСТ 2591, круг г/катаный ГОСТ
2590, круг калиброванный, х/катаный ГОСТ 7417),
листовой прокат (лист толстый г/катаный ГОСТ
19903, лист тонкий х/катаный ГОСТ 19904, лист тонкий х/катаный оцинкованный
ГОСТ 19904, полоса ГОСТ 103),
ленты (лента х/катаная из углеродистой
конструкционной стали ГОСТ 2284, лента х/катаная из низкоуглеродистой стали
ГОСТ 503, лента х/катаная упаковочная ГОСТ 3560),
проволока (проволока низкоуглеродистая
качественная ГОСТ 792, проволока х/тянутая термически необработанная ГОСТ 17305,
проволока х/тянутая для холодной высадки ГОСТ 5663),
профильный прокат (швеллер г/катаный ГОСТ 8240,
уголок г/катаный равнополочный ГОСТ 8509, уголок г/катаный неравнополочный ГОСТ
8510, балка двутавровая г/катаная ГОСТ 8239),
трубы (труба водогазопроводная ГОСТ 3262, труба
бесшовная холодно- и теплодеформированная ГОСТ 8734, труба бесшовная
горячедеформированная ГОСТ 8732, труба бесшовная квадратная ГОСТ 8639, труба
бесшовная прямоугольная ГОСТ 8645, труба котельная ТУ 14-3-460, труба
электросварная квадратная ТУ 14-105-566, труба электросварная прямоугольная ТУ
14-105-566), сетки (сетка тканая ГОСТ 3826).
Основные физико-механические свойства:
модуль упругости E,
МПа ……………………………………200000
модуль сдвига G,
МПа ……………………………….……….74000
плотность r, кг/м3
………………………………………….….7850
предел прочности sВ,
МПа, не менее …………….………….420
предел текучести sТ,
МПа, не менее ……………………..….250
относительное сужение y,
% ………………………………….40
относительное удлинение d,
% ………………………………..16
твердость по Бринеллю, НВ …………………………………..156
твердость по Роквеллу (поверхностная), НRC
……..………..60
Свариваемость: сваривается без ограничений,
кроме химико-термически обработанных деталей.
Паронит ПОН (ПОН-1) ГОСТ 481.
Назначение: изготовление неметаллических
прокладочных материалов для уплотнения разъемов фланцевых соединений аппарата.
Основные физико-механические свойства:
плотность r, кг/см3
…………………………………………..1,6-2,0
условная прочность при разрыве в поперечном
направлении, кгс/см2, не менее …………………….…………………………………………60
2. ТЕХНОЛОГИЧЕСКИЕ РАСЧЕТЫ ПРОЦЕССА
И АППАРАТА
.1 Тепловой баланс процесса
Исходные данные для расчёта:
Производительность установки
по охлаждаемому природному газу …………………………60 000
нм3/ч
Давление природного газа на входе
в холодильную
установку.........................................................1,4 МПа
Начальная температура природного газа
…………………...12°С
Конечная температура природного газа …………………...-
35 °С
Состав природного газа, % об:
СН4 ……………………………………………………………..92,4
С2Н6
……………………………………………………………3,4
С3Н8 ……………………………………………………………3,3
С4Н10…………………………………………………………...0,9
Для проведения технологического расчёта
холодильной установки необходимо определить тепловую нагрузку по исходному
газу.
Массовая доля компонентов газовой смеси yi:
, (2.1)
где Мсм и Мi - мольная масса смеси
и мольные массы компонентов соответственно, кг/кмоль;
- массовая доля компонентов
газовой смеси.
Мсм= SМiyi. (2.2)
Результаты пересчета содержания компонентов
сырого газа в массовые доли сведены в табл.2.1.
Таблица
2.1-Пересчет содержания сырого газа в массовые доли
|
Компонент
|
Мольная
масса Mi, кг/кмоль
|
Содержание
yi', мол.
доля
|
yi'·Mi
|
Содержание
yi, масс.
доли
|
|
СН4
|
16
|
0,924
|
14,78
|
0,83
|
|
С2Н6
|
30
|
0,034
|
1,02
|
0,057
|
|
С3Н8
|
44
|
0,033
|
1,45
|
0,082
|
|
н-С4Н10
|
58
|
0,009
|
0,52
|
0,031
|
|
S
|
М=17,78
|
1,00
|
17,78
|
1,00
|
Расчет процесса однократной конденсации
углеводородной смеси производится по уравнениям:
, (2.3)
, (2.4)
где
,
- мольные
доли компонента в равновесных жидкой и паровой фазах (определяются для
температур t1'=12 0C и t1''=-35 0C);
c' - мольная
доля компонента в сыром газе;
e' - мольная
доля паров в равновесной газожидкостной смеси (определяется при t1'=12 0C и t1''= - 35 0C);
K
- константа фазового равновесия компонента при указанных температурах и
давлении p1=1,4 МПа (согласно
[9]).
Результаты расчета, которые ведутся методом
последовательного приближения, сведены в табл.2.3.
Таблица 2.3 - Расчет
конденсации углеводородной смеси
|
Углеводород
|
Mi
|
ci'
|
Mi ci'
|
|
СН4
|
16
|
0,924
|
14,78
|
|
С2Н6
|
30
|
0,034
|
1,02
|
|
С3Н8
|
44
|
0,033
|
1,45
|
|
н-С4Н10
|
58
|
0,009
|
0,52
|
|
S
|
М=17,78
|
1,00
|
17,78
|
|
Углеводород
|
t1'=12 0C; π1=1,4 МПа; e'=0,96
|
|
Ki
|
 Mi
x'iMi
y'i
|
|
|
|
|
СН4
|
11,8
|
0,08
|
0,946
|
1,28
|
15,14
|
|
С2Н6
|
0,093
|
0,257
|
0,024
|
7,71
|
0,72
|
|
С3Н8
|
0,082
|
0,468
|
0,023
|
20,59
|
1,012
|
|
н-С4Н10
|
0,036
|
0,195
|
0,007
|
11,31
|
0,406
|
|
S
|
-
|
1
|
1
|
Mx=40,89
|
My=17,28
|
|
Углеводород
|
t1''=-35 0C; π1=1,4
МПа;
eк'=0,87
|
|
Ki
|
 Mi
x'iMi
y'i
|
|
|
|
|
СН4
|
7,78
|
0,123
|
0,957
|
1,97
|
15,31
|
|
С2Н6
|
0,095
|
0,294
|
0,028
|
8,82
|
0,84
|
|
С3Н8
|
0,072
|
0,425
|
0,011
|
18,7
|
0,484
|
|
н-С4Н10
|
0,032
|
0,158
|
0,004
|
9,16
|
0,232
|
|
S
|
-
|
1
|
1
|
Mx=38,65
|
My=16,87
|
|
|
|
|
|
|
|
|
|
Тепловая нагрузка холодильной установки
(количество тепла, отводимого в аппарате от продукта) Q1,
кВт (согласно [4]):
= (2.5)
=13,2(0,93·362,7+(1-0,93)176-0,82·256,7-(1-0,82)74,3)=
1660 кВт.
где eн и eк - начальная
и конечная массовая доля паров;
Ht1' - энтальпия
паровой фазы (My=19,11) при
температуре t'1=12 0C (согласно
[7]), кДж/кг;
ht1' - энтальпия
жидкой фазы (Mx=40,89)
конденсата ШФЛУ при t'1=12 0C (согласно
[7]), кДж/кг;
Ht1'' - энтальпия
паровой фазы (My=19,26) при t1''=12 0C (согласно
[7]), кДж/кг;
ht1'' -
энтальпия жидкой фазы (Mx=38,65) при t1''=-35 0C
(согласно [7]), кДж/кг.
Массовые доли паров е:
e=e'·My/Mc, (2.6)
где My
и Mc - средняя мольная
масса паровой фазы и продукта на входе (согласно табл. 2.3).
на входе в аппарат:
н=e'н
My/Mc=0,96·17,28/17,78=0,93
(2.7)
на выходе из аппарата:
к=0,87·16,87/17,78=0,82
(2.8)
ρсм =
Σ yi'·(Mi/22,4)
(2.9)
ρсм =
0,924·(16/22,4)+0,034·(30/22,4)+0,033·(44/22,4)+0,009·(58/22,4)=
= 0,79 кг/м3
Массовая производительность установки по сырому
природному газу
G = Vну
· ρсм (2.10)= 60
000/3600 · 0,79=13,2 кг/с
Определим необходимое количество рабочего тела
второго каскада холодильной установки. Рабочим телом второго каскада
холодильной установки является этан. Давление под которым испаряется рабочее
тело второго каскада холодильной установки определяется необходимой
температурой испарения. Для обеспечения надёжной работы установки примем
температуру испарения этана в холодильнике испарителе ниже минимальной
необходимой температуры сырого природного газа на 5 - 10 0C. Тогда по
[Врагов
ГРУ] примем следующие
рабочие параметры рабочего тела в испарителе второго каскада и его рабочие
параметры:
температура кипения этана …………………………………-450C
абсолютное давление паров этана в испарителе
……………8 атм
энтальпия жидкого этана …………………………………..527,9
кДж/кг
энтальпия паров этана ……………………………………..926 кДж/кг
Необходимое количество рабочего тела второго
каскада холодильной установки определим из теплового баланса
Q1
= Qэ =
Gэ
· (Iэп + Iэж), (2.11)
где Iэп , Iэж
- энтальпия паров этана и жидкого этана соответственно.
Тогда производительность второго каскада
холодильной установки по этану будет равна с учётом возможных тепловых потерь,
которые примем в размере 5% от тепловой нагрузки холодильной установки
Gэ
=1,05·Q1 / (Iэп - Iэж)
(2.12)
Gэ
= 1,05·1660/(926 - 527,9) = 4,38 кг/с
С учётом, что тепло воспринятое испаряющимся
этаном передаётся рабочему телу первого каскада холодильной установки - пропану
в конденсаторе - испарителе то необходимо определить рабочие параметры рабочего
тела первого каскада в испарителе.
Распределение давлений в нагнетательных линиях
обоих каскадов холодильной установки произведём по принципу равенства
максимальных давлений. При таком распределении давлений возникает возможность
унификации вспомогательного оборудования установки, средств автоматизированного
управления и контроля рабочих параметров, что в свою очередь ведёт к снижению
стоимости изготовления оборудования, строительства, сокращению сроков разработки
и введения установки в эксплуатацию, а также к упрощению ремонта и обслуживания
оборудования двухкаскадной холодильной установки.
Рабочее давление в нагнетательной линии первого
каскада холодильной установки выбираем из условия обеспечения стабильной работы
холодильника - конденсатора паров пропана воздушного охлаждения в наиболее
неблагоприятных условиях (максимальной температуре окружающего воздуха).
Примем, что холодильная установка установлена в районе Харькова. По данным [www.meteoprog.ua]
максимальная температура днём в наиболее жаркий месяц лета составляет 27°С.
Примем, что температура конденсации паров пропана в первом каскаде будет на
10°С выше максимальной температуры окружающего воздуха и будет равна 37°С, что
в соответствии с T - S диаграммой для пропана, соответствует абсолютному
давлению 13 атм.
Тогда исходя из принципа равенства давления в
нагнетательных линиях первого и второго каскада холодильной установки
абсолютное давление этана в конденсаторе испарителе будет равно 13 атм, что соответствует
температуре конденсации этана - 23 °С.
Примем температуру кипения пропана в межтрубном
пространстве конденсатора - испарителя с целью обеспечения стабильной работы
установки на 5 - 10 °С ниже температуры кипения этана и - 30 °С, что соответствует
абсолютному давлению 1,7 атм.
Параметры рабочего тела первого каскада
холодильной установки в конденсаторе - испарителе:
температура кипения пропана ………………………..…….-300C
абсолютное давление паров пропана в
испарителе…..……..1,7 атм
энтальпия жидкого пропана……..…………………..………..58,7
кДж/кг
энтальпия паров пропана ……………………………………..440
кДж/кг
Исходя из вышеизложенного, определим расход
пропана в первом каскаде холодильной установки по уравнению (2.12).
Gп
= 1,05·1660/(440 - 58,7) = 4,57 кг/с
А тепловая нагрузка конденсатора - испарителя
будет равна нагрузке холодильной установки с учётом 5% снижения эффективности
установки за счёт притока тепла из окружающей среды.
Тогда тепловая нагрузка холодильника
конденсатора будет равна
хк=
1,05· Q1 = 1,05·1660 = 1743 кВт
Примем следующую схему работы испарителя -
конденсатора.
Пары этана под абсолютным давлением 13 атм
поступают в трубное пространство конденсатора - испарителя и конденсируясь при
температур -23°С отдают тепло кипящему при температуре - 30°С в межтрубном
пространстве под абсолютным давлением 1,7 атм.
Свойства пропана и этана в рабочих условиях
приведены в таблице 1.4 и 1.5 соответственно.
Таблица 2.4 - Свойства пропана
|
Показатели
|
пропан
|
|
Плотность
жидкости при -30°С, кг/м3 Вязкость жидкого пропана, Па·с
Вязкость паров пропана, Па·с Поверхностное натяжение пропана, Н/м
Теплоёмкость жидкого пропана, Дж/(кг·К) Теплопроводность паров, Вт/(м·К)
Теплопроводность пропана, Вт/(м·К)
|
568 1,75·10-4
6,8·10-6
13,8·10-3
2,28·103
1,25·10-2
12,1·10-2
|
|
Молекулярная
масса
|
44
|
Таблица 2.5 - Свойства
этана
|
Показателиэтана
|
|
|
Плотность
жидкости при -23°С, кг/м3 Вязкость жидкого этана, Па·с
Вязкость паров этана, Па·с Поверхностное натяжение этана, Н/м
Теплоёмкость жидкого этана, Дж/(кг·К) Теплопроводность паров, Вт/(м·К)
Теплопроводность этана, Вт/(м·К)
|
447
8,5·10-5
7,7·10-6
6·10-3
2,9·103
1,6·10-2
11,3·10-2
|
|
Молекулярная
масса
|
30
|
Плотность паров пропана и этана при рабочей
температуре
, (2.13)
где Т0, Т - температура
при н.у и расчётная соответственно, К;
Р0, Р - давление при н.у
и расчётное соответственно, МПа.
Плотность паров пропана при -30°С
Плотность паров этана при -23°С
2.2 Технологические расчёты
Температурная схема процесса.
Конденсация паров этана происходит
при постоянной температуре -23°С, а испарение пропана происходит при постоянной
температуре -30°С
Тогда температурная схема процесса
будет иметь вид
Средняя разность температур определяется по
среднелогарифмической зависимости:
, (2.14)
Тогда средняя движущая сила процесса
теплообмена будет равна
Для предварительного расчёта поверхности
теплообмена ориентировочно примем коэффициент теплопередачи от конденсирующихся
паров этана к к кипящему пропану к = 300 Вт/(м2·К)
Тогда ориентировочно поверхность теплообмена
будет равна
(2.15)
Выбираем по ГОСТ 14248-79 испаритель
с паровым пространством с общей площадью теплообмена 220 м2.
Характеристика испарителя:
Тип испарителя У
Диаметр кожуха, мм 1600;
Диаметр трубного пучка, мм 900;
Поверхность теплообмена, м2
224.
Выполняем уточняющий расчёт
теплообменника
Коэффициент теплоотдачи от конденсирующихся
паров этана
, (2.16)
где С - коэффициент зависящий от
положения труб в трубном пространстве, для горизонтального конденсатора С =
0,72;- теплота парообразования этана - характерный раз мер, для горизонтальных
труб l = dвн;- теплота парообразования этана r = (Iэп
- Iэж).
Δtкон - перепад
температур в плёнке конденсата;
Δtкон = tкон
- tст , (2.17)
где tст - температура
стенки теплообменной трубы.
Коэффициент теплоотдачи от стенок
теплообменных труб к кипящему пропану определим по формуле
(2.18)
где λж -
теплопроводность жидкого пропана;
ρж - плотность
жидкого пропана;
μж -
динамическая вязкость жидкого пропана;
σж -
поверхностное натяжение пропана;
Δtкип = tст2
- tкип,ст2 - температура стенки теплообменной трубы со
стороны кипящего пропана;кип - температура кипения пропана.
b -
,безразмерный коэффициент;
(2.19)
Так как коэффициент теплоотдачи от
конденсирующихся паров пропана зависит от разности температур конденсата и
стенки, а коэффициент теплоотдачи от труб к кипящему пропану зависит от
разности температуры теплообменной стенки и кипящего пропана - то тепловой
расчёт аппарата должен производится путём подбора температуры стенки со стороны
конденсирующегося пара и со стороны кипящей жидкости методом последовательных
приближений.
Для этого определим удельный
тепловой поток из уравнения
, (2.20)
где rз1 и rз2
- соответственно термическое загрязнение стенки со стороны конденсирующегося
пара и воздуха;
δст - толщина
алюминиевой стенки ;
λст -
теплопроводность теплообменной стенки;
тогда
,
Подставив приведённые значения в
уравнение удельного теплового потока получим
Решаем полученное уравнение путём
подбора значений tст1. Результаты расчёта по этому уравнению
приведены в таблице 2.6
Таблица 2.6 Результаты расчёта
коэффициента теплоотдачи от конденсирующегося пара к стенки трубы
|
tcт1,
°К
|
tкон
- tст1,
|
q1=4445(250
- tcт1)0,75
|
Δtст=4,5·10-4q1
|
tcт2=
tcт1
- Δtст
|
Δt2 = tcт2
- 243
|
q2=1378· Δt22
|
|
249
248 247 247,5
|
1
2 3 2,5
|
3454
5808 7873 8838
|
0,77
1,3 1,76 1,98
|
248,2
246,7 245,24 245,52
|
5,2
3,7 2,24 2,52
|
37261
18864 6914 8756
|
Из последней строки таблицы 1.6
получаем
Вт/м2
Тогда необходимая площадь
теплообмена будет равна
м2
Запас поверхности теплообмена в
сравнении с ранее выбранным аппаратом
Уточнённый расчёт показал, что
выбранный ранее теплообменник удовлетворяет требованиям технологического
процесса
2.3 Конструктивный расчет аппарата
Диаметр штуцеров d, м,
теплообменного аппарата для подвода-отвода теплоносителей:
(2.21),
где V и G - объемный и массовый
расходы жидкости или пара соответственно, м3/с и кг/с;
r
- плотность потока среды, кг/м3;
w - скорость
истечения среды, м/с.
Рекомендуемые скорости движения теплоносителей
(в соответствии с [2-4]):
для жидкостей 0,1…0,5 м/с при самотёке и
0,5...2,5 м/с в напорных трубопроводах;
для пара 20…40 м/с;
для газов 5…15 м/с.
Диаметр штуцера для ввода жидкого пропана равен
м
Диаметр штуцера для ввода жидкого
пропана предусмотренный ГОСТ 14248-79 удовлетворяет расчётному.
Согласно ГОСТ 14248-79 принимаем для
штуцера ввода жидкого бензола Dy=100 мм.
Для отвода паров пропана
Согласно ГОСТ 14248-79 принимаем для
отвода паров бензола Dy=350 мм.
Патрубок для подвода паров этана
Принимаем штуцер Dу=150, что
соответствует значению согласно ГОСТ 14248-79
С целью повышения уровня унификации
и стандартизации для отвода конденсата примем патрубок аналогичный патрубку
ввода греющего пара. Так же это соответствует ГОСТ 14248-79. Это позволит
упростить изготовление и сборку теплообменника при монтаже, а так же при
последующих ремонтах.
Патрубок для отвода
сконденсировавшегося этана
Для обеспечения унификации оборудования
примем штуцер для отвода жидкого этана аналогичный штуцеру подвода паров этана
Dу=150 мм.
2.4 Гидравлические расчёты
Гидравлическое сопротивление
трубного и межтрубного пространства испарителя определить корректно не
представляется возможным т.к при протекании теплообменных процессов происходит
изменение агрегатного состояния теплоносителей: в трубном пространстве
происходит конденсация пара этана, при которой объём пара сокращается в
447/19,01 = 23,5 раз. Что создаёт перепад давления на входе и выходе их
аппарата, а соответственно движущую силу.
Противоположно трубному
пространству, в межтрубном происходит вскипание жидкости в результате которого
объём пропана значительно увеличивается, что также даёт перепад давлений внутри
аппарата и на выходе и создаёт соответствующую движущую силу.
Для гидравлического расчёта такой
системы (и подачи паров этана и отвода паров пропана) необходимо знать
параметры всёй технологической линии: высотные отметки, на которых расположено
оборудование, объём системы, что в рамках данной курсовой работы не
представляется возможным.
2.5 Выбор вспомогательного
оборудования
Для обеспечения устойчивой работы
холодильной установки при колебаниях тепловой нагрузки, изменения температуры
окружающей среды, работы установки при отключенных компрессорах необходимо
иметь запас рабочего тела в жидком состоянии, что обеспечит работу испарителя,
а соответственно и установки в целом. Также при для избегания захлёбывания
испарителя жидкостью, необходимо предусматривать сброс излишков жидкости. Для
этих целей холодильная установка оснащается вспомогательным ёмкостным
оборудованием - ресиверами. Также ресиверы выполняют роль маслоотделителей и
сепараторов воздушно - аммиачной смеси. Масло попадает в рабочее тело со стенок
цилиндров компрессоров. Попадание мала на стенки теплообменных поверхностей,
снижает эффективность теплообмена, что вызывает необходимость его постоянного
удаления масла с объёма рабочего тела холодильного контура. Воздух попадает в
холодильную систему с картера компрессора на такте всасывания через уплотнения
цилиндра и поршня, при заполнении контуров рабочим телом, а также при
подпитывании системы рабочим телом. Наличие воздуха приводит к возникновению
воздушных пробок, потерь энергии на сжатие пузырьков воздуха и т.д.
Масло собирается в нижней части
ресивера и отводиться через нижний штуцер в маслоотделитель, где производиться
более тщательное разделение смеси масла и рабочего тела. Жидкий пропан
возвращают обратно в холодильный контур, а мало отправляют на регенерацию.
Воздушно - пропановая смесь собирается в верхней части ресивера и с неё
перетекает в воздухоотделитель. В воздухоотделителе пары пропана
конденсируются, за счёт кипения жидкого пропана в другой полости, а воздух
отводится в факельную линию.
Выбор ресивера производим из расчёта
обеспечения 30 мин работы испарителя за счёт жидкого хладагента, находящегося в
ресивере.
Расход пропана, циркулирующего в
первом каскаде холодильной установки 4,57 кг/с.
Тогда получасовой запас пропана
составит
= (Gп ·
τ)/ρп (2.22)=
(4,57 · 1800)/457 =18 м3
Максимальный уровень заполнения
ёмкостного оборудования по рекомендациям [ Кувшинский] составляет 85%.
Тогда необходимый объём ресиверов
составит
р =
18/0,85=21,2 м3
Схемой предусмотрено в одном каскаде
предусмотрено 2 ресивера, один из которых обеспечивает сбор сконденсированного
пропана из конденсатора, а второй сбор излишек жидкого пропана с испарителя.
Тогда принимаем два ресивера объёмом 12м3 каждый и общей ёмкостью 24
м3.
3 РАСЧЕТ ЭЛЕМЕНТОВ АППАРАТА НА
ПРОЧНОСТЬ
.1 Основные расчётные параметры
Расчетное давление в корпусе
аппарата - 0,7 МПа. Принимаем по рекомендациям [1] расчётное давление в
аппарате 0,7 МПа.
За расчетную температуру принимаем
максимально возможную температуру в рабочем состоянии испарителя, но не менее
20°С.
Пробное давление при гидроиспытании
при Р>0,5 МПа:
(3.1)
3.2 Расчёт цилиндрической обечайки
Расчётная схема обечайки
представлена на рисунке 3.1
Расчетная (номинальная) толщина
стенки определяется по формуле:
, (3.2)
где D - внутренний диаметр обечайки
корпуса,
Рисунок 3.1 - Расчётная схема
обечайки
Тогда толщина обечайки корпуса с
учётом прибавки на коррозию и эрозию будет равна
(3.3)
По ГСТУ 3-17-191-2000 минимальная
толщина корпуса для теплообменного аппарата при диаметре корпуса 1600мм должна
быть не менее 6 мм.
Согласно ГОСТ 19903-74 для
изготовления корпуса аппарата принимает лист толщиной 6мм.
Проверяем условие применимости
формул безмоментной теории:
, (3.4)
(6 - 1,5)/1600 = 0,0028
что меньше 0,1 - условие
применимости формул выполнено.
Допускаемое внутреннее давление для
обечайки определяется по формуле: - в рабочих условиях
, (3.5)
в условиях гидравлических испытаний
, (3.6)
Условия [Ри]>Pи 1,28>0,37 и
[P]>P 0,07>0,1 выполнены, следовательно расчёты можно считать верными.
3.3
Расчет толщины перегородки между ходами по трубному пространству
Рисунок 3.2 - Узел сопряжения плоской крышки
распределительной камеры с перегородкой между ходами по трубному пространству
Толщина перегородки должна отвечать условию:
, (3.7)
где S4 - толщина перегородки, мм;-
коэффициент, определяемый по формуле:
, (3.8)
где bпер - ширина перегородки,
мм;пер - длина перегородки в трубном пространстве, мм;
DР - перепад давлений между ходами по трубному
пространству, МПа;
Принимаем по максимально возможному
перепаду давлений между ходами из условия загрязнения трубок DР = 0,2 МПа;
[s]п -
допускаемое напряжение для материала перегородки, МПа; [s]п
= [s] = 168 МПа
- для материала 16ГС при толщине перегородки, мм;
С учётом двухстороннего контакта
перегородки с внутренней средой аппарата принимаем прибавку на коррозию сп = 2с
= 2·1,5= 3 мм.
Принимаем с учетом округления до
ближайшего стандартного значения: Sпер = 16мм
3.4 Расчет эллиптического днища
Рисунок 3.3 - Эллиптическая крышка
Крышка работает только лишь под
внутренним давлением.
Расчётная толщина стенки
эллиптической крышки определяется из соотношения
PЭ = max {SRЭ;
SИЭ}, (3.9)
где SRЭ - расчётная
толщина стенки эллиптической крышки при рабочих условиях;ИЭ -
расчётная толщина стенки эллиптической крышки при условиях гидроиспытаний.
Расчётную толщину стенки для
эллиптической крышки можно определить по формуле
, (3.10)
где φ=1 так как
крышка цельно штампованная.
при рабочих условиях
при условиях гидроиспытаний
Расчётная толщина стенки
эллиптической крышки
pэ = max
{0,33; 1,3} =1,3 мм иэ= Spэ+с=1,3+1,5=2,8 мм.
Принимаем толщину эллиптической
крышки в соответствии с ГСТУ 3-17-191-2000 равной S=6 мм.
Допустимое внутреннее давление на
крышку
(3.11)
В условиях проведения испытаний
(3.12)
в условиях испытания
Условия выполняются [P]>P -
0,94>0,07 и [Pкр]>Pи - 1,43>0,37
Условие применимости формул
(6 - 1,5)/1600 = 0,0028
условие выполнено.
4. МОНТАЖ И РЕМОНТ АППАРАТА
4.1
Монтаж апарата
Применяемые на химических и
нефтеперерабатывающих заводах поверхностные теплообменники, испарители,
конденсаторы различаются по конструктивному и материальному оформлению, режиму
работы, характеру движения теплообменивающихся потоков, пространственному
расположению, величине поверхности теплообмена и пр. Способы монтажа и
технология ремонта теплообменников различны и определяются их конструкцией,
расположением в пространстве и относительно других аппаратов технологической
установки, а также условиями эксплуатации.
Испарители с паровым
пространством. Эти аппараты состоят из кожуха и помещенного в нем пучка труб,
поэтому, несмотря на конструктивное разнообразие, монтаж таких теплообменников
зависит только от их веса, размеров и пространственного расположения.
Вес и размеры выпускаемых в настоящее время
кожухотрубчатых теплообменников, испарителей и конденсаторов позволяют
транспортировать их к месту монтажа в собранном полностью на
заводе-изготовителе виде.
Для транспортирования
используют железнодорожные платформы, трейлеры, автомашины, сани и др.
Теплообменники устанавливают в
соответствии с проектом горизонтально или вертикально на различных отметках.
Опорной конструкцией для них могут служить: фундаменты в виде двух бетонных или
железобетонных столбов с анкерными болтами (при низком горизонтальном
расположении) и балки высотных металлоконструкций (при вертикальном
расположении и горизонтальном расположении на больших высотах).
К корпусу аппарата приваривают
две опоры, расстояние между которыми соответствует нормалям. Для установки испарителя
на уже существующий фундамент расстояние между опорами можно изменять в
небольших пределах. Между корпусом и опорами аппарата должны помещаться
подкладки из листовой стали, предотвращающие вмятины на корпусе. К корпусу
вертикально расположенных теплообменников вместо опор приваривают лапы с
ребрами жесткости.
В подавляющем большинстве
случаев испарители и теплообменники устанавливают в проектное положение с
помощью самоходных кранов. Если в конкретных условиях подъема грузоподъемность
кранов недостаточна, практикуется установка теплообменников с помощью двух
кранов, работающих строго согласованно.
К трубопроводной обвязке
приступают после окончательной проверки положения корпуса и закрепления болтов,
соединяющих его опоры или лапы с постаментом. Положение теплообменника выверяют
уровнем или отвесом, подкладывая, если это необходимо, под опорные плоскости
стальные планки.
При горизонтальном расположении
испарителей температурные деформации корпуса между опорами могут достигать
нескольких миллиметров, поэтому одна из опор должна быть подвижной. Неподвижную
опору, обычно устанавливаемую со стороны неподвижной трубной решетки,
закрепляют намертво; гайки болтов подвижной опоры, имеющей овальные вырезы, не
затягивают на 1-1,5 мм, но фиксируют контргайками. Зазор между болтами и
овальными вырезами должен располагаться в сторону возможного удлинения
теплообменника. Поверхности скольжения защищают так, чтобы исключить
защемление.
Монтируемые испарители должны
быть опрессованы на пробное давление на заводе-изготовителе, поэтому на
монтажной площадке их в одиночку не опрессовывают, ограничиваясь проверкой
общей системы теплообмена вместе с трубопроводной обвязкой после завершения
монтажных работ. В тех случаях, когда отсутствует акт заводского испытания или
же аппарат продолжительное время находился на складе или монтажной площадке,
перед монтажом теплообменник подвергают ревизии и, если в этом есть
необходимость, ремонту.
Способы выявления дефектов и их
устранения зависят от конструктивного выполнения как нового, так и бывшего в
эксплуатации испарителя, поэтому остановимся отдельно на ревизии и ремонте
каждого вида аппарата. Визуальному осмотру подлежат только крышки, концы и
внутренние каналы труб, штуцера на корпусе и крышках. Дефекты остальных частей
аппарата могут быть обнаружены только при опрессовке.
.2 Ремонт
апарата
Ремонт основного
технологического оборудования выполняют в соответствии с требования правил
техники безопасности, инструкций по ремонту и эксплуатации оборудования и
другими нормативными документами.
Сроки и содержание ревизий и
ремонтов определяют исходя из конкретных эксплуатационных условий.
Необходимость в досрочном ремонте обусловлена резким ухудшением теплообмена (в
соответствии с технологической картой), а также смешением обменивающихся теплом
сред. В первом случае возможно загрязнение внутренних или внешних поверхностей
(либо и тех, и других) труб, во втором - разрыв одной или нескольких труб или
же нарушение плотности в местах соединения труб с трубными решетками. Сквозной
износ самих трубных решеток практически исключается из-за большой толщины.
Нарушение плотности корпуса аппарата и его соединений легко обнаружить
визуально по появлению течи. В этих случаях следует немедленно отключить
аппарат от действующей системы закрытием задвижек и вентилей.
Очистка испарителя промывкой.
Из трубного и межтрубного
пространств через штуцера или специальные спускные муфты на крышках и корпусе
удаляют содержимое. Далее в течение времени, определяемого физико-химическими
свойствами рабочей среды, их промывают водой, затем пропаривают, для чего в
трубопроводной обвязке теплообменников предусматривается возможность
подключения паровой линии, надежно отглушаемой при работе аппаратов в рабочем
режиме. Промывкой и пропаркой достигают две цели: подготовку аппарата к
вскрытию путем удаления взрыво- и пожароопасных или токсичных веществ и очистку
поверхностей от отложений. Следует иметь в виду, что промывка - единственно
возможный способ удаления отложений с наружных поверхностей труб и внутренних
поверхностей корпуса. Поэтому промывке межтрубного пространства испарителя
необходимо уделять особое внимание.
Желательно промывать аппараты
горячей водой, подогреваемой паром. На нефтеперерабатывающих установках
практикуют промывку аппаратов смесью горячей воды и керосина. Керосин
растворяет нефтепродукты, а кокс и другие механические примеси уносятся потоком
смеси. Эффективность такой промывки возрастает, если одновременно в трубное
пространство подается пар. Для экономии керосина и сокращения расхода тепла на
подогрев отработанную промывную смесь сливают в емкость, где она отстаивается
от грязи и используется вновь. В качестве промывной жидкости применяют также
подогретое до 100-120 °С соляровое масло.
В тех случаях, когда отложения
на поверхностях плохо растворяются в керосине или соляровом масле, применяют
кислотную очистку с использованием специальных ингибиторов, предотвращающих
интенсивную коррозию металла труб и корпуса. Обычно применяют соляную кислоту в
смеси с ингибитором «уникод». Продолжительность промывки определяют на
основании накопленного опыта для каждой группы теплообменников в зависимости от
физико-химических свойств отложений.
Для больших групп испарителей
целесообразно иметь стационарные промывные устройства, включающие емкости для
приготовления и отстаивания промывной жидкости, насосы и коммуникации. Для
небольших и не часто промываемых испарителей практикуется применение
передвижных установок, смонтированных на автомобильных или тракторных прицепах.
Промывку испарителей в
зависимости от степени загрязнения и гидравлического сопротивления,
возникающего при промывке, производят по одному либо отдельными участками.
Проще промывать одновременно все испарители; для этого используют существующую
трубопроводную обвязку.
После промывки аппарат надежно отсоединяют от
коммуникаций глухими заглушками и приступают к его разборке. Для разборки днищ
иногда приходится демонтировать часть трубопроводной обвязки. Масса крышек
жестких кожухотрубчатых теплообменников значительна, поэтому для их съема и
последующей установки пользуются кранами, треногами, стационарными, подъемными
устройствами.
Выявление и устранение
дефектов. Фактическую толщину стенки днищ и секционных перегородок в них
измеряют путем высверливания отверстий, а также с помощью ультразвуковых
толщиномеров. Качество приварки секционных перегородок к днищам проверяют,
заливая воду. Ее подают поочередно в каждую секцию, для чего на крышке
предварительно заглушают все штуцера, а крышку устанавливают открытой стороной
(чашей) вверх.
Состояние крепления концов труб в трубных
решетках вначале проверяют путем визуального осмотра. Широко распространено
крепление концов труб в гнездах трубных решеток, развальцовкой. Отличительная
особенность теплообменных труб - малая толщина их, поэтому крепление концов
труб в трубных решетках следует проверять особенно тщательно. Качество
развальцовки оценивают по состоянию развальцованной поверхности, которая должна
быть равномерно деформирована, а также по результатам замеров внутреннего
диаметра развальцованного конца трубы; он должен превышать исходный диаметр на
15-30% толщины стенки трубы.
Необходимо, чтобы концы труб
выступали над поверхностью решетки на длину, равную толщине стенок труб, и были
отбортованы. Колокольчик (отбортованный участок) конца трубы должен быть целым,
без разрывов и трещин. Следует обращать внимание на участки перехода от
развальцованной поверхности стенки трубы к неразвальцованной: они должны быть
плавными, без острых подрезов стенок.
В большинстве случаев трубы
быстрее изнашиваются по концам, поэтому, измеряя их толщину, можно судить о
состоянии теплообменных труб в целом. Чрезмерно изношенные трубы не могут
обеспечить надежность развальцованного соединения.
В теплообменниках применяют
также сварное крепление труб в трубных решетках, если решетки и трубы
изготовлены из хорошо свариваемых металлов. Большая разница толщины решетки и
стенки трубы затрудняет качественное выполнение сварочных работ. При осмотре
обращают особое внимание на равномерность сварного шва и его толщину, так как
швы в процессе эксплуатации подвержены коррозионному и эрозионному износам.
Визуальным осмотром и путем
измерения диаметров свободных сечений устанавливают степень загрязнения
внутренних поверхностей труб отложениями, которые не были удалены при промывке.
Эти отложения снимают механической чисткой; она заключается в рыхлении и
соскабливании с поверхности труб отложений с помощью различных инструментов.
Процесс механической чистки трудоемок. В простейшем случае трубы вручную
пронизывают шомполами - длинными прутками с наконечником-ершом. После этого (а
иногда и одновременно) трубы продувают паром, подаваемым в каждую из них
отдельно. При необходимости эти операции чередуют несколько раз, постепенно
увеличивая диаметр наконечника-ерша.
На заводах нашли применение
различные приспособления для механизации чистки. В основу их положен принцип
вращательного бурения. Вращающийся наконечник-бур медленно проталкивается в
очищаемую трубу под действием собственного веса (в случае вертикально
установленных теплообменников) или усилием рабочего (в случае горизонтально
установленных теплообменников). Бур на резьбе соединен с полым (трубчатым)
валом, длина которого равна длине очищаемой трубы. Вал приводится во
вращательное движение от пневмо- или электродвигателя через редуктор.
Приспособление снабжено золотниковым устройством для подачи внутрь труб
промывной воды, которая через сквозные отверстия на поверхности бура выходит
наружу, смывая разрыхленную грязь. В некоторых случаях вместо воды в трубы
подают водяной пар; при этом следует особо соблюдать правила безопасности во
избежание ожогов.
Скрытые дефекты теплообменников
устанавливают опрессовкой межтрубного пространства при» открытых с обоих торцов
крышках. Изношенную или лопнувшую» трубу обнаруживают по появлению в ней
опрессовочной жидкости, а неплотности в соединениях концов труб с трубными
решетками - по пропускаемой жидкости и запотеванию.
Замена вышедшей из строя
трубы-сложная операция. За трубными решетками трубы режут ножовкой (если они
доступны для этого), а трубы, расположенные со стороны решетки, - специальной
головкой с резцом. Оставшиеся в гнездах решеток концы труб зубилом или бородком
сплющивают или выбивают. Сменяемую трубу с помощью выточенной по ее наружному
диаметру оправки извлекают через одну из решеток и вместо-нее вставляют новую,
концы которой развальцовывают в решетках или приваривают к ним.
«'Труднее менять трубу с
приваренными концами. Для этого вручную или пневматическим молотком срезают
шов, а иногда механически обрабатывают гнездо в решетке. На практике изношенные
трубы заменяют новыми очень редко; их обычно заглушают с двух концов
металлическими (например, стальными) пробками, имеющими небольшую конусность
(3-5°). Пробки забивают туго, чтобы они надежно противостояли максимальному
давлению в трубах.
Число отглушаемых труб не
должно превышать 10% общего их числа в пучке, приходящемся на один поток, иначе
значительно возрастает гидравлическое сопротивление и заметно уменьшается
поверхность теплообмена. В общем случае обнаружение нескольких дефектных труб в
давно работающих теплообменниках указывает на возможность выхода из строя всех
труб, поскольку они работают в одинаковых условиях. Поэтому отглушением
изношенных труб можно поддержать эксплуатационную пригодность теплообменника до
ближайшего капитального или среднего ремонта, но время которого теплообменник
или его пучок полностью заменяют новым.
В зависимости от
конструктивного решения неплотные соединения концов труб с трубными решетками
подваривают электросваркой или подвальцовывают. Свариваемые участки зачищают
металлическими щетками, обнаруженные трещины вырубают зубилом.
Изношенные участки корпуса
находят с помощью гидравлической опрессовки или ультразвукового дефектоскопа.
Подозрительные участки сверлят для того, чтобы измерить остаточную толщину
обычными измерительными инструментами (штангенциркулем, линейкой и др.). Корпус
ремонтируют, накладывая на его наружную поверхность латки из листовой стали той
же марки, из которой изготовлен корпус. Латки приваривают внахлестку. Не
следует вырезать поврежденный участок корпуса газорезкой с тем, чтобы приварить
затем латку стыковым швом: газорезкой можно повредить близлежащие трубы, и,
кроме того, подгонять латку для стыковой сварки весьма затруднительно. Размеры
накладываемой латки должны быть такими, чтобы, во-первых, она полностью
покрывала изношенный участок и, во-вторых, сварка приходилась на участки
корпуса с достаточной толщиной. Описанный способ ремонта корпуса не пригоден
для аппаратов, поднадзорных инспекции котлонадзора.
После ремонта теплообменник
подвергают опрессовке при снятых крышках, затем крышки навешивают и закрепляют.
Все муфты и вентили в корпусе и крышках должны быть очищены.
Собранный аппарат подвергают окончательной
опрессовке водой. Сначала опрессовывают на контрольное давление межтрубное
пространство (корпус) при открытых спускных муфтах на крышках, затем из него
полностью спускают воду и при открытых спускных муфтах на корпусе опрессовывают
трубное пространство. Величина контрольного давления обычно указывается в
паспорте аппарата. При отсутствии в паспорте этих данных корпус аппарата
(межтрубное пространство) испытывают как емкость, а трубное пространство - на
удвоенное рабочее давление.
Отсутствие течи через спускные
и фланцевые соединения свидетельствует о надежной плотности и прочности. После
снятия заглушек аппарат сдают в эксплуатацию.
Опрессовкой межтрубного
пространства на контрольное давление проверяют герметичность корпуса и днища, а
также сопряжений. После спуска опрессовочной воды при открытой спускной муфте
на днище корпуса проверяют трубное пространство, выявляя дефекты
распределительной камеры и сопряжений. Появление воды из спускной муфты на
днище корпуса указывает на наличие дефекта в трубном пучке. Характер этого
дефекта может быть выяснен только после разборки днища корпуса при повторной
опрессовке трубного пространства. Визуально можно установить только пропуск в
сопряжении крышки плавающей головки с подвижной решеткой и нарушение соединения
труб с этой решеткой. Такие дефекты устраняют прежде всего путем смены
прокладки на крышке (подтяжки болтов без смены прокладки следует избегать) и
перевальцовки или сварки концов труб. Если после этого при опрессовке вода все
же проникает в межтрубное пространство, приходят к выводу о нарушении
герметичности соединения труб с неподвижной трубной решеткой либо об износе
одной или нескольких труб.
Для точного установления
дефекта разбирают крышку распределительной камеры и плавающей головки, чтобы
обнажить трубные решетки с развальцованными в них концами труб со стороны
подвижной решетки к корпусу прикрепляют приставную головку. По течи на торцах
решеток при опрессовке: корпуса судят о неплотной вальцовке (сварке); если же
изношена труба, в ней появляется опрессовочная вода.
Смена трубного пучка.
Существенное эксплуатационное достоинство теплообменников с плавающей головкой
- возможность смены трубных пучков, которые, как правило, подвержены большему
износу, чем другие узлы. Это вполне понятно, так как трубы изнашиваются с двух
сторон; кроме того, толщина их стенок сравнительно невелика (2-2,5 мм).
При наличии большого числа
поврежденных труб трубный пучок извлекают из корпуса и заменяют новым. Смена
трубных пучков является трудоемкой операцией, поэтому для ее выполнения должны
быть применены средства механизации, а также предусмотрены конструктивные меры
в местах сопряжения пучка с корпусом.
С целью механизации извлечения поврежденных и
установки на место новых пучков труб в горизонтально расположенных
теплообменниках практикуется применение специальных экстракторов. Экстракторы
жестко крепятся к корпусу аппарата; они поддерживают направление пучка,
исключая защемление его в корпусе в результате провисания под влиянием
собственной массы. Удобно пользоваться стационарными балками, по которым
перемещаются два тельфера поддерживающие пучок в горизонтальном положении. В
тех случаях, когда пучок трудно извлечь из корпуса, применяют лебедку или
трактор, тросы от которых крепят к неподвижной решетке. Для этого на ней должны
быть предусмотрены отверстия с нарезкой под рамы. Широко применяют также
самоходные краны, если возможен их беспрепятственный въезд на территорию
установки.
Для смены пучков вертикально
расположенных теплообменников обычно используют специальную металлоконструкцию
с монобалкой или мостовым краном, которые могут перемещаться вдоль фронта
теплообменников. При смене пучка труб подъемный механизм устанавливают строго
центрально по отношению.к теплообменнику, что исключает необходимость в
дополнительной поддержке.
Чтобы облегчить извлечение и
установку на место трубных решеток, к ним приваривают ребра жесткости, которыми
они опираются на внутреннюю поверхность корпуса. Этому способствуют катки,
предусмотренные у пучков труб в горизонтально расположенных крупных
теплообменных аппаратах. Ребра жесткости и катки предотвращают заклинивание и
защемление при перемещении пучка вдоль корпуса.
Пучки извлекают из корпуса
также при необходимости чистки наружных поверхностей теплообменных труб и
внутренней поверхности корпуса. Чистка поверхности корпуса не представляет
трудностей, чистка же наружных поверхностей труб пучка весьма сложна. В
зависимости от степени загрязненности и состава отложений применяют промывку,
опескоструивание и механическую чистку.
При промывке пучок труб
помещают в ванну с керосином, соляровым маслом или кислотой. Промывную смесь
подогревают паром и с помощью насоса сильной струей подают в ванну. По
окончании промывки циркуляция промывной жидкости прекращается, грязь осаждается
в сборнике, из которого она затем спускается.
Твердые отложения удаляют с
помощью пескоструйного аппарата или чистилок. В первом случае отложения
предварительно высушивают пропариванием или путем нагревания горячим воздухом.
Этими способами хорошо очищаются пучки труб при расположении их по вершинам
квадрата (коридорно). При шахматном расположении таким способом можно чистить
только поверхности периферийных труб. Поэтому если теплообменные трубы в
соответствии с выбранной схемой теплообмена омываются загрязненной жидкостью,
следует располагать их в пучке только по вершинам квадрата. Механическая чистка
наружных поверхностей труб совершенно невозможна, если пучок составлен из
получивших широкое распространение ребристых труб.
Очищенный пучок труб перед
установкой в корпус следует опрессовать.
Плавающая головка работает в
сложных условиях: ее крепежные детали постоянно находятся в жидкости,
заполняющей корпус. У нормализованных теплообменников крышки плавающей головки
плотно прижимаются к подвижной решетке трубного пучка нажимными винтами,
ввернутыми в специальные полукольца - фланцевые скобы. При разборке и сборке
эти винты часто ломаются, особенно тогда, когда межтрубное пространство при
эксплуатации омывается загрязненной или коррозионно агрессивной жидкостью.
Извлечение поломанных винтов связано со значительными затратами времени. Этого
недостатка лишены конструкции, в которых крышки плавающих головок крепят
накидными фланцами и накидными полукольцами с помощью болтов или шпилек.
В качестве прокладки при
сопряжении подвижной решетки с крышкой применяют асбестовый картон в оболочке
из алюминия марки АД или латуни или же хромистых и нержавеющих сталей в
зависимости от условий эксплуатации. При установке прокладки необходимо
проследить за ее целостностью, совпадением с областью сопрягаемых поверхностей
и равномерностью затяжки болтов (равномерной деформацией прокладки).
Степень затяжки шпилек
определяют в зависимости от температуры омывающей их среды. Если эта
температура существенно превышает температуру в трубном пространстве, шпильки
затягивают несколько сильнее обычного, учитывая их удлинение при нагревании.
Кроме того, следует иметь в виду подверженность этих шпилек релаксации.
ВЫВОДЫ
В курсовой работе был рассмотрены теоретические
основы процесса теплообмена.
Приведена и описана технологическая схема
ректификационной установки, принцип её действия, рассмотрены варианты
конструкции разрабатываемого аппарата и обоснован её выбор. По характеристикам
рабочих сред и условиям работы аппарата был выбран основной конструктивный
материал для изготовления корпуса аппарата, трубного пучка и других деталей.
Проведены технологические расчёты аппарата, в
результате которых были определены основные тепловые потоки, необходимое
количество греющего пара.
Конструктивными расчётами были определены
основные геометрические параметры аппарата, расчётами на прочность были
рассчитаны основные элементы корпуса аппарата
СПИСОК ИСПОЛЬЗОВАННЫХ ИСТОЧНИКОВ
1. А.А. Лащинский, А.Р. Толчинский.
Основы конструирования и расчета химической аппаратуры: Справочник. - Л.:
Машиностроение, 1970. - 752 с., ил.
. А.А. Лащинский. Конструирование
сварных химических аппаратов: Справочник. - Л.: Машиностроение, 1981. - 382 с.,
ил.
. К.Ф.Павлов, П.Г. Романков,
А.А.Носков. Примеры и задачи по курсу процессов и аппаратов химической
технологии: Учебное пособие для вузов / Под ред. П.Г. Романкова. - 9-е изд.,
перераб. и доп. - Л.: Химия, 1981. - 560 с., ил.
. Кузнецов А.А., Судаков Е.Н.
Расчеты основных процессов и аппаратов переработки углеводородных газов:
Справочное пособие. - М.: Химия, 1983. - 224 с.
. Машины и аппараты химических
производств: примеры и задачи. Учебное пособие для студентов втузов,
обучающихся по специальности «Машины и аппараты химических производств» / И.В.
Доманский, В.П.Исаков, Г.М. Островский и др.; Под общ. ред. В.Н.Соколова. - Л.:
Машиностроение, 1982. - 384 с., ил.
. ГОСТ 25822-83. Сосуды и аппараты.
Аппараты воздушного охлаждения. Нормы и методы расчета на прочность. - Введ.
10.06.1983. - М.: Гос. ком. СССР по стандартам, 1983. - 20 с., ил.
. ГОСТ 14249-89. Сосуды и аппараты.
Нормы и методы расчета на прочность. - Взамен ГОСТ 14249-89; Введ. 18.05.89. -
М.: Гос. ком. СССР по стандартам, 1989. - 80 с., ил.
. ГСТУ 3-17-191-2000. Посудини та
апарати стальні зварні. Загальні технічні умови. - На заміну ОСТ 26-291-94;
Введ. 16.02.2000. - К.: Державний комітет промислової політики України, 2000. -
301 с., іл.
. ДНАОП 0.00-1.07-94. Правила
устройства и безопасной эксплуатации сосудов, работающих под давлением. Введ.
01.03.1995. - К.: Государственный комитет Украины по надзору за охраной труда,
1994. - 200 с., ил.
. Расчеты основных процессов и аппаратов
нефтепереработки: Справочник/ Рабинович Г.Г., Рябых П.М., Хохряков П.А. и др.;
Под ред. Е.Н. Судакова. - М.: Химия, 1979. - 568 с.
11.
<http://www.holodteh.ru/vestnik> - Вестник Международной академии холода