Распознавание режимов работы авиационного ГТД с использованием технологии нейронных сетей
Введение
В настоящее время современный авиационный ГТД и
системы управления им представляют собой сложную динамическую систему.
Корректность и безопасность функционирования такого объекта требуют постоянного
и непрерывного анализа его параметров. Классификация и распознавание классов
состояний динамического объекта необходимы для согласования стратегии
оптимального управления с состоянием объекта. Эффективность контроля состояния
авиационного двигателя существенно зависит от вероятности правильного распознавания
его технического состояния, которая непосредственно влияет на качество систем
управления эксплуатацией ГТД, что в конечном итоге определяет экономичность и
безопасность полетов.
Создание авиационных газотурбинных двигателей
5-6 поколения влечет за собой усложнение конструкции объекта и увеличение числа
контролируемых параметров, анализ которых человеком - оператором сопряжен с
многочисленными ошибками контроля и принятия решений.
Исследования в области создания
автоматизированных систем контроля и диагностики технического состояния
авиационных ГТД показывают недостаточную обоснованность применения систем,
основанных только на одном из известных методов диагностирования, так как ни
один из методов не является универсальным и абсолютно надежным. Естественно,
что подобные системы контроля и диагностики, построенные на основе одного
классификатора, не смогут в полной мере удовлетворить возрастающие требования,
предъявляемые к диагностированию двигателей. Существует несколько направлений,
определяющих повышение эффективности бортовых технологий контроля состояния
ГТД. Основным направлением следует считать интеллектуализацию процессов
обработки информации с привлечением нейросетевых методов, которые способны
обеспечить повышение качества бортовых алгоритмов контроля и диагностики
технического состояния ГТД.
Нейронные сети от классических методов отличает
быстродействие, универсальность, гибкость в применении, а также способность к
обобщению информации, высокая робастность к внешним возмущениям и способность к
прогнозированию. При этом актуальной проблемой на сегодняшний день является
комплексная диагностика ГТД на базе моделей нейронных сетей с прогнозом текущих
ситуаций.
Цель работы
Повышение эффективности алгоритмов распознавания
режимов работы ГТД с использованием технологии нейронных сетей.
Задачи исследования
Для достижения указанной цели в работе
сформулированы и решены следующие задачи:
Анализ существующих методов и методик
распознавания режимов работы ГТД.
Разработка методики классификации режимов работы
ГТД.
Разработка программного обеспечения,
реализующего методику классификации режимов работы ГТД.
Методы исследования
Поставленные в диссертационной работе задачи
решались с использованием методов системного анализа, теории газотурбинных
двигателей, теории идентификации, теории вероятностей и математической
статистики, нейроинформатики, теории обработки данных,
объектно-ориентированного программирования.
Основные научные результаты, выносимые на
защиту:
Методика классификации режимов работы ГТД.
Разработанное программное обеспечение,
реализующее методику классификации режимов работы ГТД.
Научная новизна результатов
На основании SADT-методологии и IDEF-технологий
разработан комплекс системных моделей процесса распознавания режимов работы
ГТД, что позволило выделить основной спектр функциональных задач и обоснованно
сформировать требования к их реализации в составе системы распознавания.
Разработана методика распознавания режимов
работы ГТД на основе нейросетевых технологий.
Разработаны нейросетевые модули, применение
которых позволяет повысить эффективность распознавания режимов работы ГТД.
Структура работы. Диссертационная работа состоит
из введения, трех глав, заключения, библиографического списка, приложения. В
первой главе описан системный анализ предметной области, дано описание задачи
классификации. Проведено описание классических методов распознавания режимов
работы ГТД. Сформулирована постановка задачи.
Во второй главе проводится анализ предметной
области, выявляются основные понятия и отношения между ними. Разработана
функциональная модель интеллектуальной системы распознавания режимов работы
ГТД, которая является основой для построения других системных моделей и
разработки программного обеспечения. Функциональная модель разработана на
основе технологии IDEF0.
Третья глава посвящается программной реализации
разработанной системы распознавания. Описана методика использования
нейросетевых технологий. Рассмотрены все основные этапы построения нейронных
сетей в ПП MatLab R2009b. Также здесь представлены результаты работы нейронных
сетей, и сравнение их с классическими методами распознавания режимов работы
ГТД.
Глава 1. Анализ существующих методик
распознавания режимов
работы газотурбинного двигателя
Задача классификации
Классификация - один из разделов машинного
обучения, посвященный решению следующей задачи. Имеется множество объектов
(ситуаций), разделённых некоторым образом на классы. Задано конечное множество
объектов, для которых известно, к каким классам они относятся. Это множество
называется обучающей выборкой. Классовая принадлежность остальных объектов не
известна. Требуется построить алгоритм, способный классифицировать произвольный
объект из исходного множества.
Классифицировать объект - значит, указать номер
(или наименование класса), к которому относится данный объект.
Классификация объекта - номер или наименование
класса, выдаваемый алгоритмом классификации в результате его применения к
данному конкретному объекту.
В машинном обучении задача классификации
относится к разделу обучения с учителем. Существует также обучение без учителя,
когда разделение объектов обучающей выборки на классы не задаётся, и требуется
классифицировать объекты только на основе их сходства друг с другом. В этом
случае принято говорить о задачах кластеризации или таксономии, и классы
называть, соответственно, кластерами или таксонами.
Типы входных данных
Признаковое описание - наиболее распространённый
случай. Каждый объект описывается набором своих характеристик, называемых
признаками. Признаки могут быть числовыми или нечисловыми.
Матрица расстояний между объектами. Каждый
объект описывается расстояниями до всех остальных объектов обучающей выборки. С
этим типом входных данных работают немногие методы, в частности, метод
ближайших соседей, метод парзеновского окна, метод потенциальных функций.
Временной ряд или сигнал представляет собой
последовательность измерений во времени. Каждое измерение может представляться
числом, вектором, а в общем случае - признаковым описанием исследуемого объекта
в данный момент времени.
Изображение или видеоряд.
Встречаются и более сложные случаи, когда
входные данные представляются в виде графов, текстов, результатов запросов к
базе данных, и т. д. Как правило, они приводятся к первому или второму случаю
путём предварительной обработки данных и извлечения признаков.
Типы классов
Двухклассовая классификация. Наиболее простой в
техническом отношении случай, который служит основой для решения более сложных
задач.
Многоклассовая классификация. Когда число
классов достигает многих тысяч (например, при распознавании иероглифов или
слитной речи), задача классификации становится существенно более трудной.
Непересекающиеся классы.
Пересекающиеся классы. Объект может относиться
одновременно к нескольким классам.
Нечёткие классы. Требуется определять степень
принадлежности объекта каждому из классов, обычно это действительное число от 0
до 1.
Постановка задачи классификации. Пусть
-
множество описаний объектов,
- конечное
множество номеров (имён, меток) классов. Существует неизвестная целевая
зависимость - отображение
, значнения которой
известны только на объектах конечной обучающей выборки
.
Требуется построить алгоритм
, способный
классифицировать произвольный объект
.
Вероятностная постановка задачи
Более общей считается вероятностная постановка
задачи. Предполагается, что множество пар «объект, класс»
является
вероятностным пространством с неизвестной вероятностной мерой
.
Имеется конечная обучающая выборка наблюдений
,
сгенерированная согласно вероятностной мере
.
Требуется построить алгоритм
, способный
классифицировать произвольный объект
.
Анализ существующих алгоритмов распознавания
режимов работы ГТД. Метод группового учета аргументов.
Метод группового учета аргументов (МГУА) - метод
порождения и выбора регрессионных моделей оптимальной сложности. Под сложностью
модели в МГУА понимается число параметров. Для порождения используется,
подмножество элементов которой должно входить в искомую модель. Для выбора
моделей используются внешние критерии, специальные функционалы качества
моделей, вычисленные на тестовой выборке.
МГУА рекомендуется к использованию в том случае,
когда выборка содержит несколько элементов. Тогда при построении регрессионных
моделей использовать статистические гипотезы о плотности распределения,
плотности распределения например, гипотезу о Гауссовском распределении,
невозможно. Поэтому используется индуктивный подход, согласно которому
последовательно порождаются модели возрастающей сложности до тех пор, пока не
будет найден минимум некоторого критерия качества модели. Этот критерий качества
называетсявнешний критерий, так как при настройке моделей и при оценке качества
моделей используются разные данные. Достижение глобального минимума внешнего
критерия при порождении моделей означает, что модель, доставляющая такой
минимум, является искомой.
Один из авторов этого метода А.Г. Ивахненко
пишет: «Осуществляется целенаправленный перебор многих моделей-претендентов
различной сложности по ряду критериев. В результате находится модель
оптимальной структуры в виде одного уравнения или системы уравнений. Минимум
критерия селекции определяет модель оптимальной структуры».
Индуктивный алгоритм отыскания модели
оптимальной структуры в состоит из следующих основных шагов.
Пусть задана выборка
,
.
Выборка разбивается на обучающую и тестовую.
Обозначим
- множества
индексов из
. Эти множества
удовлетворяют условиям разбиения
.
Матрица
состоит
из тех векторов-строк
, для которых
индекс
.
Вектор
состоит
из тех элементов
, для которых
индекс
.
Разбиение выборки представляется в виде
Назначается базовая модель. Эта модель описывает
отношение между зависимой переменной
и
свободными переменными
. Например,
используется функциональный ряд Вольтерра, называемый также полиномом
Колмогорова-Габора:
В этой модели
-
множество свободных переменных и
-
вектор параметров - весовых коэффициентов
В некоторых случаях имеет смысл увеличить число
элементов вектора свободной переменной
за
счет добавления нелинейных преобразований отдельных переменных. Например,
задано конечное множество нелинейных функций
.
Дополнительная свободная переменная получается путем применения некоторого преобразования
из
к
одной или к нескольким переменным из множества
.
Базовая модель линейна относительно параметров
и
нелинейна относительно свободных переменных
.
Исходя из поставленных задач выбирается целевая
функция - внешний критерий, описывающий качество модели. Ниже описаны несколько
часто используемых внешних критериев.
Индуктивно порождаются модели-претенденты. При
этом вводится ограничение на длину полинома базовой модели. Например, степень
полинома базовой модели на не должно превышать заданное число
.
Тогда базовая модель представима в виде линейной комбинации заданного числа
произведений
свободных переменных:
здесь
-
линейная комбинация. Аргументы этой функции переобозначаются следующим образом:
то есть,
Для линейно входящих коэффициентов задается
одноиндексная нумерация
. Тогда модель
может быть представлена в виде линейной комбинации
- скалярное
произведение.
Каждая порождаемая модель задается линейной
комбинацией элементов
, в которой
множество индексов
является
подмножеством
.
Настраиваются параметры моделей. Для настройки
используется внутренний критерий - критерий, вычисляемый с использованием
обучающей выборки. Каждому элементу вектора
-
элемента выборки
ставится в
соответствие вектор
, алгоритм
построения соответствия указан выше. Строится матрица
-
набор векторов-столбцов
. Матрица
разбивается
на подматрицы
и
.
Наименьшую невязку
, где
доставляет
значение вектора параметров
, который
вычисляется методом наименьших квадратов:
где 
В соответствии с критерием
происходит
настройка параметров
и вычисление
ошибки на тестовой подвыборке, обозначенной
,
здесь
.
При усложнении модели внутренний критерий не дает минимума для моделей
оптимальной сложности, поэтому для выбора модели он не пригоден.
Для выбора моделей вычисляется качество
порожденных моделей. При этом используется контрольная выборка и назначенный
внешний критерий. Ошибка на подвыборке
обозначается
где
,
.
Это означает что ошибка вычисляется на подвыборке
при
параметрах модели, полученных на подвыборке
.
Модель, доставляющая минимум внешнему критерию,
считается оптимальной.
Если значение внешнего критерия не достигает
своего минимума при увеличении сложности модели или значение функции качества
неудовлетворительно, то выбирается лучшая модель из моделей заданной сложности.
Под сложностью модели подразумевается число настраиваемых параметров модели.
Недостатком данного метода можно считать то, что глобальный минимум может не
существовать по следующим причинам:
данные слишком зашумлены,
среди данных нет необходимых для отыскания
модели переменных,
неверно задан критерий выбора,
при анализе временных рядов существует
значительная временная задержка отыскиваемой причинно-следственной связи.
Метод Байеса
Основным методом, на базе которого
осуществляется процесс классификации режимов работы авиационного двигателя
является Байесовский подход [4, 7, 8]. При этом оценивается условная
вероятность:
,
где
-
вероятность j-го диагноза, т.е. рассматриваемый динамический режим принадлежит
к подмножеству
.
Здесь величина
является
апостериорной вероятностью, т.е. определяется после получения информации по
комплексу признаков
. Элемент
определяет
вероятность появления реализованного комплекса признаков у подмножества
.
Более подробное описание данного метода можно
представить следующим образом. Пусть
-
множество описаний объектов,
- множество
номеров (или наименований) классов. На множестве пар «объект, класс»
определена
вероятностная мера
. Имеется конечная
обучающая выборка независимых наблюдений
,
полученных согласно вероятностной мере
.
Задача классификации заключается в том, чтобы
построить алгоритм
, способный
классифицировать произвольный объект
.
Построение классификатора при известных
плотностях классов выглядит следующим образом. Пусть для каждого класса
известна
априорная вероятность
того, что появится
объект класса
, и плотности
распределения
каждого из
классов, называемые также функциями правдоподобия классов. Требуется построить
алгоритм классификации
, доставляющий
минимальное значение функционалу среднего риска.
Средний риск определяется как математическое
ожидание ошибки:
где
-
цена ошибки или штраф за отнесение объекта класса
к
какому-либо другому классу.
Решением этой задачи является алгоритм
Значение
интерпретируется
как апостериорная вероятность того, что объект
принадлежит
классу
.
Если классы равнозначимы,
,
то объект
просто относится к
классу с наибольшим значением плотности распределения в точке
.
К недостаткам данного метода следует отнести:
необходимость учета больших объемов априорной и
апостериорной информации о мощности и спектральной плотности воздействий,
погрешностях измерений на всех режимах работы ГТД;
классификация осуществляется только на
установившихся режимах работы ГТД;
низкое качество классификации из-за погрешностей
оценок масштаба распределения, обусловленных как недостоверной априорной
информацией о вероятностных характеристиках классов, так и погрешностями
вычислений и близостью центров распознаваемых классов.
Постановка задачи распознавания режимов работы
ГТД в нейросетевом базисе
Алгоритмы должны обеспечить распознавание тех
динамических режимов, начало которых характеризуется только изменениями
значений аналоговых параметров. При этом на первом уровне, например,
непосредственно в начальный период динамического режима, алгоритмом осуществляется
предварительное распознавание до уровня подмножества mr множества Mr
динамических режимов. Окончательное распознавание до вида обработки, формы
генерируемого печатного протокола и названия динамического режима
осуществляется алгоритмом на втором уровне после окончания процесса измерения
параметров.
Анализ режимов и видов испытаний изделий
показывает, что алгоритмы должны cодержать операторы, основанные на формуле
Байеса:
,
где P(A) - априорная вероятность гипотезы A(A |
B) - вероятность гипотезы A при наступлении события B (апостериорная
вероятность);(B | A) - вероятность наступления события B при истинности
гипотезы A;(B) - вероятность наступления события B.
Для автоматизированных испытаний авиационных
двигателей унифицированный алгоритм должен содержать для первого уровня
распознавания в качестве комплекса признаков K следующие элементы: признак k1,
описывающий идентификаторы начальных установившихся режимов работы двигателей,
с которых может начинаться анализируемое подмножество динамических режимов;
признаки k2 и k3, определяющие возможные направления и скорости изменения
режимного параметра в начале динамического режима.
Априорное пространство признаков процесса
окончательного распознавания динамических режимов должно содержать комплекс
признаков K, включающий информацию об идентификаторах, направлениях и скоростях
изменения режимного параметра для начального и промежуточных установившихся
режимов.
Классификация и распознавание классов состояний
динамического объекта необходимы для согласования стратегии оптимального
управления с состоянием объекта.
Будем полагать, что поведение ГТД как сложного
динамического объекта может быть представлено в виде уравнений в пространстве
состояний:
где
-
вектор переменных состояния ГТД;
- вектор
управляющих воздействий;
- вектор внешних
возмущающих воздействий;
- вектор
наблюдаемых (выходных) координат; , G - нелинейные вектор-функции.
Тогда основными причинами смены состояний ГТД
можно считать изменение векторов
и
,
параметров авиационного двигателя
,
а также изменение операторов F и G при его функционировании.
На рисунке 1 показан ориентированный граф,
описывающий процесс смены режимов работы (классов состояний) авиационного
двигателя [1-6].
Рисунок 1 - Модель процесса изменения классов
состояний ГТД
·
- класс
установившихся режимов, для которых
·
- класс режимов,
сопровождающихся линейным трендом параметров, для которого
·
- класс переходных
режимов работы (состояний), для которых
·
- класс
неустановившихся режимов работы (разгон, дросселирование), для которых
Вообще говоря, кроме перечисленных (исправных)
состояний различают класс неисправных (отказовых) состояний, характеризуемый
изменением класса операторов F и G в (1).
При этом классификация состояний ГТД теоретически
возможна в пространстве состояний, если использовать переменные состояния как
параметры классификации. Однако, доступными для наблюдения являются компоненты
вектора
,
включающие аддитивные случайные шумы измерений. Следовательно, существует
проблема определения рабочего набора признаков для построения решающих правил,
инвариантных к случайным шумам наблюдений. Другой проблемой повышения качества
распознавания является повышение точности определения границ классов состояний
авиационного двигателя. Эта проблема обусловлена тем, что они существенно
зависят от соотношений между динамическими параметрами ГТД (и спектральными
характеристиками всех видов воздействия и возмущений, имеющих случайный
характер, и, следовательно, являются условными).
В настоящее время процесс классификации режимов
работы ГТД, как правило, осуществляется вручную, с участием
высококвалифицированного специалиста, длительная и монотонная работа которого,
с одной стороны, может привести к ошибкам классификации, а с другой стороны, к
значительным временным затратам.
Для ликвидации перечисленных выше недостатков
автором предлагается алгоритм решения задачи классификации режимов работы ГТД
на основе нейронных сетей.
Постановку задачи можно свести к следующему.
Имеется временной ряд, образованный наборами данных по результатам измерения
термогазодинамических параметров двигателя
на
некотором интервале наблюдения
. Требуется
выделить характерные участки временного ряда, соответствующие определенным
классам
состояний
авиационного двигателя:
, где So - класс
возможных режимов (исправных состояний) ГТД.
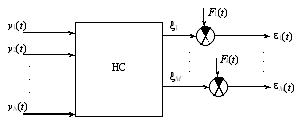
Процедура решения данной задачи с помощью
нейронной сети показана на рисунке 2.
Рисунок 2 - Схема нейросетевого классификатора
состояний авиационного двигателя
Здесь
-
вектор желаемых выходных реакций
НС:
;
- выходы НС;
- значения вектора
ошибки на выходе НС.
Обучение НС сводится к следующему. На входы НС
подаются “отрезки” временного ряда
,
,
принадлежащие заведомо известным классам (режимам работы) двигателя
,
.
Желаемыми реакциями НС в каждом случае будет значение, равное единице, на одном
из выходов нейронной сети, соответствующем распознанному режиму. Например,
классу установившихся режимов ГТД соответствует выход 1, классу переходных
режимов - выход номер 2, классу неустановившихся режимов - выход номер 3.
Ошибка обучения НС определяется следующим образом:
,
Минимуму ошибки (3) соответствует обученная
сеть, решающая задачу распознавания (классификации) режимов работы ГТД.
Глава 2. Разработка системных моделей для
решения задачи
распознавания режимов работы газотурбинного
двигателя
.1 Применение технологий системного
моделирования на этапе
работы авиационного двигателя
В последнее время, при создании сложных
информационных систем, роль системного моделирования существенно возросла.
Подтверждение тому - наличие встроенных CASE средств в современных системах
управления базами данных (Oracle, Informix, R-Base и др.), а также в
большинстве интеллектуальных систем. Однако присутствие этих средств в качестве
базовых компонент системного моделирования, на основе которых в конечном итоге
строится то или иное приложение, еще не означает, что они будут правильно
использоваться при решении прикладных задач в той или иной области применения.
Это объясняется тем, что кроме общей автоматизации создания приложения, CASE
средствами, до сих пор отсутствует соответствующая методическая и
методологическая поддержка данного процесса. Поэтому, несмотря на кажущуюся
внешнюю простоту, общий успех системного моделирования определяется опытом,
знаниями и интуицией пользователя.
Другим аспектом этого процесса является объект
исследования, сложность которого в конечном итоге определяет нетривиальность
его представления (формализации) в рамках SADT - методологии.
Исходя из сказанного выше, применение
методологии системного моделирования на этапе проектирования интеллектуальной
системы распознавания режимов работы ГТД позволяет грамотно обосновать и
сформулировать требования к будущей системе, а также разработать системный
проект, выделить полное множество функций и определить взаимосвязь ее отдельных
компонент для дальнейшей реализации в виде исследовательского прототипа
интеллектуальной системы распознавания режимов работы ГТД.
Формализация информационного портрета ГТД в
рамках SADT - методологии и IDEF - технологии является отдельной проблемой, так
как системная модель, в конечном счете, собирает всю информацию о процессе
распознавания режимов работы авиационного двигателя в информационную “кучу”.
Поэтому основной задачей, решаемой на данном этапе, является выделение основных
функций и решаемых задач, связь информационных потоков с определенными ранее
структурами баз знаний, а также его взаимосвязь в рамках сценариев работы
интеллектуальной системы распознавания режимов работы ГТД.
Таким образом, на основе системной модели, на
этапе проектирования интеллектуальной системы распознавания режимов работы ГТД,
с использованием SADT - методологии и IDEF - технологии необходимо выполнить
следующую последовательность шагов:
разработать множество функциональных моделей с
целью выделения полного множества функций и задач, решаемых интеллектуальной системой
распознавания;
разработать множество информационных моделей,
определяющих логическую структуру баз знаний, а также способы и механизмы
управления ими и взаимодействия (обоснование содержания, наполнения, управления
информационными потоками);
разработать динамическую модель, определяющую
правила работы интеллектуальной системы распознавания режимов работы ГТД,
которые являются основой для создания интерфейса (сценариев) с пользователем и
определяют динамику взаимодействия интеллектуальной системы распознавания с
базами данных и знаний.
С точки зрения SADT методологии БКИП ГТД и
процесс его разработки как системы представляет собой совокупности элементов,
взаимосвязанных между собой и образующих целостное единство свойств. Также при
исследовании, проектировании, и создании реальной системы необходимо определить
элементы и структуру их взаимодействия во времени и пространстве с помощью
различных мер. При этом «параллельно» реальной системе существует ее
информационное отображение - информационная.
В областях конструирования и технологии
изготовления машин, создания АСУ и других разрабатываемые системы соответствуют
указанным положениям диалектики и поддерживаются в промышленности системой
ГОСТов на проектирование - ЕСКД, ЕСТД, ЕСПД и другие. В этих ГОСТах
определяется, что вначале система выделяется из предметной области и
представляется функциональной (структурной) моделью, в которой через отношения
и взаимосвязи подсистем и элементов отражаются их основные функциональные
свойства. Далее эти свойства и отношения более полно раскрываются через
комплекс графических схем, чертежей, информационных данных выраженных через
спецификации, инструкции, расчеты и т.д.
Для построения системных моделей существуют
стандарты (технологии) IDEF0 (функциональные модели), IDEF/1X (информационные
модели), IDEF/SPN (динамические модели). IDEF0 представляет собой совокупность
методов, правил, процедур, предназначенных для построения функциональной модели
(ФМ) при представлении предметной области системой. ФМ отображает функциональную
структуру системы, то есть производимые ей действия и связи между этими
действиями и является основой содержательного представления системного
моделирования процесса контроля измеряемых параметров авиационного двигателя.
Она может детализироваться с учетом тех задач, которые будут решаться в
процессе контроля технического состояния авиационного ГТД.
На рис. 2.1 приведена ФМ процесса проектирования
СР.
Рисунок 2.1 - Функциональная модель
проектирования СР
Для ФМ (рис. 2.1) управляющими входами (С1 - С4)
процесса являются: техническое задание на БКИП, ГОСТы, ОСТы и ЕСПД в области
программного обеспечения БКИПа ГТД. Входом (I1) для ФМ являются
экспериментальные данные работы ГТД. Механизмами (М1 - М4) для ФМ являются:
СУБД, пакеты статистической обработки данных, среда моделирования, языки
программирования высокого уровня. Выходами (О1, О2) ФМ являются: программное обеспечение
БКИП и документация.
Процесс проектирования начинается с разработки
технического задания, которое согласуется с ГОСТами и ЕСПД. После или в
процессе формирования технического задания (производительность, точность,
требуемые ресурсы и т.д.) проводятся экспериментальные запуски образца ГТД
(одной серии), в результате чего накапливаются данные в БД. ТЗ должно быть
сформировано согласно SADT методологии в виде диаграмм, на которых обозначаются
поставленные задачи и требования к их реализации.
Также ТЗ должно содержать требования к
аппаратной реализации бортового вычислителя, которые определяют протокол
передачи данных между процессорами, требуемую скорость работы функций бортового
ПО, перечень контролируемых параметров, допуски варьирования значений измеряемых
параметров по амплитуде и скорости изменения значений измеряемых параметров.
На рис. 2.2 показана ФМ процесса проектирования
СР с более детальной структурой.
Рисунок 2.2 - Функциональная модель
проектирования СР (развернутый вид)
ФМ (рис. 2.2) более подробно раскрывает процесс
проектирования БКИПа, на котором приведены элементы процесса и связи между
этими элементами.
В проектировании СР первым является процесс
«Сбор данных», который подразумевает сбор данных в одну базу данных (БД). В
качестве технического задания на данном этапе выступают требования к формату
чисел в БД и формату самой БД. В данной работе в качестве БД использовались
таблицы Excel. Входами процесса А1 являются экспериментальные данные, снятые с
работающего ГТД. При этом выходом данного процесса будет БД, которая является
входом процесса А2.
Процесс А2 «Статистическая обработка данных»
обеспечивает отсев грубых промахов в экспериментальных данных. Входом данного
процесса является сформированная БД. В качестве управляющего входа для процесса
А2 выступает техническое задание, в котором указываются допуски на максимальные
отклонения параметров. В качестве пакета статистической обработки использовался
пакет программ Statistica 9. Выходом данного процесса являются обработанные
данные.
В процессе А3 «Построение нейросетевого
классификатора» производится создание нейронной сети. Входом данного процесса
являются предварительно обработанные данные. В качестве управляющих входов
выступают: техническое задание, ГОСТы и ЕСПД. Механизмами данного процесса
являются СУБД и язык программирования высокого уровня, в качестве которого в
данном процессе использовались M-язык (встроенный в пакет прикладного
программного обеспечения MATLAB) и C. Выходом данного процесса являются
параметры элементов системы распознавания. Например, для нейросетевых элементов
это будут архитектурные параметры (количество слоев, функции активации слоев,
связи между слоями), структурные параметры (размер слоев) и параметры самой
нейронной сети (значения смещений и весовых коэффициентов).
В заключительном процессе А4 «Реализация СР в
ПО» реализуется алгоритмы аспознавания режимов работы ГТД в программный код.
Входом данного процесса является детерминированные параметры элементов системы
распознавания режимов работы ГТД. В качестве языка высокого уровня может
использоваться язык C. В этом процессе в качестве управляющих входов выступают:
техническое задание (тип данных, производительность, требования к ресурсам),
ГОСТы и ЕСПД. Выходом данного процесса является программный код, а также
документация к сообщениям данного программного кода, другим системам, таким как
БСКД, о состоянии датчиков.
Комплекс информационных моделей, прежде всего,
показывает информационно-логическое взаимодействие файлов данных в базах данных
и подпроцессов бортовой системы контроля измеряемых параметров авиационного
двигателя.
На рисунке 2.3 показана ФМ процесса
проектирования нейронной сети.
Рисунок 2.3 - Функциональная модель проектирования
НС (развернутый вид)
В проектировании НС первым является процесс
«Оценка репрезентативности выборки». Оценка осуществлялась при помощи пакета
Statistica.
В процессе А2 составлялась обучающая и
тестирующая выборки. Процентное соотношение составило 25% и 75% соответственно.
Процесс А3 заключается в построении нейронной
сети, а именно из таких этапов, как выбор архитектуры НС, выбор количества
нейронов и т.д.
В процессе А3 происходило обучение нейронной
сети и её тестирование.
Глава 3. Реализация алгоритмов распознавания
режимов работы гтд на
основе нейронных сетей
.1 Постановка задачи
Рассмотрим алгоритм решения данной задачи на
примере данных, записанных на борту для авиационного двигателя. Фрагмент записи
(осциллограммы) термогазодинамических процессов ГТД приведен на рисунке 3, где
выделен шестиминутный интервал полета самолета с двухдвигательной силовой
установкой. Предполагается, что в качестве распознаваемых режимов работы
двигателя здесь выступают: I - установившиеся режимы; II - режим разгона; III -
режим дросселирования. Решение задачи классификации режимов работы авиационного
двигателя будем проводить на основе ранее изложенной методики.
.2 Анализ данных
Основным признаком, по которому производится
выделение “эталонных” участков временного ряда при построении обучающей выборки
НС, является положение ручки управления двигателем (RUD). В дальнейшем из общей
группы термогазодинамических параметров, приведенных на осциллограмме, будем
рассматривать те из них, которые относятся к первому ГТД (N = 3):- 1 - частота
вращения ротора компрессора низкого давления (кривая 2), в %;- 2 - частота
вращения ротора компрессора высокого давления (кривая 1), в %;
- температура газов
за турбиной высокого давления (кривая 7), в %;_1 - положение ручки управления
двигателем (кривая 10), в %.
Эти данные в совокупности с временной
координатой t (мин) образуют входной вектор
;
.
Рисунок 3 - Осциллограмма термогазодинамических
процессов в ГТД
Здесь цифрами обозначены следующие
термогазодинамические параметры: 1 - ручка управления двигателем первой силовой
установки; 2 - частота вращения ротора компрессора низкого давления; 3 -
частота вращения ротора компрессора высокого давления; 4 - температура газов за
турбиной низкого давления.
В процессе работы с осциллограммой (рисунок 3)
автором были выделены интервалы обучения
,
соответствующие трем минутам, в пределах которого существуют следующие режимы:
режим разгона: t1 = 0,30 мин; t2 = 1,28 мин;
установившийся (0,8 номинала) режим: t2 = 1,29
мин; t3 = 3,00 мин;
режим дросселирования: t3 = 9,00 мин; t4 = 9,30
мин.
Данные снимались каждую секунду, поэтому
обучающая выборка содержала 180 временных отсчета. При этом на режимы разгона и
дросселирования приходилось всего по пять отсчетов. Общий интервал наблюдений
составил шесть минут (720 временных отсчетов).
При решении задачи классификации режимов ГТД с
помощью НС, процесс классификации осуществляется во временном окне. Для
качественной классификации, ширина временного окна должна быть не меньше пяти
отсчетов, чтобы распознать классы состояний авиационного двигателя.
.3 Предварительная обработка данных
Предварительная обработка входных данных
включает нормализацию каждого из перечисленных выше параметров двигателя yi(t)
согласно выражению:
,
(4)
где
-
безразмерная величина, находящаяся в диапазоне [0; 1];
и
-
минимальное и максимальное значение
.
Для распознавания режимов работы (классов
состояний) ГТД НС необходимо из значений временного ряда наблюдений выделить
отсчеты, которые в пределах временного окна
,
соответствуют установившимся режимом работы авиационного двигателя. Это
осуществляется путем вычитания среднего значения (скользящего среднего), в
пределах временного окна, на всем интервале
,
т.к.
на
установившемся режиме работы тождественно равно нулю, а на остальных режимах
работы ГТД отлично от нуля:
,
(5)
где
-
ширина “окна”.
Оптимальный размер временного окна находится в
процессе экспериментальных исследований.
На этом этапе уточняются показатели
репрезентативности исходной выборки, а также однородности обучающей и тестовой выборки.
Подробно оценка этих показателей будет рассмотрена в следующем примере [10,11].
Выбор архитектуры НС
Построим нейросетевой классификатор,
представленный на рисунке 4.
Рисунок 4 - Архитектура нейросетевого классификатора
Здесь D - временная
задержка, Dt = 1с. Согласно этому рисунку НС должна иметь 3´L
входов по L для каждого из параметров:
,
,
.
Указанные L параметров представляют собой измеренные параметры, а также
задержанные значения, аналогичные по
и
.
В качестве выходов НС будем считать сигналы
,
и
.
Для обученной сети выходы должны принимать значения F1, F2 и F3 (таблица 1).
Учитывая, что входной вектор
для
НС при решении задачи распознавания режимов ГТД соответствует набору признаков,
а выходной вектор
, классу состояний,
математическую модель персептрона можно представить в виде системы уравнений
(6).
Таблица 1 - Желаемые значения выходов
нейросетевого классификатора
|
Распознаваемые
режимы
|
Сигналы
на выходе НС
|
F2
|
F3
|
|
Установившийся
|
1
|
0
|
0
|
|
Разгон
|
0
|
1
|
0
|
|
Дросселирование
|
0
|
0
|
1
|
Обозначим через
множество выходных сигналов нейронов l-го слоя;
а через
-
матрицу весовых синоптических связей, соединяющих нейроны l-го слоя с нейронами
-го
слоя. Тогда функционирование персептрона можно описать следующей системой
уравнений:
для входного слоя
,
где
-
входной вектор;
для скрытого слоя
,
;
(6)
для выходного слоя
,
.
Здесь
-
число нейронов l-го слоя;
и
-
величины смещения нейронов, соответственно, скрытого и выходного слоев;
- активационная
функция нейрона.
В нашем случае
,
а
.
Анализ различных архитектур НС показал, что в
качестве нейронной сети целесообразно принять трехслойный персептрон.
Основными вопросами, требующими своего решения,
после выбора архитектуры НС являются:
определение ширины “окна” L;
выбор вида функции активации нейронов;
поиск оптимального количества нейронов в скрытом
слое;
выбор алгоритма обучения.
Перечисленные выше вопросы реализуются на
следующем этапе.
.4 Выбор структуры НС
Очевидно, что малый размер ширины “окна” не
позволит правильно распознать режимы работы ГТД, а большой размер ширины “окна”
L захватит соседние классы, что уменьшит достоверность распознавания режимов.
Зависимость ошибки обучения НС на выходе персептрона от размера временного окна
показана на рисунке 5. В данном случае в качестве функции активации применялась
сигмоидная функция вида [12]:
,
(7)
число нейронов скрытого слоя принималось равным
35.
Аналогичные исследования проводились с целью
выбора оптимального количества нейронов в скрытом слое. При этом учитывалось,
что малое их количество приводит к некачественному обучению НС, а большое - к
эффекту переобучения НС [13].
Рисунок 5 - Зависимость ошибки обучения НС от
ширины временного окна
На рисунке 6 показана зависимость ошибки
обучения персептрона (Е) от количества нейронов в скрытом слое (m2).
Рисунок 6 - Зависимость ошибки обучения от
сложности НС
При обучении персептрона принималось значение
ширины “окна” L = 10, что соответствует
входам
НС. Анализ рисунка 5 - рисунка 6 показывает, что при решении задачи
классификации (распознавания) режимов работы ГТД достаточно принимать ширину
временного окна равной 8¸12, а число нейронов скрытого
слоя 35¸50.
.5 Выбор алгоритма обучения
На данном этапе исследовались процессы обучения
НС классификатора с помощью следующих алгоритмов обучения [12 - 15]:
) алгоритм обратного распространения ошибки
(Back Propagation)
(8)
где h - величина,
задающая скорость сходимости;
где
-
производная активационной функции нейрона (в данном случае сигмоидная функция).
) алгоритм быстрого распространения (Quick
Propagation):
, (9)
где a - коэффициент
момента,
;
g
- коэффициент минимизации абсолютных значений весовых коэффициентов (обычно g
= 10-4);
) алгоритм сопряженных градиентов (Conjugate
Gradients):
,
,
(10)
где
-
вектор направления градиента;
- значение
градиента;
Н - матрица Гессе (гессиан);
) алгоритм Quasi Newton:
(11)
График зависимости ошибки обучения НС от числа
циклов (для различных алгоритмов обучения) приведен на рисунке 7. Как видно из
этого рисунка наибольшей скоростью сходимости обладают алгоритмы (3) и (4).
Требуемое число циклов обучения составляет 600¸1000.
1 - Back Propagation; 2 - Quick
Propagation;
- Conjugate Gradients; 4 - Quasi
Newton.
Рисунок 7 - Зависимость ошибки обучения НС от
числа циклов (на разных алгоритмах обучения)
.6 Оценка эффективности
Как уже отмечалось выше, после процесса обучения
НС на интервале обучения (25% выборки), необходимо проверить эффективность ее
работы на тестовой выборке, составляющей 75% объема всей выборки.
(12)
При этом, могут иметь место ошибки I и II рода,
т.е. отнесение состояния
к классу
.
На следующих рисунках (чч-чч) представлены
значения выходов нейронной сети.
Рисунок 8 - Классификация режимов работы ГТД (1й
выход НС)
Рисунок 10 - Классификация режимов работы ГТД
(2й выход НС)
Рисунок 10 - Классификация режимов работы ГТД
(3й выход НС)
Данные подходы нашли свое отражение в виде
комбинированного решающего правила в соответствующем программном модуле,
выполняющем нейросетевую классификацию режимов работы авиационного двигателя.
Для определения достоверности классификации
можно воспользоваться следующими формулами (13). Здесь Кош, Ккач - коэффициенты
ошибочной и качественной классификации:
(13)
где Тош - суммарное время участков,
соответствующих ошибочной классификации;
То - длительность тестовой выборки (в нашем
случае То = 4 мин).
В таблице 2 и таблице 3 приведены результаты
сравнительного анализа ошибок классификации и качества классификации режимов
работы двигателя для различных классов архитектур НС.
Таблица 2 - Ошибки классификации режимов для
различных архитектур НС в (%)
|
Архитектура
НС
|
Ошибка
классификации на выходе 1 (e1)
|
Ошибка
классификации на выходе 2 (e2)
|
Ошибка
классификации на выходе 3 (e3)
|
|
Персептрон
|
0,4231
|
0,1318
|
0,2512
|
|
Элмана
|
0,4451
|
0,1861
|
0,1987
|
|
Хемминга
|
0,4413
|
0,3238
|
0,1912
|
|
РБФ
|
0,5212
|
0,7921
|
0,2012
|
Таблица 3 - Коэффициент качества классификации
режимов для различных архитектур НС в (%)
|
Архитектура
НС
|
Выход_1
(x1)
|
Выход_2
(x2)
|
Выход_2
(x3)
|
|
Персептрон
|
99,96
|
99,99
|
99,97
|
|
Элмана
|
99,96
|
99,98
|
99,96
|
|
Хемминга
|
99,95
|
99,97
|
99,94
|
|
РБФ
|
99,95
|
99,92
|
99,92
|
Анализ (таблица 2) - (таблица 3) показывает, что
применение для процесса распознавания режимов ГТД других архитектур НС, дает
примерно те же результаты, что и персептрон.
При этом суммарные требуемые затраты на решение
задачи классификации режимов ГТД в нейросетевом базисе не превышают 10 - 20
минут (Pentium - IV, 3 ГГц, среда моделирования - MATLAB R2009b). Основное
время, затрачиваемое на решение задачи, используется на процесс обучения НС.
алгоритм распознавание двигатель
байес моделирование
Заключение
На основании полученных результатов исследований
можно сделать следующие выводы:
. Решение задачи классификации режимов работы
авиационного двигателя в нейросетевом базисе позволяет более эффективно и
качественно решить данную задачу, с меньшими затратами времени и вычислительных
ресурсов.
. Решение задачи сводится к использованию
рекуррентной НС, где входами ее являются текущие и задержанные параметры,
причем оптимальный размер временного окна выбирается 8¸12,
а количество нейронов в скрытом слое 35¸50.
. Показано, что наименьшая ошибка обучения НС
обеспечивается с использованием алгоритма сопряженных градиентов и
квазиньютоновского алгоритма.
. Анализ качества классификации режимов работы
ГТД с помощью нейронной сети на основе данных изделия 99 показывает, что
качество распознавания режимов составляет практически 100%, а ошибка
распознавания в рассматриваемом примере не превысила 0,4% на тестовой выборке.
Список используемых источников
1.
Августинович В.Г. и др. Идентификация систем управления авиационных
газотурбинных двигателей. Под редакцией Дедеша В.Т. - М.: Машиностроение, 1984.
- 200 с.
.
Агеев Д.А., Балухто А.Н. и др. Нейроматематика. Кн. 6. учеб. Пособие для
вузов./ Общая ред. Галушкина А.И. - М.: ИПРЖР, 2002. - 448 с.
.
Архитектура вычислителя для решения задачи восстановления потерянных данных с
датчиков на базе нейронной сети/ Жернаков С.В., Муслухов И.И.//
Нейроинформатика-2006: сб. науч. тр. VIII Всероссийской научно-технической
конференции. Часть 3. -М.МИФИ, 2006. С.180-188.
.
Бортовая интеллектуальная система контроля и диагностики авиационного ГТД в
режиме реального времени / Жернаков С.В., Муслухов И.И.// Актуальные проблемы в
науке и технике: сб. матер. региональной школы-семинара аспирантов и молодых
ученных. Уфа, Изд-во Уфимс. гос. авиац. техн. ун-та, 2007. Т. 2. С. 108-112.
.
Васильев А.Н., Граничин О.Н. и др. Современные проблемы нейроинформатики. Кн.
23. Часть 2 . Коллективная могография/ Под ред. Нечаева Ю.И. - М.:
Радиотехника, 2006. - 80 с.
.
Васильев В.И. Экспертные системы: Управление эксплуатацией сложных технических
объектов: Учеб. пособие для вузов / В.И. Васильев, С.В. Жернаков; УГАТУ.-Уфа:
Б.и., 2003.-106 с
.
Васильев В.И., Валеев С.С. и др. Применение нейросетевых моделей реального
времени в системах управления ГТД. Труды 2-й Всероссийской научно-технической
конференции «Нейроинформатика-2000», Ч.1.М.:МИФИ, 2000. - С. 236 - 242.
.
Васильев В.И., Валеев С.С. Применение нейросетевых моделей для обеспечения
отказоустойчивости САУ ГТД. Материалы Республиканской НТК «Интеллектуальное
управление в сложных системах-99». - Уфа.: УГАТУ, 1999. - С. 54-56.
.
Васильев В.И., Жернаков С.В., Фрид А.И. и др. Нейрокомпьютеры в авиации
(самолеты) / Под ред. Васильева В.И., Ильясова Б.Г., Кусимова С.Т. Кн. 14:
Учеб. пособие для вузов. - М.: Радиотехника, 2003. - 496 с.
.
Галушкин А.И. Современные направления развития нейрокомпьютерных технологий в
России. - Открытые системы, 1997, №4 (24), С. 25-28.
.
Галушкин А.И. Теория нейронных сетей. Кн. 1. Сер.: «Нейрокомпьютеры и их
применение» / Общая ред. Галушкина А.И. - М.: ИПРЖР, 2000. - 210 с.
.
Головко В.А. Нейронные сети: обучение, организация и применение. Кн. 4: учеб.
Пособие для вузов / Общая ред. Галушкина А.И. - М: ИПРЖР, 2001. - 256 с.
.
Горбань А.Н. Обучение нейронных сетей. - М.: ПараГраф. 1990. - 160 с.
.
Гузик В.Ф., Ермаков А.Е. и др. Нейрокомпьютеры в системах обработки сигналов.
Кн. 9. Коллективная монография /Под ред. Галушкина А.И и Гуляева Ю.В. - М.:
Радиотехника, 2003. - 224 с.
.
Дорогов А.Ю., Ермоленко А.С. и др. Современные проблемы нейроинформатики. Кн.
23. Часть 1. Коллективная могография/ Под ред. Нечаева Ю.И. - М.: Радиотехника,
2006. - 80 с.
.
Ефимов В.В., Козырев Г.И. и др. Нейрокомпьютеры в космической технике. Кн. 17.
- М.: Радиотехника, 2004. - 320 с.
.
Клейман Е.Г. Идентификация нестационарных объектов // Автоматика и
телемеханика. 1999. № 10. С. 3-45.
.
Клейман Е.Г., Мочалов И.А. Идентификация нестационарных объектов // Автоматика
и телемеханика. 1994. №2. С. 3-22.
.
Медведев В.С., Потемкин В.Г. Нейронный сети Matlab 6. - М.: Диалог-МИФИ, 2002.
- 496 с.
.
Методология IDEF0. Функциональное моделирование. М.: Метатехнология, 1993. -
117 с.
.
Методология IDEF1Х. Функциональное моделирование. М.: Метатехнология, 1993. -
120 с.
.
Муравьев Е.А., Лаппо В.Г. Предобработка информации при реализации нейросетевых
технологий // Нейрокомпьютеры разработка и применение. - 2004. - №7-8. -
С.105-110.
.
Сигеру Омату, Марзуки Халид и др. Нейрокомпьютеры и их применение. / Под ред.
Галушкина А.И. - М.: ИПРЖР, 2000. - 272 с.
.
Харламов А.А. Нейросетевая технология представления и обработки информации
(естественное представление знаний). Кн. 19. Монография/ под ред. Галушкина А.И.
- М. Радиотехника, 2006. - 88 с.
.
Web-сайт: http://www.idef.com/
.
Web-сайт: http://www.machinelearning.ru/