Разработка специализированной микроЭВМ с микропрограммным управлением
Федеральное государственное бюджетное
образовательное учреждение высшего профессионального образования
«ОМСКИЙ ГОСУДАРСТВЕННЫЙ ТЕХНИЧЕСКИЙ
УНИВЕРСИТЕТ»
Кафедра «Информатики и вычислительной
техники»
ПОЯСНИТЕЛЬНАЯ ЗАПИСКА
к курсовой работе
по дисциплине «Организация ЭВМ и
систем»
Тема: «Разработка специализированной
микроЭВМ с микропрограммным управлением»
Выполнили:
студенты гр. ИВТ-319
Панченко Ю.Н.
Некрасов В.Н.
Проверил:
к.т.н., доцент Нестерук В.Ф.
Омск 2012
Содержание
Задание на курсовое проектирование
. Структура внешнего интерфейса
2. Алгоритмы функционирования микроЭВМ
. Структурная схема микроЭВМ
. Формат микрокоманд
. Разработка микропрограммы
. Функциональная схема микроЭВМ
. Диаграмма синхроимпульсов
. Временная диаграмма работы микроЭВМ
Список использованных источников
Приложение
Задание на
курсовое проектирование
Тема задания: "Разработка специализированной микроЭВМ с
микропрограммным управлением".
Исходные данные:
Код двоичных чисел - обратный немодифицированный;
Форма представления двоичных чисел - с плавающей запятой;
Способ реализации алгоритма - таблично - алгоритмический метод
умножения через таблицу квадратов;
Временные параметры реализации алгоритма - программный;
Форматы обрабатываемых слов - 16 разрядов, из них 1 - знаковый;
Внешний интерфейс - специализированный асинхронный;
Включается на правах периферийного процессора.
Элементная база: микропроцессорный комплект серии К584 и дополняющие
интегральные микросхемы других серий.
Необходимо реализовать 2 коротки, 2 длинных и 3 логических операции.
Осуществить системное, структурное и функциональное проектирование микроЭВМ,
рассчитать технические параметры.
1. Структура внешнего интерфейса
Типовое функциональное распределение шин интерфейса внешней системы (ВС),
для которой проектируемая микроЭВМ является периферийным сопроцессором,
приведено на рисунке 1.
Рис.1.Структура внешнего интерфейса.
ГТ - сигнал «готовности». Выдается микроЭВМ с целью инициализации цикла
обмена с внешней системой.
ШД - совмещенная шестнадцатиразрядная двунаправленная шина данных и кода
операции, причем, код операции передается по трем младшим битам этой шины.
ППД - сигнал «подтверждение получения данных», выставляется микроЭВМ как
сигнал об удачном приеме данных для внешней системы.
ПД - сигнал «передача данных», оповестительный сигнал от внешней системы
о передаче данных в микроЭВМ;
ПР - сигнал «передача результата», выставляется микроЭВМ как
оповестительный сигнал о передаче данных для внешней системы.
ППР - сигнал «подтверждение получения результата», сигнал об удачном
приеме данных внешней системой в микроЭВМ.
2. Алгоритмы функционирования микроЭВМ

3. Структурная схема микроЭВМ
Микропроцессорный комплект (МПК) типа К584 в плане структурной
организации предполагает использование трех- или четырехмагистрального
внутреннего технического интерфейса, с помощью которого объединяются все
функциональные устройства микроЭВМ.
Структурная схема микроЭВМ приведена на рисунке 2.
Рис.2. Структурная схема микроЭВМ.
В таблице 1 указаны используемые сокращения.
В работе использованы функциональные блоки. К операционной части
относятся: блок микропроцессоров (БМП) со схемой ускоренного переноса (СУП),
которая введена для повышения быстродействия и функциональные устройства
расширения ОЧ.
Табл.1. Используемые на
схеме сокращения
|
Сокр.
|
Расшифровка
|
Раздел
|
Сокр.
|
Расшифровка
|
Раздел
|
|
МВХ
|
Входная магистраль
|
Магистрали
|
МУ
|
Магистраль управления
|
Магистрали
|
|
МВ
|
Выходная магистраль
|
Магистрали
|
МА
|
Магистраль адреса
|
Магистрали
|
|
ВИ
|
Внешний интерфейс
|
-
|
БМПП
|
Блок магистральных приемопередатчи-ков
|
ИЧ (Интерфейс-ная часть)
|
|
М1, М2, М3
|
Входные и выходная внутренние магистрали
|
БМПП
|
ТП
|
Табличный преобразователь
|
ОЧ (Операционная часть)
|
|
ША
|
Шина адреса
|
БМП, УП
|
БР
|
Буферный регистр
|
ОЧ
|
|
ШВ
|
Шина выходных данных
|
БМП
|
ДВ
|
Шина выходных данных
|
БМП,ТП
|
|
ДВХ
|
Шина входных данных
|
БМП, БР
|
БС
|
Блок синхронизации
|
-
|
|
МИ
|
Шина входа микроинструкции
|
МЛУ, БМУ, БР,ТП
|
УП
|
Управляющая память
|
УЧ (Управляющая часть)
|
|
СИ 1,2,3
|
Синхроимпульсы
|
БС
|
ШД
|
Шина данных
|
УП
|
|
ШМК
|
Шина микрокомманд
|
УП
|
БМУ
|
Блок микропрограммного управления
|
УЧ
|
|
АМК
|
Адрес микрокомманд
|
БМУ
|
МЛУ
|
Мультиплексор логических условий
|
УЧ
|
|
ЛУ
|
Логические условия
|
МЛУ
|
ШУ
|
Шина управления
|
БМП
|
|
БМП
|
Блок микропроцессоров
|
ОЧ
|
ВХП
|
Входной перенос (П)
|
БМП
|
|
!СД1
|
Инверсия сигнала сдвига одинарного слова
|
БМП
|
СП
|
Межсекционный перенос
|
БМП, СУП
|
|
ЧП
|
Частичный перенос
|
БМП, СУП
|
СУП
|
Схема ускоренного переноса
|
ОЧ
|
|
ВП
|
Выходной перенос
|
СУП
|
М1, МØ
|
Единичные константы для подключения режимов БМУ
|
МЛУ
|
БМП предназначен для арифметико-логической обработки и временного
хранения информации, представленной в двоичном коде. В БМП может входить одна
или несколько секций в зависимости от разрядности микроЭВМ. БМП имеет
разделенную двойную шину данных входную (ВХШ) и выходную (ВШ). Микропрограммное
управление осуществляется по шине микроинструкций (ШУ). БМП имеет выход
частичного переноса (ЧП), на основе которого вырабатывается ВП (СУП).
СУП обрабатывает межсекционные переносы (СП), общий входной перенос (ВхП)
и формирует выходной перенос БМП (ВыхП).
К системным устройствам относятся средства внешнего интерфейса на базе
блока магистрального приемо-передатчика (БМПП) и блок синхронизации (БС).
БМПП предназначен для приема, хранения и передачи байтов информации между
тремя двунаправленными магистралями, реализует паритетный контроль данных,
проходящих с системной магистрали, а также осуществляет электрический контроль
линий связи. БС формирует три синхроимпульса (СИ1, СИ2, СИ3) по которым
осуществляется стробирование выполнения микроинструкций.
К управляющей части относятся блок микропрограммного управления (БМУ),
управляющая память (УП), мультиплексор логических условий (МЛУ).
БМУ формирует последовательность адресов для УП. УП производит хранение
микропрограмм и передачу микрокоманд. МЛУ производит коммутацию логических
условий. БМУ на выходной шине адреса микрокоманды (АМК) формирует код адреса
текущей микрокоманды, который поступает на вход ША УП. На выходную шину МК УП
считывается соответствующая микрокоманда.
БР совместно с ТП применяются для обеспечения метода ускоренного
умножения.
4. Формат микрокоманд
Микрокоманда содержит микроинструкции всех функциональных устройств и
блоков, а так же сигналы взаимодействия с внешней средой при обмене через
интерфейс внешней системы. В таблице 2 представлен формат микрокоманд
разработанной микроЭВМ.
Табл.2.Полный формат микрокоманд.
|
41
|
40
|
39
|
38
|
37
|
36 35
|
34 27
|
26 13
|
12 1Ø
|
9
|
8 Ø
|
|
ПР
|
ПД
|
ГТ
|
РВ
|
!СД1
|
МИ ТП
|
МИ БМПП
|
МИ БМУ
|
МИ МЛУ
|
ВхП
|
МИ БМП
|
Перед отображением исходного алгоритма в системе микрокоманд и отладкой
микропрограмм определим системы символьного и двоичного кодирования
микроинструкций отдельных блоков и микрокоманд в целом.
В таблицах 3-6 приведены таблицы соответствия для введенных дополняющих
средств ТП, МЛУ, БР. Для МПК К584 в справочных технических материалах имеются
таблицы БМПП, БМУ и БМП (табл.7-8).
Для однобитовых сигналов: ВхП, !СД1, РВ, ГТ, ПД, ПР, -единичное значение
битовых сигналов закодировано символьными обозначениями, а нулевое значение -
инверсиями символьных обозначений: !ВхП, СД1, !РВ, !ГТ, !ПД, !ПР. Символами
"Х" указана возможность произвольного состояния битов.
В таблице 3 представлены операции в их двоичном обозначении для написания
микропрограммы.
Табл.3. Таблица микроинструкций БР.
|
Мнемокод(МНК)
|
Код
|
Примечание
|
|
ЗПБР
|
1
|
запись в буферный регистр
|
|
НОП
|
Ø
|
нет операций, хранение
|
Табл.4. Таблица микроинструкций ТП.
|
Мнемокод (МНК)
|
Код
|
Примечание
|
|
ЧМ
|
ØØ
|
Чтение из младшей страницы
|
|
ЧС
|
1Ø
|
Чтение из старшей страницы
|
|
НОП
|
X1
|
Хранение, отсутствие операций.
|
Табл.5. Таблица микроинструкций МЛУ.
|
МНК
|
Код
|
МØ
|
М1
|
Примечание
|
|
АПД
|
ØØØ
|
0
|
!ПД
|
Передача данных для анализа счета
|
|
АППР
|
ØØ1
|
0
|
!ППР
|
Подключение ПР
|
|
БСЧ
|
Ø1Ø
|
0
|
0
|
Безусловный счет
|
|
БП
|
Ø11
|
1
|
1
|
Безусловный переход
|
|
АВП
|
1ØØ
|
!ВП
|
!ВП
|
Анализ инверсии выхода переноса
|
|
АСД1
|
1Ø1
|
!СД1
|
!СД1
|
Арифметический сдвиг
|
|
-
|
11Ø
|
-
|
-
|
резерв для доп. условий
|
|
111
|
-
|
-
|
|
Табл.6. Таблица режимов МЛУ.
|
М1
|
МØ
|
Адрес
|
Режим
|
|
Х
|
Ø
|
РАМК+1
|
счет (СЧ)
|
|
Х
|
1
|
РАМК-1
|
|
|
Ø
|
Ø
|
РАМК(А)+1
|
принудительная адресация (ПА)
|
|
1
|
Ø
|
РАМК(А)+2
|
|
|
Ø
|
1
|
РАМК(А)-1
|
|
|
1
|
1
|
РАМК(А)
|
|
Табл.7. Таблица режимов БМПП.
|
МНК
|
Примечание
|
|
М3:=(М2)
|
Передача информации из магистрали М2 в магистраль М3
|
|
М1:=(М3)
|
Передача информации из магистрали М3 в магистраль М1
|
|
НОП
|
Нет операции
|
Табл.8. Таблица режимов БМУ.
|
МНК
|
Примечание
|
|
СЧ
|
Естественная адресация
|
|
ПА:=(ХХХ)
|
Принудительная адресация по адресу ХХХ
|
|
РКМ:=ШД(Ø-2), АТР
|
Принудительная адресация по трем младшим битам
|
Табл.9. Таблица кодов операций.
|
Код операции
|
Операция
|
|
ØØØ
|
сложение
|
|
ØØ1
|
вычитание
|
|
Ø1Ø
|
умножение (ускоренное)
|
|
Ø11
|
деление
|
|
1ØØ
|
логическое И
|
|
1Ø1
|
логическое ИЛИ
|
|
11Ø
|
логическое НЕ
|
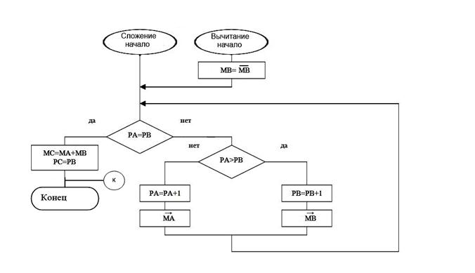
5. Разработка микропрограммы
Из управляющей памяти сигнал ГТ попадает на магистраль управления, оттуда
на М3 БМПП. Шина РВ стробирует выдачу сигнала.
Адресация типа АТР рассматривается по 3м битам, отстоящих на 32 бита друг
от друга. Т.о. для используемых операций имеем:
® "+" на ØØF;
® "-"
на Ø2F;
® "*"
на Ø4F;
® "/" на Ø6F;
® "ИЛИ" на Ø8F;
® "И" на ØAF;
® "НЕ" на ØCF.
Микропрограмма представлена в приложении А.
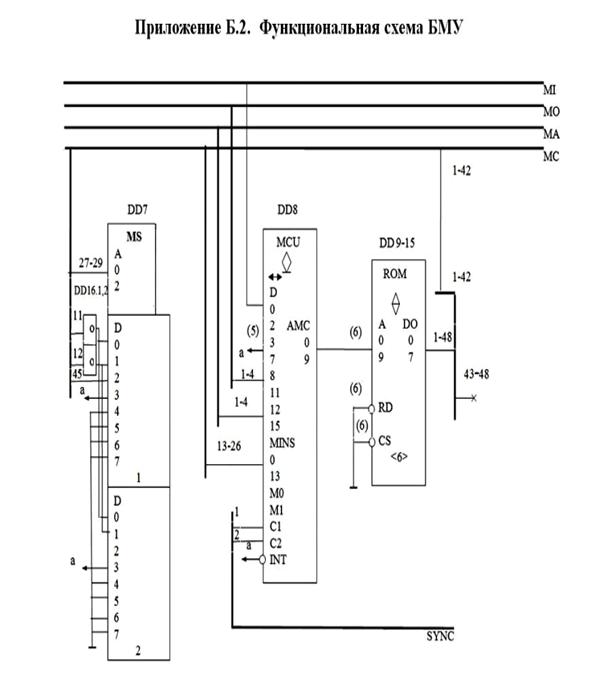
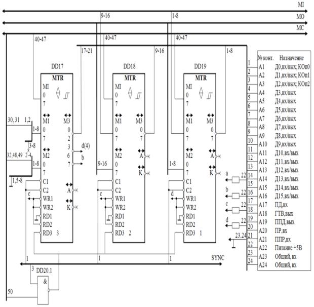
6. Функциональная схема микроЭВМ
При функциональном проектировании структурная схема ЭВМ представляется на
множестве интегральных схем. Нумерация шин в сборке раскрывается в таблице 10.
Сведения об используемых микросхемах представлены в таблице 11. Функциональные
схемы БМП, БМУ, БМПП и расширителей операционной части (БР и ТП) представлены в
приложениях Б.1-Б.4.
Табл.10. Нумерация шин магистрали управления.
|
Номер
|
Назначение
|
Номер
|
Назначение
|
Номер
|
Назначение
|
|
1-9
|
МИ БМП
|
27-29
|
МИ МЛУ
|
35
|
МИ БР
|
|
1Ø
|
Вход ПАЛУ(выходной перенос БМП)
|
ПД
|
36-43
|
МИ БМПП
|
|
11
|
Выход ПАЛУ(выходной перенос БМП)
|
31
|
ППР
|
44
|
ГТ
|
|
12
|
Выход сдвига !СД1
|
32
|
ПР
|
45
|
ПД
|
|
13-26
|
МИ БМУ
|
33-34
|
МИ ТП
|
46
|
РВ
|
Табл.11. Используемые микросхемы.
|
Позиционное обозначение
|
Наименование
|
Кол.
|
Примечание
|
|
DD1-DD4
|
К584ВМ1
|
4
|
БМП
|
|
DD5
|
К1533ИП4
|
1
|
СУП
|
|
DD6
|
К555ЛИ3
|
3
|
ИЛИ
|
|
DD7
|
К555 КП5
|
1
|
МЛУ
|
|
DD8
|
К584ВУ1
|
1
|
БМУ
|
|
DD9-DD15
|
К541РT2
|
7
|
УП
|
|
DD16
|
К155ЛН1
|
5
|
НЕ
|
|
DD17- DD 19
|
К584ВВ1
|
3
|
БМПП
|
|
DD20
|
К155ЛА3
|
1
|
2И-НЕ
|
|
DD22, DD 24
|
КР1656РЕ11
|
2
|
ТП
|
|
DD2, DD 23
|
К589ИР12
|
2
|
БР
|
|
DD25- DD26
|
К583АГ1
|
2
|
Одновибратор
|
|
DD27-DD28
|
К155ВГ1
|
1
|
БС
|
|
DD29
|
К555ЛЛ1
|
2
|
И
|
7. Диаграмма синхроимпульсов
При использовании комплекта К584 рекомендован к применению универсальный
контроллер синхронизации (УКС) серии К584ВГ1, на кристалле которого
интегрированы генератор тактовых импульсов (ГТИ) и распределитель тактовых
импульсов (РТИ). Максимальная частота колебаний ГТИ 20 МГц, поэтому 2dt=50 нс.
РТИ на базе ТИ циклически вырабатывает SØ-S9 тактовых импульсов, длительностью 2dt.
Запуск РТИ обеспечивается подачей низкого уровня CLR и высокого STR. Соотношение параметров d,C1,C2,RD3 и t2 задействуют полный цикл УКС, что
можно увидеть на временной диаграмме (рисунок 3).
Рис.3. Диаграмма синхроимпульсов.
Окончательный вариант блока синхронизации представлен в приложении Б.5.
8. Временная диаграмма работы микроЭВМ
микропроцессор интерфейс
синхроимпульс эвм
Временные диаграммы работы микроЭВМ получаем путем наращивания базовой
группы временных диаграмм БМУ диаграммами временного поведения сигналов в
возможных контурах управления. Для микросхемы БМУ временные параметры приведены
в таблице
Временные параметры БМУ
|
Параметр
|
Значение, нс
|
Описание
|
|
t1
|
>=100
|
Интервал действия низкого уровня синхроимпульса С1
|
|
t2
|
>=1400
|
Длительность микрокомандного цикла, период синхронизации
|
|
t3
|
>=400
|
Время дешифрации микроинструкции
|
|
t4
|
>=400
|
Интервал действия низкого уровня синхроимпульса С2
|
|
t5
|
>=40
|
Интервал предустановки микроинструкции
|
|
t6
|
>=100
|
Интервал удержания микроинструкции
|
|
t7
|
>=200
|
Интервал предустановки кода модификации
|
|
t8
|
>=100
|
Интервал удержания кода модификации
|
|
t9
|
>=40
|
Интервал предустановки кода данных
|
|
t10
|
>=100
|
Интервал удержания кода данных
|
|
t11
|
350
|
Время задержки выдачи адреса микрокоманды
|
Для процессорной секции БМП используются следующие временные параметры,
которые имеют привязку к положительному фронту синхроимпульса:
Временные параметры БМП
|
Параметр
|
Значение, нс
|
Описание
|
|
T1
|
>=100
|
Интервал действия низкого уровня синхроимпульса СLK
|
|
T2
|
>=400
|
Длительность микрокомандного цикла, период синхронизации
|
|
T3
|
>=100
|
Интервал предустановки микроинструкции
|
|
T4
|
>=50
|
Интервал удержания микроинструкции
|
|
T5
|
>=60
|
Интервал удержания входных данных DI и входного переноса CI предыдущего цикла
|
|
Т6
|
150
|
Время задержки формирования частичных переносов в
процессорной секции.
|
|
T7
|
250
|
Время задержки формирования выходных данных в процессорной
секции
|
|
T8
|
100
|
Время задержки формирования сигналов на выходной шине
сдвига !SLR1
|
|
Т9
|
225
|
Задержка выходного переноса в схеме ускоренного переноса SFC
|
|
Т10
|
25
|
Время задержки формирования сигнала на выходных шинах
мультиплексора
|
Завершающим этапом моделирования временных процессов в течение
микрокомандного цикла является наращивание системы диаграммными осями, на
которых отображается состояние шин интерфейсного блока БМПП, осуществляющего
сопряжение шин внешнего интерфейса с внутренними магистралями микроЭВМ. БМПП
имеет следующие временные параметры:
Временные параметры БМПП
|
ПараметрЗначение, нсОписание
|
|
|
|
R1
|
>=20
|
Интервал действия низкого уровня синхроимпульса СLK
|
|
R2
|
>=70
|
Длительность микрокомандного цикла, период синхронизации
|
|
R3
|
>=15
|
Интервал предустановки микроинструкции
|
|
R4
|
>=15
|
Интервал удержания микроинструкции
|
|
R5
|
35
|
Задержка дешифрации MINS
|
|
R6
|
>=40
|
Интервал предустановки данных
|
|
R7
|
>=15
|
Интервал действия низкого уровня синхроимпульса
стробирования усилителей выходных магистралей
|
|
R8
|
15
|
Задержка установки выходных данных
|
|
R9
|
25
|
Задержка трансляции данных
|
Временные диаграммы представлены в приложении В.
Список использованных источников
1. Микропроцессоры и микропроцессорные комплекты
интегральных микросхем : Справочник. В 2 т./ В.-Б. Б. Абрайтис, Н.Н. Аверьянов,
А.И Белоус и др./ под ред. В.А. Шахнова. -М.: Радио и связь, 1988.-Т.1. - 368
с.: ил.
2. Микропроцессоры и микроЭВМ в системах автоматического
управления: Справочник. В 2 т./ С.Т. Хвощ, Н.Н. Варлинский, Е.А. Попов/ под
ред. С.Т. Хвоща.-Л.: Машиностроение. Ленинградское отделение, 1987.-640 с.: ил.
3. Нестерук В.Ф. Организация ЭВМ и систем: Краткий конспект
лекций для дистанционной формы обучения.- Омск: Изд-во ОмГТУ, 2005, 60с.
4. Нестерук В.Ф. Организация ЭВМ и систем: Методические
указания к лабораторным работам для дистанционной формы обучения.- Омск: Изд-во
ОмГТУ, 2005, 31с.
. Нестерук В.Ф. Организация ЭВМ и систем:
Учеб.пособие.- Омск: Изд-во ОмГТУ, 2005, 52с.
6. Потапов В.И. и др. Основы компьютерной арифметики и
логики/ В.И. Потапов, О.П. Шафеева, И.В. Червенчук - Омск: Изд-во ОмГТУ , 2004.-
172 с.
7. Цилькер, Б. Организация ЭВМ и систем / Б.Я. Цилькер,
С.А. Орлов. СПб.: Питер - 2007, 672 c.
Приложение

Рис.
Функциональная схема БМПП
