Разработка модели электрогидравлического вихревого регулирующего элемента в Sinulink
ВВЕДЕНИЕ
Формализация задачи и применение численных
методов позволяют использовать хорошо изученные приемы решения и стандартное
(универсальное) математическое обеспечение ЭВМ. Применение ЭВМ повышает
эффективность научных исследований, позволяет проводить моделирование сложных
объектов и явлений.
Математическое моделирование включает следующие
шаги:
- выбор расчетной схемы и определение
необходимой детализации;
математическое описание (составление системы
уравнений);
выбор метода решения;
приведение модели (включающей уравнения, метод,
исходные данные и начальные условия) к виду, удобному для решения на ЭВМ;
составление программы для ЭВМ;
проведение расчетов (моделирование);
при необходимости повторить шаги;
анализ результатов;
при необходимости повторить шаги;
оформление отчета (описание, схемы, рисунки,
графики, формулы);
при необходимости повторить шаги.
Развитие ЭВМ и программного обеспечения приводит
к ускорению и облегчению выполнения каждого шага моделирования. До недавнего
времени преобладал традиционный подход, отработанный на “больших” ЭВМ. При этом
каждый этап был изолирован от других и рассчитан на работу специализированной
группы. Так постановкой задачи занимались “постановщики”, разрабатывали методы
решения и программировали математики и программисты, обработкой на ЭВМ и
построением графиков решения занимались операторы. Большое количество времени
(человеческого и машинного) требовалось на отладку программ. Решение на ЭВМ
проводилось в основном в пакетном режиме. Таким образом закладывали пакет
входных данных (на перфокартах, магнитных лентах или в другом виде) и получали
выходные данные (в основном на бумаге, реже на магнитном носителе). При
традиционном подходе хорошо решаются многовариантные задачи на хорошо
отработанных моделях. Многомодельные системы в основном используются в дорогих
САПР. Увеличение быстродействия ЭВМ и развитие графического интерфейса
позволило получать и отображать результаты в графическом виде в темпе решения,
что значительно сократило объем промежуточных распечаток и бумажных отчетов.
Целью дипломного проекта является разработка
модели электрогидравлического вихревого регулирующего элемента в Sinulink.
1. ПОСТАНОВКА ЗАДАЧИ
1.1 Классификация
программных продуктов для моделирования технических устройств
Очевидно, что набор функций будет различным в
таких группах ПО как программы моделирования, оптимизации, машинной графики,
управления объектами и т.п. Поэтому для каждой группы программ после
предварительного проведения классификации ПО нужно устанавливать свои способы
оценки функциональности. Поскольку для виртуальных лабораторий наиболее важной
группой ПО является группа программ моделирования, рассмотрим критерии
функциональности ПО применительно к этой группе.
Классификация программ моделирования проводится
по нескольким признакам. Прежде всего используются следующие четыре признака:
этапность моделирования,
иерархический уровень моделирования;
решаемые задачи или выполняемые проектные
процедуры;
предметная область (приложение).
Первому признаку соответствуют два возможных
значения - S или MS.
С помощью S-программ выполняют
только этап решения уравнений математической модели (simulation),
с помощью MS-программ -
как этап формирования модели (modeling),
так и ее решения (simulation).
К числу типичных S-программ относятся
математические пакеты. Примеры MS-программ
- программно-методические комплексы типа Nastran,
Spice, Adams
и др. Очевидно, что S-программы в
основном предназначены для использования в процессе изучения математических
дисциплин, но для изучения инженерных дисциплин они по сравнению с MS-программами
неудобны, а иногда и бесполезны.
В соответствии со вторым признаком выделяют
уровни моделирования распределенный (микро), сосредоточенный (макро),
функционально-логический, системный. Примерами программ микроуровня могут
служить Ansys, Nastran,
Cosmos, макроуровня - Adams,
Spice, ПА9,
функционально-логического - QuickSim,
TimeMill, Voyager,
системного - GPSS/PC,
OPNET.
В соответствии с третьим признаком выделяют
такие типичные задачи как моделирование установившихся состояний, стационарных,
динамических и нестационарных процессов.
В соответствии с четвертым признаком выделяют
программы анализа механических, гидравлических, электронных, оптико-электронных
и т.п. систем.
Функциональность программы моделирования, как
правило, может быть оценена только качественно. Метриками функциональности
программы моделирования могут быть степени универсальности, определяемые по
каждому признаку приведенной выше классификация, и адекватность. Степень
универсальности по признаку этапности, как уже отмечено, имеет два возможных
значения S и MS.
Степень универсальности по признаку "Иерархический уровень"
оценивается принадлежностью к одному или нескольким иерархическим уровням.
Степень универсальности по признаку "Решаемые задачи" характеризуется
полнотой перечня решаемых задач. Степень универсальности по признаку
"Предметная область" характеризуется возможностью решения задач в
разных приложениях и возможностью моделирования взаимодействия процессов разной
физической природы. Очевидно, что наиболее универсальны программы
моделирования, способные отражать процессы в системах различной физической
природы, наименее универсальны программы, предназначенные для решения задач
анализа и расчета конструкций или устройств одного частного типа.
К числу показателей качества программ,
используемых в виртуальных лабораториях, следует отнести показатель
приспособленности применения программы в сетевой среде. Следует выделить три
типа программ в зависимости от характера используемых сетевых технологий.
а) Программа разрабатывается без учета сетевых
возможностей. Копия программы пересылается клиенту, например, по E-mail.
Методическое пособие при этом может располагаться на сервере центра
дистанционного обучения или пересылаться одновременно с программой. Если
программа не является собственной разработкой, то, очевидно, что этот способ
возможен только для свободно распространяемых программ. Достоинством метода
является полная автономность такой программы. Недостатком - привязка к
операционной системе и отсутствие защиты авторских прав (особенно это актуально
для программно-методических комплексов имеющих помимо учебного, еще и
промышленное применение).
б) Программа строится по принципу клиент-сервер.
Серверная часть устанавливается на сервере в центре дистанционного обучения.
При этом возможны два варианта построения программы-сервера: первый - сервер
обеспечивает соединение только с одним клиентом, второй - сервер имеет
возможность одновременного обслуживания многих клиентов. Первый вариант более
прост в реализации, но имеет ограниченные возможности по одновременному
обслуживанию запросов многих клиентов, так как для обеспечения такой
возможности необходим запуск нескольких копий программы-сервера (например, на
разные программные порты). Это не очень удобно для клиента, так как ему
необходимо самостоятельно найти свободный порт. Второй вариант более сложен в
реализации, но удобнее для клиента. Учебные задания всех пользователей при этом
выполняются на сервере центра. Достоинством метода является высокая защищенность
программы, контролируемость доступа к ней, легкая модифицируемость. Недостатком
- ограниченность числа пользователей из-за возможности перегрузки сервера и
привязка к операционной системе. Кроме того, если клиент находится за
брандмауэром, для обеспечения возможности доступа соответствующие порты должны
быть открыты. Другим существенным недостатком такого подхода является то, что
при модификациях или исправлении ошибок в программе необходимо реинсталлировать
программы как на сервере, так и на машинах пользователей.
в) Программа выполнена на языке Java
в виде апплета, встроенного в HTML-страницу.
В этом случае клиенту пересылается байт-код апплета, и расчеты выполняются на
машине клиента. Достоинствами метода является неограниченное количество пользователей,
защищенность программы с точки зрения охраны авторских прав, контролируемость
доступа к ней стандартными средствами контроля доступа к HTML-страницам,
легкая модифицируемость (не требуется реинсталляция клиентских программ),
использование стандартных программных портов, возможность исполнения программы
в любой операционной среде, для которой разработан Web-браузер
с поддержкой Java. В
настоящий момент такие Web-браузеры
разработаны практически для всех популярных операционных систем. Также несомненным
достоинством является возможность размещения на одной HTML-странице
подробных инструкций и методических указаний по работе с программой.
Очевидно, что третий вариант является наиболее
перспективным при разработке нового программного обеспечения. В рамках третьего
варианта возможна разработка специализированных или универсальных программ.
Примером программы первого типа может служить
программа проектирования оптико-электронных систем ПАСМ, разработанная на
кафедре “Лазерные и оптико-электронные системы”, второго типа - программа МВТУ
(“ Моделирование В Технических Устройствах”), разработанная на кафедре “Ядерные
реакторы и установки”, третьего типа - программа ПА9, предназначенная для
моделирования разнородных технических объектов, разработанная на кафедре
“Системы автоматизированного проектирования”. Программно-методический комплекс
(ПМК) ПА9 является универсальной программой, применить которую можно для
постановки лабораторных практикумов по различным дисциплинам.
Если говорить о достоинствах и недостатках
специализированных и универсальных программ, то достоинством специализированных
программ является их явная направленность на конкретную лабораторную работу и
возможность реализации в этих программах любых идей, вплоть до трехмерного
воспроизведения реальных лабораторных стендов. Недостатком же и весьма
существенным - высокие требования к квалификации программиста и большие
трудозатраты, связанные как с программированием, так и с получением корректных
математических моделей. Достоинство универсальных программ заключается в
возможности их адаптации к различным лабораторным работам как в пределах одной
предметной области, так и в различных предметных областях. При этом
математическая модель объекта строится автоматически, умения программирования
на каком либо языке не требуется. К недостаткам можно отнести унификацию
интерфейса таких ПМК, которая не всегда позволяет использовать привычные для
конкретной предметной области обозначения элементов.
Возможен и промежуточный вариант - универсальный
программный комплекс, в котором не закрыта возможность создания оригинальных
графических изображений элементов, характерных для конкретной предметной
области. К таким ПМК относится ПА9.
Инвариантность ПМК ПА9 к предметной области
можно проиллюстрировать двумя методическими пособиями размещенными на сайте www.cdl.bmstu.ru:
лабораторный практикум “Цифровая схемотехника” и “Применение комплекса ПА9 к
решению задач ТММ”. В первом пособии апплетами, реализованными с помощью ПА9,
выполняется моделирование базовых элементов основных технологий изготовления
микросхем, во втором моделирование плоских рычажных механизмов.
.2 Обзор
универсальных программных комплексов
К этой группе можно отнести такие ПК, как ПА9, SYMHYD,
СИАМ, МВТУ(МГТУ им. Н.Э. Баумана), MathCAD, MATLAB
with simulink (MathWorks Inc.) Lab View, BridgeView, LookOut (фирма National
Instruments); TRADE MODE (фирма Ad Astra). предоставляет
пользователю удобную вычислительную среду, соединяющую в одной оболочке
математическое ядро, текстовый процессор, мощную графическую систему обработки
результатов и средства коммуникации. В ней нашла отражение передовая технология
LDI (Live
Document
Interface), согласно которой
каждое действие пользователя по вводу математического выражения немедленно
интерпретируется системой и после соответствующих вычислений отображается в
документе. После того как решение записано в выражениях MathCAD’а,
пользователь просто задает интересующие его данные и немедленно получает
результат. Другим важным принципом системы является естественное, то есть
принятое в математической литературе, представление формул и выражений. Этот
принцип в соединении с расширенными возможностями форматирования превращает MathCAD
в мощный инструмент для подготовки математических публикаций, которые можно
получать как в бумажном, так и в электронном виде. Основным документом системы
является рабочая область, так называемая Worksheet.
В документах Worksheet
отображается как данные, вводимые пользователем, так и вычисленные результаты.
Каждая формула, текстовый блок или график в документе считаются его отдельной
областью. С последними можно проводить традиционные действия - перемещать,
удалять, копировать.
MathCAD
предоставляет доступ к широкому набору общих и специальных математических
функций. Опишем основные их группы.
Группа символьных вычислений. К ним относятся
основные операции алгебры и анализа:
нахождение производных, интегралов, пределов,
сумм и произведений;
преобразование выражений (упрощение,
факторизация, приведение подобных), разложение в ряды Тейлора;
символьное решение уравнений и их систем;
матричная алгебра;
преобразования (Фурье, Лапласа и z-преобразования).
Группа численных операций. Поддерживается
большое количество высокоэффективных численных алгоритмов, к основным из
которых относятся:
нахождение корней уравнений и их систем;
решение оптимизационных задач (нахождение
экстремумов функций, задачи линейного программирования);
численное решение некоторых типов
дифференциальных уравнений.
Статистические функции. MathCAD
имеет в своем составе большое число мощных статистических процедур. Перечислим
основные из них:
основные характеристики выборки (среднее,
дисперсия);
функции основных типов статистических
распределений;
генерирование последовательности случайных чисел
из основных распределений;
линейная и кубическая интерполяция, сглаживание
данных;
подгонка распределений и линейное
прогнозирование.
Финансовые функции. Последние версии MathCAD
содержит множество финансовых функций, которые могут быть использованы для
расчетов инвестиций и кредитов.
Графические средства обработки результатов
вычислений MathCAD’а
являются одними из лучших среди аналогов. Двумерные графики можно строить в
декартовых и полярных координатах. Для каждой кривой предусмотрено задание
цвета, толщины, стиля. Для графика в целом задают вид осей координат, надписей,
масштаб и другие параметры. MathCAD
поддерживает следующие основные типы трехмерных графиков: график в виде
поверхности (заданной явно или параметрически), контурный, точечный,
столбиковый, в виде векторного поля. Их можно отображать в трех координатных
системах: декартовой, сферической и цилиндрической. Кроме цвета, толщины линий
и других традиционных параметров получится задать поворот, наклон, подсветку,
перспективу, уровень прозрачности и другие специальные эффекты. Также графики
можно создавать, вставляя (импортируя) их из файлов графических форматов. С
помощью анимационных функций построенные графики можно "оживить".
Важной возможностью системы является поддержка
разных систем измерения. Пакет поддерживает несколько систем измерения, и кроме
того, пользователь с легкостью введет свои единицы и свяжет их с уже
известными.
MathCAD
имеет собственный инструментарий для создания пользовательских программ,
которые записываются непосредственно в документы пакета. Надо отметить, что
возможности программирования в MathCAD
не особо развиты. Впрочем, такой подход к внутренним программным средствам
используется преднамеренно, поскольку главным принципом, которого
придерживаются разработчики системы, является простота и наглядность (даже за
счет некоторой утраты функциональности).
Пакет легко может быть включен в распределенную
вычислительную систему, объединяющую несколько приложений. Для этих целей в
пакете предусмотрены специальные средства (так называемые компоненты),
позволяющие установить его связь с другими программами посредством механизма OLE.
При этом MathCAD
может использоваться и как сервер, и как клиент OLE-протокола.
Имеются специальные компоненты для взаимодействия с такими известными
программами, как MathLab,
Axum, Excel,
S-PLUS.
Для связи с другими программами, поддерживающими OLE-протокол,
применяются программируемые компоненты, в которых сценарий взаимодействия
приложений возможно записывать на языках VBScript
или JScript.
Рабочие документы MathCAD’а
экспортируются в HTML-
и PDF-форматы для
последующего использования в других приложениях или опубликования в World
Wide Web.
Стоит заметить, что экспортированные документы почти неотличимы от оригинала,
однако, иногда возникают проблемы с передачей кириллического текста.
Таким образом, MathCAD
является почти идеальной средой для решения научных и инженерных задач в тех
областях науки и техники, где общепринятой и естественной является постановка
задачи в виде формул или систем уравнений. Однако, в большинстве инженерных
задач исследуемый объект представляется, как правило, в виде функциональных или
принципиальных схем. К сожалению, в MathCAD'е
полностью отсутствуют средства для автоматизации формирования системы
дифференциальных уравнений, описывающей поведение исследуемого объекта на
основе его графического представления, а осуществить эту операцию вручную в
большинстве случаев практически не представляется возможным, если число
уравнений в системе превосходит 30÷40.
Программный комплекс MATLAB
with simulink
(в дальнейшем просто simulink)
является самым развитым по своим функциональным и интерфейсным возможностям ПК
для моделирования и анализа систем автоматического управления. Фундаментом его
широких возможностей является мощный, широко известный в мире математический
пакет MATLAB,
разработанный фирмой Math
Works, Inc.
По сути ПК MATLAB является
языком программирования интерпретативного типа, удачно сочетающим элементы
языка высокого уровня (типа Си), развитый математический аппарат, основанный на
матричном исчислении и реализованный через набор функций, а также развитые
средства отображения, хранения и обмена информацией. Благодаря высокой
надежности предлагаемых алгоритмов и удобства общения пользователя с ЭВМ ПК MATLAB
нашел широкое применение при вычислениях в различных разделах математики и
прикладных наук. Кроме основных программ, функций и команд, сосредоточенных в
ядре комплекса, в MATLAB
включено ряд ППП для выполнения расчетов специалистами, работающими в самых
различных областях науки и техники.
Важное место в комплексе MATLAB
занимают ППП для решения самых разнообразных задач анализа, синтеза и
идентификации САУ. Среди этих пакетов можно назвать Control
System Toolbox,
предназначенный для анализа и синтеза линейных систем с постоянными
параметрами, Robust
Control Toolbox
для робастного управления автоматическими системами, Model
Predective
Control Toolbox,
используемый в задачах синтеза адаптивного управления системами с эталонной
моделью, System
identification
Toolbox, позволяющий
решать проблемы идентификации параметров автоматических систем, Optimization
Toolbox, служащий для
оптимизации САУ. В этом смысле simulink
представляет собой интегрированную графическую надстройку, включающую
графический редактор для формирования моделей автоматических систем в виде
структурных схем, а также механизмы связи с ядром MATLAB,
что позволяет производить непосредственно в среде simulink
моделирования, анализ, оптимизацию и другие исследования. ПК simulink
работает под управлением операционной системы WINDOWS,
имеет богатый набор модулей и алгоритмов, представляет собой открытую систему,
позволяет создавать иерархические структурные схемы и обладает рядом других
привлекательных свойств.
Однако программный комплекс simulink
не обладает свойствами SCADA-систем:
в нем отсутствуют виртуальные средства управления процессом моделирования,
встроенные средства связи с внешними расчетными программами. Тестирование ПК simulink
на ряде модельных задач показало недостаточную эффективность реализованных в
нем методов интегрирования для решения жестких систем дифференциальных
уравнений.
В большинстве перечисленных выше программных
комплексах визуальный образ объекта исследования формируется в виде структурной
схемы из типовых элементов, описываемых в форме входо - выходных отношений.
Такой способ представления является наиболее удобным и естественным для систем,
являющихся предметом исследования теории автоматического управления (ТАУ).
Разработчики ПК PRADIS
основывались на методологии, принятой в семействе ПА. Спецификой комплекса является
его предметная направленность на решение задач анализа узлов оборудования и
транспортных машин, то есть механических и смешанно-механических систем. В
соответствии с этим в ПК PRADIS
реализована модификация узлового метода, характерными особенностями которой
являются:
- математическая модель объекта исследования
формируется в виде системы дифференциальных уравнений не 1-го, а 2-го порядка;
- наличие развитой библиотеки
механических и смешанно-механических элементов, позволяющее сократить время на
подготовку моделей разнотипных элементов.
Программный комплекс LabView
представляет собой интегрированную графическую систему, предназначенную в
основном для автоматизации эксперимента. В графическом редакторе ПК создаются
окна двух типов: окно функциональной схемы и окно панели управления и
мониторинга. Функциональная схема содержит блоки следующих типов: блоки связи с
объектом (порты входа-выхода, в которых реализован тот или иной интерфейс связи
с платами, программами, файлами); блоки функциональной обработки входных
сигналов (усиление, суммирование, фильтрация, статистика); блоки, с помощью
которых устанавливается связь сигналов на функциональной схеме с визуальными
элементами отображения и управления на окне панели управления и мониторинга
(кнопки, вольтметры, ключи). Объем элементной базы как в части создания панелей
управления и мониторинга, так и в части обработки сигналов, удобство
графического интерфейса, широкая палитра встроенных средств связи с объектом
делает LabView
весьма привлекательным инструментом для автоматизации эксперимента или создания
панелей управления и мониторинга. В последнем случае подразумевается обмен
данными между LabView
и моделирующими программами. Однако создать в среде LabView
математическую модель системы, относительно сложной в динамическом плане,
проблематично.
Программные комплексы LookOut
и BridgeView предназначены для
создания АСУ ТП в том числе и сложных технических систем. Они включают в себя
все возможности ПК LabView,
но при этом позволяют создавать мнемосхемы технических объектов, проводить
архивирование данных, осуществлять контроль и диагностику протекания
технологического процесса и т.д. В принципе, эти программные комплексы более
“подготовлены” к использованию их для разработки виртуального лабораторного
практикума, однако сверхвысокая их стоимость (более 10 тысяч USD)
препятствует их внедрению в учебный процесс многих даже зарубежных
университетов.
Программный комплекс “МВТУ” позволяет
моделировать нестационарные процессы в непрерывных, дискретных и гибридных
технических системах, в том числе и при наличии обмена данными (синхронный или
асинхронный) с внешними программами и устройствами, редактировать параметры
структурной схемы и расчета в режиме “on-line”,рестарт,
архивацию и воспроизведение результатов моделирования, выполнять
параметрическую оптимизации САУ и идентификацию опытных данных; расчет
амплитудно-фазовых частотных характеристик для любой линейной и большинства
нелинейных систем (ЛАЧХ, ФЧХ, различные годографы), расчет коэффициентов,
полюсов и нулей передаточных функций.
Программные комплексы ПА9 и Simhyd
направлены на проектирование широкой номенклатуры технических объектов. Для
этого в ПК используется метод аналогий, согласно которому в большинстве
технических систем можно выделить три типа простейших элементов: элемент,
рассеивающий энергию, элемент, накапливающий потенциальную энергию и элемент,
накапливающий кинетическую энергию Сочетанием этих простейших элементов, а
также источников фазовых переменных может быть получена математическая модель
технического объекта любой сложности, состоящего из различных физических подсистем
(электрических, механических, гидравлических, тепловых). В графическом
редакторе программного комплекса собирается структурная схема технического
объекта. ПК ПА-9 написан на языке Java,
имеет развитые средства редактирования структурной схемы (включая создание
макромоделей), средства удаленного доступа через сеть INTERNET.
Библиотека блоков включает в себя элементы механических и гидравлических
систем, однако наиболее полно представлена электрическая система.
Метод аналогий, заложенный в основу ПК ПА-9 и Simhyd,
позволяет создавать и моделировать структурно заданные модели сложных
технических систем с подсистемами различной физической природы в рамках единого
системного подхода.
К недостаткам программных комплексов ПА и Simhyd
необходимо отнести и отсутствие в них виртуальных средств управления и
отображения.
На основе проведенного анализа и сравнения
программ моделирования можно составить классификацию, представленную на рисунке
1.
Рисунок 1 - Классификация программ моделирования
2. ОПИСАНИЕ ЭЛЕКТРОГИДРАВЛИЧЕСКОГО ВИХРЕВОГО
РЕГУЛИРУЮЩЕГО ЭЛЕМЕНТА С МАГНИТОЖИДКОСТНЫМ СЕНСОРОМ
Вихревые устройства занимают
особое место в элементах струйной автоматики. К ним относятся такие элементы,
как вихревые диоды, усилители давления, клапаны для регулирования расхода,
датчики угловой скорости.
Рассмотрим электрогидравлический вихревой
регулирующий элемент с магнитожидкостным сенсором. Принцип действия вихревых
устройств основан на изменении параметров закрученной струи жидкости при ее
течении от периферии вихревой камеры к центру. Рассматриваемый
электрогидравлический вихревой регулирующий элемент с магнитожидкостным
сенсором, помимо классического управления, через тангенциальный канал, имеет
дополнительное управление, основанное на явлениях электромагнетизма. При
наличии напряжения на катушке, имеющая свой сердечник, связанный с основным
сердечником-корпусом, который представляет собой цилиндр закрытый с двух
сторон, в вихревой камере возникает магнитная напряженность. В свою очередь эта
магнитная напряженность направлена так, что стремится потянуть к выходному
соплу вихревого усилителя магнитную жидкость, находящуюся в эластичном сенсоре.
На рисунке 2 представлена
конструкция ЭГВРЭ с МЖС с верхним расположением сенсора. Этот вариант имеет
незначительные изменения конструкции, по сравнению с предыдущим
оптимизированным вариантом. Здесь в место выходного штуцера в крышку завёрнута
заглушка с закреплённым на ней магнитожидкостным сенсором, а в место сердечника
катушки с закреплённым на ней сенсором предусмотрен сердечник катушки с
выходным штуцером.
- канал питания;
- корпус, представляющий собой замкнутый
магнитопровод;
- сенсор, содержащий магнитную жидкость;
- вихревая камера;
- катушка;
- выходное сопло;
- каркас катушки;
- поток управления;
Рисунок 2 - ЭГВРЭ с верхним расположением
сенсора
Рисунок 3 - Вихревой регулирующий элемент как «
черный ящик»
Применение такого электрогидравлического метода
управления позволяет улучшить статические и динамические характеристики, а
также повысить точность регулирования расхода жидкости.
Для достижения цели дипломного проекта
необходимо разработать модель электрогидравлического вихревого регулирующего
элемента в Sinulink
3. РАЗРАБОТКА ПРОГРАММНОЙ МОДЕЛИ
ЭЛЕКТРОГОГИДРАВЛИЧЕСКОГО ВИХРЕВОГО РЕГУЛИРУЮЩЕГО ЭЛЕМЕНТА
3.1 Теоретические
сведения о Среде Guide и Simulink
Одной из основных причин широкого использования
пакета Matlab является большой спектр средств, который он предоставляет
пользователю для решения разнообразных задач в различных областях человеческой
деятельности. В состав MatLab входит среда GUIDE для создания приложений с
графическим интерфейсом пользователя. Работа в этой среде достаточно проста -
элементы управления (кнопки, раскрывающиеся списки и другие элементы.)
размещаются при помощи мыши, а затем программируются события, которые возникают
при обращении пользователя к данным элементам управления.
Приложение может состоять как из одного
основного окна, так и нескольких окон и осуществлять вывод графической и
текстовой информации, в основное окно приложения и в отдельные окна. Ряд
функций MatLab предназначен для создания стандартных диалоговых окон открытия и
сохранения файла, печати, выбора шрифта, окна для ввода данных и др., которыми
можно пользоваться в собственных приложениях.
Для создания интерфейса необходимо перейти в
среду GUIDE, выполнив команду guide
При этом появляется диалоговое окно GUIDE Quick
Start (рисунок 4). У него две вкладки.
Вкладка Create New GUI (создание нового
приложения), которая нам сейчас понадобится. На ней можно выбрать четыре
заготовки: Blank GUI (пустое окно приложения), GUI with Uicontrols (заготовка с
кнопками, переключателями и областями ввода), GUI with Axes and Menu (заготовка
с осями, меню, кнопкой и раскрывающимся списком), Modal Question Dialog
(заготовка для модального окна).
Вкладка Open Existing GUI (открытие
существующего приложения).
Кроме того, внизу вкладки Create New GUI есть
флаг, установка которого позволяет сразу задать имя файла, в котором будет
храниться графический интерфейс. Но приложение всегда можно будет сохранить в
процессе редактирования, поэтому этот флаг устанавливать не обязательно.
Рисунок 4 - Диалоговое окно GUIDE
Quick Start
На вкладке Create New GUI необходимо выбрать
строку Blank GUI и нажать OK. При этом появляется основное окно среды GUIDE,
содержащее заготовку для окна приложения, панель инструментов для добавления
элементов интерфейса, управляющую панель и меню (рисунок 5).
В составе MATLAB, подсистема Simulink
занимает особое место. Simulink - это интерактивная среда для моделирования и
анализа широкого класса динамических систем с помощью блок-диаграмм.
Рисунок 5 - заготовка для окна приложения
matlab программный модель
регулирующий
Основные свойства подсистемы Simulink:
- включает в себя обширную библиотеку
блоков (непрерывные элементы, дискретные элементы, математические функции,
нелинейные элементы, источники сигналов, средства отображения, дополнительные
блоки), которые можно использовать для графической сборки систем;
- предоставляет возможность
моделирования линейных, нелинейных, непрерывных, дискретных и гибридных систем;
- блок-диаграммы могут быть объединены
в составные блоки, что позволяет использовать иерархическое представление
структуры модели, тем самым обеспечивая упрощенный взгляд на компоненты и
подсистемы ;
- содержит средства для создания
пользовательских блоков и библиотек блоков;
- поддерживает подсистемы, работающие
по условиям, триггерам.
- Simulink обеспечивают интерактивную среду для
моделирования, при этом поведение модели и результаты ее функционирования
отображаются в процессе работы, и существует возможность изменять параметры
модели даже в тот момент, когда она выполняется. Simulink позволяет создавать
собственные блоки и библиотеки блоков с доступом из программ на Matlab, Fortran
или C, связывать блоки с разработанными ранее программами на Fortran и C,
содержащими уже проверенные модели.
- Начиная с версии 3.0 в Simulink
появились специализированные приложения, значительно увеличившие мощь данной
среды моделирования:
- Stateflow - графический
инструментарий для проектирования сложных систем управления. Stateflow дает
возможность моделировать поведение сложных событийно-управляемых систем,
базируясь на теории конечных автоматов. Это позволяет пользователям Simulink
добавлять событийно-управляемое поведение к их моделям.
- Stateflow Coder - генерация С кода для диаграмм
Stateflow . Используя Stateflow и Stateflow Coder, пользователь может
генерировать код исключительно для Stateflow-частей модели Simulink.
- Real-Time Workshop - дополняет
Simulink и Stateflow Coder, обеспечивая автоматическую генерацию кода C из
моделей Simulink. С помощью Real - Time Workshop можно легко генерировать код
для дискретных, непрерывных и гибридных систем, включая системы, содержащие
подсистемы работающие при выполнении определенных условий.
- DSP Blockset - библиотеки блоков
Simulink для создания, моделирования и макетирования цифровых систем обработки
сигналов.
- Nonlinear Control Design Blockset -
интерактивный подход к автоматизированному проектированию систем управления.
- Fixed-Point Blockset - библиотеки
блоков Simulink для моделирования поведения систем управления и динамических
фильтров с фиксированной точкой.
- Simulink Report Generator -
позволяет создавать и настраивать отчеты из моделей Simulink и Stateflow в
различных форматах, среди которых HTML, RTF, XML и SGML.
3.2 Основные расчетные
соотношения для электрогидравлического регулирующего элемента
Распределение напряженности. Определение
напряжённости на оси симметрии. Напряженность магнитного поля внутри вихревой
камеры является распределенной величиной и зависит как от координаты z
(по высоте камеры) так и от n
(диаметр камеры)
На основе предыдущих разработок принято
допущение, которое позволяет учитывать лишь неоднородность по высоте ЭГВРЭ как
наиболее значимое. Аналитическое выражение для расчета распределения
напряженности магнитного поля внутри вихревой камеры на оси симметрии имеет
вид:
,
(1)
где
,
где
- поверхностная плотность магнитных
зарядов штуцера;
- поверхностная плотность магнитных
зарядов;
S1 - площадь
поперечного сечения сердечника;
S2 - площадь
поперечного сечения верхнего электрода (крышка камеры);
z - координата
по высоте камеры;
Dc, dc - внешний и
внутренний диаметры сердечника;
Dук, dук - внешний
и внутренний диаметры крышки камеры;
l - высота
сердечника.
(2)
На рисунке 6 представлен график
зависимости по высоте вихревой камеры при силе тока в 3А.
Рисунок 6 - График
напряжённости между по высоте вихревой камеры на оси симметрии
Перемещение магнитожидкостного сенсора.
Неоднородное магнитное поле ЭГВРЭ вызывает формирование в магнитной жидкости,
расположенной внутри сенсора, магнитное давление, обусловленное свойствами
магнитной жидкости
В связи с этим МЖС перемещается в область более
сильного поля. Сенсор как и поле является распределенной величиной (перемещение
зависит от координаты). Но в дальнейших расчетах используется центральная точка
сенсора, совпадающая с осью симметрии. Расчетное соотношение имеет вид:
, (3)
где
,
где М- Намагниченность магнитной
жидкости
m0 -
магнитная проницаемость
lm- длина
участка магнитопровода
i - ток
.2.3 Гидравлическое сопротивление
камеры. Перемещение сенсора в сторону выходного отверстия вызывает рост
гидравлического сопротивления устройства и следовательно уменьшения выходного
расчета
Зависимость для гидросопротивления
имеет вид:
, (4)
где
- сопротивление участка,
рассчитываемого как тройник;
- сопротивление участка,
рассчитываемого как колено;
- сопротивление участка,
рассчитываемого как внезапное сужение.
Общее гидравлическое сопротивление
вихревой камеры условно выделено на участки представленные на рисунке 7:
а) гидравлическое сопротивление при слиянии
потоков питания и управления (расчет тройника);
б) гидравлическое сопротивление при
изменении направления потока (расчет колена);
а - Вихревая камера б - Слияние потоков питания
и управления
в - Колено в гидросистеме г- Выходной канал с
экраном, Py - расход и давление потока управления,, Pn -потока питания, Qc, Pc
-суммарного потока
а - высота трубопровода, b - ширина, R - радиус
осевой линии,
δ - угол изгиба
Рисунок 7- Вихревая камера и её три участка
гидравлическое сопротивление при внезапном
изменении величины скорости и перетекании потока через отверстие из-под экрана
(расчет внезапного сужения).
1 участок вихревой камеры. На
входе в вихревую камеру происходит слияние потоков питания и управления. Этот
участок рассчитывается как вытяжной тройник (рисунок 7б).
В основные потери в вытяжном
тройнике складываются из потерь на турбулентное смешение двух потоков,
обладающих различными скоростями, потерь на поворот потока при выходе его из
бокового ответвления в сборный рукав, потерь на расширение потока в диффузорной
части и потерь в плавном отводе. При расчете течения в зоне выхода потоков
питания и управления в вихревую камеру как течение в вытяжном тройнике, учтем:
- поток управления соответствует потоку
прямого прохода;
- поток питания - потоку бокового
ответвления;
суммарный поток - потоку сборного
рукава;
угол ответвления соответствует π/2.
Общий коэффициент сопротивления тройника,
приведенный к кинетической энергии в сборном рукаве:
, (5)
где
,
где Fn - площадь
поперечного сечения канала питания, м2;
Fc - площадь
поперечного сечения результирующего канала, м2.
, (6)
,
где Qп
- расход питания, м3/с;
Qс - расход
суммарного потока, м3/с;
Qу - расход
управления, м3/с.
где
,
,
где dп
- диаметр канала питания, м.
D - диаметр вихревой
камеры, м;
dc - диаметр
магнитожидкостного сенсора, м;
Н - высота вихревой камеры, м.
2 участок вихревой камеры. В
вихревой камере происходит закрутка струи. При этом поток жидкости обтекает
магнитожидкостной сенсор. В зависимости от размеров МЖС поток рабочей жидкости
может совершать различное число оборотов внутри вихревой камеры. Примем
допущение, что поток рабочей жидкости совершает один полный оборот. При
расчетах будем использовать основные зависимости для расчета колена (рисунок
7в).
E2=Etr+Em
(7)
где
,
где А1- коэффициент, учитывающий угол
изогнутости отвода d;
В1- коэффициент, учитывающий влияние
относительного радиуса закругления отвода R0/b;
С1- коэффициент, учитывающий влияние
относительной вытянутости поперечного сечения отвода a/b.
а - высота участка трубы, м;
b - ширина участка
трубы, м.
Δ - средняя высота
бугорков, м.
участок вихревой камеры. Расчет гидравлического
сопротивления на выходе осуществляется как расчет внезапного сужения и
истечение потока в отверстие из-за экрана (МЖС) (рисунок 7г).
Гидравлическое сопротивление
участка с внезапным сужением и экраном есть функция геометрических параметров
участка:
,
(8)
где hс - высота
МЖС, м
Н - высота вихревой камеры, м.
d - диаметр
выходного отверстия, м.
Гидравлическое сопротивление вихревого усилителя
является функцией многих переменных: расходов питания и управления,
геометрических параметров вихревой камеры (высота, диаметр, диаметры входных и
выходных каналов) и размеров сенсора.
Выходной расход ЭГВРЭ зависит от значения
гидравлического сопротивления и описывается следующим образом:
(9)
.3 Расчет
основных параметров в интерфейсе GUIDE
При описании программирования
интерфейсов выделим расчет напряженности и гидравлического сопротивления, как
наиболее сложные в разработке модели.
- Интерфейс для расчета напряженности магнитного
поля в вихревой камере. Разработку интерфейса начнем с проектирования
интерфейса с добавлением кнопки на заготовку окна приложения. Для этого при
помощи мыши выберите инструмент «Push Button» (его пиктограмма содержит кнопку
OK, а имя появляется на всплывающей подсказке) и щелчком мыши поместим кнопку
на заготовку окна приложения. Далее разместим на форме компонент «Статический
текст» (его пиктограмма содержит кнопку ТХТ, а имя появляется на всплывающей
подсказке), необходимый для отображения текста, в данном случае будут заданы
названия коэффициентов. Для ввода значений, на форме необходимо разместить
компонент «Правка текста»( его пиктограмма содержит кнопку EDIT,
а имя появляется на всплывающей подсказке). Таким образом, законченный вид
интерфейса представлен на рисунке 8.
Исходный код программы выглядит следующим
образом:
объявляем переменные
=4*pi*10^-3; b1=89.079;
=32.996; k=10^6;
объявим переменные в соответствии со значениями
в полях
D=str2num(get(handles.edit2,'string'))
;=str2num(get(handles.edit4,'string')) ;=str2num(get(handles.edit5,'string'))
;=str2num(get(handles.edit7,'string')) ;=str2num(get(handles.edit8,'string'))
;=str2num(get(handles.edit9,'string')) ;=str2num(get(handles.edit12,'string'))
;=str2num(get(handles.edit10,'string')) ;=str2num(get(handles.edit13,'string'))
;=str2num(get(handles.edit14,'string'))
;=str2num(get(handles.edit16,'string'));=str2num(get(handles.edit17,'string'))
;=str2num(get(handles.edit19,'string')) ;=str2num(get(handles.edit20,'string'))
;=str2num(get(handles.edit21,'string')) ;=str2num(get(handles.edit22,'string'))
;=str2num(get(handles.edit23,'string')) ;
вводим
расчетные формулы=pi*((D^2-d^2)/8);
S2=pi*((h2*(D-Dc))/4);=pi*((h3*D)/4);=pi*((Dc^2-Db^2)/8);=(D-Dc)/2;=D/2;=2;
I=1;=b1*B+b0;F=(I*w-b0*(l1+l2+l3+l4)+M*lm);F=((l1/S1)+(l2/S2)+(l3/S3)+(l4/S4));=(drob1F/(b1*drob2F+((lb+lm)/(S4*m0))));=2*F05;=F/(m0*S4);(handles.text20,'string',H);(handles.text22,'string',F);z=0:0.01:9=pi*((Dc^2-db^2)/4);=(pi*(D1^2-d1^2))/4;=F/Sc;=F/Sk;=(s1*(1-(z/1))+s2*(z/1));=(s1+s2)/2;=cos(atan(D1/(2*(h+1-z))))=cos(atan(D1/(2*(1-z))))=cos(atan(Dc/(2*z)))=cos(atan(Dc/(2*(l4+z))))=cos(atan(d1/(2*(1-z))))=4*pi*k*(ch1+ch2+ch3+ch4-ch5)=4*pi*k*s*4*pi*k*(cos(atan(D1/(2*(h+1-z))))+cos(atan(D1/(2*(1-z))))+cos(atan(Dc/(2*z)))+cos(atan(Dc/(2*(l4+z))))-cos(atan(d1/(2*(1-z)))));=4*pi*m0*M*H(handles.axes1)(handles.text28,'string',H);on(z,H2+H3);off
Рисунок
8- Готовое окно модели.
Интерфейс
для расчета гидравлического сопротивления. При написании интерфейса
воспользуемся полученным ранее опытом при написании интерфейса для
напряженности поля.
Рисунок
9 -Законченный дизайн интерфейса
Далее
следует написать процедуру обработки нажатия кнопки для расчета коэффициентов,
по тексту она вызывается следующей процедурой:
function
pushbutton1_Callback(hObject, eventdata, handles)
Далее
следует процедура обработки нажатия кнопки «Расчет».
function
pushbutton1_Callback(hObject, eventdata,
handles)=str2num(get(handles.edit1,'string'))=str2num(get(handles.edit2,'string'))=str2num(get(handles.edit3,'string'))=str2num(get(handles.edit4,'string'))=str2num(get(handles.edit5,'string'))=str2num(get(handles.edit9,'string'))=str2num(get(handles.edit10,'string'))=str2num(get(handles.edit12,'string'))=str2num(get(handles.edit13,'string'))=str2num(get(handles.edit14,'string'))=str2num(get(handles.edit15,'string'))=str2num(get(handles.edit16,'string'))=str2num(get(handles.edit18,'string'))=Qp+Qy=(3.14*dp^2)/4=(D-Dc)/2*H=A*(1+((Qp*Fc)/(Qc*Fp))^2-2*(1-(Qp/Qc))^2)=1.55*(Qp/Qc)-(Qp/Qc)^2=Ecb/((Qp/Qc)*(Fc/Fp))^2=Ecp/(1-(Qp/Qc))^2=(Qp/Qc)*Eb+(Qy/Qc)*Ep=D-Dc=(H*do)/(H+0.5*do)=(dlt*(H+0.5*do))/(H*do)=0.0175*2*pi*(do/(4*drob1))*1/(1.138-2*log10(drob2))
Em=A1+B1+C1=Etr+Em=60*exp(-41*(H-Hc)/d)+0.031=(((pi*d^2)/(H*((D-Dc)/2)))^2)*E1+(((pi*d^2)/(H*((D-Dc)/2)))^2)*E2*E3
set(handles.text18,'string',Eo)
Далее
следует процедура обработки нажатия кнопки «Выход».
function
pushbutton2_Callback(hObject, eventdata, handles)
3.4 Разработка полной модели в Simulink
Создание
модели «напряженность» для библиотеки «EGVU_MJS». ». Для
создания модели в среде SIMULINK необходимо последовательно выполнить ряд
действий
a) Создать новый файл модели с
помощью команды File/New/Model, или используя кнопку
на панели
инструментов (здесь и далее, с помощью символа “/”, указаны пункты меню
программы, которые необходимо последовательно выбрать для выполнения указанного
действия). Вновь созданное окно модели показано на рисунке 10
Рисунок
10 - Пустое окно модели
б)
Расположить блоки в окне модели. Для этого необходимо открыть соответствующий
раздел библиотеки. Для создания модели нам понадобятся следующие блоки: блок “Fcn”,
расположенный в библиотеке “User - Defined Functions”,
необходимый для задания функции расчета. “In1”,
расположенный в библиотеке “Sources”,
необходимый для ввода значений из внешнего источника блока; “Out1”,
расположенный в библиотеке “Sincs”, необходимый для вывода
значений во внешнее пространство блока. “Demux”,
расположенный в библиотеке “Signal Routing”; ”Dot Product”,
расположенный в библиотеке “Math Operation”,
необходимый для перемножения значений. “Math Function”,
расположенный в библиотеке “Math Operation”,
необходимый для задания простой математической функции.
Далее, указав курсором на требуемый блок и нажав
на левую клавишу “мыши” - “перетащить” блок в созданное окно. Клавишу мыши
нужно держать нажатой.
Для удаления блока необходимо выбрать блок
(указать курсором на его изображение и нажать левую клавишу “мыши”), а затем
нажать клавишу Delete на клавиатуре.
Для изменения размеров блока требуется выбрать
блок, установить курсор в один из углов блока и, нажав левую клавишу “мыши”,
изменить размер блока (курсор при этом превратится в двухстороннюю стрелку).
в) Далее, если это требуется, нужно изменить
параметры блока, установленные программой “по умолчанию”. Для этого необходимо
дважды щелкнуть левой клавишей “мыши”, указав курсором на изображение блока.
Откроется окно редактирования параметров данного блока. При задании численных
параметров следует иметь в виду, что в качестве десятичного разделителя должна
использоваться точка, а не запятая. После внесения изменений нужно закрыть окно
кнопкой OK. На рисунке 11 в качестве примера показаны блоки, демультиплексора и
математической функции, и окна редактирования параметров данных блоков.
Рисунок 11 - Окна редактирования параметров
блоков
г) После установки на схеме всех блоков из
требуемых библиотек нужно выполнить соединение элементов схемы. Для соединения
блоков необходимо указать курсором на “выход” блока, а затем, нажать и, не
отпуская левую клавишу “мыши”, провести линию к входу другого блока. После чего
отпустить клавишу. В случае правильного соединения изображение стрелки на входе
блока изменяет цвет. Для создания точки разветвления в соединительной линии
нужно подвести курсор к предполагаемому узлу и, нажав правую клавишу “мыши”,
протянуть линию. Для удаления линии требуется выбрать линию (так же, как это
выполняется для блока), а затем нажать клавишу Delete на клавиатуре Схема
модели, в которой выполнены соединения между блоками, показана на рисунке 12
д) После составления расчетной схемы необходимо
сохранить ее в виде файла на диске, выбрав пункт меню File/Save As... в окне
схемы и указав папку и имя файла. Следует иметь в виду, что имя файла не должно
превышать 32 символов, должно начинаться с буквы и не может содержать символы
кириллицы и спецсимволы.
Рисунок 12 - Модель напряженности
При написании данной модели необходимо было
написать также отдельно блок для расчета функции f(a,b),
используемый в моделировании блока для напряженности. Модель блока функции f(a,b)
изображена на рисунке 13.
Рисунок 13 - Модель функции f(a,b)
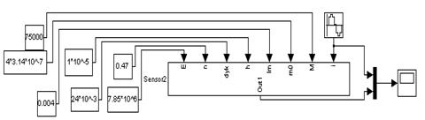
Создание модели «сенсор» для библиотеки «EGVU_MJS».
При создании данного блока воспользуемся уже полученным ранее опытом .Создадим
пустое окно модели и разместим в пустом окне следующие блоки: блок “Fcn”,
расположенный в библиотеке “User
- Defined Functions”,
необходимый для задания функции расчета. “In1”,
расположенный в библиотеке “Sources”,
необходимый для ввода значений из; “Out1”,
расположенный в библиотеке “Sincs”,
необходимый для вывода значений. “Demux”,
расположенный в библиотеке “Signal
Routing”; ”Dot
Product”, расположенный в
библиотеке “Math
Operation”, необходимый для
перемножения значений.
Рисунок 14 - Модель сенсора
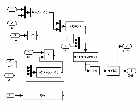
Создание модели «гидравлическое сопротивление»
для библиотеки «EGVU_MJS.
При создании данного блока воспользуемся уже полученным ранее опытом при
построении предыдущих моделей. Создадим пустое окно модели и разместим в пустом
окне следующие блоки: блок “Fcn”,
расположенный в библиотеке “User
- Defined Functions”,
необходимый для задания функции расчета. “In1”,
расположенный в библиотеке “Sources”,
необходимый для ввода значений из внешнего источника блока; “Out1”,
расположенный в библиотеке “Sincs”,
необходимый для вывода значений во внешнее пространство блока. “Demux”,
расположенный в библиотеке “Signal
Routing”; ”Dot
Product”, расположенный в
библиотеке “Math
Operation”, необходимый для
перемножения значений.
Рисунок 15 - Модель гидравлического
сопротивления
После создания всех моделей, необходимо
объединить модель в блок, для дальнейшего использования в проектированиях и
моделированиях. Для этого необходимо выделить полученную модель(на рисунке 16
показано пунктиром), зайти в меню “Edit” -
“create" (рисунок 17)
Рисунок 16 - Выделение модели
Рисунок 17 - Объединение модели в блок
Рисунок - 18 Библиотека блоков
Таким образом, разработаны укрупненные блоки
ЭГВРЭ, соединение которых позволит рассчитать зависимость выходного расхода от
силы тока на управляющую катушку.
. ИССЛЕДОВАНИЕ ПРОГРАММНОЙ МОДЕЛИ
Статическая характеристика характеризуется
зависимостью выходной величины от входной. Для получения статической
характеристики и значений необходимо объединить все блоки модели. Исследуем
каждый блок и устройство в целом.
4.1 Статическая
характеристика блока «NAPR_EGVRE» (напряженность)

На рисунке 19 изображен скомпонованный блок
модели для расчета напряженности поля.
Характеристика выражает зависимость изменения
напряженности по координате «z»
(высоте камеры).
Рисунок - 20 Статическая характеристика
напряженности
.2
Статическая характеристика блока «SENSOR_EGVRE»
(сенсор)
На рисунке 21 изображен блок модели для расчета
перемещения сенсора.
Рисунок - 21 Блок «SENSOR_EGVRE»
Характеристика выражает зависимость изменения
высоты сенсора от тока.
Рисунок - 22 Статическая характеристика
перемещения сенсора
4.3 Статическая
характеристика блока «GIDROS_EGVRE» (гидравлическое сопротивление)
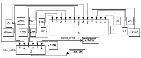
На рисунке 23 изображен блок модели для расчета
гидравлического сопротивления. Также этот блок объединен с блоком модели для
расчета выходного расхода жидкости.
Рисунок - 23 Блок «GIDROS_EGVRE»
Характеристика выражается численным выходным
значением функции расхода, входные параметры которой зависят от гидравлического
сопротивления. Таким образом на выходе мы получили расход рабочей жидкости.
Возможности Simulink
позволяют анализировать динамические характеристики.
4.4 Динамическая
характеристика работы устройства ЭГВРЭ с МЖС
Ниже показано построение переходной
характеристики на основе экспериментальных данных, имеющей вид:
(10)
Построим график передаточной функции
средствами MatLab, для этого
в окно команд выполним последовательность действий:
а) Запишем передаточную функцию
языком программы:
=tf([0 2.7*10^-5],[0,4 1])
После этого действия MatLab
трансформирует функцию из «строчного» вида в вид дроби:
.7e-005
--------
.4 s + 1
б) Выполним построение графика с
помощью команды «step(w)»:
Рисунок 24 - Динамическая характеристика модели
Таким образом, в Simulink
были построены все требуемые модели блоков, расчет напряженности поля, расчет
перемещения сенсора, расчет гидравлического сопротивления и изменение расхода.
При использовании данных блоков, изменяя входные параметры которых можно быстро
проанализировать необходимую ситуацию.
5. РЕКОМЕНДАЦИИ ПО ПРАКТИЧЕСКОМУ ПРИМЕНЕНИЮ
Разработанную программную модель
электрогидравлического вихревого регулирующего элемента можно использовать в
качестве наглядного пособия для самостоятельной работы в рамках курса
«Моделирование систем».
Порядок работы с программной моделью можно
разделить на несколько этапов.
а) Установка и первый запуск. Если каталог с
моделью «EGVRE» находится
на сменном носителе (CD-ROM,
RW, Flash,
FDD), его
рекомендуется скопировать на «жесткий» диск (HDD).
Далее необходимо запустить MatLab.
Для нормального функционирования модели необходимо указать рабочий каталог с
моделью. Для этого на инструментальной панели, изображенной на рисунке 25 в
области «Текущий каталог» нужно указать тот путь к каталогу, в который был
скопирована папка «EGVRE»
нажатием на кнопку
. После этого
действия появится окно (рисунок 26), в котором надо указать путь и каталог.
После нажатия на кнопку «ОК» в области «Рабочий каталог» добавится новая
рабочая директория (рисунок 27).
Рисунок - 25 Инструментальная панель MatLab
Рисунок - 26 Окно с выбором и добавлением
рабочей директории
Рисунок - 27 Обновленный рабочий каталог
б) Дальнейшая работа с моделью. Для запуска
необходимой части модели, необходимо в окне команд ввести нужную из команд,
перечисленные в таблице 1.
Таблица - 1 Команды для работы с моделью
|
Команда
|
Модель
|
|
intensity
|
Интерфейс
для расчета напряженности магнитного поля
|
|
hydroresistance
|
Интерфейс
для расчета гидравлического сопротивления
|
|
EGVRE
|
Запуск
библиотеки «EGVRE»
|
|
simulink_charge
|
Simulink блок
расхода
|
|
simulink_cherge_model
|
Simulink модель
расхода жидкости
|
|
simulink_hydroresistance_blok
|
Simulink блок
гидравлического сопротивления
|
|
simulink_hydroresistance_model
|
Simulink модель
гидравлического сопротивления
|
|
simulink_intensity_model
|
Simulink модель
напряженности
|
|
simulink_sensor_model
|
Simulink модель
сенсора
|
|
simulink_sensor2_model
|
Simulink модель
сенсора v.2
|
При работе с интерфейсами необходимо в поля
задания параметров ввести нужные значения и нажать на кнопку «Расчет».
При работе с библиотекой нужно создать новую
модель и перетащить из области библиотеки необходимый блок нажатием и
удержанием левой кнопки мыши в область модели. После перетаскивания блока
необходимо на входы подать блоки с константами и блок с заданием синусоиды где
это требуется.