Разработка мехатронного устройства с двумя вращательными и одной поступательной кинематическими парами и исследование его механических свойств
Федеральное государственное бюджетное образовательное
учреждение высшего профессионального образования «ОМСКИЙ ГОСУДАРСТВЕННЫЙ
ТЕХНИЧЕСКИЙ УНИВЕРСИТЕТ»
Бакалаврская
работа на тему
«Разработка
мехатронного устройства с двумя вращательными и одной поступательной
кинематическими парами и исследование его механических свойств»
Выполнил
студент
группы БМТ-418
Мухаряпов
Р.Р.
Проверил
Мальцев
В.Г.
Омск
2011г.
Аннотация
В данной работе были решены следующие задачи:
1. Разработана кинематическая схема
мехатронного устройства;
2. Разработана динамическая модель
мехатронного устройства;
. Построена рабочая зона мехатронного
устройства;
. Разработан схват для мехатронного
устройства;
Графическая часть представлена на 4 листах
формата А1:
Лист 1 - кинематическая схема мехатронного
устройства, исходные данные и формулы для решения задачи о положении объекта
манипулирования;
Лист 2 - динамическая модель мехатронного
устройства;
Лист 3 - построение рабочей зоны мехатронного
устройства;
Лист 4 - схват для мехатронного устройства.
При выполнении задания использовалось
программное обеспечение:
КОМПАС-3D
V12 для выполнения
графической части;
Введение
Мехатроника - это новая область науки и техники,
посвященная созданию и эксплуатации машин и систем с компьютерным управлением
движения, которая базируется на знаниях в области механики, электроники и
микропроцессорной техники, информатики и компьютерного управления движением
машин и агрегатов.
Задача мехатроники как науки состоит в
интеграции знаний из таких ранее обособленных областей, как механика и
компьютерное управление, информационные технологии и электроника.
Научно-техническое решение можно считать «истинно мехатронным», если компоненты
не просто взаимодействуют друг с другом, но и при этом образованная система
обладает новыми свойствами, которые не были присущи составляющим её частям.
Мехатроника уже вошла не только в
профессиональную, но и в повседневную жизнь современного человека. Ведь и
домашние бытовые машины, и трансмиссии новых автомобилей, и цифровые
видеокамеры, и дисководы компьютеров построены на мехатронных принципах.
Бурное развитие мехатроники вызвано резко
возросшими требованиями рынка к потребительским свойствам и качеству продукции
современного машиностроения. Именно этот фактор определяет современные
тенденции развития и стимулирует научно- технический прогресс в области
мехатроники.
Таким образом, создание оборудования нового
поколения на базе новых технологий для производства новых продуктов является
ответом производителей на новые рыночные условия. В России в последние годы
становлению мехатроники уделяется повышенное внимание. В марте 2002 г Путиным
утвержден документ «Основы политики РФ в области развития и технологии на
период 2010 г и в дальнейшей перспективе», где мехатронные технологии включены
в число критических технологий РФ.
Новые требования, предъявляемые функциональным
характеристикам технологических модулей и машин:
) Сверхвысокие скорости движения рабочих
органов машин, определяющие новый уровень производительности технологических
машин
) Сверхвысокие точности движения,
необходимые для реализации прецизионных технологий (вплоть до микро- и
наноперемещений)
) Максимальная компактность конструкции и
минимизация массогабаритных показателей модулей
) Интеллектуальное поведение машин,
функционирующих в изменяющихся и неопределенных внешних средах
) Реализация быстрых и точных перемещений
рабочих органов по сложным контурам и поверхностям
) Существенное расширение технологических
и функциональных возможностей оборудования желательно без увеличения его
стоимости
) Способность системы к реконфигурации в
зависимости от выполняемой конкретной задачи или операции
) Высокая надежность и безопасность
функционирования.
Современный этап развития автоматизированного
машиностроения в нашей стране происходит в новых экономических реалиях, когда
стоит вопрос о технологической состоятельности страны и конкурентоспособности
выпускаемой продукции.
Промышленные роботы находят все
более широкое применение, заменяя человека (или помогая ему) на участках с
опасными, вредными для здоровья, тяжелыми или монотонными условиями труда.
Особенно важно то, что промышленный робот можно применять для выполнения работ,
которые не могут быть механизированы или автоматизированы традиционными
средствами. Однако промышленный робот - всего лишь одно из многих возможных
средств автоматизации и упрощения производственных процессов. Они создают
предпосылки, для перехода к качественно новому уровню автоматизации - созданию
автоматических производственных систем, работающих с минимальным участием
человека.
Сегодня робототехнические
системы применяют практически во всех отраслях народного хозяйства, однако
наибольшее распространение они получили в промышленности, прежде всего - в
машиностроении.
Одно из основных преимуществ
промышленного робота - возможность быстрой переналадки для выполнения задач,
различающихся последовательностью и характером манипуляционных действий.
Поэтому применение промышленных роботов наиболее эффективно в условиях частой
смены объектов производства, а также для автоматизации ручного
низкоквалифицированного труда.
Промышленные роботы дают
возможность автоматизировать не только основные, но и вспомогательные операции,
чем и объясняется постоянно растущий интерес к ним.
Одной из основных причин
разработок и внедрения роботов является, конечно, экономия средств. По
сравнению с традиционными средствами автоматизации промышленные роботы
обеспечивают большую гибкость технических и организационных решений, снижение
сроков комплектации и пуска в производство автоматизированных систем.
Промышленный робот -
автоматическая машина, стационарная или передвижная, состоящая из
исполнительного устройства в виде манипулятора, имеющего несколько степеней
подвижности, и перепрограммируемого устройства программного управления для
выполнения в производственном процессе двигательных и управляющих функций (по
ГОСТ 25686-85). Характерными признаками промышленного робота являются
автоматическое управление: перепрограммируемость - способность к быстрой
автоматической или при помощи человека-оператора замене управляющей программы
(к изменению последовательности, системы и содержания команд); способность к
выполнению трудовых действий.
Манипулятор - устройство для
выполнения двигательных функций, аналогичных функциям руки человека при перемещении
объектов в пространстве, оснащенное рабочим органом.
Объектом манипулирования
называют тело, перемещаемое в пространстве манипулятором. К объектам
манипулирования относят заготовки, детали, захватные устройства,
вспомогательный, мерительный или обрабатывающий инструмент, технологическую
оснастку и т.п.
Основные технические показатели
промышленного робота (см. ГОСТ 25378-82) определяются предполагаемой областью
применения и условиями производства, для которых предназначается робот.
Грузоподъемность промышленного
робота определяется как суммарная грузоподъемность его рук.
Грузоподъемность руки
промышленного робота - наибольшая масса объектов манипулирования (включая массу
захватного устройства), которые могут перемещаться рукой при заданных условиях
(при максимальной или минимальной скорости, при максимальном вылете руки и т.
п.).
При исполнении с несколькими
руками наряду с суммарной грузоподъемностью промышленного робота следует
указывать грузоподъемность одной руки.
Для некоторых типов
промышленных роботов важным показателем является усилие (или крутящий момент),
развиваемое исполнительным механизмом при заданных условиях. К числу таких
показателей можно отнести усилие зажима (захвата, удержания) объекта
манипулирования захватным устройством; рабочее усилие руки промышленного робота
вдоль ее продольной оси; крутящий момент при ротации захватного устройства.
Число степеней подвижности
промышленного робота - сумма возможных координатных движений объекта
манипулирования относительно опорной системы (стойки, основания) промышленного
робота.
Погрешность позиционирования -
отклонение заданной позиции исполнительного механизма от фактической при
многократном позиционировании (повторении движения). Погрешность
позиционирования может оцениваться в линейных или угловых единицах.
Применительно к промышленному роботу важным показателем является суммарная
погрешность позиционирования всех исполнительных механизмов, приведенная к
фактическому положению объекта манипулирования, отличающемуся от заданного по
программе работы. Такой показатель называют погрешностью позиционирования
рабочего органа промышленного робота. Он определяется как величина отклонения
рабочего органа промышленного робота от заданного управляющей программой.
В представленной выпускной работе разрабатывается
мехатронное устройство с двумя вращательными и одной поступательной
кинематическими парами, работающее под управлением промышленного компьютера и
исследуются его механические свойства. Проектируется схват для разрабатываемого
мехатронного устройства, способный выполнять поставленную задачу.
1. Разработка динамической модели мехатронного
устройства
.1 Параметры мехатронных устройств
В данном контексте термин "параметры"
используется в широком смысле и обозначает ряд переменных величин, учитываемых
при выборе промышленных манипуляторов для конкретного применения.
Опыт показывает, что во всех случаях применения
промышленных манипуляторов приходится учитывать следующие переменные:
. Масса предмета или предметов, перемещаемых
манипулятором.
. Скорость перемещения или время цикла работы.
. Ориентация детали перед захватом ее
манипулятором.
. Количество предметов, перемещаемых за один
цикл работы манипулятора.
Масса предмета или предметов, перемещаемых
манипулятором. Современные программируемые манипуляторы в состоянии перемещать
предметы массой от нескольких граммов до нескольких сотен килограммов (примерно
до 400 кг).
Приложенная к концу руки манипулятора сила
тяжести вызывает ее прогиб. По мере выдвижения руки от точки, близкой к центру,
до расстояния в несколько десятков сантиметров прогиб руки становится серьезной
проблемой. Напомним, что точность позиционирования деталей составляет ± 0,4 мм.
Таким образом, минимальный прогиб руки манипулятора, ее жесткость становятся
важным условием надежной работы манипулятора и влияют на другие технические
характеристики манипулятора. Повышение жесткости влечет за собой увеличение
массы руки манипулятора. Это вызывает изменение времени цикла работы
манипулятора и повышение расхода электроэнергии, что в свою очередь увеличивает
эксплуатационные затраты.
Скорость перемещения или время цикла работы. Как
уже отмечалось, масса детали оказывает влияние на время цикла, за которое
манипулятор выполняет свою задачу. На практике можно руководствоваться
следующим приближенным правилом: если число циклов превышает 15 полных циклов в
минуту (другими словами полный цикл совершается каждые А секунды), необходимо
рассмотреть возможность автоматизации работ с использованием средств
манипуляторотехники. Такая автоматизация требует значительных капитальных
вложений, которые окупают себя только в том случае, если обрабатываются большие
партии одинаковых деталей. Например, в автомобилестроении объем выпуска
одинаковых или слегка измененных деталей должен составлять несколько сотен тысяч,
чтобы оправдать затраты на роботизацию.
.2 Технические требования на разрабатываемую
модель
Характеристика исследуемого мехатронного
устройства:
габаритные размеры, мм: 2600х2100х400
масса, кг: 330;
число степеней подвижности: 3;
скорости угловых перемещений звеньев системы, ˚/с: 45;
время разгона/торможения линейного перемещения,
с: 0,3;
время разгона/торможения углового перемещения,
с: 0,3;
полная масса 1 звена m1,
кг: 50;
полная масса 2 звена m2,
кг: 70;
полная масса 3 звена m3,
кг: 90;
грузоподъемность mг,
кг: 20;
напряжение питания трехфазное, В: ~380;
рабочий диапазон температур , °С: 0-60;
система управления: на
базе промышленной станции;
тип системы управления: контурная;
1.3 Промышленный робот
Промышленный робот -
автоматическая машина, стационарная, состоящая из исполнительного устройства в
виде мехатронного устройства, имеющего несколько степеней подвижности, и
перепрограммируемого устройства программного управления для выполнения в
производственном процессе двигательных и управляющих функций. Мехатронное
устройство - управляемое устройство или машина для выполнения двигательных
функций, аналогичных функциям руки человека при перемещении объектов в
пространстве, оснащенное рабочим органом.
Динамические качества мехатронного устройства
промышленного робота должно обеспечивать необходимую быстроту разгона до
требуемой скорости движения и торможения при остановке. В процессе движения не
должно быть колебаний, дерганий, вибраций. Остановка должна осуществляться
плавно, без колебаний и в заданном месте. Все эти показатели должны быть
обеспечены при изменяющейся конфигурации многозвенного мехатронного устройства
в процессе реализации им заданной траектории движения некоторой точки выходного
звена. Следует отметить, что в ряде случаев можно заранее сказать о
незначительном взаимовлиянии движений звеньев и им вообще можно пренебречь при
выборе параметров и структуры приводов, например:
1).
в промышленном роботе произвольной структуры с цикловым управлением, поскольку
степени подвижности в таких промышленных роботах срабатывают поочередно;
2).
в промышленном роботе ортогональной структуры (например, с прямоугольной
системой координат), где динамические и статические воздействия степеней
подвижности друг на друга проявляются только к виде изменения усилий бокового
прижатия подвижных элементов к поверхностям направляющих;
3).
в промышленном роботе произвольной структуры с контурным управлением,
выполняющих технологические операции с движением на малых рабочих скоростях
(например, при дуговой сварке).
Однако в названных случаях сохраняется
взаимовлияние степеней подвижности через изменения статических нагрузок,
связанные с изменением конфигураций промышленного робота.
Особо следует выделить промышленного робота с
позиционной системой управления, динамическое взаимовлияние степеней
подвижности в которых может быть значительным на начальном этапе быстрого
подхода выходного звена промышленного робота к заданной позиции и практически
отсутствовать на этапе движения вблизи нее в условиях постепенного уменьшения
скоростей. Эффект взаимовлияния на начальном этапе может проявиться в затяжке
или, наоборот, в сокращении времени отработки позиции, отразиться на форме получаемой
траектории движения (к которой в позиционных системах не предъявляется жестких
требований), а в некоторых случаях вызвать потерю устойчивости.
Следует также иметь в виду, что статическое и
динамическое взаимодействие степеней подвижности промышленного робота может
быть в определенной мере скомпенсировано конструктивными средствами: введением
систем уравновешивания статических сил и применением различных способов
динамического уравновешивания (динамических развязок). Этот путь наряду с
выбором рациональной структуры промышленного робота является наиболее
эффективным, так как проблема состоит не только в том, что при выборе
параметров приводов возникают трудности с учетом взаимодействий степеней
подвижности. Наличие эффекта статического и динамического взаимодействия
приводит к необходимости увеличивать мощности приводов, которые должны эти
действия преодолевать.
Для расчета динамических качеств манипулятора
составляются дифференциальные уравнения динамики движения всей совокупности
звеньев с учетом их масс, моментов инерции и связей друг с другом.
В большинстве случаев сложность
всей системы уравнений динамики не позволяет решить задачу аналитически,
поэтому прибегают к математическому моделированию динамики манипуляторов на
цифровых ЭВМ или на аналоговых комплексах. По определенным алгоритмам
производится машинный расчет, с автоматической выдачей графиков интересующих
динамических характеристик и различных цифровых данных.
Уравнения динамики движения звеньев с учетом
приводов составляются чаще всего на базе уравнений Лагранжа второго рода.
Исходная кинематическая схема манипулятора
изображена на рис.1.
Рис. 1. Кинематическая схема
.4 Прямая и обратная задача динамики
манипуляторов
При исследовании динамических качеств
манипуляторов решаются две основные задачи:
) Прямая задача динамики манипуляторов
состоит в определении обобщенных координат по заданным внешним силам,
действующим на звенья манипулятора. Обобщенные координаты находятся из решения
уравнений движения пространственного механизма с несколькими степенями свободы,
причем для составления уравнений движения применяются два метода: метод
уравнений Лагранжа второго рода и кинетостатический метод.
Прямая задача обычно многократно используется
при проектировании манипулятора. С ее помощью можно определять характеристики
рабочей зоны манипулятора со сложной кинематической схемой при наличии
ограничений на обобщенные координаты, определять точностные характеристики,
например, погрешности положения и ориентации захватного устройства, которые
обусловлены либо неточным изготовлением звеньев манипулятора, либо неточностями
обработки той или иной координаты.
2) Обратная задача
кинематики манипуляторов является одной из основных задач кинематического и
динамического анализа и синтеза манипуляторов. Она решается при контурном
управлении мехатронным устройством, когда схват должен перемещаться по заданной
в пространстве и времени траектории, и заключается в определении значений
обобщенных координат манипулятора по заданному положению схвата. При работе
манипулятора положение схвата непрерывно меняется по заданному закону движения.
При этом центр схвата будет описывать требуемую траекторию, а схват будет
ориентирован в пространстве вполне определенным образом
Существует множество методов решения, имеющих
свои достоинства и недостатки. Выбор того или иного метода связан, как правило,
со спецификой решаемой задачи и особенностями конструкции манипулятора. В
данном случае эта задача решается по методу кинеостатики, или же на основании
уравнений Лагрнжа второго рода.
Прямая и обратная задача динамики манипуляторов
для исследуемого мехатронного устройства выглядит следующим образом
.5 Составление уравнений движения мехатронного
устройства в виде уравнений Лагранжа второго рода
Для механизмов с несколькими степенями свободы
при голономных связях уравнения их движения составляют обычно в форме уравнений
Лагранжа второго рода.
Применительно к исследуемой манипуляционной
системе примут вид:
(1)
где Т - кинетическая энергия
системы; qi',-
обобщенные скорости; qi
- обобщенные координаты; Qi
- обобщенные силы; i - число
обобщенных координат; q1
= ϕ1; q2 = ϕ2; q3
= S1.
Составим расчетную схему для построения
динамической модели, с изображенными силами действия приводов, силами трения и
обобщенными координатами (рис. 2).
Рис. 2. Расчетная схема
Кинетическая энергия системы определится по
формуле

(2)
где T1, T2, T3 -
кинетические энергии звеньев.
Звенья в исследуемом мехатронном
устройстве совершают следующие движения:
звено совершает вращательное движение;
звено совершает вращательное
движение;
звено совершает поступательное
движение.
Кинетическая энергия твердого тела в
частных случаях находится с помощью данных формул:
1) при поступательном движении
, (3)
где М - масса твердого тела; ν - скорость
поступательного движения;
2) при вращении вокруг неподвижной оси
, (4)
где Iz - момент
инерции вокруг неподвижной оси; 𝜔 - угловая скорость тела;
3) при плоскопараллельном движении
(5)
где νс - скорость
центра тяжести тела; Iс - центр инерции тела относительно
оси, проходящей через центр масс тела параллельно мгновенной оси вращения;
Кинетическая энергия Т1,
совершающего вращательное движение, согласно формуле (4) будет равна
; (6)
Кинетические энергии Т2,
совершающего вращательное движение, согласно формуле (4) будет равна
; (7)
Кинетические энергии Т3,
совершающего плоскопараллельное движение, согласно формуле (5) будет равно
(8)
Для вычисления обобщенной силы Qi,
соответствующей обобщенной координате qi,
поступают следующим образом: сообщают системе такое виртуальное перемещение,
при котором изменяется только эта координата qi,
а все остальные координаты остаются неизменными, и вычисляют виртуальную работу
всех активных сил на этом перемещении. Тогда множитель при вариации δqi;
в полученном выражении виртуальной работы δАj
= Qi•δqi
и будет обобщенной силой Qi
Поочередно сообщая системе возможные приращения δ
ϕ1, δ
ϕ2,
δS1, соответствующие
обобщенным координатам ϕ1, ϕ2, S1,
определим соответствующие обобщенные силы:
схват мехатронный устройство
Q1 = M1
- MТ1;
Q2 = М2 - МТ2- G2
- G3 - Gг; (9)
Q3 = F3
- FТ3.
MТ1 - момент трения
при вращении вокруг оси Z;
M2 - крутящий момент
привода, действующий на звено 2;
MТ2 - момент трения
при вращении вокруг оси Z;
G2 - сила тяжести,
действующая на звено 2;
G3 - сила тяжести,
действующая на звено 3;
Gг - сила тяжести,
действующая на груз;
F3 - сила привода,
действующая на звено 3;
FТ3 - сила трения,
действующая при движении по оси звена 2.
Определим частные производные от кинетической
энергии по обобщенным координатам и обобщенным скоростям:
(10)
Подставляя полученные значения (9) и
(10) в уравнения Лагранжа (1), получим
= M1 - MТ1
= М2 - МТ2- G2 - G3 - Gг (11)
= F3 - FТ3.
Если в задаче требуется найти
движение системы, то интегрируют составленные уравнения Лагранжа и определяют
по начальным условиям произвольные постоянные интегрирования.
Если в задаче требуется найти
неизвестные активные силы, то определяют их непосредственно из уравнений
Лагранжа.
Если и задаче требуется
определить неизвестные реакции, то после нахождения из уравнений Лагранжа
ускорений следует применить принцип освобождаемости к соответствующим телам
системы и воспользоваться основным уравнением динамики, либо принципом
Даламбера, либо общим уравнением динамики.
2. Построение рабочей зоны мехатронного
устройства
.1 Рабочая зона мехатронного устройства
Рабочее пространство
промышленного робота - пространство, в котором может находиться мехатронное
устройство.
Рабочая зона мехатронного
устройства - это пространство, в котором находится его рабочий орган (например
рука) при всех возможных положениях звеньев. Форма рабочей зоны зависит от числа
степеней подвижности манипулятора и используемой системы координат, в которой
осуществляется движение рабочего органа. В промышленном роботе используются
прямоугольная, цилиндрическая, сферическая, угловая системы координат и их
комбинации.
Рабочая зона ограничивается
сложной поверхностью огибающая все возможные положения. Рабочая зона
оценивается объёмом формы, которые определяют функциональные возможности
манипулятора. Знание границ рабочей зоны необходимо для сравнительной оценки
двигательных возможностей различных конечностей манипулятора.
Для выявления рабочей зоны
необходимо:
1. Структурная компоновка
схемы, то есть число, взаимно расположенных степеней подвижности.
2. Ограничение на
перемещение по степеням подвижности.
. Геометрические размеры
звеньев кинематической цепи манипулятора.
.2 Последовательность
построения рабочей зоны исследуемого мехатронного устройства
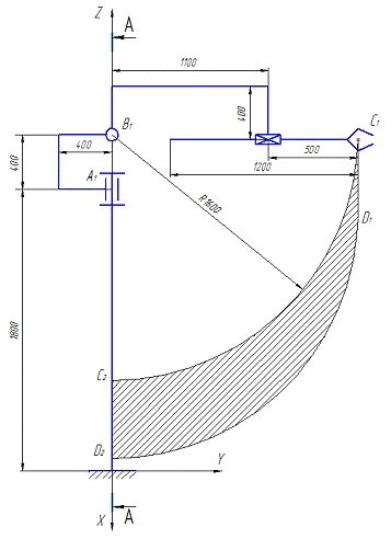
Если обобщенной координате q3
придать фиксированное значение 500мм, а обобщенную координату q2
будем изменять в пределах от 0 до 90˚ то точка С1 опишет дугу С1С2
радиусом R=1600мм с центром
В1.
Если обобщенной координате q2
придать фиксированное значение 90˚, а обобщенную координату q3
будем изменять в пределах от 500 до 1000, то точка С2 опишет прямую С2D2
длиной 500мм.
Если обобщенной координате q3
придать фиксированное значение 1000мм, а обобщенную координату q2
будем изменять в пределах от 90˚ до 0˚, то точка D2
опишет дугу D2D1
радиусом R=2100мм.
Если обобщенной координате q2
придать фиксированное значение 0˚, а обобщенную координату q3
будем изменять в пределах от 1000 до 500, то точка D1
опишет прямую D1С1 длиной 500мм.
Форма рабочей зоны примет вид,
показанный на рис. 3 и рис. 4.
Рис. 3. Рабочая зона мехатронного устройства
после первого этапа построения
Рис. 4. Разрез. Вид сверху
Для того, чтобы понять какую окончательную форму
примет рабочая зона мехатронного устройства построим 3D
модель, которая показана на рис. 5.
Рис. 5. Рабочая зона мехатронного устройства
3. Проектирование схвата мехатронного устройства
.1 Схваты мехатронных устройств
Захватные устройства промышленных роботов и
манипуляторов служат для захватывания в определенном положении объектов
манипулирования. Эти объекты могут иметь различные размеры, форму, массу и
обладать разнообразными физическими свойствами, поэтому захватные устройства
относятся к числу сменных элементов промышленного робота. Как правило,
промышленные роботы и манипуляторы комплектуют набором типовых захватных
устройств, которые можно менять в зависимости от требований конкретного
рабочего задания. Иногда на типовой захват устанавливают сменные рабочие
элементы (губки, присоски и т. п.). При необходимости промышленные роботы оснащают
специальными захватными устройствами, предназначенными для выполнения
определенных операций.
К захватным устройствам предъявляются требования
общего характера и специальные, связанные с конкретными условиями работы. К
числу обязательных требований относятся надежность захватывания и удержания
объекта, стабильность базирования, недопустимость повреждений или разрушения
объектов. Прочность захватного устройства должна быть высокой при малых
габаритных размерах и массе. Особое внимание должно быть обращено на надежность
крепления захватного устройства к руке промышленного робота. При обслуживании
одним промышленным роботом нескольких единиц оборудования применение
широкодиапазонных захватных устройств или их автоматическая смена может
оказаться единственно возможным решением, если одновременно обрабатываются
детали различных конфигурации и массы. Поэтому к захватным устройствам для
промышленных роботов, работающих в условиях серийного производства,
предъявляются дополнительные требования: широкодиапазонность (возможность
захватывания и базирования деталей в широком диапазоне массы, размеров и
формы), обеспечение захватывания близко расположенных деталей, легкость и
быстрота замены (вплоть до автоматической смены захватного устройства). В ряде
случаев необходимо автоматическое изменение усилия удержания объекта в
зависимости от массы детали.
В последнее время ведутся разработки конструкций
захватных устройств, способных захватывать и базировать неориентированно
расположенные объекты.
Цены на манипуляторы колеблются от нескольких
тысяч долларов (за манипуляторы, выполняющие простые операции) до нескольких
миллионов долларов (за робототехнические комплексы, выполняющие очень сложные и
трудоемкие операции).
.2 Классификация захватных устройств
Захватные устройства различают по принципу
действия:
) Схватывающие захватные устройства
удерживают объект благодаря кинематическому воздействию рабочих элементов
(губок, пальцев, клещей и т. п.) с помощью сил трения или комбинации сил трения
и запирающих усилий. Все схватывающие захватные устройства активного типа
подразделяются на две группы: механические (клещи, тиски, шарнирные пальцы) и с
эластичными рабочими камерами, деформирующимися под действием нагнетаемого
внутрь воздуха или жидкости.
) Поддерживающие захватные устройства для
удержания объекта используют нижнюю поверхность, выступающие части объекта или
имеющиеся в его корпусе отверстия. К этим захватным устройствам относят крюки,
петли, вилки, лопатки и захваты питателей, не зажимающие заготовок.
) Удерживающие захватные устройства
обеспечивают силовое воздействие на объект благодаря использованию различных
физических эффектов. Наиболее распространены вакуумные и магнитные захватные
устройства. Встречаются захватные устройства, использующие эффект
электростатического притяжения, адгезии, захватные устройства с липкими
накладками и т. п.
По характеру базирования захватные устройства
делят на следующие группы:
) Способные к перебазированию объекта
захватные устройства изменяют положение удерживаемой детали благодаря управляемым
действиям рабочих элементов. Этим свойством обладают антропоморфные захватные
устройства с управляемыми шарнирными пальцами.
) Центрирующие захватные устройства
определяют положения оси или плоскости симметрии захватываемого объекта. К ним
прежде всего относят механические захватные устройства, оснащенные
кинематически связанными рабочими элементами, имеющие губки в виде призм и др.
Иногда это могут быть захватные устройства с эластичными камерами.
) Базирующие захватные устройства
определяют положение базовой поверхности (или поверхностей). Такой принцип
базирования характерен для поддерживающих захватных устройств. Однако он часто
применяется и в схватывающих захватных устройствах.
) Фиксирующие захватные устройства
сохраняют положение объекта, которое тот имел в момент схватывания.
) Не обеспечивающие базирования или
фиксации объекта захватного устройства почти не применяют для оснащения
промышленных роботов.
В зависимости от назначения (например, для
сборочных промышленных роботов) захватные устройства могут оснащаться
дополнительными приспособлениями для выполнения ориентирующих перемещений, а
также приспособлениями для выполнения некоторых технологических операций
(например, гайковертом, запрессовщиком или ножницами для отрезки литниковой
системы при съеме пластмассовых изделий из камер термопластоавтоматов).
По числу рабочих позиций захватные устройства
можно разделить на однопозиционные и многопозиционные. По характеру работы
многопозиционные захватные устройства можно разделить на три группы: последовательного,
параллельного и комбинированного действия. К захватным устройствам
последовательного действия относят двухпозиционного устройства, имеющие
загрузочную и разгрузочную позиции. Рабочие элементы на каждой позиции
действуют независимо. Многопозиционные захватные устройства параллельного
действия имеют ряд позиций для одновременного захватывания или высвобождения
группы деталей. Захватные устройства комбинированного действия оснащены
группами параллельно работающих позиций, причем группы эти приводятся в
действие независимо одна от другой.
По виду управления захватные устройства
подразделяют на следующие группы:
) Неуправляемые захватные устройства -
пружинные механические устройства с постоянными магнитными или с вакуумными
присосками без принудительного разрежения. Для снятия объекта с таких захватных
устройств требуется усилие большее, чем усилие его удержания.
) Командные захватные устройства
управляются только командами на захватывание или отпускание объекта. К этой
группе относят захватные устройства с пружинным приводом, оснащаемые стопорными
устройствами и срабатывающие через такт. Разжимаются и зажимаются губки
пружинных захватных устройств благодаря взаимодействию их с объектом
манипулирования или элементами внешнего оборудования (аналогично механизмам,
используемым в некоторых конструкциях шариковых авторучек).
) Жесткопрограммируемые захватные
устройства управляются системой управления промышленного робота. Величина
перемещения губок, взаимное расположение рабочих элементов, усилие зажима в
таких захватных устройствах могут меняться в зависимости от заданной программы,
которая может управлять и действием вспомогательных технологических
приспособлений.
) Адаптивные захватные устройства -
программируемые устройства, оснащенные различными датчиками внешней информации
(определения формы поверхности и массы объекта, усилия зажима, наличия
проскальзывания объекта относительно рабочих элементов захватного устройства и
т. п.).
По характеру крепления к руке промышленного
робота все захватные устройства можно разделить на четыре группы:
) Несменяемые захватные устройства -
устройства, являющиеся неотъемлемой частью конструкции робота, замена которых
не предусматривается.
) Сменные захватные устройства -
устройства, представляющие собой самостоятельные узлы с базовыми поверхностями
для крепления к роботу. При этом их крепление не предусматривает быстрой замены
(например, установка на фланце с помощью нескольких винтов).
) Быстросменные захватные устройства -
сменные захватные устройства, у которых конструкция базовых поверхностей для
крепления захватного устройства к роботу обеспечивает их быструю смену
(например, исполнение в виде байонетного замка).
3.3 Схват для исследуемого мехатронного
устройства
Рис 6. Двухпозиционное захватное устройство
.4 Расчет схвата мехатронного устройства
При конструировании наиболее распространенных
захватных устройств роботов необходимо учитывать конкретный тип детали или
группы деталей, их форму и материал. Важные критерии при этом - необходима
точность удержания детали и допустимое усилие на губках. Исходя из этого
разработано большое количество разных захватных устройств, которые различаются
кинематической схемой и другими конструктивными параметрами.
Усилие захватного устройства должно
соответствовать одному из значений ряда Ra10
в пределах 1 - 8000 Н: 1,0; 1,2; 1,6; 2,0; 2,5; 3,2; 4,0; 5,0; 6,3; 8,0; 10;
12; 16; 20; 25; 32; 40; 50; 63; 80; 100; 125; 160; 200; 250; 320; 400; 500;
630; 800; 1000; 1250; 1600; 2000; 2500; 3200; 4000; 5000; 6300; 8000.
Расчет захватного устройства включает нахождение
сил, которые действуют в местах контакта заготовки и губок; определение усилий
привода; проверку отсутствия повреждений поверхности объекта при схвате; расчет
на прочность деталей устройства.
Рис. 7. Расчетная схема захвата
Усилие контактирования между деталью и губкой
определяется по формуле
(12)
где i, j = 1,2; i
j,
Т.к. рассчитываемый захват
симметричный, рассмотрим схему нагрузки одной из губок (см. рис. 8)
Рис. 8. Схема нагрузки
Рабочие губки 4 соединены тягами с зубчатыми
секторами 3, которые находятся в зацеплении с рейкой 2, связанной с тягой 1
привода. При перемещении рейки 2 под действием усилия F
происходит поворот губок 4 в направлении центра на одинаковые углы и охват
объекта манипулирования.
Рассчитываем усилие контактирования между
объектом и губкой. Пусть объект манипулирования будет в виде цилиндра массой m
= 1кг.
Реакция на одну губку захвата.
(13)
где g - ускорение
свободного падения.
Усиление контактирования между
деталью и губкой определим по формуле (12).
При
получим:
(14)
Коэффициент трения для пары
фторопласт - керамика 0,2.
Усилие зажима на губке схвата равно:
(15)
Усилия, которые возникают в звеньях схвата при
его работе, обозначены на рис. 8. Передаточный коэффициент механизма можно
найти из условия
(16)
Для определения этой зависимости
составим условия равновесия системы относительно точки А (рис. 8).
(17)
Т.е. сумма проекций всех сил на
произвольно выбранные оси прямоугольных координат x,y и сумма
моментов этих сил относительно точки А равняются нулю.
В нашем случае условия равновесия
системы относительно точки А записуется в виде:
(18)
Решив систему относительно G и F получим
уравнение:
(19)
Преобразовав которое получим:
или
(20)
Задавшись соотношением
коэффициентом
запаса
и
коэффициентом полезного действия механизма 0,9, найдем:
(21)
Заключение
В выполненной выпускной работе были проведены
следующие работы:
) Разработано мехатронное устройство с
двумя вращательными и одной поступательной кинетическими парами, обладающее
следующими показателями назначения:
габаритные размеры, мм: 2600х2100х400
масса, кг: 330;
число степеней подвижности: 3;
скорости линейных перемещений звеньев системы,
м/с: 0,6;
скорости угловых перемещений звеньев системы, ˚/с: 45;
время разгона/торможения линейного перемещения,
с: 0,3;
время разгона/торможения углового перемещения,
с: 0,3;
полная масса 1 звена m1,
кг: 50;
полная масса 2 звена m2,
кг: 70;
полная масса 3 звена m3,
кг: 90;
грузоподъемность mг,
кг: 20;
напряжение питания трехфазное, В: ~380;
рабочий диапазон температур , °С: 0-60;
система управления: на
базе промышленной станции;
тип системы управления: контурная;
2) Проведены исследования механических свойств
разрабатываемого мехатронного устройства;
) Спроектирован схват для разрабатываемого
мехатронного устройства, который предназначен для решения различных задач, но
основной его функцией является выполнение вспомогательных транспортных операций
в промышленном автомобилестроении.
При проектировании изделия учитывались
требования конструктивному устройству:
) надёжность системы;
) технологическое и метрологическое
обеспечение разработки, производства и эксплуатации;
) уровень унификации и стандартизации;
) безопасность и влияние на окружающую
среду;
) эстетические и эргономические требования;
) составные части продукции, сырьё, исходные
и эксплуатационные материалы;
) условия эксплуатации, техническое
обслуживание и ремонт.
Библиографический список
1. Тарг
С. М. Краткий курс теоретической механики. - М.: Высшая школа, 1986.-416с.:ил.
2. Манипуляционные
системы роботов /А. И. Корендясев, Б. Л. Саламандра, Л. И. Тывес и др.; Под
общ. Ред. А. И. Корендясева. - М.: Машиностроение, 1989.-472 с.: ил.
. Козырев
Ю.Г. Промышленные роботы: Справочник. - М.: Машиностроение, 1983.
. Компанейц
А.Н. Микропроцессорные системы управления. Конспект лекций. - Омск: Изд-во
ОмГТУ, 2007. - 88 с.
. Федотов
А.В. Составление технического задания. Методические указания. Омск: Изд-во
ОмГТУ, 1999.-24с
. Подураев
Е.В. Мехатроника: основы, методы, применение. - М.: Машиностроение, 2007.
. Юревич
Е.И. Устройство промышленных роботов. - 1980.
. Белянин
П.Н. Промышленные роботы европейских стран - 1976. - 171с.
Приложение А
Техническое задание
. Наименование и область применения
Мехатронное устройство с двумя вращательными и
одной поступательной кинематическими парами, применяемое в автомобильном
производстве.
Основание для разработки
Задание на бакалаврскую работу кафедры
«Автоматизация и робототехника» 2012 г. Тема: «Разработка мехатронного
устройства с двумя вращательными и одной поступательной кинематическими парами
и исследование его механических свойств».
Цель и назначение разработки
Целью данной разработки является проектирование
мехатронного устройства с двумя вращательными и одной поступательной
кинематическими парами для выполнения вспомогательных транспортных операций.
Источники для разработки
Источниками для разработки являются:
задание с кинематической схемой манипулятора;
5. Технические требования
.1 Показатели назначения мехатронного устройства
габаритные размеры, мм: 2600х2100х400
масса, кг: 330;
число степеней подвижности: 3;
скорости линейных перемещений звеньев системы,
м/с: 0,6;
скорости угловых перемещений звеньев системы, ˚/с: 45;
время разгона/торможения линейного перемещения,
с: 0,3;
время разгона/торможения углового перемещения,
с: 0,3;
полная масса 1 звена m1,
кг: 50;
полная масса 2 звена m2,
кг: 70;
полная масса 3 звена m3,
кг: 90;
грузоподъемность mг,
кг: 20;
напряжение питания трехфазное, В: ~380;
рабочий диапазон температур , °С: 0-60;
система управления: на
базе промышленной станции;
тип системы управления: контурная;
.2 Требования к надежности
Показатели надежности Системы
должны отвечать требованиям ГОСТ 24.701-86 ЕСС АСУ "Автоматизированные
Системы Управления Технологическими Процессами. Надежность. Основные
положения" и п.6.3.10 ПБ09-540-03.
Система должна быть многофункциональной,
восстанавливаемой и должна отвечать следующим требованиям к надежности:
коэффициент готовности, должен
быть не менее 0.995;
средняя наработка на отказ
комплекса средств вычислительной техники системы должна быть не менее 30000
часов.
.3 Требования к технологичности и
метрологическому обеспечению разработки, производства и эксплуатации
Метрологическое обеспечение АСУ
ТП должно отвечать требованиям:
ГОСТ 24.104-85 ЕСС АСУ
"Автоматизированные системы управления. Общие требования";
МИ 1669-87 ЕСС АСУ
"Метрологическое обеспечение АСУ. Основные положения";
.4 Требования к уровню унификации и
стандартизации
Разрабатываемая система должна
быть универсальной, обеспечивать возможность ее использования на широком классе
объектов управления.
При разработке системы управления необходимо
обеспечить максимальную унификацию применяемых узлов и деталей; использование
стандартных крепежных изделий.
Использование серийно выпускаемых комплектующих
изделий не менее 95%.
Все приобретаемые изделия и узлы, входящие в
комплект должны быть общего назначения и не подлежать согласованию.
.5 Требования к безопасности и влияния на
окружающую среду
Технические средства АСУТП
должны соответствовать требованиям:
ПУЭ-2002 гл.7.3 "Правил
устройства электроустановок";
ГОСТ 12.2.070-81 "Правила
техники безопасности электрических цепей";
СанПиН 2.2.2/2.4.1340-03.
«Гигиенические требования к персональным электронно-вычислительным машинам и
организации работы».
ГОСТ 25861-83 "Машины
вычислительные и системы обработки данных. Требования электрической и
механической безопасности и методы испытаний".
Все внешние элементы
технических средств системы, находящиеся под напряжением, должны иметь защиту
от случайного прикосновения человека, а сами технические средства - заземлены в
соответствии с требованиями ГОСТ 12.1.030-2001 ССБТ "Защитное заземление,
зануление" и "Правил устройства электроустановок" ПУЭ-2002,
глава 7.3.
Установка технических средств
должна соответствовать требованиям действующих «Правил технической эксплуатации
электроустановок потребителей» (ПТЭ 2003г.)
Требования безопасности при
монтаже, наладке, эксплуатации, обслуживании и ремонте технических средств
АСУТП должны быть приведены в документации на технические средства.
Возникающие при работе шумы
должны соответствовать СН 2.24/2.1.8.562-96.
.6 Эстетические и эргономические требования
Удобство обслуживания обеспечить по ГОСТ
12.2.049.-80. Система стандартов безопасности труда. Оборудование
производственное. Общие эргономические требования.
Эстетику обеспечить по ГОСТ 20.39.108-85.
Комплексная система общих технических требований. Требования по эргономике,
обитаемости и технической эстетике. Номенклатура и порядок выбора.
Общие эргономические требования
к залу операторов и расположению рабочих мест должны соответствовать ГОСТ
21958-76 "Общие эргономические требования к расположению рабочих
мест".
Общие эргономические
требования, регламентирующие организацию рабочего места, взаимное расположение
средств связи в пределах одного рабочего места - по ГОСТ 22269-76 "Система
Человек - машина. Рабочее место оператора. Взаимное расположение элементов
рабочего места. Общие эргономические требования".
.7 Требования к составным частям продукции,
сырью, исходным и эксплуатационным материалам
В разработке могут использоваться комплектующие
как отечественного, так и импортного производства.
.8 Условия эксплуатации. Требования к
техническому обслуживанию и ремонту
АСУТП должна быть рассчитана на
непрерывный круглосуточный режим работы.
Виды, периодичность и регламент
обслуживания технических средств должны быть указаны в соответствующих
инструкциях по эксплуатации.
Поставщик должен предоставить
заказчику перечень узлов, компонентов, разъемов и блоков, подлежащих
профилактическому осмотру, калибровке и поверке, с указанием периодичности
последних, а также инструкции по выполнению этих работ.
Для нормального
функционирования вычислительной и микропроцессорной техники в помещениях
аппаратных и операторных должны быть обеспечены соответствующие условия:
относительная влажность
окружающего воздуха: (40...70) % без конденсации;
запыленность воздуха в
помещении (операторной и аппаратной) - не более 0,3 мг/м3 при размере частиц не
более 3 мкм;
частота вибрации должна быть не
более 14 Гц при амплитуде смещений не более 0,5 мм;
Расположение технических
средств АСУТП должно быть рациональным как с точки зрения монтажных связей
между ними, так и удобства и безопасности их эксплуатации и обслуживания.