Разработка автоматизированной системы для обеспечения оптимальной скорости и простоты процесса передачи информации в товарищество собственников жилья 'Революции 8'
Введение
Товариществом собственников жилья (далее - ТСЖ),
согласно ст. 135 Жилищного кодекса (ЖК), признается некоммерческая организация,
объединяющая собственников помещений в многоквартирном доме для совместного
управления комплексом недвижимого имущества, обеспечения эксплуатации этого
комплекса, владения, пользования и в установленных законодательством пределах
распоряжения общим имуществом.
ТСЖ учреждается на общем собрании собственников
жилья данного многоквартирного дома. При этом необходимо, чтобы за создание ТСЖ
проголосовало большинство голосов от общего числа голосов собственников
помещений в многоквартирном доме. Голосование на собрании осуществляется по
пропорциональному принципу: чем больше площадь квартиры, тем больше голосов у
данного собственника.
Документооборот в ТСЖ является одним из
важнейших и действенных видов планирования работы, основным организационным
документом, определяющим работу управляющего состава, бухгалтерии и всего ТСЖ в
целом. Существует проблема низкого уровня связи между управляющим составом ТСЖ
и жильцами дома, что выражается в замедленной реакции на проблемы, особо остро
интересующие жильцов. Это в свою очередь, влечет за собой недовольство
населения дома работой управляющего состава.
На данный момент автоматизация работы
бухгалтерии и управляющего состава ТСЖ «Революции 8» минимальна. Отсутствие
специализированных систем влечет за собой значительные временные задержки при
получении управляющим составом и бухгалтерией необходимых данных для
обеспечения их эффективной работы. Вследствие этого замедляются действия по
обеспечению жильцов необходимой информацией. Эта проблема стоит особенно остро
для ТСЖ в наши дни. Организация обратной связи между жильцами и управляющим
составом полностью отсутствует, вся связь сводится к единичным телефонным
звонкам председателю правления или бухгалтеру с целью выяснения необходимой
информации или вывешивания скудных по содержанию объявлений на доске
объявлений, установленной в каждом подъезде.
Существующие механизмы передачи информации в ТСЖ
«Революции 8» являются типовыми (Общее собрание собственников 1-2 раза в год,
вывешивание объявлений в подъездах) являются надежными, но неплоноценными,
имеют ряд недостатков. Актуальность данного дипломного проекта заключается в
модернизации существующих механизмов передачи информации. Целью дипломного
проекта является разработка автоматизированной системы, которая обеспечит
оптимальную скорость и простоту процесса передачи информации в ТСЖ «Революции
8» и, как следствие, улучшение морального климата в доме.
Для достижения поставленной цели в дипломной
работе будут решены следующие задачи:
1. обследование и анализ деятельности
объекта автоматизации;
2. обзор информационных систем и
технологий, используемых на предприятии в целом;
. обзор политики информационной
безопасности;
. описание модели бизнес-процесса ТСЖ
(AS-IS, «КАК ЕСТЬ»), и выявление ее недостатков;
. оптимизация модели бизнес-процесса ТСЖ
(TO-BE, «КАК БУДЕТ»);
. разработка технического задания на
автоматизированную систему для ТСЖ «Революции 8», построенной на основе модели
основного бизнес-процесса TO-BE;
. создание и проектирование ИС,
обеспечивающей оптимальное функционирование информационных потоков в ТСЖ.
Для комплексного анализа предметной области,
сбора информации и дальнейшего проектирования модели AS-IS
необходимые данные были собраны путем интервьюирования Председателя ТСЖ и
Главного Бухгалтерса ТСЖ, анализа существующих информационных технологий,
применяемых на производстве, нормативных документов, таких как Устав ТСЖ и т.п.
Проведен анализ смет расходов и отчетов по сметам на общих собраниях жильцов.
1 Анализ финансово-хозяйственной деятельности
.1 Общие сведения о деятельности предприятия
автоматизированная
система информационный товарищество собственник
Некоммерческая организация Товарищество
собственников жилья «Рефолюции 8» зарегистрировано в администрации Сердловского
района города Перми 04.05.2001.
ТСЖ является некоммерческой организацией,
осуществляет свою деятельность на основании Устава, принятого общим собранием.
Органами управления ТСЖ являются общее собрание
товарищества, правление товарищества.
ТСЖ «Революции 8» является юридическим лицом,
имеет печать со своим наименованием, расчетный счет в банке и другие реквизиты.
Официальное наименование :
· полное - некоммерческая организация
товарищества собственников жилья Революции 8
· краткое - ТСЖ «Революции 8»
Местонахождение - 614007, г. Пермь, ул.
Революции, д. 8
Основной вид экономической деятельности -
управление эксплуатацией жилого фонда.
Товарищество собственников жилья создано для
управления и обеспечения эксплуатации общего имущества. Высший орган управления
- общее собрание, исполнительный орган - правление во главе с председателем,
контрольный орган - ревизионная комиссия (ревизор).
Основным источником финансирования установной
деятельности служат целевые поступления собственников.
1.2 Организационная структура предприятия
В состав ТСЖ входят председатель правления ТСЖ,
члены правления ТСЖ, главный бухгалтер и обслуживающий персонал.
Председатель правления является выборным лицом,
наделенным управленческими полномочиями. Председатель избирается на первом
заседании правления товарищества, из числа членов правления, путем простого
голосования на срок, установленный Уставом товарищества. В своей повседневной
деятельности Он руководствуется действующим законодательством РФ, Уставом
товарищества, Положением по организации технической эксплуатации жилищного
фонда в товариществе собственников жилья, своими должностными инструкциями,
решениями общего собрания и правления. В обязанности Председателя может входить
бухгалтерский учет (это регламентируется Уставом ТСЖ). Председатель правления
должен знать должностные инструкции всех работников товарищества,
контролировать их деятельность и требовать исполнения ими своих должностных
обязанностей.
Органами управления товарищества собственников
жилья (ТСЖ) являются общее собрание членов товарищества и правление
товарищества.
Общее собрание членов является высшим органом
управления, правление подотчетно общему собранию и выбирается из его членов. Из
состава правления ТСЖ избирается председатель правления, являющийся высшим
должностным лицом товарищества. Кроме того, для осуществления ревизии
финансовой деятельности товарищества избирается ревизор (или ревизионная
комиссия).
Правление - исполнительный орган ТСЖ. В уставе
ТСЖ должна быть четко определена компетенция правления и ее отличие от
компетенции общего собрания. Согласно п. 1 статьи 147 Жилищного кодекса (ЖК)
правление ТСЖ вправе принимать решения по всем вопросам деятельности товарищества,
за исключением вопросов, отнесенных к исключительной компетенции общего
собрания собственников помещений в многоквартирном доме и компетенции общего
собрания членов ТСЖ.
Правление избирается из числа членов
товарищества общим собранием членов товарищества на срок, установленный уставом
товарищества, но не более чем на 2 года. Таким образом, через каждые два года
необходимо осуществлять перевыборы правления ТСЖ. Однако ЖК ничего не говорит о
том, что запрещено становится членом правления лицам, уже избиравшихся в него
ранее. Правление возглавляется председателем правления ТСЖ. Устав ТСЖ должен
четко определять сроки и периодичность созыва заседаний правления. Наиболее
целесообразным, по нашему мнению, будет проведение заседаний раз в месяц. В ходе
заседания ведутся протоколы, которые должны храниться в архиве ТСЖ отдельно от
протоколов общих собраний. Кворум, установленный для заседаний правления,
имеется при наличии большинства его членов.
Главный бухгалтер ТСЖ относится к
административно-управленческому аппарату. В своей работе главный бухгалтер
руководствуется законодательством РФ, подзаконными актами по организации
финансового и бухгалтерского учета для товариществ собственников жилья, уставом
товарищества, решениями общих собраний, постановлениями правления, приказами
председателя правления, если они не противоречат законодательству.
В обязанности обслуживающего персонала входит
поддержание чистоты на территории ТСЖ, поддержание работоспособности все линий
электропередачи, водопровода, газопровода и т.п.
Организационная структура ТСЖ «Революции 8»
представлена на рисунке 1.
Рисунок 1. Линейная организационная структура
ТСЖ «Революции 8»
Кроме того, по необходимости выбираются члены
ревизионной комиссии. Избрание происходит на общем собрании членов ТСЖ. Если
количество членов ТСЖ достаточно большое, уместно избирать ревизионную
комиссию, если же оно не превышает 30-50 человек - достаточно одного лица.
Ревизионная комиссия возглавляется председателем, который избирается на ее
заседании из числа членов комиссии, и он в дальнейшем организует ее работу.
Статья 150 ЖК четко разделила функции правления
ТСЖ и ревизионной комиссии, запретив избрание в эти органы управления одних и
тех же лиц.
Ревизионная комиссия (ревизор) наделена
следующими полномочиями:
) проводит не реже чем один раз в год проверку
финансовой деятельности ТСЖ;
) представляет общему собранию заключение о
смете доходов и расходов и отчет о финансовой деятельности и размерах
обязательных платежей и взносов;
) отчитывается перед общим собранием о своей
деятельности.
Таким образом, основными объектами исследования
были деятельность Главного Бухгалтера и Председателя ТСЖ. Было принято решение
проанализировать основные элементы работы Председателя ТСЖ «Революции 8» по
организации взаимодействия управляющего состава дома и собственников, основные
этапы и работы Главного Бухгалтера ТСЖ «Революции 8» по рассчету и начислению
квартплаты и предложить определенные пути модернизации существующей схемы
работ.
.3 Финансово-хозяйственная деятельность
предприятия
Товарищество собственников жилья формируется и
осуществляет свою деятельность с целью извлечения максимально эффективного и
экономически выгодного способа управления домом. Жильцы дома, являющиеся
собственниками, принимают непосредственное участие в организации процесса
содержания и управления домом путем взаимодействия с выборным составом
управления товарищества собственников жилья.
Товарищество, согласно п. 2 ст. 151 ЖК РФ,
обладает определенными средствами, к которым относятся:
обязательные платежи, вступительные и иные
взносы членов товарищества;
доходы от хозяйственной деятельности
товарищества;
субсидии на обеспечение эксплуатации общего
имущества в многоквартирном доме, проведение текущего и капитального ремонта,
предоставление отдельных видов коммунальных услуг и иные субсидии;
другие поступления.
Являясь некоммерческой организацией, ТСЖ вправе
расходовать указанные средства строго по целевому назначению, то есть в
соответствии с целями, определенными ЖК РФ и уставом товарищества. За целевое
расходование средств товарищество отвечает перед собственниками помещений в
многоквартирном доме. Такая ответственность предполагает наличие некой
отчетности товарищества перед собственниками помещений в доме. Формой
отчетности в соответствии с ЖК РФ является отчет о финансовой деятельности
товарищества собственников жилья за год, представляемый на утверждение общему
собранию членов ТСЖ.
В соответствии с п. 3 ст. 148 ЖК РФ в
обязанности правления ТСЖ входит составление смет доходов и расходов товарищества
на соответствующий год и отчетов о финансовой деятельности, предоставление их
общему собранию членов товарищества для утверждения. Выполнение этой
обязанности непосредственно связано с обеспечением эффективного управления
многоквартирным домом и достижением уставных целей. В деятельности ТСЖ, как и
любой другой организации, необходимо финансовое планирование, которое позволяет
рассчитать размер целевых взносов членов товарищества, определить движение
денежных средств применительно к конкретным временным периодам. Это
планирование, а также решение других важных вопросов, прямо или косвенно
связанных с управлением домом, происходит на общем собрании собственников.
Общее собрание собственников, на котором жильцы
дома могут получить детальный отчет о проведенных работах и сведениях об
использовании целевых взносов, проводится после окончания больших работ как то
капитальный ремонт, масштабная модернизация коммунальных коммуникаций или иных,
сходных по масштабам работ. На общем собрании жильцов Председатель правления,
Главный бухгалтер Товарищества собственников жилья, а также члены ревизионной
комиссии представляют подробный отчет о проделанных работах и сопутствующих
затратах, приводят доводы в пользу экономической эффективности проделанных
работ, предоставляют жильцам смету доходов и расходов. В течение всего собрания
ведется протокол.
Далее предствален пример сметы доходов и
расходов, отчета о проделанных работах и протокола с общего собрания
собственников ТСЖ «Революци 8».
|
Смета
доходов и расходов на содержание и техническое обслуживание дома ТСЖ
«Революции 8»
|
|
|
|
|
|
Общая
площадь квартир, кв.м. 6087,4
|
|
|
|
|
|
|
|
|
1.
Доходная часть- всего, руб.
|
План
2010 г.
|
Факт
2010 г.
|
План
2011 г.
|
|
1.1.
Кварт.плата граждан
|
486
414,00р.
|
477
505,01р.
|
480325,00р.
|
|
1.2.
Целевое финансирование
|
|
|
|
|
1.3.
Прочие доходы
|
|
11
979,66р.
|
|
|
2.
Расходы по тех.обслуживанию, содержанию и ремонту здания:
|
|
|
|
|
-
Материалы
|
20
000,00р.
|
5
164,02р.
|
11
500,00р.
|
|
-
Освещение мест общего пользования
|
18
000,00р.
|
15
654,32р.
|
17
000,00р.
|
|
-
Прочие прямые расходы (освидетельствование лифтов)
|
7
500,00р.
|
4
755,00р.
|
5
000,00р.
|
|
Услуги
по учету тепла
|
|
6
560,00р.
|
|
|
Поверка
теплового счетчика
|
|
3
578,45р.
|
|
|
-
Прочие прямые расходы (дезинфекция, газопровод))
|
|
7
420,06р.
|
10
000,00р.
|
|
3.
Административные расходы:
|
|
|
|
|
-
Канц.товары, бланки
|
4
000,00р.
|
2
851,81р.
|
3
000,00р.
|
|
-
Обслуживание орг.техники
|
6
000,00р.
|
2
213,00р.
|
2
000,00р.
|
|
-
Услуги банка
|
3
000,00р.
|
3
390,20р.
|
3
000,00р.
|
|
Юристы
|
20
000,00р.
|
13
500,00р.
|
|
|
Прочие
|
17
400,00р.
|
|
|
|
Регистрация
устава
|
|
2
210,00р.
|
|
|
Семинары,
обучение
|
|
1
920,00р.
|
4
000,00р.
|
|
Установка
железной двери в э/щитовую
|
|
4
000,00р.
|
|
|
Референт
|
|
13
050,00р.
|
7
000,00р.
|
|
Прочее
(выплата по суду Загородских )
|
|
2
760,00р.
|
|
|
Приобретение
принтера
|
|
6
116,00р.
|
|
|
Оформление
земли
|
|
|
10
000,00р.
|
|
4.
Фонд оплаты труда
|
227
700,00р.
|
225
426,26р.
|
245
000,00р.
|
|
5.
Отчисления на соц.нужды
|
|
|
|
|
6.
Фонд накопления (оформление земли, устава, частичный ремонт коммуникаций,
непредвиди-мые расходы)
|
|
долг
квартплаты
|
169
000,00р.
|
|
коммуникаций,
непредвиди-мые расходы)
|
162
814,00р.
|
112
898,91р.
|
|
|
Расходование
фонда накопления на текущий ремонт тепловых узлов
|
|
20
936,20р.
|
|
|
Расходование
фонда накопления на восстановление отмостки дома
|
|
22
226,58р.
|
|
|
Расходование
фонда накопления на теплоизоляцию горячего водоснабжения
|
|
9
874,20р.
|
|
|
Всего
расходов
|
486
414,00р.
|
486
505,01р.
|
486
500,00р.
|
|
Сумма
расходов в месяц
|
40
534,50р.
|
40
542,08р.
|
40
541,67р.
|
|
Себестоимость
содержания 1 кв.м. общей площади жилья в месяц, руб.
|
6,66р.
|
6,66р.
|
6,66р.
|
|
Всего
доходов
|
486
414,00р.
|
451
505,01р.
|
495325,00р.
|
Анализируя показатели сметы «Ожидаемые доходы»,
«Фактические доходы», «Ожидаемые расходы» и «Фактические расходы» можно сделать
вывод, что за период 2010-2011 финансовый результат деятельности ТСЖ «Революции
8» - убыток в размере 35000 рублей 00 коп. Собственники, которые по каким-либо
причинам не вносили средства на счет ТСЖ «Революции 8» за использование
коммунальных услуг и обслуживание дома и территории ТСЖ, являются основной
причиной убытков ТСЖ «Революции 8». Слабый механизм передачи информации в ТСЖ
«Революции 8» - ключевой недостаток, вследствие которого происходит
несвоевременное донесение информации до должника или управляющего персонала.
Решение этой проблемы - создание четкого механизма по передаче информации в ТСЖ
«Ревеолюции 8».
.4 Обзор информационных систем и технологий
предприятия
На данный момент в ТСЖ «Революции 8»
используется 2 рабочие станции - локальный ПК Председателя ТСЖ и локальный
компьютер Бухгалтера ТСЖ. Оба ПК оборудовны доступом в интернет для доступа в
Интрент Банк. Ниже приведена характеристика каждой из рабочих станций.
Таблица 1. Конфигурация компьютера Председателя
ТСЖ
|
Процессор:
|
Intel Pentium 4 3000 MHz
|
|
Опер.
Память:
|
1024
Mb
|
|
Винчестер:
|
WDC WD800JD-00LSA0 (74 Гб, IDE)
|
|
Флоппи:
|
Нет
|
|
Привод:
|
LITE-ON DVD SHD-16P1S (16x/48x
DVD-ROM)
|
|
Видеокарта:
|
RADEON X300/X550 Series (128 Мб)
|
|
Монитор:
|
Acer AL1917 [19" LCD]
|
|
Сетевая карта:
|
Встроенная
|
Таблица 2. Конфигурация компьютера Бухгалтера
ТСЖ
|
Процессор:Intel
Pentium Core2 Quad 8200 MHz
|
|
|
Опер.
Память:
|
2048
Mb
|
|
Винчестер:
|
WDC WD800JD-00LSA0 (74 Гб, IDE)
|
|
Флоппи:
|
Нет
|
|
Привод:
|
LITE-ON DVD SHD-16P1S (16x/48x
DVD-ROM)
|
|
Видеокарта:
|
GeForce GT 9600 (512 Mb)
|
|
Монитор:
|
Acer AL1917 [19" LCD]
|
|
Сетевая карта:
|
Встроенная
|
Следует отметить, что соблюдены требования по
обеспечению всеми необходимыми лицензионными программными продуктами рабочих
мест: операционные системы Microsoft Windows 7 Professional,
офисные программы Microsoft Office 2010 , антивирусная программа Kaspersky
Internet
Security 2011 ежедневно
обновляемыми базами сигнатур вирусов, 1С: Предприятие 7.7.
Список специализированного программного
обеспечения, используемого Главным бухгалтером :
· 1С Предприятие 7.7 - Бухгалтерский и
налоговый учет в полном соответствии с национальным законодательством; Учет
основных средств и расчет амортизации; Формирование налоговой, бухгалтерской и
другой регламентированной отчетности в различные органы; Бухгалтерский учет и
контроль смет расходов бюджетных организаций в полном соответствии с
законодательством и ведомственными инструкциями;
· Налогоплательщик ЮЛ - предназначена
«для автоматизации процесса ввода налоговой и бухгалтерской отчетности, печати
документов на бумажных носителях, формирования введенной информации
бухгалтерской и налоговой отчетности на магнитных носителях налогоплательщиком
и передачи отчетности в налоговые органы в электронном виде на магнитных
носителях». Программа разработана Филиалом ФГУП ГНИВЦ ФНС России в Чувашской
Республике, предназначена для работы в среде Windows.
· ПД СПУ 2010 - Программный комплекс
ПД СПУ предназначен для заполнения, вывода на печать и перевода в электронную
форму документов:
РСВ-1. РАСЧЕТ по начисленным и уплаченным
страховым взносам на обязательное пенсионное страхование в Пенсионный фонд
Российской Федерации, страховым взносам на обязательное медицинское страхование
в Федеральный фонд обязательного медицинского страхования и территориальные
фонды обязательного медицинского страхования плательщиками страховых взносов,
производящими выплаты и иные вознаграждения физическим лицам;
РСВ-2. РАСЧЕТ по начисленным и уплаченным
страховым взносам на обязательное пенсионное страхование в Пенсионный фонд
Российской Федерации, страховым взносам на обязательное медицинское страхование
в Федеральный фонд обязательного медицинского страхования и территориальные
фонды обязательного медицинского страхования плательщиками страховых взносов,
не производящими выплаты и иные вознаграждения физическим лицам;
СЗВ. Сведений о начисленных, уплаченных
страховых взносах и страховом стаже на обязательное пенсионное страхование
застрахованного лиц
· Документы ПУ 5 - Программа
"Документы ПУ 5" предназначена для формирования документов
индивидуального (персонифицированного) учета страхователем, в соответствии с
инструкцией по заполнению форм документов индивидуального
(персонифицированного) учета в системе Государственного пенсионного
страхования, утвержденной постановлением Правления ПФ РФ и подготовки их для
сдачи в электронном виде в территориальный орган ПФ РФ.
На основании имеющихся данных было установлено,
что информационная система в ТСЖ «Революции 8» не нуждается в локальной сети,
так как используется только 2 рабочих станции, находящихся локально, в малом
удалении друг от друга, необходимость модернизации каналов связи путем установки
локальной сети отсутствует. Имеющееся специализированное программное
обеспечение работает в локальном режиме, для нормального функционироваия
локальная сеть не нужна. Существующая система безопасности полностью
удовлетворяет потребностям информационной защиты ТСЖ «Революции 8», так как
малый объем данных легко контролируется локально установленным антивирусным
программным обеспечением.
Кроме того, проанализировав конфигурацию
существующих рабочих станций, было установлено, что они удовлетворяют необходимым
требованиям для функционирования будущей Информационной системы, так как
рабочие станции уже имеют широкополосный выход в сеть Интернет, а
вычислительные ресурсы позволяют использовать конфигурации 1С Предприятие 8.2,
с помощью которой было принято решение проводить создание бухгалтерской части
информационной системы.
.5 Анализ информационного обеспечения ТСЖ
«Революции 8»
ТСЖ как форма управления многоквартирным домом
имеет целый ряд преимуществ:
. Собственники жилых помещений
самостоятельно решают, каким способом управлять своим домом: собственными
силами (правлением, общим собранием) или силами специалистов - профессионалов
(управляющим, управляющей компанией)
. В случае выбора управления своим домом
через управляющую компанию, ТСЖ заключает договор с ней на определенный
перечень услуг и контролирует их качество по ежемесячным актам приема
выполненных работ.
. ТСЖ само планирует ремонтные работы в
своем доме, определяет их первоочередность. План работ и смету расходов на год
утверждает на общем собрании членов ТСЖ.
. Любой участник ТСЖ имеет право
осуществлять контроль за расходованием средств товарищества, получаемых от
платежей граждан и дотаций на содержание жилого дома. В ТСЖ действует
ревизионная комиссия. Прозрачность бюджета - это привилегия, которой лишены
жители муниципальных домов.
. Жильцы ТСЖ могут сами устанавливать
размер тарифов. Они могут быть как ниже, так и выше муниципальных.
. Участвуя в управлении собственным
домом, жильцы сами определяют, какое именно соотношение в цене и качестве
коммунальных услуг для них является оптимальным.
Однако наряду с положительными сторонами
подобной формы организации управления домом существуют отрицательные стороны:
. Зачастую сами жильцы не проявляют
интереса к формированию товариществ, а большинство просто не в курсе грядущих
перемен. А в тех домах, где уже созданы ТСЖ далеко не все жильцы принимают
активное участие в работе органов управления ТСЖ.
. Если жители дома так и не определятся с
формой управления, решение за них примет исполнительный орган муниципального
образования, к которой относится дом. Выбор местных органов власти предугадать
несложно - дома будут переданы «карманным» управляющим организациям. И в
действительности в технологии управления все останется, как и было.
. Должники - существующая система ЖКХ
работает по принципу «одного котла». Все деньги со всего города собираются на
один счет и тратятся с него по мере необходимости и на те дома, которые
нуждаются в ремонте в первую очередь. Создав ТСЖ вы выходите из этого котла и
создаете свой, но в него поступают только те деньги которые заплатят жильцы
дома и тратятся они только на Ваш дом.
. Нечестное и глупое руководство - при
выборе правления, ревизионной комиссии, председателя и др. желательно,
учитывать наличие технического, юридического, другого специального образования,
для того, чтобы они со знанием дела могли руководить и управлять домом,
принимать правильные и грамотные решения. У ТСЖ нет возможности найти крайнего,
так как крайним является оно сама, а точнее его руководящие органы. За
некомпетентность и(или) нечестность руководства платят всегда рядовые члены ТСЖ
и его жильцы. Так что прежде чем кого-то выбрать хорошенько подумайте, а
достоин ли он этого.
В существующей модели информационного
обеспечения в ТСЖ «Революции 8» стоит отметить следующие моменты:
· Формирование тарифов на коммунальные
услуги.
· Механизм сбора информации от
собственников.
· Механизм донесения информации до
собственников управляющим составом.
· Механизм донесения информации
собственниками до управляющего состава.
· Отчетность управляющего состава по
проделанной работе, финансовом и хозяйственном состоянии дома.
Формирование тарифов на коммунальные услуги
происходит на уровне предприятий-поставщиков коммунальных услуг. В обязанности
Главного бухгалтера входит получение уведомления о текущей задолженности по
потреблению коммунальных услуг и последующий расчет тарифов на текущий месяц в
ТСЖ «Революции 8».
Для расчета итоговой задолженности квартплаты
Главному бухгалтеру необходимы сведения по потреблению коммунальных услуг
(горячая и холодная вода в ванной комнате и кухне) каждой квартиры. Ежемесячно
буххгалтер вывешивает в подъездах таблицы, куда жильцам необходимо вписать
показания счетчиков. Если по каким-либо причинам жилец не записал свои
показания, он обязан проинформировать бухгалтера по телефону. В противном
случае жильцу начисляется среднее потребление по дому.
В некоторых случаях управляющему составу ТСЖ
«Революции 8» необходима статистическая информация от всех собственников,
например о привлечении сторонних организаций на обслуживание придомовой
территории и т.п. ситуаций, где решение не может быть принято исключительно
членами правления дома. Сбор необходимой информации осуществляется путем созыва
общего собрания собственников. Другой вариант - председатель лично делает обход
всех квартир, беседует с каждый собственником и составляет протокол.
На данный момент в ТСЖ «Революции 8» существует
3 механизма передачи информации от собственников до управляющего состава и от
управляющего состава до собственников:
· Связь по телефону.
· Вывешивание информацонных документов
в подъездах.
· Созыв общего собрания собственников.
К последнему способу управляющий состав, равно
как и сами собственники, прибегает крайне редко - обычно не более 2 раз в год.
На общем собрании выносится годовая смета, отчет о проделанных работах. Во
время проведения общего собрания всегда ведется протокол. Кроме того каждый
собственник вправе запросить у бухгалтера или председателя любую информацию,
касающуюся непосредственно деятельности ТСЖ «Революции 8».
Отчет о выполнении годового
финансово-хозяйственного плана за 2011 год.
В 2011г была проведена следующая работа:
|
Наименование
работ
|
Затраты
(руб-коп)
|
|
1.
Расход материалов в 2011году
|
5164-02
|
|
2.
Освещение мест общего пользования
|
15654-32
|
|
3.
плановое техническое освидетельствование и страхование лифтов
|
6700-00
|
|
4.
Услуги по учету тепла
|
6560-00
|
|
5.
поверка теплового счетчика
|
3578-45
|
|
6.
дезинфекция подвала
|
3006-00
|
|
7.
обслуживание газопровода
|
4414-00
|
|
8.
Приобретение канцтоваров, бланков
|
2851-81
|
|
9.
Обслуживание оргтехники
|
2213-00
|
|
10.
Услуги банка за обслуживание расчетного счета
|
3390-20
|
|
11.
Оплата услуг юридической фирмы «Ваше право»
|
13500-00
|
|
12.
Регистрация устава
|
2210-00
|
|
13.
Оплата бухгалтерских семинаров
|
1920-00
|
|
14.
Установка железной двери
|
4000-00
|
|
15.
Обслуживание правовой программы «Референт»
|
13050-00
|
|
16.
Приобретен лазерный принтер
|
6116-00
|
|
17.
Фонд оплаты труда
|
225426-26
|
|
Итого
за 2011 год:
|
319754-06
|
В 2011 году были уменьшены сопла на подаче
отопления в дом, в результате чего была получена экономия по теплоснабжению:
|
Месяц
|
Отопительный
сезон октябрь 2010г-май 2011г
|
Отопительный
сезон октябрь 2011г-май 2012г
|
Экономия
|
|
Октябрь
|
41
170-54
|
22
946-23
|
18
224-31
|
|
Ноябрь
|
55
315-02
|
40
493-35
|
14
821-31
|
|
Декабрь
|
45
866-36
|
47
242-24
|
-1
375-88
|
|
Январь
|
64
640-21
|
47
755-98
|
16
884-23
|
|
|
|
48
554-33
|
Собственник может получить информацию о
финансовом или хозяйственном состоянии Товарищества собственников жилья только
на общем собрании собственников, которое проводится обычно не более 1 раза в
год. Иные способы - личные встречи с управляющим составом или домыслы,
основанные на личных наблюдениях - могут быть недостаточны, частично или
полностью ошибочны. Отсутствие унифицированного процесса связи Собственников и
Управляющего состава ТСЖ является проблемой на данном этапе существования ТСЖ
«Революции 8», так как недостаток информации влечет за собой недопонимание с
обеих сторон, что в свою очередь приводит к нежелательным последствиям.
Существующая система информационного обеспечения
в ТСЖ «Революции 8» несовершенна и нуждается в модернизации с использованием
современных информационных технологий.
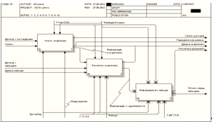
Описание модели «AS-IS»
Целью построения функциональных моделей является
выявление наиболее слабых и уязвимых мест деятельности организации, анализ
преимуществ новых бизнес-процессов и степени изменения существующей структуры
бизнеса. Анализ недостатков начинается с построения модели «AS-IS» (КАК ЕСТЬ),
то есть модели существующей организации работы. Для этого была использована
методология IDEF0, позволяющая четко смоделировать логику и взаимодействие
процессов организации.
Функционально-структурная модель «AS-IS»
отражает существующие на момент обследования положение дел в организации и
позволяет понять, каким образом функционирует организация, а также
сформулировать предложения по улучшению ситуации, представлена на рисунке 2.
Рисунок 2 - Модель AS-IS
бизнес-процесса «Организовать информационное обеспечение в ТСЖ «Революции 8»
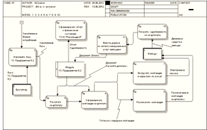
Основной бизнес-процесс декомпозируется на 3
более простых этапа (рисунок 3):
· Учесть квартплату.
· Расчитать квартплату.
· Информаировать жильцов.
Рисунок 3 - декомпозиция модели AS-IS
бизнес-процесса «Организовать информационное обеспечение в ТСЖ «Революции 8»
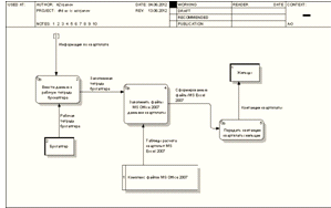
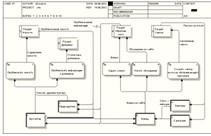
Процесс «Учесть квартплату» декомпозируется на 2
блока в нотации IDEF0 (рисунок 4).
Рисунок 4 - декомпозиция блока «Учесть
квартплату»
Процесс «Расчитать квартплату» декомпозируется в
нотации DFD для наглядного представления процесса расчета квартплаты на текущий
момент в ТСЖ «революции 8» (рисунок 4).
Рисунок 4 - декомпозиция процесса «Расчитать
квартплату»
Декомпозиция блока отражает несовершенство
существующего механизма рассчета квартплаты, архаичностью информационных
технологий, применяемых при рассчете, дублированием информации, отсутствии
унифицированного способа хранения данных за продолжительный период времени,
отсутствии механизма защиты от потери информации или получения ее лицами, не
имеющими прямого отношения к управлению домом.
При анализе модели AS-IS
был выявлен ряд недостатков:
· Отсутствие унифицированного
хранилища данных;
· Создание ряда дополнительных
документов, в которых, фактически, дублируются данные;
· Отсутствие автоматизированного
механизма связи управляющего состава и жильцов дома.
Для усовершенствования данного бизнес-процесса
необходимо автоматизировать блок «Расчитать квартплату» а также создать
дополнительный процесс, предназначенный для связи управляющего состава ТСЖ с
жильцами . Для работы системы так же понадобится внедрение базы данных
документов ТСЖ и базы личной информации жильцах (квартирах).
2. Проектирование информационной системы
организации информационного обеспечения в ТСЖ «Революции 8»
.1 Постановка задачи на проектирование
информационной системы
Несовершенный и архаичный метод расчета квартплаты,
а также механизм информационного обеспечения в ТСЖ «Революции 8» нуждаются в
модернизации - создании информационной системы, позволяющей модернизировать
существующие информационные процессы в ТСЖ «Революции 8», организовать ранее не
существовавшие процессы.
Проектирование системы предполагает, что
основные операции по накоплению, хранению и переработке информации возлагаются
на средства вычислительной техники. Специалист выполняет только определенную
часть ручных операций. При этом пользователь, контролируя работу вычислительных
средств, вносит необходимые изменения в значения параметров моделируемых
процессов и исходные данные в процессе обработки информации. Вся документация
должна соответствовать правовым нормам и стандартам.
Проектирование автоматизированного рабочего
места бухгалтера и других членов управляющего состава ТСЖ «Революции 8»
представляет собой программно-технический комплекс:
· индивидуального пользования - модуль
1С: Предприятие 8, предназначенный для автоматизации работ по подготовке,
преобразованию, редактированию цифровой и текстовой информации, выполнения
необходимых вычислений и организации взаимодействия специалиста по кадрам с ЭВМ
в диалоговом режиме при решении поставленных перед ним задач;
· общего пользования - информационный
портал ТСЖ «Революции 8» в сети Интернет для организации процесса передачи
информации между управляющим составом ТСЖ и собственниками жилья для улучшения
морального климата в ТСЖ «Революции 8», оперативного информирования как
жильцов, так и членов правления ТСД.
.2 Разработка модели TO-BE
процесса организации информаионного обеспечения в ТСЖ «Революции 8»
Учитывая задачи, разработаем оптимальную
функционально-структурную модель в нотации IDEF0
(рисунок, модель бизнес - процесса расчета квартплаты и работы с сайтом ТСЖ
«Революции 8» в нотации DFD.
В диаграмме базового бизнес-процесса
«Организовать информационное обеспечение в ТСЖ «Революции 8» изменениям
подвергся инструментарий - функцию MS
Office 2007 выполняет
модуль 1С:Предприятие 8.2, появляется сайт ТСЖ «Революции 8» (рисунок)
Рисунок - диаграмма бизнес-процесса
«Организовать информационное обеспечение в ТСЖ «Революции 8»
Соответствующие изменения коснулись декомпозиции
базового бизнес-процесса (Рисунок).
Рисунок - декомпозиция базового бизнес-процесса
В декомпозиции блока «Учесть квартплату»
появляется новый инструмент - 1С 8.2 (рисунок).
Рисунок - декомпозиция блока «Учесть квартплату»
Существенной переработке подверглась
декомпозиция блока «Расчитать квартплату» (Рисунок)
Рисунок - декомпозиция блока «Расчитать квартплату»
Внедрение модуля 1С:Предприятие 8.2 позволило
существенно расширить выполняемые бухгалтером задачи, упростив выполнение уже
существовавших. Кроме того появляется возможность создания централизованного
хранилища данных по квартирам ТСЖ, плательщикам, архив отчетных документов по
квартплате, содержащий не только текущую информацию, но и информацию по прошлым
периодам. Функционал модуля 1С:Предприятие 8.2 позволяет модифицировать процесс
передачи квитанций квартплаты за счет возможности генерирования квитанций как
отдельными файлами для передачи по электронной почте.
Декомпозиция блока «Информировать жильцов»
показана на рисунке.
Рисунок - декомпозиция блока «Информировать
жильцов»
Информационное обеспечение ТСЖ «Революции 8»
выводится на новый уровень с вводом в эксплуатацию информационного портала ТСЖ
в сети Интернет. Это позволяет руководству ТСЖ чаще предоставлять различную
статистическую информацию для общего пользования, вести диалог с жильцами
средствами сайта ТСЖ. Жильцы получают доступ к учредительным документам и иной
информации, размещаемой на сайте руководством ТСЖ. Кроме того функционал сайта
позволяет формировать заявки на вызов обслуживающего персонала в режиме on-line,
что существенно облегчает планирование рабочего времени для обслуживающего
персонала. Зарегистрированные пользователи сайта могут задавать вопросы
напрямую членам управляющего состава или создавать открытые обсуждения. Эта
фунция позволит собственникам жилья вместе обсудить интересующие их вопросы,
получить открытые ответы от управляющего состава ТСЖ «Революции 8».
Обоснование выбора средств программной
реализации
Реализация программной части при помощи
программных средств должна удовлетворять требованиям эргономики, скорости ввода
и обработки информации, иметь дружелюбным пользовательский интерфейс для
оптимизации процесса освоения персоналом. Таким образом, было принятно решение
использовать средства разработки 1С Предприятие 8.2 для создания модуля расчета
квартплаты, формирования квитанций, и Content
Manage System
Wordpress 3.2 для реализации
функций информационного портала ТСЖ «Революции 8».
Система программ «1С:Предприятие 8» включает в
себя платформу и прикладные решения, разработанные на ее основе, для
автоматизации деятельности организаций и частных лиц. Сама платформа не
является программным продуктом для использования конечными пользователями,
которые обычно работают с одним из многих прикладных решений (конфигураций),
разработанных на данной платформе. Такой подход позволяет автоматизировать
различные виды деятельности, используя единую технологическую платформу.
Платформа 1С:Предприятие 8 была создана с учетом
6-летнего опыта применения системы программ 1С:Предприятие 7.7, которую
используют десятки тысяч разработчиков. Несмотря на значительные изменения,
новая версия 8 сохранила идеологическую преемственность с предыдущими версиями,
что позволяет ускорить процесс освоения обработки новой для бухгалтера ТСЖ
информации.
В таблице 6 приведены важные функциональные
различия между прикладным решением "1С:Предприятие 8", с одной
стороны, и конфигурацией 7.7 с другой стороны. Характеристики конфигурации
учитывались в части производственного учета, ресурсного планирования и
управления основными средствами.
|
Характеристика
|
1С:
Предприятие 8
|
1С:
Предприятие 7.7
|
|
Ведение
учета нескольких организаций
|
В
одной информационной базе можно вести учет нескольких организаций. В этом
случае списки товаров, контрагентов и статей затрат являются общими для всех
организаций. Это исключает дублирование информации для разных организаций.
При работе нет необходимости переключаться между несколькими информационными
базами для ведения учета.
|
Для
учета каждой организации используется отдельная информационная база.
Справочники в каждой базе свои и их нужно заполнять в каждой информационной
базе отдельно.
|
|
Панель
функций
|
Панель
функций наглядно показывает порядок работы в виде схем по наиболее часто
используемым операциям. Также с помощью панели функций легко найти нужные
учетные данные или отчеты.
|
Есть
только один способ найти требуемый документ или отчет - через меню. Для
отражения в учете хозяйственной операции надо помнить, где в меню расположен
нужный документ.
|
|
Ручная
корректировка показателей
|
Пользователь
может скорректировать показатели отчетов, заполненные автоматически.
Сделанные корректировки сохранятся и при последующем автоматическом
заполнении отчета.
|
Можно
исправить показатели отчетов, заполненные автоматически. При следующем
автоматическом заполнении отчета введенные корректировки не учитываются.
|
|
Отбор
и сортировка в списках
|
В
списках документов и справочников данные можно отфильтровать по значению
одного или нескольких полей, а также отсортировать в заданном порядке.
|
Поддерживается
только возможность установки отбора в общих журналах документов и отдельных
справочниках. Для получения произвольной выборки или сортировки нужно
разработать специализированный отчет.
|
|
Быстрый
ввод данных из справочников
|
Для
быстрого ввода данных в документ достаточно начать вводить в поле первые
буквы, не открывая справочника. Программа поможет выбрать значение из
имеющихся вариантов.
|
Для
ввода данных из справочника необходимо открыть справочник для выбора.
|
|
Возможность
удаленной работы
|
С
данными одной информационной базы можно работать в любом удобном месте: в
офисе, в удаленном подразделении, дома. Работа с базой может вестись в разных
местах одновременно. Данные, введенные в разных местах, объединяются в одну
общую базу.
|
Работа
с распределенной информационной базой поддерживается только при приобретении,
установке и настройке специальной компоненты.
|
|
Быстрое
освоение
|
При
самостоятельном освоении программы вам поможет "Пособие по быстрому
освоению". Оно представляет собой небольшой сквозной пример от начала
ведения учета до формирования бухгалтерской отчетности и дает представление
об основных понятиях программы и приемах работы, помогает выработать полезные
навыки.
|
Самостоятельное
освоение возможно с помощью "Путеводителя".
"Путеводитель" содержит информацию об основных разделах учета, но
не включает сквозной пример.
|
|
Развитие
программы
|
1С:Бухгалтерия
8 развивается уже почти 4 года. За это время выпущено 3 редакции программы,
учтены многочисленные пожелания и замечания пользователей. На сегодняшний
день 1С:Бухгалтерия 8 успешно работает в организациях самого разного масштаба
и продолжает развиваться. Основное направление развития - повышение удобства
работы бухгалтера.
|
Отрабатываются
только изменения законодательства. Разработка новых возможностей не ведется.
|
Таким образом, целесообразность разработки и
внедрения конфигурации на платформе 1С: Предприятие 8 была обусловлена быстрым
освоением нового способа ведения информационых процессов по сравнению с
существующим (MS
Excel 2007), обширным
инструментарием для дальнейшего развития системы.- система управления
содержимым сайта (CMS) с открытым исходным кодом, распространяемая под GNU GPL.
Написана на PHP, в качестве базы данных использует MySQL. Сфера применения - от
блогов до достаточно сложных новостных ресурсов и даже интернет-магазинов.
Встроенная система «тем» и «плагинов» вместе с удачной архитектурой позволяет
конструировать практически любые проекты. WordPress выпущен под лицензией GPL
версии 2.
На 2007 год WordPress была самой популярной
системой для ведения автономных блогов:
· возможность публикации с помощью
сторонних программ и сервисов;
· простота установки, настройки;
· поддержка
RSS, Atom, trackback, pingback;
· подключаемые модули (плагины) с
уникальной простой системой их взаимодействия с кодом;
· поддержка так называемых «тем»,
позволяющих легко менять как внешний вид, так и способы вывода данных;
· «темы» реализованы как наборы
файлов-шаблонов на PHP, что положительно сказывается на скорости и гибкости;
· громадные библиотеки «тем» и
«плагинов»;
· заложенный потенциал архитектуры
позволяет легко реализовывать сложные решения;
· наличие ЧПУ (человеко-понятный URL);
· наличие русских переводов.
Преимущества WordPress:
. Доступность кода страницы через обычный
браузер. Одним из основных преимуществ WordPress является - встроенный HTML
редакторкода
и абсолютное отсутствие нужды в использовании внешних (локальных) программ для
изменения/редактирования html-кода. Все что нужно - обычный интернет броузер,
который установлен на любом компьютере.
. WordPress редактор сделан на основе модели
“What You See Is What You Get”. Важным преимуществом WordPress является
визуальный html-редактор, благодаря которому любое изменение в коде сразу же
отображается на сайте. Каждый добавленный рисунок, формат заголовков или
добавленный текст в тот же момент можно увидеть на странице. Отпадает нужда в
отправлении файлов на сервер и потере лишнего времени.
. Автоматическое обновление меню и страниц при
добавлении нового контента. Одной из наиболее распространенных проблем, которые
возникают при использовании локальных html-редакторов
,является добавление новых пунктов/полей меню в процессе добавления новой
информации на веб-сайт. Такая работа может быть довольно трудоемкой, и в тоже
время всегда рутинной. Огромной выгодой WordPress является
автоматизация этого процесса.
. Отличная техподдержка системы WordPress
разработчиками и простая, понятная рядовому пользователю, документация.
. WordPress - гибкая и развивающаяся система.
. WordPress - система бесплатная.
Непревзойденная выгода данной системы. Отсутствует риск собственными финансами
и можете попробовать и проверять, подходит ли Вам эта система.
. Огромное количество шаблонов (тем) дизайна
вашего сайта. Изменение дизайна веб-страницы происходит легко и быстро.
Совершенная независимость от движка WordPress.
. WordPress соответсвует стандартам W3C.
9. Частые обновления. Так как продукт бесплатный
- частые обновления играют большую роль в таких системах. Они обеспечивают
пользователю безопасность в использовании WordPress,
эффективность, и технологический прогресс в данном продукте.
. Простота в установке и настройке сайта на
платформе WordPress. 11. Простое редактирование существующих страниц и
добавление новых.
. Возможность добавления коментариев к записям.
Каждый посетитель WordPress может оставлять свои коментарии. Открывается
возможность добавления нового контента посетителями, что соответствует
технологии Web 2.0.
Таким образом, использую средства разработки WordPress,
создается портал ТСЖ «Революции 8», обеспечивающий оптимизацию процесса
информационного обеспечения ТСЖ путем организации процесса связи жильцов дома и
управляющего состава с использованием средств современных ИТ решений.
.3 Разработка модуля 1С
Использую средства разработки 1С 8.2 был создан
модуль 1С для автоматизации работ бухгалтера по расчету квартплаты и
формированию квитанций квартплаты. Модуль расчитан на работу как в одном, так и
в нескольких ТСЖ, что позволяет бухгалтеру вести единую информационную базу по
нескольким предприятиям в рамках одной информационнй системы.
Общий функционал модуля:
· сбор и хранение информации о жильцах
ТСЖ;
· сбор и хранение информации о
квартирах ТСЖ;
· ведение базы многих ТСЖ, включающее
реквизиты ТСЖ - ИНН, КПП, Расчетный счет в банке и др.
· хранение информации о текущих
тарифах, тарифах предыдущих периодов;
· расчет квартплаты на данных о
текущих тарифах в ТСЖ, информации о потреблении коммунальных услуг,
задолженности предыдущих периодов;
· экспорт печатных форм квитанций
квартплаты
· создание отчетов о текущем состоянии
финансовых дел в ТСЖ
Ниже педставлена полная информация о создании и
назначении созданных элементов модуля 1С: Предприятие 8.
Создание справочников
Справочники - это прикладные объекты
конфигурации. Они позволяют хранить в информационной базе данные, имеющие
одинаковую структуру и списочный характер. Это может быть, например, список
сотрудников, перечень товаров, список поставщиков или покупателей. Каждый
элемент справочника характеризуется кодом и наименованием. Система поддерживает
режим автоматической нумерации элементов, при котором она самостоятельно может
генерировать код для нового элемента справочника.
Справочники являются основным механизмом
хранения условно постоянной информации. Они используются в тех случаях, когда
необходимо исключить неоднозначный ввод информации.
Были созданы следующие справочники:
ФизическиеЛица, Квартиры, Организации, Услуги (Рисунок 5).
Рисунок 5 - список справочников
Детально рассмотрим создание каждого из справочников,
его реквизиты и назначение.
Справочник ФизическиеЛица.
Справочник ФизическиеЛица содержит реквизиты
собственников жилья ТСЖ «Революции 8» (Таблица 7):
Таблица 7 - реквизиты справочника
«ФизическиеЛица»
|
Наименование
реквизита
|
Тип
|
Длина
|
Описание
|
|
Фамилия
|
Строка
|
20
|
Фамилия
собственника
|
|
Имя
|
Строка
|
20
|
Имя
собственника
|
|
Отчество
|
Строка
|
20
|
Отчество
собственника
|
|
Паспорт
|
Строка
|
20
|
Паспортные
данные - серия, номер - собственника
|
|
Лицевой
счет
|
Строка
|
15
|
Банковский
лицевой счет собственника
|
Ввод реквизита будет рассмотрен на примере ввода
реквизита Фамилия. Нажав на созданный справочник правой кнопкой мыши,
выбирается пункт Добавить, в правой части окна заполняются поля (Рисунок 6):
· Имя - Фамилия.
· Синоним - Фамилия.
· Тип - Строка.
· Длина - 20.
· Допустимая длина - Переменная.
· Использовать - Для элемента.
· Индексировать - Не индексировать.
· Полнотекстовый поиск - Использовать.
Рисунок 6 - создание реквизита Фамилия
После создания всех реквизитов создается форма
заполнения справочника. Используется режим редактирования В диалоге, так как
таблица справочника имеет много вспомогательных колонок, при просмотре не
всегда удается показать их на экране все сразу - потребуется горизонтально
прокручивать окно справочника.
Рассмотрим создание формы заполнения справочника
на примере создания формы ФормаЭлемента справочника ФизическиеЛица.
Нажав правой кнопкой мыши по элементу Формы
списка иерархии справочника ФизическиеЛица, необходимо добавить новый элемент.
Происходит переход в окноконструктора форм, где указывается тип создаваемой
формы, ее название (Рисунок 7).
Рисунок 7 - создание формы заполнения
справочника ФизическиеЛица
Следующим шагом при создании формы будет
наполнение шаблона необходимыми полями надписей и полей ввода: Код,
Наименование, Фамилия, Имя, Отчество, Паспорт, Лицевой счет (рисунок 8).
Рисунок 8 - создание полей в форме ФормаЭлемента
Поле ввода служит для ввода новой информации и
последующее сохранение в справочнике (рисунок 9).
Рисунок 9 - редактирование свойств поля ввода
«Код»
Поле надписи поясняет пользователю, какую именно
информацию следует вносить в поле (рисунок 10).
Рисунок 10 - редактирование свойств поля надписи
«Код:»
Далее создаются остальные поля ввода и надписей
в формах справочников ФизическиеЛица, Организации, Услуги.
Справочник Квартиры
Справочник Квартиры хранит квартирах собственников
жилья ТСЖ. Реквизиты справочника (Таблица):
Таблица - реквизиты справочника «Квартиры»
|
Наименование
реквизита
|
Тип
|
Длина
|
Описание
|
|
Улица
|
Строка
|
50
|
улица,
где расположено ТСЖ
|
|
Дом
|
Строка
|
10
|
Номер
дома
|
|
Номер
|
Число
|
10
|
Номер
квартиры
|
|
Площадь
|
Число
|
10
|
Площадь
квартиры
|
|
Владелец
Квартиры
|
Справочник
Ссылка. ФизическиеЛица
|
15
|
Фамилия,
имя, отчество владельца квартиры - выбирается из справочника Физические Лица
|
|
Количество
Проживающих
|
Число
|
10
|
Информация
о количестве проживающих в квартире людей
|
Для справочника Квартиры создается два типа форм
- форма элемента справочника ФормаЭлемента и ФормаГруппы, создаваемая для
реализации иерархии Улица - Дом - Квартира. Иерархия позволяет системе в рамках
1 модуля накапливать и обрабатывать информацию не только по квартирам отдельно
взятого ТСЖ, но комплексов ТСЖ. Достоинство этого решения - одна система может
использоваться бухгалтером для расчета квартплаты в нескольких ТСЖ в 1 базе,
что существенно сокращает расходы, связанные с приобретением ПО.
Справочник Организации
Справочник Организации хранит данные по
различным ТСЖ, включает в себя следующие реквизиты (Таблица):
Таблица - реквизиты справочника «Организации»
|
Наименование
реквизита
|
Тип
|
Длина
|
Описание
|
|
ИНН
|
Строка
|
12
|
ИНН
ТСЖ
|
|
КПП
|
Строка
|
9
|
КПП
ТСЖ
|
|
НаименованиеПолное
|
Строка
|
Неограниченная
|
Полное
название ТСЖ
|
|
ОсновнойБанковскийСчет
|
Строка
|
100
|
Расчетный
счет ТСЖ
|
|
Адрес
|
Строка
|
50
|
Адрес
ТСЖ
|
|
ИнформацияОБанке
|
Строка
|
100
|
|
|
КорСчет
|
Строка
|
100
|
|
|
БИКБанка
|
Строка
|
20
|
|
Реквизиты использются при формировании квитанций
квартплаты. Создание и редактирование формы справочника происходит по аналогии
с созданием реквизитов справочника «ФизическиеЛица»
Справочник Услуги
Справочник Услуги аккумулирует в себе информацию
о коммунальных и прочих услугах, предоставляемых ТСЖ. Реквизиты справочника
(Рисунок 13):
· Счетчик - учитывается ли при расчете
квартплаты счетчик конкретной коммунальной услуги или расчет идет исключительно
по установленному тарифу.
· ЕдиницаИзмерения.
· МаксимальноеЗначение - максимально
допустимое значение счетчика - при достижении максимального значения счетчик
обнуляется.
Рисунок 13 - реквизиты справочника Услуги
Форма справочника «Услуги» создается по аналогии
с формами предыдущих справочников.
Создание документов
В большинстве своем документы, которые создаются
в процессе настройки конфигурации задачи, являются аналогами стандартных
бумажных документов.
В системе «1С: Предприятие» документ является
основной учетной единицей. Дата и время - наиболее важные характеристики документов,
так как позволяют устанавливать строгую временную последовательность совершения
операций.
Созданы следующие документы :
· Журнал тарифов - установка тарифов
на коммунальные услуги текущего периода.
· Журнал расчета квартплаты - создание
документа автоматизированного расчета квартплаты по одному или нескольким ТСЖ с
возможностью выгрузки на носители в виде файлов Microsoft
Excel.
· Журнал оплаты - информация об оплате
коммунальных услуг жильцом ТСЖ
· Журнал показаний счетчиков -
информация о показаниях счетчиков горячей и холодной воды за прошлый период.
Документ РасчетКвартплаты оперирует данными разницы показаний счетчиков
прошлого периода и нынешними, предоставленными жильцами, данными.
Результат работы представлен на рисунке 14.
Рисунок 14 - документы модуля 1С:Предприятие 8.2
для ТСЖ «Революции 8»
Процесс создания журнала документов рассмотрим
на примере Журнала расчета квартплаты.
Структура уже созданного документа
РасчетКвартплаты представлена на рисунке 14, включает в себя реквизиты,
табличную часть и формы, о которых будет расказано ниже.
Рисунок 15 - состав документа РасчетКвартплаты
Значение реквизита Организация выбирается из
справочника Организации (пункт 2.1.1.3) - рисунок 16.
Рисунок 16 - свойства реквизита Организация
Пошагово рассмотрим создание формы докмента.
. Правой кнопкой мыши нажать на меню
Форма в списке настроек документа РасчетКвартплаты.
. Добавить форму документа, назвать
ФормаДокумента (рисунок 17).
Рисунок 17 - первичная настройка новой формы
. Разместить на шаблонной форме текстовые
поля и поля ввода, произвести их настройку (рисунок 18, 19)
Рисунок 18 - размещение полей на новой форме
Рисунок 19 - пример настройки поля Дата
документа РасчетКвартплаты
. Создать табличную часть, провести
создание и настройку как показано на рисунке 20.
Рисунок 20 - табличная часть и пример
редактирования свойств поля Квартира
. Создать кнопки Заполнить и Выгрузить.
. Произвести программирование модуля
документа для реализации процедур расчета квартплаты и выгрузки квитанций
квартплаты на носитель(Рисунок 21).
Рисунок 21 - список процедур модуля документа
Расчет квартплаты
Выгрузка документа осуществляется наджатием
кнопки «Выгрузить», что запускает функцию выгрузки значений базы данных,
формирующихся через отчет, в печатную форму одним файлом или файлами отдельно
по каждой квартире (Рисунок 22).
Рисунок 22 - кнопка выгрузки квитанций и тип
выгрузки
При выгрузке пофайлово каждый отдельный файл - квитанция
квартплаты для отдельно взятой квартиры, название с помощью функции:
ИмяФайла = Каталог + "\Квитанции " +
Формат(Дата,"ДФ='MMMM yyyy'") +".xls".
Этот методы выгрузки позволяет произвести
рассылку квитанций квартплаты по электронным ящикам собственников жилья,
исользуя программные средства информационного портала ТСЖ, о чем будет сказано
ниже.
В результате проделанной работы был создан
документ, с помощью которого пользователь информационной системы имеет
возможность производить расчет квартплаты по отдельно взятому ТСЖ с учетом
таких факторов как тарифы на коммунальные услуги и предыдущая задолженность
собственников жилья. Дизайн документа разработан с учетом требований
эргономики, что позволяет максимально облегчить труд пользователя, избегая нагромождений
меню и излишней информации.
Существенным преимуществом данного документа
является возможность выгрузки результатов расчета на носители информации, что
позволяет реализовать пересылку сформированных квитанций квартплаты
собственникам, которые по каким-либо причинам не могут получить квитанции лично
в руки.
Создание отчетов
Отчет - это не сохраняемый в базе данных объект,
предназначенный для формирования печатных форм.
В вонфигурации созданы следующие отчеты(Рисунок
23):
· Квитанция - отчет формирует печатную
форму квитанции квартплаты для последующей выгрузки;
· Задолженность - отчет о движении
денежных средств на расчетном счете ТСЖ «Революции 8»
Рисунок 23 - отчеты
Рассмотрим создание отчета «Квитанция».
Отчет «Квитанция» формирует печатную форму
квитанции квартплаты для отдельно взятой квартиры выбранного ТСЖ.
Создание отчета «Квитанция»:
1. Создать форму отчета - определить
границы вывода макета, добавить кнопку «Сформировать», необходимую для запуска
процедуры формирования отчета, текстовые и поля выбора «Организация» и
«Квартира» для выбора ТСЖ и квартиры в нем для формирования квитанции
квартплаты именно по этой квартире.
2. Произвести настройку функционала кнопок
и полей. (Рисунок 25)
Рисунок 25 - форма отчета «Квитанция», настройка
свойств кнопки «Сформировать»
3. Создать макет табличной части отчета
(Рисунок 26), распределив все элементы в табличной части. Макет создавался на
основе существующей формы квитанций квартплаты ТСЖ «Революции 8» (Приложение).
Рисунок 26 - создание макета отчета «Квитанция»
4.
Прописать код процедур в форме отчета «Квитанция» для корректного вывода
информации о квартплате соответствующей квартиры (Рисунок 27).
Рисунок 27 - конфигурирование модуля формы
отчета «Квитанция»
Аналогично отчету «Квитанция» был создан отчет
«Задолженность», использовались методы создания, аналогичные отчету
«Квитанция».
В результате проделанных работ функционал модуля
был дополнен возможностью создания периодических отчетов для получения
статистической информации. Существовавшие методы - создание расчетных таблиц MS
Excel, аналогичных по
функционалу созданным отчетам - были модернизированы для повышения скорости
работы бухгалтера. Существующие формы отчетов позволяют с легкостью получать
интересующую информацию избегая рутинных операций в удобной и понятной форме.
Разработка информационного портала ТСЖ
«Революции 8»
Существующая система информационного обеспечения
в ТСЖ «Революции 8» ограничивается использованием досок объявлений в подъездах
и проведением общих собраний собственнико жилья не чаще 1 раза в пол года. Эти
мероприятия позволяют донести до до собственников малую долю интересующей их
информации, что влечет за собой непонимание и непринятие некоторых решений
управляющего состава дома, обоснованных с точки зрения руководства, но не с
точки зрения собственников.
Решение проблемы - создание информационного
портала ТСЖ «Революции 8» - сайта в сети Интернет. Функционал сайта позволит
управляющему составу размещать отчеты и учредительные документы, доступные для
общего пользования, уведомлять жильцов дома о текущих и предстоящих
мероприятиях, связанных с деятельностью ТСЖ «Революции 8». Жильцы в свою
очередь будут иметь возможность задать интересующие их вопросы непосредственно
членам управляющего состава ТСЖ через формы сайта, проводить обсуждения
наиболее острых вопросов в режиме on-line
- как следствие - высокая активность.
Функционал сайта позволит существенно
модернизировать существующую систему информационного обеспечения ТСЖ «Революции
8», что приведет к улучшению морального климата в ТСЖ.
Структура информационного портала ТСЖ «Революции
8» - блог с закрытой регистрацией. Форма блога подходит для размещения большого
объема информации, проведения обсуждений и комментирования существующих
материалов. Закрытая регистрация позволит избежать нежелательного контента
сайта, такого как реклама сторонних ресурсов роботами или рекламными агентами и
др.
Для создания сайта ТСЖ «Революции 8» было
принято решение испольщовать Content
Manage System
WordPress 3.2. Преимущество WordPress
при разработке информационного портала ТСЖ «Революции 8» обуславливается
следующими факторами:
· концепция блога наиболее точно
отражает характер содержимого и функционала информационного портала ТСЖ;
· легкость разработки и внедрения
необходимых модулей и модификаций за счет специфики функционирования WordPress;
· оптимизированный контроль
создаваемых пользователями материалов;
· простота администрирования;
· эргономичный дизайн портала,
обеспечиваемый особенностями конструирования и программирования в WordPress.
Создание шаблона сайта ТСЖ «Революции 8»
Шаблон сайта - структура - позволяет
разработчику сформировать представление будущей структуры сайта, типы его
содержимого, порядок размещения, шапку, подвал сайта, общий визуальный стиль
оформления.
Структурой сайта ТСЖ «Революции 8» -
одноколоночная, с одной правой боковой панелью. Одна колонка прекрасно подходит
для размещения главного контента сайта - текстовой информации. Боковая панель
обеспечит возможность добавлять небольшие визуальные дополнения в дизайн сайта,
повышая его функционал.
Тема оформления сайта ТСЖ «Революции 8» - Blue
and grey
(разработчик Eloki) была выбрана
в качестве основной цветовой темы и стиля оформления, так как ее функционал и
исходный дизайн полностью подходят для размещения деловой информации, цветовая
палитра позволяет не напрягая глаз изучать содержимое сайта.
Первоначальный вид сайта с предустановленной
темой Blue
and grey
представлен на рисунке 28.
Рисунок 28 - шаблон сайта ТСЖ «Революции 8»
Создание страниц
Для размещения информации на сайте необходимо
создать страницы с названиями, соответствующими характеру размещаемой на них
информации. На информационном портале ТСЖ были созданы и размещены следующие
страницы:
· Главная - главная страница сайта,
содержит краткую информацию о портале ТСЖ «Революции 8»
· Информация - содержит информацию о
текущих тарифах на коммунальные услуги, составе правления ТСЖ, составе
обслуживающего персонала. Кроме того, с страницы «Информация» можно осуществить
переход к формам онлайн заявки на вызов электрика, сантехника. Новости -
последние новости в ТСЖ «Революции 8», план мероприятий и иной динамический
контент.
· Обратная связь - страница,
содержащая краткую справочную информацию, позволяющет перейти к формам общих
обсуждений или задания личных вопросов бухгалтеру или председателю ТСЖ
«Революции 8».
· Должники - страница, находящаяся под
защитой пароля, во избежание попадания информации о должниках ТСЖ «Революции 8»
некомпетентным лицам, т.е. всем, кроме бухгалтера и председателя ТСЖ «Революции
8».
· нормативные документы - страница,
содержащая ссылки на скачивание нормативных документов ТСЖ «Революции 8»
предназначеных для общего доступа.
Рассмотрим создание страниц на примере созданиея
страницы «Главная»:
1. Войти в консоль администрирования
сайта ТСЖ «Революции 8» используя логин и пароль администратора - рисунок 28.
Рисунок 28 - консоль администрирования сайта ТСЖ
«Революции 8»
2. Выбрать пункт меню администрирования
Страницы - Добавить новую - рисунок 29.
Рисунок 29 - добавление новой страницы
3. Вписать заголовок страницы первого
уровня (Главная), заполнить страницу контентом в режиме HTML
редактора текстом информационного характера), задать свойства страницы -
рисунок 30.
Рисунок 30 - свойства страницы Главная
4. Опубликовать страницу, нажав кнопку
«Опубликовать»
В результате проделанной работы была создана
главная страница информационного портала ТСЖ «Революции 8». Аналогично были
созданы, наполнены содержимым и размещены остальные страницы.
Руководство пользователя
Разработанный программный комплекс
информационного обеспечения для ТСЖ «Революции 8» позволяет облегчить работы
бухгалтера по расчету квартплаты, позволяет вести единую базу о жильцах и
квартирах ТСЖ с помощью средств 1С:Предприятие 8.2, модернизировать
существующее информационное обеспечение в ТСЖ средствами информационного
портала ТСЖ «Революции 8» в сет Интернет.
Рассмотрим работу с модулем 1С:Предприятие 8.2 с
позиции бухгалтера ТСЖ.
После открытия базы необходимо заполнить
справочники (Рисунок 31).
Рисунок 31 - справочники модуля 1С:Предприятие
8.2
Рассмотрим заполнение справочников на примере
справочника «Организации». После выбора пункта меню «Справочники -
Огранизация», открывается окно списка существующих организаций. Необходимо
добавить новую организацию. После нажатия на кнопку «Добавить» появляется форма
добавления новой организации, где необходимо заполнить поля: Код, Наименование,
ИНН, КПП, Полное наименование, Банковский счет, Адрес, Информация о банке, Кор
счет, БИК Банка (Рисунок 32).
Рисунок 32 - заполнение справочника
«Организации»
После заполнения всех полей необходимо нажать
кнопку «Ок» - новый элемент будет добавлен в справочник «Организации. Результат
проделанной работы представлен на рисунке 33.
Рисунок 33 - созданный элемент справочника
«Организации»
Данные справочника «Организация» будут
использованы при формировании квитанций квартплаты и создании иерархии «Улица-Дом-Квартира»
справочника «Квартира».
Далее бухгалтеру необходимо ввести информацию о
собственниках. Для этого открывается справочник «Физические лица», добавляется
новый элемент справочника. Добавление элемента и заполнение необходимой
информации представлено на рисунке 33.
Рисунок 33 - создание элемента
справочника «Физические лица»
Результатом заполнения элементами справочника
«Физические лица» будет база собственников - жильцов различных ТСЖ. Справочник
«Физические лица» - хранилище личной информации о каждом из собственников. Эта
информация будет использована при формировании квартплаты.
После создания базы собственников (справочник
«Физические лица») бухгалтеру необходимо создать базу квартир, находящихся в ТСЖ.
Для этого используется справочник «Квартиры». Структура справочника позволяет
создавать иерархию квартир таким образом, что в одной базе данных может
храниться информация о нескольких ТСЖ. Эта функция являет собой
централизованное хранилище данных о нескольких организациях, что удобно в
случае, когда один бухгалтер ведет свою деятельность в многих ТСЖ.
Результат заполнения справочника представлен на
рисунке 34.
Рисунок 34 - создание элемента справочника
«Квартиры»
Для расчета квартплаты бухгалтеру необходимо
заполнить справочник «Услуги», который содержит данные о коммунальных и прочих
услугах, по которым идет расчет квартплаты(Рисунок 35).
Рисунок 35 - заполнение справочника «Услуги»
Для услуг, расчитываемых по показаниям
счетчиков, необходимо установить флажок в поле «Счетчик», указать единицу
измерения и макимальные показания. После заполнения всех полей справочика
бухгалтер формирует базу услуг, включеных в квартплату, для дальнейшего их
использования при расчетах квартплаты.
Результатом заполнения всех справочников будет
база данных, содержащая исходную информацию для дальнейшего ее использования
при расчете квартплаты и формирования документов - квитанций квартплыт.
Для начала расчета квартплаты бухгалтер
заполняет документ «Установка тарифов». Документ содержит информацию о текущих
тарифах на коммунальные услуги, используемые при расчете квартплаты в текущем
периоде. Результат заполнения документа «Установка тарифов» представлен на
рисунке 35.
Рисунок 35 - документ «Установка тарифов»
В конце месяца, за который нобходимо расчитать
квартплату, бухгалтер вывешивает бланки показаний счетчиков в подъездах ТСЖ
«Революции 8» (Приложение). По истечение 10 дней бухгалтер собирает бланки и
вносит полученную информацию в документ «Показания счетчиков». Результат работ
представлен на рисунке 36.
Рисунко 36 - установка показаний счетчиков в
документе «Показания счетчиков»
После занесения всех показаний в базу данных
бухгалтер приступает к расчету квартплаты. Для этого необходимо добавить
документ «Расчет квартплаты», заполнить все необходимые поля (Рисунок 37),
произвести выгрузку квитанций квартплаты в файлы MS
Excel. Порядок
заполнения документа «Расчет квартплаты»:
. Выбрать организацию в поле
«Организация» из списка уже существующих в базе данных организаций.
. Нажать на кнопку «Заполнить». Расчет
квартплаты будет произведен автоматически, полученные данные будут отображены в
табличной части документа.
. Провести документ нажатием на кнопку
«Записать».
. Выгрузить квитанции квартплаты нажатием
кнопки «Выгрузить».
Рисунок 37 - заполнение документа «Расчет
квартплаты»
Результатом проделанной работы будут
сформированные квитанции квартплаты, содержащие детальную информацию о
задолженности каждой квартиры на текущий период.
Выгрузка квитанций квартплаты может
осуществляться как в пофайлово - каждой квартире будет сформирован отдельный
файл MS
Excel, содержащий
квитанцию квартплаты именно для этой квартиры - или одним файлов, содержащим
все сформированные квитанции(Рисунок 39).
Рисунок 39 - выбор типа выгрузки квитанций
квартплаты
Первый способ удобен, если жильцы хотят получать
квитанции квартплаты как уведомление на e-mail.
Для выгрузки пофайлово необходимо нажать на кнопку «Для каждой квартиры
отдельно». Результат работы представлен на рисунке 40.
Рисунок 40 - результат выгрузки квитанций
квартплаты вьотдельные файлы
Второй способ актуален, когда необходимо
распечатать квитанции квартплаты и разнести их по почтовым ящикам. Для выгрузки
одним файлом необходимо нажать на кнопку «В один файл». Результат работы
представлен на рисунке 41.

По завершении выгрузки квитанции квартплаты
передаются жильцам ТСЖ. На основании полученной информации собственники жилья
вносят средства на расчетный счет ТСЖ «Революции 8» в банке - название банка и
расчетный счет ТСЖ указываются в квитанциях квартплаты.
После получения денежных средств бухгалтеру
необходимо заполнить документ «Оплата» для дальнейшего расчета текущей задолженности
ТСЖ «Революции 8» вцелом и каждой квартиры в отдельности. Результат заполнения
документа представлен на рисунке 42.
Рисунок 42 - заполнение документа «Оплата»
После внесения всех сведений бухгалтер формирует
отчет о финансовом состоянии ТСЖ «Революции 8». Для этого необходимо выбрать
пункт меню «Отчеты», в нем выбрать «Задолженность». Формирование отчета
происходит автоматически после нажатия кнопки «Сформировать», учитываются
указанные параметры «Начало периода», «Конец периода», «Периодичность».
Результат работы отчета представлен на рисунке 43.
Рисунок 43 - результат работы отчета
«Задолженность»
Результат работы созданного модуля
1С:Предприятие 8.2 - существенное сокращение временных затрат бухгалтера,
связанных с расчетом квартплаты и формированием отчета о финансовом состоянии
ТСЖ «Революции 8», устранение дублирующейся информации, создание
централизованного хранилища данных о ТСЖ, квартирах и собственниках.
Целью создания информационного портала ТСЖ
«Революции 8» была модернизация существующих способов информационного
обеспечени в ТСЖ с использованием современных информационных технологий.
Рассмотрим функционал информационнго портала ТСЖ
«Революции 8» с позиции Администратора (Председатель ТСЖ, Бухгалтер),
зарегистрированного и незарегистрированного пользователя (жилец ТСЖ).
В задачи администратора сайта входит публикация
нового контента - содержимого сайта - новостей, дополнение существующей
структуры сайта новыми разделами, регистрация новых пользователей.
Зарегистрированный пользователь имеет доступ ко
всем разделам сайта, исключая раздел «Должники», может создавать обсуждения,
оставлять комментарии, задавать вопросы бухгалтеру и председателю, вызывать
сантехика или электрика используя соответствующие формы.
Незарегистрированный пользователь имеет
возможность просматривать новости и обсуждения. Основные разделы сайта для него
закрыты.
При первом запуске сайта любой пользователь
попадает на главную страницу, содержащую общую информацию о сайте ТСЖ
«Революции 8». Для авторизации необходимо нажать на кнопку «Войти»,
расположенную в правой части экрана на панели виджетов - рисунок 44.
Рисунок 44 - стартовая страница сайта ТСЖ
«Революции 8»
При нажатии на кнопку «Войти» пользователь
попадает на страницу авторизации, где необходимо ввести свои логин и пароль для
доступа панели администрирования и разделам сайта - рисунок 45.
Рисунок 45 - авторизация на сайте
Рассмотрим процесс управления содержимым сайта с
позиции администратора.
. После авторизации администратор сайта может
создать новость. Для этого в панели администрирования необходимо выбрать пункт
«Записи - Добавить новую» - рисунок 46.
Рисунок 46 - добавление новой новости
. Заполняется заголовок первого уровня и
содержание новости - рисунок 47.
. Необходимо указатьпубликацию материала в
рубрику «Новости», нажать кнопку «Обновить» - рисунок 47.
Рисунок 47 - редактирование новой новости
Редактирование содержания может идти как в
режиме графического редактора с интуитивно понятным интерфейсом - легкость
освоения для пользователя с низкой квалификацией - и режиме Full
HTML, позволяющем
редактировать разметку создаваемого документа вручную, используя средства HTML,
Java Script
и прочие. Результат проделанной работы - рисунок 48.
Рисунок 48 - отображение созданной новости на
сайте
Кроме новостей администратор может создавать
другие типы материалов, такие как рубрики, страницы, меню и пр. Создание всех
типов материалов осуществляется через консоль администратора сайта.
Администратор имеет доступ ко всем разделам сайта, может редактировать
существующие и создавать новые типы материалов.
Процесс регистрации нового пользователя
осуществляется исключительно администратором, что позволяет избежать
регистрации нежелательных лиц на информационном портале. Для регистрации на
сайте собственник должен связаться с администратором сайта лично или через e-mail,
запросить индивидуальный логин и пароль для своей учетной записи.
Пример регистрации нового пользователя в системе:
. Получить запрос от жильца, желающего
получить учетную запись на информационном портале ТСЖ «Революции 8».
. Войти в меню администрирования.
. Выбрать пункт «пользователи - добавить
нового».
. В качестве инмени пользователя указать
первуюбукву имени и фамилию на латинице.
. Задать временный пароль, который
пользователь может сменить в личном кабинете.
. Нажать на кнопку «Создать», отправить
пользователю письмо на электронный ящик с указанием его логина и пароля.
Зарегистрированный пользователь может просматривать
информацию о ТСЖ: текущие тарифы на коммунальные услуги, список членов
правления ТСЖ «Революции 8», оформлять заявки на вызов обслуживащего персонала:
1. Нажать на кнопку «Информация».
2. перейти в раздел «Обслуживающий
персонал» - рисунок 50
Рисунок 50 - страница «Обслуживающий персонал»
3. Нажать на ссылку для перехода к форме
заявки - рисунок 50
4. оформить заявку в соответствии с
правилами - рисунок 51
Рисунок 51 - форма онлайн заявки на вызов
электрика
5.
отправить заявку - рисунок 51.
Если у жильца ТСЖ «Революции 8» возникает вопрос
к председателю или бухгалтеру ТСЖ илижилец хочет донести какую-либо информацию
до членов правления или всего дома вцелом, он может воспользоваться функциями
раздела «Обратная связь» .
Раздел «Обратная связь» дает зарегистрированным
пользователям доступ к формам обращения к председателю или бухгалтеру ТСЖ
напрямую, используя средства сайт - формы подачи онлайн заявки, просматривать
существующие и создавать новые обсуждения:
. Войти в раздел «Обратная связь» -
рисунок 52.
Рисунок 52 - страница обратной связи
. Нажать на кнопку «Задать вопрос
Председателю» - рисунок 52.
. Заполнить форму в соответствии с
правилами - рисунок 53.
Рисунок 53 - форма связи с председателем
.
Отправить заявку - рисунок 53.
Обсуждения - важная функция обратной связи.
Общие собрания собственников, где проводятся обсуждения наиболее острых
проблем, проводятся не чаще 2 раз в год - имеет место недостаточное
информационное обеспечение жильцов ТСЖ. Функция обсуждений призвана решитьэту
проблему - любой зарегистрированный пользователь имеет возможность высказать
свое мнение или оставить комментарии к сообщениям других пользователей -
жильцов дома. Просматривая ленту обсуждений члены управляющего состава ТСЖ
«Революции 8» имеют возможность оперативно реагировать на замечания жильцов,
отвечать на вопросы чаще чем 1-2 раза в год, что улучшает моральный климат в
ТСЖ, понимание между собственниками и членами правления ТСЖ.
Чтобы начать обсуждение или оставить свои
комментарии к уже существующим необходимо сделать следующее:
. Войти в раздел «Обратная связь» -
рисунок 52.
. Нажать на кнопку «Обсуждения» - рисунок
52.
. Создать новое обсуждение заполнив
необходимые поля и нажать кнопку «Отправить»
Результат проделанных действий представлен на
рисунке 54.
Рисунок 54 - обсуждение на сайте ТСЖ «Революции
8»
Обсуждения закрыты для комментирования незарегистрированным
пользователем - рисунок 55.
Рисунок 55 - вид страницы «Обсуждения» с позиции
незарегистрированного пользователя
Выводы. Целью разработки программного комплекса
для ТСЖ «Революции 8» была оптимизация информационного обеспечения ТСЖ. Цель
достигается за счет использования функционала модуля расчета квартплаты
1С:Предприятие 8.2 и информационного портала ТСЖ «Революции 8» в сети Интернет.
Созданый модуль 1С:Предприятие 8.2 позволяющет автоматизировать рутинные
операции бухгалтера, модернизировать процесс расчета и начисления квартплаты,
создания отчетов о финансовом состоянии ТСЖ «Революции 8». Увеличение скорости
работы бухгалтера обратнопропорционально времени донесения информации до
жильцов ТСЖ «Революции 8» - чем больше скорость формирования информации - тем
меньше время донесения информации до жильцов.
Модуль 1С:Предприятие 8.2 также являет собой
централизованное хранилище данных о квартирах ТСЖ и их собственниках,
наполняемые справочники могут служить источником статистической информации для
принятия управленческих решений. Создан информационный портал ТСЖ «Революции
8» - сайт в сети Интернет. Функционал сайта существенно модернизирует процесс
информационного обеспечения в ТСЖ «Революции 8», улучшает моральный климат,
делает отчетность доступной для всех членов ТСЖ, создает новый механизм
обратной связи между жильцами и членами управляющего состава ТСЖ «Революции 8».
Глава 3. Организационно-экономическая часть
.1 Обоснование вопросов информационной безопасности
Общие вопросы информационной безопасности
Под угрозой безопасности вычислительной системы
понимаются воздействия на систему, которые прямо или косвенно могут нанести
ущерб ее безопасности. Таким образом, перед защитой систем обработки информации
стоит довольно сложная задача - противодействие бурно развивающимся угрозам
безопасности. Следовательно, безопасная или защищенная система - это система,
обладающая средствами защиты, которые успешно и эффективно противостоят угрозам
безопасности.
Проблемы информационной безопасности решаются,
как правило, посредством создания специализированных систем защиты информации,
которые должны обеспечивать безопасность информационной системы от
несанкционированного доступа к информации и ресурсам, несанкционированных и
непреднамеренных вредоносных воздействий. Система защиты является инструментом
администратора, выполняющего функции по обеспечению защиты информационной
системы и контролю ее защищенности.
Угрозы информационной безопасности, характерные
для предприятия
Угрозы можно классифицировать по нескольким
критериям:
по аспекту информационной безопасности
(доступность, целостность, конфиденциальность);
по компонентам информационных систем (данные,
программы,
аппаратура, поддерживающая инфраструктура);
по способу осуществления
(случайные/преднамеренные действия природного/техногенного характера);
по расположению источника угроз
(внутри/внешние).
К основным угрозам безопасности информации и
нормального функционирования ИС относятся:
утечка конфиденциальной информации - данных
собственников жилья из базы 1С:Предприятие 8.2, используемой бухгалтером для
расчета квартплаты; данных по должникам, хранящихся на закрытом разделе сайта
ТСЖ «Революции 8»;
несанкционированное использование информационных
ресурсов - несанкционированный доступ к базе данных 1С:Предприятие,
используемой бухгалтером ТСЖ «Революции 8», панели администратора
информационного портала ТСЖ;
ошибочное использование информационных ресурсов
- случайный непреднамеренный доступ к ресурсам информационного обеспечения в
режиме администратора;
Утечка конфиденциальной информации - это
бесконтрольный выход конфиденциальной информации за пределы ИС или круга лиц,
которым она была доверена по службе или стала известна в процессе работы. Эта
утечка может быть следствием:
разглашения конфиденциальной информации о
жильцах или деятельности ТСЖ «Революции 8»;
ухода информации по различным техническим
каналам;
несанкционированного доступа к конфиденциальной
информации различными способами.
Разглашение информации ее владельцем или
обладателем есть умышленные или неосторожные действия должностных лиц и
пользователей, которым соответствующие сведения в установленном порядке были
доверены по службе или по работе, приведшие к ознакомлению с ним лиц, не
допущенных к этим сведениям.
Несанкционированный доступ - это противоправное
преднамеренное овладение конфиденциальной информацией лицом, не имеющим прав
доступа к охраняемым сведениям.
В учреждении самыми частыми и самыми опасными (с
точки зрения размера ущерба) являются непреднамеренные ошибки сотрудников,
обслуживающих информационную систему. Такие ошибки и являются собственно
угрозами (неправильно введенные данные или ошибка в программе, вызвавшая сбой
системы), иногда они создают уязвимые места, которыми могут воспользоваться злоумышленники.
Самый радикальный способ борьбы с таким видом угроз - максимальная
автоматизация и строгий контроль пользователей информационной системы.
Причины, в результате которых пользователи
совершают ошибки, приводящие к угрозам информационной безопасности:
нежелание работать с информационной системой
(чаще всего проявляется при необходимости осваивать новые возможности и при
расхождении между запросами пользователей и фактическими возможностями и
техническими характеристиками);
невозможность работать с системой в силу
отсутствия соответствующей подготовки (недостаток общей компьютерной
грамотности, неумение интерпретировать диагностические сообщения, неумение
работать с документацией и т.п.);
невозможность работать с системой в силу
отсутствия технической поддержки (неполнота документации, недостаток справочной
информации и т.п.).
Основными источниками внутренних отказов в
учреждении являются:
отступление сотрудников (случайное или
умышленное) от установленных правил эксплуатации;
выход системы из штатного режима эксплуатации в
силу случайных или преднамеренных действий пользователей (превышение расчетного
числа запросов, чрезмерный объем обрабатываемой информации и т.п.);
ошибки при (пере)конфигурировании системы;
отказы программного и аппаратного обеспечения;
разрушение или повреждение аппаратуры.
По отношению к поддерживающей инфраструктуре
можно выделить следующие угрозы:
нарушение работы (случайное или умышленное)
систем связи, электропитания, теплоснабжения, кондиционирования;
разрушение или повреждение помещений;
невозможность или нежелание обслуживающего
персонала или пользователей выполнять свои обязанности.
Недостатки в системе защиты информации
В ТСЖ «Революции 8» не происходит
совершенствование системы информационной безопасности. Затраты на организацию
информационной безопасности минимальны - приобретение антивирусного
программного обеспечения 1 раз в год. Отсутствует персонал, компетентный в
вопросах информационной безопасности. Защита информационного портала ТСЖ
«Революции 8» в сети Интернет не реализована.
К недостаткам системы защиты информации на
учреждении можно отнести:
наличие в учреждении неквалифицированных
сотрудников;
отсутствие специального программного
обеспечения, призванного контролировать защиту каналов связи;
нерегулярность антивирусных проверок своих
компьютеров сотрудниками учреждения;
разглашение своих паролей для доступа в систему
другим сотрудникам;
использование устаревшего программного
обеспечения для доступа в Интернет;
отсутствие политики конфиденциальности на сайте
ТСЖ
отсутствие бесперебойных блоков питания у
сотрудников учреждения.
Предлагаемые мероприятия по совершенствованию
системы защиты информации
В соответствии с выявленными недостатками в
системе информационной безопасности учреждения, можно предложить следующие меры
по повышению эффективности системы защиты информации:
. Принять на работу квалифицированного
сотрудника из состава жильцов дома, который обеспечит высокий уровень
информационной защищенности предприятия;
. Составление должностных инструкций, предписывающих
сотрудникам проводить регулярные антивирусные проверки своих компьютеров и
неразглашения своих паролей для доступа в систему иным лицам;
. Приобрести Traffic Inspector последней версии,
который обладает возможностями:
• Автоматическое обновление списков для
блокировки рекламы и запрета сайтов;
• Расширенный функционал мониторинга;
• Индикаторы текущей скорости сетевого
соединения;
. Смена сотрудниками паролей раз в месяц;
. На каждой из рабочих станций, доступ к которым
имеет не только конкретный сотрудник, но и иные лица, создать отдельную учетную
запись с паролем высокой надежности (8 и более знаков, включающий в себя буквы
латинского алфавита и цифры, обязательно в верхнем и нижнем регистрах).
Произвести переустановку всего ПО, необходимого для работы с системой
информационного обеспечения.
. Создать политику конфиденциальности на
информационном портале ТСЖ, что подразумевает полный доступ ко вем разделам
сайта авторизованных пользоваелей и ограниченный доступ для неавторизованных
пользователей. Кроме того необходимо защитить страницу «Должники» паролем, что
обеспечит доступ к конфиденциальной информации только компетентных лиц -
бухгалтера и председателя ТСЖ «Революции 8».
. Изменить тип регистрации на сайте ТСЖ на
закрытый. Алгоритм получения доступа к сайту нового пользователя:
· Лицо, желающее получить доступ к
информации на сайте ТСЖ, отправляет запрос через специальную форму на сайте.
· Админстратор сайта проверяет
достоверность предоставленных сведений через базу 1С:Предприятие 8.2.
· При подтверждении всей информации,
поступившей в запросе, администратор сайта создает учетную запись для нового
пользователя сайта.
· Данные для входа на сайт высылаются
ответным письмом.
. В подсобном помещении 3 подъезда расположить
железный (стальной) сейф, в котором будет храниться архив бумажных документов.
Сейф и помещение запираются на ключ, который будет храниться у председателя
ТСЖ, что обеспечит достаточный уровень ограничения доступа к информации.
. Приобрести переносной жесткий диск объемом не
менее 250 Гбайт для еженедельного копирования важных данных с компьютеров
бухгалтера и председателя на случай полной утраты или частичного повреждения
оных.
. Ограничить доступ к ключам Электронной
Цифровой Подписи, необходимым для авторизации в системах Электронного Банкинга,
для всех лиц, кроме председателя и бухгалтера.
. Установить блоков бесперебойного питания в
квартирах бухгалтера и председателя.
Выполнение данных мероприятий повысит
эффективность информационной безопасности ТСЖ и работоспособность сотрудников,
а так же защиты их персональных компьютеров от угроз.
Модель информационной системы безопасности на
уровне программных средств
Модель информационной системы безопасности на
уровне программных средств представлена на рисунке 56.
Рисунок 56 - Модель информационной системы
безопасности на уровне программных средств
Декомпозиция модели информационной системы
безопасности на уровне программных средств представлена на рисунке 57.
Рисунок 57 - декомпозиция модели информационной
системы безопасности на уровне программных средств
Данная модель состоит из 6 блоков:
1. попытка проникновения в систему - на
данном этапе производится попытка проникновения в информационную систему
предприятия;
2. реагирование средств защиты -
антивирусные средства защиты реагируют на попытку проникновения, регистрируя
угрозу;
. предупреждение о попытке проникновения
- антивирусная программа извещает пользователей и системного администратора о
попытке взлома системы;
. устранение попытки проникновения -
предпринимаются меры по устранению попытки проникновения в систему;
. анализ последствий - анализ результатов
проникновения и оценка полученного ущерба;
Совершенствование средств защиты - ужесточение
политики безопасности, обновление антивирусных баз, обновление антивирусного
программного обеспечения.
В ходе анализа системы информационной
безопасности были рассмотрены следующие задачи:
·
Угрозы
информационной безопасности в ТСЖ «Революции 8»;
·
Выявлены
слабые места и систематизированы информационные риски;
·
предложены
меры по снижению рисков и улучшению системы информационной безопасности;
·
построена
модель информационной системы с позиции безопасности.
·
Предложены
мероприятия по усовершенствованию системы безопасности в ТСЖ «Революции 8».
Сведения о сертификации рабочего места
Под рабочим местом понимается зона трудовой
деятельности, оснащенная техническими средствами и вспомогательным
оборудованием, необходимым для решения конкретных производственных задач.
Работа человека за компьютером относится к
умственной деятельности, требующей внимания и нервного напряжения. Для
разработки мероприятий по рациональной организации труда оператора необходимо
выделить факторы, влияющие на его здоровье и утомлённость. Эти факторы можно
разделить на следующие группы: условия окружающей среды (температура,
влажность, скорость движения воздуха, освещение, световое решение интерьера,
шум, электромагнитные излучения); Условия трудового процесса на рабочем месте
(рабочая поза, ритм и темп работы, наличие перерывов в работе).
Важную роль играет планировка рабочего места,
которое удовлетворяет требованиям удобства выполнения работ и экономии энергии
и времени, рационального использования производственных площадей. Рабочее место
состоит из следующих компонентов: стола, стула или кресла, системного блока,
монитора, клавиатуры и манипулятора типа «мышь».
Монитор. Уровень глаз должен приходиться на
центр экрана или 2/3 высоты экрана. Линия взора должна быть перпендикулярна
центру экрана, и оптимальное ее отклонение в вертикальной плоскости должно
находиться в пределах 5 град., допустимое 10 град. Оптимальный обзор в
горизонтальной плоскости от центральной оси экрана должен быть в пределах 15
град., допустимый 30 град. При рассматривании информации, находящейся в крайних
положениях экрана, угол рассматривания, ограниченный линией взора и
поверхностью экрана, должен быть не менее 45 град. Чем больше угол
рассматривания, тем легче воспринимать информацию с экрана и меньше будут
уставать глаза.
Следует избегать того, чтобы монитор был обращен
экраном в сторону окна. Для исключения бликов на экране, расположенном рядом с
окном, рабочее место и экран должны быть расположены перпендикулярно оконному
стеклу. Солнечные лучи не должны попадать и непосредственно в поле зрения
пользователя ПК. Основной поток естественного света должен быть слева. Стена
позади компьютера должна быть освещена примерно также как и экран.
Экран дисплея размещен на оптимальном расстоянии
от пользователя (0,6 - 0,7 м.), верхняя часть находится на уровне глаз, что
соответствует с СанПиН 2.2.2.542-96 «Гигиенические требования к видеодисплейным
терминалам, персональным электронно-вычислительным машинам и организация
работы». Монитор имеет регулировку яркости и контраста.
Клавиатура. Руки должны располагаться так, чтобы
они находились на расстоянии нескольких десятков сантиметров от туловища.
Кресло и клавиатура устанавливаются так, чтобы не приходилось далеко тянуться.
При изменении положения тела обязательно следует переменить и положение
клавиатуры. При этом удобно воспользоваться регулируемой подставкой клавиатуры.
Кресло. Кресло должно иметь подлокотники и
подъемно-поворотное устройство для регуляции высоты сидения и спинки, а также
угла наклона спинки.
Высота поверхности сидения должна регулироваться
в пределах 40-50 см., угол наклона спинки - в пределах 90-110 град. Ширина
сидения должна быть 40 см, глубина - не менее 38 см. Высота опорной поверхности
спинки - не менее 30 см., ее ширина - не менее 38 см.
Кресло следует устанавливать на такой высоте,
чтобы не чувствовалось давления на копчик (это может быть при низком
расположении кресла) или на бедра (при слишком высоком). Хотя большинство
пользователей ПК предпочитает сидеть, несколько откинувшись назад, специалисты
по эргономике считают, что угол между бедрами и позвоночником должен составлять
90 град. Работающий за терминалом должен сидеть прямо, опираясь в области
нижних узлов лопаток на спинку кресла, не сутулясь, с небольшим наклоном головы
вперед (до 5-7 град.). Предплечья должны опираться на поверхность стола, снимая
тем самым статическое напряжение плечевого пояса и рук.
Рабочий стол. Длина стола (слева направо) должна
быть не менее 70 см., ширина должна обеспечивать место перед клавиатурой (не
менее 30 см.) для расположения записей, документов и др.
Поверхность стола, на которой располагаются
клавиатура, должна иметь наклон 12-15 град.; допускается и горизонтальная
поверхность стола.
Ширина пространства для ног под столом должна
быть не менее 50 см., глубина - не менее 45 см.
При выборе места для размещения ПК необходимо
учесть следующие условия:
1. Не размещать ПК вблизи нагревательных
приборов и под прямыми солнечными лучами
2. ПК должен быть размещён не ближе 1 метра
от источников сильных ЭМИ
. Не размещайте ПК там, где есть
возможность попадания влаги на компьютер
. При размещении ПК интерфейсные кабели и
кабели электропитания не должны быть под ногами и мешать передвижению людей
Системный блок и монитор должны иметь не менее
20 см свободного пространства с тех сторон, где находятся вентиляционные щели.
Системный блок должен стоять на твёрдой поверхности, чтобы дно блока было
приподнято над поверхностью. Не кладите на монитор бумагу, ткани и прочее, что
может нарушить вентиляцию.
На одного человека должен приходиться объём
помещения 35-45 м3 при площади 5-6 м2 (без учёта проходов). При этом для
обеспечения комфортной рабочей среды необходимо обеспечить вентиляцию помещения
с производительностью 20-40 м3/ч на каждого человека. В помещении ежедневно
проводится влажная уборка. Кроме естественной вентиляции в рабочем помещении
необходимо предусматривать и приточно-вытяжную вентиляцию, а также использовать
кондиционирование воздуха с учётом тепло избытка от машин, людей, солнечной
энергии и от источников искусственного освещения. Подача воздуха должна
осуществляться в верхнюю зону помещения с малыми скоростями с учётом поддержки
заданной скорости воздуха в рабочей зоне.
Важным условием повышения труда оператора
является звукоизоляция служебных помещений. Длительное воздействие на человека
шума, уровень которого превышает допустимые нормы, отрицательно влияет на его
психофизические функции, в результате чего снижается качество и
производительность труда, и возникает опасность серьёзных заболеваний.
Источниками шумов в помещении, оборудованном
средствами вычислительной техники, являются: персональные компьютеры;
вентиляторы в блоках ПК; устройства ввода- вывода (принтеры, дисководы и т.п.).
Уровни шума на рабочих местах соответствуют
требованиям: уровень шума не превышает 60 дБА.
Для обеспечения уровня шума в допустимых
пределах и в случаях, когда он не удовлетворяет техническим нормам, проводят
следующие мероприятия:
· ослабление шума в источниках его
возникновения;
· изоляция источников шума с помощью
звукопоглощающей обивки;
· экранирование рабочего места;
· строительные мероприятия.
Для снижения уровня шума потолок или стены, а
иногда и то и другое должны облицовываться звукопоглощающим материалом с
максимальным коэффициентом звукопоглощения в области частот 63-8000 Гц.
Электробезопасность.
Согласно ПУЭ («Правила устройства
электроустановок») помещение, оснащенное средствами вычислительной техники,
является помещением с повышенной опасностью поражением электрическим током, так
как существуют условия для одновременного прикосновения к металлическим
корпусам электрооборудования с заземленными частями или конструкциям здания и
оборудования.
Для обеспечения безопасной работы обслуживающего
персонала и нормальной работы вычислительных машин в электроустановках 220/380
В предусмотрено защитное заземление. Смысл защитного заземления заключается в
том, чтобы создать между корпусом защищаемого оборудования и землёй
электрические соединения достаточно малого сопротивления, чтобы в случае
замыкания на корпус, прикосновение к нему человека не могло вызвать прохождение
через его тело опасной силы тока (до 10 мА).
Из изоляционных средств должны быть:
· переносные заземляющие устройства;
· инструменты с изолированными
рукоятками;
· указатели напряжения для определения
наличия напряжения с дополнительным сопротивлением для фазировки;
· резиновые диэлектрические коврики.
Защита от статического электричества и
электромагнитных полей:
Регламентация приводится в ГОСТ 12.4.124.83
«ССБТ. Средства защиты от статического электричества. Общие технические
требования».
Физиологическое воздействие статического
электричества на организм человека может проявляться в форме малого тока
длительно протекающего через тело, кратковременных электрических разрядов, а
также электрического поля, действующего на организм человека. Действие
статического электричества смертельной опасности не представляет, но
неблаготворно отражается на состоянии здоровья человека. Вызываемые статическим
электричеством неприятные ощущения являются этиологическим фактором
неврастенического синдрома, головной боли, плохого сна, неприятных ощущений.
Всё это сказывается на работоспособности оператора ПК.
Причинами возникновения статического
электричества является электромагнитное поле, возникающее при работе электрических
устройств и способность ПК накапливать статическое электричество. Наличие
большого количества связанных устройств затрудняет удаление этого фактора.
С целью отвода статического электричества
применяют заземление, которое представляет собой единую неразрывную линию,
присоединённую в нескольких местах к заземляемому устройству.
Пожарная безопасность:
Требования пожарной безопасности
регламентируются ГОСТ 12.1.004-91 ССБТ «Пожарная безопасность. Общие
требования». В соответствии с требованиями НПБ 105-95 Определение категории
помещении и зданий по взрывопожарной и пожарной опасности», помещение с
вычислительной техникой относится к категории В (горючие и трудно горючие
жидкости, горючие и трудно горючие вещества и материалы, вещества и материалы,
способные при взаимодействии с водой, кислородом или друг с другом только
гореть, при условии, что помещения, в которых они имеются в наличии, не
относятся к категории А и В).
В связи с установкой дорогостоящего оборудования
в помещении с вычислительной техникой необходимо иметь пожарную сигнализацию,
срабатывающую автоматически и передающую сигнал о пожаре на приёмную станцию.
Для тушения пожара необходимо иметь углекислотные огнетушители типа ОУ - 2.
Нельзя использовать воду для тушения при
включённой общей системе электропитания помещения. В здании должна быть
предусмотрена внутренняя пожарная водопроводная сеть. Внутренняя сеть
подключается к внешней пожарной сети, оборудованной гидратами, расположенными
на расстоянии не более 5 метров от стен здания, 150 метров друг от друга и 2,5
метра от края проезжей части.
Организация безопасных условий на рабочем месте
Для организации безопасных условий на рабочем
месте необходимо разработать ряд мероприятий. Разработать схему и состав
рабочего места, составить содержание технологической последовательности
операций на рабочем месте, список опасных и вредных факторов, список норм
безопасности. Составить перечень комплектующих приборов, устройств,
инструмента. Разработать инструкцию по охране труда на рабочем месте, разработать
программу инструктажа по мерам и правилам безопасности на рабочем месте и, в
заключении разработать план- конспект проведения инструктажа по мерам и
правилам безопасности на рабочем месте.
Опасные вредные факторы:
. повышенное напряжение электрической
сети;
. повышенный уровень излучений;
. аномальная освещенность.
Нормы безопасности:
. допустимая величина напряжения в сети
-220В или 380 В;
. оптимальная температура -20%;
. освещенность 300 лк;
. влажность - 40-60%;
. скорость движения воздуха 0,2 м/с.
Инструкция по охране труда - нормативный акт,
устанавливающий требования по охране труда при выполнении работ в
производственных помещениях, на территории организации, на строительных
площадках и иных местах, где производятся эти работы и выполняются обязанности.
Разработка инструкции по охране труда для
работника (исходя из его профессии или вида выполняемой работы) осуществляется
на основании приказа (распоряжения) работодателя.
Инструкция по охране труда для работника
разрабатывается на основе межотраслевой или отраслевой типовой инструкции по
охране труда (а при ее отсутствии - межотраслевых или отраслевых правил по
охране труда), требований безопасности, изложенных в эксплуатационной и
ремонтной документации организаций-изготовителей оборудования, а также в
технологической документации организации с учетом конкретных условий
производства.
Инструкции по охране труда для работников
разрабатываются руководителями соответствующих структурных подразделений
организации и утверждаются приказом работодателя по согласованию с
соответствующим профсоюзным либо иным уполномоченным работниками
представительным органом.
Инструктаж проводится с вновь прибывшими
сотрудниками по план - конспекту, разработанному в соответствии с программой
первичного инструктажа. План конспект разрабатывается лицом ответственным за
проведение инструктажа в соответствии с программой первичного инструктажа.
При анализе было выявлено, что в целом созданы и
обеспечены безопасные условия для персонала. Однако имеют место отдельные
случаи производственного травматизма, нарушения требований безопасности и
трудовой дисциплины. Основными причинами этому были конструктивные недостатки
оборудования, нарушения трудовой дисциплины, отсутствие или недостаточно полный
инструктаж на рабочем месте, которое оцениваются как удовлетворительное.
Обоснование экономической эффективности проекта
В данном разделе осуществляется расчет
экономической эффективности проекта.
Эффективность - одно из наиболее общих
экономических понятий, не имеющих единого общепризнанного определения. Это одна
из возможных характеристик качества системы, а именно её характеристика с точки
зрения соотношения затрат и результатов функционирования системы.
Разработанное в дипломном проекте прикладное
решение для расчета квартплаты в 1С:Предприятие 8.2 решает задачи автоматизации
расчета и начисления квартплаты в ТСЖ «Революции 8», в частности задачи
хранения и обработки информации, автоматизированного расчета квартплаты и
формирования квитанций квартплаты, формирование отчета по должникам. Используемая
информационная система позволяет снизить время, затрачиваемое бухгалтером на
работу с поступающими данными о потреблении коммунальных услуг от жильцов ТСЖ
«Революции 8», формирование квитанций квартплыт, отчетов, а также на поиск
необходимой информации.
Разработанное программное решение
«Информационный портал ТСЖ «Революции 8» решает задачи автоматизации
информационного обеспечения в ТСЖ «Революции 8» такие как: предоставление
информации(данные отчетов, общих собраний собственников, иных форм отчетности
перед собственниками) в общий доступ, создание обсуждений важных вопросов,
связанных с деятельностью ТСЖ, заявки на вызов обслуживающего персонала.
Использование данного программного решения позволит существенно сократить время
на предоставление интересующей информации пользователям сайта - жильцам ТСЖ,
решать важные вопросы не только на общих собраниях собственников, но и в режиме
on-line.
В основе расчёта экономической эффективности от
реализации бизнес - процесса «Организовать информационное обеспечение в ТСЖ
«Революции 8» с использованием 1С:Предприятие 8.2 и информационного портала ТСЖ
лежат затраты рабочего времени бухгалтера и администратора сайта на выполнение
работ.
При расчете экономического эффекта в качестве
базового варианта приняты методы:
. Бухгалтер заносит данные в рабочую
тетрадь, дублирует данные потребления в файлы MS
Excel 2007, проверяет
правильность внесенных данных, формирует квитанции квартплаты, заносит данные в
новые файлы MS
Excel 2007, печатает и
передает квитанции жильцам.
. Бухгалтер организует информационное
обеспечение - формирует необходимые отчетные документы и представляет их на
общем собрании собственников, вывешивает их в подъездах.
В проектном варианте занесение данных
потребления, расчет квартплыт, формирование квитанций квартплаты выполняет
модуль 1С:Предприятие 8.2, информационное обеспечение организуется средствами
информационного портала ТСЖ «Революции 8» в сети Интернет. При использовании
модуля 1С:Предприятие 8.2 отпадает необходимость дублирования данных, проверок
расчетных данных и формирование квитаний квартплаты. При использовании средств
информационного портала ТСЖ «Революции 8» появляется возможность публиковать
необходимую информацию без затрат на канцелярские товары и выделение времени
общих и иных собраний собственников.
Временные затраты по базовому и проектному
варианту формирования квитанций квартплаты представлены в таблице.
|
№
п/п
|
Наименование
работы
|
Время
AS-IS,
мин
|
Время
TO-BE,
мин
|
Абсолютное
отклонение (+; -), мин
|
|
1
|
Занесение
данных по потреблению в рабочую тетрадь бухгалтера
|
180
|
-
|
-180
|
|
2
|
Занесение
данных по потреблению из рабочей тетради в файлы MS
Excel 2007
|
120
|
43
|
-77
|
|
3
|
Проверка
правильности внесенных данных
|
15
|
0
|
-15
|
|
4
|
Формирование
квитанций квартплаты
|
240
|
2
|
-238
|
|
5
|
Печать
квитанций
|
10
|
5
|
-5
|
|
ИТОГО
|
565
|
50
|
-515
|
Временные затраты на информационное обеспечение
жильцов ТСЖ «Революции 8» представлены в таблице:
|
№
п/пНаименование работыВремя AS-IS, минВремя TO-BE,
минАбсолютное
отклонение (+; -), мин
|
|
|
|
|
|
1
|
Формирование
отчета по должникам
|
60
|
2
|
-58
|
|
2
|
Занесение
данных в файлы MS Word 2007,
печать
|
15
|
-
|
-15
|
|
3
|
Предоставление
данных жильцам ТСЖ «Революции 8»
|
20
|
5
|
-15
|
|
4
|
Поднятие
на обсуждение важных вопросов
|
460
|
3
|
-457
|
|
ИТОГО
|
555
|
10
|
-545
|
Анализ таблиц показал, что затраты времени на
формирование квитанций квартплаты в базовом варианте составляет 565 минут, а в
проектном - 50 минуты, организация информационного обеспечения в базовом
варианте - 555 минут, в проектном - 10. Таким образом, выполнение операции по
модели TO-BE
приведёт к экономии рабочего времени бухгалтера на 1060 минуты. Это позволит
повысить производительность труда за счёт увеличения произведенных операций в
единицу времени и тем самым снизить трудовые затраты.
На основе полученных данных можно сделать вывод,
что сокращение рабочего времени бухгалтера явилось следствием автоматизации
данного участка работы с помощью 1С:Предприятие 8.2 и инструментария сайта ТСЖ
«Революции 8».
Таким образом, исходя из всего вышесказанного,
можно сделать вывод, что рабочее время бухгалтера на выполнение операций по
организации информационного обеспечения сократится почти в 19 раза. То есть с
использованием модуля 1С:Предприятие 8.2 и инструментария информационного
портала ТСЖ у бухгалтера будет оставаться больше времени для выполнения других
своих должностных обязанностей, которые сейчас он не всегда успевает выполнить
за рабочую. За работу во внеурочное время ему каждый месяц выплачивается премия
в размере от 500 рублей до 1000 рублей. Следовательно, если внедрить систему
этих затрат можно избежать и за год сэкономить от 6000 рублей до 12000 рублей.
Экономические затраты на внедрение
информационной системы представлены в таблице:
|
№
п/п
|
Наименование
|
Цена,
руб
|
|
1
|
Приобретение
1С:Предприятие 8.2
|
10800
|
|
2
|
Разработка
модуля для 1С
|
3000
|
|
3
|
Оплата
хостинга для сайта ТСЖ (1 раз в год)
|
0
|
|
4
|
Разработка
сайта ТСЖ «Революции 8»
|
4000
|
|
5
|
Тестирование
конфигурации, SEO
|
1500
|
|
|
Итого
|
19300
|
Анализируя таблицу можно сделать вывод, что
экономический результат разработки, внедрения и сопровождения созданной системы
- убыток в размере 19300 рублей. Однако этот убыток может быть покрыт за счет
размещения рекламы на сайте ТСЖ «Революции 8». Средняя выручка от рекламы - 100
рублей при 100 посещениях в месяц. Продажа рекламных мест повышается с инлексом
доверия в поисковых системах Яндекс и Google.
Простейшие SEO мероприятия
могут увеличить индекс доверия сайта до уровня дохода с продажи рекламных мест
до 3000-6000 рублей в месяц. Кроме того экономия на премиях для бухгалтера
(6000-12000 в год) при самом писсимистичном варианте развития событий позволит
окупить внедрение за 6 месяцев. Далее информационная система начнет приносить
прибыль.
Вывод. Внедрение новой системы информационного
обеспечения в ТСЖ «Революции 8» существенно сократит временные затраты
бухгалтера по начислению квартплаты и информированию жильцов ТСЖ. По истечение
полугода внедренная систем может приносить экономическую выгоду до
рублей в год (12000 в год за счет сокращения
премий бухгалтера, 72000 за счет продажи рекламных мест на сайте ТСЖ).
Заключение
В данном дипломном проекте рассмотрен процесс
информационного обеспечения ТСЖ «Революции 8» г. Перми.
В ходе выполнения проекта были собраны сведения
о деятельности учреждения, изучены действующие в ТСЖ информационные системы,
произведен анализ информационной безопасности учреждения.
В процессе создания дипломного проекта решены
поставленные задачи:
1) проанализирован действующий в
учреждении порядок информационного обеспечения и разработана
функционально-структурная модель AS-IS - «Как есть» для данного процесса;
2) в результате анализа построенной модели
выявлены недостатки в существующем процессе информационного обеспечения и
предложены рекомендации по их устранению;
) с учетом рекомендаций разработан проект
системы информационного обеспечения в ТСЖ «Революции 8», т.е.
функционально-структурная модель TO-BE - «Как будет».
) проект реализован в системе
1С:Предприятие 8.2 и CMS
Wordpress, т.е.
автоматизированы те функции бухгалтера, которые выполнялись вручную, расчет
квартплаты, формирование квитанций квартплаты, формирование отчетов по
должникам и финансовом состоянии ТСЖ на определенный период, информационное
обеспечение жильцов ТСЖ «Революции 8».
После разработки прикладного решения был
проведен сравнительный анализ моделей AS-IS
и TO-BE,
который показал, что при расчете квартплаты и формировании отчетов и квитанций
квартплыт в автоматизированной системе временные затраты секретаря на создание
документов сократятся на 1060 минут, т.е. почти в 18 раза, что в свою очередь
приведет к росту производительности труда за счет увеличения произведенных
операций в единицу времени и соответственно к снижению трудовых затрат
секретаря. Кроме того, это позволит сэкономить от 6000 рублей до 12000 рублей в
год, которые выплачиваются бухгалтеру за работу во внеурочное время.
Использование информационного портала ТСЖ как дополнительного источника дохода
- продажа рекламных мест - даст прибыль в размере 3000-6000 в месяц.
Таким образом, внедрение системы позволяет:
· сократить временные и трудовые затраты
бухгалтера;
· осуществлять оперативный доступ к
достоверной и представленной в удобном виде информации;
· упростить обработку данных;
· избавиться от двойной регистрации
одних и тех же данных;
· повысить качество выполнения
документов.
Из всего вышесказанного следует, что поставленная
цель достигнута