Проект учебного стенда. Конструкция блока питания ATX

  • Вид работы:
    Дипломная (ВКР)
  • Предмет:
    Информационное обеспечение, программирование
  • Язык:
    Русский
    ,
    Формат файла:
    MS Word
    1,56 Мб
  • Опубликовано:
    2012-07-06
Вы можете узнать стоимость помощи в написании студенческой работы.
Помощь в написании работы, которую точно примут!

Проект учебного стенда. Конструкция блока питания ATX












ДИПЛОМНЫЙ ПРОЕКТ

«Проект учебного стенда. Конструкция блока питания ATX»

Введение

Блок питания - это не только один из самых важных компонентов ПК, но, к сожалению, наименее всего замечаемый. Покупатели компьютеров по многу часов обсуждают частоту процессоров, ёмкость модулей памяти, объём и скорость жёстких дисков, производительность видеоадаптеров, размер экрана монитора и т.д., однако крайне редко (или вообще никогда) упоминают о блоках питания. Когда система собирается из самых дешёвых компонентов, на какой элемент производитель обращает меньше всего внимания? Правильно, на блок питания. Для многих это просто невзрачная серая металлическая коробка, расположенная внутри компьютера и покрытая слоем пыли. Иногда пользователи всё же задумываются о блоке питания, интересуясь исключительно мощностью в ваттах (несмотря на то, что не существует практических методов проверки этой мощности) и, упуская из виду важнейшие моменты, а именно: стабильна ли подача энергии либо напряжение отличается, шумом, скачкообразным выбросом и перебоями.

Блок питания крайне важен, так как подаёт электроэнергию каждому компоненту системы. Кроме того, он же является из самых ненадёжных компьютерных устройств, так как по статистике именно блоки питания чаще всего выходят из строя. Не в последнюю очередь это связано с тем, что многие производители устанавливают самые дешёвые блоки питания, которые только можно найти. Неисправный блок питания может не только помешать стабильной работе системы, но и физически повредить её компоненты неустойчивым электрическим напряжением.

1. Теоретическая часть

.1 Эквивалент (от позднелатинского aequivalens - равнозначный, равноценный), предмет или определенная мера чего-либо, равноценные, равнозначные или соответствующие в каком-либо отношении другим и могущие служить им выражением или заменой. Эквивалент нагрузки - техническое устройство заменяющее реальную нагрузку при испытаниях и настройке устройств.

импульсный стенд схема питание

1.2 Примеры эквивалентов нагрузки

Эквивалент антенны - радиотехническое устройство заменяющее реальную антенну при испытаниях и настройке приёмопередающих устройств. В общем случае эквивалент представляет собой цепь активных и реактивных компонентов, заключённую в экранированный корпус с разъёмами для внешних подключений. Существуют эквиваленты имитирующие приёмную антенну, передающую антенну, а также сочетающие в себе обе функции. По специфике требований, предъявляемых эквивалентам, они не могут являться универсальными приборами и предназначены обычно либо для небольших видовых групп приёмопередающих устройств, либо для конкретных типов радиостанций.

Эквивалент сети это электротехническое приспособление, которое используется как эквивалент сети низкого напряжения при измерениях и тестах на электромагнитную совместимость.

Эквивалент сети решает следующие задачи:

Снабжение проверяемого устройства сетевым напряжением.

Отфильтровывание высокочастотных составляющих сетевого напряжения.

Предоставление проверяемому устройству стандартного импеданса со стороны сети.

Эквивалент нагрузки предназначен для периодической проверки резервных генераторных установок мощностью от 25 до 1000 кВт, с кратностью в 25 кВт. Мощность эквивалента нагрузки зависит от сочетания включаемых ступеней нагрузки. Мощность каждой ступени и их количество приведено в технической характеристике. Генерируемая электрическая мощность потребляется группой нагревателей сопротивления, тепло с которых рассеивается в окружающее пространство

Универсальный эквивалент нагрузки. При испытании источников питания необходим эквивалент нагрузки, допускающий плавную регулировку потребляемого тока. Вместо традиционно используемых для этой цели реостатов в качестве нагрузочных элементов успешно применяют мощные транзисторы, обеспечивающие значительные преимущества по массе и габаритам. Однако в процессе испытаний нагрузочные элементы нагреваются. Температурный дрейф их параметров затрудняет проведение испытаний. В предлагаемом устройстве ток через нагрузочный элемент стабилизирован, поэтому он практически не подвержен температурному дрейфу и не зависит от напряжения проверяемого источника, что очень удобно при снятии нагрузочных характеристик и проведении других испытаний, особенно длительных. С помощью эквивалента нагрузки можно проверять не только стабилизированные и нестабилизированные блоки питания, но и батареи (гальванические, аккумуляторные, солнечные и т.д.). Устройство необходимо при испытании и налаживании блоков питания. Оно заменяет нагрузку в виде набора постоянных или переменных резисторов

Портативный эквивалент нагрузки для частот 0 - 500 МГц. Подключается непосредственно к передатчику или испытательному оборудованию с помощью разъема PL-259. Оптимально подходит для совместной работы с антенными анализаторами MFJ-259B или MFJ-269. В данном приборе не используются соединительные кабели, что значительно снижает КСВ. Корпус прибора выполнен из ребристого алюминия и представляет собой радиатор с воздушным охлаждением (рисунок 1).

Таблица 1 - Общие характеристики портативного эквивалента нагрузки

Общие характеристики

Мощность

100 Вт

Средняя мощность

15 Вт

Сопротивление

50 Ом

Частотный диапазон

от 0 до 500 МГц

КСВ

менее чем 1,15:1

Размеры

41 (диаметр)*75 (длина) мм



Рисунок 1 - Портативный эквивалент нагрузки для частот 0 - 500 МГц

M - это эквивалент нагрузки моделирует антенну 50 Ом до 150 МГц, позволяя, вам проверять ваш передатчик без излучения сигнала в эфире.


Таблица 2 - Общие характеристики DL-300M

Общие характеристики

Частотный диапазон

0-60 МГц

Затухание на частоте 150 МГц

Менее 1 дБ

КСВ

не более 1.3:1 на 30 МГц

Размеры

215x102x242 мм

Мощность

2500 ватт (60 секунд, вентилятор включен)

Вес

2,3


Рисунок 2 - Эквивалент нагрузки DL-300M

- это эквивалент нагрузки моделирует антенну в 50 Ом до 650 МГц, позволяя, вам проверять ваш передатчик без излучения сигнала в эфире.

Таблица 3 - Общие характеристики эквивалента нагрузки MFJ-264

Общие характеристики

Частотный диапазон

до 650 Мгц

КСВ

не более 1.3:1 до 500 МГЦ

Мощность

1500 ватт

Вес

2,3 кг


Рисунок 3 - MFJ-264 эквивалент нагрузки моделирующий антенну в 50 Ом до 650 МГц

Эквивалент нагрузки в масле. Иногда в практике радиолюбителя возникает необходимость настройки передатчика, усилителя мощности. Для этого применяют эквиваленты нагрузки (далее - эквивалент). Если радиолюбитель не имеет возможности приобрести промышленный эквивалент, то его можно собрать из безындукционных резисторов МЛТ-2 сопротивлением до 430 Ом (так как у резисторов МЛТ-2 на 470 и больше Ом слой напыления в виде витков, и они обладают большей индуктивностью). Идею изготовления эквивалента на низкоомных резисторах предложил С. Румянцев (RA3DQA) (см. журнал Радио №3, 1983, ст. 17), но максимальная рассеиваемая мощность составляет 15Вт. Для увеличения последний изготовленный эквивалент помещен в теплопроводную жидкость.

Рисунок 4 - Эквивалент нагрузки в масле

И так схема (Рисунок 4): поглотитель энергии состоит из 18-ти (3 секции по 6 шт.) резисторов МЛТ-2 100 Ом, к правой по схеме секции подключен детекторный блок. Основой конструкции (она же крышка) служит двухсторонняя фольгированная плата (Рис. 2), размерами несколько большими чем резервуар для охлаждающей жидкости (она же служит нам крышкой). В центре платы делаем отверстие для ВЧ разъема, также не забываем про заливочное отверстие, которое у нас закрывается болтом М4. Все щели крышки тщательно заливаются припоем. Резисторы между собой припаиваются с помощью кольца диаметром 15 мм из медного провода диаметром 1 - 1,5 мм. Детали детекторного блока собраны на крышке. Резервуаром для охлаждающей жидкости и корпусом для эквивалента служит обычная консервная банка. Для того чтобы залудить край жестяной банки его предварительно необходимо тщательно зачистить, вместо канифоли использована таблетка ацетилсалициловой кислоты (он же аспирин). После сборки эквивалента крышку припаиваем к банке, заливаем трансформаторным маслом или другим теплопроводным диэлектриком.

Рисунок 5 - Резервуар для охлаждающей жидкости

1.3 Общие сведения о блоках питания ATX

Источник питания АТХ состоит из следующих элементов: Выпрямителя напряжения сети; Элементов цепи запуска преобразователя, стабилизации и защиты; Формирователя сигнала Р.G.; Выпрямителей импульсного напряжения. Источник питания функционально содержит элементы цепей формирования вспомогательного сигнала Р.G., цепь управления дистанционным включением РS ON, в составе имеются вспомогательный автогенератор с выходным выпрямителем +5В SB, дополнительный выпрямитель +3,3 В, а также другие элементы присущие источнику питания АТХ.(от англ. Advanced Technology Extended) - форм фактор персональных настольных компьютеров. Является доминирующим форматом для массово выпускаемых начиная с 2001 года компьютерных систем.

Разработан и предложен производителям компьютерных систем в 1995 году компанией Intel для замены, использовавшемуся долгое время, AT. Кроме самой Intel, замена начала производиться поставщиками OEM-техники (HP и т.д.), затем была подхвачена поставщиками компонентов - материнских плат и блоков питания к ним. Массовое вытеснение прежнего стандарта произошло в конце 1999 - начале 2001 года. Другие современные стандарты (microATX, flexATX, mini-ITX) обычно сохраняют основные черты ATX, изменяя лишь размеры платы и количество слотов расширения.

В 2003 году Intel анонсировала новый стандарт - BTX, в частности направленный на повышение эффективности охлаждения системного блока компьютера. Основной расчёт компании на замену ATX был связан со всё увеличивавшейся рассеиваемой тепловой мощностью компонентами компьютера, в первую очередь процессорами. Начавшаяся смена формата вскоре прекратилась - большая часть компьютерной индустрии отказалась от массового распространения нового формата из-за устойчивой тенденции снижения рассеиваемой компонентами компьютера мощности.

По состоянию на 2011 год, форм-фактор ATX и его производные остаются наиболее массовым и в ближайшее время его замена не планируется.определяет следующие характеристики: геометрические размеры материнских плат, общие требования по положению разъёмов и отверстий на корпусе, положение блока питания в корпусе, геометрические размеры блока питания, электрические характеристики блока питания, форму и положение ряда разъёмов (преимущественно питания).

Размеры плат форм-фактора АТХ -30,5×24,4 см.

Размеры уменьшенных версий материнских плат АТХ:

Mini-ATX - 28,4 × 20,8 смATX - 24,4 × 24,4 см

Flex-ATX - 22,9 × 20,3 см

1.4 Основные отличия форм-фактора ATX от AT

Блок питания формата - ATX. Питанием процессора управляет материнская плата. Для обеспечения работы управляющего блока и некоторых периферийных устройств даже в выключенном состоянии на плату подаётся дежурное напряжение 5 и 3,3 вольт. Хотя многие инструкции для безопасной замены компонентов настоятельно предлагают отключать шнур питания из розетки, многие блоки питания ATX имеют разрывающий выключатель на корпусе. Вентилятор на задней стенке блока питания может быть дополнен (или заменен) вентилятором размером 12…14 см установленным на дно БП, что позволяет создать больший воздушный поток при меньших оборотах и, соответственно, меньшем уровне шума. Расположение элементов на материнской плате ориентировано таким образом, что радиатор процессора находится на пути воздушного потока от вентилятора блока питания.

Изменился разъём питания: во избежание ошибочного подключения двух похожих друг на друга разъёмов питания в предыдущем стандарте, в стандарте ATX разъём с ключом имеет однозначное включение. В виду увеличения потребляемой компьютером мощности, количество контактов в ATX разъёме питания возросло сперва до 20, затем до 24; при этом появились дополнительные разъёмы: сперва 4-х, а затем 8-и контактные, подключающие 12 вольт по отдельной линии питания.

Изменилась задняя панель: в стандарте AT на задней панели было только отверстие для разъёма клавиатуры, платы установленные в слоты расширения и «брэкеты» с разъёмами, подключающимися к материнской плате посредством гибких шлейфов), устанавливались в щелевых прорезях; в стандарте ATX разъёмы для клавиатуры (и мыши) традиционно находятся сверху, остальное место на задней панели занято прямоугольным отверстием фиксированного размера, которое производитель материнской платы может наполнять разъёмами в любом порядке. В комплекте с материнской платой идёт «заглушка» (англ. IO plate) с прорезями под разъёмы конкретной материнской платы (это позволяет использовать один и тот же корпус для материнских плат с совершенно разными наборами разъёмов). Дополнительные функции «заглушки» - уменьшение излучаемого ЭМИ и образование единого контура заземления шасси.

Наличие встроенной двойной панели разъемов ввода-вывода. На тыльной стороне платы есть область с разъемами ввода-вывода. Это позволяет расположить внешние разъемы непосредственно на плате и исключает необходимость использования кабелей, соединяющих внутренние разъемы и заднюю панель корпуса.

Наличие одноключевого внутреннего разъема источника питания. Это упрощает замену разъемов на источнике питания типа Baby - A Т. Спецификация АТХ содержит одноключевой разъем источника питания, который легко вставляется и который невозможно установить неправильно. Этот разъем имеет контакты для подвода к системной плате напряжения 3,3 В, а это означает, что для системной платы АТХ не нужны встроенные преобразователи напряжения, которые часто выходят из строя.

Перемещение процессора и модулей памяти. Изменены места расположения этих устройств: теперь они не мешают платам расширения, их легко заменить новыми, не вынимая при этом ни одного из установленных адаптеров. Процессор и модули памяти расположены рядом с источником питания и обдуваются одним вентилятором.

Более удачное расположение внутренних разъемов ввода-вывода. Эти разъемы для накопителей на гибких и жестких дисках смещены и находятся не под разъемами расширения или самими накопителями, а рядом с ними. Поэтому можно уменьшить длину внутренних кабелей к накопителям, а для доступа к разъемам не нужно убирать одну из плат или накопитель.

Улучшенное охлаждение. Процессор и модули памяти охлаждаются дополнительно тем же вентилятором, что и источник питания. Кроме того в конструкции АТХ вентилятор источника питания направляет поток воздуха внутрь корпуса, увеличивая в нем давление и препятствуя проникновению пыли и грязи.

Снижение стоимости. В основном за счет исключения кабелей гнезд ввода-вывода.

1.5 Принцип работы импульсного блока питания

При подаче напряжения на источник питания от сети, в нём происходит выпрямление переменного напряжения сети, затем преобразование постоянного напряжения в импульсное. Благодаря тому, что источник питания имеет импульсный трансформатор значительно стало легче контролировать выходные напряжения. После того как импульсное напряжение выпрямляется получается постоянное напряжение. Постоянное напряжение подаётся к потребителям т.е. к модулям памяти, материнскую плату, процессору, жёсткому диску, CD ROM, флопику и т.д.

Главное назначение блоков питания - преобразование электрической энергии, поступающей из электрической сети переменного тока, в энергию пригодную для питания узлов компьютера. Блок питания преобразует сетевое переменное напряжение 220 В., 50 Гц (120 В, 60 Гц) в постоянные напряжения +5 и 12 В. Как правило, для питания цифровых схем (системной платы, плат адаптеров и дисковых носителей) используется напряжение +3,3 или +5 В, а для двигателей (дисководов и различных вентиляторов) - +12 В. Компьютер работает надёжно в тех случае, если значения напряжения в этих цепях не выходят за установленные пределы.

Описание структурной схемы блока питания

Состав блока питания:

·        Сетевой фильтр.

·        Низкочастотный выпрямитель, сглаживающий фильтр.

·        Преобразователь.

·        Импульсный трансформатор.

·        Высокочастотный выпрямитель.

·        Схема управления.

·        ШИМ-контроллер.

·        Узел защиты и контроля.

·        Формирователь сигнала питание в норме (P.G.).

·        Вспомогательный преобразователь напряжения.

·        Выпрямитель +5В.

В источнике питания формата ATХ напряжение питания через внешний размыкатель сети, распложенный в корпусе системного блока, поступает сетевой фильтр и низкочастотный выпрямитель. Далее выпрямленное напряжение, величиной порядка 300 В., полумостовым преобразователем преобразуется в импульсное. Развязка между первичной сетью и потребителями осуществляется импульсным трансформатором. Вторичные обмотки импульсного трансформатора подключены к высокочастотным выпрямителям ±12 В. и ±5 В. и соответствующим сглаживающим фильтрам.

Сигнал Power Good (питание в норме), подаваемый на системную плату через 0,1…0,5 с после появления питающих напряжений +5 В., выполняет начальную установку процессора. Выход из строя силовой части источника питания предотвращается узлом защиты и блокировки. При отсутствии аварийных режимов работы эти цепи формируют сигналы, разрешающие функционирование ШИМ-контроллера, который управляет полумостовым преобразователем посредством согласующего каскада. В аварийных режимах работы осуществляется сброс сигнала Power Good.

Длительность открытого состояния ключей преобразователя определяет величину напряжения выходных источников. Поддержание выходных напряжений постоянному значению в контроллере обеспечивается системой управления с обратной связью, при этом в качестве ошибки используется отклонение выходного напряжения от источника +5 В.

Входной фильтр. Интенсивность помех существенно зависит от быстродействия транзисторов и диодов силовой части, а также длины выводов и элементов и ёмкости монтажа. Наличие помех оказывает неблагоприятное действие и на работу самого блока питания, проявляющееся в ухудшении характеристик стабилизации источника. При анализе схемотехнике импульсных источников питания принято различать синфазную и дифференциальную составляющие помехи. Синфазное напряжение измеряется относительно корпуса устройства с каждым из полюсов шин питания источника. Дифференциальная составляющая, измеряющая между полюсами шин питания (первичной, нагрузочной), ещё её определяют как разность синфазных составляющих помехи между шинами соответствующей цепи. Наилучшим средством снижения уровня помех считается устранение их в местах возникновения, следовательно, место включения фильтра строго определено - на входе источника питания. При разработки фильтра источников питания наибольшее внимание уделяют подавлению именно синфазной и дифференциальной составляющих помех в сети.

Низкочастотный выпрямитель, сглаживающий фильтр. Питание преобразователя блока питания осуществляется постоянным напряжением, которое вырабатывается низкочастотным выпрямителем. Схема низкочастотного выпрямителя собрана по мостовой схеме и обеспечивает необходимое качество выпрямленного напряжения. Последующее сглаживание пульсаций выпрямленного напряжения осуществляется фильтром. Возможность питания от сети с напряжением 115 В. реализуется введением схем выпрямителя переключателя питающего напряжения. Замкнутые состояния переключателя соответствует низкому напряжению питающей сети (~115 В.). В этом случае выпрямитель работает по схеме удвоения напряжения. Одной из функции выпрямителя является ограничение тока зарядки входного конденсатора низкочастотного фильтра, выполненного элементами, входящими в состав выпрямительного устройства блока питания. Необходимость их применения вызвана тем, что режим запуска преобразователя близок к режиму короткого замыкания. Зарядный ток конденсаторов при этом может достигать 10-100 ампер. Здесь существует две опасности, одна из которых - выход из строя диодов низкочастотного фильтра, а вторая износ электролитических конденсаторов, при прохождении через них больших зарядных токов.

Преобразователь напряжения. В источнике питания персонального компьютера высокочастотный преобразователь выполнен по схеме двухтактного преобразователя полумостового типа. Активными элементами схемы являются транзисторные ключи с включёнными в обратном направлении диодами. Цепи управления преобразователя базы транзисторов подключены к вторичной обмотке согласующего трансформатора, а выход преобразователя нагружен на первичную обмотку импульсного трансформатора. Для уменьшения времени переключателя ключевых транзисторов (силовых, в цепь базы включают форсирующую резисторно-конденсаторную цепь). Диоды, включённые параллельно переходу коллектор-эммитер, силовых транзисторов защищают, их от пробоя обратного напряжения. Транзисторы силовых ключей выбираются с малым временем рассасывания основных носителей перехода база-эммитер. Большим рабочим напряжением коллектор-эммитер, большим рабочим и импульсными токами.

Каскад управления. Управление транзисторами полумостового преобразователя осуществляется каскадом управления на транзисторах. Кроме этой функции схема управления осуществляет согласование и гальваническую развязку мощных силовых каскадов от маломощных цепей управления.

Формирователь сигнала (Напряжение питания в норме) Power Good. Блок питания не только вырабатывает необходимое для работы узлов компьютера напряжения, но и приостанавливает функционирование системы до тех пор, пока величина этого напряжения не достигнет значения, достаточного для нормальной работы. Иными словами, блок питания не позволит компьютеру работать при «нештатном» уровне напряжения питания. В каждом блоке питания перед получением разрешения на запуск системы выполняется внутренняя проверка и тестирование выходного напряжения. После этого на системную плату посылается специальный сигнал POWER_GOOD (питание в норме). Если такой сигнал не поступил, компьютер работать не будет. Уровень напряжения сигнала POWER_GOOD - около +5 В. (нормальной считается величина от +3 В. до +6 В.). Он вырабатывается блоком питания после выполнения внутренних проверок и выхода на номинальный режим и обычно появляется через 0,1 - 0,5 секунд после включения компьютера. Сигнал подаётся на системную плату, где микросхемой тактового генератора формируется сигнал начальной установки процессора. При отсутствии сигнала POWER_GOOD микросхема тактового генератора постоянно подаёт на процессор сигнал сброса, не позволяя компьютеру работать при «нештатном» не позволяя компьютеру работать при «нештатном» или нестабильном напряжении питания. Когда сигнал POWER_GOOD подаётся на генератор, сигнал сброса отключается и начинается выполнение программы, записанной по адресу: FFFF:0000 (обычно в ROM BIOS). Если выходные напряжения блока питания не соответствуют номинальным (например, при снижении напряжения сети), сигнал POWER_GOOD отключается и процессор автоматически перезапускается.

При восстановлении выходных напряжений снова формируется сигнал POWER_GOOD и компьютер начинает работать так, будто его только включили. Благодаря быстрому отключению сигнала POWER_GOOD компьютер «не замечает» неполадок в системе питания, поскольку останавливает работу раньше, чем могут появиться ошибки чётности и другие проблемы, связанные с неустойчивостью напряжений питания. Иногда сигнал POWER_GOOD используется для сброса в ручную. Он подаётся на микросхему тактового генератора. Эта микросхема управляет формированием тактовых импульсов и вырабатывает сигнал начальной перегрузки. Если сигнальную цепь POWER_GOOD заземлить каким-либо переключателем, то генерация тактовых сигналов прекращается и процессор останавливается.

В блоке питания формата АТ сигнал POWER_GOOD поступает через восьмой контакт 20-контактного разъёма блока питания. В правильно спроектированном блоке питания выдача сигнала POWER_GOOD задерживается до стабилизации напряжений во всех цепях после включения компьютера. В плохо спроектированных блоках питания (которые устанавливаются во многих дешёвых моделях) задержка сигнала POWER_GOOD составляет 0,1 - 0,5 секунд. В некоторых компьютерах ранняя подача сигнала POWER_GOOD приводит к искажению содержимого CMOS-памяти. В некоторых дешёвых блоках питания схемы формирования POWER_GOOD нет вообще и эта цепь просто подключена к источнику напряжения питания +5 В. Одни системные платы более чувствительны к неправильной подаче сигнала POWER_GOOD, чем другие. Проблемы, связанные с запуском, часто возникают именно из-за недостаточной задержки этого сигнала. Иногда бывает так, что после замены системной платы компьютер перестаёт нормально запускаться. В такой ситуации довольно трудно разобраться, особенно неопытному пользователю, которому кажется причина кроется в новой плате. Но не торопитесь списывать её в неисправные - часто оказывается, что виноват блок питания: либо он не обеспечивает достаточной мощности для питания новой системной платы, либо не подведён или неправильно вырабатывается сигнал POWER_GOOD. В такой ситуации лучше заменить блок питания.

Цепи защиты и контроля. Защита источников питания проявляется в критических режимах работы, а так же в тех случаях, когда действие обратной связи может привести к предельным режимам работам элементов схемы, предупреждая тем самым выход из строя силовых и дорогостоящих элементов схемы. К ним относятся транзисторы полумостового преобразователя и выходные выпрямители. В результате действия цепей защиты снимаются выходные управляющие сигналы с ШИМ-контроллера, транзисторы преобразователя находятся в выключенном состоянии, выходное вторичное напряжение отсутствует. Исключая внутренние цепи защиты ШИМ-контроллера рассмотрим действия внешних элементов схем защиты, встречающихся в типовых схемах преобразователей.

.5.14.1 Следует различать такие цепи:

·   от короткого замыкания в нагрузке;

·   от чрезмерного тока в транзисторах полумостового преобразователя;

·   защиту от превышения напряжения.

ШИМ-контроллер. Выполняет следующие функции: исключение «сквозного» тока. Дополнительной мерой исключения явления «сквозного» тока в полумостовом преобразователе является фиксированное смещение компаратора «паузы» 0,12 В. При напряжении пилообразного напряжения меньшем 0,12 В. и пулевом потенциале на выводе 4 на выходе компаратора будет сохраняться нулевой уровень, этот интервал соответствует максимальной длительности интервала «пауза», величена которой этом случае не будет превосходить 4% от периода пилообразного напряжения. Максимальная длительность паузы соответствует напряжению на выводе 4 микросхемы.

Режим «медленного пуска». Кроме того, с помощью входа управления «паузой» довольно просто организуется режим «медленного пуска» преобразователя. Наличие этого режима позволяет плавно запустить преобразователь в первый момент включения в электрическую сеть. Следует помнить, что режим запуска является очень тяжёлым режимом работы преобразователя, все фильтровые конденсаторы разряжены, в связи с этим режим пуска близок к режиму короткого замыкания. Транзисторы преобразователя до момента окончательного заряда конденсаторов фильтров выпрямителей должны работать в критическом режиме максимальных токов. Обеспечить комфортную работу транзисторов во время запуска преобразователя до окончания заряда конденсаторов фильтров позволяет использование режима «медленного запуска». При этом длительность выходных каскадов плавно увеличивается до номинального режима работы выходных транзисторов преобразователя.

Усилители ошибки. Главное назначение усилителей ошибки - измерение отклонение выходного напряжения и тока нагрузки с целью поддержания напряжения на выходе источника питания на постоянном уровне. В режиме стабилизации модуляция длительности величины выходных управляющих импульсов осуществляется сигналами усилителей ошибок, входное напряжение которых может изменяться в пределах от 0,5 до 3,5 В. Оба усилителя могут работать в одинаковых режимах. Входы усилителя соединены с не инвертирующим входом ШИМ-компаратора. Такая архитектура микросхемы (с управлением по цепи обратной связи) позволяет поддерживать напряжение на выходе источника питания с минимальным отклонением. В двухтактном режиме вход управления выходными каскадами (вывод 13) подключается к источнику опорного напряжения (вывод 14), который в рабочем режиме формирует напряжение +5 В. с максимальным током нагрузки 10 мА. Назначение этого источника - питание внешних по отношению к микросхеме цепей.

Выходной каскад. На выходе компаратора «паузы» формируется импульс расположенной полярности, если времязадающий конденсатор Ст разряжен. Импульс поступает на синхронизирующий вход D-триггера и на выходы элементов ИЛИ-НЕ выходного драйвера, закрывая выходные транзисторы. В двухтактной режиме, когда вход управления выходными каскадами (вывод 14), транзисторы выходного каскада управляются противофазно. В этом случае частота переключения каждого транзистора равна половине частоты генератора, а ток, протекающий через каждый выходной транзистор, не превышает величины 200 мА.

Импульсный трансформатор. На импульсный трансформатор поступают высокочастотные импульсы. Когда на обмотку трансформатора поступают импульсы, трансформатор накапливает энергию и когда на первичной обмотке импульсы доходят нулевого потенциала, тогда происходит перекачка энергии во вторичные цепи.

Выпрямители импульсного напряжения. Выпрямители импульсного напряжения вторичных источников питания используют типовую двухполупериудную схему выпрямления со средней точкой, обеспечивающую необходимый коэффициент пульсаций.

Стабилизатор напряжения 3,3В выполнен на регулирующем транзисторе и шунтовом стабилизаторе параллельного типа. Выходное напряжение в небольших пределах устанавливается потенциометром.

Для снижения уровня помех, излучаемых импульсными выпрямителями в электрическую сеть, параллельно вторичным обмоткам трансформатора включён резестивно-емкостной фильтр.

Схема терморегулирования. Схема терморегулирования предназначена для поддержания температурного режима в нутри корпуса ПК. Температура внутри корпуса поддерживается постоянным регулированинем скорости вращения вентилятора, максимальная скорость вращения которого составляет при температуре +40С.

Расчет потребляемой мощности. Чтобы выяснить, можно ли модернизировать компьютер, сначала вычислите мощность, потребляемую его отдельными узлами, а затем определите мощность блока питания. После этого станет ясно, нужно ли заменять блок питания более мощным. К сожалению, эти расчеты не всегда удается выполнить, потому что многие фирмы-производители не сообщают, какую мощность потребляют их изделия.

Довольно сложно определить этот параметр для устройств с напряжением питания +5 В, включая системную плату и платы адаптеров.

Мощность, потребляемая системной платой, зависит от нескольких факторов. Большинство системных плат потребляют ток около 5 А, но будет лучше, если вы как можно точнее вычислите значение тока для вашей конкретной платы. Хорошо, если вам удастся найти точные данные для плат расширения; если их нет, то проявите разумный консерватизм и исходите из максимальной мощности потребления для плат адаптеров, допускаемой стандартом используемой шины. Обычно превышение допустимой мощности происходит при заполнении разъемов и установке дополнительных дисководов. Некоторые жесткие диски, CD-ROM, накопители на гибких дисках и другие устройства могут перегрузить блок питания компьютера. Обязательно проверьте, достаточно ли мощности источника +12 В для питания всех дисководов. Особенно это относится к компьютерам с корпусом Tower, в котором предусмотрено много отсеков для накопителей. Проверьте также, не окажется ли перегруженным источник +5 В при установке всех адаптеров, особенно при использовании плат для шин PCI. С одной стороны, лучше перестраховаться, а с другой иметь в виду, что большинство плат потребляет меньшую мощность, чем максимально допустимая стандартом шины. Многие пользователи компьютеров заменяют блок питания только после того, как он сгорит. Конечно, при ограниченном бюджете принцип «не сломался - не трогай» в какой-то мере оправдан. Однако часто блоки ломаются не совсем: они продолжают работать, периодически отключаясь или подавая на свои разъемы нештатные значения напряжений. Компьютер при этом работает, но его поведение абсолютно непредсказуемо. Вы будете искать причину в программе, хотя действительным виновником является перегруженный блок питания. Опытные пользователи персональных компьютеров предпочитают не применять метод расчета мощности. Они просто покупают компьютеры с высококачественным источником питания, рассчитанным на 300 или 350 Вт (или устанавливают такой источник самостоятельно) и затем при модернизации системы не задумываются о потребляемой мощности. Если вы не планируете собрать систему с шестью дисководами SCSI и дюжиной других внешних устройств, то, вероятно, не превысите возможности такого блока питания.

1.6 Неисправности блока питания

Чтобы найти неисправности в блоке питания, не стоит его вскрывать и пытаться ремонтировать, поскольку через него проходят высокие напряжения. Подобные работы должны выполнять только специалисты, знающие толк в этом деле.

О неисправности блока питания можно судить по многим признакам. Например, сообщения об ошибках четности часто свидетельствуют о неполадках в блоке питания. Это может показаться странным, поскольку подобные сообщения должны появляться при неисправностях ОЗУ. Однако связь в данном случае очевидна: микросхемы памяти получают напряжение от блока питания, и, если это напряжение не соответствует определенным требованиям, происходят сбои. Нужен некоторый опыт, чтобы достоверно определить, когда причина этих сбоев состоит в неправильном функционировании самих микросхем памяти, а когда скрыта в блоке питания.

Ниже перечислены проблемы, возникающие при неисправности блока питания.

·              Любые ошибки и зависания при включении компьютера.

·              Спонтанная перезагрузка или периодические зависания во время обычной работы.

·              Хаотичные ошибки четности или другие ошибки памяти.

·              Перегрев компьютера из-за выхода из строя вентилятора.

·              Перезапуск компьютера из-за малейшего снижения напряжения в сети.

·              Удары электрическим током во время прикосновения к корпусу компьютера или к разъемам.

·              Небольшие статические разряды, нарушающие работу системы.

Практически любые сбои в работе компьютера могут быть вызваны неисправностью блока питания. Есть, конечно, и более очевидные признаки, например:

·              компьютер вообще не работает (не работает вентилятор, на дисплее нет курсора);

·              появился дым;

·              на распределительном щитке сгорел сетевой предохранитель.

Перегрузка блока питания. Недостаточно мощный блок питания может ограничить возможности расширения компьютера. Многие компьютеры выпускаются с довольно мощными блоками питания, которые рассчитаны на то, что в будущем в систему будут установлены новые (дополнительные) узлы. Однако в некоторых компьютерах блоки питания имеют настолько низкую мощность, что попытки установить в них мало-мальски приемлемый набор дополнительных модулей заранее обречены на провал.

Паспортное значение мощности, указанное на блоке питания, не должно вводить вас в заблуждение. Не все блоки питания, например на 200 Вт, одинаковы. Дешевые блоки питания наверняка могут развивать мощность, указанную в паспорте, а как обстоят дела с помехами и качеством напряжений в цепях питания? Одни блоки питания с трудом «вытягивают» свои параметры, а другие работают с большим запасом. Многим дешевым блокам питания свойственны нестабильные выходные напряжения, в них также присутствуют шумы и помехи, что может привести к многочисленным проблемам. Кроме того, они обычно сильно нагреваются сами и нагревают все остальные узлы. Большинство специалистов рекомендуют заменять установленные в компьютерах блоки питания более мощными. Поскольку конструкции этих блоков стандартизованы, найти замену для большинства систем не составит особого труда.

1.7 Параметры выбора блока питания

При покупке или замене блока питания необходимо обратить внимание на ряд параметров источника питания.

Среднее время наработки на отказ (среднее время безотказной работы), или среднее время работы до первого отказа (параметр MTBF (Mean Time Between Failures) либо MTTF (Mean Time To Failure)). Это расчетный средний интервал времени в часах, в течение которого ожидается, что источник питания будет функционировать корректно. Среднее время безотказной работы источников питания (например, 100 тыс. часов или больше) как правило определяется не в результате эмпирического испытания, а иначе. Фактически изготовители применяют ранее разработанные стандарты, чтобы вычислить вероятность отказов отдельных компонентов источника питания. При вычислении среднего времени безотказной работы для источников питания часто используются данные о нагрузке блока питания и температуре среды, в которой выполнялись испытания.

Диапазон изменения входного напряжения (или рабочий диапазон), при котором может работать источник питания. Для напряжения 110 В диапазон изменения входного напряжения обычно составляют значения от 90 до 135 В; для входного напряжения 220 В-от 180 до 270 В.

Пиковый ток включения. Это самое большое значение тока, обеспечиваемое источником питания в момент его включения; выражается в амперах (А). Чем меньше ток, тем меньший тепловой удар испытывает система.

Время (в миллисекундах) удержания выходного напряжения в пределах точно установленных диапазонов напряжений после отключения входного напряжения. Обычно 15-25 мс для современных блоков питания.

Переходная характеристика. Количество времени (в микросекундах), которое требуется источнику питания, чтобы установить выходное напряжение в точно определенном диапазоне после резкого изменения тока на выходе. Другими словами, количество времени, требуемое для стабилизации уровней выходных напряжений после включения или выключения системы. Источники питания рассчитаны на равномерное (в определенной степени) потребление тока устройствами компьютера. Когда устройство прекращает потребление мощности (например, в дисководе останавливается вращение дискеты), блок питания может подать слишком высокое выходное напряжение в течение короткого времени. Это явление называется выбросом; переходная характеристика - это время, которое источник питания затрачивает на то, чтобы значение напряжения возвратилось к точно установленному уровню. За последние годы удалось достичь значительных успехов в решении проблем, связанных с явлениями выбросов в источниках питания.

Защита от перенапряжений. Это значения (для каждого вывода), при которых срабатывают схемы защиты и источник питания отключает подачу напряжения на конкретный вывод. Значения могут быть выражены в процентах (например, 120% для +3,3 и +5 В) или так же, как и напряжения (например, +4,6 В для вывода +3,3 В; 7,0 В для вывода +5 В).

Максимальный ток нагрузки. Это самое большое значение тока (в амперах), который может быть подан на конкретный вывод (без нанесения ущерба системе). Этот параметр указывает конкретное значение силы тока для каждого выходного напряжения. По этим данным вычисляется не только общая мощность, которую может выдать блок питания, но и количество устройств, которые можно подключить к нему.

Минимальный ток нагрузки. Самое меньшее значение тока (в амперах), который может быть подан на конкретный вывод (без нанесения ущерба системе). Если ток, потребляемый устройствами на конкретном выводе, меньше указанного значения, то источник питания может быть поврежден или может автоматически отключиться.

Стабилизация по нагрузке (или стабилизация напряжения по нагрузке). Когда ток на конкретном выводе увеличивается или уменьшается, слегка изменяется и напряжение. Стабилизация по нагрузке - изменение напряжения для конкретного вывода при перепадах от минимального до максимального тока нагрузки (и наоборот). Значения выражаются в процентах, причем обычно они находятся в пределах от ±1 до ±5% для выводов +3,3, +5 и +12 В.

Стабилизация линейного напряжения. Это характеристика, описывающая изменение выходного напряжения в зависимости от изменения входного напряжения (от самого низкого до самого высокого значения). Источник питания должен корректно работать при любом переменном напряжении в диапазоне изменения входного напряжения, причем на выходе оно может изменяться на 1% или меньше.

Эффективность (КПД). Отношение мощности, подводимой к блоку питания, к выходной мощности; выражается в процентах. Для современных источников питания значение эффективности обычно равно 65-85%. Оставшиеся 15-35% подводимой мощности преобразуются в тепло в процессе превращения переменного тока в постоянный. Хотя увеличение эффективности (КПД) означает уменьшение количества теплоты внутри компьютера (это всегда хорошо) и более низкие счета за электричество, оно не должно достигаться за счет точности стабилизации независимо от нагрузки на блок питания и других параметров.

Пульсация (Ripple) (или пульсация и шум (Ripple and Noise), или пульсация напряжения (AC Ripple), или PARD (Periodic and Random Deviation - периодическая и случайная девиация), или шум, уровень шума). Среднее значение пиковых (максимальных) отклонений напряжения на выводах источника питания; измеряется в милливольтах (среднеквадратичное значение). Эти колебания напряжения могут быть вызваны переходными процессами внутри источника питания, колебаниями частоты подводимого напряжения и другими случайными помехами.


2. Практическая часть

.1 Формирование требований к стенду

Стенд должен использоваться для процесса обучения студентов. Для таких предметов, как: техническое обслуживания средств вычислительной техники, электропитание средств вычислительной техники, а так же конструкция и компоновка средств вычислительной техники.

Он должен соответствовать ниже заявленнвм требованиям:

·        Малые масса-габаритные показатели (должен помещаться на обычное рабочее место студента)

·        Простота и надежность конструкции.

·        В основе конструкции должны применяться простейшие РЭК.

·        Должен демонстрировать основные параметры блока питания.

·        Обладать повышенным уровнем безопасности.

·        Ремонтопригодность.

·        Ииндикация 3х важных напряжений (12V, 5V, 3,3V)

Иногда требуется быстро отобрать резерв для рабочих станций из того что есть, проверить держит ли блок питания заявленные характеристики, здесь тоже поможет данное устройство.

2.2 Подбор схемы

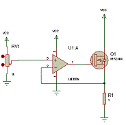
В данной схеме расположен один операционный усилитель, один полевой транзистор, один низкоомный резистор в качестве датчика тока. Собираем стабилизатор тока.

Дальше имеем два сигнала. Одним меняем ток, другим измеряем напряжение. Получаем сопротивление. Проще некуда. Минусом же является невозможность визуально видеть, какие напряжения присутствуют на блоке.

Рисунок 7 - Простейшая нагрузка блока питания

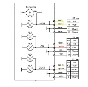
Конструкция собрана на ребристом дюралюминиевом радиаторе размерами 410х140х60 (мм). На передней стороне радиатора установлены пять силовых ключей (четыре транзистора FB180SA10 и один - IRFP064N), мощные резисторы (измерительные шунты) и на длинных болтах основная плата. Под каждым силовым транзистором FB180SA10 установлен термодатчик TCN75 от компании Microchip. С обратной стороны на радиаторе установлены 3 охлаждающих вентилятора размерами 120х120х25 (мм) для принудительного охлаждения всей системы. Сверху радиатора на шести латуниевых стойках длиной 15 мм установлена соединительная плата (для подключения БП). Всего стенд имеет 6 разъёмов: один 24-пиновый разъём, один 2х2-пиновый разъём (12V2) и четыре 4-пиновых разъёма 12V1+5V (HDD, DVD/CD-ROM).

Рисунок 8 - Нагрузка блока питания с 3 охлаждающими вентиляторами

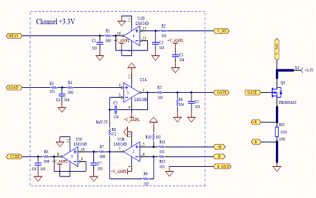
Рисунок 9 - Принципиальная схема нагрузки блока питания с 3 охлаждающими вентиляторами

По цепи +5В и +3,3В лампы создают нагрузку близкую к 40 Вт, по цепи +12В лампа создает нагрузку около 60Вт. При этом полная нагрузка по всем цепям получается близкой к 140Вт, что вполне достаточно для оценки работоспособности источника питания, но меньше максимально допустимой даже для блока питания.

Конечно, в холодном состоянии нити накала ламп имеют на порядок меньшее сопротивление, чем в горячем состоянии, но это обстоятельство нам на пользу, поскольку имитирует пуск БП при емкостной нагрузке. Как правило, источник такой пуск безболезненно выдерживает, а если ему такой пуск «не нравится», то его не стоит использовать в «боевом» применении.

Рисунок 10 - Схема стенда нагрузки блока питания

2.3 Выбор радио-электронных компонентов

Для нагрузок по цепи +3,3 выбраны две 12-вольтовые автомобильные лампы по 21 Вт, включенные параллельно, по цепи +5В так же, а по цепи +12В использовалась автомобильная лампа на 12В 60Вт. При этом полная нагрузка по всем цепям получается близкой к 140Вт, что вполне достаточно для оценки работоспособности источника питания. Лампы были выбраны по причине своей дешевизны и доступности, они установлены в автомобильные патроны, что дает возможность в любой момент их с легкостью заменить. Для того чтобы быстро подключить к блоку нагрузок тестируемый блок питания, нужен разъем, снятый с материнской платы и распаянный аналогично выходному разъему блока питания. В данном проекте был взят разъем 24-pin со старой материнской платы MSI. Для охлаждения был взят вентилятор от отслужившего свое блока питания.

2.4 Выбор шасси и процесс сборки стенда

Для размещения схемы удобно использовать корпус отслужившего свое компьютерного блока питания вместе с вентилятором. При этом из корпуса предварительно нужно удалить старую плату, разъем для подключения шнура питания и выключатель, если он там есть. Корпус внутри и снаружи желательно тщательно очистить от грязи, пыли. Вентилятор тоже желательно извлечь, очистить от пыли, сделать ему ревизию и смазать подшипники. После этого крепим автомобильные лампы внутри корпуса. Удобно использовать для этого текстолитовую монтажную панель, установленную на место. На панели установлена вертикальная пластина с отверстиями под автомобильные патроны для 4 ламп 12В 21Вт, а лампа на 60Вт 12В прикреплена обычным способом. Использование патронов позволяет не задумываться о мерах по фиксации и изоляции ламп внутри корпуса.

Рисунок 11 - Фото стенда нагрузки блока питания

Параллельно лампе 12В подключаем провода вентилятора, соблюдая полярность (красный провод вентилятора - плюс, черный - минус). Вентилятор пригодится для удаления тепла из корпуса блока нагрузок при работе всех ламп. После того, как вся электрическая схема на металлической панели будет собрана, провода для подключения к источнику питания нужно вывести наружу через окно, в котором раньше проходил выходной жгут. За счет принудительного охлаждения устройство получается достаточно компактным. Оно может использоваться не только для отбора и проверки компьютерных источников питания, но и для их ремонта. Поскольку устройство не имеет цепей, гальванически связанных с сетью, оно электрически безопасно и его эксплуатация не вызывает опасений. А так как использовавшиеся лампы стоят «копейки» устройство получилось очень дешевым.

3. Экономическая эффективность

.1 Расчет экономических затрат

Расчет и обоснование экономической эффективности произведен с помощью табличного процессора MS Excel Численность работающих, состав и число работающих определяется сложностью проектных работ, степенью автоматизации труда, применением унификации, стандартизации и блочности. Количество дней в месяце - 25,2 дней. Продолжительность смены - 8 часов.

Таблица 1 - Трудоемкость конструкторских работ

№ п/п

Этап и вид работы

Продолжительность выполнения работ, часов

1

Техническое задание

8

2

Технический проект

3

Анализ существующих решений

7

4

Выбор инструментального средства

1,5

5

Создание модели проекта

0

6

Реализация

3

7

Тестирование и отладка

1

8

Расчет экономической эффективности

3

9

Пояснительная записка

2

10

Эксплуатационная документация

7

11

Сдача приемной комиссии

4


Итого

53,5


Таблица 2 - Расчет стоимости часовых тарифных ставок

№ п/п

Наименование должности

Категория

Оклад, руб.

ЧТС, руб.

1

Техник

1

20000

99,21


Фонд оплаты труда представляет собой общую сумму затрат на оплату труда работников и выплат социального характера.

В состав фонда заработной платы включаются начисленные предприятием, учреждением, организацией суммы оплаты труда в денежной и натуральной форме за отработанное и неотработанное время, стимулирующие доплаты и надбавки, компенсационные выплаты, связанные с режимом работы и условиями труда, премии и единовременные выплаты поощрительного характера, а также выплаты на питание, жилье, топливо, носящие регулярный характер.

Включению в фонд заработной платы подлежат:

· оплата за отработанное время;

· оплата за неотработанное время (ежегодные, дополнительные, учебные отпуска и т.п.);

· единовременные поощрительные выплаты (премии, вознаграждения по итогам работы, материальная помощь и т.п.);

· выплаты на питание, жилье, топливо;

· выплаты социального характера (оплата путевок, стоимости проезда, страховые платежи, надбавки к пенсиям работающих, единовременные пособия уходящим на пенсию и т.д.).

Фонд оплаты труда планируется и определяется отдельно по тем же группам и категориям, по которым определяется численность работающих. Порядок расчета фонда оплаты труда по категориям фонда следующий:

·        Определяется прямой (тарифный) фонд заработной платы.

·        Определяются выплаты, доплаты до часового, дневного и месячного фонда и премии в соответствии с системой оплаты труда.

·        Сумма прямого (тарифного) фонда зарплаты, доплат, выплат и премий характеризует основную зарплату (основной фонд оплаты труда).

·        Сумма основной зарплаты и дополнительной зарплаты характеризует общий фонд оплаты труда.

Прямой (тарифный) фонд оплаты труда рассчитывается отдельно для сдельщиков и повременщиков.

Расчет фонда зарплаты завершается определением средней зарплаты по предприятию (фирме).

Основной фонд оплаты труда - оплата непосредственного труда, плата за создание материальных и духовных ценностей.

Дополнительный фонд оплаты труда состоит из доплат, премий и надбавки по районному коэффициенту (уральские).

Премию начисляют в соответствии с премиальным положением предприятия пропорционально основному фонду оплаты труда. По данным предприятия средний процент доплат - 37%.

Уральские выплачивают за работу в неблагоприятных природно-климатических условиях (15%).

Единый социальный налог (ЕСН) Законодатели решили увеличить ставки только с 01.01.2012 года (ст. 12 Закона №212-ФЗ) - включается в себестоимость (цену) продукции и сразу же после реализации продукции из выручки перечисляется в соответствующие фонды:

·        ФСС (фонд социального страхования) - 2,9%;

·        ПФР (Пенсионный фонд России) -24%;

·        ФФОМС (Федеральный фонд обязательного медицинского страхования) - 1,1%.

·        ТФОМС (Территориальный фонд обязательного медицинского страхования) - 2.0%

·        Всего ЕСН составляет 30%.

Оплата труда не только стимулирует работающих, но и является частью себестоимости продукции.

Таблица 3 - Расчет заработной платы

N п/п

Наименование профессии

ЧТС

Заработная плата, руб.

1

Техник

99,21

53,5

Х


Основная з/пл



5307,53


Премия%

37


1963,78


Уральские, %

15


796,13

2

Итого ФОТ



8067,46


ЕСН, %

30


2420,24


Техническая оснащенность труда в значительной мере влияет на качество работ, длительность их исполнения, а в целом - на себестоимость выполнения этих работ.

Технические средства труда в процессе эксплуатации изнашиваются физически и морально. Возмещается этот износ посредством амортизации. Амортизационные отчисления входят в себестоимость выполняемых работ и продукции по статье «накладные расходы».

Правильная эксплуатация оборудования, его эффективное использование, защита от воздействия вредных веществ (пыли, влаги и др.), ускоряющих изнашивание оборудования, бережное отношение к средствам труда, влияют на количество, качество, себестоимость выполняемых работ, продукции.

Таблица 4 - Ведомость оборудования

N п/п

Наименование оборудования

Кол-во единиц

Полная первоначальная стоимость, руб.

Норма амортизации, % в год

Сумма амортизации, руб./год

1

Компютер

1

30000

33,3

9990

2

Принтер струйный

1

2500

33,3

832,5

3

Бумага

1

500



4

Паяльник и радиоэлектронные компоненты

1

2000

33,3

666

5

Стол

1

5600

33,3

1332

6

Стул

1

2000

33,3

1864,8

7

Софт

1

4000

33,3

666

Итого




15351,30


Амортизация - это перенос стоимости основных фондов предприятия (зданий, сооружений, машин, оборудования, инструментов) на производимый продукт, осуществляемый постепенно, по мере физического и морального износа в течение более или менее длительного времени.

Себестоимость продукции, работ, услуг - важнейший экономический показатель деятельности фирмы. Значительную часть в себестоимости составляют накладные расходы, состоящие из:

·        затрат на электроэнергию, газ, воду, топливо и т.д.;

·        затрат на оснастку;

·        амортизации оборудования;

·        затрат на содержание амортизации зданий;

·        затрат на охрану труда и технику безопасности;

·        прочих расходов.

Накладные расходы - затраты, которые невозможно непосредственно отнести на специфическую продажу или продукт: затраты на аренду помещений, электроэнергию, канцелярские товары и т.д. Накладные расходы включаются в себестоимость продукции, издержки ее производства и обращения. Накладные расходы рассчитываются пропорционально основной заработной плате.

Таблица 5 - Плановая калькуляция разработки ЭУК

№ п/п

Статья калькуляции

Ставки

Сумма, руб.

1

Прочие расходы


1210

2

Основная заработная плата


5307,539683

3

Уральские (15%)


796,1309524


Итого ФОТ


8067,46

4

ЕСН (30%)


2420,24

5

Амортизационные отчисления


339,49

6

Накладные расходы, % от итого ФОТ

150

12101,19


Полная себестоимость


22174,59

7

Рентабельность товарной продукции, % от полной себестоимости

30

6652,38


Итого


28826,97



3.2 Обоснование экономической эффективности ЭУК

Таблица 6 - Обоснование экономической эффективности

Полная себестоимость

22174,59





Рентабельность товарной продукции, руб.

6652,38





Рентабельность товарной продукции, % от полной себестоимости

30





При реализации ЭУК с указанной рентабельностью срок окупаемости затрат, г

22174,59

/

6652,38

=

3,33


Реализация, штук ЭУК

20

получаемая цена, руб.

1441,34


Планируется реализовать около 20 приборов, по одному прибору на компьютерный класс. При увеличении количества продаж хотя бы в 2 раза срок окупаемости уменьшится до 20 месяцев.

Заключение

Блок питания это сложное устройство с множеством радиоэлектронных компонентов. Чем больше элементов, тем больше шансов, что они выйдут из строя и блок питания придется ремонтировать. Ремонт источника питания ПК очень трудная и ответственная задача, связанная с тем, что при неисправности источника питания или при неправильном ремонте и регулировки из строя могут выйти все узлы ПК. Поэтому при ремонте и регулировке необходимо очень тщательно проверять качество радиоэлементов, паяных соединений, точно измерять выходные напряжения и токи. В этом сложном процессе поможет стенд нагрузки блока питания, с его помощью можно понять выдержит ли минимальную нагрузку отремонтированный блок питания, так же стенд очень прост в повторении и все его компоненты доступны и легко заменяются.


Список литературы

импульсный стенд схема питание

1.  www.exitonservice.ru - Назначение устройства

2.      www.qrz.ru - Описание схемы устройства

4.      www.ru.wikipedia.org/ATX - Форм фактор ATX

5.      www.bukvabiz.ru - Охрана труда

.        www.metod-kopilka.ru - Техника безопасности за ПК

.        www.consultant.ru - Гражданский кодекс РФ

.        www.ug-kodeks.ru - Уголовный кодекс РФ

.        www.kadis.ru - Кодексы РФ

.        www.cqham.ru - Эквивалент нагрузки

.        www.radioexpert.ru - Эквивалент нагрузки MFJ-26

12.    www.radioginn.ucoz.ru - Основные принципы работы импульсного блока питания

13.    www.bp.xsp.ru - Все о блоках питания

Похожие работы на - Проект учебного стенда. Конструкция блока питания ATX

 

Не нашли материал для своей работы?
Поможем написать уникальную работу
Без плагиата!
Без нейросетей!