Электрификация ремонтно-механической мастерской
ВВЕДЕНИЕ
Существенную роль в развитии промышленности сыграла электроэнергия в
двадцать первом веке.
Электроэнергия является стержнем строительства экономики общества. Она
играет важную роль в развитии всех отраслей демократического хозяйства, в
осуществлении современного технического процесса всех отраслей производства.
Все более интенсивнее заменяется ручной труд на механизированный с
применением электроэнергии. При этом электрооборудование и автоматизация
производственных процессов позволяет высвободить большое число работников,
занятых в производстве, при одновременном повышении качества продукции,
экономичности, надёжности и бесперебойности работы агрегатов и установок.
Благодаря электромеханизации и автоматизации производственных процессов
электровооружённость труда в промышленности на одного работника достигла
1,5…2,3 тыс. кВтч. в год и даже выше.
Современное производство является крупным потребителем электроэнергии.
По суммарной установленной мощности, числу и номенклатуре используемого
электрооборудования агропромышленное производство занимает одно из первых мест
среди других отраслей.
Электрификация является одним из основных направлений аграрной политики
на современном этапе развития сельского хозяйства. При высокой
электровооруженности производства особую зависимость приобретают вопросы
эффективного использования электроэнергии, ее экономии; рациональной
эксплуатации и ремонта электрооборудования, их организации.
Чтобы обеспечить эффективное использование электрооборудования и
рационального применения электрической энергии, необходимо уметь пользоваться
методами технических расчетов в планировании, управлении и анализе
хозяйственной деятельности предприятия в целом и его отдельных звеньев.
В условиях интенсивного развития энергетической базы предприятий
промышленного производства наибольшее значение приобретают надежность
электроснабжения и безаварийность работы электроустановок. Поэтому требуется
квалифицированное техническое обслуживание и ремонт оборудования. Большое
значение имеет автоматизация производственных процессов, которая становится
одним из факторов роста производительности труда, увеличение количества
продукции, повышения ее качества, снижение себестоимости и улучшение условий
труда.
Дипломное проектирование систематизирует, расширяет и улучшает
теоретические знания студентов, знакомит студентов с новейшими достижениями в
области проектирования, монтажа и эксплуатации электрических устройств, для
электроснабжения и электрооборудования потребителей.
В ходе дипломного проектирования студенты приобретают опыт
самостоятельного решения задач сельской электрификации, а также получают навыки
использования нормативной, справочной и учебной литературы.
Целью дипломного проекта является внедрение микропроцессорной техники в
управление технологическими процессами.
1. Природно-экономическая характеристика хозяйства
.1 Общая характеристика предприятия ООО «Агросиб» с. Северное
ООО «Агросиб» находится на территории с. Северного Северного района
Новосибирской области. Основано в сентябре 2005 года на базе некогда мощного
ремонтного предприятия «Сельхозтехника». Основным видом деятельности на
сегодняшний момент является: грузоперевозки, строительство дорог, автозимников
и их содержание, в результате чего требуется качественный и своевременный
ремонт техники.
Общество является юридическим лицом и вправе от своего имени совершать
сделки, отстаивать имущественные и неимущественные права, исполнять обязанности
по договорам, быть истцом и ответчиком в арбитражном и третейском суде.
Общество имеет самостоятельный баланс, расчетный и другие счета в банках
Российской Федерации, печать со своим наименованием, угловой и другие штампы,
бланки, товарный знак.
Общество действует на принципах полного хозяйственного расчета и
самоокупаемости, самостоятельно осуществляет свою финансово-хозяйственную
деятельность и несет ответственность за ее результаты, выполнение обязательств
перед партнерами по заключенным договорам, бюджетом и банками всем своим
имуществом, на которое по закону может быть обращено взыскание.
ООО «Агросиб» расположено в центральной части с Северное в 430км от
Новосибирска. Площадь предприятия на сегодняшний момент составляет 1290 кв.м.
Общая площадь помещений 670 кв.м.
Предприятие включает в себя: ремонтную мастерскую, автогараж, склад
запчастей и помещение конторы.
В здании категории «Б» имеются наружные и внутренние
пожарно-эвакуационные лестницы, легкосбрасываемые конструкции, технологические
трубопроводы, выполненные из несгораемых материалов. Несущие конструкции
обработаны огнезащитными составами, установленные электродвигатели имеют
взрывозащитное исполнение, все металлические части оборудования заземлены для
отводов статического электричества.
В ремонтно-механической мастерской выполняются следующие виды работ:
ремонт топливной аппаратуры, восстановление коленчатых валов, восстановление
ЦПГ, ремонт агрегатов, ремонт двигателей внутреннего сгорания,
кузнечно-сварочные работы, а также оказывает услуги населению по ремонту
автотранспорта.
Ремонтно-механическая мастерская(РММ) представляет собой прямоугольное
помещение общей площадью почти 600 м2. Общая длинна цеха 34м, ширина
20м, высота 9м. Стены кирпичные 0,6м. Пол выполнен из железобетонных плит.
Крыша двускатная выполнена из металлических ферм, покрыта листовым металлом.
Гараж отделен от остального помещения цеха кирпичной стеной толщиной 0,6м. В
цехе имеются внутренние перегородки из сибита высотой 4м без потолочных
перекрытий, выполненные для разграничения общего помещения и склада.
Таблица 1.1 Основные экономические показатели ООО «Агросиб»
|
Показатели
|
2007 г.
|
2008 г.
|
2009 г.
|
|
1
|
2
|
3
|
4
|
|
Число работников
|
8
|
10
|
14
|
|
Число работников по
договору
|
6
|
13
|
10
|
|
Камаз 5410
|
2
|
2
|
1
|
|
Камаз 54115
|
1
|
4
|
8
|
|
Камаз 55111
|
1
|
1
|
3
|
|
Камаз 44108
|
-
|
1
|
2
|
|
Камаз 65116
|
-
|
-
|
1
|
|
1
|
2
|
3
|
4
|
|
Трактор МТЗ-82
|
-
|
1
|
1
|
|
Трактор ДТ-75
|
3
|
7
|
9
|
|
Трактор К-700
|
-
|
2
|
2
|
|
Трактор Т-130
|
1
|
1
|
2
|
|
Полуприцеп А-349
|
1
|
5
|
7
|
|
ПрицепОДАЗ 9730
|
3
|
4
|
5
|
|
Прицеп-цистерна ОДАЗ
|
1
|
2
|
2
|
|
Трал ЧЛАЗ
|
-
|
1
|
3
|
|
Полуприцеп ДОН-БУР
|
-
|
-
|
1
|
|
Полуприцеп NARCO
|
-
|
-
|
1
|
|
Прибыль
|
708130
|
1180166
|
377500
|
.2 Состояние электрификации предприятия
Источником теплоснабжения является котельная. Теплоносители - перегретая
вода с температурой 150-70 градусов. Системы вентиляции приняты
приточно-вытяжные с естественным механическим побуждением. Цех подключен к
хозяйственно-питьевому водопроводу и канализации.
По системе надёжности электроснабжения РММ относятся к потребителям 2
категории. Питание электроэнергией производиться кабельной линией. Питание
электрической энергией цеха, а также других потребителей находящихся на
территории предприятия производится от трансформаторной подстанции 10/0,4 кВ
мощностью 2х630 кВА с двумя трансформаторами ТМ-630/10.
|
Наименование
|
электронагреватели
|
электроосвещение
|
электродвигатели
|
|
Потребляемая мощность, кВт
|
35,1
|
7,3
|
45,1
|
|
Расчетный ток, А
|
92
|
19
|
118,6
|
|
Наименование
|
электронагреватели
|
электроосвещение
|
электродвигатели
|
|
Потребляемая мощность, кВт
|
35,1
|
7,3
|
45,1
|
|
Расчетный ток, А
|
92
|
19
|
118,6
|
2. Характеристика объекта проектирования и выбор
технологических процессов, подлежащих электрификации
электрификация микропроцессорный вентиляция оборудование
2.1 Характеристика объекта
Здание РТМ расположено в одном из производственных центров хозяйства в
500 м от села «Золотая грива».
Электроснабжение РТМ предлагается осуществить от комплектной
однотрансформаторной подстанции КТПН-№1-26, расположенная в 70 метрах от
мастерской, от которой РТМ раньше и получала электроэнергию. Схема ТП 10/0,4 кВ
типовая, в которой со стороны высокого напряжения (РУВН) расположены:
разъединитель, как коммутационный аппарат; предохранители, как защитные
аппараты; разрядники, как защитные аппараты от перенапряжений, приходящих с ВЛ.
РТМ относится к третьей категории по надёжности электроснабжения.
Основными потребителями электрической энергии в мастерской являются: станки,
стенды, кран-балка и освещение.
Тепло- и водоснабжение предлагается осуществить от котельной, которая
расположена в 250 м от мастерской.
Общий вид и экспликация помещений РТМ приведены на листе 4 графического
материала. В этой же таблице указываются площади помещений, полученные в процессе
разработки планировки. На основе экспликации помещений разрабатывается
планировка размещения ремонтно-технологического оборудования.
РТМ включает в себя несколько участков: участок ухода и ремонта
тракторов, токарный участок, участок топливной аппаратуры, кузнечный участок,
сварочный участок, участок зарядки аккумуляторов, участок ремонта
электрооборудования, слесарный участок, моторный участок. Также имеются
вспомогательные помещения: душевая, инструментальное помещение и служебный
кабинет.
Мастерская рассчитана на проведение периодических уходов и ремонтов
тракторов. Оснащённость мастерской оборудованием позволяет производить смену
отдельных агрегатов и узлов тракторов и машин. Также в мастерской можно
выполнять некоторые ремонты сельскохозяйственных машин, различных транспортных
средств, производственного и бытового инвентаря.
Строительный объём здания составляет - 4950 м3.Площадь - 663 м2.
Фундамент - ж/б монолит, стены - кирпичные, перекрытие - ж/бетонные, кровля -
мягкая, пол - цементный, окна - одинарные глухие, ворота - деревянные, отделка
наружная - штукатурка.
.2 Выбор технологических процессов в ремонтно-технической
мастерской
В РТМ применяются различные технологические процессы.
В участке ухода и ремонта тракторов разборочно-сборочные и ремонтные
работы сопровождаются операциями снятия и транспортировки различных агрегатов.
Эти работы осуществляют с помощью подъёмно-транспортного оборудования. С
помощью подъёмно-транспортного оборудования груз можно поднимать и передвигать.
В токарном участке происходят такие технологические процессы как токарная
обработка, сверление, фрезерование, растачивание и т.п. В участке топливной
аппаратуры проводят обкатку, испытание и регулировку топливной аппаратуры
автотракторных дизельных двигателей, а также испытывают и регулируют агрегаты
гидроприводов тракторов, комбайнов и сельскохозяйственных машин.
В кузнечном участке происходят такие технологические процессы как нагрев,
ковка, протяжка, осадка, горячая рубка металла, гибка кручение и т.п. Нагрев
деталей и заготовок выполняют в кузнечном горне (рис.2.1.). В сварочном участке
используется ручная электродуговая сварка. Здесь выполняют ручную дуговую
резку, сварку и наплавку металлов. В участке контроля и регулировки электрооборудования
производят испытания и регулировки систем зажигания (состояние
(работоспособность) катушки зажигания, испытание конденсаторов,
прерывателя-распределителя и т.п). В слесарном участке выполняются
разнообразные мелкие ремонты, а также мелкие разборочные и сборочные работы.
Моторный участок предназначен для ремонта механизмов и отдельных частей
двигателя. Характерными работами при текущем ремонте двигателя являются: замена
поршневых колец, поршней, поршневых пальцев, замена вкладышей шатунных и
поршневых подшипников на вкладыши эксплуатационных размеров, замена прокладки
головки блока, устранение трещин и пробоев (в сварочном отделении), притирка и
шлифовка клапанов.
После выполнения текущего ремонта двигателя обязательно необходимо
проводить холодную и горячую обкатку с целью обеспечения надежной притирки
узлов и деталей после ремонта без нагрузки, что обеспечивает большую их
долговечность в эксплуатационных условиях.
Обкатка - завершающая операция при ремонте двигателей внутреннего
сгорания (ДВС). Она обеспечивает приработку взаимно трущихся поверхностей
деталей. В процессе обкатки выявляются и устраняются дефекты, снижающие
надёжность ДВС в эксплуатации.
.3 Перечень ремонтно-технологического оборудования,
подлежащих электрификации
РТМ включает в себя несколько участков, в каждом из которых находится
соответствующее оборудование:
. Участок ухода и ремонта тракторов. В этом участке находится кран-балка
грузоподъёмностью 2,5т, смотровая яма, компрессор 1101-В5 и моечная установка
ОМ-5300.
Электрифицированная кран-балка представляет собой передвижную двутавровую
балку, по которой перемещается электрическая таль. Балка опирается или
подвешивается на подкрановые пути ходовыми колёсами. Пути должны быть строго
горизонтальны и параллельны между собой. Управление краном кнопочное (с пола),
пролёт 18 м, мощности электродвигателей соответственно 2,2 кВт, 1,4 кВт и 1,4
кВт. Компрессор предназначен для получения и подачи сжатого воздуха на
технологические нужды.
. Токарный участок. В нём расположены токарные станки марок 16К20
(устанавливаемая мощность станка до 11 кВт) и 1Д-63А (мощность
электродвигателей соответственно 10 кВт и 0,1 кВт), фрезерный станок МРФ
(мощность 1,5 кВт) и вертикально-сверлильный станок 2Н135 (мощностью 2,21 кВт).
Станочное оборудование имеет индивидуальный электропривод с дистанционным
управлением на основе магнитных пускателей и другой аппаратуры. В ремонтных
предприятиях наибольшее распространение получили токарно-винторезные, фрезерные
и сверлильные станки.
Токарно-винторезный станок 16К20 (рис.2.3.б) предназначен для выполнения
разнообразных токарных работ, в том числе нарезания резьбы. На рисунке 2.3.в
изображён фрезерный станок модели МРФ. Станок предназначен для обработки
деталей различной конфигурации из стали, чугуна, цветных металлов и сплавов, а
также неметаллических материалов. Станок может быть использован в различных
отраслях промышленности, в ремонтных мастерских, кооперативах, а также при
индивидуальной деятельности.
. Участок топливной аппаратуры. Здесь имеются два стенда: стенд КИ-22205
предназначен для испытания и регулировки топливной аппаратуры всех марок
тракторных дизелей и стенд для проверки и регулировки гидросистем КИ-4815М.
На стенде КИ-4815М можно испытывать и регулировать насосы типа НШ-46,
НШ-50, НШ-67, Н-100, распределители типа Р-75, Р-150, а также другие агрегаты
гидравлических систем тракторов, автомобилей и сельскохозяйственных машин.
Стенд укомплектован необходимыми приспособлениями и принадлежностями для
установки и испытания гидроагергатов. На раме стенда установлены и закреплены
электропривод (электродвигатель), гидросистема и электрооборудование.
. Кузнечный участок.
Этот участок включает в себя следующее оборудование: молот пневматический
М4129А мощностью 7 кВт, кузнечный горн и заточной станок мощностью 0,6 кВт.
Кузнечный пневмомолот (рис. 2.3.) служит для выполнения кузнечных работ методом
свободной ковки на плоских и фасонных бойках (протяжки, осадки, прошивки
отверстий, горячей рубки металлов, кузнечной сварки, гибки, кручения).
. Сварочный участок. В этом участке имеется сварочный трансформатор
ТС-300 и стол сварщика модели ССН-1. Трансформаторы ТС-300 и ТС-500 применяют
при ручной дуговой резке, сварке и наплавке металлов. Технические данные
трансформатора таковы: Номинальный сварочный ток - 300 А, номинальная мощность
20 кВт, напряжение питающей сети 220 или 380 В, номинальное рабочее напряжение
63 В, КПД 0,84, коэффициент мощности 0,51.
. Участок зарядки аккумуляторов. Здесь проводят зарядку аккумуляторов с
помощью зарядного устройства ЗУ-1 мощностью 1,5 кВт.
При включении батареи на зарядку её полюсы надо соединять с одноимёнными
полюсами источника тока. Напряжение источника тока и схема включения должны
быть такими, чтобы на каждый аккумулятор приходилось напряжение не менее 2,7 В
(обычно до 3 В).
При одновременной зарядки 2-х и более батарей, батареи соединяют между
собой последовательно.
. Участок контроля и регулировки электрооборудования. В этом участке
расположен стенд КИ-11500 для проверки электрооборудования. На нём проверяют и
регулируют генераторы переменного тока, стартеры, реле-регуляторы,
прерыватели-распределители, катушки зажигания и другое оборудование.
. Слесарный участок. В нём находятся 3 верстака, а также различные
приспособления и ручные инструменты.
. Моторный участок. В этом участке имеется пресс гидравлический
ОКС-1671М, который приводится в действие электродвигателем 7 мощностью 1,7 кВт,
станок притирки клапанов ОПР-1841А, а также обкаточный стенд СТЭ-40-1500.
На рисунке 2.4. показан вертикальный двухстоечный гидравлический пресс
марки ОКС-1671М с усилием 0,4 МН (40 т) и его гидравлическая схема.
На раме пресса 1 двумя пальцами 3 фиксируется станина 2. На станину
устанавливают демонтируемый комплект деталей. Относительно рамы станину можно
переставлять с помощью штока 5 пресса и цепей 4. Шток приводится в действие
рабочей жидкостью (масло минеральное), подаваемой гидронасосом 12. Насос
приводится в действие электродвигателем 7 мощностью 1,7 кВт или ручным насосом
6. Управление прессом осуществляют передвижением золотника 8. Предохранительный
клапан 14 регулируют на давление 23…26 МПа, контролируя манометром 10. Ход
штока 250 мм. Скорость рабочего хода 2,8 мм/с.
Выбор
технологического оборудования обуславливается видами выполняемых работ.
Перечень технологического оборудования приведен в таблице 2.1.
Таблица 2.1 -
Ведомость технологического оборудования
|
№ п/п
|
Наименование, марка
оборудования
|
Кол-во
|
Уст. мощность, Размеры (мм)
|
|
1
|
2
|
3
|
4
|
|
1
|
Компрессор 1101-В5
|
1
|
10 кВт, 1869х670
|
|
2
|
Токарный станок 16К20
|
1
|
11 кВт, 3080х1560
|
|
3
|
Токарный станок 1Д-63А
|
1
|
10 кВт, 2800х1250
|
|
4
|
Фрезерный станок МРФ
|
1
|
1,5 кВт, 700х850
|
|
5
|
Вертикально-сверлильный
станок 2Н135
|
1
|
4 кВт, 1240х810
|
|
6
|
Шкаф для инструментов,
материалов и принадлежностей ОРГ-1603
|
2
|
1590´360
|
|
7
|
Секция стеллажа ОРГ-5154
|
2
|
1500х600
|
|
8
|
Стенд для регулировки
гидросистем КИ-4815М
|
1
|
22 кВт, 1640х875
|
|
9
|
Стенд для регулировки
топливных насосов КИ-22205
|
1
|
3,6 кВт, 1100х620
|
|
10
|
Кран-балка
|
1
|
5 кВт
|
|
11
|
Моечная установка ОМ-5300
|
1
|
4,5 кВт,3360х2760
|
|
12
|
Молот пневматический М4129А
|
1
|
7 кВт, 1375х805
|
|
13
|
Заточной станок
|
1
|
0,6 кВт, 1200х550
|
|
14
|
Горн кузнечный ГО-3336
|
1
|
2280х1200
|
|
15
|
Вентилятор кузнечный
ОКС-3361
|
1
|
3 кВт, 550х460
|
|
16
|
Наковальня двурогая ГОСТ
11398-75
|
1
|
505х120
|
|
17
|
Сварочный трансформатор
ТС-300
|
1
|
20 кВт, 800х720
|
|
18
|
Стол сварщика ССН-1
|
1
|
1250х750
|
|
19
|
Зарядное устройство
аккумуляторов ЗУ-1
|
1
|
1,5 кВт, 460х235
|
|
20
|
Стеллаж ОРГ-18112 для
хранения аккумуляторов
|
1
|
2024х524
|
|
21
|
Стенд проверки и
регулировки электрооборудования КИ-11500
|
1
|
5 кВт, 980х650
|
|
22
|
Стол монтажный
ОРГ-1468-01-08А
|
1
|
1200´800
|
|
23
|
Верстак слесарный на одно
рабочее место ОРГ-1468-01-060А
|
1
|
1200х800
|
|
24
|
Верстак слесарный на два
рабочих места, ОРГ-1468-01-070А
|
1
|
2400´800
|
|
25
|
Пресс гидравлический
ОКС-1671М
|
1
|
1,7 кВт, 1500´640
|
|
26
|
Станок притирки клапанов
ОПР-1841А
|
1
|
1 кВт, 1840х1450
|
|
27
|
Обкаточный стенд
СТЭ-40-1500
|
1
|
40 кВт, 3200х1250
|
3. Выбор электрического оборудования ремонтно-технической
мастерской
.1 Расчёт и выбор электропривода кран-балки
Для кран-балки, предназначенной для перемещения грузов в
ремонтно-технической мастерской, определить режим работы механизма подъема и
передвижения и произвести выбор электрических двигателей для их приводов.
Исходные данные.
. Масса груза тг = 2500 кг, масса балки тб=
1500 кг.
2.Скорость
передвижения балки vб = 0,1 м/с.
3.Скорость подъема
груза vг = 0,17 м/с.
4.Длина цеха lц = 18 м.
5.Высота подъема
груза Н = 4 м.
6.Диаметр ходовых
колес балки DK =
45 мм.
7.Диаметр цапфы
вала колеса балки dц = 60 мм.
8.Диаметр барабана
лебедки Dб = 400 мм.
9.Коэффициент
трения качения колес балки fб = 0,05.
10.Коэффициент
трения в цапфах µ = 0,015.
11.Коэффициент,
учитывающий дополнительное сопротивление в ребордах колес, торцах ступиц, Кр
= 2,5.
12.Значение
суммарных передаточных чисел механизмов передвижения iб = 202, подъема iп =108.
13.Коэффициент полезного действия передач механизмов перемещения ηб = 0,9 и подъема ηп = 0,96.
Решение. Для определения режимов работы крановых механизмов и выбора к
ним электрических двигателей необходимо определить значения усилий, мощностей и
продолжительность их действия как под нагрузкой, так и на холостом ходу.
Механизм передвижения. Величина суммарного усилия под нагрузкой при пуске для
механизма передвижения
ΣF = Fl + F2 =
21996,2 + 3200 = 25196,2 H,(3.1)
где Fl - усилие, необходимое для
преодоления сопротивления движению кран-балки на горизонтальном прямолинейном
участке пути; F2 - динамическое усилие, связанное с разгоном и торможением
кран-балки.
Fl = 9,81
Кр (тг + тб)( µr + fб)
cosα = 9,81·2,5(2500+1500)(0,015·
+
+0,05)
= 21996,2 Н, (3.2)
где
r -
радиус шейки оси колеса балки, м; R - радиус колеса балки; R
= 0,225 м; α - угол наклона путей к горизонту; α = 0.
F2 = (тг + тб)
= (2500+1500)·0,8 = 3200 Н, (3.3)
где dv/dt - ускорение при разгоне кран-балки; dv/dt = 0,8 м/с2.
В установившемся режиме под нагрузкой суммарное усилие
ΣFу = Fl + Fв = 21996,2+0 =21996,2 Н,(3.4)
где Fв - усилие, необходимое для перемещения
кран-балки по вертикали.
Потребная мощность механизма передвижения кран-балки при разгоне под
нагрузкой
.(3.5)
В установившемся режиме значение потребной мощности механизма
передвижения кран-балки
.(3.6)
На холостом ходу значения усилий и мощностей при пуске и в установившемся
режиме:
ΣFп.х = F1x + F2x = 8240,4 + 1200 = 9440,4 Н;(3.7)
F1x = 9,81·
тб ·Кр( µr + fб)
cosα = 9,81·1500·2,5(0,015·
+0,05)
=
=8240,4 Н;(3.8)
F2x = тб
= 1500·0,8 = 1200 Н;(3.9)
;(3.10)
.(3.11)
Для определения режима работы механизма передвижения кран-балки
необходимо установить продолжительность включения, предварительно определив
время пуска, время движения кран-балки как с грузом, так и на холостом ходу, и
построить нагрузочную диаграмму.
Время разгона кран-балки до установившейся скорости движения
. (3.12)
Время передвижения кран-балки при постоянной нагрузке
.(3.13)
Время опускания груза и подъема захватывающего устройства
.(3.14)
Время разгона кран-балки до установившейся скорости движения при
возвращении ее в исходное положение
t4 = t1 =0,12c.(3.15)
Продолжительность перемещения кран-балки в исходное положение с
постоянной скоростью движения
t5 = t2 =180c.(3.16)
Продолжительность опускания захватывающего устройства и поднятия груза
t6 = t3 =47c.(3.17)
Нагрузочная диаграмма механизма перемещения кран-балки показана на
рисунке 3.1.
. (3.18)

В связи с этим выбор электрического двигателя для механизма передвижения
кран- балки производят с учётом методов, применяемых для длительной переменной
нагрузки. При этом эквивалентное значение мощности
. (3.19)
Выбор электрического двигателя. Устанавливаемые на мостовых кранах,
кран-балках электродвигатели относятся к специальной группе электрических
машин, называемых крановыми. Эти двигатели в большинстве своем изготовляют на
напряжение 220/380 В. Они имеют повышенный момент пуска, значение которого
находится в пределах 2,6...3,2 номинального. Крановые двигатели имеют изоляцию
класса F, выдерживающую нагрев до 155 °С.
Выбирают электрический двигатель для механизма передвижения, исходя из условий:
1.Климатическое
исполнение и категория размещения У2, УЗ.
2.По способу
защиты от окружающей среды IP44.
3.По
конструктивному исполнению и способу монтажа IM1081.
4.По модификации
(берут крановый двигатель).
5.По частоте
вращения:
nдв ≥ i·nк = 202·4,19 = 846,38
;
875 > 846,38,
где i - суммарное передаточное число; i = 202; nк - частота вращения колеса кран-балки;
nк = ωк / 0,105
= 0,44 / 0,105 = 4,19
;
ωк = vб / Rк = 0,1 /
0,225 = 0,44 рад/с.
6.По роду тока и
напряжения: ~ I, UH = 380/220 В;
7.По мощности: Pдв ≥ Pэкв ; 1,4 > 1,34.
Выбираем по справочнику [19] двигатель типа МТКF-011-6; P =
1,4 кВт; nн = 875 мин-1; Мп = 42
Н·м; ηн = 0,62; cos фн = 0,66; J
= 0,02 кг·м2; т = 47 кг.
Проверка двигателя. Выбранный двигатель необходимо проверить по условию трогания:
Мп ≥ Мс
max; 42 > 30,4,(3.20)
Мп - пусковой момент двигателя при номинальных параметрах
сети; Мс max -
максимальное значение момента сопротивления.
Мс max = P1 / ωн = 2799,6 / 92,1 = 30,4 Н·м.(3.21)
Таким образом, условие выполняется. Окончательно выбирают двигатель типа
МТКF-011-6.
Механизм подъема. Величина суммарного усилия под нагрузкой при пуске
ΣF = Fl + F2 =
39730,5 + 810 = 25525,5 Н,(3.22)
где F1 - усилие подъема в установившемся режиме; F2 - величина динамического усилия, возникающего при
пуске механизма подъема.
F1 = 9,81 (mг + тз) = 9,81 (2500 + 50) =
25015,5 Н,(3.23)
где mг, m3 - соответственно масса груза и масса захватывающего
устройства (m3 = 50 кг).
F2 = (mг + тз)dv/dt =510 Н,(3.24)
где dv/dt - величина ускорения при подъеме груза; dv / dt = 0,2 м/с2.
Значения потребных мощностей механизма подъема при пуске и установившемся
режиме соответственно:
;(3.25)
.(3.26)
Суммарное усилие при пуске механизма подъема на холостом ходу
ΣFX.X =F3+F4 =490,5+10 = 500,5 Н,(3.27)
где F3 - усилие подъема на холостом ходу в установившемся
режиме; FA - значение динамического усилия на холостом ходу.
F3
= 9,81·тз
= 9,81·50 = 490,5 Н;(3.28)
F4 = тз
= 50·0,2
= 10 Н. (3.29)
Значения потребных мощностей на холостом ходу механизма подъема при пуске
и установившемся режиме соответственно:
;(3.30)
.(3.31)
Для определения режима работы механизма подъема необходимо установить
продолжительность действия соответствующих усилий и мощностей. Полный цикл
перемещения груза состоит из следующих операций: подъем груза, после чего
происходит его перемещение в заданную точку; опускание груза, подъем
захватывающего устройства, возвращение кран-балки в исходное положение и
опускание захватывающего устройства.
Рассматривая пуск и торможение механизма подъёма кран-балки как
равноускоренное или равнозамедленное движение, можно определить его
продолжительность:
(3.32)
Время подъёма и опускания груза с постоянной нагрузкой
t2
= H/ vг = 4/0,17 = 23,5с.(3.33)
Продолжительность паузы механизма подъёма равна продолжительности
передвижения кран-балки:
t3
= L/ vб = 18/0,1 = 180с.(3.34)
Время, в течение которого происходят захват груза и его освобождение от
захватывающего устройства, равно t3 =
2 с.
Нагрузочная диаграмма механизма подъема показана на рисунке 3.2.
Продолжительность включения механизма подъема определяют по данным
нагрузочной диаграммы:
.(3.35)
Из нагрузочной диаграммы следует, что привод механизма подъема работает в
повторно-кратковременном режиме с переменной нагрузкой в цикле. При этом
эквивалентное значение мощности
(3.36)
Выбор
двигателя. Выбираем электрический
двигатель для механизма подъема, исходя из условий:
Выбираем
двигатель типа МТКF-012-6: Рн = 2,2 кВт; nн = 880 мин -1;
Мп = 67 Н·м; ηн = 0,67; cos фн = 0,69; J
= 0,0275 кг·м2; т = 53 кг.
Проверка
двигателя. Выбранный двигатель
необходимо проверить по условию трогания:
Мп ≥ Мс
max; 67> 52,35.(3.37)
Мп - пусковой момент двигателя при номинальных параметрах
сети; Мс max -
максимальное значение момента сопротивления.
Мс max = P max / ωн = 4821,48 / 92,1= 52,35 Н·м.(3.38)
Условие выполняется.
.2 Расчёт и выбор осветительных установок
Расчёт освещения для участка ухода и ремонта тракторов
Для данного помещения выбираем светильник ЛСП14-2. Тип КСС - Д, КПД -
0,70, габаритные размеры - 1630×270×204 мм, степень защиты IP-54.
При равномерном размещении светильники располагают по вершинам квадратов,
прямоугольников или ромбов, оптимальный размер стороны которых определяется по
формуле
,(3.39)
где
- относительные светотехнические и энергетические
расстояния между светильниками;
-
расчетная высота осветительной установки, м.
Hр = H - hсв - hраб ,(3.40)
где H - высота помещения, м;
= 0...0,5
- высота свеса светильников, м;
- высота
рабочей поверхности от пола, м.
Hр =6 - 0,2 - 0,8 = 5 м., 5,2 ≤ L ≤ 7,82.
Крайние
светильники устанавливают на расстоянии
=(0,3-0,5)L от
стены в соответствии с наличием и отсутствием рабочих поверхностей у стен.
Светильники с люминесцентными лампами располагают обычно рядами параллельно
стенам с окнами или длинной стороне помещения. Расстояние между рядами
определяется так же, как и расстояние между светильниками в ряду.
По
известному значению L, длине А и ширине В помещения
определяют число светильников по длине помещения
,(3.41)
число светильников по ширине помещения
.(3.42)
и общее число светильников в помещении
N = NA·NB =6·3 =18.(3.43)
После чего размещают светильники на плане помещения и определяют
действительные расстояния между светильниками в ряду и между рядами
м;
м.
где
= 0,4 при
= 0,3 и
= 0 при
= 0,5.
Определим
индекс помещения по формуле (3.44):
.
(3.44)
По справочным данным определяют коэффициент использования светового
потока. Этот коэффициент учитывает долю светового потока светильников,
доходящую до рабочей поверхности. Значения коэффициента отражения стен потолка
и рабочей поверхности соответственно 30%, 50% и 10%. Коэффициент использования
светового потока ηи = 0,49.
Световой поток лампы в светильнике вычисляется по формуле (3.45):
Лм,(3.45)
где Ен =200 Лк - нормируемая освещённость;
S - площадь помещения;
KЗ - коэффициент запаса, учитывающий снижение освещённости в процессе
эксплуатации осветительной установки; KЗ = 1,5;
z = 1,1-1,2 - коэффициент неравномерности;
N -
количество светильников в помещении;
nл - количество ламп в светильнике.
По найденному потоку (если светильник многоламповый, то по потоку,
приходящемуся на одну лампу), пользуясь справочными данными [1], выбирают
типоразмер лампы и ее мощность. Если ближайшие лампы имеют световой поток,
отличающийся от расчетного более чем на -10-+20%, то выбирают лампу с большим
потоком и уточняют число светильников. Выбираем тип лампы ЛБ65 с световым
потоком равным 4800 Лм.
<0,2 -
условие выполняется.
Расчёт освещения инструментального помещения.
Используем метод удельной мощности:
Pуд = Pуcт /S, Вт/м2.(3.46)
По таблице выбираем для данного помещения удельную мощность для
светильника ЛСП06-2 с лампой типа ЛБ при нормируемой освещённости 75 Лк: Pуд =10,5 Вт/ м2.
Расчётная высота равна по формуле (3.40):
Hр = H - hсв - hраб = 4 - 0,3 - 0 = 3,7 м.
,
принимаем L = 4,4 м. NA = A/L
= 4/4,4≈1; NB = B/L ≈1.
Pуст = Pуд·S
=10,5·12 =126 Вт,
Pл =
Pуст /N =126/2 ≈65 Вт,(3.47)
Выбираем тип лампы ЛБ65 мощностью лампы Pл =65 Вт.
Особое внимание при выборе светильника нужно уделить для участка зарядки
аккумуляторов, который относится к взрывоопасным помещениям класса В-1а. В
данном помещении необходимо применять светильники взрывозащищённого исполнения.
Для данного участка выбираем тип светильника - НОГЛ-2.
Аналогично рассчитываем освещение для других помещений. Результаты
расчёта сведены в таблицу 3.1.
Таблица 3.1 - Светотехническая ведомость
3.3 Проектирование внутренних электропроводок
.3.1 Выбор схемы подключения электропроводок
Подключение электропроводки выполняется следующим образом: от
вводно-распределительного устройства (СПА77) отходят распределительные линии,
присоединяющиеся к групповым щиткам и распределительным силовым шкафам, которые
своими групповыми линиями питают электроприёмники. Осветительные щиты
запитываются через силовой распределительный шкаф. На каждый осветительный щит
в силовом распределительном пункте (шкафе) предусматривается отдельная группа.
При компоновке сети размещаем групповые щитки и распределительные шкафы в
доступных и удобно обслуживаемых местах. Приборы управления, а также щитки, с
которых производится управление освещением, размещаются так, чтобы с места их
установки были видны управляемые светильники. На рис. 3.3. приведена схема распределительной
сети в РТМ напряжением 380 В.
Рис. 3.3. Схема питающих сетей
.3.2 Выбор вводно-распределительного устройства,
коммутационной и защитной аппаратуры
В качестве вводно-распределительного устройства выбираем силовой
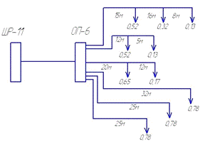
распределительный шкаф ШР-11 (рис. 3.4.). Шкаф распределительный силовой ШР-11
предназначен для приёма и распределения электрической энергии трёхфазного тока
частотой 50 Гц. Шкаф имеют рубильник на вводе и автоматические выключатели или
предохранители для защиты отходящих линий. Выбираем шкаф с номинальным рабочим
током 250 А.
Встраиваемые в шкафы автоматические выключатели на отходящих линиях
устанавливают в любом сочетанию по номинальному току расцепителя. При этом
одновременная суммарная нагрузка выключателей не должна превышать номинальный
рабочий ток шкафа.
В качестве защитных аппаратов на отходящие линии в распределительном
шкафе ШР-11 применяем автоматические выключатели серии АЕ-2000: три
автоматических выключателя типа АЕ-2056 (на силовую сеть) и два типа АЕ-2046
(на осветительную сеть).
Произведём выбор автоматических выключателей.
Автоматические выключатели выбирают по следующим условиям:
Uн.а
≥ Uн.у;(3.48)
Iн.а
≥ Iн.у;(3.49)
Iтр ≥ kн.т Ip.max;(3.50)
Iэмр
≥ kн.э Ik.max;(3.51)
где Uн.а, Uн.у - соответственно номинальное напряжение автомата и
электроустановки; Iн.a, Iн.у - номинальные токи автомата и электроустановки; Iтр.- номинальный ток теплового
расцепителя автомата; kн.т - коэффициент надёжности,
учитывающий разброс по току срабатывания теплового расцепителя, kн.т= 1,1…1,3; kн.э - коэффициент надёжности, учитывающий разброс по току
электромагнитного расцепителя (для автоматов АЕ-2000 и А-3700 kн.э =1,25, для А-3100 kн.э = 1,5); Ip.max - максимальный рабочий ток; Iэмр - ток отсечки электромагнитного
расцепителя; Ik.max - кратковременный максимальный ток.
Произведём выбор автоматического выключателя в шкафу ШР-11 для защиты
линии 1-1. Выбор тока отсечки электромагнитного расцепителя для шкафа
производится по формуле (3.52):
Iэмр ≥ kн.э∙
;(3.52)
где
Iпуск.max -
наибольший пусковой ток двигателя, питающегося от шкафа;
- сумма максимальных рабочих токов электроприёмников,
питающихся от шкафа.
Для
линии 1-1 Принимаем автомат АЕ-2056 с Iн=100 А, Iн.р=80
А. Максимальный пусковой ток будет при пуске электродвигателя компрессора Iпуск.max = 150 А.
Сумма максимальных рабочих токов
= 250 А.
Ток
отсечки электромагнитного расцепителя по формуле (3.52):
Iэмр ≥ 1,25∙
=500 А,
ток
отсечки электромагнитного расцепителя регулируется в пределах (3…15) Iн.р.
Принимаем Iэмр=7∙Iн.р=7∙80=560
А, если принять Iэмр=3∙Iн.р=3∙80=240
А, то электромагнитный расцепитель будет срабатывать ложно при пуске двигателя.
Подберём
автомат для защиты линии 4-4, питающей электродвигатели кран-балки: ток
срабатывания электромагнитного расцепителя выбираем по условию:
Iэмр ≥ kн.э∙Iпуск, (3.53)
где Iэмр - ток отсечки электромагнитного
расцепителя;
Iпуск - максимальный пусковой ток
электродвигателя;
Пусковой ток электродвигателей кран-балки (серия МТКF) выбираем по справочнику [19] Iпуск = 22 А (максимальный пусковой ток из
группы электродвигателй).
Iэмр ≥ 1,2·22 = 26,4 А,
принимаем Iн.р = 31 А, Iн.а = 63 А, Iэмр
= 3·31 =93 А.
Для остальных установок автоматы выбираем аналогично и данные заносим в
расчётную схему-таблицу 3.2.
Основу коммутационной аппаратуры составляют кнпочные посты, кнопки,
магнитные пускатели и шкафы управления электроустановками.
Произведём выбор магнитного пускателя для пуска электродвигателя
компрессора.
Магнитные пускатели выбирают по следующим условиям:
Uн.п
≥ Uн.у;(3.54)
Iн.п
≥ Iрас;(3.55)
Iн.т.р ≥ Iн.дв.;(3.56)
где Uн.п - номинальное напряжение пускателя,
В; Iн.п и Iн.дв - соответственно номинальный ток пускателя и расчётный ток
управляемой цепи; Iн.т.р - номинальный ток теплового реле.
Данным условиям удовлетворяет магнитный пускатель ПМЕ-222 с номинальным
током пускателя Iн.п = 22 А. Магнитный пускатель
комплектуют тепловым реле РТЛ-102204 с номинальным током 25 А.
Результаты выбора коммутационной и защитной аппаратуры занесены в
расчётную схему-таблицу 3.2.
.3.3 Выбор конструктивного выполнения внутренних сетей,
определение сечения проводов и кабелей
В производственных помещениях применяют преимущественно открытую
электропроводку, проложенную по поверхности стен, потолков, по фермам и другим
строительным элементам зданий и сооружений. Применяем следующие способы
прокладки кабелей: непосредственно по поверхности стен, потолков и т.п., в
стальных трубах и свободной подвеской.
Во внутренних сетях освещения используем кабель ВВГ. В участке зарядки
аккумуляторов (взрывоопасная зона класса В-Iа) в целях безопасности используем кабель ВВГ, проложенный в
стальной трубе. По способу прокладки используем тросовые проводки, выполняемые
кабелем ВВГ, подвешиваемым к предварительно натянутому тросу. Это - индустриальный
и сравнительно недорогой способ выполнения сети. Его применяют в любых условиях
среды, включая взрывоопасные зоны отдельных классов. При пролётах между
подвесками троса 6 и 12 м стрелы провеса троса должны быть соответственно
100…150 и 200…250 мм. Трос натягивают поперёк ферм. В местах, где тросовая
проводка не может быть использована, применяем способ прокладки креплением к
стене. К строительным основаниям провода и кабели крепят при помощи скоб,
стальных полос, лент или струн.
В качестве силовых кабелей используем кабель марки ВВГ. Ввод в здание
выполнен в трубе, также кабелем марки ВВГ. Способ прокладки силового кабеля
выполняем в стальной трубе и непосредственно по строительным конструкциям.
Способ прокладки в стальных трубах обеспечивает высокую надёжность сети.
Электропроводка от сварочного трансформатора к электродержателю
выполняется проводом типа ПРГД. Для питания электропривода (при передвижении
тельфера) кран-балки применяем кабель КГ4х2,5.
Основной задачей расчёта электрических сетей является определение сечения
и выбор марки проводов и кабелей.
Произведём расчёт и выбор сечения проводов и кабелей для осветительной и
силовой сети.
Расчёт можно вести несколькими методами: по потере напряжения, по
нагреву, по экономической плотности тока, по механической прочности, по
экономическим нагрузкам.
Осветительная сеть.
По допустимой потере напряжения ΔU = 3% рассчитаем площадь сечения
проводов на одном из участков осветительной сети, схема которой показана на
рисунке 3.5. Стрелочками указаны мощности электроприёмников.
Рис.
3.5. Расчётная схема осветительной сети
2. Определяем электрические моменты на каждом участке
На
вводе:
(3.57)
На группе 1:
На
группе 2:
На
группе 3:
На
группе 4:
На
группе 5:
На
группе 6:
.
Рассчитаем сечение проводов на каждом участке на вводе:
, (3.58)
принимаем сечение S =
1,5 мм2.
Сечение проверяем на нагрев: IН = P/3U = 4780/3·220 = 7,2 А.
Для выбранного сечения IДОП = 19 А, т.е. IДОП > IН, следовательно сечение S = 1,5 мм2 удовлетворяет всем условиям
выбора.
Определяем потери напряжения на первом участке
(3.59)
Допустимые
потери напряжения оставшейся сети ΔU = 3 - 0,2 =
2,8%.
На
группе 1:
принимаем сечение с запасом S = 1,5 мм2.
Сечение
проверяем на нагрев: IН1 = P/U =
970/220 = 4,4 А.
Для
выбранного сечения IДОП = 19
А, т.е. IДОП > IН1, следовательно сечение S = 1,5 мм2
удовлетворяет всем условиям выбора.
Определяем
потери напряжения на группе 1:
На
группе 2:
принимаем сечение S
= 1,5 мм2.
Сечение
проверяем на нагрев: IН2 = P/U =
650/220 = 3 А.
Для
выбранного сечения IДОП = 19
А, т.е. IДОП > IН2, следовательно сечение S = 1,5 мм2
удовлетворяет всем условиям выбора.
Определяем
потери напряжения на группе 2:
На
группе 3:
принимаем сечение S
= 1,5 мм2.
Сечение
проверяем на нагрев: IН3 = P/U =
820/220 = 3,7 А.
Для
выбранного сечения IДОП = 19
А, т.е. IДОП > IН3, следовательно сечение S = 1,5 мм2
удовлетворяет всем условиям выбора.
Определяем
потери напряжения на группе 3:
На
группе 4:
принимаем сечение S
= 1,5 мм2.
Сечение
проверяем на нагрев: IН3 = P/U =
780/220 = 3,5 А.
Для
выбранного сечения IДОП = 19
А, т.е. IДОП > IН3, следовательно сечение S = 1,5 мм2
удовлетворяет всем условиям выбора.
Определяем
потери напряжения на группе 4:
На
группе 5 и 6:
принимаем сечение S
= 1,5 мм2.
Сечение
проверяем на нагрев: IН3 = P/U =
780/220 = 3,5 А.
IДОП > IН3,
следовательно сечение S =
1,5 мм2 удовлетворяет всем условиям выбора.
Определяем
потери напряжения на группе 5 и 6:
Аналогично
рассчитываем сечение проводов осветительной сети для других участков, и
результаты расчётов заносим в расчётную схему-таблицу 3.2.
Таблица
3.2 - Расчётная схема-таблица осветительной сети
Силовая
сеть
Расчёт
сечения кабелей для питания силового оборудования проведём по потере напряжения
и по длительно допустимому току.
Произведём
расчёт сечения кабеля участка от распределительного устройства ШР-11 до
силового распределительного шкафа ШРС-1, расположенного в токарном участке.
Исходя
из допустимой потери напряжения, рассчитывают сечение по формуле (3.60):
,(3.60)
где s - сечение проводов, мм2;
Р - нагрузка линии, кВт; l
- длина линии, м; g
- удельная проводимость материала провода, м/(0м мм2). Для меди g = 53, для алюминия g = 32; U - номинальное напряжение линии, В; DU% - допустимая потеря напряжения, %.
,
Принимаем
ближайшее стандартное сечение S =4 мм2. Выбранное сечение проверяем по
длительно допустимому току:
Для
магистралей:
;(3.61)
где ко - коэффициент одновременности (ко
= 0,75); ΣIн - сумма номинальных токов
потребителей;
IДОП = 41 А, условие IДОП > IН не выполняется, следовательно выбираем сечение S =10 мм2. Для данного
сечения IДОП = 80 А, т.е. условие IДОП > IН выполняется. Произведём расчёт сечения кабеля участка 2-2,
предназначенного для питания токарного станка 16К20.
.
Принимаем сечение с запасом S =2,5 мм2.
Выбранное сечение проверяем по длительно допустимому току:
Для трехфазных электроприёмников:
;(3.62)
IДОП = 30 А, условие IДОП > IН выполняется, следовательно выбираем сечение S =2,5 мм2. Аналогично
рассчитываем сечение кабелей для других участков силовой сети, и результаты
расчётов заносим в расчётную схему-таблицу 3.3, а на плане расположения
силового оборудования (лист 4 графического материала) обозначаем марку кабеля,
число и сечение жил, длину участка, расчётную мощность, расчётный ток и способ
прокладки.
Таблица 3.3 - Расчётная схема-таблица силовой сети
.3.4 Проверка селективности работы средств защиты
При установке в цепи последовательно двух и более защитных аппаратов,
выбранные аппараты следует проверять по селективности защиты. Селективность
обеспечивается, если при каждом нарушении режима работы сети отключается только
повреждённый участок, но не срабатывают защитные аппараты в высших звеньях
сети. Селективность автоматических выключателей обеспечивается применением
селективных выключателей, имеющих выдержку времени при срабатывании отсечки.
Невозможно обеспечить селективную работу последовательно включенных
неселективных автоматических выключателей, так как время их отключения, несмотря
на различие номинальных токов, примерно одинаково. Для обеспечения
селективности работы средств защиты применяем схемы сетей с одной ступенью
селективности: выключатель питания двигателя - неселективный, выключатель
питания сборки (силового шкафа), от которой питается двигатель, - селективный,
а в качестве отключающих аппаратов на вводе в сборку применяем неавтоматические
выключатели - рубильники.
Селективность работы автоматического выключателя и магнитного пускателя
присоединения во избежание приваривания контактов пускателя раньше должен
отключиться выключатель. Такое селективное отключение обеспечивается для всех
выключателей, имеющих малое время отключения (АП, А3100, А3700Б, А3700Ф, ВА-51,
ВА-52, ВА-53, ВА-54).
В осветительной сети в нашем случае применяется дифференциальный автомат
с УЗО. Селективность работы УЗО может быть обеспечена применением модификаций
УЗО с выдержкой времени срабатывания (УЗО с индексами S или G).
Из расчётных схем-таблиц осветительной и силовой сети (табл. 3.1 и 3.2)
видно, что выбор защитных аппаратов обеспечивает их правильную, селективную
работу, т.е. в случае неисправности сработает первым ближний находящийся к
токоприёмнику защитный аппарат.
4. Разработка системы вентиляции сварочного участка
.1 Задачи вентиляции сварочного участка
Во многих отраслях промышленности сварка в настоящее время стала одним из
ведущих технологических процессов производства. В связи с резким увеличением
общего масштаба сварочных работ значительно возрастает и количество людей,
занятых при этих работах. Следовательно, вопросы обеспечения здоровых условий
труда для этой категории рабочих имеют в настоящее время важное значение. Все
виды электросварки сопровождаются выделением в воздух вредных веществ в виде
пыли и газов. Поэтому для поддержания в сварочных участках состояния воздушной
среды, отвечающего санитарно-гигиеническим требованиям, эти помещения
оборудуются вентиляцией.
Вентиляция является основным способом снижения концентрации вредных
веществ в производственных помещениях. Наиболее эффективный способ борьбы с
загрязнением воздушной среды при сварочных работах - удаление пыли и газов
непосредственно от места их образования при помощи местной вытяжной вентиляции.
При ручной электросварке на стационарных постах и участках должны применяться
наклонные панели равномерного всасывания, расположенные над сварочным столом
впереди рабочего и нижние отсосы через отверстия стола.
Доведение концентрации пыли и токсических веществ в воздухе рабочей зоны
до величин, не превышающих предельно допустимые, является основной задачей
вентиляции.
.2 Выделение вредных веществ при сварке и обоснование способа
вентиляции
В данном сварочном участке применяется в основном электродуговая сварка
(в редких случаях газовая с использованием автогена). Сварочная дуга между
электродом и основным металлом достигает высокой температуры и служит
источником тепла, необходимого для местного расплавления металла. При этом
некоторая часть электрода, флюса и металла переходит в парообразное состояние.
Образовавшиеся пары соединяются с кислородом воздуха и, охлаждаясь,
конденсируются, образуя тонкодисперсную пыль, состоящую из окислов металлов и
других элементов, входящих в состав обмазки, проволоки электродов, флюсов.
Существенное влияние на состав пыли, выделяющейся в воздушную среду, оказывают
вещества, содержащиеся в покрытиях электродов.
При сгорании 1 кг электродов образуется количество вредных веществ (в
граммах), указанное в таблице 4.1.
Таблица 4.1. - Массовый выход токсичных веществ при электросварочных
работах, г/кг сожженных электродов
|
Марка электрода
|
Валовые выделения вредных
веществ
|
|
Сварочный аэрозоль
|
Окись углерода
|
Окись азота
|
Фтористый водород
|
|
ЦМ-7
|
39
|
3,28
|
2,84
|
-
|
|
ОММ-5
|
34
|
11,15
|
3,30
|
-
|
|
УОНИ-13
|
20
|
13,30
|
2,70
|
0,367
|
|
Предельно допустимая
концентрация, мг/м3
|
-
|
20
|
5
|
-
|
В нормах для производственных помещений установлена предельно допустимая
концентрация (ПДК) пыли, содержащей окись железа с примесью фтористых или
марганцевых соединений, 4 мг/ м3. Однако процентное содержание
фтористых или марганцевых соединений в электросварочной пыли колеблется в
значительных пределах в зависимости от марки электродов. Поэтому при общей
запылённости воздуха не более 4 мг/ м3 концентрации отдельных
токсических компонентов, входящих в состав пыли, в одних случаях превышают предельно
допустимые для них значения, в других - значительно ниже их. ПДК для марганца и
его соединений в пересчёте на MnO2 равняется
0,3 мг/ м3, для фтористых соединений - 1 мг/ м3.
Если в помещении отсутствует вентиляция, концентрации пыли в воздухе,
особенно в зоне дыхания сварщика, достигают весьма значительных величин.
На рисунке 4.1. представлена кривая, выявленная из опытов [16],
характеризующая распределение пыли от сварочной дуги по горизонтали.
Рис. 4.1. Распространение пыли по помещению в горизонтальном направлении
от сварочной дуги
Из рисунка видно, что в удалении от сварщика на расстоянии двух метров и
более концентрации пыли были порядка 3 мг/ м3; на расстоянии же
0,3-0,4 м от дуги, то есть непосредственно в зоне дыхания сварщика, они
достигали 30-40 мг/ м3.
Обоснование способа вентиляции
Улавливание сварочной пыли, возникающей в процессе электродуговой сварки,
эффективно и экономично производится местным отсосом непосредственно от
сварочной дуги. Проектирование системы вентиляции начинается с прокладки трассы
воздуховодов на планах и разрезах здания. Создание длинных сложных
разветвлённых систем вентиляции приводит к потере работоспособности, т.е. такая
система не во всех помещениях обеспечивает нормативные параметры микроклимата.
Основная причина этого явления состоит в том, что большое количество местных
сопротивлений оказывает взаимное влияние друг на друга и непредсказуемо
изменяет коэффициенты местных сопротивлений. Исследования [3] показали, что
замена одной вентиляционной системы длиной l двумя системами, длиной l/2 каждая, приводит к уменьшению потерь давления в 8
раз.
В вентиляционной системе сварочного участка используем круглые
воздуховоды. По сравнению с прямоугольными воздуховодами, круглые воздуховоды
имеют наименьший периметр, следовательно, и наименьшую металлоёмкость.
Наименьший периметр обеспечивает и наименьшую силу трения воздуха о стенки
воздуховода.