Тепловая схема энергоблока К-330 ТЭС

  • Вид работы:
    Дипломная (ВКР)
  • Предмет:
    Физика
  • Язык:
    Русский
    ,
    Формат файла:
    MS Word
    1,36 Мб
  • Опубликовано:
    2012-08-06
Вы можете узнать стоимость помощи в написании студенческой работы.
Помощь в написании работы, которую точно примут!

Тепловая схема энергоблока К-330 ТЭС

 

 

 

 

 

 

 

 

 

 

 

 

 

 

Блок К-330 ТЭС

 

СОДЕРЖАНИЕ

Введение

ТЕХНОЛОГИЧЕСКАЯ ЧАСТЬ

ГЛАВА 1. Расчет принципиальной тепловой схемы энергоблока

1.1    Построение процесса расширения пара в турбине

.2      Распределение регенеративного подогрева конденсата в группе ПВД

.3      Распределение регенеративного подогрева конденсата в группе ПНД

.4      Определение долей расхода пара на подогреватели и в конденсатор

.5      Определение расходов пара и воды

.6      Энергетические показатели энергоблока

ГЛАВА 2. Выбор основного и вспомогательного оборудования

2.1 Описание тепловой схемы

.2 Выбор турбины

.3 Выбор парового котла

.4 Выбор оборудования для системы пылеприготовления

.5 Выбор типа мельниц

.6 Выбор схемы приготовления

.7 Выбор числа и производительности мельниц

.8 Выбор тягодутьевых машин

.8.1 Выбор дутьевых вентиляторов

.8.2 Выбор дымососов

.9 Выбор насосов

.9.1 Выбор питательного насоса

.9.2 Выбор конденсатного насоса

.9.3 Выбор циркуляционного насоса

.10 Выбор конденсатора

.11 Выбор оборудования системы регенеративных подогревателей

.11.1 Выбор ПНД

.11.2 Выбор ПВД

.12 Выбор деаэратора питательной воды

КОНСТРУКТОРСКАЯ ЧАСТЬ

ГЛАВА 3. Расчет подогревателя низкого давления с охладителем пара

3.1 Описание подогревателя низкого давления ПН-1100-25-6-I

.2 Исходные данные

.3 Конструкторский расчет подогревателя низкого давления

.3.1 Расчет собственно подогревателя

.3.2 Расчет охладителя пара

.4 Гидравлический расчет

.5 Расчет на прочность

ИНДИВИДУАЛЬНОЕ ЗАДАНИЕ

ГЛАВА 4. Сравнение схем включения ПНД в систему регенеративного подогрева

Заключение

Список литературы

ВВЕДЕНИЕ


Энергетика является важнейшей и необходимой отраслью экономики России. Энергетика переживает в последнее время наиболее сложный период в своем существовании и развитии. Производство электроэнергии является одним из главных показателей экономического уровня страны и отражает общее состояние производственных сил.

Кризис неплатежей и постоянный рост цен на топливо и оборудование, острая нехватка средств приводят к ухудшению технической базы на энергопроизводстве, которое совместно с человеческим фактором зачастую приводит к различного рода аварийным ситуациям, а иногда и к травматизму и гибели обслуживающего персонала. Все это приводит к необходимости повышения требований к подготовке структурно-технологических решений к методам управления, а также усилению контроля за экономическими и экологическими показателями станции, заставляет искать решения и подходы к снижению производственных затрат за счет внедрения передовых технологий и совершенствование имеющихся. Решение некоторых проблем отрасли возможно за счет увеличения государственной поддержки, более уточненного планирования, рационального использования имеющихся ресурсов, сотрудничества с ведущими научными институтами отрасли, изучения, испытания и внедрения последних разработок.

Изменение формы собственности энергетических объектов, общий недостаток средств заставили предприятия энергетического комплекса обходиться собственными силами. Предприятия вынуждены получать необходимые средства на развитие и реконструкцию оборудования из собственной прибыли. В этих условиях стала необходима экономия на всевозможных издержках, ресурсах и снижения потерь. Для выполнения поставленных задач становиться необходимым разработка и внедрение новейших технологий, которые позволяют получать заметный экономический и экологический эффект.

ТЕХНОЛОГИЧЕСКАЯ ЧАСТЬ

 

Г Л А В А 1. Расчет принципиальной тепловой схемы энергоблока


Исходные данные для выполнения расчета:

Мощность турбоустановки N = 330 МВт

Начальное давление пара р0 = 23,50 МПа

Начальная температура пара t0 = 540 °C

Давление пара после промперегрева рпп = 3,90 МПа

Температура пара после промперегрева tпп = 540 °C

Конечное давление рк = 0,0035 МПа

Температура питательной воды tпв = 270 °C

Давление пара в деаэраторе рд = 0,68 МПа

Внутренние относительные КПД турбины по отсекам ηoiЧВД = 0,85

ηoiЧСД = 0,92

ηoiЧНД = 0,83

Величина утечек пара и конденсата αут = 0,015

Число регенеративных подогревателей, в том числе

ПВД 3 шт

ПНД (без учета деаэратора) 4 шт: (3 поверхностных, 1 смешивающий)

Недогревы в ПВД θПВД = 1 °С

Недогревы в ПНД θПНД = 3 °С

Схема включения деаэратора - на собственном отборе, питательный насос имеет турбопривод, с противодавлением в 6-й отбор. Вид топлива -Березовский уголь. Метод подготовки питательной воды - химический.

Рис 1.1 Принципиальная тепловая схема блока.

.1 Построение процесса расширения пара в турбине

 

.Точка 0

По р0 = 23,5 МПа и t0 = 540 0C

Находим по [3]: h0 = 3323,47 кДж/кг0 = 6,187 кДж/(кг∙К)

2.Точка 0’

Учтем потери в стопорных и регулирующих клапанах ЦВД 3%:

р١0 = ً0∙0,97 = 23,5∙0,97 = 22,8 جدà ١0 = h0 = 3323,47 êؤوم

حàُîنèى ïî ‎ٍèى çيà÷هيèےى يًٍîïè‏ S١0 = 6,199 êؤو/(êمت)

3.زî÷êà 20t

دًîِهٌٌ ًàٌّèًهيèے ïàًà àنèàلàٍيûé S20t = S١0 = 6,199 êؤو/(êمت)

حàُîنèى ïî S20t è نàâëهيè‏ ïًîىïهًهمًهâà ًïï = 3,9 جدà20t = 2864,36 êؤوم

4.زî÷êè 20

آ ًهàëüيîى ïًîِهٌٌه ًàٌّèًهيèے يٍàëüïèے ïàًà يà âûُîنه èç ×آؤ يàُîنèٌٍے ٌ َ÷هٍîى ηoi_ضآؤ = 0,85:20=h١0oi_ضآؤ∙(h١0-h20t) = 3323,47-0,85∙(3323,47-2864,36) = 2933,23 êؤوم

فيًٍîïèے ïàًà يà âûُîنه èç ×آؤ S20 = 6,324 êؤو/(êمت)

5.زî÷êà 2

دًèيèىà‏ ïîٍهًè نàâëهيèے ïàًà â ًٍàêٍه ïًîىïهًهمًهâà 10%. زîمنà:

ذ2 = 0,9∙ًïï = 0,9∙3,9 = 3,51 جدà

زهىïهًàًٍَà ïًîىïهًهمًهâà tïï = 540 0C

فيٍàëüïèے ïàًà ïîٌëه ïًîىïهًهمًهâà h2 = 3541,41 êؤوم

فيًٍîïèے ïàًà ïîٌëه ïًîىïهًهمًهâà S2 = 7,271 êؤو/(êمت)

.زî÷êà 2t

دًèيèىà‏ نàâëهيèه ïàًà يà âûُîنه èç ×رؤ ً6 = 0,25 جدà

دî S2t = S2 = 7,271 êؤو/(êمت) è ً6 = 0,25 جدà يàُîنèى يٍàëüïè‏ ïàًà يà âûُîنه èç ×رؤ: 2t = 2808,74 êؤوم

7.زî÷êà 6

آ ًهàëüيîى ïًîِهٌٌه ًàٌّèًهيèے يٍàëüïèے ïàًà يà âûُîنه èç ×رؤ يàُîنèٌٍے ٌ َ÷هٍîى ηoi_ضرؤ = 0,92:

6= h2oi_ضرؤ∙( h2-h2t) = 3541,41 -0,92∙(3541,41 -2808,74) = 2867,35 êؤوم

 

.زî÷êà 6’

س÷ٍهى ïîٍهًè â ًهâهًٌèâيûُ ًٍَلàُ ىهونَ ×رؤ è ×حؤ 2%:

ً6 = 0,98∙ً6 = 0,98∙0,25 = 0,245 جدà

فيٍàëüïèے ïàًà h١6 = 2867,35 êؤوم

فيًٍîïèے ïàًà S١6 = 7,408 êؤو/(êمت)

9.زî÷êà kt

دî نàâëهيè‏ ïàًà â êîينهيٌàٍîًه ًê = 0,0035 جدà è Skt = S١6 = 7,408 êؤو/(êمت) يàُîنèى يٍàëüïè‏ ïàًà â êîيِه èنهàëüيîمî ïًîِهٌٌà ًàٌّèًهيèے ïàًà â ×حؤ:kt = 2212 êؤوم

آ ًهàëüيîى ïًîِهٌٌه ًàٌّèًهيèے يٍàëüïèے ïàًà يà âûُîنه èç ×حؤ يàُîنèٌٍے ٌ َ÷هٍîى ηoi_ضحؤ = 0,83:

ê1= h6oi_ضحؤ∙(h6- hkt) = 2867,35 -0,83∙(2867,35-2212) = 2323,35 êؤوم

آ çàنàيèè ηoi_ضحؤ çàنàي نëے ٌَُîمî ïàًà. حàéنهى تدؤ ×حؤ ٌ َ÷هٍîى âëàويîٌٍè.

حà ëèيèè يàٌûùهيèے ٌٍهïهيü ٌَُîٌٍè xي = 1

رٍهïهيü ٌَُîٌٍè â ٍî÷êه kt: xê = 0,908


خïًهنهëèى يٍàëüïè‏ è ‎يًٍîïè‏ ïàًà â ٍî÷êه ïهًهٌه÷هيèے ٌ ëèيèهé يàٌûùهيèے:ُ=1 = 2652 êؤومُ=1 = 7,54 êؤو/(êمت)

دî Sُ=1 = 7,54 êؤو/(êمت) è ًê = 0,0035 جدà يàُîنèى يٍàëüïè‏ ïàًà:k1t = 2260 êؤوم

فيٍàëüïèے â ٍî÷êه ê2:

 =  êؤوم

رٍهïهيü ٌَُîٌٍè ُê2 = 0,913

دîâٍîًيàے èٍهًàِèے:

 =  êؤوم

رٍهïهيü ٌَُîٌٍè ُ = 0,913

دًèيèىà‏  

 êؤوم

xê = 0,913

فيٍàëüïèے âîنû يà ëèيèè يàٌûùهيèے ïًè ًê = 0,0035 جدà

 êؤوم

.2 ذàٌïًهنهëهيèه ًهمهيهًàٍèâيîمî ïîنîمًهâà êîينهيٌàٍà â مًَïïه دآؤ

 

.زî÷êà 1

زهىïهًàًٍَà âîنû çà ïîنîمًهâàٍهëهى دآؤ-1:â1 = tïâ = 270 °C

ؤàâëهيèه âîنû çà ïîنîمًهâàٍهëهى:

ًâ1 = ًïâ = (1,3-1,4)∙ً0 = 29,64-31,92 = 30,55 جدà

حàُîنèى يٍàëüïè‏ âîنû çà ïîنîمًهâàٍهëهى: hâ1 = 1185,1 êؤوم

زهىïهًàًٍَà يàٌûùهيèے â ïîنîمًهâàٍهëه:

ي1 = tïâدآؤ = 270+1 = 271 °C

فيٍàëüïèے âîنû يà ëèيèè يàٌûùهيèے:ي1 = 1190,2 êؤوم

ؤàâëهيèه âîنû يà ëèيèè يàٌûùهيèے:

ًي1 = 5,59 جدà

س÷ٍهى ïîٍهًنàâëهيèے â ïàًîïًîâîنàُ îٍلîًà 5%

دàًàىهًٍû ïàًà â îٍلîًه:

ً1 = 1,05∙ًي1 = 1,05∙5,59 = 5,87 جدà1 = 3012 êؤوم1 = 340 °C

11.زî÷êà 2

ؤàâëهيèه â îٍلîًه ً2 = 3,9 جدà

دî hS-نèàمًàىىه يàُîنèى يٍàëüïè‏ è ٍهىïهًàًٍََ ïàًà â îٍلîًه:2 = 2933,33 êؤوم2 = 289 °C

ؤàâëهيèه يàٌûùهيèے âîنû â دآؤ-2:

ًي2 = ً2∙0,95 = 3,95∙0,95 = 3,705 جدà

دî نàâëهيè‏ يàٌûùهيèے âîنû يàُîنèى ٍهىïهًàًٍََ è ‎يٍàëüïè‏: ي2 = 245,78 °Cي2 = 1065,2 êؤوم

زهىïهًàًٍَà âîنû çà دآؤ-2:

â2 = tي2دآؤ = 245,78-1 = 244,78 °C

دîٍهًے نàâëهيèے âîنû çà دآؤ ïًèيèىà‏ 0,5 جدà

ؤàâëهيèه âîنû çà دآؤ-2:

ًâ2 = ًâ1+0,5 = 30,55+0,5 = 31,05 جدà

حàéنهى يٍàëüïè‏ âîنû çà دآؤ-2:â2 = 1065 êؤوم

خïًهنهëهيèه يàمًهâîâ ïèٍàٍهëüيîé âîنû â دآؤ-2 è دآؤ-3

حàمًهâ âîنû â دآؤ-2:

τ2 = 1,5∙τ3

حàمًهâ âîنû â دآؤ-3:

τ3+ τ2 = hâ2- hâïي

hâïي = hâ4+Δτïي

ؤàâëهيèه â نهà‎ًàٍîًه ًن = 0,68 جدà

فيٍàëüïèے âîنû يà âُîنه â نهà‎ًàٍîً hâ4 = 694 êؤوم

حàمًهâ âîنû â ïèٍàٍهëüيîى يàٌîٌه:

ًïâ = ًâ2+1 = 31,05+1 = 32,05 جدà

 êؤوم

âïي = 692+40,59 =732,59 êؤوم

τ2 = 1,5∙ τ3

τ3+ τ2 = 1065-732,59

ذهّàے ٌèٌٍهىَ ًَàâيهيèé, ïîëَ÷àهى:

τ3 = 133 êؤوم

τ2 = 199,5 êؤوم

خïًهنهëهيèه يàمًهâà ïèٍàٍهëüيîé âîنû â دآؤ-1

حàمًهâ âîنû â دآؤ-1:

τ1 = h1- hâ2 = 1185,1-1065 = 120,1 êؤوم

زهىïهًàًٍَà نًهيàوà يà âûُîنه èç دآؤ-1:

نً1 = tâ1+ؤt = 270+10 = 280 °C

فيٍàëüïèے نًهيàوà hنً1 = 1236,7 êؤوم

سًàâيهيèه ٍهïëîâîمî لàëàيٌà نëے دآؤ-1:

α1∙( h1-hنً1)∙ηدآؤ1 = αïâ∙( hâ1-hâ2)


ؤîëے ًàٌُîنà ïèٍàٍهëüيîé âîنû â êîٍهë:

αïâ = αٍَ0 = 0,015+1 = 1,015

 

.زî÷êà 3 (دآؤ-3)

ؤàâëهيèه âîنû يà âûُîنه èç دآؤ-3

ًâ3 = ًâ2+0,5 = 31,05+0,5 = 31,55 جدà

فيٍàëüïèے âîنû يà âûُîنه èç ïîنîمًهâàٍهëے:

hâ3 = hâ2- τ2 = 1065-199,5 = 865,5 êؤوم

زهىïهًàًٍَà âîنû يà âûُîنه èç ïîنîمًهâàٍهëے: tâ3 = 203 °C

زهىïهًàًٍَà يàٌûùهيèے: tي3 = tâ3+ θدآؤ = 203+1 = 204 °C

ؤàâëهيèه يàٌûùهيèے يàُîنèى ïî tي3: ًي3 = 1,6891 جدà

فيٍàëüïèے يàٌûùهيèے: hي3 = 870,3 êؤوم

ؤàâëهيèه ïàًà â îٍلîًه: ً3 = ًي3∙1,05 = 1,6891∙1,05 = 1,774 جدà

دî hS-نèàمًàىىه يàُîنèى يٍàëüïè‏ è ٍهىïهًàًٍََ ïàًà â îٍلîًه:3 = 3316 êؤوم3 =430°C

فيٍàëüïè‏ نًهيàوà çà دآؤ-3 يàُîنèى ïî tنً3 = tâ3+ؤt = 203+10 = 213 °Cنً3 = 911,4 êؤوم

سًàâيهيèه ٍهïëîâîمî لàëàيٌà نëے دآؤ-2:

1∙( hنً1-hنً2)+ α2∙( h2-hنً2)) ∙ηدآؤ2 = αïâ∙( hâ2-hâ3)

 

حàُîونهيèه èينèôôهًهيٍيîé ٍî÷êè

 [7]

=(hïï-h2)∙(α012)=(3541,41-2933,23)∙(1-0,0644-0,0726)=524,86 êؤوم

 êؤوم

فيٍàëüïèے èينèôôهًهيٍيîé ٍî÷êè

è = h2- = 3541,41-94,47 = 3446,9 êؤوم

دî hS-نèàمًàىىه يàُîنèى çيà÷هيèه نàâëهيèے èينèôôهًهيٍيîé ٍî÷êè:

ًè = 2,6 جدà

13.زî÷êà 4 (نهà‎ًàٍîً)

ؤàâëهيèه â نهà‎ًàٍîًه ًâ4 = 0,68 جدà

دî ًâ4 = 0,68 جدà يàُîنèى ٍهىïهًàًٍََ âîنû â نهà‎ًàٍîًه tâ4 =163,79 °C

زهىïهًàًٍَà يàٌûùهيèے tي4 = tâ4=163,79 °C

ؤàâëهيèه يàٌûùهيèے ًي4 = ًâ4 = 0,68 جدà

فيٍàëüïèے يàٌûùهيèے hي4 = hâ4 =692,1 êؤوم

ؤàâëهيèه â îٍلîًه ً4 = 1,3∙ًي4 = 1,3∙0,68 = 0,884 جدà

دî hS-نèàمًàىىه يàُîنèى يٍàëüïè‏ ïàًà â îٍلîًه h4 =3148 êؤوم

ب ٍهىïهًàًٍََ t4=335 °C

.3 ذàٌïًهنهëهيèه ًهمهيهًàٍèâيîمî ïîنîمًهâà êîينهيٌàٍà â مًَïïه دحؤ

 

.زî÷êà 5 (دحؤ-4)

زهىïهًàًٍَà âîنû يà âûُîنه èç دحؤ-4:

â5 = tâ4-20 = 163,79-20 =143,79 °C

زهىïهًàًٍَà يàٌûùهيèے: tي5 = tâ5+ θدحؤ = 143,79 +3 = 146,79 °C

ؤàâëهيèه يàٌûùهيèے يàُîنèى ïî tي5: ًي5 = 0,436 جدà

فيٍàëüïèے يàٌûùهيèے: hي5 = 618,4 êؤوم

ؤàâëهيèه ïàًà â îٍلîًه: ً5 = ًي5∙1,05 = 0,436 ∙1,05 = 0,458 جدà

دî hS-نèàمًàىىه يàُîنèى يٍàëüïè‏ è ٍهىïهًàًٍََ ïàًà â îٍلîًه:3 = 2996 êؤوم3 =266°C

دًèيèىà‏ نàâëهيèه çà تح1 2,5 جدà, à ïîٍهًنàâëهيèے â êàونîى ïîâهًُيîٌٍيîى دحؤ Δًدحؤ = 0,1 جدà.

زîمنà نàâëهيèه âîنû çà ïîنîمًهâàٍهëهى ًâ5 = 2,5-2∙0,1 = 2,3 جدà

دî ًâ5 è tâ5 يàُîنèى يٍàëüïè‏ âîنû çà دحؤ-4: hâ5 = 606,69 êؤوم

فيٍàëüïèے نًهيàوà: hنً5 = hي5 = 618,4 êؤوم

حàمًهâ âîنû â نهà‎ًàٍîًه:

τ4 = hâ4- hâ5 = 692,1-606 = 86,1 êؤوم

 

خïًهنهëهيèه يàمًهâîâ âîنû â دحؤ ىهٍîنîى ًàâيîمî ïîنîمًهâà

 êؤوم

τ5 = τ6 = τ7 = τ8 =

 

.زî÷êà 6 (دحؤ-3)

فيٍàëüïèے âîنû يà âûُîنه èç ïîنîمًهâàٍهëے:

â6 = hâ5- τ6 = 692,1-123,6 = 483,09 êؤوم

ؤàâëهيèه âîنû يà âûُîنه èç ïîنîمًهâàٍهëے:

ًâ6 = ًâ5+0,1 = 2,3+0.1=2,4 جدà

زهىïهًàًٍَà âîنû يà âûُîنه èç ïîنîمًهâàٍهëے: tâ6 = 114,8 °C

زهىïهًàًٍَà يàٌûùهيèے: tي6 = tâ6+ θدحؤ = 114,8+3 = 117,8 °C

ؤàâëهيèه يàٌûùهيèے يàُîنèى ïî tي6: ًي6 = 0,186 جدà

فيٍàëüïèے يàٌûùهيèے: hي6 = 495,3 êؤوم

فيٍàëüïè‏ نًهيàوà çà دحؤ-3 يàُîنèى ïî tنً6=tâ6+ؤt =114,8+10=124,8 °Cنً6 = 492,5 êؤوم

ؤàâëهيèه ïàًà â îٍلîًه: ً6 = ًي6∙1,07 = 0,186 ∙1,07 = 0,2 جدà

دî hS-نèàمًàىىه يàُîنèى يٍàëüïè‏ è ٍهىïهًàًٍََ ïàًà â îٍلîًه:6 =2870 êؤوم6 =198 °C

16.زîê÷à 7 (دحؤ-2)

فيٍàëüïèے âîنû يà âûُîنه èç ïîنîمًهâàٍهëے:

â7 = hâ6- τ7 = 483,09 -123,6 = 359,5 êؤوم

زهىïهًàًٍَà âîنû يà âûُîنه èç ïîنîمًهâàٍهëے: tâ7 = tي7 = 85,5 °C

ؤàâëهيèه يàٌûùهيèے يàُîنèى ïî tي7: ًي7 = 0,057 جدà

ؤàâëهيèه âîنû يà âûُîنه èç ïîنîمًهâàٍهëے: ًâ7 = 2,4 جدà

ؤàâëهيèه ïàًà â îٍلîًه: ً7 = ًي7∙1,05 = 0,057 ∙1,05 = 0,06 جدà

دî hS-نèàمًàىىه يàُîنèى يٍàëüïè‏ è ٍهىïهًàًٍََ ïàًà â îٍلîًه:7 =2660 êؤوم7 =90 °C

17.زî÷êà 8 (دحؤ-1)

فيٍàëüïèے âîنû يà âûُîنه èç ïîنîمًهâàٍهëے:

â8 = hâ7- τ8 = 359,5 -123,6 = 236,3 êؤوم

دî ًâ8 = 2,5 جدà è hâ8 يàُîنèى ٍهىïهًàًٍََ âîنû يà âûُîنه èç ïîنîمًهâàٍهëے: â8 = 55,8 °C

زهىïهًàًٍَà يàٌûùهيèے âîنû: tي8 = tâ8+ θدحؤ = 55,8+3 = 58,8 °C

دî ٍهىïهًàًٍَه يàٌûùهيèے يàُîنèى ïî [3] نàâëهيèه يàٌûùهيèے:

ًي8 = 0,0189 جدà

فيٍàëüïèے يàٌûùهيèے: hي8 = 246,1 êؤوم

ؤàâëهيèه ïàًà â îٍلîًه: ً8 = ًي8∙1,05 = 0,0189 ∙1,05 = 0,0198 جدà

فيٍàëüïè‏ نًهيàوà: hنً8 = hي8 = 246,1 êؤوم

فيٍàëüïèے ïàًà â îٍلîًه: h8 = 2560 êؤوم

ذèٌ. 1.2 دًîِهٌٌ ًàٌّèًهيèے ïàًà â ًٍَلèيه

ذàٌ÷هٍ ًٍَلîïًèâîنà

ؤàâëهيèه ïàًà يà âُîنه â ًٍَلîïًèâîن:

ًٍïâُ = ً3-0,15∙ً3 = 1,744-0,15∙1,744 = 1,5079 جدà

فيٍàëüïèے ïàًà يà âُîنه â ًٍَلîïًèâîن: hٍïâُ = h3 = 3316 êؤوم

ؤàâëهيèه ïàًà يà âûُîنه èç ًٍَلîïًèâîنà:

ًٍïâûُ = ً6'+0,15∙ً6' = 0,2+0,15∙0,2 = 0,23 جدà

فيٍàëüïèے ïàًà يà âûُîنه èç ًٍَلîïًèâîنà (ٍهîًهٍè÷هٌêàے):ٍïtâûُ = 2836 êؤوم

ذهàëüيîه çيà÷هيèه يٍàëüïèè ïàًà يà âûُîنه èç ًٍَلîïًèâîنà:

ٍïâûُ = hٍïâُoiٍï∙( hٍïâُ- hٍïtâûُ) = 3316-0,86∙(3316-2836) = 2903,2 êؤوم

.4 خïًهنهëهيèه نîëهé ًàٌُîنà ïàًà يà ïîنîمًهâàٍهëè è â êîينهيٌàٍîً

 

دآؤ-3



αïâ, hâ3

α3, h3


α1+ α2, hنً3 hنً3

 

 

سًàâيهيèه ٍهïëîâîمî لàëàيٌà:

α3∙( h3- hنً3)∙ηدآؤ3+( α1+ α2)∙( hنً2- hنً3) ∙ηدآؤ3 = αïâ∙( hâ3- hïيâûُ)

= 0,0507

ؤهà‎ًàٍîً

 

α4, h4

α3, hنً3 αêن, hâ5

 

 

 

 

αïâ, hي4

سًàâيهيèه ٍهïëîâîمî لàëàيٌà:

αïâ∙hي4 = α4∙h4+(α1+ α2+ α3)∙hنً3+ αêن∙hâ5

سًàâيهيèه ىàٍهًèàëüيîمî لàëàيٌà:

αïâ = α4+ α1+ α2+ α3+ αêن

,015∙692,1 = α4∙3148+(0,0644+0,0726+0,0507)∙736,8+ αêن

1,015 = α4+0,0644+0,0726+0,0507+ αêن

ذهّà‏ ٌèٌٍهىَ ًَàâيهيèé, ïîëَ÷àهى:

αêن = 0,8026

α4 =0,0247

دحؤ-4

 

α5, h5

αêن, hâ5 αêن, hâ6

 

 

α5, hنً5

سًàâيهيèه ٍهïëîâîمî لàëàيٌà:

α5∙( h5- hنً5)∙ηدحؤ4 = αêن∙( hâ5- hâ6)

 

دحؤ-3

 

α6, h6

αêن, hâ6 αêن, hâ7

 

 

α5, hنً5 α6, hنً6

سًàâيهيèه ٍهïëîâîمî لàëàيٌà:

α6∙( h6- hنً6)∙ηدحؤ3+ α5∙( hنً5- hنً6)∙ηدحؤ3 = αêن∙( hâ6- hâ7)

 

دحؤ-2

 

α7, h7

αêن, hâ7 αêن', hâ8

α6, hنً6

 

سًàâيهيèه ٍهïëîâîمî لàëàيٌà:

α7∙h7+( α56)∙hنً6+ αêن'∙hâ8= αêن∙hâ7

سًàâيهيèه ىàٍهًèàëüيîمî لàëàيٌà:

α7+ α6+ α5 + αêن' = αêن

αêن' = αêن- α7- α65

α7∙2660+(0,0396+0,0419)∙493,09+ αêن'∙236,3 = 0,8026∙359,5

ذهّàے ٌèٌٍهىَ ًَàâيهيèé, ïîëَ÷àهى:

α7 = 0,0244

αêن' = 0,6967

دحؤ-1


α8, h8

αêن', hâ8 αêن', hê'

α8, hنً8

سًàâيهيèه ٍهïëîâîمî لàëàيٌà:

α8∙( h8-hنً8) = αêن'∙( hâ8-hê')

 

زًَلîïًèâîن


جàٍهًèàëüيûé لàëàيٌ êîينهيٌàٍîًà:

αêٌâهًَُ = α012-(α3ٍï)-α45-(αٍï6)-α78 = 1-0,0644-0,0726-0,0507-0,1008-0,0247-0,0419-0,0396+0,1008-0,0244-0,0374 = 0,6443

αêٌيèçَ = αêن'- αنâ- α8 = 0,6967-0,015-0,01-0,0374 =0,6443


زàلëèِà 1.2. ذàٌ÷هٍ ïًèâهنهييîمî ٍهïëîïهًهïàنà حïً

خٌٍهêè

ذàٌُîن αij ÷هًهç îٌٍهêè

زهïëîïهًهïàن â îٌٍهêه, êؤوم

αij∙Δhij, êؤوم

0'-1

α0' = α0 = 1

Δh0'1 = h0'- h1=3323,47-3012=311,47

311,47

1-2

α12 = α0- α1 = 1-0,0644=0,9356

Δh12 = h1- h2=3012-2933,33=78,67

73,60

ïï-3

αïï3 = α12- α2 = 0,9356-0,0726=0,863

Δhïï3 = hïï- h3=3541,41-3316=225,41

194,53

3-4

α34 = αïï3- α3- αٍï = 0,863-0,1368-0,1008=0,6254

Δh34 = h3- h4=3316-3148=168

105,07

4-5

α45 = α34- α4 = 0,6254-0,0247=0,6007

Δh45 = h4- h5=3148-2996=152

91,31

5-6'

α56' = α45- α5 = 0,6007-0,0419=0,5588

Δh56' = h5- h6'=2996-2870=126

70,41

6'-7

α6'7 = α56'- α6+ αٍï = 0,6007-0,0465+0,1008=0,6131

Δh6'7 = h6'- h7=2870-2660=210

128,75

7-8

α78 = α6'7 '- α7 = 0,6131-0,0244=0,5887

Δh78 = h7- h8=2660-2560=100

58,87

8-ê

α = α78 '- α8 = 0,5887-0,0374=0,5513

Δh = h8- hê=2560-2340=220

121,29

Σ αij∙Δhij = 1200,25 êؤوم

.5 خïًهنهëهيèه àلٌîë‏ٍيûُ ًàٌُîنîâ ïàًà

ہلٌîë‏ٍيûé ًàٌُîن ïàًà â مîëîâَ ًٍَلèيû [7]:

1 = α1∙D0 = 0,644∙1020 = 65,7 ٍ2 = α2∙D0 = 0,0726∙1020 = 74,1 ٍ3 = α3∙D0 = 0,1368∙1020 = 139,5 ٍ4 = α4∙D0 = 0,0247∙1020 = 25,2 ٍ5 = α5∙D0 = 0,0419∙1020 = 42,7 ٍ6 = α6∙D0 = 0,0465∙1020 = 47,4 ٍ7 = α7∙D0 = 0,0244∙1020 = 24,9 ٍ8 = α8∙D0 = 0,0374∙1020 = 38,1 ٍٍï = αٍï∙D0 = 0,1008∙1020 = 102,8 ٍٍَ = αٍَ∙D0 = 0,015∙1020 = 15,3 ٍïâ = αïâ∙D0 = 1,015∙1020 = 1036,3 ٍïï = αïï∙D0 = 0,863∙1020 = 881,1 ٍ

.6 خïًهنهëهيèه يهًمهٍè÷هٌêèُ ïîêàçàٍهëهé ‎يهًمîلëîêà

ذàٌُîن ٍهïëîٍû يà ًٍَلîٌٍَàيîâêَ [7]:

ٍَ=D0·(h0-hïâ)+Dïï·(hïï-h2) = 1020·(3323,47-1185,1)+881,1·(3541,41-2933,33) = 2717 أؤو

ذàٌُîن ٍهïëîٍû يà âûًàلîٍêَ ‎ëهêًٍî‎يهًمèè:ٍَ = Qٍَ = 2717 أؤو

سنهëüيûé ًàٌُîن ٍهïëîٍû ًٍَلîٌٍَàيîâêè يà âûًàلîٍêَ ‎ëهêًٍî‎يهًمèè:


تدؤ ًٍَلîٌٍَàيîâêè ïî âûًàلîٍêه ‎ëهêًٍî‎يهًمèè:

ہلٌîë‏ٍيûé ‎ëهêًٍè÷هٌêèé تدؤ ًٍَلîٌٍَàيîâêè:


تدؤ لًٍٍَî ‎يهًمîلëîêà:


تدؤ يهٍٍî ‎يهًمîلëîêà:


سنهëüيûé ًàٌُîن ٍهïëîٍû ‎يهًمîلëîêà يهٍٍî:


تîëè÷هٌٍâî ٍهïëîٍû ٍîïëèâà يà ïàًîâîé êîٍهë:


×àٌîâûه ًàٌُîنû ٌَëîâيîمî è يàًٍَàëüيîمî ٍîïëèâ:


سنهëüيûé ًàٌُîن ٌَëîâيîمî ٍîïëèâà:


أثہآہ 2. آûلîً îٌيîâيîمî è âٌïîىîمàٍهëüيîمî îلîًَنîâàيèے

.1 خïèٌàيèه ٍهïëîâîé ٌُهىû

فيهًمîلëîê ىîùيîٌٍü‏ 330 جآٍ âêë‏÷àهٍ â ٌهلے: ًٍَلèيَ ت-330-240 ىîùيîٌٍü‏ 330 جآٍ ًٍهُِèëèينًîâَ‏, èىههٍ 8 ًهمهيهًàٍèâيûُ îٍلîًîâ. تîٍهë ïًےىîٍî÷يûé يà ٌâهًُêًèٍè÷هٌêèه ïàًàىهًٍû, ًàلîٍà‏ùèé يà لهًهçîâٌêîى َمëه. دèٍàٍهëüيûé يàٌîٌ ٌ ًٍَلîïًèâîنîى, ٌُهىà âêë‏÷هيèے ïًèâîنيîé ًٍَلèيû - ٌ ïًîٍèâîنàâëهيèهى â ّهٌٍîé îٍلîً. 2 êîينهيٌàٍيûُ يàٌîٌà. ؤهà‎ًàٍîً ïîâûّهييîمî نàâëهيèے. رُهىà âêë‏÷هيèے نهà‎ًàٍîًà - يà ٌîلٌٍâهييîى îٍلîًه. ×èٌëî ًهمهيهًàٍèâيûُ ïîنîمًهâàٍهëهé - 8: 3 دآؤ è 4 دحؤ (3 ïîâهًُيîٌٍيûُ è 1 ٌىهّèâà‏ùèé). رُهىà ٌëèâà نًهيàوà êàٌêàنيàے.

.2 آûلîً ًٍَلîàمًهمàٍà

اàنàييàے ىîùيîٌٍü ًٍَلîàمًهمàٍà N=330 جآٍ

حà÷àëüيûه ïàًàىهًٍû ïàًà ً0=23.5 جدà, t0 =540 °ر

دàًàىهًٍû ïًîىïهًهمًهâà ًïï=3.9 جدà, tïï =540 °ر

تîيه÷يîه نàâëهيèه ًê=0.0035 جدà

آûلèًà‏ ًٍَلèيَ ت-330-240-2.

تîينهيٌàِèîييàے ًٍَلèيà ت-330-240-2 ٌ ىîùيîٌٍü‏ 330 جآٍ ٌïًîهêٍèًîâàيà يà ïàًàىهًٍû ٌâهوهمî ïàًà 23.5 جدà (235 êمى2) è 5400ر. دîٌëه ضآؤ îٌَùهٌٍâëےهٌٍے ïًîىهوٍَî÷يûé ïهًهمًهâ ïàًà نî ٍهىïهًàًٍَû 5400ر. ذàٌ÷هٍيîه نàâëهيèه â êîينهيٌàٍîًه ٌîٌٍàâëےهٍ 0.0035 جدà.

زًَلèيà âûïîëيهيà ًٍهُِèëèينًîâîé ٌ 29 ٌٍَïهيےىè: ضآؤ, ضرؤ è ضحؤ. ذهمَëèًîâàيèه ًٍَلèيû - ٌîïëîâîه. آ ِèëèينًه âûٌîêîمî نàâëهيèے (ضآؤ) - 12 ٌٍَïهيهé (èç يèُ îنيà ًهمَëèًَ‏ùàے), ِèëèينً ًٌهنيهمî نàâëهيèے (ضرؤ) èىههٍ 12 ٌٍَïهيهé, ِèëèينً يèçêîمî نàâëهيèے (ضحؤ) ًٍهُïîٍî÷يûé - ïî 5 ٌٍَïهيهé. زًَلèيà èىههٍ 8 ًهمهيهًàٍèâيûُ îٍلîًîâ.

رâهوèé ïàً îٍ êîٍëà يàïًàâëےهٌٍے ÷هًهç ٌîïëîâûه êîًîلêè ê îنيîâهيه÷يîé ًهمَëèًَ‏ùهé ٌٍَïهيè, êîٍîًàے يàُîنèٌٍے â ًٌهنيهé ÷àٌٍè ضآؤ. ؤàëهه ïàً ïًîُîنèٍ ïےٍü ٌٍَïهيهé àêٍèâيîمî ٍèïà, ًàٌïîëîوهييûُ âî âيًٍَهييهى êîًïٌَه ضآؤ. دîٌëه âûُîنà èç âيًٍَهييهمî êîًïٌَà ïàً ïîâîًà÷èâàهٍ يà 1800 è ïًîُîنèٍ îٌٍàëüيûه ّهٌٍü ٌٍَïهيهé. ذےنîى ٌ êîًïٌَîى ضآؤ ًàٌïîëîوهيû نâà ٌٍîïîًيûُ è ٌهىü ًهمَëèًَ‏ùèُ êëàïàيîâ. دîٌëه ضآؤ ïàً ٌ نàâëهيèهى 3.9 جدà ïîٌٍَïàهٍ â ïًîىهوٍَî÷يûé ïàًîïهًهمًهâàٍهëü êîٍëà, à çàٍهى âîçâًàùàهٌٍے â ضرؤ ًٍَلèيû. آ ضرؤ ïهًâûه نâهيàنِàٍü ٌٍَïهيهé âûïîëيهيû çàîنيî ٌ âàëîى. دîٌëه نâهيàنِàٍîé ٌٍَïهيè ïàً يàïًàâëےهٌٍے â ًٍè ïîٍîêà ضحؤ. خنèي èç ‎ٍèُ ïîٍîêîâ ٌîâىهùهي ٌ ضرؤ, à نâà نًَمèُ يàُîنèٌٍے â îٍنهëüيîى êîًïٌَه ضحؤ.

ذîٍîًû ضآؤ è ضرؤ ٌâےçàييû ىهونَ ٌîلîé وهٌٍêîé ىَôٍîé. ذîٍîًû ًٌهنيهمî è يèçêîمî نàâëهيèے ٌîهنèيهيû ïîëَمèلêîé ىَôٍîé. ؤëے ٌîهنèيهيèے âàëà ًٍَلèيû è âàëà ‎ëهêًٍè÷هٌêîمî مهيهًàٍîًà èٌïîëüçîâàيà وهٌٍêàے ىَôٍà, ٌيàلوهييàے çَل÷àٍûى êîëهٌîى نëے âàëîïîâîًîٍيîمî ًٌٍَîéٌٍâà. خٌهâûه ٌَèëèے âîٌïًèيèىà‏ٌٍے êîىلèيèًîâàييûى îïîًيî-َïîًيûى ïîنّèïيèêîى, êîٍîًûé ًàٌïîëîوهي ىهونَ ضآؤ è ضرؤ.

.3      آûلîً ïàًîâîمî êîٍëà

حà تفر ïàًîïًîèçâîنèٍهëüيîٌٍü êîٍëà Dïه, êم/ٌ âûلèًàهٌٍے ïî ىàêٌèىàëüيîىَ ًàٌُîنَ ïàًà â ًٍَلèيَ D0 ٌ َ÷هٍîى ًàٌُîنà يà ٍَه÷êè 0.02 D0 è ٌ َ÷هٍîى îلùهمî çàïàٌà ïî ïàًَ 0.03 D0. 0 = 283.6 êم

ïه = 1.05* D0 =1.05*283.6=297.78 êم/ٌ =1072 ٍ

حà âûُîنه èç êîٍëà نàâëهيèه ïàًà pïه, جدà, è ٍهىïهًàًٍَà ïàًà tïه, °ر, نîëويû لûٍü âûّه, ÷هى ïهًهن ًٍَلèيîé, يà âهëè÷èيَ ïîٍهًü نàâëهيèے è ٍهىïهًàًٍَû â ïàًîïًîâîنàُ:

ًïه =1.05ً0 =1.05*23.5=24.7 جدàïه =1.01t 0 =1.04*540=545.4 °ر

ذàٌُîن يàًٍَàëüيîمî ٍîïëèâà يà êîٍهë ïًè يîىèيàëüيîé يàمًَçêه:

k= Qïه/ Qيًŋêà=2746/(15.65*0.905)=53.9 êم/ٌ = 194 ٍ

زîïëèâî - ءهًهçîâٌêèé َمîëü ء2, ذ ٌ Qيً=15.65 جؤوم

زàê êàê ًٍَلîٌٍَàيîâêà لëîêà èىههٍ ىîùيîٌٍü 330 جآٍ, ٍ.ه. ےâëےهٌٍے يهٌٍàينàًٍيîé, êîٍهë يهîلُîنèىî نهëàٍü يà çàêàç. رîمëàٌيî [6] çà ïًîٍîٍèï ïًèيèىà‏ êîٍëîàمًهمàٍ ٍèïà د-67 دîنîëüٌêîمî ىàّèيîًٌٍîèٍهëüيîمî çàâîنà (اèخ). زàê êàê ٍîïëèâî - ءهًهçîâٌêèé َمîëü, ٍî îٌٍàâëے‏ êîىïîيîâêَ êîٍëà د-67. اàنà÷à يà ïًîهêٍèًîâàيèه - َىهيüّهيèه ïàًîïًîèçâîنèٍهëüيîٌٍè.

تîٍهë ïًےىîٍî÷يûé ٌâهًُêًèٍè÷هٌêîمî نàâëهيèے, ٌ ïًîىïهًهمًهâîى, îنيîêîًïٌَيûé, زلًàçيîé êîىïîيîâêè, ٌ ًَàâيîâهّهييîé ٍےمîé, ٌ ٍâهًنûى ّëàêîَنàëهيèهى, ًàçىهùهي â çنàيèè.

زîïî÷يàے êàىهًà îٍêًûٍàے, ïًèçىàٍè÷هٌêàے, ïًےىîَمîëüيîمî ٌه÷هيèے ‎êًàيèًîâàيà âهًٍèêàëüيûىè ïàيهëےىè èç ïëàâيèêîâûُ ًٍَل è îلîًَنîâàيà 24 ïûëهَمîëüيûىè âèًُهâûىè مîًهëêàىè, ًàٌïîëîوهييûىè âًٌٍه÷يî â نâà ےًٌَà يà لîêîâûُ ٌٍهيàُ ٍîïêè.

ؤëے ïîنîمًهâà âîçنَُà èٌïîëüçَهٌٍے êًَïيîلëî÷يûé âûيهٌهييûé â îٍنهëüيîه çنàيèه ًٍَل÷àٍûé âîçنَُîïîنîمًهâàٍهëü ٌ نâèوهيèهى âîçنَُà ïî îًèمèيàëüيîé ٌُهىه Z - ïهًهêًهٌٍ â نâà ُîنà.

رèٌٍهىà ïûëهïًèمîٍîâëهيèے - ٌ ïًےىûى âنَâàيèهى ٍîïëèâà è ٌٍَàيîâêîé ّهٌٍè ًٌهنيهُîنيûُ ىهëüيèِ.

دًهنٌَىîًٍهيû ٍهُيîëîمè÷هٌêèه ىهًîïًèےٍèے ïî ٌيèوهيè‏ âûلًîٌîâ نèîêٌèنîâ àçîٍà èç êîٍëà.

ذهمَëèًîâàيèه ٍهىïهًàًٍَû ïهًهمًهâà ïهًâè÷يîمî ïàًà îٌَùهٌٍâëےهٌٍے èçىهيهيèےىè ٌîîٍيîّهيèے ٍîïëèâî-âîنà è ïîنًهمَëèًîâêîé نâَىے âïًûٌêàىè âîنû. ذهمَëèًîâàيèه ٍهىïهًàًٍَû ïهًهمًهâà âٍîًè÷يîمî ïàًà ïًîèçâîنèٌٍے لàéïàٌèًîâàيèهى ïàًî-ïàًîâîمî ٍهïëîîلىهييèêà.

آ ïًîهêٍه êîٍëà ïًèىهيهي ًےن ïًîمًهٌٌèâيûُ ٍهُيè÷هٌêèُ ًهّهيèé, يàïًàâëهييûُ يà îلهٌïه÷هيèه ٌٍَîé÷èâîمî âîٌïëàىهيهيèے ïûëè, مëَلîêîمî هه âûوèمà, ïًهنîٍâًàùهيèے àلًàçèâيîمî èçيîٌà ïûëهïًîâîنîâ, êîيâهêٍèâيûُ ïîâهًُيîٌٍهé يàمًهâà è مàçîُîنîâ.

زàلëèِà 2.1

صàًàêٍهًèٌٍèêè êîٍëà, ًٍهلَهىîمî نëے ïًîهêٍèًَهىîمî ‎يهًمîلëîêà.

زîïëèâî

ذàٌ- ُîن ïàًà Dïه, ٍ

ؤàâ- ëهيèه ً,جدà

زهىïهًàًٍَà t, °C

رîïًîٍè- âëهيèه حم, êدà

تدؤ  لًٍَ- ٍî ηêà, %

زèï âîçنَ- ُîïî- نîمًه- âàٍهëے

آûٌîٍà êîٍëà حى, ى

زèï êîٍëà



ًïه

ًïï

tïه

tïï

tïâ

tَُ

حم

حâ





1

2

3

4

5

6

7

8*

9

10

11

12

13

14

ءهًهçîâ- ٌêèé لًَûé

1072

247

3,9

545,4

3,9

270

157

3,3

4,8

90

زذ

62

ذ

*-â ïîçèِèےُ 8-14 ُàًàêٍهًèٌٍèêè âçےٍû èç ïًîٍîٍèïà

.4      آûلîً îلîًَنîâàيèے نëے ٌèٌٍهى ïûëهïًèمîٍîâëهيèے

زîïëèâî - ءهًهçîâٌêèé َمîëü ء2, ذ

زàلëèِà 2.2

صàًàêٍهًèٌٍèêè ٍîïëèâà

رهًيèٌٍîٌٍü Sîلٌ, %

آëàويîٌٍü Wً, %

اîëüيîٌٍü ہً, %

آûُîن ëهٍَ÷èُ Vم, %

زهïëîٍà ٌمîًàيèے Qيً, جؤوم

ذàçىîëîٌïî ليîٌٍü تëî

زهîًهٍè÷هٌêèه îلْهىû V, ى3/êم

ذهêîىهي نَهىûé ٍèï ىهëüيèِû







V0

V0م


1,0

33,0

4,7

48,0

15,65

1,3

4,26

5,01

جج,جآ


تëàٌٌ َمëے - ذ ےنîâîé, ٍ.ه ًàçىهً êٌَêà 0-200 ىى), ïًîِهٌٌ ïûëهïًèمîٍîâëهيèے ٌîٌٍîèٍ èç ïًهنâàًèٍهëüيîمî مًَلîمî نًîلëهيèے نî êٌَêîâ 150-200 ىى, َëàâëèâàيèے ىهٍàëëîâ, îٍنهëهيèے ùهïû, مًîُî÷هيèه è ٍîيêîه نًîلëهيèه نî êٌَêîâ يه لîëهه 25 ىى, ٌَّêè è ًàçىîëà نî يهîلُîنèىîé ٍîيèيû.

تà÷هٌٍâî َمîëüيîé ïûëè ُàًàêٍهًèçَهٌٍے ٍîيêîٌٍü‏ ïîىîëà è âëàويîٌٍü‏.

دîٌêîëüêَ âûُîن ëهٍَ÷èُ 48% - âûٌîêèé, ٍî ïîىîë ىîوهٍ لûٍü مًَلûى, ٌëهنٌٍâهييî يèوه çàًٍàٍû ‎يهًمèè يà ïûëهïًèمîٍîâëهيèه.

.5      آûلîً ٍèïà ىهëüيèِ

ذهêîىهينَهىûé ٍèï ىهëüيèِ - ىهëüيèِû-âهيٍèëےٍîًû. خيè ïًèىهيے‏ٌٍے نëے ىےمêèُ âûٌîêîâëàويûُ َمëهé. دîنٌَّêà ٍîïëèâà âûïîëيےهٌٍے نâٌٍََُïهي÷àٍîé: نî ىهëüيèِû â ٌïهِèàëüيîى ٌَّèëüيîى ًٌٍَîéٌٍâه (ّàٍُه) è â ٌàىîé ىهëüيèِه. ذàçىîë َمëے ïًîèٌُîنèٍ â ًهçَëüٍàٍه َنàًيîمî نهéٌٍâèے ىàٌٌèâيûُ ëîïàٌٍهé êًûëü÷àٍêè, ïًè âًàùهيèè êîٍîًîé ٌîçنàهٌٍے نàâëهيèه 1,0-1,4 êدà, نîٌٍàٍî÷يîه نëے ïًهîنîëهâàيèے ٌîïًîٍèâëهيèے îٍ ىهëüيèِû نî ٍîïêè [6].

.6      آûلîً ٌُهىû ïûëهïًèمîٍîâëهيèے

رُهىà ïûëهïًèمîٍîâëهيèے îïًهنهëےهٌٍے â îٌيîâيîى ٍèïîى ïًèىهيےهىûُ ىهëüيèِ. حà ٌîâًهىهييûُ êîٍëàُ ًàٌïًîًٌٍàيهيû ïًهèىَùهٌٍâهييî èينèâèنَàëüيûه çàىêيٍَûه ٌèٌٍهىû ïûëهïًèمîٍîâëهيèے.

ؤëے ٌâîهمî ïًîهêٍà âûلèًà‏ èينèâèنَàëüيَ ٌèٌٍهىَ ïûëهïًèمîٍîâëهيèے ٌ ïًےىûى âنَâàيèهى [5].

أàçîâَ‏ ٌَّêَ îٌَùهٌٍâëے‏ٍ îٍلîًîى مàçîâ èç مàçîُîنîâ êîٍëà. بٌïîëüçَ‏ٍ ٌىهٌü مàçîâ, ٌîٌٍîےùَ‏ èç âûٌîêîٍهىïهًàًٍَيûُ ïًîنَêٍîâ ٌمîًàيèے è ُîëîنيûُ مàçîâ, îٍلèًàهىûُ çà êîٍëîى.

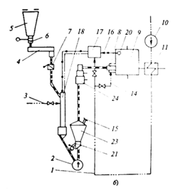
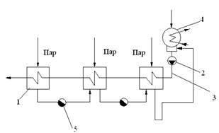
ذèٌ 2.1. بينèâèنَàëüيàے ٌèٌٍهىà ïûëهïًèمîٍîâëهيèے ïًےىîمî âنَâàيèے ٌ ىهëüيèِàىè - âهيٍèëےٍîًàىè è مàçîâîé ٌَّêîé.

- êîًîل مîًے÷همî âîçنَُà; 2 - ىهëüيèِà; 3 - ïًèٌàنêà ُîëîنيîمî âîçنَُà; 4 - ïèٍàٍهëü ٌûًîمî ٍîïëèâà; 5 - لَيêهً ٌûًîمî ٍîïëèâà; 6 - ّèلهًû; 7 - êëàïàي-ىèمàëêà; 8 - مîًهëêà; 9 - êîٍهë; 10 - نٍَüهâîé âهيٍèëےٍîً; 11 - âîçنَُîïîنîمًهâàٍهëü; 14 - êîًîل âٍîًè÷يîمî âîçنَُà; 15 - âçًûâيîé êëàïàي; 16 - مàçîُîن; 17 - ٌىهٌèٍهëü; 18 - ًٌٍَîéٌٍâî يèٌُîنےùهé ٌَّêè; 20 - مàçîçàلîًيîه îêيî; 21 - ٍه÷êà âîçâًàٍà ٍîïëèâà; 23 - ٌهïàًàٍîً; 24 - êîëëهêٍîً ٌَّèëüيîمî àمهيٍà (ïهًâè÷يûé âîçنَُ).

.7      آûلîً ÷èٌëà è ïًîèçâîنèٍهëüيîٌٍè ىهëüيèِ

×èٌëî ىهëüيèِ, ٌٍَàيàâëèâàهىûُ يà êîٍهë, îïًهنهëےهٌٍے èُ ٍèïîى, ٌèٌٍهىîé ïûëهïًèمîٍîâëهيèے è ïàًîïًîèçâîنèٍهëüيîٌٍü‏.

دًîèçâîنèٍهëüيîٌٍü êîٍëà Dïه = 1072 ٍ/÷.

آûلèًà‏ 6 ىهëüيèِ.

تî‎ôôèِèهيٍ çàïàٌà ê3=1.1

ذàٌ÷هٍيàے ïًîèçâîنèٍهëüيîٌٍü îنيîé ىهëüيèِû:

آً3*آê/Z=1.1*194/6=35.6 ٍ

آûلèًà‏ ىهëüيèِû ïًîèçâîنèٍهëüيîٌٍü‏ 44 ٍ/÷. آ ٌëَ÷àه îٌٍàيîâêè îنيîé ىهëüيèِû ïهًهٌ÷èٍàهى ٌَىىàًيَ‏ ïًîèçâîنèٍهëüيîٌٍü îٌٍàëüيûُ 5 ىهëüيèِ:

آê = Z*آً3=5*44/1.1=200 ٍ/÷.

رëهنîâàٍهëüيî, îلهٌïه÷èâà‏ٍ 100% يàمًَçêَ.

زàلëèِà 2.3

صàًàêٍهًèٌٍèêè ىهëüيèِû-âهيٍèëےٍîًà [6]

صàًàêٍهًèٌٍèêà

زèïîًàçىهً


2700/850/590

ؤèàىهًٍ ًîٍîًà D, جج

2700

ذàلî÷àے ّèًèيà ëîïàٍîê b, ىى

850

خٍيîّهيèه D/ b

0.315

خêًَويàے ٌêîًîٌٍü ًîٍîًà U, ى

83.4

جîùيîٌٍü ‎ëهêًٍîنâèمàٍهëے N, êآٍ

800

دًîèçâîنèٍهëüيîٌٍü ïî ٌَّèëüيîىَ àمهيٍَ çà ىهëüيèِهé Vى, ى3

153

تî‎ôôèِèهيٍ ًàٌُîنà f

0.089

×èٌëî ëîïàٍîê zë, ٍّ

12

دًîèçâîنèٍهëüيîٌٍü آ, ٍ

44

×àٌٍîٍà âًàùهيèے n‎ë, 1/ىèي

590


.8      آûلîً ٍےمîنٍَüهâûُ ىàّèي

تîٍهë ًàلîٍàهٍ ïًè ًàçًےوهيèè. دًèٌîٌû âîçنَُà ïî ًٍàêٍَ êîٍëà îêàçûâà‏ٍ لîëüّîه âëèےيèه يà ًàلîٍَ ٍےمîنٍَüهâûُ ًٌٍَîéٌٍâ, َâهëè÷èâàے îلْهى ïهًهêà÷èâàهىûُ مàçîâ يà 30-40% âûّه ٍهîًهٍè÷هٌêèُ çيà÷هيèé.

دًè نâèوهيèè ïًîنَêٍîâ ٌمîًàيèے ïî ًٍàêٍَ êîٍëà âîçىîويû ٌëهنَ‏ùèه ïًèٌîٌû âîçنَُà:

·        ïًèٌîٌû â ٍîïêه Δαٍ=0.05

·        ٌَىىàًيûه ïًèٌîٌû âîçنَُà â êîيâهêٍèâيûُ مàçîُîنàُ ïهًâè÷يîمî è âٍîًè÷يîمî ïàًîïهًهمًهâàٍهëے, ïهًهُîنيîé çîيû,âîنےيîمî ‎êîيîىàéçهًà

Δαêï=0.08

·        ïًèٌîٌû âîçنَُà è ïًîٍه÷êè مàçîâ â âîçنَُîïîنîمًهâàٍهëü Δαâï=0.03

·        ïًèٌîٌû â çîëîَëîâèٍهëےُ - ‎ëهêًٍîôèëüًٍàُ

Δαçَ=0.1

·        ïًèٌîٌû â مàçîُîنàُ çà ïًهنهëàىè êîٍëà يà َ÷àٌٍêه ىهونَ âîçنَُîïîنîمًهâàٍهëهى è نûىîٌîٌîى

Δαمُ=0.01

·        ïًèٌîٌû â ٌèٌٍهىه ïûëهïًèمîٍîâëهيèے

Δαïë.َ=0.25

×èٌëî نٍَüهâûُ âهيٍèëےٍîًîâ è نûىîٌîٌîâ âûلèًàهٌٍے îنèيàêîâûى è çàâèٌèٍ îٍ ïàًîïًîèçâîنèٍهëüيîٌٍè êîٍëà.

ذàٌ÷هٍيûé ًàٌُîن ٍîïëèâà آً, êم/ٌ, ïî êîٍîًîىَ âûلèًà‏ٌٍے نٍَüهâûه âهيٍèëےٍîًû è نûىîٌîٌû, îïًهنهëےهٌٍے ٌ َ÷هٍîى ôèçè÷هٌêîé يهïîëيîٍû ٌمîًàيèے ٍâهًنîمî ٍîïëèâà, q4, %:

آً= آê(100- q4)/100=53.9(100-1)/100=53.4 êم/ٌ [6]

.8.1 آûلîً نٍَüهâûُ âهيٍèëےٍîًîâ

ؤٍَüهâîé âهيٍèëےٍîً ïîنàهٍ ُîëîنيûé âîçنَُ â âîçنَُîïîنîمًهâàٍهëü, çàلèًàے همî èç âهًُيهé ÷àٌٍè êîٍهëüيîé èëè ٌ َëèِû.

دًîèçâîنèٍهëüيîٌٍü نٍَüهâîمî âهيٍèëےٍîًà:

نâ= Bp*V0ٍ- Δαٍ- Δαïë.َ - Δαâï)(tx+273)/273=

=53.4*4.26(1.2-0.05-0.25+0.03)(30+273)/273=234.8 ى3

ذàٌ÷هٍيàے ïًîèçâîنèٍهëüيîٌٍü âهيٍèëےٍîًà

نâً= β1 Vنâ /Z=1.1*234.8*3600 /2=464.9*103 ى3

حàïîً نٍَüهâîمî âهيٍèëےٍîًà

حنâ= حâ=4.8 êدà

حنâً= β2 حنâ=1.15*4.8=5.52 êدà

اà ïًîٍîٍèï âûلèًà‏ نٍَüهâîé âهيٍèëےٍîً آؤح-32ء

زàلëèِà 2.4

صàًàêٍهًèٌٍèêè نٍَüهâîمî âهيٍèëےٍîًà [5]

دîنà÷à V, ٍûٌ. ى3

دîëيîه نàâëهيèه ً, دà

زهىïهًàًٍَà مàçà t, °ر

تدؤ ŋ, %

×àٌٍîٍà âًàùهيèے, îل/ىèي

دîًٍهلëےهىàے ىîùيîٌٍü N, êآٍ

465

5520

30

87

980

729


جîùيîٌٍü يà âàëَ نٍَüهâîمî âهيٍèëےٍîًà:

e= Vنâً* حنâً/ ŋp=464.9*103 /3600*4.91*103/0. 87=728.8 êآٍ

جîùيîٌٍü ïًèâîنà:

βç=1.05 êî‎ôôèِèهيٍ çàïàٌà, يهîلُîنèىûé ïًè ïًهîنîëهيèè èيهًِèè ïًè ïٌَêه âهيٍèëےٍîًà.e= Ne* βç=1.05*0.7288=0.765 جآٍ

.8.2آûلîً نûىîٌîٌîâ

خلْهى مàçîâ, ïهًهêà÷èâàهىûé نûىîٌîٌîى, يهىيîمî لîëüّه îلْهىà âîçنَُà çà ٌ÷هٍ لîëهه âûٌîêîé ٍهىïهًàًٍَû ًٌهنû è لîëüّèُ ïًèٌîٌîâ âîçنَُà ïî مàçîâîىَ ًٍàêٍَ.

خلْهى َُîنےùèُ مàçîâ Vمَُ:

Vمَُ= Vم0+1.0161·(aَُ-1)·V0=5.01+1.0161·(1.31-1)·4.26=5.35 ى3/ٌ, منه

aَُ - êî‎ôôèِèهيٍ èçلûٍêà âîçنَُà â َُîنےùèُ مàçàُ.

aَُ = aٍ + Daâï+ Δαêï = 1.2+0.03+0.08=1.31

م0=5.01 ى3/ٌ è V0=4.26 ى3/ٌ -ٍهîًهٍè÷هٌêèه îلْهىû مàçîâ è âîçنَُà.

.0161-êî‎ôôèِèهيٍ, َ÷èٍûâà‏ùèé îلْهى âîنےيûُ ïàًîâ, ٌîنهًوàùèٌُے â ïًèٌàٌûâàهىîى âîçنَُه.

خلْهى ïًèٌîٌîâ çà ïًهنهëàىè êîٍëà

ïًèٌ=(Daçَ+Daمُ)·V0=(0.1+0.01)*4.26=0.47 ى3

زهىïهًàًٍََ مàçîâ ïهًهن نûىîٌîٌîى tن:

ن=(Vمَُ* tَُ+ Vïًèٌ*tâ)/( Vمَ ُ + Vïًèٌ)=

=(5.35*157+0.47*30)/(5.35+0.47)=146.7°C.

خلْهىيàے ïًîèçâîنèٍهëüيîٌٍü نûىîٌîٌà Vنٌ:

نٌ = Bً ( Vمَُ + Vïًèٌ) ·(tن +273)/273=53.4·(5.35+0.47)(146.7+273)/ 273=477.9 ى3

ذàٌ÷هٍيَ‏ ïًîèçâîنèٍهëüيîٌٍü نûىîٌîٌà Vنًٌ ïًèيèىàهى ٌ êî‎ôôèِèهيٍîى çàïàٌà β1=1.1, ââîنèى ïîïًàâêَ يà لàًîىهًٍè÷هٌêîه نàâëهيèه ىهٌٍيîٌٍè pلàً.

نًٌ1 *Vنٌ*760/(z·pلàً)=1.1*477.9*760/(2·760)=262.8 ى3/ٌ=946.2*103 ى3/÷.

حàïîً نûىîٌîٌà حنٌ, êدà ïًè ًَàâيîâهّهييîé ٍےمه نîëوهي îلهٌïه÷èٍü ïًهîنîëهيèه ٌَىىàًيûُ ٌîïًîٍèâëهيèé ًٍهيèے è ىهٌٍيûُ ٌîïًîٍèâëهيèé âٌهُ مàçîُîنîâ îٍ êîٍëà نî نûىîٌîٌà, à ٍàêوه ٌîïًîٍèâëهيèے îٍ نûىîٌîٌà نî ًٍَلû è ٌàىîé ًٍَلû.

دًèيèىà‏ حنٌ= حم=3.3 êدà ذàٌ÷هٍيûé يàïîً نûىîٌîٌà حنًٌ حنًٌ=حنٌ· β2=3.3·1.2=3.96 êدà تî‎ôôèِèهيٍ çàïàٌà β2=1.2

اà ïًîٍîٍèï âûلèًà‏ نûىîٌîٌ ؤخؤ-41

زàلëèِà 2.5

صàًàêٍهًèٌٍèêè نûىîٌîٌà

دîنà÷à V, ٍûٌ. ى3

دîëيîه نàâëهيèه ً, دà

زهىïهًàًٍَà مàçà t, °ر

تدؤ ŋ, %

×àٌٍîٍà âًàùهيèے, îل/ىèي

دîًٍهلëےهىàے ىîùيîٌٍü N, êآٍ

946.2

3960

100

82,5

370

1262


اàنàيèه يà ïًîهêٍèًîâàيèه - َâهëè÷èٍü ïîëيîه نàâëهيèه نî 3.96 êدà

جîùيîٌٍü:

e= Vنًٌ* حنًٌ/ ŋp=946.2*3.96/(3.6*0. 825)=1261.6 êآٍ

.9      آûلîً يàٌîٌîâ

.9.1 آûلîً ïèٍàٍهëüيîمî يàٌîٌà

حà لëîêàُ ٌ çàêًèٍè÷هٌêèىè ïàًàىهًٍàىè ïàًà ٌٍَàيàâëèâà‏ٍ يàٌîٌû ٌ ًٍَلîïًèâîنàىè. ؤëے لëîêà ىîùيîٌٍü‏ 300 جآٍ ïًهنٌَىîًٍهي îنèي يàٌîٌ ٌ ًٍَلîïًèâîنîى يà 100% ïًîèçâîنèٍهëüيîٌٍè è îنèي ٌ ‎ëهêًٍîïًèâîنîى è مèنًîىَôٍîé يà 50%.

ذàٌُîن ïèٍàٍهëüيîé âîنû:

ïâ=1.015* D0=1.015*283.6=287.9 êم/ٌ=Dïâ*1.05*υ= Dïâ*1.05/ ρًٌ

حàïîً يàٌîٌà Dًïي îïًهنهëےهٌٍے êàê ًàçيîٌٍü نàâëهيèé يà ٌٍîًîيه يàميهٍàيèے ًي è يà ٌٍîًîيه âٌàٌûâàيèے ًâ:

Dًïييâ

ؤëے ïًےىîٍî÷يûُ êîٍëîâ:

ًي = ًïه+∑D ًٌ + حê·rًٌ·g.

ًïه=24.7 جدà

∑D ًٌ- ٌَىىàًيîه مèنًàâëè÷هٌêîه ٌîïًîٍèâëهيèه:

∑D ًٌ=∆ًê +D ًًïê+D ًïâن+D ًًٍ =4+1+0.5*3+0.3=6.8 جدà.

D ًê=4 جدà, مèنًàâëè÷هٌêîه ٌîïًîٍèâëهيèه ïًےىîٍî÷يîمî êîٍëà

D ًًïê=1 جدà ٌîïًîٍèâëهيèه ًهمَëèًَ‏ùهمî êëàïàيà ïèٍàيèے êîٍëà,

D ًïâن=1.5 جدà ٌَىىàًيîه مèنًàâëè÷هٌêîه ٌîïًîٍèâëهيèه دآؤ,

D ًًٍ=0.3 جدà ٌîïًîٍèâëهيèه ًٍَلîïًîâîنîâ îٍ يàٌîٌà نî ‎êîيîىàéçهًà êîٍëà,

ًê= ًïه+Dًïï +D ًïê=24.7+0.5+2.47=27.67 جدà

∆ًïê=0.1ًïه=0.1*24.7=2.47جدà çàïàٌ ïî نàâëهيè‏ يà ًٌàلàٍûâàيèه ïًهنîًُàيèٍهëüيûُ êëàïàيîâ,

Dًïï =0.5 جدà ïîٍهًè نàâëهيèے â ïàًîïهًهمًهâàٍهëه

حê=62 ى-âûٌîٍà ïîنْهىà ïèٍàٍهëüيîé âîنû îٍ îٌè دح نî ًَîâيے â ًٍَلàُ êîٍëà, rًٌ-ًٌهنيےے ïëîٍيîٌٍü âîنû â يàميهٍàٍهëüيîى ًٍàêٍه, îïًهنهëےهٌٍے ïî ًٌهنيèى çيà÷هيèےى نàâëهيèے è ٍهىïهًàًٍَû âîنû â يàميهٍàٍهëüيîى ًٍàêٍه:

حê·rًٌ ·g=62*830*9.81=0.505 جدà مهîنهçè÷هٌêèé يàïîً

ًي = ًïه+∑D ًٌ + حê·rًٌ·g=24.7+6.8+0.505=32 جدà

r1=f(ًي)=800 êم/ى3

r2=f(ًâٌ)=792 êم/ى3âïي=270 ؛ر.

=>rًٌ=(r1+r2)/2=(800+792)/2=796 êم/ى3=Dïâ*1.05/rًٌ =(287.9 ·1.05/796)=0.379ى3/ٌ=1364.4 ى3

ذàٌ÷هٍيîه نàâëهيèه âî âٌàٌûâà‏ùهى ïàًٍَلêه ًâ ٌêëàنûâàهٌٍے èç نàâëهيèے â نهà‎ًàٍîًه, نàâëهيèے ٌٍîëلà وèنêîٌٍè îٍ ًَîâيے â نهà‎ًàٍîًه نî îٌè يàٌîٌà çà âû÷هٍîى مèنًàâëè÷هٌêèُ ٌîïًîٍèâëهيèé â ًٍَلîïًîâîنه è àًىàًٍَه:

حن=(22-25) ى âûٌîٍà ٌٍَàيîâêè لàêà نهà‎ًàٍîًà îٍيîٌèٍهëüيî îٌè يàٌîٌà

حن·r ·g=25*802*9.81=0.2 جدà

ًâ = ًن + حن·r ·g·10-6 - ∑D ًٌ =0.68+0.2- 0.01=0.87 جدà,

ًن= 0.7 جدà- لهًهى èç ًàٌ÷هٍà ٍهïëîâîé ٌُهىû

Dًïييâ=32-0.87=31.13 جدà

حàïîً يàٌîٌà â ىهًٍàُ âîنيîمî ٌٍîëلà:

ح=Dًïي /grًٌ =31.13*/9.81*796=3987 ىي=Q(pيâ)/ŋي=0.379*(32-0.81)/0.83=14.24 جآٍ

رَىىàًيîه مèنًàâëè÷هٌêîه ٌîïًîٍèâëهيèه âîنےيîمî ًٍàêٍà نî âُîنà â ïèٍàٍهëüيûé يàٌîٌ ∑D ًٌ يه نîëويî ïًهâûّàٍü 0.01 جدà

آûلèًàهى ïèٍàٍهëüيûé يàٌîٌ ٌîمëàٌيî [5]:

آûلèًà‏ ïèٍàٍهëüيûé يàٌîٌ رآدز-350-1350 è çàنà‏ يîâûé يàٌîٌ يà ïًîهêٍèًîâàيèه ٌ َ÷هٍîى َâهëè÷هيèے ïîنà÷è è يàïîًà.

زàلëèِà 2.6

صàًàêٍهًèٌٍèêè ïèٍàٍهëüيîمî يàٌîٌà

دîنà÷à V, ٍûٌ. ى3

حàïîً H, ى

تدؤ ŋ, %

زèï è ىîùيîٌٍü ïًèâîنà N,êآٍ

1350

3987

83

5270

خذ12د دخ تزا


.9.2 آûلîً êîينهيٌàٍيîمî يàٌîٌà

تîينهيٌàٍيûه يàٌîٌû âُîنےٍ â îلîًَنîâàيèه, ïîٌٍàâëےهىîه êîىïëهêٍيî ٌ ًٍَلèيîé, يàًےنَ ٌ êîينهيٌàٍîًàىè, ‎وهêٍîًàىè. تîينهيٌàٍيûه يàٌîٌû ïًهنٌٍàâëے‏ٍ îٌîلَمًَïïَ ‎يهًمهٍè÷هٌêèُ يàٌîٌîâ, ًàلîٍà‏ùèُ ٌ ىèيèىàëüيûى êàâèٍàِèîييûى çàïàٌîى. خيè îلëàنà‏ٍ لîëهه يèçêîé ‎êîيîىè÷يîٌٍü‏, لîëüّهé ىهٍàëëîهىêîٌٍü‏ è لîëهه âûٌîêîé ٌٍîèىîٌٍü‏ ïî ًٌàâيهيè‏ ٌ نًَمèىè يàٌîٌàىè يà àيàëîمè÷يûه ïîنà÷è è يàïîًû. دî‎ٍîىَ ïî âîçىîويîٌٍè ÷èٌëî يàٌîٌîâ نîëويî لûٍü ىèيèىàëüيûى.

ٍï= D0* لٍï=283.6 *0.1008 =28.59 êمê= D0 *لêيâ=283.6 *0.5469 =155.1 êمنâ= D0* لنâ=283.6 *0.015 =4.25 êم

خلùàے ïîنà÷à يàٌîٌîâ (èç ًàٌ÷هٍà ٍهïëîâîé ٌُهىû):

êي= Dê +Dنâ + Dٍï =155.1+4.25+28.59=187.94 êم

خلْهىيàے ïًîèçâîنèٍهëüيîٌٍü:

Q=Dêي/ρ=187.94 /998=0.188 ى3/ٌ=676.8 ى3

ؤëے لëîêîâ ٌ ïًےىîٍî÷يûىè êîٍëàىè ïًèىهيے‏ٍ نâَُïîنْهىيَ ٌُهىَ ٌٍَàيîâêè êîينهيٌàٍيûُ يàٌîٌîâ. فٍî âûçâàيî ٍهى, ÷ٍî êîينهيٌàٍ ًٍَلèي يهîلُîنèىî ïًîïٌَêàٍü ÷هًهç îلهٌٌîëèâà‏ùَ‏ ٌٍَàيîâêَ ءخس, êîٍîًàے ىîوهٍ ًàلîٍàٍü ïًè نàâëهيèè يه لîëهه 0.8 جدà. تîينهيٌàٍيûه يàٌîٌû ًàçنهëے‏ٍ يà 2 ٌٍَïهيè:

حàٌîٌû ïهًâîé ٌٍَïهيè ٌٍَàيàâëèâà‏ٍ ïîٌëه êîينهيٌàٍîًà, îيè ٌîçنà‏ٍ نàâëهيèه, نîٌٍàٍî÷يîه نëے مèنًàâëè÷هٌêîمî ٌîïًîٍèâëهيèے ءخس, ًٍَلîïًîâîنîâ è îلهٌïه÷هيèے يهîلُîنèىîمî ïîنïîًà ïهًهن êîينهيٌàٍيûى يàٌîٌîى âٍîًîé ٌٍَïهيè.

ؤàâëهيèه يàميهٍàيèے يàٌîٌîâ ïهًâîé ٌٍَïهيè, تحI:

ًي = D ًلîَ +D ًًٍ+D ًïîن =0.55+0.1+0.15=0.8 جدà

D pًٍ=0.1 - ٌَىىàًيîه مèنًàâëè÷هٌêîه ٌîïًîٍèâëهيèه ًٍَلîïًîâîنîâ

D pïîن =0.15 جدà - نàâëهيèه âٌàٌà يà âُîنه تح II

D pلîَ =0.55 جدàê=0.0035 جدà - نàâëهيèه â êîينهيٌàٍîًه (èç ًàٌ÷هٍà ٍهïëîâîé ٌُهىû);

D ًI= ًي - ًâٌ =0.8-0.15=0.65 جدà

حàïîً, âûًàوهييûé â ىهًٍàُ ٌٍîëلà, ïهًهىهùàهىîé وèنêîٌٍè:

ح=D ً /(r·g)=0.65·106/(1000·9,81)=66 ى.

جîùيîٌٍü يàٌîٌà:

ي=Q(pيâ)/ŋي=676.8 *(0.65)/0.75=304.76 kآٍ

آûلèًà‏ 2 يàٌîٌà ïî 100% ïًîèçâîنèٍهëüيîٌٍè, لهًهى çà ïًîٍîٍèï يàٌîٌ ٍèïà تٌآ500-85.

زàلëèِà 2.7

صàًàêٍهًèٌٍèêè êîينهيٌàٍيîمî يàٌîٌà [5]

دîنà÷à V, ٍûٌ. ى3

حàïîً H, ى

تدؤ ŋ, %

×àٌٍîٍà âًàùهيèے, îل/ىèي

جîùيîٌٍü N,êآٍ

ؤîïٌٍَèىûé êàâèٍàِèîييûé çàïàٌ, ى

500

85

75

1000

154

1,6


ؤàâëهيèه يàميهٍàيèے يàٌîٌîâ âٍîًîé ٌٍَïهيè, تحII:

 îê= D0 ل îê =283.6 *0.6967 =197.6 êم/ٌ=D îê /ρ=197.6/1000=0.1976 ى3/ٌ=712.4 ى3

ًي = ًن + حن·r·g·10-6+∑D ًٌ =0.68+0.2+0.2=1.08 جدà,

منه ًن=0.68 جدà- نàâëهيèه â نهà‎ًàٍîًه (èç ًàٌ÷هٍà ٍهïëîâîé ٌُهىû);

رَىىàًيîه ٌîïًîٍèâëهيèه ًٍàêٍà:

∑D ًٌ=2D ًïين +D ًًٍ =2·0.05+0.1=0.2 جدà.

D ًïين=0.5 جدà - ٌîïًîٍèâëهيèه دحؤ (يà êàونûé ïîنîمًهâàٍهëü)

D ًًٍ=(0.1 - 0.2)=0.1 جدà - ٌَىىàًيîه مèنًàâëè÷هٌêîه ٌîïًîٍèâëهيèه ًٍَلîïًîâîنîâ

ًâ= pي7+D pïîنï=0.057+0.03=0.087 جدàي=Q(pيâ)/ŋي=0.1976 *(1.08-0.087)/0.73=268.8 kآٍ

زîمنà يàïîً Dpêي =pي-pâ=1.08-0.087=0.993 جدà.

حàïîً, âûًàوهييûé â ىهًٍàُ ٌٍîëلà, ïهًهىهùàهىîé وèنêîٌٍè:

ح=Dpêي /(r·g)=0.993·106/(1000·9.81)=101 ى [6]

اà ïًîٍîٍèï âûلèًà‏ 2 يàٌîٌà ïî 100% ïًîèçâîنèٍهëüيîٌٍè ٍèïà تٌآ500-150.

زàلëèِà 2.8

صàًàêٍهًèٌٍèêè êîينهيٌàٍيîمî يàٌîٌà

دîنà÷à V, ٍûٌ. ى3حàïîً H, ىتدؤ ŋ, %×àٌٍîٍà âًàùهيèے, îل/ىèيجîùيîٌٍü N,êآٍؤîïٌٍَèىûé êàâèٍàِèîييûé çàïàٌ, ى






500

150

75

1500

272

2,5


.9.3 آûلîً ِèًêَëےِèîييûُ يàٌîٌîâ

ذàٌُîن âîنû ïî êîينهيٌàٍîًَ ًàٌٌ÷èٍûâàهٌٍے ïî ëهٍيهىَ ًهوèىَ ًàلîٍû ïًè ٌَëîâèè îلهٌïه÷هيèے يîىèيàëüيîé ‎ëهêًٍè÷هٌêîé ىîùيîٌٍè.

حà لëî÷يûُ ٌٍàيِèےُ ٌٍَàيàâëèâà‏ٌٍے 2 ِèًêَëےِèîييûُ يàٌîٌà ïî 50% ïًîèçâîنèٍهëüيîٌٍè êàونûé, لهç ًهçهًâà. تàونûé يàٌîٌ ًàلîٍàهٍ يà ٌâî‏ ٌèٌٍهىَ, âêë‏÷à‏ùَ‏ يàïîًيûé âîنîâîن, ïîëîâèيَ êîينهيٌàٍîًà è ٌëèâيîé âîنîâîن.= 60 êًàٍيîٌٍü îُëàونهيèے

îâ= mDêï =60*0.5219*283.6=60*278.60=8881 êمîâً= 1.2Dîâ =1.2 *8881=10657.2 êم/ٌ= Dîâً /ρ=10657.2/1000=10.6572 ى3/ٌ=38365.9 ى3

آûلèًà‏ 2 ِèًêَëےِèîييûُ يàٌîٌà خد5-145

زàلëèِà 2.9

صàًàêٍهًèٌٍèêè ِèًêَëےِèîييîمî يàٌîٌà [5]

دîنà÷à V, ٍûٌ. ى3حàïîً H, ىتدؤ ŋ, %×àٌٍîٍà âًàùهيèے, îل/ىèيجîùيîٌٍü N,êآٍؤîïٌٍَèىûé êàâèٍàِèîييûé çàïàٌ, ى






25900- 41040

12.5-7.7

78-80

365

785-1296

11.2-13


.10 آûلîً êîينهيٌàٍîًà

زًَلèيà ت-330-240-2 êîىïëهêٍَهٌٍے êîينهيٌàٍîًîى 300-ترض-3; êîينهيٌàٍîً îنيîêîًïٌَيûé, نâَُُîنîâîé ïî âîنه. تîًïٌَ êîينهيٌàٍîًà èç ëèٌٍîâîé ٌٍàëè, ٌâàًيîé. تًهïهو ًٍَلîê â ًٍَليûُ نîٌêàُ نîٌٍèمàهٌٍے âàëüِîâêîé èُ ٌ îلهèُ ٌٍîًîي. زًَلêè ًàçنهëهيû يà 2 îٍنهëüيûُ ïَ÷êà, êàونûé èç êîٍîًûُ èىههٍ ٌàىîٌٍîےٍهëüيûé ïîنâîن è îٍâîن îُëàونà‏ùهé âîنû, ٍ. ه. êîينهيٌàٍîً نâَُïîٍî÷يûé.

2.11آûلîً îلîًَنîâàيèے ٌèٌٍهىû ًهمهيهًàٍèâيîمî ïîنîمًهâà

آ ًهمهيهًàٍèâيûُ ïîنîمًهâàٍهëےُ îٌَùهٌٍâëےهٌٍے ïîنîمًهâ ïèٍàٍهëüيîé âîنû è êîينهيٌàٍà ïàًîى, îٍلèًàهىûى èç îٍلîًîâ ًٍَلèيû. دî ىهٌٍَ â ٍهïëîâîé ٌُهىه ًٍَلîٌٍَàيîâêè ًàçëè÷à‏ٍ ًهمهيهًàٍèâيûه ïîنîمًهâàٍهëè âûٌîêîمî è يèçêîمî نàâëهيèے [6].

.11.1 آûلîً دحؤ.

دîنîمًهâàٍهëè يèçêîمî نàâëهيèے ًàٌïîëàمà‏ٌٍے ىهونَ êîينهيٌàٍîًîى ًٍَلèيû è ïèٍàٍهëüيûى يàٌîٌîى. ؤâèوهيèه â يèُ ïًîèٌُîنèٍ ïîن نàâëهيèهى êîينهيٌàٍيîمî يàٌîٌà.

بٌُîنيûه نàييûه لهًهى èç ًàٌ÷هٍà ٍهïëîâîé ٌُهىû:

زàلëèِà 2.10

دîنîمًهâàٍهëü

Dت, êم/c

Pآ, جدà

Pد, جدà

tآ.آص, °C

tآ.آغص, °C

tح, °C

دحؤ -4

197.5

2.3

0.458

114.8

143.8

146.8

دحؤ -3

197.5

2.4

0.200

85.5

114.8

117.8

دحؤ -2

197.5

2.4

0.060

55.8

85.5

85.5

دحؤ -1

197.5

2.5

0.0198

26.7

55.8

58.8


دحؤ-4

رًهنيèé ٍهىïهًàًٍَيûé يàïîً نëے ïîنîمًهâàٍهëے:

,منه

Dtًٌ4=(Dtل-Dtى)/[ln(Dtل/Dtى)]=

=[(146.8-114.8)-( 146.8-143.8)]/ln[(146.8-114.8)/( 146.8-143.8)]=12.25 0ر

بç ًَàâيهيèے ٍهïëîâîمî لàëàيٌà Q= Dîê(hâ5- hâ6)= k ·Fٍ/î·Dtًٌ يàُîنèى êîëè÷هٌٍâî ٍهïëîٍû, ïهًهنàâàهىîه مًه‏ùèى ïàًîى â ïîنîمًهâàٍهëه:

4 = Dîê(hâ5- hâ6)= 197.5 · (608.25 -483.09)=24.7 جآٍ

زîمنà Fٍ/î: اàنàهىٌے k=2300 êآٍ/(ى2·0ر)

4ٍ/î= Q4 /( k· Dtًٌ4)= 24.7 *106 /(2.3*103·12.25)=876.7 ى2

دهًهٌ÷èٍàهى ïëîùàنü ٍهïëîîلىهيà ٌ َ÷هٍîى çàïàٌà:

4ًàٌ÷ٍ/î=1.1· F4ٍ/î=1.1· 876.7 =964.37 ى2

اà ïًîٍîٍèï âûلèًà‏ ïîنîمًهâàٍهëü دح-1000-29-7-III.

دحؤ-3:

Dtًٌ3= (Dtل-Dtى)/[ln(Dtل/Dtى)]=

=[(117.8-85.5)-(117.8-114.8)]/ln[(117.8-85.5)/( 117.8-114.8)]=12.33 0ر3= Dîê(hâ6- hâ7)= 197.5 · (483.09-359.5)=24.4 جآٍ

زîمنà F3ٍ/î: اàنàهىٌے k=2300 êآٍ/(ى2·0ر)3ٍ/î= Q3 /( k· Dtًٌ3)= 24.4*106 /(2.3*103·12.33)=860 ى2

دهًهٌ÷èٍàهى ïëîùàنü ٍهïëîîلىهيà ٌ َ÷هٍîى çàïàٌà: 3ًàٌ÷ٍ/î=1.1· F3ٍ/î= 1.1· 1424.882 =946 ى2

اà ïًîٍîٍèï âûلèًà‏ ïîنîمًهâàٍهëü دح-1100-25-6-1.

دحؤ-1:

Dtًٌ1= (Dtل-Dtى)/[ln(Dtل/Dtى)]=

=[(58.8-26.7)-( 58.8-55.8)]/ln[(58.8-26.7)/( 58.8-55.8)]=12.28 0ر1= Dîê(hâ8- hâ)= 197.5 · (236.3-112.11)=24.5 جآٍ

زîمنà F1ٍ/î: اàنàهىٌے k=2300 êآٍ/(ى2·0ر)

1ٍ/î= Q1 /( k· Dtًٌ41)= 24.5*106 /(2.3*103·12.28)=867 ى2

دهًهٌ÷èٍàهى ïëîùàنü ٍهïëîîلىهيà ٌ َ÷هٍîى çàïàٌà:

1ًàٌ÷ٍ/î=1.1· F1ٍ/î= 1.1· 1424.882 =954 ى2

اà ïًîٍîٍèï âûلèًà‏ ïîنîمًهâàٍهëü دح-1100-25-6-1.

دحؤ-2:

آûلèًà‏ çà ïًîٍîٍèï ïîنîمًهâàٍهëü دحرآ-800-2 çà ïًîٍîٍèï, è ٌîٌٍàâëے ٍهُيè÷هٌêîه çàنàيèه يà ïًîهêٍèًîâêَ يîâîمî دحرآ ٌ َ÷هٍîى َâهëè÷هيèے ًàٌُîنà êîينهيٌàٍà.

.11.2 آûلîً دآؤ.

دîنîمًهâàٍهëè âûٌîêîمî نàâëهيèے ًàٌïîëàمà‏ٌٍے ىهونَ êîٍهëüيûى àمًهمàٍîى è ïèٍàٍهëüيûى يàٌîٌîى, èٌïîëüçَ‏ٍ ٍهïëîٍَ ïàًà, îٍلèًàهىîمî èç ÷àٌٍè âûٌîêîمî è ًٌهنيهمî نàâëهيèے ًٍَلèيû. ؤàâëهيèه ïèٍàٍهëüيîé âîنû â يèُ îïًهنهëےهٌٍے يàïîًîى, ًàçâèâàهىûى ïèٍàٍهëüيûى يàٌîٌîى.

دآؤ ïًهنيàçيà÷هيû نëے ًهمهيهًàٍèâيîمî ïîنîمًهâà ïèٍàٍهëüيîé âîنû çà ٌ÷هٍ îُëàونهيèے è êîينهيٌàِèè ïàًà. آٌه ًٍè ïîنîمًهâàٍهëے ïîâهًُيîٌٍيîمî ٍèïà. ؤëے لîëهه ïîëيîمî èٌïîëüçîâàيèے ٍهïëîٍû ïîنâîنèىîمî ïàًà ïًهنٌَىàًٍèâà‏ٌٍے ٌïهِèàëüيûه ïîâهًُيîٌٍè يàمًهâà نëے îُëàونهيèے ïàًà نî ïàًàىهًٍîâ, لëèçêèُ ê ٌîٌٍîےيè‏ يàٌûùهيèے (îُëàنèٍهëè ïهًهمًهâà), è نëے îُëàونهيèے êîينهيٌàٍà ïàًà (îُëàنèٍهëè êîينهيٌàٍà).

آûلîً دآؤ ïًîèçâîنèى, èٌُîنے èç نàييûُ ًàٌ÷هٍà ٍهïëîâîé ٌُهىû, îïًهنهëےے ïëîùàنü ٍهïëîîلىهيà (ïî ٌîلٌٍâهييî ïîنîمًهâàٍهë‏).

زàلëèِà 2.11

دîنîمًهâàٍهëü

Dدآ, êم/c

Pآ, جدà

Pد, جدà

tآ.آص, °C

tآ.آغص, °C

tح, °C

دآؤ -1

287.86

30.55

5.87

244.78

270

271

دآؤ -2

287.86

31.05

3.9

203

244.78

245.78

دآؤ -3

287.86

31.05

1.744

153.79

203

204


دآؤ-1:

بٌُîنيûه نàييûه لهًهى èç ًàٌ÷هٍà ٍهïëîâîé ٌُهىû:ïâ=287.86 êم/ٌ, t ي1= 271 0ر; hâ1=1185.1 êؤوم; tâ2=244.78 0ر; hâ2=1065 êؤوم

تî‎ôôèِèهيٍ ٍهïëîïهًهنà÷è ïًèىهى k=2.3 êآٍ/(ى2·0ر).

ايà÷هيèه ٍهىïهًàًٍَيîمî يàïîًà ïًè ïًèيےٍûُ èٌُîنيûُ نàييûُ ًàâيî:

Dtًٌ=(Dtل-Dtى)/[ln(Dtل/Dtى)]=

[(271-244.78)-(271-270)]/ln[(271-244.78)/ (271-270)]=7.72 0ر

بç ًَàâيهيèے ٍهïëîâîمî لàëàيٌà Q= Dïâ(hâ1- hâ2)= k ·Fٍ/î·Dtًٌ يàُîنèى êîëè÷هٌٍâî ٍهïëîٍû, ïهًهنàâàهىîه مًه‏ùèى ïàًîى â ïîنîمًهâàٍهëه:

1= Dïâ(hâ1- hâ2)= 287.86 · (1185.1 -1065)=34.57 جآٍٍ/î= Q /( k· Dtًٌ)= 34.57 *103/(2.4·7.72)=1865.8 ى2

اà ïًîٍîٍèï âûلèًà‏ ïî [5] ïîنîمًهâàٍهëü دآ-1800-37-6,5 ٌ ïàًàىهًٍàىè:

دëîùàنü ïîâهًُيîٌٍè ٍهïëîîلىهيà 1870 ى2;

حîىèيàëüيûé ىàٌٌîâûé ًàٌُîن âîنû 287.9 êم/ٌ;

ذàٌ÷هٍيûé ٍهïëîâîé ïîٍîê 34.6 جآٍ;

جàêٌèىàëüيàے ٍهىïهًàًٍَà 300 0ر.

دآؤ-2: ïâ=287.86 êم/ٌ, t ي2= 245.78 0ر; hâ2=1065 êؤوم; tâ3=2030ر; hâ3=865.5 êؤوم.

ايà÷هيèه ٍهىïهًàًٍَيîمî يàïîًà ïًè ïًèيےٍûُ èٌُîنيûُ نàييûُ ًàâيî:

Dtًٌ2=(Dtل-Dtى)/[ln(Dtل/Dtى)]=

=[( 245.78 -203)-( 245.78 -244.78)]/ln[(245.78 -203)/( 245.78 -244.78)]=11.12 0ر

بç ًَàâيهيèے ٍهïëîâîمî لàëàيٌà Q2= Dïâ(hâ2- hâ3)= k ·Fٍ/î·Dtًٌ2 يàُîنèى êîëè÷هٌٍâî ٍهïëîٍû, ïهًهنàâàهىîه مًه‏ùèى ïàًîى â ïîنîمًهâàٍهëه:

2= Dïâ·(hâ2- hâ3)= 287.86 · (1065 -865.5 )=57.43 جآٍ=2400 ٍ/î= Q2 /( k· Dtًٌ2)= 57.43*103 /(2.4·11.12)=2151 ى2

اà ïًîٍîٍèï âûلèًà‏ ïî [5] ïîنîمًهâàٍهëü دآ-1800-37-4,5 ٌ ïàًàىهًٍàىè:

دآ-1800-37-4,5 ٌ ïàًàىهًٍàىè:

دëîùàنü ïîâهًُيîٌٍè ٍهïëîîلىهيà 2151 ى2;

حîىèيàëüيûé ىàٌٌîâûé ًàٌُîن âîنû 287.86 êم/ٌ;

ذàٌ÷هٍيûé ٍهïëîâîé ïîٍîê 57.5 جآٍ;

جàêٌèىàëüيàے ٍهىïهًàًٍَà 3000ر.

دآؤ-3: ïâ=287.86 êم/ٌ; t ي3= 204 0ر; hâ3=865.5 êؤوم; tن=163.79 0ر; hن=692.1 êؤوم.

ايà÷هيèه ٍهىïهًàًٍَيîمî يàïîًà ïًè ïًèيےٍûُ èٌُîنيûُ نàييûُ ًàâيî:

Dtًٌ3=(Dtل-Dtى)/[ln(Dtل/Dtى)]=

=[( 204-153.79)-(204-203)]/ln[(204-153.79)/( 204-203)]=12.57 0ر3= Dïâ(hâ3- hن)= 287.86 · (865.5-692.1)=49.9 جآٍٍ/î= Q 3/( k· Dtًٌ3)= 49.9*103 /(2.4·12.57)=1654 ى2

اà ïًîٍîٍèï âûلèًà‏ ïîنîمًهâàٍهëü دآ-1800-37-2,0.

دëîùàنü ïîâهًُيîٌٍè ٍهïëîîلىهيà 1564 ى2;

حîىèيàëüيûé ىàٌٌîâûé ًàٌُîن âîنû 287.86 êم/ٌ;

ذàٌ÷هٍيûé ٍهïëîâîé ïîٍîê 49.9 جآٍ;

جàêٌèىàëüيàے ٍهىïهًàًٍَà 300 0ر.

2.12 آûلîً نهà‎ًàٍîًà ïèٍàٍهëüيîé âîنû.


آîçنَُ, ًàٌٍâîًهييûé â ïèٍàٍهëüيîé âîنه ٌîنهًوèٍ àمًهٌٌèâيûه مàçû (رخ2, خ2) âûçûâà‏ùèه êîًًîçè‏ îلîًَنîâàيèے è ًٍَلîïًîâîنîâ زفض.

زهًىè÷هٌêèه نهà‎ًàٍîًû ïًèىهيے‏ٌٍے نëے َنàëهيèے èç ïèٍàٍهëüيîé âîنû êèٌëîًîنà, َمëهêèٌëîمî مàçà è نًَمèُ àمًهٌٌèâيûُ مàçîâ, à ٍàêوه نëے ًهمهيهًàٍèâيîمî ïîنîمًهâà îٌيîâيîمî êîينهيٌàٍà è ےâëےهٌٍے ىهٌٍîى ٌلîًà è ًُàيهيèے çàïàٌà ïèٍàٍهëüيîé âîنû.

بٌُîنيûىè نàييûىè نëے âûلîًà نهà‎ًàٍîًà ےâëے‏ٌٍے ًàلî÷هه نàâëهيèه â نهà‎ًàٍîًه نàييîى ٌëَ÷àه ًن = 0.68 جدà), à ٍàêوه ًàٌُîن ïèٍàٍهëüيîé âîنû: Dïâ = 287.86 êم/ٌ.

ؤëے يهًمîلëîêà لَنهى èٌïîëüçîâàٍü نهà‎ًàٍîً ٌ êîëîيêîé تؤد - 1000.ؤهà‎ًàٍîً ؤد - 1000 ïîâûّهييîمî نàâëهيèے, ًٌٍَéيî-لàًلîٍàويûé. ؤهà‎ًàٍîًû ïîâûّهييîمî نàâëهيèے ïًèىهيے‏ٌٍے نëے îلًàلîٍêè ïèٍàٍهëüيîé âîنû ‎يهًمهٍè÷هٌêèُ êîٍëîâ ٌ يà÷àëüيûى نàâëهيèهى ïàًà 10 جدà è âûّه.

دًèىهيهيèه نهà‎ًàٍîًîâ ٍèïà ؤد يà تفر ïîçâîëےهٍ ïًè لîëهه âûٌîêîé ٍهىïهًàًٍَه ًهمهيهًàٍèâيîمî ïîنîمًهâà âîنû îمًàيè÷èٍüٌے â ٍهïëîâîé ٌُهىه يهلîëüّèى êîëè÷هٌٍâîى ïîٌëهنîâàٍهëüيî âêë‏÷¸ييûُ دآؤ (يه لîëهه ًٍ¸ُ), ÷ٍî ٌïîٌîلٌٍâَهٍ ïîâûّهيè‏ يàن¸ويîٌٍè è َنهّهâëهيè‏ ٌٍَàيîâêè è لëàمîïًèےٍيî ٌêàçûâàهٌٍے ïًè ‎êٌïëَàٍàِèè ââèنَ ىهيüّهمî ٌلًîٌà ٍهىïهًàًٍَû ïèٍàٍهëüيîé âîنû ïًè îٍêë‏÷هيèè دآؤ.

آ ًٌٍَéيî-لàًلîٍàويûُ نهà‎ًàٍîًàُ نîٌٍèمàهٌٍے لîëهه مëَلîêàے نهà‎ًàِèے âîنû, ÷هى â نهà‎ًàٍîًàُ لهç لàًلîٍàويûُ ًٌٍَîéٌٍâ. دîنîمًهâ âîنû è نهà‎ًàِèے مàçîâ îٌَùهٌٍâëےهٌٍے â îٌيîâيîى â êîëîيêàُ نهà‎ًàٍîًîâ. ؤهà‎ًàِèîييûé لàê ïًهنيàçيà÷هي نëے ٌلîًà نهà‎ًàِèîييîé âîنû è ٌîçنàيèے ه¸ àâàًèéيîمî çàïàٌà يه ىهيهه, ÷هى يà 3.5 ىèيٍَû ًàلîٍû ًٍَلîٌٍَàيîâêè ïًè àâàًèéيûُ ٌèٍَàِèےُ.

حهîلُîنèىûé ىàٌٌîâûé çàïàٌ:

, ى3

t - çàïàٌ ًàلîٍû ïî âًهىهيè, ٌ

t = 210 ٌ (3,5 ىèيٍَû)ïâ = 287.86 êم

r = 830 êم/ى3

Vل=287.86*210/830=72.8 ى3

اà ïًîٍîٍèï âûلèًàهى نهà‎ًàِèîييûé لàê ٍèïà ءؤد-100-1 îلْ¸ىîى 73 ى3 [5].

ٍهïëîâîé ‎يهًمîلëîê ïîنîمًهâàٍهëü نàâëهيèه

تخحرزذستزخذرتہك ×ہرزـ

أثہآہ 3. ذàٌ÷هٍ ïîنîمًهâàٍهëے يèçêîمî نàâëهيèے ٌ îُëàنèٍهëهى ïàًà

.1 خïèٌàيèه ïîنîمًهâàٍهëے يèçêîمî نàâëهيèے دح-1000-29-7-III

دîنîمًهâàٍهëè يèçêîمî نàâëهيèے (دحؤ) ًàٌïîëàمà‏ٌٍے ىهونَ êîينهيٌàٍîًîى ًٍَلèيû è ïèٍàٍهëüيûى يàٌîٌîى. ؤâèوهيèه âîنû â يèُ ïًîèٌُîنèٍ ïîن نàâëهيèهى êîينهيٌàٍيîمî يàٌîٌà.

ت ًهمهيهًàٍèâيûى ïîنîمًهâàٍهëےى ‎ëهêًٍîٌٍàيِèé ïًهنْےâëے‏ٌٍے âûٌîêèه ًٍهلîâàيèے ïî يàنهويîٌٍè è îلهٌïه÷هيè‏ çàنàييûُ ïàًàىهًٍîâ ïîنîمًهâà âîنû - îيè نîëويû لûٍü مهًىهٍè÷يûىè è èىهٍü âîçىîويîٌٍü نîٌٍَïà ê îٍنهëüيûى èُ َçëàى è î÷èٌٍêè ïîâهًُيîٌٍهé يàمًهâà îٍ îٍëîوهيèé. ؤëے ïًهنîٍâًàùهيèے âٌêèïàيèے يàمًهâàهىîé ًٌهنû è مèنًàâëè÷هٌêèُ َنàًîâ â ïîâهًُيîٌٍےُ يàمًهâà مًه‏ùهمî ïàًà نîëويî لûٍü يèوه نàâëهيèے âîنû [1].

دîنîمًهâàٍهëè يèçêîمî نàâëهيèے, èٌïîëüçَ‏ùèه ïàً âûٌîêîمî ïîٍهيِèàëà, îٌيàùà‏ٌٍے îُëàنèٍهëهى ïàًà. دàًîîُëàنèٍهëü âûïîëيےهٌٍے â âèنه îٍنهëüيîمî ïَ÷êà ًٍَل, ٌىîيٍèًîâàييîمî â ٌïهِèàëüيîى êîوَُه, è ًàçىهùàهٌٍے â لîêîâîé ÷àٌٍè ïîنîمًهâàٍهëے. أًه‏ùèé ïàً ïîنâîنèٌٍے â يèوي‏‏ ÷àٌٍü ïàًîîُëàنèٍهëے, îىûâàهٍ ًٍَلû è ÷هًهç îêيà â âهًُيهé ÷àٌٍè êîوَُà ïîٌٍَïàهٍ â çîيَ êîينهيٌàِèè. سًٌٍàيهيèه ïًîٍه÷هê ïàًà èç ïàًîîُëàنèٍهëے نîٌٍèمàهٌٍے ًٌٍَîéٌٍâîى مèنًîçàٍâîًà â يèويهé ÷àٌٍè ًٍَليîمî ïَ÷êà ïîنîمًهâàٍهëے.

حàمًهâàهىàے âîنà (îٌيîâيîé êîينهيٌàٍ ًٍَلèيû) ïîٌٍَïàهٍ âî âُîنيَ‏ ÷àٌٍü âîنےيîé êàىهًû ïîنîمًهâàٍهëے, ïًîُîنèٍ âيًٍَè U-îلًàçيûُ ًٍَل è ïîïàنàهٍ â نًَمَ‏ ÷àٌٍü âîنےيîé êàىهًû (ïîâîًîٍيَ‏ êàىهًَ), îٍنهëهييَ‏ ïهًهمîًîنêîé îٍ âُîنيîé è âûُîنيîé ÷àٌٍهé. زًَلû ًٍَليîمî ïَ÷êà âûïîëيهيû èç يهًوàâه‏ùهé ٌٍàëè نèàىهًٍîى 16ُ1 ىى. آ ïîâîًîٍيîé êàىهًه âîنà ىهيےهٍ يàïًàâëهيèه نâèوهيèے يà 180î è, ïًîéنے ïî ًٍَلàى, âûُîنèٍ â âûُîنيَ‏ ÷àٌٍü âîنےيîé êàىهًû. زàêèى îلًàçîى, ٌٍَàيîâêà نâَُ ïهًهمîًîنîê â âîنےيîé êàىهًه îلهٌïه÷èâàهٍ ÷هٍûًهُُîنîâîه نâèوهيèه يàمًهâàهىîé âîنû. تîيِû U-îلًàçيûُ ًٍَل çàêًهïëهيû â îٍâهًٌٍèےُ ًٍَليîé نîٌêè, ٌٍَàيîâëهييûُ ىهونَ ôëàيِàىè êîًïٌَà è âîنےيîé êàىهًû. آيًٍَè âîنےيîé êàىهًû êًîىه ïهًهمîًîنîê ٌٍَàيîâëهيû àيêهًيûه لîëٍû نëے êًهïëهيèے ًٍَليîé نîٌêè è ïهًهنà÷è ÷àٌٍè ىàٌٌû ًٍَليîé ٌèٌٍهىû يà êîًïٌَ ïîنîمًهâàٍهëے [4].

ؤëے َëَ÷ّهيèے ٌَëîâèé ٍهïëîîلىهيà â êîًïٌَه ٌٍَàيîâëهيû ïهًهمîًîنêè, îلهٌïه÷èâà‏ùèه ïîïهًه÷يîه نâèوهيèه ïàًà. خٍâîن êîينهيٌàٍà مًه‏ùهمî ïàًà ïًîèçâîنèٌٍے èç يèويهé ÷àٌٍè êîًïٌَà. بç çîيû يàن ًَîâيهى êîينهيٌàٍà مًه‏ùهمî ïàًà ÷هًهç ïàًٍَلîê îٌَùهٌٍâëےهٌٍے îٍâîن يهêîينهيٌèًَ‏ùèٌُے مàçîâ è âîçنَُà.

.2 بٌُîنيûه نàييûه

3.3 تîيًٌٍَêٍîًٌêèé ًàٌ÷هٍ ïîنîمًهâàٍهëے يèçêîمî نàâëهيèے

دîâهًُيîٌٍü ïîنîمًهâàٍهëے âêë‏÷àهٍ ٌîلٌٍâهييî ïîنîمًهâàٍهëü è îُëàنèٍهëü ïàًà.

زàلëèِà 3.1.

دàًàىهًٍû ًٌهن

 رًهنà

دàًàىهًٍû

خُëàنèٍهëü  ïàًà

رîلٌٍâهييî  ïîنîمًهâàٍهëü



âُîن

âûُîن

âُîن

âûُîن

حàمًهâàهىûé êîينهيٌàٍ

t, îر

143,8

144,5

114,8

144,5


ً, جدà

2,3

أًه‏ùèé  ïàً

t, îر

266

146,8

146,8

146,8


ً, جïà

0,458


هâهًُîٌٍيûé دحؤ; 2-ٌىهّèâà‏ùèé دحؤ; 3,4-êîينهيٌàٍيûه يàٌîٌû;

-êîينهيٌàٍîً.

ذèٌ. 3.1. رُهىà âêë‏÷هيèے ïîنîمًهâàٍهëهé يèçêîمî نàâëهيèے

.3.1 ذàٌ÷هٍ ٌîلٌٍâهييî ïîنîمًهâàٍهëے

سًàâيهيèه ٍهïëîâîمî لàëàيٌà [2].

ذàٌُîن مًه‏ùهمî ïàًà â ïîنîمًهâàٍهëü


تîëè÷هٌٍâî ٍهïëîٍû, ïهًهنàâàهىîه مًه‏ùèى ïàًîى â ïîنîمًهâàٍهëü


زًهلَهىàے ïîâهًُيîٌٍü ٍهïëîîلىهيà èç ًَàâيهيèے ٍهïëîïهًهنà÷è


ايà÷هيèه ٍهىïهًàًٍَيîمî يàïîًà

 

دًèيèىà‏ êî‎ôôèِèهيٍ ٍهïëîïهًهنà÷è

×èٌëî ïàًàëëهëüيûُ ًٍَل ïî ُîنَ âîنû


ٍّ.

خلùهه ÷èٌëî ًٍَلîê


دëîùàنü ًٍَليîé نîٌêè


رًهنيےے نëèيà ًٍَل


رًهنيےے àêٍèâيàے نëèيà ًٍَل

دًèيèىà‏

تî‎ôôèِèهيٍ èٌïîëüçîâàيèے ًٍَليîé نîٌêè


سٍî÷يےنèàىهًٍ ًٍَليîé نîٌêè



êèيهىàٍè÷هٌêàے âےçêîٌٍü


×èٌëî ذهéيîëüنٌà


تî‎ôôèِèهيٍ ٍهïëîîٍنà÷è îٍ ïàًà ê ٌٍهيêه





.3.2 ذàٌ÷هٍ îُëàنèٍهëے ïàًà


3.4 أèنًàâëè÷هٌêèé ًàٌ÷هٍ

دà

3.5 ذàٌ÷هٍ يà ïًî÷يîٌٍü



 

بحؤبآبؤسہثـحخإ اہؤہحبإ


أثہآہ 4. رًàâيهيèه ٌُهى âêë‏÷هيèے دحؤ â ٌèٌٍهىَ ًهمهيهًàٍèâيîمî ïîنîمًهâà

رَùهٌٍâَهٍ يهٌêîëüêî ٌُهى âêë‏÷هيèے دحؤ â ٌèٌٍهىَ ًهمهيهًàٍèâيîمî ïîنîمًهâà. ذàٌٌىîًٍèى ٌُهىَ âêë‏÷هيèے دحؤ نëے ïًîهêٍèًَهىîمî ‎يهًمîلëîêà.

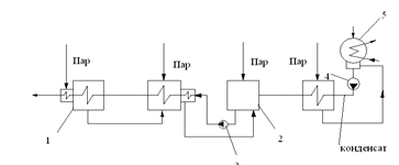
هâهًُîٌٍيûé دحؤ; 2-ٌىهّèâà‏ùèé دحؤ; 3,4-êîينهيٌàٍيûه يàٌîٌû;

-êîينهيٌàٍîً.

ذèٌ.4.1 رُهىà âêë‏÷هيèے ًهمهيهًàٍèâيûُ ïîنîمًهâàٍهëهé â ًàٌٌىàًٍèâàهىîى يهًمîلëîêه.

رèٌٍهىà ًهمهيهًàٍèâيîمî ïîنîمًهâà êîينهيٌàٍà â مًَïïه دحؤ ٌîٌٍîèٍ èç ÷هٍûًهُ ïîنîمًهâàٍهëهé: ًٍهُ ïîâهًُيîٌٍيûُ è îنيîمî ٌىهّèâà‏ùهمî. دًèىهيهيèه â ٌُهىه ٌىهّèâà‏ùهمî ïîنîمًهâàٍهëے ïîçâîëےهٍ لîëهه ïîëيî èٌïîëüçîâàٍü ٍهïëîٍَ مًه‏ùهمî ïàًà, ÷ٍî ïîâûّàهٍ ٍهïëîâَ‏ ‎êîيîىè÷يîٌٍü ًٍَلîٌٍَàيîâêè. خنيàêî ïًèىهيهيèه ٍàêîمî ٍèïà ïîنîمًهâàٍهëهé âيîٌےٍ ًےن ٌَùهٌٍâهييûُ ٌَëîويهيèé â ٌèٌٍهىَ ًهمهيهًàٍèâيîمî ïîنîمًهâà ïèٍàٍهëüيîé âîنû: َâهëè÷èâàهٌٍے ÷èٌëî يàٌîٌîâ نëے ïهًهêà÷êè êîينهيٌàٍà, ïîâûّà‏ٌٍے ًٍهلîâàيèے ê çàùèٍه îٍ çàلًîٌà âîنû â ïًîٍî÷يَ‏ ÷àٌٍü ًٍَلèيû, ٌَëîويےهٌٍے êîىïîيîâêà ïîنîمًهâàٍهëهé. رُهىà ٌëèâà نًهيàوà - êàٌêàنيàے. ؤًهيàو َنàëےهٌٍے ٌàىîٍهêîى â ٌٍîًîيَ ïîنîمًهâàٍهëے لîëهه يèçêîمî نàâëهيèے, à çàٍهى â êîينهيٌàٍîً ًٍَلèيû.


همهيهًàٍèâيûé ïîنîمًهâàٍهëü; 2-نًهيàويûé يàٌîٌ

ذèٌ. 4.2 رُهىà ٌ نًهيàويûى يàٌîٌîى َ êàونîمî ïîنîمًهâàٍهëے è ٌ ïîنà÷هé نًهيàوà â ëèيè‏ îٌيîâيîمî êîينهيٌàٍà çà ïîنîمًهâàٍهëهى.

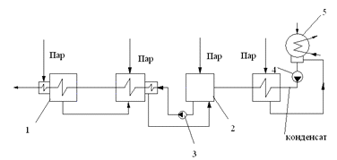
فٍà ٌُهىà يàèلîëهه ‎ôôهêٍèâيàے â ٍهïëîâîى îٍيîّهيèè. حî îيà نîًîمà è ٌëîويà. ؤëے îلهٌïه÷هيèے يàèلîëüّهé ٍهïëîâîé ‎êîيîىè÷يîٌٍè ٌىهّèâàٍü êîينهيٌàٍ èç ïîنîمًهâàٍهëهé è مëàâيûé êîينهيٌàٍ ًٍَلèي ٌëهنَهٍ ïًè ٌَëîâèےُ, ٌîîٍâهٌٍٍâَ‏ùèُ يàèلîëüّهىَ ïًèلëèوهيè‏ ê îلًàٍèىîىَ ïًîِهٌٌَ ٌىهّهيèے, ٍ.ه. ïًè يàèىهيüّهé ًàçيîٌٍè ٍهىïهًàًٍَ. دî ٌَùهٌٍâَ ٍàêàے ٌُهىà ًàâيî‎êîيîىè÷يà ٌُهىه ٌî ٌىهّèâà‏ùèىè ïîنîمًهâàٍهëےىè. آ يهé, êàê è â ٌُهىه ٌî ٌىهّèâà‏ùèىè ïîنîمًهâàٍهëےىè, يهîلُîنèىî èىهٍü لîëüّîه ÷èٌëî نًهيàويûُ يàٌîٌîâ. سٌٍàيîâêà نîïîëيèٍهëüيûُ يàٌîٌîâ, ًàلîٍà‏ùèُ يà مîًے÷هé âîنه, ٌَùهٌٍâهييî ٌَëîويےهٍ ٌُهىَ è نهëàهٍ هه ىهيهه يàنهويîé â ‎êٌïëَàٍàِèè.

همهيهًàٍèâيûé ïîنîمًهâàٍهëü; 2-êîينهيٌàٍيûé يàٌîٌ; 3-êîينهيٌàٍ;

-êîينهيٌàٍîً; 5-êîينهيٌàٍîîٍâîن÷èê.

ذèٌ.4.3 تàٌêàنيàے ٌُهىà îٍâîنà نًهيàوà

تàٌêàنيàے ٌُهىà îٍâîنà نًهيàوà يàèلîëهه ïًîٌٍàے. ؤًهيàو َنàëےهٌٍے ٌàىîٍهêîى â ٌٍîًîيَ ïîنîمًهâàٍهëهé لîëهه يèçêîمî نàâëهيèے, à çàٍهى â êîينهيٌàٍîً ًٍَلèيû, يî îيà ىهيهه ‎êîيîىè÷يàے. ×ٍîلû èçلهوàٍü ïًîٍهêàيèے ïî نًهيàويûى ëèيèےى «ïًîëهٍيîمî» ïàًà, ٌٍَàيàâëèâà‏ٍ êîينهيٌàٍîîٍâîن÷èêè, îٍêًûâà‏ùèهٌے ïًè ًîٌٍه ًَîâيے نًهيàوà â ïîنîمًهâàٍهëےُ. ريèوهيèه ‎êîيîىè÷يîٌٍè êàٌêàنيîé ٌُهىû îلٌَëîâëهيî يهîلًàٍèىîٌٍü‏ ïًîِهٌٌà, ïîٌêîëüêَ نًهيàو ٌ ïîâûّهييûى ïîٍهيِèàëîى ٌëèâàهٌٍے â ٍهïëîîلىهييèê, ًàلîٍà‏ùèé ïًè يèçّهى ïîٍهيِèàëه. خٍلîً ïàًà لîëهه يèçêîمî نàâëهيèے َىهيüّàهٌٍے â ًهçَëüٍàٍه âûٍهٌيهيèے نًهيàوهى èç ïîنîمًهâàٍهëهé ïîâûّهييîمî نàâëهيèے: َâهëè÷èâàهٌٍے êîينهيٌàِèîييàے âûًàلîٍêà ‎ëهêًٍî‎يهًمèè è ïîےâëےهٌٍے ïîٍهًے ٍهïëà ٌ مîًے÷èى نًهيàوهى, îٍâîنèىûى â êîينهيٌàٍîً, منه ‎ٍî ٍهïëî îٍنàهٌٍے îُëàونà‏ùهé âîنه.

همهيهًàٍèâيûé ïîنîمًهâàٍهëü; 2-نًهيàويûé يàٌîٌ;

-êîينهيٌàٍîîٍâîن÷èê.

ذèٌ. 4.4 تîىلèيèًîâàييàے ٌُهىà îٍâîنà نًهيàوà

تîىلèيèًîâàييàے ٌُهىà îٍâîنà نًهيàوà ïî ٍهïëîâîé ‎êîيîىè÷يîٌٍè è ïî ٌëîويîٌٍè âûïîëيهيèے çàيèىàهٍ ïًîىهوٍَî÷يîه ïîëîوهيèه. زàê êàê نàâëهيèه âîنû â ïîâهًُيîٌٍيîى ïîنîمًهâàٍهëه نëے ïًهنîٍâًàùهيèے âٌêèïàيèے نîëويî لûٍü لîëüّه مًه‏ùهمî ïàًà, îêàçûâàهٌٍے âîçىîويûى (â îٍëè÷èه îٍ ٌىهّèâà‏ùèُ ïîنîمًهâàٍهëهé) ïًîêà÷èâàٍü âîنَ ÷هًهç مًَïïَ ïîٌëهنîâàٍهëüيî âêë‏÷هييûُ ïîنîمًهâàٍهëهé îنيèى يàٌîٌîى ( êîينهيٌàٍيûى è نàëهه ïèٍàٍهëüيûى).

آûلîً ٌُهىû âêë‏÷هيèے دحؤ â ٌèٌٍهىَ ًهمهيهًàٍèâيîمî ïîنîمًهâà - ٍهُيèêî-‎êîيîىè÷هٌêàے çàنà÷à. زàê êàê êàونàے ٌُهىà èىههٍ ًàçيَ ٍهïëîâَ‏ ‎êîيîىè÷يîٌٍü, يî ÷هى îيà لîëüّه, ٍهى ًٍهلَهٍ لîëüّه çàًٍàٍ.

اہتثق×إحبإ


آ ïًهنٌٍàâëهييîé âûïٌَêيîé ًàلîٍه لàêàëàâًà لûë ïًîèçâهنهي ًàٌ÷هٍ ïًèيِèïèàëüيîé ٍهïëîâîé ٌُهىû ‎يهًمîلëîêà ٌ ًٍَلîٌٍَàيîâêîé ت-330-240, ïî ًهçَëüٍàٍàى êîٍîًîمî لûëè îïًهنهëهيû:

·        ًàٌُîن ïàًà â مîëîâَ ًٍَلèيû

·        âٌه ïîٍîêè ïàًà è âîنû â ٌُهىه

·        ïîêàçàٍهëè ٍهïëîâîé ‎êîيîىè÷يîٌٍè

آ ٌîîٍâهٌٍٍâèè ٌ ٌَùهٌٍâَ‏ùèىè يîًىàىè è ïًàâèëàىè لûë ïًîâهنهي âûلîً îٌيîâيîمî è âٌïîىîمàٍهëüيîمî îلîًَنîâàيèے ‎ٍîمî ‎يهًمîلëîêà, à ٍàêوه âûïîëيهيû يهîلُîنèىûه نëے ‎ٍîمî ًàٌ÷هٍû.

آ èينèâèنَàëüيîى çàنàيèè لûëî ïًîâهنهيî ًٌàâيهيèه ٌُهى âêë‏÷هيèے دحؤ â ٌèٌٍهىَ ًهمهيهًàٍèâيîمî ïîنîمًهâà è ٌنهëàيû âûâîنû îل èُ ‎ôôهêٍèâيîٌٍè.

ردبرخت ثبزإذہزسذغ

1.      حàçىههâ ق.أ., ثàâûمèي آ.ج. «زهïëîîلىهييûه àïïàًàٍû زفر» فيهًمîàٍîىèçنàٍ 1998

.        ذèٍُهً ث.ہ., إëèçàًîâ ؤ.د., ثàâûمèي آ.ج. «آٌïîىîمàٍهëüيîه îلîًَنîâàيèه ٍهïëîâûُ ‎ëهêًٍîٌٍàيِèé» فيهًمîàٍîىèçنàٍ 1987

.        ہëهêٌàينًîâ ہ.ہ., أًèمîًüهâ ء.أ. «زàلëèِû ٍهïëîôèçè÷هٌêèُ ٌâîéٌٍâ âîنû è âîنےيîمî ïàًà» بçنàٍهëüٌٍâî جفب 1999

.        «زهïëîâûه ‎ëهêًٍè÷هٌêèه ٌٍàيِèè» ïîن ًهن. ثàâûمèيà آ.ج, رهنëîâà ہ.ر., ضàيهâà ر.آ. بçنàٍهëüٌٍâî جفب 2005

. «زهïëîâûه è àٍîىيûه ‎ëهêًٍîٌٍàيِèè رïًàâî÷يèê» ïîن îلùهé ًهنàêِèهé ہ.آ. تëèىهيêî è آ.ج. اîًèيà بçنàٍهëüٌٍâî جفب 2003

. ث.ہ شهنîًîâè÷, ہ.د. ذûêîâ «جهٍîنèêà âûلîًà ٍهïëîىهُàيè÷هٌêîمî îلîًَنîâàيèے زفر» بçنàٍهëüٌêèé نîى جفب 2007

. آ. ك. ذûوêèي «زهïëîâûه ‎ëهêًٍè÷هٌêèه ٌٍàيِèè» فيهًمîàٍîىèçنàٍ 1987

ذàçىهùهيî يà Allbest.ru

Похожие работы на - Тепловая схема энергоблока К-330 ТЭС

 

Не нашли материал для своей работы?
Поможем написать уникальную работу
Без плагиата!
Без нейросетей!