Свойства оксидных покрытий, полученных с помощью дуального магнетрона
Федеральное
агентство по образованию
Государственное
образовательное учреждение высшего
профессионального
образования
«ТОМСКИЙ
ПОЛИТЕХНИЧЕСКИЙ УНИВЕРСИТЕТ»
Факультет - Естественных наук и математики
Направление 010700 «Физика»
Кафедра водородной энергетики и плазменных технологий
Свойства оксидных покрытий, полученных с помощью дуального магнетрона
Выпускная квалификационная работа
на соискание степени бакалавр
Студент гр.13А52 ___________________ А.И. Бумагина(подпись)
Томск - 2012
Реферат
Выпускная квалификационная работа 77 с., 31 рисунок, 10 таблиц, 13
источников, 2 приложения, 10 л. графич. материала.
Ключевые слова: оксидные пленки, магнетронная распылительная система,
дуальная магнетронная распылительная система, скорость напыления, оптические
характеристики, шероховатость поверхности.
Объектом исследования являются пленки оксида титана, полученные с помощью
различных конструкций МРС.
Цель работы - выявление зависимостей свойств оксидных покрытий от
конструктивных особенностей МРС.
В процессе работы проводились:
. Нанесение оксидных пленок с помощью различных конструкций при
одинаковых режимах напыления.
. Измерение скорости напыления.
. Исследование шероховатости и оптических характеристик оксида
титана.
В результате исследования выяснилось:
Скорости напыления пленок, полученных с помощью дуальной конструкции в 3
раза больше, чем на планарном магнетроне.
Оптические характеристики не зависят от использования разных конструкций
магнетронных систем.
Шероховатость стекла Rz=0.3 мкм, после нанесения на него
тонкой пленки шероховатость уменьшается.
Содержание
Введение
Способы
нанесения оксидных пленок
.1 ВЧ -
распыление диэлектриков
.2
Магнетронные распылительные системы
.2.1
Физические основы работы МРС
.2.2
Реактивное магнетронное распыление
.3
Особенности нанесения оксидов дуальной магнетронной распылительной системой
. Процессы
роста тонких пленок
.1 Физические
основы распыления
.2 Перенос
вещества к подложке
.3
Конденсация и образование тонких пленок
. Методы
исследования параметров тонких пленок
.1 Методы
измерения толщины тонкопленочных покрытий
.2
Исследование оптических характеристик
.3
Исследование поверхности тонких пленок
.
Экспериментальные исследования
.1 Схема
экспериментальной установки “Яшма”
.2 Методика
эксперимента
. Результаты
экспериментальных исследований
.1 Оптические
характеристики
.2
Исследование поверхности тонких пленок
Заключение
Список
используемых источников
Приложение А
Приложение Б
Введение
Тонкие прозрачные покрытия получают все более широкое
применение в различных отраслях науки и техники. В настоящее время фактически
появился новый раздел оптики тонких пленок, а интерференционные покрытия
составляют специальную отрасль оптического приборостроения.
Оптика тонких слоев - новая часть прикладной оптики,
получившая быстрое развитие с середины 20 века. Стимулом к этому послужило
успешное практическое использование явлений интерференции и поляризации света в
тонких прозрачных слоях, что коренным образом изменяет оптические и другие
свойства поверхности стекла или иной оптической среды [1].
Специалисты-материаловеды начали более отчетливо осознавать ту особую роль,
которую играет свободная поверхность и границы раздела в материалах в комплексе
его служебных свойств.
Практическое использование этого обстоятельства позволило
разработать способы модификации поверхности материалов, и среди них наиболее
эффективный - нанесение тонкопленочных 0,01-50 мкм покрытий из различных
материалов с заданными структурой и физико-механическими и химическими
свойствами.
При помощи таких покрытий можно существенным образом
изменить механические, оптические, электрические, магнитные, тепловые и
химические свойства исходного материала, получая изделия с требуемыми
свойствами.
Проблема нанесения тонкопленочных покрытий является
едва ли не самой обширной среди современных актуальных направлений технологии и
материаловедения. Высокие темпы развития наукоемких отраслей промышленности
требуют непрерывного повышения качества, и эксплуатационных свойств покрытий.
Реализация этих требований напрямую зависит от достижений в конструировании
оборудования и совершенствования технологий получения тонких пленок.
В настоящее время наиболее перспективными методами
нанесения покрытий являются вакуумные ионно-плазменные методы. Это обусловлено
их экологической безопасностью, высокой чистотой технологических процессов и
качеством продукции. Также известно, что в ионизованном или возбужденном
состоянии атомы и молекулы легче взаимодействуют друг с другом, делая процесс
нанесения покрытий более эффективным.
Проблемой существующих методов нанесения покрытий является либо высокая
стоимость оборудования и небольшие скорости осаждения покрытий как в случае
высокочастотного (ВЧ) или сверхвысокочастотного (СВЧ) разрядов, плохая
однородность наносимых покрытий, как при использовании дугового распыления либо
низкая адгезия, как при термическом испарении. Пожалуй, только магнетронное
распыление в какой-то степени лишено этих недостатков, поскольку использующийся
в нем дрейфовый ток электронов в скрещенных электрическом и магнитном полях
дает возможность получать протяженные потоки достаточно плотной плазмы с
контролируемыми в широком диапазоне характеристиками. [2].
Для получения оксидных покрытий используются ВЧ-распыление диэлектриков и
магнетронные распылительные системы, где помимо инертного газа также
используется и активный газ (кислород). Но напыление в атмосфере кислорода
неэффективно, так как происходит образование оксидного слоя не только на
подложке, но и на катоде, что снижает выход атомов мишени при распылении и
изменяет ее эмиссионные свойства. Эти проблемы может решить дуальная
магнетронная система.
Целью работы является выявление зависимостей свойств оксидных покрытий от
конструктивных особенностей МРС.
Для достижения этой цели нужно решить следующие задачи:
1. Изучить технологии нанесения оксидных пленок
2. Ознакомиться с вакуумным ионно-плазменным оборудованием
3. Овладеть методикой нанесения оксидных покрытий и провести измерения их
свойств.
1. Способы нанесения оксидных пленок
.1 ВЧ - распыление диэлектриков
Высокочастотное распыление значительно расширяет возможности
тонкопленочной технологии, позволяя получать высококачественные пленки не
только металлов, сплавов и полупроводников, но также пленки диэлектриков путем
распыления мишеней из диэлектрических материалов. ВЧ - распыление
диэлектрической мишени происходит благодаря возникновению на ней отрицательного
(относительно плазмы) смещения. Наличие на мишени только ВЧ - составляющей не
может привести к распылению, поскольку при этом возникает лишь колебательное
движение ионов с очень малой амплитудой. Механизм возникновения отрицательного
смещения связан с тем, что при подаче ВЧ-напряжения на помещенную в плазму
мишень на ее поверхность начинают попеременно поступать электронный и ионный
токи. В первый момент после подачи ВЧ-напряжения его постоянная составляющая на
поверхности диэлектрической мишени равна нулю. В этом случае электронный ток в
положительный полупериод ВЧ-напряжения значительно превосходит ионный ток в
отрицательный период, что объясняется значительно большей подвижностью
электронов по сравнению с ионами. Вследствие чего на поверхности мишени
накапливается отрицательный заряд и, следовательно, растет отрицательное
напряжение смещения до тех пор, пока средние значения электронного и ионного
токов не сравняются.
Для эффективного распыления материала мишени
необходимо, чтобы положительный заряд на ее поверхности под воздействием
ионного тока не был бы чрезвычайно большим, поскольку это вызывает уменьшение
отрицательного смещения, определяющее энергию ионов и, следовательно,
эффективность распыления. Электронный ток на мишень компенсирует действие
положительного заряда, приобретенного за счет ионного тока, восстанавливая
напряжение смещения. Очевидно, что чем длительнее период ВЧ-колебаний, тем
больший положительный заряд приобретает мишень и тем сильнее уменьшается
отрицательное смещение. Для устранения этого явления период ВЧ-колебаний должен
быть достаточно малым, поэтому на практике чаще всего используют частоту 13,56
МГц.
Критичным параметром, существенно ограничивающим
частоту напряжения и рассеиваемую на ВЧ-электроде мощность, является зазор
между ВЧ-электродом и заземленным экраном. С одной стороны, этот зазор должен
быть, по крайней мере, в 2 раза меньше толщины ионной оболочки (темного
пространства), чтобы в зазоре не возник разряд. С другой стороны, при
чрезмерном уменьшении зазора растут емкостные потери, и возникает опасность
пробоя (особенно при наличии у мишени острых краев и загрязнений). При давлении
рабочего газа 0,66- 6,6 Па зазор между экраном и ВЧ-электродом составляет
несколько миллиметров. Ширина зазора может быть увеличена, а емкостные потери
уменьшены, если используется герметичная конструкция ВЧ-электрода с автономной
откачкой его внутренней полости до давления 10~3 Па.
Следует отметить, что отрицательное смещение возникает
не только на мишени, но также на стенках распылительной камеры и держателе
подложек, причем электрическое смещение обратно пропорционально четвертой
степени площади помещенного в ВЧ-плазму электрода. В диодной системе распыления
держатель подложек обычно заземлен, поэтому все заземленные элементы
распылительной камеры являются одним из электродов PC. Поскольку площадь
заземленного электрода много больше площади мишени, смещение на подложках
значительно меньше смещения на мишени. Однако в реальных конструкциях PC не все
заземленные элементы одинаково влияют на смещение, поскольку они могут
контактировать с плазмой, имеющей разную плотность. Чем лучше сконцентрирована
плазма в пространстве между мишенью и подложкодержателем (например, с помощью
магнитного поля), тем меньше влияние заземленных стенок и тем больше смещение
на подложках. Поэтому при наличии магнитного поля может быть обеспечена более
интенсивная бомбардировка подложек ионами.
В диодной ВЧ PC минимальный потенциал зажигания и
максимальная проводимость плазмы достигаются в том случае, когда частота
приложенного электрического поля равна частоте столкновений электронов с
атомами рабочего газа. Исходя из этого условия, получена формула для вычисления
оптимального давления рабочего газа:
опт = 6*10-5
λ0 (1) / Тe1/2
где
λ0 (1) --средняя длина свободного пробега атомов газа
при единичном давлении (1 Па) и температуре 273 К;
Те- электронная температура.
Расчеты, проведенные по формуле для Аr0 с Те
=1,5-104 К, показывают, что для частот 1,76; 5,28 и 13,56 МГц Pопт
соответственно составляет 0,55; 1,4 и 5,0 Па, что хорошо согласуется с
экспериментальными данными для ВЧ-диодных PC без использования магнитного поля.
В ВЧ МРС обычно используется поперечное магнитное
поле. Напряженность ВЧ-поля в плазме достаточно мала, так что можно пренебречь
его влиянием на траекторию движения быстрых (способных производить ионизацию
или диссоциацию) электронов плазмы, поэтому их траекторию можно представить в
виде спирали, ориентированной вдоль силовых линий магнитного поля. Основным
источником ионизации являются электроны, образованные в плазме и ускоренные
ВЧ-полем на границе плазма - область пространственного заряда. Энергия этих
электронов составляет несколько десятков электрон-вольт. Вторичные электроны в
этом случае играют второстепенную роль, доказательством чего является слабая
зависимость параметров ВЧ-разряда от материала катода, а, следовательно, и от
коэффициента вторичной электронной эмиссии, а также то, что ВЧ-разряд можно
поддерживать.
ВЧ МРС обладают преимуществами перед обычными диодными
PC без магнитного поля:
более низким (примерно на порядок) рабочим давлением,
что обеспечивает бесстолкновительное движение ионов в области пространственного
заряда;
отсутствием явления диффузии распыленных частиц;
снижением энергии ионов до сотен электрон-вольт и
возможностью ее регулирования в широких пределах с помощью магнитного поля при
неизменной вводимой в разряд мощности, что дает возможность устанавливать
оптимальную для данного процесса энергию бомбардирующих ионов;
увеличением скорости распыления по сравнению с PC без
магнитного поля при одинаковой мощности, вводимой в разряд, за счет более
высокой степени ионизации в результате более полного использования энергии
быстрых электронов плазмы;
повышением стабильности разряда и отсутствием
паразитных колебаний вследствие контрагирующего действия магнитного поля.
Достоинствами подобной конструкции ВЧ МРС являются:
универсальность, позволяющая получать пленки практически
всех материалов (металлы, сплавы, оксиды, нитриды, диэлектрики, магнитные
материалы и др.) с достаточной высокой скоростью;
низкое энергетическое воздействие электронов,
отраженных атомов аргона и отрицательных ионов на подложку, поскольку последняя
вынесена за пределы плазменной зоны;
высокое качество получаемых пленок (структура, состав,
морфология, равномерность по толщине);
- большая площадь, на которой можно получить равномерную по толщине
пленку без вращения подложки [3].
1.2 Магнетронные распылительные системы
.2.1 Физические основы работы МРС
Ранее основным методом нанесения тонкопленочных
покрытий были испарение и конденсация веществ в высоком вакууме. Методы ионного
распыления материалов вследствие низких скоростей осаждения и высоких радиационных
воздействий на обрабатываемые структуры использовались ограниченно. Появившиеся
магнетронные распылительные системы, позволяющие наносить как тонкопленочные
слои, так и пленочные покрытия толщиной в сотни микрон, позволили существенно
расширить область применения ионного распыления материалов.
В последние годы в нашей стране и за рубежом проведены научные
исследования и конструктивно-технологические разработки по созданию широкого
класса магнетронных распылительных систем, а также установок и линий (в том
числе непрерывного действия) на их основе.
Действие магнетронного источника основано на распылении материала
мишени-катода при его бомбардировке ионами рабочего газа, образующимися в
плазме аномального тлеющего разряда, возбуждаемого в скрещенных электрическом и
магнитном полях. Магнетронная распылительная система (МРС) является одной из
разновидностей схем диодного распыления.
Магнетронные распылительные системы получили свое
название от СВЧ приборов М-типа (магнетронных устройств), хотя, кроме наличия
скрещенных электрического я магнитного полей, ничего общего с ними не имеют.
Магнетронные системы относятся к системам распыления диодного типа, в которых
распыление материала происходит за счет бомбардировки поверхности мишени ионами
рабочего газа (обычно аргона), образующимися в плазме аномального тлеющего
разряда. Высокая скорость распыления, характерная для этих систем, достигается
увеличением плотности ионного тока за счет локализации плазмы у распыляемой
поверхности мишени с помощью сильного поперечного магнитного поля.
Принцип действия магнетронной распылительной системы показан на рис. 1.1.
- катод-мишень; 2 - магнитная система; 3 - источник питания; 4 - анод;
- траектория движения электрона; 6 - зона распыления; 7 - силовая линия
магнитного поля.
Рисунок 1.1 - Схема МРС с плоской мишенью.
Основными элементами устройства являются катод-мишень,
анод и магнитная система. Силовые линии магнитного поля замыкаются между
полюсами магнитной системы. Поверхность мишени, расположенная между местами
входа и выхода силовых линий магнитного поля, интенсивно распыляется и имеет
вид замкнутой дорожки, геометрия которой определяется формой полюсов магнитной
системы.
При подаче постоянного напряжения между мишенью (отрицательный потенциал)
и анодом (положительный или нулевой потенциал) возникает неоднородное
электрическое поле и возбуждается аномальный тлеющий разряд. Наличие замкнутого
магнитного поля у распыляемой поверхности мишени позволяет локализовать плазму
разряда непосредственно у мишени. Эмитированные с катода под действием ионной
бомбардировки электроны захватываются магнитным полем, им сообщается сложное
циклоидальное движение по замкнутым траекториям у поверхности мишени. Электроны
оказываются как бы в ловушке, создаваемой с одной стороны магнитным полем,
возвращающим электроны на катод, а с другой стороны - поверхностью мишени,
отталкивающей электроны. Электроны циклируют в этой ловушке до тех пор, пока не
произойдет несколько ионизирующих столкновений с атомами рабочего газа, в
результате которых электрон потеряет полученную от электрического поля энергию.
Таким образом, большая часть энергии электрона, прежде чем он попадет на анод,
используется на ионизацию и возбуждение, что значительно увеличивает эффективность
процесса ионизации и приводит к возрастанию концентрации положительных ионов у
поверхности мишени. Это в свою очередь обусловливает увеличение интенсивности
ионной бомбардировки мишени и значительный рост скорости распыления,
следовательно, и скорости осаждения пленки.
Следует отметить, что плазма разряда существует только
в области магнитной ловушки в непосредственной близости от мишени и ее форма
определяется геометрией и величиной магнитного поля.
Создание магнитной ловушки у распыляемой поверхности мишени
представляет собой простое, но весьма эффективное решение проблемы увеличения
скорости распыления материалов, в плазменных распылительных системах. Но помимо
этого достоинства МРС обладает рядом специфических свойств, основным из которых
является отсутствие бомбардировки подложки высокоэнергетическими вторичными
электронами.
Известно, что при распылении материалов в плазме тлеющего разряда
высокоэнергетические вторичные электроны с мишени являются основным источником
нагрева подложек. Интенсивный перегрев подложек не позволяет увеличивать
скорости распыления, повышая рабочее напряжение.
В магнетронной распылительной системе вторичные электроны захватываются
магнитной ловушкой и не бомбардируют подложку, что обеспечивает ее сравнительно
низкую температуру. Источниками нагрева подложки в этих системах служат энергия
конденсации распыленных атомов, кинетическая энергия осаждаемых атомов, энергия
отраженных от мишени нейтрализованных ионов, а также излучение плазмы [4].
К основным рабочим характеристикам МРС относятся напряжение и сила тока
разряда, удельная мощность на катоде, давление рабочего газа и магнитная
индукция. В качестве рабочего газа в МРС обычно используют аргон. Давление
рабочего газа поддерживается в диапазоне 10-2-1,0 Па, напряжение
разряда - 300-800 В. Магнитная индукция вблизи поверхности катода имеет
значения 0,03-0,1 Тл. При таких условиях плотность тока на мишень находится на
уровне нескольких тысяч ампер на м2, а поверхностная плотность
энергии 106 Вт/м2. Магнетронные распылительные системы на
постоянном токе могут работать только с мишенями из проводящих материалов. Если
используются высокочастотные источники питания, то возможно распыление также и
мишеней из непроводящих материалов (ВЧ-магнетроны).
Магнетронный метод позволяет:
· Получать покрытия практически из любых металлов, сплавов,
полупроводников и диэлектриков без нарушения стехиометрии или исходного
соотношения компонентов распыляемой мишени;
· Используя смеси рабочего и реакционных газов (N2,
O2, CH4, СО, SO2 и др.) и распыляемые мишени
из металлов или сплавов, получать покрытия из окислов, нитридов, карбидов,
сульфидов металлов и др. соединений, в т.ч. и тех, которые невозможно получить
методами обычного термического испарения;
· Производить обработку покрываемых поверхностей в плазме
тлеющего разряда с целью их ионной очистки и активации перед нанесением
покрытий.
· Нанесение тонкопленочных проводящих, изолирующих и других
покрытий в электронной, радиотехнической промышленности, приборостроении и др.
областях;
· Нанесение просветляющих, отражающих, защитных и др. покрытий
на детали оптических систем и приборов;
· Нанесение упрочняющих, защитных и защитно-декоративных
покрытий на металлы, диэлектрические материалы, стекло, пластмассы в
производстве изделий различного назначения, включая товары народного
потребления [4].
Сложность изучения разряда в магнетронных
распылительных системах заключается в том, что в этих системах используются
неоднородные скрещенные электрическое и магнитное поля, причем электрические
параметры разряда в значительной степени зависят от рабочего давления, величины
и конфигурации магнитного поля, конструктивных особенностей распылительной
системы. Все это делает практически невозможным точное аналитическое описание
явлений, происходящих в разряде магнетронной системы.
.2.2 Реактивное магнетронное распыление
В некоторых случаях может оказаться желательным
получить химическое соединение распыляемого материала и распыляющего газа.
Поэтому химически активный газ можно специально вводить в распылительную систему
для получения такого соединения в виде пленки. Такой способ получения пленок
называется реактивным распылением. [5]
Использование МРС с химически активной газовой средой,
сохраняя все основные преимущества магнетронного распыления (простоту аппаратуры,
высокие скорости осаждения, низкую температуру подложки и др.), позволяет
получать пленки самых различных химических соединений путем распыления
металлических мишеней в среде химически активного газа (или смеси активного и
инертного газов). В то же время наличие активной среды и высоких скоростей
распыления мишени и осаждения пленки обусловливает взаимосвязь явлений,
происходящих на подложке, в плазме разряда и на поверхности мишени. В
результате этого при одинаковой мощности разряда и конструкции МРС скорость
осаждения может различаться в 5-10 раз, а состав пленки в связи с этим может
существенно изменяться [3].
Реактивное катодное распыление осуществляется либо
посредством реакции на катоде с последующим переносом получившегося соединения
на подложку, либо при реакции окружающего газа с пленкой по мере ее нанесения
(или комбинацией этих процессов). Нельзя исключить также и возможность реакции
между распыляемым материалом в паровой фазе и окружающими веществами. Работ по
выяснению действительного механизма в реальных системах очень мало.
Реактивное распыление не обязательно проводить в
атмосфере чистого активного газа: использование смеси инертного газа с
небольшим количеством активного компонента не только достаточно, но часто имеет
и определенные преимущества. Распыляющий газ, состоящий полностью из аргона и
лишь 1 или 2% кислорода, может дать тот же результат, что и чистый кислород.
Поддерживая процентное содержание кислорода минимально низким, вплоть до
необходимого для полного окисления осаждаемой пленки, можно получить
значительное увеличение скорости нанесения. Было установлено, что скорость
нанесения пленок уменьшалась от 100 до 1 А/мин, когда парциальное давление
кислорода в аргоне с давлением 2*10-2 мм рт. ст. изменялось от 1* 10-4
до 1* 10-2 мм рт. ст. Однако, такая зависимость не всегда
справедлива. Установлено, что при постоянных давлении газа и плотности тока
скорость нанесения пленок смешанных окислов на основе свинца и титана была по
существу одной и той же, независимо от того, использовался чистый кислород или
же его смесь с инертным газом. Так как, по-видимому, имелись другие
преимущества, связанные с применением чистого кислорода, ему в данном случае и
было отдано предпочтение. Указано, что нельзя получить высший окисел, если не
проводить распыление в чистом кислороде [5]. Минимальное необходимое количество
кислорода зависит от скорости нанесения, давления газов и температур катода и
подложки. При использовании большего количества кислорода на катоде образуется
чрезмерно толстая пленка окисла. Это приводит к значительному уменьшению
скорости распыления; кроме того, большой избыток кислорода уменьшает также
эффективность тлеющего разряда [6].
Наибольшую часть соединений, получаемых реактивным
распылением, несомненно, составляют окислы. Это обусловлено как полезными
свойствами окислов многих металлов, так и легкостью, с которой можно проводить
реактивное распыление в кислороде. Введение в распылительную камеру кислорода
оказывает заметное влияние на вид тлеющего разряда в аргоне. В частности, добавление
даже небольших количеств кислорода влияет на разряд так же, как значительное
повышение давления в камере: сокращается темное пространство и уменьшается
импеданс разряда. Этот эффект объясняется тем, что дрейфовая скорость
электронов, движущихся в темном пространстве, уменьшается в присутствии атомов
кислорода, которые временно связывают электроны и превращаются в отрицательные
ионы. В результате эффективность образования положительных ионов при
соударениях электронов с атомами газа возрастает. Другим следствием присутствия
в зоне разряда отрицательных ионов является то, что вокруг анода может
образоваться область скопления отрицательных ионов, аналогичная оболочке из
положительных ионов на катоде.
Роль такой области в процессе реактивного распыления
точно не установлена, но некоторые исследователи считают, что она представляет
собой важную зону в системе реактивного распыления.
Недостатки магнетронного распыления при напылении оксидов:
1) Взаимодействием мишени с химически активными атомами и ионами в
составе плазмы магнетронного разряда. В результате образуется диэлектрическая
пленка, которая снижает выход атомов мишени при распылении и изменяет ее
эмиссионные свойства.
2) Кроме того, осаждение диэлектрических пленок на поверхности анода
(обычно это стенки вакуумной камеры) приводит к изменению параметров
магнетронного разряда в процессе работы. Сильное запыление может приводить к
гашению разряда. Это явление известно как «проблема исчезающего анода». Под
термином «исчезающий» анод подразумевается потеря анодом способности собирать
электроны из плазмы и, тем самым, замыкать электрический ток, в результате
покрытия поверхности анода, независимо от того, что он представляет собой,
стенки вакуумной камеры или отдельный элемент, диэлектрической пленкой во время
процесса реактивного напыления.
3) Низкая скорость напыления желательных материалов.
Всех этих недостатков лишена дуальная магнетронная система [7].
.3 Особенности нанесения оксидов дуальной магнетронной распылительной
системой
В последние годы достижения в напылении происходили в основном за счет
усовершенствования катодов и новых видов генераторов. Стандартная система для
нанесения тонких пленок состоит из источника питания постоянного тока и одного
магнетрона.
К сожалению, реактивное распыление в атмосфере кислорода таких металлов,
как Ti и Al на постоянном токе неэффективно из-за неустойчивости процесса и
образования дуги, следующей из катода, который покрывается оксидной пленкой. С
одной стороны, скорость ионного травления оксидной пленки существенно ниже, чем
чистого металла, а с другой, происходит зарядка поверхности оксидной пленки
положительными ионами, бомбардирующими поверхность. Вблизи заряженной
поверхности происходит перераспределение напряженности электрического поля
таким образом, что энергия ускоренных ионов существенно снижается.
Последствия образования дуги могут быть уменьшены за счет периодической
разгрузки катода, например, при использовании генератора переменного тока.
Однако это не предотвращает осаждение изоляционного материала на стенах камеры,
проблема, известная как “исчезающий анод“.
Напыление на ВЧ, как возможная альтернатива, не приемлемо из-за низких,
скоростей напыления желательных материалов.
Устранить эти эффекты позволяет дуальная магнетронная система, включающая
в себя два одинаковых магнетрона, каждый из которых попеременно становится то
катодом, то анодом.
Когда на магнетрон подается отрицательный потенциал, происходит
распыление мишени ионами рабочего газа, а когда положительный - плазменные
электроны высаживаются на поверхность и разряжают диэлектрическую пленку.
Это расположение известно как Дуальная Система Магнетрона (DMS) или Твин
- магнетрон.
Конструкция дуального магнетрона представлена на рисунке 1.2.
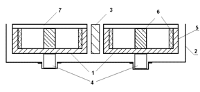
-планарные магнетроны; 2-корпус магнетронной системы; 3-магнитопровод;
4-изоляторы; 5-корпус планарного магнетрона; 6-постоянные магниты; 7-мишень.
Рисунок 1.2. - Конструкция дуальной магнетронной системы с дополнительным
элементом.
Между землей и одной из мишеней подано положительное напряжение, а между
землей и другой мишенью подано отрицательное напряжение. Таким образом, один
магнетрон является катодом, а другой анодом. За то время, пока один магнетрон
работает, другой очищается от диэлектрической пленки. Затем полярность
напряжения на магнетроне меняется.
Благодаря тому, что на магнетронах не образуется диэлектрическая пленка,
система работает более стабильно: отсутствуют мерцания, вспышки, магнетроны не
искрят, значительно увеличивается скорость нанесения материала.
Так как дуальный магнетрон работает стабильно, то качество наносимых им
покрытий выше, чем у магнетрона на постоянном токе, т.к. отсутствует
возможность попадания на подложку крупных вкраплений распыляемого материала
[8].
2. Процессы роста тонких пленок
.1 Физические основы распыления
Многочисленные экспериментальные и теоретические исследования ионного
распыления (ИР) показывают, что основным механизмом взаимодействия между
бомбардирующими ионами и атомами материала является процесс передачи импульса,
т. е. распыление осуществляется за счет упругих столкновений, приводящих к
прямому выбиванию атомов из равновесных положений.
Можно выделить три качественно различных случая: режим первичного
выбивания атомов из равновесных положений, режим линейных каскадов и режим
тепловых пиков. В режиме первичного выбивания бомбардирующий ион передает
энергию атомам мишени, которые могут либо сразу покинуть поверхность
(распылиться), либо распылиться после небольшого числа упругих столкновений с
приповерхностными атомами, необходимого для поворота вектора импульса. В двух
других режимах выбиваемые из равновесных состояний атомы получают энергию,
достаточную для выбивания вторичных, третичных и других атомов, часть которых
может достичь поверхности материала и преодолеть поверхностный барьер.
Ионное распыление материала начинается, когда энергия ионов Еи
превысит некоторую величину Епор, получившую название пороговой
энергии распыления. При Eи<Enoр ионы не распыляют
материал, и при взаимодействии с атомарно-чистой поверхностью происходят их
отражение, адсорбция с последующей десорбцией и нейтрализация, осуществляемая
электронами, эммитированными из материала под действием электрического поля
ионов. Если на поверхности материала присутствуют адсорбированные инородные частицы
и химические соединения, то в результате ионной бомбардировки происходят их
десорбция и химические превращения.
Процесс выхода в вакуум адсорбированных атомов отличается от выхода
распыленных атомов из объема материала тем, что вылетающая частица всегда
выходит из верхнего поверхностного слоя, ее энергия связи обычно меньше энергии
связи атомов в объеме. Если массы атомов адсорбирующего вещества и адсорбента
сильно различаются, то возможны большие различия в выходе (распылений)
адсорбированных частиц. Десорбция при ионной бомбардировке может осуществляться
прямым выбиванием адсорбированного атома падающим ионом, за счет его выбивания
отраженным от поверхности материала ионом, а также выбиванием распыленным
атомом материала.
При ионной бомбардировке поверхностные слои монокристаллов превращаются
вначале в поликристаллические, а затем в аморфные. Доза ионного облучения Dи
Кл/см2, определяется выражениями
и=jиt
или, ион/см2,
и=jиt/(ze),
где и - плотность ионного тока на поверхность материала, А/см2;
- продолжительность облучения, с;
е - заряд электрона, Кл; z -кратность заряда иона.
Доза аморфизации монокристаллического кремния Dа ионами аргона
с энергией 30 кэВ при температуре мишени 300 К составляет 5*1014
ион/см2, следовательно, при jи = 0,1 мА/см2
аморфизация наступает примерно через 1 с после начала обработки. Значения Dи
полупроводников сильно зависят от температуры, резко увеличиваясь с ее ростом,
очевидно, за счет отжига радиационных повреждений. В металлах подобного рода
отжиг происходит уже при комнатной температуре.
Среднее расстояние, проходимое внедренным в материал ионом до его
остановки, зависит от энергии и атомного номера иона, а также атомного номера и
кристаллической структуры материала. В большинстве случаев важно знать не
средний пробег ионов в материале, а среднюю глубину их проникновения от
поверхности. Средняя глубина проникновения ионов аргона в диапазоне энергий
(0,5-5,0) кэВ составляет для кремния 3,5, для двуокиси кремния 5,0, для золота
1,3, для алюминия 1,5 нм/кэВ. Толщина нарушенного слоя приблизительно равна
удвоенной средней глубине проникновения ионов в материал и возрастает с
увеличением дозы ионного облучения. Основная доля энергии ионов (70-90%)
выделяется в материале в виде тепла, менее 5% расходуется на распыление, а оставшаяся
часть затрачивается на радиационное повреждение материала, внедрение ионов,
вторичную электронную эмиссию и электромагнитное излучение в широком спектре
частот.
Для поликристаллических материалов угловое распределение распыленных
атомов при нормальном падении бомбардирующих ионов с энергией в диапазоне 1-10
кэВ в первом приближении описывается законом косинуса. При Еи<1кэВ
наблюдается «подкосинусное» распределение распыленных атомов, когда большее
число частиц распыляется параллельно поверхности мишени и меньшее -
перпендикулярно. При Еи> 10 кэВ имеет место «надкосинусное» и
даже гауссово распределение распыленных частиц.
При
наклонном падении ионов средняя энергия распыленных атомов
р возрастает;
с уменьшением массы бомбардирующих ионов
р уменьшается. Распыленные атомы тяжелых материалов
обладают наибольшим значением
р, а легкие - наибольшим значением скорости распыления
vp.
Процесс
распыления материалов количественно характеризуется коэффициентом распыления
(КР), который определяется как среднее число атомов, выбиваемых с поверхности
материала одной падающей частицей. Падающими частицами могут быть ионы
(атомарные и молекулярные), нейтральные атомы, нейтроны, электроны и фотоны с
большой энергией. Мы рассматриваем процесс физического распыления материалов
ионной бомбардировкой, поэтому, согласно определению КР, ат./ион:
p=Na/Nи,
где
Na- число выбитых (распыленных) атомов материала; и -
число ионов, бомбардирующих материал.
При
бомбардировке ионизированными молекулами, состоящими из одинаковых атомов,
каждый такой атом учитывают отдельно. В случае же молекул, содержащих разные
атомы, целесообразно определять КР в расчете на одну первичную молекулу. В
режиме линейных каскадов КР материала при бомбардировке ионами двухатомных
молекул (состоящих из одинаковых атомов) приблизительно вдвое больше, чем при
бомбардировке атомарными ионами. В режиме же тепловых пиков КР двухатомными
молекулами может превышать удвоенный КР для атомарных ионов..
Энергетическая
эффективность процесса ионного распыления ηэф
определяется массой материала m, распыляемой в единицу времени с единицы
площади, отнесенной к плотности мощности Wи =j и UK (где
jи и Uи - плотность ионного тока и ускоряющее ионы
напряжение), затрачиваемой на реализацию процесса распыления. Величина Eи
= eUи определяет энергию бомбардирующих материал ионов. В случае распыления
материала однозарядными ионами m= Ур(Еи)Аmjи/(NАе),
где Аm - атомная масса распыляемого материала; NА - число
Авогадро. Тогда, согласно определению,
ηэф =(Vр
Eи /Eи )(Am /NА)
Из
выражения видно, что энергетическая эффективность процесса распыления зависит
от энергии ионов. Значения энергии ионов, которые соответствуют максимальной
энергетической эффективности процесса распыления материалов, совпадают с Еа.
При этом максимальная доля энергии ионов расходуется на процесс распыления
материалов.
Кроме
энергии ионов КР материала зависит от:
а)массы
бомбардирующих ионов, увеличиваясь с возрастанием mи и атомарного
номера иона в области энергий, используемых для ИP;
б)атомного
номера распыляемого материала Za. Наблюдается сложная периодическая
зависимость КР от Za, в которой в пределах периода таблицы Д. И.
Менделеева КР возрастает по мере заполнения электронных d-оболочек;
в)угла
падения ионов на поверхность материала а, с ростом от 0 (отсчет ведется от
нормали к поверхности) до 70° наблюдается увеличение КР материалов. Для многих
материалов в первом приближении зависимость КР от а в этой области можно
оценить по формуле:
p (α) = Yp(0)/cosa,
где
Yp(0)-КР при нормальном падении ионов.
КР
при нормальном падении ионов прямо пропорционален энергии, рассеиваемой в
поверхностном слое материала, в пределах которого упругие столкновения с
атомами приводят к распылению. При угле падения а длина пробега ионов, а,
следовательно, и число столкновений в этом слое в 1/cos а раз больше. Значение
угла падения ионов аmах, при котором наблюдается максимальный КР
материала Уmах, зависит от энергии ионов и смещается в сторону
больших углов с увеличением Еи;
г)чистоты
обработки поверхности. Шероховатые поверхности имеют меньший КР, чем гладкие.
Это связано с частичным улавливанием распыленных атомов соседними
микронеровностями. Однако по мере удаления поверхностного слоя КР для
поверхностей с различной чистотой обработки выравнивается (у гладких
поверхностей - понижается, у шероховатых - возрастает), приближаясь к определенной
характерной для топографии поверхности, сформированной только ионной
бомбардировкой;
д)
температуры распыляемого материала Тр.м. Для поликристаллических и
аморфных материалов в диапазоне температур от комнатной до 600 К, обычно
используемых при ИР, значение КР не зависит от температуры.
2.2 Перенос вещества к подложке
Процесс переноса распыленного материала от мишени до поверхности
конденсации зависит от средней энергии распыленных частиц, их углового
распределения, давления рабочего газа, расстояния между распыляемой и приемной
поверхностями, а также в некоторых случаях от наличия электрических и магнитных
полей, определяющих движение ионизированных атомов распыленного материала.
В
отличие от процесса термовакуумного осаждения, при котором средняя энергия
испаренных частиц составляет доли электрон-вольта (1 эВ = 1,6-10~19
Дж), средняя энергия распыленных частиц
р в области энергий, обычно используемых при распылении
0,5-5 кэВ, лежит в диапазоне от 10 до 100 эВ. При наклонном падении ионов Ер
возрастает в соответствии с законами сохранения импульса энергии, в то время
как при уменьшении массы бомбардирующих ионов и атомов распыляемого материала
р
уменьшается.
В
экспериментальных исследованиях наблюдается уменьшение КР материалов, когда
давление рабочего газа превышает 1 Па, что связано с увеличением вероятности
возвращения распыленных атомов на мишень в результате процессов обратной
диффузии и обратного рассеяния (отражения). Под обратной диффузией следует
понимать диффузионное возвращение на мишень распыленных атомов, имеющих среднюю
кинетическую энергию
р, равную
средней кинетической энергии атомов инертного газа (
r). При
этом очевидно, что возвращение распыленных атомов на мишень за счет обратной
диффузии может происходить с расстояний, значительно превышающих среднюю длину
их свободного пробега (λр). Под
обратным рассеянием следует понимать возвращение распыленных атомов на мишень в
результате их рассеяния на атомах инертного газа. Этот процесс происходит на
расстояниях от мишени, не превышающих λр, и
характеризуется различием в кинетических энергиях соударяющихся частиц.
Среднее
число столкновений, после которого энергия распыленных атомов станет равной
тепловой энергии молекул или атомов используемого газа, а также длина пробега
распыленных атомов, на который они «погасят» свою избыточную энергию, могут
быть рассчитаны на основе физической модели процесса переноса распыленных
частиц, учитывающей тот факт, что энергия этих частиц Ер в сотни раз
превышает среднюю кинетическую энергию атомов рабочего газа Ер.
С
повышением давления инертного газа при распылении материалов с массой атомов ma,
большей массы атомов газа mr, основным процессом возвращения
распыляемых частиц на мишень является обратная диффузия, в результате которой
снижается эффективная скорость распыления мишени, а следовательно, и скорость
осаждения пленки на подложку. Поэтому на практике для выбора оптимального
технологического режима очень важно уметь оценивать давление газа, при котором
начнется процесс обратной диффузии [3].
2.3 Конденсация и образование тонких пленок
Процесс осаждения вещества на подложке состоит из двух этапов: начального
этапа - с момента адсорбции первых атомов (молекул) вещества подложкой до
момента образования сплошного покрытия и завершающего этапа, на котором
происходит рост пленки до заданной толщины.
Условия, в которых протекает начальный этап, имеют определяющее значение
для структуры полученной пленки, прочности ее сцепления с подложкой, времени
формирования пленки. Изучение явлений, происходящих на подложке в начальный
период, имеет поэтому большое практическое значение. Поскольку математическое
описание явлений, сопровождающих начальный этап формирования пленки, носит
приближенный и неполный характер, рассмотрим лишь качественную картину этих
явлений.
При столкновении с подложкой атом передает ей часть энергии, причем доля
этой энергии тем меньше, чем выше температура подложки. Обладая некоторым
избытком энергии, атом вещества некоторое время перемещается (мигрирует) по
поверхности подложки, теряя постепенно энергию и стремясь к тепловому
равновесию с подложкой, т. е. переходит в адсорбированное состояние.
Атомы мигрируют в потенциальном поле подложки, определяемом
распределением свободной энергии связи. При отсутствии химического
взаимодействия атомов вещества с материалом подложки (физическая адсорбция)
энергия связи определяется силами Ван-дер-Ваальса и имеет значение ~ 0,01 - 0,1
эВ. В зависимости от характера потенциального рельефа адсорбированный атом
может, потеряв значительную часть избыточной энергии, закрепиться
(сконденсироваться) на подложке, хотя вероятность этого процесса для одного
атома весьма мала. Значительный избыток энергии адсорбированных атомов и
длительная миграция по подложке приводят к тому, что с большей вероятностью
атомы десорбируются на потенциальных «буграх» рельефа (вторичное испарение).
Если подложка нагрета, что обусловливает высокую избыточную энергию атома, а
плотность атомного потока небольшая, практически исключающая взаимодействие
атомов вещества на подложке, то наступает равновесное состояние (состояние
насыщения), при котором поток падающих на подложку атомов равен потоку
десорбированных атомов. Плотность адсорбированных на подложке атомов при этом
невысока, примерно постоянна, и конденсации вещества не происходит.
Конденсация вещества может начаться при пересыщении пара на подложке.
Если плотность потока высока и (или) температура подложки низка, то вероятность
вторичного испарения уменьшается, а вероятность встречи атомов на подложке
увеличивается. При этом образуются атомные группы, более устойчивые к
повторному испарению, так как кинетическая энергия атомов частично переходит в
потенциальную энергию связи. Зародышем будущей пленки такая группа может стать,
если ее размер превышает некоторый критический, при котором вероятность
конденсации (окончательного закрепления на подложке) превышает вероятность
распада группы на атомы. Следует подчеркнуть, что минимальная степень
пересыщения пара, необходимая для начала образования зародышей, зависит от
температуры, химической природы, структуры и чистоты поверхности подложки и
может быть установлена лишь экспериментально при отладке процесса.
Дальнейший рост зародышей происходит за счет присоединения к ним вновь
адсорбированных атомов, а также за счет непосредственного осаждения атомов на
поверхность зародыша. Разрастаясь, отдельные островки-зародыши сливаются
(коалесценция), постепенно образуя сплошную пленку. На завершающем этапе, когда
сформирована сплошная пленка, ее рост носит гомогенный характер. Влияние
подложки при этом отсутствует, а характер связи (металлическая, ковалентная)
падающих на пленку атомов (или молекул) определяется веществом пленки. От
поверхности пленки атомы практически не отражаются.
Современные технические средства не позволяют непосредственно наблюдать явления,
происходящие на ранней стадии формирования пленки, поэтому они носят
гипотетический характер. Мерилом истинности, достоверности тех или иных гипотез
может служить только опыт и особенно опыт производства, который вследствие
массового характера испытания позволяет объективно оценить степень соответствия
теории получаемым результатам.
Фактором, по которому оцениваются качество и надежность пленки, является
прочность ее сцепления с подложкой (адгезия).
Адгезия пленки с подложкой заметно возрастает, если на начальном этапе
осаждения имеет место хемосорбция, т. е. адсорбция с образованием химических
связей атомов вещества с подложкой.
Следует подчеркнуть, что хемосорбция, увеличивая связь пленки с
подложкой, уменьшает критический размер зародышей и способствует образованию
мелкозернистой структуры.
Важным фактором является чистота пленки. Существенное влияние на качество
пленки оказывают остаточные газы, поглощаемые пленкой в процессе конденсации.
Пористость - это характерное свойство пленок, осажденных в вакууме. Вследствие
этого по сравнению с массивными образцами диэлектрические пленки имеют
пониженную электрическую прочность, а резистивные - повышенное сопротивление.
Химически пассивные компоненты остаточного газа (N2, С02,
Аг) способны в процессе эксплуатации устройств постепенно десорбироваться на
объема пленки, что приводит к временной нестабильности ее электрофизических
параметров, т. е. к старению пленки. Давление остаточных газов должно быть,
возможно ниже, однако, существует предел, обусловленный экономическими
соображениями. Содержание газов в напыленной пленке зависит от соотношения
плотностей потоков вещества и остаточных газов, падающих на подложку. При
прочих равных условиях загрязнение пленки остаточными газами тем ниже, чем выше
скорость осаждения.
Присутствующие на подложке до начала осаждения адсорбированные молекулы
воздуха не только загрязняют пленку, но и служат причиной снижения адгезии, так
как экранируют подложку от пленки. Поэтому необходимо десорбировать газы с
подложки, сообщая молекулам некоторую энергию. Частичная десорбция происходит
при нагреве подложки до рабочей температуры в вакууме перед напылением. Более
эффективная очистка» от адсорбированного газа обеспечивается бомбардировкой
поверхности подложки ионами газа с энергией в несколько десятков электронвольт.
Энергия ионов в несколько десятков электрон-вольт достаточна для
выбивания молекул газа, которые выносятся откачной системой, но недостаточна
для разрушения поверхности подложки [9].
3. Методы исследования параметров тонких пленок
.1 Методы измерения толщины тонкопленочных покрытий
Вещество в виде тонкой пленки представляет собой своеобразное состояние
материи, по своей структуре и характеристикам часто заметно отличающееся от
этого же вещества в массе. Поэтому, если известен показатель преломления,
плотность, электропроводность или другие свойства вещества в массе, нельзя без
достаточных оснований приписывать их значения тонкой пленке. Исследования
показывают, что характеристики пленок чрезвычайно чувствительны к условиям, в
которых они получены. Этим объясняются значительные расхождения в оптических и
других физических постоянных пленок, приводимых различными исследователями для
одних и тех же веществ [1].
Оптические методы определения толщины тонких пленок или пластин,
по-видимому, получили развитие раньше других методов. С тех пор как Ньютон
обнаружил, что цвет тонких предметов определяется их толщиной, этот эффект
интенсивно используется для определения толщины пленок [6].
При отсутствии поглощения оптическими характеристиками тонкой пленки
служат показатель преломления и толщина (геометрическая или оптическая).
Свойства тонкой пленки как оптической системы зависят от свойств окружающей
среды, от характеристик источника и приемника излучения. Если толщина пленки соизмерима
с длиной волны излучения, то наблюдаемые в ней явления интерференции и
поляризации света можно использовать для определения указанных оптических
характеристик [1].
При измерениях толщины в процессе напыления пленки в отраженных лучах
рассматривается цвет контрольной пластины, находящейся вблизи образца. С
увеличением толщины пленки окраска ее меняется, причем один и тот же цвет может
повторяться несколько раз. Таким образом, если требуется измерить толщину
готовой пленки, необходимо определить порядок интерференции. Если же контроль
за толщиной пленки ведется в процессе напыления, надо следить за
последовательностью изменения цветов и прекращать процесс напыления в момент,
когда пленка окрашивается в определенный цвет. Значения толщины в ангстремах,
приведенные в таблицах для воздуха, можно пересчитать для случая любого
материала пленки путем деления на соответствующее значение показателя
преломления n. Недостаток метода заключается в его субъективности: различные
исследователи не наблюдают одного и того же цвета для пленок одинаковой
толщины. Кроме того, необходимо знать дисперсию материала пленки, чтобы в
расчетах использовать правильное значение n [3].
Для работы в области тонкопленочных технологий, необходимо получение
пленок с точно известными значениями толщин. В данной работе использовался
фотометрический метод определения толщины напыляемых материалов.
Этот метод обычно используется для определения толщины у непоглощяющих
покрытий. Он основан на эффекте интерференции волн в пленках, толщины которых
соизмеримы с длиной волны. В случае непоглощяющих пленок на диэлектрической
подложке, интерференция приводит к эффектам окрашивания. Кроме того, важна
относительная величина показателей преломления пленки nр и подложки
ns.
Если измеряется отражение света на определенной длине волны λ,
то при увеличении
толщины пленки в случае nр > ns отражение сначала
увеличивается (достигая максимума при толщине, равной λ/4),
затем уменьшается и
проходит через минимум при толщине, равной λ/2 и т.д. Максимумы будут наблюдаться
при толщине, определяемой равенством
, (3.1)
где
d-геометрическая толщина пленки;- целое число;
а
минимумы-при толщине, соответствующей равенству
, (3.2)
Если
измеряется пропускание света на определенной длине волны λ, то при увеличении толщины пленки в случае nр
> ns пропускание сначала уменьшается (достигая минимума при
толщине, равной λ/4), затем увеличивается и проходит через максимум при
толщине, равной λ/2
и т.д. Минимумы будут наблюдаться при
толщине, определяемой равенством
, (3.3)
максимумы-при
толщине, соответствующей равенству
, (3.4)
Последовательность
появления максимумов и минимумов меняется на обратное для nр<ns
по сравнению со случаем np>ns.
1- вакуумная камера; 2- лампа накаливания; 3- линза; 4- поворотное
зеркало; 5- стеклянная подложка; 6 - напыляемая пленка; 7- стеклянное окно; 8-
монохроматор; 9- фотоэлектронный умножитель; 10- АЦП; 11- микроконтроллер; 12-
канал связи.
Рисунок 3.1 - Структурная схема измерителя оптической толщины.
При интерференции мощность излучения (поток энергии) не уничтожается, а
только перераспределяется. То, чего недостает в интерференционных минимумах,
появляется в виде добавки в интерференционных максимумах.
Принцип действия измерителя заключается в следующем.
Свет от лампы накаливания, сформированный в параллельный пучок линзой и
поворотным зеркалом через стеклянное окно в вакуумной камере направляется на
стекло, на которое напыляется пленка. Отраженный от нее пучок света несет
информацию о показателе преломления вещества пленки и ее толщине.
Световой пучок, отраженный от стекла с пленкой,
выведенный за пределы вакуумной камеры попадает в монохроматор, где из всего
спектра излучения лампы накаливания выделяется требуемая длина волны. Далее
пройдя выходную щель монохроматора, свет попадает на фотоэлектронный умножитель
(ФЭУ), где преобразуется в электрический сигнал, диапазон изменения которого 1
- 200мВ [10].
.2 Исследование оптических характеристик
Принцип действия спектрофотометра основан на измерении отношения двух
световых потоков: светового потока, прошедшего через исследуемый образец, и
потока, падающего на исследуемый образец (или прошедшего через контрольный
образец).
В световой поток от источника излучения поочередно вводятся затвор для
определения темнового сигнала, расположенный внутри спектрофотометра,
контрольный образец и исследуемый образец.
Коэффициент пропускания исследуемого образца рассчитывается по формуле
= (I - IT) / (Ik - IT)
где I - сигнал, пропорциональный световому потоку, прошедшему через
исследуемый образец;
IT - сигнал, пропорциональный световому потоку, прошедшему
через контрольный образец;
Ik - сигнал, пропорциональный тепловому потоку приемника.
Оптическая схема спектрофотометра приведена на рисунке 3.2. Она состоит
из оптических схем двух каналов (“У” и “В”). Каждый из каналов представляет
собой полихроматор, построенный на основе вогнутой дифракционной решетки с
коррекцией аберраций.
Рисунок 3.2 - Оптическая схема спектрофотометра.
Свет от источника ультрафиолетового излучения S1, попадая на
объектив L1, направляется им на образец K и затем проецируется на
входную щель N1 канала “У” спектрофотометра. Затем световой пучок
попадает на дифракционную решетку R1, после чего дифрагированный
свет фокусируется на поверхности многоэлементного приемника D1.
Аналогично, свет от источника видимого излучения S2, попадая
на объектив L2, направляется на образец K, проецируется на входную
щель N2 канала “В” спектрофотометра. Затем световой пучок
направляется на дифракционную решетку R2, после чего дифрагированный
свет фокусируется на поверхности многоэлементного приемника D2.
Каждый из многоэлементных приемников регистрирует свой спектральный
диапазон одновременно. Принцип работы многоэлементного приемника состоит в
преобразовании светового сигнала в электрический, причем величина
электрического сигнала прямо пропорциональна как величине светового сигнала,
так и времени освещения приемника (экспозиции).
Рисунок 3.3 - Конструкция спектрофотометра.
Конструктивно спектрофотометр выполнен в виде единого блока (рис.3.3) в
состав которого входят:
осветитель с двумя источниками излучения. При работе спектрофотометра
осветитель закрыт защитным кожухом;
автоматизированное кюветное отделение, которое снабжено подвижной
кареткой, обеспечивающей возможность установки различных держателей жидких и
твердых образцов;
полихроматор с двумя многоэлементными приемниками и двумя дифракционными
решетками;
электронные блоки и модули, обеспечивающие функционирование
спектрофотометра.
Элементы оптической системы закрыты светонепроницаемым кожухом, который
закреплен винтами на основании [11].
3.3 Исследование поверхности тонких пленок
На практике пленок с идеально плоскими поверхностями никогда не
наблюдается. Из-за того, что процесс осаждения носит случайный характер,
следует ожидать появления на поверхности некоторой шероховатости, т. е.
увеличения площади поверхности.
В действительности, после столкновения атомов пленки с подложкой возможна
их некоторая поверхностная диффузия. В результате всегда появляется возможность
занять те места в кристаллической решетке пленки, которые ранее оставались
пустыми. Миграция по поверхности из-за заполнения впадин и выравнивания
бугорков может привести к уменьшению площади поверхности.
С другой стороны, в результате миграции может произойти развитие ярко
выраженных кристаллических граней. Это вновь приведет к увеличению
шероховатости на поверхности.
В данной работе для исследования поверхности использовался контактный
метод.
Контактные электромеханические приборы,
предназначенные для измерений параметров шероховатости поверхности, называют
профилометрами, а такие же приборы для записи неровностей поверхности -
профилографами. Профилографы позволяют не только записывать профиль
поверхности, но и измерять параметры шероховатости. Поэтому их называют
профилографами - профилометрами.
При контактном методе измерения неровностей
поверхности в качестве щупа используют остро заточенную иглу, поступательно
перемещающуюся по определенной трассе относительно поверхности. Ось иглы
располагают по нормали к поверхности. Опускаясь во впадины, а затем, поднимаясь
на выступы во время движения ощупывающей головки по испытуемой поверхности, игла
колеблется относительно головки соответственно огибаемому профилю. Механические
колебания иглы преобразуются, как правило, в электрические при помощи
электромеханического преобразователя того или иного типа. Снятый с
преобразователя полезный сигнал усиливают, а затем измеряют его параметры,
характеризующие неровности исследуемой поверхности (профилометрирование), или
записывают параметры профиля поверхности в заранее выбранных вертикальном и
горизонтальном масштабах (профилографирование) [12].
пленка оксид
магнетронный плазменный
4. Экспериментальные исследования
.1 Схема экспериментальной установки “Яшма”
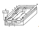
Ионно-плазменная установка «Яшма» [13], разработанная в
Научно-исследовательском институте ядерной физики при Томском политехническом
университете и предназначенная для нанесения модифицирующих покрытий на
поверхность твёрдых тел с помощью плазмы магнетронного разряда и пучков
ускоренных ионов.
- рабочая камера; 2, 4 - клапаны напуска воздуха; 3, 5 - термопарные
вакуумметры; 6 - фотоэлектронный умножитель; 7 - шлюзовая камера; 8 -
управляемый натекатель системы напуска газа; 9 - дверь рабочей камеры;
Рисунок 4.1 а - Схема оборудования рабочей камеры установки «Яшма».
10 - дополнительная МРС; 11 - источник высокоэнергетичных ионов; 12 -
ионизационный вакуумметр; 13 - револьверная головка с тремя МРС; 14 -
высоковакуумный затвор; 15 - монохроматор; 16 - источник света, 17 - образец;
18 - дверь шлюзовой камеры; 19 - предметный стол в положении загрузки; 20 -
источник ионов с замкнутым дрейфом электронов; 21 - предметный стол с
вращающимся диском; 22 - магнитная муфта; 23 - дроссельная заслонка
Рисунок 4.1 б - Схема оборудования рабочей камеры установки «Яшма».
Основной элемент её - охлаждаемая рабочая камера (поз. 1), к которой
примыкает шлюзовая камера (7), отделённая высоковакуумным затвором (14). Камеры
выполнены из нержавеющей стали и каждая имеет дверь. Внутри камер с помощью
вакуумной системы и системы напуска газа создается разреженная газовая среда
определенного состава при давлении 10-2…10-1 Па.
Образцы помещают на предметный стол в шлюзовой камере, который с помощью
сканирующей системы перемещают в рабочую камеру и там движется в зависимости от
режима, заданного оператором, поступательно или вращательно.
Высоковакуумный затвор позволяет герметично отсекать шлюзовую камеру от
рабочей во время загрузки и выгрузки образцов, сохраняя вакуум в рабочей камере
и тем самым значительно сохраняя длительность технологического цикла.
В рабочей камере расположены исполнительные элементы: ионный источник с
замкнутым дрейфом электронов (20), револьверная головка с тремя магнетронами
(13), а в качестве дополнительного магнетрона (10) использовалась дуальная
магнетронная распылительная система.
На верхнем фланце камеры установлен источник высокоэнергетичных ионов
(11), который предназначен для перемешивания (mixing) атомов вблизи границы
раздела “покрытие-подложка” с целью улучшения адгезии покрытий. Он обеспечивает
пучок ионов аргона с энергией до 50 кэВ и током до 40 мА. Диаметр пучка - 300
мм.
Установка снабжена источниками питания всех исполнительных элементов и
другими элементами.
Управление установкой осуществляется в полуавтоматическом режиме
(загрузка и выгрузка образцов производятся вручную). Пульт управления - это
персональный компьютер.
Измерение толщины наносимых покрытий осуществляется с помощью
фотометрической системы контроля, которая содержит источник света (16),
монохроматор (15) и фотоэлектронный умножитель (6). Она особенно эффективна при
контроле процесса напыления “четвертьволновых” диэлектрических слоев.
Порядок работы на установке «Яшма»:. Подготовка к включению установки
) Подать воду для охлаждения диффузионного насоса;
) Включить главный рубильник и подать напряжение на диффузионный насос;
) Включить компьютер, блоки напуска атмосферы, блок фотометра,
вакуумметр, проверить начальные установки на всех блоках;
) Открыть баллоны с рабочим газом до нужного давления;
) Запустить программу управления МРС ЯШМА.. Включение установки и
получение разряда
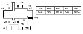
) Нажать кнопку ВКЛ на панели управления (рис. 4.2) компьютер по
заложенному алгоритму произведет запуск системы и откачает вакуумную камеру до
высокого вакуума.
Рисунок 4.2 - Мнемоническая схема программы МРС «Яшма».
Рассмотрим подробнее процесс включения установки «Яшма».
после нажатия кнопки ВКЛ компьютер произведёт откачку трубопровода между
форвакуумным насосом NL и клапаном VM3 контроль осуществляется по термопарному
вакуумметру РТ3;
VM3 открывается и откачивается диффузионный насос ND до 300 единиц по
РТ3, затем включается плитка диффузионного насоса, и насос прогревается в
течение 50 минут;
закрывается VM3 (диффузионный насос некоторое время может работать без
откачки) и открывается VM1 откачивается вакуумная камера до форвакуума контроль
по РТ1 и РТ2;
закрывается VM1, открывается VM3 и откачивается диффузионный насос. VT2
открывается и откачивается вакуумная камера до высокого вакуума.
) Нажать кнопку УСТ, выбрать тип магнетрона и запустить программу (кнопка
ПУСК). Компьютер проверит состояние системы и включит нужные блоки (подача воды
и газа). В рабочую камеру с помощью системы напуска газов через управляемый
натекатель подать (вручную) рабочий газ под давлением, близким к оптимальному
для нормального функционирования магнетронов (~10-1 Па) и включить
блок питания. При этом скорость откачки регулируется дроссельной заслонкой.
Контроль давления осуществляется по показаниям термопарных и ионизационного
вакуумметров. После этого производится тренировка мишеней магнетронов и
установка готова к работе.
Возможно неполная разгерметизация вакуумной камеры, что очень удобно для
загрузки и выгрузки образцов. Выбираем режим ШЛЮЗ, теперь при команде РАЗГР
вакуумная камера перекрывается затвором VT1 и в шлюз напускается атмосферное
давление. При режиме БЕЗ ШЛЮЗА происходит полная разгерметизация камеры. При
полной разгерметизации камеры её стенки адсорбируют из атмосферы газы, что
приводит к окислению катодов магнетрона, уменьшению скорости откачки и
ухудшению получаемых покрытий.
Напыление плёнки:
Задать программу напыления и запустить программу (компьютер проверит
состояние системы и включит нужные блоки);
напустить в камеру рабочий газ и зажечь разряд (вручную);
поставить параметры разряда на автоматику и потренировать магнетрон;
откорректировать давление рабочего газа, откорректировать ФЭУ и снять с
паузы программу;
провести напыление;
выключить магнетрон и убрать рабочий газ.. Выключение установки
Выключение установки осуществляется в следующем порядке:
) Обесточить ионные источники и магнетроны (кнопка СТОП).
) Отключить источники питания.
) Перекрыть поступление рабочего газа в рабочую камеру (вручную).
4) Перекрыть поступление охлаждающей воды на магнетроны и ионные
источники.
5) Перекрыть затвор диффузионного насоса.
) Расхолодить диффузионный насос.
) Отключить механический насос.
) Отключить все приборы контроля.
.2 Методика эксперимента
а) изготовление образцов
Для сравнения качества пленок, полученных с помощью дуальной магнетронной
распылительной системы со встроенным металлическим шунтом и без него и обычного
магнетрона, напыление необходимо проводить при одинаковых режимах. Пленки
осаждались на стеклянные подложки размером 76х25 мм. Перед напылением подложки
были подвержены механической очистке. Затем стекло помешалось на предметный
стол, после чего запускалась программа управления установкой.
После зажигания разряда магнетрона, необходимо время для очистки катода.
Тренировка магнетрона происходит в атмосфере аргона. Так как камера имеет
шлюзовой отсек и магнетрон находится постоянно в вакууме, то для его тренировки
необходим короткий промежуток времени. Пленки диэлектрика напылялись в
атмосфере смеси аргона и кислорода с использованием титанового катода.
Было произведено напыление девяти образцов, параметры напыления
представлены в таблицах 5.1 - 5.9.
б) измерение толщины
В нашем случае установка магнетронного распыления материалов оснащена
фотометрической приставкой работающей на отражение сигнала. Основное напыление
происходит по циклам или проходам. Один проход соответствует движению
перемещаемого столика с образцом из одной конечной точки в другую. В среднем
положении столика происходит напыление материала, а в крайних точках образец
скрывают защитные экраны.
Толщина пленки, получаемая при одном проходе, вычисляется следующим
образом:
На образец из стекла напыляется титан в среде кислорода для получения
диоксида титана, при этом замеряется значение фотометрической приставки после
каждых двух проходов.
Далее строится график зависимости отраженного светового потока на
определенной длине волны, выраженного в милливольтах от толщины пленки,
выраженной в количестве проходов. Значения оптической толщины пленки в
максимуме находятся по формуле 3.1, в минимуме - по формуле 3.2. Зная показатель
преломления материала можно определить и ее геометрическую толщину, а,
следовательно, рассчитать скорость напыления материала.
в) Исследование поверхности
Для изучения поверхности использовался профилометр марки Micromesure 3D
Station.
Образец с пленкой помещается на предметный столик, щуп с остро заточенной
иглой опускается на поверхность образца. Игла поступательно перемещается по
определенной трассе относительно поверхности пленки. Механические колебания
иглы преобразуются в электрические, которые передаются на персональный
компьютер для последующей обработки и анализа.
После обработки на экране ЭВМ отображается фотография поверхности,
профиль поверхности и основные параметры, по которым можно количественно
оценить шероховатость поверхности.
г) методика измерения оптических характеристик
Процедура получения спектров образцов сводится к следующим операциям:
подложку с образцом размещают в кюветном отделении так, чтобы первая ячейка
оставалась свободной и затем их помещают в спектрофотометр. После этого в
программе IMD задаются следующие параметры для снятия спектра:
) диапазон длины волны λ =190 - 1100,1 нм
) шаг nλ =1 нм
Происходит измерение сигналов, пропорциональных световым потокам,
прошедших через исследуемый и контрольный образцы в зависимости от длины волны.
Далее в программе происходит расчет коэффициента пропускания Т. После чего
строится графическая зависимость коэффициента пропускания исследуемого образца
от длины волны Т(λ).
5. Результаты экспериментальных исследований
В результате экспериментов было произведено напыление девяти образцов.
Полученные данные приведены в таблицах 5.1-5.9, где
Рраб - давление рабочего газа, Па;0 - показания
регистрирующего прибора фотометрической приставки, мВ;- напряжение на
магнетроне, В;- ток разряда, А;
Р - мощность, кВт- число проходов;
l - длина волны монохроматора, нм;
Таблица 5.1- Протокол напыления образца №1 дуальным магнетроном
|
Параметры напыления
|
|
I ,A
|
U,B
|
Pраб , Па
|
P, Вт
|
l=421нм
|
|
10
|
630
|
0.42
|
6300
|
|
|
Напыление
|
|
n
|
U0,
|
n
|
U0,
|
n
|
U0,
|
n
|
U0,
|
n
|
U0,
|
|
2
|
50.3
|
12
|
131.5
|
22
|
64.7
|
32
|
121.5
|
130.5
|
|
4
|
64.5
|
14
|
134.6
|
24
|
49.0
|
34
|
140.9
|
44
|
108.5
|
|
6
|
90.7
|
16
|
128.2
|
26
|
51.2
|
36
|
153.6
|
46
|
81.1
|
|
8
|
116.1
|
18
|
110.0
|
28
|
69.5
|
38
|
152.3
|
48
|
58.6
|
|
10
|
123.7
|
20
|
83.8
|
30
|
96.4
|
40
|
145.0
|
50
|
48.8
|
|
|
|
|
|
|
|
|
|
|
|
|
|
Таблица 5.2- Протокол напыления образца №2 дуальным магнетроном с
дополнительным элементом
|
Параметры напыления
|
|
I ,A
|
U,B
|
Pраб ,Па
|
P, Вт
|
l=421нм
|
|
10
|
630
|
0.54
|
6300
|
|
|
Напыление
|
|
n
|
U0,
|
n
|
U0,
|
n
|
U0,
|
n
|
U0,
|
n
|
U0,
|
|
2
|
30,2
|
14
|
105,9
|
26
|
32,6
|
38
|
107,7
|
50
|
46,8
|
|
4
|
46,6
|
16
|
103,6
|
28
|
34,4
|
40
|
108,5
|
52
|
36,3
|
|
6
|
63,9
|
18
|
92,8
|
30
|
47,5
|
42
|
107,5
|
54
|
34,9
|
|
8
|
81,7
|
20
|
77,8
|
32
|
63,4
|
44
|
98,4
|
-
|
-
|
|
10
|
96,0
|
22
|
58,7
|
34
|
83,4
|
46
|
79,0
|
-
|
-
|
|
12
|
104,7
|
24
|
43,4
|
36
|
96,0
|
48
|
67,3
|
-
|
-
|
|
|
|
|
|
|
|
|
|
|
|
|
|
Таблица 5.3- Протокол напыления образца №3 планарным магнетроном
|
Параметры напыления
|
|
I ,A
|
U,B
|
Pраб ,Па
|
P, Вт
|
l=421нм
|
|
8
|
350
|
0.29
|
2800
|
|
|
Напыление
|
|
n
|
U0,
|
n
|
U0,
|
n
|
U0,
|
n
|
U0,
|
n
|
U0,
|
|
2
|
29,8
|
34
|
114,2
|
66
|
53,6
|
98
|
79,3
|
130
|
95,6
|
|
4
|
32,2
|
36
|
115,3
|
68
|
47,4
|
100
|
84,7
|
132
|
91,1
|
|
6
|
36,2
|
38
|
117
|
70
|
42,1
|
102
|
89,8
|
134
|
85,3
|
|
8
|
41,9
|
40
|
116,4
|
72
|
37,6
|
104
|
94
|
136
|
80,7
|
|
10
|
47,9
|
42
|
114,2
|
74
|
34,5
|
106
|
97,8
|
138
|
75,5
|
|
12
|
55,2
|
44
|
112,8
|
76
|
32,5
|
108
|
102,1
|
140
|
68,8
|
|
14
|
62,3
|
46
|
110,1
|
78
|
32
|
110
|
105,6
|
142
|
63
|
|
16
|
69,5
|
48
|
107,7
|
80
|
33
|
112
|
106,8
|
144
|
56,7
|
|
18
|
76,6
|
50
|
103,4
|
82
|
35,3
|
114
|
109,5
|
146
|
50,1
|
|
20
|
83,9
|
52
|
98,8
|
84
|
38,4
|
116
|
108,6
|
148
|
46,2
|
|
22
|
90,2
|
54
|
93,8
|
86
|
42,1
|
118
|
108,4
|
150
|
42
|
|
24
|
94,9
|
56
|
87,8
|
88
|
48,2
|
120
|
107,9
|
152
|
38
|
|
26
|
100,5
|
58
|
81,6
|
90
|
51,2
|
122
|
107,6
|
154
|
37
|
|
28
|
105,1
|
60
|
74,8
|
92
|
60,7
|
124
|
106,7
|
156
|
35
|
|
30
|
109,2
|
62
|
66,2
|
94
|
66,8
|
126
|
103
|
158
|
35,5
|
|
32
|
110,9
|
64
|
60,9
|
96
|
73,4
|
128
|
100,5
|
160
|
37,8
|
|
|
|
|
|
|
|
|
|
|
|
|
|
Рисунок 5.1 .Зависимость показания фотометрической приставки от
количества проходов для образцов №1 -№3
Используя формулу 3.2, определим оптическую толщину полученных покрытий.
Она составила 631,5нм. Зная показатель преломления материала пленки (np
(TiO2) = 2.395), можно вычислить ее геометрическую толщину d =263,7
нм.
Напыление
оксидного слоя производилось постепенно, слой за слоем. Каждый слой
соответствовал прохождению рабочего стола с подложками под магнетронной
системой. Поэтому скорость нанесения можно определить, разделив геометрическую
толщину на количество проходов, при котором получается необходимая толщина.
Скорость
нанесения покрытия на дуальной конструкции составила 5.273 нм/проход, для
дуальной конструкции с дополнительным элементом скорость составила 4.883
нм/проход, на планарном магнетроне значение скорости 1.690 нм/проход.
Таблица
5.4- Протокол напыления образца №4 дуальным магнетроном
|
Параметры напыления
|
|
I ,A
|
U,B
|
Pраб ,Па
|
P, Вт
|
l=421нм
|
|
10
|
700
|
0.30
|
7000
|
|
|
Напыление
|
|
n
|
U0,
|
n
|
U0,
|
n
|
U0,
|
n
|
U0,
|
n
|
U0,
|
|
2
|
45,2
|
12
|
145,2
|
22
|
48,8
|
32
|
142,8
|
42
|
49,8
|
|
4
|
71,9
|
14
|
136,2
|
24
|
34
|
139,7
|
44
|
46,5
|
|
6
|
102,8
|
16
|
113,6
|
26
|
90,1
|
36
|
113,2
|
46
|
61,4
|
|
8
|
128,8
|
18
|
82,0
|
28
|
117,0
|
38
|
98,8
|
-
|
-
|
|
10
|
144,8
|
20
|
57,2
|
30
|
135,3
|
40
|
70,5
|
-
|
-
|
|
|
|
|
|
|
|
|
|
|
|
|
|
Таблица 5.5- Протокол напыления образца №5 дуальным магнетроном с
дополнительным элементом
|
Параметры напыления
|
|
I ,A
|
U,B
|
Pраб ,Па
|
P, Вт
|
l=421нм
|
|
9.65
|
700
|
0.32
|
6755
|
|
|
Напыление
|
|
n
|
U0,
|
n
|
U0,
|
n
|
U0,
|
n
|
U0,
|
n
|
U0,
|
|
2
|
33,3
|
12
|
107,9
|
22
|
33,7
|
32
|
106,4
|
42
|
44,9
|
|
4
|
54,7
|
14
|
100,2
|
24
|
41,4
|
34
|
107,2
|
44
|
36,9
|
|
6
|
79,3
|
16
|
84,3
|
26
|
61,5
|
36
|
99,2
|
46
|
24,6
|
|
8
|
97,1
|
18
|
62,5
|
28
|
81,8
|
38
|
83,6
|
-
|
-
|
|
10
|
106,8
|
20
|
42,5
|
30
|
97,7
|
40
|
63,9
|
-
|
-
|
|
|
|
|
|
|
|
|
|
|
|
|
|
Таблица 5.6- Протокол напыления образца №6 планарным магнетроном
|
Параметры напыления
|
|
I ,A
|
U,B
|
Pраб ,Па
|
P, Вт
|
l=421нм
|
|
8
|
328
|
0.30
|
2624
|
|
|
Напыление
|
|
n
|
U0,
|
n
|
U0,
|
n
|
U0,
|
n
|
U0,
|
n
|
U0,
|
|
2
|
37,6
|
38
|
143,1
|
74
|
62,6
|
110
|
117,4
|
146
|
106,2
|
|
4
|
40,2
|
40
|
144
|
76
|
57,4
|
112
|
121,5
|
148
|
100,5
|
|
6
|
43,7
|
42
|
145,2
|
78
|
53,7
|
114
|
126,3
|
150
|
93,6
|
|
8
|
48,6
|
44
|
144,9
|
80
|
50,5
|
116
|
131
|
152
|
88,8
|
|
10
|
55,3
|
46
|
143
|
82
|
49
|
118
|
133
|
154
|
81,5
|
|
12
|
62,4
|
48
|
142
|
84
|
48,8
|
120
|
135,3
|
156
|
75,2
|
|
14
|
73
|
50
|
137,2
|
86
|
50,2
|
122
|
136
|
158
|
70,2
|
|
16
|
80,9
|
52
|
133,3
|
88
|
52,8
|
124
|
136,3
|
160
|
64,2
|
|
18
|
89,7
|
54
|
129
|
90
|
56,6
|
126
|
137,6
|
162
|
59,4
|
|
20
|
96,6
|
56
|
122,9
|
92
|
59,3
|
128
|
138,2
|
164
|
56,7
|
|
22
|
107
|
58
|
117,1
|
94
|
66,6
|
130
|
137,7
|
166
|
54,5
|
|
24
|
113,9
|
60
|
111,7
|
96
|
73,1
|
132
|
135,4
|
168
|
54,8
|
|
26
|
121,8
|
62
|
104,4
|
98
|
79,7
|
134
|
133
|
170
|
52,3
|
|
28
|
127
|
64
|
96,8
|
100
|
86,3
|
136
|
129,6
|
172
|
53,4
|
|
30
|
132
|
66
|
89,3
|
102
|
93,1
|
138
|
126,8
|
-
|
-
|
|
32
|
136,3
|
68
|
82,3
|
104
|
99,8
|
140
|
122,4
|
-
|
-
|
|
34
|
139,9
|
70
|
75,2
|
106
|
105,1
|
142
|
117,8
|
-
|
-
|
|
36
|
141,9
|
72
|
67,9
|
108
|
112,1
|
144
|
112,1
|
-
|
-
|
|
|
|
|
|
|
|
|
|
|
|
|
|
Рисунок 5.2 .Зависимость показания фотометрической приставки от
количества проходов для образцов №4 -№6
Как сказано выше, оптическая толщина полученного покрытия составила
631,5нм. Зная показатель преломления материала пленки (np (TiO2)
= 2.395), можно вычислить ее геометрическую толщину d =263,7 нм. Скорость
нанесения можно определить, разделив геометрическую толщину на количество
проходов, при котором получается необходимая толщина.
Скорость нанесения покрытия на дуальной конструкции составила 5.993
нм/проход, для дуальной конструкции с дополнительным элементом скорость
составила 5.993 нм/проход, на планарном магнетроне значение скорости 1.551
нм/проход.
Таблица 5.7- Протокол напыления образца №7 дуальным магнетроном
|
Параметры напыления
|
|
I ,A
|
U,B
|
Pраб ,Па
|
P, Вт
|
l=421нм
|
|
9.7
|
735
|
0.29
|
7130
|
|
|
Напыление
|
|
n
|
U0,
|
n
|
U0,
|
n
|
U0,
|
n
|
U0,
|
n
|
U0,
|
|
2
|
48,2
|
10
|
145,3
|
18
|
70,0
|
26
|
138,0
|
34
|
119,2
|
|
4
|
77,0
|
12
|
139,4
|
20
|
50,8
|
114,3
|
36
|
92,4
|
|
6
|
111,5
|
14
|
131,4
|
22
|
57,1
|
30
|
135,1
|
38
|
65,5
|
|
8
|
131,9
|
16
|
102,5
|
24
|
83,3
|
32
|
141,9
|
40
|
51,0
|
|
|
|
|
|
|
|
|
|
|
|
|
|
Таблица 5.8- Протокол напыления образца №8 дуальным магнетроном с
дополнительным элементом
|
Параметры напыления
|
|
I ,A
|
U,B
|
Pраб ,Па
|
P, Вт
|
l=421нм
|
|
10
|
735
|
0.54
|
7350
|
|
|
Напыление
|
|
n
|
U0,
|
n
|
U0,
|
n
|
U0,
|
n
|
U0,
|
n
|
U0,
|
|
2
|
38,1
|
12
|
128,3
|
22
|
45.1
|
32
|
111.2
|
42
|
62.2
|
|
4
|
58,4
|
14
|
123,1
|
24
|
41.7
|
34
|
117.9
|
44
|
44.3
|
|
6
|
84,8
|
16
|
100.2
|
26
|
54.1
|
36
|
115.5
|
46
|
38.6
|
|
8
|
107,8
|
18
|
88.9
|
28
|
75.6
|
38
|
103.3
|
48
|
47.3
|
|
10
|
122,5
|
20
|
63.4
|
30
|
96.4
|
40
|
84.0
|
-
|
-
|
|
|
|
|
|
|
|
|
|
|
|
|
|
Таблица 5.9- Протокол напыления образца №9 планарным магнетроном
|
Параметры напыления
|
|
I ,A
|
U,B
|
Pраб ,Па
|
P, Вт
|
l=421нм
|
|
8
|
291
|
0.43
|
2328
|
|
|
Напыление
|
|
n
|
U0,
|
n
|
U0,
|
n
|
U0,
|
n
|
U0,
|
n
|
U0,
|
|
2
|
30,6
|
38
|
129,9
|
74
|
98,8
|
110
|
53,7
|
146
|
132,1
|
|
4
|
32,2
|
40
|
133,6
|
76
|
91,8
|
112
|
59,9
|
148
|
130,5
|
|
6
|
34,8
|
42
|
135,7
|
78
|
84,4
|
114
|
66,4
|
150
|
127
|
|
8
|
39
|
44
|
138,8
|
80
|
76,6
|
116
|
73,3
|
152
|
122,8
|
|
10
|
43,9
|
46
|
140,2
|
82
|
68,9
|
118
|
80,1
|
154
|
119
|
|
12
|
50
|
48
|
141,7
|
84
|
62,4
|
120
|
87
|
156
|
112,8
|
|
14
|
56,4
|
50
|
140,9
|
86
|
55,3
|
122
|
93,1
|
158
|
106,3
|
|
16
|
63,9
|
52
|
139,7
|
88
|
49,2
|
124
|
99,5
|
160
|
98,9
|
|
18
|
71,1
|
54
|
139,5
|
90
|
43,8
|
126
|
105,8
|
162
|
90,8
|
|
20
|
78,6
|
56
|
137,4
|
92
|
39,2
|
128
|
111,3
|
164
|
81,3
|
|
22
|
86,2
|
58
|
135,3
|
94
|
36,1
|
130
|
115,4
|
166
|
72,5
|
|
24
|
93,5
|
60
|
133,3
|
96
|
33,7
|
132
|
120
|
168
|
63,7
|
|
26
|
100,4
|
62
|
129,9
|
98
|
33,2
|
134
|
124,5
|
170
|
55,4
|
|
28
|
106
|
64
|
126,1
|
100
|
33,9
|
136
|
127,6
|
172
|
48,6
|
|
30
|
113,4
|
66
|
122,5
|
102
|
35,4
|
138
|
130,2
|
174
|
42,9
|
|
32
|
118,3
|
68
|
116,9
|
104
|
39
|
140
|
131,7
|
176
|
39
|
|
34
|
122,3
|
70
|
111,4
|
106
|
42,9
|
142
|
132,8
|
178
|
36,7
|
|
36
|
127,4
|
72
|
105,5
|
108
|
48
|
144
|
133,1
|
180
|
37,5
|
|
|
|
|
|
|
|
|
|
|
|
|
|
Рисунок 5.3.Зависимость показания фотометрической приставки от количества
проходов для образцов №7 -№9
Скорость нанесения покрытия на дуальной конструкции составила 6.593
нм/проход, для дуальной конструкции с дополнительным элементом скорость
составила 5.733 нм/проход, на планарном магнетроне значение скорости 1.481
нм/проход.
Сравнительные графики зависимостей скорости напыления от количества
проходов стола с образцом представлены на рис.5.1 - 5.3. Из рассчитанной скорости
видно, что скорость напыления пленки, полученной с помощью дуальной
конструкции, в 3 раза выше, чем с помощью планарного магнетрона.
Напыление с помощью дуальной конструкции осуществляется быстрее, чем при
дуальной конструкции с дополнительным элементом, но конструкция с шунтом
обеспечивает стабильное горение разряда и препятствует горению плазмы в
промежутке между магнетронами.
5.1 Оптические характеристики
Для покрытий диоксида титана очень важной характеристикой являются их
оптические свойства.
Спектры пропускания светового потока были получены с помощью
спектрофотометра. Из полученных спектров были найдены коэффициенты пропускания
исследуемых образцов. Для каждой МРС было определено, что коэффициент
пропускания составил в среднем 85 %. Из равенства коэффициентов пропускания
можно сделать выводы, что оптические характеристики пленки, в нашем случае, не
зависят от конструкции распылительной системы.
Все спектры пропускания светового потока через образцы представлены в
Приложении А (рис. А1 -А6).
.2 Исследование поверхности тонких пленок
Профилометром марки Micromesure 3D Station была исследована поверхность
шести образцов, напыленных при одинаковых условиях различными магнетронами. На
рисунках 5.4 - 5.17 представлены результаты измерений.
Рисунок 5.4- Поверхность чистого стекла
Количественно шероховатость поверхности оценивают
следующими основными параметрами:a - среднее арифметическое
отклонение профиля;z - высота неровности профиля по 10 точкам.
В таблице 5.10 представлены параметры шероховатости для исследуемых
образцов.
Таблица 5.10 - Параметры шероховатости
|
Конструкции магнетронных систем
|
Мощность, кВт
|
Давление,Па
|
RZ, нм
|
RA, нм
|
|
Без дополнительного элемента
|
6.3
|
0.42
|
0.191
|
0.0253
|
|
7.1
|
0.29
|
0.255
|
0.0293
|
|
С дополнительным элементом
|
6.3
|
0.54
|
0.204
|
0.0257
|
|
7.4
|
0.54
|
0.224
|
0.0316
|
|
Обычный магнетрон
|
2.8
|
0.29
|
0.149
|
0.0215
|
|
2.3
|
0.43
|
0.229
|
0.0326
|
Из анализа рисунков 5.4 - 5.17 и таблицы 5.10 можно сделать заключение о
том, что пленка, полученная на дуальной магнетронной системе, хотя и имеет
большее значение Rz (большую шероховатость), по сравнению с
образцом, полученным с помощью обычного магнетрона, но это превышение не
значительно.
Заключение
В данной работе рассматриваются тонкопленочные покрытия, а также некоторые
способы их получения. Основное внимание уделяется тонким пленкам, полученным с
помощью дуальной магнетронной распылительной системы.
Производилось напыление образцов, используя три конструкции: дуальная
конструкция, дуальная конструкция с дополнительным элементом, а также
конструкция планарного магнетрона, для выявления оптимальной, которая обеспечит
максимальную скорость напыления и хорошее качество покрытия. Для сравнения
качества пленок напыление проводилось при одинаковых режимах. Пленки осаждались
на стеклянные подложки в атмосфере смеси аргона и кислорода с использованием
титанового катода.
Для измерения толщины оксидных пленок использовался фотометрический
метод. Этот метод обычно используется для определения толщины у непоглощяющих
покрытий. Он основан на эффекте интерференции волн в пленках, толщины которых
соизмеримы с длиной волны.
Используя фотометрическую приставку, были измерены скорости напыления
покрытий в случае использования дуальной магнетронной конструкции с
дополнительным элементом и без него, а также с конструкцией планарного
магнетрона. Скорость напыления TiO2 дуальной МРС выше в 3 раза, чем
при использовании планарного магнетрона. Сравнивая две конструкции дуального
магнетрона, предпочтение следует отдать конструкции с шунтом, так как этот
дополнительный элемент обеспечивает стабильное горение разряда.
Далее с помощью спектрофотометра СФ-2000 были исследованы оптические
характеристики (коэффициент пропускания) пленок, полученные с помощью трех этих
конструкциях. Из анализа данных сделан вывод, что оптические характеристики не
зависят от различных конструкций МРС.
Для изучения поверхности использовался профилометр марки Micromesure 3D
Station, который позволяет определить профиль поверхности и основные параметры,
по которым можно количественно оценить шероховатость поверхности. Пленки,
полученные на дуальной магнетронной системе, хотя и имеют большую
шероховатость, по сравнению с образцами, полученными с помощью обычного
магнетрона, но это превышение не значительно.
Шероховатость стекла Rz=0.3 мкм, после нанесения на него
тонкой пленки шероховатость уменьшается.
Список используемых источников
1. Крылова
Т.Н., Интерференционные покрытия. Л., Машиностроение, 1973. 224 с.
. Плазменные
покрытия (методы и оборудование) : учебное пособие / В. П. Кривобоков, Н.С.
Сочугов, А. А. Соловьев ; Томский политехнический университет (ТПУ). - Томск :
Изд-во ТПУ, 2008. - 104 с.
. Данилин
Б.С., Киреев В.Ю. Применение низкотемпературной плазмы для травления и очистки
материалов. М.: Атомиздат, 1987.
. Данилин
Б.С., Сырчин В.К., Магнетронные распылительные системы, М., 1982. - С. 72.
. Технология
тонких пленок. Т.1./ Пер. с англ. Под ред. М. И. Елинсона, Г.Г. Смолко ; Под
ред. Л. Майселла, Р. Глэнга. - М.: 1970. «Сов. Радио», 1977. - 664 с.
. Майссел Л.И.,
Нанесение тонких пленок катодным распылением// Физика тонких плёнок. Т.3 / Под
ред. Г. Хасса, Р. Туна. - М.: Мир, 1968. - с. 58-135.
. Юрьева
А.В., Юрьев Ю.Н., Янин С.Н.,Кривобоков В.П.Напыление пленок диоксида титана с
помощью дуального магнетрона // Изв. Вузов. Физика. - 2007, - № 9. Приложение.
- С. 483-487.
. Патент США
№: 6,361,668 B1, МПК С23С 14/34. Spruttering installation with two
longitudinally placed magnetrons / Struempfel J., Beister G., Erbkamm W., Rehn
S. - Опубликован: 26.03. 2002г.
. Парфенов
О.Д. Технология микросхем. - М. : Высшая школа, 1986. - 320 с.
. Меркулов
С.В., Лебедев Е.В., Баинов Д.Д. Измеритель оптической толщины // Приборы и
техника эксперимента.-2004.-№6, с.6-8.
.Спектрофотометры
СФ-2000 и СФ-2000-02. Руководство по эксплуатации, ЗАО “ОКБ Спектр”, 2006, с.
33
. Марков Н.Н.
Взаимозаменяемость и технические измерения в машиностроении. - М.: Энергоиздат,
1972. - 248 с.
. Ананьин
П.С., Баинов Д.Д., Косицын Л.Г., Кривобоков В.П., Легостаев В.Н., Юдаков С.В..
Плазменная установка для нанесения покрытий на поверхность твердых тел
«Яшма-2». // Приборы и техника эксперимента.-2004.-№4, с.1-4.)
Приложение А
Рисунок А1. Спектр пропускания светового потока исследуемого образца,
полученного с помощью дуальной магнетронной распылительной системы для мощности
6.3кВт
Рисунок А2. Спектр пропускания светового потока исследуемого образца,
полученного с помощью дуальной магнетронной распылительной системы с
дополнительным элементом для мощности 6.3кВт
Рисунок А3. Спектр пропускания светового потока исследуемого образца,
полученного с помощью планарного магнетрона для мощности 2.8кВт
Приложение А (продолжение)
Рисунок А4. Спектр пропускания светового потока исследуемого образца,
полученного с помощью дуальной магнетронной распылительной системы для мощности
7.1кВт
Рисунок А5. Спектр пропускания светового потока исследуемого образца,
полученного с помощью дуальной магнетронной распылительной системы с
дополнительным элементом для мощности 7.4кВт
Рисунок А6. Спектр пропускания светового потока исследуемого образца,
полученного с помощью планарного магнетрона для мощности 2.3кВт
Приложение Б
Research of Oxide Film Characteristics Obtained by Dual Magnetron System
Student of group 13a52 _________________ A.I.Bumagina
(signature)
_________________
(date)
Supervisor _________________ A.P.Eonov
(signature)
_________________
(date)
Tomsk - 2009
1. The methods of oxide films obtaining
Thin transparent coatings obtains a much wide application in various
branches of a science and technology. Now there is a new section of optics thin
films, and interference coatings make special branch of optical
instrumentation.wide practical use thin coatings, concerning their optical
properties in domestic literature, there are monographies containing data only
by the period of 1958. Separate data can be found in articles that was
published in the periodic literature on optics. Nevertheless, the questions of
optical and, in particular, spectral the properties of interference of systems
consisting of thin layers, are shown insufficiently. The absence of these data
often leads to incomplete use and even misuse of those opportunities which are
inherent thin-layer coatings.of thin layers of a new part of applied optics,
obtained fast development from the middle of 20 centuries. As a stimulus to
this successful is the practical use of the phenomena of interference and
polarization of light in thin transparent layers, which radically changes
optical and other properties of surface glasses or other optical environments.
Material scientists have begun to realize more distinctly that special role
which the free surface plays and borders of section in materials in a complex
of its service properties.practical use of this circumstance has allowed to
develop ways of updating of a surface of materials, and among them the most
effective - depositing a thin-film 0,01-50 microns of coatings from various
materials with an adjusted structure and physicomechanical and chemical
properties. means of such coverings it is possible to significally change
mechanical, optical, electric, magnetic, thermal and chemical properties of an
initial material, obtaining products with required properties.the most
perspective methods of sputtering coverings are vacuum ionic-plasma methods.
For obtaining oxide coverings the HF-dispersion of dielectrics and magnetron
sputtering systems are used, where besides inert gas active gas (oxygen) is
also employed.sputtering of oxide films on a direct current is inefficiently
because of oxide film formation on the cathode, that leads to the reduction of
velocity of etching the cathode. Also charging oxide film surfaces by the
positive ions bombarding a surface, and the further dispersion becomes
impossible because ions from plasma are not attractive to the
target.disadvantageous can be reduced due to periodic unloading the cathode,
for example, using the generator of an alternating current. However it does not
prevent the sedimentation of insulating a material on walls of the chamber - a
problem known as “the disappearing anode”. High - frequency dispersion is not
comprehensible because of low velocity of sputtering desirable materials. The
Dual Magnetron System allows to eliminate these effects.
. The construction of the dual magnetron system (DMS)device concerns
plasma technology and is designed for sputtering on a surface of firm bodies,
films from metals and their connections synthesized as a result of atoms
interaction, sputtered from a surface of the metal cathode, and the gas
environment. The main principle of dual magnetron sputtering systems work is
the following:
Figure1. The dual magnetron system
1- Planar magnetrons 2- Magnetic system case 3- The magnetic shunt
4- Insulators 5- The case of planar magnetron 6- Constant magnets 7- Target
the ground and one of targets positive pressure is submitted, and between
the ground and other target the negative pressure is submitted. As a result we
always have pure (un oxidized) anode and constant conditions on the anode. This
is very important!, one magnetron everyone half period is cathode, and another
- the anode. For that time while one magnetron works, another is cleared of a
dielectric film and there is a neutralization of a positive volume charge. Then
the polarity of pressure on magnetron changes.to the fact the dielectric film
is not formed on magnetrons, the system works more stably: there is no
blinking, flashes, magnetrons do not sparkle, the velocity of sputtering of a
material considerably increases. As dual magnetron works stably, the quality of
sputtered coatings is higher than with magnetron on a direct current because
there is no opportunity of hitting a substrate of large impregnations of a
sprayed material.from the magnetron construction there are several other
facilities in the work:
) Ionic-plasma installation "Jasper" is designed for
sputter-deposition modifying coatings on a surface of solid bodies by means of
the magnetron plasma the discharge and the beams of the accelerated ions.
) By means of the CP-2000 spectrophotometer optical characteristics
(transmission factor) of films, obtained by means of three these designs were
investigated. The action principle of spectrophotometer is based on the
measurement of the ratio of two light streams: the light stream passed through
the investigated sample, and a flux falling on investigated sample.
. Experimental procedurethe experiment various designs of magnetron systems
were located in the working part of the facility`s chamber of ionic-plasma
drawing coatings "Iashma". The deposition of samples was done, using
three designs, for detecting the optimal one which will provide the maximal
velocity of sputtering and high quality of a covering.the comparing quality of
films , obtained by means of dual magnetron sputtering systems with the
built-in metal shunt and without it, as well with the help of the planar
magnetron, depositing occured at identical modes. Films were deposited on glass
substrates in the atmosphere of a mixture of argon and oxygen with the use of
the titanic cathode.the measurement of thickness of oxide films, the
photometric method was used. This method is usually used for the definition of
thickness of non-absorbent coatings. It is based on the effect of waves
interference in films whose thickness is commensurable with the length of a
wave. In case of non-absorbent films on a dielectric substrate, the
interference leads to effects of colouring.a photometric attachment, the
velocity of depositing coatings in case of use dual magnetron designs with an
additional element and without it, as well as with thehelp of the design planar
magnetron, was measured., by means of spectrophotometra 2000 optical characteristics
(transmission factor) of films were investigated, obtained by means of these
three designs.
. The comparison of deposition ratessputtering of oxide layer took places
gradually. Each layer corresponded the desktop passage with substrates under
magnetron system. Therefore deposition rates can be defined by dividing
geometrical thickness on the number of passes by means of which the necessary
thickness obtained. The comparative diagram of dependences on velocity film
sputtering from a number of passes of a table with the sample are presented in
fig. 2.
. Dependence on indications of a photometric attachment on a number of
passes:
-film which was sputtered by means of dual magnetron ( V = 6.593 nm/
pass)
-film sputtered with the help of dual magnetron with an additional
element ( V = 5.733 nm/ pass)
-film which was sputtered by means of planar magnetron. ( V = 1.481 nm/
pass)
figure 2 it is obvious, that velocities of film sputtering obtained by
means of a dual design, are 3 times higher than by means of the planar
magnetron. The sputtering by means of a dual design Is more quickly than by
means of a dual design with an additional element, but the design with the
shunt provides stable burning the discharge and precludes from the burning of
plasma in an interval between magnetrons.
. The research of oxide film characteristics spectrophotometer
CP-2000,the principle of which is based on measuring of the ratio of two light
streams: the light flux passed through investigated sample, and a stream
falling on investigated sample ,research of optical characteristics was carried
out: the dependence of factor transmission of the investigated sample on length
of a wave was measured.
3. The spectrum of sample received by means of Dual МSS~ 85 % T -
transmission factor
λ = 421 nm λ - wavelengthspectrum is presented in
fig. 3. It is visible, that for the sample obtained by means of a dual design,
the factor of transmission constitutes about 85 %. For other samples the
transmission factor is also equal approximately 85 %. From this it follows that
optical characteristics of coverings obtained by means of different designs,
are practically identical. the given work we consider ways of obtaining oxide
films by means of magnetron depositions. Also, the design and a principle of
dual magnetron work have been considered, and disadvantages and advantages of
the given systems have been shown.the obtained results it is visible that the
velocity of sputtering TiO2 by means of DMSS is higher, than using
the planar magnetron, at the preservation of identical optical characteristics.
By comparing two designs of dual magnetron, the preference should be given to
designs with the shunt because additional element provides stable burning the
category and also precludes from the burning of plasma in an interval between
magnetrons.