Расчет кондиционирования воздуха одноэтажного здания
СОДЕРЖАНИЕ
Введение
.
Расчет теплопоступлений и влагопоступлений
.1
Данные для расчета
.2
Расчет теплопоступлений в летний период
.3
Расчет теплопоступлений в зимний период
.4
Расчет влагопоступлений в летний и зимний периоды
Определение
расходов воздуха
.1
Определение расхода воздуха в летний период
.2
Определение расхода воздуха в зимний период
Расчет
агрегатов центрального кондиционера в летний период
.1
Расчет поверхностного воздухоохладителя
.2
Расчет оросительной камеры
.3
Расчет секции догрева воздуха в летний период
Расчет
агрегатов центрального кондиционера в зимний период
.1
Расчет секции подогрева в зимний период
.2
Расчет оросительной камеры
Расчет
сечений воздуховодов
Регулирование
параметров системы кондиционирования
Заключение
Список
литературы
Приложение
А
Приложение
Б
ВВЕДЕНИЕ
Установки для создания искусственного
микроклимата в помещениях и сооружениях промышленного и бытового назначения
получают все более широкое распространение в народном хозяйстве страны.
Физические параметры воздуха - температура,
влажность, подвижность и его чистота - влияют на самочувствие человека и его
работоспособность. Создание необходимых условий воздушной среды в помещении
можно осуществить установкой кондиционирования путем подвода или отвода
теплоты, влаги, циркуляцией воздуха и замены внутреннего воздуха свежим.
Системы кондиционирования воздуха обеспечивают создание и автоматическое
поддержание заданных параметров воздуха в помещении независимо от меняющихся
наружных метеорологических условий и переменных по времени избыточных тепло- и
влаговыделений в помещениях. Системы кондиционирования воздуха содержат
устройства для тепловой и влажностной обработки воздуха, очистки его от пыли,
биологических загрязнений, запахов, перемещения и распределения воздуха в помещении,
автоматического управления аппаратурой и внутренними процессами.
Рассматриваемый в настоящей работе
кондиционируемый объект - здание спортивного комплекса, включающий в себя
различные функциональные залы больших объемов. Необходимое требование для
обслуживания выставочных мероприятий - постоянство параметров воздуха в зимнее
и летнее время независимо от наружных климатических условий и интенсивности
избыточных тепло- и влаговыделений внутри помещений. Поддерживаемые значения
параметров воздуха в зимний период:
а) температура
;
б) относительная влажность
.
Поддерживаемые значения параметров
внутреннего воздуха в летний период:
а) температура
;
б) относительная влажность
.
Ввиду наличия больших объемов
помещения основного назначения и ряда вспомогательных помещений здания для
целей кондиционирования параметров внутреннего воздуха применяется
централизованная система подачи воздуха с обработкой всего объема воздуха в
одной установки - центральном кондиционере, вынесенной за пределы обслуживаемых
помещений. Преимущество таких кондиционеров в низких показателях стоимости
энергопотребления на 1м2 обрабатываемой площади помещений. Расположение
центрального кондиционера в отдельном подсобном помещении не загромождает
основные помещения, не передает шум и вибрации агрегатов в обслуживаемые помещения.
При этом, всё оборудование сосредоточено в одном месте, что удобно при
обслуживании и ремонте системы.
1. РАСЧЕТ ТЕПЛОПОСТУПЛЕНИЙ И
ВЛАГОПОСТУПЛЕНИЙ
.1 Данные для расчета
В настоящей работе производится
расчет кондиционирования одноэтажного здания спортивного комплекса
прямоугольной формы со сторонами размерами 78x18 м. Высота внутренних помещений
4 м. Город нахождения спортивного комплекса - Астрахань. Здание комплекса
включает в себя три разных по площади спортивных зала, вестибюль и два сан.узла.
Суммарный объем помещений 4120 м3. Максимальное число посетителей 580 человек.
Планировка помещений здания показана
на рисунке 1.
- зал №1; 2 - вестибюль; 3 - зал №2;
4 - зал №3; 5 - сан.узел 1; 6 - сан.узел 2.
Рисунок 1 Планировка помещений
здания.
Основные параметры помещений сведены
в таблицу 1.1.
Таблица 1.1 Параметры помещений
здания
|
Помещение
|
Площадь,
м2
|
Объем,
м3
|
Число
человек
|
|
Зал
№1
|
648
|
2592
|
216
|
|
Зал
№2
|
216
|
864
|
88
|
|
Зал
№3
|
378
|
1512
|
126
|
|
Вестибюль
|
138
|
552
|
138
|
|
Сан.узел
1
|
12
|
48
|
4
|
|
Сан.узел
2
|
12
|
48
|
4
|
По климатографическим данным для г. Астрахань
выбираем параметры группы Б наружного воздуха для летнего и зимнего периодов по
СниП [1]:
- температура наружного воздуха в
зимний период;
- относительная влажность наружного
воздуха в зимний период;
- температура наружного воздуха в
летний период;
- относительная влажность наружного
воздуха в летний период.
Внутренние параметры воздуха -
температура и влажность выбираем по СНиП [2] исходя из категории работ Iб:
- внутренняя температура в
помещении зимой;
- внутренняя температура в помещении
летом;
- внутренняя относительная
влажность воздуха в любое время года.
.2 Расчет теплопоступлений в летний
период
Теплопоступления в летний период
происходят за счет теплопроводности наружных ограждений, за счет выделения
тепла людьми и за счет поступления тепла от искусственного освещения. В
помещениях создается небольшое избыточное давление, которое препятствует
поступлению тепла за счет инфильтрации и врывания наружного воздуха через
входные двери.
Теловой баланс для летнего периода:
, (1.1)
где
- избыточные тепловыделения,
которые необходимо удалить;
- теплопоступления через наружные
ограждения;
- тепловыделения от людей;
- теплопоступления от
искусственного освещения.
Теплопоступления через наружные
ограждения в летний период [3]:
, (1.2)
где
- для чердачных хорошо
вентилируемых покрытий;
- коэффициент теплопроводности
отдельных ограждений здания:
Вт/(м2°С) - для наружных стен;
Вт/(м2°С) - для чердачного
перекрытия;
- площадь отдельного элемента
ограждения, для чердачного перекрытия и пола выбирается по таблице 1.1;
°С - разность температур наружного
и внутреннего воздуха;
- разность температур, зависит от
положения ограждения относительно стороны света: для северной стены
=0°С, для
западной стены
=1,1°С, для
южной стены
=3,3°С, для
восточной стены
=4,4°С.
Для полов, расположенных на лагах,
коэффициент теплопроводности связан с площадью зон, на которые разбиваются
полы. Поэтому в расчет принимаются значения
, взятые из теплотехнического
расчета наружных ограждений:
=94,47 Вт/°С - для зала №1;
=29,25 Вт/°С - для зала №2;
=57,89 Вт/°С - для зала №3;
=17,92 Вт/°С - для вестибюля;
=2,02 Вт/°С - для сан.узла 1 и
сан.узла 2.
Рассчитаем теплопоступления через
внешние ограждения для зала №1.
Теплопоступления через пол:
кВт
Теплопоступления через потолок:
кВт
Теплопоступления через северную
стену:
кВт
Теплопоступления через западную
стену:
кВт
Теплопоступления через южную стену:
кВт
Суммарные теплопоступления
кВт
Рассчитаем теплопоступления через
внешние ограждения для зала №2.
Теплопоступления через пол:
кВт
Теплопоступления через потолок:
кВт
Теплопоступления через северную
стену:
кВт
Теплопоступления через южную стену:
кВт
Суммарные теплопоступления
кВт
Рассчитаем теплопоступления через
внешние ограждения для зала №3.
Теплопоступления через пол:
кВт
Теплопоступления через потолок:
кВт
Теплопоступления через северную
стену:
кВт
Теплопоступления через западную
стену:
кВт
Теплопоступления через южную стену:
кВт
Суммарные теплопоступления
кВт
Рассчитаем теплопоступления через
внешние ограждения для вестибюля.
Теплопоступления через пол:
кВт
Теплопоступления через потолок:
кВт
Теплопоступления через северную
стену:
кВт
Теплопоступления через южную стену:
кВт
Суммарные теплопоступления
кВт
Рассчитаем теплопоступления через
внешние ограждения для сан.узла 1.
Теплопоступления через пол:
кВт
Теплопоступления через потолок:
кВт
Теплопоступления через северную
стену:
кВт
Суммарные теплопоступления
кВт
Рассчитаем теплопоступления через
внешние ограждения для сан.узла 2.
Теплопоступления через пол:
кВт
Теплопоступления через потолок:
кВт
Теплопоступления через северную
стену:
кВт
Суммарные теплопоступления
кВт
Полученные данные расчетов сведены в
таблицу 1.2.
Таблица 1.2 Теплопоступления через
наружные ограждения
|
Поме-щение
|
Теплопоступления,
кВт
|
|
Пол
|
Потолок
|
Сев.
стена
|
Южная
стена
|
Зап.
стена
|
Вост.
стена
|
∑Q
|
|
Зал
№1
|
0,730
|
3,045
|
0,597
|
0,788
|
-
|
0,426
|
5,490
|
|
Зал
№2
|
0,226
|
1,015
|
0,199
|
0,262
|
-
|
-
|
1,702
|
|
Зал
№3
|
0,447
|
1,776
|
0,349
|
0,459
|
0,330
|
-
|
3,457
|
|
Вестибюль
|
0,138
|
0,649
|
0,216
|
0,198
|
-
|
-
|
1,201
|
|
Сан.узел
1
|
0,016
|
0,057
|
0,032
|
-
|
-
|
-
|
0,105
|
|
Сан.узел
2
|
0,016
|
0,057
|
0,032
|
-
|
-
|
-
|
0,105
|
Теплопоступления от искусственного освещения
рассчитываются на основе нормы освещенности поверхности помещений. Для
общественных знаний больших объёмов освещенность составляет 300 люкс (данные по
СНиП 23-05-95). Для люминесцентных ламп и светильников диффузного рассеянного
света при норме освещенности 300 лк выделение тепла составляет 0,0384 Вт/м2.
Теплопоступления от освещения рассчитываются по
формуле
, (1.3)
где
Вт/м2;
- площадь отдельного помещения,
выбирается из таблицы 1.1.
Зал №1:
кВт
Зал №2:
кВт
Зал №3:
кВт
Вестибюль:
кВт
Сан.узел 1,2 :
кВт
Суммарные теплопоступления от
освещения :
кВт
Тепловыделения от людей в летний
период рассчитываются по формуле [5]
, (1.4)
где k - учитывает контингент людей:
для мужчин k = 1, для женщин k = 0,85, для детей k = 0,75. При смешанном
контингенте людей принимаем k = 0,91;
кВт - тепловыделения для мужчин при
°С и при
легкой работе;- расчетное максимальное число людей в отдельном помещении,
выбирается из таблицы 1.1.
Зал №1:
кВт
Зал №2:
кВт
Зал №3:
кВт
Вестибюль:
кВт
Сан.узел 1, 2:
кВт
Суммарные тепловыделения от людей в
летний период:
кВт
Рассчитаем общие тепловыделения в
летний период для каждого помещения по формуле (1.1).
Зал №1:
кВт
Зал№2:
кВт
Зал №3:
кВт
Вестибюль:
кВт
Сан.узел 1,2:
кВт
.3 Расчет теплопоступлений в зимний
период
В зимний период теплопоступления
происходят от людей и от освещения:
(1.5)
Теплопоступления от системы
отопления здания компенсируются теплопотерями через наружные ограждения, и
поэтому в тепловом балансе для зимнего периода не учитываются.
Теплопоступления от искусственного
освещения в зимний период такие же, как и в летний период, поэтому выбираем из
соответствующего расчета для летнего периода.
Тепловыделения от людей в зимний
период рассчитываются по формуле
, (1.6)
где
кВт - для мужчин при легкой работе
при
°С.
Зал №1:
кВт
Зал №2:
кВт
Зал №3:
кВт
Вестибюль:
кВт
Сан.узел 1,2:
кВт
Суммарные тепловыделения от людей в
зимний период
кВт.
Общие тепловыделения в зимний период
для каждого помещения рассчитаем по формуле (1.5).
Зал №1:
кВт
Зал №2
кВт
Зал №3
кВт
Вестибюль
кВт
Сан.узел 1, 2
кВт
.4 Расчет влагопоступлений в летний
и зимний периоды
В летний период влага поступает в
помещения в результате влаговыделений от людей, а также от экспонатов выставки.
Материальный баланс для
влагопоступлений в летний период:
, (1.7)
где
- избыточные влаговыделения в
летний период, подлежащие удалению системой кондиционирования;
- влаговыделения от людей;
- влаговыделения от экспонатов
выставки.
Расчет влаговыделений от людей
производится по формуле [5]
, (1.8)
где
- при смешанном контингенте людей;
кг/с- влаговыделения для мужчин при
легкой работе при
°С;-
расчетное максимальное число людей в отдельном помещении согласно таблице 1.1.
Зал №1:
кг/с
Зал №2:
кг/с
Зал №3:
кг/с
Вестибюль:
кг/с
Сан.узел 1, 2:
кг/с
Суммарные влаговыделения летом от
людей
Летом после транспортировки при
доступе воздуха экспонаты при более высокой температуре содержат влагу большую,
чем в более прохладном выставочном зале. Поэтому происходит поступление влаги
от экспонатов.
Усредненно принимаем
влагопоступления с 1 м2 площади зала, в котором имеются экспонаты
кс/(с
м2).
(1.9)
Зал №1:
кг/с.
Зал №2:
кг/с.
Зал №3:
кг/с.
Найдем общие влаговыделения в
помещениях по формуле (1.7)
Зал №1:
кг/с
Зал №2:
кг/с
Зал №3:
кг/с
Вестибюль:
кг/с
Сан.узел 1, 2:
кг/с
Влаговыделения в зимний период
происходят только от людей:
, (1.10)
где
кг/с - для мужчин в зимний период
при внутренней температуре
°С при легкой работе.
Зал №1:
кг/с
Зал №2:
кг/с
Зал №3:
кг/с
Вестибюль:
кг/с
Сан.узел 1,2:
кг/с
Суммарные влаговыделения в зимний
период составляют :
кг/с.
В разделе 1, исходя из исходных
данных по количеству людей, параметрам осветительных приборов и конструкции
здания, был проведен расчет тепловыделений и влаговыделений внутри каждого
помещения для теплого и холодного периода года. В следующей главе
рассчитывается количество воздуха, необходимое для удаления избыточной влаги и
тепла.
2 ОПРЕДЕЛЕНИЕ РАСХОДОВ ВОЗДУХА
.1 Определение расхода воздуха в
летний период
Для удаления избытков теплоты и
влаги в помещениях по приточным воздуховодам подаётся прошедший
тепловлажностную обработку воздух с параметрами на 3 °С ниже температуры воздуха
в помещениях и влажностью 50%. Этот воздух смешивается с внутренним воздухом,
попутно нагреваясь и увлажняясь.
В летнее время параметры приточного
воздуха :
а)
- температура приточного воздуха;
б)
- влажность приточного воздуха.
По h-d диаграмме влажного воздуха
определяем для точки с названными параметрами (точка 5 на h-d диаграмме
Приложения А):
а) влагосодержание
г/кг
сух.возд.
б) энтальпия
кДж/кг.сух
возд.
Для решения задачи нахождения
расходов воздуха вводится понятие тепловлажностный коэффициент (угловой
коэффициент луча процесса ) [4]:
(2.1)
Рассчитаем значения
тепловлажностного коэффициента ε для отдельных помещений здания.
Зал№1:
кДж/кг
Зал №2:
кДж/кг
Зал №3:
кДж/кг
Вестибюль:
кДж/кг
Сан.узел 1,2:
кДж/кг
Для всех помещений здания, за
исключением вестибюля (потому что на вестибюль приходится самая большая нагрузка
по тепло- и влаговыделениям, приходящимся на 1 м2), тепловлажностный
коэффициент ε
имеет
практически одинаковое значение.
Вычислим среднее значение ε* для этих
помещений, принимая во внимание долю площади (объема) рассчитываемых помещений
в их общей массе.
Общий объем помещений, за
исключением вестибюля, находим исходя из данных таблицы 1.1:
м2
кДж/кг
Проводим на h-d диаграмме
(Приложение А) через точку 5 с параметрами приточного воздуха
и
прямую
линию, параллельную лучу процесса с
кДж/кг, до точки с температурой
и получаем
точку 6 с параметрами:
а) энтальпия
кДж/кг сух
возд.
б) влагосодержание
г/кг
сух.возд.
Рассчитаем потребное количество
воздуха, необходимое для удаления избытков влаги и отдельно количество воздуха,
необходимое для удаления теплоты по формулам:
(2.2)
(2.3)
Зал №1
кг/с
кг/с
Зал №2
кг/с
кг/с
Зал №3
кг/с
кг/с
Сан.узел 1, 2
кг/с
кг/с
Для вестибюля значение ε=7943 отлично от
других помещений. Для этого значения аналогично проводим линию, параллельную
лучу процесса при ε=7943 до
пересечения с температурой внутреннего воздуха
и находим параметры этой точки по
h-d диаграмме:
б) влагосодержание
г/кг
сух.возд.
Рассчитаем потребный расход воздуха
для вестибюля по формулам (2.2) и (2.3).
кг/с
кг/с
Из двух подсчитанных значений
выбираем наибольшее.
Определение расхода воздуха по
минимальному воздухообмену исходя из нормируемой концентрации СО2.
Минимальный воздухообмен для
общественных зданий большого объема на одного человека составляет [3]
м3/ч=0,0202 кг/с
Рассчитаем количество воздуха по
минимальному воздухообмену для каждого помещения по формуле
, (2.4)
где n - расчетное число человек в
помещении, по данным таблицы 1.1.
Зал №1:
кг/с
Зал №2:
кг/с
Зал №3:
кг/с
Вестибюль:
кг/с
Сан.узел 1.2:
кг/с
Расчеты показывают, что требуемые
для удаления избыточного тепла и влаги расходы воздуха больше расходов по
минимальному воздухообмену
Для помещения вестибюля в целях
упреждения врывания наружного воздуха создается небольшое избыточного давление.
Количество воздуха, поступающее в
помещение через входные двери, равное требуемому количеству воздуха для
создания избыточного давления, находим по формуле
, (2.5)
где
кг/с (
м3/(ч
чел)) - количество воздуха,
приходящееся на одного входящего человека для дверей без тамбура [3];
чел - количество проходящих через
входную дверь людей.
Итого избыточное количество воздуха
кг/с
Найдем конечное количество воздуха,
потребное для кондиционирования вестибюля:
кг/с
Найдем суммарное потребное
количество воздуха, необходимое для кондиционирования всех помещений зданий в
летний период.
(2.6)
кг/с
Сведем полученные данные в таблицу
2.1.
Таблица 2.1 Расход воздуха для
кондиционирования в летний период
|
Помещение
|
, кВт 103 кг/с ε , кДж/кг кг/с , кг/с , кг/с
|
|
|
|
|
|
|
Зал
№1
|
59,66
|
5,293
|
11272
|
14,92
|
15,12
|
15,12
|
|
Зал№2
|
21,93
|
2,132
|
10286
|
5,48
|
6,09
|
6,09
|
|
Зал№3
|
35,06
|
3,087
|
11357
|
9,01
|
8,82
|
9,01
|
|
Вестибюль
|
25,21
|
3,174
|
7943
|
5,60
|
7,05
|
7,34
|
|
Сан.узел1
|
1,11
|
0,092
|
12000
|
0,28
|
0,26
|
0,28
|
|
Сан.узел
2
|
1,11
|
0,092
|
12000
|
0,28
|
0,26
|
0,28
|
|
Всего
|
-
|
-
|
-
|
-
|
-
|
38,11
|
При прохождении воздуха через воздухопроводы
часть его теряется вследствие утечек и неплотностей. Поэтому количество воздуха
, забираемого из окружающей среды, должно быть несколько больше расчетного. Оно
рассчитывается по формуле [6]
, (2.7)
где
- коэффициент, учитывающий утечку
воздуха, для стальных воздуховодов средней длиной до 50 м.
кг/с
Объемный расход воздуха, поступающий
в помещений с учетом утечек при температуре
°С и плотности воздуха
кг/м3
м3/с
2.2 Определение расхода воздуха в
зимний период
В зимнее время параметры подаваемого
приточного воздуха :
а)
- температура приточного воздуха;
б)
- влажность приточного воздуха.
По h-d диаграмме влажного воздуха
определяем для точки 10 (h-d диаграмма в Приложении А) с названными
параметрами:
а) влагосодержание
г/кг
сух.возд.
б) энтальпия
кДж/кг.сух
возд.
Рассчитаем значения
тепловлажностного коэффициента ε для отдельных помещений здания по
формуле (2.1).
Зал№1:
кДж/кг
Зал №2:
кДж/кг
Зал №3:
кДж/кг
Вестибюль:
кДж/кг
Сан.узел 1,2:
кДж/кг
Для всех помещений здания, за
исключением вестибюля, тепловлажностный коэффициент ε имеет
приблизительно сходное значение.
Вычислим среднее значение ε* для этих
помещений, принимая во внимание долю площади (объема) рассчитываемых помещений
в их общей массе.
Общий объем помещений, за
исключением вестибюля, находим исходя из данных таблицы 1.1:
м2
кДж/кг
Проводим на h-d диаграмме
(Приложение А) через точку 10 с параметрами приточного воздуха
и
прямую
линию, параллельную лучу процесса с
кДж/кг, до точки с температурой
и получаем
точку 11 с параметрами:
а) энтальпия
кДж/кг сух.
возд.
б) влагосодержание
г/кг сух.
возд.
Рассчитаем потребное количество
воздуха , необходимое для удаления избытков влаги и количество воздуха ,
необходимое для удаления теплоты по формулам (2.2) и (2.3).
Зал №1
кг/с
кг/с
Зал №2
кг/с
кг/с
Зал №3
кг/с
кг/с
Сан.узел 1, 2
кг/с
кг/с
Для вестибюля значение ε=10543 отлично от
других помещений. Для этого значения аналогично проводим линию, параллельную
лучу процесса при ε=7943 до
пересечения с температурой внутреннего воздуха
и находим параметры этой точки по
h-d диаграмме :
а) энтальпия
кДж/кг сух.
возд.
б) влагосодержание
г/кг сух.
возд.
Рассчитаем потребный расход воздуха
для вестибюля по формулам (2.2) и (2.3).
кг/с
кг/с
Из двух расчетных значений выбираем
наибольшее.
Расчеты показывают, что требуемые
для удаления избыточного тепла и влаги расходы воздуха больше расходов по
минимальному воздухообмену, рассчитанных в пункте 2.1.
Для помещения вестибюля в целях
упреждения врывания наружного воздуха создается небольшое избыточного давление
кг/с с
расчетом того, что в час через наружные двери проходит до 300 человек.
Найдем конечное количество воздуха,
потребное для кондиционирования вестибюля:
кг/с
Найдем суммарное потребное
количество воздуха, необходимое для кондиционирования всех помещений зданий в
летний период.
(2.6)
кг/с
Сведем полученные данные в таблицу
2.2.
Таблица 2.2 Расход воздуха для
кондиционирования в зимний период
|
Помещение
|
, кВт 103 кг/с ε , кДж/кг кг/с , кг/с , кг/с
|
|
|
|
|
|
|
Зал
№1
|
55,15
|
3,658
|
15077
|
15,76
|
12,19
|
15,76
|
|
Зал№2
|
20,63
|
1,490
|
13846
|
5,89
|
4,97
|
5,89
|
|
Зал№3
|
32,17
|
2,134
|
15075
|
9,19
|
7,11
|
9,19
|
|
Вестибюль
|
24,24
|
2,3337
|
10543
|
6,66
|
5,84
|
6,96
|
|
Сан.узел1
|
1,02
|
0,068
|
15000
|
0,29
|
0,29
|
0,29
|
|
Сан.узел
2
|
1,02
|
0,068
|
15000
|
0,29
|
0,29
|
0,29
|
|
Всего
|
-
|
-
|
-
|
-
|
-
|
38,38
|
При прохождении воздуха через воздухопроводы
часть его теряется вследствие утечек и неплотностей. Поэтому количество воздуха
, забираемого из окружающей среды, должно быть несколько больше расчетного. Оно
рассчитывается по формуле
, (2.7)
где
- коэффициент, учитывающий утечку
воздуха, для стальных воздуховодов средней длиной до 50 м.
кг/с
Объемный расход воздуха, поступающий
в помещений с учетом утечек при температуре
°С и плотности воздуха
кг/м3
м3/с
В разделе 2 исходя из найденных в
разделе 1 избыточных тепловыделений и влаговыделений был рассчитан массовый
расход воздуха, необходимый для удаления этих выделений в летний и зимний
периоды. В следующем разделе значение найденного массового расхода будет
учитываться при расчете секций центрального кондиционера, в которых происходит
подготовка наружного воздуха и доводка его до нужных параметров - температуры и
влажности.
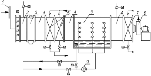
3 РАСЧЕТ СЕКЦИЙ ЦЕНТРАЛЬНОГО
КОНДИЦИОНЕРА В ЛЕТНИЙ ПЕРИОД
В системах кондиционирования
производится тепловлажностная обработка воздуха и его очистка. Необходимое для
этого оборудование обычно располагается в корпусе центральных кондиционеров,
которые собираются из типовых секций и камер. Типовые секции подразделяются на
рабочие (технологические) и вспомогательные (конструктивные). В рабочих секциях
осуществляются определенные операции обработки, перемещения или изменения
расхода воздуха. К ним относятся секции подогрева, поверхностные
воздухоохладители, оросительные камеры, воздушные фильтры, вентиляторные
агрегаты, воздушные клапаны. Вспомогательные секции предназначены для
обслуживания, ремонта или соединения рабочих секций и выполнения таких
операций, как поворот, смешение и распределение воздушных потоков. К
вспомогательным секциям относятся камера обслуживания, смесительная камера,
поворотная и присоединительные секции.
В летний период наружный воздух имеет бульшую
температуру и обладает более высоким влагосодержанием по сравнению с подаваемым
в помещение приточным воздухом. Поэтому наружный воздух необходимо охлаждать и
осушать. В центральном кондиционере в настоящем расчете обработка воздуха в
летний период осуществляется в три этапа (h-d диаграмма в Приложении А).
1. Осушение воздуха в поверхностном
воздухоохладителе без выпадения влаги. Температура воздуха уменьшается в
температуры наружного воздуха
до температуры
. Осушение
производится до относительной влажности
(охлаждение без выпадения влаги до
по
техническим причинам невозможно).
. Выделение влаги в форсуночной
оросительной камере вдоль линии насыщения с отводом теплоты от воздуха.
Температура воздуха падает до
.
. Нагревание осушенного воздуха в
калорифере при постоянном влагосодержании до
. Воздух не догревается до расчетной
температуры на 1 °С, потому что как раз на столько он нагревается в вентиляторе
при нагнетании.
.1 Расчет поверхностного
воздухоохладителя [7]
Поверхностный воздухоохладитель в
разное время года выполняет разные процессы. Летом с помощью холодной воды
данная секция центрального кондиционера охлаждает воздух. Зимой секция работает
как калорифер, нагревая наружный воздух с помощью горячей воды из системы
отопления.
Начальные параметры (точка 1 на h-d
диаграмме в Приложении А):
а) температура
;
б) энтальпия
кДж/кг сух.
возд;
в) влагосодержание
г/кг сух.
возд.;
г) относительная влажность
.
Конечные параметры после
воздухоохладителя (точка 2 на диаграмме):
а) температура
;
б) энтальпия
кДж/кг сух.
возд;
в) влагосодержание
г/кг сух.
возд.;
г) относительная влажность
Количество теплоты, которое
необходимо отвести от наружного воздуха:
(3.1)
кВт
Для охлаждения воздуха в летний
период используется вода с начальной температурой
и конечной
температурой
. Эта вода
перемещается по замкнутому контуру циркуляционным насосом и отдает полученное
от воздуха тепло в градирне. Также возможно использование этого тепла в
тепловых насосах.
Так как
, то в
расчете применяется логарифмическая разность температур
(3.2)
Для расхода
кг/с (
м3/ч)
подбираем число воздухоохладителей
: Четыре полутораметровых
теплообменника и два метровых теплообменника. Число рядов трубок каждого
теплообменника - 3. Теплообменники расположены параллельно по ходу воздуха и
параллельно по ходу воды. Технические характеристики базовых теплообменников КТ
представлены в таблице Б1 в Приложении Б.
Нагревательные элементы выполняются
из оцинкованных стальных труб диаметром 22x2 мм со спирально навитой стальной
лентой шириной 10 мм, толщиной 0,4 мм и с шагом оребрения 4 мм.
Общая поверхность теплообмена
м2.
Проходное сечение для воды для
одного теплообменника
м2.
Общее проходное сечение для воздуха
м2.
Задача данного расчета - поверка
тепловой нагрузки секции расчетному значению и определение расхода охлаждающей
воды.
Рассчитаем массовую скорость
воздуха:
(3.3)
кг/( м2
с)
Общий расход воды, подаваемой на
воздухоохладители
, (3.4)
где
кДж/(кг
°С) - удельная теплоемкость
воды при 22°С
кг/с
Скорость воды в трубках
, (3.5)
где
кг/м3 - плотность воды при 22°С.
м/с
Коэффициент теплопередачи
, (3.6)
где B = 14,9 n = 0,49 ρ = 0,13 для
трехрядных теплообменников, выбираем из таблицы Б2 Приложения Б.
Вт/(м2
°С)
Тепловая мощность секции охлаждения
(3.7)
Вт
. Запас в 1,4% предотвращает
выпадение влаги в полости охладителя.
Гидравлическое сопротивление по
тракту воды выбирается с учетом скорости воды в трубках
м/с по
таблице Б1 Приложения Б: для однометровых теплообменников
кПа, для
полутораметровых теплообменников
кПа. Тогда общее гидравлическое
сопротивление секции поверхностного охлаждения
кПа
Аэродинамическое сопротивление по
ходу воздуха для секции поверхностного охлаждения для трехрядных теплообменников
[3]:
(3.8)
кгс/м2 = 122,5 Па
.2 Расчет оросительной камеры [3]
Начальные параметры воздуха перед
оросительной камерой (точка 2 на диаграмме h-d в Приложении А):
а) температура
;
б) энтальпия
кДж/кг сух.
возд;
в) влагосодержание
г/кг сух.
возд.;
г) относительная влажность
Конечные параметры воздуха на выходе
из оросительной камеры (точка 3 на диаграмме в Приложении А):
а) температура
;
б) энтальпия
кДж/кг сух.
возд;
в) влагосодержание
г/кг сух.
возд.;
г) относительная влажность
Для охлаждения воздуха в форсуночной
камере в летний период используется вода с начальной температурой
и конечной
температурой
. Холодная
вода вырабатывается в холодильной установке.
Оросительная камера устроена так,
что часть воздуха поступает непосредственно в камеру, а часть воздуха обходит
камеру и смешивается с обработанным воздухом за оросительной камерой .
Примем общее количество воздуха
перед оросительной камерой на единицу. Количество воздуха, идущего
непосредственно в камеру, обозначим как
, а количество обходного воздуха как
. Также
обозначим энтальпию обработанного на выходе из камеры воздуха как
кДж/кг сух.
возд. при температуре 8°С и влажности 95%, энтальпию обходного воздуха, равную
энтальпии воздуха до обработки, как
кДж/кг сух. возд., и потребную
энтальпию после оросительной секции
кДж/кг сух. возд.
Материальный и тепловой балансы
после смешения двух потоков:
(3.9)
(3.10)
Решая совместно уравнения (3.9) и
(3.10), получаем значения
,
Расход обрабатываемого в
оросительной камере летом воздуха
(3.11)
кг/с
Количество теплоты, которое
необходимо отвести от наружного воздуха в оросительной камере:
(3.12)
кВт
Задача форсуночной камеры - охладить
воздух в количестве
кг/с до
параметров
кДж/кг сух.
возд.,
.
Для расхода
кг/с (
м3/ч)
выбираем форсуночную камеру Кд-120 с тремя рядами форсунок длиной 2425 мм.
Высота и ширина сечения для прохода
воздуха 3952x3077 мм.
Площадь поперечного сечения
м2.
Плотность расположения форсунок 24
шт./(м2
ряд)
Диаметр форсунок 5 мм, число рядов
форсунок - 3.
Общее число форсунок
.
Потребный расход воды на орошение:
, (3.13)
где
кДж/(кг
°С).
кг/с
Расход воды, приходящийся на одну
форсунку:
(3.14)
кг/с.
Коэффициент орошения
(3.15)
Давление воды перед форсунками по
[3]
кПа.
Количество удаляемой влаги
(3.16)
кг/с
Массовая скорость воздуха в
орошаемой камере
(3.17)
кг/(м2
с).
Аэродинамическое сопротивление
находим по формуле [3]:
, (4.13)
где
- сумма местных сопротивлений для
трехрядной камеры;
м/с - скорость прохождения воздуха
через камеру орошения.
Па
.3 Расчет секции догрева воздуха в
летний период
Начальные параметры воздуха перед
секцией подогрева (точка 3 на диаграмме h-d в Приложении А):
а) температура
;
б) энтальпия
кДж/кг сух.
возд;
в) влагосодержание
г/кг сух.
возд.;
г) относительная влажность
Конечные параметры воздуха на выходе
из секции подогрева (точка 4 на диаграмме в Приложении А):
а) температура
;
б) энтальпия
кДж/кг
сух.возд;
в) влагосодержание
г/кг
сух.возд.;
г) относительная влажность
Количество теплоты, которое
необходимо подвести к воздуху в калорифере:
(3.19)
кВт
Для нагрева воздуха в летний период
используется вода из системы горячего водоснабжения с начальной температурой
и конечной
температурой
.
Так как
, то в
расчете применяется логарифмическая разность температур
(3.20)
Для расхода
кг/с
подбираем число калориферов
: Четыре полутораметровых
теплообменника и два метровых теплообменника. Число рядов трубок каждого
теплообменника - 1. Теплообменники расположены параллельно по ходу воздуха и
параллельно по ходу воды. Технические характеристики базовых теплообменников КТ
представлены в таблице Б1 в Приложении Б. Общая поверхность теплообмена
м2.
Проходное сечение для воды для
одного теплообменника
м2. Общее
проходное сечение для воздуха
м2.
Задача данного расчета - поверка
тепловой нагрузки секции расчетному значению и определение расхода греющей
воды.
Рассчитаем массовую скорость
воздуха:
(3.21)
кг/( м2
с)
Общий расход воды, подаваемой на все
калориферы секции подогрева
, (3.22)
где
кДж/(кг
°С) - удельная теплоемкость
воды при 22°С
кг/с
Скорость воды в трубках
, (3.23)
где
кг/м3 - плотность воды при 55°С.
м/с
Коэффициент теплопередачи
, (3.24)
где B = 17,5 n = 0,483 p = 0,136 для
однорядных теплообменников, выбираем из таблицы Б2 Приложения Б.
Вт/(м2
°С)
Тепловая мощность секции нагрева
воздуха в летний период
(3.25)
Вт
. Запас по тепловой мощности
составляет 6,6%.
Гидравлическое сопротивление по
тракту воды вычисляем согласно скорости воды в трубках
м/с по
таблице Б1 Приложения Б для однорядных аппаратов: для однометровых
теплообменников
кПа, для
полутораметровых теплообменников
кПа. Тогда общее гидравлическое
сопротивление секции нагрева в летний период
кПа
Аэродинамическое сопротивление по
ходу воздуха для секции нагрева для однорядных теплообменников [3]:
кгс/м2 = 56,60 Па
4 РАСЧЕТ СЕКЦИЙ ЦЕНТРАЛЬНОГО
КОНДИЦИОНЕРА В ЗИМНИЙ ПЕРИОД
В зимний период наружный воздух
имеет низкие параметры температуры и влагосодержании и перед тем, как попасть в
кондиционируемые помещения, нуждается в нагреве и увлажнении.
В центральном кондиционере зимний
наружный воздух сначала нагревается в калорифере при постоянном влагосодержании
до температуры несколько большей, чем необходимо для приточного воздуха для
зимнего периода. Затем в оросительной форсуночной камере воздух одновременно
увлажняется и охлаждается до температуры на 1°С ниже, чем необходимо для целей
кондиционирования (на 1°С воздух нагревается в приточном вентиляторе).
.1 Расчет секции подогрева в зимний
период [7]
Начальные параметры воздуха перед
секцией подогрева (точка 7 на диаграмме h-d в Приложении А):
а) температура
;
б) энтальпия
кДж/кг сух.
возд;
в) влагосодержание
г/кг сух.
возд.;
г) относительная влажность
Конечные параметры воздуха на выходе
из секции подогрева (точка 8 на диаграмме в Приложении А):
а) температура
;
б) энтальпия
кДж/кг сух.
возд;
в) влагосодержание
г/кг сух.
возд.;
г) относительная влажность
Данная секция в разное время года
выполняет различные функции. В летнее время секция работает как поверхностный
воздухоохладитель. В зимнее время секция работает как калорифер и нагревает
воздух посредством прокачки через него горячей воды из системы отопления.
В калориферы подается горячая вода с
начальной температурой
и отводится
с конечной температурой
.
Так как
, то в
расчете применяется логарифмическая разность температур
(4.1)
Количество теплоты, которое
необходимо подвести к воздуху в калорифере:
(4.2)
кВт
Секция подогрева - 6 трехрядных
теплообменников-калориферов, которые упоминались в подразделе 3.1. Технические
данные указаны в Приложении Б.
Общая поверхность теплообмена
м2.
Проходное сечение для воды для
одного теплообменника
м2.
Общее проходное сечение для воздуха
м2.
Рассчитаем массовую скорость
воздуха:
(4.3)
кг/( м2
с)
Общий расход воды, подаваемой на
секцию подогрева:
, (4.4)
где
кДж/(кг
°С) - удельная теплоемкость
воды при 95°С
кг/с
Скорость воды в трубках
, (4.5)
где
кг/м3 - плотность воды при 95°С.
м/с
Коэффициент теплопередачи
, (4.6)
где B = 14,9 n = 0,49 ρ = 0,13 для
трехрядных теплообменников, выбираем из таблицы Б2 Приложения Б.
Вт/(м2
°С)
Тепловая мощность секции охлаждения
(4.7)
Вт
. Запас тепловой мощности 10%
Гидравлическое сопротивление по
тракту воды выбирается с учетом скорости воды в трубках
м/с по
таблице Б1 Приложения Б для трехрядных теплообменников: для однометровых
теплообменников
кПа, для
полутораметровых теплообменников
кПа. Тогда общее гидравлическое
сопротивление секции поверхностного охлаждения
кПа
Аэродинамическое сопротивление по
ходу воздуха для секции поверхностного охлаждения для трехрядных
теплообменников [3]:
(4.8)
кгс/м2 = 124,4 Па
.2 Расчет оросительной камеры [3]
Начальные параметры воздуха перед
оросительной камерой (точка 8 на h-d диаграмме в Приложении А):
а) температура
;
б) энтальпия
кДж/кг сух.
возд;
в) влагосодержание
г/кг сух.
возд.;
г) относительная влажность
.
Конечные параметры воздуха на выходе
из оросительной камеры (точка 9 на h-d диаграмме):
а) температура
;
б) энтальпия
кДж/кг сух.
возд;
в) влагосодержание
г/кг
сух.возд.;
г) относительная влажность
.
В оросительной форсуночной камере в
зимний период воздух обрабатывается по изоэнтальпическому процессу: сухой
воздух охлаждается и отдает свое тепло влаге, количество которой возрастает при
прохождении через камеру.
Для расчета форсуночной камеры при
изоэнтальпическом увлажнении вводится понятие коэффициента эффективности
полного теплообмена, который характеризует отношение реального теплообмена к
максимально возможному теплообмену в идеальной камере.
, (4.9)
где
- температура мокрого термометра,
одинаковая для точек 8 и 9.
Для найденного значения
по таблицам
из источника [3] определяем значение коэффициента орошения
.
Далее для расхода
кг/с
выбираем форсуночную камеру Кд-120 с тремя рядами форсунок длиной 2425 мм.
Высота и ширина сечения для прохода
воздуха 3952x3077 мм.
Площадь поперечного сечения
м2.
Плотность расположения форсунок 24
шт//(м2
ряд)
Диаметр форсунок 5 мм, число рядов
форсунок - 3.
Общее число форсунок
.
Массовая скорость воздуха в
орошаемой камере:
(4.10)
кг/(м2
с).
Температура орошаемой воды постоянна
и равна температуре мокрого термометра
. Она перемещается по замкнутому
контуру при помощи циркуляционного насоса.
Расход воды на орошение
(4.11)
кг/с.
Расход воды, приходящийся на одну
форсунку:
(4.12)
кг/с.
Давление воды перед форсунками по
источнику [3] и значению
кг/с
кПа
Аэродинамическое сопротивление
находим по формуле [3]:
, (4.13)
где
- сумма местных сопротивлений для
трехрядной камеры;
м/с - скорость прохождения воздуха
через камеру орошения.
Па
5. РАСЧЕТ СЕЧЕНИЙ ВОЗДУХОВОДОВ
кондиционирование
воздуховод влага тепло
Воздуховоды выполнены из стального
листа и имеют в сечении квадратную форму.
Для главного магистрального
воздуховода принимаем скорость движения воздуха
м/с. Площадь поперечного сечения находим
по формуле
(5.1)
где
- расход для соответствующего
участка системы раздачи воздуха.
Выбираем для расчета расход воздуха
в зимний период
кг/с.
Плотность воздуха для приточного воздуха в зимний период при температуре 15°С
кг/м2 .
Площадь поперечного сечения
магистрального воздуховода :
м2.
Схема участков воздуховодов показана
на рисунке 4.
G0
G7 G8 G9
G1 G2 G3 G4 G5 G6
- зал №1; 2 - вестибюль; 3 - зал №2;
4 - зал №3; 5 - сан.узел 1; 6 - сан.узел 2.
Рисунок 4 Схема участков
воздуховодов
При квадратной форме поперечного
сечения воздуховодов ширина находится по формуле
(5.2)
Скорость движения воздуха для
отводов от главной магистрали принимаем
м/с, а скорость воздуха в
дальнейших отводах
м/с .
Для каждого участка посчитаем
поперечное сечение и ширину канала по формулам (5.1) и (5.2).
Полученные результаты сведем в
таблицу (обозначение участков согласно рисунку 4).
Таблица 5.1 Расчет воздуховодов
|
Участок
|
Массовый
расход, кг/с
|
Скорость
воздуха, м/с
|
Поперечное
сечение, м2
|
Ширина
канала, м/с
|
|
G0
|
42,22
|
20
|
1,722
|
1,312
|
|
G1
|
9,19
|
8
|
0,937
|
0,968
|
|
G2
|
5,89
|
6
|
0,801
|
0,895
|
|
G3
|
0,29
|
2
|
0,118
|
0,344
|
|
G4
|
6,96
|
6
|
0,946
|
0,973
|
|
G5
|
0,29
|
2
|
0,118
|
0,344
|
|
G6
|
15,76
|
12
|
1,071
|
1,035
|
|
G7
|
15,08
|
12
|
1,025
|
1,012
|
|
G8
|
15,37
|
12
|
1,045
|
1,022
|
|
G9
|
16,05
|
12
|
1,091
|
1,045
|
Для нагнетания воздуха и подачи его в
обслуживаемые помещения после секций центрального кондиционера располагается
вентилятор. Согласно расходу L=120000 м3/ч выбираем два осевых вентилятора
В-06-290-11.
Производительность вентилятора - от 45000 до
70000 м3/ч.
Мощность двигателя 15 кВт. Полное давление - до
665 Па.
6.
РЕГУЛИРОВАНИЕ ПАРАМЕТРОВ СИСТЕМЫ КОНДИЦИОНИРОВАНИЯ.
В процессе эксплуатации могут изменяться как
параметры наружного воздуха, так и количество влаги и тепла, выделяющиеся в
кондиционируемых помещениях. Последнее обуславливает необходимость
регулирования установок кондиционирования воздуха, с помощью которого при любых
условиях обработка воздуха в кондиционере должна обеспечивать поддержание
заданных параметров внутри помещений.
Регулирование установок кондиционирования может
быть качественное и количественное.
Качественное регулирование
заключается в том, что при изменении количеств тепла и влаги, выделяющихся в
помещении, следует изменить параметры приточного воздуха при сохранении
неизменного его количества. Например, при уменьшении количества выделяющегося
явного тепла температуру приточного воздуха необходимо соответственно повысить,
а при увеличении - понизить. Во всех случаях изменения тепловыделений температура
приточного
воздуха является функцией от тепловыделений Q, кВт, то есть
, (6.1)
где L - объемный расход воздуха,
м3/с;
с - теплоемкость воздуха, кДж/(кг
°С).
Аналогичные рассуждения можно
провести и по отношению к регулированию влажности воздуха, а также
регулированию установок при одновременном изменении количеств тепла и влаги,
выделяющихся в помещении.
Количественное регулирование
заключается в изменении количества приточного воздуха в зависимости от
изменения тепло- и влаговыделений в помещении при сохранении параметров
приточного воздуха постоянными.
Помимо качественного и
количественного регулирования, в некоторых случаях может применяться смешанная
система регулирования, при которой одновременно изменяют как параметры
приточного воздуха, так и его количество.
Установки кондиционирования воздуха
оборудуют обычно системами автоматического регулирования с пневматическим
гидравлическим или электрическим импульсом.
Поддержание какого-либо
регулируемого параметра (например, температуры, влажности и т. п.) на заданном
уровне обеспечивается комплексом взаимосвязанных приборов, который в дальнейшем
условимся называть узлом управления.
В узел управления обычно входят
следующие основные элементы: датчик, командный прибор, исполнительный механизм,
регулирующий орган, распределительная сеть. Кроме этих основных элементов, в
узел управления также входят реле, механизм обратной связи, жесткая обратная
связь и гибкая (упругая) обратная связь.
Изменение регулируемого параметра
воспринимается датчиком (температуры, влажности, давления и т. п.), который
связан с командным прибором. Этот прибор измеряет происходящие изменения и при
нарушении заданных пределов регулируемого параметра создает командный импульс
(пневматический, гидравлический или электрический), посылаемый исполнительному
механизму.
Под воздействием командного импульса
исполнительный механизм приводит в движение регулирующий орган, которым могут
являться клапаны, заслонки и т. п., регулирующие поступление хладоносителя,
теплоносителя, расход воды, воздуха и т. д. Передача импульса от командного
органа исполнительному механизму производится с помощью распределительной сети
(воздушной, электрической или гидравлической). Усиление мощности полученного
импульса и управление исполнительным механизмом (включение, выключение и т. п.)
производятся с помощью реле, которые являются промежуточным звеном между
упомянутыми основными элементами.
Реле бывают первичные,
непосредственно воспринимающие импульс от датчика, и вторичные, усиливающие
величину и мощность импульса, полученного от датчика или первичного реле.
Управление движением регулирующего
органа путем воздействия на командный прибор регулятора, обратного воздействию
датчика, производится при помощи механизма обратной связи.
Жесткая обратная связь оказывает
воздействие на командный прибор, причем величина воздействия пропорциональна
перемещению регулирующего органа. Воздействие происходит одновременно с
указанным перемещением (пропорциональное или астатическое регулирование).
Упругая обратная связь оказывает
действие на командный прибор, причем действие прекращается не сразу, а через
некоторое время после изменения положения регулирующего органа (изодромное
регулирование).
Различают четыре основных вида
динамических характеристик регуляторов, а именно: позиционные, астатические,
пропорциональные и изодромные.
Позиционное регулирование
заключается в том, что регулирующий орган (клапан, заслонка и т. п.) может
иметь два фиксированных положения («закрыто» или «открыто») или несколько. При
позиционном регулировании наблюдаются непрерывные колебания величины
регулируемого параметра в обе стороны от среднего заданного значения.
Астатическое регулирование обладает
той особенностью, что при отклонении параметра от заданного значения
регулирующий орган перемещается с постоянной или переменной скоростью, приводя
при этом регулируемый параметр к заданному значению. Наиболее совершенный тип
астатического регулятора движется постоянно в одном или другом направлении в
зависимости от изменения параметра, причем скорость его перемещения
пропорциональна величине отклонения параметра от заданного значения.
При пропорциональном регулировании
положение регулирующего органа изменяется по той же закономерности, по которой
в определенных пределах изменяется регулируемый параметр. При этом остаточное
отклонение параметра от заданного значения тем больше, чем больше изменяется
нагрузка.
Наконец, изодромное регулирование
обладает той особенностью, что поддержание параметра на заданном уровне
происходит без остаточного отклонения. Этот вид регулирования совмещает в себе
особенности пропорционального и астатического регулирования.
Перемещение регулирующего органа в
любой момент складывается из перемещений под воздействием астатического и
пропорционального компонентов.
ЗАКЛЮЧЕНИЕ
В настоящей работе был произведен
расчет системы центрального кондиционирования здания выставочного центра в
г.Астрахань с применением центрального кондиционера. Система рассчитана
поддерживать в летний и зимний период заданные значения температуры и
влагосодержания, а также уровень чистоты воздуха.
На основании данных о количестве
людей в помещении и характеристик искусственного освещения, а также
теплофизических свойств наружных ограждений был произведен расчет избыточных
теплопоступлений и влагопоступлений внутри помещений. Затем на основании
полученных данных было определено количество воздуха, необходимое для удаления
избыточный тепло- и влагопоступлений.
На основании определенных в работе
расходов воздуха рассчитана установка центрального кондиционера. Центральный
кондиционер состоит из секции охлаждения в летний период (в зимний период
секция работает как калориферная установка), оросительной камеры и секции
подогрева в летний период (в зимний период секция не работает). Также имеются
секции забора и фильтрации наружного воздуха, камеры смешения наружного и
рециркуляционного воздуха, и секция нагнетания воздуха в помещения. Установка
рассчитана по максимальным расходам воздуха при полностью открытых шиберах по
максимальным тепло- и влаговыделениям во внутренних помещениях и при
прямоточной схеме без включения рециркуляции воздуха.
Система центрального
кондиционирования позволяет быстро и оперативно изменять параметры одновременно
во всех помещениях как в течении суток, так и в течение года. Регулирование
параметров воздуха в отдельном помещении достигается регулированием объема
подачи кондиционируемого воздуха индивидуально, при помощи задвижек,
установленных на воздухопроводах в помещении. Ими же можно отключать часть
неработающих помещений здания от системы подачи воздуха из центральной
магистрали. Обладая достаточной мощностью, центральный кондиционер позволяет
эффективно его использовать только по режимному графику работы выставочного
павильона в течение суток. В нерабочие дни и часы достаточно обеспечивать
рециркуляцию воздуха. Все эти возможности центрального кондиционера
обеспечивают значительные энергосбережения в сравнении с другими способами
кондиционирования данного выставочного павильона.
СПИСОК ЛИТЕРАТУРЫ
1.
СНиП 23.01.99 «Строительная климатология» - М.: Стройиздат, 2001. - 74 с.
.
СНиП 2.04.05.91 «Отопление, вентиляция и кондиционирование» - М.: Стройиздат,
1999. - 80 с.
.
Баркалов Б.В., Карпис Е.Е. Кондиционирование воздуха в промышленных,
общественных и жилых зданиях. - М.: Стройиздат, 1971. - 234с.
.
Голубков Б.Н., Б.И. Пятачков, Т.М. Романова. Кондиционирование воздуха,
отопление и вентиляция. - М.: Энергоиздат, 1982. - 232 с.
.
Нестеренко А.В. Основы термодинамических расчетов вентиляции и
кондиционирования воздуха. - М.; «Высшая школа», 1971. - 460 с.
.
Дроздов В.Ф. Отопление и вентиляция. Часть II. Вентиляция. - М.; «Высшая
школа», 1984. - 264 с.
.
Краснощеков Л.Ф. Расчет и проектирование воздухонагревательных установок для
систем приточной вентиляции. - Л.: Стройиздат, 1972. - 88 с.
.
Стефанов Е.В. Ветиляция и кондиционирование воздуха. . - С-Пб.: «Авок
Северо-Запад», 2005. - 400 с.
.
Свистунов В.М., Пушняков Н.К. Отопление, вентиляция и кондиционирование
воздуха. . - С-Пб.: «Политехника», 2007. - 424 с.
.
Соколов Е.Я. Теплофикация и тепловые сети. - М.: Издательство МЭИ, 1999. -
473с.
.
Григорьев В.А., Зорин В.М. Промышленная теплоэнергетика и теплотехника. - М.:
Энергоатомиздат,1991.-590с.
ПРИЛОЖЕНИЕ А
(обязательное)
процесс для летнего периода
процесс для зимнего периода
Рисунок А1. h-d диаграмма влажного воздуха.
ПРИЛОЖЕНИЕ Б
(справочное)
Таблица Б1. Техническая характеристика базовых
теплообменников КТ [4]
|
Теплообменник
|
Число
рядов
|
Теплопереда-ющая
поверх-ность, м2
|
Число
ходов
|
Число
трубок в ходе
|
Площадь
живо-го сечения для хода воды, м2
|
Общее
число трубок
|
Гидравлическое
со-противление, кПа, при скорости, м/с
|
|
|
|
|
|
|
|
0,2
|
0,7
|
1,5
|
|
Однометровый
|
1
|
27,8
|
4
|
5
6
|
0,0127
0,0152
|
23
|
0,100
|
0,900
|
4,000
|
|
2
|
54,5
|
4
|
10
12
|
0,0254
0,0306
|
46
|
0,140
|
1,900
|
9,000
|
|
3
|
81,4
|
4
|
15
18
|
0,0381
0,0457
|
69
|
0,165
|
2,500
|
12,000
|
|
Полуторамет-ровый
|
1
|
41,6
|
6
|
5
6
|
0,0127
0,0152
|
35
|
0,110
|
1,100
|
5,000
|
|
2
|
82,8
|
6
|
10
12
|
0,0254
0,0306
|
70
|
0,150
|
2,000
|
9,600
|
|
3
|
123,8
|
6
|
15
18
|
0,0381
0,0457
|
105
|
0,170
|
2,600
|
13,000
|
Таблица Б2. Значения коэффициентов B, n, p, b
для базовых теплообменников КТ [4]
|
Теплообменник
|
B
|
n
|
p
|
b
|
|
Однорядный
|
17.5
|
0.473
|
0.136
|
1.54
|
|
Двухрядный
|
15.4
|
0.490
|
0.135
|
2.03
|
|
Трехрядный
|
14.9
|
0.490
|
0.130
|
2.85
|
1.