Разработка электрической станции

  • Вид работы:
    Курсовая работа (т)
  • Предмет:
    Физика
  • Язык:
    Русский
    ,
    Формат файла:
    MS Word
    329,63 Кб
  • Опубликовано:
    2012-04-03
Вы можете узнать стоимость помощи в написании студенческой работы.
Помощь в написании работы, которую точно примут!

Разработка электрической станции

Содержание

Введение

. Выбор основного оборудования и разработка вариантов схем выдачи энергии

. Выбор и технико-экономическое обоснование главной схемы электрических соединений

. Расчет токов короткого замыкания для выбора аппаратов и токоведущих частей

. Выбор аппаратов(высоковольтные выключатели, разъединители, разрядники и др.)

5. Выбор токоведущих частей (токопроводы генераторов и трансформаторов, шины распределительных устройств всех напряжений)

. Выбор типов релейной защиты

. Выбор измерительных приборов и измерительных трансформаторов

. Выбор конструкций и описание всех распределительных устройств

Литература

Введение

В данном курсовом проекте рассмотрены вопросы выбора и расчёта основных элементов электрической части ТЭЦ, произведена разработка нескольких вариантов схемы, сделан выбор и технико-экономическое обоснование главной схемы, расчёт токов короткого замыкания. Выбраны для схемы электрические аппараты, релейная защита, измерительные приборы и измерительные трансформаторы.

Целью курсового проекта является разработка электрической станции. В данной работе проектируется ТЭЦ мощностью 390 МВт. Электростанции типа ТЭЦ предназначены для централизованного снабжения промышленных предприятий и городов электроэнергией и теплом. Являясь, как и КЭС, тепловыми электростанциями, они отличаются от последних использованием тепла "отработавшего" в турбинах пара для нужд промышленного производства, а также для отопления, кондиционирования воздуха и горячего водоснабжения. При такой комбинированной выработке электроэнергии и тепла достигается значительная экономия топлива по сравнению с раздельным энергоснабжение, т. е. выработкой электроэнергии на КЭС и получением тепла от местных котельных.

В задании на курсовое проектирование указывалось: тип и мощность электростанции, напряжения, на которых осуществляется питание нагрузок, связь с энергосистемой или другими электрическими станциями, мощности потребляемые нагрузками, схема энергосистемы. При выполнении нужно было решить следующие вопросы: разработать структурную схему и выбрать основное оборудование, выбрать и обосновать главную схему соединений и схему РУ, рассчитать токи к.з., выбрать контрольно-измерительные приборы.

Современная электроэнергетика базируется на трехфазном переменном токе с частотой 50 Гц. Применение трехфазного тока объясняется большей экономичностью сетей и установок трехфазного тока по сравнению с установками однофазного переменного тока, а также возможностью применения наиболее надежных, простых и экономичных асинхронных электродвигателей по сравнению с электродвигателями других типов.

В городах, поселках и на крупных предприятиях электрические сети строятся на напряжение 1О кВ и реже 6 кВ. Напряжения 35 и 11О кВ применяются для связи электростанций между собой при небольших расстояниях и в распределительных сетях при питании потребителей от мощных станций. Напряжения 220, 330 и 500 кВ применяются для связи мощных электростанций между собой, передачи больших мощностей на дальние расстояния, а также для межсистемной связи.

Электрическая часть каждой электростанции, прежде всего, характеризуется схемой электрических соединений, на которой условными обозначениями нанесены все агрегаты, и аппараты электрической части станции и соединения между ними.

1. Выбор основного оборудования и разработка вариантов схем выдачи энергии

При проектировании электростанций до разработки главной схемы составляют структурные схемы выдачи электроэнергии, на которых показываются основные функциональные части установки. Схемы выдачи электроэнергии зависят от типа и мощности станции, состава оборудования (числа генераторов, трансформаторов) и распределения нагрузки между распредустройствами разного напряжения.

К основному электрическому оборудованию электростанций относятся генераторы и трансформаторы. Количество агрегатов и их параметры выбираются в зависимости от типа, мощности и схемы станции, мощности энергосистемы и других условий.

Число и мощность генераторов на ТЭЦ выбирают в зависимости от характера тепловых и электрических нагрузок.

При выборе числа и мощности генераторов ТЭЦ, присоединённых к шинам генераторного напряжения:

-        число генераторов, присоединённых к шинам ГРУ, не должно быть меньше двух и больше четырёх;

-        ударный ток КЗ на шинах генераторного напряжения, не должен быть более 300 кА;

         суммарная мощность генераторов, присоединённых к шинам генераторного напряжения, должна несколько превышать мощность выдаваемую с этих шин потребителям ( включая собственные нужды Р С.Н.).

Таким образом, при выборе генераторов необходимо обеспечить требуемую мощность проектируемой станции (ТЭЦ-390).

Если заданная нагрузка ТЭЦ значительно превышает нагрузку на генераторном напряжении, то устанавливают блоки генератор-трансформатор и подключают их к РУ повышенного напряжения.

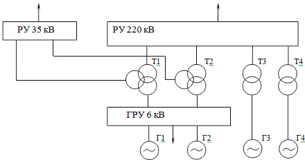
Поскольку в проектируемой ТЭЦ выдача энергии потребителям осуществляется на 2-х напряжениях , то предусматривается сооружение наряду с ГРУ 6 кВ РУ 35 кВ . Генераторы станции мощностью 160 МВт соединены в блоки с повышающими трансформаторами , что способствует уменьшению токов КЗ. Связь с энергосистемой осуществляется по линии 220 кВ. Для связи РУ высшего и среднего напряжения служат 2 трехобмоточных трансформатора. На основании всего вышеперечисленного составляем структурные схемы выдачи электроэнергии двух вариантов, для дальнейшего их технико-экономического сравнения (рис. 2.1, и рис.2.2)

Рис. 2.1 Структурная схема выдачи энергии 1 варианта

По [2., табл.2.1] генераторы, присоединённые к ГРУ (Г1 и Г2): ТВФ-63-2У3 с SНОМ = 78,75 МВА; cos f=0,8; xd’’=0,153. Генераторы, присоединённые по блочной схеме (Г3 и Г4): ТВВ-160-2ЕУ3. SНОМ = 188 МВА; cos f=0,85; xd’’=0,213; UНОМ = 18 кВ.

По [2., табл.2.1] генераторы, присоединённые к ГРУ (Г1 и Г2): ТВФ-63-2У3 с SНОМ = 78,75 МВА; cos f=0,8; xd’’=0,153. Генераторы, присоединённые по блочной схеме (Г3 и Г4): ТВВ-160-2ЕУ3. SНОМ = 188 МВА; cos f=0,85; xd’’=0,213; UНОМ = 18 кВ.

Каталожные данные выбранных генераторов приведены в таблице 2.1

Каталожные данные генераторовТаблица 2.1

Тип генератора

Sном, МВА

Р,МВт

cos f

Uном, кВ

Iном, кА

xd’’

Цена, т.р.

ТВФ-63-2У3

78,75

63

0,8

6,3

7,21

0,153

268

ТВВ-160-2ЕУ3

188

160

0,85

18

5,67

0,213

650


Число и мощности выбираемых трансформаторов зависят от их назначения, схемы энергосистемы, схемы включения генераторов, количества РУ на каждом из напряжений. Поскольку связей между линиями высшего и среднего напряжения в прилегающем районе энергосистемы нет, то на станции устанавливаем два трансформатора связи.

Два трансформатора при этом выбираем трёхобмоточными и два двухобмоточными. Мощность двухобмоточного трансформатора, работающего в блоке с одним генератором, принимается равной мощности генератора в МВ·А (при номинальном коэффициенте мощности) за вычетом мощности собственных нужд. Блочные трансформаторы соединяют генераторы с РУ. Мощность блочных трансформаторов, работающих в блоке с одним генератором, принимают по выражению:

т ³ Sг - Scн(2.1)

где Sг - номинальная мощность генератора, МВА;

Sсн - расход на собственные нужды, МВА,

с.н. = (Sсн%/100)×Sг,(2.2)

где Sсн% - расход на собственные нужды, %. По заданию Sсн% = 9%.

Произведём выбор трансформаторов Т3 и Т4 для 1-го варианта (аналогично Т5 для второго).:

с.н. = (9/100)×188 = 16,9 МВА;

Sт ³ 188 - 16,9 = 171,1 МВА.

Sном = 200 МВА

Марка трансформатора - ТДЦ-200000/220. Каталожные данные выбранного трансформатора приведены в таблице 2.2.

Произведём выбор трансформаторов Т3 и Т4 для 2-го варианта:

с.н. = (9/100)×78,75 = 7,1 МВА

Sрасч.т = 78,75 - 7,1 = 71,65 МВА

ном = 80 МВА. Марка трансформатора - ТД-80000/220. Каталожные данные выбранного трансформатора приведены в таблице 2.2.

Трансформаторы Т1 и Т2 на ТЭЦ служат для связи ОРУ высокого напряжения 220кВ с ОРУ-35кВ и ГРУ-6кВ и электроснабжения потребителей среднего напряжения. Два параллельно работающих трансформатора связи, устанавливаем с целью резервирования питания потребителей 6кВ и 35кВ.

)Выдача избыточной мощности в энергосистему в период минимума нагрузки на шинах генераторного напряжения:

(2.3)

где  - мощность генератора, кВт;

 - номинальный коэффициент мощности генератора;

 - минимальная нагрузка шин генераторного напряжения,  - средний коэффициент мощности нагрузки, принимаем = 0,9;

 - мощность потребляемая собственными нуждами, МВт;

 - коэффициент мощности собственных нужд, принимаем = 0,8.

 МВА

2)Пропуск от энергосистемы недостающей мощности на шинах генераторного напряжения в момент максимальной нагрузки и при отключении одного из наиболее мощных генераторов:

 (2.4)

где , - максимальная нагрузка и коэффициент мощности потребителей на среднем напряжении. По [1] для UС = 35 кВ принимаем равным .

В момент максимальной нагрузки по формуле (2.4):

МВА.

При отключении одного из наиболее мощных генераторов по формуле

МВА.

При аварийном отключении одного из двух параллельно работающих трансформаторов или при одновременном отключении одного генератора и одного трансформатора (наложение аварий), перегрузка оставшегося в работе трансформатора Sт не должна превышать 1,4.

При выборе мощности трансформаторов берём в расчёт самый тяжёлый режим работы, в нашем случае - режим минимума нагрузки и учитываем, что перегрузка оставшегося в работе трансформатора Sт не должна превышать 1,4:

 МВА(2.5)

В связи с обратимым режимом работы трансформаторов связи предусматриваем устройства для регулирования напряжения нагрузкой (РПН) на стороне высшего напряжения (ВН).

По результатам расчетов принимаем Т1-Т2 - трёхобмоточные трансформаторы типа ТДТН- 63000/220 мощностью 63 МВА. Каталожные данные выбранных трансформаторов приведены в таблице 2.2.

Напряжение собственных нужд принимаем равным 6,3 кВ.

Мощность рабочих трансформаторов собственных нужд рассчитывается по формуле:

,(2.6)

где SГН - мощность генератора, МВ·А;

kСН - коэффициент, учитывающий расходы на СН, %.

По заданию kСН=9%.

Выбираем трансформаторы собственных нужд генератора, подключённого к РУ ВН по блочной схеме Г3, Г4 (для 1 варианта) и Г5 (для 2 варианта):


Трансформатор собственных нужд типа: ТРДСН - 25000/35. Каталожные данные выбранных трансформаторов приведены в таблице 2.2.

В обоих вариантах устанавливаем следующий тип пускорезервного трансформатора СН, мощность которого должна быть в 1,5 раза больше мощности рабочих трансформаторов СН:

Пускорезервный трансформатор собственных нужд, установленный на РУ СН 220 кВ: ТРДН - 40000/220. Каталожные данные выбранных трансформаторов приведены в таблице 2.2.

Каталожные данные выбранных трансформаторов Таблица 2.2

Тип трансф.

Sном, МВА

Uвн,  кВ

Uсн,  кВ

Uнн,  кВ

Pх кВт

Pк кВт

Uквс  %

Uквн  %

Uксн, % (Uн1-н2), %

Iх  %

Цена т.р.

ТДТН-63000/220

63

230

38,5

6,3

55

220

11

12,5

9,5

0,5

130

ТДН-63000/35

63

38,5

-

6,3

50

250

-

12,7

-

0,45

107

ТДЦ-200000/220

200

242

-

18

130

660

-

11

-

0,4

253

ТРДСН - 25000/35

25

18

-

6,3

25

115

-

10,5

30

0,65

62

ТРДНС- 40000/220

40

230

-

6,3

50

170

-

11,5

28

0,6

119,6


2. Выбор и технико-экономическое обоснование главной схемы электрических соединений

энергия ток замыкание трансформатор

Варианты главной схемы электрических соединений разрабатываются по составленным структурным схемам выдачи электроэнергии станции.

При этом схемы РУ должны удовлетворять следующим требованиям:

1.      На электростанциях с блоками 300 МВт и более повреждение любого из выключателей не должно приводить к отключению более одного энергоблока;

2.      Повреждение или отказ секционного или шиносоединительного выключателя, а так же совпадение отказа одного из выключателей с ремонтом любого другого не должны приводить к отключению более двух блоков линии, если при этом сохраняется устойчивая работа энергосистемы или её части;

.        Каждый генератор мощностью 200 МВт и более должен присоединяться к шинам повышенного напряжения через отдельные трансформаторы и выключатели;

.        Отключение присоединений должно производиться:

         ЛЭП - не более чем двумя выключателями;

         энергоблоков, трансформаторов связи, трансформаторов собственных нужд - не более чем тремя выключателями РУ каждого напряжения;

5.      Должна быть обеспечена возможность ремонта выключателей 110 кВ и выше без отключения соответствующих присоединений.

В ГРУ 6 кВ применим схему с одиночной секционированной системой шин. Питание потребителей генераторного напряжения осуществляется через сдвоенные реакторы.

Для каждой принятой схемы выдачи мощности определяем число присоединений в каждом РУ которое рассчитывается как сумма числа отходящих к потребителям линий (n лэп), числа линий связи с системой (nсв) и числа трансформаторов связи (nт.св) или питающих трансформаторов (nт), подключенных к данному РУ:

ру = nлэп + nсв + nт.св + nт,(3.1)

Количество отходящих линий определяется из дальности передачи и экономически целесообразных величин передаваемых мощностей:

, (3.2)

Рл - наибольшая активная мощность, передаваемая на одну цепь, МВт по [6, табл.2.1].

Рмакс - наибольшая активная мощность, выдаваемая в энергосистему, МВт:

(3.3)

.

Принимаем с учётом развития региона  связи с системой - 2.

.

Принимаем с учётом развития региона  - 2.

Количество отходящих линий 6 кВ:

 ,(3.4)

где  - максимальная нагрузка, присоединённая к шинам ГРУ, МВт;

 - номинальное напряжение на шинах ГРУ, = 6 кВ;

,7 - коэффициент, учитывающий наличие резервных линий, работающих в нормальном режиме с недогрузкой;

 - заданные токи в линиях.

 (3.5)

Принимаем = 32 (4 секции ´ 2 = 8 секций; 8´4=32 линии). Как было указано выше для присоединения нагрузки к шинам ГРУ применяем линейные сдвоенные реакторы допускающие присоединение нескольких отходящих линий.

Число присоединений


Таблица 3.1

Вариант 1


ГРУ 6 кВ

РУ 35 кВ

РУ 220 кВ

nлэп

32

2

2

nт.св

2

2

2

nт

-

-

3

 

Число присоединений


Таблица 3.2

Вариант 2


РУ 6 кВ

РУ 35 кВ

РУ 220 кВ

nлэп

32

2

2

nт.св

2

2

2

nт

-

-

4


В ГРУ 6 кВ принимаем одиночную секционированную систему шин. Нагрузка к шинам ГРУ 6 кВ присоединена через сдвоенные реакторы.

В ОРУ 35 кВ принимаем упрощённую схему без сборных шин - схему с мостом, т.к. в ОРУ требуется схема устройства для четырёх присоединений - двух линий и двух трансформаторов.

В ОРУ 220 кВ принимаем схему с двумя рабочими и одной обходной системой шин. Достоинством данной схемы является то, что при резервировании любого выключателя, все присоединения остаются в работе.

На основании имеющихся данных произведём технико-экономическое сравнение двух вариантов главной схемы электрических соединений.

Технико-экономическое сравнение вариантов производится с целью выявления наиболее экономичного варианта распределения генераторов между различными напряжениями, определения мощности генераторов (трансформаторов), выбора схемы РУ, когда заданным техническим требования удовлетворяют несколько схем.

При выполнении расчёта исключаем капиталовложения на закупку генераторов и трансформаторов СН, т.к. их типы одинаковы в обоих вариантах.

Экономически целесообразный вариант определяется по минимуму приведенных затрат:

,(3.6)

где К - капиталовложения на сооружение электроустановки, у.е.;

Ен - нормативный коэффициент экономической эффективности

капиталовложений, принимаем равный 0,12;

И - годовые эксплуатационные издержки.

Годовые эксплуатационные издержки складываются из ежегодных эксплуатационных расходов на амортизацию оборудования Иа и расходов, связанных с потерями энергии в трансформаторах РУ:

(3.7)

где Ра и Ро - отчисления на амортизацию и обслуживание, %. Для

оборудования проекта примем Ра = 6,4 %, Ро = 2 %;

ΔЭ - потери энергии в кВт·ч;

β - стоимость одного кВт·ч потерянной энергии, равная 0,8 у.е./(кВт·ч).

Потери энергии, , кВт·ч, в двухобмоточном трансформаторе и автотрансформаторе:

 ,(3.8)

где ΔРхх - потери холостого хода;

ΔРкз - потери короткого замыкания;

Sном - номинальная мощность трансформатора, МВ·А;

Sмакс - максимальная нагрузка трансформатора;

Т - число часов работы трансформатора, можно принять Т= 8760 час.

τ - число часов максимальных потерь, принимаем τ = 4500 час.

Потери энергии в трёхобмоточных трансформаторах:

,(3.9)

Принимаем tв = tс = tн =4500 ч. Так как мощность всех обмоток трёхобмоточного трансформатора одинакова, то

.

Потери в нескольких (n) работающих параллельно однотипных трансформаторах:

(3.10)

Сравнение экономической эффективности двух вариантов с раной степенью надёжности, у которых К1 > К2, а U1< U2, можно произвести по сроку окупаемости капиталовложений, Т, лет:

(3.11)

Определим капиталовложения по укрупнённым показателям стоимости элементов схем. Результаты расчёта сводим в таблицу 3.1.

Определим потери в трансформаторах:

2´ТДТН-63000/220/35:

´ТДН-63000/35:

ТДЦ-200000/220:

2´ТДЦ-200000/220:

ТРДНС-25000/220:

2´ТРДНС-25000/220:


Так как оба варианта имеют пускорезервный трансформатор собственных нужд, то пренебрегаем потерями в нём.

Капиталовложения в сооружение ТЭЦ. Таблица 3.3

Оборудование

Стоимость единицы, тыс. руб

Первый вариант

Второй вариант



Количество единиц, шт.

Общая стоимость, тыс. руб.

Количество единиц, шт.

Общая стоимость, тыс. руб.

Ячейки РУ 35 кВ

35,2

6

211,2

6

211,2

Ячейки ГРУ 6 кВ

17,5

8

140

8

140

Ячейки сдвоенных реакторов

15

10

150

10

150

Генераторы: ТВФ-63-2У3

268

2

536

2

536

Генераторы: ТВВ-160-2ЕУ3

650

2

1300

2

1300

Трансформаторы: ТДТН-63000/220

130

2

260

2

260

Трансформаторы: ТДН-63000/35

107

-

-

2

214

Трансформаторы: ТДЦ-200000/220

253

2

506

2

Трансформаторы собственных нужд: ТРДНС-25000/35

62

2

124

2

124

Трансформаторы собственных нужд: ТРДН-40000/220

119,6

1

119,6

1

119,6

Общая стоимость

3346,8

3560,8


По формуле (3.7):

Первый вариант:


Второй вариант:


По формуле (3.7):

Первый вариант:


Второй вариант:


Согласно проведенному технико-экономическому сравнению исходя из расчёта затрат на сооружение системы З1<З2 на 7 %. Выбираем вариант № 1.

3. Расчёт токов короткого замыкания для выбора аппаратов и токоведущих частей


Для выбора и проверки электрических аппаратов необходима правильная оценка расчётных условий КЗ.

Для начала расчета составим расчетную схему, которая представляет собой однолинейную электрическую схему проектируемой станции, в которую включены все источники питания и все возможные связи между ними и системой.


На рисунке 4.1 приведем расчетную схему проектируемой станции.

На схеме намечаем расчетные точки, соответствующие наиболее тяжелым условиям:

- на шинах РУ каждого напряжения, и на каждой секции при использовании секционных реакторов;

-       на выводах генераторов;

-       за линейным реактором;

-       за трансформаторами и реакторами собственных нужд.

В качестве расчетного вида КЗ принимаем трехфазное.

Расчёт токов короткого замыкания при трёхфазном коротком замыкании производится в следующем порядке:

- для проектируемой схемы составляется расчётная схема ;

-        по расчётной схеме составляется эквивалентная схема замещения;

         все элементы схемы приводятся к базисным условиям;

         путём постепенного преобразования схема замещения приводится к простейшему виду;

         определяется по закону Ома начальное значение периодической составляющей тока короткого замыкания (КЗ), определяется ударный ток в именованных единицах.

Рассмотрим пример расчёта тока короткого замыкания в точке К1.

Расчет производим в относительных единицах. Зададимся базисными условиями. Базисная мощность Sб=1000МВА, базисное напряжение Uб=230кВ.

Базисный ток , кА, определяем по формуле:

,(4.1)

где  - среднее номинальное напряжение, кВ.

 кА

Определим сопротивление элементов схемы замещения, приведённые к базисным условиям:

Система. Так как система S = ¥ , то ХC = 0.

Линия электропередачи

;(4.2)

где  - удельное сопротивление 1 км линии, для воздушных принимается равным О,4 Ом/км, для кабельных - 0,08 Ом/км;  - длина линии электропередачи (ЛЭП), км;  , - базисная мощность, МВА ;  - среднее номинальное напряжение, кВ.

.

Трансформаторы блока ТДЦ -200000/220:

,(4.3)

где  - напряжение КЗ трансформатора в процентах.

 - номинальная мощность трансформатора, МВА.

.

Определим сопротивления трёхобмоточных трансформаторов

ТДТН-63000/220:

(4.4)

(4.5)

(4.6)


Трансформаторы собственных нужд ТРДНС-25000/35:

;(4.7)

,(4.8)

где  - напряжение КЗ обмотки ВН в процентах;

 - напряжение КЗ расщеплённых обмоток НН в процентах.

;

.

Пускорезервный трансформатор , ТРДНС-40000/220 по формулам (4.7) и (4.8):

;

.

Генераторы:

,(4.9)

где  - сверхпереходное сопротивление генератора.

Генераторы ТВВ-160-2ЕУ3:

;

Генераторы ТВФ-63-2У3:

.

Выбор секционного реактора производим по условию:

,(4.10)

где - номинальный ток реактора, А;

 - номинальный ток генератора подключенного к секции, А;

.

По [1, табл. 5.14] выбираем реактор РБДГ 6-6000-0,18У3 с Хр= 0,18 Ом и Iдн = 97 кА.

Тогда сопротивление реактора определим по формуле:

,(4.11)


Выбираем реакторы для собственных нужд исходя и заданной мощности собственных нужд. Для генераторов ТВФ-63-2У3 величину тока собственных нужд определяем по формуле:

(4.12)

Выбираем реакторы для собственных нужд - РБ-10-1000-0,22У3

Тогда сопротивление реактора , о.е., определим по формуле(4.11):


Сопротивление линейного реактора ХР определяется из условия ограничения тока КЗ до отключающей способности выключателя ВМП-10 (Iном откл = 20 кА).

Сопротивление линейного реактора ХР определяем следующим образом. Суммарное сопротивление цепи КЗ до реактора:

,(4.13)

где  - ток трёхфазного короткого замыкания в цепи до реактора, кА.

В нашем случае для выбора линейных реакторов ГРУ 6 кВ ток  был предварительно рассчитан программой ТКЗ -  = 107,2 кА.


Требуемое сопротивление цепи КЗ для обеспечения Iном окл. = 20 кА:


Сопротивление линейного реактора Хр , Ом:


По [ .,табл. 5.15] выбираем РБС-6-2х1000-0,22У3 с Iном = 2 х1000А,

ном = 6 кВ, Хр = 0,22 Ом, К = 0,53.

Т.к. линейный ректор сдвоенный, то тогда сопротивление реактора Хр, о.е., определим по формуле:

 (4.14)

 (4.15)

где К - коэффициент связи сдвоенного реактора.

- сопротивление реактора, определим по формуле (4.11):

;

По формулам (4.14) и (4.15):


Сопротивление нагрузки:

 (4.15)

где  - мощность нагрузки, МВА.


Сопротивления элементов схемы, приведенные к базисным условиям, наносим на схему замещения. При расчёте токов КЗ показываем на схеме замещения сопротивление только одного линейного реактора и сопротивление только одного реактора собственных нужд, т.к. токи КЗ на остальных линейных реакторах и реакторах собственных нужд будут аналогичными.

Для этого каждый элемент в схеме замещения обозначаем дробью: в числителе ставим порядковый номер элемента, а в знаменателе - значение относительного индуктивного сопротивления.

Сверхпереходная ЭДС генераторов для практических расчетов находится по формуле:

(4.16)

Так как система задана бесконечной мощности, то примем Е1=1.

Для генератора ТВФ-63-2У3 по (4.13):


Для генератора ТВВ-160-2 по (4.13):


Сверхпереходная ЭДС нагрузки (при расчёте точки К1) в вводится в расчёт со значением:

.

Мощность генераторов в схему замещения вводится ЭДС Е //, придаются порядковые номера, и указываются величины в о.е.

На рисунке 4.2 приведем эквивалентную схему замещения станции:


Преобразуем схему к следующему виду:


Полученную схему преобразуем к следующему виду:



Полученную схему преобразуем к следующему виду:


;

.

Начальное значение периодической составляющей трехфазного тока КЗ в именованных единицах, , кА, вычисляется по формуле:

;(4.17)

Ток  трёхфазного КЗ в точке К1:

;

Ударный ток короткого замыкания:

(4.18)

где Ку - ударный коэффициент тока к.з. по [6, табл. 4.2] принимаем Ку=1,93.


Ток КЗ в производный момент времени переходного процесса определим по типовым кривым для момента времени расхождения контактов выключателя τ:

t = tр.з. + tс.в., (4.19)

где tр.з. - время действия релейной защиты, можно принять 0,01с.

tс.в. - собственное время отключения выключателя, примем 0,1с.

t = 0,01 + 0,1 = 0,11 с.

Суммарный номинальный ток генераторов:

;(4.20)

Находим по отношению Iпо/Iнг = 8,11/1,34 = 6,05 ≈ 6 (шестая типовая кривая) коэффициент К = 0,92.

Тогда:

пгτ = К·Iног;(4.21)

(4.22)

Iпгτ = 0,92·4,58= 4,21 кА

Для системы:

(4.23)

Ток КЗ для момента времени t = 0,11с.:

Iпτ = Iпгτ + Iпτс = 4,21+3,803=8,013 кА. (4.24)

Величина асимметричного тока в момент размыкания контактов:

,(4.25)

где Та - постоянная времени затухания апериодической составляющей тока КЗ. Определяем по таблице [6, табл. 4.2] для шин повышенного напряжения станции с трансформаторами 100 МВ·А и выше Та = 0,14.

,

,

.(4.26)

Максимальное значение асимметричного тока :

(4.27)


Аналогично рассчитаем токи КЗ и в других точках схемы, при этом периодическую составляющую тока КЗ Iпо рассчитываем по программе "TKZ" на ЭВМ, распечатка результатов программы представлена в приложении. Результаты расчётов заносим в приложение 1.

Токи короткого замыкания в остальных точках рассчитаем с помощью программы "". Расчет произведем в следующих точках:

на шинах РУ 220 кВ - точка К1;

на шинах РУ 35 кВ - точка К2;

на шинах РУ 6 кВ - точка К3, точка К3 также является выводом генератора 78,75МВА на первой секции;

на выводах генератора К4;

за трансформатором собственных нужд К5;

за пускорезервным трансформатором К6;

на выводах линейных реакторов первой секции К7;

на выводах реактора собственных нужд К8.

Точка КЗ

Iпо, кА

Ку

, кАIпτ, кА

, кА


К1

8,11

1,93

22,1

8,01

5,40

К2

17,76

1,92

48,2

17,54

11,42

К3

107,20

1,95

295,6

105,90

72,30

К4

62,81

1,96

174,1

61,90

42,27

К5

14,07

1,85

36,8

13,90

8,65

К6

24,04

1,85

62,9

23,70

14,64

К7

14,33

1,93

39,1

13,74

9,17

К8

14,33

1,85

37,4

13,93

8,79


. Выбор аппаратов (высоковольтные выключатели, разъединители, разрядники и др.)

Электрические аппараты выбираем по расчетным условиям нормального режима с последующей проверкой их работоспособности в аварийных режимах. Все электрические аппараты выбираются по номинальному напряжению (Uр £ Uн), роду установки (внутренняя, наружная) и конструктивному исполнению. По номинальному току (Iраб.max £ Iн) выбираются те аппараты, по которым протекают рабочие токи: выключатели, разъединители, отделители, реакторы, трансформаторы тока и предохранители. Выбор выключателей и разъединителей

По отключающей способности:

Проверка на симметричный ток отключения по условию:

Iп,t £ Iотк.ном (5.1)

Проверка отключения апериодической составляющей тока КЗ:

ia,t £ Iaном = ∙bном∙ Iотк.ном (5.2)

где Iaном - номинальное допускаемое значение апериодической составляющей в отключаемом токе для времени t;

bном - номинальное значение относительного содержания апериодической составляющей в отключаемом токе.

Если условие (5.1) выполняется, а (5.2) нет, то допускается производить расчёт по относительной составляющей апериодической составляющей:

∙ Iп,t + ia,t £ ∙ Iотк.ном∙(1+bном) (5.3)

Проверка на электродинамическую стойкость выключателя производится по предельному сквозному току КЗ:

п,о £ Iпр,с;(5.4)

iу £ iпр.с , (5.5)

где Iпр,с - действующее значение предельного сквозного тока КЗ;

iпр.с - амплитудное значение предельного сквозного тока КЗ.

Проверка на термическую стойкость по тепловому импульсу:

Вк £ It2∙tt(5.6)

где Вк - тепловой импульс КЗ по расчету:

Вк = Iп,о2∙(tотка) (5.7)

где It - предельный ток термической стойкости по каталогу;

tt, - длительность протекания тока термической стойкости, с.

tотк - время отключения выключателя, с.

Та - постоянная времени затухания.

Выбор разъединителей и короткозамыкателей :

Выбор разъединителей и короткозамыкателей производят по Uном и Iном, а также проверяют по условиям (5.4)-(5.6)

Выбор выключателя и разъединителя для ОРУ 220 кВ:

Iном = Sном / ∙Uном = 200∙103/∙220 =524,86 А

Imax = 1,4∙ Iнорм = 1,4∙524,86 =734,8 А

Выбор выключателя и разъединителя в ОРУ 220 кВ

Расчетные данные

Каталожные данные


Выключатель ВВБ-220Б-31,5/2000У1

Разъединитель РНД3.1-220/1000У1

Uуст = 220 кВ Imax = 734,8 А Iп,t = 8,013 Ка п,о = 8,11 кАу = 22,1 кА

Вк = (8,11×103)2∙(0,1+0,14)= 15,79×106 кА2∙сUн = 220 кВн = 2000 Аотк.ном = 31,5 кАaном = =

=∙31,5∙(1+0,1) = 49 кАпр.с = 40 кА

iпр.с = 102 кА

It2∙tt = (40×103)2∙3 = 4800 ×106 А2∙сUн = 220 кВн = 1000 А

пр.с = 100 кА

It2∙tt = (40×103)2∙3= 4800×106 кА2∙с




Выбор выключателя и разъединителя для ОРУ 35 кВ

Iном = Sном / ∙Uном = 63∙103/∙35 = 1039,2А

Imax = 1,4∙Iном = 1.4∙1039.2 = 1454,92А

Выбор выключателя и разъединителя в ОРУ 35 кВ

Расчетные данные

Каталожные данные


Выключатель ВВУ-35А-40/2000У1

Разъединитель РНД3.1-35/2000У1

Uуст = 35 кВ Imax = 1454,92 А Iп,t = 17,54 кА п,о = 17,76 кА iу = 48,2 кА Вк = (17,76×103)2∙(0,18+0,14)= 100,93×106 кА2∙сUн = 35 кВ Iн = 2000 А Iотк.ном = 40 кА Iaном = =

=∙40∙(1+0,2) = 67,9 кАпр.с = 40 кА

iпр.с = 102 кА

It2∙tt = (40×103)2∙3 = 4800 ×106 А2∙сUн = 35 кВн = 2000 А

пр.с = 63 кА

It2∙tt = (25×103)2∙4= 2500×106 кА2∙с




Выключатель ГРУ 6 кВ в цепи генератора ТВФ-63-2У3:


Выбор выключателя и разъединителя в цепи генератора ТВФ-63-2У3

Расчетные данные

Каталожные данные


Выключатель ВВГ-20-160/12500У3

Разъединитель РВР3.1-20/8000У3

Uуст = 6,3 кВ Imax = 7596,7 А Iп,t = 105,9 кА п,о = 107,2 кА iу = 295,6 кА Вк = (107,2×103)2∙(0,3+0,185)= 5573,5×106 кА2∙сUн = 20 кВ Iн = 2000 А Iотк.ном = 160 кА Iaном = =

=∙160∙(1+0,2) = 271,5 кАпр.с = 160 кА

iпр.с = 410 кА

It2∙tt = (160×103)2∙4 = 10240 ×107 А2∙сUн = 20 кВн = 8000 А

пр.с = 320 кА

It2∙tt = (125×103)2∙4= 62500×106 кА2∙с



Произведём выбор выключателя установленного в цепи трёхобмоточного трансформатора со стороны НН.


Выбор выключателя и разъединителя в цепи генератора ТВФ-63-2У3Т

Расчетные данные

Каталожные данные


Выключатель ВВГ-20-160/12500У3

Разъединитель РВР3.1-20/8000У3

Uуст = 6,3 кВ Imax = 8508,3 А Iп,t = 105,9 кА п,о = 107,2 кА iу = 295,6 кА Вк = (107,2×103)2∙(0,2+0,4)= 6895,1×106 кА2∙сUн = 20 кВ Iн = 2000 А Iотк.ном = 160 кА Iaном = =

=∙160∙(1+0,2) = 271,5 кАпр.с = 160 кА

iпр.с = 410 кА

It2∙tt = (160×103)2∙4 = 10240 ×107 А2∙сUн = 20 кВн = 8000 А

пр.с = 320 кА

It2∙tt = (125×103)2∙4= 62500×106 кА2∙с




Произведём выбор выключателя 6 кВ установленного за ТСН 25 МВА:


Выбор выключателя за ТСН 25 МВА

Расчетные данные

Каталожные данные


Выключатель ВЭЭ-6-40/1600У3

Разъединитель

Uуст = 6,3 кВ Imax = 1266 А Iп,t = 13,9 кА п,о = 14,07 кА iу = 36,8 кА Вк = (14,07×103)2∙(1,5+0,09+0,125)= 339,5×106 кА2∙сUн = 6,6 Iн = 1600 А Iотк.ном = 40 кА Iaном = =

=∙40∙(1+0,4) =80 кАпр.с = 40 кА

iпр.с = 128 кА

It2∙tt = (40×103)2∙3 = 4800 ×106 А2∙с



Произведём выбор выключателя 6 кВ установленного за ПРТСН 40 МВА:


Выбор выключателя за ПРТСН 40 МВА

Расчетные данные

Каталожные данные


Выключатель ВЭЭ-6-40/2500У3

Разъединитель

Uуст = 6,3 кВ Imax = 2025,8 А Iп,t = 23,7 кА п,о = 24,07 кА iу = 62,9 кА Вк = (24,07×103)2∙(1,5+0,09+0,125)= 993,6×106 кА2∙сUн = 6,6 Iн = 2500 А Iотк.ном = 40 кА Iaном = =

=∙40∙(1+0,4) =80 кАпр.с = 40 кА

iпр.с = 128 кА

It2∙tt = (40×103)2∙3 = 4800 ×106 А2∙с



Выбор выключателей на отходящих КЛ

Расчетные данные

Каталожные данные


Выключатель ВЭЭ-6-40/1600У3

Разъединитель

Uуст = 6,3 кВ Imax = 306,5 А Iп,t = 13,74 кА п,о = 14,33 кА iу = 39,11 кА Вк = (14,33×103)2∙(0,1+0,14)= 49,28×106 кА2∙сUн = 6,6 Iн = 1600 А Iотк.ном = 40 кА Iaном = =

=∙40∙(1+0,4) =80 кАпр.с = 40 кА

iпр.с = 128 кА

It2∙tt = (40×103)2∙3 = 4800 ×106 А2∙с




Выбор ограничителей перенапряжений

Ограничители перенапряжений- это устройства, которые обеспечивают не только защиту изоляции от перенапряжений, но и гашение дуги сопровождающего тока в течение времени, меньшего, чем время действия релейной защиты.

Места установки ограничителей перенапряжений:

- цепь измерительного трансформатора напряжения на шинах ОРУ 220 кВ - ОПН-220У1

в нейтрали блочного трансформатора 220 кВ - ОПН-110У1.

в нейтрали пускорезервного трансформатора собственных нужд ПРТСН - ОПН-110У1;

на стороне 220 кВ трансформаторов связи устанавливаем - ОПН-220У1.

на стороне 35 кВ трансформаторов связи устанавливаем- ОПН-35У1

на стороне 6 кВ трансформаторов связи устанавливаем - ОПН-6У1

5. Выбор токоведущих частей (токопроводы генераторов и трансформаторов, шины распределительных устройств всех напряжений)

Выбор сборных шин 220 кВ.

Так как сборные шины по экономической плотности тока не выбираются, то принимаем сечение по допустимому току при максимальной нагрузке на шинах и току протекающему при этом на шинах. В нашем случае это при выводе одной из шин в ремонт и отказе одной из линий, таким образом определим Iраб.max:

(6.1)

(6.2)

По [3] принимаем АС-600/72, Iдоп=1050 А; d=33,2 мм.

Iдоп =1050А > 966,2 А. В соответствии с рекомендациями по условию короны для установок 220 кВ минимальный диаметр провода 21,6 мм., поэтому останавливаемся на выбранном проводе. Радиус провода ro=d/2=33,2/2=16,6 мм = 1,66 см. Расстояние между фазами D=400 см, фазы расположены горизонтально.

Проверка шин на схлёстывание не производится, так как S//кз =меньше чем допускаемое [3, стр.279] S//кз = 8000 МВА.

На термическое действие токов КЗ шины ОРУ не проверяются.

Выбор сборных шин 35 кВ.

Так как сборные шины по экономической плотности тока не выбираются, то принимаем сечение по допустимому току при максимальной нагрузке на шинах.

(6.4)


По [3] принимаем АС-70/11, q=70 мм²; Iдоп=265 А; d=11,4 мм.

доп=265А>231 А.

Проверка по условию коронирования по ПУЭ не производится. Расстояние между фазами D=150 см, фазы расположены горизонтально.

При таком расстоянии силы взаимодействия между фазами не велики, поэтому расчёт на электродинамическое действие не производим.

Произведём проверку на термическое действие К.З. по


По формуле (6.3):


Следовательно, при принятом сечении q = 70 мм2 термическая устойчивость шин не обеспечивается, поэтому принимаем АС-95/16, q=95 мм²; Iдоп=330 А; d=13,5 мм., Iдоп=330А.

Гибкая ошиновка РУ выполняется теми же проводами, что и сборные шины.

Выбор сборных шин ГРУ 6 кВ:

Предположим, что сборные шины будут расположены в вершинах прямоугольного треугольника с расстоянием между фазами aх = ау = 0,8 м. И пролётом L = 2 м.

Выбор шин произведём по току самого мощного присоединения - генератора ТВФ-63-2У3. Номинальный ток генератора Iн ,А:

(6.5)


Максимальный ток генератора Iраб max ,А:

(6.6)


Сборные шины по допустимому току: Iдоп³Ip.max. (6.7)

Принимаем [3, табл. П3-3] шины коробчатого сечения, алюминиевые 2(200´90´12) мм, высота h = 200 мм, ширина полки b = 90 мм, толщина шины с = 12 мм, сечение (2´4040) мм2, Iдоп= 8830 А.

По условию (6.7): 8830А > 7596А

Проверка шин на термическую устойчивость, производим при тепловом импульсе при действии трёхфазного К.З.:


По формуле (6.3):


Следовательно, при принятом сечении (2´4040)мм2 термическая устойчивость шин обеспечивается.

При коробчатых шинах частота собственных колебаний значительно больше , чем у прямоугольных шин. Поэтому не учитываем механические колебания.

Напряжение в материале шин от взаимодействия фаз по [3, табл. 4-3]:

,(6.8)

где  - момент сопротивления двух сращенных шин,

принимаем по [3, табл. П3-3]: = 490 см³

.

Определяем силу взаимодействия между швеллерами:

.(6.9)

.

Принимая Wn = Wyy = 46,5 см³ по [3, П3-3] и sдоп=82,3 Мпа по [3, табл. 4-2] (Для алюминиевых шин ) определяем максимальное расстояние между прокладками:

,(6.10)

,

Число прокладок в пролёте по формуле:

,(6.11)


Принимаем одну прокладку.

Произведём выбор изоляторов. Предварительно выбираем опорные изоляторы ОФ-6-4000. Проверяем их по допустимой механической нагрузке. Максимальная сила, действующая на изгиб по формуле (3, табл. 4-3):

(6.12)


Поправка на высоту коробчатых шин:

(6.13)

где  - высота изолятора, =235 мм.


Расчётная сила:

(6.14)


По [3, табл. П3-4] Fразр = 40000 Н. Так как Fрасч > 0,6× Fразр = 24000 Н, изолятор ОФ-6-4000 не подходит по механической прочности. Выбираем изолятор ОФ-6-6000, Fразр = 60000 Н. Тогда Fрасч =33257,1< 0,6× Fразр = 36000 Н. Окончательно принимаем опорный изолятор ОФ-6-6000.

Выбираем проходной изолятор П-6/8000-4250: с параметрами Uн = 6 кВ; Fразр = 42500 Н; Iн = 8000 А > Ip.max = 7596 А. Проверяем проходной изолятор на механическую прочность:

(6.15)


Так как Fрасч =11311,95 Н < 0,6×Fразр = 0,6×42500 = 25500 Н, то выбранный изолятор удовлетворяет требуемым условиям.

Для подвески гибких шин применяются следующие гирлянды изоляторов:

35 кВ: 8´ПС - 6А.

кВ: 15´ПС - 6А

Выбор токоведущих частей блока.

Токоведущие части от выводов генератора до блочного трансформатора выполняются комплектным экранированным токопроводом.

По [3, табл.6-9] выбираем ТЭК-20/6000, номинальный ток главной цепи 6000 А:

По формуле (6.6):

доп = 6000 > Ip.max.=5712,7 А.

Условие динамической устойчивости главной цепи:

Токоведущие части от выводов 220 кВ силовых трансформаторов до сборных шин выполняются гибкими токопроводами.

Сечение выбираем по экономической плотности тока:

Принимаем jэ=1А/мм²

qэ = Imax/jэ = 690,7/1 = 690,7 мм²

По [3, табл. П3-1] принимаем АС-700/86 с Iдоп=1220 А. Проверка провода по допустимому току:

max=690,7 < Iдоп=1220 А.

Проверку на термическое действие и на коронирование не проводим, т.к. было определено раннее, что при Вк= 15,78×106 А2×с, qmin = 45,1 мм2, а выбранное сечение 700 мм2 значительно выше. Проверку на коронирование также не производим, т.к. сечение АС-240/39 является минимальным. По условию образования короны.

Токоведущие части от выводов 220 кВ трансформаторов связи. В нормальном режиме примем при номинальной мощности трансформатора:

(6.16)

.

По [3, табл.П3-1] принимаем сечение АС-240/39 т.к. данное сечение является минимальным по условию короны. Проверка на коронирование и термическую стойкость рассмотрена выше. Токоведущие части от выводов 35 кВ трансформаторов связи до сборных шин выполняются гибкими токопроводами. Сечение выбираем по экономической плотности тока:

Принимаем jэ=1А/мм²

э = Imax/jэ ; (6.17)

;э = Imax/jэ = 384/1= 384 мм²

Принимаем 2xАС-150/19. Проверка провода по допустимому току:

max=384 А < Iдоп=2x450 А.

Проверка на перегрузочную способность:

;

Iраб max= 404 А < Iдоп=2x450 А

Проверка по условию коронирования по ПУЭ не производится. Проверку на термическую устойчивость не проводим. Токопровод в цепи от выводов генератора ТВФ-63 до фасадной стены выполняется пофазно-экранированным. Выбираем токопровод генераторного напряжения ГРТЕ-10-8550-300 с Uном=10,5кВ, Iном= 8,5кА, iдин=300кА по следующим условиям:

н ³ Upаб; (6.18)

,5 ³ 6,3 кВ;

Iн ³ Ip.max ; (6.19)

,5 кА ³ 7,21 кА.

Электродинамическая стойкость:

дин ³ iу; (6.20)

iдин = 300 кА ³ 295,6 кА.

Токопровод в цепи генератора ТВВ-160 для соединения генератора с фасадной стеной - применяем пофазный экранированный токопровод с электрически непрерывным кожухом ТЭКМ-Е-20-10000-360 с Uн=20кВ; Iном = 10 кА; i.дин. = 360 кА по следующим условиям:

н ³ Upаб; (6.21)

Uн ³ 18 кВ;

Iн ³ Ip.max ; (6.22)

Iн ³ 5,67 кА.

Электродинамическая стойкость:

дин ³ iу; (6.23)

iдин ³ 174,1 кА.

Токоведущие части от отпайки блока к выводов ТСН - выполняются гибкими токопроводами.

(6.24)

По [3, табл. П3-1] принимаем 2´АС-185/24 , с Iдоп= 2´520 А ,

доп=2∙520=1040А > 801,8А.

Проверка на термическую устойчивость, производим при тепловом импульсе при действии трёхфазного К.З.:


По формуле (6.3):


Следовательно, при принятом сечении (2´185)мм2 термическая стойкость не обеспечивается.

По условию термической стойкости выбираем 2´АС-300/39 , с Iдоп= 2´690 А

Выбор токопровода от ТСН до РУ СН :

Блочный ТСН:

(6.25)


Выбираем токопровод ТЗК - 6 - 2000 - 81. Iн = 2000 A; iэ.дин. = 81 кА;

н=1202А < Iн =2000А

Проверяем на электродинамическую стойкость:

у =36,8 кА< iэ.дин.= 81кА

Выбор токопровода от ПРТСН до РУ СН :


Выбираем токопровод

ТЗМЭП-10-3150-128. с Uн=10кВ, Iн=3150A iэ.дин.=128 кА;

Iут=1924,5А < Iн=3150А

Проверяем на электродинамическую стойкость:

у=62,9 < iэ.дин.=128кА

. Выбор типов релейной защиты

Защиты блока генератор - трансформатор.

Продольная дифференциальная защита трансформатора от многофазных замыканий, витковых замыканий и замыканий на землю. Продольная дифференциальная защита генератора от многофазных КЗ в обмотках статора и на его выводах.

Защита напряжения нулевой последовательности - от замыкания на землю на стороне генераторного напряжения.

Газовая защита трансформатора - от замыкания внутри кожуха трансформатора.

Токовая защита обратной последовательности, состоящая из двух фильтр - реле тока обратной последовательности. При этом чувствительный орган реле осуществляет защиту генератора от перегрузок токами обратной последовательности. Грубый орган реле является резервной защитой от внешних несимметричных КЗ.

Токовая защита с пуском по минимальному напряжению - резервная от симметричных КЗ;

Защита нулевой последовательности от внешних замыканий на землю в сети с большим током замыкания на землю.

Максимальная токовая защита от симметричных перегрузок, используется ток одной фазы.

Цепь ускорения отключения блока и пуск схемы УРОВ при неполнофазных отключениях выключателя.

Односистемная поперечная защита от витковых замыканий в одной фазе без выдержки времени - для защиты генератора.

Защиты трансформаторов собственных нужд.

От повреждений внутри кожуха и на выводах - продольная дифференциальная токовая защита.

От повреждений внутри кожуха трансформатора, сопровождающихся выделением газов и от понижения уровня масла - газовая защита.

От внешних КЗ, а так же для резервирования защит рассмотренных выше - МТЗ с комбинированным пуском по напряжению.

От перегрузки - МТЗ, использующая ток одной фазы с действием на сигнал.

Защита шин.

Дифференциальная токовая защита без выдержки времени, охватывающая все элементы, которые подсоединены к системе шин, осуществляется с помощью реле тока, отстроенного от переходного и установившегося тока небаланса.

На обходном выключателе устанавливается трёхступенчатая дистанционная защита и токовая отсечка от многофазных КЗ, а так же четырёхступенчатая токовая направленная защита нулевой последовательности от замыканий на землю.

На шиносоединительном выключателе - двухступенчатая токовая защита от многофазных КЗ, а так же трёхступенчатая токовая защита нулевой последовательности от замыканий на землю.

Защита ЛЭП.

Высокочастотная защита, трёхступенчатая дистанционная защита, токовая защита нулевой последовательности - для защиты от КЗ на землю.

Защита кабельных линий - двухступенчатая защита - МТЗ и токовая отсечка, от однофазных КЗ на землю - на сигнал.

. Выбор измерительных приборов и измерительных трансформаторов

Контроль за режимом работы основного и вспомогательного оборудования осуществляется с помощью контрольно-измерительных приборов.

Принимаем к установке следующие приборы.

Таблица измерительных приборов

Прибор и место установки

Тип прибора

Класс точности

1. Турбогенератор.

Статор:

Амперметр в каждой фазе

Э - 377

1,5

Вольтметр

Э - 377

1,5

Ваттметр

Д - 305

1,5

Варметр

Д - 305

2,5

Счётчик активной энергии

И - 675

1,0

Счётчик реактивной энергии

И - 675М

2,0

Датчик активной мощности



Датчик реактивной мощности



Регистрирующие приборы:

Ваттметр

Н- 344

1,5

Амперметр

Н- 344

1,5

Вольтметр

Н- 344

1,5

Ротор:

Амперметр

Э - 377

1,5

Вольтметр

Э - 377

1,5

Регистрирующий амперметр

Н- 344

1,5

Частотомер

Э - 371

2,5

Синхроноскоп

Э - 327

± 3 о

2. Блок генератор-трансформатор:

Генератор - приборы п.1



Трансформатор НН



Амперметр

Э - 377

1,5

Ваттметр

Э - 377

1,5

Варметр

Д - 305

2,5

3. Трёхобмоточный трансформатор

сторона НН:



Амперметр

Э - 377

1,5

Ваттметр

Д - 305

1,5

Варметр

Д - 305

2,5

сторона СН:



Амперметр

Э - 377

1,5

Ваттметр

Д - 305

1,5

Варметр

Д - 305

2,5

сторона СН:



амперметр

Э - 377

1,5

4. Трансформаторы собственных нужд

На одну секцию со стороны питания:

амперметр

Э - 377

1,5

ваттметр

Д - 344

1,5

счётчик активной энергии на две секции со стороны питания:



амперметр

Э - 377

1,5

ваттметр

Д - 344

1,5

счётчик активной энергии

И - 675

1,0

на вводе к секциям:



амперметр

Э - 377

1,5

5. Линия 6 кВ к потребителям

амперметр

Э - 377

1,5

счётчик активной энергии

И - 675

1,0

счётчик реактивной энергии

И - 675М

2,0

6. Линия 35 кВ

амперметр

Э - 377

1,5

ваттметр

Д - 344

1,5

варметр

Д - 344

1,5

7. Линия 220 кВ

амперметр в каждой фазе

Э - 377

1,5

ваттметр с двухсторонней шкалой

Д - 312

1,5

варметр с двухсторонней шкалой

Д - 312

2,5

8. Сборные шины ГРУ

На каждой секции:

вольтметр

Э - 377

1,5

вольтметр с переключением

Э - 355

1,5

частотомер

Э - 372

2,5

два частотомера

Э - 371

2,5

два вольтметра

Э - 377

1,5

синхроноскоп

Э - 327

± 3 о

общие приборы:



два регистрирующих вольтметра

1,5

два частотомера

Н - 345

1,5

9. Шины 6 кВ собственных нужд

вольтметр

Э - 377

1,5

вольтметр с переключением

Э - 355

1,5

10. Сборные шины высшего напряжения на каждой системе шин:

вольтметр с переключением

Э - 355

1,5

регистрирующие приборы:



частотомер

Н - 345

1,5

вольтметр

Н - 344

1,5

суммирующий ваттметр

Н - 348

1,5

приборы синхронизации



два частотомера

Д - 730

2,5

два вольтметра

Э - 377

1,5

синхроноскоп

Э - 327

± 3 о

осцилограф (Uф,Uо, Iо,I )



11. Шунтирующий реактор

амперметр

Э - 377

1,5

варметр

Д - 312

1,5

12. Секционный выключатель

амперметр

Э - 377

1,5


Выбор измерительных трансформаторов тока для присоединения контрольно-измерительных приборов и реле производится по следующим условиям:

По напряжению установки:

ном ³ Uуст;(8.1)

По номинальному току первичной цепи:

1ном ³ Imax; (8.2)

Номинальный ток должен быть как можно ближе к рабочему току установки, так как недогрузка первичной обмотки приводит к увеличению погрешности.

По конструкции и классу точности.

По электродинамической стойкости:

iу = kэд∙I1ном, (8.3)

где Kэд - кратность электродинамической стойкости по каталогу;

I1ном - номинальный первичный ток трансформатора тока.

Электродинамическая стойкость шинных трансформаторов тока определяется устойчивостью самих шин распределительного устройства, вследствие этого такие трансформаторы по этому условию не проверяются.

По термической стойкости:

Вк £ (kт∙ I1ном)2∙tt, (8.4)

где Вк - тепловой импульс по расчету;

kт - кратность термической стойкости по каталогу;

tт - время термической стойкости по каталогу.

По вторичной нагрузке:

Z2 £ Z2ном, (8.5)

где Z2 - вторичная нагрузка трансформатора тока;

Z2ном - номинальная допустимая нагрузка трансформатора тока в выбранном классе точности.

Рассмотрим выбор трансформаторов тока на примере трансформатора тока, для присоединения приборов в цепи ТВФ-63-2У3

По [3, табл. 4-22] выбираем трансформаторы тока встроенные в токопровод: ТШ-10-8000-0,5/ Р.

Таблица 8.2 Выбор трансформатора тока

Расчетные данные

Каталожные данные

Uуст =6,3 кВ Imax = 7596,7 A iу = 295,6 кА Вк = (107,2×103)2∙(0,2+0,4)= 6895,1×106 кА2∙с

Uном = 10 кВ Iном = 8000 А Не проверяются (кt Iном )2∙tт = (70×5×103) 2∙1 =12250×106 кА2×с


Произведём проверку по вторичной нагрузке, пользуясь схемой включения и каталожными данными приборов, определяем нагрузку по фазам для наиболее загруженного трансформатора:

Таблица 8.3 Вторичная нагрузка трансформатора тока.

Прибор

Тип

Нагрузка, В*А фазы



А

В

С

Амперметр

Э-377

0,5

0,5

0,5

Ваттметр

Д-335

0,5

-

0,5

Варметр

Д-335

0,5

-

0,5

Датчик активной мощности

-

0,5

-

0,5

Датчик реактивной мощности

-

0,5

-

0,5

Счётчик активной энергии

И-675

2,5

-

2,5

Счётчик реактивной энергии

И-675М

2,5

2,5

2,5

Ваттметр

Д-305

0,5

-

0,5

Итого

8,0

3,0

8,0

Из таблицы видно, что наиболее загружены трансформаторы тока фаз А и С. Общее сопротивление приборов:

приб = Sприб/I22 = 8/52 = 0,32 Ом. (8.6)

Вторичная нагрузка трансформатора тока в классе точности 0,5 [3, табл. 4-22] составляет 0,8 Ом. Принимаем сопротивление контактов rк = 0,1 Ом, тогда допустимое сопротивление проводов:

пр = Z2ном - rприб - rк = 0,8 - 0,32 - 0,1 = 0,38 Ом(8.7)

Для генератора 60 МВт применяется кабель с алюминиевыми жилами, ориентировочная длина 50 м, тогда сечение :

 = r∙lрасч/ rпр = 0,0283∙ 50/0,38 = 3,7 мм2.

Принимаем контрольный кабель АКВРГ с жилами сечением 4 мм2.

Выбор трансформаторов напряжения для присоединения измерительных приборов рассмотрим на примере трансформатора напряжения установленного в цепи ТВФ-63-2У3.

Выбираем трансформатор напряжения пятистержневой, т.к. необходимо не только присоединять измерительные приборы, но и осуществлять постоянный контроль изоляции в цепи генератора. Выбираем трансформаторы типа НТМИ.

Таблица 8.4 Выбор НТМИ, вторичная нагрузка

Прибор

тип

Sкат., ВА

nкат

cosj

sinj

Число приборов

Sобщ








Р, Вт

Q, вар

вольтметр

Д - 377

2,0

1

1

0

1

2,0

-

ваттметр

Д - 305

1,5

2

1

0

1

3,0

-

варметр

Д - 305

1,5

2

1

0

1

3,0

-

Датчик активной мощности


1,5

2

1

0

1

3,0

-

Датчик реактивной мощности


1,5

2

1

0

1

3,0

-

Счётчик активной энергии

И-675

2 Вт

2

0,38

0,925

1

4,0

9,7

Счётчик реактивной энергии

И-675М

3 Вт

2

0,38

0,925

1

6,0

14,5

ваттметр

Д-305

2,0

2

1

0

1

4,0

-

частотомер

Э-371

3,0

1

1

0

1

3,0

-

Итого







31,0

24,2


Вторичная нагрузка:


Выбираем трансформатор НТМИ - 10 - 66 с номинальной мощностью в классе точности 0,5 120 В×А.

. Выбор конструкций и описания всех распределительных устройств

Типовые конструктивные решения служат основой для разработки конструкций РУ при проектировании конкретной электростанции. Окончательное решение по конструкции РУ принимается на основании технико-экономического сопоставления ряда эскизно проработанных вариантов компоновок.

РУ должны удовлетворять ряду требований. Основные из них: надёжность, экономичность, удобство и безопасность обслуживания, безопасность для людей, находящихся вне РУ, пожаробезопасность, возможность расширения. Надёжность в работе означает малую вероятность возникновения повреждения оборудования, КЗ в РУ, локализацию повреждения, если оно всё-таки возникло. Требования экономичности предполагает возможно меньшие размеры РУ (площадь, объём зданий), капитальные затраты и сроки сооружения. Для оперативного персонала необходимо обеспечить безопасность и удобство осмотра оборудования, произведений переключений и выполнения работ по устранению мелких неполадок, для ремонтного персонала - безопасность и удобство ремонта и замены оборудования при снятии напряжения лишь с того присоединения, которому принадлежит ремонтируемое оборудование. Требование возможности расширения означает возможность подключения к РУ новых присоединений. Проектируемая ТЭЦ имеет два распределительных устройства высокого напряжения, выполненные на открытом воздухе:

ОРУ 220 кВ;

ОРУ 35 кВ.

Распределительное устройство 220 кВ выполнено по схеме с двумя системами сборных шин и третьей обходной. Выключатели данного РУ расположены в один ряд. Проводники расположены в трёх ярусах на высоте около 5;11 и 16,5 м от уровня земли. Опорные конструкции - железобетонные с оттяжками. Полюсы разъединителей первой системы шин установлены перпендикулярно направлению сборных шин. Полюсы разъединителей второй системы сборных шин установлены ступенчато и параллельно направлению сборных шин. Провода, соединяющие разъединители первой и второй систем, укреплены на соответствующих полосах разъединителей и дополнительных опорных изоляторах. ОРУ 35 кВ выполнено по схеме одной секционированной системой шин. Несущие конструкции составляют из сборных железобетонных элементов. Типовая компоновка предусматривает возможность установки воздушных и масляных выключателей разных типов (на проектируемой станции в ОРУ 35 кВ установлены выключатели типа ВВУ-35А-40/2000У1) .Шаг ячейки 4,6 м. Сборные шины расположены на опорных изоляторах, укрепленных на консолях основной несущей конструкции .Под сборными шинами расположены шинные и линейные разъединители .А еще ниже - выключатели с приводами , шкафы релейной защиты и автоматики. ГРУ 6 кВ выполнено по схеме с одной системой сборных шин, с секционными, линейными и реакторами собственных нужд. Оборудование ГРУ размещено в одноэтажном здании шириной 18 м. , имеется 3 прохода. Высота до балок перекрытия 5,2 м. В центральной части здания по обеим сторонам коридора обслуживания размещены защитные камеры сборных шин и шинных разъединителей, далее следуют ячейки генераторных (ВВГ-20), трансформаторных и секционных выключателей, групповых и секционных реакторов и шинных трансформаторов напряжения. У стены здания расположены ячейки КРУ. Имеется 2 подземных кабельных туннеля и 2 вентиляционных канала. Ячейки ГРУ рассчитаны на установку выключателей ВВГ - 20 , шаг ячеек 3 м. Для относительно лёгких аппаратов ВЭЭ-6, трансформаторов тока, а также концевых кабельных заделок используют стандартные малогабаритные комплектные камеры, расположенные в одном из боковых коридоров.

Литература

1. Электрическая часть станций и подстанций: Учебное пособие для вузов / А.А. Васильев, И.П. Крючков, Е.Ф. Наяшкова и др.; Под ред. А.А. Васильева - М: Энергоатомиздат, 1990 - 576 с.

2. Неклепаев Б.Н., Крючков И.П. Электрическая часть электростанций и подстанций: справочные материалы для курсового и дипломного проектирования. Учебное пособие для вузов. - 4-е издание. - М.: Энергоатомиздат, 1989 - 608 с.

3. Рожкова Л.Д., Козулин В.С. Электрооборудование станций и подстанций. 2-е издание - М.: Энергия, 1980.

4. Справочник по проектированию электроэнергетических систем / Под ред. С.С. Рокотяна, И.М. Шапиро. - М.: Энергия, 1977.

5. Инструкция по расчёту токов к.з. с использованием ЭВМ.

6. Мазуркевич В.Н., Свита Л.Н. Методические указания по курсовому проектированию по курсу "Электрическая часть электрических станций". - Мн. 1982. - 65 с.


Не нашли материал для своей работы?
Поможем написать уникальную работу
Без плагиата!
Без нейросетей!