Разработка малогабаритной рентгеновской трубки для структурного анализа с полной защитой от неиспользуемого излучения
Содержание
Введение
Раздел 1. Аналитический обзор
.1 Рентгеновское излучение
.2 Рентгеноструктурный анализ
.3 Аппараты для рентгеноструктурного анализа
.4 Источники рентгеновского излучения для
структурного анализа
.5 Рентгеновские трубки для структурного анализа
Раздел 2. Обзор аппарата Xtress 3000 G3/G3R и
используемой в нем рентгеновской трубки TFS-3007-HP
.1 Обзор аппарата Xtress 3000 G3/G3R
.1.1 Основной блок X3003t
.1.2 Гониометр G3
.1.3. Программное обеспечение
.2 Анализ рентгеновской трубки TFS-3007-HP
.2.1 Анализ документации
.2.2 Анализ комплектации
.2.3 Анализ конструкции
.2.4 Расчет электрических полей и траекторный
анализ
Раздел 3. Разработка рентгеновской трубки
0,3РСВ1-Cr
.1 Требования к разрабатываемому прибору
.2 Разработка анодного узла
.2.1 Выбор геометрии расположения мишени и
выходного окна анодного узла
.2.2 Тепловой расчет анода
.2.3 Разработка конструкции анодного узла
.3 Разработка катодного узла
.3.1 Расчет параметров катода
.3.2 Изготовление и испытание макетов катода
.3.3 Разработка конструкции катодного узла
.3.4 Траекторный анализ электронного пучка в
межэлектродном промежутке
.4 Разработка изолятора
.4.1 Разработка баллона
.4.2 Определение напряженностей электрического
поля в вакуумном объеме рентгеновской трубки
.5 Разработка кожуха
.6 Разработка документации
.6.1 Разработка эскизной конструкторской
документации
.6.2 Разработка программы тренировки и испытаний
.6.3 Разработка программы откачки
.6.4 Разработка технологии сборки
Результаты
Список используемой литературы
Приложения
Введение
Качество промышленной продукции - один из основных
показателей уровня и эффективности промышленного производства. Для повышения
качества на всех стадиях разработки, изготовления и эксплуатации изделия
необходимо контролировать конструкционные материалы, технологию изготовления и
свойства готового изделия.
Ведущую роль среди средств неразрушающего контроля качества и
диагностики играют приборы и установки, использующие в качестве носителя
информации рентгеновское излучение. Среди многочисленных методов контроля
рентгеновские лучи являются наиболее универсальным и перспективным методом
исследования твердых тел [1].
Такие свойства рентгеновских методов как высокая
чувствительность к деформации решетки кристалла, изменению электронной
плотности, возможность исследования внутреннего строения структур, определение
шероховатости поверхности, экспрессность в получении результатов, а главное -
неразрушающее воздействие и возможность получения количественной информации без
разрушения образца, сохраняют их актуальность и сегодня [2].
В числе неразрушающих методов исследования структуры вещества
наиболее полную информацию дает рентгеноструктурный анализ. В основе данного
метода лежит явление дифракции
<#"551455.files/image001.gif">
Рис. 1. Шкала электромагнитных волн

, (1)
Разница энергий между соседними уровнями тем больше, чем
меньше их номера. Следовательно, для получения рентгеновского излучения надо
возбуждать внутренние оболочки атома. Если возбуждается К-оболочка, то есть
электрон выбивается с самого нижнего уровня, то излучается К-серия, если L-оболочка, то L-серия и т. д. На рис. 2
приведена схема возникновения наиболее интенсивных линий K- и L-серии. Для получения
линий этих серий необходимо возбудить соответствующие энергетические уровни
(орбитали), для этого в подавляющем большинстве случаев используется
электронный пучок с энергией электронов, превышающей энергию ионизации
(возбуждения) соответствующего уровня. Электронные пучки создаются в
устройствах, называемых электронными пушками (рис. 3).
Металлический катод разогревается специальным источником
тока. Между катодом и анодом создается разность потенциалов U.
Рис. 2. Возникновение наиболее интенсивных линий K- и L-серий
Рис. 3. Схема электронной пушки. Н - нагреватель катода, Е -
источник ускоряющего напряжения, ЭП - электронный пучок, М - мишень, РЛ -
рентгеновский луч
Форма анода выбирается такой, чтобы электрическое поле было
резко неоднородным. Наибольшее ускорение электроны получают в области,
прилегающей к катоду, и пролетая через специальное отверстие в аноде, создают
электронный пучок, который вызывает в образце возбуждение j -того энергетического
уровня. Если энергия возбуждения Ej не больше энергии электронов (Ee), то

, (2)
Для возбуждения флуоресцентного рентгеновского излучения можно
использовать и рентгеновское излучение с частотой, превышающей частоту
возбуждаемого рентгеновского излучения.
При облучении образца пучком электронов, наряду с рентгеновским
излучением, возникающим в исследуемом образце и называемом характеристическим
излучением, создается излучение при торможении электронов, которое называется
тормозным. Типичная спектрограмма тормозного излучения приведена на рис. 4.
Минимальная длина волны λ min определяется условием

, (3)
λmax - длина волны, соответствующая рентгеновскому излучению с
максимальной интенсивностью, примерно равна λmax = 3λmin.
Следовательно, с увеличением ускоряющего напряжения и λmin,
и λmax
смещаются в область коротких
волн, при этом E(λmax ) увеличивается.
Рис. 4. Спектр тормозного излучения
Характеристическое рентгеновское излучение (как и оптические
спектры) зависит только от структуры атомов. Зависимость частоты
характеристического излучения (ν) от порядкового номера
элемента (Z)
определяется законом Мозли:

, (4)
где R - постоянная Ридберга, Sn - постоянная экранирования, зависящая от
структуры атома, n - главное квантовое число.
В соответствии с законом Мозли 
должен линейно меняться с увеличением Z, что полностью соответствует эксперименту. Естественно,
зависимость

из серий (K, L, M и т. д.) определяется различными прямыми [3].
Рентгеновские лучи широко используются в науке и технике. Их
волновая природа установлена в 1912 г. немецкими физиками М. Лауэ, В. Фридрихом
и П. Книппингом, открывшими явление дифракции рентгеновских лучей на атомной решётке
кристаллов. Направив узкий пучок рентгеновских лучей на неподвижный кристалл,
они зарегистрировали на помещённой за кристаллом фотопластинке дифракционную
картину, которая состояла из большого числа закономерно расположенных пятен.
Каждое пятно - след дифракционного луча, рассеянного кристаллом.
Рентгенограмма, полученная таким методом, носит название лауэграммы. Это
открытие явилось основой рентгеноструктурного анализа .
1.2 Рентгеноструктурный анализ
Рентгеноструктурный анализ это метод исследования строения
тел, использующий явление дифракции рентгеновских лучей, метод исследования
структуры вещества по распределению в пространстве и интенсивностям рассеянного
на анализируемом объекте рентгеновского излучения. Дифракционная картина
зависит от длины волны используемых рентгеновских лучей и строения объекта. Для
исследования атомной структуры применяют излучение с длиной волны ~1Å, т.е. порядка размеров атома.
Методами рентгеноструктурного анализа изучают металлы,
сплавы, минералы, неорганические и органические соединения, полимеры, аморфные
материалы, жидкости и газы, молекулы белков, нуклеиновых кислот и т.д. При этом
определяют минералогический (фазовый) качественный и количественный состав,
ориентацию и размеры кристаллитов и коллоидных частиц, строение аморфных и
полу-аморфных материалов, атомную структуру кристаллов; измеряют внутренние
напряжения, коэффициенты термического расширения; исследуют твердые растворы и
превращения, происходящие в материалах под влиянием температуры, давления,
влажности и т. д.
В основе метода рентгеноструктурного анализа лежит явление
дифракции рентгеновских лучей, т. е. рассеяния их кристаллами (или молекулами
жидкостей и газов). В результате взаимодействия первичного рентгеновского пучка
с электронами вещества возникают вторичные отклоненные пучки с той же длиной
волны, направление и интенсивность которых зависят от строения вещества.
Дифрагированные лучи составляют часть всего рассеянного веществом
рентгеновского излучения.
При описании атомной структуры кристалла пользуются понятием
элементарной ячейки. Если выбрать три некомпланарных (то есть не лежащих в
одной плоскости) вектора
,
и
, проходящих через одну точку, то на их основе
можно построить параллелепипед, называемый элементарной ячейкой кристалла
(рис.5). Форма элементарной ячейки должна отражать симметрию кристалла. Объем
ее выбирается наименьшим, но таким, чтобы вся структура кристалла могла быть
получена при помощи параллельного переноса элементарной ячейки в пространстве.
Соседние ячейки при этом не должны перекрывать друг друга и образовывать между
собой зазоры. Если в начале координат расположить узел, то такие же узлы
возникнут на концах векторов
,
и
и во всех прочих вершинах параллелепипеда. При
параллельном переносе элементарной ячейки в пространстве возникает множество
узлов, называемое пространственной решеткой (рис. 6). Если в элементарной
ячейке содержится только один атом, (совпадающий с нулевым узлом решетки), то
изображения решетки и структуры кристалла будут одинаковыми. У более сложных
кристаллов атомы (или ионы) могут находиться не только в узлах пространственной
решетки, но и внутри элементарной ячейки.
Элементарная ячейка задается длинами векторов |
|, |
|, |
|, называемыми
параметрами решётки, и углами между векторами |
|Ù|
| = g, |
|Ù|
| = a, |
|Ù|
| = b (см. рис. 5).
Для описания кристаллов применяют семь различных
кристаллографических систем (сингоний), характеризующихся определенными
соотношениями параметров
,
,
и углов между ними.
Рис. 5. Элементарная ячейка кристалла
Рис. 6. Пространственная решетка
Кристаллы обычно кристаллизуются в одной из трех сингоний -
кубической, у которой |
| = |
| = |
|, a = b = g = 90°, гексагональной, у
которой |
| = |
| ¹ |
|, a = b = 90°, g = 120° и тетрагональной,
у которой |
| = |
| ¹ |
|, a = b = g = 90°. Обычно параметры
ячеек в этом случае равны нескольким ангстремам.
Дифракцию рентгеновских лучей удобно рассматривать как
отражение от семейства равноотстоящих параллельных плоскостей, проходящих через
узлы пространственной решетки. Положение семейства этих плоскостей удобно
описывать при помощи тройки взаимно простых чисел h, k, и l, называемых
индексами плоскости и заключаемых обычно в круглые скобки: (hkl). Смысл
индексов плоскости очень прост - семейство узловых (атомных) плоскостей (hkl)
делит вектор |
| на h, вектор |
| на k и вектор |
| на l частей. Так если
семейство плоскостей имеет индексы (321) (читается «три, два, один»), это
означает, что плоскости семейства делят ось х на отрезки равные 1/3 параметра
а, ось у - на отрезки, равные 1/2 параметра b и ось z на отрезки, равные
целому параметру с (рис. 7).
Расстояние d между
соседними плоскостями семейства (hkl) можно
найти, зная
,
и
. Для кубической сингонии - это расстояние равно:
, (5)
Рентгеновский луч, падающий на кристалл, рассеивается его атомами.
Рассеянные вторичные волны интерферируют между собой и в направлениях, для
которых разность хода лучей оказывается равной целому числу длин волн,
возникают дифракционные максимумы. Дифракцию рентгеновских лучей на семействе
атомных плоскостей (hkl) удобно рассматривать как отражение от
плоскости (hkl). В отличие от отражения видимого света
рентгеновские лучи «отражаются» селективно, а именно, только в том случае, если
длина волны λ, межплоскостное
расстояние d и угол дифракции Θ
(угол между падающим лучом и
атомной плоскостью (hkl), связаны уравнением дифракции (уравнение
Вульфа - Брегга):
, (6)
где n - порядок дифракции, равный 1, 2, 3 ... В этом уравнении d определяется для кубической сингонии из формулы (5). Можно
переписать уравнение (6) в виде
,
в котором
представляет межплоскостное расстояние
семейства плоскостей (nh nk nl).
Обозначив
через d', можно записать уравнение (6) в виде:
, (7)
и считать, например, что в случае, если nh = 2, nk = 2, nl = 0, отражение либо происходит в первом порядке (n = 1) от «плоскостей» (220), либо во втором порядке (n = 2) от плоскостей (110). Обычно используют первый способ
описания, опуская при этом штрих у d в
уравнении (7).
В этом случае числа nh, nk, nl называются индексами дифракции и записываются без круглых скобок.
Так, например, дифракция во втором порядке от плоскостей (110) будет
обозначаться как 220.
При известной длине волны λ, определяемой материалом анода
рентгеновской трубки, каждому значению d соответствует определенный угол ϴ. Измеряя ϴ можно
определить d [4].
Важнейшим фактором, определяющим конструкцию и схему
рентгеновского аппарата с фоторегистрацией или рентгеновского дифрактометра,
является способ получения дифракционной картины.
Четкую дифракционную картину с острыми максимумами (т. е.
возникающую в результате удовлетворения условия дифракции Вульфа-Брэгга) можно
получить только при полной трехмерной периодичности исследуемого объекта.
Имеются три способа удовлетворения этому условию.
. Кристалл неподвижен, а рефлексы, соответствующие атомным
плоскостям кристалла с межплоскостными расстояниями d1, d2, d3 ..., возникают благодаря тому, что в непрерывном спектре излучения
рентгеновской трубки находятся длины волн, удовлетворяющие уравнению
Вульфа-Брэгга для этих атомных плоскостей, составляющих определенные углы ϴ1,
ϴ2, ϴ3 с первичным рентгеновским пучком. В
этом состоит метод Лауэ, а также основанные на нем некоторые методы
исследований дефектов реальных кристаллов.
.Уравнение Вульфа-Брэгга удовлетворяется при использовании
монохроматического излучения (обычно Кα - компоненты характеристического спектра
рентгеновской трубки) благодаря вращению кристалла, при котором атомные
плоскости с межплоскостными расстояниями dl, d2, ...
последовательно становятся относительно первичного пучка под углами ϴ1,
ϴ2, ... . Этот способ используется в подавляющем большинстве
методов исследования монокристаллов, касающихся изучения закономерностей
кристаллического строения.
.Условие дифракции выполняется при облучении монохроматическим
излучением неподвижного образца, состоящего из большого числа отдельных
беспорядочно ориентированных в пространстве кристаллитов, т. е. представляющего
собой поликристалл (рис. 8).
В результате этого при любом угле γ между падающим лучом и поверхностью
исследуемого образца всегда найдутся кристаллиты, в которых атомные плоскости с
межплоскостным расстоянием d1 дадут дифракционное отражение под углом ϴ1
(рис. 8). Другие кристаллиты обеспечат появление дифракционного максимума под
углом ϴ2 в результате отражения от атомных плоскостей с
межплоскостным расстоянием d2 и т. д. Рентгенограмма будет содержать
набор дифракционных линий, соответствующих разным d.
При отсутствии трехмерной упорядоченности в расположении атомов
возникает диффузное рассеяние, не подчиняющееся уравнению дифракции. Особым
случаем диффузного рассеяния, представляющим большой интерес для изучения
пространственной неоднородности вещества, является метод малоуглового
рассеяния. При этом рентгеновское излучение, рассеянное неоднородностями
размером от 5 до 10 000 Å,
концентрируется вблизи первичного пучка - в области малых углов.
Номенклатура экспериментальных средств рентгеновского анализа весьма
обширна и в основном определяется характером и объемом получаемой информации и
свойствами исследуемого объекта (образца).
.3 Аппараты для рентгеноструктурного анализа
Рентгеноструктурный аппарат представляет собой совокупность
технических средств, необходимых для реализации того или иного
рентгеноструктурного метода, специальных условий эксперимента и регистрации
дифракционной картины.
Основным элементом рентгеновского аппарата для структурного
анализа является источник рентгеновского излучения, поэтому часто под
«рентгеновским аппаратом» понимают только источник рентгеновского излучения.
Устройством, в котором непосредственно осуществляется
дифракция рентгеновских лучей на образце и регистрируется дифракционная
картина, является рентгеновская камера (при регистрации на фотографическую
пленку) или рентгеновское гониометрическое устройство (если детектором
излучения является счетчик квантов). Рентгеновским гониометрическим устройством
(гониометром) называют прибор, с помощью которого можно измерять угловое
положение образца в момент возникновения дифракции и направление
дифрагированных рентгеновских лучей. Некоторые виды рентгеновских камер с
фоторегистрацией, в которых осуществляется синхронное движение образца и
рентгеновской пленки, называют рентгеновскими гониометрами с движущейся
пленкой.
Способ регистрации дифракционной картины (с помощью
фотопленки или счетчика квантов) определяет функциональный состав и
конструктивные особенности рентгеноструктурного аппарата.
Источник излучения в сочетании с рентгеновскими камерами
называют рентгеноструктурным аппаратом с фоторегистрацией.
Совокупность источника излучения, рентгеновского гониометра
со счетчиком и системы, обеспечивающей сбор и обработку экспериментальных
данных, называют рентгеновским дифрактометром.
Рентгеновские камеры и дифрактометры имеют различную
конструкцию в зависимости от того, какой конкретный метод исследования в них
реализован или в зависимости от специальных условий эксперимента (например,
съемка при высоких или при низких температурах). Все типы рентгеновских камер и
гониометров содержат коллимационную систему, устройство установки образца,
кассету с фотопленкой (в камерах) или держатель счетчика (в гониометрах),
механизмы движения образца и детектора.
Устройство установки образца обеспечивает его закрепление в
держателе в необходимом положении относительно первичного пучка.
Кассета в рентгеновской камере служит для придания фотопленке
необходимой формы и ее светозащиты. Наиболее распространены плоские и
цилиндрические кассеты; у цилиндрических кассет оси обычно совпадают с осью
вращения образца. В рентгеновских гониометрах с движущейся пленкой, а также в
камерах для рентгеновской топографии кассета перемещается или вращается
синхронно с образцом. В интегрирующих камерах кассета, кроме того, смещается
при каждом цикле рентгенографирования на малую величину, что приводит к
«размыванию» дифракционного максимума на фотопленке, усреднению регистрируемой
интенсивности излучения и тем самым к повышению точности ее измерения.
Принципиальное отличие дифрактометра от аппарата с
фоторегистрацией заключается в необходимости регистрировать дифракционную
картину последовательно во времени. Это приводит к необходимости стабилизации
излучения рентгеновской трубки, усложнения геометрической схемы и измерительно-регистрирующей
системы.
Непосредственной функцией дифрактометра является измерение
интенсивности и направления рентгеновского излучения, дифрагированного на
кристаллическом образце. При этом интенсивность дифрагированного излучения
измеряется с точностью до десятых долей процента, а углы дифракции - до сотых и
тысячных долей градуса. В качестве детекторов излучения в дифрактометрах
используются счетчики квантов: сцинтилляционные, пропорциональные,
полупроводниковые, а также счетчики Гейгера. По сравнению с аппаратом с
фоторегистрацией дифрактометр обладает более высокой точностью,
чувствительностью, большей производительностью. Процесс получения информации в
дифрактометре может быть полностью автоматизирован с помощью ЭВМ, выполняющей
функции управления дифрактометром и обработки полученных экспериментальных
данных. Универсальные дифрактометры с различными приставками (дифрактометры
общего назначения) используются для различных рентгеноструктурных исследований;
специализированные дифрактометры предназначены для решения определенной
рентгеноструктурной задачи. При этом, как правило, обеспечивается высокая
степень автоматизации работы дифрактометра [5-9].
Ниже приведена таблица с основными параметрами дифрактометров
общего назначения, выпускаемых ведущими приборостроительными фирмами.
Таблица 1
|
Параметры
|
D/max-111C, Rigaku
|
JD Х-8030, Jeol
|
MPD 1880, Philips
|
D 5000, Siemens
|
XRD 3000, Seifert
|
ДРОН-4, ЛНПО
«Буревестник»
|
|
Япония
|
Нидерланды
|
Германия
|
Россия
|
|
Диапазон
углового перемещения блока детектирования, 0
|
-3÷160
|
-4÷160
|
0÷160
|
S -100÷168
|
-100÷169
|
-100÷168
|
|
Минимальный шаг
перемещения блока детектирования, °
|
0,002
|
0,002
|
0,005
|
0,001
|
-
|
0,001
|
|
Точность
угловых измерений, 0
|
0,02
|
0,01
|
0,015
|
0,005
|
0,008
|
0,015
|
|
Воспроизводимость,
°
|
0,0025
|
-
|
0,001
|
0,0005
|
0,0005
|
0,0005
|
|
Транспортная
скорость, °/мин
|
200
|
800
|
-
|
1000
|
-
|
820
|
|
Мощность
высоковольтного источника питания рентгеновской трубки, кВт
|
3
|
3
|
3
|
2; 3; 18
|
3,5
|
2,5
|
|
Нестабильность
высокого напряжения и тока рентгеновской трубки, %
|
0,03
|
0,03
|
0,005
|
0,01
|
0,01
|
0,01
|
1.4 Источники рентгеновского излучения для
структурного анализа
Источник рентгеновского излучения в общем случае состоит из
рентгеновского излучателя (рентгеновской трубки в кожухе), высоковольтного
источника питания и ряда специальных устройств, обеспечивающих удобную и
безопасную эксплуатацию рентгеновского аппарата (держатели рентгеновских
трубок» подставки для рентгеновских камер и гониометров, устройства системы
водяного охлаждения, радиационной защиты, управления окнами рентгеновской
трубки и др.). Непосредственным источником рентгеновского излучения практически
во всех рентгеноструктурных приборах является рентгеновская трубка.
(Исключением является источник синхротронного излучения, с применением которого
связана реализация достаточно важных рентгенодифрактометрических
экспериментов.)
Рентгеновская трубка включает в себя разогреваемый катод -
источник электронов и массивный анод с мишенью, соответствующей требуемому
характеристическому излучению. Под действием высокого напряжения,
прикладываемого между катодом и анодом, электроны устремляются к аноду. При
торможении их материалом анода возникают два вида спектра: собственно
тормозной, связанный с потерей электронами энергии, которая при этом частично
переходит в энергию рентгеновских квантов, и характеристический, связанный с
выбиванием электронов с внутренних орбит атомов вещества анода при превышении
напряжения на трубке потенциала возбуждения данной серии спектра, когда энергия
сталкивающегося с анодом электрона преодолевает энергию связи с ядром одного из
внутренних электронов атома.
Раз возникнув, характеристический спектр остается неизменным
при дальнейшем повышении напряжения, увеличивается лишь его интенсивность, т.
е. количество характеристических квантов. С увеличением напряжения происходит
смещение в сторону коротких длин волн коротковолновой границы тормозного
спектра, т. е. его спектральный состав изменяется. При напряжениях на трубке, в
3-4 раза превышающих потенциал возбуждения К-серии характеристического спектра,
Кα-линия которой в основном используется в рентгеноструктурном
анализе, интенсивность этой линии во много раз превышает интенсивность
тормозного излучения.
Свыше 99% энергии бомбардирующих анод электронов переходит в
тепло, поэтому трубку во время работы необходимо, как правило, принудительно
охлаждать, для чего в основном используется проточная вода. Скорость протекания
воды должна находиться в заданных пределах, контролируемых с помощью
гидроблокировочного устройства.
Характерной особенностью рентгеноструктурных трубок является
расположение плоскости анода перпендикулярно оси трубки, вдоль которой
электроны устремляются к аноду. Участок анода, непосредственно бомбардируемый
электронами, так называемое фокусное пятно, часто имеет в структурной трубке
прямоугольную форму с соотношением сторон от 1 : 10 до 1 : 50. При таком
линейчатом фокусе целесообразно отбирать излучение
(с помощью коллимационных систем рентгеновских приборов, устанавливаемых около
трубки) под углом α от 3 до 6° относительно
плоскости анода. Если при этом два бериллиевых окна трубки расположить по ее
диаметру, совпадающему с длинной стороной прямоугольного фокального пятна, а
два других - по перпендикулярному диаметру, то в зависимости от проводимого
исследования можно работать либо с точечной проекцией фокуса, когда при
истинном пятне 1х10 мм и α - 6° эффективный фокус
1х1 мм, либо с линейчатой, когда длина короткой стороны пятна, т. е. 1 мм
умножается на sin угла отбора излучения α. При этом эффективный
фокус оказывается 0,1 х 10 мм (широко используется в дифрактометрии).
Высоковольтные источники питания, используемые в
рентгеноструктурной аппаратуре, обладают рядом особенностей. Как правило, они
рассчитаны на напряжение не выше 60 кВ, хотя в ряде случаев необходимо более
высокое напряжение. Причиной, затрудняющей увеличение напряжения источников
свыше 60 кВ, является необходимость использования масла в качестве изоляции
между рентгеновской трубкой и кожухом. При напряжениях ниже 60 кВ, применяют
воздушную изоляцию, при которой возможна быстрая и легкая замена рентгеновских
трубок.
В зависимости от назначения источника требования к
стабилизации высокого напряжения и анодного тока рентгеновской трубки различны.
Для тех методов, в которых дифракционная картина регистрируется одновременно,
допустимая нестабильность высокого напряжения имеет довольно большое значение
(0,5-1%) или стабилизация напряжения отсутствует вовсе, а для стабилизации
анодного тока ограничиваются стабилизацией лишь тока накала рентгеновской
трубки. В источниках излучения, предназначенных для методов с последовательной
регистрацией дифракционной картины (например, для всех дифрактометрических
методов), нестабильность высокого напряжения и анодного тока трубки составляет
0,1-0,005%.
Различают длительную нестабильность (дрейф) и
кратковременную; первая вносит систематическую погрешность в измерения, вторая
- случайную. Причины длительной нестабильности: нагревание высоковольтного
трансформатора, тепловой дрейф стабилизаторов напряжения и тока, электронных
цепей измерительного устройства (относительный сдвиг распределения по
амплитудам и сдвиг порогов дискриминации), утомление катода фотоэлектронного
умножителя в сцинтилляционных счетчиках, смещение фокуса трубки относительно
коллиматора вследствие теплового расширения, изменение поглощения излучения в
воздухе при колебаниях атмосферного давления.
Основные причины кратковременной нестабильности излучения -
колебания напряжения в сети и непостоянство параметров трубки. Кратковременная
нестабильность определяется амплитудой и частотой колебаний напряжения, инерционностью
стабилизаторов напряжения и тока трубки и стабилизаторов напряжения
измерительного устройства.
Источник излучения для рентгеноструктурного анализа выполняют
либо в виде стола, на котором помимо кронштейна с трубкой можно размещать
другие приборы - рентгеновские камеры и гониометрические устройства (в
дифрактометрах), либо в виде отдельного блока, устанавливаемого на лабораторном
столе. В этом случае на поверхности блока вертикально располагают рентгеновскую
трубку, кожух которой имеет направляющие для размещения около каждого из окон
трубки рентгеновских камер с фоторегистрацией того или иного типа.
К системе рентгеновская трубка - кожух рентгеновской трубки
предъявляется ряд особых требований: необходима жесткая и легко воспроизводимая
установка трубки в кожухе, простое и надежное соединение ее с высоковольтным
кабелем.
Окна кожуха рентгеновской трубки имеют задвижки, позволяющие
выпускать рентгеновское излучение лишь при необходимости. В современной
аппаратуре в каждом окне кожуха устанавливаются две задвижки, одна из которых
(механическая) открывается только при установке около окна трубки рентгеновской
камеры или гониометра, при удалении которых задвижка закрывается. Другая
задвижка управляется электромагнитом и открывается при поступлении сигнала от
какого-либо внешнего устройства, например от часов экспозиции.
Для защиты от радиации в современной аппаратуре вокруг
рабочей поверхности источника устанавливают систему экранов из материала,
непрозрачного для рентгеновского излучения, с соответствующими блокировками,
исключающими включение высокого напряжения, даже если один из экранов открыт.
При этом для юстировки камер и гониометров предусматривают специальные
юстировочные режимы работы, при которых наличие открытых экранов не приводит к
выключению высокого напряжения.
Ряд блокирующих и сигнальных устройств служит для
предотвращения ситуаций, при которых аппарат выходит из строя, например
блокировка включения высокого напряжения при отсутствии водяного охлаждения и
включение сигнализации, отключение высокого напряжения при установке режима
работы, не соответствующего указанному в паспорте рентгеновской трубки, и т. д.
Ряд фирм разных стран «Philips» (Голландия), «Siemens»,
«Seifert» (Германия), «Inel» (Франция), «Rigaku» (Япония) широко применяют
высоковольтные источники с бестрансформаторным входом и с преобразователем на
повышенной частоте (20 кГц и выше). Массогабаритные параметры этих источников
значительно лучше, чем у обычных источников, в основном вследствие выигрыша в
габаритах и массе высоковольтного генераторного устройства. Генераторные
устройства на повышенной частоте имеют более высокую надежность в результате
снижения реактивностей в выходных высоковольтных цепях, малое значение
коэффициента пульсации (порядка 0,1%) [10].
Используемые в рентгеноструктурном анализе источники
рентгеновского излучения можно подразделить на три категории: с отпаянными
рентгеновскими трубками обычного типа (с линейчатым фокусом), с микрофокусными
трубками и аппараты с вращающимся анодом.
Источники с отпаянными рентгеновскими трубками получили
наибольшее распространение в рентгеноструктурной аппаратуре. Фирма «Siemens» (Германия), НПО
«Буревестник» (Россия) и др. выпускают источники рентгеновского излучения
стационарного типа, имеющие несколько модификаций, выполненных в одном
конструктивном исполнении и различающихся числом рабочих мест. При этом кожух
рентгеновской трубки можно закреплять на крышке оперативного стола как в
вертикальном, так и в горизонтальном положении, что позволяет устанавливать на
столе камеры с фоторегистрацией и гониометрические устройства дифрактометров.
1.5 Рентгеновские трубки для структурного анализа
Рентгеновская трубка является источником рентгеновских лучей,
возникающих в ней в результате взаимодействия быстро летящих электронов с атомами
анода, установленного на пути электронов.
Для возбуждения рентгеновского излучения в рентгеновских
трубках должно быть обеспечено:
а)получение свободных электронов;
б)сообщение свободным электронам большой кинетической энергии
(от нескольких тысяч до 1-2 миллионов электронвольт);
в)взаимодействие быстро летящих электронов с атомами анода.
Рентгеновские трубки классифицируют по следующим признакам:
1. По способу получения электронных пучков
рентгеновские трубки делятся на трубки с горячим катодом, (свободные электроны
возникают в результате термоэлектронной эмиссии катода, накаливаемого током) и
трубки с холодным катодом (свободные электроны возникают в результате
автоэлектронной эмиссии)
2. По способу создания и поддержания вакуума.
При этом различают трубки запаянные и разборные.
В запаянных трубках высокий вакуум создается еще при их
изготовлении и сохраняется в течение всего периода эксплуатации благодаря
герметичности ее корпуса (баллона). Нарушение вакуума вызывает выход трубки из
строя.
В разборных трубках вакуум создается и поддерживается с
помощью вакуумного насоса в процессе эксплуатации.
3. По назначению. Трубки применяют для
просвечивания материалов, для структурного анализа, для спектрального анализа и
для медицинских целей (диагностические и терапевтические).
4. По размеру (линейному) фокусного пятна
трубки делятся на три категории: с ненормированным фокусом (от 0,5мм и больше),
с острым фокусом (от 0,1мм до 0,5мм) и с микрофокусом (от 0,1 мм и меньше).
Основным типом трубок, применяемых в настоящее время для
просвечивания и структурного анализа, являются запаянные электронные трубки
(рис. 9), представляющие собой стеклянный баллон, в который введены два
электрода: катод - в виде накаливаемой проволочной вольфрамовой спирали и
анод-в виде массивной медной трубки.
Рис. 9. Схема запаянной рентгеновской трубки серии БСВ для
структурного анализа.
- нить катода; 2 - зеркало анода; 3 - окно для выпуска
рентгеновских лучей; 4 - защитный цилиндр; 5 - фокусирующий колпачок
В баллоне создается высокий вакуум (10-5 -10-7
мм рт. ст.), обеспечивающий свободное движение электронов от катода к аноду,
тепловую и химическую изоляцию катода, а также предотвращающий возникновение
газового разряда между электродами.
Когда вольфрамовая спираль, разогретая током накала до 2100-
2200°С, испускает электроны, то они, находясь в поле приложенного к полюсам
трубки высокого напряжения, устремляются с большой скоростью к аноду. Ударяясь
о площадку в торце анода (зеркало анода), электроны резко тормозятся. Примерно
1% их кинетической энергии при этом превращается в энергию электромагнитных
колебаний - рентгеновских лучей; остальная энергия трансформируется в тепло,
выделяющееся на аноде.
Относительно мягкие лучи, испускаемые обычно трубками для
структурного анализа (с длиной волн 1Å и больше), очень сильно
поглощаются стеклом. Поэтому для выпуска рентгеновских лучей в баллоны этих
трубок впаивают специальные окна (см. рис. 9, 3), изготовленные либо из сплава
гетан, содержащего легкие элементы (бериллий, литий, бор), либо из
металлического бериллия.
Катод в электронных трубках представляет собой обычно
вольфрамовую спираль, часто покрываемую слоем тория для повышения эмиссионных
характеристик. Спираль помещают в так называемый фокусирующий колпачок.
Назначение колпачка - сузить пучок электронов, летящих с катода на анод, и
уменьшить фокус трубки.
Фокусом трубки называют площадку на аноде, на которую падают
электроны и с которой излучаются рентгеновские лучи.
Современные рентгеновские трубки имеют круглый или линейчатый
фокус. Соответственно катод выполняют либо в виде спирали, помещенной внутри
фокусирующей чашки (рис. 10), либо в виде винтовой линии, находящейся внутри
полуцилиндра (рис. 11).
Рис. 10. Устройство катода трубки с круглым фокусом:
а - спираль; б - спираль в фокусирующей чашке
Рис. 11. Устройство катода трубки с линейчатым фокусом:
а - спираль; б - крепление спирали в фокусирующем
полуцилиндре
Рис. 12. Определение размера и формы фокуса с помощью
камеры-обскура: 1 - фотопластинка; 2 - фокус
Размеры и форма фокуса могут быть определены экспериментально
съемкой фокуса с помощью камеры-обскура (рис. 12), с толщиной свинцовых стенок
3-5 мм, имеющей тонкое отверстие (меньше фокуса трубки) в передней стенке. В
такую камеру помещают на расстоянии В от передней стенки фотопластинку,
завернутую в черную бумагу, и, установив аппарат на расстоянии А от фокуса,
освещают пластинку с выдержкой 1-2 мин. После проявления на пленке получается
яркое пятно - обратное изображение фокуса длиной L. Поперечный размер
фокуса определяют по формуле

, (7)
Кроме размера х, важное значение имеет еще и распределение
интенсивности излучения по площади фокуса.
Анод (рис. 13) представляет собой полый массивный цилиндр,
изготовленный из материала с высокой теплопроводностью, чаще всего из меди. В
торцовую стенку анода вплавляется пластинка - мишень (зеркало анода), которая
тормозит электроны, эмитированные с катода. В трубках для структурного анализа
зеркало анода изготавливают из того металла, излучение которого
(характеристическое или сплошное) используют для получения дифракционной картины
при решении конкретных задач рентгеноструктурного анализа. Наиболее
распространены трубки с анодами из хрома, железа, ванадия, кобальта, никеля,
меди, молибдена, вольфрама; трубки изготавливают также с серебряным и
марганцевым анодами.
Рис. 13. Устройство анода рентгеновской трубки:1 - корпус; 2 -
вилка охлаждающего устройства; 3 -стеклянная ножка; 4 - зеркало анода
При ударе электронов о зеркало анода выделяется большое
количество тепла. Перегрев анода может вызвать нарушение вакуума, интенсивное
распыление и даже расплавление зеркала и самого анода. Во избежание этого анод
охлаждают проточной водой или маслом в непрерывно и длительно работающих
трубках и водой, заливаемой в специальный бачок, в кратковременно работающих
трубках.
Важнейшей характеристикой трубки является ее предельная
мощность
P = UI [Вт], (8)
где U - максимальное высокое напряжение, В;
I - ток трубки, А.
Превышение предельной мощности недопустимо, так как это
вызовет перегрев анода.
Уменьшение площади фокуса трубки вызывает уменьшение объема
металла, в котором происходит выделение тепла, и требует снижения предельной
мощности трубки.
Для трубки БСВ-2 с медной мишенью допустимая мощность равна
700 Вт, а допустимая удельная мощность 48 Вт/мм. Следовательно, нормальная
площадь фокуса такой трубки обычно составляет

мм2.
Учитывая предельную мощность, можно определить также электрический
режим работы трубки. Для указанной площади фокуса при работе на аппарате УРС-55
при максимальном напряжении 45 кВ ток трубки не должен превышать

мА.
В некоторых задачах рентгеноструктурного анализа, особенно
требующих получения рентгенограмм с высоким разрешением, эффективность съемки
зависит от размеров фокуса и, значит, определяется удельной мощностью трубки -
мощностью, испускаемой единицей площади мишени. Для таких условий предназначены
острофокусные трубки, например, выпускаемые ранее советской промышленностью
трубки БСВ-7, БСВ-8, БСВ-9 и микрофокусная трубка БСВ-5. Удельная мощность
лимитируется двумя факторами:
1) термическим - мишень может, не разрушаясь, выдержать лишь
определенную нагрузку; максимальная мощность соответствует температуре на
поверхности, которая лишь немного меньше температуры плавления металла мишени;
если фокус круглый, то с достаточной точностью можно считать, что допустимая
удельная мощность пропорциональна 1/r0, где r0 - радиус фокуса;
2) электронным - мощность пучка на единицу площади, которую можно
сконцентрировать в сечении радиуса г0, пропорциональна 
, где 
характеризует эмиссионную способность нити накала катода; 
лимитируется той температурой, которую нить накала может
выдержать без разрушения продолжительное время. На рис. 14 приведена
зависимость удельной нагрузки от размеров фокуса и определяемый электронным и
термическим пределами оптимальный размер rm.
Рис. 14. Зависимость предельной допустимой нагрузки фокуса
рентгеновской трубки от его радиуса: 1 - электронный предел; 2 - термический
предел
Фокусировку пучка электронов в острофокусных трубках производят с
помощью электронных линз (изменением тока смещения), создающих на мишени сильно
уменьшенное изображение нити накала катода. Настройка трубки состоит в
определении зависимости между током смещения и размером фокуса. При изменении
тока смещения изменяется удельная мощность трубки, о которой можно судить по
величине максимального тока через трубку при постоянном напряжении. Если
необходимый для решения конкретной задачи размер фокуса меньше оптимального,
используемая удельная мощность должна быть меньше допустимой, а экспозиции
должны быть соответственно больше.
Реальная предельная мощность зависит от площади фокусного пятна
(т. е. удельной мощности), материала анода и продолжительности работы трубки.
Кратковременные нагрузки могут быть в десятки раз выше длительных.
Электрические характеристики рентгеновских трубок описывают двумя
зависимостями:

, (9)

, (10)
где 
- ток через рентгеновскую трубку, получаемый при переходе
электронов с катода на анод (анодный ток);

- ток накала, разогревающий нить катода рентгеновской трубки;

- напряжение, приложенное к рентгеновской трубке (анодное
напряжение).
Эти зависимости показаны графически на рис. 15. Практически
измеряемый ток через рентгеновскую трубку появляется лишь при достижении током
накала определенной величины, соответствующей температуре нагрева нити
2000-2100 оС (рис. 15 а); повышение тока накала резко увеличивает
температуру и количество испускаемых нитью электронов (эмиссионный ток). При
постоянном токе накала и при низких напряжениях на анод попадают не все
электроны эмиссии, а лишь их часть, тем большая, чем больше анодное напряжение.
При определенном напряжении, зависящем от тока накала, все электроны эмиссии
попадают на анод (режим насыщения), поэтому дальнейшее увеличение анодного
напряжения не увеличивает анодный ток (он равен эмиссионному). Это предельное
значение анодного тока называют током насыщения, и он тем выше, чем больше ток
накала (рис. 15 б). Рентгеновские трубки работают в режиме насыщения при
напряжениях в 3-4 раза выше номинального, т. е. необходимого для установления
тока насыщения. Поэтому анодный ток регулируют в широких пределах,
незначительно изменяя ток накала.
Рис. 15. Зависимость силы тока в рентгеновской трубке (IT) от силы тока накала (IH) при неизменном
напряжении (а) и от анодного напряжения Ua при неизменном токе
накала (б)
Выпускаемые серийно трубки имеют условные обозначения,
представляющие комбинацию чисел и букв. Первое число обозначает предельно
допустимую мощность рентгеновской трубки. Далее идут буквы, которые
характеризуют:
первая - тип защиты от рентгеновских лучей и высокого
напряжения (Р - трубка с полной защитой от неиспользуемого рентгеновского
излучения; Б - в защитном кожухе с защитой от рентгеновских лучей и
электрически безопасная; отсутствие буквы означает отсутствие защиты);
вторая - назначение трубки (Д - трубка для медицинского
просвечивания и диагностики; Т - терапии; П - просвечивания материалов; С -
структурного анализа; Х - спектрального анализа);
третья - тип охлаждения (К - воздушное охлаждение; М -
масляное; В - водяное; отсутствие буквы означает естественное охлаждение).
В обозначениях рентгеновских трубок для структурного анализа
вместо анодного напряжения указывается материал зеркала анода, в качестве
которого используются Cr, Fe, Co, Ni, Cu, Mo, Ag, W и некоторые другие чистые
металлы. Например, трубка 0,7БСВ-2-Со имеет длительную мощность 0,7 кВт,
безопасна, предназначена для структурного анализа, водяное охлаждение, тип 2,
материал мишени - кобальт.
В табл. 2 приведены параметры унифицированного ряда трубок
для структурного анализа, выпускаемых предприятием ЗАО «Светлана-Рентген». По
рентгенооптическим, эксплуатационным и конструктивным характеристикам эти
трубки аналогичны широко распространенным во многих странах трубкам фирмы
«Philips» и взаимозаменяемы с ними в соответствующей аппаратуре.
Параметры рентгеновских трубок для спектрального анализа,
выпускаемых ЗАО "Светлана-Рентген"
Таблица 2
|
Тип трубки
|
Выходное окно
|
Размеры
действительного фокусного пятна, мм
|
Материалы
зеркала анода
|
Мощность, кВт
|
Удельная
мощность на мишени, 103∙кВт/мм2
|
Диапазон
напряжения, кВ
|
|
Толщина Be, мм
|
Кол-во
|
|
|
|
|
|
|
БСВ-32
|
0,2
|
1
|
4x4
|
Cu, Со, Cr, V, Fe
|
0,3
|
18,75
|
10-30
|
|
БСВ-40
|
0,3
|
4
|
0.4x8
|
W,
Mo Cu Co, Cr Fe
|
2,0 1,5 1,3 0,9
|
625 468,75
406,25 281,25
|
25-60
|
|
БСВ-41
|
0,3
|
4
|
0.4x12
|
W,
Mo Cu Co, Cr Fe
|
3,0 2,2 1,5 1,1
|
625 458,33
312,5 229,15
|
25-60
|
|
БСВ-42
|
0,3
|
4
|
0.15x8
|
W,
Mo Cu, Co, Cr Fe
|
1,0 0,8 0,3
|
833,3 666,6 250
|
25-60
|
|
БСВ-43
|
0,3
|
4
|
1x10
|
W,
Mo Cu Co, Cr Fe
|
2,4 2,0 1,8 1,5
|
240 200 180 150
|
25-60
|
|
БСВ-45
|
0,3
|
4
|
2x12
|
W,
Mo Cu, Co, Cr Fe
|
2,7 2,2
|
112,5 91,66
|
25-60
|
Раздел 2. Обзор аппарата Xtress 3000 G3/G3R и используемой в
нем рентгеновской трубки TFS-3007-HP
.1 Обзор аппарата Xtress 3000 G3/G3R
Аппарат Xstress 3000 G3 фирмы Stresstech Group представляет
собой портативный рентгеновский дифрактометр, разработанный специально для
измерения остаточных напряжений и остаточного аустенита [12].3000 G3 измеряет
остаточные напряжения и содержание остаточного аустенита в сталях с
использованием рентгеновского излучения. Принцип измерения основан на законе
Брэгга и идеально подходит для ферритных сталей, а также применим для всех кристаллических
материалов включая керамику. 3000 G3 прост в использовании и пригоден как для
работы в лаборатории, так и в полевых условиях. Прибор может быть легко
установлен, демонтирован и перенесен одним человеком. Прибор автономен, для
работы необходимо только внешнее электропитание. На подготовку прибора к работе
с момента доставки прибора на место измерения требуется всего десять минут.
Широкое использование встроенных микропроцессоров и связь между основным
блоком, гониометром и компьютером по одному кабелю обеспечивают возможность
быстрой установки. Благодаря применению современной, запатентованной технологии
полупроводниковых детекторов, измерение на типовом стальном образце выполняется
за две минуты и менее. Программное обеспечение предоставляет доступ ко всем
настройкам и результатам измерения на любой стадии процесса измерения.
Аппарат Xstress 3000 G3 поставляется с различными модулями,
которые расширяют его возможности. Измерение остаточных напряжений
o Измерение остаточного
аустенита
o Лабораторная точность
o Не нужно вырезать образцы
o Измерение в
труднодоступных местах
o Гибкость в применении
o Специализированные
исследовательские стенды
o Безопасность
соответствует или превышает требования ANSI N43.3-1993 и других
промышленных стандартов для работы с открытыми источниками излучения, включая
безотказные световые индикаторы "Излучение есть" и "Затвор
открыт", а также автоматическое отключение установки в случае, если затвор
заело, он открыт или демонтирован, экран трубки не закреплен или отсутствует,
температура охлаждающей жидкости слишком высока или нарушена циркуляция
o Кабель имеет длину 5 м
o Электропитание 90-260 В
переменного тока, 50-60 Гц, 600 Вт
o Габаритные размеры, Ш x В x Г мм
Основной блок X3003: 552 x 413 x 254
Гониометр G3: 555 x 492 x 574
Гониометр G3R: 966 x 573 x 605
o Вес
Основной блок X3003: 25 кг
Гониометр G3: 16 кг
Гониометр G3R: 35 кг
2.1.1 Основной блок X3003t
Основной блок X3003t состоит из:
o блока питания
o управляющей электроники и
аппаратно-реализованного программного обеспечения
o высоковольтного
генератора
o встроенной системы
жидкостного охлаждения
o всех блокировок,
необходимых для обеспечения полной безопасности
Среди основных особенностей блока можно выделить следующие:
o Универсальное подключение
питания
o Готовность к
использованию на производстве, в лаборатории или в полевых условиях
o Компактное исполнение для
обеспечения исключительной портативности
o Блок питания для
рентгеновской трубки 5-30 кВ/0-10 мА свободно регулируемые в указанных
пределах. Ультракомпактное исполнение.
Рис. 21. Габаритный эскиз основного блока X3003t
2.1.2 Гониометр G3
Xstress 3000 гониометр типа G3 представляет из себя
бесцентровый гониометр, который устанавливается на треногу с фиксацией
магнитами. Исполнение G3, без дугообразного держателя, обеспечивает
дополнительное место под гониометром, что упрощает измерение внутри труб,
например, или на шейках коленчатых валов. С помощью установленного программного
обеспечения возможно изменение расстояния до точки измерения и позиционирование
относительно образца. Одной из стандартных функций гониометра G3 является
возможность измерения распределения линейных напряжений, например, через
сварной шов.автоматически распознает серийный номер рентгеновской трубки и
следовательно, помогает отслеживать общее время наработки трубки.
Позиционирование относительно точки измерения может быть выполнено с высокой
точностью благодаря лазерному указателю через коллиматор.оснащен встроенным
индикатором с круговой шкалой с ценой деления 0,001 мм для всех перемещений,
что обеспечивает возможность автоматического измерения толщины удаленного
материала. Детекторы нового типа обеспечивают повышенную эффективность и
меньшее время измерения.
Ниже приведены основные особенности и технические
характеристики гониометра G3:
o χ-наклон: программируемый, макс. -60⁰ до +60⁰
o χ-осцилляция: Программируемая, 0⁰ до ±6⁰
o Расстояние между
гониометром и точкой измерения автоматически регулируется с точностью до ±0,001
мм
o Детекторы
Парные чувствительные МОП Линейные Датчики Изображения с
симметричным χ (наклон в сторону) расположением. Угловое
разрешение 0,014⁰-0,057⁰/пиксель
2θ-угол легко выбирается
вручную путем перемещения детекторов по дугообразному держателю на требуемый
угол.
o Коллиматор
Сменный, обеспечивает пятна размером 1,2,3,4 и 5 мм.
Специальные коллиматоры поставляются по заказу.
o χ-геометрия с двумя симметрично расположенными детекторами
o Быстро регулируемый 2θ-угол
o Управляемые с ПК
сервомоторы постоянного тока для всех перемещений
o Три стандартных
измерительных расстояния: 50, 75 и 100 мм
o Автоматическая регулировка
расстояния от гониометра до точки измерения
o ±χ-наклон и опционный модуль φ-вращения, возможности для
χ и φ-осцилляций
o Может работать в любом
положении
.1.3 Программное обеспечение
Дифрактометр Xstress 3000 G3 имеет полностью Windows совместимое программное
обеспечение, обеспечивающее потоковую многозадачность.
Из особенностей можно выделить следующие:
o Высокопроизводительное
ПО, совместимое с Microsoft Windows
o Одно приложение для
взаимодействия с оператором, управления прибором и анализа результатов
o Используется Ethernet для связи между
компьютером и основным блоком X3003
o Представляет
дружественные к пользователю и управляемые с помощью меню функции
измерения d∙sin2χ
измерение остаточного аустенита
анализа напряжений по трем осям ASTRI
o Режим множественных d∙sin2χ экспозиций; расчет смещения пика кросс-корреляцией и тремя
другими методами
o Библиотека параметров
материалов и результатов измерений
o Автоматическая калибровка
расстояния от гониометра до образца
o Управление детекторами,
сервомоторами постоянного тока, блоком питания, затвором, функциями блокировок
защит, и т.п.
o Операционная система Microsoft Windows 2000 Pro, Windows XP, Windows Vista, или более новая
o Опции: программа
управления проектами, определение модуля упругости, Ω-режим
2.2 Анализ рентгеновской трубки TFS-3007-HP
В аппаратах Xstress 3000 фирмы «Stresstech Group» применяется
рентгеновская трубка TFS-3007-HP американской фирмы «TruFocus Corporation». Для разработки аналога
этой трубки было необходимо произвести подробный ее анализ, который включал в
себя следующие этапы.
. Анализ документации.
. Анализ комплектации.
. Анализ конструкции.
. Расчет электрических полей и траекторный анализ.
.2.1 Анализ документации
В первую очередь была проанализирована вся имеющаяся документация
на рентгеновскую трубку TFS-3007-HP производства фирмы «TruFocus Corporation». Из нее были найдены
основные параметры трубки [13].
Таблица 3 Основные параметры рентгеновской трубки TFS-3007-HP
|
Параметр
|
Значение
|
|
Анодное
напряжение
|
5 - 30 кВ
|
|
Анодный ток
|
До 10 мА
|
|
Максимальная
мощность
|
300 Вт
|
|
Материал мишени
|
Ag,
Au, Co, Cr, Cu, Fe, Mn, Mo, Ni, Pd, Rh, Ta, Ti, W
|
|
Угол выхода
рентгеновского излучения
|
24 градуса
|
|
Размер
эффективного фокусного пятна
|
0,5 мм
|
|
Вес
|
0,363 кг
|
Рис. 22. Общий вид и габариты рентгеновской трубки TFS-3007-HP
2.2.2 Анализ комплектации
Источник рентгеновского излучения TFS-3007-HP включает в себя саму
рентгеновскую трубку, а также высоковольтный кабель для подключения к основному
блоку аппарата.
2.2.3. Анализ конструкции
Следующим необходимым этапом было исследование конструкции
рентгеновской трубки и также анализ технологических решений, применяемых в ее
изготовлении.
Анализ конструкции включал в себя поэтапную разборку
рентгеновской трубки с обязательным измерением всех размеров и
фотографированием на каждом этапе. Конструкция рентгеновской трубки TFS-3007-HP была тщательно
проанализирована.
В ходе анализа были измерены все доступные размеры, изучены
соединения отдельные деталей и узлов, а также определены материалы,
используемые в данной рентгеновской трубке. По полученной в ходе анализа
информации был оформлен комплект эскизной конструкторской документации на
трубку TFS-3007-HP, по которому также была создана виртуальная трехмерная модель
трубки. Ниже приведен сборочный чертеж рентгеновской трубки а также изображения
ее трехмерной модели
Рис. 37. Сборочный чертеж рентгеновской трубки TFS-3007-HP
2.2.4 Расчет электрических полей и траекторный
анализ
Последним этапом было проведение расчета электрических полей
в вакуумном объеме рентгеновской трубки TFS-3007-HP, а также расчет
траекторий движения электронов в межэлектродном промежутке. Полученные
результаты помогут при разработке конструкции электронной оптики,
разрабатываемого аналога. Ниже представлены результаты расчетов (рис. 38-39).
рентгеновский трубка
Рис. 38. Эквипотенциали в промежутке анод-катод
Рис. 39. Траектории электронов в промежутке анод-катод
Проведенный анализ рентгеновской трубки TFS-3007-HP позволил собрать большое
количество информации, касающейся не только конструкции рентгеновской трубки,
но и технологий, применяемых при ее изготовлении и сборке. Данная информация
будет очень полезна на предприятии ЗАО «Светлана-Рентген». Она поможет
рассмотреть возможность внедрения альтернативных методов обработки и соединения
деталей и узлов рентгеновских трубок.
Раздел 3. Разработка рентгеновской трубки
0,3РСВ1-Cr
.1 Требования к разрабатываемому прибору
Разрабатываемая рентгеновская трубка должна представлять
собой полностью совместимый аналог рентгеновской трубки TFS-3007-HP фирмы «TruFocus Corporation» (США) и использоваться
в аппаратах ф. «Stresstech Group» (Финляндия). По этой причине необходимо чтобы
все входные и выходные параметры новой рентгеновской трубки соответствовали
параметрам трубки TFS-3007-HP. Ниже приведен перечень основных параметров, которым должен
удовлетворять разрабатываемый прибор.
Технические требования:
. Трубка должна соответствовать ГОСТ 8490-77.
. Общий вид, установочные и присоединительные размеры должны
соответствовать эскизу (Рис. 22).
. Материал мишени трубки - Cr.
. Охлаждение трубки водяное принудительное. Температура
охлаждающей жидкости не более 35°С.
. Фильтрация излучения -бериллий не толще 0,2 мм.
. Угол выхода рабочего пучка излучения - 40 х 40 град.
. Трубка должна быть разработана в исполнении УХЛ 4.1 ГОСТ
15150-69.
. Электрические параметры трубки приведены в таблице 4.
Электрические параметры разрабатываемой трубки
Таблица 4
|
Наименование
параметра, единица измерения
|
Буквенное
обозначение
|
Не менее
|
Норма
|
Не более
|
|
Номинальная
мощность трубки, кВт
|
Р ном
|
|
|
0.3
|
|
Номинальное
напряжение трубки, кВ
|
Ua ном
|
5
|
|
30
|
|
Размеры
эффективного фокусного пятна, мм:
|
F эф
|
|
|
|
|
ширина длина
|
|
|
0,5 0,5
|
0,75 0,75
|
|
Ток трубки, мА
|
Iа
|
|
|
10
|
|
Ток накала, А
|
If
|
|
|
2,1
|
|
Напряжение
накала, В
|
Uf
|
|
|
2,5
|
Поскольку разрабатываемая рентгеновская трубка должна
состоять из трех основных узлов ‒ анодного узла, катодного
узла и изолятора, то и разработку можно поделить на три этапа ‒ разработку анодного узла, разработку катодного узла, разработку
изолятора ‒ и рассматривать
каждый этап в отдельности. В ходе разработки были выполнены необходимые
расчеты, результаты которых представлены в настоящей пояснительной записке.
На основании указанных технических требований, новой рентгеновской
трубке было дано обозначение 0,3РСВ1-Cr.
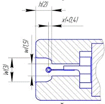
3.2 Разработка анодного узла
.2.1 Выбор геометрии расположения мишени и
выходного окна анодного узла
Разработка анодного узла началась с разработки
рентгенооптической схемы. Она включает в себя угол наклона мишени, расстояние
от центра мишени до выходного окна и диаметра выходного окна. Все параметры
выбирались исходя из необходимости гарантированного получения угла выхода
рентгеновского излучения в 40 градусов, а также обеспечения линейного размера эффективного
фокусного пятна 0,5мм.
По завершению расчета были получены следующие результаты:
. Угол наклона мишени к оси трубки: 23⁰.
. Расстояние от центра мишени до центра выходного окна: 9,5
мм.
. Диаметр выходного окна: 8 мм.
Ниже для наглядности приведен эскиз анодного узла с
указанными размерами.
Рис. 40. Сборочный чертеж анодного узла
.2.2 Тепловой расчет анода
Следующий этап разработки анодного узла - выполнение
теплового расчета анода. Данный расчет позволяет определить максимальную
температуру в наиболее разогреваемых областях анода ‒ мишени, а также на границе мишень-анод. Это дает информацию о
предельно допустимых нагрузках, которые сможет выдержать мишень анода и не
расплавиться при этом. Стоит отметить, что на результат также влияет размер
фокусного пятна и материал мишени.
Расчет производился в специализированной программе Anod_T_Stat, написанной на языке Visual Fortran, созданной и
используемой на предприятии ЗАО «Светлана-Рентген». Для выполнения расчета
необходимо ввести исходные данные. К ним относятся геометрические размеры
рассчитываемого анода, размеры действительного фокусного пятна, материал и
толщину мишени, тип и параметры охлаждения анода, а также мощность, подводимую
к мишени.
Поскольку анод разрабатываемой рентгеновской трубки имеет
сложную форму, расчет производился для анода упрощенной формы. В качестве
эквивалента реальному анода был взять медный цилиндр с диаметром 7,3мм и
высотой 7,5мм, из которых 5мм непосредственно охлаждаются водой. На торце анода
располагается мишень из Cr толщиной 80 мкм.
Ниже приведены результаты теплового расчета анода.
Исходные данные:
Фокусное пятно линейное Теплоноситель вода Мощность рт квт
0.30 Диаметр фокусного пятна ( круглого ) мм 0.00 Ширина действительного
фокусного пятна мм 0.50 0.50 Длина действительного фокусного пятна мм 0.50 1.28
Угол наклона анода град 23.00 Наружный диаметр анода мм 7.30 Толщина мишени мм
0.08 Толщина анода ( без мишени ) мм 2.50 Коэффициент теплоотдачи квт / м2∙к
64.46 Средняя температура теплоносителя град 20.00 К-т теплопроводности
материала мишени вт/м∙к 93.90 К-т теплопроводности материала анода вт/м∙к
330.00 К-т температуропроводности материала мишени вт/м∙к 30.00 К-т
температуропроводности материала анода вт/м∙к 85.50 Макс. Допустимая
температура нагрева мишени град 1600.0 Макс. Допустимая тем. Нагр. Спая
мишень-анод град 700.00 Макс. Допустимая темп. Нагрева торца град 150.00
Параметры системы охлаждения рт:
Диаметр торцевой поверхности радиатора мм 7.20 Высота
цилиндрической поверхности радиатора мм 5.00 Наружный диаметр патрубка
охладителя мм 3.10 Внутренний диаметр патрубка охладителя мм 2.40 Объёмный
расход теплоносителя л / мин 1.00 Средняя температура теплоносителя град. 20.00
Температура центра фокусного пятна град 1019.17 Температура центра спая мишень
- анод град 633.54 Температура центра охлаждаемого торца град 134.87
Рис. 41. Кривые распределения температуры мишени по радиусу и
по толщине
Рис. 42. Кривые распределения температуры анода по радиусу и
по толщине
Полученные результаты полностью удовлетворяют поставленным
требованиям и позволяют утверждать, что на мишени рентгеновской трубки не будет
появляться подплавлений, расслоений, трещин и других повреждений, связанных с
перегревом, при работе в номинальном режиме.
3.2.3 Разработка конструкции анодного узла
Отличие анодного узла новой трубки от анодных узлов
большинства рентгеновских трубок, изготавливаемых на заводе ЗАО
"Светлана-Рентген", заключается в малых размерах и при этом
достаточно большой (для таких размеров) мощности, выделяемой на мишени. Среди
выпускаемых заводом рентгеновских трубок у разрабатываемого анода отсутствует
аналог, который можно было бы взять за основу. По этой причине конструкция, а
также идеология сборки анодного узла новой рентгеновской трубки будет
приближена к конструкции и идеологии сборки рентгеновской трубки
TFS-3007-HP.
Анодный узел включает в себя следующие детали и сборочные
единицы:
. Тело анод
. Анод с нанесенной на него мишенью
. Экран
. Блок выходного окна
. Элементы системы охлаждения (втулка, диск, трубки)
Конструкция анода и тела анода практически полностью
повторяют их конструкцию в рентгеновской трубке TFS-3007-HP, за исключением способа
нанесения зеркала анода. В трубке TFS-3007-HP мишень представляет собой пластинку из чистого
хрома, которая вплавляется в тело анода, после чего шлифуется для достижения
необходимой шероховатости поверхности зеркала. В свою очередь на рентгеновскую
трубку 0,3РСВ1-Cr хром будет наноситься гальваническим способом, поскольку
технология создания хромовых мишеней на предприятии ЗАО «Светлана-Рентген»
предполагает именно такой метод. Толщина мишени будет составлять 80 мкм. Это
оптимальная толщина зеркала, гарантирующая полное торможение электронов в
объеме хрома, а также обеспечивающая достаточный теплоотвод от мишени к аноду.
Экран является дополнительным элементом конструкции, который
обеспечивает полную защиту электронного пучка от внешних воздействий
электромагнитной природы, и позволяет добиться стабильного положения фокусного
пятна и дозы рентгеновского излучения в течении всего времени работы трубки.
Это особенно важно в рентгеновских трубках, использующихся для дифрактометрии.
Блок выходного окна состоит из двух втулок между которыми
методом диффузионной сварки закреплен круглый лист бериллия необходимой
толщины. В целях унификации конструкции в трубку
0,3РСВ1-Cr будет устанавливаться блок выходного окна, который используется в
рентгеновской трубке БСВ33. Толщина Be в данном блоке составляет
145 мкм, а диаметр выходного окна равен 8 мм.
Элементы системы охлаждения включают в себя медные трубки по
которым будет обеспечиваться ввод и вывод охлаждающей жидкости, втулку, которая
разделяет входящие и выходящие потоки жидкости, а также диска, закрывающего
систему охлаждения с внешней стороны.
Ниже представлен сборочный чертеж анодного узла с указанием
позиций отдельных деталей и сборочных единиц.
Рис. 43. Чертеж анодного узла рентгеновской трубки 0,3РСВ1-Cr
Далее был определен порядок сборки и способ соединения
деталей между собой. Все соединения будут выполнены при помощи пайки. При этом
пайка будет производиться в два этапа при разных температурах, различными
припоями и на разных установках.
На первом этапе будет производиться соединение экрана с телом
анода высокотемпературным припоем ПМГрОБ (медно-германиевый припой с
температурой плавления 1020°С), при этом пайка будет выполняться в атмосфере
водорода. При пайке в водородных печах поверхность деталей также дополнительно
очищается (как при водородном отжиге).
В ходе следующего этапа тело анода будет соединено с анодом и
блоком выходного окна, а также к нему будут присоединены элементы системы
охлаждения. В места соединений закладывается припой ПСР72 (медно-серебряный
припой; температура плавления 779°С). Детали в процессе пайки будут находиться
в вакууме, и разогреваться токами высокой частоты (индукционный нагрев). Это
обусловлено физико-химическими свойствами бериллия, который начинает
разрушаться при нагреве в присутствии водорода в окружающей среде.
.3 Разработка катодного узла
.3.1 Расчет параметров катода
При разработке катодного узла новой рентгеновской трубки в
первую очередь было необходимо понять, сможет ли обеспечить вольфрамовый катод
с известной геометрией и подаваемой на него мощностью накала необходимый ток
эмиссии. Геометрия катода рентгеновской трубки
0,3РСВ1-Cr повторяет геометрию катода трубки-аналога TFS-3007-HP. Для этой цели был
произведен расчет основных параметров катода (температура, ток эмиссии,
долговечность) [19].
В качестве исходных данных для расчета выбирались мощность
накала и геометрия катода.
Ниже приведены основные формулы, а также результаты расчета.=
0,124 ммдиаметр проволоки катода= 0,4 ммдиаметр керна= 10число витков= 3
ммдлина катода= 2,1 Амаксимальное значение катодного тока= 2,5 Вмаксимальное
значение катодного напряжения= 2500 Крабочая температура катода' = 1526 Аток
единичного катода (при T=2500К)' = 143.6∙10-3 Внапряжение ед. катода (при
T=2500К)' = 6.63∙10-9 г/сскорость испарения ед. катода (при T=2500К)
lw = 
ммдлина нити катода= 
2.1 Аток накала=
= 2.2 Внапряжение накала= 
= 0.019 А = 19 мАток эмиссии= 
= 448 часовдолговечность катода
Как видно из результатов, вольфрамовый катод при заданных мощности
накала и геометрии в состоянии обеспечить ток эмиссии равный 19 мА. Это
значение почти в 2 раза выше необходимых 10 мА. При этом долговечность такого
катода гарантируется более 400 часов, что удовлетворяет условиям поставленной
задачи.
3.3.2 Изготовление и испытание макетов катода
Для того чтобы удостовериться в правильности теоретического
расчета, был разработан и собран в количестве 2-х штук макет катода на базе
катодного узла рентгеновской трубки 0,2БПМ33-100. Макеты представляют собой
вакуумные диоды в роли анода, в которых выступает фокусирующая головка катода,
электрически изолированная от обоих выводов катода.
В ходе эксперимента были измерены ток эмиссии катода при
различных напряжениях смещения (анодных напряжениях; табл.5,6, рис.45), что
позволило измерить эмиссионную способность катода, и дало возможность
определить, сможет ли катод обеспечить необходимую эмиссию в уже готовой рентгеновской
трубке. Кроме этого была снята вольтамперная характеристика накала (табл.7,
рис.46) в макетах, а также на одном из них измерена температура спирали катода
при различных величинах тока накала (табл.8, рис.47).
Измерение температуры производилось портативным инфракрасным
пирометром Cyclops 100b фирмы «Land» (рис.44). Он позволяет производить высокоточные
измерения в диапазоне температур от 550 до 3000°С. Измеряемая температура
появляется на дисплее в четырех одновременных значениях: продолжительное, пиковое,
основное и среднее, которое пользователь может видеть на дисплее видоискателя.
Ниже представлены результаты испытаний макетов.
Проверка эмиссионной способности катодов
Макет №1
Таблица 5
|
Анодное
напряжение, В
|
Ток анода, мА
|
|
Iн1=1,9
А
|
Iн1=2,0
А
|
Iн1=2,1
А
|
Iн1=2,15
А
|
|
0
|
0,24
|
0,35
|
0,46
|
0,52
|
|
5
|
0,85
|
1,18
|
1,48
|
1,65
|
|
10
|
1,33
|
2,05
|
2,75
|
3
|
|
15
|
1,6
|
2,3
|
4
|
4,55
|
|
25
|
1,9
|
3,7
|
6,2
|
7,5
|
|
50
|
2,2
|
4,55
|
9
|
12,1
|
|
100
|
2,3
|
5,1
|
10,7
|
15
|
|
150
|
|
5,3
|
11,5
|
16,4
|
|
200
|
2,35
|
5,4
|
12
|
17,4
|
|
250
|
|
5,5
|
12,3
|
17,8
|
|
299
|
|
|
12,7
|
|
Макет №2
Таблица 6
|
Анодное
напряжение, В
|
Ток анода, мА
|
|
Iн2=1,9
А
|
Iн2=2,0
А
|
Iн2=2,1
А
|
Iн2=2,15
А
|
|
0
|
0,24
|
0,32
|
0,41
|
0,46
|
|
5
|
0,85
|
1,18
|
1,46
|
1,6
|
|
10
|
1,32
|
2,1
|
2,75
|
3,05
|
|
15
|
1,65
|
2,9
|
4,1
|
4,6
|
|
25
|
1,9
|
3,9
|
6,9
|
7,6
|
|
50
|
2,2
|
4,95
|
9,6
|
12,5
|
|
100
|
2,45
|
5,7
|
11,6
|
15,8
|
|
150
|
2,6
|
6
|
12,5
|
17,2
|
|
200
|
2,75
|
6,3
|
13,2
|
18,2
|
|
250
|
2,8
|
6,55
|
13,7
|
18,8
|
|
299
|
3,15
|
6,8
|
14,1
|
19,4
|
Вольтамперная характеристика катодов
Таблица 7
|
Ток катода, А
|
Напряжение
катода, В
|
|
Макет №1
|
Макет №2
|
|
1,5
|
1,1
|
1
|
|
1,75
|
1,5
|
1,45
|
|
1,9
|
1,85
|
1,8
|
|
2
|
2,05
|
2
|
|
2,1
|
2,3
|
2,25
|
|
2,15
|
2,4
|
2,35
|
Измерение температуры катода (макет №2)
Таблица 8
|
Ток накала, А
|
Температура
спирали, ºC
|
|
1,5
|
1539
|
|
1,75
|
1758
|
|
1,9
|
1898
|
|
2
|
1996
|
|
2,1
|
2045
|
|
2,15
|
2111
|
Рис. 45. Зависимость тока анода от анодного напряжения при
различных значениях тока катода
На графике (рис. 45) видно, что при максимально допустимом
значении тока накала Iн=2,1А, а также напряжении анода Uа=300В, ток эмиссии с
катода уходит в область насыщения и равен при этом Iа2=13мА и Ia1=12,5мА для макета №2 и
№1 соответственно. Оба значения выше величины требуемого анодного тока Iа=10мА, что дает гарантию
получения необходимого тока эмиссии в собранной рентгеновской трубке 0,3РСВ1-Cr при ее работе в
номинальном режиме.
Чертеж, а также фотографии макетов катодных узлов
представлены в приложении 1.
Рис. 46. Вольтамперная характеристика катодов
Рис. 47. Зависимость температуры спирали катода от тока,
проходящего через катод
Кривая зависимости температуры катода от тока накала, а также
вольтамперные характеристики катодов вполне соответствуют теоретическим предсказаниям.
.3.3 Разработка конструкции катодного узла
Основная проблема, с которой пришлось столкнуться при
разработке конструкции катодного узла, его малые размеры. На момент разработки
катодного узла для рентгеновской трубки 0,3РСВ1-Cr на предприятии ЗАО
«Светлана-Рентген» не было разработано ни одного катодного узла, имеющего
одновременно схожие габариты и выдаваемый ток эмиссии.
Разработка нового узла началась с выбора идеологии сборки,
которая бы позволила обеспечить соблюдение необходимых допусков в процессе
сборки узла при сохранении возможности уменьшения его габаритов, а также
упростить этот процесс для рабочих-монтажниц.
Из-за малых размеров катодной головки, оказалось невозможно
применение стандартного метода установки катода (с закреплением ножек катода
винтом). По этой причине за основу была взята идеология установки катода,
которая используется в рентгеновских трубках 0,2БДМ7-50 и БХ9. Ниже приведен
чертеж катодного узла рентгеновской трубки БХ9.
Рис. 48. Чертеж катодного узла рентгеновской трубки БХ9
- катодная ножка; 2 - чехол; 3 - плющенки; 4 - катодная
головка.
В данной конструкции катод с керном (стержень, на который
происходит навивка спирали катода) устанавливается в держатель при помощи
оправки, за счет которой выдерживается необходимое расстояние от оси керна до
поверхности держателя. Затем катод приваривается при помощи контактной сварки.
Посадка катода в катодной головке (рис. 48, 4) обеспечивается точностью
изготовления катодной головки, которая имеет очень малые допуска по высоте.
Затем через монтажные отверстия в стойке концы катода привариваются к катодной
ножке (рис.48, 1) при помощи никелевых полос (рис. 48, 3). Последним этапом
является установка катодного чехла, который прикрывает всю катодную арматуру и
за счет своей формы сглаживает электрическое поле внутри вакуумного объема
трубки. Ниже представлен сборочный чертеж катодного узла рентгеновской трубки
0,3РСВ1-Cr с указанием позиций отдельных деталей и сборочных единиц.
Рис. 49. Чертеж катодного узла рентгеновской трубки 0,3РСВ1-Cr
Катодный узел включает в себя следующие детали и сборочные
единицы:
. Катод
. Никелевые трубки
. Изолятор
. Вывод
. Пистон
. Держатель
. Ножка
. Стойка
. Катодная головка
. Чехол
Соединение катода с выводами обеспечивается методом
контактной сварки (через место соединения пропускается ток в десятки ампер), но
поскольку вольфрам достаточно сложно приварить подобным методом из-за его очень
высокой температуры плавления, для обеспечения данного соединения концы катода
устанавливаются в никелевые трубки (2) и обжимаются ими для обеспечения
электрического контакта. Далее уже никелевые трубки с заправленными в них
концами катода привариваются к соответствующим выводам в держателе контактной
сваркой. Приварка катода к выводам держателя, производится на специальной
оправке, которая точно задает расстояние от оси спирали катода до торца
держателя.
Один из концов катода соединяется с изолятором (3) - это
вывод катода, электрически изолированный от всей катодной арматуры, для
обеспечения прохождения накального тока через спираль катода. Изолятор имеет
специальную «юбочку», которая приваривается к стальному держателю (6)
контактной сваркой.
Второй конец катода соединен с молибденовым выводом (4),
закороченным на держатель. Соединение этого вывода с держателем производится
через пистон (5), также методом контактной сварки.
Держатель (6) устанавливается на стойку (8) при этом
соединение осуществляется при помощи точечной лазерной сварки. Стойка
представляет собой основную соединительную деталь. Материал стойки - сталь. Она
имеет посадочные места для катодной головки (9) и чехла (10), а сама
устанавливается на металло-ситалловую ножку (7).
Выводы катода с обратной стороны держателя соединяются
контактной сваркой с выводами ножки (7) через «плющенки» (небольшие полоски из
никеля). При этом соединение производится через специальные технологические
отверстия в стойке.
Далее на держатель устанавливается катодная головка (сталь) и
приваривается к нему лазерной сваркой. Расстояние от внешнего края катодной
головки до посадочного места, на которое устанавливается держатель, имеет очень
«жесткие» допуска, тем самым обеспечивается точная посадка катода внутри
катодной головки.
На заключительном этапе сборки поверх катодной головки
надевается стальной чехол и устанавливается на посадочное место, которое
располагается на стойке.
Чехол фиксируется лазерной приваркой к катодной головке. В
качестве материала большинства деталей катодного узла применяется сталь 10. Она
удовлетворяет вакуумным свойствам, необходимым для работы прибора, и при этом
недорога.
На этом процедура сборки катодного узла заканчивается, и он
поступает на заварочный участок, где с помощью огневой заварки катодный узел
соединяется с баллоном рентгеновской трубки.
.3.4 Траекторный анализ электронного пучка в
межэлектродном промежутке
Заключительный этап разработки катодного узла - определение
оптимальной геометрической формы щели катодной головки, а также выбор глубины
посадки катода в ней для получения фокусного пятна необходимых размеров.
Для этих целей был выполнен программный расчет траекторий
электронного пучка в конструкции рентгеновской трубки с различными размерами
щели. Далее на основе полученных результатов была выбрана конструкция, при
которой фокусное пятно имело наименьшие размеры. Расчет производился с помощью
программного комплекса TAU, который применяется на предприятии ЗАО
«Светлана-Рентген» для траекторного анализа Программный комплекс TAU
предназначен для моделирования потоков заряженных частиц в статическом и
квазистационарном приближении в электронных приборах и установках различного
назначения. Моделирование электродов производилось в графическом редакторе Constructor Electron Devices (CED). Он применяется для
построения и редактирования 2D и 3D конструкций при моделировании электронных приборов с помощью
программного комплекса TAU.
Форма щели катодной головки определяется несколькими размерами.
Прежде всего, это наружная ширина щели (рис.50,W) и ее глубина
(рис.50,h).
Кроме этого существенное значение имеет глубина посадки спирали катода (рис.50,x) относительно паза в
головке, и ширина самого паза (рис.50,w). От выбора этих размеров в большей степени
зависит траектория электронного пучка. Поскольку на начальном этапе разгона
скорость электронов еще не высока, в области катода они легко изменяют
траекторию своего движения под действием внешнего электрического поля, в то
время как в анодной области траекторию электронного пучка изменить уже
достаточно сложно в виду высокой скорости электронов и, как следствие, их
большой инерции.
Ниже показано изображение щели катодной головки рентгеновской
трубки TFS-3007-HP, с указанием основных размеров.
Рис.50. Форма щели катодной головки с обозначением размеров,
определяющих форму щели (в скобках указаны размеры щели для трубки TFS-3007-HP)
На основании выполненных расчетов была выбрана форма катодной
щели для трубки 0,3РСВ1-Cr, имеющая следующие размеры:
W = 3,6 мм
W = 1,5 мм
h = 2 мм
x = 0,15 мм
Размер фокусного пятна при такой конфигурации катодной щели
составляет 0,4 мм (если за границу фокусного пятна принимать 25% интенсивности
от максимума).
Результаты расчета траектории электронного пучка и размера
фокусного пятна представлены в приложении 2.
.4 Разработка изолятора
.4.1 Разработка баллона
Рентгеновская трубка 0,3РСВ1-Cr имеет баллон
цилиндрической формы, который будет поставляться немецкой фирмой Schott. Стекло из которого
выполнен баллон имеет марку 8245. Это боросиликатное, в котором щелочные
компоненты в исходном сырье заменены на окись бора (B2O3).
Этим достигается повышенная химическая стойкость и малый коэффициент
температурного расширения - до 3,3·10−6 при 20°C. Малое
значение коэффициента температурного расширения позволяет стеклу не трескаться
при резких изменениях температуры. Этим обусловлено его применение в качестве
материала для изготовления баллонов рентгеновских трубок, поскольку испытывают
частые термические нагрузки.
Диаметр баллона выбирался исходя из необходимости обеспечения
предельно возможной электрической прочности трубки. С внутренней стороны
необходимо было обеспечить минимально допустимый зазор в 2 мм между баллоном и
анодным экраном, который имеет диаметр 18 мм.
С внешней стороны диаметр баллона ограничен диаметром кожуха,
расстояние до которого и будет определять электрическую прочность прибора. Чем
оно больше, тем большее напряжение сможет выдержать рентгеновская трубка. Кожух
имеет внутренний диаметр равный 30,5 мм.
В конечном итоге был выбран баллон с внешним диаметром в 24
мм и толщиной стекла 1,5 мм.
.4.2 Определение напряженностей электрического
поля в вакуумном объеме рентгеновской трубки
Для того чтобы гарантировать отсутствие электровакуумных
разрядов в приборе во время его работы, был выполнен расчет напряженностей
электрического поля в вакуумном промежутке.
Расчет производился в специализированной программе POLE_U_E_F. Она написана на языке Visual Fortran, и используется на предприятии
ЗАО «Светлана-Рентген» для нахождения распределения электрических полей внутри
вакуумного объема электронных приборов. Для выполнения расчета необходимо
задать конструкцию электродов и подаваемое на прибор анодное напряжение. Ниже
можно ознакомиться с результатами расчета.
Рис. 51. Распределения потенциалов в вакуумном объеме
рентгеновской трубки 0,3РСВ1-Cr
Рис. 52. Распределение полной напряженности в вакуумном
объеме рентгеновской трубки 0,3РСВ-Cr
Расчет показал, что предельное значение напряженности
электрического поля располагается в области катодной головки и равно 12,4кВ/мм,
что является допустимой величиной. Опасные значения напряженности
электрического поля в вакуумном объеме рентгеновской трубки начинаются от
15кВ/мм и выше.
3.5 Разработка кожуха
Поскольку рентгеновская трубка 0,3РСВ1-Cr должна иметь защиту от
неиспользуемого рентгеновского излучения, конструкция разрабатываемого прибора
включает кожух, который поглощает все неиспользуемое излучение.
Рис. 53. Чертеж кожуха рентгеновской трубки 0,3РСВ1-Cr
Кожух состоит из следующих деталей:
. Герметик - специальный наполнитель на основе
кремнийорганических каучуков. В его задачи входит обеспечение электро- и
теплоизоляции между катодом рентгеновской трубки и кожухом.
. Внутренняя Труба, изготовленная из свинца
обеспечивающая полное поглощение фонового рентгеновского излучения, исходящего
от различных узлов рентгеновской трубки.
. Внешняя Труба - является силовым узлом, который
придает жесткость всей конструкции прибора, а также обеспечивает защиту от
коррозии всех последующих узлов.
. Фланец, в котором закрепляются трубки охлаждения
анода.
. Втулки, для подсоединение шлангов системы
охлаждения.
. Высоковольтный кабель питания рентгеновской трубки.
Сборка кожуха рентгеновской трубки 0,3РСВ1-Cr начинается с
подсоединения к выводам рентгеновской трубки высоковольтного кабеля (6). После
чего в оправке происходит заполнение свободного пространства между трубкой и
оправкой специальным двухкомпонентным герметиком (1). После застывания
наполнителя сверху конструкция обертывается листом свинца (2) толщиной 0,5мм.
Далее на трубку надевается стальной кожух (3), который крепится к трубке
винтами со стороны анода. Следом в конструкцию устанавливается фланец (4),
который также крепится к кожуху при помощи винтов. На заключительном этапе
сборки со стороны фланца на трубки охлаждения надеваются патрубки, которые
фиксируются эпоксикаучуковым клеем «Экан-3».
3.6 Разработка документации
.6.1 Разработка эскизной конструкторской
документации
Для изготовления рентгеновской трубки 0,3РСВ1-Cr в первую
очередь было необходимо создать эскизную конструкторскую документацию. На
данный момент эскизная документация на рентгеновскую трубку 0,3РСВ1-Cr
полностью готова и включает в себя 26 листов с чертежами деталей, а также 20
листов сборочных чертежей. Копии чертежи деталей отданы в цех механической
обработки, где по ним производится изготовления деталей. На основе сборочных
чертежей выполняется разработка необходимых оправок для обеспечения точной
сборки отдельных деталей и узлов трубки. Чертежи для ознакомления с
конструкцией рентгеновской трубки 0,3РСВ1-Cr представлены в
приложении 3.
.6.2 Разработка программы тренировки и испытаний
Для обеспечения стабильной работы рентгеновской трубки в
номинально режиме необходимо произвести ее тренировку и последующие испытания.
В ходе тренировки сначала на трубке устанавливают ток 1-2мА при анодном
напряжении порядка 1/3 от номинального и в течении 60-120 минут постепенно
повышают напряжение и ток вплоть до номинальных значений по мощности и 10%
перегруза по напряжению.
На данный момент в метрологический отдел ЗАО
«Светлана-Рентген», который разработкой программ тренировки и испытаний
рентгеновских трубок, передана вся необходимая информация по трубке 0,3РСВ1-Cr,
и к моменту ее изготовления данные программы будут написаны.
3.6.3 Разработка программы откачки
Откачкой называется процесс удаления из объема рентгеновской
трубки всех газов, как свободных, так и растворенных в деталях и снижения
скорости их выделения из внутренних элементов прибора, включая и оболочку, до
величины меньшей или равной скорости поглощения этих газов обезгаженными
внутренними элементами. При этом, если процесс удаления газов из объема ЭВП не
вызывает особых затруднений и длится (в зависимости от его объема) от десятков
секунд до десятков минут, то процесс снижения скорости выделений газов из
внутренних элементов прибора требует длительного их обезгаживания при высокой
температуре.
Конечной целью откачки ЭВП является получение низких рабочих
и остаточных давлений газов в объеме прибора. В большинстве современных ЭВП
рабочее давление составляет (10-3÷10-7) Па. Столь низкие
давления в рабочем пространстве приборов необходимы для обеспечения их
нормальной работы.
Откачка рентгеновской трубки 0,3РСВ1-Cr будет производиться на
стационарном откачном посту по стандартной схеме, которая включает в себя общую
тепловую обработку, обезгаживание катода и тренировку электронной
бомбардировкой.
На первом этапе трубку подключают к вакуумному посту и
осуществляют предварительную откачку до достижения в системе давления 5∙10-5мм
рт.ст.
Далее производится прогрев трубок в печи с одновременным
обезгаживанием катода.
На последнем этапе происходит обезгаживание анода электронной
бомбардировкой. По окончанию этой процедуры рентгеновская трубка отпаивается.
Давление остаточных газов внутри трубки при этом не превышает 5∙10-6.
Полная программа откачки рентгеновской трубки 0,3РСВ1-Cr представлена в приложении
3.
3.6.4 Разработка технологии сборки
Сборка рентгеновской трубки предполагает наличие
соответствующей документации, в которой бы были указаны все технологические
процедуры, применяемые в ходе сборки прибора, а также их порядок. Кроме этого
необходимо разработать и изготовить оснастку, используемую при сборке, и
обозначить ее в соответствующей документации.
На данный момент все необходимые данные по рентгеновской
трубке 0,3РСВ1-Cr отданы в соответствующие отделы ЗАО «Светлана-Рентген», а именно
в «конструкторское бюро по инструментам», где будет выполняться разработка и
изготовление необходимой оснастки, а также в «технологическое бюро», которое
составит технологическую документацию.
Результаты
В ходе выполнения магистерской диссертационной работы были
получены следующие результаты:
. Произведен полный анализ рентгеновской трубки TFS-3007-HP производства «TruFocus Corporation» (США), в ходе которого
было собрано большое количество информации, которая позволит рассмотреть
возможность внедрения альтернативных методов обработки и соединения деталей и
узлов рентгеновских трубок на предприятии ЗАО «Светлана-Рентген».
. Были собраны и успешно испытаны 2 макета катода,
который будет входить в конструкцию рентгеновской трубки 0,3РСВ1-Cr.
. В ходе разработки рентгеновской трубки 0,3РСВ1-Cr были выполнены следующие
расчеты:
-
тепловой расчет анода;
расчет
параметров катода;
траекторный
анализ электронного пучка в межэлектродном промежутке;
расчет
распределения электрического поля в вакуумном объеме рентгеновской трубки.
4. В соответствии с техническим заданием был создан
полный комплект конструкторской документации на малогабаритную рентгеновскую
трубку с полной защитой от неиспользуемого излучения 0,3РСВ1-Cr, на основании которого в
настоящее время выполняется изготовление деталей и узлов для данной трубки.
. Разработана программа откачки
. На данный момент происходит оформление
технологической документации, а также выполняется разработка программ для
тренировки и испытаний для разработанной рентгеновской трубки
.
Список используемой литературы
1. 12-я
Международная выставка по неразрушающему контролю и технической диагностике в
промышленности [Электронный ресурс] / Режим доступа: #"551455.files/image064.gif">
чертеж макета для испытания катода рентгеновской трубки
0,3РСВ1-Cr
Рис. А.1
Приложение Б
траекторный анализ электронного пучка и расчет размеров
фокусного пятна рентгеновской трубки 0,3РСВ1-Cr
Рис. Б.1
Рис. Б.2
Приложение В
габаритный чертеж рентгеновской трубки 0,3РСВ1-Cr
Рис. В.1
сборочный чертеж рентгеновской трубки 0,3РСВ1-Cr
Рис. В.2
Приложение Г
программа откачки рентгеновской трубки 0,3РСВ1-Cr
1. Подготовка трубок к откачке.
Проверить трубки на отсутствие посторонних частиц внутри
трубки, внешних дефектов.
Расправить накальные выводы трубок, надеть на них стеклянные
трубочки до упора в жесткие штырьки. Проверить омметром наличие контакта в цепи
катода.
Напаять трубки на вакуумные системы.
Запустить вакуумные системы согласно СПО.054.215ТК.
Подсоединить выводы катода к соответствующим клеммам поста и
соединить корпус трубки с любым катодным выводом.
Проверить наличие контакта в цепи катода кратковременным
включением напряжения накала (ток накала не более 1 А). Давление в системе при
этом должно быть не более 5*10-5мм рт.ст.
Опустить печь общего прогрева.
2. Прогрев трубок в печи и обезгаживание катода.
Включить печь общего прогрева. Давление в системе при этом
должно быть не более 1*10-5 мм рт.ст.
Поднять температуру печи до 4800С за время не менее 30 мин.
Давление в системе при подъеме температуры должно быть не более 2*10-4 мм
рт.ст.
Примечание: 1. Включить прогрев элементов вакуумных систем
одновременно с включением печи общего прогрева.
2. Выключить прогрев элементов вакуумных систем после
выдержки при температуре 4200С.
Произвести обезгаживание трубок в печах и обезгаживание
катода согласно режиму, указанному в таблице 1.
Таблица Г.1
|
Температура
печи,0С
|
Время выдержки,
мин.
|
Ток накала, А
|
Давление в
системе в конце выдержки, мм рт.ст., не более
|
|
480
|
120
|
-
|
1*10-5
|
|
420
|
60
|
-
|
8*10-6
|
|
420
|
3
|
0,5
|
5*10-6
|
|
3
|
1
|
|
|
3
|
1,5
|
|
|
3
|
1,8
|
|
|
3
|
2
|
|
Выключить печь общего прогрева.
Продолжать обезгаживание катода по режиму, указанному в
таблице 2.
Таблица Г.2
|
Время выдержки,
мин.
|
Ток накала, А
|
Давление в
системе в конце выдержки, мм рт.ст., не более
|
|
60
|
2,1
|
5*10-6
|
|
15
|
2,3
|
|
Снизить ток накала до 1 А и оставить до электронной
бомбардировки.
Поднять печь общего прогрев при достижении температуры 1800С.
3. Обезгаживание анодов трубок электронной бомбардировкой.
Подсоединить к аноду трубок вывод от высоковольтного
выпрямителя, заизолировав его от металлических частей поста.
Произвести тренировку трубок по режиму, указанному в таблице
3.
Таблица Г.3
|
Напряжение
трубки, кВ
|
Трок трубки, мА
|
Ток накала, А.
не более
|
Время выдержки,
мин
|
Давление в
системе в конце выдержки, мм рт. ст., не более
|
|
|
|
подъема
|
выдержки
|
|
|
30
|
0,1
|
2,1
|
-
|
60
|
5*10-6
|
|
30
|
0,2
|
2,1
|
-
|
10
|
|
Снизить напряжение трубок до нуля.
Отсоединить вывод высоковольтного выпрямителя от трубок.
Снизить ток накала до нуля.
Выключить напряжение накала.
Отсоединить вывод трубок от выводов поста.
4. Отпайка трубок.
Отпаять трубки. Давление в системе перед отпайкой должно быть
не более 5*10-7 мм рт.ст.
Выключить вакуумные системы согласно СПО.054.215ТК.