Равновесие системы сил. Понятие траектории
Задача №1. Равновесие плоской
системы сил
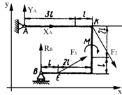
Жесткая рама закреплена в точке А шарнирно, а в
точке В прикреплена к шарнирной опоре на катках; стержень прикреплен к раме и к
неподвижной опоре шарнирами.
На раму действуют пара сил с моментом М = 100
Н·м и две силы.
Требуется определить реакции связей
в точках А и В, вызываемые заданными нагрузками. При окончательных подсчетах
принять
м.
Дано:
М = 100 Н·м; F1=10
H; F2=40
H
α = 30°; β = 60°;
м
Аналитическое решение:
Из условия, что тело находится в
равновесии, следует следующая система уравнений:
Для данной задачи исходя из системы
составим соответствующие уравнения:
Из (1) найдем
:
Из (3) найдем
:
Из (2) подставив
, найдем
:
Знак "-" указывает на
противоположное направление силы, чем было выбрано, т. е. силы будут направлены
так:
Ответ:
Проверка:
Составим момент сил относительно
точки В:
Задача №2. Равновесие
пространственной системы сил
Однородная прямоугольная плита весом
Р = 5 кН со сторонами АВ = 3l, ВС = 2 l закреплена
В точке А сферическим шарниром, а в точке В цилиндрическим шарниром
(подшипником) и удерживается в равновесии невесомым стержнем СС’. На плиту
действует пара сил с моментом М = 6 кН·м, лежащая в плоскости плиты, и две
силы:
лежащая в
плоскости, параллельной плоскости xz и сила
- в плоскости,
параллельной плоскости yz. Точки приложения сил (E,D) находятся
в серединах сторон плиты.
Требуется определить реакции связей
в точках А, В, С.
При окончательных подсчетах принять l = 0,8 м.
Дано:
Р = 5 кН; М = 6 кН·м; F2=6 кH; F3=8 кH
F2 ┴ Oz; α = 30°; АВ=
; ВC=
;
м
Аналитическое решение:
Из условия, что тело находится в
равновесии, следует следующая система уравнений:
Для данной задачи получим следующую
систему уравнений:
Ответ: 
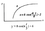
Задача №3. Кинематика точки
Точка В движется в плоскости xy. Закон
движения точки задан уравнениями:
где x и y выражены в
сантиметрах, а t - в секундах.
Найти уравнение траектории точки;
для момента времени t=1 c определить
скорость и ускорение точки, а также касательное и нормальное ускорение и радиус
кривизны в соответствующей точке траектории. Вычертить в масштабе траекторию
точки, показать ее начальное положение и положение в заданный момент времени,
показать на рисунке полные скорость и ускорение точки, их проекции на
координатные оси, касательное и нормальное ускорение точки.
равновесие траектория
скорость кривизна
Дано:
Аналитическое решение:
Так как уравнения заданы в
параметрической форме, тогда для перевода этих уравнений к каноническому виду
воспользуемся тригонометрическим тождеством о двойном угле :
Значит
Отсюда, приравняв левые части
уравнений, получим следующий вид канонического уравнения движения материальной
точки:
- уравнение параболы
В момент времени
материальная
точка имела положение
, а в момент
времени
- в
положении
Определим скорость движения
материальной точки через проекции на координатные оси:
Результирующая же скорость будет
равна
Тогда в момент времени
, получим
следующие величины проекций и результирующей скорости:
Аналогично скорости определим
ускорение материальной точки:
Результирующая же скорость будет
равна
Тогда в момент времени
, получим
следующие величины проекций и результирующего ускорения:
Для определения касательного
ускорения продифференцируем следующее равенство:
Отсюда следует, что
, тогда в
момент времени
Так как
, то
нормальное ускорение найдем по следующей формуле:
Радиус кривизны определим учитываю,
что